Amtran Technology Co XVT473SV-WL WLAN USB CARD WN8522B 3-LF-MT User Manual Product Specifications
Amtran Technology Co Ltd WLAN USB CARD WN8522B 3-LF-MT Product Specifications
User Manual

Product Specification
WN8522B 3
1
Product Specification
WN8522B 3-LF-MT
IEEE Dual Band 802.11n USB2.0 module for DTV
v.03

Product Specification
WN8522B 3
2
Table of Contents
Chapter 1 Introduction _____________________________________________________ 4
1. Introduction ________________________________________________________ 4
1.1 Product Features ____________________________________________________ 4
1.2 Applications _______________________________________________________ 4
Chapter 2 Hardware _______________________________________________________ 5
2.1 General Overview __________________________________________________ 5
2.2 Hardware Architecture _______________________________________________ 5
2.3 Main Chipset Information ____________________________________________ 5
2.4 PCB dimension ___________________________________ 錯誤! 尚未定義書籤。
2.5 Pin Define _________________________________________________________ 6
2.6 Antenna Cable ______________________________________________________ 7
Chapter 3 Specifications ___________________________________________________ 12
References ________________________________________________________________ 14

Product Specification
WN8522B 3
3
Revision History
Edition #
Reason for revision
Issue date
Written by
V 0.1
Initial Document
2009/09/17
Troy Chen
V0.2
Update PCB outline & Antenna cable
2009/12/10
Andre Lin
V03
5G spec listed
2010/06/26
Troy Chen

Product Specification
WN8522B 3
4
Chapter 1 Introduction
1. Introduction
WN8522B 3 is a dual band wireless 802.11n USB module for DTV, Bluray Players, etc..
which enables consumer devices to support wireless connectivity over 802.11a/b/g/n WLAN .
1.1 Product Features
High speed for wireless LAN connection, RX up at 300 Mbps data rate.
Backward compatible to the existing IEEE 802.11a/b/g WLAN infrastructure.
Support USB v2.0
1.2 Applications
Module for Connected TV

Product Specification
WN8522B 3
5
Chapter 2 Hardware
2.1 General Overview
USB 2.0 Interface
2 * antenna connectors
2.2 Hardware Architecture
Broadcom 4323 single chip USB2.0
2.3 Main Chipset Information
BCM4323: MIMO MAC + Baseband processor and RF with fully forward compatible with IEEE 802.11n
draft2.0 standard.
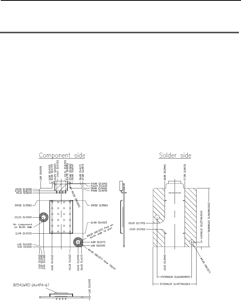
2.4 PCB dimension

Product Specification
WN8522B 3
6
2.5 Pin define

Product Specification
WN8522B 3
7
2.5 Antenna Cable
XVT32/ XVT37

Product Specification
WN8522B 3
8
XVT42/ XVT47

Product Specification
WN8522B 3
9
XVT55

Product Specification
WN8522B 3
10
Chapter 3 Software
3.1 Operating System Supported
Windows 2000, XP, Vista
3.2 Wireless Mode Supported
AP (Infrastructure) Client mode
3.3 Security
AP (Infrastructure) mode supports
Static WEP that support both 64 and 128 bit keys.
WPA(TKIP) with PSK
Ad-hoc mode supports
None (plaintext)
Static WEP that supports both 64 and 128 bit keys.

Product Specification
WN8522B 3
11
Chapter 4 Appearance
TBD

Product Specification
WN8522B 3
12
Chapter 5 Specifications
Frequency Band:
802.11n Radio: 2.4 GHz
802.11g Radio: 2.4 GHz
802.11b Radio: 2.4 GHz
USA – FCC 2412~2462MHz (Ch1~Ch11)
Canada – IC 2412~2462MHz (Ch1~Ch11)
Europe – ETSI 2412~2472MHz (Ch1~Ch13)
Japan – STD-T66/STD-33 2412~2484MHz (Ch1~Ch14)
802.11a Radio : 5 GHz
5.150~5.250GHz
5.250~5.350 GHz
5.470~5.725 GHz
5.725~5.850GHz
Operating Channels:
IEEE 802.11b/g/n compliant:
11 channels (US, Canada)
13 channels (ETSI)
14 channels (Japan)
Transmit Power and Sensitivity:
TX Output Power:(Typical)
11b 16.5 +/- 1.5 dBm
11g 14.5 +/- 1.5 dBm@54Mbps
11n 13.5 +/- 1.5 dBm
11a 13.5 +/- 1.5 dBm
Rx Sensitivity:(Typical)
-84 dBm @11 Mbps
-72 dBm @54 Mbps
-64 dBm @64-QAM, 20MHz channel spacing
-61 dBm @64-QAM, 40MHz channel spacing
Modulation
DBPSK @1Mbps
DQPSK@2Mbp

Product Specification
WN8522B 3
13
CCK@5.5/11Mbps
BPSK@6/9 Mbps
QPSK@12/18Mbps
16-QAM@24Mbps
64-QAM@48/54Mpb and above, RX up to 300Mbps
Current consumption(5V DC):
TX: <480mA Max, @MCS15, 40MHz
RX: <380 mA Max, @MCS15, 40MHz
Radio OFF mode: <60 mA
Operating Temperature: 0 ~ 40 oC ambient
Storage Temperature: -10 ~ 70 oC ambient
Humidity: 5 ~ 90% and must be non-condensing
Regulation and certification compliance available:
WHQL
ETSI/CE
ESD: EN61000-4-2, which specifies 4kV contact and 8kV air discharge.

Product Specification
WN8522B 3
14
References
BRCM Reference Design Functional Specification
IEEE 802.11b Standard Specification
IEEE 802.11g Standard Specification
IEEE 802.11n draft Standard Specification
The drawings, specifications and the data contain herein are the exclusive property of Arcadyan
Technology Corp. issued in strict confidence and shall not, without the prior written permission of
Arcadyan Technology Corp., be reproduced, copied or used, in parts or as a whole, for any purpose
whatsoever, except the manufacture of articles for Arcadyan Technology Corp.
Arcadyan makes no warranties with respect to the correctness, accuracy or wholeness of this
specification. The information in this document is subject to change without notice. Arcadyan
reserves the right to make revisions to this document and the product described herein without
obligation to notify any person or entity of any such changes.
WARNING
This document is intended for internal use only. A Non-Disclosure
Agreement (NDA) is required to release this document under any
circumstances

Product Specification
WN8522B 3
15
Federal Communication Commission Interference Statement
This equipment has been tested and found to comply with the limits for a Class B
digital device, pursuant to Part 15 of the FCC Rules. These limits are designed to
provide reasonable protection against harmful interference in a residential installation.
This equipment generates, uses and can radiate radio frequency energy and, if not
installed and used in accordance with the instructions, may cause harmful
interference to radio communications. However, there is no guarantee that
interference will not occur in a particular installation. If this equipment does cause
harmful interference to radio or television reception, which can be determined by
turning the equipment off and on, the user is encouraged to try to correct the
interference by one of the following measures:
● Reorient or relocate the receiving antenna.
● Increase the separation between the equipment and receiver.
● Connect the equipment into an outlet on a circuit different from that to which the
receiver is connected.
● Consult the dealer or an experienced radio/TV technician for help.
FCC Caution: Any changes or modifications not expressly approved by the party
responsible
for compliance could void the user’s authority to operate this equipment.
This device complies with Part 15 of the FCC Rules. Operation is subject to the following two
conditions: (1) This device may not cause harmful interference, and (2) this device must
accept any interference received, including interference that may cause undesired operation.
For product available in the USA/Canada market, only channel 1~11 can be operated.
Selection of other channels is not possible.
This device and its antenna(s) must not be co-located or operation in conjunction with any
other antenna or transmitter.
This device is going to be operated in 5.15~5.25GHz frequency range, it is restricted in indoor
environment only.
IMPORTANT NOTE:
FCC Radiation Exposure Statement:

Product Specification
WN8522B 3
16
This equipment complies with FCC radiation exposure limits set forth for an
uncontrolled environment. This equipment should be installed and operated with
minimum distance 20cm between the radiator & your body.
IMPORTANT NOTE:
This module is intended for OEM integrator. The OEM integrator is still
responsible for the FCC compliance requirement of the end product, which
integrates this module.
20cm minimum distance has to be able to be maintained between the antenna
and the users for the host this module is integrated into. Under such
configuration, the FCC radiation exposure limits set forth for an
population/uncontrolled environment can be satisfied.
Any changes or modifications not expressly approved by the manufacturer
could void the user's authority to operate this equipment.
USERS MANUAL OF THE END PRODUCT:
In the users manual of the end product, the end user has to be informed to
keep at least 20cm separation with the antenna while this end product is
installed and operated. The end user has to be informed that the FCC
radio-frequency exposure guidelines for an uncontrolled environment can be
satisfied. The end user has to also be informed that any changes or
modifications not expressly approved by the manufacturer could void the user's
authority to operate this equipment. If the size of the end product is smaller
than 8x10cm, then additional FCC part 15.19 statement is required to be
available in the users manual: This device complies with Part 15 of FCC rules.
Operation is subject to the following two conditions: (1) this device may not
cause harmful interference and (2) this device must accept any interference
received, including interference that may cause undesired operation.
LABEL OF THE END PRODUCT:
The final end product must be labeled in a visible area with the following "
Contains TX FCC ID: MDZXVT473SV-WL ". If the size of the end product is
larger than 8x10cm, then the following FCC part 15.19 statement has to also
be available on the label: This device complies with Part 15 of FCC rules.

Product Specification
WN8522B 3
17
Operation is subject to the following two conditions: (1) this device may not
cause harmful interference and (2) this device must accept any interference
received, including interference that may cause undesired operation.