Applied Wireless Identifications Group MR1824 Sentinel-Prox MR-1824 User Manual install
Applied Wireless Identifications Group Inc. Sentinel-Prox MR-1824 install
Contents
- 1. User Manual
- 2. Installation Manual
Installation Manual

1
Reader Description Last Update: April 9, 1999
The Sentinel-Prox MR-1824 Reader is a radio frequency identification (RFID) Reader used in Access Control
System. The Reader consists of a transmit/receive antenna, associated electronics, and a polycarbonate housing
which encloses the antenna and the electronics. The inside of the polycarbonate housing is potted with a two-part
epoxy to protect the antenna and the electronics against outside environment.
Parts List
a.) Installation sheet, P/N: 004-97-A QTY=1
b.) Sentinel-Prox MR-1824 Reader, P/N: 004-20-A QTY=1
c.) #6-32 x 1” Thread-cutting screw, Type 23, P/N: 616PPN23ZP QTY=4
d.) Screw hole plug, P/N: 004-27-A QTY=5 (1 spare)
Installation Procedure
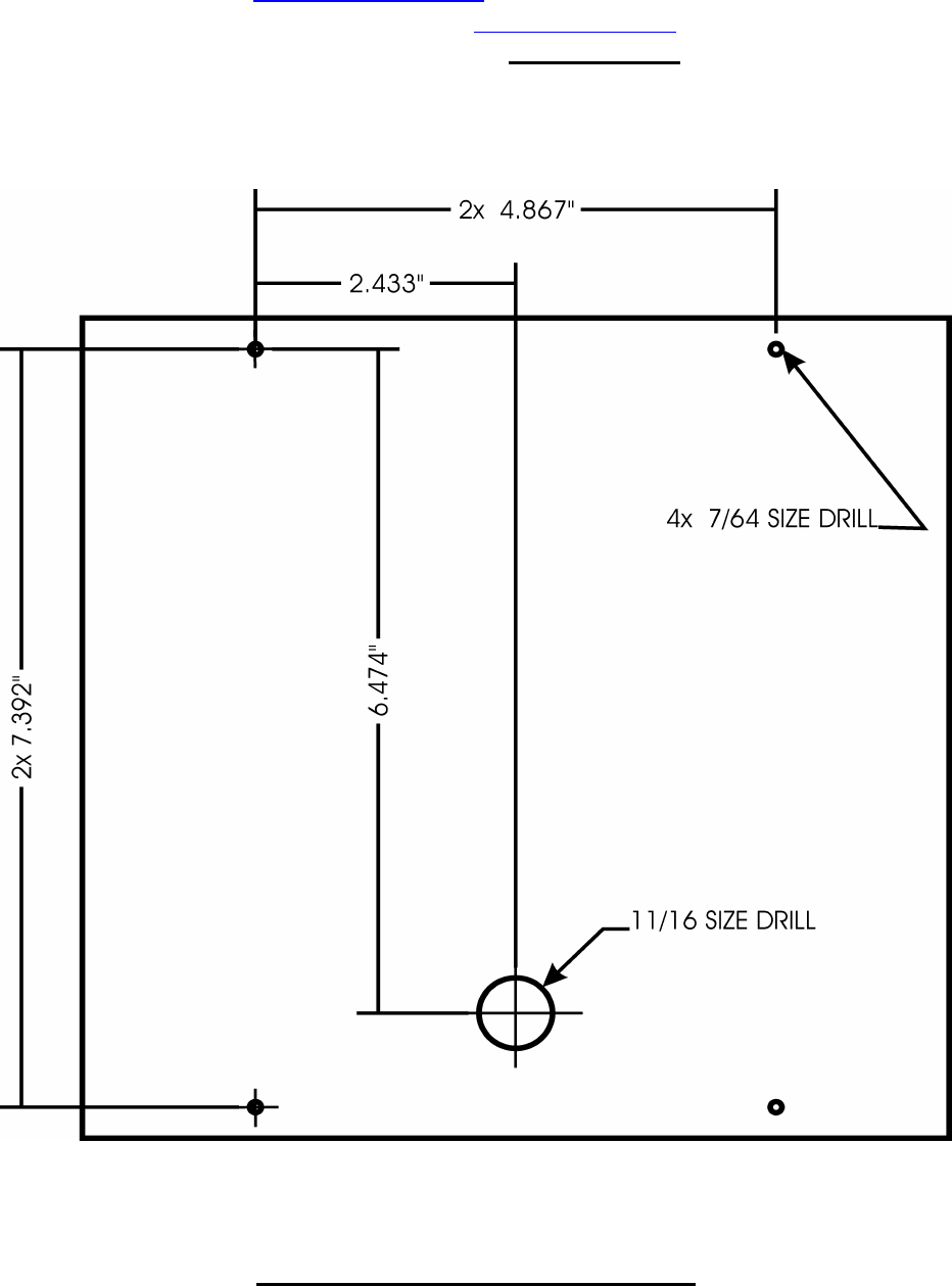
1.) Position the Reader (Item b on Parts List) at desired mounting position on the mounting surface. Drill four
7/64 (0.109)-inch holes for mounting the Reader and one 11/16 (0.688)-inch clearance hole for clearing the
cable and the straight-thru fitting according to Figure 1.
2.) Connect the Reader and the Panel together according to Figure 2.
a. Mount the Reader to the mounting surface with the provided #6-32x1” Thread-cutting screws, Type 23
(Item c on Parts List). Insert the Screw hole plugs (Item d on Parts List) into the screw clearance holes to
conceal the screws. Note: screw hole plugs are designed for one-time use only! Once the
plugs are seated, they can not be removed without damaging the plugs.
Product Specifications
1.) Read Range (Metal Compensated)
1 5VDC (280mA peak) Up to 19 inches (48 cm)
1 12VDC (700 mA peak) Up to 25 inches (64 cm)
2.) Characteristics
1 Indoor and Outdoor UL Listed
1 Operating Temperature Range-35° C to 65° C (-31° F to 150° F)
1 Operating Humidity 0 to 95% non-condensing
3.) Operating Parameters
1 Excitation Frequency 125kHz
1 Wiegand Output (Standard) 26 bits
1 Wiegand Output (Optional) Up to 56 bits
Note: For installation using RS-232 output or combining Wiegand/RS-232, please refer to Operation &
Installation Manual, P/N: 004-98-A. This manual can be downloaded directly from our web page.
Do not cycle the power supply ON and OFF in rapid succession. Each power supply has its unique “decay”
characteristics. Turning the power supply ON and OFF in rapid succession can cause the Microcontroller to lock-
Installation Sheet (Wiegand Output Only) – 004-97-A
Sentinel-Prox Mr-1824 Reader

2
up, due to improper initialization. Always turn the power supply OFF and count 10 seconds before turning ON
again.
NOTE: SEE OUR WEB PAGE http://www.awid.com FOR DETAIL INSTALLATION INSTRUCTION
OR FORWARD ALL WRITTEN QUESTIONS TO service@awid.com (ALL QUESTIONS WILL BE
ANSWERED WITHIN 24 HOURS) OR CALL US AT 1-800-369-5533 FROM 8 A.M. TO 8 P.M.
EASTERN STANDARD TIME FOR TECHNICAL ASSISTANCE.
FIGURE 1: HOLES DIMENSIONS

3
FIGURE 2: WIEGAND FORMAT WIRING DIAGRAM