Axia Innovations VCM7130V01 RF module-2.4G transceiver User Manual 1

Axia Innovations LTD. RF module-2.4G transceiver 1

Contents

User Manual

RF module-2.4G transceiver     Model: JM7130S20PLV1 Dec-2017 Jess Technology Co., Ltd. 1/81.0 General DescriptionThe JM7130S20PL module is designed for 2.4GHz ISM band wireless applicationsusing GFSK transceiver. This module features a fully programmable frequencysynthesizer by SPI. The data rate is 4Mbps.2.0 Electrical specificationItemSpecificationRemarkSupply Voltage3.3V+/-0.1VCurrent Consumption<10uA (typical) @Sleep mode2.5mA (typical) @Standby mode200mA (typical) @Tx mode26mA (typical) @Rx modeFrequency2400 – 2483.5MHzISM bandRx Sensitivity-90dBm (typical) @ 4M mode, Dev = 1MHzTypical,BER≦1E-3,With Gaussian filter.ModulationGFSKDimension 23 (L) x 21.5(W) x 4.2(H) mm (+/-0.5mm) - With External Crystal- Without connectorOperating Temperature -20 ~ +70°CCrystal Frequency 16MHz +/-20ppm
V1 Dec-2017 Jess Technology Co., Ltd. 2/83.0 Module PictureTop view
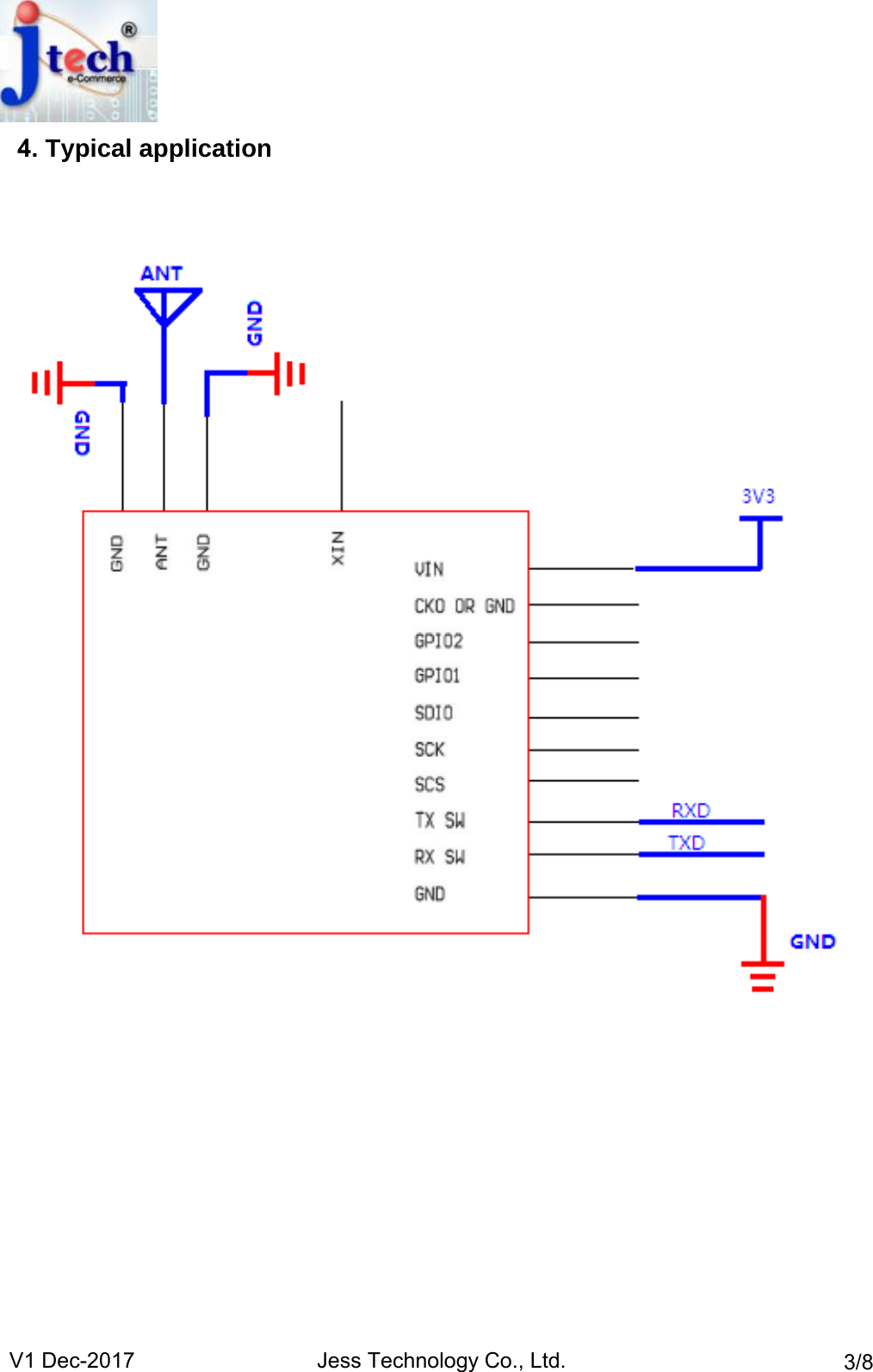
V1 Dec-2017 Jess Technology Co., Ltd. 3/84. Typical application
We recommend placing the module on the edge or corner of the PCB board. It is best to reserve a space of 6×18mm on the board for  antenna. As shown below: 5. Installation instructionsV1 Dec-2017 Jess Technology Co., Ltd. 4/8
V1 Dec-2017 Jess Technology Co., Ltd. 5/8Top view4. Mechanical DimensionSide View
V1 Dec-2017 Jess Technology Co., Ltd. 6/85. Interface6. PA & LNA control stateControl functionRX ONTX ONTR/X OFFInhibitionTX SW1010RX SW0110PinNo.Pin nameCommentNote1REGI33RF module supply voltage input3.3V2CKOClock output of A71303GIO2General Purpose I/O 24GIO1General Purpose I/O 1Activelow5SDIOSPI Data I/O6SCKSPI Clock7SCSSPI Chip Selection8TX SWRF front end PA/LNA selectActivelow9RX SWRF front end PA/LNA select10GNDGND11X’tal inClock in for A7130
V1 Dec-2017 Jess Technology Co., Ltd. 7/87. Reflow Profile8.0 Ordering InformationPart number Size (mm) RemarkJM7130S22PL 23 (L) x 21.5(W) x 4.2(H) mm (+/-0.5mm) With 4Mbps data rate
Note:The module is limited to OEM installation ONLY;The OEM integrator is responsible for ensuring that the end-user has no manual instructions to remove or install module.If the FCC identification number is not visible when the module is installed inside another device, then the outside of the device into which the module is installed must also display a label referring to the enclosed module. This exterior label can use wording such as the following:“Contains Transmitter Module FCC ID: XXXXXXXX”when the module is installed inside another device, the user manual of this device must contain below warning statements;1、This device complies with Part 15 of the FCC Rules. Operation is subject to the following two conditions:(1) This device may not cause harmful interference.(2) This device must accept any interference received, including interference that may cause undesired operation.That separate approval is required for all other operating configurations, including portable configurations with respect to Part 2.1093 and different antenna configurations. This product is mounted inside of the end product only by professional installers OEM. They use this module with changing the power and control signal setting by software of end product within the scope of this application. End user can not change this setting. The equipment complies with RF exposure limits. This module is limited to installation in mobile or fixed applications. The antenna used for this transmitter must not be co-located or operating in conjunction with any other antenna or transmitter. V1 Dec-2017 Jess Technology Co., Ltd. 8/8

Navigation menu