B plus B SmartWorx WLNG1 WLRG-RA-DP101 User Manual

B&B; Electronics WLRG-RA-DP101

Contents

User Manual

   Product Databook    Airborne 802.11b/g Value Radio WLRG-RA-DP101  Revision 1.0  December 2007 File name: 100-8026-100g 802.11bg value radio databook 1.0
Quatech, Inc.  Company Confidential Revision 1.0 100-8026-100G Airborne 802.11b/g Value Radio Databook 3 Quatech Confidential Copyright © 2007 QUATECH ® Inc. ALL RIGHTS RESERVED. No part of this publication may be copied in any form, by photocopy, microfilm, retrieval system, or by any other means now known or hereafter invented without the prior written permission of QUATECH ® Inc.. This document may not be used as the basis for manufacture or sale of any items without the prior written consent of QUATECH  Inc.. QUATECH  Inc. is a registered trademark of QUATECH  Inc.. Airborne™ is a trademark of QUATECH  Inc.. All other trademarks used in this document are the property of their respective owners. Disclaimer The information in the document is believed to be correct at the time of print. The reader remains responsible for the system design and for ensuring that the overall system satisfies its design objectives taking due account of the information presented herein, the specifications of other associated equipment, and the test environment. QUATECH ® Inc. has made commercially reasonable efforts to ensure that the information contained in this document is accurate and reliable. However, the information is subject to change without notice. No responsibility is assumed by QUATECH for the use of the information or for infringements of patents or other rights of third parties. This document is the property of QUATECH ® Inc. and does not imply license under patents, copyrights, or trade secrets. Quatech, Inc. Headquarters QUATECH ® Inc.. 5675 Hudson Industrial Parkway Hudson, OH 44236 USA Telephone: 330-655-9000 Toll Free:   800-553-1170 Fax:       330-655-9010 Technical Support: 714-899-7543 / wirelesssupport@quatech.com Web Site:   www.quatech.com
Company Confidential     Quatech, Inc. 4  100-8026-100G Airborne 802.11b/g Value Radio Databook Revision 1.0 Contents Product Databook......................................................................................................................................... 2 1.0 Overview............................................................................................................................................ 6 2.0 Conventions....................................................................................................................................... 7 2.1 Terminology............................................................................................................................... 7 2.2 Notes .......................................................................................................................................... 7 2.3 Caution....................................................................................................................................... 7 2.4 File Format................................................................................................................................. 7 3.0 Product Description............................................................................................................................ 8 3.1 General Features...................................................................................................................... 8 3.2 Radio Features.......................................................................................................................... 8 3.3 Medium Access Controller and Baseband Processor Features........................................ 9 4.0 Block Diagrams.................................................................................................................................10 5.0 Model Numbers ................................................................................................................................11 6.0 Pin out and Connectors ....................................................................................................................12 7.0 Electrical & RF Specification.............................................................................................................15 7.1 AC Electrical Characteristics – Transmitter ........................................................................ 20 7.2 Performance/Range ............................................................................................................... 20 8.0 Antenna ............................................................................................................................................21 8.1 Antenna Selection................................................................................................................... 21 8.2 Host Board Mounted Antenna .............................................................................................. 21 8.3 Host Chassis Mounted Antenna........................................................................................... 22 8.4 Embedded Antenna................................................................................................................ 22 8.5 Antenna Location.................................................................................................................... 23 8.6 Performance............................................................................................................................ 24 9.0 Mechanical Outline ...........................................................................................................................26 10.0 Drivers and Software ........................................................................................................................27 11.0 Integration Guidelines.......................................................................................................................28 11.1 General Requirements........................................................................................................... 28 11.2 Power Supply Guidelines ...................................................................................................... 28 11.3 EMI/EMF Guidelines .............................................................................................................. 28 11.4 Circuit Board Layout Guidelines........................................................................................... 29 11.5 Mounting Guidelines............................................................................................................... 29 11.6 RESET Timer Guidelines ...................................................................................................... 30 12.0 Certification & Regulatory Approvals ................................................................................................31 12.1 FCC Statement ....................................................................................................................... 31 12.2 FCC RF Exposure Statement ............................................................................................... 31 12.3 Information for Canadian Users (IC Notice)........................................................................ 32 12.4 FCC/IOC Modular Approval .................................................................................................. 32 13.0 Physical & Environmental Approvals (Preliminary) ...........................................................................34 14.0 Glossary............................................................................................................................................35 15.0 Change Log ......................................................................................................................................38
Quatech, Inc.  Company Confidential Revision 1.0 100-8026-100G Airborne 802.11b/g Value Radio Databook 5 Figures Figure 1- WLRG Radio ................................................................................................................................... 9 Figure 2 - Block Diagram for WLRG-RA-DP101 ............................................................................................10 Figure 3 – J1 - 50 pin Connector Layout (WLRG-RA-DP101) – Viewed from Bottom ...................................12 Figure 4 - WLRG-RA-DP101 Family Mechanical Outline...............................................................................26 Figure 5 - WLRG-RA-DP101 Mounting Footprint...........................................................................................29 Figure 6 - RESET Pulse Timing.....................................................................................................................30  Tables Table 1 - Model Numbers...............................................................................................................................11 Table 2 – WLRG-RA-DP101 (PC16) Pin Definition........................................................................................13 Table 3- Absolute Maximum Values1.............................................................................................................15 Table 4 – Operating Conditions & DC Specification.......................................................................................16 Table 5 - PC16 (Compact Flash) Interface Specification ...............................................................................17 Table 6 - Supported Data Rates by Band ......................................................................................................17 Table 7 - Operating Channels........................................................................................................................18 Table 8 - RF Characteristics – 802.11b/g ......................................................................................................19 Table 9 - Radio Typical Performance Range .................................................................................................20 Table 10 - Embedded Antenna Options.........................................................................................................22 Table 11 - RESET Timing ..............................................................................................................................30 Table 12 - Regulatory Approvals....................................................................................................................31 Table 13 - Mechanical Approvals...................................................................................................................34
Company Confidential     Quatech, Inc. 6  100-8026-100G Airborne 802.11b/g Value Radio Databook Revision 1.0 1.0 Overview Airborne™ is a line of highly integrated 802.11 radios and modules. Airborne™ Radio Modules deliver a high performance, integrated solution for consumer and industrial wireless applications using the latest IEEE 802.11b/g platforms. They deliver both cost and space efficient solutions using a small profile design and a direct down SMT high density header connection to the system board. The WLRG-RA-DP101 product family is a complete high-speed wireless solution that uses a proven 802.11b/g chipset (8385/8015) from Marvell. It provides backward compatibility with the 802.11b DSSS standard and adds the 802.11g OFDM (Orthogonal Frequency Division Multiplexing) standard support. This chip set includes integrated antenna connectors that provide a direct connection from the radio to the antenna. This bypasses the system board, which simplifies the integrator’s board design. The radio is a true upgrade option because no soldered connections are required. It can be upgraded in the field or added to a managed product configuration. The latest addition to the Airborne Value family provides a Compact Flash+ (PC16) host interface and is directly, plug-in compatible with the Airborne WLRB-RA-DP101 802.11b product. Designed specifically with power, performance and flexibility in mind, the Airborne value radio family provides the ability to match hardware configuration with device performance, in a cost efficient solution. Quatech supplies the highest performance M2M WiFi radio products available, these are backed with industry leading support and product warranties. Please contact Quatech for further details and connect with reliability and performance.
Quatech, Inc.  Company Confidential Revision 1.0 100-8026-100G Airborne 802.11b/g Value Radio Databook 7 2.0 Conventions The following section outlines the conventions used within the document, where convention is deviated from the deviation takes precedence and should be followed. If you have any question related to the conventions used or clarification of indicated deviation please contact Quatech Sales or Wireless Support. 2.1 Terminology Airborne Performance Radio is used in the opening section to describe the devices detailed in this document, after this section the term radio will be used to describe the device. 2.2 Notes A note contains information that requires special attention. The following convention will be used. The area next to the indicator will identify the specific information and make any references necessary. # The area next to the indicator will identify the specific information and make any references necessary. 2.3 Caution A caution contains information that, if not followed, may cause damage to the product or injury to the user. The shaded area next to the indicator will identify the specific information and make any references necessary. a The area next to the indicator will identify the specific information and make any references necessary. 2.4 File Format These documents are provided as Portable Document Format (PDF) files. To read them, you need Adobe Acrobat Reader 4.0.5 or higher. For your convenience, Adobe Acrobat Reader is provided on the Radio Evaluation Kit CD. Should you not have the CD, for the latest version of Adobe Acrobat Reader, go to the Adobe Web site (www.adobe.com).
Company Confidential     Quatech, Inc. 8  100-8026-100G Airborne 802.11b/g Value Radio Databook Revision 1.0 3.0 Product Description The product is a high performance 802.11b/g radio based upon the Marvell Libertas chipset, designed by Quatech to be a high performance, embeddable, rugged WiFi  (802.11) radio solution.  3.1 General Features   Highly integrated IEEE 802.11a/b/g wireless radio with baseband processor/MAC and RF Transceiver (Marvell 8385/8015).   Infrastructure and AdHoc   PC16 (Compact Flash+) Host Interface   High Density SMT Connector −  50 pin Hirose digital interface (HRS DF12-50DS-0.5V) – PC16 (CF)   Two (2) Hirose U.FL RF connectors   Quatech standard PC16 (CF) radio form factor.  −  Dimensions: 38mm x 27mm x 5.7mm   Industrial temp (-40°C to 85°C)   Storage temp (-50°C to 125°C)   Four (4) mounting holes   FCC and Industry of Canada modular approval 3.2 Radio Features   IEEE 802.11b/g 54 Mbps/2.4 GHz optimized for consumer and industrial applications   Marvell chipset designed for increased battery life   Performance optimized for web pads, mobile MP3, and other Internet appliances   On-chip A/D and D/A converters for I/Q data, AGC, and adaptive power control   Purely digital interface (High speed serial interface or HSSI) between the Radio Chip and the MAC/PHY chip   Designed to meet FCC Part 15 regulatory requirements for operation in 2.4GHz ISM band   Support for 802.11b mode 11, 5.5, 2 and 1 Megabit Per Second (Mbps) Data Rates as well as 802.11g mode 54Mbps, 48Mbps, 36Mbps, 24Mbps, 18Mbps, 12Mbps, 9Mbps, and 6Mbps Data Rates   Supports the lEEE 802.11b Direct Sequence Specification as well as 802.11g OFDM Specification   Supports Antenna Diversity through radio firmware control (RX only)   Intelligent Power Control, Including Low Power Standby Mode
Quatech, Inc.  Company Confidential Revision 1.0 100-8026-100G Airborne 802.11b/g Value Radio Databook 9   Auto Transmitter power control 3.3  Medium Access Controller and Baseband Processor Features   Complete DSSS baseband processor for B-Mode and OFDM baseband processor for G-Mode   Processing gain is FCC compliant (B-Mode)   Targeted for OFDM multi-path Delay Spread of up to 680ns for 11Mbps, and 150ns for 54Mbps   Programmable data rates 1, 2, 5.5, and 11Mbps for B-Mode and 6Mbps, 9Mbps, 12Mbps, 18Mbps, 24Mbps, 36Mbps, 48Mbps, and 54Mbps for G-Mode   Supports auto-fallback of supported link rates.   Modulation methods: DBPSK, DQPSK, and CCK for B-Mode and BPSK, QPSK, 16-QAM, and 64-QAM for A/G-Mode   WiFi Protected Access™ (WPA) and WiFi Protected Access 2™ (WPA2) support    Enhanced performance WEP engine   AES Hardware acceleration (AES-CCMP) as part of 802.11i   Seamless roaming within IEEE 802.11b/g WLAN infrastructure.   Supports half duplex operation   Supports short preamble (B-Mode) and antenna diversity (Rx only)   Supports 802.11e (QoS)   Supports 802.11h (DFS and TPC)   Supports 802.11j channels (Japan)   Supports radio hosted firmware host downloaded radio firmware (WLRG-RA-DP101) Figure 1- WLRG Radio
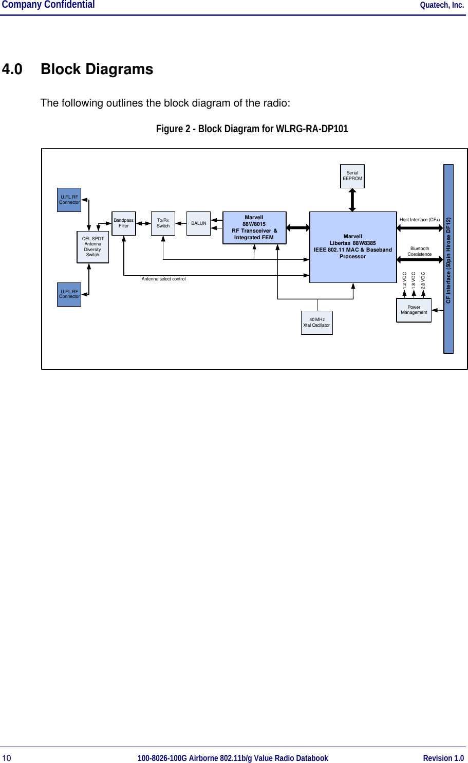
Company Confidential     Quatech, Inc. 10  100-8026-100G Airborne 802.11b/g Value Radio Databook Revision 1.0 4.0 Block Diagrams The following outlines the block diagram of the radio: Figure 2 - Block Diagram for WLRG-RA-DP101 Marvell Libertas 88W8385 IEEE 802.11 MAC & Baseband ProcessorCF Interface (50pin Hirose DF12)Tx/Rx SwitchPower ManagementMarvell 88W8015 RF Transceiver  & Integrated FEM40 MHz Xtal OscillatorCEL SPDT Antenna Diversity SwitchU.FL RF ConnectorU.FL RF ConnectorHost Interface (CF+)Serial EEPROM1.2 VDC1.8 VDC2.8 VDCAntenna select controlBALUNBandpass FilterBluetooth Coexistence
Quatech, Inc.  Company Confidential Revision 1.0 100-8026-100G Airborne 802.11b/g Value Radio Databook 11 5.0 Model Numbers The following table identifies the available model numbers for the radio family. Please contact Quatech sales for details, quotes and availability. Table 1 - Model Numbers WiFi  Interface  Security Model Number  Description  11b/g  PC16  WEP/WPA  WPA2  RoHS WLRG-RA-DP101 PC16 (CF+)         WLEG-RA-DP101 WLRG-RA-DP101 Evaluation Kit WLRG-RA-DP1011 radio PCMCIA Adapter Card Tools/Documentation CD Drivers (WinCE/WinXP/Linux)  
Company Confidential     Quatech, Inc. 12  100-8026-100G Airborne 802.11b/g Value Radio Databook Revision 1.0 6.0  Pin out and Connectors There are a total of three connectors to the radio: J1:   Digital Compact Flash interface to radio Baseband processor. HRS DF12-50DS-0.5V (50pin Hirose)   J2, J3:   RF connectors for antenna. Hirose U.FL.  RF ShieldJ2 J3Top View Bottom ViewJ1  Figure 3 – J1 - 50 pin Connector Layout (WLRG-RA-DP101) – Viewed from Bottom
Quatech, Inc.  Company Confidential Revision 1.0 100-8026-100G Airborne 802.11b/g Value Radio Databook 13 J1J1124950 Table 2 – WLRG-RA-DP101 (PC16) Pin Definition Pin  Signal  Pin I/O Type  Description 1  RF_VCC  Power, 0.35A  DC Power Supply 3.3V ±5% 2  RF_VCC  Power, 0.35A  DC Power Supply 3.3V ±5% 3  RF_VCC  Power, 0.35A  DC Power Supply 3.3V ±5% 4  RF_VCC  Power, 0.35A  DC Power Supply 3.3V ±5% 5  A00   5V tol, BiDir, 2mA, 50K Pull Down  Host Address Input, Bits 0 6  D00  5V tol, BiDir, 2mA, 50K Pull Down  Host Data Bus, Bits 0 7  A01  5V tol, BiDir, 2mA, 50K Pull Down  Host Address Input, Bits 1 8  D01  5V tol, BiDir, 2mA, 50K Pull Down  Host Data Bus, Bits 1 9  A02  5V tol, BiDir, 2mA, 50K Pull Down  Host Address Input, Bits 2 10  D02  5V tol, BiDir, 2mA, 50K Pull Down  Host Data Bus, Bits 2 11  A03  5V tol, BiDir, 2mA, 50K Pull Down  Host Address Input, Bits 3 12  D03  5V tol, BiDir, 2mA, 50K Pull Down  Host Data Bus, Bits 3 13  A04  5V tol, BiDir, 2mA, 50K Pull Down  Host Address Input, Bits 4 14  D04  5V tol, BiDir, 2mA, 50K Pull Down  Host Data Bus, Bits 4 15  A05  5V tol, BiDir, 2mA, 50K Pull Down  Host Address Input, Bits 5 16  D05  5V tol, BiDir, 2mA, 50K Pull Down  Host Data Bus, Bits 5 17  A06  5V tol, BiDir, 2mA, 50K Pull Down  Host Address Input, Bits 6 18  D06  5V tol, BiDir, 2mA, 50K Pull Down  Host Data Bus, Bits 6 19  A07  5V tol, BiDir, 2mA, 50K Pull Down  Host Address Input, Bits 7 20  D07  5V tol, BiDir, 2mA, 50K Pull Down  Host Data Bus, Bits 7 21  A08  5V tol, BiDir, 2mA, 50K Pull Down  Host Address Input, Bits 8 22  GND  Ground  Digital Ground 23  A09  5V tol, BiDir, 2mA, 50K Pull Down  Host Address Input, Bits 9 24  D08  5V tol, BiDir, 2mA, 50K Pull Down  Host Data Bus, Bits 8 25 GND  Ground  Digital Ground 26  D09  5V tol, BiDir, 2mA, 50K Pull Down  Host Data Bus, Bits 9 27  OE#  5V tol, BiDir, 2mA, 50K Pull Up  Host Memory Attribute Space Output Enable
Company Confidential     Quatech, Inc. 14  100-8026-100G Airborne 802.11b/g Value Radio Databook Revision 1.0 Pin  Signal  Pin I/O Type  Description 28  D10  5V tol, BiDir, 2mA, 50K Pull Down  Host Data Bus, Bits 10 29  WE#  5V tol, CMOS, Input, 50K Pull Up  Host Memory Attribute Space Write Enable 30  D11  5V tol, BiDir, 2mA, 50K Pull Down  Host Data Bus, Bits 11 31  IORD#   5V tol, BiDir, 2mA, 50K Pull Up  Host I/O Space Read Strobe 32  D12  5V tol, BiDir, 2mA, 50K Pull Down  Host Data Bus, Bits 12 33  IOWR#  5V tol, BiDir, 2mA, 50K Pull Up Host  Space I/O Write Strobe 34  D13  5V tol, BiDir, 2mA, 50K Pull Down  Host Data Bus, Bits 13 35  CE1#  5V tol, BiDir, 2mA, 50K Pull Up Host  Select, Low Byte 36  D14  5V tol, BiDir, 2mA, 50K Pull Down  Host Data Bus, Bits 14 37  CE2#  5V tol, BiDir, 2mA, 50K Pull Up Host  Select, High Byte 38  D15  5V tol, BiDir, 2mA, 50K Pull Down  Host Data Bus, Bits 15 39 GND  Ground  Digital Ground 40  GND  Ground  Digital Ground 41  RESET  5V tol, CMOS, ST (Schmitt Trigger) Input, 50K Pull Up  Hardware Reset 42  IREQ#  5V tol, BiDir, 2mA, 50K Pull Up  Host interrupt Request (I/O Mode), also used as the Module’s Ready (Memory Mode) output which is asserted to indicate Module initialization is complete 43  REG#  5V tol, BiDir, 2mA, 50K Pull Up  Host Attribute Space Select Memory mode: H for common memory, L for attribute memory. The signal must be low during I/O cycles when the I/O address is on the bus. 44  WAIT#  CMOS Output, 4mA, 10K Pull Up  Host device must provide a 10K Pull Up 45  RF_LED#  Input, 9mA  LED cathode 46  IOIS16#  Pull Low, Output  8 Bits or 16 Bits I/O Card selected L: 16 bit or odd byte only operation 47  STSCHG#  CMOS Output, 4mA 50K Pull Up  Host Status Change Shows the BVD1 (Battery Voltage Detect), BVD2, WP (Write Protect), or Ready status changed. 48  CD1#  Pull Low, Output  Card Detect 49 GND  Ground  Digital Ground 50  INPACK#  CMOS BiDir, 2mA, 50K Pull Up  Host I/O Decode Confirmation. Asserted by the Module when selected and responding to an I/O read cycle. Used to control the HBA (Host Bus Adaptor) tri-state buffer on/off).
Quatech, Inc.  Company Confidential Revision 1.0 100-8026-100G Airborne 802.11b/g Value Radio Databook 15 7.0  Electrical & RF Specification Table 3- Absolute Maximum Values1 Parameter  Min  Max  Unit Supply Voltage Range  3.0  3.6  VDC Supply Voltage  -0.3  4.0  VDC Operating Temperature Range  -40  85  oC Storage Temperature  -55  125  oC  a These are absolute ratings; exceeding these values may cause permanent damage to the device. # All temperatures refer to ambient conditions.
Company Confidential     Quatech, Inc. 16  100-8026-100G Airborne 802.11b/g Value Radio Databook Revision 1.0  Table 4 – Operating Conditions & DC Specification Symbol  Parameter  Test Conditions  Min  Typ  Max  Units VBUS  Supply Voltage     3.135  3.3  3.465  V ICCTXG Constant transmit current (802.11g)  Transmitting @ 54Mb/s  475  485  mA ICCRXG  Constant receive current (802.11g)  Receiving valid packets @ 54MB/s  275 325 mA ICCTXB Constant transmit current (802.11b)  Transmitting @ 11Mb/s  450  500  mA ICCRXB  Constant receive current (802.11b)  Receiving valid packets @ 11MB/s  275 325 mA ISBIEEE IEEE Power Save Mode  Associated, Idle, Beacon Interval = 100ms (DTIM=10)  8  20  mA 11Mbps, 8% PER    680   TDELAY  Targeted Multipath Delay Spread using IEEE 802.11 Naftali   54Mbps, 10% PER   150   ns PER < 8% (11b mode)    -10   RX_MAX IEEE Maximum Receive Level PER < 10% (11g mode)   -20   dBm -90dBm Input   -14  IIP3 3rd Order Intercept Point (Input) -30dBm Input   4   dBm  IEEE 802.11g Carrier Leakage  Per IEEE 802.11g      2  dB TX_SUP  IEEE 802.11b Carrier Suppression  Per IEEE 802.11b    15    dB PER < 8% (11b mode)1 36     PER < 10% (11g mode @ 54Mbps)  -1    ACR  802.11b/g Adjacent Channel Rejection PER < 10% (11g mode @ 6Mbps)  16     dB  # 1.  Adjacent channel measurement is carried out on two channels separated by 25MHz (5 channels) for B/G-modes. 2.  Test Conditions: Supply Voltage (VCC) = 3.3VDC, Ambient Temperature 258C, unless otherwise stated.
Quatech, Inc.  Company Confidential Revision 1.0 100-8026-100G Airborne 802.11b/g Value Radio Databook 17   Table 5 - PC16 (Compact Flash) Interface Specification Symbol  Parameter   Min  Typ  Max  Units VIHPC16  Input HIGH Voltage   VBUS=MAX, MIN  0.7 VBUS     V VILPC16 Input LOW voltage  VBUS=MIN, MAX      0.3 VBUS V VOHPC16 Output HIGH Voltage  IOL = 2mA, VBUS=MIN   2.6    V VOLPC16 Output LOW voltage  IOL = 2mA, VBUS=MIN   0.05   V ILPC16  Input Leakage Current  VBUS=MAX,  Input = 0V or VCC -1 0.1 1  µA CINPC16 Input Capacitance      5  10  pF COUTPC16 Output Capacitance      5  10  pF  Table 6 - Supported Data Rates by Band Band  Supported Data Rates (Mbps) 802.11b  11, 5.5, 2, 1 802.11g  54, 48, 36, 24, 18, 12, 9, 6
Company Confidential     Quatech, Inc. 18  100-8026-100G Airborne 802.11b/g Value Radio Databook Revision 1.0 Table 7 - Operating Channels Band  Region  Freq Range (GHz)  No. of Channels  Channels US/Canada  2.401 - 2.473  11  1 - 11 Europe  2.401 - 2.483  13  1 - 13 France   2.401 - 2.483  4  10 - 13 802.11b Japan  2.401 - 2.495  14  1 - 14 US/Canada  2.401 - 2.473  11  1 - 11 Europe  2.401 - 2.483  13  1 - 13 France   2.446 - 2.483  4  10 - 13 802.11g Japan  2.401 - 2.483  13  1 - 13  # 1.  Only channels 1, 6 and 11 are non-overlapping.
Quatech, Inc.  Company Confidential Revision 1.0 100-8026-100G Airborne 802.11b/g Value Radio Databook 19 Table 8 - RF Characteristics – 802.11b/g Symbol  Parameter  Rate (Mbps)  Min dBm  Average  dBm / mW  Peak  dBm / mW  Units POUTB Transmit Power Output 802.11b  11, 5.5, 2, 1  13  15  31.6  19.3  85.1  dBm/mW POUTG Transmit Power Output 802.11g  6, 9,12,18, 24, 36, 48, 54  10  12  15.9  21.5  141.3  dBm/mW 11   -84    5.5   -85     2   -86    PRSENB Receive Sensitivity 802.11b 1   -86     dBm 54   -69    48   -70     36   -74    24   -78     18   -81    12   -83     9   -85    PRSENG Receive Sensitivity 802.11g 6   -86     dBm FRANGEBG Frequency Range    2412    2484  MHz
Company Confidential     Quatech, Inc. 20  100-8026-100G Airborne 802.11b/g Value Radio Databook Revision 1.0 7.1  AC Electrical Characteristics – Transmitter Transmit power is automatically managed by the device for minimum power consumption. The MAXIMUM transmit power at the RF connector is typically +15dBm ± 2 dB for B-Mode (all rates) and +12dBm+/-2dB for G-Mode (all rates). 7.2 Performance/Range The following table illustrates the typical data rates, performance and range the device is capable of providing using an omni directional antenna. Table 9 - Radio Typical Performance Range Data Rate   Typical Outdoor Distance  (Unity gain antenna) Typical Outdoor Distance  (2dBi antenna gain on each end for B/G mode)  1.0 Mb/s  240m  380m 11.0 Mb/s  135m  215m 6Mb/s 802.11g  135m  215m 6Mb/s 802.11a  49m  155m 54Mb/s 802.11g  12m  19m 54Mb/s 802.11a  4.5m  14m  Ranges are based on receiver sensitivity, Transmitter power, free-space path loss estimates, antenna gain factors, and link margin estimates. Actual range will vary from those stated. Non-line-of-site applications will result in typical values less than shown above.   The Data Rate is the supported connection rate for the wireless link, the actual data throughput for the link will be less than the stated data rates.
Quatech, Inc.  Company Confidential Revision 1.0 100-8026-100G Airborne 802.11b/g Value Radio Databook 21 8.0 Antenna The unit supports antenna connection to two Hirose U.FL connectors, located on the top surface of the radio next to the RF shielding. The radio supports Rx diversity. Any antenna used with the system must be designed for operation within the 2.4GHz  ISM band and specifically must support the 2.412GHz to 2.482GHz for 802.11b/g operation. They are required to have a VSWR of 2:1 maximum referenced to a 50ς system impedance. 8.1 Antenna Selection The Airborne radio supports a number of antenna options, all of which require connection to the U.FL connectors on the radio. Ultimately the antenna option selected will be determined by a number of factors, these include consideration of the application, mechanical construction and desired performance. Since the number of possible combinations is endless we will review some of the more common solutions in this section. If your application is not covered during this discussion please contact Technical Support for more specific answers. The available antenna connections include:   Host board mounted antenna   Host Chassis mounted antenna   Embedded antenna In addition to the above options, location and performance need to be considered, the following sections discuss these items. 8.2  Host Board Mounted Antenna Host board mounted requires that an antenna connection is physically mounted to the host system board. It also requires that the host board include a U.FL connector (two (2) if diversity is being used) to allow a U.FL to U.FL coaxial lead to connect from the radio to the host board. It will then require 50ς matched PCB traces to be routed from the U.FL connector to the antenna mount. There are several sources for the U.FL to U.FL coaxial cable these include Hirose, Sunridge and IPEX. Please contact Quatech for further part numbers and supply assistance. This approach can simplify assembly but does require that the host system configuration can accommodate an antenna location that is determined by the host PCB. There are also limitations on the ability to seal the enclosure when using this approach. This approach also restricts the selection of available antenna.  When using this approach antennas that screw or press fit to the PCB mount connector must be used. There are many options for the antenna connector type, however if you wish to utilize the FCC/IOC modular approval the connector choice must comply with FCC regulations, these state a non-standard connector is required e.g.
Company Confidential     Quatech, Inc. 22  100-8026-100G Airborne 802.11b/g Value Radio Databook Revision 1.0 TNC/SMA are not allowed (there are more that are not), RP-TNC/RP-SMA are allowed. 8.3  Host Chassis Mounted Antenna Host Chassis mounted antennas require no work on the host PCB. They utilize an antenna type called ‘flying lead’. There are two types of flying leads; one which provides a bulkhead mounted antenna connector and one which provides a bulk head mounted antenna. The type you choose will be determined by the application. A flying lead system connects a U.FL coaxial lead to the radio’s U.FL connector, the other end of the coax is attached to either a bulkhead mounted antenna connector or directly to an antenna that has an integrated bulkhead mount.  In either of the two cases, the use of this approach significantly reduces the antenna system development effort and provides for greater flexibility in the available antenna types and placement in the host system chassis. When using the flying lead antenna (integrated bulk head mounting), there are no connector choice restrictions for use with the FCC/IOC modular certification. However if the flying lead connector is used, the same restrictions as identified for the Host Mounted Antenna apply. There are many suppliers of flying lead antenna and connectors; Quatech’s Airborne Antenna product line offers a range of antenna solutions. 8.4 Embedded Antenna Use of Embedded antenna can be the most interesting approach for M2M, industrial and medical applications. Their small form factor and absence of any external mounting provides a very compelling argument for their use. There is a downside to this antenna type and it comes with performance. Antenna performance for all of the embedded options will, in most cases, be less that that achievable with external antenna. This does not make them unusable; it will impact choice of antenna type and requires more focus on placement. The three main embedded antenna types are PCB embedded, chip (PCB mounted) and flying lead; each has its advantages and disadvantages (See Table 10).  Table 10 - Embedded Antenna Options Features Antenna Type  Cost  Size  Availability  Performance PCB Embedded  Lowest  Largest  Custom  Poor Chip  Low  Small  Standard  Poor Flying Lead  Low  Small  Standard  Fair
Quatech, Inc.  Company Confidential Revision 1.0 100-8026-100G Airborne 802.11b/g Value Radio Databook 23 PCB Embedded – This approach embeds an antenna design into the host PCB. This approach is very common with add-in WiFi card (CF, PCMCIA, SDIO, etc.) as it requires no external connections and is the cheapest production approach. The lower production cost requires significant development cost and lack of performance and flexibility. Chip – The integration of a chip antenna is simple and requires a relatively small footprint on the host system, however, it does suffer from the same limitations of flexibility and performance seen with the PCB embedded approach. There are relatively large numbers of suppliers of this type of antenna; there is also a range of configuration and performance options. Flying Lead – This approach is similar to the flying lead solution for external antennas, the difference is that the form factors are smaller and provide a range of chassis and board mounting options, all for internal use. This approach suffers less from the performance and flexibility limitations of the other approaches, since the location of the antenna it not determined by the host PCB design. The assembly of a system using this approach maybe slightly more complex since the antenna is not necessarily mounted on the host PCBA. 8.5 Antenna Location The importance of this design choice cannot be over stressed; it can in fact be the determining factor between success and failure of the WiFi implementation.  There are several factors that need to be considered when determining location:   Distance of Antenna from radio   Location of host system −  Proximity to RF blocking or absorbing materials −  Proximity to potential noise or interference −  Position relative to infrastructure (Access Points or Laptops)   Orientation of host system relative to infrastructure −  Is it known −  Is it static To minimize the impact of the factors above the following things need to be considered during the development process:   Minimize the distance between the radio and the location of the antenna. The coaxial cable between the two impacts the Transmit Power and Receive Sensitivity negatively. Quatech recommends using 1.32-1.37mm outer diameter U.FL coaxial cables.   Minimize the locations where metal surfaces come into contact or are close to the location of the antenna.   Avoid locations where RF noise, close to or over lapping the ISM bands, may occur. This would include microwave ovens and wireless telephone systems in the 2.4GHz and 5.0GHz frequency range.   Try and mount the antenna as high on the equipment as possible.
Company Confidential     Quatech, Inc. 24  100-8026-100G Airborne 802.11b/g Value Radio Databook Revision 1.0   Try to locate the antenna where there is a minimum of obstruction between the antenna and the location of the Access Points. Typically Access Points are located in the ceiling or high on walls.   Keep the main antenna’s polarization vertical, or in-line with the antenna of the Access Points. 802.11 systems utilize vertical polarization and aligning both transmit and receive antenna maximizes the link quality.   Utilize diversity where possible.   Utilize both spatial and polarization diversity where possible. −  Spatial diversity for the 2.4GHz band requires the antenna to be a minimum 5” apart. −  Polarization diversity requires the antenna are not aligned, the angle of separation should be determined by the possible range of orientation of the host system. Even addressing all of the above factors, does not guarantee a perfect connection, however with experimentation an understanding of the best combination will allow a preferred combination to be identified. 8.6 Performance Performance is difficult to define as the appropriate metric changes with each application or may indeed be a combination of parameters and application requirements. The underlying characteristic that, in most cases, needs to be observed is the link quality. This can be defined as the bandwidth available over which communication, between the two devices, can be performed, the lower the link quality the less likely the devices can communicate. Measurement of link quality can be made in several ways; Bit Error rate (BER), Signal to Noise (SNR) ratio, Signal Strength and may also include the addition of distortion. The link quality is used by the radio to determine the link rate, generally as the link quality for a given link rate drops below a predefined limit, the radio will drop to the next lowest link rate and try to communicate using it. The reciprocal is also true, if the radio observes good link quality at one rate it will try to move up to the next rate to see if communication can be sustained using it. It is important to note that for a given position the link quality improves as the link rate is reduced. This is because as the link rate drops the radios Transmit power and Receive sensitivity improve. From this is can be seen the looking at the link rate is an indirect way of assessing the quality of the link between the device and an Access Point. You should strive to make the communication quality as good as possible in order to support the best link rate. However be careful not to over specify the link rate. Consider your applications bandwidth requirements and tailor your link rate to optimize the link quality e.g. the link quality for a location at 6Mb/s is better than it would be for 54Mb/s, if the application only needs 2Mb/s of data throughput, the 6Mb/s rate would provide a better link quality. Aside from the radio performance, there are a number of other things that contribute to the link quality; these include the items discussed earlier and choices made when looking at the overall antenna gain. The antenna gain
Quatech, Inc.  Company Confidential Revision 1.0 100-8026-100G Airborne 802.11b/g Value Radio Databook 25 contributes to the Equivalent Isotropically Radiated Power (EIRP) of the system. This is part of an overall measurement of the link quality called link margin. Link Margin provides a measure of all the parts of the RF path that impact the ability of two systems to communicate. The basic equation looks like this: EIRP (dB) = TxP + TxA – TxC Link Margin (dB) = EIRP – FPL + (RxS + RxA – RxC) Where:  TxP = Transmitter output power (dBm) TxA = Transmitter antenna gain (dBi) TxC = Transmitter to Antenna coax cable loss (dB) FPL = Free Path Loss (dB) RxS = Receiver receive sensitivity (dBm) RxA = Receiver antenna gain (dBi) RxC = Receiver to Antenna coax cable loss (dB) This is a complex subject and requires more information that is presented here, Quatech does recommend at least looking at the subject and evaluating any system at a basic level. It is then possible, with a combination of the above items and an understanding of the application demands, to achieve a link quality optimized for the application and host design. It is important to note that this is established with a combination of hardware selection, design choices and configuration of the radio.
Company Confidential     Quatech, Inc. 26  100-8026-100G Airborne 802.11b/g Value Radio Databook Revision 1.0 9.0 Mechanical Outline Figure 4 - WLRG-RA-DP101 Family Mechanical Outline Typical module profile off host PCB7.48 [0.29]16 [0.63]DIMENSIONS: mm [inches]TOLERANCE: ± 0.127mmPN: HRS DF12-50DS-0.5V(86)U.FL-R-SMTHRS COAXIAL ANTENNA CONECTOR, 2 PLACES0.10 [0.004]10.50 [0.41]3 [0.12]32 [1.26]4X Ø2.20 [Ø0.09]21 [0.83]7.95 [0.31]3 [0.1]5 [0.2]1.11 [0.04]0.97 [0.04]1.81 [0.07]27 [1.06]38 [1.50]5.33 [0.21]
Quatech, Inc.  Company Confidential Revision 1.0 100-8026-100G Airborne 802.11b/g Value Radio Databook 27 10.0  Drivers and Software Quatech supports its radios with a collection of drivers and tools. Driver supports OS’s which include WinXP, WinCE and Linux 2.6. These drivers are supplied with the radio in the development kit or can be obtained directly from Quatech Technical Support. A range of engineering tools are also available to assist in the integration of the radio into a system, evaluation of the radio for application suitability and regulatory testing. Please contact Quatech Sales or Technical Support for more information and availability of these tools.
Company Confidential     Quatech, Inc. 28  100-8026-100G Airborne 802.11b/g Value Radio Databook Revision 1.0 11.0 Integration Guidelines The Airborne Performance Radio is designed for integration in to a wide range of advanced electronic systems and diverse applications, the success of the integration and final performance of the integrated system depends upon the integration process and hardware design, the following section provides a set of guidelines to optimize the integration of the radio. The following guidelines address hardware design requirements for the integration of the radio under normal conditions, should your application not be able to support the listed guidelines please contact Quatech. 11.1 General Requirements   3.3VDC65% on all VDD pins   Digital Ground on all VSS pins   Mechanical mounting method other than J1 11.2  Power Supply Guidelines   3.3VDC65%   500mA constant current   3000mA start-up current for 35ms   150mV ripple voltage (f<50Hz) at constant receive current 11.3 EMI/EMF Guidelines To minimize electromagnetic interference (EMI) and radio frequency interference (RFI), pay strict attention to power and signal routing near the Radio. As much as possible, the keep-clear area below the Radio should be a solid copper ground plane. It is anticipated that the Radio will be mounted on a board with a committed ground plane. Ensure the PCB interconnect has a designed impedance of 50-75 Ohms. To keep signal impedance as low as possible, connect the ground plane to internal ground planes by several vias. Ground signals to the Radio connector should connect directly to the ground plane below the Radio. Individual ground connections to the Radio should have a solid ground connection, preferably directly to the ground plane on the same surface side where the Radio resides. Do not connect ground pins directly to an inside layer ground plane using vias only. Keep interconnects from the Radio connector as short as possible on the mounting layer. All inboard signals–including pin numbers–must immediately transition to a different routing layer using a via as close to the connector as possible. Outboard signals (odd pin numbers) should also be kept to a minimum length.
Quatech, Inc.  Company Confidential Revision 1.0 100-8026-100G Airborne 802.11b/g Value Radio Databook 29 11.4  Circuit Board Layout Guidelines When considering capacitance, calculations must consider all device loads and capacitances due to printed circuit board traces. Capacitance due to the traces depend on a number of factors, including the trace width, dielectric material from which the circuit board is made, and proximity to ground and power planes. The mating connector required on the host board is a DF12(4.0)-50DP-0.5, the manufacturer is Hirose. 11.5 Mounting Guidelines Special care must be observed when placing the Module. In particular:   The antenna must not be mounted beneath any other printed circuit boards, components, or metallic housing.   The proximity of the antenna to large metallic objects can affect the range and performance of the Module.   Packaging and enclosure designers must carefully review the placement of the Module in the enclosure to minimize interference or blocking sources. For mechanical clearance, performance, and emissions reasons, there should be no components placed on the main printed circuit board facing the Module. This area should be clear of any components. The recommended mounting footprint for the radios can be seen in Figure 5. Figure 5 - WLRG-RA-DP101 Mounting Footprint Radio PCB Outline0.630 [16.00]0.413 [10.50]0.004 [0.10]Dimensions: inches [mm]PC16 (CF) Header125049.827 [21.00].118 [3.00]1.063 [27.00]Ø.086 [Ø2.18]1.260 [32.00].118 [3.00]1.496 [38.00].295 [7.48]
Company Confidential     Quatech, Inc. 30  100-8026-100G Airborne 802.11b/g Value Radio Databook Revision 1.0 11.6  RESET Timer Guidelines Figure 6 - RESET Pulse Timing TRESETRESET  Table 11 - RESET Timing Symbol  Parameter   Min  Typ  Max  Units TRESET  RESET minimum pulse width  VCC=MAX, MIN  101 100    ns  # 1.  This is the minimum value guaranteed for a valid RESET. Smaller values may trigger the reset circuit.
Quatech, Inc.  Company Confidential Revision 1.0 100-8026-100G Airborne 802.11b/g Value Radio Databook 31 12.0  Certification & Regulatory Approvals The unit complies with the following agency approvals:  Table 12 - Regulatory Approvals Country  Standard  Status North America (US & Canada) FCC Part 15 Sec. 15.107, 15.109, 15.207, 15.209, 15.247 Modular Approval Granted Europe CISPR 16-1 :1993 ETSI EN 300 328 Part 1 V1.2.2 (2000-07) ETSI EN 300 328 Part 2 V1.1.1 (2000-07) Completed Japan ARIB STD-T71 v1.0, 14 (Dec 2000) ARIB RCR STD-T33 (June 19, 1997) ARIB STD-T66 v2.0 (March 28, 2002) Pending 12.1 FCC Statement This equipment has been tested and found to comply with the limits for a Class B digital device, pursuant to Part 15 of the FCC Rules.  These limits are designed to provide reasonable protection against harmful interference in a residential installation. This equipment generates uses and can radiate radio frequency energy and if not installed and used in accordance with the instructions, may cause harmful interference to radio communications. However, there is no guarantee that interference will not occur in a particular installation. If this equipment does cause harmful interference to radio or television reception, which can be determined by turning the equipment off and on, the user is encouraged to try to correct the interference by one or more of the following measures:   Reorient or relocate the receiving antenna.   Increase the separation between the equipment and receiver.   Connect the equipment to an outlet on a circuit different from that to which the receiver is connected.   Consult the dealer or an experienced radio/TV technician for assistance. Operation is subject to the following two conditions: (1) this device may not cause interference, and (2) this device must accept any interference, including interference that may cause undesired operation of the device.  12.2  FCC RF Exposure Statement To satisfy RF exposure requirements, this device and its antenna must operate with a separation distance of a least 20 cm from all persons and must not be co-located or operating in conjunction with any other antenna or transmitter.
Company Confidential     Quatech, Inc. 32  100-8026-100G Airborne 802.11b/g Value Radio Databook Revision 1.0 12.3  Information for Canadian Users (IC Notice) This device has been designed to operate with an antenna having a maximum gain of 5dBi for 802.11b/g band. An antenna having a higher gain is strictly prohibited per regulations of Industry Canada. The required antenna impedance is 50 ohms. To reduce potential radio interference to other users, the antenna type and its gain should be so chosen that the equivalent isotropically radiated power (EIRP) is not more than required for successful communication. Operation is subject to the following two conditions: (1) this device may not cause interference, and (2) this device must accept any interference, including interference that may cause undesired operation of the device. 12.4  FCC/IOC Modular Approval This document describes the Airborne WLN FCC modular approval and the guidelines for use as outlined in FCC Public Notice (DA-00-1407A1).  The WLRG-RA-DP101 is covered by the following modular grants: Country  Standard  Grant North America (US) FCC Part 15 Sec. 15.107, 15.109, 15.207, 15.209, 15.247 Modular Approval F4AWLNG1 Canada  RSS 210 Modular Approval  39139A-WLNG1  By providing FCC modular approval on the Airborne WLN modules, the customers are relieved of any need to perform FCC part15 subpart C Intentional Radiator testing and certification, except where they wish to use an antenna that is not already certified.  Quatech supports a group of pre-approved antenna; use of one of these antennas eliminates the need to do any further subpart C testing or certification. If an antenna is not on the list, it is a simple process to add it to the pre-approved list without having to complete a full set of emissions testing. Please contact Quatech Technical support for details of our qualification processes. Please note that as part of the FCC requirements for the use of the modular approval, the installation of any antenna must require a professional installer. This is to prevent any non-authorized antenna being used with the radio. There are ways to support this requirement but the most popular is to utilize a non-standard antenna connector, this designation includes the reverse polarity versions of the most popular RF antenna types (SMA, TNC, etc.). For more details please contact Quatech. The user is advised that changes or modifications not expressly approved by the party responsible for FCC compliance could void the user's authority to operate the equipment.
Quatech, Inc.  Company Confidential Revision 1.0 100-8026-100G Airborne 802.11b/g Value Radio Databook 33  Antennas approved for use with this grant are: Nearson S141AH-2450S WiMo 17010.1 Nearson S151M2-L-2450S Nearson S181TR-2450S Nearson S151M2-L-2450S Antenex TRA24003P Laird MAF 94045  The following documents are associated with this applications note:   FCC Part 15 – Radio Frequency Devices   FCC Public Notice – DA-00-1407A1  (June 26th, 2000) Quatech recommends that during the integration of the radio, into the customers system, that the referenced design guidelines, outlined in section 11.0 of this manual, be followed. Please contact Quatech Technical Support if you have any concerns regarding the hardware integration. Contact Quatech Technical support for a copy of the FCC and IOC grant certificates, the test reports and updated approved antenna list.
Company Confidential     Quatech, Inc. 34  100-8026-100G Airborne 802.11b/g Value Radio Databook Revision 1.0 13.0  Physical & Environmental Approvals (Preliminary) The device has passed the following primary physical and environmental tests. The test methods referenced are defined in SAE J1455 Aug1994. Table 13 - Mechanical Approvals Test  Reference  Conditions Temperature Range (Operational)    -40°C to +85°C Temperature Range (Non-Operational)   -50°C to +125°C Humidity  Sect 4.2  0-95%RH @ 38°C condensing Salt Spray  Sect 4.3  5%NaCl @ 35°C, 1000hrs Altitude Sect 4.8 Operational: 0-15,000ft (+6.4 PSIA Internal Non-operational: 0-40,000ft (+12 PSIA Internal) Vibration  Sect 4.9  Operational: 2.4 Grms, 10-1K Hz, 1hr per axis  Non-operational: 5.2 Grms, 10-1K Hz, 1hr per axis Shock  Sect 4.10  Operational: 20Gs MAX, 11ms half-sine pulse Product Drop  Sect 4.10.3.1  1m onto concrete, any face or corner, 1 drop Packaging Drop  Sect 4.10.2.1  32 inches onto concrete on each face and corner. Packaged in ‘for transit’ configuration.
Quatech, Inc.  Company Confidential Revision 1.0 100-8026-100G Airborne 802.11b/g Value Radio Databook 35 14.0 Glossary Term  Description 802.11  Wireless standards developed by the IEEE that specify an "over-the-air" interface for wireless Local Area Networks. 802.11 is composed of several standards operating in different radio frequencies.  802.11a  802.11a is an IEEE specification for wireless networking that operates in the 5 GHz frequency range (5.150 GHz to 5.825 GHz) with a maximum 54 Mbps data transfer rate. The 5 GHz frequency band is not as crowded as the 2.4 GHz frequency, because the 802.11a specification offers more radio channels than the 802.11b/g. These additional channels can help avoid radio and microwave interference.  802.11b  802.11b is the international standard for wireless networking that operates in the 2.4 GHz frequency range (2.4 GHz to 2.4835 GHz) and provides a throughput of up to 11 Mbps.  802.11g  802.11g is similar to 802.11b, but this standard provides a throughput of up to 54 Mbps. It also operates in the 2.4 GHz frequency band but uses OFDM radio technology in order to boost overall bandwidth.  Access Point  An interface between a wireless network and a wired network Access Points can combine with a distribution system such as Ethernet to create multiple radio cells (BSSs) that enable roaming throughout a facility.  Ad-Hoc mode   A wireless network composed of only stations and no Access Point. Also referred to as “peer-to-peer” networks Association service  An IEEE 802.11 service that an enables the mapping of a wireless station to the distribution system via an Access Point.  Asynchronous transmission  Type of synchronization where there is no defined time relationship between transmission of frames.  Authentication  The process a station uses to announce its identify to another station. IEEE 802.11 specifies two forms of authentication: open system and shared key.  Bandwidth  The amount of transmission capacity available on a network at any point in time. Available bandwidth depends on several variables such as the rate of data transmission speed between networked devices, network overhead, number of users, and the type of device used to connect PCs to a network.  Basic Service Set (BSS)  A set of 802.11-compliant stations that operate as a connected wireless network.  Bits per second (bps)  A measurement of data transmission speed over communication lines based on the number of bits that can be sent or received per second.  BSSID  Basic Service Set Identifier. A 48-bit identifier used by all stations in a BSS in frame headers. Usually MAC address.  Clear channel assessment  A function that determines the state of the wireless medium in an IEEE 802.11 network.  Client  Any computer connected to a network that requests services (files, print capability) from another member of the network.  Command Line Interface (CLI)  A method of interacting with the Airborne WLN Module by sending it typed commands. Direct sequence spread spectrum (DSSS)  Combines a data signal at the sending station with a higher data rate bit sequence, which many refer to as a chip sequence (also known as processing gain). A high processing gain increases the signal’s resistance to interference. The minimum processing gain that the FCC allows is 10, and most products operate under 20. Disassociation service  An IEEE 802.11 term that defines the process a station or Access Point uses to notify that it is terminating an existing association. Distribution service  An IEEE 802.11 station uses the distribution service to send MAC frames across a distribution system. GPIO  General Purpose Input/Output refers to the digital I/O lines. Host application  The environment within which the Module is embedded - typically includes a processor, which forms part of an OEM’s product and application. Hot spot  Same as an Access Point, usually found in public areas such as coffee shops and airports. IEEE  Institute of Electrical and Electronic Engineers, an international organization that develops standards for electrical . The organization uses a series of numbers, like the Dewey Decimal system in libraries, to differentiate between the various technology families.
Company Confidential     Quatech, Inc. 36  100-8026-100G Airborne 802.11b/g Value Radio Databook Revision 1.0 Term  Description Independent Basic Service Set Network (IBSS Network)  An IEEE 802.11-based wireless network that has no backbone infrastructure and consists of at least two wireless stations. This type of network is often referred to as an Ad-Hoc network because it can be constructed quickly without too much planning. Infrastructure mode  A client setting providing connectivity to an Access Point. As compared to Ad-Hoc mode, whereby PCs communicate directly with each other, clients set in Infrastructure mode all pass data through a central Access Point. The Access Point not only mediates wireless network traffic in the immediate neighborhood, but also provides communication with the wired network. See Ad-Hoc and AP. LAN application  A software application that runs on a computer, which is attached to a LAN, Intranet or the Internet, and using various protocols can communicate with the Module. Local Area Network  A system of connecting PCs and other devices within the same physical proximity for sharing resources such as Internet connections, printers, files and drives. When Wi-Fi is used to connect the devices, the system is known as a wireless LAN or WLAN. Medium Access Control Layer  One of two sub-layers that make up the Data Link Layer of the OSI reference model. The MAC layer is responsible for moving data packets to and from one network node to another across a shared channel. MPDU  MAC Protocol Data Unit, the unit of data exchanged between two peer MAC entities using the services of the physical layer (PHY). MSDU  MAC Service Data Unit, information that is delivered as a unit between MAC service Access Points (SAPs). Peer-to-peer network  A wireless or wired computer network that has no server or central hub or router. All the networked PCs are equally able to act as a network server or client, and each client computer can talk to all the other wireless computers without having to go through an Access Point or hub. However, since there is no central base station to monitor traffic or provide Internet access, the various signals can collide with each other, reducing overall performance. Also referred to as “ad-hoc” networks RS-232  An EIA standard that specifies up to 20 Kbps, 50 foot, serial transmission between computers and peripheral devices.  RSSI   Relative Signal Strength Indicator or Receive Signal Strength Indicator, is a measure of the received signal strength against the maximum internal receive signal strength (determined during the radios test and calibration). Usually displayed as a percentage. RTOS  An operating system implementing components and services that explicitly offer deterministic responses, and therefore allow the creation of real-time systems. An RTOS is characterized by the richness of the services it provides, the performance characteristics of those services, and the degree that those performance characteristics can be controlled by the application engineer ( to satisfy the requirements of the application).  Service Set Identifier (SSID)  An identifier attached to packets sent over the wireless LAN that functions as a "name" for joining a particular radio network (BSS). All radios and Access Points within the same BSS must use the same SSID, or their packets will be ignored.  Secure Digital Input Output (SDIO)  Standards based high speed serial interface, maintained by the SD Card Association (www.sdcard.org). Telnet  A virtual terminal protocol used in the Internet, enabling users to log into a remote host.  Transceiver  A device for transmitting and receiving packets between the computer and the medium.  Transmission Control Protocol (TCP)  A commonly used protocol for establishing and maintaining communications between applications on different computers. TCP provides full-duplex, acknowledged, and flow-controlled service to upper-layer protocols and applications.  Wide Area Network (WAN)  A communication system of connected PCs and other computing devices across a large local, regional, national or international geographic area. Also used to distinguish between phone-based data networks and Wi-Fi. Phone networks are considered WANs and Wi-Fi networks are considered wireless LANs.  Wi-Fi  Wireless-Fidelity: Wi-Fi is the common name used for 802.11 wireless network technology.  Wi-Fi Alliance  A non-profit international association formed in 1999 to certify interoperability of wireless LAN products based on IEEE 802.11 specification.  Wired Equivalent Privacy (WEP)  A security protocol for wireless LANs defined in the IEEE 802.11 standard. WEP is designed to provide the same level of security as a wired LAN.
Quatech, Inc.  Company Confidential Revision 1.0 100-8026-100G Airborne 802.11b/g Value Radio Databook 37 Term  Description WLAN  Also referred to as a wireless LAN. A type of local-area network that uses high-frequency radio waves rather than wires to communicate between nodes and provide network connectivity.
Company Confidential     Quatech, Inc. 38  100-8026-100G Airborne 802.11b/g Value Radio Databook Revision 1.0 15.0 Change Log The following table indicates all changes made to this document: Version  Date  Section  Change Description  Author 1.0 12/1/2007  -  Preliminary Release  ACR
  QUATECH ® Inc.. 5675 Hudson Industrial Parkway Hudson, OH 44236 USA Telephone: 330-655-9000 Toll Free:   800-553-1170 Fax:       330-655-9010 Technical Support: 714-899-7543 / wirelesssupport@quatech.com Web Site:   www.quatech.com  Copyright © 2007 QUATECH ® Inc. ALL RIGHTS RESERVED. No part of this publication may be copied in any form, by photocopy, microfilm, retrieval system, or by any other means now known or hereafter invented without the prior written permission of QUATECH ® Inc.. This document may not be used as the basis for manufacture or sale of any items without the prior written consent of QUATECH  Inc.. QUATECH  Inc. is a registered trademark of QUATECH  Inc.. Airborne™ is a trademark of QUATECH  Inc..

Navigation menu