Bolutek Electronical Technology MESH1010D13 MESH-1010-D_V1.3 User Manual BLK MD BC04 B

Shenzhen Bolutek Electronical Technology Co.,Ltd MESH-1010-D_V1.3 BLK MD BC04 B

User manual

BOLUTEK MESH-1010-D MESH MODULETEL:0755-26509941 WEB:www.bolutek.com Page 1 of 10MESH-1010-D MESH MODULESPECIFICATIONV1.220160413
BOLUTEK MESH-1010-D MESH MODULETEL:0755-26509941 WEB:www.bolutek.com Page 2 of 101.Overview2. FeatureBluetooth protocol:Bluetooth V4.0Power level:Class 2Operating frequency:2.402~2.480GHz ISM bandAcuity:-80dBm<0.1%BERSupport Agreement:DATA_SPEC、CTS_SPEC、GLS_SPEC、TPS_SPEC、BPS_SPES、HRS_SPEC、HIDS_SPEC、LLS_SPEC、PASS_SPECPower supply:2.7~3.6VStandby Current consumption:<50uAOperating current consumption:≤50mAContour Dimension:30.0mm x 14.0mm x 2.2 mmLow power consumption, microamp operating currentUltra-low voltage power supply, you can use 3V button batterySupport V4.0 Bluetooth protocol stack:ATT,GATT,SMP,L2CAP,GAPSupport CSR Mesh networking, the network can have up to 65,535 devices, you cancontrol two yellow and white lights.3. Application FieldsMESH-1010-D MESH module Shenzhen BOLUTEKElectronics Technology Co., Ltd. is designed for datatransmission and intelligent MESH build, usingQualcomm chip solution, compliant with the BluetoothV4.0 specification.This module uses 2.0mm pitch pin connections, lowcost, small size, low power consumption, high receivesensitivity, easy to use and flexible, etc., can be composedof Mesh networks, network between each module.
BOLUTEK MESH-1010-D MESH MODULETEL:0755-26509941 WEB:www.bolutek.com Page 3 of 10MESH network node apparatus,MESH networking background lights, wall lights,, ceiling lights,MESH smart home, lighting control, lighting color temperature control,Household and leisure equipment, such as remote controls, toys,Office supplies equipment such as printers, scanners, etc.,MESH low-power ecosystem,Phone peripheral accessories,Other Human Interface Device……4. Block Diagram5.Contour DimensionType SizeMESH-1010-D 30.0mm x 14.0mm x 2.2mm
BOLUTEK MESH-1010-D MESH MODULETEL:0755-26509941 WEB:www.bolutek.com Page 4 of 10
BOLUTEK MESH-1010-D MESH MODULETEL:0755-26509941 WEB:www.bolutek.com Page 5 of 106.Pin ConfigurationsPin NO. Name I/O FUNCTION1 GND GND Ground2 3V3 IN +3.3V Supply3 PWM2 IN/OUT Programmable Input/Output Line(PIO4)/Warm PWM Output4 PWM1 IN/OUT Programmable Input/Output Line(PIO3)/Cool PWM Output5 SYNC - not connected6 TX OUT UART Data Output7 RX IN UART Data intput8 CLK IN/OUT Programmable Input/Output Line(PIO5)/SPI Clock9 CSB IN/OUT Programmable Input/Output Line(PIO6)/SPI CSB10 MOSI IN/OUT Programmable Input/Output Line(PIO7)/SPI_MOSI11 MISO IN/OUT Programmable Input/Output Line(PIO8)/SPI_MISO12 SPI_EN IN SPI Enable(active high)13 GND GND Ground14 3V3 IN +3.3V Supply
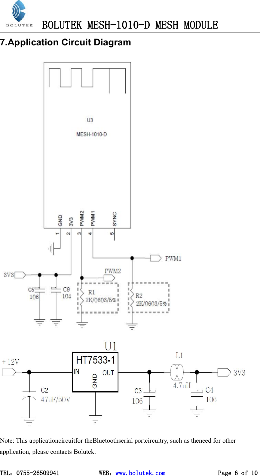
BOLUTEK MESH-1010-D MESH MODULETEL:0755-26509941 WEB:www.bolutek.com Page 6 of 107.Application Circuit DiagramNote: This applicationcircuitfor theBluetoothserial portcircuitry, such as theneed for otherapplication, please contacts Bolutek.
BOLUTEK MESH-1010-D MESH MODULETEL:0755-26509941 WEB:www.bolutek.com Page 7 of 10
BOLUTEK MESH-1010-D MESH MODULETEL:0755-26509941 WEB:www.bolutek.com Page 8 of 108. Electrical Characteristicsmin TypmaxPower Supply 1.8V 3.3V 3.6VI/O interface Voltage -0.4V - 3.6VStorage temperature -40°C-85°COperating temperature -30°C-85°C9.Electric current10.Layout Announcements1.MESH-1010-D MESH module serial level should be 3.3 V, if the connection and5Vlevel system need to increase the level conversion chip.2.MESH signal is highly affected by the surrounding,such as trees, metal, wall can havecertain absorption on the bluetooth signal or block, so the installation is not recommendedin the metal case.3.Due to metal will weaken the function of antenna, it is suggested that Lay in the moduleboard, don't lay GNDand a line under the antenna module, it is best to hollow out.
BOLUTEK MESH-1010-D MESH MODULETEL:0755-26509941 WEB:www.bolutek.com Page 8 of 108. Electrical Characteristicsmin TypmaxPower Supply 1.8V 3.3V 3.6VI/O interface Voltage -0.4V - 3.6VStorage temperature -40°C-85°COperating temperature -30°C-85°C9.Electric current10.Layout Announcements1.MESH-1010-D MESH module serial level should be 3.3 V, if the connection and5Vlevel system need to increase the level conversion chip.2.MESH signal is highly affected by the surrounding,such as trees, metal, wall can havecertain absorption on the bluetooth signal or block, so the installation is not recommendedin the metal case.3.Due to metal will weaken the function of antenna, it is suggested that Lay in the moduleboard, don't lay GNDand a line under the antenna module, it is best to hollow out.
BOLUTEK MESH-1010-D MESH MODULETEL:0755-26509941 WEB:www.bolutek.com Page 9 of 1011. FCC StatementFCC StatementThis device complies with Part 15 of the FCC rules. Operation is subject to the following twoconditions: 1) this device may not cause harmful interference, and 2) this device must acceptany interference received, including interference that may cause undesired operation.Note: This equipment has been tested and found to comply with the limits for a Class B digital device, pursuant to part 15 of the FCC Rules. These limits are designed to provide reasonableprotection against harmful interference in a residential installation. This equipment generatesuses and can radiate radio frequency energy and, if not installed and used in accordance withthe instructions, may cause harmful interference to radio communications. However, there is noguarantee that interference will not occur in particular installation. If this equipment does causeharmful interference to radio or television reception, which can be determined by turning theequipment off and on, the user is encouraged to try to correct the interference by one or moreof the following measures:--Reorient or relocate the receiving antenna.--Increase the separation between the equipment and receiver.--Connect the equipment into an outlet on a circuit different from that to which the receiver isconnected.--Consult the dealer or an experienced radio/TV technician for help.Changes or modifications not expressly approved by the party responsible for compliance couldvoid the user’s authority to operate the equipment.FCC Radiation Exposure Statement  This modular complies with FCC RF radiation exposure limits set forth for an uncontrolledenvironment. This transmitter must not be co-located or operating in conjunction with any otherantenna or transmitter. If the FCC identification number is not visible when the module is installed inside another device,then the outside of the device into which the module is installed must also display a labelreferring to the enclosed module. This exterior label can use wording such as the following:“Contains Transmitter Module FCC ID: 2AB4G-MESH1010D13.When the module is installed inside another device, the user manual of this device must containbelow warning statements; 1. This device complies with Part 15 of the FCC Rules. Operation issubject to the following two conditions: (1) This device may not cause harmful interference. (2)This device must accept any interference received, including interference that may causeundesired operation. 2. Changes or modifications not expressly approved by the partyresponsible for compliance could void the user's authority to operate the equipment. The devicesmust be installed and used in strict accordance with the manufacturer's instructions as describedin the user documentation that comes with the product.Or Contains FCC ID:2AB4G-MESH1010D13”
BOLUTEK MESH-1010-D MESH MODULETEL:0755-26509941 WEB:www.bolutek.com Page 10of 1012. Contact usShenzhen Bolutek Technology Co.,Ltd.Addr:4th floor,Building5,Area A, the Internet Industry base of BaoAn District,Shenzhen, Guangdong, ChinaTel: 86-755-26509941Fax: 86-755-26509942Email: sales@bolutek.comhttp://www.bolutek.com

Navigation menu