Bolutek Electronical Technology MESH1010D13 MESH-1010-D_V1.3 User Manual BLK MD BC04 B
Shenzhen Bolutek Electronical Technology Co.,Ltd MESH-1010-D_V1.3 BLK MD BC04 B
User manual

BOLUTEK MESH-1010-D MESH MODULE
TEL:0755-26509941 WEB:www.bolutek.com Page 2 of 10
1.Overview
2. Feature
Bluetooth protocol:Bluetooth V4.0
Power level:Class 2
Operating frequency:2.402~2.480GHz ISM band
Acuity:-80dBm<0.1%BER
Support Agreement:DATA_SPEC、CTS_SPEC、GLS_SPEC、TPS_SPEC、BPS_SPES、
HRS_SPEC、HIDS_SPEC、LLS_SPEC、PASS_SPEC
Power supply:2.7~3.6V
Standby Current consumption:<50uA
Operating current consumption:≤50mA
Contour Dimension:30.0mm x 14.0mm x 2.2 mm
Low power consumption, microamp operating current
Ultra-low voltage power supply, you can use 3V button battery
Support V4.0 Bluetooth protocol stack:ATT,GATT,SMP,L2CAP,GAP
Support CSR Mesh networking, the network can have up to 65,535 devices, you can
control two yellow and white lights.
3. Application Fields
MESH-1010-D MESH module Shenzhen BOLUTEK
Electronics Technology Co., Ltd. is designed for data
transmission and intelligent MESH build, using
Qualcomm chip solution, compliant with the Bluetooth
V4.0 specification.
This module uses 2.0mm pitch pin connections, low
cost, small size, low power consumption, high receive
sensitivity, easy to use and flexible, etc., can be composed
of Mesh networks, network between each module.

BOLUTEK MESH-1010-D MESH MODULE
TEL:0755-26509941 WEB:www.bolutek.com Page 3 of 10
MESH network node apparatus,
MESH networking background lights, wall lights,, ceiling lights,
MESH smart home, lighting control, lighting color temperature control,
Household and leisure equipment, such as remote controls, toys,
Office supplies equipment such as printers, scanners, etc.,
MESH low-power ecosystem,
Phone peripheral accessories,
Other Human Interface Device
……
4. Block Diagram
5.Contour Dimension
Type Size
MESH-1010-D 30.0mm x 14.0mm x 2.2mm

BOLUTEK MESH-1010-D MESH MODULE
TEL:0755-26509941 WEB:www.bolutek.com Page 5 of 10
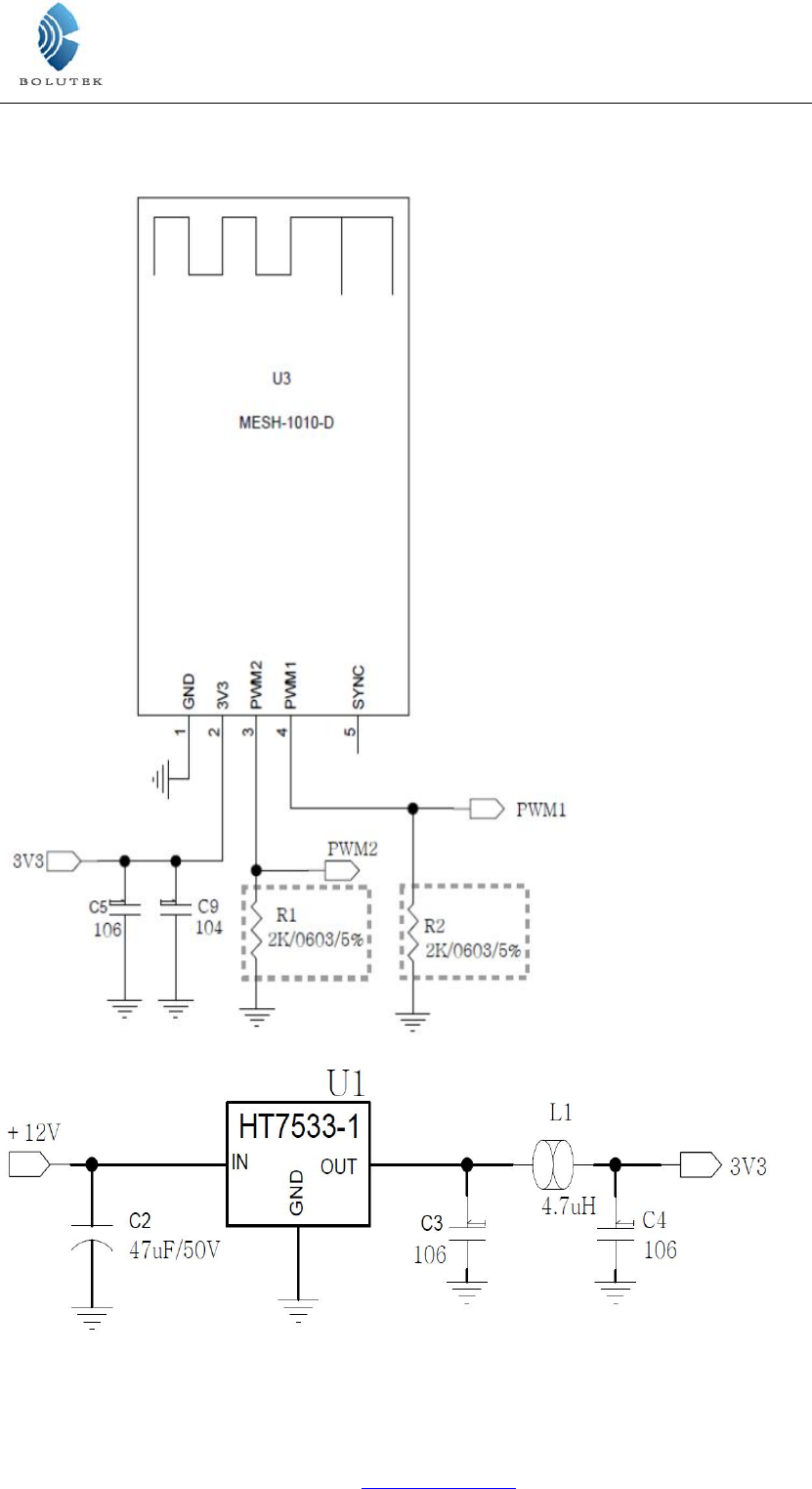
6.Pin Configurations
Pin NO. Name I/O FUNCTION
1 GND GND Ground
2 3V3 IN +3.3V Supply
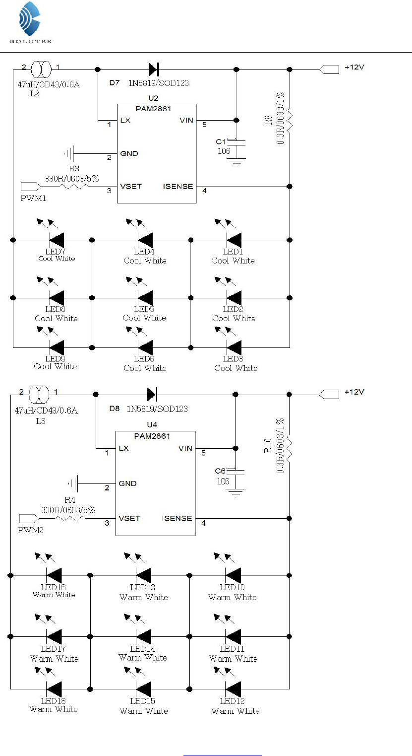
3 PWM2 IN/OUT Programmable Input/Output Line(PIO4)/Warm PWM Output
4 PWM1 IN/OUT Programmable Input/Output Line(PIO3)/Cool PWM Output
5 SYNC - not connected
6 TX OUT UART Data Output
7 RX IN UART Data intput
8 CLK IN/OUT Programmable Input/Output Line(PIO5)/SPI Clock
9 CSB IN/OUT Programmable Input/Output Line(PIO6)/SPI CSB
10 MOSI IN/OUT Programmable Input/Output Line(PIO7)/SPI_MOSI
11 MISO IN/OUT Programmable Input/Output Line(PIO8)/SPI_MISO
12 SPI_EN IN SPI Enable(active high)
13 GND GND Ground
14 3V3 IN +3.3V Supply

BOLUTEK MESH-1010-D MESH MODULE
TEL:0755-26509941 WEB:www.bolutek.com Page 8 of 10
8. Electrical Characteristics
min T
yp
max
Power Supply 1.8V 3.3V 3.6V
I/O interface Voltage -0.4V - 3.6V
Storage temperature -40°C-85°C
Operating temperature -30°C-85°C
9.Electric current
10.Layout Announcements
1.MESH-1010-D MESH module serial level should be 3.3 V, if the connection and
5Vlevel system need to increase the level conversion chip.
2.MESH signal is highly affected by the surrounding,such as trees, metal, wall can have
certain absorption on the bluetooth signal or block, so the installation is not recommended
in the metal case.
3.Due to metal will weaken the function of antenna, it is suggested that Lay in the module
board, don't lay GNDand a line under the antenna module, it is best to hollow out.

BOLUTEK MESH-1010-D MESH MODULE
TEL:0755-26509941 WEB:www.bolutek.com Page 8 of 10
8. Electrical Characteristics
min T
yp
max
Power Supply 1.8V 3.3V 3.6V
I/O interface Voltage -0.4V - 3.6V
Storage temperature -40°C-85°C
Operating temperature -30°C-85°C
9.Electric current
10.Layout Announcements
1.MESH-1010-D MESH module serial level should be 3.3 V, if the connection and
5Vlevel system need to increase the level conversion chip.
2.MESH signal is highly affected by the surrounding,such as trees, metal, wall can have
certain absorption on the bluetooth signal or block, so the installation is not recommended
in the metal case.
3.Due to metal will weaken the function of antenna, it is suggested that Lay in the module
board, don't lay GNDand a line under the antenna module, it is best to hollow out.

BOLUTEK MESH-1010-D MESH MODULE
TEL:0755-26509941 WEB:www.bolutek.com Page 9 of 10
11. FCC StatementFCC Statement
This device complies with Part 15 of the FCC rules. Operation is subject to the following two
conditions: 1) this device may not cause harmful interference, and 2) this device must accept
any interference received, including interference that may cause undesired operation.
Note: This equipment has been tested and found to comply with the limits for a Class B digital
device, pursuant to part 15 of the FCC Rules. These limits are designed to provide reasonable
protection against harmful interference in a residential installation. This equipment generates
uses and can radiate radio frequency energy and, if not installed and used in accordance with
the instructions, may cause harmful interference to radio communications. However, there is no
guarantee that interference will not occur in particular installation. If this equipment does cause
harmful interference to radio or television reception, which can be determined by turning the
equipment off and on, the user is encouraged to try to correct the interference by one or more
of the following measures:
--Reorient or relocate the receiving antenna.
--Increase the separation between the equipment and receiver.
--Connect the equipment into an outlet on a circuit different from that to which the receiver is
connected.
--Consult the dealer or an experienced radio/TV technician for help.
Changes or modifications not expressly approved by the party responsible for compliance could
void the user’s authority to operate the equipment.
FCC Radiation Exposure Statement
This modular complies with FCC RF radiation exposure limits set forth for an uncontrolled
environment. This transmitter must not be co-located or operating in conjunction with any other
antenna or transmitter.
If the FCC identification number is not visible when the module is installed inside another device,
then the outside of the device into which the module is installed must also display a label
referring to the enclosed module. This exterior label can use wording such as the following:
“Contains Transmitter Module FCC ID: 2AB4G-MESH1010D13.
When the module is installed inside another device, the user manual of this device must contain
below warning statements; 1. This device complies with Part 15 of the FCC Rules. Operation is
subject to the following two conditions: (1) This device may not cause harmful interference. (2)
This device must accept any interference received, including interference that may cause
undesired operation. 2. Changes or modifications not expressly approved by the party
responsible for compliance could void the user's authority to operate the equipment. The devices
must be installed and used in strict accordance with the manufacturer's instructions as described
in the user documentation that comes with the product.
Or Contains
FCC ID:2AB4G-MESH1010D13”

BOLUTEK MESH-1010-D MESH MODULE
TEL:0755-26509941 WEB:www.bolutek.com Page 10of 10
12. Contact us
Shenzhen Bolutek Technology Co.,Ltd.
Addr:4th floor,Building5,Area A, the Internet Industry base of BaoAn District,
Shenzhen, Guangdong, China
Tel: 86-755-26509941
Fax: 86-755-26509942
Email: sales@bolutek.com
http://www.bolutek.com



