CHANDLER SYSTEMS EVB019-BLE Legacy View Valve User Manual Michelle Stuart Coy

CHANDLER SYSTEMS, INC. Legacy View Valve Michelle Stuart Coy

User manual

       User manual Model: EVB-019-BLE
pg. 2  12:00 Main Menu               1.  To enter Main Menu, press the Menu/Enter button.   (Time of Day will flash)  2.  To set the Time of Day, press the Set/Change button.   (First digit will flash)  Example [12:00]   -  To change digit value, press the Set/Change button.   -  To accept the digit value, press the Menu/Enter button.   -  Next digit will flash to begin setting.    -  Once the last digit display is accepted, all digits will flash.  3.  To set A.M. or P.M., press the Menu/Enter button.      -  To change digit value, press the Set/Change button.  Example [   A   ]    -  To accept the digit value, press the Menu/Enter button.    -  Once A.M. or P.M. is accepted, the next menu item will flash.   4.  To set the Number of Days between Regeneration or Backwash Cycles (A), press the  Set/Change button.    -  Repeat instructions from step (2).  Example [ A - 07 ]    Notes: 1) Maximum value is 29.         2) If value set to 0, Automatic Regeneration will never occur.          3) Default setting is 4 days for softeners and 6 days for filters.          4) On metered models, an “H” will appear to enter Compensated              Hardness in grains per gallon (gpg).  Example [ H – 20]          5) Default setting is 25 gpg.  5.  To set the Number of Days between Air Draw Cycles (d), press the Set/Change Button    - Repeat instructions from step (2) “Used on Nitro & Nitro Pro Filters Only” Example [ d – 01 ]   Notes:  1) Maximum value is 29.         2) If value set to 0, air draw is turned off, but an air cycle will still be completed when              backwash cycle occurs. If the Number of Days between Air Draw Cycles is set to            a higher number of days than the Number of Days between Backwash Cycles, it           will have no effect. In order to turn off all cycles, both the Days between Backwash        and Days between Air Draw Cycles must be set to 0.         3) Default setting is 1 day.  6.  To Exit Main Menu, press the Menu/Enter button.   Note: If no buttons are pressed for 60 seconds, the Main Menu will be exited automatically. SET CHANGE MENU ENTER Menu/Enter Button Set/Change Button
pg. 3  Normal Operation  1. Home Display   -  Alternates between the display of Time of Day and Number of Days until the Next Regeneration.    -  Days Remaining until the Next Regeneration will count down from the entered Regeneration Day     Override Value until it reaches 1 day remaining.   -  A Regeneration Cycle will then be initiated at the next designated regeneration time.   -  Metered models alternate the Time of Day and Gallons left until the next Regeneration. The meter     will count down to zero (0000) and then regenerate at the scheduled time set.  2. Battery Back-Up (Uses a standard 9-volt alkaline battery.)   -  Installing the battery -  Features of Battery Back-Up   Maintains the Time of Day during power failures.   Notes:  1)  During power failures, the display is turned off to conserve battery power. However, to confirm that   the battery is working, press either button and the display will turn on for five (5) seconds.     2)  If power failure occurs while system is regenerating, the Signature Series II will motor to a shut off position to prevent constant flow to drain. Note: Depending upon system pressure and other factors, it is possible to observe a reduced flow to drain during this step. After power is restored, the Signature Series II will return and finish the cycle where it left off prior to the power interruption.     3)  When used without battery back-up, the unit acts like a standard valve. When a power failure occurs, the unit stops at its current point in the regeneration position and then restarts at that point when the power is restored. However, the time will be offset by the increment of time the unit was without power.     Electronic Connections    P = Power Supply  B = Powered in Backwash Cycle Only  S = Powered in Entire Regeneration       Cycle P    B     S
pg. 4  Starting Extra Regeneration Cycle  1.  To Start Delayed Extra Cycle  Example [  1  ]   -  If Days Remaining Until Next Regeneration does not read „1‟, press and hold the     Set/Change button for 3 seconds until the display reads „1‟, or „0000‟ on metered models. - Regeneration cycle will initiate at the next designated regeneration time.  2.  To start Immediate Extra Cycle First complete above step.    -  With Days Remaining Until Next Regeneration at „1‟ or „0000‟,   -  Press and hold the Set/Change button.   -  After 3 seconds, the regeneration cycle will begin.  3.  To Fast Cycle thru regeneration First complete above 2 steps.  Note: Fast Cycle is not necessary unless desired to manually step through each cycle step.  - Press and hold the Set/Change button for 3 seconds to advance to the next cycle step.    Softeners Default (min.)  Filters Default (min.) Step 1 : Backwash 10  Step 1 : Backwash 10 Step 2 : Brine & Rinse 60  Step 2 : Rest 5 Step 3 : Rapid Rinse 10  Step 3 : Rapid Rinse 10 Step 4 : Brine Refill Set for full salting  Step 4 : Not Used 0      Nitro Default (min.)  Nitro Pro Default (min.) Step 1 : Air Release 6  Step 1 : Air Release 6 Step 2 : Backwash 10  *Step 2 : Oxyclean NP Injection 15 sec. Step 3 : Rest 5  Step 3 : Short Rinse 1 Step 4 : Air Replenish 12  Step 4 : Rest  20 Step 5 : Rapid Rinse 10  Step 5 : Backwash 10    Step 6 : Rest 5 Warning: On NITRO PRO System, if “J” Program is used, the Oxyclean NP must be used to avoid any warranty issues.  Step 7 : Air Replenish 12  Step 8 : Rapid Rinse 10            Note: Depending upon system pressure and other factors, it is possible to observe flow to drain in the rest cycles.  *Only if “J” program (Oxyclean NP Option) is    activated.
pg. 5  Nitro Only Backwash Cycle Step Explanation   Step 1:  Air Release Step                          For approximately 6 minutes         - Not programmable     Step 2:   Backwash Step         - Default of 10 minutes     Step 3:   Rest Step         - Default of 5 minutes    Step 4:  Air Replenish Step          - Default of 12 minutes                                   Example: 4-12               Step 5:   Rapid Rinse Step         - Default of 10 minutes  Notes:  -  When the valve is between positions, the display will flash the number of the step it is moving towards.  -  The default time at which regeneration will occur is 2:00 a.m. for softeners and 12:00 a.m. for filters.    New feature: The motor‟s run direction during a particular regeneration cycle step is indicated by           the rotation direction of the last 2 digit displays.           5-
pg. 6  Nitro Pro Only Backwash Cycle Step Explanations (With “J” Program Activated – Oxyclean NP Option)  Step 1:    Air Release Step           For approximately 6 minutes         - Not programmable   Step 2:   Oxyclean NP Injection         For 15 seconds         - Not programmable   Step 3:   Short Rinse Step           For 1 minute         - Not programmable   Step 4:   Rest Step         For 20 minutes         - Not programmable Step 5:   Backwash Step         - Default of 10 minutes   Step 6:   Rest Step         - Default of 5 minutes                              Example: 6-05   Step 7:   Air Replenish Step         - Default of 12 minutes   Step 8:  Rapid Rinse Step         - Default of 10 minutes   Note: Depending upon system pressure and other factors, it is possible to observe flow to drain in the rest cycles.  Notes: -  When the valve is between positions, the display will flash the number of the step it is moving towards.  -  The default time at which regeneration will occur is 2:00 a.m. for softeners and 12:00 a.m. for filters.  New feature: The motor‟s run direction during a particular regeneration cycle step is indicated by           the rotation direction of the last 2 digit displays.      5-
pg. 7   Final Set-Up    With proper valve operation verified (Softeners only):   1.   Add water to the top of the air check. Manually step the valve to the Brine Cycle (position 2) and allow the valve to draw water from the brine tank until it stops. Note: The air check will check at approximately the midpoint of the screened intake area.   2.   Next, manually step the valve to the Brine Refill position and allow the valve to return to Service automatically.   3.   With the valve in Service, check that there is about 3 to 5 inches of water level above the grid in the brine tank, if used.   4.   Fill the brine tank with salt to complete set-up. The control will run automatically.    Error Codes    There are four (4) error codes which could indicate a possible problem with the control valve:   Error 2 -  Homing slot expected. Valve will begin searching for home.           (Normal operation continues.)   Error 3 -  Encoder is not sending a signal.           (Valve requires service to continue.)   Error 4 -  Unable to find homing slot.           (Valve requires service to continue.)   Error 5 -  Motor overload (stalled position or shorted motor).           (Valve requires service to continue.)    Error 5 Explanation: The unit thinks the motor is locked. This can only happen when the valve is running the motor, it is not seeing any encoder slots, and the motor is overloaded. This usually alerts the presence of foreign debris inside the valve clogging the system.
pg. 8   Master Programming Mode  To enter Master Programming Mode, press and hold both buttons for 5 seconds.  Note:   All Master Programming functions have been preset at the factory. Unless a change is desired, it is NOT necessary to enter Master Programming Mode.   1. Regeneration Type (t) N/A for Nitro / Nitro Pro   -  This display is used to set the Regeneration Type. This option setting is identified by the letter “t” in the left digit. There are two possible settings:    -  Timeclock / Filter Delayed – The control will determine that regeneration is required when the set regeneration time has been reached. The regeneration frequency setting will determine which days a regeneration cycle will be initiated. Example ( t - - c ).    -  Meter Delayed (Demand) – The control will determine that regeneration is required when the available volume of softened water drops to or below zero. Regeneration is to begin at the scheduled time set. Example ( t - - d ).   ● The Set/Change button will adjust this value. To accept the digit value, press the Menu/Enter   button.   2. Regeneration Day Override (A) – Meter (Demand) Mode Only – Softeners Only   -  Press Menu/Enter button. This display is used to set the maximum amount of time (in days) the unit can be in service without regeneration. This option setting is identified by the letter “A” in the left digit. Regeneration will begin at the scheduled time. A setting of zero will cancel this feature.   - Example: Override every 7 days (A-07), default setting, or cancel setting (A-00). Maximum is 29.  3.  To Set Regeneration Time ( r )     Example  [  r 12A  ]  -  The time of day at which regeneration may take place is designated by the letter “r”.   -  The first display digit indicates A.M. or P.M. To change the value, press the Set/Change button.   -  Press Menu/Enter button to accept the value and move to the next digit.   -  The second and third display digits indicate the hour at which the regeneration will occur.   -  Change the digits with the Set/Change button and accept with the Menu/Enter button.   -  After the entire display flashes, press the Menu/Enter button to move to the next menu item.  4.  To Activate Oxyclean NP Program (Nitro Pro Only)   -  “J” program is selectable either off – 0 (default setting) or on – 1.   -  To activate the non-adjustable cycles for the Oxyclean NP, select J-1 with the Set/Change button and enter with the Menu/Enter button.
pg. 9   5.  To Set Regeneration Cycle Step Times Softeners/Filters Only (1) (2) (3) (4)         Example [ 3 – 20 ]   -  The next 4 displays set the duration of time in minutes for each backwash cycle step.   -  The step number which is currently modifiable is indicated on the far left of the display screen.   -  The number of minutes allotted for the selected backwash step is displayed on the far right.   -  Change the digit values using the Set/Change and Menu/Enter buttons as described above.   5.  To Set Backwash Cycle Step Times Nitro (2) (3) (4) (5) / Nitro Pro (5) (6) (7) (8)    Example [ 3 – 20 ]  -  The next 4 displays set the duration of time in minutes for each backwash cycle step.   -  The step number which is currently modifiable is indicated on the far left of the display screen.   -  The number of minutes allotted for the selected backwash step is displayed on the far right.   -  Change the digit values using the Set/Change and Menu/Enter buttons as described above.     Note on Air Draw Cycle (4): Nitro Filter Only (7) Nitro Pro Only The longer the unit is set to remain in the Air Draw cycle (4), the more air is drawn into the system. A default setting of 12 minutes draws air down to the level of a normal media bed height and then returns the unit to the home display. If the system needs more air, increase the time setting for step (4) or decrease the number of days between air draw cycles. There is no way to view the number of days until the next air draw will take place.  5. System Capacity in Grains ( c ) – Meter (Demand) Only    -  Press the Menu/Enter button. This display is used to set the system capacity in grains and is used in conjunction with the hardness setting to calculate total gallons of treated water available between regenerations. This option is identified by the letter “c” in the left digit. The maximum value for this item is 399. Example: 32,000 grain capacity ( c 032 ).   6.  To Exit the Master Programming Mode, press the Menu/Enter button until time of day returns.      Note: If no buttons are pressed for 60 seconds, the Master Programming Mode will be exited automatically.
pg. 10  SET CHANGE MENU ENTER    Master Programming Mode Flow Chart            - To enter Master Programming mode,     Press and hold both buttons for 5 seconds.   → SET CHANGE To change value  REGEN TYPE  ↓   ↓ → MENU ENTER To accept value  MENU ENTER     ↓ → SET CHANGE To change value  DAY OVERRIDE  ↓         METER MODE  ONLY    ↓ → MENU ENTER To accept value  MENU ENTER     ↓ → SET CHANGE To change value  UNIT CAPACITY  ↓  METER MODE ONLY    ↓ → MENU ENTER To accept value  MENU ENTER     ↓ → SET CHANGE To change value  REGEN TIME  ↓   ↓ → MENU ENTER To accept value  MENU ENTER     ↓ → SET CHANGE To change value  REGEN STEP 1,2,3 & 4  ↓   ↓ → MENU ENTER To accept value  MENU ENTER → The Program Mode will be exited and normal operation resumed.
pg. 11  Control Valve Assembly (Nitro & Nitro Pro)
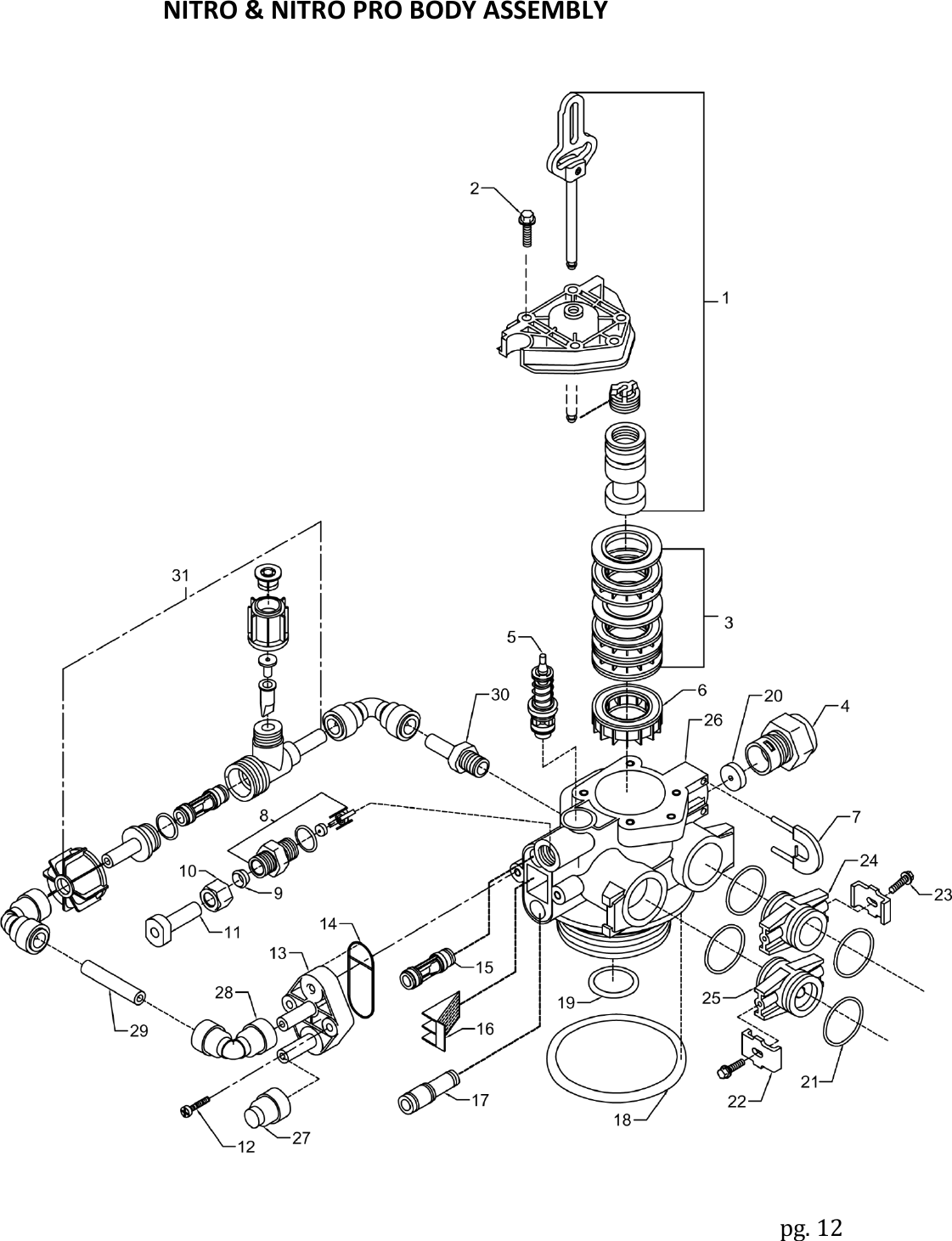
pg. 12  NITRO & NITRO PRO BODY ASSEMBLY
pg. 13   NITRO & NITRO PRO BODY ASSEMBLY    PART No. DESCRIPTION  Qty. 1  20009X231  PISTON ASSEMBLY 1 2  20001X226  HEX SCREW 3 3  20001X232  SEAL & SPACER KIT 1 4  20251X100  DRAIN LINE FLOW CONTROL HOUSING 1 5  20561X225  BRINE VALVE 1 6  N/A  END SPACER 1 7  20001X214  DRAIN RETAINER CLIP 1 8  20001X228  BRINE LINE FLOW CONTROL ASSY. 1 9  20251X305  BRINE LINE FERRULE 1 10  20251X304  BRINE LINE COMPRESSION NUT 1 11  20009X005  PLUG  1 12  20001X226  HEX SCREW 2 13  20009X001  INJECTOR COVER NITRO PRO 1 14  20001X224  INJECTOR SEAL 1 15  20001X219  INJECTOR ASSEMBLY WHITE (SPECIFY COLOR) 1 16  20001X222  INJECTOR SCREEN 1 17  20001X217  INJECTOR PLUG 1 18  20001X215  TANK O-RING 1 19  20561X204  DISTRIBUTOR PILOT O-RING 1 20  20251X272  DLFC 5.0 BUTTON  (SPECIFY SIZE) 1 21  20561X216   ADAPTER O-RING 4 22  20561X201  CLIP 2 23  20561X217  HEX SCREW 2 24  20561X215  ADAPTER COUPLING 1 25  20111X011  ADAPTER COUPLING CHECKVALVE  1 26  N/A  VALVE BODY 1 27  20009X010  INJECTOR CAP PLUG 1 28  GA-T0620666B  3/8" 90 ELBOW  3 29  57005X001  3/8" BLACK TUBING / FT. 0.2 30  GA-S0660416B  STEM ADAPTER 1 31  20009X007  INJECTION ASSEMBLY  1
pg. 14   Control Valve Drive Assembly (Filter Version)
pg. 15  Control Valve Drive Assy. (Filter Version) Ref # Description Part # Qty.  Ref # Description Part # Qty. 0 Valve Body Complete 20001X200 1  15 O Ring 20561X204 1 1 Valve Body Only 20001X201 1  16 O Ring 2000X215 1 2 End Spacer N/S 1  17 O Ring N/S 1 3 Seal N/S 5  18 Injector N/S 1 4 Spacer N/S 4  19 O Ring N/S 2 4A Seal & Spacer Kit Incl. (1) #2, (5) #3, & (4) #4 20001X232 1  19A Injector Plug & O Ring Assembly Incl. (1) each #17 thru #19 20001X217 1 5 Down Flow Piston N/S 1  20 Injector Seal 20001X224 1 6 Piston End Rod Retainer N/S 1  21 Injector Cap 20001X223 1 7 End Plug Assembly N/S 1  22 10-24 X 1 Hex Washer HD Screw 20001X226 2 8 Piston Arm N/S 1  22A Filter Conversion Kit Incl. (1) each #19A, #24A, #26A, #20, #21 & (2) #22 20001X221 1 8A Piston Assembly Incl. (1) each #5 thru #8 20001X231 1  9 Hex Washer HD 10-24 X 13/16” Screw N/S 3  23 O Ring N/S 1 10 Drain Retainer 20001X214 1  24 Filter Plug N/S 1 11 O Ring 20251X254 1  24A O Ring & Filter Plug Assembly Incl. (1) each #23 thru #24 20001X229 1 12 Flow Control Button 1.5 GPM 20251X266 1   Flow Control Button 2.0 GPM 20251X267 1  25 O Ring N/S 1  Flow Control Button 2.4 GPM 20251X268 1  26 Brine Valve Cap N/S 1  Flow Control Button 3.0 GPM 20251X269 1  26A O Ring & Brine Valve Cap Assembly 20001X230 1  Flow Control Button 3.5 GPM 20251X270 1       Flow Control Button 4.0 GPM 20251X271 1  Items #27 thru #30 used only with clock regeneration  Flow Control Button 5.0 GPM 20251X272 1  27 Adapter Coupling N/S 2  Flow Control Button 7.0 GPM 20251X274 1  28 O Ring 20561X216 4 13 Plastic Flow Control Housing N/S 1  28A Adapter Coupling & O Ring Assembly Incl. (1) # 27 & (2) #28 20561X215 1 14 Drain Line Fitting 90º Elbow 1/2” NPT x 1/2” Tubing 20251X255 1   29 Mounting Clip 20561X201 2 14A Flow Control Assembly-Specify GPM  Incl. (1) each #11 thru #14  30 8-18 X 5/8” Hex Washer HD Screw 20561X217 2      Flow Control Assy. 1.5 GPM-PVC 20251X256 1      Flow Control Assy. 2.0 GPM-PVC 20251X257 1  N/S indicates non-stocked item Shaded Ref # indicates assembly or kit Flow Control Assy. 2.4 GPM-PVC 20251X258 1  Flow Control Assy. 3.0 GPM-PVC 20251X259 1  Flow Control Assy. 3.5 GPM-PVC 20251X260 1      Flow Control Assy. 4.0 GPM-PVC 20251X261 1      Flow Control Assy. 5.0 GPM-PVC 20251X262 1      Flow Control Assy. 7.0 GPM-PVC 20251X264 1
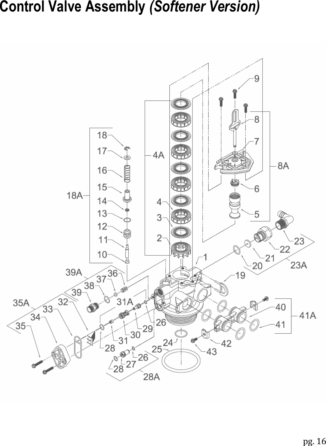
pg. 16   Control Valve Assembly (Softener Version)
pg. 17  Control Valve Drive Assembly Parts List (Softener Version)  Ref # Description Part # Qty.  Ref # Description Part # Qty. 0 Valve Body Complete 20001X200 1  24 O Ring 20561X204 1 1 Valve Body Only 20001X201 1  25 O Ring 20001X215 1 2 End Spacer N/S 1  26 O Ring N/S 2 3 Seal N/S 5  27 Injector Plug N/S 1 4 Spacer N/S 4  28 O Ring N/S 1 4A Seal & Spacer Kit Incl. (1) #2, (5) #3 & (4) #4 20001X232 1  28A Injector Plug & O Ring Assy. Incl. (1) each #26 thru # 28 20001X217 1  5 Down Flow Piston N/S 1  29 Injector Throat N/S 1 6 Piston End Rod Retainer N/S 1  30 Injector Nozzle N/S 1 7 End Plug Assembly N/S 1  31 Vortex Generator N/S 1 8 Piston Arm N/S 1  31A Injector Assy. Specify Size Incl. (1) each #2 & #28 thru #31 20001X219 1 8A Piston Assembly Incl. (1) each #5, #6, #7 & #8 20001X231 1   32 Injector Screen 20001X222 1 9 Hex Washer HD 10-24 X 13/16” Screw N/S 3  33 Injector Seal 20001X224 1 10 Brine Valve Set N/S 1  34 Injector Cap 20001X223 1 11 Brine Valve Stem N/S 1  35 10-24 1 Hex Washer HD Screw 20001X226 2 12 Brine Valve Spacer N/S 1  35A Injector Kit – Specify Size – Incl. (1) ea #31A, #32, #33, #34 & (2) #35 20001X220 1 13 O Ring N/S 1  14 Quad Ring N/S 1  36 BLFC Button Retainer 20561X240 1 15 Brine Valve Cap N/S 1  37 5 GPM BLFC Button 20251X318 1 16 Brine Valve Spring N/S 1  38 O Ring 20561X239 1 17 Plain Nylon Washer N/S 1  39 BLFC Adapter 20561X241 1 18 Retaining Ring N/S 1  39A BLFC Assembly .5 GPM - Inc. (1) each #36 thru #39 20001X228 1 18A Brine Assembly Incl. (1) each #10 thru #18 20001X210 1       19 Drain Retainer 20001X214 1      20 O Ring 20251X254       21 Flow Control Button 1.5 GPM 20251X266 1  Items #40 thru #43 used ONLY with clock regeneration Flow Control Button 2.0 GPM 20251X267 1  40 Adapter Coupling N/S 2 Flow Control Button 2.4 GPM 20251X268 1  41 O Ring 20561X216 4 Flow Control Button 3.0 GPM 20251X269 1  41A Adapter Coupling & O Ring Assy. Incl. (1) #40 & (2) # 41 20561X215 1 Flow Control Button 3.5 GPM 20251X270 1  Flow Control Button 4.0 GPM 20251X271 1  42 Mounting Clip 20561X201 2 Flow Control Button 5.0 GPM 20251X272 1  43 8-18 X 5/8” Hex Washer HD Screw 20561X217 2 Flow Control Button 7.0 GPM 20251X274 1      22 Plastic Flow Control Housing N/S 1      23 Drain Line Fitting 90º Elbow 1/2" NPT X 1/2" Tubing 20251X255 1   N/S indicates non-stocked item shaded Ref # indicates assembly or kit       23A Flow Control Housing – Specify GPM Incl. (1) each #20 thru #23             Flow Control Assy. 1.5 GPM-PVC 20251X256 1      Flow Control Assy. 2.0 GPM-PVC 20251X257 1      Flow Control Assy. 2.4 GPM-PVC 20251X258 1      Flow Control Assy. 3.0 GPM-PVC 20251X259 1      Flow Control Assy. 3.5 GPM-PVC 20251X260 1      Flow Control Assy. 5.0 GPM-PVC 20251X262 1      Flow Control Assy. 7.0 GPM-PVC 20251X264 1
pg. 18    Meter Assembly     Meter Assembly Parts List   Ref # Description Part # Qty. 1A Meter Assembly, Turbine Complete 20564X200 1
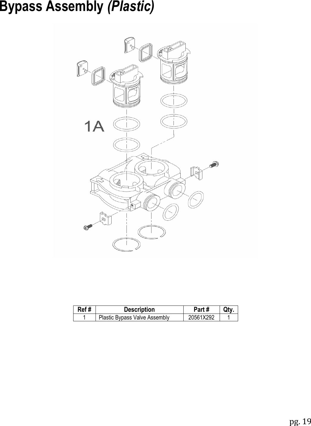
pg. 19   Bypass Assembly (Plastic)       Ref # Description Part # Qty. 1 Plastic Bypass Valve Assembly 20561X292 1
pg. 20   Bypass Assembly (Stainless Steel)  Ref # Description Part # Qty. 1 Bypass Valve 3/4" Stainless Steel 20561X270 1 Bypass Valve 1” Stainless Steel 20561X283 1
pg. 21  Service Instructions  A. General Preliminary Instructions – PERFORM BEFORE ALL SERVICING OPERATIONS!  1.  Turn off water supply to conditioner.      If the conditioner installation has a “three valve” bypass system, first open the valve in the bypass line, then close the valves at the conditioner inlet and outlet.  If the conditioner has an integral bypass valve, put it in the bypass position.  If there is only a shut off valve near the conditioner inlet, close it.  2.  Relieve water pressure in the conditioner by stepping the control into the backwash position momentarily. Return the control to the service position.  3.  Unplug electrical cord from outlet.  4.  Disconnect brine tube and drain line connections at the injector body.   B.  To Replace Brine Valve (need first A1-A3)  1.  Remove the control valve back cover. Disconnect the meter signal wire from the meter.  2.  Remove screw and washer at drive yoke. Remove powerhead mounting screws. The entire powerhead assembly will now lift off easily.  3.  Remove piston retaining plate screws and pull upward on end of piston yoke until assembly is out of valve.  4.  Pull brine valve from injector body, also remove and discard O ring at bottom of brine valve hole.  5.  Apply silicone lubricant to O ring and reinstall at bottom of brine valve hole.  6.  Apply silicone lubricant to O ring on new brine valve assembly and press into brine valve hole, shoulder on bushing should be flush with injector body.  7.  Insert screws through injector cap and into mating holes in the valve body. Tighten screws.  8.  Reconnect brine tube and drain line.  9.  Return bypass or inlet valving to normal service position. Water pressure should now be applied to the conditioner, and any bypass line shut off.  10.  Check for leaks at all seal areas. Check drain seal with the control in the backwash position.  11.  Plug electrical cord into outlet.  12.  Set time of day and cycle control valve manually to assure proper function. Make sure control valve is returned to the service position.  13.  Make sure there is enough salt in the brine tank.  14.  Start regeneration cycle manually if water is hard.  C.  To Replace Injectors & Screen (need first A1 & A3)  1.  Remove injector cap screws, remove cap and discard gasket. Remove vortex generator from end of the injector assembly.  2.  Remove injector assembly. Apply silicone lubricant to new injector assembly O rings and install. Be sure to push injector assembly tightly so O rings are seated. Replace vortex generator. Install a new screen.  3.  Apply silicone lubricant to new gasket and install around oval extension on injector cap.  4.  Repeat B7-B14.  D.  To Replace Powerhead  1.  Remove the control valve back cover. Remove the three screws along the outer edge of the back plate and remove the front cover. Disconnect the power supply and the circuit board signal wire from the motor and feed them back through the control. Disconnect the optical sensor signal wire. Disconnect the meter signal wire from circuit board and feed back through the control.  2.  Remove screw and washer at drive yoke. Remove powerhead mounting screws. The entire powerhead assembly will now lift off easily.  3.  Put new powerhead on top of the valve. Be sure the drive pin on main gear engages slot in drive yoke (wide side of drive yoke upright must face to the left away from the motor).  4.  Replace powerhead mounting screws. Replace screw and washer at drive yoke.  5.  Reconnect meter signal, optical sensor, power supply, and circuit board signal wires.  6.  Reinstall front cover and back cover.
pg. 22  E.  To Replace Piston Assembly  1.  Follow steps A.1 through A.3.  2.  Remove control valve back cover. Disconnect the meter signal wire from the meter.  3.  Remove screw and washer at drive yoke. Remove powerhead mounting screws. The entire powerhead assembly will now lift off easily.  4.  Remove piston retaining plate screws.  5.  Pull upward on end of piston yoke until assembly is out of valve.  6.  Inspect the inside of the valve to make sure that all spacers and seals are in place, and that there is no foreign matter that would interfere with the valve operation.   7.  Take new piston assembly as furnished and push piston into valve by means of the end plug. Twist drive yoke carefully in a clockwise direction to properly align it with drive gear. Reinstall piston retaining plate screws.  8.  Place powerhead on top of valve. Be sure drive pin on main gear engages slot in drive yoke (wide side of drive yoke upright must face to the left away from the motor).  9.  Replace powerhead mounting screws. Replace screw and washer at drive yoke.  10.  Reconnect brine tube and drain line.  11.  Return bypass or inlet valving to normal service position. Water pressure should now be applied to the conditioner, and any bypass line shut off.  12.  Replace the control valve back cover.  13.  Follow steps A.9 through A.13.  F.  To Replace Seals and Spacers  1.  Follow steps A.1 through A.3.  2.  Remove the control valve back cover. Disconnect the meter signal wire from the meter.  3.  Remove screw and washer at drive yoke. Remove powerhead mounting screws. The entire powerhead assembly will now lift off easily. Remove piston retaining plate screws.   4.  Pull upward on end of piston rod yoke until assembly is out of valve. Remove and replace seals and spacers.  5.  Take piston assembly and push piston into valve be means of the end plug. Twist drive yoke carefully in a clockwise direction to properly align it with drive gear.  Reinstall piston retaining plate screws. (Same as E7 – E9?)  6.  Place powerhead on top of valve. Be sure drive pin on main gear engages slot in drive yoke (wide side       of drive yoke upright must face to the left away from the motor).  7.  Replace powerhead mounting screws. Replace screw and washer at drive yoke.  8.  Return bypass or inlet valving to normal service position. Water pressure should now be applied to the conditioner, and ay bypass line shut off.  9.  Replace the control valve back cover. (Same as E11 – E13?)  10.  Follow steps A.9 through A.13.  G.  To Replace Meter  1.  Follow steps A.1 through A.3.  2.  Remove two screws and clips at bypass valve or yoke. Pull resin tank away from plumbing connections.  3.  Remove signal wire from meter.  4.  Remove two screws and clips at meter and pull the meter out of the control valve.  5.  Apply silicone lubricant to four new O rings and assemble to four ports on new meter.  6.  Assemble meter to control valve. Note: meter portion of module must be assembled at valve outlet. Install two screws and clips.  7.  Install signal wire into new meter.  8.  Push resin tank back to the plumbing connections and engage meter ports with bypass valve or yoke.  9.  Attach two clips and screws at bypass valve or yoke. Be sure clip legs are firmly engage with lugs.  10.  Return bypass or inlet valving to normal service position. Water pressure should now be applied to the conditioner, and any bypass line shut off.   11.  Check for leaks at all seal areas.  12.  Follow steps A.9 through A.13.  H.  To Check Drive Motor Operation  1.  Remove the control valve back cover.  2.  To verify drive motor operation, push service button located on back of motor. Motor should run. Release button. After 1 minute, the control should automatically advance to Rapid Rinse (cycle #4) position. It will remain in Rapid Rinse for 5 minutes and then advance to Service position.
pg. 23  Troubleshooting Guide  SYMPTOM PROBABLE CAUSE CORRECTION 1. Softener fails to regenerate automatically Power supply plugged into intermittent or dead power source Connect to constant power source Disconnected meter cable Reconnect cable Improper control valve programming Reset program settings Defective power supply Replace power supply Defective circuit board or meter Replace or repair Defective drive motor Check motor operation by activating the service button on back of motor 2. Regeneration at wrong time Time of day improperly set, due to power failure Reset time of day programming and install 9-volt battery Regeneration time set improperly Reset regeneration time programming 3. Loss of capacity Increase raw water hardness Reset unit to the new capacity Brine concentration and/or quantity Keep brine tank full of salt at all times. Clean it yearly. Salt may be bridged. If using a salt grid plate, ensure refill water is over it. Resin fouling Call dealer. Find out how to confirm it. Clean the resin and prevent future fouling. Poor distribution, channeling (uneven bed surface) Call dealer. Check distributors and backwash flow. Internal valve leak Call dealer. Replace spacers, seals and/or piston. Resin age Call dealer. Check for resin oxidation caused by chlorine. Mushy resin. Resin loss Call dealer. Check for correct bed depth. Broken distributors. Air or gas in bed: well gas eliminator. Loose brine line. 4. Poor water quality Check items listed in #1, #2, & #3  Bypass valve open Close bypass valve. Channeling Check for too slow or high service flow. Check for media fouling.
pg. 24    SYMPTOMS PROBABLE CAUSE CORRECTION 5. High salt usage High salt setting Adjust brine tank refill time Excessive water in brine tank See symptom # 7. Constant flow through the unit Indicates plumbing leak (i.e. toilet tank) Improperly set hardness Reset programming 6. Loss of water pressure Scaling / fouling of inlet pipe Clean or replace pipeline. Pretreat to prevent. Fouled resin Clean resin. Pretreat to prevent. Improper backwash Too many resin fines and/or sediment. Call dealer. Reset backwash flow rate, and/or adjust. 7. Excessive water in brine tank and/or salty water to service Plugged drain line Check flow to drain. Clean flow control. Dirty or damaged brine valve Clean or replace brine valve. Plugged injector Clean injector and replace screen. Low inlet pressure Increase pressure to allow injector to perform properly. (20 psig minimum) Excessive brine refill cycle time Reset brine refill cycle time. 8. Softener fails to use salt Check items listed in #1  Improper control valve programming Check and reset programming Plugged/restricted drain line Clean drain line and/or flow control Injector is plugged Clean or replace injector and screen No water in brine tank Check for restriction in BLFC. Ensure safety float is not stuck. Check brine tank for leaks. Water pressure is too low Line pressure must be at least 20 psi. Brine line injects air during brine draw Check brine line for air leaks Internal control leak Call dealer. Check piston, seals and spacers for scratches and dents. 9. Control cycles continuously Faulty circuit board Replace circuit board. 10. Continuous flow to drain Foreign material in control Call dealer. Clean valve, rebuild unit. Internal control leak Same as above. Valve jammed in backwash, brine or rapid rinse position Same as above. Motor stopped or jammed. Replace motor.
pg. 25    FCC Caution.  This device complies with part 15 of the FCC Rules. Operation is subject to the following two conditions: (1) This device may not cause harmful interference, and (2) this device must accept any interference received, including interference that may cause undesired operation.  Any Changes or modifications not expressly approved by the party responsible for compliance could void the user's authority to operate the equipment.  Note: This equipment has been tested and found to comply with the limits for a Class B digital device, pursuant to part 15 of the FCC Rules. These limits are designed to provide reasonable protection against harmful interference in a residential installation. This equipment generates uses and can radiate radio frequency energy and, if not installed and used in accordance with the instructions, may cause harmful interference to radio communications. However, there is no guarantee that interference will not occur in a particular installation. If this equipment does cause harmful interference to radio or television reception, which can be determined by turning the equipment off and on, the user is encouraged to try to correct the interference by one or more of the following measures: -Reorient or relocate the receiving antenna. -Increase the separation between the equipment and receiver. -Connect the equipment into an outlet on a circuit different from that to which the receiver is connected. -Consult the dealer or an experienced radio/TV technician for help.

Navigation menu