Clarion 0608137 Car equipment unit User Manual manual
Clarion Co., Ltd Car equipment unit manual
Clarion >
manual

Clarion Co., Ltd.
Confidential
INSTRUCTION MANUAL OF UGZZ8-X02
1. BLUETOOTH MODULE SPECIFICATION
1-1. PRODUCT NAME
UGZZ8-X02
1-2. MANUFACTURER
ALPS ELECTRIC
1-3. FEATURES
Bluetooth
™
Specification V2.0+EDR support
Complete type of Bluetooth module, built-in various profile
Built-in Link controller, Link Manager Protocol
Output Power class2 compliant
Type with a chip antenna
Full custom package with pwb can be fit to only navigation products made by Clarion
Built-in Flash memory(16Mbit), system clock 26MHz(OSC)
B to B connector interface
1-4. SPECIFICATION
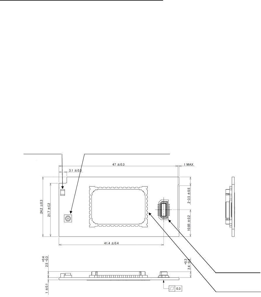
1-4-1. MECHANICAL SPECIFICATION
1-4-1-1. EXTERNAL DIMENSIONS
Refer to the following page.
1-4-1-2. MASS
4.86 [g]
1-4-2. ELECTRIC SPECIFICATION
1-4-2-1. POWER-SUPPLY-VOLTAGE
DC +3.1 to +3.6 [V]
1-4-2-2. TEMPERATURE RANGE
-40 to +85 [degree C]
1-4-3. RF SPECIFICATION
1-4-3-1. NORMAL TRANSMIT POWER(AVERAGED POWER)
-6 to +4 [dBm]
1-4-3-2. REFERENCE SENSITIVITY LEVEL(BER=0.001%)
MAX. -70 [dBm]
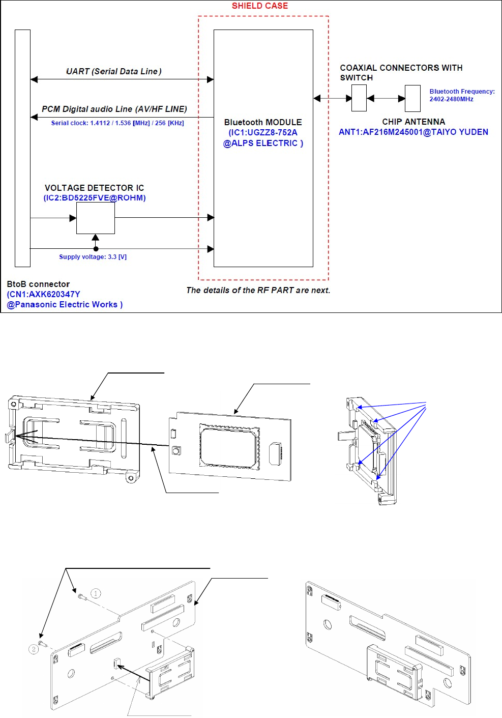
Chip Antenna
TAIYO YUDEN
AF216M245001
Coaxial Connectors with Switch
Murata Manufacturing
MM8430-2610
BtoB Connector
Matsushita Electric
AXK620347Y
BLUETOOTH MODULE
ALPS ELECTRIC
UGZZ8-752A
INSTRUCTION MANUAL OF UGZZ8-X02 - 1 / 5 -

Clarion Co., Ltd.
Confidential
1-5. LABEL INFORMATION
1-5-1. LABEL LAYOUT
1-5-2. CONTENTS OF LABEL
1-6. CONNECTOR PIN ASSIGNMENT
NO.
PIN NAME
NO.
2
GND
-
1
VCC
I
4
PIO[1] (PTE0)
O
3
PIO[0] (PTB1)
O
6
PCM_SYNC
O
5
PDN
O
8
GND
-
7
PCM_OUT
O
10
UART_CTS
I
9
UART_RTS
O
12
UART_TX
O
11
UART_RX
I
14
PCM_IN
I
13
PCM_CLK
O
16
NC
I
15
NC
I
18
PIO[2] (PTE5)
O
17
NC
I
20
VCC
I
19
RST#
I
DESCRIPTION
Power Supply 3.3V
Ground
AV Master Clock Select(44.1kHz=Low, 48kHz=High)
PCM_Reset(Active Low), DAC PwrDown(PwrDown Enable=Low)
HF/AV Status signal
Audio Frame signal
AV/HF Output
Ground
UART_RTS
UART_CTS
UART_RX
UART_TX
Audio Clock
AV/HF Input
NC
Power Supply 3.3V
NC
NC
PCM_Mute
Reset(Active Low)
UGZZ5-X02(Back View)
BtoB Connector terminal NO.
Label
Model: UGZZ8-X02
IC: 419C-0608137
UGZZ8-X02A (Back View)
Model Number Rev. Number
Clarion Parts Number
Lot Number
TELEC Mark & ID
Company Name
FCC ID & IC ID
A
SJ20608137
001WWDA1606
060-8137-01
Model: UGZZ8-X02
: 419C-0608137
INSTRUCTION MANUAL OF UGZZ8-X02 - 2 / 5 -

Clarion Co., Ltd.
Confidential
1-7. BLOCK DIAGRAM
2. PROCEDURE TO BUILD IN
2-1. PROCEDURE FOR UGZZ5-XO2
(1)Install UGZZ8-X02 to BT-CAP
After install UGZZ5-X02 to BT-CAP
(BT-MODULE-AS)
Slide to 4 points of Board-guide, and sandwich the module.
(2)Connect BT-MODULE-AS to FRONT PCB by BtoB connection
Tighten up a screw in order of one to two. After Connect BT-MODULE-AS to FRONT PCB
by BtoB connection (FRONT-PCB-AS)
SLIDE
UGZZ8-X02
BT-CAP
FRONT PCB
B to B connection
BOARD-GUIDE
INSTRUCTION MANUAL OF UGZZ8-X02 - 3 / 5 -

Clarion Co., Ltd.
Confidential
(3)Install FRONT-PCB-AS to Navigation-unit
Connect FRONT-PCB-AS to Navi-board
by FCC cable connection.
Tighten up a screw in order of one to four.
(4)Install DVD-AS to Navigation-unit
(5)Install UPPER-COVER to Navigation-unit
(6)Install FRONT-COVER to Navigation-unit
(7)Install REAR-COVER to Navigation-unit
B to B connection
CONDUCTIVE SHEET
Chip Antenna position
UGZZ8-X02 installation position
INSTRUCTION MANUAL OF UGZZ8-X02 - 4 / 5 -
Clarion Co., Ltd.
Confidential
3. NOITCE
-Operation is subject to the following two conditions:
(1) this device may not cause interference, and
(2) this device must accept any interference, including interference that may cause undesired operation of the device.
-Any changes or modifications not expressly approved by the party responsible for compliance could void
the user's authority to operate the equipment.
-Please note that this users manual should not be provided to end-users.
-The following sentence has to be displayed on the outside of the device in which the module is installed:
"Contains Transmitter Module FCC ID: SJ20608137", or "Contains FCC ID: SJ20608137"
-This equipment complies with FCC RF radiation exposure limits set for an controlled enviornment.
-The antenna used for this transmitter must not be co-located or operating in conjunction
with any other antenna or transmitter.
INSTRUCTION MANUAL OF UGZZ8-X02 - 5 / 5 -