Craftsman 351184240 User Manual BRAD NAILER Manuals And Guides L0706370
CRAFTSMAN Nailer Manual L0706370 CRAFTSMAN Nailer Owner's Manual, CRAFTSMAN Nailer installation guides
User Manual: Craftsman 351184240 351184240 CRAFTSMAN BRAD NAILER - Manuals and Guides View the owners manual for your CRAFTSMAN BRAD NAILER #351184240. Home:Tool Parts:Craftsman Parts:Craftsman BRAD NAILER Manual
Open the PDF directly: View PDF
.
Page Count: 12

Operator's Manual
CRRFTSMI:IN
18 Gauge
%- 2" Length
BRAD NAILER
Model No.
351.1 84240
CAUTION: Read and follow
all Safety Rules and Operating
Instructions before First Use
of this Product.
Sears, Roebuck and Co., Hoffman Estates, IL 60179 U.S.A.
.Safety
°Operation
°Maintenance
° Parts List
-Espahol
449700 Draft (07/25/97)

Warranty ............................................ 2
Safety Rules ............................................... 2
Operation ............................................ 2-4
Maintenance ..................................... 4
Troubleshooting ...................................... 5
Parts Illustration and List ................................. 6-7
Espa,%l ........................................... 8-11
FULL ONEYEAR WARRANTY ON CRAFTSMAN
AIR-DRIVE TOOLS
If this Craftsman air-drive tool falls due to a defect in material
or workmanship within one full year from the date of purchase,
return it to the nearest Sears Sewice Center in the United
States, and Sears will repair it free of charge.
If this air-drive tool is used for commercial purposes, this
warranty applies for only 90 days from the date of purchase
This warranty gives you specific legal rights and you may also
have other rights which vary from state to state.
Sears, Roebuck and Co, DepL 817WA, Hoffman Estates, 1L
60179
,, Air tool operators and all others in work area shoutd
always wear safety goggles complying with United States
ANSI Z87 1 to prevent eye injury from fasteners and flying
debris when loading, operating or unloading this tool.
. Never exceed operating pressure of 100 PSI.
° Always keep hands and body away from the fastener dis-
charge area when air supply is connected to tool..
- Always disconnect tool from air supply when servicing or
adjusting toot and when tool is not in use.
,, Do not operate when contact trip is not in contact with
work.
,, Never load the tool until you are ready to use it..
• Never depress tool trigger when leading.
° Always load with nose of tool pointing away from you and
others.
o Never point tool at yourself or others.
° Never carry tool with trigger depressed.
_, Do not use oxygen, combustible gas or high pressure
compressed gas as the air supply for the tool.
o Always use tool at safe distance from other people in work
area
o Do not attempt to discharge fastener into hard or brittle
materials such as concrete, steel or tile.
. Do not connect female quick-disconnect coupling to tool
side of air line
o Connect male, free-flow nipple to tool side of air line so
that tool is depressurized when hose is disconnected,,
• Do not use a hose swivel with thfs tool,
° Use Sears recommended fasteners only
DESCRIPTION
The Craftsman 18 Gauge Brad Nailer drives brads from %" t
2" long Die cast aluminum body with textured grip minimizes
operator fatigue_ Large capacity, side loading magazine with
positive, quick action latch makes loading easy Safety featur,
disables tool unless contact trip is pressed against workpiece
Tapered nosepiece provides operator with greater visibility foJ
precise fastener placement. Rigid nosepiece reduces jammin
The 18 Gauge Brad Nailer is excellent for molding, furniture
making, and picture framing.
SPECIFICATIONS
Capacity ..................................... 110 brad nail
Nail size ....................... 18 gauge (049" x .040"
Nail lengths .............................................. %to 2
Operating pressure ............................... 60-100 RE
Air inlet .................................. ¼" N R1
Length ............................................ 9
Height .......................................... 9%
Width ............................................ 2½_
Weight .......................................... 2.6 lbs
BRAD NAILS
18341 ......................... 18 gauge brad nails, %" Ion!
18342 ................... 18 gauge brad nails, 1" Ion!
18343 .................... t8 gauge brad nails, 1¼" ton_
18360 ............................. t 8 gauge brad nails, t½" tone
18361 ................... 18 gauge brad nails, t¾" Ion.(
18362 .................... 18 gauge brad nails, 2" Ion.(
AIR SUPPLY LINE
Refer to Figure 1 (page 3)
. The air tool operates on compressed air at pressures frorf
60 to t00 PSI.
e Never exceed maximum pressure
Minimum air requirements for tool; Average working SCFb
3.2 at 90 PSI.
WARNING: Keep hands and body away from discharge are_
of toot when connecting air supply Always disconnect tool
from air supply when servicing or adjusting tool and when toc
is not in use.
o Air operated tools require clean, dry, lubricated com-
pressed air to ensure top performance, low maintenance
and long life.
o Dirt and abrasive materials present in atl air lines will dam
age tool O-rings, valves and cylinders..
o Moisture will reduce tool performance and life if net
removed from compressed air.
o A flfter-regulatorqubricator system is required and should be
located as close to tool as possible (see Figure 1, page 3)
A distance of less than 15 feet is recommended.
. Keep air fitter clean A dirty filter will reduce the air p_essur{
to the tool causing a reduction in power and efficiency
• The air supply system must be able to provide air pressure
of 60 to 100 pounds per square inch at tool.
2

*All hoses and pipes in the air supply system must be clean
and free of moisture and foreign particles
. Do not mount swivel connector in air supply line.
• The air pressure should be properly regulated
.Different workpiece materials and different fastener lengths
will require different operating pressure
o Be sure all connections in air supply system are sealed to
prevent air loss
,, Never connect a female quick-disconnect coupling to the
tool side of air line connection. A male, free4low coupling
should be connected to the tool side of air line connection.
WARNING: The female coupling provides a seal preventing
loss of compressed air from compressor tank when discom
nected from male coupling If connected to tool side of air
supply', the female coupling could seal a compressed air
charge in the tool which could discharge if the tool trigger is
actuated.
2 Foot Hose Whip --_\
u Mate Quick-Disconnect
Figure 1 *Air Supply Line
°°
Female Quick-Disconnect
LOADING
Refer to Figures 2 & 5 (pages 3 and 6).
WARNING: Disconnect too! from air supply Always load with
nose of toot pointing away from you and others Always wear
safety goggles that comply with United States ANSI Z87 1
NOTE: For best results, use Sears fasteners only
Depress latch (Fig 5, No 64) and slide magazine cover
(Fig 5. No, 66) backwards (see Figure 2), Insert fasteners
into magazine. Position fasteners at bottom of magazine
with heads toward top of tool,
oSlide magazine cover forward over magazine until latch
snaps into place, locking magazine cover,
NAILING OPERATION
Refer to Figures 3 & 5 (pages 3 and 6)
WARNING: Never operate tool unless contact trip is in con-
tact with workpiece. Do not operate tool without fasteners or
damage to toot may result. Never fire fasteners into the air
because fasteners may injure operator or others and damage
to tool may result
. The air tool is equipped with a contact trip safety mecha-
nism (see Figure 3) that disables tool unless contact trip is
pushed against work, Hold body firmly and press contact
trip on workpiece where fastener is to be applied. PuII
trigger to drive fastener into workpiece,
o The tool can also be operated by holding trigger
depressed and pushing contact trip against workpieceo
This operating procedure provides rapid-fire fastener
driving. Never operate tool unless contact trip is in
contact with workplace,
Depress
Trigger
Figure 2
Loading Brad Nails
Figure 3
Contact Trip Operation
3
Trigger
Depressed

Thetoolisequippedwithapush-buttonswitchthatcan
changetheoperatingmodefromrapid-firetosinglefire
Whentheredstopbutton(Fig5,No.32)ispushedinfrom
thefastenerloadingside,thetoolwilefireonefasteneronly:
Tofirethenextfastener,'boththe trigger (Fig 5, No. 27)
and the contact trip (Fig° 5, No 54) must be released
OPERATING PRESSURE
° Use only enough air pressure to perform the operation Air
pressure in excess of that which is required witl make the
operation inefficient and may cause premature wear or
damage to the tool.
•Determine minimum air pressure required by driving some
test fasteners into the workpiece. Set air pressure so that
test fasteners are driven down flush with the work surface.
Fasteners driven too deep may damage workpiece
EXHAUST DEFLECTOR
Refer to Figures 4 & 5 (pages 4 and 6)..
, Exhaust deflector can be positioned to point in any direction
(full 360 ° movement) Reposition deflector (Fig 5, No. 2) by
grasping firmly and rotating to the desired position.
Figure 4 - Exhaust Deflector Adjustment
Refer to Figure 5 (page 6).
LUBRICATION
Lubricate toot daiiy with quality air toot oil If no air line lubd_
cater is used, place five to six drops of oil into air inlet cap
(Fig 5, No. 21) of tool every day
MAGAZINE AND PISTON-RAM
• Keep magazine and nose of toot clean and free of any di_
lint or abrasive particles,
The lip of the ram (Fig 5, No 17) can become dented or
rounded over time,
- Square off the tip of the ram with a cfean, fine hand file tc
extend the life of the ram and tool Fastener firing will be
more consistent if the ram tip is kept clean and square
SAFETY MECHANISM
inspect contact trip safety mechanism daily for proper opera-
tion. Do not operate tool if mechanism is not operating
properly.
With the red push-button switch in the rapid-fire mode, per-
form the following procedures to test safety mechanism:
oLeave trigger untouched while pushing contact trip into
workpiece. Tool must not fire.
• Pull trigger while contact trip is clear of work and pointed
away from operator and others. Tool must not fire.
= Depress and hold trigger Push contact trip against work
where fastener is needed The tool should drive only one
fastener each time the contact trip is pushed against
workpiece
If contact trip mechanism does not operate properly,
repair tool Immediately through Sears Service Center.
Replace any damaged or missing parts. Use the parts list to
order parts.
REBUILD KITS
Rebuild kits are available as spare parts, (see page 7). Tools
should be rebuilt if too_ fails to operate properly after extender
use.. See troubleshooting to determine required replacement
parts
Disconnect tool from air supply before attempting repair
or adjustment.
NOTE: When replacing O-rings or cylinder, lubricate with air
tool oil before assembly
4

SYMPTOM
Trigger cap leaks air
Cap leaks air
Nose leaks air
POSSIBLE CAUSE(S)
1 O-ring damaged
2 Valve stem, seal or O-rings damaged
1 Cap bolts ioose
2. Damaged O-ring or gasket
1. Damaged cylinder O-ring
2 Damaged bumper
3. Ram guide damaged
CORRECTIVE ACTION
1 Check and replace damaged O-ring (Fig 5, No 40)
2 Check and replace damaged stem, seal or O-rings
(Fig. 5, Nos 33, 36, 39 and 40)
1 Tighten bolts (Fig 5, No. 3)
2. Check and replace damaged O-ring or gasket
(Fig 5, Nos 6 and 8)
1 Check and replace damaged O-ring (Fig. 5, No 18)
2 Check and replace damaged bumper (Fig 5, No 24
3. Check and replace guide (Fig. 5, No 25)
Tool will not operate
Toot operates slowly
or loses power
Tool skips fasteners or
inconsistent operation
2,,
Insufficient air supply 1
Damaged or worn head valve O-rings 2
3 Damaged head valve spring
4. Head valve binding in cap
5 Insufficient lubrication
1. Damaged head valve spring
2 Damaged or worn O-rings
3 Damaged trigger assembly
4. Buiid-up en ram
5. Cy{inder not seated on bumper
properly
6 Insufficient air supply
7 Insufficient lubrication
8. Head valve poorly lubricated
1. Worn or damaged bumper
2. Build-up on ram or nose
3 Insufficient air supply
4, Damaged or worn piston O-ring
5, Damaged magazine springs
6, Magazine-nose belts loose
7._ Fasteners too short
8. Damaged fasteners
9. Incorrect fastener size
10, Cap leaks
tl.
12
13
14.
15
Damaged trigger valve seal and
O-rings
Bent or damaged ram
Dirty magazine
Damaged or worn magazine
_nsufficient lubrication
Check air supply
Replace damaged or worn O-rings
(Fig 5, Nos. 10 and 13)
3 Replace damaged spring (Fig.. 5, No.. 9)
4 Clean and lubricate cap and head valve
(Fig 5, Nos. 5 and 12)
5. Place five or six drops of air tool oil into inlet cap
1 Check and replace damaged spring (Fig. 5, No 9)
2. Check and replace damaged or worn O-rings
3 Check and replace trigger assembly
4 Clean piston/ram assembly (Fig° 5, No. 17)
5 Disassemble cylinder and assemble properly
6 Check air supply
7. Place five or six drops of air toot oil into inlet cap
8. Disassemble head valve (Fig.. 5, No. 12),
clean, lubricate, and assemble properly
1 Check and replace bumper (Fig. 5, No 20)
2. Clean and lubricate piston/ram assembly
(Fig. 5, No_17) and inside of nose cover (Fig. 5, No. 51)
3 Check air supply
4. Check and replace O-dng (Fig. 5, No I6)
5. Check and replace springs (Fig. 5, No. 59)
6. Align nose with magazine and tighten bolts
(Fig° 5, No..49)
7. Use Sears recommended fasteners only
8 Discard damaged fasteners
9, Use Sears recommended fasteners only
10 Tighten cap botts (Fig 5, No. 3)_ Check and replace
damaged cap O-ring (Fig° 5, No. 6) or gasket
(Fig..5, No. 8)
11. Check and replace damaged seal and O-rings
(Fig 5, No& 33, 36 and 40)
12 Check and replace damaged pisten/ram assembly
(Fig 5, No. 17)
13 Clean magazine and lubricate with air tool oil
14. Check and replace magazine (Fig 5, No 46)
t5. Place five or six drops of air tool oil into inlet cap
(Fig 5, NOr21)

Model 351.184240
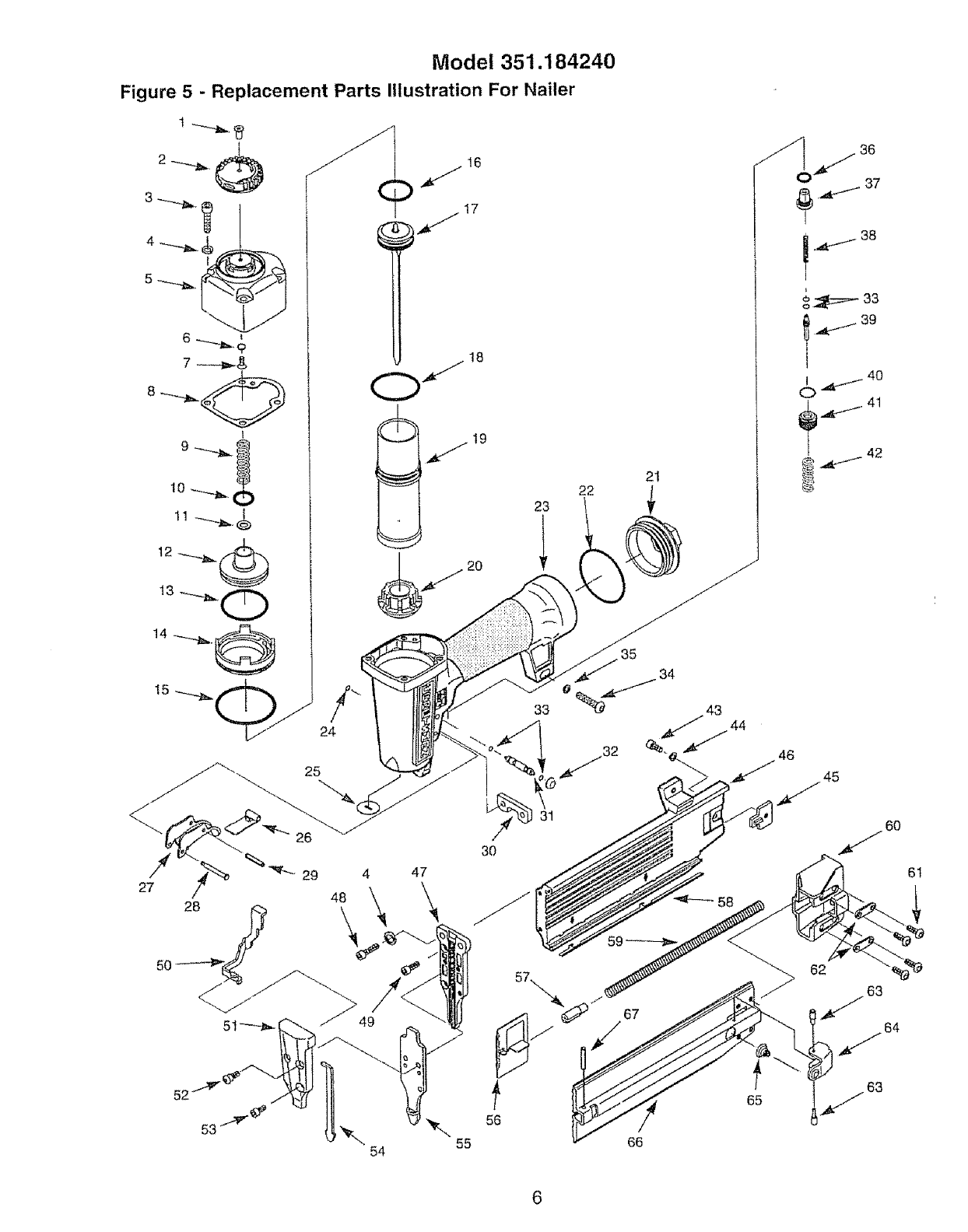
Figure 5 - Replacement Parts Illustration For Nailer
24
29
16
17
54 55
23

tNKEY
O, PART NO,
2 14159.00
_i_j446&00
14194.00
DESCRIPTION
Flange Nut
Deflector
5-0.8 x 42ram Socket Head Bott
5turn Lock Washer*
Cap
3 x lo5mm O-Ring
3-0.5 x 6ram Socket Head Screw
3
1
3
4
5
8
7
8
9
0
t
22
23
24
2_S
26
27
28
29
30
31
32
33
34
1419500
i
!421000
4300.00
4301.,00
4302 00
430300
4304 00
4305.00
443600
4486,00
4309 00
4465.00
4412.00
4440,00
43!6,00
4312,00
4313,00
4487.00
4321 00
4322°00
4323 00
6163.00
4414.00
4320 00
4319 00
43t8,00
4317,00
QTY.
1
1
4
6
1
1
1
Cap Gasket I
Head Valve Spring
14.8 x 2,4 O-Ring 1
Spacer 1
Head Valve Piston 1
335 x 2mm O-Ring --
Collar 11
41 x 1.Smm O-Ring
22_4x 31ram O-Ring
Piston Ram Assembly -.,
315 x 18ram O-Ring
Cylinder Ii
Bumper
Inlet Cap
40 x 3mm O-Ring
Body i
t 2 x 2 6mm O-Ring
Ram Guide
Trigger Lever
Trigger
Clevis Pin i
3 x 16ram Spring Pin
Support Plate
Throttle
Stop Button
2,5 x 14ram O-Ring
5-0,8 x 20ram Socket Head Screw
* Standard hardware item available tocafly
&Not Shown
Recommended Accessories
_, Gauge Brad Nails, %" Long 18341
&Gauge Brad Nails, 1" Long 18342
A Gauge Brad Naits, 1Y," Long 18343
&Gauge Brad Nails, 1W' Long 18360
A Gauge Brad Nails, 1"/4"Long 18361
AGauge Brad Nails, 2" Long 18362
KEY
NO.
35
_6
_7
}8
_9
t0
_2
_3
14
;/
46
47
_8
49
50
51
52
63
54
55
56
57
58
59
60
61
62
63
64
65
66
67
&
PART NO.
STD85t005
6136.00
432400
4325 00
4326.00
4327.00
4328 00
4329.00
5809.00
STD852004
4466.00
446700
446800
604500
6079.00
434300
4469OO
4345OO
608600
4470,00
447100
447200
4336.00
4334.00
4337.00
447&00
7537,00
4332,00
4340,00
4341.00
433900
4474,00
46-22650-3
4497°00
DESCRiPTiON
5ram Flat Washer"
8.8 x 1.gram O-Ring
Trigger Valve Head
Trigger Valve Spring
Valve Stem
98 x 19ram O-Ring
Trigger Cap
Trigger Spring
4-07 x 6ram Socket Head Screw
4ram Lock Washer*
Stop Plate
Magazine
Nose
5-08 x 20ram Socket Head Bolt
4-0.7 x 16ram Socket Head Bolt
Trip Lever
Nose Cover
Shoulder Screw
4-07 x 8ram Socket Head Bolt
Contact Trip
qose Plate
Pusher
Pusher Rod
Wear Plate
Pusher Spring
End Cover
4-0 7 x 10ram Socket Head Screw
Cover Plate
Dowel Pin
Latch
Latch Spring
Magazine Cover
3 x 12mrn Spring Pin
LOperator'sManual
QTYo
i
I
i
1
t
1
1
1
t
1
t
1
4
2
2
1
!
I
l
1
uild Kits
-- 30-_00 Trigger Rebuild Kit t
Fig. 5, Nos. 36, 39, 40, 42 and
two 33
Ii!i -
4407.00 Head Valve Rebuild Kit 1
Fig, 5, Nos 8, 10, 13 and 15
4406 00 Piston-Ram As?_embly Rebuild Kit i 1
Fig, 5, Nos 16.17. I8 and 20

Calibre 18
%- 2" de Longitud
CLAVADORA DE
PUNTILLAS
Modelo No.
351 .! 84240
PRECAUCION: Lea este manual y siga las
Reglas de Seguddad y las lnstrucciones de
Operaci6n, antes de usar este producto por la
pdmera vez.
lngh_s ................................................... 2-5
llustraciSn y Lista de Partes ........................... 6-7
Garantia ......................................... 8
Reglas de Seguridad ................................. 8
Operaci6n .................................................. 8-10
Mantenimiento ................................................. 10
tdentificaci6nde Probfemas ............................ 11
GARANTIA COMPLETA DE UN ANO DE LA CLAVADORA
DE PUNTILLAS CRAFTSMAN
Siesta herramienta impulsada por aire Craftsman falla debido a
un defecto en el material o en la mano de obra dentro de un aSo
ccmpleto a partir de la fecha de compra, devu_fvafa al centro de
servicio mAs cercano de Sears y Sears la repararA gratis,
Si esla herramienta impulsada pot aire comprimido se usa para
prop6sitos comerciales, esta garantia es v_lida por 90 dias sola-
mente, a par|Jr de la fecha de compra
Esta garantia fe da derechos tegales especificos y tambi_n
puede tener otros dereehos que varian de un estado ai otto
Sears, Roebuck and Co,, Dept 817WA, Hoffman Estates, IL
6O179
,, Los operadores de herramientas neumAticas y todas las otras
personas que se encuenlren en la zona de trabajo deben uti-
lizar en todo memento galas de protecci6n que cumplan con
ta norma ANSi Z87,,1, para evttar lesiones a los ojos con los
clavcs y los desperdicios que se despiden mientras se carga,
opera o descarga esta herramienta
,, ..lamAs se debe exceder la presiSn de trabajo de 100 PSt.
o Cuando el suministro de aire se encuentra conectado a fa
berramienta, siempre debe mantener fas manes y el cuerpo
atejados de ta zona de desearga de los clavos.
,, AI reafizar tareas de ser.,icio o de ajuste de la herramienta, o
cuando la misma se encuentre fuera de uso, descon_ctela
del suministro de aire
,, No fa opere cuando el disparador por contacto no est& en
contacto con el traba}o
.JamAs cargue la herramienta hasta que usted no est_ listo
para utilizada
,, Jam_s apriete el gati]lo de la herramienta durante Ia carga
,, Siempre c&rguela con la boca de fa herramienta apuntando
alejb,ndose de usted y de los demb.s.
o Jam&s apunte la herramienta hacia usted u otras personas
a JamAs |ransporte la herramienta mientras presiona el gatiito
•Como sumintstro de aire para la herramienta no se deben
utilizar oxigeno, gases combustibles o gases comprimidos
a alta presi6n.
,_ Utilice siempre ta herramienta a una distancia segura de
tas otras personas que se encuentren dentro de la zona
de trabajo
_, No intente disparar el sujetador dentro de materiales duros
o quebradizos, tales come hormig6n, acero o azulejos
•No se debe coneetar un acoplamiento hembra de desco-
nexi6n rAptda a fa ]inca neumAtica del lado de la herramienta
,, Conecte un niple macho de tlujo fibre a la tinea neumAtica
del |ado de la herramienta, de forma tal que la presi6n de
la misma disminuya al desconectarla de la manguera.
•No use una placa giratoria para manguera con esta
herramienta
oUse solamente los sujetadores recomendados per Sears
DESCRIPCION
La clavadora de puntillas de calibre 18 de Craftsman clava
puntillas entre %" a 2" de Iongitud Cuerpo de aluminio, moldeado
en matriz, con agarradera con textura, que minimiza la tatiga del
operador. Et dep6sito, que tiene una gran capacidad y se carga
por el lado, tiene un pestitto positivo de acciSn r&pida 1oque facili-
ta la carga La caractefistica de seguridad incapacita la her-
ramienta a menos que e! disparador pot contacto est_ presionado
en contra de la pieza de trabajo+La pieza de boca ahusada le
ofrece una mayor vislbilidad al operador para poder colocar ei
sujetador precisamente La pieza de fa boca rigida reduce el atas-
camiento.. La clavadora de puntillas de calibre 18 Craftsman es
excelente para moldear, fabricar muebtes yenmarcar cuadros
ESPECIFICACIONES
Capacidad ......................... 110 clavos de puntilla
TamaSo del clavo ............... Calibre 18 (0,049 x 0,040")
Longitudes de[ clavo ................................ %" a 2"
Presi6n de operaci6n ................................... 60-100 PSI
Entrada de aire ................................. ¼" NRT.
Longitud .................................... 22,9 cm
Attt._ra................................................. 24,1 cm
Ancho ....................................................... 5,2 cm
Peso .......... ...................... 1,2 kg
CLAVOS DE PUNTILLA
18341 ...... Clavoe de puntilla de calibre t8, %" de longitud
18342 .......... Clavos de puntilla de calibre 18, t" de tongitud
18343 ........... Clavos de puntilla de calibre 18, 1¼" de longitud
18360 ........ Cfavos de pun|ilia de calibre 18, 1½" de longitud
18361 ...... Clavos de puntilla de calibre 18, 1¾" de tongitud
18362 ......... Clavos de puniilla de calibre 18, 2" de longitud

LINEADESUMIN|STRODEAIRE
RefierasealaFigura1(pAgina9)
• Laherramientadeairsoperaconairscomprimidoapfe-
sionesdesde60hasta100PSI.
o JamAssedebeexcederlapresi6nmaxima
Cantidaddeaireminimarequeridaparelaherramienta:
SCFMdetrabajo promedlo 3,2 a 90 PSI.
ADVERTENC|A: Mientras conecta et suministro de airs se
deben mantener ]as manos y el cuerpo aleiados de fa zona de
descarga de la herramienta Siempre se debe desconectar et
suministro de aire de la herramienta mientras se reaiizan tareas
de servicio o ajuste de la misma, o cuando _sta no se encuentra
oil uso
•Pare asegurar rendimiento mAx|too, bajo mantenimiento y
targa vida las herramientas con accionamiento neum,_tico
requieren aire compdmido, lubricado, limpio y seco.
• La suciedad y los materiales abrasivos presentes en tas
lineas neum_ticas pueden da_ar los anittos O, las vAlvutas
y los cilindros de la herramienta
• Si la humedad no se efimina det aire comprimido, se reduce
el rendirniento y la vida de la herramienta
o Se requiere un sistema de filtrooreguladorlubricador, et cuat
se debe cotocar tan cerca de la herramienta como sea posi-
ble (yea le Figure 1) Recomendamos una distancia no mayor
a 4,6 m
o Mantenga limpio el fittro de aire Un f]ltro sucio reduce la pre_
siSn de aire que se suministra a[ clavador y provoca una
reducci6n de la potencia y la eficiencia
- El sistema de suministro de airs debe set capaz de proveer
una presi6n de aire de 60 a 100 PSt en la herramienta
• Todas las mangueras y tubedas del sislema de suministro
de aire deben ester limpias y libres de humedad y part'Lculas
extraSas
.En ia tinea de suministro de aire no se dehe colocar un
conector giratorio
• La presi6n de aire se debe aiustar apropiadamente
• Los distintos mater|ales de ta pieza de trabajo y [as distin-
|as longitudes de los ctavos requieren distintas presiones
de operaei6n
• Asegurese de qua todas las conexiones del sistema neu-
mAt|co est_n bien selladas pare evitar fugas de aire
•JamAs se debe conectar un acople hombre de descenexi6n
rApida en el lado de la herramienta dot suministro neum_.tieo,
Se debe conectar un acopte macho de flujo libra ala linea
neumAtica del lado de la herramienta
ADVERTENClA: E] acoplamiento hembra proporciona un setto
qua evita la p_rdida del aire comprimido def estanque del com-
presor cuando est_ deseoneclado del acoplamiento macho Si
estA eonectado al lado de ta herramienta def abastecimiento de
airs, el acoplamiento hombre puede seller una carga de airs
comprimido en ta herramienta qua se puede descargar en e!
caso de que el accionador de Ia herramienta se active.
Lazo de Manguera de 0,6 m--_\
Desconexi6n R_pida - Macho
Ftgura I - Linea de Suministro de Aire
Fittro-Regulador-Lubricado_
Deseonexidn Rfipida -Hembra
CARGA
Refi_rase alas Figuras 2 & 5 (p_.glnas 9 y 6)
ADVERTENClA: Desconecte Ia herramienta det abaste-
cimiento de airs. Siempre cargue con la boca de fa herramienta
apuntando atej_.ndose de usted y de los demAs. Siempre use
galas de seguridad que cumplan con ANSI Z87 1 de Estados
Unfdos,
AVISO:. Para oblener los mejores resultados, use solamenle los
sujetadores de Sears.
Figura 2
Carga de los Clavos de Punti!la
oPresione el pestilto (Fig 5, No, 64) y dealice la cubierta del
dep6silo (Fig. 5, No 66) hacia atras (vea la Figure 2). Inserte
los sujeladores en el dep6sito. Col6quelos en fa parts inferior
del dep6sito con las cabezas hacia la parle superior de la
herramienta
,, Destice la cubierta del depSsito hacia adelante sobre los
sujetadores hasta que el seguro se encaje erl su lugar,
asegurando la cubier|a del dep6sito
OPERACION DE ENCLAVADO
Refl_rase alas Figuras 3 y 5 (pAginas 10 y 6)
ADVERTENCIA: Nunca opereta herramienta a menos que el
disparador de contacto es|_ en contacto con la plaza de trabaio
Si la herramienta se opera sin los sujetadores se puede daSar
Nunca dispare los suietadores al aire ya qua pueden tesionar al
operador oaotras personas y se puede daSar la herramienta
• La herramienta de airs est& equipada con un mecanismo de
seguridad para el disparador de eontacto (vea ta Figure 3,
pAgina 10) qua incapacita la herramienta a menos que et dis-
parador de contacto se empuje contra el trabaio Sujete el
cuerpo lirmemenle y apriete el di_arador de contacto sobre
ia pieza de trabajo, donde se va a aplicar el sujetador. Ap_'iete
el gatillo para clavar el sujetador en la pieza de _;rabajo.

Laherramientatambi6nsepuedeoperarrnanteniendoeL
gatiflopresionadoyempujandoeldisparadorde contacto
contra la pieza de trabajo. Este procedimiento de operac{6n
permite c_avar !os sujetadores con disparos r_pidos Nunca
opere la herramienta a menos que el disparador de contac_o
est6 en contacto con la pieza de trabajo
La herramienta viene equipada con un interrupter de botSn de
presi6n que puede cambiar e{ mode de operaci6n de disparo
r6pido a un sS!o disparo. Cuando eEbot6n de parade, rojo
(Fig 5, No. 32) se empuja hacia adentro desde et Eadode
cargo de tosfiadores, ls herramienta s6to disparara un fiador
Pars disparar el fiador siguiente, tanto el disparador (Fig 5,
No. 27) come el disparador per contacts (Fig 5, No 54) se
tienen que alivia_
Figura 4 -AJuste del Desviador de Escape
Presione el
accionador
Figura 3
Operaci6n del Disparador de Contacto
PRESION DE OPERACION
,, Utiiice solamente la presi6n de aire justa para la operaci6n.. Si
la presi6n es superior ata requerida, la operaci6n de clavado
set#, ineficiente y se pueden causer defies o el desgaste pre-
mature de ia herramient&
.Determine la presi6o de aire m_nima que se requiere clavan-
do algunos de los sujetadores de prueba an la pieza de tra-
bajo Ajuste la presi6n de aire de mode que los sujetadores
de prueba se cloven haste abajo, al mismo nivef de la super-
ficie de trabajo Si se ctavan los sujetadores demasiado pro-
fundamente, se puede dafter !s pieza de traba]o
DESVIADOR DE ESCAPE
Refi6rase a los Figuras 4-y 5 (p_ginas 10 y 6).
. El desviador del escape se puede colocar para que sefiale en
cualquier direcci6n (movimiento de 360 ° complete) Vueiva a
colocar ef desviador (Fig=5, No 2) agarr&ndolo firmemente y
rot,_ndolo ala posici6n deseada.
Refi6rase ala Figure 5 (p_gina 6)
LUBRICAClON
Lubrique la herramienta diariamente con aceite para herramienta
de aire de calidad Si no se usa un lubricador de iinea de aire,
coloque cinco o seis gotas de aceite en la tape de la entreda de
aire (Fig 5, No 2t) de la herramienta, redes los dies.
DEPOSITO Y PtSTON-PISON
,, Mantenga el depSsito y la boca de la herramienta limpios y
sin mugre, pelusas o particulas abrasives
La punta dot pis6n (Fig. 5, No. 17) se puede abollar o redondear
con et tiempo
•Cuadre _apunta dot pis6n con una lima manua[ fine y Iimpia
pare extender ta duraci6n del pisSn y de la herramienla. Los
disparos de 1os sujetadores seran mac consistentes sila
punta del pisSn se mantiene limpia y cuadrada
MECANISMO DE SEGURIDAD
lnspeceione ei mecanismo de seguridad del disparador de con-
taeto diadamente para asegurar una operaci6n correcta No
opere la herramienta si el mecanismo no estz&eperando correcta-
monte.
Ponga el interruplor de bot6n de presi6n rojo en el mode de dis-
pare r&ptdo y siga el procedimiento siguiente pare probar el
mecanismo de seguridad:
,, No toque el gatifto mientras empuja el disparador de contacto
en la pieza de trabajo.. La herramlenta no se debe disparar,
,, Apriete el gatiito mientras el disparador de contacto est_
fuera del trabajo y apuntando ateiAndose de1eperador y de
los demAs La herramienta no se debe disparar.
,, Presione y sujete el gatillo Empuje el disparador de contacto
centre el trabajo donde se necesite un sujetador La herra-
mienta debe clavar solamente un sujetador coda vez que et
disparador de contacto se empuja centre la p_ezado lrabajo.
St el meeanismo del disparador de contaeto no opera cor-
rectamente, haga reparar la herramienta inmediatamente a
tray,s del Centre de Servtclos de Sears.,
Repare toda pieza daSada y reemplace teda pieza fattante
Utilice la lista de piezas pare hacer el pedido de los mismas
10
JUEGOS DE RECONSTRUCClON
Come pieza de repuesto hay disponibles iuegos de reconstruc-
ci6n (yea la p_.gina7) Los herramientas se deben reeonstrt]ir si,
despu6s de un use prolongado, no operan apropiadamente Vea
fa gu_ade bt]squeda y soluci6n de problemas pare determiner
los piezas de repuesto requeridas
Antes de reparar oajustar la herramienta, deseon6ctela de la
fuente de suministro de aire.
AVISO; Cuando cambie los anillos O o el c]_indro,lubdquelos
con aceite pare herramier_tas de aire antes de mentarlos

SINTOMA
La tapa del gatilto tiene
fugas de aire
La tapa tiene fugas
de aire
La boca tiene fugas
de aire
La herramienta no
funciona
La herramienta funciena
lentamente opierde
}otencia
La herramienta se salta
sujetadores u opera en
forma inconeistente
CAUSA(S) POStBLE(S)
1 Anil[o O daSado
2 El vb,stago de la v_.lvuta, el sello o _os
aniflos O estAn daSados
1 Pemos de tapa flojes
2 El anillo O o empaquetadura est_
daRado(a)
1. E! anitlo Odel cilind*ro est_ daP,ado
2.. El amortiguador est#_ daiSado
3. La gu_a del pis6n est#, dahada
1. Suministro de aire [nsuficiente
2Los anillos O de fa v_lvula de cabeza
eslb, n daSados o desgastados
3. El resort_e de ta v_tvula de cabeza est_
daSado
4. La vb,[vufa de cabeza est_ trabada en
ia tapa
5 Lubricaci6n insuficiente
1. Et resorte de ta v_lvula de cabeza esl,_
da5ado
2. Los anitlos O est&n daSados o
desgastados
3. E] conjunto det gatil[o estA daRado
4 Hay acumulaciones en el pis6n
5 El cilindro no est_ setlado correctamente
en el amortiguador
6, Hay un abastecimiento de aire
insuliciente
7. Lubricaci6n insuficiente
8 La v&[vula de cabeza est#, maf iubricada
t, Amortiguador gastado o daRado
2. Acumulaci6n en pisSn o boca
3. Suministro de aire insuficiente
4 Anilto O de pist6n da,Sade o gastado
5 Los resortes del dep6sito est&n da,Sados
6 Los pemes de ]a boca del dep6sito
est_n sueltos
7 Los sujetadores son demasiado cortes
8 Los sujetadores est_n daSados
9 Et tamaSo del sujetador es incorrecto
10 La tapa tiene fugas
1t El se!!o y los ani[ios O de la vAtvuta de[
gatillo est&n dafiados
12. El pis6n eslA doblado o da5ado
13. El dep6sito est& sucio
I4 E! dep6sito esl_ daSado o desgastado
15 Lubricaci6n insuficiente
MEDIDAS CORRECTIVAS
I Verifique y reemplace el aniflo O datSado (Fig 5, No, 40
2 Revise y cambie el v#,stago de ta v_tvula, el sello o los
aniffos O daSados (Fig 5, Nos,, 33, 36, 39 y 40)
1 Apriete los pernos (Fig, 5, No 3)
2 Revise y cambie el anilto O o empaquetadura
daSado(a) (Fig 5, Nee, 6 y 8)
I Revise y cambie el anillo O daSado (Fig 5, No 18)
2 Revise y cambie el amortiguador daSado (Fig 5, No, 20
3 Revise y cambie la guia dei pis6n (Fig. 5, No 25 i
1 Verifique el suministro de aire
2 Cambie los ani]Ios O daRados o desgastados
(Fig 5, Nos 10 y 13)
3 Cambie e] resorte dafiado (Fig 5, No 9)
4 Limp[e y lubrique la tapa y la v&tvula de cabeza
(Fig. 5, Nos. 5 y 12)
5 Ponga cinco o seis gotas de aceite de herramienta de
aire en la tapa de 3a entrada
1Revise y cambie el resorte (Fig 5, No 9)
2 Revise y cambie los anillos O daSados o desgastados
3 Revise y cambie el conjunto del galillo
4 Limpie el conjunto del pist6n-pis6n (Fig. 5, No 17)
5 Desmonte el cilindro y m6ntelo correctamente
6 Revise et abastecimiento de aire
7
8
1o
2.
Ponga cinco o seis gotas de aceile de herramienta de
aire en la tapa de la entrada
Desmonte la v_lvula de cabeza (Fig. 5, No, 12),
limpiela, lubriqueta y m6ntela correctamente.
Revise y cambie el amortiguador (Fig, 5, No. 20)
Llmpie y tubrique el conjunlo del ptst6n-pis6n (Fig° 5,
No. 17) y la parte interior de la eubierta de la boca
(Fig. 5, No 51)
3 Verifique el suministro de aire
4 Revise y cambie e[ anillo O (Fig 5, No !6)
5 Revise y cambie los resortes (Fig. 5, No 59)
6 Afinee la boca con el dep6sito y apriete los pernos
(Fig. 5, No 49)
7 Use sotamente los sujetadores recomendados per
Sears
8. Deseche los suietadores daSados
9. Use eolamente los sujetadores recomendados per
Sears
10 Apriete los pernos de ta tapa (Fig.. 5, NOr 3). Revise
y cambie el anillo O de la tapa (Fig. 5, No. 6) o
empaquetadora (Fig 5, No. 8)
11 Revise y cambie los anillos O y el sello dafiados
(Fig. 5, Nos 33, 36 y 40)
12. Revise y cambie e! conjunto de] pist6n-pis6n da_ado
(Fig 5, No_ 17)
13. Limpie e! dep6sito y lubriquelo con aceite para
herramientas de aire
14 Revise y cambie et dep6sito (Fig. 5, No. 46)
15 Ponga cince o seis gotas dt_'aceite de herramienta de
aire en la tapa de la entrada (Fig 5, No 21)
11

For the repair or replacement parts you need
delivered directly tO your home
Call 7 am - 7 pm, 7 days a week
1-800-366-PART
(1-800-366-7278)
Para ordenar piezas con entrega a
domicitlo - 1-800-659-7084
For major brand repair service
Call 24 hours a day, 7 days a week
1=800-4-REPAIR
(1-800-473-7247)
Para pedir servicio de reparacibn
1-800-659-7084
For the location of a Sears Parts and
Repair Center in your area
Call 24 hours a day, 7 days a week
1-800=488=1222
When requesting service or ordering
parts, always provide the following
information:
eProduct Type •Part Number
°Model Number ° Part Description America's Repair Specialists