DSP Group DHANJ DECT Module User Manual DHX91 DHAN Module Datasheet
DSP Group Ltd DECT Module DHX91 DHAN Module Datasheet
Users Manual
DHAN-J Module
DECT-ULE Platform
Datasheet
Version: 2.2
March 13 2018

Version 2.1 DHAN-J Module Worldwide Sites
March 2018 DSP Group Confidential 2/19
Headquarters
USA
DSP Group Inc.
161 S San Antonio Rd
Suite 10
Los Altos, CA 94022
Tel: (408)986-4300
Fax:(408)986-4323
Israel
DSP Group Ltd.
5 Shenkar Street
Herzelia, Israel 4672505
Tel: 972-9-952-9696
Fax: 972-9-954-1234
Europe
Germany
DSPG Technologies GmbH
Nelson-Mandela-Platz 18
90459 Nurnberg
Tel: +49-911-2001-0
Fax: +49-911-2001-1210
Scotland
DSPG Edinburgh Ltd.
Geddes House
Kirkton North
Livingston EH54 6GU
Tel: +44-1223-772200
APAC
China
DSP Group (HK) Limited
Unit 1-4, 11/F,
909 Cheung Sha Wan Rd.
Kowloon
Hong Kong
Tel: +852-(3965)-5888
DSP Group (Shenzhen) Limited
Room 1819, 18/F
Kerry Centre, Renminnan Road,
Shenzhen, China 518001
Tel: +(86 755) 2518 1214
Ascend Technology Inc.
Room 1303,
New World Center,
No.6009 Yitian Road,
Futian District,
Shenzhen City, China
Tel: +86-755-820-24598
Fax: +86-755-239-82986
Ascend Technology Inc.
Rm 607,
Hui Huang International Center,
1st Place, Shangdi 10th Road,
Haidian District, Beijing City, P.R.
Japan
DSP Group (Japan) Inc.
1-29-1 Nishi-Gotanda
Shinagawa-Ku Tokyo 141-0031
Tel:+81-(3)-3493-3050
Tomen Electronics
8-27, Kohnan 1 Chome,
Minato-ku, Tokyo
108-8510, Japan
Tel: +81-(3)-5462-9619
Fax: +81-(3)-5462-9686
Korea
Daesung Semiconductors
140-848, RM 401
Wonhyo BD. 46-1
Wonhyo-ro 3ka, Yongsan-gu,
Seoul, Korea
Tel: +82-(2)-3272-7300
Fax: +82-(2)-712-4632-3
India
DSP Technology Indian Private
Limited
Information Technology Park
Nagawara Village Kasaba Hobli
Bangalore 560045
Tel: +91 80 4024 8399
Taiwan
Ascendtek Electronics, Inc
11F-7, No. 77, Sec. 1
Hsin Tai Wu Rd.,
Hsi Chih
Taipei Hsien,
Taiwan, R.O.C
Tel: 886-2-2698-8696
Fax: 886-2-8698-2138
This document is provided by DSP Group, Inc. and/or one or more of its subsidiaries (“DSP Group”). All information and data contained
in this document is for informational purposes only, without any commitment on the part of DSP Group, and is not to be considered as an
offer for a contract. DSP Group shall not be liable, in any event, for any claims for damages or any other remedy in any jurisdiction
whatsoever, whether in an action in contract, tort (including negligence and strict liability) or any other theory of liability, whether in law
or equity including, without limitation, claims for damages or any other remedy in whatever jurisdiction, and shall not assume responsibility
for patent infringements or other rights to third parties, arising out of or in connection with this document. Further, DSP Group reserves
the right to revise this publication and to make changes to its content, at any time, without obligation to notify any person or entity of such
revision changes. These materials are copyrighted and any unauthorized use of these materials may violate copyright, trademark, and other
laws. Therefore, no part of this publication may be reproduced, photocopied, stored on a retrieval system, or transmitted without the express
written consent of DSP Group. Any new issue of this document invalidates previous issues.
DSP Group reserves the right to revise this publication and to make changes to its content, at any time, without obligation to notify any
person or entity of such revision changes.
© 2018 DSP Group Confidential. All rights reserved.

Version 2.1 DHAN-J Module Table of Contents
February 27, 2018 DSP Group Confidential 3/19
TABLE OF CONTENTS
1. INTRODUCTION ........................................................................................................................................... 4
General Description ............................................................................................................................................ 4
Features ............................................................................................................................................................... 4
Block Diagram .................................................................................................................................................... 4
2. PIN AND SIGNAL DESCRIPTION ............................................................................................................... 5
3. MODULE ELECTRICAL SPECIFICATIONS .............................................................................................. 7
Absolute Maximum Rating ................................................................................................................................. 7
Recommended Operating Conditions ................................................................................................................. 7
Peak Currents and Hibernation Current .............................................................................................................. 7
Transmitter .......................................................................................................................................................... 8
Receiver .............................................................................................................................................................. 8
4. REFERENCE SCHEMATIC .......................................................................................................................... 9
Module and External Host Interface ................................................................................................................... 9
Power Supply and Optional JTAG ...................................................................................................................... 9
Optional Audio and 32KHz XTAL ................................................................................................................... 10
Interfacing to an external ASIC Sensor or Actuator ......................................................................................... 10
Notes to schematic: ........................................................................................................................................... 11
5. INTERFACING THE DHAN-J WITH AN EXTERNAL MCU .................................................................. 12
RSTN Input ....................................................................................................................................................... 12
Wake Up Input .................................................................................................................................................. 12
Wake Up Output ............................................................................................................................................... 12
6. APPLICATION PCB DESIGN RECOMMENDATIONS ............................................................................ 13
7. ASSEMBLY INFORMATION ..................................................................................................................... 14
Mechanical Drawing ......................................................................................................................................... 14
PCB Metal Land Pattern Recommendation ...................................................................................................... 15
PCB Solder Mask Recommendation ................................................................................................................. 16
PCB Stencil Pattern Recommendation .............................................................................................................. 16
Pick & Place, Reflow ........................................................................................................................................ 16
8. SUPPLEMENTARY INFORMATION ........................................................................................................ 17
Labeling (appended to the module shield) ........................................................................................................ 17
Handling Guidance ........................................................................................................................................... 17
RF Exposure Information and Statement .......................................................................................................... 17
FCC & IC Interference Statement ..................................................................................................................... 18
Declaration of Conformance (DOC) ................................................................................................................. 18
IPEI and EMC ................................................................................................................................................... 18
Ordering Information ........................................................................................................................................ 19
Change Log ....................................................................................................................................................... 19

Version 2.1 DHAN-J Module Introduction
March 2018 DSP Group Confidential 4/19
1. Introduction
General Description
The DSPG DHAN-J module is based on the state-of-the-art DHX91 - a 3rd generation DECT SOC. The DHAN-J
module is suited for a DECT-ULE Device (or Node) applications. The DHAN-J SW stack includes standard
DECT-ULE MAC-PHY connectivity as well as HAN-FUN (= the ULE Alliance Standard) functionality for Dual-
Mode (data and audio) ULE. The Application SW written by the customer can leverage the DHX91 within the
DHAN-J or, alternatively, the application Host can run on external MCU which communicates with the DHAN-J
via a UART interface. The API presented by the DHAN-J is called CMND and DSP Group can supply reference
code for accessing the ULE connectivity presented at this interface.
Features
Excellent radio performance, with over 123dB system gain
A printed antenna is included in the module
Radio covers all regional DECT bands. A simple re-configuration of the EEPROM is required
Radio is fully compliant with ETSI DECT and ULE standards. Regulatory (EU, FCC) certification is
pending
Compact module footprint of 27.2x15.2x3.3 (including the RF shield height)
Minimized external BOM
Operating Temperature spanning -40ºC to 85ºC
Block Diagram
DHX91
QSPI
I2C, UART, SPI, JTAG
RF
Matching
/Filter
DHAN-J
13.824M
32.768K
DHAN-J Module Block Diagram

Version 2.1
DHAN-J Module Pin and Signal Description
February 27, 2018 DSP Group Confidential 5/19
2. Pin and Signal Description
PIN NO. NAME DESCRIPTION/TYPE
1 GND GND
2 ANT2 Test Pin. Leave Unconnected
3 DCINS Leave as not connected (NC)
4 DCIN3 ADC input used to monitor power supply input
5 RSTN
For application running on an external MCU, this pin
should be connected to a MCU IO and used to reset
the DHAN-J
6 SCL (GPIO0) GPIO or I2C Clock. Open Drain, reset value is
floating. Leave as not connected if not used
7 SDA (GPIO1) GPIO or I2C Data. Open Drain, reset value is
floating. Leave as not connected if not used
8 IIC_ACK (GPI03) GPIO or I2C ACK. Leave as not connected if not
used
9 GPIO7 GPIO or SPI Data In. Leave as not connected if not
used
10 GPIO8 GPIO or SPI Data Out. Leave as not connected if not
used
11 RxD (GPIO9) GPIO or UART Rx (most typically) or SPICLK. See
12 TDI JTAG Data In. Should be connected to TP (see
Application Schematic Section below)
13 TMS JTAG Mode Select. Should be connected to TP
14 TDO JTAG Data Out. Should be connected to TP
15 TCK JTAG Clock. Should be connected to TP
16 RTCK JTAG Reset. Should be connected to TP
17 GND GND
18 TxD (GPIO10) GPIO or UART Tx or SPICS
19-20 GND
21 VBAT Power Supply Input. Connect to Battery or regulated
supply
22 DOUBCAP2P Pull down with 1M resistor
23 DCIN2 Leave Unconnected
24 VCC3V
3V (Doubler) Output. While DHAN-J is hibernating,
this pin is either in tristate (default SW
configuration) or pulled to GND. Can be used in
conjunction with GPIO7&8 above to drive an LED
or button during non-hibernation modes
25 LEDSINK/DCIN1 ULE I/O. If not used, can be left NC
26 GND GND

Version 2.1
DHAN-J Module Pin and Signal Description
February 27, 2018 DSP Group Confidential 6/19
PIN NO. NAME DESCRIPTION/TYPE
27 AMP2_OUT ULE I/O. Typically used (as input) to wake up the
DHAN-J from hibernation
28 AMP1_P ULE non-inverting sensor conditioning input
29 AMP1_OUT ULE I/O. Typically used (as output) to indicate
DHAN-J is active (logic high)
30 MPWR/ANA2_IN
ULE I/O (or Microphone Power). During hibernate,
Logic High should not be applied to this pin (it can
result in leakage current). If not used, can be left NC
31 MIN If not used, can be left as NC
32 MIP If not used, can be left as NC
33 ANA_IN1 ULE I/O. If not used, can be left NC
34 SPOUTP If not used, can be left as NC
35 SPOUTN If not used, can be left as NC
36 PWM0 Analog Output
37 XIN_32K Connect to 32.768 XTAL if required – see
application schematic notes
38 XOUT_32K Connect to 32.768 XTAL if required – see
application schematic notes
39 VDD_ULE 1.8V test point. Active during hibernate. Leave NC
40 VBATRF Power Supply Input to RF
41-42 GND GND

Version 2.1 DHAN-J Module Module Electrical Specifications
February 27, 2018 DSP Group Confidential 7/19
3. Module Electrical Specifications
All parameters are for 25ºC.
Absolute Maximum Rating
Table 3-1: Absolute Maximum Ratings
Minimum Voltage Applied to all pins: -0.3V
Maximum Voltage Applied to all pins: +4.6V
Storage Temperature Range: -45 to 90ºC
Note: Functionality at or above these limits is not implied. Exposure to absolute maximum ratings for
extended periods may affect device reliability.
Recommended Operating Conditions
Table 3-2: Recommended Operating Conditions
RATING CONDITIONS MIN TYP MAX UNIT
Operating ambient
temperature
-40 +25 +85 °C
VBAT, VBATRF 1.95 3.0 3.6 V
All GPIOs
(VCC is at nominal
3V)
VIL
VIH
VOL
VOH
2.0
2.4
0.8
0.4
V
DCIN3 1.95 3.0 VBAT V
Peak Currents and Hibernation Current
VBAT=VBATRF = 3V
PARAMETER TEST CONDITIONS TYP MAX UNIT
Tx Current Band=EU @ 23dBm 400 480 mA
Tx Current Band=US @ 21 dBm 250 300 mA
Rx Current Max Gain Setting 125 135 mA
Hibernation
Current
2 µA

Version 2.1 DHAN-J Module Module Electrical Specifications
February 27, 2018 DSP Group Confidential 8/19
Transmitter
VBAT=VBATRF = 3V
Table 3-3: Tx Characteristics
CHARACTERISTICS TEST CONDITIONS MIN TYP MAX UNIT
NTP Band=EU 21.5 23 24 dBm
NTP Band=US 19 20 21 dBm
Harmonics Band=EU & US -40 -35 dBm
Transmission Mask EN 301406
Paragraph 5.3.3
Comply N/A
Frequency Offset EN 301406
Paragraph 5.3.1
-50 8 +50 KHz
Frequency Drift EN 301406
Paragraph 5.3.5
-15 0 +15 KHz/Slot
Emission Due
Modulation
EN 301406
Paragraph 5.3.6.2
M±1
M±2
M±3
M>±3
-20
-42
-47
-50
-8
-30
-40
-44
dBm
Receiver
VBAT=VBATRF = 3V
Table 3-4: Rx Characteristics
CHARACTERISTICS TEST CONDITIONS MIN TYP MAX UNIT
Sensitivity, BER <
1000ppm
EU Band
-96 -93 dBm
Maximum input power EU Band
15 dBm

Version 2.1 DHAN-J Module Supplementary Info
February 27, 2018 DSP Group Confidential 9/19
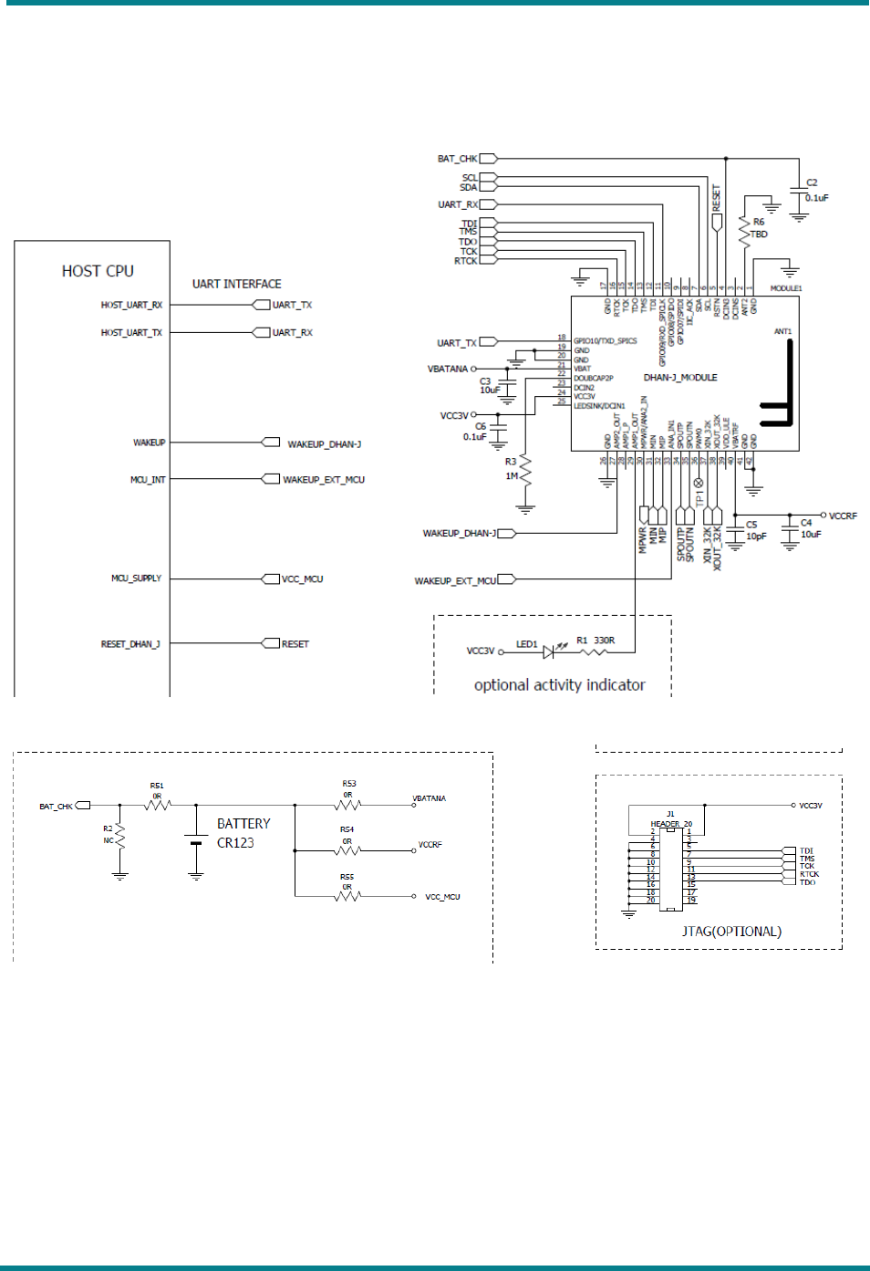
4. Reference Schematic
Module and External Host Interface
Power Supply and Optional JTAG

Version 2.1 DHAN-J Module Supplementary Info
February 27, 2018 DSP Group Confidential 10/19
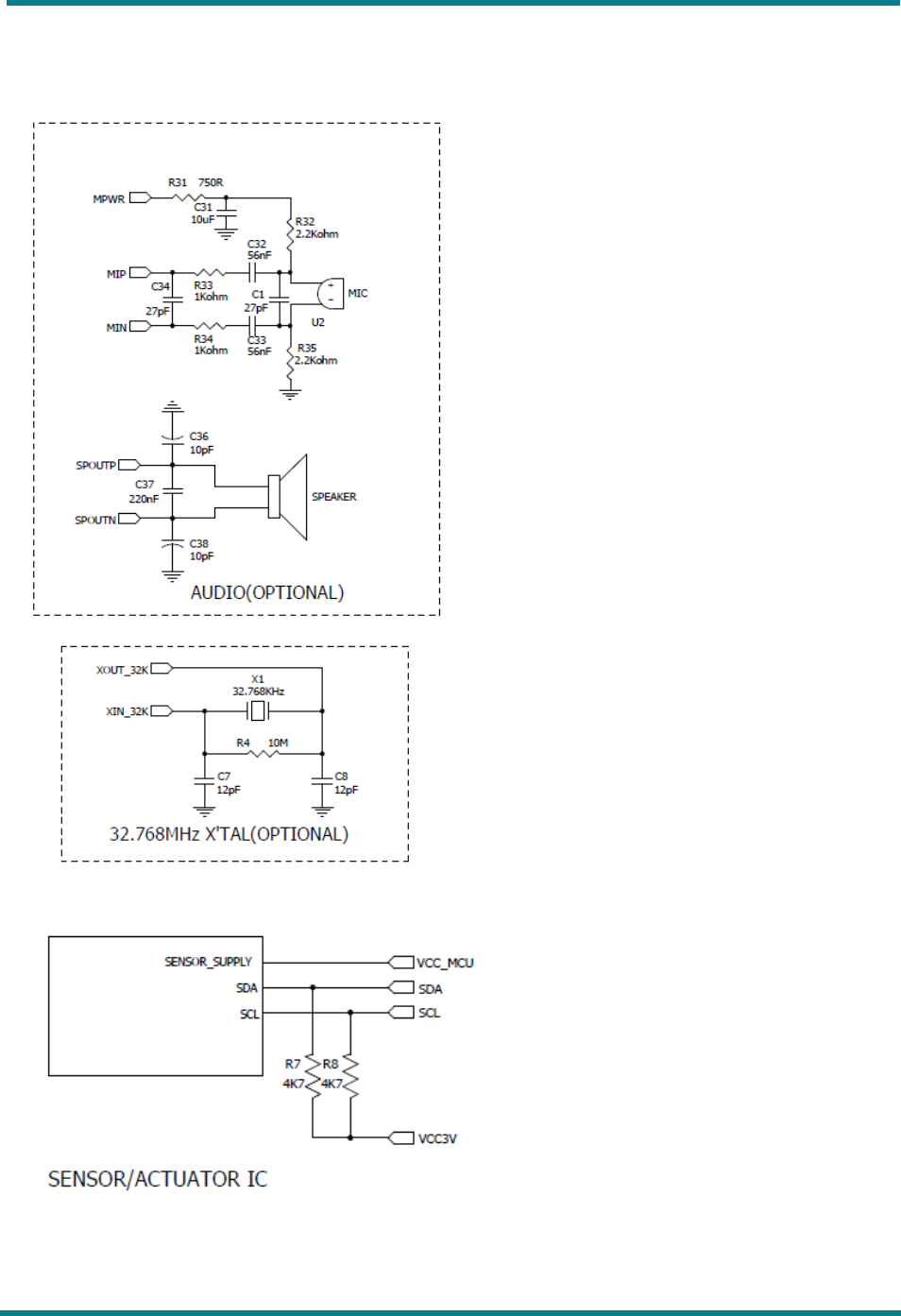
Optional Audio and 32KHz XTAL
Interfacing to an external ASIC Sensor or Actuator

Version 2.1 DHAN-J Module Supplementary Info
February 27, 2018 DSP Group Confidential 11/19
Notes to schematic:
a) For standalone DHAN-J applications, the external MCU can be removed
b) 20-pin JTAG connector is optional. It is recommended for those developing applications on the
DHAN-J (DHX91) where debug and reprogramming of the SW image is a must. For applications
running on an external MCU, the image on the DHAN-J as shipped should suffice
c) Audio interface is required for dual-mode ULE applications only
d) Sensor interface (I2C or otherwise) is relevant when the application host runs on the DHAN-J.
With the application host runs on an external MCU, sensors or actuators should interface with it
and DHAN-J should be used for wireless connectivity only
e) 32KHz XTAL is required for ULE Devices which need to respond to incoming paging from the
Hub with low-latency (within seconds or 10’s of seconds)

Version 2.1 DHAN-J Module Supplementary Info
February 27, 2018 DSP Group Confidential 12/19
5. Interfacing the DHAN-J with an external MCU
RSTN Input
At power-up, the Application Host on the external MCU should hold this pin at logic Low until it is ready to
establish communication (via UART) with the DHAN-J. When ready, the App Host should apply a rising edge
(and leave at Logic High) and wait for the “Hello” indication from the DHAN-J. If at some point later on the MCU
cannot communicate with the DHAN-J, it should apply a low going pulse of >100uS to reset the DHX91 on the
DHAN-J.
Wake Up Input
Wake up the DHAN-J (from hibernation) by applying a positive going edge to AMP2_OUT (Pin27). The DHAN-J
will reply at the (UART) CMND API with a “Hello_Ind”. At that point the wakeup signal can be lowered.
Wake Up Output
In applications where the Device can be paged by the Hub, the external MCU can enter hibernation. When paged,
the DHAN-J will inform the external MCU via UART. If needed, the DHAN-J can wake up the external MCU by
applying a rising edge from ANA_IN1 (Pin33)

Version 2.1 DHAN-J Module Supplementary Info
February 27, 2018 DSP Group Confidential 13/19
6. Application PCB Design Recommendations
It is recommended that unused pads on the Application PCB not be left as isolated islands of copper but rather
be anchored with via to inner layers of the PCB. It is also recommend that GND vias be applied liberally in the
vicinity of GND pins 25,26 and 28.
The following layout recommendations need to be apply on Main Board:
1. Implement a solid ground under the DHAN-J module
2. Do not route signal traces under the module. Use the bottom layer for signal routing
3. Locate the antenna on the edge of the PCB – as pictured below

Version 2.1 DHAN-J Module Supplementary Info
February 27, 2018 DSP Group Confidential 15/19
PCB Metal Land Pattern Recommendation
Zoom-In on the Pads

Version 2.1 DHAN-J Module Supplementary Info
February 27, 2018 DSP Group Confidential 16/19
PCB Solder Mask Recommendation
PCB Stencil Pattern Recommendation
Pick & Place, Reflow
The DHAN-J module uses a flat shield cover to facilitate a fully automatic assembly process. For backing and
reflow recommendations, use MSL 3 in the JEDEC/IPC standard J-STD-20b. The temperature classification
(TC) for the module is 245° C.

Version 2.1 DHAN-J Module Supplementary Info
February 27, 2018 DSP Group Confidential 17/19
8. Supplementary Information
Labeling (appended to the module shield)
1) Year
2) Week
3) 6-digit serial#
4) HW Version
5) SW Version
Handling Guidance
This module includes highly sensitive electronic circuity. Handling without proper ESD protection may damage the
module permanently.

Version 2.1 DHAN-J Module Supplementary Info
February 27, 2018 DSP Group Confidential 18/19
FCC & IC Interference Statement
This device complies with part 15 of the FCC rules and RSS-213 of Industry Canada. Operation is subject to
the following two conditions: (1) this device may not cause harmful interference, and (2) this device must
accept any interference received, including interference that may cause undesired operation.
Le présent appareil est conforme aux CNR d'Industrie Canada applicables aux appareils radio exempts de
licence. L'exploitation est autorisée aux deux conditions suivantes : (1) l'appareil ne doit pas produire de
brouillage, et (2) l'utilisateur de l'appareil doit accepter tout brouillage radioélectrique subi, même si le
brouillage est susceptible d'en compromettre le fonctionnement.
This Class B digital apparatus complies with Canadian ICES-003.
Cet appareil numérique de la classe B est conforme à la norme NMB-003 du Canada.
NOTE: The manufacturer is not responsible for any radio or TV interference caused by unauthorized
modifications to this equipment. Such modifications could void the user’s authority to operate the
equipment.
NOTE: This equipment has been tested and found to comply with the limits for a Class B digital device,
pursuant to part 15 of the FCC Rules. These limits are designed to provide reasonable protection against
harmful interference in a residential installation. This equipment generates uses and can radiate radio
frequency energy and, if not installed and used in accordance with the instructions, may cause harmful
interference to radio communications. However, there is no guarantee that interference will not occur in a
particular installation. If this equipment does cause harmful interference to radio or television reception,
which can be determined by turning the equipment off and on, the user is encouraged to try to correct the
interference by one or more of the following measures:
- Reorient or relocate the receiving antenna.
- Increase the separation between the equipment and receiver.
-Connect the equipment into an outlet on a circuit different from that to which the receiver is connected.
-Consult the dealer or an experienced radio/TV technician for help
- This device and its antenna(s) must not be co-located or operating in conjunction with any other antenna or
transmitter
Declaration of Conformance (DOC)
The full text of the EU Declaration of Conformity is available at the following internet address:
www.dspg.com.hk
IPEI and EMC
Each DHAN-J Module is shipped to the customer with a unique IPEI – its DECT identity.
DHAN-J will ship with an “EMC” of 0xFEB. This is the DSP Group “generic” EMC. The EMC setting identifies a
Device as belonging to a specific group of ULE Devices/Hubs that utilize some proprietary signaling.
In either case, the customer is free to re-program these parameters.

Version 2.1 DHAN-J Module Supplementary Info
February 27, 2018 DSP Group Confidential 19/19
Ordering Information
Part #: DHX91MDMCFCE7AMI
Change Log
Table 8-1: List of Changes
REVISION DATE DESCRIPTION
1.0 June 7, 2017 Baseline release
2.0 February 8,
2018
* Add ESD warning
* Add FCC declarations
2.1 February 27,
2018
* Add reference to the EU Declaration of Conformance
* Modify label on shield with FCC/IC/CE info
ORIGINALEQUIPMENTMANUFACTURER(OEM)NOTES
TheOEMmustcertifythefinalendproducttocomplywithunintentionalradiators(FCCSections15.107and
15.109)beforedeclaringcomplianceofthefinalproducttoPart15oftheFCCrulesandregulations.Integration
intodevicesthataredirectlyorindirectlyconnectedtoAClinesmustaddwithClassIIPermissiveChange.
TheOEMmustcomplywiththeFCClabelingrequirements.Ifthemodule’slabelisnotvisiblewheninstalled,
thenanadditionalpermanentlabelmustbeappliedontheoutsideofthefinishedproductwhichstates:
“ContainstransmittermoduleFCCID: Additionally,thefollowingstatementshouldbeincluded
onthelabelandinthefinalproduct’susermanual:“ThisdevicecomplieswithPart15oftheFCCRules.
Operationissubjecttothefollowingtwoconditions:(1)Thisdevicemaynotcauseharmfulinterferences,and
(2)thisdevicemustacceptanyinterferencereceived,includinginterferencethatmaycauseundesired
operation.”
Themoduleislimitedtoinstallationinmobileorfixedapplications.Separateapprovalisrequiredforallother
operatingconfigurations,includingportableconfigurationwithrespecttoPart2.1093anddifferentantenna
configurations.
Amoduleormodulescanonlybeusedwithoutadditionalauthorizationsiftheyhavebeentestedandgranted
underthesameintendedend‐useoperationalconditions,includingsimultaneoustransmissionoperations.
Whentheyhavenotbeentestedandgrantedinthismanner,additionaltestingand/orFCCapplicationfiling
mayberequired.Themoststraightforwardapproachtoaddressadditionaltestingconditionsistohavethe
granteeresponsibleforthecertificationofatleastoneofthemodulessubmitapermissivechangeapplication.
Whenhavingamodulegranteefileapermissivechangeisnotpracticalorfeasible,thefollowingguidance
providessomeadditionaloptionsforhostmanufacturers.Integrationsusingmoduleswhereadditionaltesting
and/orFCCapplicationfiling(s)mayberequiredare:(A)amoduleusedindevicesrequiringadditionalRF
exposurecomplianceinformation(e.g.,MPEevaluationorSARtesting);(B)limitedand/orsplitmodulesnot
meetingallofthemodulerequirements;and(C)simultaneoustransmissionsforindependentcollocated
transmittersnotpreviouslygrantedtogether.
This Module is full modular approval, it is limited to OEM installation ONLY.
Integration into devices that are directly or indirectly connected to AC lines must add with Class II Permissive Change.
(OEM) Integrator has to assure compliance of the entire end product incluld the integrated Module.
Additional measurements (15B) and/or equipment authorizations (e.g Verification) may need to be addressed
depending on co-location or simultaneous transmission issues if applicable.
(OEM) Integrator is reminded to assure that these installation instructions will not be made available to the end user
of the final host device.
2AOUK-DHANJ
.
IC labeling requirement for the final end product:
The final end product must be labeled in a visible area with the following “Contains IC: 23573-DHANJ”
The Host Marketing Name (HMN) must be indicated at any location on the exterior of the host product
or product packaging or product literature, which shall be available with the host product or online.
This equipment complies with FCC radiation exposure limits set forth for an uncontrolled
environment. This equipment should be installed and operated with minimum distance of 20 cm
between the radiator and your body.
This equipment complies with IC radiation exposure limits set forth for an uncontrolled
environment. This equipment should be installed and operated with minimum distance of 20 cm
between the radiator and your body.
Cet équipement est conforme aux limites d’exposition aux rayonnements de la IC établies pour un
environnement non contrôé. Cet équipement doit être installé et fonctionner à au moins 20 cm de
distance d’un radiateur ou de votre corps.
