Delta Electronics orporated DFZM-E8210 ZigBee Module User Manual DFZM E82xx S2
Delta Electronics Incorporated ZigBee Module DFZM E82xx S2
Users Manual

DFZM-E82xx
Data Sheet Sheet 1 of 41 Dec 31, 2013
Proprietary Information and Specifications are Subject to Change
Data sheet
DFZM-E82xx
An IEEE 802.15.4 System–On-Chip ZigBee
module

DFZM-E82xx
Data Sheet Sheet 2 of 41 Dec 31, 2013
Proprietary Information and Specifications are Subject to Change
Contents
1.Features ............................................................................................................................................... 4
2.ZigBee Model No. Definition ............................................................................................................. 6
3.Architecture ......................................................................................................................................... 7
3-1.Block Diagram .............................................................................................................................. 7
3-2.Block Diagram Description .......................................................................................................... 8
3-2-1.Overview ........................................................................................................................... 8
3-2-2.CPU and Memory .............................................................................................................. 8
3-2-3.Clocks and Power Management ...................................................................................... 10
3-2-4.Peripherals ....................................................................................................................... 12
4.Pin-out and Signal Description ......................................................................................................... 15
4-1.Device Pin-out Diagram (Module top view) .............................................................................. 15
4-2.Module Pins Description ............................................................................................................ 16
5.Electrical Characteristics .................................................................................................................. 23
5-1.Absolute Maximum Rating......................................................................................................... 23
5-2.Recommended Operating Conditions ......................................................................................... 23
5-3.Power Consumption.................................................................................................................... 24
5-4.Digital I/O and nRESET Pin Specifications ............................................................................... 25
5-5.Wake-up and Timing ................................................................................................................... 26
5-6.Radio Parameters ........................................................................................................................ 27
5-7.ADC Parameters ......................................................................................................................... 28
6.Package and Layout Guidelines ........................................................................................................ 29
6-1.Recommended PCB Footprint and Dimensions ......................................................................... 29
6-2.Layout Guidelines ....................................................................................................................... 32
6-2-1.Surface Mount Assembly ................................................................................................ 33
6-3.Recommended Stencil Aperture ................................................................................................. 35
7.Ordering Information ........................................................................................................................ 36
8.Package ............................................................................................................................................. 36
8-1.Information of carrier tape direction&packaging dimension ..................................................... 36
8-2.Reel dimension ........................................................................................................................... 38
8-3.Total Package .............................................................................................................................. 39

DFZM-E82xx
Data Sheet Sheet 3 of 41 Dec 31, 2013
Proprietary Information and Specifications are Subject to Change
Revision History
Version Date Reason of change Maker
0.1 2013/12/31 Initial release Monch
0.2 2014/06/27
1. Add RF exposure warning statement including FCC
statement.
2. Modify 5.6 Radio Parameter for DFZM-E821x .
Monch

DFZM-E82xx
Data Sheet Sheet 4 of 41 Dec 31, 2013
Proprietary Information and Specifications are Subject to Change
DFZM-E82xx
IEEE802.15.4 System-On-Chip ZigBee Module
HIS DOCUMENT describes the DFZM-E82xx ZigBee module hardware specification. The EM3587
based modules provide cost effective, low power, and flexible platform to add ZigBee connectivity
for embedded devices for a variety of applications, such as wireless sensors、energy and security
monitoring、building( or home ) automation and control . It combines 32-bit ARM Cortex-M3 processor,
in-system programable flash memory, 64-KB RAM, 512KB flash memory and off module certified
antenna options, and various RF front end options for end customer range needs in order to provide a
ZigBee and regulatory certified. The module has various operating modes, making it highly suit for
system where ultralow power consumption is required. Short transition times between operating modes
further ensure low energy consumption.
1. Features
► Family of modules with different antenna and output power options:
DFZM-E82xx 27 mm by 16 mm by 3.3 mm (Length * Width * Height) 28-pin Dual Flat pack PCB
Surface Mount Package.
DFZM-E8220, DFZM-E8221, DFZM-E8210, and DFZM-E8211 are all pin to pin compatible (see
section 7 Ordering Information), and the user has to account only for power consumption for various
end applications.
Simple API for embedded markets covering large areas of applications.
► Compliant with IEEE 802.15.4-2003 and regulatory domains:
RoHS compliant.
► Microcontroller:
Industry-leading ARM Cortex-M3 processor.
512KB Flash with optional read protection.
64KB RAM memory.
T

DFZM-E82xx
Data Sheet Sheet 5 of 41 Dec 31, 2013
Proprietary Information and Specifications are Subject to Change
Flexible nested vectored interrupt controller.
► Interfaces:
Internal antenna or external antenna options.
Flexible ADC, UART/SPI/TWI serial communications, and general purpose timers.
Up to 24 configurable general purpose I/Os.
Single voltage operation: 2.1~3.6V
► Embedded RTC (Real Time Clock) can run directly from battery.

DFZM-E82xx
Data Sheet Sheet 6 of 41 Dec 31, 2013
Proprietary Information and Specifications are Subject to Change
2. ZigBee Model No. Definition
D F Z M - E 8 2 2 0 -DT0 R
1= High Power
2= Low Power
E=Pb free
R=RoHS
N=NG
L=Process with Lead
Customer code
Antenna Version
Free-lead
Power Version
Frequency
M= Module
Z= ZigBee
F= FR4
D= DELTA
2= 2.4GHz
Chip Vendor
Product-type
Property
Substrate
Company
E=Ember(Silicon Labs)
0= External Antenna
1=PCB printed Antenna
DT= Delta Define
Chip Type 8=EM3587
0~9 then A~Z
Serial no.

DFZM-E82xx
Data Sheet Sheet 7 of 41 Dec 31, 2013
Proprietary Information and Specifications are Subject to Change
3. Architecture
3-1.Block Diagram
Figure 3-1: DFZM-E822x Block Diagram
Figure 3-2: DFZM-E821x Block Diagram
SE2432L
ANT 24M X’tal
VCC
Digital I/O

DFZM-E82xx
Data Sheet Sheet 8 of 41 Dec 31, 2013
Proprietary Information and Specifications are Subject to Change
3-2.Block Diagram Description
3-2-1.Overview
DFZM-E82xx module is a highly integrated ZigBee system-on-chip (SOC) that contains the following:
The module includes Silicon Labs EM3587 SoC, which contains CPU- and memory-related,
peripherals-related, clocks and power management-related in a single package.
The module features an IEEE802.15.4-compliant radio transceiver with onboard 24 MHz crystal circuitries,
RF, and certified antenna or external antenna options.
o The low power module option has a capability of +8dBm output power at the antenna (see Figure
3-1).
o The high power module option has a capability of +18.5dBm output power at the antenna (see
Figure 3-2).
Variety of interfaces are available such as UART, SPI, TIMER, ADC, Operational amperifier and GPIO.
DFZM-E82xx contains single power supply (VCC).
3-2-2.CPU and Memory
The EM3587 integrates the ARM® Cortex-M3 microprocessor. The ARM® Cortex-M3 is an advanced 32-bit
modified Harvard architecture processor that has separate internal program and data buses, but presents a unified
program and data address space to software. The word width is 32 bits for both the program and data sides. The
ARM® Cortex-M3 allows unaligned word and half-word data accesses to support efficiently-packed data
structures.
The ARM® Cortex-M3 clock speed is configurable to 6 , 12 , or 24 MHz. For normal operation 24 MHz is
preferred over 12 MHz due to improved performance for all applications and improved duty cycling for
applications using sleep modes. The 6 MHz operation can only be used when radio operations are not required
since the radio requires an accurate 12 MHz clock.
The ARM® Cortex-M3 in the EM3587 has also been enhanced to support two separate memory protection levels.
Basic protection is available without using the MPU, but normal operation uses the MPU. The MPU allows for
protecting unimplemented areas of the memory map to prevent common software bugs from interfering with
software operation. The architecture could also allow for separation of the networking stack from the application
code using a fine granularity RAM protection module. Errant writes are captured and details are reported to the

DFZM-E82xx
Data Sheet Sheet 9 of 41 Dec 31, 2013
Proprietary Information and Specifications are Subject to Change
developer to assist in tracking down and fixing issues. Figure 3.3 shows the EM357 ARM® Cortex-M3 memory
map.
Figure 3-3: DFZM-E82xx memory map

DFZM-E82xx
Data Sheet Sheet 10 of 41 Dec 31, 2013
Proprietary Information and Specifications are Subject to Change
3-2-3.Clocks and Power Management
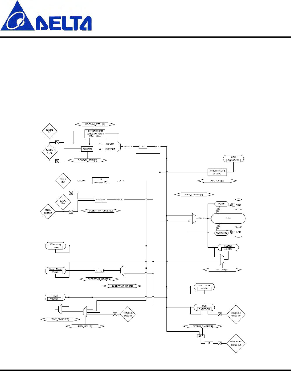
The DFZM-E82xx integrates three oscillators:
12 MHz RC oscillator
24 MHz crystal oscillator
10 kHz RC oscillator
Figure 3-4 shows a block diagram of the clocks in the DFZM-E82xx. This simplified view shows all the clock
sources and the general areas of the chip to which they are routed
Figure 3-4: DFZM-E82xx block diagram of the clocks

DFZM-E82xx
Data Sheet Sheet 11 of 41 Dec 31, 2013
Proprietary Information and Specifications are Subject to Change
The DFZM-E82xx’s power management system is designed to achieve the lowest deep sleep current consumption
possible while still providing flexible wakeup sources, timer activity, and debugger operation. The DFZM-E82xx
has four main sleep modes:
Idle Sleep: Puts the CPU into an idle state where execution is suspended until any interrupt occurs. All power
domains remain fully powered and nothing is reset.
Deep Sleep 1: The primary deep sleep state. In this state, the core power domain is fully powered down and
the sleep timer is active.
Deep Sleep 2: The same as Deep Sleep 1 except that the sleep timer is inactive to save power. In this mode the
sleep timer cannot wake up the DFZM-E82xx.
Deep Sleep 0 (also known as Emulated Deep Sleep): The chip emulates a true deep sleep without powering
down the core domain. Instead, the core domain remains powered and all peripherals except the system debug
components (ITM, DWT, FPB, NVIC) are held in reset. The purpose of this sleep state is to allow DFZM-E82xx
software to perform a deep sleep cycle while maintaining debug configuration such as breakpoints.
The power management state diagram in Figure 3-5 shows the basic operation of the power management
controller.
Figure 3-5: DFZM-E82xx power management state diagram

DFZM-E82xx
Data Sheet Sheet 12 of 41 Dec 31, 2013
Proprietary Information and Specifications are Subject to Change
3-2-4.Peripherals
The DFZM-E82xx has 24 multipurpose GPIO pins, which may be individually configured as:
General purpose output
General purpose open-drain output
Alternate output controlled by a peripheral device
Alternate open-drain output controlled by a peripheral device
Analog
General purpose input
General purpose input with pull-up or pull-down resistor
The GPIO signal assignments are shown in Table 3-1.
GPIO Analog Alternate Output Input Output Current Drive
PA0 TIM2C31, SC2MOSI TIM2C31, SC2MOSI Standard
PA1 TIM2C31, SC2MISO, SC2SDA TIM2C31, SC2MISO, SC2SDA Standard
PA2 TIM2C41, SC2SCLK, SC2SCL TIM2C41, SC2SCLK, SC2SCL Standard
PA3 TIM2C21 TIM2C21, SC2nSSEL Standard
PA4 ADC4 PTI_EN, TRACEDATA2 Standard
PA5 ADC5 PTI_DATA, TRACEDATA3 nBOOTMODE2 Standard
PA6 TIM1C3 TIM1C3 High
PA7 TIM1C4, REG_EN3 TIM1C4 High
PB0 VREF TRACEDATA2 TRACEDATA2, TIM2MSK,
IRQA,TIM1CLK Standard
PB1
TIM2C14, SC1TXD, SC1MOSI,
SC1MISO, SC1SDA TIM2C14, SC1SDA Standard
PB2 TIM2C24, SC1SCL TIM2C24, SC1MISO, SC1MOSI,
SC1SCL, SC1RXD Standard
PB3 TIM2C34, SC1SCLK TIM2C34, SC1SCLK, SC1nCTS Standard
PB4 TIM2C44, SC1nRTS TIM2C44, SC1nSSEL Standard
PB5 ADC0 TIM2CLK, TIM1MSK Standard
PB6 ADC1 TIM1C1 TIM1C1, IRQB High
PB7 ADC2 TIM1C2 TIM1C2, IRQC High

DFZM-E82xx
Data Sheet Sheet 13 of 41 Dec 31, 2013
Proprietary Information and Specifications are Subject to Change
PC0 TRACEDATA1 JRST, IRQD High
PC1 ADC3 TRACEDATA3 Standard
PC2 JTDO6, SWO , TRACEDATA0 Standard
PC3 TRACECLK JTDI5 , TRACECLK Standard
PC4 SWDIO7 SWDIO7, JTMS7 Standard
PC5 TX_ACTIVE Standard
Notes:
1.Default signal assignment (not remapped).
2. Overrides during reset as an input with pull up.
3. Overrides after reset as an open-drain output.
4. Alternate signal assignment (remapped).
5. Overrides in JTAG mode as a input with pull up.
6. Overrides in JTAG mode as a push-pull output.
7. Overrides in Serial Wire mode as either a push-pull output, or a floating input, controlled by the debugger.
Table 3-1: DFZM-E82xx GPIO signal assignments
The DFZM-E82xx has two serial controllers, SC1 and SC2, which provide several options for full-duplex
synchronous and asynchronous serial communications.
SPI (Serial Peripheral Interface), master or slave
TWI (Two Wire serial Interface), master only
UART (Universal Asynchronous Receiver/Transmitter), SC1 only
Receive and transmit FIFOs and DMA channels, SPI and UART modes
Before using a serial controller, configure and initialize it as follows:
1. Set up the parameters specific to the operating mode (master/slave for SPI, baud rate for UART, etc.).
2. Configure the GPIO pins used by the serial controller as shown in Tables 3-2 and 3-3.
3. If using DMA, set up the DMA and buffers.
4. If using interrupts, select edge- or level-triggered interrupts with the SCx_INTMODE register, enable the
desired second-level interrupt sources in the INT_SCxCFG register, and finally enable the top-level SCx interrupt
in the NVIC.
5. Write the serial interface operating mode (SPI, TWI, or UART) to the SCx_MODE register

DFZM-E82xx
Data Sheet Sheet 14 of 41 Dec 31, 2013
Proprietary Information and Specifications are Subject to Change
PB1 PB2 PB3 PB4
SPI-Master SC1MOSI Alternate
Output SC1MISO Input SC1SCLK Alternate
Output (not used)
SPI-Slave SC1MISO Alternate
Output SC1MOSI Input SC1SCLK Input SC1nSSEL Input
TWI-Master SC1SDA Alternate
Output (open-drain)
SC1SCL Alternate
Output (open-drain) (not used) (not used)
UART TXD Alternate Output RXD Input SC1nCTS Input SC1nRTS Alternate
Output
Table 3-2: DFZM-E82xx SC1 GPIO Usage and Configuration
PA0 PA1 PA2 PA3
SPI-Master SC2MOSI Alternate
Output SC2MISO Input SC2SCLK Alternate
Output (not used)
SPI-Slave SC2MOSI Input SC2MISO Alternate
Output SC2SCLK Input SC2nSSEL Input
TWI-Master (not used) SC2SDA Alternate
Output (open-drain)
SC2SCL Alternate
Output (open-drain) (not used)
Table 3-3: DFZM-E82xx SC2 GPIO Usage and Configuration

DFZM-E82xx
Data Sheet Sheet 15 of 41 Dec 31, 2013
Proprietary Information and Specifications are Subject to Change
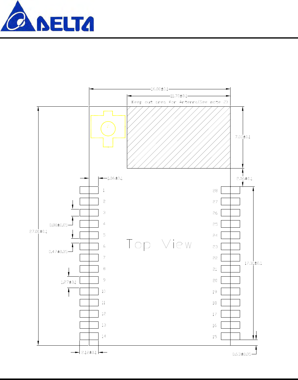
4. Pin-out and Signal Description
4-1.Device Pin-out Diagram (Module top view)
Figure 4-1: DFZM-E82xx Device Pin-out Diagram (Module top view)

DFZM-E82xx
Data Sheet Sheet 16 of 41 Dec 31, 2013
Proprietary Information and Specifications are Subject to Change
4-2.Module Pins Description
Pins Name Pin Type Description
1 GND Ground Ground
2
PC5 I/O Digital I/O(Not available for DFZM-E821X-DT0R)
TX_ACTIVE O
Logic-level control for external Tx/Rx switch .The EM358 baseband controls Tx active
and drives it high(VDD_PADS) when in Tx mode. Select alternate output function with
GPIO_PCCFGH[7:4].
3 nRESET I Active low chip reset(internal pull-up)
4
PA7 I/O Digital I/O, High current, Disable REG_EN with GPIO_DBGCFG[4]
TIM1C4 O
Timer 1 Channel 4 output, Enable timer output with TIM1_CCER
Select alternate output function with GPIO_PACFGH[15:12]
Disable REG_EN with GPIO_DBGCFG[4]
TIM1C4 I Timer 1 Channel 4 input, Cannot be remapped
REG_EN O External regulator open drain output, Enabled after reset
5
PB3 I/O Digital I/O
TIM2C3 O
Timer 2 channel 3 output, Enable remap with TIM2_OR[6]
Enable timer output in TIM2_CCER
Select alternate output function with GPIO_PBCFGL[15:12]
TIM2C3 I Timer 2 channel 3 input, Enable remap with TIM2_OR[6]
SC1nCTS I
UART CTS handshake of Serial Controller 1
Enable with SC1_UARTCFG[5], Select UART with SC1_MODE
SC1SCLK O
SPI master clock of Serial Controller 1
Either disable timer output in TIM2_CCER, or disable remap with TIM2_OR[6]
Enable master with SC1_SPICFG[4], Select SPI with SC1_MODE
Select alternate output function with GPIO_PBCFGL[15:12]
SC1SCLK I
SPI slave clock of Serial Controller 1
Enable slave with SC1_SPICFG[4], Select SPI with SC1_MODE
6
PB4 I/O Digital I/O
TIM2C4 O
Timer 2 channel 4 output, Enable remap with TIM2_OR[7]
Enable timer output in TIM2_CCER

DFZM-E82xx
Data Sheet Sheet 17 of 41 Dec 31, 2013
Proprietary Information and Specifications are Subject to Change
Select alternate output function with GPIO_PBCFGH[3:0]
TIM2C4 I Timer 2 channel 4 input, Enable remap with TIM2_OR[7]
SC1nRTS O
UART RTS handshake of Serial Controller 1
Either disable timer output in TIM2_CCER,or disable remap with TIM2_OR[7]
Enable with SC1_UARTCFG[5], Select UART with SC1_MODE
Select alternate output function with GPIO_PBCFGH[3:0]
SC1nSSEL I
SPI slave select of Serial Controller 1
Enable slave with SC1_SPICFG[4], Select SPI with SC1_MODE
7
PA0 I/O Digital I/O
TIM2C1 O
Timer 2 channel 1 output, Disable remap with TIM2_OR[4]
Enable timer output in TIM2_CCER
Select alternate output function with GPIO_PACFGL[3:0]
TIM2C1 I Timer 2 channel 1 input, Disable remap with TIM2_OR[4]
SC2MOSI O
SPI master data out of Serial Controller 2
Either disable timer output in TIM2_CCER, or enable remap with TIM2_OR[4]
Enable master with SC2_SPICFG[4], Select SPI with SC2_MODE
Select alternate output function with GPIO_PACFGL[3:0]
SC2MOSI I
SPI slave data in of Serial Controller 2
Enable slave with SC2_SPICFG[4], Select SPI with SC2_MODE
8
PA1 I/O Digital I/O
TIM2C3 O
Timer 2 channel 3 output, Disable remap with TIM2_OR[6]
Enable timer output in TIM2_CCER
Select alternate output function with GPIO_PACFGL[7:4]
TIM2C3 I Timer 2 channel 3 input, Disable remap with TIM2_OR[6]
SC2SDA I/O
TWI data of Serial Controller 2, Either disable timer output in TIM2_CCER,
or enable remap with TIM2_OR[6], Select TWI with SC2_MODE
Select alternate open-drain output function with GPIO_PACFGL[7:4]
SC2MISO O
SPI slave data out of Serial Controller 2, Either disable timer output in TIM2_CCER,
or enable remap with TIM2_OR[6], Enable slave with SC2_SPICFG[4],
Select SPI with SC2_MODE, Select alternate output function with GPIO_PACFGL[7:4]
SC2MISO I SPI master data in of Serial Controller 2

DFZM-E82xx
Data Sheet Sheet 18 of 41 Dec 31, 2013
Proprietary Information and Specifications are Subject to Change
Enable slave with SC2_SPICFG[4], Select SPI with SC2_MODE
9
PA2 I/O Digital I/O
TIM2C4 O
Timer 2 channel 4 output
Disable remap with TIM2_OR[7], Enable timer output in TIM2_CCER
Select alternate output function with GPIO_PACFGL[11:8]
TIM2C4 I Timer 2 channel 4 input, Disable remap with TIM2_OR[7]
SC2SCL I/O
TWI clock of Serial Controller 2, Either disable timer output in TIM2_CCER,
or enable remap with TIM2_OR[7], Select TWI with SC2_MODE
Select alternate open-drain output function with GPIO_PACFGL[11:8]
SC2SCLK O
SPI master clock of Serial Controller 2
Either disable timer output in TIM2_CCER, or enable remap with TIM2_OR[7]
Enable master with SC2_SPICFG[4], Select SPI with SC2_MODE
Select alternate output function with GPIO_PACFGL[11:8]
SC2SCLK I
SPI slave clock of Serial Controller 2
Enable slave with SC2_SPICFG[4], Select SPI with SC2_MODE
10
PA3 I/O Digital I/O
SC2nSSEL I
SPI slave select of Serial Controller 2
Enable slave with SC2_SPICFG[4], Select SPI with SC2_MODE
TIM2C2 O
Timer 2 channel 2 output
Disable remap with TIM2_OR[5], Enable timer output in TIM2_CCER
Select alternate output function with GPIO_PACFGL[15:12]
TIM2C2 I Timer 2 channel 2 input, Disable remap with TIM2_OR[5]
11
PA4 I/O Digital I/O
ADC4 Analog ADC Input 4, Select analog function with GPIO_PACFGH[3:0]
PTI_EN O
Frame signal of Packet Trace Interface (PTI)
Disable trace interface in ARM core, Enable PTI in Ember software
Select alternate output function with GPIO_PACFGH[3:0]
TRACEDATA2 O
Synchronous CPU trace data bit 2
Select 4-wire synchronous trace interface in ARM core
Enable trace interface in ARM core
Select alternate output function with GPIO_PACFGH[3:0]

DFZM-E82xx
Data Sheet Sheet 19 of 41 Dec 31, 2013
Proprietary Information and Specifications are Subject to Change
12
PA5 I/O Digital I/O
ADC5 Analog ADC Input 5, Select analog function with GPIO_PACFGH[7:4]
PTI_DATA O
Data signal of Packet Trace Interface (PTI)
Disable trace interface in ARM core, Enable PTI in Ember software
Select alternate output function with GPIO_PACFGH[7:4]
nBOOTMODE I
Activate FIB monitor instead of main program or bootloader when coming out of reset.
Signal is active during and immediately after a reset on nRESET.
TRACEDATA3 O
Synchronous CPU trace data bit 3
Select 4-wire synchronous trace interface in ARM core
Enable trace interface in ARM core
Select alternate output function with GPIO_PACFGH[7:4]
13
PA6 I/O Digital I/O, High current
TIM1C3 O
Timer 1 channel 3 output, Enable timer output in TIM1_CCER
Select alternate output function with GPIO_PACFGH[11:8]
TIM1C3 I Timer 1 channel 3 input, Cannot be remapped
14 GND Ground Ground
15 VCC Power Power Supply Input
16
PB1 I/O Digital I/O
SC1MISO O
SPI slave data out of Serial Controller 1
Either disable timer output in TIM2_CCER, or disable remap with TIM2_OR[4]
Select SPI with SC1_MODE, Select slave with SC1_SPICR
Select alternate output function with GPIO_PBCFGL[7:4]
SC1MOSI O
SPI master data out of Serial Controller 1
Either disable timer output in TIM2_CCER, or disable remap with TIM2_OR[4]
Select SPI with SC1_MODE, Select master with SC1_SPICR
Select alternate output function with GPIO_PBCFGL[7:4]
SC1SDA I/O
TWI data of Serial Controller 1, Either disable timer output in TIM2_CCER,
or disable remap with TIM2_OR[4], Select TWI with SC1_MODE
Select alternate open-drain output function with GPIO_PBCFGL[7:4]
SC1TXD O
UART transmit data of Serial Controller 1
Either disable timer output in TIM2_CCER, or disable remap with TIM2_OR[4]

DFZM-E82xx
Data Sheet Sheet 20 of 41 Dec 31, 2013
Proprietary Information and Specifications are Subject to Change
Select UART with SC1_MODE
Select alternate output function with GPIO_PBCFGL[7:4]
TIM2C1 O
Timer 2 channel 1 output
Enable remap with TIM2_OR[4], Enable timer output in TIM2_CCER
Select alternate output function with GPIO_PACFGL[7:4]
TIM2C1 I Timer 2 channel 1 input, Disable remap with TIM2_OR[4]
17
PB2 I/O Digital I/O
SC1MISO I
SPI master data in of Serial Controller 1
Select SPI with SC1_MODE, Select master with SC1_SPICR
SC1MOSI I
SPI slave data in of Serial Controller 1
Select SPI with SC1_MODE, Select slave with SC1_SPICR
SC1SCL I/O
TWI clock of Serial Controller 1, Either disable timer output in TIM2_CCER,
or disable remap with TIM2_OR[5], Select TWI with SC1_MODE
Select alternate open-drain output function with GPIO_PBCFGL[11:8]
SC1RXD I UART receive data of Serial Controller 1, Select UART with SC1_MODE
TIM2C2 O
Timer 2 channel 2 output
Enable remap with TIM2_OR[5], Enable timer output in TIM2_CCER
Select alternate output function with GPIO_PBCFGL[11:8]
TIM2C2 I Timer 2 channel 2 input, Enable remap with TIM2_OR[5]
18
SWCLK I/O
Serial Wire clock input/output with debugger
Selected when in Serial Wire mode (see JTMS description, Pin 35)
JTCK I
JTAG clock input from debugger
Selected when in JTAG mode (default mode, see JTMS description, Pin 35)
Internal pull-down is enabled
19
PC2 I/O Digital I/O, Enable with GPIO_DBGCFG[5] and GPIO_PCCFGH[1] clear
JTDO O
JTAG data out to debugger
Selected when in JTAG mode (default mode, see JTMS description, Pin 35)
SWO O
Serial Wire Output asynchronous trace output to debugger
Select asynchronous trace interface in ARM core, Enable trace interface in ARM core
Select alternate output function with GPIO_PCCFGL[11:8]
Enable Serial Wire mode (see JTMS description, Pin 35), Internal pull-up is enabled

DFZM-E82xx
Data Sheet Sheet 21 of 41 Dec 31, 2013
Proprietary Information and Specifications are Subject to Change
TRACEDATA0 O
Synchronous CPU trace data bit 3 , Select 4-wire synchronous trace interface in ARM
core , Enable trace interface in ARM core , Select alternate output function with
GPIO_PCCFGL[11:8].
20
PC3 I/O
Digital I/O, Either Enable with GPIO_DBGCFG[5]
or enable Serial Wire mode (see JTMS description)
JTDI I
JTAG data in from debugger
Selected when in JTAG mode (default mode, see JTMS description, Pin 35)
Internal pull-up is enabled
TRACECLK O
Synchronous CPU trace clock , Enable trace interface in ARM core , Select alternate
output function with GPIO_PCCFGL[15:12].
21
PC4 I/O Digital I/O, Enable with GPIO_DBGCFG[5]
JTMS I
JTAG mode select from debugger, Selected when in JTAG mode (default mode)
JTAG mode is enabled after power-up or by forcing nRESET low
Select Serial Wire mode using the ARM-defined protocol through a debugger
Internal pull-up is enabled
SWDIO I/O
Serial Wire bidirectional data to/from debugger
Enable Serial Wire mode (see JTMS description)
Select Serial Wire mode using the ARM-defined protocol through a debugger
Internal pull-up is enabled
22
PB0 I/O Digital I/O(Not available for DFZM-E821X-DT0R)
VREF Analog O ADC reference output, Enable analog function with GPIO_PBCFGL[3:0]
VREF Analog I
ADC reference input, Enable analog function with GPIO_PBCFGL[3:0]
Enable reference output with an Ember system function
IRQA I External interrupt source A
TRACEDATA2 O
Synchronous CPU trace data bit 2
Select 4-wire synchronous trace interface in ARM core
Enable trace interface in ARM core,
Select alternate output function with GPIO_PCCFGL[3:0]
TIM1CLK I Timer 1 external clock input
TIM2MSK I Timer 2 external clock mask input
23 PC1 I/O Digital I/O

DFZM-E82xx
Data Sheet Sheet 22 of 41 Dec 31, 2013
Proprietary Information and Specifications are Subject to Change
ADC3 Analog ADC Input 3, Enable analog function with GPIO_PCCFGL[7:4]
TRACEDATA3 O
Synchronous CPU trace data bit 3
Select 1-, 2- or 4-wire synchronous trace interface in ARM core
Enable trace interface in ARM core
Select alternate output function with GPIO_PCCFGL[7:4]
24
PC0 I/O
Digital I/O, High current, Either enable with GPIO_DBGCFG[5]
or enable Serial Wire mode (see JTMS description, Pin 35) and disable TRACEDATA1
JRST I
JTAG reset input from debugger
Selected when in JTAG mode (default mode, see JTMS description) and
TRACEDATA1 is disabled, Internal pull-up is enabled
IRQD I Default external interrupt source D
TRACEDATA1 O
Synchronous CPU trace data bit 1
Select 2- or 4-wire synchronous trace interface in ARM core
Enable trace interface in ARM core,
Select alternate output function with GPIO_PCCFGL[3:0]
25
PB7 I/O Digital I/O, High current
ADC2 Analog ADC Input 2, Enable analog function with GPIO_PBCFGH[15:12]
IRQC I Default external interrupt source C
TIM1C2 O
Timer 1 channel 2 output, Enable timer output in TIM1_CCER
Select alternate output function with GPIO_PBCFGH[15:12]
TIM1C2 I Timer 1 channel 2 input, Cannot be remapped
26
PB6 I/O Digital I/O, High current
ADC1 Analog ADC Input 1, Enable analog function with GPIO_PBCFGH[11:8]
IRQB I External interrupt source B
TIM1C1 O
Timer 1 channel 1 output, Enable timer output in TIM1_CCER
Select alternate output function with GPIO_PBCFGH[11:8]
TIM1C1 I Timer 1 channel 1 input, Cannot be remapped
27
PB5 I/O Digital I/O(Not available for DFZM-E821X-DT0R)
ADC0 Analog ADC Input 0, Enable analog function with GPIO_PBCFGH[7:4]
TIM2CLK I Timer 2 external clock input
TIM1MSK I Timer 1 external clock mask input

DFZM-E82xx
Data Sheet Sheet 23 of 41 Dec 31, 2013
Proprietary Information and Specifications are Subject to Change
28 GND Ground Ground
5. Electrical Characteristics
5-1.Absolute Maximum Rating
Conditions beyond those cited in Table 5-1 may cause permanent damage to the DFZM-E72xx, and must be
avoided.
Parameter Minimum Maximum Unit
Supply voltage(VCC) -0.3 3.6 V
Storage temperature range -40 125 ºC
Voltage on any digitai I/O -0.3 VCC+0.3 V
Table 5-1: Absolute Maximum Ratings
5-2.Recommended Operating Conditions
Parameter Minimum Maximum Unit
Operating supply voltage(VCC) 2.1 3.6 V
Operating ambient temperature range(T
A
) -40 +85 ºC
Table 5-2: Recommended Operating Conditions

DFZM-E82xx
Data Sheet Sheet 24 of 41 Dec 31, 2013
Proprietary Information and Specifications are Subject to Change
5-3.Power Consumption
Test Conditions: TA=25 ºC, VCC=3.0V
Parameter Test conditions Mim Typ Max Unit
Deep Sleep Current
Quiescent current, internal RC oscillator
disabled 1
uA
Quiescent current, including internal RC
oscillator 1.25
uA
Simulated deep sleep (debug mode)
current With no debugger activity 500
uA
Reset Current
Quiescent current, nRESET asserted 2 3
mA
Processor and Peripheral Currents
ARM® Cortex-M3, RAM, and flash
memory
ARM® Cortex-M3 running at 24 MHz from crystal
oscillator Radio and all peripherals off 8.5
mA
ARM® Cortex-M3, RAM, and flash
memory sleep current
ARM® Cortex-M3 sleeping, CPU clock set to 12 MHz
from the crystal oscillator Radio and all peripherals off 7.5
mA
Serial controller current For each controller at maximum data rate 0.2
mA
General purpose timer current For each timer at maximum clock rate 0.25
mA
General purpose ADC current At maximum sample rate, DMA enabled 1.1
mA
RX Current
Radio receiver, MAC, and baseband ARM® Cortex-M3 sleeping, CPU clock set to 12 MHz 22
mA
Total RX current ( = IRadio receiver,
MAC and baseband, CPU + IRAM, and
Flash memory )
ARM® Cortex-M3 running at 24 MHz 26.5
31 mA
Boost mode total RX current ( = IRadio
receiver, MAC and baseband, CPU+
IRAM, and flash memory )
ARM® Cortex-M3 running at 24 MHz 28.5
mA

DFZM-E82xx
Data Sheet Sheet 25 of 41 Dec 31, 2013
Proprietary Information and Specifications are Subject to Change
TX current
Radio transmitter, MAC, and baseband max. power out (+3 dBm typical)
ARM® Cortex-M3 sleeping, CPU clock set to 12 MHz 26.0
mA
Total TX current ( = IRadio transmitter,
MAC and baseband, CPU + IRAM, and
flash memory)
maximum power setting (+8 dBm); ARM® Cortex-M3
running at 24 MHz
43.5 mA
maximum power setting (+18.5 dBm); ARM® Cortex-M3
running at 24 MHz
110 mA
Table 5-3: Poewr Consumption
5-4.Digital I/O and nRESET Pin Specifications
Test Conditions: TA=25 ºC, VCC=3.0V
Parameter Test conditions Min Typ Max Unit
Low Schmitt switching threshold VSWIL, Schmitt input threshold going from high to
low
0.42 x
VCC 0.5 x
VCC V
High Schmitt switching threshold VSWIH, Schmitt input threshold going from low to
high
0.62 x
VCC 0.80 x
VCC V
Input current for logic 0 IIL -0.5 uA
Input current for logic 1 IIH +0.5 uA
Input pull-up resistor value RIPU 24 29 34 kΩ
Input pull-down resistor value RIPD 24 29 34 kΩ
Output voltage for logic 0
VOL(IOL = 4 mA for standard pads, 8 mA for high
current pads) 0
0.18 x
VCC V
>85 °C VOL(IOL = 2 mA for standard pads, 4 mA
for high current pads) 0
0.18 x
VCC V
Output voltage for logic 1
VOH(IOH = 4 mA for standard pads, 8 mA for high
current pads)
0.82 x
VCC VCC V
>85 °C VOH(IOH = 2 mA for standard pads, 4 mA
for high current pads)
0.82 x
VCC VCC V
Output source current IOHS 4 mA

DFZM-E82xx
Data Sheet Sheet 26 of 41 Dec 31, 2013
Proprietary Information and Specifications are Subject to Change
Parameter Test conditions Min Typ Max Unit
(standard current pad)
Output sink current
(standard current pad) IOLS 4 mA
Output source current high current pad:
PA6, PA7, PB6, PB7, PC0 IOHH 8 mA
Output sink current high current pad:
PA6, PA7, PB6, PB7, PC0 IOLH 8 mA
Total output current (for I/O Pads) IOH + IOL 40 mA
Table 5-4: Digital I/O Specifications
Parameter Test conditions Min Typ Max Unit
Low Schmitt switching threshold VSWIL, Schmitt input threshold going from high to
low
0.42 x
VCC 0.5 x
VCC V
High Schmitt switching threshold VSWIH, Schmitt input threshold going from low to
high
0.62 x
VCC 0.68 x
VCC V
Input current for logic 0 IIL -0.5 uA
Input current for logic 1 IIH +0.5 uA
Input pull-up resistor value RIPU, Pull-up value while the chip is not reset 24 29 34 kΩ
Input pull-down resistor value RIPURESET, Pull-up value while the chip is reset 12 14.5 17 kΩ
Table 5-5: nRESET pin Specifications
5-5.Wake-up and Timing
Test Conditions: TA=25 ºC, VCC=3.0V
Parameter Test conditions Min Typ Max Unit
System wake time from deep sleep From wakeup event to first ARM® Cortex-M3 instruction
running from 6 MHz internal RC clock Includes supply ramp 110 us

DFZM-E82xx
Data Sheet Sheet 27 of 41 Dec 31, 2013
Proprietary Information and Specifications are Subject to Change
Parameter Test conditions Min Typ Max Unit
time and oscillator startup time
Shutdown time going into deep sleep From last ARM® Cortex-M3 instruction to deep sleep mode 5 us
Table 5-6: Wake-up and Timing
5-6.Radio Parameters
Test Conditions: TA=25 ºC, VCC=3.0V
Parameter Min Typ Max Unit Notes
RF Frequency range 2400 2500 MHz
TX/RX specification for DFZM-E822x
Output power(boost mode) 1 8 dBm
Output power -3 5 dBm
Error vector magnitude (EVM) 5 15 %
Frequency error tolerance -30 0 30 ppm
Receiver sensitivity(boost mode) -102 -96 dBm PER = 1%
Receiver sensitivity -100 -94 dBm PER = 1%
Saturation(Maximum input level) 0 dBm PER = 1%,
TX/RX specification for DFZM-E821x
Output power 16 17.5 23 dBm
Error vector magnitude (EVM) 5 15 %
Frequency error tolerance -30 0 30 ppm
Receiver sensitivity(boost mode) -102 -96 dBm PER = 1%,
Saturation(Maximum input level) 0 dBm PER = 1%,
Table 5-7: Radio Parameters

DFZM-E82xx
Data Sheet Sheet 28 of 41 Dec 31, 2013
Proprietary Information and Specifications are Subject to Change
5-7.ADC Parameters
Test Conditions: TA=25 ºC, VCC=3.0V
Parameter Min Typ Max Unit
VREF 1.17 1.2 1.23
V
VREF output current 1
mA
VREF load capacitance 10
nF
External VREF voltage range 1.1 1.2 1.3
V
External VREF input impedance 1
MΩ
Minimum input voltage 0
V
Maximum input vlotage VREF
V
Single-ended signal range 0 VREF
V
Differential signal range -VREF +VREF
V
Common mode range 0 VREF
V
Input referred ADC offset -10 10
mV
Input Impedence
1MHz sample clock
6MHz sample clock
Not sample
1
0.5
10
MΩ
*Note: The signal-ended ADC measurements are limited in their range and only guaranteed for
accuracy within the limits shown in this table. The ADC's internal design allows for
measurements outside of this range (±200 mV), but the accuracy of such measurements is not
guaranteed. The maximum input voltage is of more interest to the differential sampling where a
differential measurement might be small, but a common mode can push the actual input voltage
on one of the signals towards the upper voltage limit.
Table 5-8: ADC Parameters

DFZM-E82xx
Data Sheet Sheet 29 of 41 Dec 31, 2013
Proprietary Information and Specifications are Subject to Change
6. Package and Layout Guidelines
6-1.Recommended PCB Footprint and Dimensions
Figure 6-1: DFZM-E82xx Module Recommended PCB Footprint (in mm)

DFZM-E82xx
Data Sheet Sheet 30 of 41 Dec 31, 2013
Proprietary Information and Specifications are Subject to Change
Figure 6-2: DFZM-E821x Module Dimensions (in mm)

DFZM-E82xx
Data Sheet Sheet 31 of 41 Dec 31, 2013
Proprietary Information and Specifications are Subject to Change
Figure 6-3: DFZM-E822x Module Dimensions (in mm)

DFZM-E82xx
Data Sheet Sheet 32 of 41 Dec 31, 2013
Proprietary Information and Specifications are Subject to Change
6-2.Layout Guidelines
Figure 6-4: DFZM-E82xx module onboard antenna keep-out layout guidelines (in mm)
Notes:
1. All Dimensions are in mm. Tolerances shall be ±0.10 mm.
2. Absolutely no metal trace or ground layer underneath this area.
3. It is recommended not to run circuit traces underneath the module.
4. In performing SMT or manual soldering of the module to the base board, please align the two row of pins.
In addition to the guidelines in Figure 6-4, note the following suggestions:
DFZM-E82xx
External Bypass capacitors for all module supplies should be as close as possible to the module pins.
Never place the antenna very close to metallic objects.
The external dipole antennas need a reasonable ground plane area for antenna efficiency.
DFZM-E8221; DFZM-E8211 onboard antenna specific
Keep out area for onboard antenna. All layers on the
PCB must be clear.
(i.e. No GND, Power trace/plane, traces.)
Note: If guidelines are not followed, DFZM-E72xx
range with onboard antenna will be compromised.

DFZM-E82xx
Data Sheet Sheet 33 of 41 Dec 31, 2013
Proprietary Information and Specifications are Subject to Change
The onboard antenna keep out area, as shown in Figure 6-4, must be adhered to. In addition it is
recommended to have clearance above and below the PCB trace antenna (Figure 6-4) for optimal range
performance.
Do not use a metallic or metalized plastic for the end product enclosure.
Recommendation is to keep plastic enclosure clearance of 1cm from top and bottom of the DFZM-E82xx
onboard antenna keep-out area, if possible. 5-mm (0.2 in) clearance shall be the minimum as shown in
Figure 6-5.
Figure 6-5 Recommended clearance above and below the PCB trace antenna
6-2-1.Surface Mount Assembly
The reflow profile is shown in Figure 6-6.

DFZM-E82xx
Data Sheet Sheet 34 of 41 Dec 31, 2013
Proprietary Information and Specifications are Subject to Change
60-180 sec
Room temp.
50 sec max
150
200
245
217
(°C )
60-150 sec
Time
Peak temp
250°c max 10 sec max
245°c±5°c for
10 ~30 sec
Figure 6-6: Reflow temperature profile
Note:
1. Perform adequate test in advance as the reflow temperature profile will vary accordingly to the
conditions of the parts and boards, and the specifications of the reflow furnace.
2. Be careful about rapid temperature rise in preheat zone as it may cause excessive slumping of the
solder paste.
3. If the preheat is insufficient, rather large solder balls tend to be generated. Conversely, if performed
excessively, fine balls and large balls will generate in clusters at a time.
4. If the temperature is too low, non-melting tends to be caused in the area with large heat capacity after
reflow.
5. Be careful about sudden rise in temperature as it may worsen the slump of solder paste.
6. Be careful about slow cooling as it may cause the positional shift of parts and decline in joining
strength at times.

DFZM-E82xx
Data Sheet Sheet 35 of 41 Dec 31, 2013
Proprietary Information and Specifications are Subject to Change
6-3.Recommended Stencil Aperture
Note: The thickness of the stencil should be 0.15mm over this area.
Figure 6-7: DFZM-E82xx recommended PCB footprint ( in mm )

DFZM-E82xx
Data Sheet Sheet 36 of 41 Dec 31, 2013
Proprietary Information and Specifications are Subject to Change
7. Ordering Information
DEVICE DESCRIPTION ORDERING NUMBER
Extended range module using external antenna DFZM-E8210-DT0R
Extended range module using onboard antenna DFZM-E8211-DT0R
Low power module using external antenna DFZM-E8220-DT0R
Low power module using onboard antenna DFZM-E8221-DT0R
8. Package
8-1.Information of carrier tape direction&packaging dimension

DFZM-E82xx
Data Sheet Sheet 37 of 41 Dec 31, 2013
Proprietary Information and Specifications are Subject to Change
3
6
PS
5
4
1
2
6
8
7
Protective Tape
(width=56mm,Thickness=0.5mm)
Adhesive Tape
Carrier tape
Accepted
CUSTOMER:
MODEL:
Q'TY:
DATE:
FQC:
RoHS Compliant Pb
Components
◆ Quantity:750pcs
Leader
20PCS min
Cover tape
5
4
Trailer
20PCS(min)
1
Reel
Accepted
CUSTOMER :
MODEL:
Q'TY:
DATE:
FQC:
RoHS Compliant Pb
2
3
6
Unreeling direction
ZL:200620003605.7
ZL:200620003605.7
DFZM-TS210-DT0R
FCC ID : H79DFZM-TS210
YYWWNNNNN
DFZM-TS210-DT0R
FCC ID : H79DFZM-TS210
YYWWNNNNN
DFZM-TS210-DT0R
FCC ID : H79DFZM-TS210
YYWWNNNNN
DFZM-TS210-DT0R
FCC ID : H79DFZM-TS210
YYWWNNNNN
10-DT0R
H79DF ZM-TS210
YYWWNNNNN
DFZM-TS210-DT0R
FCC ID : H79DFZM-TS210
YYWWNNNNN
DFZM-TS210-DT0R
FCC ID : H79DFZM-TS210
YYWWNNNNN
DFZM-TS210-DT0R
FCC ID : H79DFZM-TS210
YYWWNNNNN

DFZM-E82xx
Data Sheet Sheet 38 of 41 Dec 31, 2013
Proprietary Information and Specifications are Subject to Change
W0
W1
ZL:200620003605.7
規 格 品 名W1
W0
瑋鋒編號
13" 100*44mm旋轉式圓盤 50.0±1.0
45.0±0.5
RUR-26-3-XL
* 代表顏色編碼 B 黑色 , C 寶藍色 ﹐L 藍色﹐W 白色
8-2.Reel dimension

DFZM-E82xx
Data Sheet Sheet 39 of 41 Dec 31, 2013
Proprietary Information and Specifications are Subject to Change
8-3.Total Package

DFZM-E82xx
Data Sheet Sheet 40 of 41 Dec 31, 2013
Proprietary Information and Specifications are Subject to Change
8-4. RF exposure warning statement
FCC Label Statement
This device complies with part 15 of the FCC rules. Operation is subject to
the following two conditions:
1. This device may not cause harmful interference, and
2. This device must accept any interference received, including interference that may cause undesired
operation.
Federal Communications Commission (FCC) Statement
15.21
You are cautioned that changes or modifications not expressly approved by the part responsible for compliance
could void the user’s authority to operate the equipment.
15.105(b)
This equipment has been tested and found to comply with the limits for a Class B digital device, pursuant to part
15 of the FCC rules. These limits are designed to provide reasonable protection against harmful interference in a
residential installation. This equipment generates, uses and can radiate radio frequency energy and, if not installed
and used in accordance with the instructions, may cause harmful interference to radio communications. However,
there is no guarantee that interference will not occur in a particular installation. If this equipment does cause
harmful interference to radio or television reception, which can be determined by turning the equipment off and
on, the user is encouraged to try to correct the interference by one or more of the following measures:
-Reorient or relocate the receiving antenna.
-Increase the separation between the equipment and receiver.
-Connect the equipment into an outlet on a circuit different from that to which the receiver is connected.
-Consult the dealer or an experienced radio/TV technician for help.
FCC RF Radiation Exposure Statement:
This equipment complies with FCC radiation exposure limits set forth for an uncontrolled environment. End users
must follow the specific operating instructions for satisfying RF exposure compliance. This transmitter must not

DFZM-E82xx
Data Sheet Sheet 41 of 41 Dec 31, 2013
Proprietary Information and Specifications are Subject to Change
be co-located or operating in conjunction with any other antenna or transmitter.