STM32F3DISCOVERY Discovery Kit For STM32F303xx Microcontrollers User Manual
User Manual:
Open the PDF directly: View PDF
.
Page Count: 36
- Figure 1. STM32F3DISCOVERY
- Table 1. Applicable tools
- 1 Conventions
- 2 Quick start
- 3 Features
- 4 Hardware and layout
- Figure 2. Hardware block diagram
- Figure 3. Board layout (top view)
- Figure 4. Board layout (bottom view)
- 4.1 STM32F303VCT6 microcontroller
- 4.2 Embedded ST-LINK/V2
- 4.3 Power supply and power selection
- 4.4 LEDs
- 4.5 Pushbuttons
- 4.6 USB device supported
- 4.7 E-compass/accelerometer MEMS (ST MEMS LSM303DLHC)
- 4.8 Gyroscope MEMS (ST MEMS L3GD20)
- 4.9 JP3 (Idd)
- 4.10 OSC clock
- 4.11 Solder bridges
- 4.12 Extension connectors
- 5 Mechanical drawing
- 6 STM32F3DISCOVERY electrical schematics
- 7 Revision history

February 2013 Doc ID 023594 Rev 3 1/36
UM1570
User manual
STM32F3DISCOVERY
Discovery kit for STM32F303xx microcontrollers
Introduction
The STM32F3DISCOVERY is designed to help you explore the features of the STM32 F3
32-bit ARM® Cortex™-M4 mixed-signal MCU, and develop your applications. It is based on
an STM32F303VCT6 and includes an ST-LINK/V2 embedded debug tool interface,
Gyroscope ST MEMS, E-compass with accelerometer ST MEMS, LEDs, pushbuttons and a
USB mini-B connector.
Figure 1. STM32F3DISCOVERY
Table 1. Applicable tools
Type Part number
Evaluation tools STM32F3DISCOVERY
www.st.com

Contents UM1570
2/36 Doc ID 023594 Rev 3
Contents
1 Conventions . . . . . . . . . . . . . . . . . . . . . . . . . . . . . . . . . . . . . . . . . . . . . . . . 5
2 Quick start . . . . . . . . . . . . . . . . . . . . . . . . . . . . . . . . . . . . . . . . . . . . . . . . . 6
2.1 Getting started . . . . . . . . . . . . . . . . . . . . . . . . . . . . . . . . . . . . . . . . . . . . . . 6
2.2 System requirements . . . . . . . . . . . . . . . . . . . . . . . . . . . . . . . . . . . . . . . . . 6
2.3 Development toolchain supporting the STM32F3DISCOVERY . . . . . . . . . 6
2.4 Order code . . . . . . . . . . . . . . . . . . . . . . . . . . . . . . . . . . . . . . . . . . . . . . . . . 6
3 Features . . . . . . . . . . . . . . . . . . . . . . . . . . . . . . . . . . . . . . . . . . . . . . . . . . . 7
4 Hardware and layout . . . . . . . . . . . . . . . . . . . . . . . . . . . . . . . . . . . . . . . . . 8
4.1 STM32F303VCT6 microcontroller . . . . . . . . . . . . . . . . . . . . . . . . . . . . . . 11
4.2 Embedded ST-LINK/V2 . . . . . . . . . . . . . . . . . . . . . . . . . . . . . . . . . . . . . . 14
4.2.1 Using ST-LINK/V2 to program/debug the STM32F303VCT6 on board . 14
4.2.2 Using ST-LINK/V2 to program/debug an external STM32 application . . 15
4.3 Power supply and power selection . . . . . . . . . . . . . . . . . . . . . . . . . . . . . . 17
4.4 LEDs . . . . . . . . . . . . . . . . . . . . . . . . . . . . . . . . . . . . . . . . . . . . . . . . . . . . 17
4.5 Pushbuttons . . . . . . . . . . . . . . . . . . . . . . . . . . . . . . . . . . . . . . . . . . . . . . . 17
4.6 USB device supported . . . . . . . . . . . . . . . . . . . . . . . . . . . . . . . . . . . . . . . 18
4.7 E-compass/accelerometer MEMS (ST MEMS LSM303DLHC) . . . . . . . . 18
4.8 Gyroscope MEMS (ST MEMS L3GD20) . . . . . . . . . . . . . . . . . . . . . . . . . 18
4.9 JP3 (Idd) . . . . . . . . . . . . . . . . . . . . . . . . . . . . . . . . . . . . . . . . . . . . . . . . . . 18
4.10 OSC clock . . . . . . . . . . . . . . . . . . . . . . . . . . . . . . . . . . . . . . . . . . . . . . . . 19
4.10.1 OSC clock supply . . . . . . . . . . . . . . . . . . . . . . . . . . . . . . . . . . . . . . . . . 19
4.10.2 OSC 32 kHz clock supply . . . . . . . . . . . . . . . . . . . . . . . . . . . . . . . . . . . 19
4.11 Solder bridges . . . . . . . . . . . . . . . . . . . . . . . . . . . . . . . . . . . . . . . . . . . . . 20
4.12 Extension connectors . . . . . . . . . . . . . . . . . . . . . . . . . . . . . . . . . . . . . . . . 21
5 Mechanical drawing . . . . . . . . . . . . . . . . . . . . . . . . . . . . . . . . . . . . . . . . 30
6 STM32F3DISCOVERY electrical schematics . . . . . . . . . . . . . . . . . . . . . 31
7 Revision history . . . . . . . . . . . . . . . . . . . . . . . . . . . . . . . . . . . . . . . . . . . 35

UM1570 List of figures
Doc ID 023594 Rev 3 3/36
List of figures
Figure 1. STM32F3DISCOVERY. . . . . . . . . . . . . . . . . . . . . . . . . . . . . . . . . . . . . . . . . . . . . . . . . . . . . 1
Figure 2. Hardware block diagram. . . . . . . . . . . . . . . . . . . . . . . . . . . . . . . . . . . . . . . . . . . . . . . . . . . . 8
Figure 3. Board layout (top view) . . . . . . . . . . . . . . . . . . . . . . . . . . . . . . . . . . . . . . . . . . . . . . . . . . . . . 9
Figure 4. Board layout (bottom view) . . . . . . . . . . . . . . . . . . . . . . . . . . . . . . . . . . . . . . . . . . . . . . . . . 10
Figure 5. STM32F303VCT6 package . . . . . . . . . . . . . . . . . . . . . . . . . . . . . . . . . . . . . . . . . . . . . . . . 11
Figure 6. STM32F303VCT6 block diagram . . . . . . . . . . . . . . . . . . . . . . . . . . . . . . . . . . . . . . . . . . . . 13
Figure 7. Typical configuration. . . . . . . . . . . . . . . . . . . . . . . . . . . . . . . . . . . . . . . . . . . . . . . . . . . . . . 14
Figure 8. STM32F3DISCOVERY connections image . . . . . . . . . . . . . . . . . . . . . . . . . . . . . . . . . . . . 15
Figure 9. ST-LINK/V2 connections image . . . . . . . . . . . . . . . . . . . . . . . . . . . . . . . . . . . . . . . . . . . . . 16
Figure 10. STM32F3DISCOVERY mechanical drawing . . . . . . . . . . . . . . . . . . . . . . . . . . . . . . . . . . . 30
Figure 11. STM32F3DISCOVERY top level . . . . . . . . . . . . . . . . . . . . . . . . . . . . . . . . . . . . . . . . . . . . 31
Figure 12. ST-LINK/V2 (SWD only) . . . . . . . . . . . . . . . . . . . . . . . . . . . . . . . . . . . . . . . . . . . . . . . . . . . 32
Figure 13. STM32F303VCT6 MCU . . . . . . . . . . . . . . . . . . . . . . . . . . . . . . . . . . . . . . . . . . . . . . . . . . . 33
Figure 14. Peripherals . . . . . . . . . . . . . . . . . . . . . . . . . . . . . . . . . . . . . . . . . . . . . . . . . . . . . . . . . . . . . 34

List of tables UM1570
4/36 Doc ID 023594 Rev 3
List of tables
Table 1. Applicable tools. . . . . . . . . . . . . . . . . . . . . . . . . . . . . . . . . . . . . . . . . . . . . . . . . . . . . . . . . . . 1
Table 2. ON/OFF conventions . . . . . . . . . . . . . . . . . . . . . . . . . . . . . . . . . . . . . . . . . . . . . . . . . . . . . . 5
Table 3. Jumper states . . . . . . . . . . . . . . . . . . . . . . . . . . . . . . . . . . . . . . . . . . . . . . . . . . . . . . . . . . . 14
Table 4. Debug connector CN3 (SWD) . . . . . . . . . . . . . . . . . . . . . . . . . . . . . . . . . . . . . . . . . . . . . . 15
Table 5. Solder bridges. . . . . . . . . . . . . . . . . . . . . . . . . . . . . . . . . . . . . . . . . . . . . . . . . . . . . . . . . . . 20
Table 6. STM32F303VCT6 MCU pin description versus board function . . . . . . . . . . . . . . . . . . . . . 21
Table 7. Document revision history . . . . . . . . . . . . . . . . . . . . . . . . . . . . . . . . . . . . . . . . . . . . . . . . . 35

UM1570 Conventions
Doc ID 023594 Rev 3 5/36
1 Conventions
Ta bl e 2 provides the definition of some conventions used in the present document.
Table 2. ON/OFF conventions
Convention Definition
Jumper JP1 ON Jumper fitted
Jumper JP1 OFF Jumper not fitted
Solder bridge SBx ON SBx connections closed by solder
Solder bridge SBx OFF SBx connections left open

Quick start UM1570
6/36 Doc ID 023594 Rev 3
2 Quick start
The STM32F3DISCOVERY is a low-cost and easy-to-use development kit to quickly
evaluate and start development with an STM32 F3 series microcontroller. Before installing
and using the product, please accept the Evaluation Product License Agreement from
www.st.com/stm32f3discovery. For more information on the STM32F3DISCOVERY and for
demonstration software, visit www.st.com/stm32f3discovery.
2.1 Getting started
Follow the sequence below to configure the STM32F3DISCOVERY board and launch the
DISCOVER application:
1. Check the jumper positions on the board, JP3 on, CN4 on (DISCOVERY selected).
2. Connect the STM32F3DISCOVERY board to a PC with a USB cable type A to mini-B
through the USB ST-LINK or USB USER connector to power the board. The red LEDs
LD1 (PWR) and LD2 (COM) light up.
3. The eight LED indicators blink sequentially.
4. Press the USER button to enable the MEMS gyroscope sensor.
5. Observe how the blinking of the LEDs indicates the gyroscope movements.
6. Press the USER button again to enable the MEMS e-compass sensor.
7. Keep the board in a horizontal position. One of the eight LEDs lights up to indicate the
direction of the north.
8. Tilt the board and the eight LEDs blink again
9. To examine or modify the Discover project related to this demo, visit
www.st.com/stm32f3discovery and follow the tutorial. Discover the STM32F303xx MCU
features, download and execute programs proposed in the list of projects.
10. Develop your own application using the available examples.
2.2 System requirements
●Windows PC (XP, Vista, 7)
●USB type A to Mini-B USB cable
2.3 Development toolchain supporting the STM32F3DISCOVERY
●Altium®, TASKING™ VX-toolset
●ARM®, Atollic TrueSTUDIO®
●IAR™, EWARM (IAR Embedded Workbench®)
●Keil™, MDK-ARM™
2.4 Order code
To order the STM32F303xx Discovery kit, use the order code STM32F3DISCOVERY.

UM1570 Features
Doc ID 023594 Rev 3 7/36
3 Features
The STM32F3DISCOVERY offers the following features.
●STM32F303VCT6 microcontroller featuring 256 KB of Flash memory, 48 KB of RAM in
an LQFP100 package.
●On-board ST-LINK/V2 with selection mode switch to use the kit as a standalone
ST-LINK/V2 (with SWD connector for programming and debugging).
●Board power supply: through the USB bus or from an external 3 V or 5 V supply
voltage.
●External application power supply: 3 V and 5 V.
●L3GD20, ST MEMS motion sensor, 3-axis digital output gyroscope.
●LSM303DLHC, ST MEMS system-in-package featuring a 3D digital linear acceleration
sensor and a 3D digital magnetic sensor.
●Te n L E D s :
– LD1 (red) for 3.3 V power-on.
– LD2 (red/green) for USB communication.
– Eight user LEDs, LD3/10 (red), LD4/9 (blue), LD5/8 (orange) and LD6/7 (green).
●Two pushbuttons (user and reset).
●USB USER with Mini-B connector.
●Extension header for LQFP100 I/Os for quick connection to prototyping board and easy
probing.
A large number of free ready-to-run application firmware examples are available at
www.st.com/stm32f3discovery to support quick evaluation and development.

Hardware and layout UM1570
8/36 Doc ID 023594 Rev 3
4 Hardware and layout
The STM32F3DISCOVERY is designed around the STM32F303VCT6 microcontroller in a
100-pin LQFP package.
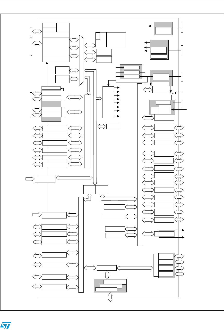
Figure 2 illustrates the connections between the STM32F303VCT6 and its peripherals
(ST-LINK/V2, pushbutton, LED, USB, Gyroscope ST MEMS, E-compass with accelerometer
ST MEMS, and connectors).
Figure 2 and Figure 3 help you to locate these features on the STM32F3DISCOVERY.
Figure 2. Hardware block diagram
%MBEDDED
34,).+6
34-&6#4
)/ )/
)/ 2%3%4
,%$S
,$,$
,'$
"
2%3%4
"
53%2
,3-$,(#
-INI53"
-INI53"
37$
(EADER
(EADER

UM1570 Hardware and layout
Doc ID 023594 Rev 3 9/36
Figure 3. Board layout (top view)
Note: Pin 1 of CN3, CN4, JP3, JP4, P1 and P2 connectors are identified by a square.
34,).+6
53"53%2
,$RED,%$
072
,$REDGREEN,%$
#/-
#.
37$CONNECTOR
*0)$$
MEASUREMENT
"USERBUTTON
#.
34,).+
$)3#/6%29
SELECTOR
6POWER
SUPPLY
INPUTOUTPUT
6POWER
SUPPLY
INPUTOUTPUT
"RESET
BUTTON
,'$
,3-$,(#
34-&6#4
RED,%$,$
BLUE,%$,$
GREEN,%$,$
ORANGE,%$,$
ORANGE,%$,$
GREEN,%$,$
BLUE,%$,$
RED,%$,$

Hardware and layout UM1570
10/36 Doc ID 023594 Rev 3
Figure 4. Board layout (bottom view)
Note: If SB12 is ON, SB17 must be OFF and R33 removed to provide the clock source from MCO
correctly.
RoHS SN
3"3"3"3"
2%3%26%$
3"3"3"3"
$%&!5,4
3""//4
3"37/
3"34-?234
3".234
3"2848
3"2848
3""53%2
3""2%3%4
3"53"53%2
3"53"53%2
3"-#/
3"8CRYSTAL
3"8CRYSTAL
3"8CRYSTAL
3"8CRYSTAL

UM1570 Hardware and layout
Doc ID 023594 Rev 3 11/36
4.1 STM32F303VCT6 microcontroller
This ARM™Cortex-M4 32-bit MCU with FPU has 256 KB Flash, 48 KB SRAM, 4 ADCs, two
DAC channels, seven comparators, four PGAs, 13 timers, 2.0-3.6 V operation.
Figure 5. STM32F303VCT6 package
This device provides the following benefits.
●72 MHz/62 DMIPS (from Flash) or 94 DMIPS (from CCM-SRAM) Cortex-M4 with single
cycle DSP MAC and floating point unit:
– Boosted execution of control algorithms.
– More features possible for your applications.
– Ease of use.
– Better code efficiency.
– Faster time to market.
– Elimination of scaling and saturation.
– Easier support for meta-language tools.
●Real-time performance:
– CCM-SRAM (core coupled memory): 8 Kbytes of SRAM mapped to the instruction
bus; critical routines loaded in the 8-Kbyte CCM at startup can be completed at full
speed with zero wait states, achieving 94 Dhrystone MIPS and CoreMark score
155 at 72 MHz.
– SRAM and CCM-SRAM with parity bit
– 32-bit AHB bus matrix
– DMA controllers
– Memory protection unit (MPU).
More performance for critical routines with zero-wait state execution from safe CCM-
SRAM.
●Outstanding power efficiency:
– Stop mode down to 5.7 μA typ
–RTC <2 μA typ in VBAT mode
– 2.0 to 3.6 V or 1.8 V +/-8% power supply range
– Flexibility to reduce power consumption for applications requiring advanced
analog peripherals and low-power modes.
– Running at low voltage or on a rechargeable battery.
-36
34-&6#4
,1&0XMM
+BYTESOF&LASHMEMORY
+BYTESOF32!-

Hardware and layout UM1570
12/36 Doc ID 023594 Rev 3
●Maximum integration:
– Up to 256 Kbytes of on-chip Flash memory, 48 Kbytes of SRAM, reset circuit,
internal RCs, PLLs, more features in space-constrained applications.
●Superior and innovative peripherals:
– Analog: 4x 12-bit ADC 5 MSPS reaching 18 MSPS in interleaved mode, fast
comparators (50 ns), programmable gain amplifiers (4 gains, 1% accuracy). 12-bit
DACs.
– Up to 13 timers: one 32-bit (TIM2) and 12 16-bit timers, running up to 144 MHz
(TIM1,8) or 72 MHz.
– Audio: simplex or full duplex I²S interfaces.
– Up to 12 communication interfaces including 5x USART (9 Mbit/s),
3x SPIs/2x I2Ss (18 Mbit/s), 2x I2C (1 MHz fast mode plus), CAN (1 Mbit/s), USB
full speed.
– Cyclic redundancy check (CRC).
– Capacitive touch-sensing (24 keys).
– Full set of integration features on chip resulting in simplified board designs and
fewer external components.
– BOM cost reduced.
●Pin compatibility and same API for peripherals as F1 series:
– More than 350 Cortex-M based compatible STM32 devices.
– More than 70 Cortex-M4 based compatible STM32 devices.
– Digital signal processing (DSP) capability at a competitive price.

UM1570 Hardware and layout
Doc ID 023594 Rev 3 13/36
Figure 6. STM32F303VCT6 block diagram
MS18960V4
4OUCH3ENSING
#ONTROLLER
AHB decoder
4)-%2
#HANNELS#OMP
#HANNEL"2+AS!&
4)-%2
4)-%207-
4)-%207-
#HANNELS
#OMPCHANNELS
%42"2+AS!&
30)
-/3)-)3/
3#+.33AS!&
53!24
2848#43243
3MART#ARDAS!&
7IN7!4#($/'
"US-ATRIX
-05&05
#ORTEX-#05
&MAX -(Z
.6)#
'0$-!
CHANNELS
##-2!-
+"
&LASH
INTERFACE
/",
&,!3(+"
BITS
*4234
*4$)
*4#+37#,+
*4-337$!4
*4$/
!S!&
0OWER
6OLTAGEREG
6TO6
6$$
3UPPLY
3UPERVISION
0/20$2
06$
0/2
2ESET
)NT
6$$)/TO6
V33
.2%3%4
6$$!
633!
)ND7$'+
3TANDBY
INTERFACE
0,, 84!,/3#
-(Z
2ESET
CLOCK
CONTROL
!("0#,+
!0"0#,+
!0"0#,+
!("
!0"
!("
!0"
#2#
!0"& MAX -(Z
!0"F MAX-(Z
'0)/0/24!
'0)/0/24"
'0)/0/24#
'0)/0/24$
'0)/0/24%
/3#?).
/3#?/54
30))3
3#,3$!3-"!,AS!&
53!24
3#,3$!3-"!,AS!&
53!24
2#,3
4)-%2
4)-%2
30))3
BIT$!#)&
4)-%2
BIT07-
0!;=
0";=
0#;=
-/3)3$-)3/EXT?3$
3#+#+.3373-#,+AS!&
#HANNELS%42AS!&
53"$053"$-
$!#?#(AS!&
(#,+
&#,+
53!24#,+
2#(3-(Z
32!-
+"
%4-
4RACE4RIG
37*4!'
40)5
)BUS
42!$%#,+
42!#%$;=
AS!&
$BUS
3YSTEM
'0$-!
CHANNELS
BIT!$#
BIT!$#
)&
4EMPSENSOR
62%&
62%&
4)-%2
%84)4
7+50
88!&
#HANNEL#OMP
#HANNEL"2+AS!&
#HANNEL#OMP
#HANNEL"2+AS!&
#HANNELS
#OMPCHANNELS
%42"2+AS!&
'0)/0/24&
0$;=
0%;=
4)-%2
53"32!-"
0&;=
BIT!$#
)&
BIT!$#
)##,+
!$#3!2
#,+
637
84!,K(Z /3#?).
/3#?/54
6"!4 6TO6
24#
!75
"ACKUP
2EG
"YTE
"ACKUP
INTERFACE
!.4)4!-0
4)-%2
5!24
5!24
)#
)#
BX#!.
"32!-
53"&3
$!#?#(AS!&
/P!MP
/P!MP
/P!MP
/P!MP
).XX/54XX
).XX/54XX
).XX/54XX
).XX/54XX
).4%2&!#%
393#&'#4,
'0#OMPARATOR
'0#OMPARATOR
'0#OMPARATOR
#!.48#!.28
#HANNELS%42AS!&
#HANNELS%42AS!&
-/3)3$-)3/EXT?3$
3#+#+.3373-#,+AS!&
2848#43243AS!&
2848#43243AS!&
2848AS!&
2848AS!&
6$$!
8X)NS/54SAS!&
88'ROUPSOF
CHANNELSAS!&
6$$!
6$$!
6$$! 6$$!
6$$)/
6$$)/

Hardware and layout UM1570
14/36 Doc ID 023594 Rev 3
4.2 Embedded ST-LINK/V2
The ST-LINK/V2 programming and debugging tool is integrated on the
STM32F3DISCOVERY. The embedded ST-LINK/V2 can be used in two different ways
according to the jumper states (Ta bl e 3 ).
●Program/debug the MCU on board,
●Program/debug an MCU in an external application board using a cable connected to
SWD connector CN3.
The embedded ST-LINK/V2 supports only SWD for STM32 devices. For information about
debugging and programming features, refer to user manual UM1075 (ST-LINK/V2 in-circuit
debugger/programmer for STM8 and STM32) which describes in detail all the ST-LINK/V2
features.
Figure 7. Typical configuration
4.2.1 Using ST-LINK/V2 to program/debug the STM32F303VCT6 on board
To program the STM32F303VCT6 MCU on the board, simply plug in the two jumpers on
CN4, as shown in Figure 8 in red, but do not use the CN3 connector as that could disturb
communication with the STM32F303VCT6 of the STM32F3DISCOVERY.
Table 3. Jumper states
Jumper state Description
Both CN4 jumpers ON ST-LINK/V2 functions enabled for on-board programming (default)
Both CN4 jumpers OFF ST-LINK/V2 functions enabled for application through external CN3
connector (SWD supported)
MS31115V1
Hardware requirements:
- USB cable type A to mini-B
- Computer with Windows XP, Vista or 7
Development toolchains:
- Altium TASKING VX-Toolset
- Atollic TrueSTUDIO
- IAR EWARM
- Keil MDK-ARM

UM1570 Hardware and layout
Doc ID 023594 Rev 3 15/36
Figure 8. STM32F3DISCOVERY connections image
4.2.2 Using ST-LINK/V2 to program/debug an external STM32 application
It is very easy to use the ST-LINK/V2 to program the STM32 on an external application.
Simply remove the two jumpers from CN4 as shown in Figure 9, and connect your
application to the CN3 debug connector according to Ta b l e 4 .
Note: SB7 must be OFF if you use the CN3 pin 5 in your external application.
Table 4. Debug connector CN3 (SWD)
Pin CN3 Designation
1 VDD_TARGET VDD from application
2 SWCLK SWD clock
3 GND Ground
4 SWDIO SWD data input/output
5 NRST RESET of target MCU
6 SWO Reserved

Hardware and layout UM1570
16/36 Doc ID 023594 Rev 3
Figure 9. ST-LINK/V2 connections image

UM1570 Hardware and layout
Doc ID 023594 Rev 3 17/36
4.3 Power supply and power selection
The power supply is provided either by the host PC through the USB cable, or by an external
5 V power supply.
The D1 and D2 diodes protect the 5 V and 3 V pins from external power supplies.
●5 V and 3 V can be used as output power supplies when another application board is
connected to pins P1 and P2. In this case, the 5 V and 3 V pins deliver a 5 V or 3 V
power supply and power consumption must be lower than 100 mA.
●5 V and 3 V can also be used as input power supplies, for example when the USB
connectors are not connected to the PC. In this case, the STM32F3DISCOVERY board
must be powered by a power supply unit or by auxiliary equipment complying with
standard EN-60950-1: 2006+A11/2009, and must be safety extra low voltage (SELV)
with limited power capability.
Note: The board can be also powered through the USB USER connector and is protected by D4
and D5 diodes when both USBs are connected (in which case, the 5 V power is around 4.4
volts).
4.4 LEDs
●LD1 PWR: red LED indicates that the board is powered.
●LD2 COM: LD2 default status is red. LD2 turns to green to indicate that
communications are in progress between the PC and the ST-LINK/V2.
●User LD3: red LED is a user LED connected to the I/O PE9 of the STM32F303VCT6.
●User LD4: blue LED is a user LED connected to the I/O PE8 of the STM32F303VCT6.
●User LD5: orange LED is a user LED connected to the I/O PE10 of the
STM32F303VCT6.
●User LD6: green LED is a user LED connected to the I/O PE15 of the
STM32F303VCT6.
●User LD7: green LED is a user LED connected to the I/O PE11 of the
STM32F303VCT6.
●User LD8: orange LED is a user LED connected to the I/O PE14 of the
STM32F303VCT6.
●User LD9: blue LED is a user LED connected to the I/O PE12 of the STM32F303VCT6.
●User LD10: red LED is a user LED connected to the I/O PE13 of the STM32F303VCT6.
4.5 Pushbuttons
●B1 USER: user and wake-up button connected to the I/O PA0 of the STM32F303VCT6.
●B2 RESET: pushbutton connected to NRST is used to RESET the STM32F303VCT6.

Hardware and layout UM1570
18/36 Doc ID 023594 Rev 3
4.6 USB device supported
The STM32F303VCT6 MCU is also used to drive the second USB mini-B connector (USB
USER) which allows the board to be used as a USB Device. The STM32F3DISCOVERY
can then act as a USB joystick, mouse, or other similar device. If both USBs are connected,
diodes D4 and D5 protect the board and use the power from the USB ST-LINK.
The board can be powered through this USB USER connector, then LED1 PWR lights,
LED2 COM blinks and it can run an application in standalone mode.
4.7 E-compass/accelerometer MEMS (ST MEMS LSM303DLHC)
The LSM303DLHC is an ultra-compact low-power system-in-package featuring a 3D digital
linear acceleration sensor and a 3D digital magnetic sensor. It includes a sensing element
and an IC interface able to provide the measured acceleration to the external world through
I2C serial interface.
The LSM303DLHC has dynamically user-selectable full scales of ±2g/±8g and is capable of
measuring acceleration, and a magnetic field full scale from ±1.3g to 8.1g with an output
data rate of 100 Hz or 400 Hz.
The STM32F303VCT6 MCU controls this motion sensor through the I2C interface.
4.8 Gyroscope MEMS (ST MEMS L3GD20)
The L3GD20 is an ultra-compact, low-power, three-axis angular rate sensor. It includes a
sensing element and an IC interface able to provide the measured angular rate to the
external world through the I2C/SPI serial interface.
The L3GD20 has dynamically user-selectable full scales of ±250 dps/±500 dps/±2000 dps
and is capable of measuring rates.
The STM32F303VCT6 MCU controls this motion sensor through the SPI interface.
4.9 JP3 (Idd)
Jumper JP3, labeled Idd, allows the consumption of the STM32F303VCT6 to be measured
by removing the jumper and connecting an ammeter.
●Jumper on: STM32F303VCT6 is powered (default).
●Jumper off: an ammeter must be connected to measure the STM32F303VCT6 current.
If there is no ammeter, the STM32F303VCT6 is not powered.

UM1570 Hardware and layout
Doc ID 023594 Rev 3 19/36
4.10 OSC clock
4.10.1 OSC clock supply
The following information indicates all configurations for clock supply selection.
●MCO from ST-LINK. From MCO of the STM32F103C8T6. This frequency cannot be
changed, it is fixed at 8 MHz and connected to PF0-OSC_IN of the STM32F303VCT6.
Configuration needed:
– SB12 closed, SB17 open, R33 removed
– SB18, R32, C22, C23, X2 = don't care
●Oscillator on board. From X2 crystal (not provided). For typical frequencies and its
capacitors and resistors, please refer to the STM32F303VCT6 Datasheet.
Configuration needed:
– SB12, SB17, SB18 open
– R32, R33, C22, C23, X2 soldered
●Oscillator from external PF0. From external oscillator through pin 5 of the P2
connector. Configuration needed:
– SB12 open, SB17 closed, R33 removed
– SB18, R32, C22, C23, X2 = don't care
●No external oscillator. From Internal oscillator HSI only. PF0 and PF1 can be used as
GPIO. Configuration needed:
– SB12 open, SB17 closed, SB18 closed, R32 removed, R33 removed
– C22, C23, X2 = don't care
4.10.2 OSC 32 kHz clock supply
The following information indicates all configurations for the 32 kHz clock supply selection.
●Oscillator on board. From X3 Crystal (not provided). Configuration needed:
– SB14 open, SB16 open.
– R29, R30, C14, C26, X3 soldered.
●Oscillator from external PC14. From external oscillator through the pin 7 of P2
connector. Configuration needed:
– SB14 open, R29 removed
– SB16, R30, C14, C26, X3 = don't care
●No external oscillator. PC14 and PC15 can be used as GPIO. Configuration needed:
– SB14 closed, SB16 closed, R29 removed, R30 removed.
– C14, C26, X3 = don't care.

Hardware and layout UM1570
20/36 Doc ID 023594 Rev 3
4.11 Solder bridges
Table 5. Solder bridges
Bridge State(1) Description
SB17,18
(X1 crystal) (2)
OFF X1, C22, C23, R32 and R33 provide a clock. PF0, PF1 are disconnected from P2.
ON PF0, PF1 are connected to P2 (R32 and R33 must not be fitted).
SB1,3,5,8 (default) ON Reserved, do not modify
SB2,4,6,9 (reserved) OFF Reserved, do not modify
SB14,16
(X3 crystal)
OFF X3, C14, C26, R29 and R30 deliver a 32 KHz clock. PC14, PC15 are not
connected to P2.
ON PC14, PC15 are only connected to P2. Remove only R26, R29
SB23
(B2-RESET)
ON B2 Push Button is connected to NRST of STM32F303VCT6
OFF B2 Push Button is not connected to NRST of STM32F303VCT6
SB20
(B1-USER)
ON B1 Push Button is connected to PA0
OFF B1 Push Button is not connected to PA0
SB13,15
(RX,TX)
OFF Reserved, do not modify
ON Reserved, do not modify
SB7
(NRST)
ON NRST signal of connector CN3 is connected to NRST of STM32F303VCT6
OFF NRST signal is not connected
SB10
(SWO)
ON SWO signal of connector CN3 is connected to PB3
OFF SWO signal is not connected
SB11
(STM_RST)
OFF No incidence on NRST signal of STM32F103C8T6
ON NRST signal of STM32F103C8T6 is connected to GND
SB19
(BOOT0)
ON BOOT0 signal of STM32F303VCT6 is at level "0" through 510 ohm pull-down
OFF BOOT0 signal of STM32F303VCT6 is at level "1" through 10K ohm pull-up (not
provided).
SB21,22
(USB USER)
OFF PA11 and PA12 are only used for USB USER and not connected to P2 to avoid
noise.
ON PA11 and PA12 are connected to P2.
SB12
(MCO)(2)
OFF MCO signal of STM32F103C8T6 is not used.
ON MCO clock signal from STM32F103C8T6 is connected to OSC_IN of
STM32F303VCT6.
1. Default state is shown in bold.
2. If SB12 is ON, SB17 must be OFF and R33 removed to provide the clock source from the MCO correctly.

UM1570 Hardware and layout
Doc ID 023594 Rev 3 21/36
4.12 Extension connectors
The male headers P1 and P2 can connect the STM32F3DISCOVERY to a standard
prototyping/wrapping board. STM32F303VCT6 GPI/Os are available on these connectors.
P1 and P2 can also be probed by an oscilloscope, logical analyzer or voltmeter.
Table 6. STM32F303VCT6 MCU pin description versus board function
MCU pin Board function
Main
function Alternate functions
LQFP100 pin num.
LSM303DLHC
L3GD20
Pushbutton
LED
SWD
USB
OSC
Free I/O
Power supply
CN3
P1
P2
BOOT0 94 19
NRST 14
RESET
NRST
54
PA 0
TIM2_CH1_ETR,
G1_IO1,
USART2_CTS,
COMP1_OUT,
TIM8_BKIN,
TM8_ETR
23
USER
12
PA 1
TIM2_CH2, G1_IO2,
USART2_RTS,
TIM15_CH1N
24 9
PA 2
TIM2_CH3, G1_IO3,
USART2_TX,
COMP2_OUT,
TIM15_CH1,
AOP1_OUT
25 14
PA 3
TIM2_CH4, G1_IO4,
USART2_RX,
TIM15_CH2
26 11
PA 4
TIM3_CH2, G2_IO1,
SPI1_NSS,
SPI3_NSS/I2S3_WS,
USART2_CK
29 16
PA 5 TIM2_CH1_ETR,
G2_IO2, SPI1_SCK 30
SCL/SPC
15

Hardware and layout UM1570
22/36 Doc ID 023594 Rev 3
PA 6
TIM16_CH1,
TIM3_CH1, G2_IO3,
TIM8_BKIN,
SPI1_MISO,
TIM1_BKIN,
AOP2_OUT,
COMP1_OUT
31
SAO/SDO
18
PA 7
TIM17_CH1,
TIM3_CH2, G2_IO4,
TIM8_CH1N,
SPI1_MOSI,
TIM1_CH1N,
COMP2_OUT
32
SDA/SDI/SDO
17
PA 8
MCO, I2C2_SMBAL,
I2S2_MCK,
TIM1_CH1,
USART1_CK,
COMP3_OUT,
TIM4_ETR
67 45
PA 9
G4_IO1, I2C2_SCL,
I2S3_MCK,
TIM1_CH2,
USART1_TX,
COMP5_OUT,
TIM15_BKIN,
TIM2_CH3
68 44
PA 1 0
TIM17_BKIN, G4_IO2,
I2C2_SDA,
TIM1_CH3,
USART1_RX,
COMP6_OUT,
TIM2_CH4,
TIM8_BKIN
69 43
PA 1 1
TIM1_CH1N,
USART1_CTS,
COMP1_OUT,
CAN_RX, TIM4_CH1,
TIM1_CH4_BKIN2,
USBDM
70 DM 42
Table 6. STM32F303VCT6 MCU pin description versus board function (continued)
MCU pin Board function
Main
function Alternate functions
LQFP100 pin num.
LSM303DLHC
L3GD20
Pushbutton
LED
SWD
USB
OSC
Free I/O
Power supply
CN3
P1
P2

UM1570 Hardware and layout
Doc ID 023594 Rev 3 23/36
PA 1 2
TIM16_CH1,
TIM1_CH2N,
USART1_RTS,
COMP2_OUT,
CAN_TX, TIM4_CH2,
TIM1_ETR, USBDP
71 DP 41
PA 1 3
JTMS-SWDAT,
TIM16_CH1N,
G4_IO3, IR-Out,
USART3_CTS,
TIM4_CH3
72
SWDIO
440
PA 1 4
JTCK-SWCLK,
G4_IO4, I2C1_SDA,
TIM8_CH2,
TIM1_BKIN,
USART2_TX
76
SWCLK
237
PA 1 5
JTDI,
TIM2_CH1_ETR,
TIM8_CH1,
I2C1_SCL, SPI1_NSS,
SPI3_NSS/I2S3_WS,
USART2_RX,
TIM1_BKIN
77 38
PB0
TIM3_CH3, G3_IO2,
TIM8_CH2N,
TIM1_CH2N
35 22
PB1
TIM3_CH4, G3_IO3,
TIM8_CH3N,
TIM1_CH3N,
COMP4_OUT,
AOP3_OUT
36 21
PB2 G3_IO4 37 24
PB3
JTDO/TRACESWO,
TIM2_CH2,
TIM4_ETR, G5_IO1,
TIM8_CH1N,
SPI1_SCK,
SPI3_SCK/I2S3_CK,
USART2_TX,
TIM3_ETR
89
SWO
626
Table 6. STM32F303VCT6 MCU pin description versus board function (continued)
MCU pin Board function
Main
function Alternate functions
LQFP100 pin num.
LSM303DLHC
L3GD20
Pushbutton
LED
SWD
USB
OSC
Free I/O
Power supply
CN3
P1
P2

Hardware and layout UM1570
24/36 Doc ID 023594 Rev 3
PB4
NJTRST, TIM16_CH1,
TIM3_CH1, G5_IO2,
TIM8_CH2N,
SPI1_MISO,
SPI3_MISO/I2S3_DIN,
USART2_RX,
TIM17_BKIN
90 23
PB5
TIM16_BKIN,
TIM3_CH2,
TIM8_CH3N,
I2C1_SMBAL,
SPI1_MOSI,
SPI3_MOSI/I2S3_DO
UT, USART2_CK,
TIM17_CH1
91 24
PB6
TIM16_CH1N,
TIM4_CH1, G5_IO3,
I2C1_SCL,
TIM8_CH1,
TIM8_ETR_BKIN2,
USART1_TX
92
SCL
21
PB7
TIM17_CH1N,
TIM4_CH2, G5_IO4,
I2C1_SDA,
TIM8_BKIN,
USART1_RX,
TIM3_CH4
93
SDA
22
PB8
TIM16_CH1,
TIM4_CH3, SYNCH,
I2C1_SCL,
COMP1_OUT,
CAN_RX, TIM8_CH2,
TIM1_BKIN
95 17
PB9
TIM17_CH1,
TIM4_CH4,
I2C1_SDA, IR-OUT,
CAN_TX, TIM8_CH3
96 18
PB10 TIM2_CH3, SYNCH,
USART3_TX 47 34
PB11
TIM2_CH4, G6_IO1,
USART3_RX,
COMP2_OUT
48 33
Table 6. STM32F303VCT6 MCU pin description versus board function (continued)
MCU pin Board function
Main
function Alternate functions
LQFP100 pin num.
LSM303DLHC
L3GD20
Pushbutton
LED
SWD
USB
OSC
Free I/O
Power supply
CN3
P1
P2

UM1570 Hardware and layout
Doc ID 023594 Rev 3 25/36
PB12
G6_IO2,
I2C2_SMBAL,
SPI2_NSS/I2S2_WS,
TIM1_BKIN,
USART3_CK,
AOP4_OUT
51 36
PB13
G6_IO3,
SPI2_SCK/I2S2_CK,
TIM1_CH1N,
USART3_CTS
52 35
PB14
TIM15_CH1, G6_IO4,
SPI2_MISO/I2S2_DIN,
TIM1_CH2N,
USART3_RTS
53 38
PB15
TIM15_CH2,
TIM15_CH1N,
TIM1_CH3N,
SPI2_MOSI/
I2S2_DOUT
54 37
PC0 15 6
PC1 16 5
PC2 COMP7_OUT 17 8
PC3 TIM1_BKIN2 18 7
PC4 USART1_TX 33 20
PC5 G3_IO1, USART1_RX 34 19
PC6
TIM3_CH1,
TIM8_CH1,
I2S2_MCK,
COMP6_OUT
63 47
PC7
TIM3_CH2,
TIM8_CH2,
I2S3_MCK,
COMP5_OUT
64 48
PC8
TIM3_CH3,
TIM8_CH3,
COMP3_OUT
65 47
Table 6. STM32F303VCT6 MCU pin description versus board function (continued)
MCU pin Board function
Main
function Alternate functions
LQFP100 pin num.
LSM303DLHC
L3GD20
Pushbutton
LED
SWD
USB
OSC
Free I/O
Power supply
CN3
P1
P2

Hardware and layout UM1570
26/36 Doc ID 023594 Rev 3
PC9
TIM3_CH4,
TIM8_CH4_BKIN2,
COMP3_OUT
66 46
PC10
TIM8_CH1N,
UART4_TX,
SPI3_SCK/I2S3_CK,
USART3_TX
78 35
PC11
TIM8_CH2N,
UART4_RX,
SPI3_MISO/I2S3_DIN,
USART3_RX
79 36
PC12
TIM8_CH3N,
UART5_TX,
SPI3_MOSI/
I2S3_DOUT,
USART3_CK
80 33
PC13 TIM1_CH1N 710
PC14 OSC32_IN 8
OSC32_IN
7
PC15 OSC32_OUT 9
OSC32_OUT
8
PD0 CAN_RX 81 34
PD1 TIM8_CH4_BKIN2,
CAN_TX 82 31
PD2
TIM3_ETR,
TIM8_BKIN,
UART5__RX
83 32
PD3 TIM2_CH1_ETR,
USART2_CTS 84 29
PD4 TIM2_CH2,
USART2_RTS 85 30
PD5 USRT2_TX 86 27
Table 6. STM32F303VCT6 MCU pin description versus board function (continued)
MCU pin Board function
Main
function Alternate functions
LQFP100 pin num.
LSM303DLHC
L3GD20
Pushbutton
LED
SWD
USB
OSC
Free I/O
Power supply
CN3
P1
P2

UM1570 Hardware and layout
Doc ID 023594 Rev 3 27/36
PD6 TIM2_CH4,
USART2_RX 87 28
PD7 TIM2_CH3,
USART2_CK 88 25
PD8 USART3_TX 55 40
PD9 USART3_RX 56 39
PD10 USART3_CK 57 42
PD11 USART3_CTS 58 41
PD12 TIM4_CH1, G8_IO1,
USART3_RTS 59 44
PD13 TIM4_CH2, G8_IO2 60 43
PD14 TIM4_CH3, G8_IO3 61 46
PD15 TIM4_CH4, G8_IO4,
SPI2_NSS 62 45
PE0
TIM4_ETR,
TIM16_CH1,
USART1_TX
97
INT1
15
PE1 TIM17_CH1,
USART1_RX 98
DRDY/INT2
16
PE2 TRACECK,
TIM3_CH1, G7_IO1 1
DRDY
13
PE3 TRACED0,
TIM3_CH2, G7_IO2 2
CS_I2C/SPI
14
PE4 TRACED1,
TIM3_CH3, G7_IO3 3
INT1
11
PE5 TRACED2,
TIM3_CH4, G7_IO4 4
INT2
12
PE6 TRACED3 5 9
PE7 TIM1_ETR 38 23
Table 6. STM32F303VCT6 MCU pin description versus board function (continued)
MCU pin Board function
Main
function Alternate functions
LQFP100 pin num.
LSM303DLHC
L3GD20
Pushbutton
LED
SWD
USB
OSC
Free I/O
Power supply
CN3
P1
P2

Hardware and layout UM1570
28/36 Doc ID 023594 Rev 3
PE8 TIM1_CH1N 39
LD4/
BLUE
26
PE9 TIM1_CH1 40
LD3/
RED
25
PE10 TIM1_CH2N 41
LD5/
ORANGE
28
PE11 TIM1_CH2 42
LD7/
GREEN
27
PE12 TIM1_CH3N 43
LD9/
BLUE
30
PE13 TIM1_CH3 44
LD10/
RED
29
PE14 TIM1_CH4_BKIN2 45
LD8/
ORANGE
32
PE15 TIM1_BKIN,
USART3_RX 46
LD6/
GREEN
31
PF0 OSC_IN, I2C2_SDA,
TIM1_CH3N 12
OSC_IN
5
PF1 OSC_OUT, I2C2_SCL 13
OSC_OUT
6
PF2 19 10
PF4 COMP1_OUT 27 13
PF6
TIM4_CH4,
I2C2_SCL,
USART3_RTS
73 39
PF9 TIM15_CH1,
SPI2_SCK 10 3
PF10 TIM15_CH2,
SPI2_SCK 11 4
Table 6. STM32F303VCT6 MCU pin description versus board function (continued)
MCU pin Board function
Main
function Alternate functions
LQFP100 pin num.
LSM303DLHC
L3GD20
Pushbutton
LED
SWD
USB
OSC
Free I/O
Power supply
CN3
P1
P2

UM1570 Hardware and layout
Doc ID 023594 Rev 3 29/36
5V 1
5V 2
3V 1
3V 2
VDD
20
GND
3
GND
49 49
GND
50 50
Table 6. STM32F303VCT6 MCU pin description versus board function (continued)
MCU pin Board function
Main
function Alternate functions
LQFP100 pin num.
LSM303DLHC
L3GD20
Pushbutton
LED
SWD
USB
OSC
Free I/O
Power supply
CN3
P1
P2

Mechanical drawing UM1570
30/36 Doc ID 023594 Rev 3
5 Mechanical drawing
Figure 10. STM32F3DISCOVERY mechanical drawing
16.04mm15.24mm
33.82mm
2.22mm 5.08mm
3.34mm
33.82mm
97.00mm
2.54mm 2.54mm
53.34mm
66.00mm
6.33mm
6.33mm
53.34mm
6.33mm
6.33mm

UM1570 STM32F3DISCOVERY electrical schematics
Doc ID 023594 Rev 3 31/36
6 STM32F3DISCOVERY electrical schematics
Figure 11. STM32F3DISCOVERY top level
1
1
2
2
3
3
4
4
D D
C C
B B
A A
STMicroelectronics
Title:
Number: Rev: Sheet of
B.1(PCB.SCH) Date:9/13/2012
MB1035 1 4
STM32F3DISCOVERY
PA13
PA14
NRST
PC5
PC4
PB3
MCO
U_ST_LINK
ST_LINK_V2.SCHDOC
PA13
PA14
BOOT0
NRST
TCK/SWCLK
TMS/SWDIO
MCO
NRST
T_SWO
T_NRST
1 2
3 4
5 6
7 8
910
11 12
13 14
15 16
17 18
19 20
21 22
23 24
25 26
27 28
29 30
31 32
33 34
35 36
37 38
39 40
41 42
43 44
45 46
47 48
49 50
P1
Header 25X2
1 2
3 4
5 6
7 8
910
11 12
13 14
15 16
17 18
19 20
21 22
23 24
25 26
27 28
29 30
31 32
33 34
35 36
37 38
39 40
41 42
43 44
45 46
47 48
49 50
P2
Header 25X2
PA0
NRSTPE0
PE1
PE3
PA5
PA7
PA6
PB6
PB7
PE4
PE5
PE2
PE8
PE15
PA11
PA12
PE9
PE10
PE11
PE12
PE13
PE14
U_IO Peripherals
IO Peripherals.SchDoc
PB8
PC5
PC4
PD2
BOOT0
NRST
PE0
PE1
PE2
PE3
PE4
PE5
PE6
PE7
PE8
PE9
PE10
PE11
PE12
PE13
PE14
PE15
PD0
PD1
PD3
PD4
PD5
PD6
PD7
PD8
PD9
PD10
PD11
PD12
PD13
PD14
PD15
PC15
PC14
PF1
PF0
MCO
PF2
PF4
PF6
PF9
PF10
PC0
PC1
PC2
PC3
PC6
PC7
PC8
PC9
PC10
PC11
PC12
PC13
PA0
PA1
PA2
PA3
PA4
PA5
PA6
PA7
PA8
PA9
PA10
PA11
PA12
PA13
PA14
PA15
PB0
PB1
PB2
PB3
PB4
PB5
PB6
PB7
PB9
PB10
PB11
PB12
PB13
PB14
PB15
U_STM32Fx
STM32Fx.SchDoc
MCO
PA0
PA1
PA2
PA3
PA4
PA5
PA6
PA7
PA8
PA9
PA10
PA11
PA12
PA13
PA14
PA15
PB0
PB1
PB2
PB3
PB4
PB5
PB6
PB7
PB8
PB9
PB10
PB11
PB12
PB13
PB14
PB15
PC0
PC1
PC2
PC3
PC4
PC5
PC6
PC7
PC8
PC9
PC10
PC11
PC12
PC13
PC14
PC15
PF0
PF1
BOOT0
NRST
PE0
PE1
PE2
PE3
PE4
PE5
PE6
PE7
PE8
PE9
PE10
PE11
PE12
PE13
PE14
PE15
PD0
PD1
PD2
PD3
PD4
PD5
PD6
PD7
PD8
PD9
PD10
PD11
PD12
PD13
PD14
PD15
PA0
NRST
PA5
PE3
PE0
PE1
PE1
PE2 PE3
PE4 PE5
PE6
PE7
PE8PE9
PE10PE11
PE12PE13
PE14PE15
PE0
PA1
PA2
PA3
PA4PA5
PA6PA7
PA8
PA9
PA13
PA14 PA15
PA0
PB1
PB2
PB3
PB4 PB5
PB6 PB7
PB8 PB9
PB10PB11
PB12PB13
PB14PB15
PB0
PC1
PC2PC3
PC4PC5
PC6 PC7
PC8
PC9
PC10 PC11
PC12
PC14 PC15
PC0
PD1 PD2
PD3 PD4
PD6
PD7
PD8PD9
PD10PD11
PD12PD13
PD14PD15
PD0
PF1PF0
VDD
PA10
PD5
PC13
PA6
5V
3V
5V
Rev A.0 --> First Version
Rev B.0 --> PCB B-00, added 2 SB to isolate USB USER
Rev B.1 --> PCB B-00, reverse LEDs Colors Red/Blue on sheet 4, only a picture modification
STM32F3_USART1_TX
STM32F3_USART1_RX
PC4
PC5
PF2
PF4
PF6
PF9
PF10
PF9 PF10
3V
PF2
PF4
5V
5V
3V
3V
PA11PA12
PF6
PE2
PE4
PE5
PE8
PE9
PE10
PE11
PE12
PE13
PE14
PE15
PB6
PA11
PA12
PB7
PA7
PB3
SB22SB21

STM32F3DISCOVERY electrical schematics UM1570
32/36 Doc ID 023594 Rev 3
Figure 12. ST-LINK/V2 (SWD only)
1
1
2
2
3
3
4
4
D D
C C
B B
A A
STMicroelectronics
Title:
Number: Rev: Sheet of
B.1(PCB.SCH) Date:9/13/2012
C7
20pF
C9
20pF
1 2
X1
8MHz
3V
USB_DM
USB_DP
STM_RST
T_JTCK
T_JTCK
T_JTDO
T_JTDI
T_JTMS
STM_JTMS
STM_JTCK
OSC_IN
OSC_OUT
T_NRST
R24 4K7
R25 4K7
AIN_1
C12
100nF
R23
100K
R10
100K
3V
3V
3V
SWIM_IN
SWIM_IN
SWIM_IN
SWIM
SWIM
SWIM_RST_IN
SWIM_RST
MB1035 2 4
STM32F3DISCOVERY ST-LINK/V2 (SWD only)
USB ST-LINK
U5V
COM
5VU5V
3V
R1
1K
PWR
LD1
RED
5V
JP2
Wired on Solder Side
JP1
C5
100nF
C8
100nF
C13
100nF
C10
100nF
3V
Jumpers ON --> DISCOVERY Selected
Jumpers OFF --> ST-LINK Selected
VBAT
1
PA7
17
PC13
2
PA12 33
PC14
3
PB0
18
PC15
4JTMS/SWDIO 34
OSCIN
5
PB1
19
OSCOUT
6
VSS_2 35
NRST
7
PB2/BOOT1
20
VSSA
8
VDD_2 36
VDDA
9
PB10
21
PA0
10
JTCK/SWCLK 37
PA1
11
PB11
22
PA2
12
PA15/JTDI 38
PA3
13
VSS_1
23
PA4
14
PB3/JTDO 39
PA5
15
VDD_1
24
PA6
16
PB4/JNTRST 40
PB12 25
PB5 41
PB13 26
PB6 42
PB14 27
PB7 43
PB15 28
BOOT0 44
PA8 29
PB8 45
PA9 30
PB9 46
PA10 31
VSS_3 47
PA11 32
VDD_3 48
U2
STM32F103C8T6
Board Ident: PC13=0
T_JTCK
T_JTMS
SWD
3V
1
2
3
4
CN4
SB1 SB2
SB3 SB4
SB5 SB6
SB8 SB9
STM_JTMS
STM_JTCK SWCLK
SWDIO
SWD
RESERVED
DEFAULT
3V
T_SWDIO_IN
LED_STLINK
LED_STLINK 3V
R6
100
R5
100
R2
0
Red
_Green
2 1
3 4
LD2
LD_BICOLOR_CMS
R19
22
R20
22
R8 10K
R9 10K
PA13
PA14
TCK/SWCLK
TMS/SWDIO
VDD3V
R3
10K
Not Fitted
MCO
C3
1μF_X5R_0603
C1
10nF_X7R_0603
C6
1μF_X5R_0603
C4
100nF
C2
100nF
MCO
Not Fitted
T_JRST
R26
100
1
2
3
4
5
6
CN3
Header 6
R7
100
AIN_1
T_NRST
T_SWO
NRST
R21
22
R22
22
SB7
T_NRST
Not Fitted
SB11
RC Must be very close to STM32F103 pin 29
JP3
51
2
GND
3
4
BYPASS
INH
Vin Vout
U1
LD3985M33R
D2
BAT60JFILM
D3
BAT60JFILM
D1
BAT60JFILM
R48
100 C38
20pF
Idd
EXT_5V, Input or Output
JP4
TX
RX
STLINK_RX
Not Fitted
SB13
SB15
PC5
PC4
STM32F3_USART1_TX
STM32F3_USART1_RX
Close to JP
Not Fitted
STLINK_TX
USB_DM
USB_DP
3V
R12 1K5
R11 100K
VCC 1
D- 2
D+ 3
ID 4
GND 5
SHELL 0
CN1
5075BMR-05-SM
R14 0
R13 0
T_SWO
PB3
SB10
T_SWO
EXT_3V, Input or Output

UM1570 STM32F3DISCOVERY electrical schematics
Doc ID 023594 Rev 3 33/36
Figure 13. STM32F303VCT6 MCU
1
1
2
2
3
3
4
4
D D
C C
B B
A A
STMicroelectronics
Title:
Number: Rev: Sheet of
B.1(PCB.SCH) Date:9/13/2012
C22
20pF
C23
20pF
41
32
X3
MC306-G-06Q-32.768
C14
6.8pF
C26
6.8pF
MB1035 3 4
STM32F3DISCOVERY - STM32F303 MCU
PB5
PB6
PB7
PA4
PA5
PA6
PA7
R36 10K
VDD
PA11
PA12
PA9
PA10
PB12
PB13
PB14
PB15
PB10
PB11
PB8
PA0
PB9
PA1
PB1
PB2
PA15
PB3
PB0
PA3
PA13
PA14
PB4
PA2
PA8
BOOT0
MCO
PF1-OSC_OUT
PA0
NRST
PB0
PC15
PC14
BOOT0
PF1
PF0
Must be close to the Crystal
SB19
SB18
SB17
C30
100nF
C32
100nF
C28
100nF
C27
100nF
C24
1uF
NRST
C21
100nF
MCO
1 2
X2
8MHz
Not Fitted
L1
fcm1608-0603 C20
1uF
VDD
R31
0
C17
100nF
C16
1uF
C25
100nF
C31
100nF
C29
100nF
PC0 PC0
PC1
PC2
PC3
PC4
PC5
PC6
PC7
PC8
PC9
PC10
PC11
PC12
PC13
PE0 PE0
PE1
PE2
PE3
PE4
PE5
PE6
PE7
PE8
PE9
PE10
PE11
PE12
PE13
PE14
PE15
PD0
PD0
PD1
PD2
PD3
PD4
PD5
PD6
PD7
PD8
PD9
PD10
PD11
PD12
PD13
PD14
PD15
PC14-OSC32_IN
PC15-OSC32_OUT
SB16
SB14
R34
0
R35 510
PC14-OSC32_IN
PC15-OSC32_OUT
SB12
PF0-OSC_IN R33 0
R32 220
R29 0
R30 0
PF1-OSC_OUT
PF0-OSC_IN
PF2
PF2
PF4
PF4
PF6
PF6
PF9
PF9 PF10
PF10
PA1
PA2
PA3
PA4
PA5
PA6
PA7
PA8
PA9
PA10
PA11
PA12
PA13
PA14
PA15
PB1
PB2
PB3
PB4
PB5
PB6
PB7
PB8
PB9
PB10
PB11
PB12
PB13
PB14
PB15
PE1
PE2
PE3
PE4
PE5
PE6
PE7
PE8
PE9
PE10
PE11
PE12
PE13
PE14
PE15
PD1
PD2
PD3
PD4
PD5
PD6
PD7
PD8
PD9
PD10
PD11
PD12
PD13
PD14
PD15
PC1
PC2
PC3
PC4
PC5
PC6
PC7
PC8
PC9
PC10
PC11
PC12
PC13
Not Fitted
VSSadc/VREF- 20
VREF+
21
VDDadc
22
VSS3 74
VSSA_VSS1 99
VBAT
6
VDD4
28
VDD2
50
VDD3
75
VDDA_VDD1
100
VSS2 49
U4B
STM32F303VCT6
PF0-OSC_IN
12
PF1-OSC_OUT
13
NRST
14
PA0
23
PA1
24
PA2
25
PA3
26
PA4
29
PA5
30
PA6
31
PA7
32
PB0
35
PB1
36
PB2
37
PB10
47
PB14
53
PB15
54
PA8
67
PA9
68
PA10
69
PA11
70
PA12
71
PA13
72
PF6
73
PA14
76
PA15
77
PB3
89
PB4
90
PB5
91
PB6
92
PB7
93
BOOT0
94
PB8
95
PB9
96
PE2 1
PE3 2
PE4 3
PE5 4
PE6-WKUP3 5
PC13-WKUP2 7
PC14-OSC32_IN 8
PC15-OSC32_OUT 9
PC0 15
PC1 16
PC2 17
PC3 18
PC4 33
PC5 34
PE7 38
PE8 39
PE9 40
PE10 41
PE11 42
PE12 43
PE13 44
PE14 45
PE15 46
PD8 55
PD9 56
PD10 57
PD11 58
PD12 59
PD13 60
PD14 61
PD15 62
PC6 63
PC7 64
PC8 65
PC9 66
PC10 78
PC11 79
PC12 80
PD0 81
PD1 82
PD2 83
PD3 84
PD4 85
PD5 86
PD6 87
PD7 88
PE0 97
PE1 98
PF9
10
PF10
11
PF2
19
PF4
27
PB11
48
PB12
51
PB13
52
U4A
STM32F303VCT6
Not Fitted

STM32F3DISCOVERY electrical schematics UM1570
34/36 Doc ID 023594 Rev 3
Figure 14. Peripherals
1
1
2
2
3
3
4
4
D D
C C
B B
A A
STMicroelectronics
Title:
Number: Rev: Sheet of
B.1(PCB.SCH) Date:9/13/2012
1 2
LD3
Red
1 2
LD5
Orange
1 2
LD4
Blue
1 2
LD7
Green
R44
510
R42
680
R41
680
R40
680
MB1035 44
STM32F3DISCOVERY Peripherals
LEDs MEMS
C33
100nF
R4
220K
VDD
12
3 4
B1
SW-PUSH-CMS
SB20
PA0 R38
330
R37
100
USER & WAKE-UP Button
NRST
NRST
RESET Button
C37
100nF
R39
100K
VDD
12
3 4
B2
SW-PUSH-CMS
SB23
Not Fitted
PA0
PE8
PE8
PA5
PA7
PE0
3V
SPI1_MOSI
SPI1_SCK PA5
PA7
PE0
PE1
MEMS_INT1
MEMS_INT2 PE1
PA6
PE3
PE3
PA6
SPI1_MISO
CS_I2C/SPI
VDD_IO
1
GND 13
C1 14
GND
8GND 9
VDD 16
CS_I2C/SPI
5
INT1
7DRDY/INT2
6
GND 10
GND 11
SA0/SDO
4SDA/SDI/SDO
3SCL/SPC
2VDD 15
GND 12
U5
L3GD20
VDD_IO
1
SETP 12
DRDY 9
GND 10
GND 11
VDD 14
C1
6INT1
5INT2
4
GND
7NC 8
SETC 13
SDA
3SCL
2
U3
LSM303DLHC
1 2
LD10
Red
1 2
LD8
Orange
1 2
LD9
Blue
1 2
LD6
Green
R43
510
R45
680
R46
680
R47
680
3V
C34
10uF
PE15
PE9
PE10
PE11
PE12
PE13
PE14
PE15
PB6 PB6
PB7
PB7
PA11
PA12
USB_DM
USB_DP
USB User
3V
R16 1K5
R15 100K
VCC 1
D- 2
D+ 3
ID 4
GND 5
SHELL 0
CN2
5075BMR-05-SM
R18 22
R17 22
R27
10K
R28
10K
C18
10uF
C35
100nF
C36
10nF/25V
C15 220nF
C19
100nF
C11
4.7uF
PE2
PE4
PE5
PE4
PE5
PE2
R
BO
G
R
B O
G
N
R
R
G
G
G
G
O
B
B
O
S
E
W
Silkscreen for Gyroscope and E-compass with accelerometer
PE9
PE10
PE11
PE12
PE13
PE14
5V
D4
BAT60JFILM
D5
BAT60JFILM

UM1570 Revision history
Doc ID 023594 Rev 3 35/36
7 Revision history
Table 7. Document revision history
Date Revision Changes
10-Sep-2012 1 Initial release.
20-Sep-2012 2 Added Figure 7 on page 14 and updated Figure 14 on page 34
07-Feb-2013 3
Updated Section 4.1: STM32F303VCT6 microcontroller: removed
WLCSP package, Sigma Delta ADC, CEC, updated timers and
SPI/I²Ss.

UM1570
36/36 Doc ID 023594 Rev 3
Please Read Carefully:
Information in this document is provided solely in connection with ST products. STMicroelectronics NV and its subsidiaries (“ST”) reserve the
right to make changes, corrections, modifications or improvements, to this document, and the products and services described herein at any
time, without notice.
All ST products are sold pursuant to ST’s terms and conditions of sale.
Purchasers are solely responsible for the choice, selection and use of the ST products and services described herein, and ST assumes no
liability whatsoever relating to the choice, selection or use of the ST products and services described herein.
No license, express or implied, by estoppel or otherwise, to any intellectual property rights is granted under this document. If any part of this
document refers to any third party products or services it shall not be deemed a license grant by ST for the use of such third party products
or services, or any intellectual property contained therein or considered as a warranty covering the use in any manner whatsoever of such
third party products or services or any intellectual property contained therein.
UNLESS OTHERWISE SET FORTH IN ST’S TERMS AND CONDITIONS OF SALE ST DISCLAIMS ANY EXPRESS OR IMPLIED
WARRANTY WITH RESPECT TO THE USE AND/OR SALE OF ST PRODUCTS INCLUDING WITHOUT LIMITATION IMPLIED
WARRANTIES OF MERCHANTABILITY, FITNESS FOR A PARTICULAR PURPOSE (AND THEIR EQUIVALENTS UNDER THE LAWS
OF ANY JURISDICTION), OR INFRINGEMENT OF ANY PATENT, COPYRIGHT OR OTHER INTELLECTUAL PROPERTY RIGHT.
UNLESS EXPRESSLY APPROVED IN WRITING BY TWO AUTHORIZED ST REPRESENTATIVES, ST PRODUCTS ARE NOT
RECOMMENDED, AUTHORIZED OR WARRANTED FOR USE IN MILITARY, AIR CRAFT, SPACE, LIFE SAVING, OR LIFE SUSTAINING
APPLICATIONS, NOR IN PRODUCTS OR SYSTEMS WHERE FAILURE OR MALFUNCTION MAY RESULT IN PERSONAL INJURY,
DEATH, OR SEVERE PROPERTY OR ENVIRONMENTAL DAMAGE. ST PRODUCTS WHICH ARE NOT SPECIFIED AS "AUTOMOTIVE
GRADE" MAY ONLY BE USED IN AUTOMOTIVE APPLICATIONS AT USER’S OWN RISK.
Resale of ST products with provisions different from the statements and/or technical features set forth in this document shall immediately void
any warranty granted by ST for the ST product or service described herein and shall not create or extend in any manner whatsoever, any
liability of ST.
ST and the ST logo are trademarks or registered trademarks of ST in various countries.
Information in this document supersedes and replaces all information previously supplied.
The ST logo is a registered trademark of STMicroelectronics. All other names are the property of their respective owners.
© 2013 STMicroelectronics - All rights reserved
STMicroelectronics group of companies
Australia - Belgium - Brazil - Canada - China - Czech Republic - Finland - France - Germany - Hong Kong - India - Israel - Italy - Japan -
Malaysia - Malta - Morocco - Philippines - Singapore - Spain - Sweden - Switzerland - United Kingdom - United States of America
www.st.com