Datasheet STM32L432KB STM32L432KC Ultra Low Power Arm® Cortex® M4 32 Bit MCU+FPU, 100DMIPS, Up To 256KB Flash, 64KB SRAM, US Manual
stm32l432kb-manual
stm32l432kb-manual
User Manual:
Open the PDF directly: View PDF
.
Page Count: 157 [warning: Documents this large are best viewed by clicking the View PDF Link!]
- 1 Introduction
- 2 Description
- 3 Functional overview
- 3.1 Arm® Cortex®-M4 core with FPU
- 3.2 Adaptive real-time memory accelerator (ART Accelerator™)
- 3.3 Memory protection unit
- 3.4 Embedded Flash memory
- 3.5 Embedded SRAM
- 3.6 Firewall
- 3.7 Boot modes
- 3.8 Cyclic redundancy check calculation unit (CRC)
- 3.9 Power supply management
- 3.10 Interconnect matrix
- 3.11 Clocks and startup
- 3.12 General-purpose inputs/outputs (GPIOs)
- 3.13 Direct memory access controller (DMA)
- 3.14 Interrupts and events
- 3.15 Analog to digital converter (ADC)
- 3.16 Digital to analog converter (DAC)
- 3.17 Comparators (COMP)
- 3.18 Operational amplifier (OPAMP)
- 3.19 Touch sensing controller (TSC)
- 3.20 Random number generator (RNG)
- 3.21 Timers and watchdogs
- Table 9. Timer feature comparison
- 3.21.1 Advanced-control timer (TIM1)
- 3.21.2 General-purpose timers (TIM2, TIM15, TIM16)
- 3.21.3 Basic timers (TIM6 and TIM7)
- 3.21.4 Low-power timer (LPTIM1 and LPTIM2)
- 3.21.5 Infrared interface (IRTIM)
- 3.21.6 Independent watchdog (IWDG)
- 3.21.7 System window watchdog (WWDG)
- 3.21.8 SysTick timer
- 3.22 Real-time clock (RTC) and backup registers
- 3.23 Inter-integrated circuit interface (I2C)
- 3.24 Universal synchronous/asynchronous receiver transmitter (USART)
- 3.25 Low-power universal asynchronous receiver transmitter (LPUART)
- 3.26 Serial peripheral interface (SPI)
- 3.27 Serial audio interfaces (SAI)
- 3.28 Single wire protocol master interface (SWPMI)
- 3.29 Controller area network (CAN)
- 3.30 Universal serial bus (USB)
- 3.31 Clock recovery system (CRS)
- 3.32 Quad SPI memory interface (QUADSPI)
- 3.33 Development support
- 4 Pinouts and pin description
- 5 Memory mapping
- 6 Electrical characteristics
- 6.1 Parameter conditions
- 6.2 Absolute maximum ratings
- 6.3 Operating conditions
- 6.3.1 General operating conditions
- 6.3.2 Operating conditions at power-up / power-down
- 6.3.3 Embedded reset and power control block characteristics
- 6.3.4 Embedded voltage reference
- 6.3.5 Supply current characteristics
- Table 25. Current consumption in Run and Low-power run modes, code with data processing running from Flash, ART enable (Cache ON Prefetch OFF)
- Table 26. Current consumption in Run and Low-power run modes, code with data processing running from Flash, ART disable
- Table 27. Current consumption in Run and Low-power run modes, code with data processing running from SRAM1
- Table 28. Typical current consumption in Run and Low-power run modes, with different codes running from Flash, ART enable (Cache ON Prefetch OFF)
- Table 29. Typical current consumption in Run and Low-power run modes, with different codes running from Flash, ART disable
- Table 30. Typical current consumption in Run and Low-power run modes, with different codes running from SRAM1
- Table 31. Current consumption in Sleep and Low-power sleep modes, Flash ON
- Table 32. Current consumption in Low-power sleep modes, Flash in power-down
- Table 33. Current consumption in Stop 2 mode
- Table 34. Current consumption in Stop 1 mode
- Table 35. Current consumption in Stop 0
- Table 36. Current consumption in Standby mode
- Table 37. Current consumption in Shutdown mode
- Table 38. Peripheral current consumption
- 6.3.6 Wakeup time from low-power modes and voltage scaling transition times
- 6.3.7 External clock source characteristics
- Table 42. High-speed external user clock characteristics
- Figure 12. High-speed external clock source AC timing diagram
- Table 43. Low-speed external user clock characteristics
- Figure 13. Low-speed external clock source AC timing diagram
- Table 44. LSE oscillator characteristics (fLSE = 32.768 kHz)
- Figure 14. Typical application with a 32.768 kHz crystal
- 6.3.8 Internal clock source characteristics
- Table 45. HSI16 oscillator characteristics
- Figure 15. HSI16 frequency versus temperature
- Table 46. MSI oscillator characteristics
- Figure 16. Typical current consumption versus MSI frequency
- Table 47. HSI48 oscillator characteristics
- Figure 17. HSI48 frequency versus temperature
- Table 48. LSI oscillator characteristics
- 6.3.9 PLL characteristics
- 6.3.10 Flash memory characteristics
- 6.3.11 EMC characteristics
- 6.3.12 Electrical sensitivity characteristics
- 6.3.13 I/O current injection characteristics
- 6.3.14 I/O port characteristics
- 6.3.15 NRST pin characteristics
- 6.3.16 Extended interrupt and event controller input (EXTI) characteristics
- 6.3.17 Analog switches booster
- 6.3.18 Analog-to-Digital converter characteristics
- Table 63. ADC characteristics
- Table 64. Maximum ADC RAIN
- Table 65. ADC accuracy - limited test conditions 1
- Table 66. ADC accuracy - limited test conditions 2
- Table 67. ADC accuracy - limited test conditions 3
- Table 68. ADC accuracy - limited test conditions 4
- Figure 21. ADC accuracy characteristics
- Figure 22. Typical connection diagram using the ADC
- 6.3.19 Digital-to-Analog converter characteristics
- 6.3.20 Comparator characteristics
- 6.3.21 Operational amplifiers characteristics
- 6.3.22 Temperature sensor characteristics
- 6.3.23 Timer characteristics
- 6.3.24 Communication interfaces characteristics
- Table 77. I2C analog filter characteristics
- Table 78. SPI characteristics
- Figure 24. SPI timing diagram - slave mode and CPHA = 0
- Figure 25. SPI timing diagram - slave mode and CPHA = 1
- Figure 26. SPI timing diagram - master mode
- Table 79. Quad SPI characteristics in SDR mode
- Table 80. QUADSPI characteristics in DDR mode
- Figure 27. Quad SPI timing diagram - SDR mode
- Figure 28. Quad SPI timing diagram - DDR mode
- Table 81. SAI characteristics
- Figure 29. SAI master timing waveforms
- Figure 30. SAI slave timing waveforms
- Table 82. USB electrical characteristics
- Table 83. SWPMI electrical characteristics
- 7 Package information
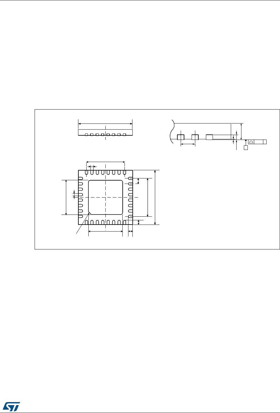
- 7.1 UFQFPN32 package information
- Figure 31. UFQFPN32 - 32-pin, 5x5 mm, 0.5 mm pitch ultra thin fine pitch quad flat package outline
- Table 84. UFQFPN32 - 32-pin, 5x5 mm, 0.5 mm pitch ultra thin fine pitch quad flat package mechanical data
- Figure 32. UFQFPN32 - 32-pin, 5x5 mm, 0.5 mm pitch ultra thin fine pitch quad flat package recommended footprint
- Figure 33. UFQFPN32 marking (package top view)
- 7.2 Thermal characteristics
- 7.1 UFQFPN32 package information
- 8 Ordering information
- 9 Revision history

This is information on a product in full production.
May 2018 DS11451 Rev 4 1/156
STM32L432KB STM32L432KC
Ultra-low-power Arm® Cortex®-M4 32-bit MCU+FPU, 100DMIPS,
up to 256KB Flash, 64KB SRAM, USB FS, analog, audio
Datasheet - production data
Features
•Ultra-low-power with FlexPowerControl
– 1.71 V to 3.6 V power supply
– -40 °C to 85/105/125 °C temperature range
– 8 nA Shutdown mode (2 wakeup pins)
– 28 nA Standby mode (2 wakeup pins)
– 280 nA Standby mode with RTC
– 1.0 µA Stop 2 mode, 1.28 µA with RTC
– 84 µA/MHz run mode
– Batch acquisition mode (BAM)
– 4 µs wakeup from Stop mode
– Brown out reset (BOR)
– Interconnect matrix
•Core: Arm® 32-bit Cortex®-M4 CPU with FPU,
Adaptive real-time accelerator (ART
Accelerator™) allowing 0-wait-state execution
from Flash memory, frequency up to 80 MHz,
MPU, 100DMIPS and DSP instructions
•Performance benchmark
– 1.25 DMIPS/MHz (Drystone 2.1)
– 273.55 CoreMark® (3.42 CoreMark/MHz @
80 MHz)
•Energy benchmark
– 176.7 ULPBench® score
•Clock Sources
– 32 kHz crystal oscillator for RTC (LSE)
– Internal 16 MHz factory-trimmed RC (±1%)
– Internal low-power 32 kHz RC (±5%)
– Internal multispeed 100 kHz to 48 MHz
oscillator, auto-trimmed by LSE (better than
±0.25 % accuracy)
– Internal 48 MHz with clock recovery
– 2 PLLs for system clock, USB, audio, ADC
•Up to 26 fast I/Os, most 5 V-tolerant
•RTC with HW calendar, alarms and calibration
•Up to 3 capacitive sensing channels
•11x timers: 1x 16-bit advanced motor-control,
1x 32-bit and 2x 16-bit general purpose, 2x 16-
bit basic, 2x low-power 16-bit timers (available
in Stop mode), 2x watchdogs, SysTick timer
•Memories
– Up to 256 KB single bank Flash,
proprietary code readout protection
– 64 KB of SRAM including 16 KB with
hardware parity check
– Quad SPI memory interface
•Rich analog peripherals (independent supply)
– 1x 12-bit ADC 5 Msps, up to 16-bit with
hardware oversampling, 200 µA/Msps
– 2x 12-bit DAC output channels, low-power
sample and hold
– 1x operational amplifier with built-in PGA
– 2x ultra-low-power comparators
•14x communication interfaces
– USB 2.0 full-speed crystal less solution
with LPM and BCD
– 1x SAI (serial audio interface)
–2x I2C FM+(1 Mbit/s), SMBus/PMBus
– 3x USARTs (ISO 7816, LIN, IrDA, modem)
– 1x LPUART (Stop 2 wake-up)
– 2x SPIs (and 1x Quad SPI)
– CAN (2.0B Active)
– SWPMI single wire protocol master I/F
– IRTIM (Infrared interface)
•14-channel DMA controller
•True random number generator
UFQFPN32 (5x5)
www.st.com

STM32L432KB STM32L432KC
2/156 DS11451 Rev 4
•CRC calculation unit, 96-bit unique ID
•Development support: serial wire debug
(SWD), JTAG, Embedded Trace Macrocell™
•All packages are ECOPACK2® compliant

DS11451 Rev 4 3/156
STM32L432KB STM32L432KC Contents
6
Contents
1 Introduction . . . . . . . . . . . . . . . . . . . . . . . . . . . . . . . . . . . . . . . . . . . . . . . 10
2 Description . . . . . . . . . . . . . . . . . . . . . . . . . . . . . . . . . . . . . . . . . . . . . . . . 11
3 Functional overview . . . . . . . . . . . . . . . . . . . . . . . . . . . . . . . . . . . . . . . . 14
3.1 Arm® Cortex®-M4 core with FPU . . . . . . . . . . . . . . . . . . . . . . . . . . . . . . . 14
3.2 Adaptive real-time memory accelerator (ART Accelerator™) . . . . . . . . . 14
3.3 Memory protection unit . . . . . . . . . . . . . . . . . . . . . . . . . . . . . . . . . . . . . . . 14
3.4 Embedded Flash memory . . . . . . . . . . . . . . . . . . . . . . . . . . . . . . . . . . . . 15
3.5 Embedded SRAM . . . . . . . . . . . . . . . . . . . . . . . . . . . . . . . . . . . . . . . . . . . 16
3.6 Firewall . . . . . . . . . . . . . . . . . . . . . . . . . . . . . . . . . . . . . . . . . . . . . . . . . . . 16
3.7 Boot modes . . . . . . . . . . . . . . . . . . . . . . . . . . . . . . . . . . . . . . . . . . . . . . . 17
3.8 Cyclic redundancy check calculation unit (CRC) . . . . . . . . . . . . . . . . . . . 17
3.9 Power supply management . . . . . . . . . . . . . . . . . . . . . . . . . . . . . . . . . . . 17
3.9.1 Power supply schemes . . . . . . . . . . . . . . . . . . . . . . . . . . . . . . . . . . . . . 17
3.9.2 Power supply supervisor . . . . . . . . . . . . . . . . . . . . . . . . . . . . . . . . . . . . 19
3.9.3 Voltage regulator . . . . . . . . . . . . . . . . . . . . . . . . . . . . . . . . . . . . . . . . . . 20
3.9.4 Low-power modes . . . . . . . . . . . . . . . . . . . . . . . . . . . . . . . . . . . . . . . . . 20
3.9.5 Reset mode . . . . . . . . . . . . . . . . . . . . . . . . . . . . . . . . . . . . . . . . . . . . . . 28
3.10 Interconnect matrix . . . . . . . . . . . . . . . . . . . . . . . . . . . . . . . . . . . . . . . . . . 28
3.11 Clocks and startup . . . . . . . . . . . . . . . . . . . . . . . . . . . . . . . . . . . . . . . . . . 30
3.12 General-purpose inputs/outputs (GPIOs) . . . . . . . . . . . . . . . . . . . . . . . . . 33
3.13 Direct memory access controller (DMA) . . . . . . . . . . . . . . . . . . . . . . . . . . 33
3.14 Interrupts and events . . . . . . . . . . . . . . . . . . . . . . . . . . . . . . . . . . . . . . . . 34
3.14.1 Nested vectored interrupt controller (NVIC) . . . . . . . . . . . . . . . . . . . . . . 34
3.14.2 Extended interrupt/event controller (EXTI) . . . . . . . . . . . . . . . . . . . . . . 34
3.15 Analog to digital converter (ADC) . . . . . . . . . . . . . . . . . . . . . . . . . . . . . . . 35
3.15.1 Temperature sensor . . . . . . . . . . . . . . . . . . . . . . . . . . . . . . . . . . . . . . . . 35
3.15.2 Internal voltage reference (VREFINT) . . . . . . . . . . . . . . . . . . . . . . . . . . 36
3.16 Digital to analog converter (DAC) . . . . . . . . . . . . . . . . . . . . . . . . . . . . . . . 36
3.17 Comparators (COMP) . . . . . . . . . . . . . . . . . . . . . . . . . . . . . . . . . . . . . . . 37
3.18 Operational amplifier (OPAMP) . . . . . . . . . . . . . . . . . . . . . . . . . . . . . . . . 37

Contents STM32L432KB STM32L432KC
4/156 DS11451 Rev 4
3.19 Touch sensing controller (TSC) . . . . . . . . . . . . . . . . . . . . . . . . . . . . . . . . 37
3.20 Random number generator (RNG) . . . . . . . . . . . . . . . . . . . . . . . . . . . . . . 38
3.21 Timers and watchdogs . . . . . . . . . . . . . . . . . . . . . . . . . . . . . . . . . . . . . . . 38
3.21.1 Advanced-control timer (TIM1) . . . . . . . . . . . . . . . . . . . . . . . . . . . . . . . 39
3.21.2 General-purpose timers (TIM2, TIM15, TIM16) . . . . . . . . . . . . . . . . . . . 40
3.21.3 Basic timers (TIM6 and TIM7) . . . . . . . . . . . . . . . . . . . . . . . . . . . . . . . . 40
3.21.4 Low-power timer (LPTIM1 and LPTIM2) . . . . . . . . . . . . . . . . . . . . . . . . 40
3.21.5 Infrared interface (IRTIM) . . . . . . . . . . . . . . . . . . . . . . . . . . . . . . . . . . . 41
3.21.6 Independent watchdog (IWDG) . . . . . . . . . . . . . . . . . . . . . . . . . . . . . . . 41
3.21.7 System window watchdog (WWDG) . . . . . . . . . . . . . . . . . . . . . . . . . . . 41
3.21.8 SysTick timer . . . . . . . . . . . . . . . . . . . . . . . . . . . . . . . . . . . . . . . . . . . . . 41
3.22 Real-time clock (RTC) and backup registers . . . . . . . . . . . . . . . . . . . . . . 42
3.23 Inter-integrated circuit interface (I2C) . . . . . . . . . . . . . . . . . . . . . . . . . . . . 43
3.24 Universal synchronous/asynchronous receiver transmitter (USART) . . . 44
3.25 Low-power universal asynchronous receiver transmitter (LPUART) . . . . 45
3.26 Serial peripheral interface (SPI) . . . . . . . . . . . . . . . . . . . . . . . . . . . . . . . . 46
3.27 Serial audio interfaces (SAI) . . . . . . . . . . . . . . . . . . . . . . . . . . . . . . . . . . . 46
3.28 Single wire protocol master interface (SWPMI) . . . . . . . . . . . . . . . . . . . . 47
3.29 Controller area network (CAN) . . . . . . . . . . . . . . . . . . . . . . . . . . . . . . . . . 47
3.30 Universal serial bus (USB) . . . . . . . . . . . . . . . . . . . . . . . . . . . . . . . . . . . . 48
3.31 Clock recovery system (CRS) . . . . . . . . . . . . . . . . . . . . . . . . . . . . . . . . . 48
3.32 Quad SPI memory interface (QUADSPI) . . . . . . . . . . . . . . . . . . . . . . . . . 49
3.33 Development support . . . . . . . . . . . . . . . . . . . . . . . . . . . . . . . . . . . . . . . . 50
3.33.1 Serial wire JTAG debug port (SWJ-DP) . . . . . . . . . . . . . . . . . . . . . . . . . 50
3.33.2 Embedded Trace Macrocell™ . . . . . . . . . . . . . . . . . . . . . . . . . . . . . . . . 50
4 Pinouts and pin description . . . . . . . . . . . . . . . . . . . . . . . . . . . . . . . . . . 51
5 Memory mapping . . . . . . . . . . . . . . . . . . . . . . . . . . . . . . . . . . . . . . . . . . . 59
6 Electrical characteristics . . . . . . . . . . . . . . . . . . . . . . . . . . . . . . . . . . . . 63
6.1 Parameter conditions . . . . . . . . . . . . . . . . . . . . . . . . . . . . . . . . . . . . . . . . 63
6.1.1 Minimum and maximum values . . . . . . . . . . . . . . . . . . . . . . . . . . . . . . . 63
6.1.2 Typical values . . . . . . . . . . . . . . . . . . . . . . . . . . . . . . . . . . . . . . . . . . . . 63
6.1.3 Typical curves . . . . . . . . . . . . . . . . . . . . . . . . . . . . . . . . . . . . . . . . . . . . 63
6.1.4 Loading capacitor . . . . . . . . . . . . . . . . . . . . . . . . . . . . . . . . . . . . . . . . . 63

DS11451 Rev 4 5/156
STM32L432KB STM32L432KC Contents
6
6.1.5 Pin input voltage . . . . . . . . . . . . . . . . . . . . . . . . . . . . . . . . . . . . . . . . . . 63
6.1.6 Power supply scheme . . . . . . . . . . . . . . . . . . . . . . . . . . . . . . . . . . . . . . 64
6.1.7 Current consumption measurement . . . . . . . . . . . . . . . . . . . . . . . . . . . 65
6.2 Absolute maximum ratings . . . . . . . . . . . . . . . . . . . . . . . . . . . . . . . . . . . . 65
6.3 Operating conditions . . . . . . . . . . . . . . . . . . . . . . . . . . . . . . . . . . . . . . . . 67
6.3.1 General operating conditions . . . . . . . . . . . . . . . . . . . . . . . . . . . . . . . . . 67
6.3.2 Operating conditions at power-up / power-down . . . . . . . . . . . . . . . . . . 68
6.3.3 Embedded reset and power control block characteristics . . . . . . . . . . . 68
6.3.4 Embedded voltage reference . . . . . . . . . . . . . . . . . . . . . . . . . . . . . . . . . 70
6.3.5 Supply current characteristics . . . . . . . . . . . . . . . . . . . . . . . . . . . . . . . . 72
6.3.6 Wakeup time from low-power modes and voltage scaling
transition times . . . . . . . . . . . . . . . . . . . . . . . . . . . . . . . . . . . . . . . . . . . . 89
6.3.7 External clock source characteristics . . . . . . . . . . . . . . . . . . . . . . . . . . . 92
6.3.8 Internal clock source characteristics . . . . . . . . . . . . . . . . . . . . . . . . . . . 95
6.3.9 PLL characteristics . . . . . . . . . . . . . . . . . . . . . . . . . . . . . . . . . . . . . . . . 102
6.3.10 Flash memory characteristics . . . . . . . . . . . . . . . . . . . . . . . . . . . . . . . 103
6.3.11 EMC characteristics . . . . . . . . . . . . . . . . . . . . . . . . . . . . . . . . . . . . . . . 104
6.3.12 Electrical sensitivity characteristics . . . . . . . . . . . . . . . . . . . . . . . . . . . 105
6.3.13 I/O current injection characteristics . . . . . . . . . . . . . . . . . . . . . . . . . . . 106
6.3.14 I/O port characteristics . . . . . . . . . . . . . . . . . . . . . . . . . . . . . . . . . . . . . 107
6.3.15 NRST pin characteristics . . . . . . . . . . . . . . . . . . . . . . . . . . . . . . . . . . . 112
6.3.16 Extended interrupt and event controller input (EXTI) characteristics . . 113
6.3.17 Analog switches booster . . . . . . . . . . . . . . . . . . . . . . . . . . . . . . . . . . . 113
6.3.18 Analog-to-Digital converter characteristics . . . . . . . . . . . . . . . . . . . . . 114
6.3.19 Digital-to-Analog converter characteristics . . . . . . . . . . . . . . . . . . . . . 127
6.3.20 Comparator characteristics . . . . . . . . . . . . . . . . . . . . . . . . . . . . . . . . . 132
6.3.21 Operational amplifiers characteristics . . . . . . . . . . . . . . . . . . . . . . . . . 133
6.3.22 Temperature sensor characteristics . . . . . . . . . . . . . . . . . . . . . . . . . . . 136
6.3.23 Timer characteristics . . . . . . . . . . . . . . . . . . . . . . . . . . . . . . . . . . . . . . 136
6.3.24 Communication interfaces characteristics . . . . . . . . . . . . . . . . . . . . . . 138
7 Package information . . . . . . . . . . . . . . . . . . . . . . . . . . . . . . . . . . . . . . . 149
7.1 UFQFPN32 package information . . . . . . . . . . . . . . . . . . . . . . . . . . . . . . 149
7.2 Thermal characteristics . . . . . . . . . . . . . . . . . . . . . . . . . . . . . . . . . . . . . 152
7.2.1 Reference document . . . . . . . . . . . . . . . . . . . . . . . . . . . . . . . . . . . . . . 152
8 Ordering information . . . . . . . . . . . . . . . . . . . . . . . . . . . . . . . . . . . . . . 153

DS11451 Rev 4 7/156
STM32L432KB STM32L432KC List of tables
8
List of tables
Table 1. STM32L432Kx family device features and peripheral counts. . . . . . . . . . . . . . . . . . . . . . . 11
Table 2. Access status versus readout protection level and execution modes. . . . . . . . . . . . . . . . . 15
Table 3. STM32L432xx modes overview . . . . . . . . . . . . . . . . . . . . . . . . . . . . . . . . . . . . . . . . . . . . . 21
Table 4. Functionalities depending on the working mode. . . . . . . . . . . . . . . . . . . . . . . . . . . . . . . . . 26
Table 5. STM32L432xx peripherals interconnect matrix . . . . . . . . . . . . . . . . . . . . . . . . . . . . . . . . . 28
Table 6. DMA implementation . . . . . . . . . . . . . . . . . . . . . . . . . . . . . . . . . . . . . . . . . . . . . . . . . . . . . 33
Table 7. Temperature sensor calibration values. . . . . . . . . . . . . . . . . . . . . . . . . . . . . . . . . . . . . . . . 36
Table 8. Internal voltage reference calibration values . . . . . . . . . . . . . . . . . . . . . . . . . . . . . . . . . . . 36
Table 9. Timer feature comparison . . . . . . . . . . . . . . . . . . . . . . . . . . . . . . . . . . . . . . . . . . . . . . . . . . 38
Table 10. I2C implementation. . . . . . . . . . . . . . . . . . . . . . . . . . . . . . . . . . . . . . . . . . . . . . . . . . . . . . . 43
Table 11. STM32L432xx USART/LPUART features . . . . . . . . . . . . . . . . . . . . . . . . . . . . . . . . . . . . . 44
Table 12. SAI implementation. . . . . . . . . . . . . . . . . . . . . . . . . . . . . . . . . . . . . . . . . . . . . . . . . . . . . . . 47
Table 13. Legend/abbreviations used in the pinout table . . . . . . . . . . . . . . . . . . . . . . . . . . . . . . . . . . 51
Table 14. STM32L432xx pin definitions . . . . . . . . . . . . . . . . . . . . . . . . . . . . . . . . . . . . . . . . . . . . . . . 52
Table 15. Alternate function AF0 to AF7. . . . . . . . . . . . . . . . . . . . . . . . . . . . . . . . . . . . . . . . . . . . . . . 55
Table 16. Alternate function AF8 to AF15. . . . . . . . . . . . . . . . . . . . . . . . . . . . . . . . . . . . . . . . . . . . . . 57
Table 17. STM32L432xx memory map and peripheral register boundary addresses . . . . . . . . . . . . 60
Table 18. Voltage characteristics . . . . . . . . . . . . . . . . . . . . . . . . . . . . . . . . . . . . . . . . . . . . . . . . . . . . 65
Table 19. Current characteristics . . . . . . . . . . . . . . . . . . . . . . . . . . . . . . . . . . . . . . . . . . . . . . . . . . . . 66
Table 20. Thermal characteristics. . . . . . . . . . . . . . . . . . . . . . . . . . . . . . . . . . . . . . . . . . . . . . . . . . . . 66
Table 21. General operating conditions . . . . . . . . . . . . . . . . . . . . . . . . . . . . . . . . . . . . . . . . . . . . . . . 67
Table 22. Operating conditions at power-up / power-down . . . . . . . . . . . . . . . . . . . . . . . . . . . . . . . . 68
Table 23. Embedded reset and power control block characteristics. . . . . . . . . . . . . . . . . . . . . . . . . . 68
Table 24. Embedded internal voltage reference. . . . . . . . . . . . . . . . . . . . . . . . . . . . . . . . . . . . . . . . . 70
Table 25. Current consumption in Run and Low-power run modes, code with data processing
running from Flash, ART enable (Cache ON Prefetch OFF) . . . . . . . . . . . . . . . . . . . . . . . 73
Table 26. Current consumption in Run and Low-power run modes, code with data processing
running from Flash, ART disable . . . . . . . . . . . . . . . . . . . . . . . . . . . . . . . . . . . . . . . . . . . . 74
Table 27. Current consumption in Run and Low-power run modes, code with data processing
running from SRAM1 . . . . . . . . . . . . . . . . . . . . . . . . . . . . . . . . . . . . . . . . . . . . . . . . . . . . . 75
Table 28. Typical current consumption in Run and Low-power run modes, with different codes
running from Flash, ART enable (Cache ON Prefetch OFF) . . . . . . . . . . . . . . . . . . . . . . . 76
Table 29. Typical current consumption in Run and Low-power run modes, with different codes
running from Flash, ART disable . . . . . . . . . . . . . . . . . . . . . . . . . . . . . . . . . . . . . . . . . . . . 77
Table 30. Typical current consumption in Run and Low-power run modes, with different codes
running from SRAM1 . . . . . . . . . . . . . . . . . . . . . . . . . . . . . . . . . . . . . . . . . . . . . . . . . . . . . 77
Table 31. Current consumption in Sleep and Low-power sleep modes, Flash ON . . . . . . . . . . . . . . 78
Table 32. Current consumption in Low-power sleep modes, Flash in power-down . . . . . . . . . . . . . . 79
Table 33. Current consumption in Stop 2 mode . . . . . . . . . . . . . . . . . . . . . . . . . . . . . . . . . . . . . . . . . 79
Table 34. Current consumption in Stop 1 mode . . . . . . . . . . . . . . . . . . . . . . . . . . . . . . . . . . . . . . . . . 81
Table 35. Current consumption in Stop 0 . . . . . . . . . . . . . . . . . . . . . . . . . . . . . . . . . . . . . . . . . . . . . . 82
Table 36. Current consumption in Standby mode . . . . . . . . . . . . . . . . . . . . . . . . . . . . . . . . . . . . . . . 83
Table 37. Current consumption in Shutdown mode . . . . . . . . . . . . . . . . . . . . . . . . . . . . . . . . . . . . . . 84
Table 38. Peripheral current consumption . . . . . . . . . . . . . . . . . . . . . . . . . . . . . . . . . . . . . . . . . . . . . 87
Table 39. Low-power mode wakeup timings . . . . . . . . . . . . . . . . . . . . . . . . . . . . . . . . . . . . . . . . . . . 89
Table 40. Regulator modes transition times . . . . . . . . . . . . . . . . . . . . . . . . . . . . . . . . . . . . . . . . . . . . 91
Table 41. Wakeup time using USART/LPUART. . . . . . . . . . . . . . . . . . . . . . . . . . . . . . . . . . . . . . . . . 91
Table 42. High-speed external user clock characteristics. . . . . . . . . . . . . . . . . . . . . . . . . . . . . . . . . . 92

List of tables STM32L432KB STM32L432KC
8/156 DS11451 Rev 4
Table 43. Low-speed external user clock characteristics . . . . . . . . . . . . . . . . . . . . . . . . . . . . . . . . . . 93
Table 44. LSE oscillator characteristics (fLSE = 32.768 kHz) . . . . . . . . . . . . . . . . . . . . . . . . . . . . . . . 94
Table 45. HSI16 oscillator characteristics. . . . . . . . . . . . . . . . . . . . . . . . . . . . . . . . . . . . . . . . . . . . . . 95
Table 46. MSI oscillator characteristics . . . . . . . . . . . . . . . . . . . . . . . . . . . . . . . . . . . . . . . . . . . . . . . . . . . . . . . .97
Table 47. HSI48 oscillator characteristics. . . . . . . . . . . . . . . . . . . . . . . . . . . . . . . . . . . . . . . . . . . . . 100
Table 48. LSI oscillator characteristics . . . . . . . . . . . . . . . . . . . . . . . . . . . . . . . . . . . . . . . . . . . . . . . 101
Table 49. PLL, PLLSAI1 characteristics . . . . . . . . . . . . . . . . . . . . . . . . . . . . . . . . . . . . . . . . . . . . . . 102
Table 50. Flash memory characteristics . . . . . . . . . . . . . . . . . . . . . . . . . . . . . . . . . . . . . . . . . . . . . . 103
Table 51. Flash memory endurance and data retention . . . . . . . . . . . . . . . . . . . . . . . . . . . . . . . . . . 103
Table 52. EMS characteristics . . . . . . . . . . . . . . . . . . . . . . . . . . . . . . . . . . . . . . . . . . . . . . . . . . . . . 104
Table 53. EMI characteristics . . . . . . . . . . . . . . . . . . . . . . . . . . . . . . . . . . . . . . . . . . . . . . . . . . . . . . 105
Table 54. ESD absolute maximum ratings . . . . . . . . . . . . . . . . . . . . . . . . . . . . . . . . . . . . . . . . . . . . 105
Table 55. Electrical sensitivities . . . . . . . . . . . . . . . . . . . . . . . . . . . . . . . . . . . . . . . . . . . . . . . . . . . . 106
Table 56. I/O current injection susceptibility . . . . . . . . . . . . . . . . . . . . . . . . . . . . . . . . . . . . . . . . . . . 106
Table 57. I/O static characteristics . . . . . . . . . . . . . . . . . . . . . . . . . . . . . . . . . . . . . . . . . . . . . . . . . . 107
Table 58. Output voltage characteristics . . . . . . . . . . . . . . . . . . . . . . . . . . . . . . . . . . . . . . . . . . . . . 109
Table 59. I/O AC characteristics . . . . . . . . . . . . . . . . . . . . . . . . . . . . . . . . . . . . . . . . . . . . . . . . . . . . 110
Table 60. NRST pin characteristics . . . . . . . . . . . . . . . . . . . . . . . . . . . . . . . . . . . . . . . . . . . . . . . . . 112
Table 61. EXTI Input Characteristics . . . . . . . . . . . . . . . . . . . . . . . . . . . . . . . . . . . . . . . . . . . . . . . . 113
Table 62. Analog switches booster characteristics. . . . . . . . . . . . . . . . . . . . . . . . . . . . . . . . . . . . . . 113
Table 63. ADC characteristics . . . . . . . . . . . . . . . . . . . . . . . . . . . . . . . . . . . . . . . . . . . . . . . . . . . . 114
Table 64. Maximum ADC RAIN . . . . . . . . . . . . . . . . . . . . . . . . . . . . . . . . . . . . . . . . . . . . . . . . . . . . 116
Table 65. ADC accuracy - limited test conditions 1 . . . . . . . . . . . . . . . . . . . . . . . . . . . . . . . . . . . . . 118
Table 66. ADC accuracy - limited test conditions 2 . . . . . . . . . . . . . . . . . . . . . . . . . . . . . . . . . . . . . 120
Table 67. ADC accuracy - limited test conditions 3 . . . . . . . . . . . . . . . . . . . . . . . . . . . . . . . . . . . . . 122
Table 68. ADC accuracy - limited test conditions 4 . . . . . . . . . . . . . . . . . . . . . . . . . . . . . . . . . . . . . 124
Table 69. DAC characteristics . . . . . . . . . . . . . . . . . . . . . . . . . . . . . . . . . . . . . . . . . . . . . . . . . . . . . 127
Table 70. DAC accuracy. . . . . . . . . . . . . . . . . . . . . . . . . . . . . . . . . . . . . . . . . . . . . . . . . . . . . . . . . . 130
Table 71. COMP characteristics . . . . . . . . . . . . . . . . . . . . . . . . . . . . . . . . . . . . . . . . . . . . . . . . . . . . 132
Table 72. OPAMP characteristics . . . . . . . . . . . . . . . . . . . . . . . . . . . . . . . . . . . . . . . . . . . . . . . . . . 133
Table 73. TS characteristics . . . . . . . . . . . . . . . . . . . . . . . . . . . . . . . . . . . . . . . . . . . . . . . . . . . . . . . 136
Table 74. TIMx characteristics . . . . . . . . . . . . . . . . . . . . . . . . . . . . . . . . . . . . . . . . . . . . . . . . . . . . . 137
Table 75. IWDG min/max timeout period at 32 kHz (LSI). . . . . . . . . . . . . . . . . . . . . . . . . . . . . . . . . 137
Table 76. WWDG min/max timeout value at 80 MHz (PCLK). . . . . . . . . . . . . . . . . . . . . . . . . . . . . . 137
Table 77. I2C analog filter characteristics. . . . . . . . . . . . . . . . . . . . . . . . . . . . . . . . . . . . . . . . . . . . . 138
Table 78. SPI characteristics . . . . . . . . . . . . . . . . . . . . . . . . . . . . . . . . . . . . . . . . . . . . . . . . . . . . . . 139
Table 79. Quad SPI characteristics in SDR mode . . . . . . . . . . . . . . . . . . . . . . . . . . . . . . . . . . . . . . 142
Table 80. QUADSPI characteristics in DDR mode . . . . . . . . . . . . . . . . . . . . . . . . . . . . . . . . . . . . . . 143
Table 81. SAI characteristics . . . . . . . . . . . . . . . . . . . . . . . . . . . . . . . . . . . . . . . . . . . . . . . . . . . . . . 145
Table 82. USB electrical characteristics . . . . . . . . . . . . . . . . . . . . . . . . . . . . . . . . . . . . . . . . . . . . . . 147
Table 83. SWPMI electrical characteristics . . . . . . . . . . . . . . . . . . . . . . . . . . . . . . . . . . . . . . . . . . . 148
Table 84. UFQFPN32 - 32-pin, 5x5 mm, 0.5 mm pitch ultra thin fine pitch quad flat
package mechanical data . . . . . . . . . . . . . . . . . . . . . . . . . . . . . . . . . . . . . . . . . . . . . . . . . 150
Table 85. Package thermal characteristics . . . . . . . . . . . . . . . . . . . . . . . . . . . . . . . . . . . . . . . . . . . . 152
Table 86. STM32L432xx ordering information scheme . . . . . . . . . . . . . . . . . . . . . . . . . . . . . . . . . . 153
Table 87. Document revision history . . . . . . . . . . . . . . . . . . . . . . . . . . . . . . . . . . . . . . . . . . . . . . . . 154

DS11451 Rev 4 9/156
STM32L432KB STM32L432KC List of figures
9
List of figures
Figure 1. STM32L432xx block diagram . . . . . . . . . . . . . . . . . . . . . . . . . . . . . . . . . . . . . . . . . . . . . . . 13
Figure 2. Power supply overview . . . . . . . . . . . . . . . . . . . . . . . . . . . . . . . . . . . . . . . . . . . . . . . . . . . . 18
Figure 3. Power-up/down sequence . . . . . . . . . . . . . . . . . . . . . . . . . . . . . . . . . . . . . . . . . . . . . . . . . 19
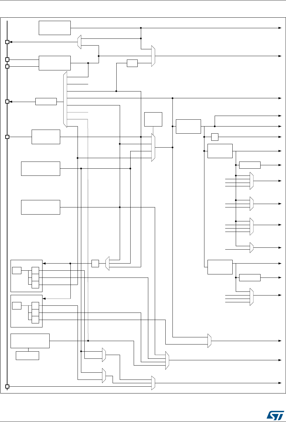
Figure 4. Clock tree . . . . . . . . . . . . . . . . . . . . . . . . . . . . . . . . . . . . . . . . . . . . . . . . . . . . . . . . . . . . . . 32
Figure 5. STM32L432Kx UFQFPN32 pinout(1) . . . . . . . . . . . . . . . . . . . . . . . . . . . . . . . . . . . . . . . . . 51
Figure 6. STM32L432xx memory map. . . . . . . . . . . . . . . . . . . . . . . . . . . . . . . . . . . . . . . . . . . . . . . . 59
Figure 7. Pin loading conditions . . . . . . . . . . . . . . . . . . . . . . . . . . . . . . . . . . . . . . . . . . . . . . . . . . . . . 63
Figure 8. Pin input voltage . . . . . . . . . . . . . . . . . . . . . . . . . . . . . . . . . . . . . . . . . . . . . . . . . . . . . . . . . 63
Figure 9. Power supply scheme. . . . . . . . . . . . . . . . . . . . . . . . . . . . . . . . . . . . . . . . . . . . . . . . . . . . . 64
Figure 10. Current consumption measurement scheme . . . . . . . . . . . . . . . . . . . . . . . . . . . . . . . . . . . 65
Figure 11. VREFINT versus temperature . . . . . . . . . . . . . . . . . . . . . . . . . . . . . . . . . . . . . . . . . . . . . . 71
Figure 12. High-speed external clock source AC timing diagram . . . . . . . . . . . . . . . . . . . . . . . . . . . . 92
Figure 13. Low-speed external clock source AC timing diagram. . . . . . . . . . . . . . . . . . . . . . . . . . . . . 93
Figure 14. Typical application with a 32.768 kHz crystal . . . . . . . . . . . . . . . . . . . . . . . . . . . . . . . . . . . 94
Figure 15. HSI16 frequency versus temperature . . . . . . . . . . . . . . . . . . . . . . . . . . . . . . . . . . . . . . . . . 96
Figure 16. Typical current consumption versus MSI frequency . . . . . . . . . . . . . . . . . . . . . . . . . . . . . 100
Figure 17. HSI48 frequency versus temperature . . . . . . . . . . . . . . . . . . . . . . . . . . . . . . . . . . . . . . . . 101
Figure 18. I/O input characteristics . . . . . . . . . . . . . . . . . . . . . . . . . . . . . . . . . . . . . . . . . . . . . . . . . . 108
Figure 19. I/O AC characteristics definition(1) . . . . . . . . . . . . . . . . . . . . . . . . . . . . . . . . . . . . . . . . . . 112
Figure 20. Recommended NRST pin protection . . . . . . . . . . . . . . . . . . . . . . . . . . . . . . . . . . . . . . . . 113
Figure 21. ADC accuracy characteristics . . . . . . . . . . . . . . . . . . . . . . . . . . . . . . . . . . . . . . . . . . . . . . 125
Figure 22. Typical connection diagram using the ADC . . . . . . . . . . . . . . . . . . . . . . . . . . . . . . . . . . . 126
Figure 23. 12-bit buffered / non-buffered DAC. . . . . . . . . . . . . . . . . . . . . . . . . . . . . . . . . . . . . . . . . . 129
Figure 24. SPI timing diagram - slave mode and CPHA = 0 . . . . . . . . . . . . . . . . . . . . . . . . . . . . . . . 140
Figure 25. SPI timing diagram - slave mode and CPHA = 1 . . . . . . . . . . . . . . . . . . . . . . . . . . . . . . . 141
Figure 26. SPI timing diagram - master mode . . . . . . . . . . . . . . . . . . . . . . . . . . . . . . . . . . . . . . . . . . 141
Figure 27. Quad SPI timing diagram - SDR mode . . . . . . . . . . . . . . . . . . . . . . . . . . . . . . . . . . . . . . . 144
Figure 28. Quad SPI timing diagram - DDR mode. . . . . . . . . . . . . . . . . . . . . . . . . . . . . . . . . . . . . . . 144
Figure 29. SAI master timing waveforms . . . . . . . . . . . . . . . . . . . . . . . . . . . . . . . . . . . . . . . . . . . . . . 146
Figure 30. SAI slave timing waveforms . . . . . . . . . . . . . . . . . . . . . . . . . . . . . . . . . . . . . . . . . . . . . . . 147
Figure 31. UFQFPN32 - 32-pin, 5x5 mm, 0.5 mm pitch ultra thin fine pitch quad flat
package outline. . . . . . . . . . . . . . . . . . . . . . . . . . . . . . . . . . . . . . . . . . . . . . . . . . . . . . . . . 149
Figure 32. UFQFPN32 - 32-pin, 5x5 mm, 0.5 mm pitch ultra thin fine pitch quad flat
package recommended footprint . . . . . . . . . . . . . . . . . . . . . . . . . . . . . . . . . . . . . . . . . . . 150
Figure 33. UFQFPN32 marking (package top view) . . . . . . . . . . . . . . . . . . . . . . . . . . . . . . . . . . . . . 151

Introduction STM32L432KB STM32L432KC
10/156 DS11451 Rev 4
1 Introduction
This datasheet provides the ordering information and mechanical device characteristics of
the STM32L432xx microcontrollers.
This document should be read in conjunction with the STM32L43xxx/44xxx/45xxx/46xxx
reference manual (RM0394). The reference manual is available from the
STMicroelectronics website www.st.com.
For information on the Arm®(a) Cortex®-M4 core, please refer to the Cortex®-M4 Technical
Reference Manual, available from the www.arm.com website.
a. Arm is a registered trademark of Arm Limited (or its subsidiaries) in the US and/or elsewhere.

DS11451 Rev 4 11/156
STM32L432KB STM32L432KC Description
50
2 Description
The STM32L432xx devices are the ultra-low-power microcontrollers based on the high-
performance Arm® Cortex®-M4 32-bit RISC core operating at a frequency of up to 80 MHz.
The Cortex-M4 core features a Floating point unit (FPU) single precision which supports all
Arm® single-precision data-processing instructions and data types. It also implements a full
set of DSP instructions and a memory protection unit (MPU) which enhances application
security.
The STM32L432xx devices embed high-speed memories (Flash memory up to 256 Kbyte,
64 Kbyte of SRAM), a Quad SPI flash memories interface and an extensive range of
enhanced I/Os and peripherals connected to two APB buses, two AHB buses and a 32-bit
multi-AHB bus matrix.
The STM32L432xx devices embed several protection mechanisms for embedded Flash
memory and SRAM: readout protection, write protection, proprietary code readout
protection and Firewall.
The devices offer a fast 12-bit ADC (5 Msps), two comparators, one operational amplifier,
two DAC channels, a low-power RTC, one general-purpose 32-bit timer, one 16-bit PWM
timer dedicated to motor control, four general-purpose 16-bit timers, and two 16-bit low-
power timers.
In addition, up to 3 capacitive sensing channels are available.
They also feature standard and advanced communication interfaces.
•Two I2Cs
•Two SPIs
•Two USARTs and one Low-Power UART.
•One SAI (Serial Audio Interfaces)
•One CAN
•One USB full-speed device crystal less
•One SWPMI (Single Wire Protocol Master Interface)
The STM32L432xx operates in the -40 to +85 °C (+105 °C junction), -40 to +105 °C
(+125 °C junction) and -40 to +125 °C (+130 °C junction) temperature ranges from a 1.71 to
3.6 V power supply. A comprehensive set of power-saving modes allows the design of low-
power applications.
Some independent power supplies are supported: analog independent supply input for
ADC, DAC, OPAMP and comparators
The STM32L432xx family offers a single 32-pin package.
Table 1. STM32L432Kx family device features and peripheral counts
Peripheral STM32L432Kx
Flash memory 256KB
SRAM 64KB
Quad SPI Yes

Description STM32L432KB STM32L432KC
12/156 DS11451 Rev 4
Timers
Advanced control 1 (16-bit)
General purpose 2 (16-bit)
1 (32-bit)
Basic 2 (16-bit)
Low -power 2 (16-bit)
SysTick timer 1
Watchdog timers (independent,
window) 2
Comm. interfaces
SPI 2
I2C2
USART
LPUART
2
1
SAI 1
CAN 1
USB FS Yes(1)
SWPMI Yes
RTC Yes
Tamper pins 1
Random generator Yes
GPIOs
Wakeup pins
26
2
Capacitive sensing
Number of channels 3
12-bit ADC
Number of channels
1
10
12-bit DAC channels 2
Analog comparator 2
Operational amplifiers 1
Max. CPU frequency 80 MHz
Operating voltage 1.71 to 3.6 V
Operating temperature
Ambient operating temperature: -40 to 85 °C / -
40 to 105 °C / -40 to 125 °C
Junction temperature: -40 to 105 °C / -40 to
125 °C / -40 to 130 °C
Packages UFQFPN32
1. There is no VDDUSB pin. VDDUSB is connected internally at VDD. To be functional, VDD must be equal to
3.3 V (+/- 10%).
Table 1. STM32L432Kx family device features and peripheral counts (continued)
Peripheral STM32L432Kx

DS11451 Rev 4 13/156
STM32L432KB STM32L432KC Description
50
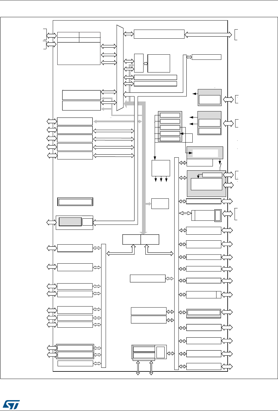
Figure 1. STM32L432xx block diagram
Note: AF: alternate function on I/O pins.
MSv39215V3
Flash
up to
256 KB
USB FS
GPIO PORT A
AHB/APB2
PA[15:0]
APB260 M Hz
APB1 30MHz
OUT1
ITF
WWDG
OSC32_IN
OSC32_OUT
JTAG & SW
ARM Cortex-M4
80 MHz
FPU
NVIC
ETM
MPU
DMA2
ART
ACCEL/
CACHE
RNG
@ VDDA
BOR
Supply
supervision
PVD, PVM
Int
reset
XTAL 32 kHz
MAN AGT
RTC
FCLK
Standby
interface
IWDG
@VBAT
@ VDD
@VDD
AWU
Reset & clock
control
PCLKx
Voltage
regulator
3.3 to 1.2 V
VDD Power management
@ VDD
RTC_TAMPx
Backup register
AHB bus-matrix
DAC1
DAC2
TIM6
TIM7
TIM2
D-BUS
SRAM 48 KB
APB1 80 MHz (max)
SRAM 16 KB
I-BUS
S-BUS
DMA1
PB[7:3],
PB[1:0]
PC[15:14]
GPIO PORT B
GPIO PORT C
GPIO PORT H
OUT2
16b
16b
32b 4 channels, ETR as AF
AHB/APB1
HCLKx
10 external analog inputs
USAR T 2MBps
Temperature sensor
@ VDDA
Touch sensing controller
1 Group of
3 channels max as AF RC HSI
RC LSI
PLL 1&2
MSI
Quad SPI memory interface D0[3:0],
CLK0,
CS
@ VDDUSB
COMP1
INP, INM, OUT
COMP2
INP, INM, OUT
@ VDDA
FIFO
PHY
AHB1 80 MHz
CRC
APB2 80MHz
AHB2 80 MHz
FIREWALL
@ VDD
DP
DM
VDD = 1.71 to 3.6 V
VSS
TRACECLK
TRACED[3:0]
NJTRST, JTDI,
JTCK/SWCLK
JTDO/SWD, JTDO
ITF
ADC1
NOE
HSI48
LPTIM2 IN1, OUT, ETR as AF
LPTIM1 IN1, IN2, OUT, ETR as AF
SWPMI1 IO
RX, TX, SUSPEND as AF
LPUART1 RX, TX, CTS, RTS as AF
VOUT, VINM, VINP
OpAmp1
@VDDA
FIFO
TX, RX as AF
bxCAN1
SCL, SDA, SMBA as AF
I2C3/SMBUS
I2C1/SMBUS SCL, SDA, SMBA as AF
MOSI, MISO, SCK, NSS as AF
SPI3
USART2 RX, TX, CK, CTS, RTS as AF
smcard
IrDA
CRS CRS_SYNC
VDDA, VSSA
VDD, VSS, NRST
PH[3]
EXT IT. WKUP
26 AF
TIM1 / PWM
3 compl. channels (TIM1_CH[1:3]N),
4 channels (TIM1_CH[1:4]),
ETR, BKIN, BKIN2 as AF
16b
TIM15
2 channels,
1 compl. channel, BKIN as AF 16b
TIM16 16b
1 channel,
1 compl. channel, BKIN as AF
USART1
RX, TX, CK,CTS,
RTS as AF
smcard
IrDA
SPI1
MOSI, MISO,
SCK, NSS as AF
SAI1
MCLK_A, SD_A, FS_A, SCK_A, EXTCLK
MCLK_B, SD_B, FS_B, SCK_B as AF

Functional overview STM32L432KB STM32L432KC
14/156 DS11451 Rev 4
3 Functional overview
3.1 Arm® Cortex®-M4 core with FPU
The Arm® Cortex®-M4 with FPU processor is the latest generation of Arm® processors for
embedded systems. It was developed to provide a low-cost platform that meets the needs of
MCU implementation, with a reduced pin count and low-power consumption, while
delivering outstanding computational performance and an advanced response to interrupts.
The Arm® Cortex®-M4 with FPU 32-bit RISC processor features exceptional code-
efficiency, delivering the high-performance expected from an Arm® core in the memory size
usually associated with 8- and 16-bit devices.
The processor supports a set of DSP instructions which allow efficient signal processing and
complex algorithm execution.
Its single precision FPU speeds up software development by using metalanguage
development tools, while avoiding saturation.
With its embedded Arm® core, the STM32L432xx family is compatible with all Arm® tools
and software.
Figure 1 shows the general block diagram of the STM32L432xx family devices.
3.2 Adaptive real-time memory accelerator (ART Accelerator™)
The ART Accelerator™ is a memory accelerator which is optimized for STM32 industry-
standard Arm® Cortex®-M4 processors. It balances the inherent performance advantage of
the Arm® Cortex®-M4 over Flash memory technologies, which normally requires the
processor to wait for the Flash memory at higher frequencies.
To release the processor near 100 DMIPS performance at 80MHz, the accelerator
implements an instruction prefetch queue and branch cache, which increases program
execution speed from the 64-bit Flash memory. Based on CoreMark benchmark, the
performance achieved thanks to the ART accelerator is equivalent to 0 wait state program
execution from Flash memory at a CPU frequency up to 80 MHz.
3.3 Memory protection unit
The memory protection unit (MPU) is used to manage the CPU accesses to memory to
prevent one task to accidentally corrupt the memory or resources used by any other active
task. This memory area is organized into up to 8 protected areas that can in turn be divided
up into 8 subareas. The protection area sizes are between 32 bytes and the whole 4
gigabytes of addressable memory.
The MPU is especially helpful for applications where some critical or certified code has to be
protected against the misbehavior of other tasks. It is usually managed by an RTOS (real-
time operating system). If a program accesses a memory location that is prohibited by the
MPU, the RTOS can detect it and take action. In an RTOS environment, the kernel can
dynamically update the MPU area setting, based on the process to be executed.
The MPU is optional and can be bypassed for applications that do not need it.

DS11451 Rev 4 15/156
STM32L432KB STM32L432KC Functional overview
50
3.4 Embedded Flash memory
STM32L432xx devices feature up to 256 Kbyte of embedded Flash memory available for
storing programs and data in single bank architecture. The Flash memory contains 128
pages of 2 Kbyte.
Flexible protections can be configured thanks to option bytes:
•Readout protection (RDP) to protect the whole memory. Three levels are available:
– Level 0: no readout protection
– Level 1: memory readout protection: the Flash memory cannot be read from or
written to if either debug features are connected, boot in RAM or bootloader is
selected
– Level 2: chip readout protection: debug features (Cortex-M4 JTAG and serial
wire), boot in RAM and bootloader selection are disabled (JTAG fuse). This
selection is irreversible.
•Write protection (WRP): the protected area is protected against erasing and
programming. Two areas can be selected, with 2-Kbyte granularity.
•Proprietary code readout protection (PCROP): a part of the flash memory can be
protected against read and write from third parties. The protected area is execute-only:
it can only be reached by the STM32 CPU, as an instruction code, while all other
accesses (DMA, debug and CPU data read, write and erase) are strictly prohibited.
The PCROP area granularity is 64-bit wide. An additional option bit (PCROP_RDP)
allows to select if the PCROP area is erased or not when the RDP protection is
changed from Level 1 to Level 0.
Table 2. Access status versus readout protection level and execution modes
Area Protection
level
User execution Debug, boot from RAM or boot
from system memory (loader)
Read Write Erase Read Write Erase
Main
memory
1 Yes Yes Yes No No No
2 Yes Yes Yes N/A N/A N/A
System
memory
1 Yes No No Yes No No
2 Yes No No N/A N/A N/A
Option
bytes
1 Yes Yes Yes Yes Yes Yes
2 Yes No No N/A N/A N/A
Backup
registers
1YesYesN/A
(1)
1. Erased when RDP change from Level 1 to Level 0.
No No N/A(1)
2 Yes Yes N/A N/A N/A N/A
SRAM2
1 Yes Yes Yes(1) No No No(1)
2 Yes Yes Yes N/A N/A N/A

Functional overview STM32L432KB STM32L432KC
16/156 DS11451 Rev 4
The whole non-volatile memory embeds the error correction code (ECC) feature supporting:
•single error detection and correction
•double error detection.
•The address of the ECC fail can be read in the ECC register
3.5 Embedded SRAM
STM32L432xx devices feature 64 Kbyte of embedded SRAM. This SRAM is split into two
blocks:
•48 Kbyte mapped at address 0x2000 0000 (SRAM1)
•16 Kbyte located at address 0x1000 0000 with hardware parity check (SRAM2).
This memory is also mapped at address 0x2000 C000, offering a contiguous address
space with the SRAM1 (16 Kbyte aliased by bit band)
This block is accessed through the ICode/DCode buses for maximum performance.
These 16 Kbyte SRAM can also be retained in Standby mode.
The SRAM2 can be write-protected with 1 Kbyte granularity.
The memory can be accessed in read/write at CPU clock speed with 0 wait states.
3.6 Firewall
The device embeds a Firewall which protects code sensitive and secure data from any
access performed by a code executed outside of the protected areas.
Each illegal access generates a reset which kills immediately the detected intrusion.
The Firewall main features are the following:
•Three segments can be protected and defined thanks to the Firewall registers:
– Code segment (located in Flash or SRAM1 if defined as executable protected
area)
– Non-volatile data segment (located in Flash)
– Volatile data segment (located in SRAM1)
•The start address and the length of each segments are configurable:
– Code segment: up to 1024 Kbyte with granularity of 256 bytes
– Non-volatile data segment: up to 1024 Kbyte with granularity of 256 bytes
– Volatile data segment: up to 48 Kbyte with a granularity of 64 bytes
•Specific mechanism implemented to open the Firewall to get access to the protected
areas (call gate entry sequence)
•Volatile data segment can be shared or not with the non-protected code
•Volatile data segment can be executed or not depending on the Firewall configuration
The Flash readout protection must be set to level 2 in order to reach the expected level of
protection.

DS11451 Rev 4 17/156
STM32L432KB STM32L432KC Functional overview
50
3.7 Boot modes
At startup, BOOT0 pin or nSWBOOT0 option bit, and BOOT1 option bit are used to select
one of three boot options:
•Boot from user Flash
•Boot from system memory
•Boot from embedded SRAM
BOOT0 value may come from the PH3-BOOT0 pin or from an option bit depending on the
value of a user option bit to free the GPIO pad if needed.
A Flash empty check mechanism is implemented to force the boot from system flash if the
first flash memory location is not programmed and if the boot selection is configured to boot
from main flash.
The boot loader is located in system memory. It is used to reprogram the Flash memory by
using USART, I2C, SPI or USB FS in Device mode through DFU (device firmware upgrade).
3.8 Cyclic redundancy check calculation unit (CRC)
The CRC (cyclic redundancy check) calculation unit is used to get a CRC code using a
configurable generator polynomial value and size.
Among other applications, CRC-based techniques are used to verify data transmission or
storage integrity. In the scope of the EN/IEC 60335-1 standard, they offer a means of
verifying the Flash memory integrity. The CRC calculation unit helps compute a signature of
the software during runtime, to be compared with a reference signature generated at link-
time and stored at a given memory location.
3.9 Power supply management
3.9.1 Power supply schemes
•VDD = 1.71 to 3.6 V: external power supply for I/Os (VDDIO1), the internal regulator and
the system analog such as reset, power management and internal clocks. It is provided
externally through VDD pins.
•VDDA = 1.62 V (ADCs/COMPs) / 1.8 (DAC/OPAMP) to 3.6 V: external analog power
supply for ADCs, DAC, OPAMPs, Comparators and Voltage reference buffer. The VDDA
voltage level is independent from the VDD voltage.
Note: When the functions supplied by VDDA or VDDUSB are not used, these supplies should
preferably be shorted to VDD.
Note: If these supplies are tied to ground, the I/Os supplied by these power supplies are not 5 V
tolerant (refer to Table 18: Voltage characteristics).
Note: VDDIOx is the I/Os general purpose digital functions supply. VDDIOx represents VDDIO1, with
VDDIO1 = VDD.

Functional overview STM32L432KB STM32L432KC
18/156 DS11451 Rev 4
Figure 2. Power supply overview
During power-up and power-down phases, the following power sequence requirements
must be respected:
•When VDD is below 1 V, other power supplies (VDDA) must remain below VDD +
300 mV.
•When VDD is above 1 V, all power supplies are independent.
During the power-down phase, VDD can temporarily become lower than other supplies only
if the energy provided to the MCU remains below 1 mJ; this allows external decoupling
capacitors to be discharged with different time constants during the power- down transient
phase.
MSv39216V3
Low voltage detector
VDDA
VDDA domain
VSS
VDD
VBAT
A/D converters
Comparators
D/A converters
Operational amplifiers
Voltage reference buffer
VDD domain
I/O ring
VSSA
Reset block
Temp. sensor
PLL, HSI, MSI, HSI48
Standby circuitry
(Wakeup logic, IWDG)
Voltage regulator
VDDIO1
LSE crystal 32 K osc
BKP registers
RCC BDCR register
RTC
Backup domain
Core
Memories
Digital peripherals
VCORE domain
VCORE
USB transceivers
VDDUSB
VSS

DS11451 Rev 4 19/156
STM32L432KB STM32L432KC Functional overview
50
Figure 3. Power-up/down sequence
1. VDDX refers to VDDA.
3.9.2 Power supply supervisor
The device has an integrated ultra-low-power brown-out reset (BOR) active in all modes
except Shutdown and ensuring proper operation after power-on and during power down.
The device remains in reset mode when the monitored supply voltage VDD is below a
specified threshold, without the need for an external reset circuit.
The lowest BOR level is 1.71V at power on, and other higher thresholds can be selected
through option bytes.The device features an embedded programmable voltage detector
(PVD) that monitors the VDD power supply and compares it to the VPVD threshold. An
interrupt can be generated when VDD drops below the VPVD threshold and/or when VDD is
higher than the VPVD threshold. The interrupt service routine can then generate a warning
message and/or put the MCU into a safe state. The PVD is enabled by software.
In addition, the device embeds a Peripheral Voltage Monitor which compares the
independent supply voltage VDDA with a fixed threshold in order to ensure that the
peripheral is in its functional supply range.
MSv47490V1
0.3
1
VBOR0
3.6
Operating modePower-on Power-down time
V
VDDX
(1)
VDD
Invalid supply area VDDX < VDD + 300 mV VDDX independent from VDD

Functional overview STM32L432KB STM32L432KC
20/156 DS11451 Rev 4
3.9.3 Voltage regulator
Two embedded linear voltage regulators supply most of the digital circuitries: the main
regulator (MR) and the low-power regulator (LPR).
•The MR is used in the Run and Sleep modes and in the Stop 0 mode.
•The LPR is used in Low-Power Run, Low-Power Sleep, Stop 1 and Stop 2 modes. It is
also used to supply the 16 Kbyte SRAM2 in Standby with SRAM2 retention.
•Both regulators are in power-down in Standby and Shutdown modes: the regulator
output is in high impedance, and the kernel circuitry is powered down thus inducing
zero consumption.
The ultralow-power STM32L432xx supports dynamic voltage scaling to optimize its power
consumption in run mode. The voltage from the Main Regulator that supplies the logic
(VCORE) can be adjusted according to the system’s maximum operating frequency.
There are two power consumption ranges:
•Range 1 with the CPU running at up to 80 MHz.
•Range 2 with a maximum CPU frequency of 26 MHz. All peripheral clocks are also
limited to 26 MHz.
The VCORE can be supplied by the low-power regulator, the main regulator being switched
off. The system is then in Low-power run mode.
•Low-power run mode with the CPU running at up to 2 MHz. Peripherals with
independent clock can be clocked by HSI16.
3.9.4 Low-power modes
The ultra-low-power STM32L432xx supports seven low-power modes to achieve the best
compromise between low-power consumption, short startup time, available peripherals and
available wakeup sources.

STM32L432KB STM32L432KC Functional overview
DS11451 Rev 4 21/156
Table 3. STM32L432xx modes overview
Mode Regulator(1) CPU Flash SRAM Clocks DMA & Peripherals(2) Wakeup source Consumption(3) Wakeup time
Run
MR range 1
Yes ON(4) ON Any
All
N/A
97 µA/MHz
N/A
MR range2 All except USB_FS, RNG 84 µA/MHz
LPRun LPR Yes ON(4) ON
Any
except
PLL
All except USB_FS, RNG N/A 94 µA/MHz to Range 1: 4 µs
to Range 2: 64 µs
Sleep
MR range 1
No ON(4) ON(5) Any
All Any interrupt or
event
28 µA/MHz
6 cycles
MR range2 All except USB_FS, RNG 26 µA/MHz
LPSleep LPR No ON(4) ON(5)
Any
except
PLL
All except USB_FS, RNG Any interrupt or
event 29 µA/MHz 6 cycles
Stop 0
MR Range 1
No OFF ON LSE
LSI
BOR, PVD, PVM
RTC, IWDG
COMPx (x=1,2)
DAC1
OPAMPx (x=1)
USARTx (x=1,2)(6)
LPUART1(6)
I2Cx (x=1,3)(7)
LPTIMx (x=1,2)
***
All other peripherals are
frozen.
Reset pin, all I/Os
BOR, PVD, PVM
RTC, IWDG
COMPx (x=1..2)
USARTx (x=1,2)(6)
LPUART1(6)
I2Cx (x=1,3)(7)
LPTIMx (x=1,2)
USB_FS(8)
SWPMI1(9)
108 µA
2.4 µs in SRAM
4.1 µs in Flash
MR Range 2 108 µA

Functional overview STM32L432KB STM32L432KC
22/156 DS11451 Rev 4
Stop 1 LPR No Off ON LSE
LSI
BOR, PVD, PVM
RTC, IWDG
COMPx (x=1,2)
DAC1
OPAMPx (x=1)
USARTx (x=1,2)(6)
LPUART1(6)
I2Cx (x=1,3)(7)
LPTIMx (x=1,2)
***
All other peripherals are
frozen.
Reset pin, all I/Os
BOR, PVD, PVM
RTC, IWDG
COMPx (x=1..2)
USARTx (x=1,2)(6)
LPUART1(6)
I2Cx (x=1,3)(7)
LPTIMx (x=1,2)
USB_FS(8)
SWPMI1(9)
4.34 µA w/o RTC
4.63 µA w RTC
6.3 µs in SRAM
7.8 µs in Flash
Stop 2 LPR No Off ON LSE
LSI
BOR, PVD, PVM
RTC, IWDG
COMPx (x=1..2)
I2C3(7)
LPUART1(6)
LPTIM1
***
All other peripherals are
frozen.
Reset pin, all I/Os
BOR, PVD, PVM
RTC, IWDG
COMPx (x=1..2)
I2C3(7)
LPUART1(6)
LPTIM1
1.3 µA w/o RTC
1.4 µA w/RTC
6.8 µs in SRAM
8.2 µs in Flash
Table 3. STM32L432xx modes overview (continued)
Mode Regulator(1) CPU Flash SRAM Clocks DMA & Peripherals(2) Wakeup source Consumption(3) Wakeup time

STM32L432KB STM32L432KC Functional overview
DS11451 Rev 4 23/156
Standby
LPR
Power
ed Off Off
SRAM
2 ON
LSE
LSI
BOR, RTC, IWDG
***
All other peripherals are
powered off.
***
I/O configuration can be
floating, pull-up or pull-down
Reset pin
5 I/Os (WKUPx)(10)
BOR, RTC, IWDG
0.20 µA w/o RTC
0.46 µA w/ RTC
12.2 µs
OFF
Power
ed
Off
0.03 µA w/o RTC
0.29 µA w/ RTC
Shutdown OFF Power
ed Off Off
Power
ed
Off
LSE
RTC
***
All other peripherals are
powered off.
***
I/O configuration can be
floating, pull-up or pull-
down(11)
Reset pin
5 I/Os (WKUPx)(10)
RTC
0.01 µA w/o RTC
0.20 µA w/ RTC 262 µs
1. LPR means Main regulator is OFF and Low-power regulator is ON.
2. All peripherals can be active or clock gated to save power consumption.
3. Typical current at VDD = 1.8 V, 25°C. Consumptions values provided running from SRAM, Flash memory Off, 80 MHz in Range 1, 26 MHz in Range 2, 2 MHz in
LPRun/LPSleep.
4. The Flash memory can be put in power-down and its clock can be gated off when executing from SRAM.
5. The SRAM1 and SRAM2 clocks can be gated on or off independently.
6. U(S)ART and LPUART reception is functional in Stop mode, and generates a wakeup interrupt on Start, address match or received frame event.
7. I2C address detection is functional in Stop mode, and generates a wakeup interrupt in case of address match.
8. USB_FS wakeup by resume from suspend and attach detection protocol event.
9. SWPMI1 wakeup by resume from suspend.
10. The I/Os with wakeup from Standby/Shutdown capability are: PA0, PC13, PE6, PA2, PC5.
11. I/Os can be configured with internal pull-up, pull-down or floating in Shutdown mode but the configuration is lost when exiting the Shutdown mode.
Table 3. STM32L432xx modes overview (continued)
Mode Regulator(1) CPU Flash SRAM Clocks DMA & Peripherals(2) Wakeup source Consumption(3) Wakeup time

Functional overview STM32L432KB STM32L432KC
24/156 DS11451 Rev 4
By default, the microcontroller is in Run mode after a system or a power Reset. It is up to the
user to select one of the low-power modes described below:
•Sleep mode
In Sleep mode, only the CPU is stopped. All peripherals continue to operate and can
wake up the CPU when an interrupt/event occurs.
•Low-power run mode
This mode is achieved with VCORE supplied by the low-power regulator to minimize the
regulator's operating current. The code can be executed from SRAM or from Flash,
and the CPU frequency is limited to 2 MHz. The peripherals with independent clock can
be clocked by HSI16.
•Low-power sleep mode
This mode is entered from the low-power run mode. Only the CPU clock is stopped.
When wakeup is triggered by an event or an interrupt, the system reverts to the low-
power run mode.
•Stop 0, Stop 1 and Stop 2 modes
Stop mode achieves the lowest power consumption while retaining the content of
SRAM and registers. All clocks in the VCORE domain are stopped, the PLL, the MSI RC
and the HSI16 RC are disabled. The LSE or LSI is still running.
The RTC can remain active (Stop mode with RTC, Stop mode without RTC).
Some peripherals with wakeup capability can enable the HSI16 RC during Stop mode
to detect their wakeup condition.
Three Stop modes are available: Stop 0, Stop 1 and Stop 2 modes. In Stop 2 mode,
most of the VCORE domain is put in a lower leakage mode.
Stop 1 offers the largest number of active peripherals and wakeup sources, a smaller
wakeup time but a higher consumption than Stop 2. In Stop 0 mode, the main regulator
remains ON, allowing a very fast wakeup time but with much higher consumption.
The system clock when exiting from Stop 0, Stop 1 or Stop 2 modes can be either MSI
up to 48 MHz or HSI16, depending on software configuration.
•Standby mode
The Standby mode is used to achieve the lowest power consumption with BOR. The
internal regulator is switched off so that the VCORE domain is powered off. The PLL, the
MSI RC and the HSI16 RC are also switched off.
The RTC can remain active (Standby mode with RTC, Standby mode without RTC).
The brown-out reset (BOR) always remains active in Standby mode.
The state of each I/O during standby mode can be selected by software: I/O with
internal pull-up, internal pull-down or floating.
After entering Standby mode, SRAM1 and register contents are lost except for registers
in the Backup domain and Standby circuitry. Optionally, SRAM2 can be retained in
Standby mode, supplied by the low-power Regulator (Standby with SRAM2 retention
mode).
The device exits Standby mode when an external reset (NRST pin), an IWDG reset,
WKUP pin event (configurable rising or falling edge), or an RTC event occurs (alarm,
periodic wakeup, timestamp, tamper) or a failure is detected on LSE (CSS on LSE).
The system clock after wakeup is MSI up to 8 MHz.

DS11451 Rev 4 25/156
STM32L432KB STM32L432KC Functional overview
50
•Shutdown mode
The Shutdown mode allows to achieve the lowest power consumption. The internal
regulator is switched off so that the VCORE domain is powered off. The PLL, the HSI16,
the MSI and the LSI oscillators are also switched off.
The RTC can remain active (Shutdown mode with RTC, Shutdown mode without RTC).
The BOR is not available in Shutdown mode. No power voltage monitoring is possible
in this mode, therefore the switch to Backup domain is not supported.
SRAM1, SRAM2 and register contents are lost except for registers in the Backup
domain.
The device exits Shutdown mode when an external reset (NRST pin), a WKUP pin
event (configurable rising or falling edge), or an RTC event occurs (alarm, periodic
wakeup, timestamp, tamper).
The system clock after wakeup is MSI at 4 MHz.

Functional overview STM32L432KB STM32L432KC
26/156 DS11451 Rev 4
Table 4. Functionalities depending on the working mode(1)
Peripheral Run Sleep
Low-
power
run
Low-
power
sleep
Stop 0/1 Stop 2 Standby Shutdow
-
Wakeup capability
-
Wakeup capability
-
Wakeup capability
-
Wakeup capability
CPU Y - Y - - -------
Flash memory (up
to 256 KB) O(2) O(2) O(2) O(2) --------
SRAM1 (48 KB) Y Y(3) YY
(3) Y-Y-----
SRAM2 (16 KB) Y Y(3) YY
(3) Y-Y-O
(4) ---
Quad SPI OOOO-
-------
Backup Registers Y Y Y Y Y -Y-Y-Y-
Brown-out reset
(BOR) YYYYYYYYYY- -
Programmable
Voltage Detector
(PVD)
OOOOO
OOO- ---
Peripheral Voltage
Monitor (PVMx;
x=1,3,4)
OOOOO
OOO- ---
DMA O O O O - -------
High Speed Internal
(HSI16) OOOO
(5) -(5) -----
Oscillator RC48 O O - - - -------
High Speed
External (HSE) OOOO-
-------
Low Speed Internal
(LSI) OOOOO
-O-O---
Low Speed External
(LSE) OOOOO
-O-O-O-
Multi-Speed Internal
(MSI) OOOO-
-------
Clock Security
System (CSS) OOOO-
-------
Clock Security
System on LSE OOOOO
OOOOO- -
RTC / Auto wakeup O O O O O OOOOOOO
Number of RTC
Tamper pins 11111O1O1O1O
USB FS O(8) O(8) ---O- -----

DS11451 Rev 4 27/156
STM32L432KB STM32L432KC Functional overview
50
USARTx (x=1,2) O O O O O(6) O(6) ------
Low-power UART
(LPUART) OOOOO
(6) O(6) O(6) O(6) ----
I2Cx (x=1) O O O O O(7) O(7) ------
I2C3 OOOOO
(7) O(7) O(7) O(7) ----
SPIx (x=1,3) O O O O - -------
CAN O O O O - -------
SWPMI1 O O O O - O- -----
SAIx (x=1) O O O O - -------
ADCx (x=1) O O O O - -------
DAC1 O O O O O -------
OPAMPx (x=1) O O O O O -------
COMPx (x=1,2) O O O O O OOO- ---
Temperature sensor O O O O - -------
Timers (TIMx) O O O O - -------
Low-power timer 1
(LPTIM1) OOOOOOOO- ---
Low-power timer 2
(LPTIM2) OOOOO
O- -----
Independent
watchdog (IWDG) OOOOO
OOOOO- -
Window watchdog
(WWDG) OOOO-
-------
SysTick timer O O O O - -------
Touch sensing
controller (TSC) OOOO--------
Random number
generator (RNG) O(8) O(8) ----------
CRC calculation
unit OOOO-
-------
GPIOs O O O O O OOO(9)
2
pins
(10)
(11)
2
pins
(10)
Table 4. Functionalities depending on the working mode(1) (continued)
Peripheral Run Sleep
Low-
power
run
Low-
power
sleep
Stop 0/1 Stop 2 Standby Shutdow
-
Wakeup capability
-
Wakeup capability
-
Wakeup capability
-
Wakeup capability

Functional overview STM32L432KB STM32L432KC
28/156 DS11451 Rev 4
3.9.5 Reset mode
In order to improve the consumption under reset, the I/Os state under and after reset is
“analog state” (the I/O schmitt trigger is disable). In addition, the internal reset pull-up is
deactivated when the reset source is internal.
3.10 Interconnect matrix
Several peripherals have direct connections between them. This allows autonomous
communication between peripherals, saving CPU resources thus power supply
consumption. In addition, these hardware connections allow fast and predictable latency.
Depending on peripherals, these interconnections can operate in Run, Sleep, low-power run
and sleep, Stop 0, Stop 1 and Stop 2 modes.
1. Legend: Y = Yes (Enable). O = Optional (Disable by default. Can be enabled by software). - = Not
available.
2. The Flash can be configured in power-down mode. By default, it is not in power-down mode.
3. The SRAM clock can be gated on or off.
4. SRAM2 content is preserved when the bit RRS is set in PWR_CR3 register.
5. Some peripherals with wakeup from Stop capability can request HSI16 to be enabled. In this case, HSI16
is woken up by the peripheral, and only feeds the peripheral which requested it. HSI16 is automatically put
off when the peripheral does not need it anymore.
6. UART and LPUART reception is functional in Stop mode, and generates a wakeup interrupt on Start,
address match or received frame event.
7. I2C address detection is functional in Stop mode, and generates a wakeup interrupt in case of address
match.
8. Voltage scaling Range 1 only.
9. I/Os can be configured with internal pull-up, pull-down or floating in Standby mode.
10. The I/Os with wakeup from Standby/Shutdown capability are: PA0, PA2.
11. I/Os can be configured with internal pull-up, pull-down or floating in Shutdown mode but the configuration is
lost when exiting the Shutdown mode.
Table 5. STM32L432xx peripherals interconnect matrix
Interconnect source Interconnect
destination Interconnect action
Run
Sleep
Low-power run
Low-power sleep
Stop 0 / Stop 1
Stop 2
TIMx
TIMx Timers synchronization or chaining Y Y Y Y - -
ADCx
DAC1 Conversion triggers Y Y Y Y - -
DMA Memory to memory transfer trigger Y Y Y Y - -
COMPx Comparator output blanking Y Y Y Y - -
TIM15/TIM16 IRTIM Infrared interface output generation Y Y Y Y - -

DS11451 Rev 4 29/156
STM32L432KB STM32L432KC Functional overview
50
COMPx
TIM1
TIM2
Timer input channel, trigger, break from
analog signals comparison YYYY - -
LPTIMERx Low-power timer triggered by analog
signals comparison YYYYYY
(1)
ADCx TIM1 Timer triggered by analog watchdog Y Y Y Y - -
RTC
TIM16 Timer input channel from RTC events Y Y Y Y - -
LPTIMERx Low-power timer triggered by RTC alarms
or tampers YYYYYY
(1)
All clocks sources (internal
and external)
TIM2
TIM15, 16
Clock source used as input channel for
RC measurement and trimming YYYY - -
USB TIM2 Timer triggered by USB SOF Y Y - - - -
CSS
CPU (hard fault)
RAM (parity error)
Flash memory (ECC error)
COMPx
PVD
TIM1
TIM15,16 Timer break Y Y Y Y - -
GPIO
TIMx External trigger Y Y Y Y - -
LPTIMERx External trigger Y Y Y Y Y Y
(1)
ADCx
DAC1 Conversion external trigger Y Y Y Y - -
1. LPTIM1 only.
Table 5. STM32L432xx peripherals interconnect matrix (continued)
Interconnect source Interconnect
destination Interconnect action
Run
Sleep
Low-power run
Low-power sleep
Stop 0 / Stop 1
Stop 2

Functional overview STM32L432KB STM32L432KC
30/156 DS11451 Rev 4
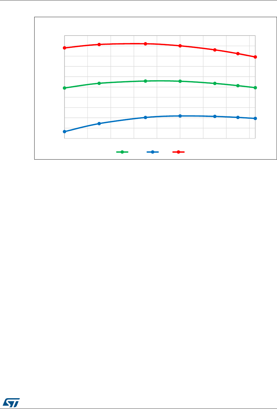
3.11 Clocks and startup
The clock controller (see Figure 4) distributes the clocks coming from different oscillators to
the core and the peripherals. It also manages clock gating for low-power modes and
ensures clock robustness. It features:
•Clock prescaler: to get the best trade-off between speed and current consumption,
the clock frequency to the CPU and peripherals can be adjusted by a programmable
prescaler
•Safe clock switching: clock sources can be changed safely on the fly in run mode
through a configuration register.
•Clock management: to reduce power consumption, the clock controller can stop the
clock to the core, individual peripherals or memory.
•System clock source: four different clock sources can be used to drive the master
clock SYSCLK:
– High Speed External clock (HSE) can supply a PLL.
– 16 MHz high-speed internal RC oscillator (HSI16), trimmable by software, that can
supply a PLL
– Multispeed internal RC oscillator (MSI), trimmable by software, able to generate
12 frequencies from 100 kHz to 48 MHz. When a 32.768 kHz clock source is
available in the system (LSE), the MSI frequency can be automatically trimmed by
hardware to reach better than ±0.25% accuracy. In this mode the MSI can feed the
USB device. The MSI can supply a PLL.
– System PLL which can be fed by HSE, HSI16 or MSI, with a maximum frequency
at 80 MHz.
•RC48 with clock recovery system (HSI48): internal RC48 MHz clock source can be
used to drive the USB or the RNG peripherals. This clock can be output on the MCO.
•Auxiliary clock source: two ultralow-power clock sources that can be used to drive
the real-time clock:
– 32.768 kHz low-speed external crystal (LSE), supporting four drive capability
modes. The LSE can also be configured in bypass mode for an external clock.
– 32 kHz low-speed internal RC (LSI), also used to drive the independent watchdog.
The LSI clock accuracy is ±5% accuracy.
•Peripheral clock sources: Several peripherals (USB, RNG, SAI, USARTs, I2Cs,
LPTimers, ADC, SWPMI) have their own independent clock whatever the system clock.
Two PLLs, each having three independent outputs allowing the highest flexibility, can
generate independent clocks for the ADC, the USB/RNG and the SAI.
•Startup clock: after reset, the microcontroller restarts by default with an internal 4 MHz
clock (MSI). The prescaler ratio and clock source can be changed by the application
program as soon as the code execution starts.
•Clock security system (CSS): this feature can be enabled by software. If a HSE clock
failure occurs, the master clock is automatically switched to HSI16 and a software

DS11451 Rev 4 31/156
STM32L432KB STM32L432KC Functional overview
50
interrupt is generated if enabled. LSE failure can also be detected and generated an
interrupt.
•Clock-out capability:
–MCO: microcontroller clock output: it outputs one of the internal clocks for
external use by the application. Low frequency clocks (LSI, LSE) are available
down to Stop 1 low power state.
–LSCO: low speed clock output: it outputs LSI or LSE in all low-power
modesdown to Standby mode. LSE can also be output on LSCO in Shutdown
mode. LSCO is not available in VBAT mode.
Several prescalers allow to configure the AHB frequency, the high speed APB (APB2) and
the low speed APB (APB1) domains. The maximum frequency of the AHB and the APB
domains is 80 MHz.

Functional overview STM32L432KB STM32L432KC
32/156 DS11451 Rev 4
Figure 4. Clock tree
MSv39217V4
SYSCLK
MCO
LSCO
48 MHz clock to USB, RNG
to IWDG
to RTC
to PWR
HCLK
to AHB bus, core, memory and DMA
FCLK Cortex free running clock
to Cortex system timer
to APB1 peripherals
to APB2 peripherals
PCLK1
PCLK2
LSE
HSI16
SYSCLK to USARTx
x=2..3
to LPUART1
to I2Cx
x=1,2,3
to LPTIMx
x=1,2
SAI1_EXTCLK
to SWPMI
to TIMx
x=2,6,7
OSC32_OUT
OSC32_IN
MSI HSI16
HSE
HSI16
LSI
LSE
HSE
SYSCLK
HSE
MSI
HSI16
LSE OSC
32.768 kHz /32
AHB PRESC
/ 1,2,..512
/ 8
APB1 PRESC
/ 1,2,4,8,16
x1 or x2
HSI16
SYSCLK
LSI
LSE
HSI16
HSI16
APB2 PRESC
/ 1,2,4,8,16
to TIMx
x=1,15,16
x1 or x2
to USART1
LSE
HSI16
SYSCLK
/ M
MSI RC
100 kHz – 48 MHz
HSI RC
16 MHz
Clock detector
CK_IN
/ 1䊻㻝㻢
LSI RC 32 kHz
Clock
source
control
PLLSAI1CLK
PLL48M1CLK
PLLCLK
PLLSAI2CLK
PLL48M2CLK
PLLADC1CLK
HSI48
PLL
PLLSAI1
VCO F
VCO
/ P
/ R
/ Q
/ P
/ Q
/ R
VCO F
VCO
MSI
PLLCLK
to ADC
to SAI1
MSI
SYSCLK
HSI16
HSI RC
48 MHz
CRS
HSI16

DS11451 Rev 4 33/156
STM32L432KB STM32L432KC Functional overview
50
3.12 General-purpose inputs/outputs (GPIOs)
Each of the GPIO pins can be configured by software as output (push-pull or open-drain), as
input (with or without pull-up or pull-down) or as peripheral alternate function. Most of the
GPIO pins are shared with digital or analog alternate functions. Fast I/O toggling can be
achieved thanks to their mapping on the AHB2 bus.
The I/Os alternate function configuration can be locked if needed following a specific
sequence in order to avoid spurious writing to the I/Os registers.
3.13 Direct memory access controller (DMA)
The device embeds 2 DMAs. Refer to Table 6: DMA implementation for the features
implementation.
Direct memory access (DMA) is used in order to provide high-speed data transfer between
peripherals and memory as well as memory to memory. Data can be quickly moved by DMA
without any CPU actions. This keeps CPU resources free for other operations.
The two DMA controllers have 14 channels in total, each dedicated to managing memory
access requests from one or more peripherals. Each has an arbiter for handling the priority
between DMA requests.
The DMA supports:
•14 independently configurable channels (requests)
•Each channel is connected to dedicated hardware DMA requests, software trigger is
also supported on each channel. This configuration is done by software.
•Priorities between requests from channels of one DMA are software programmable (4
levels consisting of very high, high, medium, low) or hardware in case of equality
(request 1 has priority over request 2, etc.)
•Independent source and destination transfer size (byte, half word, word), emulating
packing and unpacking. Source/destination addresses must be aligned on the data
size.
•Support for circular buffer management
•3 event flags (DMA Half Transfer, DMA Transfer complete and DMA Transfer Error)
logically ORed together in a single interrupt request for each channel
•Memory-to-memory transfer
•Peripheral-to-memory and memory-to-peripheral, and peripheral-to-peripheral
transfers
•Access to Flash, SRAM, APB and AHB peripherals as source and destination
•Programmable number of data to be transferred: up to 65536.
Table 6. DMA implementation
DMA features DMA1 DMA2
Number of regular channels 7 7

Functional overview STM32L432KB STM32L432KC
34/156 DS11451 Rev 4
3.14 Interrupts and events
3.14.1 Nested vectored interrupt controller (NVIC)
The devices embed a nested vectored interrupt controller able to manage 16 priority levels,
and handle up to 61 maskable interrupt channels plus the 16 interrupt lines of the Cortex®-
M4.
The NVIC benefits are the following:
•Closely coupled NVIC gives low latency interrupt processing
•Interrupt entry vector table address passed directly to the core
•Allows early processing of interrupts
•Processing of late arriving higher priority interrupts
•Support for tail chaining
•Processor state automatically saved on interrupt entry, and restored on interrupt exit,
with no instruction overhead
The NVIC hardware block provides flexible interrupt management features with minimal
interrupt latency.
3.14.2 Extended interrupt/event controller (EXTI)
The extended interrupt/event controller consists of 34 edge detector lines used to generate
interrupt/event requests and wake-up the system from Stop mode. Each external line can be
independently configured to select the trigger event (rising edge, falling edge, both) and can
be masked independently. A pending register maintains the status of the interrupt requests.
The internal lines are connected to peripherals with wakeup from Stop mode capability. The
EXTI can detect an external line with a pulse width shorter than the internal clock period. Up
to 26 GPIOs can be connected to the 16 external interrupt lines.

DS11451 Rev 4 35/156
STM32L432KB STM32L432KC Functional overview
50
3.15 Analog to digital converter (ADC)
The device embeds a successive approximation analog-to-digital converter with the
following features:
•12-bit native resolution, with built-in calibration
•5.33 Msps maximum conversion rate with full resolution
– Down to 18.75 ns sampling time
– Increased conversion rate for lower resolution (up to 8.88 Msps for 6-bit
resolution)
•Up to 10 external channels.
•4 internal channels: internal reference voltage, temperature sensor, DAC1_OUT1 and
DAC1_OUT2.
•Single-ended and differential mode inputs
•Low-power design
– Capable of low-current operation at low conversion rate (consumption decreases
linearly with speed)
– Dual clock domain architecture: ADC speed independent from CPU frequency
•Highly versatile digital interface
– Single-shot or continuous/discontinuous sequencer-based scan mode: 2 groups
of analog signals conversions can be programmed to differentiate background and
high-priority real-time conversions
– ADC supports multiple trigger inputs for synchronization with on-chip timers and
external signals
– Results stored into data register or in RAM with DMA controller support
– Data pre-processing: left/right alignment and per channel offset compensation
– Built-in oversampling unit for enhanced SNR
– Channel-wise programmable sampling time
– Three analog watchdog for automatic voltage monitoring, generating interrupts
and trigger for selected timers
– Hardware assistant to prepare the context of the injected channels to allow fast
context switching
3.15.1 Temperature sensor
The temperature sensor (TS) generates a voltage VTS that varies linearly with temperature.
The temperature sensor is internally connected to the ADC1_IN17 input channel which is
used to convert the sensor output voltage into a digital value.
The sensor provides good linearity but it has to be calibrated to obtain good overall
accuracy of the temperature measurement. As the offset of the temperature sensor varies
from chip to chip due to process variation, the uncalibrated internal temperature sensor is
suitable for applications that detect temperature changes only.
To improve the accuracy of the temperature sensor measurement, each device is
individually factory-calibrated by ST. The temperature sensor factory calibration data are
stored by ST in the system memory area, accessible in read-only mode.

Functional overview STM32L432KB STM32L432KC
36/156 DS11451 Rev 4
3.15.2 Internal voltage reference (VREFINT)
The internal voltage reference (VREFINT) provides a stable (bandgap) voltage output for
the ADC and Comparators. VREFINT is internally connected to the ADC1_IN0 input
channel. The precise voltage of VREFINT is individually measured for each part by ST
during production test and stored in the system memory area. It is accessible in read-only
mode.
3.16 Digital to analog converter (DAC)
Two 12-bit buffered DAC channels can be used to convert digital signals into analog voltage
signal outputs. The chosen design structure is composed of integrated resistor strings and
an amplifier in inverting configuration.
This digital interface supports the following features:
•Up to two DAC output channels
•8-bit or 12-bit output mode
•Buffer offset calibration (factory and user trimming)
•Left or right data alignment in 12-bit mode
•Synchronized update capability
•Noise-wave generation
•Triangular-wave generation
•Dual DAC channel independent or simultaneous conversions
•DMA capability for each channel
•External triggers for conversion
•Sample and hold low-power mode, with internal or external capacitor
The DAC channels are triggered through the timer update outputs that are also connected
to different DMA channels.
Table 7. Temperature sensor calibration values
Calibration value name Description Memory address
TS_CAL1
TS ADC raw data acquired at a
temperature of 30 °C (± 5 °C),
VDDA = VREF+ = 3.0 V (± 10 mV)
0x1FFF 75A8 - 0x1FFF 75A9
TS_CAL2
TS ADC raw data acquired at a
temperature of 130 °C (± 5 °C),
VDDA = VREF+ = 3.0 V (± 10 mV)
0x1FFF 75CA - 0x1FFF 75CB
Table 8. Internal voltage reference calibration values
Calibration value name Description Memory address
VREFINT
Raw data acquired at a
temperature of 30 °C (± 5 °C),
VDDA = VREF+ = 3.0 V (± 10 mV)
0x1FFF 75AA - 0x1FFF 75AB

DS11451 Rev 4 37/156
STM32L432KB STM32L432KC Functional overview
50
3.17 Comparators (COMP)
The STM32L432xx devices embed two rail-to-rail comparators with programmable
reference voltage (internal or external), hysteresis and speed (low speed for low-power) and
with selectable output polarity.
The reference voltage can be one of the following:
•External I/O
•DAC output channels
•Internal reference voltage or submultiple (1/4, 1/2, 3/4).
All comparators can wake up from Stop mode, generate interrupts and breaks for the timers
and can be also combined into a window comparator.
3.18 Operational amplifier (OPAMP)
The STM32L432xx embeds one operational amplifier with external or internal follower
routing and PGA capability.
The operational amplifier features:
•Low input bias current
•Low offset voltage
•Low-power mode
•Rail-to-rail input
3.19 Touch sensing controller (TSC)
The touch sensing controller provides a simple solution for adding capacitive sensing
functionality to any application. Capacitive sensing technology is able to detect finger
presence near an electrode which is protected from direct touch by a dielectric (glass,
plastic, ...). The capacitive variation introduced by the finger (or any conductive object) is
measured using a proven implementation based on a surface charge transfer acquisition
principle.
The touch sensing controller is fully supported by the STMTouch touch sensing firmware
library which is free to use and allows touch sensing functionality to be implemented reliably
in the end application.

Functional overview STM32L432KB STM32L432KC
38/156 DS11451 Rev 4
The main features of the touch sensing controller are the following:
•Proven and robust surface charge transfer acquisition principle
•Supports up to 3 capacitive sensing channels
•Up to 3 capacitive sensing channels can be acquired in parallel offering a very good
response time
•Spread spectrum feature to improve system robustness in noisy environments
•Full hardware management of the charge transfer acquisition sequence
•Programmable charge transfer frequency
•Programmable sampling capacitor I/O pin
•Programmable channel I/O pin
•Programmable max count value to avoid long acquisition when a channel is faulty
•Dedicated end of acquisition and max count error flags with interrupt capability
•One sampling capacitor for up to 3 capacitive sensing channels to reduce the system
components
•Compatible with proximity, touchkey, linear and rotary touch sensor implementation
•Designed to operate with STMTouch touch sensing firmware library
Note: The number of capacitive sensing channels is dependent on the size of the packages and
subject to I/O availability.
3.20 Random number generator (RNG)
All devices embed an RNG that delivers 32-bit random numbers generated by an integrated
analog circuit.
3.21 Timers and watchdogs
The STM32L432xx includes one advanced control timers, up to five general-purpose timers,
two basic timers, two low-power timers, two watchdog timers and a SysTick timer. The table
below compares the features of the advanced control, general purpose and basic timers.
Table 9. Timer feature comparison
Timer type Timer Counter
resolution
Counter
type
Prescaler
factor
DMA
request
generation
Capture/
compare
channels
Complementary
outputs
Advanced
control TIM1 16-bit Up, down,
Up/down
Any integer
between 1
and 65536
Yes 4 3
General-
purpose TIM2 32-bit Up, down,
Up/down
Any integer
between 1
and 65536
Yes 4 No
General-
purpose TIM15 16-bit Up
Any integer
between 1
and 65536
Yes 2 1

DS11451 Rev 4 39/156
STM32L432KB STM32L432KC Functional overview
50
3.21.1 Advanced-control timer (TIM1)
The advanced-control timer can each be seen as a three-phase PWM multiplexed on 6
channels. They have complementary PWM outputs with programmable inserted dead-
times. They can also be seen as complete general-purpose timers. The 4 independent
channels can be used for:
•Input capture
•Output compare
•PWM generation (edge or center-aligned modes) with full modulation capability (0-
100%)
•One-pulse mode output
In debug mode, the advanced-control timer counter can be frozen and the PWM outputs
disabled to turn off any power switches driven by these outputs.
Many features are shared with those of the general-purpose TIMx timers (described in
Section 3.21.2) using the same architecture, so the advanced-control timer can work
together with the TIMx timers via the Timer Link feature for synchronization or event
chaining.
General-
purpose TIM16 16-bit Up
Any integer
between 1
and 65536
Yes 1 1
Basic TIM6, TIM7 16-bit Up
Any integer
between 1
and 65536
Yes 0 No
Table 9. Timer feature comparison (continued)
Timer type Timer Counter
resolution
Counter
type
Prescaler
factor
DMA
request
generation
Capture/
compare
channels
Complementary
outputs

Functional overview STM32L432KB STM32L432KC
40/156 DS11451 Rev 4
3.21.2 General-purpose timers (TIM2, TIM15, TIM16)
There are up to three synchronizable general-purpose timers embedded in the
STM32L432xx (see Table 9 for differences). Each general-purpose timer can be used to
generate PWM outputs, or act as a simple time base.
•TIM2
It is a full-featured general-purpose timer:
TIM2 has a 32-bit auto-reload up/downcounter and 32-bit prescaler.
This timer features 4 independent channels for input capture/output compare, PWM or
one-pulse mode output. It can work with the other general-purpose timers via the Timer
Link feature for synchronization or event chaining.
The counter can be frozen in debug mode.
It has independent DMA request generation and support quadrature encoder.
•TIM15 and 16
They are general-purpose timers with mid-range features:
They have 16-bit auto-reload upcounters and 16-bit prescalers.
– TIM15 has 2 channels and 1 complementary channel
– TIM16 has 1 channel and 1 complementary channel
All channels can be used for input capture/output compare, PWM or one-pulse mode
output.
The timers can work together via the Timer Link feature for synchronization or event
chaining. The timers have independent DMA request generation.
The counters can be frozen in debug mode.
3.21.3 Basic timers (TIM6 and TIM7)
The basic timers are mainly used for DAC trigger generation. They can also be used as
generic 16-bit timebases.
3.21.4 Low-power timer (LPTIM1 and LPTIM2)
The devices embed two low-power timers. These timers have an independent clock and are
running in Stop mode if they are clocked by LSE, LSI or an external clock. They are able to
wakeup the system from Stop mode.
LPTIM1 is active in Stop 0, Stop 1 and Stop 2 modes.
LPTIM2 is active in Stop 0 and Stop 1 mode.

DS11451 Rev 4 41/156
STM32L432KB STM32L432KC Functional overview
50
This low-power timer supports the following features:
•16-bit up counter with 16-bit autoreload register
•16-bit compare register
•Configurable output: pulse, PWM
•Continuous/ one shot mode
•Selectable software/hardware input trigger
•Selectable clock source
– Internal clock sources: LSE, LSI, HSI16 or APB clock
– External clock source over LPTIM input (working even with no internal clock
source running, used by pulse counter application).
•Programmable digital glitch filter
•Encoder mode (LPTIM1 only)
3.21.5 Infrared interface (IRTIM)
The STM32L432xx includes one infrared interface (IRTIM). It can be used with an infrared
LED to perform remote control functions. It uses TIM15 and TIM16 output channels to
generate output signal waveforms on IR_OUT pin.
3.21.6 Independent watchdog (IWDG)
The independent watchdog is based on a 12-bit downcounter and 8-bit prescaler. It is
clocked from an independent 32 kHz internal RC (LSI) and as it operates independently
from the main clock, it can operate in Stop and Standby modes. It can be used either as a
watchdog to reset the device when a problem occurs, or as a free running timer for
application timeout management. It is hardware or software configurable through the option
bytes. The counter can be frozen in debug mode.
3.21.7 System window watchdog (WWDG)
The window watchdog is based on a 7-bit downcounter that can be set as free running. It
can be used as a watchdog to reset the device when a problem occurs. It is clocked from
the main clock. It has an early warning interrupt capability and the counter can be frozen in
debug mode.
3.21.8 SysTick timer
This timer is dedicated to real-time operating systems, but could also be used as a standard
down counter. It features:
•A 24-bit down counter
•Autoreload capability
•Maskable system interrupt generation when the counter reaches 0.
•Programmable clock source

Functional overview STM32L432KB STM32L432KC
42/156 DS11451 Rev 4
3.22 Real-time clock (RTC) and backup registers
The RTC is an independent BCD timer/counter. It supports the following features:
•Calendar with subsecond, seconds, minutes, hours (12 or 24 format), week day, date,
month, year, in BCD (binary-coded decimal) format.
•Automatic correction for 28, 29 (leap year), 30, and 31 days of the month.
•Two programmable alarms.
•On-the-fly correction from 1 to 32767 RTC clock pulses. This can be used to
synchronize it with a master clock.
•Reference clock detection: a more precise second source clock (50 or 60 Hz) can be
used to enhance the calendar precision.
•Digital calibration circuit with 0.95 ppm resolution, to compensate for quartz crystal
inaccuracy.
•One anti-tamper detection pin with programmable filter.
•Timestamp feature which can be used to save the calendar content. This function can
be triggered by an event on the timestamp pin, or by a tamper event.
•17-bit auto-reload wakeup timer (WUT) for periodic events with programmable
resolution and period.
The RTC and the 32 backup registers are supplied through a switch that takes power from
the VDD supply.
The backup registers are 32-bit registers used to store 128 bytes of user application data
when VDD power is not present. They are not reset by a system or power reset, or when the
device wakes up from Standby or Shutdown mode.
The RTC clock sources can be:
•A 32.768 kHz external crystal (LSE)
•An external resonator or oscillator (LSE)
•The internal low power RC oscillator (LSI, with typical frequency of 32 kHz)
•The high-speed external clock (HSE) divided by 32.
The RTC is functional in all low-power modes when it is clocked by the LSE. When clocked
by the LSI, the RTC is functional in all low-power modes except Shutdown mode.
All RTC events (Alarm, WakeUp Timer, Timestamp or Tamper) can generate an interrupt
and wakeup the device from the low-power modes.

DS11451 Rev 4 43/156
STM32L432KB STM32L432KC Functional overview
50
3.23 Inter-integrated circuit interface (I2C)
The device embeds two I2C. Refer to Table 10: I2C implementation for the features
implementation.
The I2C bus interface handles communications between the microcontroller and the serial
I2C bus. It controls all I2C bus-specific sequencing, protocol, arbitration and timing.
The I2C peripheral supports:
•I2C-bus specification and user manual rev. 5 compatibility:
– Slave and master modes, multimaster capability
– Standard-mode (Sm), with a bitrate up to 100 kbit/s
– Fast-mode (Fm), with a bitrate up to 400 kbit/s
– Fast-mode Plus (Fm+), with a bitrate up to 1 Mbit/s and 20 mA output drive I/Os
– 7-bit and 10-bit addressing mode, multiple 7-bit slave addresses
– Programmable setup and hold times
– Optional clock stretching
•System Management Bus (SMBus) specification rev 2.0 compatibility:
– Hardware PEC (Packet Error Checking) generation and verification with ACK
control
– Address resolution protocol (ARP) support
– SMBus alert
•Power System Management Protocol (PMBusTM) specification rev 1.1 compatibility
•Independent clock: a choice of independent clock sources allowing the I2C
communication speed to be independent from the PCLK reprogramming. Refer to
Figure 4: Clock tree.
•Wakeup from Stop mode on address match
•Programmable analog and digital noise filters
•1-byte buffer with DMA capability
Table 10. I2C implementation
I2C features(1)
1. X: supported
I2C1 I2C3
Standard-mode (up to 100 kbit/s) X X
Fast-mode (up to 400 kbit/s) X X
Fast-mode Plus with 20mA output drive I/Os (up to 1 Mbit/s) X X
Programmable analog and digital noise filters X X
SMBus/PMBus hardware support X X
Independent clock X X
Wakeup from Stop 0 / Stop 1 mode on address match X X
Wakeup from Stop 2 mode on address match - X

Functional overview STM32L432KB STM32L432KC
44/156 DS11451 Rev 4
3.24 Universal synchronous/asynchronous receiver transmitter
(USART)
The STM32L432xx devices have two embedded universal synchronous receiver
transmitters (USART1 and USART2).
These interfaces provide asynchronous communication, IrDA SIR ENDEC support,
multiprocessor communication mode, single-wire half-duplex communication mode and
have LIN Master/Slave capability. They provide hardware management of the CTS and RTS
signals, and RS485 Driver Enable. They are able to communicate at speeds of up to
10Mbit/s.
USART1 and USART2 also provide Smart Card mode (ISO 7816 compliant) and SPI-like
communication capability.
All USART have a clock domain independent from the CPU clock, allowing the USARTx
(x=1,2) to wake up the MCU from Stop mode using baudrates up to 204 Kbaud. The wake
up events from Stop mode are programmable and can be:
•Start bit detection
•Any received data frame
•A specific programmed data frame
All USART interfaces can be served by the DMA controller.
Table 11. STM32L432xx USART/LPUART features
USART modes/features(1)
1. X = supported.
USART1 USART2 LPUART1
Hardware flow control for modem X X X
Continuous communication using DMA X X X
Multiprocessor communication X X X
Synchronous mode X X -
Smartcard mode X X -
Single-wire half-duplex communication X X X
IrDA SIR ENDEC block X X -
LIN mode X X -
Dual clock domain X X X
Wakeup from Stop 0 / Stop 1 modes X X X
Wakeup from Stop 2 mode - - X
Receiver timeout interrupt X X -
Modbus communication X X -
Auto baud rate detection X (4 modes) -
Driver Enable X X X
LPUART/USART data length 7, 8 and 9 bits

DS11451 Rev 4 45/156
STM32L432KB STM32L432KC Functional overview
50
3.25 Low-power universal asynchronous receiver transmitter
(LPUART)
The device embeds one Low-Power UART. The LPUART supports asynchronous serial
communication with minimum power consumption. It supports half duplex single wire
communication and modem operations (CTS/RTS). It allows multiprocessor
communication.
The LPUART has a clock domain independent from the CPU clock, and can wakeup the
system from Stop mode using baudrates up to 220 Kbaud. The wake up events from Stop
mode are programmable and can be:
•Start bit detection
•Any received data frame
•A specific programmed data frame
Only a 32.768 kHz clock (LSE) is needed to allow LPUART communication up to 9600
baud. Therefore, even in Stop mode, the LPUART can wait for an incoming frame while
having an extremely low energy consumption. Higher speed clock can be used to reach
higher baudrates.
LPUART interface can be served by the DMA controller.

Functional overview STM32L432KB STM32L432KC
46/156 DS11451 Rev 4
3.26 Serial peripheral interface (SPI)
Two SPI interfaces allow communication up to 40 Mbits/s in master and up to 24 Mbits/s
slave modes, in half-duplex, full-duplex and simplex modes. The 3-bit prescaler gives 8
master mode frequencies and the frame size is configurable from 4 bits to 16 bits. The SPI
interfaces support NSS pulse mode, TI mode and Hardware CRC calculation.
All SPI interfaces can be served by the DMA controller.
3.27 Serial audio interfaces (SAI)
The device embeds 1 SAI. Refer to Table 12: SAI implementation for the features
implementation. The SAI bus interface handles communications between the
microcontroller and the serial audio protocol.
The SAI peripheral supports:
•Two independent audio sub-blocks which can be transmitters or receivers with their
respective FIFO.
•8-word integrated FIFOs for each audio sub-block.
•Synchronous or asynchronous mode between the audio sub-blocks.
•Master or slave configuration independent for both audio sub-blocks.
•Clock generator for each audio block to target independent audio frequency sampling
when both audio sub-blocks are configured in master mode.
•Data size configurable: 8-, 10-, 16-, 20-, 24-, 32-bit.
•Peripheral with large configurability and flexibility allowing to target as example the
following audio protocol: I2S, LSB or MSB-justified, PCM/DSP, TDM, AC’97 and SPDIF
out.
•Up to 16 slots available with configurable size and with the possibility to select which
ones are active in the audio frame.
•Number of bits by frame may be configurable.
•Frame synchronization active level configurable (offset, bit length, level).
•First active bit position in the slot is configurable.
•LSB first or MSB first for data transfer.
•Mute mode.
•Stereo/Mono audio frame capability.
•Communication clock strobing edge configurable (SCK).
•Error flags with associated interrupts if enabled respectively.
– Overrun and underrun detection.
– Anticipated frame synchronization signal detection in slave mode.
– Late frame synchronization signal detection in slave mode.
– Codec not ready for the AC’97 mode in reception.
•Interruption sources when enabled:
–Errors.
– FIFO requests.
•DMA interface with 2 dedicated channels to handle access to the dedicated integrated
FIFO of each SAI audio sub-block.

DS11451 Rev 4 47/156
STM32L432KB STM32L432KC Functional overview
50
3.28 Single wire protocol master interface (SWPMI)
The Single wire protocol master interface (SWPMI) is the master interface corresponding to
the Contactless Frontend (CLF) defined in the ETSI TS 102 613 technical specification. The
main features are:
•full-duplex communication mode
•automatic SWP bus state management (active, suspend, resume)
•configurable bitrate up to 2 Mbit/s
•automatic SOF, EOF and CRC handling
SWPMI can be served by the DMA controller.
3.29 Controller area network (CAN)
The CAN is compliant with specifications 2.0A and B (active) with a bit rate up to 1 Mbit/s. It
can receive and transmit standard frames with 11-bit identifiers as well as extended frames
with 29-bit identifiers. It has three transmit mailboxes, two receive FIFOs with 3 stages and
14 scalable filter banks.
Table 12. SAI implementation
SAI features Support(1)
1. X: supported
I2S, LSB or MSB-justified, PCM/DSP, TDM, AC’97 X
Mute mode X
Stereo/Mono audio frame capability. X
16 slots X
Data size configurable: 8-, 10-, 16-, 20-, 24-, 32-bit X
FIFO Size X (8 Word)
SPDIF X

Functional overview STM32L432KB STM32L432KC
48/156 DS11451 Rev 4
The CAN peripheral supports:
•Supports CAN protocol version 2.0 A, B Active
•Bit rates up to 1 Mbit/s
•Transmission
– Three transmit mailboxes
– Configurable transmit priority
•Reception
– Two receive FIFOs with three stages
– 14 Scalable filter banks
– Identifier list feature
– Configurable FIFO overrun
•Time-triggered communication option
– Disable automatic retransmission mode
– 16-bit free running timer
– Time Stamp sent in last two data bytes
•Management
– Maskable interrupts
– Software-efficient mailbox mapping at a unique address space
3.30 Universal serial bus (USB)
The STM32L432xx devices embed a full-speed USB device peripheral compliant with the
USB specification version 2.0. The internal USB PHY supports USB FS signaling,
embedded DP pull-up and also battery charging detection according to Battery Charging
Specification Revision 1.2. The USB interface implements a full-speed (12 Mbit/s) function
interface with added support for USB 2.0 Link Power Management. It has software-
configurable endpoint setting with packet memory up-to 1 KB and suspend/resume support.
It requires a precise 48 MHz clock which can be generated from the internal main PLL or by
the internal 48 MHz oscillator in automatic trimming mode. The synchronization for this
oscillator can be taken from the USB data stream itself (SOF signalization) which allows
crystal less operation.
3.31 Clock recovery system (CRS)
The STM32L432xx devices embed a special block which allows automatic trimming of the
internal 48 MHz oscillator to guarantee its optimal accuracy over the whole device
operational range. This automatic trimming is based on the external synchronization signal,
which could be either derived from USB SOF signalization, from LSE oscillator, from an
external signal on CRS_SYNC pin or generated by user software. For faster lock-in during
startup it is also possible to combine automatic trimming with manual trimming action.

DS11451 Rev 4 49/156
STM32L432KB STM32L432KC Functional overview
50
3.32 Quad SPI memory interface (QUADSPI)
The Quad SPI is a specialized communication interface targeting single, dual or quad SPI
flash memories. It can operate in any of the three following modes:
•Indirect mode: all the operations are performed using the QUADSPI registers
•Status polling mode: the external flash status register is periodically read and an
interrupt can be generated in case of flag setting
•Memory-mapped mode: the external Flash is memory mapped and is seen by the
system as if it were an internal memory
Both throughput and capacity can be increased two-fold using dual-flash mode, where two
Quad SPI flash memories are accessed simultaneously.
The Quad SPI interface supports:
•Three functional modes: indirect, status-polling, and memory-mapped
•SDR and DDR support
•Fully programmable opcode for both indirect and memory mapped mode
•Fully programmable frame format for both indirect and memory mapped mode
•Each of the 5 following phases can be configured independently (enable, length,
single/dual/quad communication)
– Instruction phase
– Address phase
– Alternate bytes phase
– Dummy cycles phase
– Data phase
•Integrated FIFO for reception and transmission
•8, 16, and 32-bit data accesses are allowed
•DMA channel for indirect mode operations
•Programmable masking for external flash flag management
•Timeout management
•Interrupt generation on FIFO threshold, timeout, status match, operation complete, and
access error

Functional overview STM32L432KB STM32L432KC
50/156 DS11451 Rev 4
3.33 Development support
3.33.1 Serial wire JTAG debug port (SWJ-DP)
The Arm® SWJ-DP interface is embedded, and is a combined JTAG and serial wire debug
port that enables either a serial wire debug or a JTAG probe to be connected to the target.
Debug is performed using 2 pins only instead of 5 required by the JTAG (JTAG pins could
be re-use as GPIO with alternate function): the JTAG TMS and TCK pins are shared with
SWDIO and SWCLK, respectively, and a specific sequence on the TMS pin is used to
switch between JTAG-DP and SW-DP.
3.33.2 Embedded Trace Macrocell™
The Arm® Embedded Trace Macrocell™ provides a greater visibility of the instruction and
data flow inside the CPU core by streaming compressed data at a very high rate from the
STM32L432xx through a small number of ETM pins to an external hardware trace port
analyzer (TPA) device. Real-time instruction and data flow activity be recorded and then
formatted for display on the host computer that runs the debugger software. TPA hardware
is commercially available from common development tool vendors.
The Embedded Trace Macrocell™ operates with third party debugger software tools.

DS11451 Rev 4 51/156
STM32L432KB STM32L432KC Pinouts and pin description
62
4 Pinouts and pin description
Figure 5. STM32L432Kx UFQFPN32 pinout(1)
1. The above figure shows the package top view.
MSv37605V2
UFQFPN32
1
2
3
4
5
6
7
8
VDD
PC14-OSC32_IN
PC15-OSC32_OUT
NRST
VDDA/VREF+
PA0/CK_IN
PA1
PA2
24
23
22
21
20
19
18
17
29
27
25
32
31
30
28
26
12
14
16
9
10
11
13
15
PA3
PA4
PA7
VSS
PA5
PA6
PB0
PB1
PA14
PA13
PA12
PA11
PA10
PA9
PA8
VDD
VSS
PH3/BOOT0
PB5
PA15
PB7
PB6
PB4
PB3
Table 13. Legend/abbreviations used in the pinout table
Name Abbreviation Definition
Pin name Unless otherwise specified in brackets below the pin name, the pin function during and after
reset is the same as the actual pin name
Pin type
S Supply pin
I Input only pin
I/O Input / output pin
I/O structure
FT 5 V tolerant I/O
TT 3.6 V tolerant I/O
RST Bidirectional reset pin with embedded weak pull-up resistor
Option for TT or FT I/Os
_f (1) I/O, Fm+ capable
_u (2) I/O, with USB function supplied by VDDUSB
_a (3) I/O, with Analog switch function supplied by VDDA
Notes Unless otherwise specified by a note, all I/Os are set as analog inputs during and after reset.
Pin
functions
Alternate
functions Functions selected through GPIOx_AFR registers
Additional
functions Functions directly selected/enabled through peripheral registers
1. The related I/O structures in Table 14 are: FT_f, FT_fa.
2. The related I/O structures in Table 14 is: FT_u.
3. The related I/O structures in Table 14 are: FT_a, FT_fa, TT_a.

Pinouts and pin description STM32L432KB STM32L432KC
52/156 DS11451 Rev 4
Table 14. STM32L432xx pin definitions
Pin
Number
Pin name
(function after
reset)
Pin type
I/O structure
Notes
Pin functions
UFQFPN32
Alternate functions Additional functions
2
PC14-
OSC32_I
N (PC14)
I/O FT
(1)
(2) EVENTOUT OSC32_IN
3
PC15-
OSC32_
OUT
(PC15)
I/O FT
(1)
(2) EVENTOUT OSC32_OUT
4 NRST I/O RST - - -
5VDDA/VR
EF+ S-- - -
6PA0/
CK_IN I/O FT_a -
TIM2_CH1, USART2_CTS,
COMP1_OUT, SAI1_EXTCLK,
TIM2_ETR, EVENTOUT
OPAMP1_VINP,
COMP1_INM, ADC1_IN5,
RTC_TAMP2, WKUP1,
CK_IN
7 PA1 I/O FT_a -
TIM2_CH2, I2C1_SMBA,
SPI1_SCK,
USART2_RTS_DE,
TIM15_CH1N, EVENTOUT
OPAMP1_VINM,
COMP1_INP, ADC1_IN6
8 PA2 I/O FT_a -
TIM2_CH3, USART2_TX,
LPUART1_TX,
QUADSPI_BK1_NCS,
COMP2_OUT, TIM15_CH1,
EVENTOUT
COMP2_INM, ADC1_IN7,
WKUP4, LSCO
9 PA3 I/O TT_a -
TIM2_CH4, USART2_RX,
LPUART1_RX,
QUADSPI_CLK,
SAI1_MCLK_A, TIM15_CH2,
EVENTOUT
OPAMP1_VOUT,
COMP2_INP, ADC1_IN8
10 PA4 I/O TT_a -
SPI1_NSS, SPI3_NSS,
USART2_CK, SAI1_FS_B,
LPTIM2_OUT, EVENTOUT
COMP1_INM,
COMP2_INM, ADC1_IN9,
DAC1_OUT1
11 PA5 I/O TT_a -
TIM2_CH1, TIM2_ETR,
SPI1_SCK, LPTIM2_ETR,
EVENTOUT
COMP1_INM,
COMP2_INM, ADC1_IN10,
DAC1_OUT2
12 PA6 I/O FT_a -
TIM1_BKIN, SPI1_MISO,
COMP1_OUT, USART3_CTS,
LPUART1_CTS,
QUADSPI_BK1_IO3,
TIM1_BKIN_COMP2,
TIM16_CH1, EVENTOUT
ADC1_IN11

DS11451 Rev 4 53/156
STM32L432KB STM32L432KC Pinouts and pin description
62
13 PA7 I/O FT_fa -
TIM1_CH1N, I2C3_SCL,
SPI1_MOSI,
QUADSPI_BK1_IO2,
COMP2_OUT, EVENTOUT
ADC1_IN12
14 PB0 I/O FT_a -
TIM1_CH2N, SPI1_NSS,
USART3_CK,
QUADSPI_BK1_IO1,
COMP1_OUT, SAI1_EXTCLK,
EVENTOUT
ADC1_IN15
15 PB1 I/O FT_a -
TIM1_CH3N,
USART3_RTS_DE,
LPUART1_RTS_DE,
QUADSPI_BK1_IO0,
LPTIM2_IN1, EVENTOUT
COMP1_INM, ADC1_IN16
16 VSS S - - - -
17 VDD S - - - -
18 PA8 I/O FT -
MCO, TIM1_CH1,
USART1_CK, SWPMI1_IO,
SAI1_SCK_A, LPTIM2_OUT,
EVENTOUT
-
19 PA9 I/O FT_f -
TIM1_CH2, I2C1_SCL,
USART1_TX, SAI1_FS_A,
TIM15_BKIN, EVENTOUT
-
20 PA10 I/O FT_f -
TIM1_CH3, I2C1_SDA,
USART1_RX,
USB_CRS_SYNC,
SAI1_SD_A, EVENTOUT
-
21 PA11 I/O FT_u -
TIM1_CH4, TIM1_BKIN2,
SPI1_MISO, COMP1_OUT,
USART1_CTS, CAN1_RX,
USB_DM,
TIM1_BKIN2_COMP1,
EVENTOUT
-
22 PA12 I/O FT_u -
TIM1_ETR, SPI1_MOSI,
USART1_RTS_DE,
CAN1_TX, USB_DP,
EVENTOUT
-
23
PA13
(JTMS-
SWDIO)
I/O FT (3)
JTMS-SWDIO, IR_OUT,
USB_NOE, SWPMI1_TX,
SAI1_SD_B, EVENTOUT
-
Table 14. STM32L432xx pin definitions (continued)
Pin
Number
Pin name
(function after
reset)
Pin type
I/O structure
Notes
Pin functions
UFQFPN32
Alternate functions Additional functions

Pinouts and pin description STM32L432KB STM32L432KC
54/156 DS11451 Rev 4
24
PA14
(JTCK-
SWCLK)
I/O FT (3)
JTCK-SWCLK, LPTIM1_OUT,
I2C1_SMBA, SWPMI1_RX,
SAI1_FS_B, EVENTOUT
-
25 PA15
(JTDI) I/O FT (3)
JTDI, TIM2_CH1, TIM2_ETR,
USART2_RX, SPI1_NSS,
SPI3_NSS,
USART3_RTS_DE,
TSC_G3_IO1,
SWPMI1_SUSPEND,
EVENTOUT
-
26
PB3
(JTDO-
TRACE
SWO)
I/O FT_a (3)
JTDO-TRACESWO,
TIM2_CH2, SPI1_SCK,
SPI3_SCK,
USART1_RTS_DE,
SAI1_SCK_B, EVENTOUT
COMP2_INM
27 PB4
(NJTRST) I/O FT_fa (3)
NJTRST, I2C3_SDA,
SPI1_MISO, SPI3_MISO,
USART1_CTS, TSC_G2_IO1,
SAI1_MCLK_B, EVENTOUT
COMP2_INP
28 PB5 I/O FT -
LPTIM1_IN1, I2C1_SMBA,
SPI1_MOSI, SPI3_MOSI,
USART1_CK, TSC_G2_IO2,
COMP2_OUT, SAI1_SD_B,
TIM16_BKIN, EVENTOUT
-
29 PB6 I/O FT_fa -
LPTIM1_ETR, I2C1_SCL,
USART1_TX, TSC_G2_IO3,
SAI1_FS_B, TIM16_CH1N,
EVENTOUT
COMP2_INP
30 PB7 I/O FT_fa -
LPTIM1_IN2, I2C1_SDA,
USART1_RX, TSC_G2_IO4,
EVENTOUT
COMP2_INM, PVD_IN
31 PH3/
BOOT0 I/O FT - EVENTOUT BOOT0
32 VSS S - - - -
1VDDS-- - -
1. PC14 and PC15 are supplied through the power switch. Since the switch only sinks a limited amount of
current (3 mA), the use of GPIOs PC14 to PC15 in output mode is limited:
- The speed should not exceed 2 MHz with a maximum load of 30 pF
- These GPIOs must not be used as current sources (e.g. to drive an LED).
2. After a Backup domain power-up, PC14 and PC15 operate as GPIOs. Their function then depends on the
content of the RTC registers which are not reset by the system reset. For details on how to manage these
GPIOs, refer to the Backup domain and RTC register descriptions in the RM0394 reference manual.
3. After reset, these pins are configured as JTAG/SW debug alternate functions, and the internal pull-up on
PA15, PA13, PB4 pins and the internal pull-down on PA14 pin are activated.
Table 14. STM32L432xx pin definitions (continued)
Pin
Number
Pin name
(function after
reset)
Pin type
I/O structure
Notes
Pin functions
UFQFPN32
Alternate functions Additional functions

STM32L432KB STM32L432KC Pinouts and pin description
DS11451 Rev 4 55/156
Table 15. Alternate function AF0 to AF7(1)
Port
AF0 AF1 AF2 AF3 AF4 AF5 AF6 AF7
SYS_AF TIM1/TIM2/
LPTIM1 TIM1/TIM2 USART2 I2C1/I2C2/I2C3 SPI1/SPI2 SPI3
USART1/
USART2/
USART3
Port A
PA0-TIM2_CH1-----USART2_CTS
PA1 - TIM2_CH2 - - I2C1_SMBA SPI1_SCK - USART2_RTS_
DE
PA2-TIM2_CH3-----USART2_TX
PA3-TIM2_CH4-----USART2_RX
PA4 - - - - - SPI1_NSS SPI3_NSS USART2_CK
PA5 - TIM2_CH1 TIM2_ETR - - SPI1_SCK - -
PA6 - TIM1_BKIN - - - SPI1_MISO COMP1_OUT USART3_CTS
PA7 - TIM1_CH1N - - I2C3_SCL SPI1_MOSI - -
PA8MCOTIM1_CH1-----USART1_CK
PA9 - TIM1_CH2 - - I2C1_SCL - - USART1_TX
PA10 - TIM1_CH3 - - I2C1_SDA - - USART1_RX
PA11 - TIM1_CH4 TIM1_BKIN2 - - SPI1_MISO COMP1_OUT USART1_CTS
PA12 - TIM1_ETR - - - SPI1_MOSI - USART1_RTS_
DE
PA13JTMS-SWDIOIR_OUT------
PA14 JTCK-SWCLK LPTIM1_OUT - - I2C1_SMBA - - -
PA15 JTDI TIM2_CH1 TIM2_ETR USART2_RX - SPI1_NSS SPI3_NSS USART3_RTS_
DE

Pinouts and pin description STM32L432KB STM32L432KC
56/156 DS11451 Rev 4
Port B
PB0 - TIM1_CH2N - - - SPI1_NSS - USART3_CK
PB1-TIM1_CH3N-----
USART3_RTS_
DE
PB3 JTDO-
TRACESWO TIM2_CH2 - - - SPI1_SCK SPI3_SCK USART1_RTS_
DE
PB4 NJTRST - - - I2C3_SDA SPI1_MISO SPI3_MISO USART1_CTS
PB5 - LPTIM1_IN1 - - I2C1_SMBA SPI1_MOSI SPI3_MOSI USART1_CK
PB6 - LPTIM1_ETR - - I2C1_SCL - - USART1_TX
PB7 - LPTIM1_IN2 - - I2C1_SDA - - USART1_RX
Port C
PC14--------
PC15--------
Port HPH3--------
1. Please refer to Table 16 for AF8 to AF15.
Table 15. Alternate function AF0 to AF7(1) (continued)
Port
AF0 AF1 AF2 AF3 AF4 AF5 AF6 AF7
SYS_AF TIM1/TIM2/
LPTIM1 TIM1/TIM2 USART2 I2C1/I2C2/I2C3 SPI1/SPI2 SPI3
USART1/
USART2/
USART3

STM32L432KB STM32L432KC Pinouts and pin description
DS11451 Rev 4 57/156
Table 16. Alternate function AF8 to AF15(1)
Port
AF8 AF9 AF10 AF11 AF12 AF13 AF14 AF15
LPUART1 CAN1/TSC USB/QUADSPI -
COMP1/
COMP2/
SWPMI1
SAI1 TIM2/TIM15/
TIM16/LPTIM2 EVENTOUT
Port A
PA0 - - - - COMP1_OUT SAI1_EXTCLK TIM2_ETR EVENTOUT
PA1------TIM15_CH1NEVENTOUT
PA2 LPUART1_TX - QUADSPI_
BK1_NCS - COMP2_OUT - TIM15_CH1 EVENTOUT
PA3 LPUART1_RX - QUADSPI_CLK - - SAI1_MCLK_A TIM15_CH2 EVENTOUT
PA4-----SAI1_FS_BLPTIM2_OUTEVENTOUT
PA5------LPTIM2_ETREVENTOUT
PA6 LPUART1_CTS - QUADSPI_
BK1_IO3 -TIM1_BKIN_
COMP2 - TIM16_CH1 EVENTOUT
PA7 - - QUADSPI_
BK1_IO2 - COMP2_OUT - - EVENTOUT
PA8 - - - - SWPMI1_IO SAI1_SCK_A LPTIM2_OUT EVENTOUT
PA9-----SAI1_FS_ATIM15_BKINEVENTOUT
PA10 - - USB_CRS_
SYNC - - SAI1_SD_A - EVENTOUT
PA11 - CAN1_RX USB_DM - TIM1_BKIN2_
COMP1 - - EVENTOUT
PA12 - CAN1_TX USB_DP - - - - EVENTOUT
PA13 - - USB_NOE - SWPMI1_TX SAI1_SD_B - EVENTOUT
PA14 - - - - SWPMI1_RX SAI1_FS_B - EVENTOUT
PA15 - TSC_G3_IO1 - - SWPMI1_
SUSPEND - - EVENTOUT

Pinouts and pin description STM32L432KB STM32L432KC
58/156 DS11451 Rev 4
Port B
PB0 - - QUADSPI_
BK1_IO1 - COMP1_OUT SAI1_EXTCLK - EVENTOUT
PB1 LPUART1_RTS
_DE -QUADSPI_
BK1_IO0 - - - LPTIM2_IN1 EVENTOUT
PB3-----SAI1_SCK_B-EVENTOUT
PB4 - TSC_G2_IO1 - - - SAI1_MCLK_B - EVENTOUT
PB5 - TSC_G2_IO2 - - COMP2_OUT SAI1_SD_B TIM16_BKIN EVENTOUT
PB6 - TSC_G2_IO3 - - - SAI1_FS_B TIM16_CH1N EVENTOUT
PB7 - TSC_G2_IO4 - - - - - EVENTOUT
Port C
PC14------ -EVENTOUT
PC15------ -EVENTOUT
Port HPH3------ -EVENTOUT
1. Please refer to Table 15 for AF0 to AF7.
Table 16. Alternate function AF8 to AF15(1) (continued)
Port
AF8 AF9 AF10 AF11 AF12 AF13 AF14 AF15
LPUART1 CAN1/TSC USB/QUADSPI -
COMP1/
COMP2/
SWPMI1
SAI1 TIM2/TIM15/
TIM16/LPTIM2 EVENTOUT

DS11451 Rev 4 59/156
STM32L432KB STM32L432KC Memory mapping
62
5 Memory mapping
Figure 6. STM32L432xx memory map
MSv36892V2
0xFFFF FFFF
0xE000 0000
0xC000 0000
0xA000 1000
0x8000 0000
0x6000 0000
0x4000 0000
0x2000 0000
0x0000 0000
0
1
2
3
4
5
6
7
Cortex™-M4
with FPU
Internal
Peripherals
Peripherals
SRAM1
CODE
OTP area
System memory
Flash memory
Flash, system memory
or SRAM, depending on
BOOT configuration
AHB2
AHB1
APB2
APB1
0x5006 0C00
0x4800 0000
0x4002 4400
0x4002 0000
0x4001 5800
0x4001 0000
0x4000 9800
0x4000 0000
0x1FFF FFFF
0x1FFF 0000
0x0804 0000
0x0800 0000
0x0004 0000
0x0000 0000
Reserved
Reserved
Reserved
Reserved
Reserved
Reserved
Reserved
0x1000 4000
0x1000 0000
SRAM2
QUADSPI
registers
Options Bytes
0x1FFF 7000
0x1FFF 7400
0x1FFF 7800
0x1FFF 7810
Reserved
QUADSPI registers
0xBFFF FFFF
0xA000 1400
0xA000 1000
Reserved
Reserved
Reserved
0x5FFF FFFF
0x9000 0000
QUADSPI Flash
bank
SRAM2
0x2000 C000
0xA000 0000

Memory mapping STM32L432KB STM32L432KC
60/156 DS11451 Rev 4
Table 17. STM32L432xx memory map and peripheral register boundary addresses(1)
Bus Boundary address Size(bytes) Peripheral
AHB2
0x5006 0800 - 0x5006 0BFF 1 KB RNG
0x5004 0400 - 0x5006 07FF 158 KB Reserved
0x5004 0000 - 0x5004 03FF 1 KB ADC
0x5000 0000 - 0x5003 FFFF 16 KB Reserved
0x4800 2000 - 0x4FFF FFFF ~127 MB Reserved
0x4800 1C00 - 0x4800 1FFF 1 KB GPIOH
0x4800 0C00 - 0x4800 1BFF 4 KB Reserved
0x4800 0800 - 0x4800 0BFF 1 KB GPIOC
0x4800 0400 - 0x4800 07FF 1 KB GPIOB
0x4800 0000 - 0x4800 03FF 1 KB GPIOA
-0x4002 4400 - 0x47FF FFFF ~127 MB Reserved
AHB1
0x4002 4000 - 0x4002 43FF 1 KB TSC
0x4002 3400 - 0x4002 3FFF 1 KB Reserved
0x4002 3000 - 0x4002 33FF 1 KB CRC
0x4002 2400 - 0x4002 2FFF 3 KB Reserved
0x4002 2000 - 0x4002 23FF 1 KB FLASH registers
0x4002 1400 - 0x4002 1FFF 3 KB Reserved
0x4002 1000 - 0x4002 13FF 1 KB RCC
0x4002 0800 - 0x4002 0FFF 2 KB Reserved
0x4002 0400 - 0x4002 07FF 1 KB DMA2
0x4002 0000 - 0x4002 03FF 1 KB DMA1
APB2
0x4001 5800 - 0x4001 FFFF 42 KB Reserved
0x4001 5400 - 0x4000 57FF 1 KB SAI1
0x4001 4800 - 0x4000 53FF 3 KB Reserved
0x4001 4400 - 0x4001 47FF 1 KB TIM16
0x4001 4000 - 0x4001 43FF 1 KB TIM15
0x4001 3C00 - 0x4001 3FFF 1 KB Reserved
0x4001 3800 - 0x4001 3BFF 1 KB USART1
0x4001 3400 - 0x4001 37FF 1 KB Reserved
0x4001 3000 - 0x4001 33FF 1 KB SPI1
0x4001 2C00 - 0x4001 2FFF 1 KB TIM1
0x4001 2000 - 0x4001 2BFF 3 KB Reserved

DS11451 Rev 4 61/156
STM32L432KB STM32L432KC Memory mapping
62
APB2
0x4001 1C00 - 0x4001 1FFF 1 KB FIREWALL
0x4001 0800- 0x4001 1BFF 5 KB Reserved
0x4001 0400 - 0x4001 07FF 1 KB EXTI
0x4001 0200 - 0x4001 03FF
1 KB
COMP
0x4001 0030 - 0x4001 01FF Reserved
0x4001 0000 - 0x4001 002F SYSCFG
APB1
0x4000 9800 - 0x4000 FFFF 26 KB Reserved
0x4000 9400 - 0x4000 97FF 1 KB LPTIM2
0x4000 8C00 - 0x4000 93FF 2 KB Reserved
0x4000 8800 - 0x4000 8BFF 1 KB SWPMI1
0x4000 8400 - 0x4000 87FF 1 KB Reserved
0x4000 8000 - 0x4000 83FF 1 KB LPUART1
0x4000 7C00 - 0x4000 7FFF 1 KB LPTIM1
0x4000 7800 - 0x4000 7BFF 1 KB OPAMP
0x4000 7400 - 0x4000 77FF 1 KB DAC1
0x4000 7000 - 0x4000 73FF 1 KB PWR
0x4000 6C00 - 0x4000 6FFF 1 KB USB SRAM
0x4000 6800 - 0x4000 6BFF 1 KB USB FS
0x4000 6400 - 0x4000 67FF 1 KB CAN1
0x4000 6000 - 0x4000 63FF 1 KB CRS
0x4000 5C00- 0x4000 5FFF 1 KB I2C3
0x4000 5800 - 0x4000 5BFF 1 KB Reserved
0x4000 5400 - 0x4000 57FF 1 KB I2C1
0x4000 4800 - 0x4000 53FF 3 KB Reserved
0x4000 4400 - 0x4000 47FF 1 KB USART2
0x4000 4000 - 0x4000 43FF 1 KB Reserved
0x4000 3C00 - 0x4000 3FFF 1 KB SPI3
0x4000 3400 - 0x4000 3BFF 2 KB Reserved
0x4000 3000 - 0x4000 33FF 1 KB IWDG
0x4000 2C00 - 0x4000 2FFF 1 KB WWDG
0x4000 2800 - 0x4000 2BFF 1 KB RTC
0x4000 1800 - 0x4000 27FF 4 KB Reserved
0x4000 1400 - 0x4000 17FF 1 KB TIM7
Table 17. STM32L432xx memory map and peripheral register boundary addresses(1)
(continued)
Bus Boundary address Size(bytes) Peripheral

Memory mapping STM32L432KB STM32L432KC
62/156 DS11451 Rev 4
APB1
0x4000 1000 - 0x4000 13FF 1 KB TIM6
0x4000 0400- 0x4000 0FFF 3 KB Reserved
0x4000 0000 - 0x4000 03FF 1 KB TIM2
1. The gray color is used for reserved boundary addresses.
Table 17. STM32L432xx memory map and peripheral register boundary addresses(1)
(continued)
Bus Boundary address Size(bytes) Peripheral

DS11451 Rev 4 63/156
STM32L432KB STM32L432KC Electrical characteristics
148
6 Electrical characteristics
6.1 Parameter conditions
Unless otherwise specified, all voltages are referenced to VSS.
6.1.1 Minimum and maximum values
Unless otherwise specified, the minimum and maximum values are guaranteed in the worst
conditions of ambient temperature, supply voltage and frequencies by tests in production on
100% of the devices with an ambient temperature at TA = 25 °C and TA = TAmax (given by
the selected temperature range).
Data based on characterization results, design simulation and/or technology characteristics
are indicated in the table footnotes and are not tested in production. Based on
characterization, the minimum and maximum values refer to sample tests and represent the
mean value plus or minus three times the standard deviation (mean ±3).
6.1.2 Typical values
Unless otherwise specified, typical data are based on TA = 25 °C, VDD = VDDA = 3 V. They
are given only as design guidelines and are not tested.
Typical ADC accuracy values are determined by characterization of a batch of samples from
a standard diffusion lot over the full temperature range, where 95% of the devices have an
error less than or equal to the value indicated (mean ±2).
6.1.3 Typical curves
Unless otherwise specified, all typical curves are given only as design guidelines and are
not tested.
6.1.4 Loading capacitor
The loading conditions used for pin parameter measurement are shown in Figure 7.
6.1.5 Pin input voltage
The input voltage measurement on a pin of the device is described in Figure 8.
Figure 7. Pin loading conditions Figure 8. Pin input voltage
MS19210V1
MCU pin
C = 50 pF
MS19211V1
MCU pin
V
IN

Electrical characteristics STM32L432KB STM32L432KC
64/156 DS11451 Rev 4
6.1.6 Power supply scheme
Figure 9. Power supply scheme
Caution: Each power supply pair (VDD/VSS, VDDA/VSSA etc.) must be decoupled with filtering ceramic
capacitors as shown above. These capacitors must be placed as close as possible to, or
below, the appropriate pins on the underside of the PCB to ensure the good functionality of
the device.
MSv40915V2
VDD
Level shifter
IO
logic
Kernel logic
(CPU, Digital
& Memories)
Backup circuitry
(LSE, RTC,
Backup registers)
IN
OUT
Regulator
GPIOs
1.55 – 3.6 V
n x 100 nF
+1 x 4.7 μF
n x VSS
n x VDD
VCORE
VDDIO1
ADCs/
DACs/
OPAMPs/
COMPs
VREF+
VREF-
VDDA
10 nF
+1 μF
VDDA
VSSA
VREF
100 nF +1 μF

DS11451 Rev 4 65/156
STM32L432KB STM32L432KC Electrical characteristics
148
6.1.7 Current consumption measurement
Figure 10. Current consumption measurement scheme
The IDD_ALL parameters given in Table 25 to Table 37 represent the total MCU consumption
including the current supplying VDD, VDDA, VDDUSB and VBAT.
6.2 Absolute maximum ratings
Stresses above the absolute maximum ratings listed in Table 18: Voltage characteristics,
Table 19: Current characteristics and Table 20: Thermal characteristics may cause
permanent damage to the device. These are stress ratings only and functional operation of
the device at these conditions is not implied. Exposure to maximum rating conditions for
extended periods may affect device reliability. Device mission profile (application conditions)
is compliant with JEDEC JESD47 qualification standard, extended mission profiles are
available on demand.
MSv41630V1
IDD_USB
VDDUSB
IDD
VDD
IDDA
VDDA
Table 18. Voltage characteristics(1)
Symbol Ratings Min Max Unit
VDDX - VSS
External main supply voltage (including
VDD, VDDA, VDDUSB)-0.3 4.0 V
VIN(2)
Input voltage on FT_xxx pins VSS-0.3 min (VDD, VDDA, VDDUSB)
+ 4.0(3)(4)
V
Input voltage on TT_xx pins VSS-0.3 4.0
Input voltage on any other pins VSS-0.3 4.0
|VDDx|Variations between different VDDX power
pins of the same domain -50mV
|VSSx-VSS|Variations between all the different ground
pins(5) -50mV

Electrical characteristics STM32L432KB STM32L432KC
66/156 DS11451 Rev 4
1. All main power (VDD, VDDA, VDDUSB,) and ground (VSS, VSSA) pins must always be connected to the external power supply,
in the permitted range.
2. VIN maximum must always be respected. Refer to Table 19: Current characteristics for the maximum allowed injected
current values.
3. This formula has to be applied only on the power supplies related to the IO structure described in the pin definition table.
4. To sustain a voltage higher than 4 V the internal pull-up/pull-down resistors must be disabled.
5. Include VREF- pin.
Table 19. Current characteristics
Symbol Ratings Max Unit
IVDD Total current into sum of all VDD power lines (source)(1) 140
mA
IVSS Total current out of sum of all VSS ground lines (sink)(1) 140
IVDD(PIN) Maximum current into each VDD power pin (source)(1) 100
IVSS(PIN) Maximum current out of each VSS ground pin (sink)(1) 100
IIO(PIN)
Output current sunk by any I/O and control pin except FT_f 20
Output current sunk by any FT_f pin 20
Output current sourced by any I/O and control pin 20
IIO(PIN)
Total output current sunk by sum of all I/Os and control pins(2) 100
Total output current sourced by sum of all I/Os and control pins(2) 100
IINJ(PIN)(3)
Injected current on FT_xxx, TT_xx, RST and B pins, except PA4,
PA5 -5/+0(4)
Injected current on PA4, PA5 -5/0
|IINJ(PIN)|Total injected current (sum of all I/Os and control pins)(5) 25
1. All main power (VDD, VDDA, VDDUSB) and ground (VSS, VSSA) pins must always be connected to the external power
supplies, in the permitted range.
2. This current consumption must be correctly distributed over all I/Os and control pins. The total output current must not be
sunk/sourced between two consecutive power supply pins referring to high pin count QFP packages.
3. Positive injection (when VIN > VDDIOx) is not possible on these I/Os and does not occur for input voltages lower than the
specified maximum value.
4. A negative injection is induced by VIN < VSS. IINJ(PIN) must never be exceeded. Refer also to Table 18: Voltage
characteristics for the maximum allowed input voltage values.
5. When several inputs are submitted to a current injection, the maximum |IINJ(PIN)| is the absolute sum of the negative
injected currents (instantaneous values).
Table 20. Thermal characteristics
Symbol Ratings Value Unit
TSTG Storage temperature range –65 to +150 °C
TJMaximum junction temperature 150 °C

DS11451 Rev 4 67/156
STM32L432KB STM32L432KC Electrical characteristics
148
6.3 Operating conditions
6.3.1 General operating conditions
Table 21. General operating conditions
Symbol Parameter Conditions Min Max Unit
fHCLK Internal AHB clock frequency - 0 80
MHzfPCLK1 Internal APB1 clock frequency - 0 80
fPCLK2 Internal APB2 clock frequency - 0 80
VDD Standard operating voltage - 1.71
(1) 3.6 V
VDDA Analog supply voltage
ADC or COMP used 1.62
3.6 V
DAC or OPAMP used 1.8
ADC, DAC, OPAMP, COMP not
used 0
VDDUSB USB supply voltage
USB used 3.0 3.6
V
USB not used 0 3.6
VIN I/O input voltage
TT_xx I/O -0.3 VDDIOx+0.3
V
All I/O except TT_xx -0.3
Min(Min(VDD, VDDA,
VDDUSB)+3.6 V,
5.5 V)(2)(3)
PD
Power dissipation at
TA = 125 °C for suffix 3(4) UFQFPN32 - 128 mW
PD
Power dissipation at
TA = 85 °C for suffix 6
or
TA = 105 °C for suffix 7(4)
UFQFPN32 - 523 mW
TA
Ambient temperature for the
suffix 6 version
Maximum power dissipation –40 85
°C
Low-power dissipation(5) –40 105
Ambient temperature for the
suffix 7 version
Maximum power dissipation –40 105
Low-power dissipation(5) –40 125
Ambient temperature for the
suffix 3 version
Maximum power dissipation –40 125
Low-power dissipation(5) –40 130
TJ Junction temperature range
Suffix 6 version –40 105
°CSuffix 7 version –40 125
Suffix 3 version –40 130
1. When RESET is released functionality is guaranteed down to VBOR0 Min.
2. This formula has to be applied only on the power supplies related to the IO structure described by the pin definition table.
Maximum I/O input voltage is the smallest value between Min(VDD, VDDA, VDDUSB)+3.6 V and 5.5V.
3. For operation with voltage higher than Min (VDD, VDDA, VDDUSB) +0.3 V, the internal Pull-up and Pull-Down resistors must
be disabled.
4. If TA is lower, higher PD values are allowed as long as TJ does not exceed TJmax (see Section 7.2: Thermal characteristics).

Electrical characteristics STM32L432KB STM32L432KC
68/156 DS11451 Rev 4
6.3.2 Operating conditions at power-up / power-down
The parameters given in Table 22 are derived from tests performed under the ambient
temperature condition summarized in Table 21.
The requirements for power-up/down sequence specified in Section 3.9.1: Power supply
schemes must be respected.
6.3.3 Embedded reset and power control block characteristics
The parameters given in Table 23 are derived from tests performed under the ambient
temperature conditions summarized in Table 21: General operating conditions.
5. In low-power dissipation state, TA can be extended to this range as long as TJ does not exceed TJmax (see Section 7.2:
Thermal characteristics).
Table 22. Operating conditions at power-up / power-down
Symbol Parameter Conditions Min Max Unit
tVDD
VDD rise time rate
-
0
µs/V
VDD fall time rate 10
tVDDA
VDDA rise time rate
-
0
VDDA fall time rate 10
tVDDUSB
VDDUSB rise time rate
-
0
VDDUSB fall time rate 10
Table 23. Embedded reset and power control block characteristics
Symbol Parameter Conditions(1) Min Typ Max Unit
tRSTTEMPO(2) Reset temporization after
BOR0 is detected VDD rising - 250 400 s
VBOR0(2) Brown-out reset threshold 0
Rising edge 1.62 1.66 1.7
V
Falling edge 1.6 1.64 1.69
VBOR1 Brown-out reset threshold 1
Rising edge 2.06 2.1 2.14
V
Falling edge 1.96 2 2.04
VBOR2 Brown-out reset threshold 2
Rising edge 2.26 2.31 2.35
V
Falling edge 2.16 2.20 2.24
VBOR3 Brown-out reset threshold 3
Rising edge 2.56 2.61 2.66
V
Falling edge 2.47 2.52 2.57
VBOR4 Brown-out reset threshold 4
Rising edge 2.85 2.90 2.95
V
Falling edge 2.76 2.81 2.86
VPVD0
Programmable voltage
detector threshold 0
Rising edge 2.1 2.15 2.19
V
Falling edge 2 2.05 2.1

DS11451 Rev 4 69/156
STM32L432KB STM32L432KC Electrical characteristics
148
VPVD1 PVD threshold 1
Rising edge 2.26 2.31 2.36
V
Falling edge 2.15 2.20 2.25
VPVD2 PVD threshold 2
Rising edge 2.41 2.46 2.51
V
Falling edge 2.31 2.36 2.41
VPVD3 PVD threshold 3
Rising edge 2.56 2.61 2.66
V
Falling edge 2.47 2.52 2.57
VPVD4 PVD threshold 4
Rising edge 2.69 2.74 2.79
V
Falling edge 2.59 2.64 2.69
VPVD5 PVD threshold 5
Rising edge 2.85 2.91 2.96
V
Falling edge 2.75 2.81 2.86
VPVD6 PVD threshold 6
Rising edge 2.92 2.98 3.04
V
Falling edge 2.84 2.90 2.96
Vhyst_BORH0 Hysteresis voltage of BORH0
Hysteresis in
continuous
mode
-20-
mV
Hysteresis in
other mode -30-
Vhyst_BOR_PVD
Hysteresis voltage of BORH
(except BORH0) and PVD --100-mV
IDD
(BOR_PVD)(2)
BOR(3) (except BOR0) and
PVD consumption from VDD
--1.11.6µA
VPVM1
VDDUSB peripheral voltage
monitoring - 1.18 1.22 1.26 V
VPVM3
VDDA peripheral voltage
monitoring
Rising edge 1.61 1.65 1.69
V
Falling edge 1.6 1.64 1.68
VPVM4
VDDA peripheral voltage
monitoring
Rising edge 1.78 1.82 1.86
V
Falling edge 1.77 1.81 1.85
Vhyst_PVM3 PVM3 hysteresis - - 10 - mV
Vhyst_PVM4 PVM4 hysteresis - - 10 - mV
IDD (PVM1)
(2) PVM1 consumption from VDD --0.2-µA
IDD
(PVM3/PVM4)
(2)
PVM3 and PVM4
consumption from VDD
--2-µA
1. Continuous mode means Run/Sleep modes, or temperature sensor enable in Low-power run/Low-power
sleep modes.
2. Guaranteed by design.
3. BOR0 is enabled in all modes (except shutdown) and its consumption is therefore included in the supply
current characteristics tables.
Table 23. Embedded reset and power control block characteristics (continued)
Symbol Parameter Conditions(1) Min Typ Max Unit

Electrical characteristics STM32L432KB STM32L432KC
70/156 DS11451 Rev 4
6.3.4 Embedded voltage reference
The parameters given in Table 24 are derived from tests performed under the ambient
temperature and supply voltage conditions summarized in Table 21: General operating
conditions.
Table 24. Embedded internal voltage reference
Symbol Parameter Conditions Min Typ Max Unit
VREFINT Internal reference voltage –40 °C < TA < +130 °C 1.182 1.212 1.232 V
tS_vrefint (1)
ADC sampling time when
reading the internal reference
voltage
-4
(2) --µs
tstart_vrefint
Start time of reference voltage
buffer when ADC is enable --812
(2) µs
IDD(VREFINTBUF)
VREFINT buffer consumption
from VDD when converted by
ADC
- - 12.5 20(2) µA
VREFINT
Internal reference voltage
spread over the temperature
range
VDD = 3 V - 5 7.5(2) mV
TCoeff Temperature coefficient –40°C < TA < +130°C - 30 50(2) ppm/°C
ACoeff Long term stability 1000 hours, T = 25°C - 300 1000(2) ppm
VDDCoeff Voltage coefficient 3.0 V < VDD < 3.6 V - 250 1200(2) ppm/V
VREFINT_DIV1 1/4 reference voltage
-
24 25 26
%
VREFINT
VREFINT_DIV2 1/2 reference voltage 49 50 51
VREFINT_DIV3 3/4 reference voltage 74 75 76
1. The shortest sampling time can be determined in the application by multiple iterations.
2. Guaranteed by design.

DS11451 Rev 4 71/156
STM32L432KB STM32L432KC Electrical characteristics
148
Figure 11. VREFINT versus temperature
MSv40169V1
1.185
1.19
1.195
1.2
1.205
1.21
1.215
1.22
1.225
1.23
1.235
-40 -20 0 20 40 60 80 100 120
V
°C
Mean Min Max

Electrical characteristics STM32L432KB STM32L432KC
72/156 DS11451 Rev 4
6.3.5 Supply current characteristics
The current consumption is a function of several parameters and factors such as the
operating voltage, ambient temperature, I/O pin loading, device software configuration,
operating frequencies, I/O pin switching rate, program location in memory and executed
binary code.
The current consumption is measured as described in Figure 10: Current consumption
measurement scheme.
Typical and maximum current consumption
The MCU is placed under the following conditions:
•All I/O pins are in analog input mode
•All peripherals are disabled except when explicitly mentioned
•The Flash memory access time is adjusted with the minimum wait states number,
depending on the fHCLK frequency (refer to the table “Number of wait states according
to CPU clock (HCLK) frequency” available in the RM0394 reference manual).
•When the peripherals are enabled fPCLK = fHCLK
The parameters given in Table 25 to Table 37 are derived from tests performed under
ambient temperature and supply voltage conditions summarized in Table 21: General
operating conditions.

STM32L432KB STM32L432KC Electrical characteristics
DS11451 Rev 4 73/156
Table 25. Current consumption in Run and Low-power run modes, code with data processing
running from Flash, ART enable (Cache ON Prefetch OFF)
Symbol Parameter
Conditions TYP MAX(1)
Unit
-Voltage
scaling fHCLK 25 °C 55 °C 85 °C 105 °C 125 °C 25 °C 55 °C 85 °C 105 °C 125 °C
IDD_ALL
(Run)
Supply
current in
Run mode
fHCLK = fHSE up to
48MHz included,
bypass mode
PLL ON above
48 MHz all
peripherals disable
Range 2
26 MHz 2.37 2.38 2.44 2.52 2.66 2.7 2.7 2.8 2.9 3.2
mA
16 MHz 1.5 1.52 1.57 1.64 1.79 1.7 1.7 1.8 2.0 2.3
8 MHz 0.81 0.82 0.87 0.94 1.08 0.9 0.9 1.0 1.2 1.5
4 MHz 0.46 0.47 0.52 0.59 0.73 0.5 0.6 0.6 0.8 1.1
2 MHz 0.29 0.3 0.34 0.41 0.55 0.3 0.4 0.4 0.6 0.9
1 MHz 0.2 0.21 0.25 0.32 0.46 0.2 0.3 0.3 0.5 0.8
100 kHz 0.12 0.13 0.17 0.24 0.38 0.1 0.2 0.2 0.4 0.7
Range 1
80 MHz 8.53 8.56 8.64 8.74 8.92 9.5 9.6 9.7 9.9 10.3
72 MHz 7.7 7.73 7.8 7.9 8.08 8.6 8.6 8.7 8.9 9.3
64 MHz 6.86 6.9 6.97 7.06 7.23 7.7 7.7 7.8 8.0 8.3
48 MHz 5.13 5.16 5.23 5.32 5.49 5.8 5.8 6.0 6.1 6.5
32 MHz 3.46 3.48 3.55 3.64 3.8 3.9 4.0 4.1 4.2 4.6
24 MHz 2.63 2.64 2.71 2.79 2.96 3.0 3.0 3.1 3.3 3.6
16 MHz 1.8 1.81 1.87 1.96 2.12 2.0 2.1 2.2 2.3 2.7
IDD_ALL
(LPRun)
Supply
current in
Low-power
run mode
fHCLK = fMSI
all peripherals disable
2 MHz 211 230 280 355 506 273.8 301.1 360.4 502.7 815.9
µA
1 MHz 117 134 179 254 404 154.7 184.6 249.6 398.4 712.4
400 kHz 58.5 70.4 116 189 338 80.2 111.5 179.7 330.8 643.4
100 kHz 30 41.1 85.2 159 308 46.5 76.6 147.1 299.1 611.2
1. Guaranteed by characterization results, unless otherwise specified.

Electrical characteristics STM32L432KB STM32L432KC
74/156 DS11451 Rev 4
Table 26. Current consumption in Run and Low-power run modes, code with data processing
running from Flash, ART disable
Symbol Parameter
Conditions TYP MAX(1)
Unit
-Voltage
scaling fHCLK 25 °C 55 °C 85 °C 105 °C 125 °C 25 °C 55 °C 85 °C 105 °C 125 °C
IDD_ALL
(Run)
Supply
current in
Run mode
fHCLK = fHSE up to
48MHz included,
bypass mode
PLL ON above
48 MHz all
peripherals disable
Range 2
26 MHz 2.66 2.68 2.73 2.81 2.96 3.0 3.1 3.2 3.3 3.6
mA
16 MHz 1.88 1.9 1.94 2.02 2.17 2.1 2.2 2.3 2.4 2.7
8 MHz 1.05 1.06 1.11 1.18 1.33 1.2 1.2 1.3 1.4 1.7
4 MHz 0.6 0.62 0.66 0.73 0.87 0.7 0.7 0.8 0.9 1.2
2 MHz 0.36 0.37 0.34 0.48 0.62 0.4 0.4 0.5 0.6 0.9
1 MHz 0.23 0.25 0.25 0.36 0.5 0.3 0.3 0.4 0.5 0.8
100 kHz 0.12 0.14 0.17 0.25 0.39 0.1 0.2 0.2 0.4 0.7
Range 1
80 MHz 8.56 8.61 8.69 8.79 8.97 9.6 9.7 9.8 10.0 10.3
72 MHz 7.74 7.79 7.86 7.96 8.14 8.7 8.7 8.8 9.0 9.4
64 MHz 7.63 7.68 7.75 7.85 8.04 8.6 8.6 8.7 8.9 9.3
48 MHz 6.36 6.4 6.48 6.58 6.76 7.2 7.3 7.4 7.6 7.9
32 MHz 4.56 4.6 4.66 4.76 4.93 5.2 5.2 5.3 5.5 5.8
24 MHz 3.45 3.48 3.54 3.64 3.8 3.9 4.0 4.1 4.2 4.6
16 MHz 2.48 2.51 2.56 2.65 2.82 2.8 2.9 3.0 3.1 3.5
IDD_ALL
(LPRun)
Supply
current in
Low-power
run
fHCLK = fMSI
all peripherals disable
2 MHz 310 317 364 440 593 375.3 400.9 456.7 595.3 909.6
µA
1 MHz 157 173 226 296 448 204.8 234.2 298.2 445.8 758.9
400 kHz 72.6 89 130 206 356 99.7 131.2 199.7 349.3 663.7
100 kHz 32.3 46 89.7 164 314 52.4 82.1 153.3 301.2 616.9
1. Guaranteed by characterization results, unless otherwise specified.

STM32L432KB STM32L432KC Electrical characteristics
DS11451 Rev 4 75/156
Table 27. Current consumption in Run and Low-power run modes, code with data processing
running from SRAM1
Symbol Parameter
Conditions TYP MAX(1)
Unit
-Voltage
scaling fHCLK 25 °C 55 °C 85 °C 105
°C
125
°C 25 °C 55 °C 85 °C 105
°C
125
°C
IDD_ALL
(Run)
Supply
current in
Run mode
fHCLK = fHSE up to
48MHz included,
bypass mode
PLL ON above
48 MHz all
peripherals disable
Range 2
26 MHz 2.42 2.43 2.49 2.56 2.71 2.7 2.7 2.8 3.0 3.3
mA
16 MHz 1.54 1.55 1.6 1.67 1.82 1.7 1.7 1.8 2.0 2.3
8 MHz 0.82 0.84 0.88 0.95 1.1 0.9 1.0 1.0 1.2 1.5
4 MHz 0.47 0.48 0.52 0.59 0.73 0.5 0.6 0.6 0.8 1.1
2 MHz 0.29 0.3 0.34 0.41 0.55 0.3 0.4 0.4 0.6 0.9
1 MHz 0.2 0.21 0.25 0.32 0.46 0.2 0.3 0.3 0.5 0.8
100 kHz 0.12 0.13 0.17 0.24 0.38 0.1 0.2 0.2 0.4 0.7
Range 1
80 MHz 8.63 8.68 8.74 8.84 9.01 9.5 9.6 9.7 9.9 10.2
72 MHz 7.79 7.83 7.9 7.99 8.17 8.6 8.6 8.8 8.9 9.3
64 MHz 6.95 6.99 7.05 7.15 7.32 7.7 7.7 7.9 8.0 8.4
48 MHz 5.19 5.22 5.29 5.38 5.55 5.8 5.8 5.9 6.1 6.5
32 MHz 3.51 3.53 3.6 3.68 3.85 3.9 4.0 4.1 4.2 4.6
24 MHz 2.66 2.68 2.74 2.83 2.99 3.0 3.0 3.1 3.3 3.6
16 MHz 1.82 1.84 1.89 1.98 2.14 2.0 2.1 2.2 2.3 2.7
IDD_ALL
(LPRun)
Supply
current in
low-power
run mode
fHCLK = fMSI
all peripherals disable
FLASH in power-down
2 MHz 205 228 275 352 501 276.5 302.3 358.4 502.5 816.4
µA
1 MHz 111 126 175 248 397 151.3 180.9 245.3 390.7 703.4
400 kHz 49.2 62.7 108 181 330 73.3 104.0 170.8 321.0 632.4
100 kHz 21.5 33.3 76.6 151 299 36.4 67.7 137.2 287.8 600.8
1. Guaranteed by characterization results, unless otherwise specified.

Electrical characteristics STM32L432KB STM32L432KC
76/156 DS11451 Rev 4
Table 28. Typical current consumption in Run and Low-power run modes, with different codes
running from Flash, ART enable (Cache ON Prefetch OFF)
Symbol Parameter
Conditions TYP
Unit
TYP
Unit
-Voltage
scaling Code 25 °C 25 °C
IDD_ALL
(Run)
Supply
current in
Run mode
fHCLK = fHSE up
to 48 MHz
included, bypass
mode PLL ON
above 48 MHz
all peripherals
disable
Range 2
fHCLK = 26 MHz
Reduced code(1) 2.37
mA
91
µA/MHz
Coremark 2.69 103
Dhrystone 2.1 2.74 105
Fibonacci 2.58 99
While(1) 2.30 88
Range 1
fHCLK = 80 MHz
Reduced code(1) 8.53
mA
107
µA/MHz
Coremark 9.68 121
Dhrystone 2.1 9.76 122
Fibonacci 9.27 116
While(1) 8.20 103
IDD_ALL
(LPRun)
Supply
current in
Low-power
run
fHCLK = fMSI = 2 MHz
all peripherals disable
Reduced code(1) 211
µA
106
µA/MHz
Coremark 251 126
Dhrystone 2.1 269 135
Fibonacci 230 115
While(1) 286 143
1. Reduced code used for characterization results provided in Table 25, Table 26, Table 27.

DS11451 Rev 4 77/156
STM32L432KB STM32L432KC Electrical characteristics
148
Table 29. Typical current consumption in Run and Low-power run modes, with different codes
running from Flash, ART disable
Symbol Parameter
Conditions TYP
Unit
TYP
Unit
-Voltage
scaling Code 25 °C 25 °C
IDD_ALL
(Run)
Supply
current in
Run mode
fHCLK = fHSE up to
48 MHz included,
bypass mode
PLL ON above
48 MHz
all peripherals
disable
Range 2
fHCLK = 26 MHz
Reduced code(1) 2.66
mA
102
µA/MHz
Coremark 2.44 94
Dhrystone 2.1 2.46 95
Fibonacci 2.27 87
While(1) 2.20 84.6
Range 1
fHCLK = 80 MHz
Reduced code(1) 8.56
mA
107
µA/MHz
Coremark 8.00 100
Dhrystone 2.1 7.98 100
Fibonacci 7.41 93
While(1) 7.83 98
IDD_ALL
(LPRun)
Supply
current in
Low-power
run
fHCLK = fMSI = 2 MHz
all peripherals disable
Reduced code(1) 310
µA
155
µA/MHz
Coremark 342 171
Dhrystone 2.1 324 162
Fibonacci 324 162
While(1) 384 192
1. Reduced code used for characterization results provided in Table 25, Table 26, Table 27.
Table 30. Typical current consumption in Run and Low-power run modes, with different codes
running from SRAM1
Symbol Parameter
Conditions TYP
Unit
TYP
Unit
-Voltage
scaling Code 25 °C 25 °C
IDD_ALL
(Run)
Supply
current in
Run mode
fHCLK = fHSE up to
48 MHz included,
bypass mode
PLL ON above
48 MHz all
peripherals
disable
Range 2
fHCLK = 26 MHz
Reduced code(1) 2.42
mA
93
µA/MHz
Coremark 2.18 84
Dhrystone 2.1 2.40 92
Fibonacci 2.40 92
While(1) 2.29 88
Range 1
fHCLK = 80 MHz
Reduced code(1) 8.63
mA
108
µA/MHz
Coremark 7.76 97
Dhrystone 2.1 8.55 107
Fibonacci 8.56 107
While(1) 8.12 102
IDD_ALL
(LPRun)
Supply
current in
Low-power
run
fHCLK = fMSI = 2 MHz
all peripherals disable
Reduced code(1) 205
µA
103
µA/MHz
Coremark 188 94
Dhrystone 2.1 222 111
Fibonacci 204 102
While(1) 211 106
1. Reduced code used for characterization results provided in Table 25, Table 26, Table 27.

Electrical characteristics STM32L432KB STM32L432KC
78/156 DS11451 Rev 4
Table 31. Current consumption in Sleep and Low-power sleep modes, Flash ON
Symbol Parameter
Conditions TYP MAX(1)
Unit
-Voltage
scaling fHCLK 25 °C 55 °C 85 °C 105 °C 125 °C 25 °C 55 °C 85 °C 105 °C 125 °C
IDD_ALL
(Sleep)
Supply
current in
sleep
mode,
fHCLK = fHSE up
to 48 MHz
included, bypass
mode
pll ON above
48 MHz all
peripherals
disable
Range 2
26 MHz 0.68 0.69 0.74 0.81 0.95 0.8 0.8 0.9 1.0 1.3
mA
16 MHz 0.46 0.48 0.52 0.59 0.73 0.5 0.6 0.6 0.8 1.1
8 MHz 0.29 0.30 0.34 0.41 0.55 0.3 0.4 0.4 0.6 0.9
4 MHz 0.20 0.21 0.25 0.32 0.46 0.2 0.3 0.3 0.5 0.8
2 MHz 0.16 0.17 0.21 0.28 0.42 0.2 0.2 0.3 0.4 0.7
1 MHz 0.13 0.15 0.19 0.26 0.40 0.1 0.2 0.3 0.4 0.7
100 kHz 0.11 0.13 0.17 0.24 0.38 0.1 0.2 0.2 0.4 0.7
Range 1
80 MHz 2.23 2.25 2.30 2.38 2.54 2.5 2.5 2.6 2.8 3.1
72 MHz 2.02 2.04 2.10 2.18 2.34 2.2 2.3 2.4 2.5 2.9
64 MHz 1.82 1.84 1.89 1.98 2.14 2.0 2.1 2.1 2.3 2.6
48 MHz 1.34 1.36 1.42 1.50 1.66 1.5 1.6 1.7 1.8 2.2
32 MHz 0.93 0.95 1.01 1.09 1.25 1.1 1.1 1.2 1.4 1.7
24 MHz 0.73 0.75 0.80 0.88 1.04 0.8 0.9 1.0 1.1 1.4
16 MHz 0.53 0.55 0.60 0.68 0.84 0.6 0.6 0.7 0.9 1.2
IDD_ALL
(LPSleep)
Supply
current in
low-power
sleep
mode
fHCLK = fMSI
all peripherals disable
2 MHz 71.8 80.7 125 200 350 91.1 122.7 191.3 341.5 653.5
µA
1 MHz 45.0 57.3 101 176 325 63.2 95.4 165.4 316.5 628.7
400 kHz 27.0 40.7 84.6 158 308 43.9 75.8 147.2 297.6 609.2
100 kHz 22.8 30.9 63.3 113.2 207.7 35.2 67.9 140.9 290.8 602.4
1. Guaranteed by characterization results, unless otherwise specified.

STM32L432KB STM32L432KC Electrical characteristics
DS11451 Rev 4 79/156
Table 32. Current consumption in Low-power sleep modes, Flash in power-down
Symbol Parameter
Conditions TYP MAX(1)
Unit
-Voltage
scaling fHCLK 25 °C 55 °C 85 °C 105 °C 125 °C 25 °C 55 °C 85 °C 105 °C 125 °C
IDD_ALL
(LPSleep)
Supply current
in low-power
sleep mode
fHCLK = fMSI
all peripherals disable
2 MHz 58.7 70.7 103.2 153.7 248.5 80 113 180 330 641
µA
1 MHz 39.4 47.2 79.3 129.6 224.8 53 86 154 304 616
400 kHz 20.8 30.8 62.1 112.5 207.8 35 67 137 286 597
100 kHz 14.3 23.1 55.1 105.7 201.5 27 58 130 279 590
1. Guaranteed by characterization results, unless otherwise specified.
Table 33. Current consumption in Stop 2 mode
Symbol Parameter
Conditions TYP MAX(1)
Unit
-V
DD 25 °C 55 °C 85 °C 105 °C 125 °C 25 °C 55 °C 85 °C 105 °C 125 °C
IDD_ALL
(Stop 2)
Supply current in
Stop 2 mode,
RTC disabled
-
1.8 V 1 2.54 8.74 19.8 43.4 2.0 5.6 21.1 50.8 116.0
µA
2.4 V 1.02 2.59 8.89 20.2 44.3 2.1 5.8 21.6 52.3 119.6
3 V 1.06 2.67 9.11 20.7 45.5 2.1 5.9 22.2 53.7 123.2
3.6 V 1.23 2.88 9.56 21.6 47.3 2.3 6.1 23.0 55.8 127.9
IDD_ALL
(Stop 2 with
RTC)
Supply current in
Stop 2 mode,
RTC enabled
RTC clocked by LSI
1.8 V 1.3 2.82 9.02 20.1 43.6 2.5 6.2 21.6 51.3 116.3
µA
2.4 V 1.39 2.95 9.24 20.5 44.6 2.8 6.4 22.3 52.8 120.0
3 V 1.5 3.11 9.55 21.1 45.8 3.0 6.8 23.0 54.5 123.8
3.6 V 1.76 3.42 10.1 22.1 47.8 3.3 7.2 24.1 56.7 128.7
RTC clocked by LSE
bypassed at 32768 Hz
1.8 V 1.36 2.9 9.1 20.1 43.7 - - - - -
2.4 V 1.48 3.09 9.44 20.8 45 - - - - -
3 V 1.83 3.67 10.4 22.3 47.3 - - - - -
3.6 V 3.58 6.17 13.9 26.6 53 - - - - -
RTC clocked by LSE
quartz(2)
in low drive mode
1.8 V 1.28 2.81 9.13 20.8 - - - - - -
2.4 V 1.39 2.93 9.34 21.3 - - - - - -
3 V 1.59 3.1 9.64 21.8 - - - - - -
3.6 V 1.86 3.45 10.2 22.8 - - - - - -

Electrical characteristics STM32L432KB STM32L432KC
80/156 DS11451 Rev 4
IDD_ALL
(wakeup from
Stop2)
Supply current
during wakeup
from Stop 2
mode
Wakeup clock is
MSI = 48 MHz,
voltage Range 1.
See (3).
3 V1.85---------
mA
Wakeup clock is
MSI = 4 MHz,
voltage Range 2.
See (3).
3 V1.52---------
Wakeup clock is
HSI16 = 16 MHz,
voltage Range 1.
See (3).
3 V1.54---------
1. Guaranteed based on test during characterization, unless otherwise specified.
2. Based on characterization done with a 32.768 kHz crystal (MC306-G-06Q-32.768, manufacturer JFVNY) with two 6.8 pF loading capacitors.
3. Wakeup with code execution from Flash. Average value given for a typical wakeup time as specified in Table 39: Low-power mode wakeup timings.
Table 33. Current consumption in Stop 2 mode (continued)
Symbol Parameter
Conditions TYP MAX(1)
Unit
-V
DD 25 °C 55 °C 85 °C 105 °C 125 °C 25 °C 55 °C 85 °C 105 °C 125 °C

STM32L432KB STM32L432KC Electrical characteristics
DS11451 Rev 4 81/156
Table 34. Current consumption in Stop 1 mode
Symbol Parameter
Conditions TYP MAX(1)
Unit
-V
DD 25 °C 55 °C 85 °C 105 °C 125 °C 25 °C 55 °C 85 °C 105 °C 125 °C
IDD_ALL
(Stop 1)
Supply
current in
Stop 1 mode,
RTC disabled
-
1.8 V 4.34 12.4 43.6 96.4 204 9.3 27.4 98.9 198.7 397.5
µA
2.4 V 4.35 12.5 43.8 97 205 9.4 27.6 99.5 199.0 398.0
3 V 4.41 12.6 44.1 97.7 207 9.5 27.8 100.3 200.4 400.8
3.6 V 4.56 12.9 44.8 98.9 210 9.7 28.3 101.7 202.1 404.2
IDD_ALL
(Stop 1 with
RTC)
Supply
current in stop
1 mode,
RTC enabled
RTC clocked by LSI
1.8 V 4.63 12.7 43.9 96.8 205 9.9 28.0 99.5 198.9 397.8
µA
2.4 V 4.78 12.8 44.2 97.4 206 10.1 28.3 100.3 199.5 399.0
3 V 4.93 13 44.6 98.1 207 10.4 28.7 101.2 200.9 401.9
3.6 V 5.05 13.4 45.3 99.5 210 10.8 29.4 102.8 202.5 405.0
RTC clocked by LSE
bypassed, at 32768 Hz
1.8 V 4.7 12.8 44 96.9 205 - - - - -
2.4 V 4.95 13 44.4 97.6 206 - - - - -
3 V 5.33 13.6 45.4 99.1 209 - - - - -
3.6 V 6.91 16.1 48.8 103 216 - - - - -
RTC clocked by LSE quartz(2)
in low drive mode
1.8 V 4.76 12.3 43.7 99.1 - - - - - -
2.4 V 4.95 12.4 43.8 99.3 - - - - - -
3 V 5.1 12.6 44.1 99.6 - - - - - -
3.6 V 5.65 13 44.8 101 - - - - - -
IDD_ALL
(wakeup
from Stop1)
Supply
current during
wakeup from
Stop 1
Wakeup clock MSI = 48 MHz,
voltage Range 1.
See (3).
3 V1.14---------
mA
Wakeup clock MSI = 4 MHz,
voltage Range 2.
See (3).
3 V1.22---------
Wakeup clock HSI16 =
16 MHz, voltage Range 1.
See (3).
3 V1.20---------
1. Guaranteed based on test during characterization, unless otherwise specified.
2. Based on characterization done with a 32.768 kHz crystal (MC306-G-06Q-32.768, manufacturer JFVNY) with two 6.8 pF loading capacitors.
3. Wakeup with code execution from Flash. Average value given for a typical wakeup time as specified in Table 39: Low-power mode wakeup timings.

Electrical characteristics STM32L432KB STM32L432KC
82/156 DS11451 Rev 4
Table 35. Current consumption in Stop 0
Symbol Parameter
Conditions TYP MAX(1)
1. Guaranteed by characterization results, unless otherwise specified.
Unit
VDD 25 °C 55 °C 85 °C 105 °C 125 °C 25 °C 55 °C 85 °C 105 °C 125 °C
IDD_ALL
(Stop 0)
Supply
current in
Stop 0 mode,
RTC disabled
1.8 V 108 119 158 221 347 133 158 244 395 704
µA
2.4 V 110 121 160 223 349 136 161 248 399 710
3 V 111 123 161 224 352 139 164 251 403 716
3.6 V 114 125 163 227 355 142 167 254 408 722(2)
2. Guaranteed by test in production.

STM32L432KB STM32L432KC Electrical characteristics
DS11451 Rev 4 83/156
Table 36. Current consumption in Standby mode
Symbol Parameter
Conditions TYP MAX(1)
Unit
-V
DD 25 °C 55 °C 85 °C 105 °C 125 °C 25 °C 55 °C 85 °C 105 °C 125 °C
IDD_ALL
(Standby)
Supply current
in Standby
mode (backup
registers
retained),
RTC disabled
no independent watchdog
1.8 V 27.7 144 758 2 072 5 425 119 425 2866 7524 20510
nA
2.4 V 50.9 187 892 2 408 6 247 183 564 3383 8778 23768
3 V 90.2 253 1 090 2 884 7 409 225 681 3912 10071 26976
3.6 V 253 459 1 474 3 575 8 836 292 877 4638 11659 30758
with independent
watchdog
1.8 V 216 - - - - - - - - -
2.4 V 342 - - - - - - - - -
3 V 416 - - - - - - - - -
3.6 V 551 - - - - - - - - -
IDD_ALL
(Standby
with RTC)
Supply current
in Standby
mode (backup
registers
retained),
RTC enabled
RTC clocked by LSI, no
independent watchdog
1.8 V 287 407 989 2 230 5 396 585 944 3344 7866 20504
nA
2.4 V 386 526 1 201 2 638 6 274 811 1230 4007 9246 23824
3 V 513 679 1 478 3 167 7 414 1022 1521 4683 10671 27124
3.6 V 771 978 1 963 3 992 9 039 1284 1924 5577 12383 30954
(2)
RTC clocked by LSI, with
independent watchdog
1.8 V 342 - - - - - - - - -
2.4 V 521 - - - - - - - - -
3 V 655 - - - - - - - - -
3.6 V 865 - - - - - - - - -
RTC clocked by LSE
bypassed at 32768Hz
1.8 V 142 126 865 2 220 5 650 - - - - -
nA
2.4 V 249 219 1 090 2 660 6 600 - - - - -
3 V 404 364 1 410 3 260 7 850 - - - - -
3.6 V 742 670 2 000 4 230 9 700 - - - - -
RTC clocked by LSE
quartz (3) in low drive mode
1.8 V 281 423 1 046 2 410 5 700 - - - - -
2.4 V 388 548 1 268 2 847 6 564 - - - - -
3 V 535 715 1 565 3 420 7 694 - - - - -
3.6 V 836 1 048 2 081 4 311 9 338 - - - - -

Electrical characteristics STM32L432KB STM32L432KC
84/156 DS11451 Rev 4
IDD_ALL
(SRAM2)(4)
Supply current
to be added in
Standby mode
when SRAM2
is retained
-
1.8 V 173 349 1 009 2 158 4 542 249 527 1604 3402 6908
nA
2.4 V 174 345 1 015 2 163 4 535 271 589 1623 3438 6924
3 V 178 350 1 019 2 148 4 419 277 594 1628 3467 6935
3.6 V 184 352 1 033 2 208 4 610 293 611 1631 3480 6948
IDD_ALL
(wakeup
from
Standby)
Supply current
during wakeup
from Standby
mode
Wakeup clock is
MSI = 4 MHz.
See (5).
3 V1.23---------mA
1. Guaranteed by characterization results, unless otherwise specified.
2. Guaranteed by test in production.
3. Based on characterization done with a 32.768 kHz crystal (MC306-G-06Q-32.768, manufacturer JFVNY) with two 6.8 pF loading capacitors.
4. The supply current in Standby with SRAM2 mode is: IDD_ALL(Standby) + IDD_ALL(SRAM2). The supply current in Standby with RTC with SRAM2 mode is: IDD_ALL(Standby
+ RTC) + IDD_ALL(SRAM2).
5. Wakeup with code execution from Flash. Average value given for a typical wakeup time as specified in Table 39: Low-power mode wakeup timings.
Table 36. Current consumption in Standby mode (continued)
Symbol Parameter
Conditions TYP MAX(1)
Unit
-V
DD 25 °C 55 °C 85 °C 105 °C 125 °C 25 °C 55 °C 85 °C 105 °C 125 °C
Table 37. Current consumption in Shutdown mode
Symbol Parameter
Conditions TYP MAX(1)
Unit
-V
DD 25 °C 55 °C 85 °C 105 °C 125 °C 25 °C 55 °C 85 °C 105 °C 125 °C
IDD_ALL
(Shutdown)
Supply current
in Shutdown
mode
(backup
registers
retained) RTC
disabled
-
1.8 V 7.82 190 386 1 286 3 854 25.0 255 1721 5052 15543
nA
2.4 V 23 229 485 1 517 4 431 34.9 270 2085 5878 17639
3 V 44.3 290 634 1 878 5 310 70.1 345 2454 6755 19984
3.6 V 212 397 977 2 516 6 656 119.1 496 2992 7939 22860

STM32L432KB STM32L432KC Electrical characteristics
DS11451 Rev 4 85/156
IDD_ALL
(Shutdown
with RTC)
Supply current
in Shutdown
mode
(backup
registers
retained) RTC
enabled
RTC clocked by LSE
bypassed at 32768 Hz
1.8 V 63 133 522 1 490 4 270 - - - - -
nA
2.4 V 165 253 710 1 830 4 980 - - - - -
3 V 316 423 990 2 340 6 050 - - - - -
3.6 V 649 787 1 530 3 220 7 710 - - - - -
RTC clocked by LSE
quartz (2) in low drive
mode
1.8 V 203 293 700 1 675 - - - - - -
2.4 V 303 411 880 2 001 - - - - - -
3 V 448 567 1 136 2 479 - - - - - -
3.6 V 744 887 1 609 3 256 - - - - - -
IDD_ALL
(wakeup from
Shutdown)
Supply current
during wakeup
from Shutdown
mode
Wakeup clock is
MSI = 4 MHz.
See (3).
3 V 0.780 - - - - - - - - - mA
1. Guaranteed by characterization results, unless otherwise specified.
2. Based on characterization done with a 32.768 kHz crystal (MC306-G-06Q-32.768, manufacturer JFVNY) with two 6.8 pF loading capacitors.
3. Wakeup with code execution from Flash. Average value given for a typical wakeup time as specified in Table 39: Low-power mode wakeup timings.
Table 37. Current consumption in Shutdown mode (continued)
Symbol Parameter
Conditions TYP MAX(1)
Unit
-V
DD 25 °C 55 °C 85 °C 105 °C 125 °C 25 °C 55 °C 85 °C 105 °C 125 °C

Electrical characteristics STM32L432KB STM32L432KC
86/156 DS11451 Rev 4
I/O system current consumption
The current consumption of the I/O system has two components: static and dynamic.
I/O static current consumption
All the I/Os used as inputs with pull-up generate current consumption when the pin is
externally held low. The value of this current consumption can be simply computed by using
the pull-up/pull-down resistors values given in Table 57: I/O static characteristics.
For the output pins, any external pull-down or external load must also be considered to
estimate the current consumption.
Additional I/O current consumption is due to I/Os configured as inputs if an intermediate
voltage level is externally applied. This current consumption is caused by the input Schmitt
trigger circuits used to discriminate the input value. Unless this specific configuration is
required by the application, this supply current consumption can be avoided by configuring
these I/Os in analog mode. This is notably the case of ADC input pins which should be
configured as analog inputs.
Caution: Any floating input pin can also settle to an intermediate voltage level or switch inadvertently,
as a result of external electromagnetic noise. To avoid current consumption related to
floating pins, they must either be configured in analog mode, or forced internally to a definite
digital value. This can be done either by using pull-up/down resistors or by configuring the
pins in output mode.
I/O dynamic current consumption
In addition to the internal peripheral current consumption measured previously (see
Table 38: Peripheral current consumption), the I/Os used by an application also contribute
to the current consumption. When an I/O pin switches, it uses the current from the I/O
supply voltage to supply the I/O pin circuitry and to charge/discharge the capacitive load
(internal or external) connected to the pin:
where
ISW is the current sunk by a switching I/O to charge/discharge the capacitive load
VDDIOx is the I/O supply voltage
fSW is the I/O switching frequency
C is the total capacitance seen by the I/O pin: C = CINT+ CEXT + CS
CS is the PCB board capacitance including the pad pin.
The test pin is configured in push-pull output mode and is toggled by software at a fixed
frequency.
ISW VDDIOx fSW C××=

DS11451 Rev 4 87/156
STM32L432KB STM32L432KC Electrical characteristics
148
On-chip peripheral current consumption
The current consumption of the on-chip peripherals is given in Table 38. The MCU is placed
under the following conditions:
•All I/O pins are in Analog mode
•The given value is calculated by measuring the difference of the current consumptions:
– when the peripheral is clocked on
– when the peripheral is clocked off
•Ambient operating temperature and supply voltage conditions summarized in Table 18:
Voltage characteristics
•The power consumption of the digital part of the on-chip peripherals is given in
Table 38. The power consumption of the analog part of the peripherals (where
applicable) is indicated in each related section of the datasheet.
Table 38. Peripheral current consumption
Peripheral Range 1 Range 2 Low-power run
and sleep Unit
AHB
Bus Matrix(1) 3.2 2.9 3.1
µA/MHz
ADC independent clock domain 0.4 0.1 0.2
ADC clock domain 2.1 1.9 1.9
CRC 0.4 0.2 0.3
DMA1 1.4 1.3 1.4
DMA2 1.5 1.3 1.4
FLASH 6.2 5.2 5.8
GPIOA(2) 1.7 1.4 1.6
GPIOB(2)) 1.6 1.3 1.6
GPIOC(2) 1.7 1.5 1.6
GPIOH(2) 0.6 0.6 0.5
QSPI 7.0 5.8 7.3
RNG independent clock domain 2.2 N/A N/A
RNG clock domain 0.5 N/A N/A
SRAM1 0.8 0.9 0.7
SRAM2 1.0 0.8 0.8
TSC 1.6 1.3 1.3
All AHB Peripherals 21.7 18.5 20.3
APB1
AHB to APB1 bridge(3) 0.9 0.7 0.9
CAN1 4.1 3.2 3.9
DAC1 2.4 1.8 2.2
RTCA 1.7 1.1 2.1
CRS 0.3 0.3 0.6

Electrical characteristics STM32L432KB STM32L432KC
88/156 DS11451 Rev 4
APB1
USB FS independent clock
domain 2.9 N/A N/A
µA/MHz
USB FS clock domain 2.3 N/A N/A
I2C1 independent clock domain 3.5 2.8 3.4
I2C1 clock domain 1.1 0.9 1.0
I2C3 independent clock domain 2.9 2.3 2.5
I2C3 clock domain 0.9 0.4 0.8
LPUART1 independent clock
domain 1.9 1.6 1.8
LPUART1 clock domain 0.6 0.6 0.6
LPTIM1 independent clock
domain 2.9 2.4 2.8
LPTIM1 clock domain 0.8 0.4 0.7
LPTIM2 independent clock
domain 3.1 2.7 3.9
LPTIM2 clock domain 0.8 0.7 0.8
OPAMP 0.4 0.2 0.4
PWR 0.4 0.1 0.4
SPI3 1.7 1.3 1.6
SWPMI1 independent clock
domain 1.9 1.6 1.9
SWPMI1 clock domain 0.9 0.7 0.8
TIM2 6.2 5.0 5.9
TIM6 1.0 0.6 0.9
TIM7 1.0 0.6 0.6
USART2 independent clock
domain 4.1 3.6 3.8
USART2 clock domain 1.3 0.9 1.1
WWDG 0.5 0.5 0.5
All APB1 on 40.2 26.7 37.9
APB2
AHB to APB2(4) 1.0 0.9 0.9
FW 0.2 0.2 0.2
SAI1 independent clock domain 2.3 1.8 1.9
SAI1 clock domain 2.1 1.8 2.0
SPI1 1.8 1.6 1.7
SYSCFG/COMP 0.6 0.5 0.6
Table 38. Peripheral current consumption (continued)
Peripheral Range 1 Range 2 Low-power run
and sleep Unit

DS11451 Rev 4 89/156
STM32L432KB STM32L432KC Electrical characteristics
148
6.3.6 Wakeup time from low-power modes and voltage scaling
transition times
The wakeup times given in Table 39 are the latency between the event and the execution of
the first user instruction.
The device goes in low-power mode after the WFE (Wait For Event) instruction.
APB2
TIM1 8.1 6.5 7.6
µA/MHz
TIM15 3.7 3.0 3.4
TIM16 2.7 2.1 2.6
USART1 independent clock
domain 4.8 4.2 4.6
USART1 clock domain 1.5 1.3 1.7
All APB2 on 24.2 19.9 22.6
ALL 86.1 65.1 80.9
1. The BusMatrix is automatically active when at least one master is ON (CPU, DMA).
2. The GPIOx (x= A…H) dynamic current consumption is approximately divided by a factor two versus this table values when
the GPIO port is locked thanks to LCKK and LCKy bits in the GPIOx_LCKR register. In order to save the full GPIOx current
consumption, the GPIOx clock should be disabled in the RCC when all port I/Os are used in alternate function or analog
mode (clock is only required to read or write into GPIO registers, and is not used in AF or analog modes).
3. The AHB to APB1 Bridge is automatically active when at least one peripheral is ON on the APB1.
4. The AHB to APB2 Bridge is automatically active when at least one peripheral is ON on the APB2.
Table 38. Peripheral current consumption (continued)
Peripheral Range 1 Range 2 Low-power run
and sleep Unit
Table 39. Low-power mode wakeup timings(1)
Symbol Parameter Conditions Typ Max Unit
tWUSLEEP
Wakeup time from Sleep
mode to Run mode -66
Nb of
CPU
cycles
tWULPSLEEP
Wakeup time from Low-
power sleep mode to Low-
power run mode
Wakeup in Flash with Flash in power-down
during low-power sleep mode (SLEEP_PD=1 in
FLASH_ACR) and with clock MSI = 2 MHz
68.3

Electrical characteristics STM32L432KB STM32L432KC
90/156 DS11451 Rev 4
tWUSTOP0
Wake up time from Stop 0
mode to Run mode in
Flash
Range 1
Wakeup clock MSI = 48 MHz 3.8 5.7
µs
Wakeup clock HSI16 = 16 MHz 4.1 6.9
Range 2
Wakeup clock MSI = 24 MHz 4.07 6.2
Wakeup clock HSI16 = 16 MHz 4.1 6.8
Wakeup clock MSI = 4 MHz 8.45 11.8
Wake up time from Stop 0
mode to Run mode in
SRAM1
Range 1
Wakeup clock MSI = 48 MHz 1.5 2.9
Wakeup clock HSI16 = 16 MHz 2.4 2.76
Range 2
Wakeup clock MSI = 24 MHz 2.4 3.48
Wakeup clock HSI16 = 16 MHz 2.4 2.76
Wakeup clock MSI = 4 MHz 8.16 10.94
tWUSTOP1
Wake up time from Stop 1
mode to Run in Flash
Range 1
Wakeup clock MSI = 48 MHz 6.34 7.86
µs
Wakeup clock HSI16 = 16 MHz 6.84 8.23
Range 2
Wakeup clock MSI = 24 MHz 6.74 8.1
Wakeup clock HSI16 = 16 MHz 6.89 8.21
Wakeup clock MSI = 4 MHz 10.47 12.1
Wake up time from Stop 1
mode to Run mode in
SRAM1
Range 1
Wakeup clock MSI = 48 MHz 4.7 5.97
Wakeup clock HSI16 = 16 MHz 5.9 6.92
Range 2
Wakeup clock MSI = 24 MHz 5.4 6.51
Wakeup clock HSI16 = 16 MHz 5.9 6.92
Wakeup clock MSI = 4 MHz 11.1 12.2
Wake up time from Stop 1
mode to Low-power run
mode in Flash Regulator in
low-power
mode (LPR=1
in PWR_CR1)
Wakeup clock MSI = 2 MHz
16.4 17.73
Wake up time from Stop 1
mode to Low-power run
mode in SRAM1
17.3 18.82
Table 39. Low-power mode wakeup timings(1) (continued)
Symbol Parameter Conditions Typ Max Unit

DS11451 Rev 4 91/156
STM32L432KB STM32L432KC Electrical characteristics
148
tWUSTOP2
Wake up time from Stop 2
mode to Run mode in
Flash
Range 1
Wakeup clock MSI = 48 MHz 8.02 9.24
µs
Wakeup clock HSI16 = 16 MHz 7.66 8.95
Range 2
Wakeup clock MSI = 24 MHz 8.5 9.54
Wakeup clock HSI16 = 16 MHz 7.75 8.95
Wakeup clock MSI = 4 MHz 12.06 13.16
Wake up time from Stop 2
mode to Run mode in
SRAM1
Range 1
Wakeup clock MSI = 48 MHz 5.45 6.79
Wakeup clock HSI16 = 16 MHz 6.9 7.98
Range 2
Wakeup clock MSI = 24 MHz 6.3 7.36
Wakeup clock HSI16 = 16 MHz 6.9 7.9
Wakeup clock MSI = 4 MHz 13.1 13.31
tWUSTBY
Wakeup time from Standby
mode to Run mode Range 1
Wakeup clock MSI = 8 MHz 12.2 18.35
µs
Wakeup clock MSI = 4 MHz 19.14 25.8
tWUSTBY
SRAM2
Wakeup time from Standby
with SRAM2 to Run mode Range 1
Wakeup clock MSI = 8 MHz 12.1 18.3
µs
Wakeup clock MSI = 4 MHz 19.2 25.87
tWUSHDN
Wakeup time from
Shutdown mode to Run
mode
Range 1 Wakeup clock MSI = 4 MHz 261.5 315.7 µs
1. Guaranteed by characterization results.
Table 39. Low-power mode wakeup timings(1) (continued)
Symbol Parameter Conditions Typ Max Unit
Table 40. Regulator modes transition times(1)
Symbol Parameter Conditions Typ Max Unit
tWULPRUN
Wakeup time from Low-power run mode to
Run mode(2) Code run with MSI 2 MHz 5 7
µs
tVOST
Regulator transition time from Range 2 to
Range 1 or Range 1 to Range 2(3) Code run with MSI 24 MHz 20 40
1. Guaranteed by characterization results.
2. Time until REGLPF flag is cleared in PWR_SR2.
3. Time until VOSF flag is cleared in PWR_SR2.
Table 41. Wakeup time using USART/LPUART(1)
Symbol Parameter Conditions Typ Max Unit
tWUUSART
tWULPUART
Wakeup time needed to calculate the
maximum USART/LPUART baudrate
allowing to wakeup up from stop mode
when USART/LPUART clock source is
HSI16
Stop 0 mode - 1.7
µs
Stop 1 mode and Stop 2
mode -8.5
1. Guaranteed by design.

Electrical characteristics STM32L432KB STM32L432KC
92/156 DS11451 Rev 4
6.3.7 External clock source characteristics
High-speed external user clock generated from an external source
In bypass mode the HSE oscillator is switched off and the input pin is a standard GPIO.
The external clock signal has to respect the I/O characteristics in Section 6.3.14. However,
the recommended clock input waveform is shown in Figure 12: High-speed external clock
source AC timing diagram.
Figure 12. High-speed external clock source AC timing diagram
Table 42. High-speed external user clock characteristics(1)
Symbol Parameter Conditions Min Typ Max Unit
fHSE_ext User external clock source frequency
Voltage scaling
Range 1 -848
MHz
Voltage scaling
Range 2 -826
VHSEH CK_IN input pin high level voltage - 0.7 VDDIOx -V
DDIOx V
VHSEL CK_IN input pin low level voltage - VSS - 0.3 VDDIOx
tw(HSEH)
tw(HSEL)
CK_IN high or low time
Voltage scaling
Range 1 7- -
ns
Voltage scaling
Range 2 18 - -
1. Guaranteed by design.
MS19214V2
VHSEH
tf(HSE)
90%
10%
THSE
t
tr(HSE)
VHSEL
tw(HSEH)
tw(HSEL)

DS11451 Rev 4 93/156
STM32L432KB STM32L432KC Electrical characteristics
148
Low-speed external user clock generated from an external source
In bypass mode the LSE oscillator is switched off and the input pin is a standard GPIO.
The external clock signal has to respect the I/O characteristics in Section 6.3.14. However,
the recommended clock input waveform is shown in Figure 13.
Figure 13. Low-speed external clock source AC timing diagram
Low-speed external clock generated from a crystal resonator
The low-speed external (LSE) clock can be supplied with a 32.768 kHz crystal resonator
oscillator. All the information given in this paragraph are based on design simulation results
obtained with typical external components specified in Table 44. In the application, the
resonator and the load capacitors have to be placed as close as possible to the oscillator
pins in order to minimize output distortion and startup stabilization time. Refer to the crystal
resonator manufacturer for more details on the resonator characteristics (frequency,
package, accuracy).
Table 43. Low-speed external user clock characteristics(1)
Symbol Parameter Conditions Min Typ Max Unit
fLSE_ext User external clock source frequency - - 32.768 1000 kHz
VLSEH OSC32_IN input pin high level voltage - 0.7 VDDIOx -V
DDIOx V
VLSEL OSC32_IN input pin low level voltage - VSS -0.3 V
DDIOx
tw(LSEH)
tw(LSEL)
OSC32_IN high or low time - 250 - - ns
1. Guaranteed by design.
MS19215V2
VLSEH
tf(LSE)
90%
10%
TLSE
t
tr(LSE)
VLSEL
tw(LSEH)
tw(LSEL)

Electrical characteristics STM32L432KB STM32L432KC
94/156 DS11451 Rev 4
Note: For information on selecting the crystal, refer to the application note AN2867 “Oscillator
design guide for ST microcontrollers” available from the ST website www.st.com.
Figure 14. Typical application with a 32.768 kHz crystal
Note: An external resistor is not required between OSC32_IN and OSC32_OUT and it is forbidden
to add one.
Table 44. LSE oscillator characteristics (fLSE = 32.768 kHz)(1)
Symbol Parameter Conditions(2) Min Typ Max Unit
IDD(LSE) LSE current consumption
LSEDRV[1:0] = 00
Low drive capability -250-
nA
LSEDRV[1:0] = 01
Medium low drive capability -315-
LSEDRV[1:0] = 10
Medium high drive capability -500 -
LSEDRV[1:0] = 11
High drive capability -630-
Gmcritmax
Maximum critical crystal
gm
LSEDRV[1:0] = 00
Low drive capability --0.5
µA/V
LSEDRV[1:0] = 01
Medium low drive capability - - 0.75
LSEDRV[1:0] = 10
Medium high drive capability --1.7
LSEDRV[1:0] = 11
High drive capability --2.7
tSU(LSE)(3) Startup time VDD is stabilized - 2 - s
1. Guaranteed by design.
2. Refer to the note and caution paragraphs below the table, and to the application note AN2867 “Oscillator design guide for
ST microcontrollers”.
3. tSU(LSE) is the startup time measured from the moment it is enabled (by software) to a stabilized 32.768 kHz oscillation is
reached. This value is measured for a standard crystal and it can vary significantly with the crystal manufacturer
MS30253V2
OSC32_IN
OSC32_OUT
Drive
programmable
amplifier
fLSE
32.768 kHz
resonator
Resonator with integrated
capacitors
CL1
CL2

DS11451 Rev 4 95/156
STM32L432KB STM32L432KC Electrical characteristics
148
6.3.8 Internal clock source characteristics
The parameters given in Table 45 are derived from tests performed under ambient
temperature and supply voltage conditions summarized in Table 21: General operating
conditions. The provided curves are characterization results, not tested in production.
High-speed internal (HSI16) RC oscillator
Table 45. HSI16 oscillator characteristics(1)
Symbol Parameter Conditions Min Typ Max Unit
fHSI16 HSI16 Frequency VDD=3.0 V, TA=30 °C 15.88 - 16.08 MHz
TRIM HSI16 user trimming step
Trimming code is not a
multiple of 64 0.2 0.3 0.4
%
Trimming code is a
multiple of 64 -4 -6 -8
DuCy(HSI16)(2) Duty Cycle - 45 - 55 %
Tem p(HSI16) HSI16 oscillator frequency
drift over temperature
TA= 0 to 85 °C -1 - 1 %
TA= -40 to 125 °C -2 - 1.5 %
VDD(HSI16) HSI16 oscillator frequency
drift over VDD
VDD=1.62 V to 3.6 V -0.1 - 0.05 %
tsu(HSI16)(2) HSI16 oscillator start-up
time --0.81.2s
tstab(HSI16)(2) HSI16 oscillator
stabilization time --35s
IDD(HSI16)(2) HSI16 oscillator power
consumption - - 155 190 A
1. Guaranteed by characterization results.
2. Guaranteed by design.

Electrical characteristics STM32L432KB STM32L432KC
96/156 DS11451 Rev 4
Figure 15. HSI16 frequency versus temperature
MSv39299V1
15.6
15.7
15.8
15.9
16
16.1
16.2
16.3
16.4
MHz
min mean max
+1%
-1%
+2%
-2%
+1.5%
-1.5%
-40 -20 0 20 40 60 80 100 120 °C

DS11451 Rev 4 97/156
STM32L432KB STM32L432KC Electrical characteristics
148
Multi-speed internal (MSI) RC oscillator
Table 46. MSI oscillator characteristics(1)
Symbol Parameter Conditions Min Typ Max Unit
fMSI
MSI frequency
after factory
calibration, done
at VDD=3 V and
TA=30 °C
MSI mode
Range 0 98.7 100 101.3
kHz
Range 1 197.4 200 202.6
Range 2 394.8 400 405.2
Range 3 789.6 800 810.4
Range 4 0.987 1 1.013
MHz
Range 5 1.974 2 2.026
Range 6 3.948 4 4.052
Range 7 7.896 8 8.104
Range 8 15.79 16 16.21
Range 9 23.69 24 24.31
Range 10 31.58 32 32.42
Range 11 47.38 48 48.62
PLL mode
XTAL=
32.768 kHz
Range 0 - 98.304 -
kHz
Range 1 - 196.608 -
Range 2 - 393.216 -
Range 3 - 786.432 -
Range 4 - 1.016 -
MHz
Range 5 - 1.999 -
Range 6 - 3.998 -
Range 7 - 7.995 -
Range 8 - 15.991 -
Range 9 - 23.986 -
Range 10 - 32.014 -
Range 11 - 48.005 -
TEMP(MSI)(2)
MSI oscillator
frequency drift
over temperature
MSI mode
TA= -0 to 85 °C -3.5 - 3
%
TA= -40 to 125 °C -8 - 6

Electrical characteristics STM32L432KB STM32L432KC
98/156 DS11451 Rev 4
VDD(MSI)(2)
MSI oscillator
frequency drift
over VDD
(reference is 3 V)
MSI mode
Range 0 to 3
VDD=1.62 V
to 3.6 V -1.2 -
0.5
%
VDD=2.4 V
to 3.6 V -0.5 -
Range 4 to 7
VDD=1.62 V
to 3.6 V -2.5 -
0.7
VDD=2.4 V
to 3.6 V -0.8 -
Range 8 to 11
VDD=1.62 V
to 3.6 V -5 -
1
VDD=2.4 V
to 3.6 V -1.6 -
FSAMPLING
(MSI)(2)(6)
Frequency
variation in
sampling mode(3)
MSI mode
TA= -40 to 85 °C - 1 2
%
TA= -40 to 125 °C - 2 4
P_USB
Jitter(MSI)(6)
Period jitter for
USB clock(4)
PLL mode
Range 11
for next
transition ---3.458
ns
for paired
transition ---3.916
MT_USB
Jitter(MSI)(6)
Medium term jitter
for USB clock(5)
PLL mode
Range 11
for next
transition ---2
ns
for paired
transition ---1
CC jitter(MSI)(6) RMS cycle-to-
cycle jitter PLL mode Range 11 - - 60 - ps
P jitter(MSI)(6) RMS Period jitter PLL mode Range 11 - - 50 - ps
tSU(MSI)(6) MSI oscillator
start-up time
Range 0 - - 10 20
us
Range 1 - - 5 10
Range 2 - - 4 8
Range 3 - - 3 7
Range 4 to 7 - - 3 6
Range 8 to 11 - - 2.5 6
tSTAB(MSI)(6) MSI oscillator
stabilization time
PLL mode
Range 11
10 % of final
frequency - - 0.25 0.5
ms
5 % of final
frequency --0.51.25
1 % of final
frequency ---2.5
Table 46. MSI oscillator characteristics(1) (continued)
Symbol Parameter Conditions Min Typ Max Unit

DS11451 Rev 4 99/156
STM32L432KB STM32L432KC Electrical characteristics
148
IDD(MSI)(6)
MSI oscillator
power
consumption
MSI and
PLL mode
Range 0 - - 0.6 1
µA
Range 1 - - 0.8 1.2
Range 2 - - 1.2 1.7
Range 3 - - 1.9 2.5
Range 4 - - 4.7 6
Range 5 - - 6.5 9
Range 6 - - 11 15
Range 7 - - 18.5 25
Range 8 - - 62 80
Range 9 - - 85 110
Range 10 - - 110 130
Range 11 - - 155 190
1. Guaranteed by characterization results.
2. This is a deviation for an individual part once the initial frequency has been measured.
3. Sampling mode means Low-power run/Low-power sleep modes with Temperature sensor disable.
4. Average period of MSI @48 MHz is compared to a real 48 MHz clock over 28 cycles. It includes frequency tolerance + jitter
of MSI @48 MHz clock.
5. Only accumulated jitter of MSI @48 MHz is extracted over 28 cycles.
For next transition: min. and max. jitter of 2 consecutive frame of 28 cycles of the MSI @48 MHz, for 1000 captures over 28
cycles.
For paired transitions: min. and max. jitter of 2 consecutive frame of 56 cycles of the MSI @48 MHz, for 1000 captures over
56 cycles.
6. Guaranteed by design.
Table 46. MSI oscillator characteristics(1) (continued)
Symbol Parameter Conditions Min Typ Max Unit

Electrical characteristics STM32L432KB STM32L432KC
100/156 DS11451 Rev 4
Figure 16. Typical current consumption versus MSI frequency
High-speed internal 48 MHz (HSI48) RC oscillator
Table 47. HSI48 oscillator characteristics(1)
Symbol Parameter Conditions Min Typ Max Unit
fHSI48 HSI48 Frequency VDD=3.0V, TA=30°C - 48 - MHz
TRIM HSI48 user trimming step - - 0.11(2) 0.18(2) %
USER TRIM
COVERAGE HSI48 user trimming coverage ±32 steps ±3(3) ±3.5(3) -%
DuCy(HSI48) Duty Cycle - 45(2) -55
(2) %
ACCHSI48_REL
Accuracy of the HSI48 oscillator
over temperature (factory
calibrated)
VDD = 3.0 V to 3.6 V,
TA = –15 to 85 °C --±3
(3)
%
VDD = 1.65 V to 3.6 V,
TA = –40 to 125 °C --±4.5
(3)
DVDD(HSI48) HSI48 oscillator frequency drift
with VDD
VDD = 3 V to 3.6 V - 0.025(3) 0.05(3)
%
VDD = 1.65 V to 3.6 V - 0.05(3) 0.1(3)
tsu(HSI48) HSI48 oscillator start-up time - - 2.5(2) 6(2) s
IDD(HSI48) HSI48 oscillator power
consumption --340
(2) 380(2) A

DS11451 Rev 4 101/156
STM32L432KB STM32L432KC Electrical characteristics
148
Figure 17. HSI48 frequency versus temperature
Low-speed internal (LSI) RC oscillator
NT jitter Next transition jitter
Accumulated jitter on 28 cycles(4) --+/-0.15
(2) -ns
PT jitter Paired transition jitter
Accumulated jitter on 56 cycles(4) --+/-0.25
(2) -ns
1. VDD = 3 V, TA = –40 to 125°C unless otherwise specified.
2. Guaranteed by design.
3. Guaranteed by characterization results.
4. Jitter measurement are performed without clock source activated in parallel.
Table 47. HSI48 oscillator characteristics(1) (continued)
Symbol Parameter Conditions Min Typ Max Unit
MSv40989V1
-6
-4
-2
0
2
4
6
-50 -30 -10 10 30 50 70 90 110 130
Avg min max °C
%
Table 48. LSI oscillator characteristics(1)
Symbol Parameter Conditions Min Typ Max Unit
fLSI LSI Frequency
VDD = 3.0 V, TA = 30 °C 31.04 - 32.96
kHz
VDD = 1.62 to 3.6 V, TA = -40 to 125 °C 29.5 - 34
tSU(LSI)(2) LSI oscillator start-
up time --80130s
tSTAB(LSI)(2) LSI oscillator
stabilization time 5% of final frequency - 125 180 s
IDD(LSI)(2) LSI oscillator power
consumption --110180nA
1. Guaranteed by characterization results.
2. Guaranteed by design.

Electrical characteristics STM32L432KB STM32L432KC
102/156 DS11451 Rev 4
6.3.9 PLL characteristics
The parameters given in Table 49 are derived from tests performed under temperature and
VDD supply voltage conditions summarized in Table 21: General operating conditions.
Table 49. PLL, PLLSAI1 characteristics(1)
Symbol Parameter Conditions Min Typ Max Unit
fPLL_IN
PLL input clock(2) -4-16MHz
PLL input clock duty cycle - 45 - 55 %
fPLL_P_OUT PLL multiplier output clock P
Voltage scaling Range 1 3.0968 - 80
MHz
Voltage scaling Range 2 3.0968 - 26
fPLL_Q_OUT PLL multiplier output clock Q
Voltage scaling Range 1 12 - 80
MHz
Voltage scaling Range 2 12 - 26
fPLL_R_OUT PLL multiplier output clock R
Voltage scaling Range 1 12 - 80
MHz
Voltage scaling Range 2 12 - 26
fVCO_OUT PLL VCO output
Voltage scaling Range 1 96 - 344
MHz
Voltage scaling Range 2 96 - 128
tLOCK PLL lock time - - 15 40 s
Jitter
RMS cycle-to-cycle jitter
System clock 80 MHz
-40-
±ps
RMS period jitter - 30 -
IDD(PLL) PLL power consumption on
VDD(1)
VCO freq = 96 MHz - 200 260
AVCO freq = 192 MHz - 300 380
VCO freq = 344 MHz - 520 650
1. Guaranteed by design.
2. Take care of using the appropriate division factor M to obtain the specified PLL input clock values. The M factor is shared
between the 2 PLLs.

DS11451 Rev 4 103/156
STM32L432KB STM32L432KC Electrical characteristics
148
6.3.10 Flash memory characteristics
Table 50. Flash memory characteristics(1)
1. Guaranteed by design.
Symbol Parameter Conditions Typ Max Unit
tprog 64-bit programming time - 81.69 90.76 µs
tprog_row
one row (32 double
word) programming time
normal programming 2.61 2.90
ms
fast programming 1.91 2.12
tprog_page
one page (2 Kbyte)
programming time
normal programming 20.91 23.24
fast programming 15.29 16.98
tERASE Page (2 KB) erase time - 22.02 24.47
tprog_bank
one bank (512 Kbyte)
programming time
normal programming 5.35 5.95
s
fast programming 3.91 4.35
tME
Mass erase time
(one or two banks) - 22.13 24.59 ms
IDD
Average consumption
from VDD
Write mode 3.4 -
mA
Erase mode 3.4 -
Maximum current (peak)
Write mode 7 (for 2 s) -
Erase mode 7 (for 41 s) -
Table 51. Flash memory endurance and data retention
Symbol Parameter Conditions Min(1)
1. Guaranteed by characterization results.
Unit
NEND Endurance TA = –40 to +105 °C 10 kcycles
tRET Data retention
1 kcycle(2) at TA = 85 °C
2. Cycling performed over the whole temperature range.
30
Years
1 kcycle(2) at TA = 105 °C 15
1 kcycle(2) at TA = 125 °C 7
10 kcycles(2) at TA = 55 °C 30
10 kcycles(2) at TA = 85 °C 15
10 kcycles(2) at TA = 105 °C 10

Electrical characteristics STM32L432KB STM32L432KC
104/156 DS11451 Rev 4
6.3.11 EMC characteristics
Susceptibility tests are performed on a sample basis during device characterization.
Functional EMS (electromagnetic susceptibility)
While a simple application is executed on the device (toggling 2 LEDs through I/O ports).
the device is stressed by two electromagnetic events until a failure occurs. The failure is
indicated by the LEDs:
•Electrostatic discharge (ESD) (positive and negative) is applied to all device pins until
a functional disturbance occurs. This test is compliant with the IEC 61000-4-2 standard.
•FTB: A Burst of Fast Transient voltage (positive and negative) is applied to VDD and
VSS through a 100 pF capacitor, until a functional disturbance occurs. This test is
compliant with the IEC 61000-4-4 standard.
A device reset allows normal operations to be resumed.
The test results are given in Table 52. They are based on the EMS levels and classes
defined in application note AN1709.
Designing hardened software to avoid noise problems
EMC characterization and optimization are performed at component level with a typical
application environment and simplified MCU software. It should be noted that good EMC
performance is highly dependent on the user application and the software in particular.
Therefore it is recommended that the user applies EMC software optimization and
prequalification tests in relation with the EMC level requested for his application.
Software recommendations
The software flowchart must include the management of runaway conditions such as:
•Corrupted program counter
•Unexpected reset
•Critical Data corruption (control registers...)
Table 52. EMS characteristics
Symbol Parameter Conditions Level/
Class
VFESD
Voltage limits to be applied on any I/O pin
to induce a functional disturbance
VDD = 3.3 V, TA = +25 °C,
fHCLK = 80 MHz,
conforming to IEC 61000-4-2
2B
VEFTB
Fast transient voltage burst limits to be
applied through 100 pF on VDD and VSS
pins to induce a functional disturbance
VDD = 3.3 V, TA = +25 °C,
fHCLK = 80 MHz,
conforming to IEC 61000-4-4
5A

DS11451 Rev 4 105/156
STM32L432KB STM32L432KC Electrical characteristics
148
Prequalification trials
Most of the common failures (unexpected reset and program counter corruption) can be
reproduced by manually forcing a low state on the NRST pin or the Oscillator pins for 1
second.
To complete these trials, ESD stress can be applied directly on the device, over the range of
specification values. When unexpected behavior is detected, the software can be hardened
to prevent unrecoverable errors occurring (see application note AN1015).
Electromagnetic Interference (EMI)
The electromagnetic field emitted by the device are monitored while a simple application is
executed (toggling 2 LEDs through the I/O ports). This emission test is compliant with
IEC 61967-2 standard which specifies the test board and the pin loading.
6.3.12 Electrical sensitivity characteristics
Based on three different tests (ESD, LU) using specific measurement methods, the device is
stressed in order to determine its performance in terms of electrical sensitivity.
Electrostatic discharge (ESD)
Electrostatic discharges (a positive then a negative pulse separated by 1 second) are
applied to the pins of each sample according to each pin combination. The sample size
depends on the number of supply pins in the device (3 parts × (n+1) supply pins). This test
conforms to the ANSI/JEDEC standard.
Table 53. EMI characteristics
Symbol Parameter Conditions Monitored
frequency band
Max vs.
[fHSE/fHCLK]Unit
8 MHz/ 80 MHz
SEMI Peak level
VDD = 3.6 V, TA = 25 °C,
UFQFPN32 package
compliant with IEC
61967-2
0.1 MHz to 30 MHz 1
dBµV
30 MHz to 130 MHz 0
130 MHz to 1 GHz -1
1 GHz to 2 GHz 7
EMI Level 1 -
Table 54. ESD absolute maximum ratings
Symbol Ratings Conditions Class Maximum
value(1)
1. Guaranteed by characterization results.
Unit
VESD(HBM)
Electrostatic discharge
voltage (human body model)
TA = +25 °C, conforming
to ANSI/ESDA/JEDEC
JS-001
2 2000
V
VESD(CDM)
Electrostatic discharge
voltage (charge device
model)
TA = +25 °C,
conforming to ANSI/ESD
STM5.3.1
C3 250

Electrical characteristics STM32L432KB STM32L432KC
106/156 DS11451 Rev 4
Static latch-up
Two complementary static tests are required on six parts to assess the latch-up
performance:
•A supply overvoltage is applied to each power supply pin.
•A current injection is applied to each input, output and configurable I/O pin.
These tests are compliant with EIA/JESD 78A IC latch-up standard.
6.3.13 I/O current injection characteristics
As a general rule, current injection to the I/O pins, due to external voltage below VSS or
above VDDIOx (for standard, 3.3 V-capable I/O pins) should be avoided during normal
product operation. However, in order to give an indication of the robustness of the
microcontroller in cases when abnormal injection accidentally happens, susceptibility tests
are performed on a sample basis during device characterization.
Functional susceptibility to I/O current injection
While a simple application is executed on the device, the device is stressed by injecting
current into the I/O pins programmed in floating input mode. While current is injected into
the I/O pin, one at a time, the device is checked for functional failures.
The failure is indicated by an out of range parameter: ADC error above a certain limit (higher
than 5 LSB TUE), out of conventional limits of induced leakage current on adjacent pins (out
of the -5 µA/+0 µA range) or other functional failure (for example reset occurrence or
oscillator frequency deviation).
The characterization results are given in Table 56.
Negative induced leakage current is caused by negative injection and positive induced
leakage current is caused by positive injection.
Table 55. Electrical sensitivities
Symbol Parameter Conditions Class
LU Static latch-up class TA = +105 °C conforming to JESD78A II
Table 56. I/O current injection susceptibility(1)
1. Guaranteed by characterization results.
Symbol Description
Functional
susceptibility
Unit
Negative
injection
Positive
injection
IINJ
Injected current on all pins except PA4, PA5 -5 N/A(2)
2. Injection is not possible.
mA
Injected current on PA4, PA5 pins -5 0

DS11451 Rev 4 107/156
STM32L432KB STM32L432KC Electrical characteristics
148
6.3.14 I/O port characteristics
General input/output characteristics
Unless otherwise specified, the parameters given in Table 57 are derived from tests
performed under the conditions summarized in Table 21: General operating conditions. All
I/Os are designed as CMOS- and TTL-compliant.
Table 57. I/O static characteristics
Symbol Parameter Conditions Min Typ Max Unit
VIL(1)
I/O input low level
voltage 1.62 V<VDDIOx<3.6 V - - 0.3xVDDIOx (2)
V
I/O input low level
voltage 1.62 V<VDDIOx<3.6 V - - 0.39xVDDIOx-0.06 (3)
I/O input low level
voltage 1.08 V<VDDIOx<1.62 V - - 0.43xVDDIOx-0.1 (3)
VIH(1)
I/O input high level
voltage 1.62 V<VDDIOx<3.6 V 0.7xVDDIOx (2) --
V
I/O input high level
voltage 1.62 V<VDDIOx<3.6 V 0.49xVDDIOX+0.26 (3) --
I/O input high level
voltage 1.08 V<VDDIOx<1.62 V 0.61xVDDIOX+0.05 (3) --
Vhys(3)
TT_xx, FT_xxx and
NRST I/O input
hysteresis
1.62 V<VDDIOx<3.6 V - 200 - mV
Ilkg(4)
FT_xx input leakage
current(3)(5)
VIN
Max(VDDXXX)(6)(7) --±100
nA
Max(VDDXXX) VIN
Max(VDDXXX)+1 V(6)(7) - - 650
Max(VDDXXX)+1 V <
VIN 5.5 V(6)(7) - - 200
FT_u and PC3 I/Os
VIN
Max(VDDXXX)(6)(7) --±150
Max(VDDXXX) VIN
Max(VDDXXX)+1 V(6)(7) - - 2500(3)
Max(VDDXXX)+1 V <
VIN 5.5 V(6)(7) - - 250
TT_xx input leakage
current
VIN Max(VDDXXX)(6) --±150
Max(VDDXXX) VIN <
3.6 V(6) - - 2000(3)
RPU
Weak pull-up
equivalent resistor (8) VIN = VSS 25 40 55 k
RPD
Weak pull-down
equivalent resistor(8) VIN = VDDIOx 25 40 55 k
CIO I/O pin capacitance - - 5 - pF

Electrical characteristics STM32L432KB STM32L432KC
108/156 DS11451 Rev 4
All I/Os are CMOS- and TTL-compliant (no software configuration required). Their
characteristics cover more than the strict CMOS-technology or TTL parameters. The
coverage of these requirements is shown in Figure 18 for standard I/Os, and in Figure 18 for
5 V tolerant I/Os.
Figure 18. I/O input characteristics
Output driving current
The GPIOs (general purpose input/outputs) can sink or source up to ±8 mA, and sink or
source up to ± 20 mA (with a relaxed VOL/VOH).
1. Refer to Figure 18: I/O input characteristics.
2. Tested in production.
3. Guaranteed by design.
4. This value represents the pad leakage of the IO itself. The total product pad leakage is provided by this formula:
ITotal_Ileak_max = 10 µA + [number of IOs where VIN is applied on the pad] Ilkg(Max).
5. All FT_xx GPIOs except FT_u and PC3 I/Os.
6. Max(VDDXXX) is the maximum value of all the I/O supplies.
7. To sustain a voltage higher than Min(VDD, VDDA, VDDUSB) +0.3 V, the internal Pull-up and Pull-Down resistors must be
disabled.
8. Pull-up and pull-down resistors are designed with a true resistance in series with a switchable PMOS/NMOS. This
PMOS/NMOS contribution to the series resistance is minimal (~10% order).
MSv37613V1
Tested in production CMOS requirement Vih min = 0.7xVDDIOx
Based on simulation Vih min = 0.61xV
DDIOx
+0.05 for 1.08<V
DDIOx
<1.62 or 0.49xV
DDIOx
+0.26 for V
DDIOx
>1.62
Based on simulation Vil max =0.43xV
DDIOx
-0.1 for 1.08<V
DDIOx
<1.62 or 0.39xV
DDIOx
-0.06 for V
DDIOx
>1.62
Tested in production CMOS requirement Vil max = 0.3xVdd
TTL requirement Vih min = 2V
TTL requirement Vil max = 0.8V

DS11451 Rev 4 109/156
STM32L432KB STM32L432KC Electrical characteristics
148
In the user application, the number of I/O pins which can drive current must be limited to
respect the absolute maximum rating specified in Section 6.2:
•The sum of the currents sourced by all the I/Os on VDDIOx, plus the maximum
consumption of the MCU sourced on VDD, cannot exceed the absolute maximum rating
IVDD (see Table 18: Voltage characteristics).
•The sum of the currents sunk by all the I/Os on VSS, plus the maximum consumption of
the MCU sunk on VSS, cannot exceed the absolute maximum rating IVSS (see
Table 18: Voltage characteristics).
Output voltage levels
Unless otherwise specified, the parameters given in the table below are derived from tests
performed under the ambient temperature and supply voltage conditions summarized in
Table 21: General operating conditions. All I/Os are CMOS- and TTL-compliant (FT OR TT
unless otherwise specified).
Input/output AC characteristics
The definition and values of input/output AC characteristics are given in Figure 19 and
Table 59, respectively.
Table 58. Output voltage characteristics(1)
Symbol Parameter Conditions Min Max Unit
VOL Output low level voltage for an I/O pin CMOS port(2)
|IIO| = 8 mA
VDDIOx 2.7 V
-0.4
V
VOH Output high level voltage for an I/O pin VDDIOx-0.4 -
VOL(3) Output low level voltage for an I/O pin TTL port(2)
|IIO| = 8 mA
VDDIOx 2.7 V
-0.4
VOH(3) Output high level voltage for an I/O pin 2.4 -
VOL(3) Output low level voltage for an I/O pin |IIO| = 20 mA
VDDIOx 2.7 V
-1.3
VOH(3) Output high level voltage for an I/O pin VDDIOx-1.3 -
VOL(3) Output low level voltage for an I/O pin |IIO| = 4 mA
VDDIOx 1.62 V
-0.45
VOH(3) Output high level voltage for an I/O pin VDDIOx-0.45 -
VOL(3) Output low level voltage for an I/O pin |IIO| = 2 mA
1.62 V VDDIOx 1.08 V
-0.35VDDIOx
VOH(3) Output high level voltage for an I/O pin 0.65VDDIOx -
VOLFM+
(3)
Output low level voltage for an FT I/O
pin in FM+ mode (FT I/O with "f"
option)
|IIO| = 20 mA
VDDIOx 2.7 V -0.4
|IIO| = 10 mA
VDDIOx 1.62 V -0.4
|IIO| = 2 mA
1.62 V VDDIOx 1.08 V -0.4
1. The IIO current sourced or sunk by the device must always respect the absolute maximum rating specified in Table 18:
Voltage characteristics, and the sum of the currents sourced or sunk by all the I/Os (I/O ports and control pins) must always
respect the absolute maximum ratings IIO.
2. TTL and CMOS outputs are compatible with JEDEC standards JESD36 and JESD52.
3. Guaranteed by design.

Electrical characteristics STM32L432KB STM32L432KC
110/156 DS11451 Rev 4
Unless otherwise specified, the parameters given are derived from tests performed under
the ambient temperature and supply voltage conditions summarized in Table 21: General
operating conditions.
Table 59. I/O AC characteristics(1)(2)
Speed Symbol Parameter Conditions Min Max Unit
00
Fmax Maximum frequency
C=50 pF, 2.7 VVDDIOx3.6 V - 5
MHz
C=50 pF, 1.62 VVDDIOx2.7 V - 1
C=50 pF, 1.08 VVDDIOx1.62 V - 0.1
C=10 pF, 2.7 VVDDIOx3.6 V - 10
C=10 pF, 1.62 VVDDIOx2.7 V - 1.5
C=10 pF, 1.08 VVDDIOx1.62 V - 0.1
Tr/Tf Output rise and fall time
C=50 pF, 2.7 VVDDIOx3.6 V - 25
ns
C=50 pF, 1.62 VVDDIOx2.7 V - 52
C=50 pF, 1.08 VVDDIOx1.62 V - 140
C=10 pF, 2.7 VVDDIOx3.6 V - 17
C=10 pF, 1.62 VVDDIOx2.7 V - 37
C=10 pF, 1.08 VVDDIOx1.62 V - 110
01
Fmax Maximum frequency
C=50 pF, 2.7 VVDDIOx3.6 V - 25
MHz
C=50 pF, 1.62 VVDDIOx2.7 V - 10
C=50 pF, 1.08 VVDDIOx1.62 V - 1
C=10 pF, 2.7 VVDDIOx3.6 V - 50
C=10 pF, 1.62 VVDDIOx2.7 V - 15
C=10 pF, 1.08 VVDDIOx1.62 V - 1
Tr/Tf Output rise and fall time
C=50 pF, 2.7 VVDDIOx3.6 V - 9
ns
C=50 pF, 1.62 VVDDIOx2.7 V - 16
C=50 pF, 1.08 VVDDIOx1.62 V - 40
C=10 pF, 2.7 VVDDIOx3.6 V - 4.5
C=10 pF, 1.62 VVDDIOx2.7 V - 9
C=10 pF, 1.08 VVDDIOx1.62 V - 21

DS11451 Rev 4 111/156
STM32L432KB STM32L432KC Electrical characteristics
148
10
Fmax Maximum frequency
C=50 pF, 2.7 VVDDIOx3.6 V - 50
MHz
C=50 pF, 1.62 VVDDIOx2.7 V - 25
C=50 pF, 1.08 VVDDIOx1.62 V - 5
C=10 pF, 2.7 VVDDIOx3.6 V - 100(3)
C=10 pF, 1.62 VVDDIOx2.7 V - 37.5
C=10 pF, 1.08 VVDDIOx1.62 V - 5
Tr/Tf Output rise and fall time
C=50 pF, 2.7 VVDDIOx3.6 V - 5.8
ns
C=50 pF, 1.62 VVDDIOx2.7 V - 11
C=50 pF, 1.08 VVDDIOx1.62 V - 28
C=10 pF, 2.7 VVDDIOx3.6 V - 2.5
C=10 pF, 1.62 VVDDIOx2.7 V - 5
C=10 pF, 1.08 VVDDIOx1.62 V - 12
11
Fmax Maximum frequency
C=30 pF, 2.7 VVDDIOx3.6 V - 120(3)
MHz
C=30 pF, 1.62 VVDDIOx2.7 V - 50
C=30 pF, 1.08 VVDDIOx1.62 V - 10
C=10 pF, 2.7 VVDDIOx3.6 V - 180(3)
C=10 pF, 1.62 VVDDIOx2.7 V - 75
C=10 pF, 1.08 VVDDIOx1.62 V - 10
Tr/Tf Output rise and fall time
C=30 pF, 2.7 VVDDIOx3.6 V - 3.3
nsC=30 pF, 1.62 VVDDIOx2.7 V - 6
C=30 pF, 1.08 VVDDIOx1.62 V - 16
Fm+
Fmax Maximum frequency
C=50 pF, 1.6 VVDDIOx3.6 V
-1MHz
Tf Output fall time(4) -5ns
1. The I/O speed is configured using the OSPEEDRy[1:0] bits. The Fm+ mode is configured in the SYSCFG_CFGR1 register.
Refer to the RM0394 reference manual for a description of GPIO Port configuration register.
2. Guaranteed by design.
3. This value represents the I/O capability but the maximum system frequency is limited to 80 MHz.
4. The fall time is defined between 70% and 30% of the output waveform accordingly to I2C specification.
Table 59. I/O AC characteristics(1)(2) (continued)
Speed Symbol Parameter Conditions Min Max Unit

Electrical characteristics STM32L432KB STM32L432KC
112/156 DS11451 Rev 4
Figure 19. I/O AC characteristics definition(1)
1. Refer to Table 59: I/O AC characteristics.
6.3.15 NRST pin characteristics
The NRST pin input driver uses the CMOS technology. It is connected to a permanent pull-
up resistor, RPU.
Unless otherwise specified, the parameters given in the table below are derived from tests
performed under the ambient temperature and supply voltage conditions summarized in
Table 21: General operating conditions.
MS32132V2
T
10%
50%
90% 10%
50%
90%
Maximum frequency is achieved if (t + t (≤ 2/3)T and if the duty cycle is (45-55%)
when loaded by the specified capacitance.
rf
r(IO)out
tf(IO)out
t
Table 60. NRST pin characteristics(1)
Symbol Parameter Conditions Min Typ Max Unit
VIL(NRST)
NRST input low level
voltage ---0.3VDDIOx
V
VIH(NRST)
NRST input high level
voltage -0.7VDDIOx --
Vhys(NRST)
NRST Schmitt trigger
voltage hysteresis --200-mV
RPU
Weak pull-up
equivalent resistor(2) VIN = VSS 25 40 55 k
VF(NRST) NRST input filtered
pulse ---70ns
VNF(NRST)
NRST input not filtered
pulse 1.71 V VDD 3.6 V 350 - - ns
1. Guaranteed by design.
2. The pull-up is designed with a true resistance in series with a switchable PMOS. This PMOS contribution to the series
resistance is minimal (~10% order).

DS11451 Rev 4 113/156
STM32L432KB STM32L432KC Electrical characteristics
148
Figure 20. Recommended NRST pin protection
1. The reset network protects the device against parasitic resets.
2. The user must ensure that the level on the NRST pin can go below the VIL(NRST) max level specified in
Table 60: NRST pin characteristics. Otherwise the reset will not be taken into account by the device.
3. The external capacitor on NRST must be placed as close as possible to the device.
6.3.16 Extended interrupt and event controller input (EXTI) characteristics
The pulse on the interrupt input must have a minimal length in order to guarantee that it is
detected by the event controller.
6.3.17 Analog switches booster
MS19878V3
RPU
VDD
Internal reset
External
reset circuit(1)
NRST(2)
Filter
0.1 μF
Table 61. EXTI Input Characteristics(1)
1. Guaranteed by design.
Symbol Parameter Conditions Min Typ Max Unit
PLEC Pulse length to event
controller -20--ns
Table 62. Analog switches booster characteristics(1)
1. Guaranteed by design.
Symbol Parameter Min Typ Max Unit
VDD Supply voltage 1.62 - 3.6 V
tSU(BOOST) Booster startup time - - 240 µs
IDD(BOOST)
Booster consumption for
1.62 V VDD 2.0 V --250
µA
Booster consumption for
2.0 V VDD 2.7 V --500
Booster consumption for
2.7 V VDD 3.6 V --900

Electrical characteristics STM32L432KB STM32L432KC
114/156 DS11451 Rev 4
6.3.18 Analog-to-Digital converter characteristics
Unless otherwise specified, the parameters given in Table 63 are preliminary values derived
from tests performed under ambient temperature, fPCLK frequency and VDDA supply voltage
conditions summarized in Table 21: General operating conditions.
Note: It is recommended to perform a calibration after each power-up.
Table 63. ADC characteristics(1) (2)
Symbol Parameter Conditions Min Typ Max Unit
VDDA Analog supply voltage - 1.62 - 3.6 V
VREF+ Positive reference voltage
VDDA 2 V 2 - VDDA V
VDDA < 2 V VDDA V
VREF-
Negative reference
voltage -V
SSA V
fADC ADC clock frequency
Range 1 0.14 - 80
MHz
Range 2 0.14 - 26
fs
Sampling rate for FAST
channels
Resolution = 12 bits - - 5.33
Msps
Resolution = 10 bits - - 6.15
Resolution = 8 bits - - 7.27
Resolution = 6 bits - - 8.88
Sampling rate for SLOW
channels
Resolution = 12 bits - - 4.21
Resolution = 10 bits - - 4.71
Resolution = 8 bits - - 5.33
Resolution = 6 bits - - 6.15
fTRIG External trigger frequency
fADC = 80 MHz
Resolution = 12 bits - - 5.33 MHz
Resolution = 12 bits - - 15 1/fADC
VCMIN Input common mode Differential mode
(VREF++
VREF-)/2
- 0.18
(VREF++
VREF-)/2
(VREF++
VREF-)/2
+ 0.18
V
VAIN (3) Conversion voltage
range(2) -0-V
REF+ V
RAIN External input impedance - - - 50 k
CADC
Internal sample and hold
capacitor --5-pF
tSTAB Power-up time - 1 conversion
cycle
tCAL Calibration time
fADC = 80 MHz 1.45 µs
-1161/f
ADC

DS11451 Rev 4 115/156
STM32L432KB STM32L432KC Electrical characteristics
148
The maximum value of RAIN can be found in Table 64: Maximum ADC RAIN.
tLATR
Trigger conversion
latency Regular and
injected channels without
conversion abort
CKMODE = 00 1.5 2 2.5
1/fADC
CKMODE = 01 - - 2.0
CKMODE = 10 - - 2.25
CKMODE = 11 - - 2.125
tLATRINJ
Trigger conversion
latency Injected channels
aborting a regular
conversion
CKMODE = 00 2.5 3 3.5
1/fADC
CKMODE = 01 - - 3.0
CKMODE = 10 - - 3.25
CKMODE = 11 - - 3.125
tsSampling time
fADC = 80 MHz 0.03125 - 8.00625 µs
- 2.5 - 640.5 1/fADC
tADCVREG_STUP
ADC voltage regulator
start-up time ---20
µs
tCONV
Total conversion time
(including sampling time)
fADC = 80 MHz
Resolution = 12 bits 0.1875 - 8.1625 µs
Resolution = 12 bits
ts + 12.5 cycles for
successive approximation
= 15 to 653
1/fADC
IDDA(ADC) ADC consumption from
the VDDA supply
fs = 5 Msps - 730 830
µAfs = 1 Msps - 160 220
fs = 10 ksps - 16 50
IDDV_S(ADC)
ADC consumption from
the VREF+ single ended
mode
fs = 5 Msps - 130 160
µAfs = 1 Msps - 30 40
fs = 10 ksps - 0.6 2
IDDV_D(ADC)
ADC consumption from
the VREF+ differential
mode
fs = 5 Msps - 260 310
µAfs = 1 Msps - 60 70
fs = 10 ksps - 1.3 3
1. Guaranteed by design
2. The I/O analog switch voltage booster is enable when VDDA < 2.4 V (BOOSTEN = 1 in the SYSCFG_CFGR1 when
VDDA < 2.4V). It is disable when VDDA 2.4 V.
3. VREF+ can be internally connected to VDDA and VREF- can be internally connected to VSSA, depending on the package.
Refer to Section 4: Pinouts and pin description for further details.
Table 63. ADC characteristics(1) (2) (continued)
Symbol Parameter Conditions Min Typ Max Unit

Electrical characteristics STM32L432KB STM32L432KC
116/156 DS11451 Rev 4
Table 64. Maximum ADC RAIN(1)(2)
Resolution Sampling cycle
@80 MHz
Sampling time [ns]
@80 MHz
RAIN max (Ω)
Fast channels(3) Slow channels(4)
12 bits
2.5 31.25 100 N/A
6.5 81.25 330 100
12.5 156.25 680 470
24.5 306.25 1500 1200
47.5 593.75 2200 1800
92.5 1156.25 4700 3900
247.5 3093.75 12000 10000
640.5 8006.75 39000 33000
10 bits
2.5 31.25 120 N/A
6.5 81.25 390 180
12.5 156.25 820 560
24.5 306.25 1500 1200
47.5 593.75 2200 1800
92.5 1156.25 5600 4700
247.5 3093.75 12000 10000
640.5 8006.75 47000 39000
8 bits
2.5 31.25 180 N/A
6.5 81.25 470 270
12.5 156.25 1000 680
24.5 306.25 1800 1500
47.5 593.75 2700 2200
92.5 1156.25 6800 5600
247.5 3093.75 15000 12000
640.5 8006.75 50000 50000
6 bits
2.5 31.25 220 N/A
6.5 81.25 560 330
12.5 156.25 1200 1000
24.5 306.25 2700 2200
47.5 593.75 3900 3300
92.5 1156.25 8200 6800
247.5 3093.75 18000 15000
640.5 8006.75 50000 50000
1. Guaranteed by design.

DS11451 Rev 4 117/156
STM32L432KB STM32L432KC Electrical characteristics
148
2. The I/O analog switch voltage booster is enable when VDDA < 2.4 V (BOOSTEN = 1 in the SYSCFG_CFGR1 when
VDDA < 2.4V). It is disable when VDDA 2.4 V.
3. Fast channels are: PC0, PC1, PC2, PC3, PA0, PA1.
4. Slow channels are: all ADC inputs except the fast channels.

Electrical characteristics STM32L432KB STM32L432KC
118/156 DS11451 Rev 4
Table 65. ADC accuracy - limited test conditions 1(1)(2)(3)
Sym-
bol Parameter Conditions(4) Min Typ Max Unit
ET
To t a l
unadjusted
error
ADC clock frequency
80 MHz,
Sampling rate 5.33 Msps,
VDDA = VREF+ = 3 V,
TA = 25 °C
Single
ended
Fast channel (max speed) - 4 5
LSB
Slow channel (max speed) - 4 5
Differential
Fast channel (max speed) - 3.5 4.5
Slow channel (max speed) - 3.5 4.5
EO Offset
error
Single
ended
Fast channel (max speed) - 1 2.5
Slow channel (max speed) - 1 2.5
Differential
Fast channel (max speed) - 1.5 2.5
Slow channel (max speed) - 1.5 2.5
EG Gain error
Single
ended
Fast channel (max speed) - 2.5 4.5
Slow channel (max speed) - 2.5 4.5
Differential
Fast channel (max speed) - 2.5 3.5
Slow channel (max speed) - 2.5 3.5
ED
Differential
linearity
error
Single
ended
Fast channel (max speed) - 1 1.5
Slow channel (max speed) - 1 1.5
Differential
Fast channel (max speed) - 1 1.2
Slow channel (max speed) - 1 1.2
EL
Integral
linearity
error
Single
ended
Fast channel (max speed) - 1.5 2.5
Slow channel (max speed) - 1.5 2.5
Differential
Fast channel (max speed) - 1 2
Slow channel (max speed) - 1 2
ENOB
Effective
number of
bits
Single
ended
Fast channel (max speed) 10.4 10.5 -
bits
Slow channel (max speed) 10.4 10.5 -
Differential
Fast channel (max speed) 10.8 10.9 -
Slow channel (max speed) 10.8 10.9 -
SINAD
Signal-to-
noise and
distortion
ratio
Single
ended
Fast channel (max speed) 64.4 65 -
dB
Slow channel (max speed) 64.4 65 -
Differential
Fast channel (max speed) 66.8 67.4 -
Slow channel (max speed) 66.8 67.4 -
SNR Signal-to-
noise ratio
Single
ended
Fast channel (max speed) 65 66 -
Slow channel (max speed) 65 66 -
Differential
Fast channel (max speed) 67 68 -
Slow channel (max speed) 67 68 -

DS11451 Rev 4 119/156
STM32L432KB STM32L432KC Electrical characteristics
148
THD
To t a l
harmonic
distortion
ADC clock frequency
80 MHz,
Sampling rate 5.33 Msps,
VDDA = VREF+ = 3 V,
TA = 25 °C
Single
ended
Fast channel (max speed) - -74 -73
dB
Slow channel (max speed) - -74 -73
Differential
Fast channel (max speed) - -79 -76
Slow channel (max speed) - -79 -76
1. Guaranteed by design.
2. ADC DC accuracy values are measured after internal calibration.
3. ADC accuracy vs. negative Injection Current: Injecting negative current on any analog input pins should be avoided as this
significantly reduces the accuracy of the conversion being performed on another analog input. It is recommended to add a
Schottky diode (pin to ground) to analog pins which may potentially inject negative current.
4. The I/O analog switch voltage booster is enable when VDDA < 2.4 V (BOOSTEN = 1 in the SYSCFG_CFGR1 when
VDDA < 2.4 V). It is disable when VDDA 2.4 V. No oversampling.
Table 65. ADC accuracy - limited test conditions 1(1)(2)(3) (continued)
Sym-
bol Parameter Conditions(4) Min Typ Max Unit

Electrical characteristics STM32L432KB STM32L432KC
120/156 DS11451 Rev 4
Table 66. ADC accuracy - limited test conditions 2(1)(2)(3)
Sym-
bol Parameter Conditions(4) Min Typ Max Unit
ET
To t a l
unadjusted
error
ADC clock frequency
80 MHz,
Sampling rate 5.33 Msps,
2 V VDDA
Single
ended
Fast channel (max speed) - 4 6.5
LSB
Slow channel (max speed) - 4 6.5
Differential
Fast channel (max speed) - 3.5 5.5
Slow channel (max speed) - 3.5 5.5
EO Offset
error
Single
ended
Fast channel (max speed) - 1 4.5
Slow channel (max speed) - 1 5
Differential
Fast channel (max speed) - 1.5 3
Slow channel (max speed) - 1.5 3
EG Gain error
Single
ended
Fast channel (max speed) - 2.5 6
Slow channel (max speed) - 2.5 6
Differential
Fast channel (max speed) - 2.5 3.5
Slow channel (max speed) - 2.5 3.5
ED
Differential
linearity
error
Single
ended
Fast channel (max speed) - 1 1.5
Slow channel (max speed) - 1 1.5
Differential
Fast channel (max speed) - 1 1.2
Slow channel (max speed) - 1 1.2
EL
Integral
linearity
error
Single
ended
Fast channel (max speed) - 1.5 3.5
Slow channel (max speed) - 1.5 3.5
Differential
Fast channel (max speed) - 1 3
Slow channel (max speed) - 1 2.5
ENOB
Effective
number of
bits
Single
ended
Fast channel (max speed) 10 10.5 -
bits
Slow channel (max speed) 10 10.5 -
Differential
Fast channel (max speed) 10.7 10.9 -
Slow channel (max speed) 10.7 10.9 -
SINAD
Signal-to-
noise and
distortion
ratio
Single
ended
Fast channel (max speed) 62 65 -
dB
Slow channel (max speed) 62 65 -
Differential
Fast channel (max speed) 66 67.4 -
Slow channel (max speed) 66 67.4 -
SNR Signal-to-
noise ratio
Single
ended
Fast channel (max speed) 64 66 -
Slow channel (max speed) 64 66 -
Differential
Fast channel (max speed) 66.5 68 -
Slow channel (max speed) 66.5 68 -

DS11451 Rev 4 121/156
STM32L432KB STM32L432KC Electrical characteristics
148
THD
To t a l
harmonic
distortion
ADC clock frequency
80 MHz,
Sampling rate 5.33 Msps,
2 V VDDA
Single
ended
Fast channel (max speed) - -74 -65
dB
Slow channel (max speed) - -74 -67
Differential
Fast channel (max speed) - -79 -70
Slow channel (max speed) - -79 -71
1. Guaranteed by design.
2. ADC DC accuracy values are measured after internal calibration.
3. ADC accuracy vs. negative Injection Current: Injecting negative current on any analog input pins should be avoided as this
significantly reduces the accuracy of the conversion being performed on another analog input. It is recommended to add a
Schottky diode (pin to ground) to analog pins which may potentially inject negative current.
4. The I/O analog switch voltage booster is enable when VDDA < 2.4 V (BOOSTEN = 1 in the SYSCFG_CFGR1 when
VDDA < 2.4 V). It is disable when VDDA 2.4 V. No oversampling.
Table 66. ADC accuracy - limited test conditions 2(1)(2)(3) (continued)
Sym-
bol Parameter Conditions(4) Min Typ Max Unit

Electrical characteristics STM32L432KB STM32L432KC
122/156 DS11451 Rev 4
Table 67. ADC accuracy - limited test conditions 3(1)(2)(3)
Sym-
bol Parameter Conditions(4) Min Typ Max Unit
ET
To t a l
unadjusted
error
ADC clock frequency
80 MHz,
Sampling rate 5.33 Msps,
1.65 V VDDA = VREF+
3.6 V,
Voltage scaling Range 1
Single
ended
Fast channel (max speed) - 5.5 7.5
LSB
Slow channel (max speed) - 4.5 6.5
Differential
Fast channel (max speed) - 4.5 7.5
Slow channel (max speed) - 4.5 5.5
EO Offset
error
Single
ended
Fast channel (max speed) - 2 5
Slow channel (max speed) - 2.5 5
Differential
Fast channel (max speed) - 2 3.5
Slow channel (max speed) - 2.5 3
EG Gain error
Single
ended
Fast channel (max speed) - 4.5 7
Slow channel (max speed) - 3.5 6
Differential
Fast channel (max speed) - 3.5 4
Slow channel (max speed) - 3.5 5
ED
Differential
linearity
error
Single
ended
Fast channel (max speed) - 1.2 1.5
Slow channel (max speed) - 1.2 1.5
Differential
Fast channel (max speed) - 1 1.2
Slow channel (max speed) - 1 1.2
EL
Integral
linearity
error
Single
ended
Fast channel (max speed) - 3 3.5
Slow channel (max speed) - 2.5 3.5
Differential
Fast channel (max speed) - 2 2.5
Slow channel (max speed) - 2 2.5
ENOB
Effective
number of
bits
Single
ended
Fast channel (max speed) 10 10.4 -
bits
Slow channel (max speed) 10 10.4 -
Differential
Fast channel (max speed) 10.6 10.7 -
Slow channel (max speed) 10.6 10.7 -
SINAD
Signal-to-
noise and
distortion
ratio
Single
ended
Fast channel (max speed) 62 64 -
dB
Slow channel (max speed) 62 64 -
Differential
Fast channel (max speed) 65 66 -
Slow channel (max speed) 65 66 -
SNR Signal-to-
noise ratio
Single
ended
Fast channel (max speed) 63 65 -
Slow channel (max speed) 63 65 -
Differential
Fast channel (max speed) 66 67 -
Slow channel (max speed) 66 67 -

DS11451 Rev 4 123/156
STM32L432KB STM32L432KC Electrical characteristics
148
THD
To t a l
harmonic
distortion
ADC clock frequency
80 MHz,
Sampling rate 5.33 Msps,
1.65 V VDDA = VREF+
3.6 V,
Voltage scaling Range 1
Single
ended
Fast channel (max speed) - -69 -67
dB
Slow channel (max speed) - -71 -67
Differential
Fast channel (max speed) - -72 -71
Slow channel (max speed) - -72 -71
1. Guaranteed by design.
2. ADC DC accuracy values are measured after internal calibration.
3. ADC accuracy vs. negative Injection Current: Injecting negative current on any analog input pins should be avoided as this
significantly reduces the accuracy of the conversion being performed on another analog input. It is recommended to add a
Schottky diode (pin to ground) to analog pins which may potentially inject negative current.
4. The I/O analog switch voltage booster is enable when VDDA < 2.4 V (BOOSTEN = 1 in the SYSCFG_CFGR1 when
VDDA < 2.4 V). It is disable when VDDA 2.4 V. No oversampling.
Table 67. ADC accuracy - limited test conditions 3(1)(2)(3) (continued)
Sym-
bol Parameter Conditions(4) Min Typ Max Unit

Electrical characteristics STM32L432KB STM32L432KC
124/156 DS11451 Rev 4
Table 68. ADC accuracy - limited test conditions 4(1)(2)(3)
Sym-
bol Parameter Conditions(4) Min Typ Max Unit
ET
To t a l
unadjusted
error
ADC clock frequency
26 MHz,
1.65 V VDDA = VREF+
3.6 V,
Voltage scaling Range 2
Single
ended
Fast channel (max speed) - 5 5.4
LSB
Slow channel (max speed) - 4 5
Differential
Fast channel (max speed) - 4 5
Slow channel (max speed) - 3.5 4.5
EO Offset
error
Single
ended
Fast channel (max speed) - 2 4
Slow channel (max speed) - 2 4
Differential
Fast channel (max speed) - 2 3.5
Slow channel (max speed) - 2 3.5
EG Gain error
Single
ended
Fast channel (max speed) - 4 4.5
Slow channel (max speed) - 4 4.5
Differential
Fast channel (max speed) - 3 4
Slow channel (max speed) - 3 4
ED
Differential
linearity
error
Single
ended
Fast channel (max speed) - 1 1.5
Slow channel (max speed) - 1 1.5
Differential
Fast channel (max speed) - 1 1.2
Slow channel (max speed) - 1 1.2
EL
Integral
linearity
error
Single
ended
Fast channel (max speed) - 2.5 3
Slow channel (max speed) - 2.5 3
Differential
Fast channel (max speed) - 2 2.5
Slow channel (max speed) - 2 2.5
ENOB
Effective
number of
bits
Single
ended
Fast channel (max speed) 10.2 10.5 -
bits
Slow channel (max speed) 10.2 10.5 -
Differential
Fast channel (max speed) 10.6 10.7 -
Slow channel (max speed) 10.6 10.7 -
SINAD
Signal-to-
noise and
distortion
ratio
Single
ended
Fast channel (max speed) 63 65 -
dB
Slow channel (max speed) 63 65 -
Differential
Fast channel (max speed) 65 66 -
Slow channel (max speed) 65 66 -
SNR Signal-to-
noise ratio
Single
ended
Fast channel (max speed) 64 65 -
Slow channel (max speed) 64 65 -
Differential
Fast channel (max speed) 66 67 -
Slow channel (max speed) 66 67 -

DS11451 Rev 4 125/156
STM32L432KB STM32L432KC Electrical characteristics
148
Figure 21. ADC accuracy characteristics
THD
To t a l
harmonic
distortion
ADC clock frequency
26 MHz,
1.65 V VDDA = VREF+
3.6 V,
Voltage scaling Range 2
Single
ended
Fast channel (max speed) - -71 -69
dB
Slow channel (max speed) - -71 -69
Differential
Fast channel (max speed) - -73 -72
Slow channel (max speed) - -73 -72
1. Guaranteed by design.
2. ADC DC accuracy values are measured after internal calibration.
3. ADC accuracy vs. negative Injection Current: Injecting negative current on any analog input pins should be avoided as this
significantly reduces the accuracy of the conversion being performed on another analog input. It is recommended to add a
Schottky diode (pin to ground) to analog pins which may potentially inject negative current.
4. The I/O analog switch voltage booster is enable when VDDA < 2.4 V (BOOSTEN = 1 in the SYSCFG_CFGR1 when
VDDA < 2.4 V). It is disable when VDDA 2.4 V. No oversampling.
Table 68. ADC accuracy - limited test conditions 4(1)(2)(3) (continued)
Sym-
bol Parameter Conditions(4) Min Typ Max Unit
ET = total unajusted error: maximum deviation
between the actual and ideal transfer curves.
EO = offset error: maximum deviation
between the first actual transition and
the first ideal one.
EG = gain error: deviation between the last
ideal transition and the last actual one.
ED = differential linearity error: maximum
deviation between actual steps and the ideal ones.
EL = integral linearity error: maximum deviation
between any actual transition and the end point
correlation line.
(1) Example of an actual transfer curve
(2) The ideal transfer curve
(3) End point correlation line
4095
4094
4093
7
6
5
4
3
2
1
023456
17 4093 4094 4095 4096 VDDA
VSSA
EO
ET
EL
EG
ED
1 LSB IDEAL
(1)
(3)
(2)
MS19880V2

Electrical characteristics STM32L432KB STM32L432KC
126/156 DS11451 Rev 4
Figure 22. Typical connection diagram using the ADC
1. Refer to Table 63: ADC characteristics for the values of RAIN and CADC.
2. Cparasitic represents the capacitance of the PCB (dependent on soldering and PCB layout quality) plus the
pad capacitance (refer to Table 57: I/O static characteristics for the value of the pad capacitance). A high
Cparasitic value will downgrade conversion accuracy. To remedy this, fADC should be reduced.
3. Refer to Table 57: I/O static characteristics for the values of Ilkg.
General PCB design guidelines
Power supply decoupling should be performed as shown in Figure 9: Power supply scheme.
The 10 nF capacitor should be ceramic (good quality) and it should be placed as close as
possible to the chip.
MS33900V5
Sample and hold ADC converter
12-bit
converter
Cparasitic
(2) Ilkg
(3)
VTCADC
VDDA
RAIN
(1)
VAIN
VT
AINx RADC

DS11451 Rev 4 127/156
STM32L432KB STM32L432KC Electrical characteristics
148
6.3.19 Digital-to-Analog converter characteristics
Table 69. DAC characteristics(1)
Symbol Parameter Conditions Min Typ Max Unit
VDDA
Analog supply voltage for
DAC ON
DAC output buffer OFF (no resistive
load on DAC1_OUTx pin or internal
connection)
1.71 -
3.6
V
Other modes 1.80 -
VREF+ Positive reference voltage
DAC output buffer OFF (no resistive
load on DAC1_OUTx pin or internal
connection)
1.71 -
VDDA
Other modes 1.80 -
VREF-
Negative reference
voltage -V
SSA
RLResistive load DAC output
buffer ON
connected to VSSA 5- -
k
connected to VDDA 25 - -
ROOutput Impedance DAC output buffer OFF 9.6 11.7 13.8 k
RBON
Output impedance sample
and hold mode, output
buffer ON
VDD = 2.7 V - - 2
k
VDD = 2.0 V - - 3.5
RBOFF
Output impedance sample
and hold mode, output
buffer OFF
VDD = 2.7 V - - 16.5
k
VDD = 2.0 V - - 18.0
CLCapacitive load
DAC output buffer ON - - 50 pF
CSH Sample and hold mode - 0.1 1 µF
VDAC_OUT
Voltage on DAC1_OUTx
output
DAC output buffer ON 0.2 - VREF+
– 0.2 V
DAC output buffer OFF 0 - VREF+
tSETTLING
Settling time (full scale: for
a 12-bit code transition
between the lowest and
the highest input codes
when DAC1_OUTx
reaches final value
±0.5LSB, ±1 LSB, ±2 LSB,
±4 LSB, ±8 LSB)
Normal mode
DAC output
buffer ON
CL 50 pF,
RL 5 k
±0.5 LSB - 1.7 3
µs
±1 LSB - 1.6 2.9
±2 LSB - 1.55 2.85
±4 LSB - 1.48 2.8
±8 LSB - 1.4 2.75
Normal mode DAC output buffer
OFF, ±1LSB, CL = 10 pF -22.5
tWAKEUP(2)
Wakeup time from off state
(setting the ENx bit in the
DAC Control register) until
final value ±1 LSB
Normal mode DAC output buffer ON
CL 50 pF, RL 5 k-4.27.5
µs
Normal mode DAC output buffer
OFF, CL 10 pF -2 5
PSRR VDDA supply rejection ratio Normal mode DAC output buffer ON
CL 50 pF, RL = 5 k, DC --80-28dB

Electrical characteristics STM32L432KB STM32L432KC
128/156 DS11451 Rev 4
TW_to_W
Minimal time between two
consecutive writes into the
DAC_DORx register to
guarantee a correct
DAC1_OUTx for a small
variation of the input code
(1 LSB)
DAC_MCR:MODEx[2:0] =
000 or 001
DAC_MCR:MODEx[2:0] =
010 or 011
CL 50 pF, RL 5 k
CL 10 pF
1
1.4
--µs
tSAMP
Sampling time in sample
and hold mode (code
transition between the
lowest input code and the
highest input code when
DAC1_OUTx reaches final
value ±1LSB)
DAC1_OUTx
pin connected
DAC output buffer
ON, CSH = 100 nF -0.73.5
ms
DAC output buffer
OFF, CSH = 100 nF -10.5 18
DAC1_OUTx
pin not
connected
(internal
connection
only)
DAC output buffer
OFF -23.5µs
Ileak Output leakage current Sample and hold mode,
DAC1_OUTx pin connected -- -
(3) nA
CIint
Internal sample and hold
capacitor - 5.2 7 8.8 pF
tTRIM
Middle code offset trim
time DAC output buffer ON 50 - - µs
Voffset
Middle code offset for 1
trim code step
VREF+ = 3.6 V - 1500 -
µV
VREF+ = 1.8 V - 750 -
IDDA(DAC) DAC consumption from
VDDA
DAC output
buffer ON
No load, middle
code (0x800) - 315 500
µA
No load, worst code
(0xF1C) - 450 670
DAC output
buffer OFF
No load, middle
code (0x800) --0.2
Sample and hold mode, CSH =
100 nF -
315
Ton/(Ton
+Toff)
(4)
670
Ton/(Ton
+Toff)
(4)
Table 69. DAC characteristics(1) (continued)
Symbol Parameter Conditions Min Typ Max Unit

DS11451 Rev 4 129/156
STM32L432KB STM32L432KC Electrical characteristics
148
Figure 23. 12-bit buffered / non-buffered DAC
1. The DAC integrates an output buffer that can be used to reduce the output impedance and to drive external loads directly
without the use of an external operational amplifier. The buffer can be bypassed by configuring the BOFFx bit in the
DAC_CR register.
IDDV(DAC) DAC consumption from
VREF+
DAC output
buffer ON
No load, middle
code (0x800) - 185 240
µA
No load, worst code
(0xF1C) - 340 400
DAC output
buffer OFF
No load, middle
code (0x800) - 155 205
Sample and hold mode, buffer ON,
CSH = 100 nF, worst case -
185
Ton/(Ton
+Toff)
(4)
400
Ton/(Ton
+Toff)
(4)
Sample and hold mode, buffer OFF,
CSH = 100 nF, worst case -
155
Ton/(Ton
+Toff)
(4)
205
Ton/(Ton
+Toff)
(4)
1. Guaranteed by design.
2. In buffered mode, the output can overshoot above the final value for low input code (starting from min value).
3. Refer to Table 57: I/O static characteristics.
4. Ton is the Refresh phase duration. Toff is the Hold phase duration. Refer to RM0394 reference manual for more details.
Table 69. DAC characteristics(1) (continued)
Symbol Parameter Conditions Min Typ Max Unit
(1)
Buffer
12-bit
digital to
analog
converter
Buffered/non-buffered DAC
DACx_OUT
R
LOAD
C
LOAD
ai17157d

Electrical characteristics STM32L432KB STM32L432KC
130/156 DS11451 Rev 4
. Table 70. DAC accuracy(1)
Symbol Parameter Conditions Min Typ Max Unit
DNL Differential non
linearity (2)
DAC output buffer ON - - ±2
LSB
DAC output buffer OFF - - ±2
- monotonicity 10 bits guaranteed
INL Integral non
linearity(3)
DAC output buffer ON
CL 50 pF, RL 5 k--±4
DAC output buffer OFF
CL 50 pF, no RL --±4
Offset Offset error at
code 0x800(3)
DAC output buffer ON
CL 50 pF, RL 5 k
VREF+ = 3.6 V - - ±12
VREF+ = 1.8 V - - ±25
DAC output buffer OFF
CL 50 pF, no RL --±8
Offset1 Offset error at
code 0x001(4)
DAC output buffer OFF
CL 50 pF, no RL --±5
OffsetCal
Offset Error at
code 0x800
after calibration
DAC output buffer ON
CL 50 pF, RL 5 k
VREF+ = 3.6 V - - ±5
VREF+ = 1.8 V - - ±7
Gain Gain error(5)
DAC output buffer ON
CL 50 pF, RL 5 k--±0.5
%
DAC output buffer OFF
CL 50 pF, no RL --±0.5
TUE
Tot a l
unadjusted
error
DAC output buffer ON
CL 50 pF, RL 5 k--±30
LSB
DAC output buffer OFF
CL 50 pF, no RL --±12
TUECal
Tot a l
unadjusted
error after
calibration
DAC output buffer ON
CL 50 pF, RL 5 k--±23LSB
SNR Signal-to-noise
ratio
DAC output buffer ON
CL 50 pF, RL 5 k
1 kHz, BW 500 kHz
-71.2-
dB
DAC output buffer OFF
CL 50 pF, no RL, 1 kHz
BW 500 kHz
-71.6-
THD Total harmonic
distortion
DAC output buffer ON
CL 50 pF, RL 5 k, 1 kHz --78-
dB
DAC output buffer OFF
CL 50 pF, no RL, 1 kHz --79-

DS11451 Rev 4 131/156
STM32L432KB STM32L432KC Electrical characteristics
148
SINAD
Signal-to-noise
and distortion
ratio
DAC output buffer ON
CL 50 pF, RL 5 k, 1 kHz -70.4-
dB
DAC output buffer OFF
CL 50 pF, no RL, 1 kHz -71-
ENOB Effective
number of bits
DAC output buffer ON
CL 50 pF, RL 5 k, 1 kHz -11.4-
bits
DAC output buffer OFF
CL 50 pF, no RL, 1 kHz -11.5-
1. Guaranteed by design.
2. Difference between two consecutive codes - 1 LSB.
3. Difference between measured value at Code i and the value at Code i on a line drawn between Code 0 and last Code 4095.
4. Difference between the value measured at Code (0x001) and the ideal value.
5. Difference between ideal slope of the transfer function and measured slope computed from code 0x000 and 0xFFF when
buffer is OFF, and from code giving 0.2 V and (VREF+ – 0.2) V when buffer is ON.
Table 70. DAC accuracy(1) (continued)
Symbol Parameter Conditions Min Typ Max Unit

Electrical characteristics STM32L432KB STM32L432KC
132/156 DS11451 Rev 4
6.3.20 Comparator characteristics
Table 71. COMP characteristics(1)
Symbol Parameter Conditions Min Typ Max Unit
VDDA Analog supply voltage - 1.62 - 3.6
VVIN
Comparator input voltage
range -0-V
DDA
VBG(2) Scaler input voltage - VREFINT
VSC Scaler offset voltage - - ±5 ±10 mV
IDDA(SCALER) Scaler static consumption
from VDDA
BRG_EN=0 (bridge disable) - 200 300 nA
BRG_EN=1 (bridge enable) - 0.8 1 µA
tSTART_SCALER Scaler startup time - - 100 200 µs
tSTART
Comparator startup time to
reach propagation delay
specification
High-speed
mode
VDDA 2.7 V - - 5
µs
VDDA < 2.7 V - - 7
Medium mode
VDDA 2.7 V - - 15
VDDA < 2.7 V - - 25
Ultra-low-power mode - - 40
tD(3) Propagation delay with
100 mV overdrive
High-speed
mode
VDDA 2.7 V - 55 80
ns
VDDA < 2.7 V - 65 100
Medium mode - 0.55 0.9
µs
Ultra-low-power mode - 4 7
Voffset Comparator offset error Full common
mode range --±5±20mV
Vhys Comparator hysteresis
No hysteresis - 0 -
mV
Low hysteresis - 8 -
Medium hysteresis - 15 -
High hysteresis - 27 -

DS11451 Rev 4 133/156
STM32L432KB STM32L432KC Electrical characteristics
148
6.3.21 Operational amplifiers characteristics
IDDA(COMP) Comparator consumption
from VDDA
Ultra-low-
power mode
Static - 400 600
nA
With 50 kHz
±100 mV overdrive
square signal
-1200-
Medium mode
Static - 5 7
µA
With 50 kHz
±100 mV overdrive
square signal
-6-
High-speed
mode
Static - 70 100
With 50 kHz
±100 mV overdrive
square signal
-75-
Ibias
Comparator input bias
current ----
(4) nA
1. Guaranteed by design, unless otherwise specified.
2. Refer to Table 24: Embedded internal voltage reference.
3. Guaranteed by characterization results.
4. Mostly I/O leakage when used in analog mode. Refer to Ilkg parameter in Table 57: I/O static characteristics.
Table 71. COMP characteristics(1) (continued)
Symbol Parameter Conditions Min Typ Max Unit
Table 72. OPAMP characteristics(1)
Symbol Parameter Conditions Min Typ Max Unit
VDDA
Analog supply
voltage(2) -1.8-3.6V
CMIR Common mode
input range -0-V
DDA V
VIOFFSET
Input offset
voltage
25 °C, No Load on output. - - ±1.5
mV
All voltage/Temp. - - ±3
VIOFFSET
Input offset
voltage drift
Normal mode - ±5 - V/°C
Low-power mode - ±10 -
TRIMOFFSETP
TRIMLPOFFSETP
Offset trim step
at low common
input voltage
(0.1 VDDA)
--0.81.1
mV
TRIMOFFSETN
TRIMLPOFFSETN
Offset trim step
at high common
input voltage
(0.9 VDDA)
--11.35

Electrical characteristics STM32L432KB STM32L432KC
134/156 DS11451 Rev 4
ILOAD Drive current
Normal mode
VDDA 2 V
- - 500
µA
Low-power mode - - 100
ILOAD_PGA
Drive current in
PGA mode
Normal mode
VDDA 2 V
- - 450
Low-power mode - - 50
RLOAD
Resistive load
(connected to
VSSA or to
VDDA)
Normal mode
VDDA < 2 V
4--
k
Low-power mode 20 - -
RLOAD_PGA
Resistive load
in PGA mode
(connected to
VSSA or to
VDDA)
Normal mode
VDDA < 2 V
4.5 - -
Low-power mode 40 - -
CLOAD Capacitive load - - - 50 pF
CMRR Common mode
rejection ratio
Normal mode - -85 -
dB
Low-power mode - -90 -
PSRR Power supply
rejection ratio
Normal mode CLOAD 50 pf,
RLOAD 4 k DC 70 85 -
dB
Low-power mode CLOAD 50 pf,
RLOAD 20 k DC 72 90 -
GBW Gain Bandwidth
Product
Normal mode VDDA 2.4 V
(OPA_RANGE = 1)
550 1600 2200
kHz
Low-power mode 100 420 600
Normal mode VDDA < 2.4 V
(OPA_RANGE = 0)
250 700 950
Low-power mode 40 180 280
SR(3)
Slew rate
(from 10 and
90% of output
voltage)
Normal mode
VDDA 2.4 V
-700-
V/ms
Low-power mode - 180 -
Normal mode
VDDA < 2.4 V
-300-
Low-power mode - 80 -
AO Open loop gain
Normal mode 55 110 -
dB
Low-power mode 45 110 -
VOHSAT(3) High saturation
voltage
Normal mode
Iload = max or Rload =
min Input at VDDA.
VDDA -
100 --
mV
Low-power mode VDDA -
50 --
VOLSAT(3) Low saturation
voltage
Normal mode Iload = max or Rload =
min Input at 0.
- - 100
Low-power mode - - 50
mPhase margin
Normal mode - 74 -
°
Low-power mode - 66 -
Table 72. OPAMP characteristics(1) (continued)
Symbol Parameter Conditions Min Typ Max Unit

DS11451 Rev 4 135/156
STM32L432KB STM32L432KC Electrical characteristics
148
GM Gain margin
Normal mode - 13 -
dB
Low-power mode - 20 -
tWAKEUP
Wake up time
from OFF state.
Normal mode
CLOAD 50 pf,
RLOAD 4 k
follower
configuration
-510
µs
Low-power mode
CLOAD 50 pf,
RLOAD 20 k
follower
configuration
-1030
Ibias
OPAMP input
bias current General purpose input - - -(4) nA
PGA gain(3) Non inverting
gain value -
-2-
-
-4-
-8-
-16-
Rnetwork
R2/R1 internal
resistance
values in PGA
mode(5)
PGA Gain = 2 - 80/80 -
k/k
PGA Gain = 4 - 120/
40 -
PGA Gain = 8 - 140/
20 -
PGA Gain = 16 - 150/
10 -
Delta R
Resistance
variation (R1 or
R2)
--15-15%
PGA gain error PGA gain error - -1 - 1 %
PGA BW
PGA bandwidth
for different non
inverting gain
Gain = 2 - - GBW/
2-
MHz
Gain = 4 - - GBW/
4-
Gain = 8 - - GBW/
8-
Gain = 16 - - GBW/
16 -
Table 72. OPAMP characteristics(1) (continued)
Symbol Parameter Conditions Min Typ Max Unit

Electrical characteristics STM32L432KB STM32L432KC
136/156 DS11451 Rev 4
6.3.22 Temperature sensor characteristics
6.3.23 Timer characteristics
The parameters given in the following tables are guaranteed by design.
en Voltage noise
density
Normal mode at 1 kHz, Output
loaded with 4 k-500-
nV/Hz
Low-power mode at 1 kHz, Output
loaded with 20 k-600-
Normal mode at 10 kHz, Output
loaded with 4 k-180-
Low-power mode at 10 kHz, Output
loaded with 20 k-290-
IDDA(OPAMP)(3)
OPAMP
consumption
from VDDA
Normal mode no Load, quiescent
mode
- 120 260
µA
Low-power mode - 45 100
1. Guaranteed by design, unless otherwise specified.
2. The temperature range is limited to 0 °C-125 °C when VDDA is below 2 V
3. Guaranteed by characterization results.
4. Mostly I/O leakage, when used in analog mode. Refer to Ilkg parameter in Table 57: I/O static characteristics.
5. R2 is the internal resistance between OPAMP output and OPAMP inverting input. R1 is the internal resistance between
OPAMP inverting input and ground. The PGA gain =1+R2/R1
Table 72. OPAMP characteristics(1) (continued)
Symbol Parameter Conditions Min Typ Max Unit
Table 73. TS characteristics
Symbol Parameter Min Typ Max Unit
TL(1) VTS linearity with temperature - ±1 ±2 °C
Avg_Slope(2) Average slope 2.3 2.5 2.7 mV/°C
V30 Voltage at 30°C (±5 °C)(3) 0.742 0.76 0.785 V
tSTART
(TS_BUF)(1) Sensor Buffer Start-up time in continuous mode(4) -815µs
tSTART(1) Start-up time when entering in continuous mode(4) -70120µs
tS_temp(1) ADC sampling time when reading the temperature 5 - - µs
IDD(TS)(1) Temperature sensor consumption from VDD, when
selected by ADC -4.77 µA
1. Guaranteed by design.
2. Guaranteed by characterization results.
3. Measured at VDDA = 3.0 V ±10 mV. The V30 ADC conversion result is stored in the TS_CAL1 byte. Refer to Table 7:
Temperature sensor calibration values.
4. Continuous mode means Run/Sleep modes, or temperature sensor enable in Low-power run/Low-power sleep modes.

DS11451 Rev 4 137/156
STM32L432KB STM32L432KC Electrical characteristics
148
Refer to Section 6.3.14: I/O port characteristics for details on the input/output alternate
function characteristics (output compare, input capture, external clock, PWM output).
Table 74. TIMx(1) characteristics
1. TIMx, is used as a general term in which x stands for 1,2,3,4,5,6,7,8,15,16 or 17.
Symbol Parameter Conditions Min Max Unit
tres(TIM) Timer resolution time
-1-t
TIMxCLK
fTIMxCLK = 80 MHz 12.5 - ns
fEXT
Timer external clock
frequency on CH1 to CH4
-0f
TIMxCLK/2 MHz
fTIMxCLK = 80 MHz 0 40 MHz
ResTIM Timer resolution
TIMx (except
TIM2) -16
bit
TIM2 - 32
tCOUNTER
16-bit counter clock
period
- 1 65536 tTIMxCLK
fTIMxCLK = 80 MHz 0.0125 819.2 µs
tMAX_COUNT
Maximum possible count
with 32-bit counter
- - 65536 × 65536 tTIMxCLK
fTIMxCLK = 80 MHz - 53.68 s
Table 75. IWDG min/max timeout period at 32 kHz (LSI)(1)
1. The exact timings still depend on the phasing of the APB interface clock versus the LSI clock so that there
is always a full RC period of uncertainty.
Prescaler divider PR[2:0] bits Min timeout RL[11:0]=
0x000
Max timeout RL[11:0]=
0xFFF Unit
/4 0 0.125 512
ms
/8 1 0.250 1024
/16 2 0.500 2048
/32 3 1.0 4096
/64 4 2.0 8192
/128 5 4.0 16384
/256 6 or 7 8.0 32768
Table 76. WWDG min/max timeout value at 80 MHz (PCLK)
Prescaler WDGTB Min timeout value Max timeout value Unit
1 0 0.0512 3.2768
ms
2 1 0.1024 6.5536
4 2 0.2048 13.1072
8 3 0.4096 26.2144

Electrical characteristics STM32L432KB STM32L432KC
138/156 DS11451 Rev 4
6.3.24 Communication interfaces characteristics
I2C interface characteristics
The I2C interface meets the timings requirements of the I2C-bus specification and user
manual rev. 03 for:
•Standard-mode (Sm): with a bit rate up to 100 kbit/s
•Fast-mode (Fm): with a bit rate up to 400 kbit/s
•Fast-mode Plus (Fm+): with a bit rate up to 1 Mbit/s.
The I2C timings requirements are guaranteed by design when the I2C peripheral is properly
configured (refer to RM0394 reference manual).
The SDA and SCL I/O requirements are met with the following restrictions: the SDA and
SCL I/O pins are not “true” open-drain. When configured as open-drain, the PMOS
connected between the I/O pin and VDDIOx is disabled, but is still present. Only FT_f I/O pins
support Fm+ low level output current maximum requirement. Refer to Section 6.3.14: I/O
port characteristics for the I2C I/Os characteristics.
All I2C SDA and SCL I/Os embed an analog filter. Refer to the table below for the analog
filter characteristics:
Table 77. I2C analog filter characteristics(1)
1. Guaranteed by design.
Symbol ParameterMinMaxUnit
tAF
Maximum pulse width of spikes
that are suppressed by the analog
filter
50(2)
2. Spikes with widths below tAF(min) are filtered.
260(3)
3. Spikes with widths above tAF(max) are not filtered
ns

DS11451 Rev 4 139/156
STM32L432KB STM32L432KC Electrical characteristics
148
SPI characteristics
Unless otherwise specified, the parameters given in Tabl e 78 for SPI are derived from tests
performed under the ambient temperature, fPCLKx frequency and supply voltage conditions
summarized in Table 21: General operating conditions.
•Output speed is set to OSPEEDRy[1:0] = 11
•Capacitive load C = 30 pF
•Measurement points are done at CMOS levels: 0.5 VDD
Refer to Section 6.3.14: I/O port characteristics for more details on the input/output alternate
function characteristics (NSS, SCK, MOSI, MISO for SPI).
Table 78. SPI characteristics(1)
Symbol Parameter Conditions Min Typ Max Unit
fSCK
1/tc(SCK)
SPI clock frequency
Master mode receiver/full duplex
2.7 < VDD < 3.6 V
Voltage Range 1
--
40
MHz
Master mode receiver/full duplex
1.71 < VDD < 3.6 V
Voltage Range 1
16
Master mode transmitter
1.71 < VDD < 3.6 V
Voltage Range 1
40
Slave mode receiver
1.71 < VDD < 3.6 V
Voltage Range 1
40
Slave mode transmitter/full duplex
2.7 < VDD < 3.6 V
Voltage Range 1
37(2)
Slave mode transmitter/full duplex
1.71 < VDD < 3.6 V
Voltage Range 1
20(2)
Voltage Range 2 13
tsu(NSS) NSS setup time Slave mode, SPI prescaler = 2 4TPCLK --ns
th(NSS) NSS hold time Slave mode, SPI prescaler = 2 2TPCLK --ns
tw(SCKH)
tw(SCKL)
SCK high and low time Master mode TPCLK-2 TPCLK TPCLK+2 ns
tsu(MI) Data input setup time
Master mode 4 - -
ns
tsu(SI) Slave mode 1.5 - -
th(MI) Data input hold time
Master mode 6.5 - -
ns
th(SI) Slave mode 1.5 - -
ta(SO) Data output access time Slave mode 9 - 36 ns
tdis(SO) Data output disable time Slave mode 9 - 16 ns

Electrical characteristics STM32L432KB STM32L432KC
140/156 DS11451 Rev 4
Figure 24. SPI timing diagram - slave mode and CPHA = 0
tv(SO) Data output valid time
Slave mode 2.7 < VDD < 3.6 V
Voltage Range 1 - 12.5 13.5
ns
Slave mode 1.71 < VDD < 3.6 V
Voltage Range 1 -12.524
Slave mode 1.71 < VDD < 3.6 V
Voltage Range 2 -12.533
tv(MO) Master mode - 4.5 6
th(SO) Data output hold time
Slave mode 7 - -
ns
th(MO) Master mode 0 - -
1. Guaranteed by characterization results.
2. Maximum frequency in Slave transmitter mode is determined by the sum of tv(SO) and tsu(MI) which has to fit into SCK low or
high phase preceding the SCK sampling edge. This value can be achieved when the SPI communicates with a master
having tsu(MI) = 0 while Duty(SCK) = 50 %.
Table 78. SPI characteristics(1) (continued)
Symbol Parameter Conditions Min Typ Max Unit
MSv41658V1
NSS input
CPHA=0
CPOL=0
SCK input
CPHA=0
CPOL=1
MISO output
MOSI input
tsu(SI)
th(SI)
tw(SCKL)
tw(SCKH)
tc(SCK)
tr(SCK)
th(NSS)
tdis(SO)
tsu(NSS)
ta(SO) tv(SO)
Next bits IN
Last bit OUT
First bit IN
First bit OUT Next bits OUT
th(SO) tf(SCK)
Last bit IN

DS11451 Rev 4 141/156
STM32L432KB STM32L432KC Electrical characteristics
148
Figure 25. SPI timing diagram - slave mode and CPHA = 1
1. Measurement points are done at CMOS levels: 0.3 VDD and 0.7 VDD.
Figure 26. SPI timing diagram - master mode
1. Measurement points are done at CMOS levels: 0.3 VDD and 0.7 VDD.
MSv41659V1
NSS input
CPHA=1
CPOL=0
SCK input
CPHA=1
CPOL=1
MISO output
MOSI input
tsu(SI) th(SI)
tw(SCKL)
tw(SCKH)
tsu(NSS)
tc(SCK)
ta(SO) tv(SO)
First bit OUT Next bits OUT
Next bits IN
Last bit OUT
th(SO) tr(SCK)
tf(SCK) th(NSS)
tdis(SO)
First bit IN Last bit IN
ai14136c
SCK Output
CPHA= 0
MOSI
OUTPUT
MISO
INP UT
CPHA= 0
LSB OUT
LSB IN
CPOL=0
CPOL=1
B I T1 OUT
NSS input
tc(SCK)
tw(SCKH)
tw(SCKL)
tr(SCK)
tf(SCK)
th(MI)
High
SCK Output
CPHA=1
CPHA=1
CPOL=0
CPOL=1
tsu(MI)
tv(MO) th(MO)
MSB IN BIT6 IN
MSB OUT

Electrical characteristics STM32L432KB STM32L432KC
142/156 DS11451 Rev 4
Quad SPI characteristics
Unless otherwise specified, the parameters given in Table 79 and Table 80 for Quad SPI
are derived from tests performed under the ambient temperature, fAHB frequency and VDD
supply voltage conditions summarized in Table 21: General operating conditions, with the
following configuration:
•Output speed is set to OSPEEDRy[1:0] = 11
•Capacitive load C = 15 or 20 pF
•Measurement points are done at CMOS levels: 0.5 VDD
Refer to Section 6.3.14: I/O port characteristics for more details on the input/output alternate
function characteristics.
Table 79. Quad SPI characteristics in SDR mode(1)
Symbol Parameter Conditions Min Typ Max Unit
FCK
1/t(CK)
Quad SPI clock frequency
1.71 < VDD< 3.6 V, CLOAD = 20 pF
Voltage Range 1 --40
MHz
1.71 < VDD< 3.6 V, CLOAD = 15 pF
Voltage Range 1 --48
2.7 < VDD< 3.6 V, CLOAD = 15 pF
Voltage Range 1 --60
1.71 < VDD < 3.6 V CLOAD = 20 pF
Voltage Range 2 --26
tw(CKH) Quad SPI clock high and
low time fAHBCLK= 48 MHz, presc=0
t(CK)/2-2 - t(CK)/2
ns
tw(CKL) t(CK)/2 - t(CK)/2+2
ts(IN) Data input setup time
Voltage Range 1 2 - -
Voltage Range 2 3.5 - -
th(IN) Data input hold time
Voltage Range 1 5 - -
Voltage Range 2 6.5 - -
tv(OUT) Data output valid time
Voltage Range 1 - 1 5
Voltage Range 2 - 3 5
th(OUT) Data output hold time
Voltage Range 1 0 - -
Voltage Range 2 0 - -
1. Guaranteed by characterization results.

DS11451 Rev 4 143/156
STM32L432KB STM32L432KC Electrical characteristics
148
Table 80. QUADSPI characteristics in DDR mode(1)
Symbol Parameter Conditions Min Typ Max Unit
FCK
1/t(CK)
Quad SPI clock
frequency
1.71 < VDD < 3.6 V, CLOAD = 20 pF
Voltage Range 1 --40
MHz
2 < VDD < 3.6 V, CLOAD = 20 pF
Voltage Range 1 --48
1.71 < VDD < 3.6 V, CLOAD = 15 pF
Voltage Range 1 --48
1.71 < VDD < 3.6 V CLOAD = 20 pF
Voltage Range 2 --26
tw(CKH) Quad SPI clock high
and low time fAHBCLK = 48 MHz, presc=0
t(CK)/2-2 - t(CK)/2
ns
tw(CKL) t(CK)/2 - t(CK)/2+2
tsr(IN)
Data input setup time
on rising edge
Voltage Range 1 1
--
Voltage Range 2 3.5
tsf(IN)
Data input setup time
on falling edge
Voltage Range 1 1
--
Voltage Range 2 1.5
thr(IN)
Data input hold time
on rising edge
Voltage Range 1 6
--
Voltage Range 2 6.5
thf(IN)
Data input hold time
on falling edge
Voltage Range 1 5.5
--
Voltage Range 2 5.5
tvr(OUT)
Data output valid time
on rising edge
Voltage Range 1
-
55.5
Voltage Range 2 9.5 14
tvf(OUT)
Data output valid time
on falling edge
Voltage Range 1
-
58.5
Voltage Range 2 15 19
thr(OUT)
Data output hold time
on rising edge
Voltage Range 1 3.5 -
-
Voltage Range 2 8 -
thf(OUT)
Data output hold time
on falling edge
Voltage Range 1 3.5 -
-
Voltage Range 2 13 -
1. Guaranteed by characterization results.

Electrical characteristics STM32L432KB STM32L432KC
144/156 DS11451 Rev 4
Figure 27. Quad SPI timing diagram - SDR mode
Figure 28. Quad SPI timing diagram - DDR mode
MSv36878V1
Data output D0 D1 D2
Clock
Data input D0 D1 D2
t(CK) tw(CKH) tw(CKL)
tr(CK) tf(CK)
ts(IN) th(IN)
tv(OUT) th(OUT)
MSv36879V1
Data output D0 D2 D4
Clock
Data input D0 D2 D4
t(CK) tw(CKH) tw(CKL)
tr(CK) tf(CK)
tsf(IN) thf(IN)
tvf(OUT) thr(OUT)
D1 D3 D5
D1 D3 D5
tvr(OUT) thf(OUT)
tsr(IN) thr(IN)

DS11451 Rev 4 145/156
STM32L432KB STM32L432KC Electrical characteristics
148
SAI characteristics
Unless otherwise specified, the parameters given in Table 81 for SAI are derived
from tests performed under the ambient temperature, fPCLKx frequency and VDD
supply voltage conditions summarized inTable 21: General operating conditions, with
the following configuration:
•Output speed is set to OSPEEDRy[1:0] = 10
•Capacitive load C = 30 pF
•Measurement points are done at CMOS levels: 0.5 VDD
Refer to Section 6.3.14: I/O port characteristics for more details on the input/output
alternate function characteristics (CK,SD,FS).
Table 81. SAI characteristics(1)
Symbol Parameter Conditions Min Max Unit
fMCLK SAI Main clock output - - 50 MHz
fCK SAI clock frequency(2)
Master transmitter
2.7 VDD 3.6
Voltage Range 1
-18.5
MHz
Master transmitter
1.71 VDD 3.6
Voltage Range 1
-12.5
Master receiver
Voltage Range 1 -25
Slave transmitter
2.7 VDD 3.6
Voltage Range 1
-22.5
Slave transmitter
1.71 VDD 3.6
Voltage Range 1
-14.5
Slave receiver
Voltage Range 1 -25
Voltage Range 2 - 12.5
tv(FS) FS valid time
Master mode
2.7 VDD 3.6 -22
ns
Master mode
1.71 VDD 3.6 -40
th(FS) FS hold time Master mode 10 - ns
tsu(FS) FS setup time Slave mode 1 - ns
th(FS) FS hold time Slave mode 2 - ns
tsu(SD_A_MR) Data input setup time
Master receiver 2 -
ns
tsu(SD_B_SR) Slave receiver 1.5 -
th(SD_A_MR) Data input hold time
Master receiver 5 -
ns
th(SD_B_SR) Slave receiver 2.5 -

Electrical characteristics STM32L432KB STM32L432KC
146/156 DS11451 Rev 4
Figure 29. SAI master timing waveforms
tv(SD_B_ST) Data output valid time
Slave transmitter (after enable edge)
2.7 VDD 3.6 -22
ns
Slave transmitter (after enable edge)
1.71 VDD 3.6 -34
th(SD_B_ST) Data output hold time Slave transmitter (after enable edge) 10 - ns
tv(SD_A_MT) Data output valid time
Master transmitter (after enable edge)
2.7 VDD 3.6 -27
ns
Master transmitter (after enable edge)
1.71 VDD 3.6 -40
th(SD_A_MT) Data output hold time Master transmitter (after enable edge) 10 - ns
1. Guaranteed by characterization results.
2. APB clock frequency must be at least twice SAI clock frequency.
Table 81. SAI characteristics(1) (continued)
Symbol Parameter Conditions Min Max Unit
MS32771V1
SAI_SCK_X
SAI_FS_X
(output)
1/fSCK
SAI_SD_X
(transmit)
tv(FS)
Slot n
SAI_SD_X
(receive)
th(FS)
Slot n+2
tv(SD_MT) th(SD_MT)
Slot n
tsu(SD_MR) th(SD_MR)

DS11451 Rev 4 147/156
STM32L432KB STM32L432KC Electrical characteristics
148
Figure 30. SAI slave timing waveforms
USB characteristics
The STM32L432xx USB interface is fully compliant with the USB specification version 2.0
and is USB-IF certified (for Full-speed device operation).
CAN (controller area network) interface
Refer to Section 6.3.14: I/O port characteristics for more details on the input/output alternate
function characteristics (CAN_TX and CAN_RX).
MS32772V1
SAI_SCK_X
SAI_FS_X
(input)
SAI_SD_X
(transmit)
tsu(FS)
Slot n
SAI_SD_X
(receive)
tw(CKH_X) th(FS)
Slot n+2
tv(SD_ST) th(SD_ST)
Slot n
tsu(SD_SR)
tw(CKL_X)
th(SD_SR)
1/fSCK
Table 82. USB electrical characteristics(1)
Symbol Parameter Conditions Min Typ Max Unit
VDDUSB USB transceiver operating voltage 3.0(2) -3.6V
Tcrystal_less USB crystal less operation temperature -15 - 85 °C
RPUI Embedded USB_DP pull-up value during idle 900 1250 1600
RPUR
Embedded USB_DP pull-up value during
reception 1400 2300 3200
ZDRV(3) Output driver impedance(4) Driving high
and low 28 36 44
1. TA = -40 to 125 °C unless otherwise specified.
2. The STM32L432xx USB functionality is ensured down to 2.7 V but not the full USB electrical characteristics
which are degraded in the 2.7-to-3.0 V voltage range.
3. Guaranteed by design.
4. No external termination series resistors are required on USB_DP (D+) and USB_DM (D-); the matching
impedance is already included in the embedded driver.

Electrical characteristics STM32L432KB STM32L432KC
148/156 DS11451 Rev 4
SWPMI characteristics
The Single Wire Protocol Master Interface (SWPMI) and the associated SWPMI_IO
transceiver are compliant with the ETSI TS 102 613 technical specification.
Table 83. SWPMI electrical characteristics
Symbol Parameter Conditions Min Typ Max Unit
tSWPSTART SWPMI regulator startup time SWP Class B
2.7 V VDD 3,3V - - 300 s
tSWPBIT SWP bit duration
VCORE voltage range 1 500 - -
ns
VCORE voltage range 2 620 - -

DS11451 Rev 4 149/156
STM32L432KB STM32L432KC Package information
152
7 Package information
In order to meet environmental requirements, ST offers these devices in different grades of
ECOPACK® packages, depending on their level of environmental compliance. ECOPACK®
specifications, grade definitions and product status are available at: www.st.com.
ECOPACK® is an ST trademark.
7.1 UFQFPN32 package information
Figure 31. UFQFPN32 - 32-pin, 5x5 mm, 0.5 mm pitch ultra thin fine pitch quad flat
package outline
1. Drawing is not to scale.
2. There is an exposed die pad on the underside of the UFQFPN package. It is recommended to connect and
solder this backside pad to PCB ground.
A0B8_ME_V3
1
32
PIN 1 Identifier
SEATINGPLANE
C
C
ddd
A
A1
A3
e
b
D1
b
E2
L
e
E1 E
D2 L
D

Package information STM32L432KB STM32L432KC
150/156 DS11451 Rev 4
Figure 32. UFQFPN32 - 32-pin, 5x5 mm, 0.5 mm pitch ultra thin fine pitch quad flat
package recommended footprint
1. Dimensions are expressed in millimeters.
Device marking
The following figure gives an example of topside marking orientation versus pin 1 identifier
location.
Table 84. UFQFPN32 - 32-pin, 5x5 mm, 0.5 mm pitch ultra thin fine pitch quad flat
package mechanical data
Symbol
millimeters inches(1)
1. Values in inches are converted from mm and rounded to 4 decimal digits.
Min Typ Max Min Typ Max
A 0.500 0.550 0.600 0.0197 0.0217 0.0236
A1 - - 0.050 - - 0.0020
A3 - 0.152 - - 0.0060 -
b 0.180 0.230 0.280 0.0071 0.0091 0.0110
D 4.900 5.000 5.100 0.1929 0.1969 0.2008
D1 3.400 3.500 3.600 0.1339 0.1378 0.1417
D2 3.400 3.500 3.600 0.1339 0.1378 0.1417
E 4.900 5.000 5.100 0.1929 0.1969 0.2008
E1 3.400 3.500 3.600 0.1339 0.1378 0.1417
E2 3.400 3.500 3.600 0.1339 0.1378 0.1417
e - 0.500 - - 0.0197 -
L 0.300 0.400 0.500 0.0118 0.0157 0.0197
ddd - - 0.080 - - 0.0031
A0B8_FP_V2
5.30
3.80
0.60
3.45
0.50
3.45
3.80
0.75
3.80
0.30
5.30
16
17
9
8
1
25
32
24

DS11451 Rev 4 151/156
STM32L432KB STM32L432KC Package information
152
Other optional marking or inset/upset marks, which identify the parts throughout supply
chain operations, are not indicated below.
Figure 33. UFQFPN32 marking (package top view)
1. Parts marked as ES or E or accompanied by an Engineering Sample notification letter are not yet qualified
and therefore not approved for use in production. ST is not responsible for any consequences resulting
from such use. In no event will ST be liable for the customer using any of these engineering samples in
production. ST’s Quality department must be contacted prior to any decision to use these engineering
samples to run a qualification activity.
MSv40151V1
Date code
Pin 1 identifier
Product identification(1)
Revision code
A
WWY
L432KC6

Package information STM32L432KB STM32L432KC
152/156 DS11451 Rev 4
7.2 Thermal characteristics
The maximum chip junction temperature (TJmax) must never exceed the values given in
Table 21: General operating conditions.
The maximum chip-junction temperature, TJ max, in degrees Celsius, may be calculated
using the following equation:
TJ max = TA max + (PD max x JA)
Where:
•TA max is the maximum ambient temperature in °C,
•JA is the package junction-to-ambient thermal resistance, in °C/W,
•PD max is the sum of PINT max and PI/O max (PD max = PINT max + PI/Omax),
•PINT max is the product of all IDDXXX and VDDXXX, expressed in Watts. This is the
maximum chip internal power.
PI/O max represents the maximum power dissipation on output pins where:
PI/O max = (VOL × IOL) + ((VDDIOx – VOH) × IOH),
taking into account the actual VOL / IOL and VOH / IOH of the I/Os at low and high level in the
application.
7.2.1 Reference document
JESD51-2 Integrated Circuits Thermal Test Method Environment Conditions - Natural
Convection (Still Air). Available from www.jedec.org
Table 85. Package thermal characteristics
Symbol Parameter Value Unit
JA
Thermal resistance junction-ambient
UFQFPN32 - 5 × 5 mm / 0.5 mm pitch 39 °C/W

DS11451 Rev 4 153/156
STM32L432KB STM32L432KC Ordering information
155
8 Ordering information
For a list of available options (speed, package, etc.) or for further information on any aspect
of this device, please contact your nearest ST sales office.
Table 86. STM32L432xx ordering information scheme
Example: STM32 L 432 K C T 6 TR
Device family
STM32 = Arm® based 32-bit microcontroller
Product type
L = ultra-low-power
Device subfamily
432: STM32L432xx
Pin count
K = 32 pins
Flash memory size
B = 128 kB of Flash memory
C = 256 KB of Flash memory
Package
U = QFN ECOPACK®2
Temperature range
6 = Industrial temperature range, -40 to 85 °C (105 °C junction)
7 = Industrial temperature range, -40 to 105 °C (125 °C junction)
3 = Industrial temperature range, -40 to 125 °C (130 °C junction)
Packing
TR = tape and reel
xxx = programmed parts

Revision history STM32L432KB STM32L432KC
154/156 DS11451 Rev 4
9 Revision history
Table 87. Document revision history
Date Revision Changes
08-Feb-2016 1 Initial release.
31-May-2016 2
Updated document title.
Updated Table 1: STM32L432Kx family device features
and peripheral counts.
Updated Section 3.24: Universal
synchronous/asynchronous receiver transmitter
(USART).
Updated Table 14: STM32L432xx pin definitions.
Updated Table 16: Alternate function AF8 to AF15.
Updated Table 18: Voltage characteristics.
Updated Table 21: General operating conditions.
Added Figure 11: VREFINT versus temperature.
Updated Table 23: Embedded reset and power control
block characteristics.
Updated Table 25 to Table 27 and Table 31 to Table 39.
Updated Table 39: Low-power mode wakeup timings.
Added Table 41: Wakeup time using USART/LPUART.
Updated Table 46: MSI oscillator characteristics.
Added Table 47: HSI48 oscillator characteristics.
Added Figure 17: HSI48 frequency versus temperature.
Updated Table 49: PLL, PLLSAI1 characteristics.
Updated Table 52: EMS characteristics.
Updated Table 53: EMI characteristics.
Updated introduction of Section 6.3.14: I/O port
characteristics.
Added note to Figure 20: Recommended NRST pin
protection.
Updated Table 62: Analog switches booster
characteristics.
Updated Table 63: ADC characteristics.
Updated Table 71: COMP characteristics.
Updated Table 82: USB electrical characteristics.
Added Section : SWPMI characteristics.
Updated Table 85: Package thermal characteristics.
12-Jun-2017 3
Added 1x LPUART on cover page.
Replaced all references to RM0393 by RM0394
(Reference Manual).
Added Table 3: STM32L432xx modes overview.
Updated baudrate in Section 3.24: Universal
synchronous/asynchronous receiver transmitter
(USART).

DS11451 Rev 4 155/156
STM32L432KB STM32L432KC Revision history
155
12-Jun-2017 3
(continued)
Updated Section 6.1.7: Current consumption
measurement.
Added footnote to Table 56: I/O current injection
susceptibility.
Updated Table 57: I/O static characteristics.
Updated Section 6.3.18: Analog-to-Digital converter
characteristics.
Added FADC min in Table 63: ADC characteristics.
Updated Table 69: DAC characteristics.
Added Ibias parameter in Table 71: COMP
characteristics.
Updated Section 7.2: Thermal characteristics.
21-May-2018 4
Updated DAC terminology in all the document for
clarification: single DAC instance (= DAC1) with 2 output
channels.
Added ECOPACK2® information in Features.
Updated Section 3.9.1: Power supply schemes.
Added Figure 3: Power-up/down sequence.
Updated Clock-out capability in Section 3.11: Clocks
and startup.
Updated Figure 4: Clock tree.
Updated Section 3.14.1: Nested vectored interrupt
controller (NVIC).
Updated Section 6.3.2: Operating conditions at power-
up / power-down.
Updated ACoeff in Table 24: Embedded internal voltage
reference.
Added Section 6.3.16: Extended interrupt and event
controller input (EXTI) characteristics.
Updated Table 57: I/O static characteristics.
Table 87. Document revision history (continued)
Date Revision Changes

STM32L432KB STM32L432KC
156/156 DS11451 Rev 4
IMPORTANT NOTICE – PLEASE READ CAREFULLY
STMicroelectronics NV and its subsidiaries (“ST”) reserve the right to make changes, corrections, enhancements, modifications, and
improvements to ST products and/or to this document at any time without notice. Purchasers should obtain the latest relevant information on
ST products before placing orders. ST products are sold pursuant to ST’s terms and conditions of sale in place at the time of order
acknowledgement.
Purchasers are solely responsible for the choice, selection, and use of ST products and ST assumes no liability for application assistance or
the design of Purchasers’ products.
No license, express or implied, to any intellectual property right is granted by ST herein.
Resale of ST products with provisions different from the information set forth herein shall void any warranty granted by ST for such product.
ST and the ST logo are trademarks of ST. All other product or service names are the property of their respective owners.
Information in this document supersedes and replaces information previously supplied in any prior versions of this document.
© 2018 STMicroelectronics – All rights reserved

