Guangzhou Shirui Electronics RK3399 Android Module User Manual AP6255 datasheet V1 1 04262015

Guangzhou Shirui Electronics Co., Ltd Android Module AP6255 datasheet V1 1 04262015

Users Manual

 AMPAK Technology Inc.      www.ampak.com.tw        Proprietary & Confidential Information   Doc. NO:        正基正基正基正基科技股份有限公司科技股份有限公司科技股份有限公司科技股份有限公司      SPECIFICATION  SPEC. NO.::::  REV:      1.1  DATE::::   04. 26. 2015  PRODUCT    NAME::::  AP6255              APPROVED  CHECKED  PREPARED  DCC ISSUE NAME
 AMPAK Technology Inc.      www.ampak.com.tw          Proprietary & Confidential Information   Doc. NO:                                                             1    AMPAK   AP6255  WiFi 11ac + Bluetooth 4.1 Module Spec Sheet
AP6255  Datasheet AMPAK Technology Inc.      www.ampak.com.tw        Proprietary & Confidential Information       Doc. NO:   2  Revision History                             Date  Revision Content  Revised By Version 2015/04/09   - Preliminary  Gary  1.0 2015/04/26   - Add GPIO pin definiion  Gary  1.1
AP6255  Datasheet AMPAK Technology Inc.      www.ampak.com.tw        Proprietary & Confidential Information       Doc. NO:   3 Contents Contents ................................................................................................................... 3 1. Introduction ......................................................................................................... 4 2. Features............................................................................................................... 5 3. Deliverables ........................................................................................................ 6 3.1 Deliverables .................................................................................................... 6 3.2 Regulatory certifications ................................................................................. 6 4. General Specification ......................................................................................... 7 4.1 General Specification ...................................................................................... 7 4.2 Voltages .......................................................................................................... 7 4.2.1 Absolute Maximum Ratings .................................................................... 7 4.2.2 Recommended Operating Rating ........................................................... 7 The module requires two power supplies: VBAT and VDDIO. ......................... 7 5. Wi-Fi RF Specification ........................................................................................ 8 5.1 2.4GHz RF Specification................................................................................. 8 5.1 5GHz RF Specification.................................................................................. 10 6. Bluetooth Specification .................................................................................... 13 6.1 Bluetooth Specification ................................................................................. 13 7. Pin Assignments ............................................................................................... 14 7.1 Pin Outline .................................................................................................... 14 7.2 Pin Definition ................................................................................................ 14 8. Dimensions ....................................................................................................... 16 8.1 Physical Dimensions .................................................................................... 16 8.2 Layout Recommendation .............................................................................. 17 9. External clock reference .................................................................................. 18 10.1 SDIO Pin Description .................................................................................. 19 10. Host Interface Timing Diagram ........................................................................ 20 10.1 Power-up Sequence Timing Diagram ......................................................... 20 10.2 SDIO Default Mode Timing Diagram........................................................... 22 10.3 SDIO High Speed Mode Timing Diagram ................................................... 23 10.4 SDIO Bus Timing Specifications in SDR Modes ......................................... 24 10.5 SDIO Bus Timing Specifications in DDR50 Mode ....................................... 26 11. Recommended Reflow Profile ......................................................................... 28 Solder Paste definition .......................................................................................... 29 12. Package Information ........................................................................................ 30 12.1 Label ........................................................................................................... 30 Label C Inner box label . .................................................................................... 30 Label D Carton box label . ................................................................................. 30
AP6255  Datasheet AMPAK Technology Inc.      www.ampak.com.tw        Proprietary & Confidential Information       Doc. NO:   4 12.2 Dimension ................................................................................................... 31 12.3 MSL Level / Storage Condition ................................................................... 33       1. Introduction AMPAK Technology would like to announce a low-cost and low-power consumption module which has all of the Wi-Fi, Bluetooth functionalities. The highly integrated module makes the possibilities of web browsing, VoIP, Bluetooth headsets applications. With seamless roaming capabilities  and  advanced  security,  also  could  interact  with  different  vendors’ 802.11a/b/g/n/ac Access Points in the wireless LAN.  The wireless module complies with IEEE 802.11 a/b/g/n/ac standard and it can achieve up to a speed of 433.3Mbps with single stream in 802.11ac draft to connect to the wireless LAN. The  integrated  module  provides  SDIO  interface  for  Wi-Fi,  UART  /  PCM  interface  for Bluetooth.  This compact module is a total solution for a combination of Wi-Fi + BT technologies. The module is specifically developed for Smart phones and Portable devices.
AP6255  Datasheet AMPAK Technology Inc.      www.ampak.com.tw        Proprietary & Confidential Information       Doc. NO:   5 2. Features   IEEE 802.11a/b/g/n/ac dual-band radio with virtual-simultaneous dual-band operation   Single-stream spatial multiplexing up to 433.3 Mbps data rate.   Supports 20, 40, 80 MHz channels with optional SGI(256 QAM modulation)       Bluetooth V4.0+EDR with integrated Class 1 PA and Low Energy (BLE) support   Concurrent Bluetooth, and WLAN operation   Simultaneous BT/WLAN receive with single antenna   Supports standard SDIO v3.0 and backward compatible with SDIO v2.0 host interfaces. -  SDIO v3.0(4-bit) — up to 208 MHz clock rate in SDR104 mode   BT host digital interface: -  UART (up to 4 Mbps)   IEEE Co-existence technologies are integrated die solution   ECI  —  enhanced  coexistence  support,  ability  to  coordinate  BT  SCO  transmissions around WLAN receives   A simplified block diagram of the module is depicted in the figure below.
AP6255  Datasheet AMPAK Technology Inc.      www.ampak.com.tw        Proprietary & Confidential Information       Doc. NO:   6 3. Deliverables   3.1 Deliverables The following products and software will be part of the product.   Module with packaging   Evaluation Kits   Software utility for integration, performance test.   Product Datasheet.   Agency certified pre-tested report with the adapter board. 3.2 Regulatory certifications The  product  delivery  is  a  pre-tested  module,  without  the  module  level  certification.  For module approval, the platform’s antennas are required for the certification.
AP6255  Datasheet AMPAK Technology Inc.      www.ampak.com.tw        Proprietary & Confidential Information       Doc. NO:   7 4. General Specification 4.1 General Specification                4.2 Voltages 4.2.1 Absolute Maximum Ratings Symbol  Description  Min. Max. Unit VBAT  Input supply Voltage  -0.5 6  V VDDIO  Digital/Bluetooth/SDIO/ I/O Voltage  -0.5 3.9  V   4.2.2 Recommended Operating Rating   The module requires two power supplies: VBAT and VDDIO.   Min.  Typ.  Max.  Unit     Operating Temperature  -30  25  85  deg.C VBAT  3.13  3.6  4.8  V VDDIO  1.71  1.8  3.63  V     Model Name  AP6255 Product Description    Support Wi-Fi/Bluetooth functionalities Dimension  L x W x H: 12 x 12 x 1.5 (typical) mm   WiFi Interface  SDIO v2.0/v3.0  BT Interface  UART / PCM Operating temperature -30°C to 85°C Storage temperature  -40°C to 85°C Humidity  Operating Humidity 10% to 95% Non-Condensing Storage Humidity 5% to 95% Non-Condensing
AP6255  Datasheet AMPAK Technology Inc.      www.ampak.com.tw        Proprietary & Confidential Information       Doc. NO:   8 5. Wi-Fi RF Specification 5.1 2.4GHz RF Specification Conditions : VBAT=3.6V ; VDDIO=3.3V ; Temp:25°C Feature  Description WLAN Standard  IEEE 802.11b/g/n/ac, WiFi compliant Frequency Range    2.400 GHz ~ 2.497 GHz (2.4 GHz ISM Band) Number of Channels 2.4GHz:Ch1 ~ Ch14 Modulation 802.11b : DQPSK, DBPSK, CCK 802.11g/n : 64-QAM,16-QAM, QPSK, BPSK   802.11ac : 256-QAM, 64-QAM,16-QAM, QPSK, BPSK Output Power 802.11b /CCK                        : 16 dBm ± 1.5 dB @ EVM ≤ -9dB 802.11g /64-QAM(R=3/4)    : 15 dBm ± 1.5 dB @ EVM ≤ -25dB 802.11n /64-QAM(R=5/6)    : 14 dBm ± 1.5 dB @ EVM ≤ -28dB Receive Sensitivity (11b) @8% PER -     1Mbps     PER @ -96 dBm, typical -     2Mbps    PER @ -90 dBm, typical -   5.5Mbps   PER @ -88 dBm, typical -    11Mbps    PER @ -87 dBm, typical Receive Sensitivity (11g) @10% PER -      6Mbps    PER @ -90 dBm, typical -      9Mbps     PER @ -88 dBm, typical -    12Mbps    PER @ -87 dBm, typical -    18Mbps    PER @ -85 dBm, typical -    24Mbps    PER @ -83 dBm, typical -    36Mbps    PER @ -80 dBm, typical -    48Mbps    PER @ -76 dBm, typical -    54Mbps    PER @ -74 dBm, typical Receive Sensitivity (11n,20MHz)   @10% PER -    MCS=0    PER @ -89 dBm, typical -    MCS=1      PER @ -85 dBm, typical -    MCS=2    PER @ -84 dBm, typical -    MCS=3    PER @ -80 dBm, typical -    MCS=4    PER @ -77 dBm, typical -    MCS=5    PER @ -75 dBm, typical -    MCS=6    PER @ -72 dBm, typical -    MCS=7      PER @ -71 dBm, typical Receive Sensitivity (11n,40MHz)   -    MCS=0    PER @ -89 dBm, typical -    MCS=1      PER @ -85 dBm, typical
AP6255  Datasheet AMPAK Technology Inc.      www.ampak.com.tw        Proprietary & Confidential Information       Doc. NO:   9 @10% PER  -    MCS=2    PER @ -84 dBm, typical -    MCS=3    PER @ -80 dBm, typical -    MCS=4    PER @ -76 dBm, typical -    MCS=5    PER @ -72 dBm, typical -    MCS=6    PER @ -70 dBm, typical -    MCS=7      PER @ -69 dBm, typical Receive Sensitivity (11ac,20MHz)   @10% PER -    MCS=0    PER @ -90 dBm, typical -    MCS=1      PER @ -87 dBm, typical -    MCS=2    PER @ -86 dBm, typical -    MCS=3    PER @ -82 dBm, typical -    MCS=4    PER @ -79 dBm, typical -    MCS=5    PER @ -75 dBm, typical -    MCS=6    PER @ -73 dBm, typical -    MCS=7      PER @ -72 dBm, typical -    MCS=8    PER @ -67 dBm, typical Receive Sensitivity (11ac,40MHz)   @10% PER -    MCS=0    PER @ -88 dBm, typical -    MCS=1      PER @ -85 dBm, typical -    MCS=2    PER @ -83 dBm, typical -    MCS=3    PER @ -80 dBm, typical -    MCS=4    PER @ -77 dBm, typical -    MCS=5    PER @ -72 dBm, typical -    MCS=6    PER @ -71 dBm, typical -    MCS=7      PER @ -69 dBm, typical -    MCS=8    PER @ -65 dBm, typical -    MCS=9    PER @ -64 dBm, typical Maximum Input Level 802.11b : -10dBm 802.11g/n : -20dBm 802.11ac : -30dBm Antenna Reference  Small antennas with 0~2 dBi peak gain
AP6255  Datasheet AMPAK Technology Inc.      www.ampak.com.tw        Proprietary & Confidential Information       Doc. NO:   105.1 5GHz RF Specification Conditions : VBAT=3.6V ; VDDIO=3.3V ; Temp:25°C Feature  Description WLAN Standard  IEEE 802.11a/b/g/n/ac, Wi-Fi compliant Frequency Range    4.900 GHz ~ 5.845 GHz (5.0 GHz ISM Band) Number of Channels 5.0GHz:Please see the table1 Modulation  802.11a/n : 64-QAM,16-QAM, QPSK, BPSK   802.11ac : 256-QAM, 64-QAM,16-QAM, QPSK, BPSK Output Power 802.11a /64-QAM(R=3/4)    : 14 dBm ± 1.5 dB @ EVM ≤ -25dB 802.11n /64-QAM(R=5/6)    : 13 dBm ± 1.5 dB @ EVM ≤ -28dB 802.11ac/256-QAM(R=3/4) : 12 dBm ± 1.5 dB @ EVM ≤ -30dB 802.11ac/256-QAM(R=5/6) : 10 dBm ± 1.5 dB @ EVM ≤ -32dB Receive Sensitivity (11a, 20MHz) @10% PER -      6Mbps    PER @ -91 dBm, typical -      9Mbps     PER @ -89 dBm, typical -    12Mbps    PER @ -88 dBm, typical -    18Mbps    PER @ -86 dBm, typical -    24Mbps    PER @ -82 dBm, typical -    36Mbps    PER @ -79 dBm, typical -    48Mbps    PER @ -74 dBm, typical -    54Mbps    PER @ -73 dBm, typical Receive Sensitivity (11n,20MHz)   @10% PER -    MCS=0    PER @ -90 dBm, typical -    MCS=1      PER @ -88 dBm, typical -    MCS=2    PER @ -85 dBm, typical -    MCS=3    PER @ -82 dBm, typical -    MCS=4    PER @ -78 dBm, typical -    MCS=5    PER @ -74 dBm, typical -    MCS=6    PER @ -72 dBm, typical -    MCS=7      PER @ -71 dBm, typical Receive Sensitivity (11n,40MHz)   @10% PER -    MCS=0    PER @ -88 dBm, typical -    MCS=1      PER @ -85 dBm, typical -    MCS=2    PER @ -83 dBm, typical -    MCS=3    PER @ -79 dBm, typical -    MCS=4    PER @ -76 dBm, typical -    MCS=5    PER @ -71 dBm, typical -    MCS=6    PER @ -70 dBm, typical -    MCS=7      PER @ -68 dBm, typical
AP6255  Datasheet AMPAK Technology Inc.      www.ampak.com.tw        Proprietary & Confidential Information       Doc. NO:   11Receive Sensitivity (11ac,20MHz)   @10% PER -   MCS=0    PER @ -89 dBm, typical -    MCS=1      PER @ -87 dBm, typical -    MCS=2    PER @ -84 dBm, typical -    MCS=3    PER @ -81 dBm, typical -    MCS=4    PER @ -77 dBm, typical -    MCS=5    PER @ -73 dBm, typical -    MCS=6    PER @ -71 dBm, typical -    MCS=7      PER @ -70 dBm, typical -    MCS=8    PER @ -66 dBm, typical Receive Sensitivity (11ac,40MHz)   @10% PER -    MCS=0    PER @ -87 dBm, typical -    MCS=1      PER @ -83 dBm, typical -    MCS=2    PER @ -81 dBm, typical -    MCS=3    PER @ -78 dBm, typical -    MCS=4    PER @ -75 dBm, typical -    MCS=5    PER @ -70 dBm, typical -    MCS=6    PER @ -68 dBm, typical -    MCS=7      PER @ -66 dBm, typical -    MCS=8    PER @ -64 dBm, typical -    MCS=9    PER @ -63 dBm, typical Receive Sensitivity (11ac,80MHz)   @10% PER -    MCS=0    PER @ -83 dBm, typical -    MCS=1      PER @ -80 dBm, typical -    MCS=2    PER @ -78 dBm, typical -    MCS=3    PER @ -74 dBm, typical -    MCS=4    PER @ -71 dBm, typical -    MCS=5    PER @ -69 dBm, typical -    MCS=6    PER @ -65 dBm, typical -    MCS=7      PER @ -63 dBm, typical -    MCS=8    PER @ -60 dBm, typical -    MCS=9    PER @ -59 dBm, typical Maximum Input Level 802.11a/n : -20dBm 802.11ac : -30dBm Antenna Reference  Small antennas with 0~2 dBi peak gain
AP6255  Datasheet AMPAK Technology Inc.      www.ampak.com.tw        Proprietary & Confidential Information       Doc. NO:   1215GHz Channel table Band (GHz)  Operating Channel Numbers Channel center frequencies(MHz)   5.15GHz~5.25GHz 36  5180 40  5200 44  5220 48  5240   5.25GHz~5.35GHz 52  5260 56  5280 60  5300 64  5320 5.5GHz~5.7GHz 100  5500 104  5520 108  5540 112  5560 116  5580 120  5600 124  5620 128  5640 132  5660 136  5680 140  5700 5.725GHz~5.825GHz 149  5745 153  5765 157  5785 161  5805 165  5825
AP6255  Datasheet AMPAK Technology Inc.      www.ampak.com.tw        Proprietary & Confidential Information       Doc. NO:   136. Bluetooth Specification 6.1 Bluetooth Specification Conditions : VBAT=3.6V ; VDDIO=3.3V ; Temp:25°C Feature  Description General Specification Bluetooth Standard  Bluetooth V4.0 of 1, 2 and 3 Mbps. Host Interface  UART Antenna Reference  Small antennas with 0~2 dBi peak gain   Frequency Band  2402 MHz ~ 2480 MHz Number of Channels  79 channels Modulation  FHSS, GFSK, DPSK, DQPSK RF Specification  Min.  Typical.  Max. Output Power (Class 1.5)    9 dBm   Output Power (Class 2)    2 dBm   Sensitivity @ BER=0.1% for GFSK (1Mbps)    -86 dBm   Sensitivity @ BER=0.01% for π/4-DQPSK (2Mbps)    -86 dBm   Sensitivity @ BER=0.01% for 8DPSK (3Mbps)    -80 dBm   Maximum Input Level GFSK (1Mbps) :-20dBm π/4-DQPSK (2Mbps) :-20dBm 8DPSK (3Mbps) :-20dBm
AP6255  Datasheet AMPAK Technology Inc.      www.ampak.com.tw        Proprietary & Confidential Information       Doc. NO:   147. Pin Assignments 7.1 Pin Outline < TOP VIEW >   7.2 Pin Definition  NO Name  Type Description 1  GND  - Ground connections 2  WL_BT_ANT  I/O  RF I/O port 3  GND  - Ground connections 4  NC  - Floating (Don’t connected to ground) 5  NC  - Floating (Don’t connected to ground) 6  BT_WAKE  I  HOST wake-up Bluetooth device 7  BT_HOST_WAKE  O  Bluetooth device to wake-up HOST 8  NC  - Floating (Don’t connected to ground) 9  VBAT  P  Main power voltage source input 10 XTAL_IN  I  Crystal input   11 XTAL_OUT  O  Crystal output   12 WL_REG_ON  I  Power up/down internal regulators used by WiFi section 13 WL_HOST_WAKE  O  WLAN to wake-up HOST
AP6255  Datasheet AMPAK Technology Inc.      www.ampak.com.tw        Proprietary & Confidential Information       Doc. NO:   1514 SDIO_DATA_2  I/O  SDIO data line 2 15 SDIO_DATA_3  I/O  SDIO data line 3 16 SDIO_DATA_CMD  I/O  SDIO command line 17 SDIO_DATA_CLK  I/O  SDIO clock line   18 SDIO_DATA_0  I/O  SDIO data line 0 19 SDIO_DATA_1  I/O  SDIO data line 1 20 GND  - Ground connections 21 VIN_LDO_OUT  P  Internal Buck voltage generation pin 22 VDDIO  P  I/O Voltage supply input 23 VIN_LDO  P  Internal Buck voltage generation pin 24 LPO  I  External Low Power Clock input (32.768KHz) 25 PCM_OUT  O  PCM Data output 26 PCM_CLK  I/O  PCM clock 27 PCM_IN  I  PCM data input 28 PCM_SYNC  I/O  PCM sync signal 29 SDIO_VSEL  I/O  SDIO mode selection pin 30 NC  - Floating (Don’t connected to ground) 31 GND  - Ground connections 32 NC  - Floating (Don’t connected to ground) 33 GND  - Ground connections 34 BT_REG_ON  I  Power up/down internal regulators used by BT section 35 NC  - Floating (Don’t connected to ground) 36 GND  - Ground connections 37 GPIO_6  I/O  GPIO configuration pin 38 GPIO_3  I/O  GPIO configuration pin 39 GPIO_5  I/O  GPIO configuration pin 40 GPIO_2  I/O  GPIO configuration pin 41 UART_RTS_N  O  Bluetooth UART interface 42 UART_TXD  O  Bluetooth UART interface 43 UART_RXD  I  Bluetooth UART interface 44 UART_CTS_N  I  Bluetooth UART interface 45 TP1(NC)  - Floating (Don’t connected to ground) 46 TP2(NC)  - Floating (Don’t connected to ground) 47 TP3(NC)  - Floating (Don’t connected to ground)
AP6255  Datasheet AMPAK Technology Inc.      www.ampak.com.tw        Proprietary & Confidential Information       Doc. NO:   168. Dimensions 8.1 Physical Dimensions (Unit: mm)                       < TOP VIEW >                    < Side View >  < TOP VIEW >
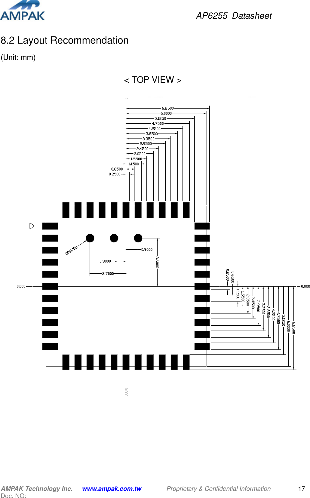
AP6255  Datasheet AMPAK Technology Inc.      www.ampak.com.tw        Proprietary & Confidential Information       Doc. NO:   178.2 Layout Recommendation (Unit: mm)  < TOP VIEW >
AP6255  Datasheet AMPAK Technology Inc.      www.ampak.com.tw        Proprietary & Confidential Information       Doc. NO:   189.   External clock reference  External LPO signal characteristics Parameter  Specification  Units Nominal input frequency  32.768  kHz Frequency accuracy  30± ppm Duty cycle  30 - 70  % Input signal amplitude  400 to 1800 mV, p-p Signal type  Square-wave  - Input impedance        >100k <5   Ω pF Clock jitter (integrated over 300Hz – 15KHz)  <1  Hz Output high voltage  0.7Vio - Vio  V
AP6255  Datasheet AMPAK Technology Inc.      www.ampak.com.tw        Proprietary & Confidential Information       Doc. NO:   1910.1 SDIO Pin Description All three package options of the WLAN section provide support for SDIO version 3.0 including the new UHS-I modes:   DS: Default speed up to 25MHz (3.3V signaling).   HS: High speed up to 50MH (3.3V signaling).   SDR12: SDR up to 25MHz (1.8V signaling).   SDR25: SDR up to 50MHz (1.8V signaling).   SDR50: SDR up to 100MHz (1.8V signaling).   SDR104: SDR up to 208MHz (1.8V signaling).   DDR50: DDR up to 50MHz (1.8V signaling).  The  SDIO  interface  also  has  the  ability  to  map  the  interrupt  signal  on  to  a  GPIO  pin  for applications  requiring an  interrupt different from the one provided by SDIO interface. The ability to force control of gated clocks from within the device is also provided.  The following three functions are supported:   Function 0 Standard SDIO function (Max BlockSize / ByteCount = 32B)   Function  1  Backplane  Function  to  access  the  internal  System  On  Chip  (SOC) address space (Max BlockSize / ByteCount = 64B)   Function 2 WLAN Function for efficient WLAN packet transfer through DMA (Max BlockSize/ByteCount=512B)  SDIO Pin Description SD 4-Bit Mode DATA0 Data Line 0 DATA1 Data Line 1 or Interrupt DATA2 Data Line 2 or Read Wait DATA3 Data Line 3 CLK  Clock CMD  Command Line
AP6255  Datasheet AMPAK Technology Inc.      www.ampak.com.tw        Proprietary & Confidential Information       Doc. NO:   2010.   Host Interface Timing Diagram 10.1 Power-up Sequence Timing Diagram The  module  has  signals that  allow the host  to  control power consumption  by  enabling  or disabling the Bluetooth, WLAN and internal regulator blocks. These signals are described below. Additionally, diagrams are provided to indicate proper sequencing of the signals for carious operating states. The timing value indicated are minimum required values: longer delays are also acceptable. ※  WL_REG_ON:  Used  by  the  PMU  to  power  up  or  power  down  the  internal regulators  used  by  the  WLAN  section.  When  this  pin  is  high,  the  regulators  are enabled  and  the WLAN  section  is  out  of  reset.  When  this  pin  is  low  the  WLAN section is in reset.   ※  BT_REG_ON: Used by the PMU to power up or power down the internal regulators used by the BT section. Low asserting reset for Bluetooth. This pin has no effect on WLAN and does not control any PMU functions. This pin must be driven high or low (not left floating).   WLAN=ON, Bluetooth=ON
AP6255  Datasheet AMPAK Technology Inc.      www.ampak.com.tw        Proprietary & Confidential Information       Doc. NO:   21 WLAN=OFF, Bluetooth=OFF  WLAN=ON, Bluetooth=OFF  WLAN=OFF, Bluetooth=ON
AP6255  Datasheet AMPAK Technology Inc.      www.ampak.com.tw        Proprietary & Confidential Information       Doc. NO:   2210.2 SDIO Default Mode Timing Diagram
AP6255  Datasheet AMPAK Technology Inc.      www.ampak.com.tw        Proprietary & Confidential Information       Doc. NO:   2310.3 SDIO High Speed Mode Timing Diagram
AP6255  Datasheet AMPAK Technology Inc.      www.ampak.com.tw        Proprietary & Confidential Information       Doc. NO:   2410.4 SDIO Bus Timing Specifications in SDR Modes   Clock timing (SDR Modes)   Card Input timing (SDR Modes)
AP6255  Datasheet AMPAK Technology Inc.      www.ampak.com.tw        Proprietary & Confidential Information       Doc. NO:   25Card output timing (SDR Modes up to 100MHz)   Card output timing (SDR Modes 100MHz to 208MHz)
AP6255  Datasheet AMPAK Technology Inc.      www.ampak.com.tw        Proprietary & Confidential Information       Doc. NO:   26OPt∆Consideration for Variable Data Window (SDR 104 Mode)   10.5 SDIO Bus Timing Specifications in DDR50 Mode
AP6255  Datasheet AMPAK Technology Inc.      www.ampak.com.tw        Proprietary & Confidential Information       Doc. NO:   27Data Timing
AP6255  Datasheet AMPAK Technology Inc.      www.ampak.com.tw        Proprietary & Confidential Information       Doc. NO:   2811. Recommended Reflow Profile Referred to IPC/JEDEC standard. Peak Temperature : <250°C Number of Times : ≤2 times                                   2.5 /sec 2.5°C/sec 40~70 sec 250
AP6255  Datasheet AMPAK Technology Inc.      www.ampak.com.tw        Proprietary & Confidential Information       Doc. NO:   29 Solder Paste definition
AP6255  Datasheet AMPAK Technology Inc.      www.ampak.com.tw        Proprietary & Confidential Information       Doc. NO:   3012. Package Information 12.1 Label   Label A Anti-static and humidity notice  Label B MSL caution / Storage Condition  Label C Inner box label .  Label D Carton box label .
AP6255  Datasheet AMPAK Technology Inc.      www.ampak.com.tw        Proprietary & Confidential Information       Doc. NO:   3112.2 Dimension
AP6255  Datasheet AMPAK Technology Inc.      www.ampak.com.tw        Proprietary & Confidential Information       Doc. NO:   32                               A B C Humidity indicator Desiccant C D
AP6255  Datasheet AMPAK Technology Inc.      www.ampak.com.tw        Proprietary & Confidential Information       Doc. NO:   3312.3 MSL Level / Storage Condition   ※※※※NOTE : Accumulated baking time should not exceed 96hrs
 Federal Communication Commission Interference Statement   This equipment has been tested and found to comply with the limits for a Class B digital device, pursuant to Part 15 of the FCC Rules. These limits are designed to provide reasonable protection against harmful interference in a residential installation. This equipment generates, uses and can radiate radio frequency energy and, if not installed and used in accordance with the instructions, may cause harmful interference to radio communications.  However, there is no guarantee that interference will not occur in a particular installation.    If this equipment does cause harmful interference to radio or television reception, which can be determined by turning the equipment off and on, the user is encouraged to try to correct the interference by one of the following measures:  - Reorient or relocate the receiving antenna.   - Increase the separation between the equipment and receiver.   - Connect the equipment into an outlet on a circuit different from that to which the receiver is connected.   - Consult the dealer or an experienced radio/TV technician for help.    FCC Caution:   Any changes or modifications not expressly approved by the party responsible for compliance could void the user's authority to operate this equipment.   This device complies with Part 15 of the FCC Rules. Operation is subject to the following two conditions:   (1) This device may not cause harmful interference, and (2) This device must accept any interference received, including interference that may cause undesired operation.    FCC Radiation Exposure Statement:     This equipment complies with FCC radiation exposure limits set forth for an uncontrolled environment. This transmitter module must not be co-located or operating in conjunction with any other antenna or transmitter.     This End equipment should be installed and operated with a minimum distance of 20 centimeters between the radiator and your body.   IMPORTANT NOTE:   In the event that these conditions cannot be met (for example certain laptop configurations or co-location with another transmitter), then the FCC authorization is no longer considered valid and the FCC ID cannot be used on the final product. In these circumstances, the OEM integrator will be responsible for re-evaluating the end product (including the transmitter) and obtaining a separate FCC authorization.      End Product Labeling     The final end product must be labeled in a visible area with the following:           “Contains FCC ID: 2AFG6-RK3399”.     Manual Information to the End User     The OEM integrator has to be aware not to provide information to the end user regarding how to install or remove this RF module in the user’s manual of the end product which integrates this module.         Canada Statement   This device complies with Industry Canada’s licence-exempt RSSs. Operation is subject to the following two conditions: (1) This device may not cause interference; and (2) This device must accept any interference, including interference that may cause undesired operation of the device.  Le présent appareil est conforme aux CNR d’Industrie Canada applicables aux appareils radio exempts de licence. L’exploitation est autorisée aux deux conditions suivantes : (1) l’appareil ne doit pas produire de brouillage; (2) l’utilisateur de l’appareil doit accepter tout brouillage radioélectrique subi, même si le brouillage est susceptible d’en compromettre le fonctionnement.   Caution Exposure: This device meets the exemption from the routine evaluation limits in section 2.5 of RSS102 and users can obtain Canadian information on RF exposure and compliance.  Le dispositif répond à l'exemption des limites d'évaluation de routine dans la section 2.5 de RSS102 et les utilisateurs peuvent obtenir des renseignements canadiens sur l'exposition aux RF et le respect.  the device for operation in the band 5150-5250 MHz is only for indoor use to reduce the potential for harmful interference to co-channel mobile satellite systems  les dispositifs fonctionnant dans la bande 5150-5250 MHz sont réservés uniquement pour une utilisation à l’intérieur afin de réduire les risques de brouillage préjudiciable aux systèmes de satellites mobiles utilisant les mêmes canaux;  Users should also be advised that high-power radars are allocated as primary users (i.e. priority users) of the bands 5250-5350 MHz and 5650-5850 MHz and that these radars could cause interference and/or damage to LE-LAN devices.  les utilisateurs de radars de haute puissance sont désignés utilisateurs principaux (c.-à-d., qu'ils ont la priorité) des bandes de 5 250 à 5 350 MHz et de 5 650 à 5 850 MHz et, d’autre part, que ces radars pourraient causer du brouillage et/ou des dommages aux dispositifs de RL-EL.  for devices with detachable antenna(s), the maximum antenna gain permitted for devices in the band 5725-5850 MHz shall be such that the equipment still complies with the e.i.r.p. limits specified for point-to-point and non-point-to-point operation as appropriate.
 le gain maximal d’antenne permis (pour les dispositifs utilisant la bande 5 725-5 825 MHz) doit se conformer à la limite de p.i.r.e. spécifiée pour l’exploitation point à point et non point à point, selon le cas.   The final end product must be labelled in a visible area with the following:        The Industry Canada certification label of a module shall be clearly visible at all times when installed in the host device, otherwise the host device must be labelled to display the Industry Canada certification number of the module, preceded by the words “Contains transmitter module”, or the word “Contains”, or similar wording expressing the same meaning, as follows:       Contains transmitter module IC: 22166-RK3399       The module must be installed in Android Module  This End equipment should be installed and operated with a minimum distance of 20 centimeters between the radiator and your body.  Cet équipement devrait être installé et actionné avec une distance minimum de 20 centimètres entre le radiateur et votre corps.  The end user manual shall include all required regulatory information/warning as show in this manual.   This radio transmitter (RK3399) has been approved by Industry Canada to operate with the antenna types listed below with the maximum permissible gain and required antenna impedance for each antenna type indicated. Antenna types not included in this list, having a gain greater than the maximum gain indicated for that type, are strictly prohibited for use with this device.  Le présent émetteur radio (RK3399) a été approuvé par Industrie Canada pour fonctionner avec les types d'antenne énumérés ci-dessous et ayant un gain admissible maximal et l'impédance requise pour chaque type d'antenne. Les types d'antenne non inclus dans cette liste, ou dont le gain est supérieur au gain maximal indiqué, sont strictement interdits pour l'exploitation de l'émetteur.  2.4G:   5G:

Navigation menu