Home Automation OMNISTAT-Z Z-Wave Thermostat User Manual Installation Manual
Home Automation Inc Z-Wave Thermostat Installation Manual
Contents
- 1. Installation Manual
- 2. Owners Manual
Installation Manual

1
1
RC-80BZ Single Stage Heat/Cool
Thermostat Installation Instructions
DESCRIPTION
The RC-80BZ is a precision digital thermostat designed for 24 VAC single stage heating and cooling systems.
It has the capability of being controlled both locally and by remote control over a Z-Wave network. It offers
programmability, stand-alone operation, and communications with automation systems, utility control systems,
or personal computers over a Z-Wave network. The RC-80ZB is equipped with a “cool blue” backlight display.
Electrical rating: 24 V; 3 A; 50/60 Hz
Maximum current: 2 A on any circuit, 3 A total
Thermostat operating current: less than 15 mA
The following requirements must be observed for installation in Europe: CE
1. This equipment must be installed in accordance with National wiring rules for the country in which it is
installed.
2. Fuses must be replaced only with IEC rated components.
3. All product labels, instructions and markings relating to safety must be translated to a language, which is
acceptable in the country in which this equipment is to be installed.
INSTALLATION
Before installing this thermostat:
1. Read all of the installation instructions carefully.
2. Read the Owner's Manual carefully.
3. Ensure that this product is suitable for your application.
4. Ensure that wiring complies with all codes and ordinances.
5. Disconnect power to the control transformer to prevent electrical shock and damage to equipment.
6. Select an appropriate location to ensure an accurate temperature reading.
Location
When replacing an existing thermostat, install the RC-80BZ in the same location. If the existing location
doesn't meet the following criteria, choose a new location to mount the RC-80BZ. When choosing a location
for the thermostat:
1. Ensure that the thermostat is mounted 5 feet above the floor and is at least 2 feet from an outdoor wall.
2. Ensure that the thermostat is located in an area where there is adequate air circulation.
3. Do not mount in the path of direct sunlight or of radiant heat generated by appliances.
4. Do not mount behind an outdoor wall, near a fireplace, or in the path of any air ducts.
Document Number 13I00-60 / Rev A / May, 2007
Copyright © 1999-2007 Home Automation, Inc.
All Rights Reserved

2
2
Removing an existing thermostat
1. Disconnect the power to the control transformer.
2. Remove the cover to the existing thermostat.
3. Disconnect the wires going to each terminal on the thermostat. Label each wire with the letter or number
at the terminal.
4. Remove the existing plate or base from the wall.
MOUNTING
When mounting the RC-80BZ, grasp the thermostat by the sides, avoiding the keys, and unsnap the base from
the face.
Holding the base to the wall so that the word "TOP" is upright and facing you:
1. Mark the two mounting holes on the wall using a pencil.
2. Drill a hole using a 3/16" bit at each mounting hole marking.
3. Install the two wall anchors supplied.
4. Slide the system wires through the opening in the base.
5. Mount the base to the wall using the two #6 x 1/2" self-tapping screws supplied - See Figure 1.
Figure 1

3
3
Connect each wire to the terminal strip on the thermostat base per the wiring diagram for your system
application - See Figures 4 - 8.
Form the thermostat wiring so that the cable lies flat between the terminal strip and the center of the base.
Upon completion of wiring the thermostat, push all excess wiring into the hole in the wall. Plug the hole with
the supplied insulating foam to ensure an accurate temperature reading by the thermostat.
Align the tabs of the thermostat face with the slots of the thermostat base. Gently push the thermostat face into
the thermostat base locking it into place - See Figure 2.
Figure 2 Figure 3
Note:
Be sure that the thermostat temperature sensor is standing up, and that it has not been damaged during
installation - See Figure 3.

4
4
TYPICAL WIRING DIAGRAMS
CAUTION:
Be sure to disconnect the power to the control transformer before removing or installing thermostat.
Do not short gas valve, fan, heat relay, or cool relay...even momentarily. This will blow a non-replaceable fuse.
Do not attempt to hook up to live circuits. An accidental connection to a component on the thermostat circuit
board could cause damage to the thermostat.
Figure 4 - Thermostat power-up for test or demonstration purposes
Note: As a convenience to the installer, the compressor start up protection delay can be canceled. To cancel
the delay, press the Prog key 3 times, then press the Fan key 2 times.
Common wire is required in “heat only” applications
Figure 5 - Single stage heat only thermostat

5
5
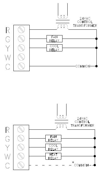
Common wire is required in “cool only” applications
Figure 6 - Single stage cool only thermostat
* Common wire is required to use the display backlight in the RC-80ZB. Also use
if heat, cool, or fan relay cannot supply 15mA to power thermostat, without activating.
Figure 7 - Single stage heat/cool thermostat

6
6
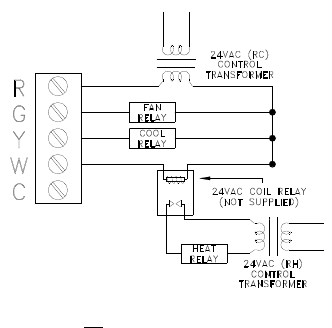
*Do not connect RC and RH together.
Figure 8 - Heating & cooling with separate transformers
CONFIGURING THE BACKLIGHT ON THE RC-80ZB
The backlight on the RC-80ZB can be configured to one of three different modes: 1) on for 30 seconds when a
key is pressed, 2) always on, or 3) always off.
1) To configure the display backlight to turn on when a key is pressed, then back off 30 seconds later, set
the “JP2” (Select Backlight Mode) jumper to the “TIMED” position (between the middle and left pin on
the connector) - See Figure 9.
2) To configure the display backlight to always be on, set the “JP2” (Select Backlight Mode) jumper to the
“ON” position (between the middle and right pin on the connector) - See Figure 9.
3) To configure the display backlight to never come on (always off), remove the “JP2” (Select Backlight
Mode) jumper from the connector - See Figure 9.
DISABLE KEYS
The keys on the thermostat can be disabled to prevent anyone from controlling the thermostat locally. To
disable the keys, solder a wire jumper across “JP1” (two holes on the circuit board) - See Figure 9.

7
7
SOLDER WIRE JUMPER HERE
SELECT BACKLIGHT
MODE (SET JUMPER)
TO DISABLE KEYS LOCALLY
Figure 9
POWER UP
1. Double check wiring, be sure that there are no stray wires or wire strands at the connections.
2. Connect power to the transformer and system. The display will show all segments for about 5 seconds.
3. Press the Fan key. The fan should come on. Press the Fan key again. The fan should go off.
4. Set the Mode to "HEAT". Use the up arrow key to raise the desired temperature setting above the current
temperature. Ensure that the heater unit comes on. Set the mode to "OFF". Ensure that the heat goes off.
5. Set the Mode to "COOL". Use the down arrow key to lower the desired temperature setting below the
current temperature. Ensure that the cooling unit comes on. Set the mode to "OFF". Ensure that the
cooling unit goes off.
The RC-80BZ thermostat is designed to work with most 4-wire HVAC systems (without a transformer
common). However, if the RC-80BZ “resets” (goes blank for a second…then displays all segments for about 5
seconds) when calling for heat or cool, or if the heat, cool, or fan relay cannot supply 15mA to power
thermostat without the relay activating, the transformer common wire or the HAI Thermostat Power Supply
Module is required.
If the thermostat or system does not perform as stated above, recheck all wiring - See Troubleshooting Tips.

8
8
INSTALLER SETUP
This section describes the items that the installer must setup as part of the thermostat installation. The Installer
Setup mode is used to configure the general operating parameters of the thermostat.
When in Installer Setup mode:
1. The small digits on the top of the display are the item number.
2. The large blinking digits in the center of the display are the value of the item number.
3. Press the Prog (>) key to advance to the next item.
4. Press the Hold (<) key to return to the previous item.
5. Use the arrow keys (∧−∨) to change the value of each item.
6. Do not set the values to anything other than the specified range for each item.
7. To exit Setup mode, press the Fan key.
The thermostat will automatically exit Setup mode after 20 seconds of no key activity.
To enter the Installer Setup mode, press the Prog key three times (day will flash), then press the Fan key.
The word "default" indicates the initial setting when the thermostat is delivered from the factory.
9
9
00 Address
If you are using Communications Mode 0 or 1, and you are installing more than one thermostat, each must be
set to a consecutive address, starting at 1. The default address setting is 1.
An address from 1- 127 may be selected.
01 Communications mode
The thermostat can communicate with remote systems in 4 different modes. These modes are:
0 300 baud, RS-232 mode (for use with personal computers)
1 100 baud, Z-Wave mode (OmniLT, Omni, Omni II, OmniPro, and OmniPro II systems)
8 PESM mode, (use with Model 1503 automation systems)
24 Day/Night mode (for use with remote setback switch)
The default setting is 1.
02 System options
The thermostat can be configured with the following system options:
0 Auto changeover no fan with heat
1 Auto changeover fan on with heat
4 Manual changeover no fan with heat
5 Manual changeover fan on with heat
12 Heat only no fan with heat
13 Heat only fan on with heat
20 Cool only
The default setting is 0.
03 Display options
The thermostat can be configured to display the following attributes:
0 Celsius am/pm time format programmable
1 Fahrenheit am/pm time format programmable
2 Celsius 24-hour time format programmable
3 Fahrenheit 24-hour time format programmable
4 Celsius am/pm time format non-programmable
5 Fahrenheit am/pm time format non-programmable
6 Celsius 24-hour time format non-programmable
7 Fahrenheit 24-hour time format non-programmable
When communicating with an HAI controller, the thermostat should be configured as "non-programmable". To
disable the clock and filter reminder displays, add “16” to each value.
The default setting is 1.
1
10
0
04 Calibration offset
This item is used to raise or lower the current temperature reading by 1 degree Fahrenheit or 1/2 degree Celsius.
If this item is set to 30, no change will be made. Each digit below 30 will lower to temperature, and each digit
above 30 will raise the temperature.
(1 = “- 29” to 59 = “+ 29” temperature units; 30 = No change)
The default setting is 30.
05 Cool setpoint limit
This item is used to limit the temperature setting in cool mode. The desired cool setting can never be set below
this setting.
The default setting is 51.
06 Heat setpoint limit
This item is used to limit the temperature setting in heat mode. The desired heat setting can never be set above
this setting.
The default setting is 91.
07 Not used
08 Not used
09 Cooling anticipator
This item adjusts the tendency of the thermostat to run the cooling system to refresh and dehumidify the air
before the temperature rises to the desired cool setting. A setting of 0 will disable this feature.
0 No anticipation
3-5 Normal anticipation
10 Maximum anticipation
The recommended setting for most forced air cooling systems is 4. A lower number will decrease the tendency
to run the cooling system below the cooling setting. A lower setting of 2 or 3 may be desired in dry climates.
The default setting is 4.

1
11
1
10 Heating anticipator
This item adjusts the tendency of the thermostat to turn the heating unit off before the desired heat setting is
reached. This is done to avoid overheating the air while the walls and furniture catch up. A setting of 0 will
disable this feature.
0 No anticipation
3-5 Normal anticipation
10 Maximum anticipation
The following settings are recommended:
Forced air systems: 4
Radiant systems: 6
A lower setting will decrease the tendency to turn off the heating system before the desired heat setting is
reached. If the heating system response time is slower, as are most radiant heating systems, a higher number
will help maintain an even space temperature.
The default setting is 4.
11 Cooling minimum on/off time (minutes)
This item is used to limit the on and off times of the cooling system. When the cooling system starts, it must
remain on for the minimum time set by this item. When the cooling system turns off, it must remain off for a
minimum time set by this item.
Setting Cycles per hour (maximum)
5 6
6 5
7 4
8 3.7
10 3
The recommended setting is 8 minutes. A higher setting may be appropriate for buildings with low heat
loss/gain.
The default setting is 8.
12 Heating minimum on/off time (minutes)
This item is the same as the “Cooling minimum on/off time”, but for the heating system.
The default setting is 8.
13 Not used
1
12
2
14 Clock adjust
If the clock on the thermostat is running faster or slower than the actual time, you can have the thermostat
automatically compensate up to 29 seconds per day. The thermostat will add or subtract the selected amount of
time daily.
(1 = “- 29” to 59 = “+ 29” seconds per day; 30 = No change)
The default setting is 30.
Note: If an HAI automation system is being used, the controller system time is sent to the thermostat every
minute. This adjustment will have no effect.
15 Filter reminder
The thermostat logs the amount of time the system fan has been running. When this setting reaches 0, the
thermostat will display a reminder to replace the filter. The setting is the amount of days (24 hours of system
operation) before this reminder is displayed.
Days - Counting down from 10 - 0
The filter reminder can be disabled by setting this item to 60.
16 System runtime (This week)
This item logs the amount of time (hours) that the heating and cooling system was in operation this week.
17 System runtime (Last week)
This item logs the amount of time (hours) that the heating and cooling system was in operation last week.
OWNER'S MANUAL
Following Installer Setup, check the option boxes () in the Owner's Manual according to the configuration of
the thermostat.

1
13
3
QUICK-REFERENCE SETUP GUIDE
This table displays each Installer Setup item with its default setting. The column labeled "CURRENT" can be
used to write down the current settings if any changes are made to the default settings.
Item Number Description Default Current
00 Address 1
01 Communication mode 1
02 System options 0
03 Display options 1
04 Calibration offset 30
05 Cool setpoint limit 51
06 Heat setpoint limit 91
07 Not used -
08 Not used -
09 Cooling anticipator 4
10 Heating anticipator 4
11 Cooling minimum on/off time 8
12 Heating minimum on/off time 8
13 Not used -
14 Clock adjust 30
15 Filter reminder 10
16 System runtime (This week) -
17 System runtime (Last week) -
WIRELESS COMMUNICATIONS WITH HAI CONTROLLER
This thermostat has been preprogrammed with energy saving settings recommended under the EPA Energy Star
program. When used with remote systems, HAI recommends that the thermostat be configured as "non-
programmable" (See Setup Item 03 - "Display Options").
HAI AUTOMATION SYSTEMS
The thermostat can communicate with an HAI automation system over a Z-Wave network. The controller can
send commands to the thermostat to change mode, cool setting, heat setting, status of fan and hold, and other
items.
ADDING A THERMOSTAT TO THE Z-WAVE NETWORK
When prompted by Z-Wave primary or inclusion controller to include the thermostat to the network, press and
release the ‘Hold’ button on the thermostat. This will include the thermostat on the Z-Wave network.
REMOVING A THERMOSTAT FROM THE Z-WAVE NETWORK
When prompted by Z-Wave primary or inclusion controller to exclude the thermostat from the network, press
and release the ‘Hold’ button on the thermostat. This will exclude the thermostat from the Z-Wave network.
1
14
4
The thermostat supports the following command classes:
COMMAND_CLASS_THERMOSTAT_MODE
COMMAND_CLASS_THERMOSTAT_SETPOINT
COMMAND_CLASS_THERMOSTAT_FAN_MODE
COMMAND_CLASS_THERMOSTAT_FAN_STATE
COMMAND_CLASS_THERMOSTAT_OPERATING_STATE
COMMAND_CLASS_SENSOR_MULTILEVEL
COMMAND_CLASS_ASSOCIATION
COMMAND_CLASS_CONFIGURATION
COMMAND_CLASS_VERSION
COMMAND_CLASS_MANUFACTURER_SPECIFIC
COMMAND_CLASS_SWITCH_BINARY
COMMAND_CLASS_CLOCK
COMMAND_CLASS_THERMOSTAT_MODE
Upon power up, allow 10 seconds for the RC-80BZ thermostat to initialize. After 10 seconds, a controller can
set the mode, get the current mode, and get the modes supported by the thermostat.
COMMAND_CLASS_THERMOSTAT_SETPOINT
Upon power up, allow 10 seconds for the RC-80BZ thermostat to initialize. After 10 seconds, a controller can
change setpoints, get current setpoints, and request the setpoints that are supported by thermostat.
COMMAND_CLASS_SENSOR_MULTILEVEL
The RC-80BZ thermostat uses this command class to report the actual temperature.
COMMAND_CLASS_ASSOCIATION
Upon power up, allow 10 seconds for the RC-80BZ thermostat to initialize. After 10 seconds, a controller can
issue an Association Set, Remove, or Get command. The thermostat must be associated with a controller to
provide feedback.
COMMAND_CLASS_CONFIGURATION
Upon power up, allow 10 seconds for the RC-80BZ thermostat to initialize. After 10 seconds, a controller can
change individual register settings for the outdoor temperature. The Parameter Number is 67. The size of the
data is a 1 byte value. The Value is the temperature to which the register is set.
COMMAND_CLASS_THERMOSTAT_FAN_MODE
Upon power up, allow 10 seconds for the RC-80BZ thermostat to initialize. After 10 seconds, a controller can
set the fan mode, get the current fan mode, and get the fan modes supported by the thermostat.
COMMAND_CLASS_THERMOSTAT_FAN_STATE
Upon power up, allow 10 seconds for the RC-80BZ thermostat to initialize. After 10 seconds, a controller can
request the state of the fan.
1
15
5
COMMAND_CLASS_THERMOSTAT_OPERATING_STATE
Upon power up, allow 10 seconds for the RC-80BZ thermostat to initialize. After 10 seconds, a controller can
request the Operating State report.
COMMAND_CLASS_VERSION
Upon power up, allow 10 seconds for the RC-80BZ thermostat to initialize. After 10 seconds, a controller can
request a Version Report. This report includes information about the library type, protocol, version, and
application version from the device.
COMMAND_CLASS_MANUFACTURER_SPECIFIC
Upon power up, allow 10 seconds for the RC-80BZ thermostat to initialize. After 10 seconds, a controller can
request a Manufacturer Specific Info Report. This report will return the Manufacturer ID, Product Type, and
Product ID.
COMMAND_CLASS_SWITCH_BINARY
Upon power up, allow 10 seconds for the RC-80BZ thermostat to initialize. After 10 seconds, a controller can
turn on the Hold feature by sending a Binary Switch On command and turn off the Hold feature by sending a
Binary Switch Off command.
COMMAND_CLASS_CLOCK
Upon power up, allow 10 seconds for the RC-80BZ thermostat to initialize. After 10 seconds, a controller can
set the time of the internal clock
INTEROPERABILITY WITH Z-WAVE™ DEVICES
A Z-Wave™ network can integrate devices of various classes, and these devices can be made by different
manufacturers. The RC-80BZ thermostat can be incorporated into existing Z-Wave™ networks. All listening
Z-Wave nodes act as repeaters regardless of vendor.
FCC NOTICE
Note: This equipment has been tested and found to comply with the limits for a Class B digital device, pursuant
to part 15 of the FCC Rules. These limits are designed to provide reasonable protection against harmful
interference in a residential installation. This equipment generates, uses, and can radiate radio frequency energy
and, if not installed and used in accordance with the instructions may cause harmful interference to radio
communications. However, there is no guarantee that interference will not occur in a particular installation.
If this equipment does cause harmful interference to radio or television reception, which can be determined by
turning the equipment off and on, the user is encouraged to try to correct the interference by one or more of the
following measures:
- Increase the separation between the equipment and receiver.
- Consult the dealer or an experienced radio/TV technician for help.

1
16
6
TROUBLESHOOTING TIPS
SYMPTOM ACTION TO TAKE
1. Check power to the thermostat
2. Check wiring diagrams
Thermostat Dead
3. Check thermostat temperature sensor
Thermostat will not operate with a damaged temperature sensor.
SYMPTOM ACTION TO TAKE
1. Check for break in G, W, or Y wire
2. Allow minimum off time to pass
3. Check system options for correct settings
Fan, Heat, Or Cool
Inoperative
4. Remote system is overriding thermostat
"REMOTE" is displayed when system is overriding thermostat.
SYMPTOM ACTION TO TAKE
1. Mode is Off (Select Heat, Cool, or Auto) Can't Adjust Temperature
2. Check if thermostat keys are disabled
To enable thermostat keys for test, remove jumper.
SYMPTOM ACTION TO TAKE
1. Check Node ID
2. Check communications mode setting
Control By Remote System
Not Working
34. Check setup of the remote system
Ensure that all setup items for the thermostat and the remote system
are set to the proper configurations for communication.
SYMPTOM ACTION TO TAKE
1. Allow 30 minutes for thermostat to adjust to room
temperature
2. Adjust calibration offset
Temperature Reading
Incorrect
3. Change setup option to display oF or oC
After installation, allow the thermostat up to 30 minutes for an accurate temperature reading.
SYMPTOM ACTION TO TAKE
Display Problem 1. Disconnect power to the thermostat. Reconnect, then
observe display self-test
For a 5 second period after power is reconnected, all segments
of the display should light indicating all thermostat functions.