Home Automation OMNISTAT-Z Z-Wave Thermostat User Manual RC 80B RC 80BZ Owner s Manual
Home Automation Inc Z-Wave Thermostat RC 80B RC 80BZ Owner s Manual
Contents
- 1. Installation Manual
- 2. Owners Manual
Owners Manual

O M N I S T A T
ELECTRONIC COMMUNICATING THERMOSTAT
Owner's Manual
RC-80B / RC-80BZ
Single Stage Heat/Cool
Document Number 13R00-1
May, 2007
:
DAY
P
COOL
AUTO
Copyright © 1999-2007 Home Automation, Inc.
All Rights Reserved
CONTENTS
INTRODUCTION ............................................................................................. 1
DESCRIPTION.................................................................................................. 1
MAINTENANCE............................................................................................... 1
OPERATION .....................................................................................................2
DISPLAY ............................................................................................................ 4
FILTER REMINDER ....................................................................................... 6
ANTICIPATION ............................................................................................... 6
SETTING THE CURRENT TIME AND DAY .............................................. 7
PROGRAMMING................................................................................... 8
SETTING TIME SCHEDULES....................................................................... 9
DAY/NIGHT MODE............................................................................. 10
PROGRAMMABLE ENERGY SAVER MODE (PESM) ............... 10
SYSTEM MODE.................................................................................... 11
AUTOMATIC TIME UPDATE........................................................... 11

This thermostat is Listed by Underwriter's Laboratories and
UL Canada.
This thermostat has been tested and found to comply with the
requirements of the European Union for Electromagnetic
Interference, Electromagnetic Immunity and Safety under the
applicable EMI and Low Voltage Directives and Standards.
This thermostat has been tested and found to comply with the
limits for a Class B digital device, pursuant to part 15 of the
FCC Rules.
This product generates and can radiate radio frequency energy.
Due to its low power design, it is unlikely to interfere with
radio and TV communications. If it is suspected of doing so,
the user is encouraged to try to correct the problem by
reorienting the receiver's antenna, moving the receiver away
from the product, or consulting an experienced radio/TV
technician for help.
FCC

1
INTRODUCTION
Thank you for purchasing your new RC-80 electronic communicating
thermostat. Your thermostat will provide you with comfort,
convenience, and energy savings for years to come.
We hope that you take a few moments to become familiar with all of
the features of this fine product by reviewing this manual. Please keep
this manual on file for future reference.
DESCRIPTION
The RC-80 is a precision digital thermostat for single stage heating
and cooling systems. It has the capability of being controlled both
locally and by remote control. It offers programmability, stand-alone
operation, and robust communications with automation systems,
utility control systems, and personal computers.
There are several items that can be configured at the time of
installation. These items have a check box () for your installer to
indicate which features are used in your system.
As an EPA ENERGY STAR Partner, Home Automation, Inc. has
determined that this thermostat meets the ENERGY STAR guidelines
for energy efficiency.
MAINTENANCE
Your new thermostat is maintenance free. There is no battery to
install or replace. If necessary, clean unit carefully with a mild soap
solution on a soft cloth.

2
OPERATION
To take advantage of all the benefits and features offered by your
thermostat, we recommend that you start by becoming familiar with
its operation.
1- Display
The Display is used to show current time, temperature, outdoor
temperature (optional), mode, and to give useful information that
will guide you through normal operation of your thermostat.
2- Hold
Press the Hold key to set the system into Hold mode. In Hold
mode, the thermostat will not change its settings by program.
3- Prog
Press the Prog (programming) key to set the current time and day
(hours, minutes, day of week), and to program the temperature
time schedules for the MORN, DAY, EVE, and NITE periods.
AUTO
DAY
COOL
:P
3
4- Mode
Press the Mode key to set the thermostat mode to Off, Heat, Cool,
or Auto.
In Off mode, the heating and cooling systems are both off and do
not respond to changes in temperature settings.
In Heat mode, the heating system responds to maintain your
desired heating setting.
In Cool mode, the cooling system responds to maintain your
desired cooling setting.
In Auto mode, your thermostat will automatically switch
between heat and cool to maintain your desired heating and
cooling settings.
5- Fan
Press the Fan key to set the system fan to Fan Auto or Fan On.
In Fan Auto mode, the fan runs only when the system calls for
heating or cooling.
In Fan On mode, the fan runs continuously.
6- Down Arrow (∨)
Press the Down Arrow key to lower the desired temperature.
7- Up Arrow (∧)
Press the Up Arrow key to raise the desired temperature.
Note:
To check your desired setting without changing it, press the up or
down arrow key (∧ or ∨) once.

4
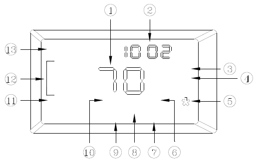
DISPLAY
The following icons will be displayed during normal operation:
1- Temperature Display
Shows the current temperature, desired temperature, or heating
and cooling settings.
2- Time Display
Shows the current time of day.
3- DESIRED
DESIRED is displayed when the temperature display shows the
desired temperature setting.
4- OUTSIDE
OUTSIDE will be displayed when the temperature display
shows the outdoor temperature. The outdoor temperature will be
displayed every 4 seconds.
FAN AUTO
MORN
DAY
EVE
NITE
REMOTE
HOLD
HEAT
OFF COOL
::
OUTSIDE
DESIRED
A
5
5-
The is displayed when the heating or cooling system is running.
6- COOL
COOL is displayed when the system is in Cool mode.
7- AUTO
AUTO is displayed when in automatic changeover mode.
8- HEAT
HEAT is displayed when the system is in Heat mode.
9- FAN
FAN is displayed when the fan is set to run continuously.
10- OFF
OFF is displayed when the system is in the Off mode.
11- REMOTE
REMOTE is displayed when the last command received by the
thermostat was sent by a remote system.
12- Period Indicators
MORN, DAY, EVE, or NITE is displayed when scheduled
temperature changes are made by the thermostat programs.
13- HOLD
HOLD is displayed when the system is in Hold mode.
6
FILTER REMINDER
Your thermostat logs the amount of time your heating and cooling
system has been running and gives you a reminder when it's time to
replace your filter.
" F I L t " will be displayed every four seconds in the place of the
time display when it is time to change you filter. To clear the
reminder, press the Prog key. The display will return to normal in 10
seconds. Don't forget to change your filter!
ANTICIPATION
Your thermostat has a sophisticated control system designed to keep
you comfortable while saving energy. Part of the control system is a
feature called "anticipation", which anticipates the need to turn the
system on or off before the temperature is actually at the setting.
As humans, we perceive temperature as a combination of heat in the
air and heat radiated from the walls and surroundings. The thermostat
also measures a combination of air and wall temperature. When
heating, the air temperature rises faster than the wall temperature. The
thermostat will turn the heat off briefly to prevent overheating the air
while the wall temperature catches up. Your comfort is assured
without overshooting the heat setting, which wastes energy.
In summer, the thermostat will periodically run the cooling system to
circulate the air and remove humidity when the temperature is close,
but not above the cool setting. You will be more comfortable at a
higher cool setting, which saves energy.
Remember to allow some time for the thermostat to adapt to a new
setting.

7
SETTING THE CURRENT TIME AND DAY
To set or change the current time and day, press and release the Prog
key. The hour will blink.
1. Use the arrow keys (∧−∨) to change the hour.
2. Press the Prog key to advance to minutes.
3. Use the arrow keys (∧−∨) to change minutes.
4. Press the Prog key to advance to day of week.
5. Use the arrow keys (∧−∨) to set the day of week
(1=Monday - 7=Sunday).
Press the Mode key when complete, or simply wait 8 seconds for the
display to return to normal.
8
PROGRAMMING
Your thermostat may be programmed to adjust the heating and cooling
settings up to 4 times per day (MORN, DAY, EVE, and NITE). You
can setup a temperature time schedule for weekdays, Saturday, and
Sunday.
To enter programming mode, press the Prog key 4 times.
When in programming mode:
1. The item that is being programmed will flash.
2. The up arrow key (∧) is used to increase the value.
3. The down arrow key (∨) is used to decrease the value.
4. The Prog (>) key is used to advance to the next item.
5. The Hold (<) key is used to return to the previous item.
6. To exit programming mode, press the Mode key.
The thermostat will automatically exit programming mode after 20
seconds of no key activity.
When programming a time for the Morning, Day, Evening, or Night
period, the time will be increased or decreased in 15-minute
increments. If the up arrow is pressed at 11:45 PM, or the down arrow
is pressed at 12:00 AM, the time display will be blank, indicating that
no scheduled temperature changes will be made for that period.
Your thermostat will follow a set of time scheduled programs on
weekdays (Monday-Friday), on Saturday, and on Sunday. This will
allow you to have different heating and cooling settings on Saturday
and Sunday, than you normally would have for weekdays (Monday -
Friday). When programming the time schedules, the weekday time
schedule is programmed first. The Saturday time schedule is
programmed second, and the Sunday time schedule is programmed
last.

9
SETTING TIME SCHEDULES
To view or change the programming time schedules of your
thermostat, press and the Prog key four times. The weekday MORN
time will flash.
1. Use the arrow keys (∧−∨) to change the scheduled time for the
displayed period (MORN, DAY, EVE, or NITE).
2. Press the Prog key to advance to the next item.
3. Use the arrow keys (∧−∨) to change the desired cool setting.
4. Press the Prog key to advance to the next item.
5. Use the arrow keys (∧−∨) to change the desired heat setting.
6. Press the Prog key to advance to the next period.
10
Repeat steps 1-6 for the DAY, EVE, and NITE periods. Afterwards,
repeat steps 1-6 for 4 daily periods on Saturdays (Day 6), and 4 daily
periods on Sundays (Day 7). The temperature display will show "6"
for Saturdays, and "7" for Sunday times.
Note: If Programming Mode is not being used and Day/Night
Mode is being used, only the Weekday - DAY and NITE
settings can be programmed.
DAY/NIGHT MODE
Your thermostat can be configured to change its temperature settings
from "DAY" to "NITE" when commanded from a remote location.
If so, the thermostat will use the weekday "DAY" and the weekday
"NITE" settings.
"REMOTE" and either "DAY" or "NITE" will be displayed when a
command is sent from a remote location. You can use the arrow keys
(∧−∨) to override the temperature settings, or press the Hold key to
prevent any future remote changes.
Follow the procedure shown in Programming Mode, to change the
programmed DAY and NITE settings.
PROGRAMMABLE ENERGY SAVER MODE (PESM)
Your thermostat can be configured to allow a remote system to
override it. The thermostat sends the temperature to the remote
system. The remote system will use the temperature to determine
whether or not to override the thermostat based on its own temperature
settings.
"REMOTE" will be displayed when the remote system has control of
the thermostat. You cannot use the arrow keys (∧−∨) or any other key
on the thermostat to override the remote system. To resume normal
operation of your thermostat, you must turn the energy saver feature
off at the remote system.
11
SYSTEM MODE
Your thermostat can be connected to an automation system or personal
computer. With network software, the remote system can send
commands to the thermostat to change mode, cool setting, heat setting,
status of fan and hold, and other items.
"REMOTE" will be displayed when a command is sent from the
automation system or personal computer. You can use the arrow keys
(∧−∨) on the thermostat to change the temperature settings. When the
temperature settings are changed at the thermostat, "REMOTE" will
no longer be displayed. Press the Hold key to prevent thermostat
programs or the remote system from changing temperature settings.
"HOLD" will be displayed at the thermostat.
AUTOMATIC TIME UPDATE
The thermostat time will automatically be updated by the connected
automation system.
POWER OUTAGES
The thermostat will restart the heating/cooling system 3 to 8 minutes
after the electricity comes back on. All settings and programs are
stored permanently, and will not be affected by a power outage.
CLOCK
The thermostat clock is maintained for approximately 25 minutes
during an electrical outage.

TIME SCHEDULES
The table below shows the time schedules that are currently set into
your thermostat. There is a blank table at the bottom that can be used
to plan changes to the current schedule.
WEEKDAYS SATURDAYS SUNDAYS
MORN 6:00 AM 8:00 AM 8:00 AM
COOL 78 78 78
HEAT 70 70 70
DAY 8:00 AM
COOL 85 85 85
HEAT 62 62 62
EVE 6:00 PM
COOL 78 78 78
HEAT 70 70 70
NITE 10:00 PM 11:00 PM 10:00 PM
COOL 82 82 82
HEAT 62 62 62
WEEKDAYS SATURDAYS SUNDAYS
MORN
COOL
HEAT
DAY
COOL
HEAT
EVE
COOL
HEAT
NITE
COOL
HEAT
TWO YEAR LIMITED WARRANTY
Home Automation, Inc. (HAI), warrants this product against defects in
material and workmanship, under normal use and service, for a period
of two (2) years from the date of purchase by the consumer.
During the warranty period, HAI will repair or replace, at its option, any
HAI thermostat that fails due to defect.
This warranty does not cover the cost of removal or reinstallation of any
thermostat. This warranty does not cover failure caused by
damage to the thermostat while in your possession (other than
damage caused by defect or malfunction), or by its improper
installation, including failure to follow the written installation and
operation instructions, alterations, misuse, or abuse. The remedies
provided for in this warranty are the sole and exclusive remedies
therefor. In no event shall HAI be liable for incidental expenses or
consequential loss or damages.
Any implied warranties, including warranties of merchantability
and fitness for particular use or purpose is limited to a period of
two (2) years from purchase date.
This warranty gives you specific legal rights, and you may have other
legal rights, which vary from state to state. Some limitations may not
apply to you.
For warranty and repair service,
Within Continental United States, send defective unit carefully
packaged, postage prepaid, along with description of trouble and
return address to:
Home Automation, Inc.
Service Department
4330 Michoud Blvd.
New Orleans, LA 70129
Outside of Continental United States:
Contact an Authorized Distributor for repair/replacement instructions.
For Customer Service or Technical Support
Call us at (504) 736-9810
Monday - Friday, 9:00 AM to 5:00 PM CST