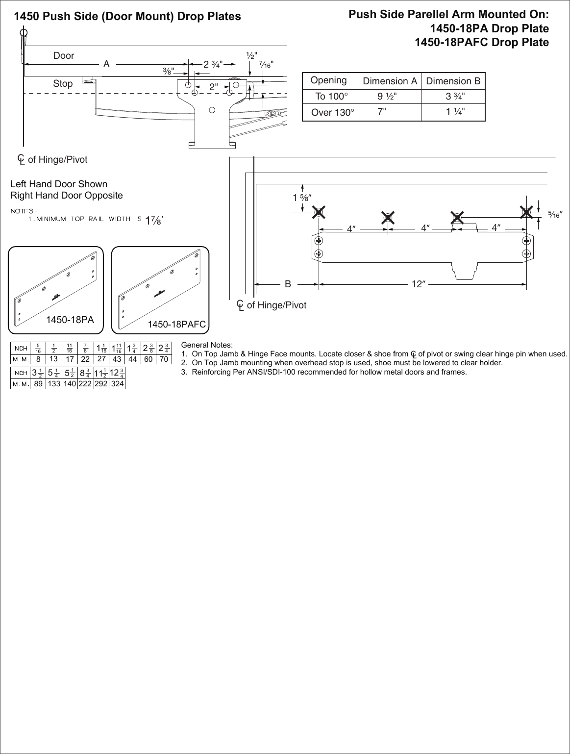
LCN 1450 Series Drop Plate Installation Instructions Guide 110984
User Manual: LCN LCN 1450 Drop Plate Installation Guide Installation Guide
Open the PDF directly: View PDF
.
Page Count: 4




User Manual: LCN LCN 1450 Drop Plate Installation Guide Installation Guide
Open the PDF directly: View PDF
.
Page Count: 4



