LG Electronics USA LGSWFAC71 RF Module User Manual
LG Electronics USA RF Module
User Manual

User Manual
PRODUCT NAME : 802.11a/b/g/n/ac
MODEL NAME : LGSWFAC71
(00)-0073
The information contained herein is the exclusive property of LG Innotek
and shall not be distributed, reproduced or disclosed in whole or no in part
without prior written permission of LG Innotek.

User Manual
PAGE :
DOCUMENT No :
REG. DATE : 2016.09.02
MODEL NAME: TWFM-K008D(LGIT)
LGSWFAC71(LGE)
REV. DATE : 2016.09.02
REV.NO : v0.01
-
Copyrightⓒ. 2016. All Rights Reserved.
1/ 9
Index
No Description Page
1 Features 2
2 Picture of Product 2
3 Installation Manual 3
4 Block Diagram 4
5 Absolute Maximum Ratings 4
6 Operating Conditions 5
7 Standard Test Conditions 5
8 Pin Description 6
9 Out Drawing 7
10 Packing Information 8

User Manual
PAGE :
DOCUMENT No :
REG. DATE : 2016.09.02
MODEL NAME: TWFM-K008D(LGIT)
LGSWFAC71(LGE)
REV. DATE : 2016.09.02
REV.NO : v0.01
-
Copyrightⓒ. 2016. All Rights Reserved.
2/ 9
2. Picture of Product
1. Features
LGSWFAC71 is the small size and low power module for IEEE 802.11ac wireless LAN.
TWFM-K008D is based on MTK MT7612U solution.
IEEE 802.11 a/b/g/n/ac Dual Band WLAN infrastructure
Size : 48.0mm x 30.0mm
Two stream spatial multiplexing up to 300Mbps(802.11n)/ 867Mbps(802.11ac)
WLAN Metal Press antenna
Use on-chip OTP (One-Time Programmable)
Host Interface : USB2.0
Security : WAPI, WEP, WPA, WPA2, WMM, AES, WEP, TKIP, CKP
Application: DTV, DVR, HD DVD Player, Blue-ray Disk Player, STB
This device is restricted to indoor use only within the 5.15 ~ 5.25 GHz Band.

User Manual
PAGE :
DOCUMENT No :
REG. DATE : 2016.09.02
MODEL NAME: TWFM-K008D(LGIT)
LGSWFAC71(LGE)
REV. DATE : 2016.09.02
REV.NO : v0.01
-
Copyrightⓒ. 2016. All Rights Reserved.
3/ 9
3. Installation Manual
Install the module like below in the back of the TV
Cable
LGSWFAC71 installed position

User Manual
PAGE :
DOCUMENT No :
REG. DATE : 2016.09.02
MODEL NAME: TWFM-K008D(LGIT)
LGSWFAC71(LGE)
REV. DATE : 2016.09.02
REV.NO : v0.01
-
Copyrightⓒ. 2016. All Rights Reserved.
4/ 9
4. Block Diagram
5. Absolute Maximum Ratings
Parameter Min Max Unit
Storage Temperature -20 +80 ℃
Storage Humidity (40℃) - 90 %
Caution : The specifications in Table 1 define levels at which permanent damage to the
device can occur. Function operation is not guaranteed under these conditions.
Operating at absolute maximum conditions for extend periods can adversely affect the
long-term reliability of the device.
. Other conditions
1) Do not use or store modules in the corrosive atmosphere, especially where chloride
gas, sulfide gas, acid, alkali, salt or the like are contained.
Also, avoid exposure to moisture.
2) Store the modules where the temperature
and relative humidity do not exceed 5 to 40℃and 20 to 60%.
3) Assemble the modules within 6 months.
Check the soldering ability in case of 6 months over.
MT7612U
2.4GHz
5GHz
2.4GHz
5GHz
11ac 2T2R
Baseband
32bit RISC CPU
MAC /
Packet buffer/
Security engine
System
Control
PMU
USB2.0
Interface
USB I/F 8PIN CONNECTOR
3.3V
Main
Clock
40MHz
Diplexer
Diplexer
ANT0
ANT1

User Manual
PAGE :
DOCUMENT No :
REG. DATE : 2016.09.02
MODEL NAME: TWFM-K008D(LGIT)
LGSWFAC71(LGE)
REV. DATE : 2016.09.02
REV.NO : v0.01
-
Copyrightⓒ. 2016. All Rights Reserved.
5/ 9
6. Operating Conditions
Parameter Min Typ Max Unit
Ambient Temperature 0 - 60 ℃
Ambient Humidity (40℃) - - 85 %
Supply Voltage 3.135 3.3 3.6 Vdc
7. Standard Test Conditions
The Test for electrical specification shall be performed under the following condition
Otherwise this following conditions, not guaranteed this performance.
Temparature 25 ±5℃
Humidity 65 ±5%
Input Voltage Supply Voltage
VDD_3.3V +3.3V ±0.165V
7-1. Ambient condition
7-2. Power supply voltages

User Manual
PAGE :
DOCUMENT No :
REG. DATE : 2016.09.02
MODEL NAME: TWFM-K008D(LGIT)
LGSWFAC71(LGE)
REV. DATE : 2016.09.02
REV.NO : v0.01
-
Copyrightⓒ. 2016. All Rights Reserved.
6/ 9
8. Pin Description
Pin No. Pin Name I/O Pin Description
1VCC I Power Supply 3.3V
2 USB D- I/O USB Communication signal USB D-
3 USB D+ I/O USB Communication signal USB D+
4 GND I Ground
5 WL_HOST_WAKE O Wake On WLAN
6VCC I Power Supply 3.3V
7 N.C - Not connected
8 GND I Ground

User Manual
PAGE :
DOCUMENT No :
REG. DATE : 2016.09.02
MODEL NAME: TWFM-K008D(LGIT)
LGSWFAC71(LGE)
REV. DATE : 2016.09.02
REV.NO : v0.01
-
Copyrightⓒ. 2016. All Rights Reserved.
7/ 9
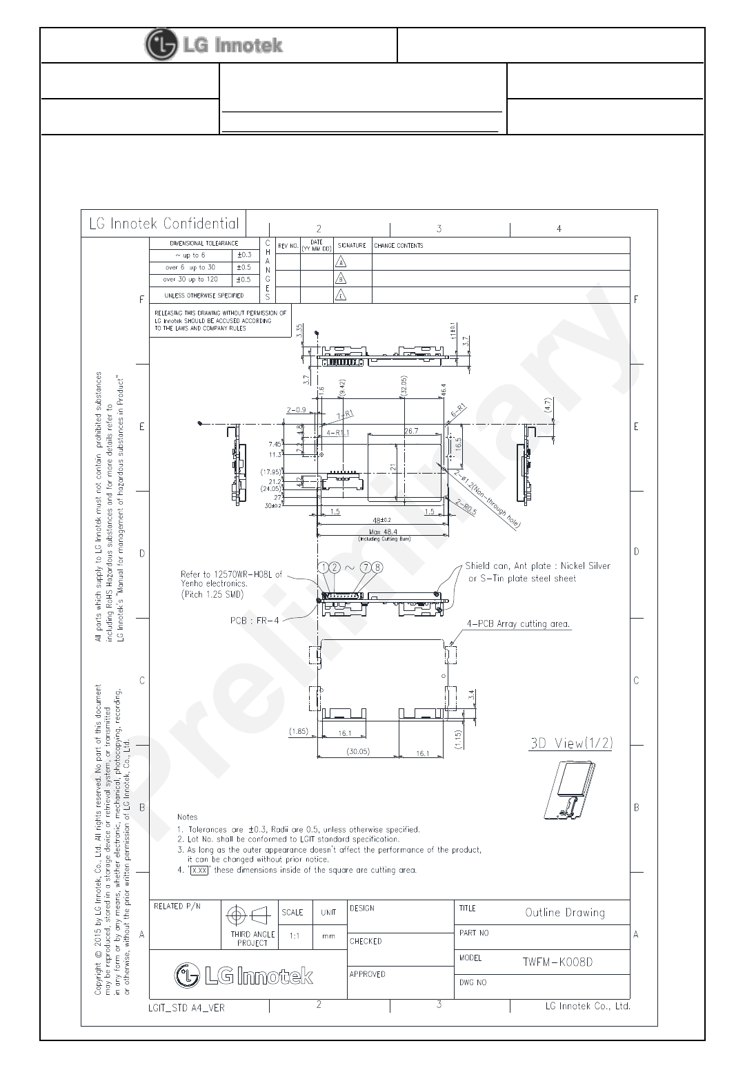
9. Outline Drawing
'16. 07. 12
'16. 07. 12
Changsung Kim.
Ilhee Park.
Jangeun Yang.
'16. 07. 12

User Manual
PAGE :
DOCUMENT No :
REG. DATE : 2016.09.02
MODEL NAME: TWFM-K008D(LGIT)
LGSWFAC71(LGE)
REV. DATE : 2016.09.02
REV.NO : v0.01
-
Copyrightⓒ. 2016. All Rights Reserved.
8/ 9
10. Packing Information
• 1 Tray Package Q’ty : 120EA
•Tray Material : Antistatic PET or Antistatic PS
•1 Tray Weight : 0.2kg
(1 Module Weight : 6.4 ±0.5g)
• 1 Box Package Q’ty : 720EA
•Box Size : A x B x C (512 x 377 x 121.5)
•Box Material : Corrugated Fibreboards
•1 Box Packing Weight : 6.3 ±0.4kg
• Tray Stacking Q’ty :6 Stack(Zigzag stack)
Corrugated Fibreboard
Tray
Inner Box
• Total Packing Q’ty : 1,440EA
•Total Packing Weight : 12.6±0.8kg
PP Band
Barcode LabelRoHS Marking
•RoHS Marking :
Label, Stamp, Printing
•Marking Color :
Gray or Red for Stamp, Label,
Printing on the board and etc.
Black only for Printing on Label.
10-1. Inner Box packing

User Manual
PAGE :
DOCUMENT No :
REG. DATE : 2016.09.02
MODEL NAME: TWFM-K008D(LGIT)
LGSWFAC71(LGE)
REV. DATE : 2016.09.02
REV.NO : v0.01
-
Copyrightⓒ. 2016. All Rights Reserved.
9/ 9
10-2. Carton Box Packing

User Manual
PAGE :
DOCUMENT No :
REG. DATE : 2016.09.02
MODEL NAME: TWFM-K008D(LGIT)
LGSWFAC71(LGE)
REV. DATE : 2016.09.02
REV.NO : v0.01
-
Copyrightⓒ. 2016. All Rights Reserved.
10 / 9
Regulatory Notices
1. FCC
FCC Part 15.19 Statements:
This device complies with Part 15 of the FCC Rules. Operation is subject to the following two
conditions: (1) this device may not cause harmful interference, and (2) this device must accept any
interference received, including interference that may cause undesired operation.
FCC Part 15.21 statement
Any changes or modifications not expressly approved by the party responsible for compliance could
void the user's authority to operate this equipment.
FCC Part 15.105 statement
This equipment has been tested and found to comply with the limits for a Class B digital device,
pursuant to part 15 of the FCC Rules.
These limits are designed to provide reasonable protection against harmful interference in a
residential installation. This equipment generates, uses and can radiate radio frequency energy and,
if not installed and used in accordance with the instructions, may cause harmful interference to
radio communications. However, there is no guarantee that interference will not occur in a particular
installation. If this equipment does cause harmful interference to radio or television reception, which
can be determined by turning the equipment off and on, the user is encouraged to try to correct
the interference by one or more of the following measures:
- Reorient or relocate the receiving antenna.
- Increase the separation between the equipment and receiver.
- Connect the equipment into an outlet on a circuit different from that to which the receiver
is connected.
Consult the dealer or an experienced radio/TV technician for help.
OEM Responsibilities to comply with FCC and Industry Canada Regulations
The module has been certified for integration into products only by OEM integrators under the
following condition:
- The antenna(s) must be installed such that a minimum separation distance of at least 20 cm is
maintained between the radiator (antenna) and all persons at all times.
- The transmitter module must not be co-located or operating in conjunction with any other antenna
or transmitter except in accordance with FCC multi-transmitter product procedures.
As long as the two condition above is met, further transmitter testing will not be required. However,
the OEM integrator is still responsible for testing their end-product for any additional compliance
requirements required with this module installed (for example, digital device emissions, PC
peripheral requirements, etc.).
End Product Labeling
The module is labeled with its own FCC ID and IC Certification Number. If the FCC ID and IC
Certification Number are not visible when the module is installed inside another device, then the
outside of the device into which the module is installed must also display a label referring to the
enclosed module. In that case, the final end product must be labeled in a visible area with the
following:
“Contains FCC ID: BEJLGSBWAC71
“Contains IC: 2703H-LGSBWAC71”

User Manual
PAGE :
DOCUMENT No :
REG. DATE : 2016.09.02
MODEL NAME: TWFM-K008D(LGIT)
LGSWFAC71(LGE)
REV. DATE : 2016.09.02
REV.NO : v0.01
-
Copyrightⓒ. 2016. All Rights Reserved.
11 / 9
2. IC
RSS-GEN, Sec. 7.1.3 –(licence-exempt radio apparatus)
This device complies with Industry Canada licence-exempt RSS standard(s). Operation is subject to
the following two conditions: (1) this device may not cause interference, and (2) this device must
accept any interference, including interference that may cause undesired operation of the device.
Le présent appareil est conforme aux CNR d’Industrie Canada applicables aux appareils radio
exempts de licence. L’exploitation est autorisée aux deux conditions suivantes : (1) l’appareil ne doit
pas produire de brouillage, et (2) l’utilisateur de l’appareil doit accepter tout brouillage
radioélectrique subi, même si le brouillage est susceptible d’en compromettre le fonctionnement.
RF Exposure
The antenna (or antennas) must be installed so as to maintain at all times a distance minimum of
at least 20 cm between the radiation source (antenna) and any individual. This device may not be
installed or used in conjunction with any other antenna or transmitter.
l'exposition aux RF
L’antenne (ou les antennes) doit être installée de façon à maintenir à tout instant une distance
minimum de au moins 20 cm entre la source de radiation (l’antenne) et toute personne physique.
Caution: Any changes or modifications to this device not explicitly approved by manufacturer could
void your authority to operate thisequipment.Attention:
Les changements ou modifications de cet appareil non expressément approuvé par le fabricant
peuvent annuler votre droit à utiliser cet équipement.
É tiquetage du produit final (IC)
Le module BT111 est étiqueté avec sa propre identification FCC et son propre numéro de
certification IC. Si l’identification FCC et le numéro de certification IC ne sont pas visibles lorsque
le module est installé à l’intérieur d’un autre dispositif, la partie externe du dispositif dans lequel
le module est installé devra également présenter une étiquette faisant référence au module inclus.
Dans ce cas, le produit final devra être étiqueté sur une zone visible avec les informations
suivantes :
« Contient module émetteur identification FCC ID : BEJLGSWFAC71
« Contient module émetteur IC : 2703H-LGSWFAC71”
3. CE
Hereby, ' LG Electronics USA, Inc.' declares that this LGSWFAC71 is in compliance with the essential
requirements and other relevant provisions of directive 1999/5/EC.
This device is restricted to indoor use only within the 5.15 ~ 5.25GHz Band.