LG Electronics USA RBHP-B213A Bluetooth Module User Manual SPECIFICATIONS FOR APPROVAL
LG Electronics USA Bluetooth Module SPECIFICATIONS FOR APPROVAL
User manual

CUSTOMER : LGE
DATE : 2017.09.06.
SPECIFICATIONS FOR APPROVAL
PRODUCT NAME : BT(v4.2) + WLAN(802.11a/b/g/n/ac) 2.4G SISO/5G MIMO
MODEL NAME : RBHP-B213A
CUSTOMER P/N : EAT63433501
APPROVAL REMARK
Designed Checked Approved
LG Innotek Co., Ltd.
DOCUMENT No. RBHP-B213A
PAGE 68
APPENDIX
(00)-0070
We only use Bluetooth.
5G WLAN function is disabled by software.
the module is to be installed in vehicle only

TITLE : Specifications for approval (RBHP-B213A)
(CUSTOMER P/NO : EAT63433501 )
REV 1.6 (2 / 68)
R
E
V
APPD CHKD DSGD
DOCUMENT NO.
6-3
RBHP-B213A
LG Innotek Co., Ltd
1.4 2017. 07.14. Rev1.4 Released
1.5 2017. 08.10. Rev1.5 Released
(30) - 4021
1.2 2017. 05.23. Rev1.2 Released
1.3 2017. 06.27. Rev1.3 Released
1.6 2017. 09.06. Rev1.6 Released
i
Change History of Revision
Revision Date Contents of Revision Change Remark
0.1 2015.4.23. Establishment
0.2 2015.9.15. Digital I/O Pins IN/OUT Range Spec. changed P.29
Pin configuration was modified P.52
Recommended Land Pattern updated P.59
0.3 2016.2.13. 2.4G WiFi power spec. updated P18
5G WiFi power spec. updated P22
0.4 2016.4.20. Model number is changed to RBHP-B213A(PCIe)
PCIe power-on timing inserted P34
Pin configuration is modified(PCIe inserted) P51
0.5 2016.6.10 Application updated P4
Blockdiagram updated P58
Customer P/N inserted P1
0.6 2016.9.4 Block diagram updated P58
0.7 2016.10.14 Bluetooth, WiFi Radiation performance spec. inserted P12,13,
14, 17,18,
22
0.8 2016.10.26 Customer P/N modified P1
0.9 2017.01.06 ESD spec. modified P49
Antenna Tube color modified P6
1.0 2017.02.28 Module Radiation sensitivity spec. modified P9
BT/WiFi core0 5G Antenna tube color changed P6
1.1 2017.05.17 Label information updated P5
1.2 2017.05.23 Out box label information updated P63
a
b
c
d
e
f
g
h
j
k
l
m
n
o
p
q

TITLE : Specifications for approval (RBHP-B213A)
(CUSTOMER P/NO : EAT63433501 )
REV 1.6 (3 / 68)
R
E
V
APPD CHKD DSGD
DOCUMENT NO.
6-3
RBHP-B213A
LG Innotek Co., Ltd
1.4 2017. 07.14. Rev1.4 Released
1.5 2017. 08.10. Rev1.5 Released
(30) - 4021
1.2 2017. 05.23. Rev1.2 Released
1.3 2017. 06.27. Rev1.3 Released
1.6 2017. 09.06. Rev1.6 Released
Change History of Revision
Revision Date Contents of Revision Change Remark
1.3 2017.6.27. PCIE power-on timing updated P35
PCIE I/O characteristics updated P50
RF performance guarantee min. VBAT voltage updated P53
Application schematic updated P63
1.4 2017.7.17. Bluetooth version updated P1
1.5 2017.8.10. Low temp. operating comment added in Clause 5.
(Customer Request) P5
1.6 2017.9.06. Reliability spec. updated P58
r
s
t
u
v
w
x

TITLE : Specifications for approval (RBHP-B213A)
(CUSTOMER P/NO : EAT63433501 )
REV 1.6 (4 / 68)
R
E
V
APPD CHKD DSGD
DOCUMENT NO.
6-3
RBHP-B213A
LG Innotek Co., Ltd
1.4 2017. 07.14. Rev1.4 Released
1.5 2017. 08.10. Rev1.5 Released
(30) - 4021
1.2 2017. 05.23. Rev1.2 Released
1.3 2017. 06.27. Rev1.3 Released
1.6 2017. 09.06. Rev1.6 Released
Table of Contents
1. Application
2. Quality
3. Appearance and Characteristics
4. Application of Bluetooth Module
5. Maximum Rating
6. Test
7. Labeling Information
8. Mechanical Dimension
9. General Features
10. Electrical Specification
11. Pin Configuration
12. Reliability Test
13. Block Diagram
14. Reference Circuit
15. Reflow Profile
16. Recommended Land Pattern
17. Packing Information
18. Ordering Information

TITLE : Specifications for approval (RBHP-B213A)
(CUSTOMER P/NO : EAT63433501 )
REV 1.6 (5 / 68)
R
E
V
APPD CHKD DSGD
DOCUMENT NO.
6-3
RBHP-B213A
LG Innotek Co., Ltd
1.4 2017. 07.14. Rev1.4 Released
1.5 2017. 08.10. Rev1.5 Released
(30) - 4021
1.2 2017. 05.23. Rev1.2 Released
1.3 2017. 06.27. Rev1.3 Released
1.6 2017. 09.06. Rev1.6 Released
1. Application
This specification is applied to LGInnotek Bluetooth (v4.2)and 2.4GHz SISO/5GHz MIMO
WLAN(802.11a/b/g/n/ac) Module RBHP-B213A which includes BCM88359
2. Quality
Quality should meet each condition which mentioned on this specification. However, the
items which are not mentioned on this specification follow the inspection agreements and
standards which are agreed with both companies.
3. Appearance and Characteristics
1) Appearance
Appearance should not be contaminated by harmful materials and should not have cracks
etc. Mechanical dimensions should meet the contents of clause 8.
2) Characteristics
Electrical characteristics should meet the contents of clause 10.
4. Application of Bluetooth v4.2 and 2.4GHz/5GHz WLAN(IEEE 802.11.a/b/g/n/ac)
1) Automotive
5. Maximum Rating
NO ITEM Rating UNIT
1 Operating Temperature Range -40 ~ +85 ℃
2 Storage Temperature Range -40 ~ +105 ℃
3 VBAT Voltage Range -0.5 ~ 6.0 V
4 VIO Voltage Range -0.5 ~ 3.9 V
5 VBAT Max. Current 700(@3.3V) mA
6 VIO Max. Current 50(@1.8V) mA
v
■ RBHP-B213A Module assures operating normally at -40 ~ +85℃.
w

TITLE : Specifications for approval (RBHP-B213A)
(CUSTOMER P/NO : EAT63433501 )
REV 1.6 (6 / 68)
R
E
V
APPD CHKD DSGD
DOCUMENT NO.
6-3
RBHP-B213A
LG Innotek Co., Ltd
1.4 2017. 07.14. Rev1.4 Released
1.5 2017. 08.10. Rev1.5 Released
(30) - 4021
1.2 2017. 05.23. Rev1.2 Released
1.3 2017. 06.27. Rev1.3 Released
1.6 2017. 09.06. Rev1.6 Released
EAT63433501
6. Test
Electrical characteristics are tested for every products. However, if there are any
objection in judgments, it should be treated with agreements of companies.
7. Labeling Information
No. Index
① PRODUCT
② MODEL PART NO.
③ MANUFACTURED YEAR (0~9)
④ MANUFACTURED MONTH(1,2, …9, A,B,C)
⑤ GwangJu
⑥ MANUFACTURED DATE (1~31)
⑦ MANUFACTURED SERIAL NUMBER(0001~9999)
⑧ Customer P/N
⑨ QR CODE INFORMATION
: EAT63433501_704GJ270059
②
④ ⑤
①
③ ⑥
⑧
RBHP-B213A
GWANGGAETOH
7 04 GJ 27 0059
⑦
p
⑨

TITLE : Specifications for approval (RBHP-B213A)
(CUSTOMER P/NO : EAT63433501 )
REV 1.6 (7 / 68)
R
E
V
APPD CHKD DSGD
DOCUMENT NO.
6-3
RBHP-B213A
LG Innotek Co., Ltd
1.4 2017. 07.14. Rev1.4 Released
1.5 2017. 08.10. Rev1.5 Released
(30) - 4021
1.2 2017. 05.23. Rev1.2 Released
1.3 2017. 06.27. Rev1.3 Released
1.6 2017. 09.06. Rev1.6 Released
8. Mechanical Dimension
1) Dimension without Antenna Ass’y
[Unit: mm]

TITLE : Specifications for approval (RBHP-B213A)
(CUSTOMER P/NO : EAT63433501 )
REV 1.6 (8 / 68)
R
E
V
APPD CHKD DSGD
DOCUMENT NO.
6-3
RBHP-B213A
LG Innotek Co., Ltd
1.4 2017. 07.14. Rev1.4 Released
1.5 2017. 08.10. Rev1.5 Released
(30) - 4021
1.2 2017. 05.23. Rev1.2 Released
1.3 2017. 06.27. Rev1.3 Released
1.6 2017. 09.06. Rev1.6 Released
8. Mechanical Dimension
2) Dimension with Antenna Ass’y
[Unit: mm]

TITLE : Specifications for approval (RBHP-B213A)
(CUSTOMER P/NO : EAT63433501 )
REV 1.6 (9 / 68)
R
E
V
APPD CHKD DSGD
DOCUMENT NO.
6-3
RBHP-B213A
LG Innotek Co., Ltd
1.4 2017. 07.14. Rev1.4 Released
1.5 2017. 08.10. Rev1.5 Released
(30) - 4021
1.2 2017. 05.23. Rev1.2 Released
1.3 2017. 06.27. Rev1.3 Released
1.6 2017. 09.06. Rev1.6 Released
9. General Features
1) Features
• Operation Voltage is 3.3V/1.8V Dual Power Rail
• WiFi Single-stream up to 866 Mbps data rate
• Automotive Module
: All components are AEC-Q 100/200 qualified
• Support 2 Antenna port
: ANT0 : Bluetooth/5G WLAN, ANT1 : 2.4G/5G WLAN
• Integrated WLAN PA, RF Switch and LNA
• RoHS Compliant
• Size : 35.3 x 35.3 x 7.8 mm3
• Support bandwidth : HT20 / HT40 / VHT80
• HOST Interface : PCIE/SDIO(WLAN), UART(BT), PCM(I2S)
• Package type : Connector type(B to B)
9.1 BT(v4.2) + 2.4GHz/5GHz WLAN(IEEE 802.11a/b/g/n/ac) 2.4G SISO/5G MIMO

TITLE : Specifications for approval (RBHP-B213A)
(CUSTOMER P/NO : EAT63433501 )
REV 1.6 (10 / 68)
R
E
V
APPD CHKD DSGD
DOCUMENT NO.
6-3
RBHP-B213A
LG Innotek Co., Ltd
1.4 2017. 07.14. Rev1.4 Released
1.5 2017. 08.10. Rev1.5 Released
(30) - 4021
1.2 2017. 05.23. Rev1.2 Released
1.3 2017. 06.27. Rev1.3 Released
1.6 2017. 09.06. Rev1.6 Released
9. General Features
1) Bluetooth Key Features
• Supports key features of upcoming Bluetooth standards
• Fully supports Bluetooth Core Specification version 4.2 + (Enhanced Data Rate)
EDR features:
-. Adaptive Frequency Hopping (AFH)
-. Quality of Service (QoS)
-. Extended Synchronous Connections (eSCO) – Voice Connections
-. Fast Connect (interlaced page and inquiry scans)
-. Secure simple Pairing (SSP)
-. Sniff Sub rating (SSR)
-. Encryption Pause Resume (EPR)
-. Extended Inquiry Response (EIR)
-. Link Supervision Timeout (LST)
• UART baud rates up to 4 Mbps
• Supports all Bluetooth 4.2 packet types
• Supports maximum Bluetooth data rates over HCI UART
• Multipoint operation with up to seven active slaves
-. Maximum of seven simultaneous active ACL links
-. Maximum of three simultaneous active SCO and eSCO connections with
scatternet support
• Narrowband and wideband packet loss concealment
• Scatternet operation with up to four active piconets with background scan and
support for scatter mode
• High-speed HCI UART transport support
• Channel quality driven data rate and packet type selection
• Standard Bluetooth test modes
• Extended radio and production test mode features
• Full support for power savings modes
-. Bluetooth clock request
-. Bluetooth standard sniff
-. Deep-sleep modes and software regulator shutdown
9.2 Bluetooth(BT v4.2+EDR compliant)

TITLE : Specifications for approval (RBHP-B213A)
(CUSTOMER P/NO : EAT63433501 )
REV 1.6 (11 / 68)
R
E
V
APPD CHKD DSGD
DOCUMENT NO.
6-3
RBHP-B213A
LG Innotek Co., Ltd
1.4 2017. 07.14. Rev1.4 Released
1.5 2017. 08.10. Rev1.5 Released
(30) - 4021
1.2 2017. 05.23. Rev1.2 Released
1.3 2017. 06.27. Rev1.3 Released
1.6 2017. 09.06. Rev1.6 Released
9. General Features
1) WLAN RF band & modulation Features
• Dual-band 2.4GHz and 5GHz 802.11 a/b/g/n/ac(802.11ac compliant)
• Up to 866Mbps data rate
• Supports 20, 40 and 80MHz channels with optional SGI(256 QAM modulation)
• Tx and Rx low-density parity check(LDPC)
• Supports IEEE 802.11ac/n beamforming
• Supports PCIe v3.0-compliant interface running at GEN1 speeds
• Supports two antennas with Bluetooth/5G WLAN and 2.4G/5G WLAN antenna
• Supports standard SDIO V3.0 (up to SDR104 mode at 208MHz, 4-bit and 1-bit)
• Backward compatibility with SDIO v2.0 host interface
• WPA and WPA2(Personal) support for powerful encryption and authentication
• AES and TKIP in hardware for faster data encryption and IEEE 802.11i
compatibility
• Reference WLAN subsystem provides Wi-Fi protected Setup(WPS)
2) WLAN MAC features
• Enhanced MAC for supporting IEEE 802.11ac features
• Transmission and reception of aggregated MPDUs(A-MPDU) for high
throughput(HT)
• Support for power management schemes, including WMM power-save multi-
poll(PSMP) and multiphase PSMP operation
• Support for immediate ACK and block-ACK policies
• Inter-frame space timing support, including RIFS
• Back-off counters in hardware for supporting multiple priorities as specified in the
WMM specification
• Timing synchronization function(TSF), network allocation vector(NAV)
maintenance, and target beacon transmission time(TBTT) generation in hardware
• Hardware offload for AES-CCMP, legacy WPA TKIP, legacy WEP ciphers, WAPI,
and support for key management
• Programmable independent basic service set(IBSS) or infrastructure basic service
set functionality
9.3 WLAN

TITLE : Specifications for approval (RBHP-B213A)
(CUSTOMER P/NO : EAT63433501 )
REV 1.6 (12 / 68)
R
E
V
APPD CHKD DSGD
DOCUMENT NO.
6-3
RBHP-B213A
LG Innotek Co., Ltd
1.4 2017. 07.14. Rev1.4 Released
1.5 2017. 08.10. Rev1.5 Released
(30) - 4021
1.2 2017. 05.23. Rev1.2 Released
1.3 2017. 06.27. Rev1.3 Released
1.6 2017. 09.06. Rev1.6 Released
3) WLAN PHY features
• Programmable data rates from MCS0-9 in 20MHz, 40MHz, and 80MHz channels,
as specified in IEEE 802.11ac
• Improved performance with channel smoothing and spur canceller support
• Supports Optional short GI and Green field modes in Tx and Rx
• Tx and Rx LDPC for improved range and power efficiency
• Beamforming support
• Supports IEEE 802.11h/k for worldwide operation
• Advanced algorithms for low power, enhanced sensitivity, range, and reliability
• IEEE 802.11a, 11b, 11g, 11n, 11ac single stream PHY standards
• Designed to meet FCC and other worldwide regulatory requirements
9. General Features
9.3 WLAN
9.4 JEDEC MSL (Moisture Sensitivity Level) Test
• MSL 3 Level (Floor Life Time : 168Hrs. / Condition : ≤30℃, 60% RH)
• Standard : IPC / JEDEC J-STD-020C
Bake
Soak
Reflow
24Hrs. / 125℃
40Hrs. / 60℃, 60% RH
3 times / 240℃

TITLE : Specifications for approval (RBHP-B213A)
(CUSTOMER P/NO : EAT63433501 )
REV 1.6 (13 / 68)
R
E
V
APPD CHKD DSGD
DOCUMENT NO.
6-3
RBHP-B213A
LG Innotek Co., Ltd
1.4 2017. 07.14. Rev1.4 Released
1.5 2017. 08.10. Rev1.5 Released
(30) - 4021
1.2 2017. 05.23. Rev1.2 Released
1.3 2017. 06.27. Rev1.3 Released
1.6 2017. 09.06. Rev1.6 Released
10. Electrical Specification
1) Basic Data Rate - Rx Performance
General Performance
Parameter Condition Min Typ Max Unit
Frequency Range 2402 2480 MHz
Impedance BT_ANT Pin - 50 - Ohm
Receiver Performance
Parameter Condition Min Typ Max Unit
Sensitivity level (BER≤0.1%)
(Radiation performance) Single slot - - -84
(-75) dBm
Sensitivity level (BER≤0.1%)
(Radiation performance) Multi slot - - -84
(-75) dBm
C/I performance1)
(BER≤0.1%) C/I co-channel , Input=-60dBm - - 11 dB
C/I 1MHz , Input=-60dBm - - 0 dB
C/I 2MHz , Input=-60dBm - - -20 dB
C/I ≥3MHz , Input=-67dBm - - -40 dB
Image radio , Input=-67dBm - - -9 dB
Image±1 , Input=-67dBm - - -20 dB
Out-of-band Blocking2)
(BER≤0.1%) 30MHz ~ 2000MHz -10 - - dBm
2000MHz ~ 2400MHz -27 - - dBm
2500MHz ~ 3000MHz -27 - - dBm
3000MHz ~ 12.75GHz -10 - - dBm
Intermodulation (BER≤0.1%) Input=-64dBm, n=5 -39 - - dBm
Maximum Input Level
(BER≤0.1%) -20 - - dBm
10.1 Bluetooth
k

TITLE : Specifications for approval (RBHP-B213A)
(CUSTOMER P/NO : EAT63433501 )
REV 1.6 (14 / 68)
R
E
V
APPD CHKD DSGD
DOCUMENT NO.
6-3
RBHP-B213A
LG Innotek Co., Ltd
1.4 2017. 07.14. Rev1.4 Released
1.5 2017. 08.10. Rev1.5 Released
(30) - 4021
1.2 2017. 05.23. Rev1.2 Released
1.3 2017. 06.27. Rev1.3 Released
1.6 2017. 09.06. Rev1.6 Released
2) Basic Data Rate - Tx Performance
Transmitter Performance
Parameter Condition Min Typ Max Unit
Transmit Power
(Radiation performance) All temperature -6
(-8) 2 4
(6) dBm
Power density All temperature - - 20 dBm
Frequency Range All temperature 2402 - 2480 MHz
20dB bandwidth All temperature - - 1000 KHz
Adjacent channel power3) ±2MHz - - -20 dBm
±3MHz - - -40 dBm
±4MHz - - -40 dBm
Out-band Spurious Emission 30MHz ~ 1GHz - - -36 dBm
1GHz ~ 12.75GHz - - -30 dBm
1.8GHz ~ 1.9GHz - - -47 dBm
5.1GHz ~ 5.3GHz - - -47 dBm
Modulation Characteristics ΔF1avg 140 - 175 KHz
ΔF2max 115 - - KHz
ΔF2avg/ΔF1avg 80 - - %
Initial Carrier Frequency
Tolerance DH1 packet -75 - 75 KHz
Carrier Frequency Drift Five slot packet(DH5) -40 - 40 KHz
10. Electrical Specification
10.1 Bluetooth
k

TITLE : Specifications for approval (RBHP-B213A)
(CUSTOMER P/NO : EAT63433501 )
REV 1.6 (15 / 68)
R
E
V
APPD CHKD DSGD
DOCUMENT NO.
6-3
RBHP-B213A
LG Innotek Co., Ltd
1.4 2017. 07.14. Rev1.4 Released
1.5 2017. 08.10. Rev1.5 Released
(30) - 4021
1.2 2017. 05.23. Rev1.2 Released
1.3 2017. 06.27. Rev1.3 Released
1.6 2017. 09.06. Rev1.6 Released
3) Enhanced Data Rate - Rx Performance
Enhanced Data Rate Receiver Performance
Parameter Condition Min Typ Max Unit
Sensitivity at 0.01% BER
(Radiation performance) π/4 DQPSK/8DPSK - - -80
(-75) dBm
Maximum received signal at 0.1%
BER
π/4 DQPSK -20 - - dBm
8DPSK -20 - - dBm
C/I co-channel at 0.1% BER π/4 DQPSK - - 13 dB
8DPSK - - 21 dB
Adjacent channel selectivity C/I
F=F0+1MHz
π/4 DQPSK - - 0 dB
8DPSK - - 5 dB
Adjacent channel selectivity C/I
F=F0-1MHz
π/4 DQPSK - - 0 dB
8DPSK - - 5 dB
Adjacent channel selectivity C/I
F=F0+2MHz
π/4 DQPSK - - -30 dB
8DPSK - - -25 dB
Adjacent channel selectivity C/I
F=F0-2MHz
π/4 DQPSK - - -20 dB
8DPSK - - -13 dB
Adjacent channel selectivity C/I
F≥F0+3MHz
π/4 DQPSK - - -40 dB
8DPSK - - -33 dB
Adjacent channel selectivity C/I
F≤F0-5MHz
π/4 DQPSK - - -40 dB
8DPSK - - -33 dB
Adjacent channel selectivity C/I
F=Fimage
π/4 DQPSK - - -7 dB
8DPSK - - 0 dB
10. Electrical Specification
10.1 Bluetooth
k

TITLE : Specifications for approval (RBHP-B213A)
(CUSTOMER P/NO : EAT63433501 )
REV 1.6 (16 / 68)
R
E
V
APPD CHKD DSGD
DOCUMENT NO.
6-3
RBHP-B213A
LG Innotek Co., Ltd
1.4 2017. 07.14. Rev1.4 Released
1.5 2017. 08.10. Rev1.5 Released
(30) - 4021
1.2 2017. 05.23. Rev1.2 Released
1.3 2017. 06.27. Rev1.3 Released
1.6 2017. 09.06. Rev1.6 Released
Enhanced Data Rate Transmitter Performance
Parameter Condition Min Typ Max Unit
Relative transmit power. -4 -1 1 dB
π/4 DQPSK max carrier frequency stability |ωo| -10 - 10 kHz
π/4 DQPSK max carrier frequency stability |ωi| -75 - 75 kHz
π/4 DQPSK max carrier frequency stability |ωo+ωi | -75 - 75 kHz
8 DPSK max carrier frequency stability |ωo| -10 - 10 kHz
8 DPSK max carrier frequency stability |ωi| -75 - 75 kHz
8 DPSK max carrier frequency stability |ωo+ωi | -75 - 75 kHz
π/4 DQPSK Modulation Accuracy
RMS DEVM - - 20 %
99% DEVM - - 30 %
Peak DEVM - - 35 %
8 DPSK Modulation Accuracy
RMS DEVM - - 13 %
99% DEVM - - 20 %
Peak DEVM - - 25 %
In-Band spurious emissions
F>F0+3MHz - - -40 dBm
F<F0-3MHz - - -40 dBm
F=F0-3MHz - - -40 dBm
F=F0-2MHz - - -20 dBm
F=F0-1MHz - - -26 dBm
F=F0+1MHz - - -26 dBm
F=F0+2MHz - - -20 dBm
F=F0+3MHz - - -40 dBm
EDR Differential Phase Encoding (No error) 99 - - %
4) Enhanced Data Rate - Tx Performance
10. Electrical Specification
10.1 Bluetooth

TITLE : Specifications for approval (RBHP-B213A)
(CUSTOMER P/NO : EAT63433501 )
REV 1.6 (17 / 68)
R
E
V
APPD CHKD DSGD
DOCUMENT NO.
6-3
RBHP-B213A
LG Innotek Co., Ltd
1.4 2017. 07.14. Rev1.4 Released
1.5 2017. 08.10. Rev1.5 Released
(30) - 4021
1.2 2017. 05.23. Rev1.2 Released
1.3 2017. 06.27. Rev1.3 Released
1.6 2017. 09.06. Rev1.6 Released
5) BLE Performance
10. Electrical Specification
10.1 Bluetooth
General Performance
Parameter Condition Min Typ Max Unit
Frequency Range 2402 2480 MHz
Impedance BT_ANT Pin - 50 - Ohm
Sensitivity level (BER≤0.1%)
(Radiation performance) GFSK(1Mbps) - - -87
(-75) dBm
Transmit Power - -6
(-8) 2 4
(6) dBm
Modulation Characteristics ΔF1avg 225 - 275 KHz
ΔF2avg 230 - - KHz
ΔF2avg/ΔF1avg 80 - - %
J

TITLE : Specifications for approval (RBHP-B213A)
(CUSTOMER P/NO : EAT63433501 )
REV 1.6 (18 / 68)
R
E
V
APPD CHKD DSGD
DOCUMENT NO.
6-3
RBHP-B213A
LG Innotek Co., Ltd
1.4 2017. 07.14. Rev1.4 Released
1.5 2017. 08.10. Rev1.5 Released
(30) - 4021
1.2 2017. 05.23. Rev1.2 Released
1.3 2017. 06.27. Rev1.3 Released
1.6 2017. 09.06. Rev1.6 Released
General Performance
Parameter Condition Min Typ Max Unit
Frequency Range 2.4G WiFi 2400 2500 MHz
5G WiFi 4900 5845 MHz
Impedance WLAN_ANT Pin - 50 - Ohm
10. Electrical Specification
1) 2.4GHz DSSS and HR/DSSS (CCK) Transmitter
-. IEEE 802.11b DSSS and HR/DSSS modulation
Transmitter Performance
Parameter Condition Min Typ Max Unit
RMS Transmit power
(Radiation performance) 11Mbps CCK 13
(8) 16 19
(24) dBm
RMS EVM 11Mbps CCK - - 35 %
Spectral mask, 1st Sidelobe 11Mbps CCK (fc±11MHz) - - -30 dBr
Spectral mask, 2nd Sidelobe 11Mbps CCK (fc±22MHz) - - -50 dBr
RF Carrier suppression Normal/Extreme 15 - - dBc
Spurious emissions 30MHz ~ 1GHz ( RBW=100kHZ) - - -62 dBm
1GHz ~ 12.75GHz
(RBW=1MHz) - - -47 dBm
1.8GHz ~ 1.9GHz
(RBW=1MHz) - - -53 dBm
5.15GMHz ~ 5.3GHz
(RBW=1MHz) - - -53 dBm
10.2 WLAN
k

TITLE : Specifications for approval (RBHP-B213A)
(CUSTOMER P/NO : EAT63433501 )
REV 1.6 (19 / 68)
R
E
V
APPD CHKD DSGD
DOCUMENT NO.
6-3
RBHP-B213A
LG Innotek Co., Ltd
1.4 2017. 07.14. Rev1.4 Released
1.5 2017. 08.10. Rev1.5 Released
(30) - 4021
1.2 2017. 05.23. Rev1.2 Released
1.3 2017. 06.27. Rev1.3 Released
1.6 2017. 09.06. Rev1.6 Released
Transmitter Performance
Parameter Condition Min Typ. Max Unit
RMS Transmit
power
(Radiation
performance)
OFDM, 64-QAM(3/4) 9
(4) 12 15
(20) dBm
OFDM, 64-QAM(5/6) 9
(4) 12 15
(20) dBm
RMS EVM OFDM, 64-QAM(3/4) - - -25 dB
OFDM, 64-QAM(5/6) - - -27 dB
Spectral mask OFDM, 64-QAM(3/4) (fc±11MHz) - - -20 dBr
OFDM, 64-QAM(3/4) (fc±20MHz) - - -28 dBr
OFDM, 64-QAM(3/4) (fc±30MHz) - - -40 dBr
OFDM, 64-QAM(5/6) (fc±11MHz) HT20 - - -20 dBr
OFDM, 64-QAM(5/6) (fc±20MHz) HT20 - - -28 dBr
OFDM, 64-QAM(5/6) (fc±30MHz) HT20 - - -45 dBr
Center frequency
leakage Normal/Extreme - - -15 dB
Spurious
emissions 30MHz ~ 1GHz ( RBW=100kHZ) - - -62 dBm
1GHz ~ 12.75GHz
(RBW=1MHz) - - -47 dBm
1.8GHz ~ 1.9GHz
(RBW=1MHz) - - -53 dBm
5.15GMHz ~ 5.3GHz
(RBW=1MHz) - - -53 dBm
10. Electrical Specification
2) 2.4GHz OFDM Transmitter
-. IEEE 802.11g and IEEE 802.11n(HT 20/40 modes MCS0 to MCS7) OFDM modulation
10.2 WLAN
d
k

TITLE : Specifications for approval (RBHP-B213A)
(CUSTOMER P/NO : EAT63433501 )
REV 1.6 (20 / 68)
R
E
V
APPD CHKD DSGD
DOCUMENT NO.
6-3
RBHP-B213A
LG Innotek Co., Ltd
1.4 2017. 07.14. Rev1.4 Released
1.5 2017. 08.10. Rev1.5 Released
(30) - 4021
1.2 2017. 05.23. Rev1.2 Released
1.3 2017. 06.27. Rev1.3 Released
1.6 2017. 09.06. Rev1.6 Released
10. Electrical Specification
3) 2.4GHz DSSS and HR/DSSS (CCK) Receiver
-. IEEE 802.11b DSSS and HR/DSSS modulation
Receiver Performance
Parameter Condition Min Typ Max Unit
Rx sensitivity
(Radiation performance)
1Mbps DSSS1) - - -89(-81) dBm
2Mbps DSSS1) - - -84(-76) dBm
5.5Mbps CCK1) - - -80(-72) dBm
11Mbps CCK1) - - -76(-68) dBm
Maximum input level DSSS1) -10 - - dBm
CCK1) -10 - - dBm
Adjacent channel rejection DSSS2) - - 35 dBr
CCK2) - - 35 dBr
1) 1024-byte packets, 8% PER
2) 1024-byte packets, 8% PER, 25MHz channel separation.
10.2 WLAN
n

TITLE : Specifications for approval (RBHP-B213A)
(CUSTOMER P/NO : EAT63433501 )
REV 1.6 (21 / 68)
R
E
V
APPD CHKD DSGD
DOCUMENT NO.
6-3
RBHP-B213A
LG Innotek Co., Ltd
1.4 2017. 07.14. Rev1.4 Released
1.5 2017. 08.10. Rev1.5 Released
(30) - 4021
1.2 2017. 05.23. Rev1.2 Released
1.3 2017. 06.27. Rev1.3 Released
1.6 2017. 09.06. Rev1.6 Released
10. Electrical Specification
4) 2.4GHz OFDM Receiver
-. IEEE 802.11g and IEEE 802.11n (HT 20/40 modes MCS0 to MCS7 800ns Guard Interval
non-STBC) OFDM modulation
10.2 WLAN
Receiver Performance
Parameter Condition Min Typ Max Unit
Maximum input level3)
(Radiation performance) Normal/Extreme -20 - - dBm
Rx sensitivity
(Radiation performance)
(IEEE 802.11g)
6Mbps1) - - -82(-74) dBm
9Mbps1) - - -81(-73) dBm
12Mbps1) - - -79(-71) dBm
18Mbps1) - - -77(-69) dBm
24Mbps1) - - -74(-68) dBm
36Mbps1) - - -70(-62) dBm
48Mbps1) - - -66(-58) dBm
54Mbps1) - - -65(-57) dBm
Rx sensitivity
(Radiation performance)
(IEEE 802.11n)
MCS02) (HT 20) - - -82(-74) dBm
MCS12) (HT 20) - - -79(-71) dBm
MCS22) (HT 20) - - -77(-69) dBm
MCS32) (HT 20) - - -74(-68) dBm
MCS42) (HT 20) - - -70(-62) dBm
MCS52) (HT 20) - - -66(-58) dBm
MCS62) (HT 20) - - -65(-57) dBm
MCS72) (HT 20) - - -64(-56) dBm
1) 1024-byte packets, 10% PER.
2) 4096-byte packets, 10% PER. Applies to both HT-mixed(HT_MF) and HT-greenfield(HT-GF) format packet preamble types.
3) 1024-byte packets OFDM or 4096-byte HT packets, 10% PER.
4) 1024-byte packets, 10% PER, 25MHz channel separation.
5) 4096-byte packets, 10% PER, 25MHz channel separation.

TITLE : Specifications for approval (RBHP-B213A)
(CUSTOMER P/NO : EAT63433501 )
REV 1.6 (22 / 68)
R
E
V
APPD CHKD DSGD
DOCUMENT NO.
6-3
RBHP-B213A
LG Innotek Co., Ltd
1.4 2017. 07.14. Rev1.4 Released
1.5 2017. 08.10. Rev1.5 Released
(30) - 4021
1.2 2017. 05.23. Rev1.2 Released
1.3 2017. 06.27. Rev1.3 Released
1.6 2017. 09.06. Rev1.6 Released
10. Electrical Specification
10.2 WLAN
Adjacent channel rejection
(IEEE 802.11g)
6Mbps4) 16 - - dB
9Mbps4) 15 - - dB
12Mbps4) 13 - - dB
18Mbps4) 11 - - dB
24Mbps4) 8 - - dB
36Mbps4) 4 - - dB
48Mbps4) 0 - - dB
54Mbps4) -1 - - dB
Adjacent channel rejection
(IEEE 802.11n)
MCS05) 16 - - dB
MCS15) 13 - - dB
MCS25) 11 - - dB
MCS35) 8 - - dB
MCS45) 4 - - dB
MCS55) 0 - - dB
MCS65) -1 - - dB
MCS75) -2 - - dB
Receiver Performance
Parameter Condition Min Typ Max Unit

TITLE : Specifications for approval (RBHP-B213A)
(CUSTOMER P/NO : EAT63433501 )
REV 1.6 (23 / 68)
R
E
V
APPD CHKD DSGD
DOCUMENT NO.
6-3
RBHP-B213A
LG Innotek Co., Ltd
1.4 2017. 07.14. Rev1.4 Released
1.5 2017. 08.10. Rev1.5 Released
(30) - 4021
1.2 2017. 05.23. Rev1.2 Released
1.3 2017. 06.27. Rev1.3 Released
1.6 2017. 09.06. Rev1.6 Released
Transmitter Performance
Parameter Condition Min Typ Max Unit
RMS Transmit
power
(Radiation
performance)
OFDM, 64-QAM(3/4)/(5/6) 9
(4) 12 15
(20) dBm
OFDM, 256-QAM(3/4)/(5/6) 5
(0) 8 11
(16) dBm
RMS EVM OFDM, 64-QAM(3/4) - - -25 dB
OFDM, 64-QAM(5/6) - - -27 dB
OFDM, 256-QAM(3/4) - - -30 dB
OFDM, 256-QAM(5/6) - - -32 dB
10. Electrical Specification
5) 5GHz OFDM Transmitter
-. IEEE 802.11a, IEEE 802.11n (HT 20/40 modes MCS0 to MCS7) and IEEE 802.11ac OFDM
modulation((VHT 20/40, VHT80 modes MCS0 to MCS9)
10.2 WLAN
Spectral mask OFDM, 64-QAM(3/4) (fc±11MHz) - - -20 dBr
OFDM, 64-QAM(3/4) (fc±20MHz) - - -28 dBr
OFDM, 64-QAM(3/4) (fc±30MHz) - - -40 dBr
OFDM, 64-QAM(5/6) (fc±11MHz) HT20 - - -20 dBr
OFDM, 64-QAM(5/6) (fc±20MHz) HT20 - - -28 dBr
OFDM, 64-QAM(5/6) (fc±30MHz) HT20 - - -45 dBr
OFDM, 64-QAM(5/6) (fc±21MHz) HT40 - - -20 dBr
OFDM, 64-QAM(5/6) (fc±40MHz) HT40 - - -28 dBr
OFDM, 64-QAM(5/6) (fc±60MHz) HT40 - - -45 dBr
OFDM, 256-QAM(5/6) (fc±11MHz) VHT20 - - -20 dBr
OFDM, 256-QAM(5/6) (fc±20MHz) VHT20 - - -28 dBr
OFDM, 256-QAM(5/6) (fc±30MHz) VHT20 - - -40 dBr
e
k

TITLE : Specifications for approval (RBHP-B213A)
(CUSTOMER P/NO : EAT63433501 )
REV 1.6 (24 / 68)
R
E
V
APPD CHKD DSGD
DOCUMENT NO.
6-3
RBHP-B213A
LG Innotek Co., Ltd
1.4 2017. 07.14. Rev1.4 Released
1.5 2017. 08.10. Rev1.5 Released
(30) - 4021
1.2 2017. 05.23. Rev1.2 Released
1.3 2017. 06.27. Rev1.3 Released
1.6 2017. 09.06. Rev1.6 Released
10. Electrical Specification
10.2 WLAN
Transmitter Performance
Parameter Condition Min Typ Max Unit
Spectral mask OFDM, 256-QAM(5/6) (fc±21MHz) VHT40 - - -20 dBr
OFDM, 256-QAM(5/6) (fc±40MHz) VHT40 - - -28 dBr
OFDM, 256-QAM(5/6) (fc±60MHz) VHT40 - - -40 dBr
OFDM, 256-QAM(5/6) (fc±41MHz) VHT80 - - -20 dBr
OFDM, 256-QAM(5/6) (fc±80MHz) VHT80 - - -28 dBr
OFDM, 256-QAM(5/6) (fc±120MHz) VHT80 - - -40 dBr
Center frequency
leakage Normal/Extreme - - -15 dB
Spurious
emissions 30MHz ~ 1GHz ( RBW=100kHZ) - - -62 dBm
1GHz ~ 12.75GHz
(RBW=1MHz) - - -47 dBm
1.8GHz ~ 1.9GHz
(RBW=1MHz) - - -53 dBm
5.15GMHz ~ 5.3GHz
(RBW=1MHz) - - -53 dBm

TITLE : Specifications for approval (RBHP-B213A)
(CUSTOMER P/NO : EAT63433501 )
REV 1.6 (25 / 68)
R
E
V
APPD CHKD DSGD
DOCUMENT NO.
6-3
RBHP-B213A
LG Innotek Co., Ltd
1.4 2017. 07.14. Rev1.4 Released
1.5 2017. 08.10. Rev1.5 Released
(30) - 4021
1.2 2017. 05.23. Rev1.2 Released
1.3 2017. 06.27. Rev1.3 Released
1.6 2017. 09.06. Rev1.6 Released
10. Electrical Specification
1) 1024-byte packets, 10% PER.
2) 4096-byte packets, 10% PER. Applies to both HT-mixed(HT_MF) and HT-greenfield(HT-GF) format packet
preamble types.
3) 1024-byte packets OFDM or 4096-byte HT packets, 10% PER.
4) 1024-byte packets, 10% PER, 25MHz channel separation.
5) 4096-byte packets, 10% PER, 25MHz channel separation.
10.2 WLAN
5) 5GHz OFDM Receiver
-. IEEE 802.11a, IEEE 802.11n (HT 20/40 modes MCS0 to MCS7) and IEEE 802.11ac OFDM
modulation((HT 20/40, VHT80 modes MCS0 to MCS9)
Receiver Performance
Parameter Condition Min Typ Max Unit
Maximum input level3)
(Radiation performance)
Normal/Extreme -30 - - dBm
Rx sensitivity
(Radiation performance)
(IEEE 802.11a)
6Mbps1) - - -82(-74) dBm
9Mbps1) - - -81(-73) dBm
12Mbps1) - - -79(-71) dBm
18Mbps1) - - -77(-69) dBm
24Mbps1) - - -74(-68) dBm
36Mbps1) - - -70(-62) dBm
48Mbps1) - - -66(-58) dBm
54Mbps1) - - -65(-57) dBm
Rx sensitivity
(Radiation performance)
(IEEE 802.11n)
MCS02) (HT 20) - - -82(-74) dBm
MCS12) (HT 20) - - -79(-71) dBm
MCS22) (HT 20) - - -77(-69) dBm
MCS32) (HT 20) - - -74(-68) dBm
MCS42) (HT 20) - - -70(-62) dBm
MCS52) (HT 20) - - -66(-58) dBm
MCS62) (HT 20) - - -65(-57) dBm
MCS72) (HT 20) - - -64(-56) dBm

TITLE : Specifications for approval (RBHP-B213A)
(CUSTOMER P/NO : EAT63433501 )
REV 1.6 (26 / 68)
R
E
V
APPD CHKD DSGD
DOCUMENT NO.
6-3
RBHP-B213A
LG Innotek Co., Ltd
1.4 2017. 07.14. Rev1.4 Released
1.5 2017. 08.10. Rev1.5 Released
(30) - 4021
1.2 2017. 05.23. Rev1.2 Released
1.3 2017. 06.27. Rev1.3 Released
1.6 2017. 09.06. Rev1.6 Released
10. Electrical Specification
10.2 WLAN
Receiver Performance
Parameter Condition Min Typ Max Unit
Rx sensitivity
(IEEE 802.11n)
MCS02) (HT 40) - - -79(-71) dBm
MCS12) (HT 40) - - -76(-68) dBm
MCS22) (HT 40) - - -74(-66) dBm
MCS32) (HT 40) - - -71(-63) dBm
MCS42) (HT 40) - - -69(-61) dBm
MCS52) (HT 40) - - -63(-55) dBm
MCS62) (HT 40) - - -62(-54) dBm
MCS72) (HT 40) - - -61(-53) dBm
Rx sensitivity
(IEEE 802.11ac)
MCS02) (VHT 20) - - -82(-74) dBm
MCS12) (VHT 20) - - -79(-71) dBm
MCS22) (VHT 20) - - -77(-69) dBm
MCS32) (VHT 20) - - -74(-66) dBm
MCS42) (VHT 20) - - -70(-62) dBm
MCS52) (VHT 20) - - -66(-58) dBm
MCS62) (VHT 20) - - -65(-57) dBm
MCS72) (VHT 20) - - -64(-56) dBm
MCS82) (VHT 20) - - -59(-51) dBm
MCS92) (VHT 20) - - -57(-49) dBm

TITLE : Specifications for approval (RBHP-B213A)
(CUSTOMER P/NO : EAT63433501 )
REV 1.6 (27 / 68)
R
E
V
APPD CHKD DSGD
DOCUMENT NO.
6-3
RBHP-B213A
LG Innotek Co., Ltd
1.4 2017. 07.14. Rev1.4 Released
1.5 2017. 08.10. Rev1.5 Released
(30) - 4021
1.2 2017. 05.23. Rev1.2 Released
1.3 2017. 06.27. Rev1.3 Released
1.6 2017. 09.06. Rev1.6 Released
10. Electrical Specification
10.2 WLAN
Receiver Performance
Parameter Condition Min Typ Max Unit
Rx sensitivity
(IEEE 802.11ac)
MCS02) (VHT 40) - - -79(-71) dBm
MCS12) (VHT 40) - - -76(-68) dBm
MCS22) (VHT 40) - - -74(-66) dBm
MCS32) (VHT 40) - - -71(-63) dBm
MCS42) (VHT 40) - - -67(-59) dBm
MCS52) (VHT 40) - - -63(-55) dBm
MCS62) (VHT 40) - - -62(-54) dBm
MCS72) (VHT 40) - - -61(-53) dBm
MCS82) (VHT 40) - - -56(-48) dBm
MCS92) (VHT 40) - - -53(-45) dBm
Rx sensitivity
(IEEE 802.11ac)
MCS02) (VHT 80) - - -76(-68) dBm
MCS12) (VHT 80) - - -73(-65) dBm
MCS22) (VHT 80) - - -71(-63) dBm
MCS32) (VHT 80) - - -68(-60) dBm
MCS42) (VHT 80) - - -64(-56) dBm
MCS52) (VHT 80) - - -60(-52) dBm
MCS62) (VHT 80) - - -59(-51) dBm
MCS72) (VHT 80) - - -58(-50) dBm
MCS82) (VHT 80) - - -53(-45) dBm
MCS92) (VHT 80) - - -51(-43) dBm

TITLE : Specifications for approval (RBHP-B213A)
(CUSTOMER P/NO : EAT63433501 )
REV 1.6 (28 / 68)
R
E
V
APPD CHKD DSGD
DOCUMENT NO.
6-3
RBHP-B213A
LG Innotek Co., Ltd
1.4 2017. 07.14. Rev1.4 Released
1.5 2017. 08.10. Rev1.5 Released
(30) - 4021
1.2 2017. 05.23. Rev1.2 Released
1.3 2017. 06.27. Rev1.3 Released
1.6 2017. 09.06. Rev1.6 Released
10. Electrical Specification
10.2 WLAN
Receiver Performance
Parameter Condition Min Typ Max Unit
Adjacent channel rejection
(IEEE 802.11a)
6Mbps4) 16 - - dB
9Mbps4) 15 - - dB
12Mbps4) 13 - - dB
18Mbps4) 11 - - dB
24Mbps4) 8 - - dB
36Mbps4) 4 - - dB
48Mbps4) 0 - - dB
54Mbps4) -1 - - dB
Adjacent channel rejection
(IEEE 802.11n)
MCS05) 16 - - dB
MCS15) 13 - - dB
MCS25) 11 - - dB
MCS35) 8 - - dB
MCS45) 4 - - dB
MCS55) 0 - - dB
MCS65) -1 - - dB
MCS75) -2 - - dB

TITLE : Specifications for approval (RBHP-B213A)
(CUSTOMER P/NO : EAT63433501 )
REV 1.6 (29 / 68)
R
E
V
APPD CHKD DSGD
DOCUMENT NO.
6-3
RBHP-B213A
LG Innotek Co., Ltd
1.4 2017. 07.14. Rev1.4 Released
1.5 2017. 08.10. Rev1.5 Released
(30) - 4021
1.2 2017. 05.23. Rev1.2 Released
1.3 2017. 06.27. Rev1.3 Released
1.6 2017. 09.06. Rev1.6 Released
10. Electrical Specification
10.2 WLAN
Receiver Performance
Parameter Condition Min Typ Max Unit
Adjacent channel rejection
(IEEE 802.11ac)
MCS05) 16 - - dB
MCS15) 13 - - dB
MCS25) 11 - - dB
MCS35) 8 - - dB
MCS45) 4 - - dB
MCS55) 0 - - dB
MCS65) -1 - - dB
MCS75) -2 - - dB
MCS85) -7 - - dB
MCS95) -9 - - dB

TITLE : Specifications for approval (RBHP-B213A)
(CUSTOMER P/NO : EAT63433501 )
REV 1.6 (30 / 68)
R
E
V
APPD CHKD DSGD
DOCUMENT NO.
6-3
RBHP-B213A
LG Innotek Co., Ltd
1.4 2017. 07.14. Rev1.4 Released
1.5 2017. 08.10. Rev1.5 Released
(30) - 4021
1.2 2017. 05.23. Rev1.2 Released
1.3 2017. 06.27. Rev1.3 Released
1.6 2017. 09.06. Rev1.6 Released
Item Symbol Min Typ Max Unit
Input high voltage VIH 1.27 - - V
Input low voltage VIL - - 0.58 V
Output high voltage@2mA VOH 1.40 - - V
Output low voltage@2mA VOL - - 0.45 V
1) SDIO Interface I/O pins and PCIe out of band signals(PERST_N/PME_L/CLKREQ_N)
10. Electrical Specification
10.3 I/O characteristics
*VIO_SD= 1.8V
Item Symbol Min Typ Max Unit
Input high voltage VIH 0.625xVIO - - V
Input low voltage VIL - - 0.25xVIO V
Output high voltage@2mA VOH 0.75xVIO - - V
Output low voltage@2mA VOL - - 1.25xVIO V
*VIO_SD = 3.3V
2) Other Digital I/O Pins(UART/PCM/WAKE/REG_ON/STRAP and GPIOs)
*VIO = 1.8V
Item Symbol Min Typ Max Unit
Input high voltage VIH 0.625xVIO - VIO+0.1 V
Input low voltage VIL - - 0.35xVIO V
Output high voltage@2mA VOH 0.45xVIO - - V
Output low voltage@2mA VOL - - 0.45 V

TITLE : Specifications for approval (RBHP-B213A)
(CUSTOMER P/NO : EAT63433501 )
REV 1.6 (31 / 68)
R
E
V
APPD CHKD DSGD
DOCUMENT NO.
6-3
RBHP-B213A
LG Innotek Co., Ltd
1.4 2017. 07.14. Rev1.4 Released
1.5 2017. 08.10. Rev1.5 Released
(30) - 4021
1.2 2017. 05.23. Rev1.2 Released
1.3 2017. 06.27. Rev1.3 Released
1.6 2017. 09.06. Rev1.6 Released
10. Electrical Specification
10.3 I/O characteristics
4) Sequencing of reset and regulator control signals
- Description of control signals
*WL_REG_ON
: Used by the PMU to power up the WLAN section. It is also OR-gated with the BT_REG_ON input to
control the internal BCM88359 regulators. When this pin is high, the regulators are enabled and the
WLAN section is out of reset. When this pin is low, the WLAN section is in reset. If both the
BT_REG_ON and WL_REG_ON pins are low, the regulators are disabled
*BT_REG_ON
: Used by the PMU(OR-gated with the WL_REG_ON)to power up the internal BCM88359 regulators. If
both the BT_REG_ON and WL_REG_ON pins are low, the regulators are disabled. When this pin is low
and WL_REG_ON is high, the BT section is in reset
3) WLAN host interface strap selection
*VIO = 3.3V
Item Symbol Min Typ Max Unit
Input high voltage VIH 2.00 - VIO+0.1 V
Input low voltage VIL - - 0.8 V
Output high voltage@2mA VOH VIO-0.4 - - V
Output low voltage@2mA VOL - - 0.4 V
PCIE_EN Mode
High PCIe
SDIO_DIS
High
Low 1.8V SDIO Low
Low 3.3V SDIO
- PCIE_EN, SDIO_DIS, SDIO_PAD
SDIO_PAD
Low
High
High
low

TITLE : Specifications for approval (RBHP-B213A)
(CUSTOMER P/NO : EAT63433501 )
REV 1.6 (32 / 68)
R
E
V
APPD CHKD DSGD
DOCUMENT NO.
6-3
RBHP-B213A
LG Innotek Co., Ltd
1.4 2017. 07.14. Rev1.4 Released
1.5 2017. 08.10. Rev1.5 Released
(30) - 4021
1.2 2017. 05.23. Rev1.2 Released
1.3 2017. 06.27. Rev1.3 Released
1.6 2017. 09.06. Rev1.6 Released
10. Electrical Specification
10.3 I/O characteristics
- Control signal timing diagrams
*WLAN =ON, Bluetooth = ON
*WLAN =OFF, Bluetooth = OFF

TITLE : Specifications for approval (RBHP-B213A)
(CUSTOMER P/NO : EAT63433501 )
REV 1.6 (33 / 68)
R
E
V
APPD CHKD DSGD
DOCUMENT NO.
6-3
RBHP-B213A
LG Innotek Co., Ltd
1.4 2017. 07.14. Rev1.4 Released
1.5 2017. 08.10. Rev1.5 Released
(30) - 4021
1.2 2017. 05.23. Rev1.2 Released
1.3 2017. 06.27. Rev1.3 Released
1.6 2017. 09.06. Rev1.6 Released
10. Electrical Specification
- Control signal timing diagrams
*WLAN =ON, Bluetooth = OFF
*WLAN =OFF, Bluetooth = ON
10.3 I/O characteristics

TITLE : Specifications for approval (RBHP-B213A)
(CUSTOMER P/NO : EAT63433501 )
REV 1.6 (34 / 68)
R
E
V
APPD CHKD DSGD
DOCUMENT NO.
6-3
RBHP-B213A
LG Innotek Co., Ltd
1.4 2017. 07.14. Rev1.4 Released
1.5 2017. 08.10. Rev1.5 Released
(30) - 4021
1.2 2017. 05.23. Rev1.2 Released
1.3 2017. 06.27. Rev1.3 Released
1.6 2017. 09.06. Rev1.6 Released
10. Electrical Specification
10.3 I/O characteristics
- Boot-Up Sequence and Reset timing
VBAT
WL_REG_ON
/BT_REG_ON
VDDC
(on-chip PMU)
Internal POR
(Power on Reset)
Internal
Reference
Clock
< 950us
3.3V
8ms
Boot ROM execution starts and
firmware download begins
(UART and SDIO command start)
< 104ms
< 4ms
After a fixed delay following internal POR
and REG_ON going high, Module
responds to host(address0x14) reads
VIO
<0ms
<70us
27ns
<200ms
<200ms

TITLE : Specifications for approval (RBHP-B213A)
(CUSTOMER P/NO : EAT63433501 )
REV 1.6 (35 / 68)
R
E
V
APPD CHKD DSGD
DOCUMENT NO.
6-3
RBHP-B213A
LG Innotek Co., Ltd
1.4 2017. 07.14. Rev1.4 Released
1.5 2017. 08.10. Rev1.5 Released
(30) - 4021
1.2 2017. 05.23. Rev1.2 Released
1.3 2017. 06.27. Rev1.3 Released
1.6 2017. 09.06. Rev1.6 Released
10. Electrical Specification
10.3 I/O characteristics
- PCIe Power-on Timing
*Timing Parameter WL_REG_ON)Perst# Deassertion – First Config Access)
r

TITLE : Specifications for approval (RBHP-B213A)
(CUSTOMER P/NO : EAT63433501 )
REV 1.6 (36 / 68)
R
E
V
APPD CHKD DSGD
DOCUMENT NO.
6-3
RBHP-B213A
LG Innotek Co., Ltd
1.4 2017. 07.14. Rev1.4 Released
1.5 2017. 08.10. Rev1.5 Released
(30) - 4021
1.2 2017. 05.23. Rev1.2 Released
1.3 2017. 06.27. Rev1.3 Released
1.6 2017. 09.06. Rev1.6 Released
10. Electrical Specification
10.3 I/O characteristics
5) UART characteristics
-. UART physical interface is a standard, 4-wire interface(Rx, Tx, RTS, CTS) with
adjustable baud rates from 9600 bps to 4Mbps. Normally the UART baud rate is set
by a configuration record downloaded after reset or by automatic baud rate detection.
LGIT Module supports HCI 3-wire transport(UART H5)
Item Min Typ Max Unit
Delay time, UART_CTS_N low to UART_TXD valid - - 1.5 Bit periods
Setup time, UART_CTS_N high before midpoint of stop bit - - 0.5 Bit periods
Delay time, midpoint of stop bit to UART RTS_N high - - 0.5 Bit periods
Baud rates range(default rate : 115200bps) 9600 - 4M bps
-. UART bus timing specifications
-. UART bus timing

TITLE : Specifications for approval (RBHP-B213A)
(CUSTOMER P/NO : EAT63433501 )
REV 1.6 (37 / 68)
R
E
V
APPD CHKD DSGD
DOCUMENT NO.
6-3
RBHP-B213A
LG Innotek Co., Ltd
1.4 2017. 07.14. Rev1.4 Released
1.5 2017. 08.10. Rev1.5 Released
(30) - 4021
1.2 2017. 05.23. Rev1.2 Released
1.3 2017. 06.27. Rev1.3 Released
1.6 2017. 09.06. Rev1.6 Released
10. Electrical Specification
10.3 I/O characteristics
6) PCM characteristics
-. LGIT Module PCM interface can connect to linear PCM codec devices in master or slave
mode. In master mode, the device generates the PCM_CLK and PCM_SYNC signals. In slave
mode, these signals are provided by another master on the PCM interfaces as inputs to the
devices
-. Short frame sync, master mode timing diagram
-. Short frame sync, master mode interface timing specifications
Item Min Typ Max Unit
PCM bit clock frequency - - 12 MHz
PCM bit clock LOW 41 - - ns
PCM bit clock HIGH 41 - - ns
PCM_SYNC delay 0 - 25 ns
PCM_OUT delay - - 25 ns
PCM_IN setup 8 - - ns
PCM_IN hold 8 - - ns
Delay from rising edge of PCM_BCLK during last bit period to
PCM_OUT becoming high impedance - - 25 ns

TITLE : Specifications for approval (RBHP-B213A)
(CUSTOMER P/NO : EAT63433501 )
REV 1.6 (38 / 68)
R
E
V
APPD CHKD DSGD
DOCUMENT NO.
6-3
RBHP-B213A
LG Innotek Co., Ltd
1.4 2017. 07.14. Rev1.4 Released
1.5 2017. 08.10. Rev1.5 Released
(30) - 4021
1.2 2017. 05.23. Rev1.2 Released
1.3 2017. 06.27. Rev1.3 Released
1.6 2017. 09.06. Rev1.6 Released
10. Electrical Specification
10.3 I/O characteristics
6) PCM characteristics
-. Short frame sync, slave mode timing diagram
-. Short frame sync, slave mode interface timing specifications
Item Min Typ Max Unit
PCM bit clock frequency - - 12 MHz
PCM bit clock LOW 41 - - ns
PCM bit clock HIGH 41 - - ns
PCM_SYNC setup 8 - - ns
PCM_SYNC hold 8 - - ns
PCM_OUT delay - - 25 ns
PCM_IN setup 8 - - ns
PCM_IN hold 8 - - ns
Delay from rising edge of PCM_CLK during last bit period to
PCM_OUT becoming high impedance 0 - 25 ns

TITLE : Specifications for approval (RBHP-B213A)
(CUSTOMER P/NO : EAT63433501 )
REV 1.6 (39 / 68)
R
E
V
APPD CHKD DSGD
DOCUMENT NO.
6-3
RBHP-B213A
LG Innotek Co., Ltd
1.4 2017. 07.14. Rev1.4 Released
1.5 2017. 08.10. Rev1.5 Released
(30) - 4021
1.2 2017. 05.23. Rev1.2 Released
1.3 2017. 06.27. Rev1.3 Released
1.6 2017. 09.06. Rev1.6 Released
10. Electrical Specification
10.3 I/O characteristics
6) PCM characteristics
-. Long frame sync, master mode timing diagram
-. Long frame sync, master mode interface timing specifications
Item Min Typ Max Unit
PCM bit clock frequency - - 12 MHz
PCM bit clock LOW 41 - - ns
PCM bit clock HIGH 41 - - ns
PCM_SYNC delay 0 - 25 ns
PCM_OUT delay 0 - 25 ns
PCM_IN setup 8 - - ns
PCM_IN hold 8 - - ns
Delay from rising edge of PCM_BCLK during last bit period to
PCM_OUT becoming high impedance 0 - 25 ns

TITLE : Specifications for approval (RBHP-B213A)
(CUSTOMER P/NO : EAT63433501 )
REV 1.6 (40 / 68)
R
E
V
APPD CHKD DSGD
DOCUMENT NO.
6-3
RBHP-B213A
LG Innotek Co., Ltd
1.4 2017. 07.14. Rev1.4 Released
1.5 2017. 08.10. Rev1.5 Released
(30) - 4021
1.2 2017. 05.23. Rev1.2 Released
1.3 2017. 06.27. Rev1.3 Released
1.6 2017. 09.06. Rev1.6 Released
10. Electrical Specification
10.3 I/O characteristics
6) PCM characteristics
-. Long frame sync, slave mode timing diagram
-. Long frame sync, slave mode interface timing specifications
Item Min Typ Max Unit
PCM bit clock frequency - - 12 MHz
PCM bit clock LOW 41 - - ns
PCM bit clock HIGH 41 - - ns
PCM_SYNC setup 8 - - ns
PCM_SYNC hold 8 - - ns
PCM_OUT Delay 0 - 25 ns
PCM_IN setup 8 - - ns
PCM_IN hold 8 - - ns
Delay from falling edge of PCM_BCLK or PCM_SYNC
during last bit period to PCM_OUT becoming high impedance 0 - 25 ns

TITLE : Specifications for approval (RBHP-B213A)
(CUSTOMER P/NO : EAT63433501 )
REV 1.6 (41 / 68)
R
E
V
APPD CHKD DSGD
DOCUMENT NO.
6-3
RBHP-B213A
LG Innotek Co., Ltd
1.4 2017. 07.14. Rev1.4 Released
1.5 2017. 08.10. Rev1.5 Released
(30) - 4021
1.2 2017. 05.23. Rev1.2 Released
1.3 2017. 06.27. Rev1.3 Released
1.6 2017. 09.06. Rev1.6 Released
10. Electrical Specification
10.3 I/O characteristics
-. SDIO default mode timing(min.Vih = 0.7 X VIO, max.Vil = 0.2 x VIO)
7) SDIO characteristics
-. RBHP-B213A support up to SDIO 3.0 specification
· DS : Default speed(DS) up to 25MHz(3.3V signaling)
· SDR12 : SDR up to 25MHz(1.8V signaling)
· SDR25 : SDR up to 50MHz(1.8V signaling)
· SDR50 : SDR up to 100MHz(1.8V signaling)
· SDR104 : SDR up to 208MHz(1.8V signaling)
· DDR50 : DDR up to 50MHz(1.8V signaling)

TITLE : Specifications for approval (RBHP-B213A)
(CUSTOMER P/NO : EAT63433501 )
REV 1.6 (42 / 68)
R
E
V
APPD CHKD DSGD
DOCUMENT NO.
6-3
RBHP-B213A
LG Innotek Co., Ltd
1.4 2017. 07.14. Rev1.4 Released
1.5 2017. 08.10. Rev1.5 Released
(30) - 4021
1.2 2017. 05.23. Rev1.2 Released
1.3 2017. 06.27. Rev1.3 Released
1.6 2017. 09.06. Rev1.6 Released
10. Electrical Specification
10.3 I/O characteristics
Item Symbol Min Typ Max Unit
SDIO CLK
Freq.(data transfer mode) fPP 0 - 25 MHz
Freq.(identification mode) fOD 0 400 KHz
Clock low time tWL 10 - - ns
Clock high time tWH 10 - - ns
Clock rise time tTLH - - 10 ns
Clock low time tTHL - - 10 ns
Input : CMD, DAT(referenced to CLK)
Input setup time tISU 5 - - ns
Input hold time tIH 5 - - ns
Output : CMD, DAT(referenced to CLK)
Output delay time-data transfer mode tODLY 0 - 14 ns
Output delay time-data identification
mode tODLY 0 - 50 ns
-. SDIO default mode bus timing parameters

TITLE : Specifications for approval (RBHP-B213A)
(CUSTOMER P/NO : EAT63433501 )
REV 1.6 (43 / 68)
R
E
V
APPD CHKD DSGD
DOCUMENT NO.
6-3
RBHP-B213A
LG Innotek Co., Ltd
1.4 2017. 07.14. Rev1.4 Released
1.5 2017. 08.10. Rev1.5 Released
(30) - 4021
1.2 2017. 05.23. Rev1.2 Released
1.3 2017. 06.27. Rev1.3 Released
1.6 2017. 09.06. Rev1.6 Released
-. SDIO high speed mode bus timing(min.Vih = 0.7 X VIO, max.Vil = 0.2 x VIO)
Item Symbol Min Typ Max Unit
SDIO CLK
Freq.(data transfer mode) fPP 0 - 50 MHz
Freq.(identification mode) fOD 0 - 400 KHz
Clock low time tWL 7 - - ns
Clock high time tWH 7 - - ns
Clock rise time tTLH - - 3 ns
Clock low time tTHL - - 3 ns
-. SDIO high speed mode bus timing parameters
10. Electrical Specification
10.3 I/O characteristics

TITLE : Specifications for approval (RBHP-B213A)
(CUSTOMER P/NO : EAT63433501 )
REV 1.6 (44 / 68)
R
E
V
APPD CHKD DSGD
DOCUMENT NO.
6-3
RBHP-B213A
LG Innotek Co., Ltd
1.4 2017. 07.14. Rev1.4 Released
1.5 2017. 08.10. Rev1.5 Released
(30) - 4021
1.2 2017. 05.23. Rev1.2 Released
1.3 2017. 06.27. Rev1.3 Released
1.6 2017. 09.06. Rev1.6 Released
Input : CMD, DAT(referenced to CLK)
Input setup time tISU 6 - - ns
Input hold time tIH 2 - - ns
Output : CMD, DAT(referenced to CLK)
Output delay time-data transfer mode tODLY - - 14 ns
Output delay time-data identification
mode tODLY 2.5 - - ns
Total system capacitance(each line) CL - - 40 pF
10. Electrical Specification
10.3 I/O characteristics
-. SDIO SDR mode clock timing
Item Symbol Min Typ Max Unit
Item Symbol Min Max Unit Comments
- tCLK
40 50 ns SDR12 mode
20 400 ns SDR25 mode
10 - ns SDR50 mode
4.8 - ns SDR104 mode
- tCR, tCF - 0.2
X tCLK
ns
tCR, tCF < 2.0ns(max)@100MHz
CCARD = 10pF
tCR, tCF < 0.96ns(max)@208MHz
CCARD = 10pF
Clock duty - 30 70 % -

TITLE : Specifications for approval (RBHP-B213A)
(CUSTOMER P/NO : EAT63433501 )
REV 1.6 (45 / 68)
R
E
V
APPD CHKD DSGD
DOCUMENT NO.
6-3
RBHP-B213A
LG Innotek Co., Ltd
1.4 2017. 07.14. Rev1.4 Released
1.5 2017. 08.10. Rev1.5 Released
(30) - 4021
1.2 2017. 05.23. Rev1.2 Released
1.3 2017. 06.27. Rev1.3 Released
1.6 2017. 09.06. Rev1.6 Released
10. Electrical Specification
10.3 I/O characteristics
-. SDIO SDR mode Device input timing
Item Symbol Min Max Unit Comments
SDR104
Mode
tIS 1.4 - ns CCARD = 10pF, VCT=0.975V
tIH 0.8 - ns CCARD = 5pF, VCT=0.975V
SDR50
Mode
tIS 3 - ns CCARD = 10pF, VCT=0.975V
tIH 0.8 - ns CCARD = 10pF, VCT=0.975V

TITLE : Specifications for approval (RBHP-B213A)
(CUSTOMER P/NO : EAT63433501 )
REV 1.6 (46 / 68)
R
E
V
APPD CHKD DSGD
DOCUMENT NO.
6-3
RBHP-B213A
LG Innotek Co., Ltd
1.4 2017. 07.14. Rev1.4 Released
1.5 2017. 08.10. Rev1.5 Released
(30) - 4021
1.2 2017. 05.23. Rev1.2 Released
1.3 2017. 06.27. Rev1.3 Released
1.6 2017. 09.06. Rev1.6 Released
10. Electrical Specification
10.3 I/O characteristics
-. SDIO SDR mode Device output timing(SDR modes up to 100MHz)
Symbol Min Max Unit Comments
tODLY - 7.5 ns tCLK > 10ns, CL = 30pF using driver type B for SDR50
tODLY - 14.0 ns tCLK > 20ns, CL = 40pF using for SDR12, SDR25
tOH 1.5 - ns Hold time at the tODLY (min) CL = 15pF

TITLE : Specifications for approval (RBHP-B213A)
(CUSTOMER P/NO : EAT63433501 )
REV 1.6 (47 / 68)
R
E
V
APPD CHKD DSGD
DOCUMENT NO.
6-3
RBHP-B213A
LG Innotek Co., Ltd
1.4 2017. 07.14. Rev1.4 Released
1.5 2017. 08.10. Rev1.5 Released
(30) - 4021
1.2 2017. 05.23. Rev1.2 Released
1.3 2017. 06.27. Rev1.3 Released
1.6 2017. 09.06. Rev1.6 Released
10. Electrical Specification
10.3 I/O characteristics
-. SDIO SDR mode Device output timing(SDR modes 100MHz to 208MHz)
Symbol Min Max Unit Comments
tOP 0 2 UI Card output phase
ΔtOP -350 +1550 Ps Delay variation due to temp. change after tuning
ΔtODW 0.60 - UI ΔtODW = 2.88ns @208MHz

TITLE : Specifications for approval (RBHP-B213A)
(CUSTOMER P/NO : EAT63433501 )
REV 1.6 (48 / 68)
R
E
V
APPD CHKD DSGD
DOCUMENT NO.
6-3
RBHP-B213A
LG Innotek Co., Ltd
1.4 2017. 07.14. Rev1.4 Released
1.5 2017. 08.10. Rev1.5 Released
(30) - 4021
1.2 2017. 05.23. Rev1.2 Released
1.3 2017. 06.27. Rev1.3 Released
1.6 2017. 09.06. Rev1.6 Released
10. Electrical Specification
10.3 I/O characteristics
-. SDIO DDR50 mode Clock timing
Item Symbol Min Max Unit Comments
- tCLK 20 - ns DDR50 mode
- tCR, tCK - 0.2x
tCLK ns tCR, tCF < 4.0ns(max)@50MHz
CCARD = 10pF
Clock duty - 45 55 % -

TITLE : Specifications for approval (RBHP-B213A)
(CUSTOMER P/NO : EAT63433501 )
REV 1.6 (49 / 68)
R
E
V
APPD CHKD DSGD
DOCUMENT NO.
6-3
RBHP-B213A
LG Innotek Co., Ltd
1.4 2017. 07.14. Rev1.4 Released
1.5 2017. 08.10. Rev1.5 Released
(30) - 4021
1.2 2017. 05.23. Rev1.2 Released
1.3 2017. 06.27. Rev1.3 Released
1.6 2017. 09.06. Rev1.6 Released
10. Electrical Specification
10.3 I/O characteristics
-. SDIO DDR50 mode Data timing
Item Symbol Min Max Unit Comments
Input
CMD
Input Setup time tISU 6 - ns CCARD < 10pF(1CARD)
Input Hold time tIH 0.8 - ns CCARD < 10pF(1CARD)
Output
CMD
Output delay time tODLY - 13.7 ns CCARD < 30pF(1CARD)
Output hold time tOH 1.5 - Ns CCARD < 15pF(1CARD)
Input
DAT
Input Setup time tISU2X 3 - ns CCARD < 10pF(1CARD)
Input Hold time tIH2X 0.8 - ns CCARD < 10pF(1CARD)
Output
DAT
Output delay time tODLY2X 7.5 ns CCARD < 25pF(1CARD)
Output holdtime tODLY2X 1.5 - Ns CCARD < 15pF(1CARD)

TITLE : Specifications for approval (RBHP-B213A)
(CUSTOMER P/NO : EAT63433501 )
REV 1.6 (50 / 68)
R
E
V
APPD CHKD DSGD
DOCUMENT NO.
6-3
RBHP-B213A
LG Innotek Co., Ltd
1.4 2017. 07.14. Rev1.4 Released
1.5 2017. 08.10. Rev1.5 Released
(30) - 4021
1.2 2017. 05.23. Rev1.2 Released
1.3 2017. 06.27. Rev1.3 Released
1.6 2017. 09.06. Rev1.6 Released
10. Electrical Specification
10.3 I/O characteristics
8) PCI Express characteristics
Parameters Symbol Comments Min. Typ. Max Unit
Baud rate BPS - - 2.5 - Gbaud
Reference clock
amplitude Vref LVPECL, AC coupled 1.0 - - V
-. PCI Express Reference CLK
Parameters Symbol Comments Min. Typ. Max Unit
Differential
termination ZRX-DIFF-DC Differential termination 80 100 120 Ω
DC impedance ZRX-DC DC common-mode
impedance 40 50 60 Ω
Powered down
termination(POS) ZRX-HIGH-IMP-DC-
POS Power-down or RESET
high Impedance 100k - - Ω
Powered down
termination(NEG) ZRX-HIGH-IMP-DC-
NEG Power-down or RESET
high Impedance 1k - - Ω
Input voltage VRX-DIFFp-p AC coupled, differential(p-p) 175 - - mV
Jitter tolerance TRX-EYE Minimum receiver eye
width 0.4 - - UI
Differential
return loss RLRX-DIFF Differential return loss 10.0 - - dB
Common-mode
return loss RLRX-CM Common-mode return loss 6 - - dB
Unexpected
electrical idle
enter detect
threshold
integration time
RX-IDEL-DET-
DIFFENTERTIME
An unexpected electrical
idle must be recognized no
longer than this time to
signal an unexpected idle
condition.
- - 10.0 ms
Signal detect
threshold VRX-IDLE-DET-
DIFFpp
Electrical idle detect
threshold 65.0 - 175 mV
-. PCI Express Receiver
s

TITLE : Specifications for approval (RBHP-B213A)
(CUSTOMER P/NO : EAT63433501 )
REV 1.6 (51 / 68)
R
E
V
APPD CHKD DSGD
DOCUMENT NO.
6-3
RBHP-B213A
LG Innotek Co., Ltd
1.4 2017. 07.14. Rev1.4 Released
1.5 2017. 08.10. Rev1.5 Released
(30) - 4021
1.2 2017. 05.23. Rev1.2 Released
1.3 2017. 06.27. Rev1.3 Released
1.6 2017. 09.06. Rev1.6 Released
10. Electrical Specification
10.3 I/O characteristics
8) PCI Express characteristics
Parameters Symbol Comments Min. Typ. Max Unit
Output voltage VTX-
DIFFp-p Differential p-p, programmable
in 16 steps 0.8 - 1200 mV
Output voltage
rise time VTX-RISE 20% to 80%
0.125
(2.5 GT/s)
0.15
(5 GT/s)
- - UI
Output voltage
fall time VTX-FALL 80% to 20%
0.125
(2.5 GT/s)
0.15
(5 GT/s)
- - UI
RX detection voltage
swing VTX-RCV-
DETECT
The amount of voltage
change allowed during
receiver detection.
- - 600 mV
TX AC peak
common-mode
voltage(5 GT/s)
VTX-CM-
AC-PP
TX AC common mode
voltage (5 GT/s) - - 100 mV
TX AC peak
commonmode
voltage(2.5 GT/s)
VTX-CM-
AC-P
TX AC common mode
voltage (2.5 GT/s) - - 20.0 mV
Absolute delta of DC
common-model
voltage
during L0 and
electrical idle
VTX-CM-
DC-
ACTIVE-
IDLE-
DELTA
Absolute delta of DC
common-model voltage
during L0 and electrical idle.
0 - 100 mV
Absolute delta of DC
common-model
voltage
between D+ and D-
VTX-
CM-DC-
LINE-
DELTA
DC offset between
D+ and D- 0 - 25.0 mV
Electrical idle
differential
peak output voltage
VTX-
IDLE-
DIFF-AC-
p
Peak-to-peak voltage 0 - 20.0 mV
-. PCI Express Transmitter

TITLE : Specifications for approval (RBHP-B213A)
(CUSTOMER P/NO : EAT63433501 )
REV 1.6 (52 / 68)
R
E
V
APPD CHKD DSGD
DOCUMENT NO.
6-3
RBHP-B213A
LG Innotek Co., Ltd
1.4 2017. 07.14. Rev1.4 Released
1.5 2017. 08.10. Rev1.5 Released
(30) - 4021
1.2 2017. 05.23. Rev1.2 Released
1.3 2017. 06.27. Rev1.3 Released
1.6 2017. 09.06. Rev1.6 Released
10. Electrical Specification
10.3 I/O characteristics
8) PCI Express characteristics
Parameters Symbol Comments Min. Typ. Max Unit
TX short circuit
current
ITX-
SHORT
Current limit when TX output
is shorted to ground. - - 90.0 mA
DC differential TX
termination ZTX-
DIFF-DC
Low impedance defined
during signaling (parameter
is captured for 5.0 GHz by
RLTX-DIFF)
80.0 - 120 Ω
Differential
return loss
RLTX-
DIFF Differential
return loss
10 (min)
for 0.05:
1.25 GHz
- - dB
Common-mode
return loss RLTX-CM Common-mode return loss 6.0 - - dB
TX eye width TTX-EYE Minimum TX
eye width 0.75 - - UI

TITLE : Specifications for approval (RBHP-B213A)
(CUSTOMER P/NO : EAT63433501 )
REV 1.6 (53 / 68)
R
E
V
APPD CHKD DSGD
DOCUMENT NO.
6-3
RBHP-B213A
LG Innotek Co., Ltd
1.4 2017. 07.14. Rev1.4 Released
1.5 2017. 08.10. Rev1.5 Released
(30) - 4021
1.2 2017. 05.23. Rev1.2 Released
1.3 2017. 06.27. Rev1.3 Released
1.6 2017. 09.06. Rev1.6 Released
1) Recommended operation conditions
2) Current consumption
Parameter Unit
Stand-by (BT & WLAN) mA
Average
10
WLAN Continuous Rx mA 180
WLAN Continuous Tx2) mA 420
Bluetooth Connection mA 20
Parameter Unit
Operating Temperature Range ℃
Min Max
-40 +85
Supply Voltage : VBATT (3.3V) V
3.01) 3.6
3) ESD Precautions
RBHP-B213A is classified as a JESD22-A114(HBM) class 1C(1kV) product. Apply ESD static handling
precautions during manufacturing.
10. Electrical Specification
10.4 Operating Conditions
4) External 32.768KHz low-power oscillator(LPO)
External 32.768KHz precision oscillator is required.
Parameter Unit
Nominal input frequency KHz
LPO clock
32.768
Frequency accuracy ppm ±200
Single input amplitude mV, p-p 200 ~ 1800
Signal type Square-wave or sine-wave
Supply Voltage : VIO (1.8V) 1.62 1.98 V
l
1) The BCM88359 is functional across this range of voltages.
Optimal RF performance specified in the RBHP-B213A approval sheet, however , is guaranteed only for min. 3.2V
including VBAT ripple
2) MIMO condition
t

TITLE : Specifications for approval (RBHP-B213A)
(CUSTOMER P/NO : EAT63433501 )
REV 1.6 (54 / 68)
R
E
V
APPD CHKD DSGD
DOCUMENT NO.
6-3
RBHP-B213A
LG Innotek Co., Ltd
1.4 2017. 07.14. Rev1.4 Released
1.5 2017. 08.10. Rev1.5 Released
(30) - 4021
1.2 2017. 05.23. Rev1.2 Released
1.3 2017. 06.27. Rev1.3 Released
1.6 2017. 09.06. Rev1.6 Released
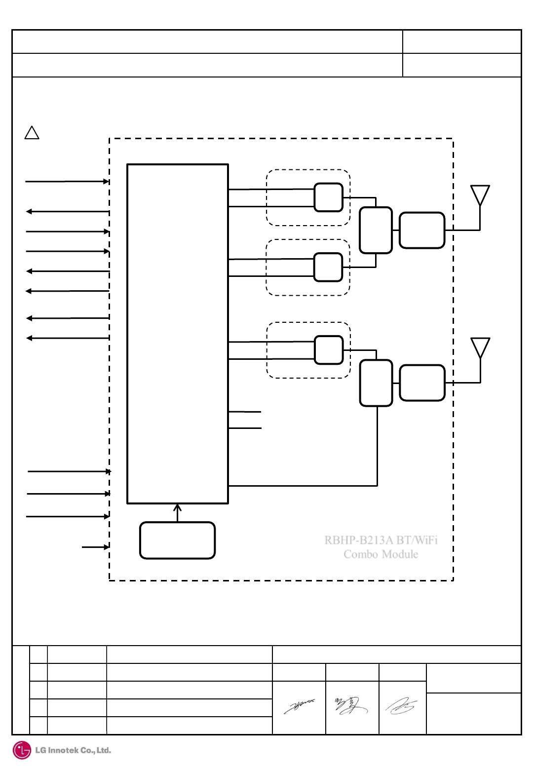
11. Pin Configuration
< Opposite (Host) Pin Map (Top View) >
1 20
21
Position#1
Indicator
<FCI 61082-041 >
40
*
*
*

TITLE : Specifications for approval (RBHP-B213A)
(CUSTOMER P/NO : EAT63433501 )
REV 1.6 (55 / 68)
R
E
V
APPD CHKD DSGD
DOCUMENT NO.
6-3
RBHP-B213A
LG Innotek Co., Ltd
1.4 2017. 07.14. Rev1.4 Released
1.5 2017. 08.10. Rev1.5 Released
(30) - 4021
1.2 2017. 05.23. Rev1.2 Released
1.3 2017. 06.27. Rev1.3 Released
1.6 2017. 09.06. Rev1.6 Released
11. Pin Configuration
No. Pin Name I/O Description
1 GND - Ground
2 BT_UART_RTS I/O Bluetooth UART request to send
3 BT_UART_CTS I/O Bluetooth UART clear to send
4 BT_UART_TXD I/O Bluetooth UART signal output
5 BT_UART_RXD I/O Bluetooth UART signal input
6 VIO I BT, WLAN VDDIO supply voltage.(3.3V or 1.8V)
- BT and WLAN should be same power rail
7 GND - Ground
8 SDIO_CLK I SDIO clock
9 SDIO_CMD I/O SDIO command line
10 SDIO_DATA3 I/O SDIO data line 3
11 SDIO_DATA2 I/O SDIO data line 2
12 SDIO_DATA1 I/O SDIO data line 1
13 SDIO_DATA0 I/O SDIO data line 0
14 GND - Ground
15 GND - Ground
g

TITLE : Specifications for approval (RBHP-B213A)
(CUSTOMER P/NO : EAT63433501 )
REV 1.6 (56 / 68)
R
E
V
APPD CHKD DSGD
DOCUMENT NO.
6-3
RBHP-B213A
LG Innotek Co., Ltd
1.4 2017. 07.14. Rev1.4 Released
1.5 2017. 08.10. Rev1.5 Released
(30) - 4021
1.2 2017. 05.23. Rev1.2 Released
1.3 2017. 06.27. Rev1.3 Released
1.6 2017. 09.06. Rev1.6 Released
11. Pin Configuration
No. Pin Name I/O Description
16 LPO I Low power clock input (32.768KHz, 200~1800mV P-P)
17 GND - Ground
18 VBAT I Positive supply
- Supply voltage : Typical 3.3V.
19 VBAT I Positive supply
- Supply voltage : Typical 3.3V.
20 VBAT I Positive supply
- Supply voltage : Typical 3.3V.
21 GND - Ground
22 SDIO_DIS I SDIO_DIABLE
: Low : SDIO Enabled, High : SDIO Disabled
23 PCIE_EN I PCIE_ENABLE
: Low : PCIE Disabled, High : PCIE Enabled
24 GND - Ground
25 BT_PCM_IN I PCM data input
26 BT_PCM_OUT O PCM data output
27 BT_PCM_CLK I/O PCM clock, can be master (output) or slave (input)
28 BT_PCM_SYNC I/O PCM sync signal, can be master (output) or slave (input)
29 PCIE_TD_P O PCIE Transmitter differential positive
30 PCIE_TD_N O PCIE Transmitter differential negative

TITLE : Specifications for approval (RBHP-B213A)
(CUSTOMER P/NO : EAT63433501 )
REV 1.6 (57 / 68)
R
E
V
APPD CHKD DSGD
DOCUMENT NO.
6-3
RBHP-B213A
LG Innotek Co., Ltd
1.4 2017. 07.14. Rev1.4 Released
1.5 2017. 08.10. Rev1.5 Released
(30) - 4021
1.2 2017. 05.23. Rev1.2 Released
1.3 2017. 06.27. Rev1.3 Released
1.6 2017. 09.06. Rev1.6 Released
11. Pin Configuration
No. Pin Name I/O Description
31 PCIE_CLK_N I PCIE differential clock input negative
32 PCIE_CLK_P I PCIE differential clock input positive
33 PCIE_RD_N I PCIE Receiver differential negative
34 PCIE_RD_P I PCIE Receiver differential positive
35 PCIE_CLKREQ O PCIE clock request signal
36 PCIE_PERST_N I PCIE system reset.
37 PCIE_PME_L O PCIE power management event output
38 SDIO_PADVIO I SDIO_PADVDDIO
:If VIO_SD=1.8Vhigh, If VIO_SD=3.3Vlow
39 BT_REG_ON I BT Power on Reset
40 WL_REG_ON I WLAN Power on reset
- Internal 200KΩ pull-down

TITLE : Specifications for approval (RBHP-B213A)
(CUSTOMER P/NO : EAT63433501 )
REV 1.6 (58 / 68)
R
E
V
APPD CHKD DSGD
DOCUMENT NO.
6-3
RBHP-B213A
LG Innotek Co., Ltd
1.4 2017. 07.14. Rev1.4 Released
1.5 2017. 08.10. Rev1.5 Released
(30) - 4021
1.2 2017. 05.23. Rev1.2 Released
1.3 2017. 06.27. Rev1.3 Released
1.6 2017. 09.06. Rev1.6 Released
12. Reliability Test Conditions
NO ITEM Condition Characteristics
1 High Temp.
Load Test
Initial value measured at standard test condition.
Test Conditions: 25℃ → 85℃, 100hr(Over for 1hr)
Supply Voltage Condition: standard ± 5%
In standard test condition, take measurements within 3hr.
- No electrical problem
2 Low Temp.
Load Test
Initial value measured at standard test condition.
Test Conditions: 25℃ → -40℃, 100hr(Drop for 1 hr)
Supply Voltage Condition: standard ± 5%
In standard test condition, take measurements within 3hr.
- No electrical problem
3 High Temp.
Storage Test
Initial value measured at standard test condition.
Test Conditions: 105℃, 168hr
In standard test condition, take measurements within 3hr. - No electrical problem
4 Low Temp.
Storage Test
Initial value measured at standard test condition.
Test Conditions: -40±3℃, 168hr
In standard test condition, take measurements within 3hr. - No electrical problem
5 Sweep Sine
Vibration Test
IInitial value measured at standard test condition.
Test Conditions: 10~50Hz, 1mm p-p 2hr
In standard test condition, take measurements within 3hr. - No electrical problem
6 Drop Test
Initial value measured at standard test condition.
Test Conditions:
- Test height: 100 cm
- Test times: 10 times
Drop the module onto a 10mm thickness plywood.
In standard test condition, take measurements within 3hr.
- No mechanical damage
7 Shock Test
Initial value measured at standard test condition.
Test Conditions:
- Impact acceleration: 50G(m/sec2)
- Impact time: 11 msec
- Impact times and direction: 10 times each in 6 directions
In standard test condition, take measurements within 3hr.
- No mechanical damage
8 High
Temperature
Durability
Initial value measured at standard test condition.
Test Conditions:
- Test Temp.: 85℃
- Test times : 500Hr
Supply Voltage Condition:
- V min: until 10% of operational cycles
- V normal: until 80% of operational cycles
- V max: until 10% of operational cycles
In standard test condition, take measurements within 3Hr
- No electrical problem
12.1 Items related with Non-Solderability(ES96100-02)
x

TITLE : Specifications for approval (RBHP-B213A)
(CUSTOMER P/NO : EAT63433501 )
REV 1.6 (59 / 68)
R
E
V
APPD CHKD DSGD
DOCUMENT NO.
6-3
RBHP-B213A
LG Innotek Co., Ltd
1.4 2017. 07.14. Rev1.4 Released
1.5 2017. 08.10. Rev1.5 Released
(30) - 4021
1.2 2017. 05.23. Rev1.2 Released
1.3 2017. 06.27. Rev1.3 Released
1.6 2017. 09.06. Rev1.6 Released
NO ITEM Condition Characteristics
9 Against flux
Initial value measured at standard test condition.
Test Conditions
-Soak 5 seconds in a I.P.A and let waiting condition for 35 seconds.
After then test.
- No electrical problem
10 Temperature
and Humidity
Cycling
Initial value measured at standard test condition.
Test Conditions: 3 cycle condition.
In standard test condition, take measurements 2hr after.
- No electrical problem
11 Dew
Condensation
test
Initial value measured at standard test condition.
Test Conditions: 3 cycle condition.
-30℃ (1 Hr)
-30℃ → 25℃, 90%RH (within 1 min)
25℃, 90%RH (1 Hr) - On : 15 min / Off : 15 min
In standard test condition, take measurements 2hr after.
- No electrical problem
12 High humidity
and Temp.
load test
IInitial value measured at standard test condition.
Test Conditions: 60℃, 80%, 48hr
In standard test condition, take measurements within 3hr. - No electrical problem
13 Dust
IInitial value measured at standard test condition.
Test Conditions: JIS Z 8901, 5kg
In standard test condition, take measurements within 3hr. - No electrical problem
12. Reliability Test Conditions
Temperature (℃)
-40±2
23±5
55±2
70±2
4
4.5
14.5
17
19
20.5
22.5
24
Time (hour)
Humidity (%)
60±15
80
4
4.5
14.5
17
19
20.5
22.5
24
Time (hour)
12.1 Items related with Non-Solderability(ES96100-02)

TITLE : Specifications for approval (RBHP-B213A)
(CUSTOMER P/NO : EAT63433501 )
REV 1.6 (60 / 68)
R
E
V
APPD CHKD DSGD
DOCUMENT NO.
6-3
RBHP-B213A
LG Innotek Co., Ltd
1.4 2017. 07.14. Rev1.4 Released
1.5 2017. 08.10. Rev1.5 Released
(30) - 4021
1.2 2017. 05.23. Rev1.2 Released
1.3 2017. 06.27. Rev1.3 Released
1.6 2017. 09.06. Rev1.6 Released
12. Reliability Test Conditions
NO ITEM Condition Characteristics
14 Temperature
Drift Test
Initial value measured at standard test condition.
Test Conditions:
Take measurements sustaining each temperature.
- No electrical problem
Temperature (℃)
25
70
65
55
45
-20
-10
0
1 hour
12.1 Items related with Non-Solderability(ES96100-02)
15 Dust
IInitial value measured at standard test condition.
Test Conditions: JIS Z 8901, 5kg
In standard test condition, take measurements within 3hr. - No electrical problem
16 Complex
Environment
IInitial value measured at standard test condition.
Test Conditions: -20℃~60℃, 10~50Hz, 1G
In standard test condition, take measurements within 3hr. - No electrical problem
17 Operation
Durability
IInitial value measured at standard test condition.
Test Conditions: 25±5℃ 60±20%, 1500Hrs
In standard test condition, take measurements within 3hr. - No electrical problem
18 ESD
IInitial value measured at standard test condition.
Test Conditions: ±1KV 5time 150pF/330Ω
In standard test condition, take measurements within 3hr. - No electrical problem

TITLE : Specifications for approval (RBHP-B213A)
(CUSTOMER P/NO : EAT63433501 )
REV 1.6 (61 / 68)
R
E
V
APPD CHKD DSGD
DOCUMENT NO.
6-3
RBHP-B213A
LG Innotek Co., Ltd
1.4 2017. 07.14. Rev1.4 Released
1.5 2017. 08.10. Rev1.5 Released
(30) - 4021
1.2 2017. 05.23. Rev1.2 Released
1.3 2017. 06.27. Rev1.3 Released
1.6 2017. 09.06. Rev1.6 Released
12.2 Items related with Solderability(ES90000-04)
NO ITEM Condition Characteristics
1
High
Temperature
and Humidity
Load Test
Initial value measured at standard test condition.
Test Conditions: 85±3℃, 85±5%RH, 1000hr
In standard test condition, take measurements within 3hr.
- Whisker, No electrical
problem
2 Thermal
Shock
Initial value measured at standard test condition.
Test Conditions:
-40℃ ( 10 min)
-40℃ → 85℃, (within 10 min)
85℃ ( 10 min)
85℃ → -40℃, (within 10 min)
- Test cycle : 1000 cycles
- Test Times : 667 Hr
In standard test condition, take measurements within 3Hr.
- No Whisker, Bond
strength, section
inspection, electrical
problem
3 Power and
Temperature
Cycling
Initial value measured at standard test condition.
Test Conditions: 100 cycle condition
- Test Times : 100 Hr
Supply Voltage Condition: standard ± 5%
Power Condition:
-35℃ ( 10 min)
-35℃ → 75℃, (Temp. variation velocity : over 6℃/min)
75℃ ( 10 min)
75℃ → -35℃, (Temp. variation velocity : over 6℃/min)
- On: 300 sec , Off: 300 sec
In standard test condition, take measurements within 3Hr
4 Random
Vibration test
With operation
Initial value measured at standard test condition.
Test Conditions:
- Frequency : 10 ~ 1000Hz
- Power spectrum density : 0.0296 ~ 9.63 (m/s3)2/Hz
- Direction : X/Y/Z, 8hr/Axis
In standard test condition, take measurements 2hr after.
12. Reliability Test Conditions

TITLE : Specifications for approval (RBHP-B213A)
(CUSTOMER P/NO : EAT63433501 )
REV 1.6 (62 / 68)
R
E
V
APPD CHKD DSGD
DOCUMENT NO.
6-3
RBHP-B213A
LG Innotek Co., Ltd
1.4 2017. 07.14. Rev1.4 Released
1.5 2017. 08.10. Rev1.5 Released
(30) - 4021
1.2 2017. 05.23. Rev1.2 Released
1.3 2017. 06.27. Rev1.3 Released
1.6 2017. 09.06. Rev1.6 Released
13. Block Diagram
W_Tx
W_Rx
BCM88359
RBHP-B213A BT/WiFi
Combo Module
37.4MHz
(crystal)
SW
W_Tx
W_Rx
SW
W_Tx
W_Rx
5GHz FEM
2.4GHz FEM
Diplexer
ESD
protection
2.4G/5G
WLAN
ANT 1
VBAT(3.3V)
BT_PCM ≠4
WL_REG_ON
BT_REG_ON
BT_UART ≠4
SDIO ≠6
VIO
LPO_CLK
(32.768kH z Clock)
SDIO_DIS
PCIE ≠9
B_Tx/Rx
SDIO_PAD
PCIE_EN
WiFi Core1
SW
W_Tx
W_Rx
5GHz FEM
Diplexer
ESD
protection
Bluetooth
/5G WLAN
ANT 0
WiFi Core0
Bluetooth
j

TITLE : Specifications for approval (RBHP-B213A)
(CUSTOMER P/NO : EAT63433501 )
REV 1.6 (63 / 68)
R
E
V
APPD CHKD DSGD
DOCUMENT NO.
6-3
RBHP-B213A
LG Innotek Co., Ltd
1.4 2017. 07.14. Rev1.4 Released
1.5 2017. 08.10. Rev1.5 Released
(30) - 4021
1.2 2017. 05.23. Rev1.2 Released
1.3 2017. 06.27. Rev1.3 Released
1.6 2017. 09.06. Rev1.6 Released
14. Reference Circuit
u

TITLE : Specifications for approval (RBHP-B213A)
(CUSTOMER P/NO : EAT63433501 )
REV 1.6 (64 / 68)
R
E
V
APPD CHKD DSGD
DOCUMENT NO.
6-3
RBHP-B213A
LG Innotek Co., Ltd
1.4 2017. 07.14. Rev1.4 Released
1.5 2017. 08.10. Rev1.5 Released
(30) - 4021
1.2 2017. 05.23. Rev1.2 Released
1.3 2017. 06.27. Rev1.3 Released
1.6 2017. 09.06. Rev1.6 Released
15. Reflow Profile
150℃
60~120 sec
Temperature
t [sec]
Ramp up Soak(flux activation)
200℃
250℃
217℃
60~150 sec
Reflow Cool down
3℃ per second
3℃ per second maximum
6℃ per second maximum
Tsmin
Tsmax
Profile Feature Pb-free Assembly
Initial ramp-up rate 3℃ per second maximum
Preheat
Temperature minimum(Tsmin)
Temperature maximum(Tsmax)
Time(minimum to maximum)
150℃
200℃
60-120s
Ramp-up rate Tsmax to TL 3℃ per second maximum
Liquidus Temperature(TL) 217℃
Time above TL 60-150s
Peak temperature 250℃ maximum
Time within 5℃ of actual peak 10s
Ramp-down rate 6℃ per second maximum

TITLE : Specifications for approval (RBHP-B213A)
(CUSTOMER P/NO : EAT63433501 )
REV 1.6 (65 / 68)
R
E
V
APPD CHKD DSGD
DOCUMENT NO.
6-3
RBHP-B213A
LG Innotek Co., Ltd
1.4 2017. 07.14. Rev1.4 Released
1.5 2017. 08.10. Rev1.5 Released
(30) - 4021
1.2 2017. 05.23. Rev1.2 Released
1.3 2017. 06.27. Rev1.3 Released
1.6 2017. 09.06. Rev1.6 Released
16. Recommended Land Pattern
<Unit : mm>
1)Top view
<FCI 61082-041 >
c

TITLE : Specifications for approval (RBHP-B213A)
(CUSTOMER P/NO : EAT63433501 )
REV 1.6 (66 / 68)
R
E
V
APPD CHKD DSGD
DOCUMENT NO.
6-3
RBHP-B213A
LG Innotek Co., Ltd
1.4 2017. 07.14. Rev1.4 Released
1.5 2017. 08.10. Rev1.5 Released
(30) - 4021
1.2 2017. 05.23. Rev1.2 Released
1.3 2017. 06.27. Rev1.3 Released
1.6 2017. 09.06. Rev1.6 Released
17. Packing Information
of top on BOX.
(400X250X285)

TITLE : Specifications for approval (RBHP-B213A)
(CUSTOMER P/NO : EAT63433501 )
REV 1.6 (67 / 68)
R
E
V
APPD CHKD DSGD
DOCUMENT NO.
6-3
RBHP-B213A
LG Innotek Co., Ltd
1.4 2017. 07.14. Rev1.4 Released
1.5 2017. 08.10. Rev1.5 Released
(30) - 4021
1.2 2017. 05.23. Rev1.2 Released
1.3 2017. 06.27. Rev1.3 Released
1.6 2017. 09.06. Rev1.6 Released
17. Packing Information
No. Index
① POSITION (ITEM / OUTBOX)
② CUSTOMER
③ FIRMWARE VERSION (vX.X)
④ SHIPPING DATE (YYYY.MM.DD)
⑤ BARCODE (Customer P/N, Quantity)
Ex) EAT63433501 130
⑥ CUSTOMER P/N
⑦ QUANTITY
⑧ MODEL P/N
⑨ LOT NUMBER
⑩ BARCODE (Lot No.)
Ex) 6530-001
⑪ BARCODE (Model P/N, Lot No.1)
Ex) RBHP-B213A.6530-001.1
6530 - 001
Item LGE v1.0 2016.05.30
EAT63433501 130
Spec RBHP-B213A LotNo
① ② ③ ④
⑤
⑥ ⑦
⑧ ⑨
⑩
⑪
q

TITLE : Specifications for approval (RBHP-B213A)
(CUSTOMER P/NO : EAT63433501 )
REV 1.6 (68 / 68)
R
E
V
APPD CHKD DSGD
DOCUMENT NO.
6-3
RBHP-B213A
LG Innotek Co., Ltd
1.4 2017. 07.14. Rev1.4 Released
1.5 2017. 08.10. Rev1.5 Released
(30) - 4021
1.2 2017. 05.23. Rev1.2 Released
1.3 2017. 06.27. Rev1.3 Released
1.6 2017. 09.06. Rev1.6 Released
18. Ordering Information
P
Host Interface
PCIe
R B H P - B 2 1 3 A
B
Chipset Maker
Broadcom
213
Serial Number
213
A
Revision
A Version
H
Module Type
BT(Class2)+WLAN
RB
Product
Bluetooth
FCC WARNING STATEMENT
This device complies with part 15 of the FCC Rules. Operation is subject to the following
two conditions: (1) This device may not cause harmful interference, and (2) this device
must accept any interference received, including interference that may cause undesired
operation
Any changes or modifications (including the antennas) to this device that are not
expressly approved by the manufacturer may void the user's authority to operate the
equipment.
Note : This equipment has been tested and found to comply with the limits for a Class B
digital device, pursuant to part 15 of the FCC Rules. These limits are designed to provide
reasonable protection against harmful interference in a residential installation This
equipment generates, uses and can radiate radio frequency energy and, if not installed
and used in accordance with the instructions, may cause harmful interference to radio
communications, However, there is no guarantee that interference will not occur in a
particular installation. If this equipment does cause harmful interference to radio or
television reception, which can be determined by turning the equipment off and on, the
user is encouraged to try to correct the interference by one or more of the following
measures:
- Reorient or relocate the receiving antenna.
- Increase the separation between the equipment and receiver.
- Connect the equipment into an outlet on a circuit different from that to which the
receiver is connected.
- Consult the dealer or an experienced radio/TV technician for help.
Modifications not expressly approved by the manufacturer could void your authority to
operate the equipment under FCC rules.
FCC RF Radiation Exposure Statement
This equipment complies with FCC RF Radiation exposure limits set forth for an
uncontrolled environment. This device and its antenna must not be co-located or
operating in conjunction with any other antenna or transmitter.
This equipment should be installed and operated with a minimum distance of 20cm
between the radiator and your body.
Information for OEM integrator
The OEM integrator has to be aware not to provide information to the end user regarding
how to install or remove this RF module in the user manual of the end product.
The user manual which is provided by OEM integrators for end users must include the
following information in a prominent location.
“To comply with FCC RF exposure compliance requirements, the antenna used for this
transmitter must be installed to provide a separation distance of at least 20 cm from all
persons and must not be co-located or operating in conjunction with any other antenna
or transmitter.” Label for end product must include “Contains FCC ID: BEJRBHP-B213A,
IC: 2703H-RBHP-B213A" or "A RF transmitter inside, FCC ID: BEJRBHP-B213A, IC:
2703H-RBHP-B213A".
IC WARNING STATEMENT
This device complies with Industry Canada licence-exempt RSS standard(s). Operation is
subject to the following two conditions : (1) this device may not cause interference, and (2)
this device must accept any interference, including interference that may cause undesired
operation of the device.
Le présent appareil est conforme aux CNR d’Industrie Canada applicables aux appareils
radio exempts de licence. L’exploitation est autorisée aux deux conditions suivantes : (1)
l’appareil ne doit pas produire de brouillage, et (2) l’appareil doit accepter tout brouillage
radioélectrique subi, même si le brouillage est susceptible d’en compromettre le
fonctionnement.
This equipment complies with IC RF Radiation exposure limits set forth for an uncontrolled
environment. This device and its antenna must not be co-located or operating in conjunction
with any other antenna or transmitter.
This equipment should be installed and operated with a minimum distance of 20cm between
the radiator and your body.
Cet équipement est conforme aux limites établies par Industrie Canada en matière
d'exposition aux radiofréquences dans un environnement non contrôlé. Cet appareil et son
antenne ne doivent pas être colocalisés ou fonctionner en conjonction avec tout autre
antenne ou émetteur.
Cet équipement doit être installé et utilisé avec une distance minimale de 20cm entre le
radiateur et votre corps.