LogiTag Systems 1149466 4 channel RFID reader with CAN bus User Manual
LogiTag Systems Ltd. 4 channel RFID reader with CAN bus Users Manual
Contents
- 1. Users Manual
- 2. Users manual
Users Manual

Tel: 972-9-835-4848
Fax: 972-9-865-6262
2 Hamelacha St., Poleg Industrial Zone, Natanya ,P.O.B 8249, ZIP 42504
Israel LogiTag Systems LTD. www.logi-tag.com
Page
1/10
4 Channel RFID reader
LF 125KHz
with CAN bus
LT-LFS03
USER MANUAL

Tel: 972-9-835-4848
Fax: 972-9-865-6262
2 Hamelacha St., Poleg Industrial Zone, Natanya ,P.O.B 8249, ZIP 42504
Israel LogiTag Systems LTD. www.logi-tag.com
Page
2/10
4 Channel RFID reader LF 125KHz with CAN
bus LT-LFS03 User manual
Product
name
C01
Product rev.
p/n
01
Document
rev.
LT-D-131
Document
p/n
Tomer I.
Author name
27/08/2013
date
Documents changes and version
version
Change description
Name
Date
10
Document release
Tomer I
27/08/2013

Tel: 972-9-835-4848
Fax: 972-9-865-6262
2 Hamelacha St., Poleg Industrial Zone, Natanya ,P.O.B 8249, ZIP 42504
Israel LogiTag Systems LTD. www.logi-tag.com
Page
3/10
1. Safety Instructions / Warning - Read before start-up !
The device may only be used for the purpose intended by the
manufacturer.
The operation manual should be kept readily available at all times for
each user.
Unauthorized changes and the use of spare parts and additional
devices which have not been sold or recommended by the
manufacturer may cause fire, electric shocks or injuries. Such
unauthorized measures shall exclude the manufacturer from any
liability.
The liability-prescriptions of the manufacturer in the issue valid at the
time of purchase are valid for the device. The manufacturer shall not
be held legally responsible for inaccuracies, errors, or omissions in
the manual or automatically set parameters for a device or for an
incorrect application of a device.
Repairs may only be undertaken by the manufacturer.
Installation, operation, and maintenance procedures should only be
carried out by qualified personnel.
Use of the device and its installation must be in accordance with
national legal requirements and local electrical codes.
When working on devices the valid safety regulations must be
observed.
Do not connect both voltage harness and USB cable, this will defect
the circuit!

Tel: 972-9-835-4848
Fax: 972-9-865-6262
2 Hamelacha St., Poleg Industrial Zone, Natanya ,P.O.B 8249, ZIP 42504
Israel LogiTag Systems LTD. www.logi-tag.com
Page
4/10
2. System description
This reader supports up to 4 RFID 125 KHz antennas.
Support transponder HITAG 1/2/S protocols.
The reader can work in two forms:
Communication and power supply via USB.
Communication interface RS232/CAN BUS and external power
supply 10-24VDC using voltage harness
The reader supports up to four antennas.
Antenna
connector
J1: RS232, CAN bus,
voltage supply
J6:
USB

Tel: 972-9-835-4848
Fax: 972-9-865-6262
2 Hamelacha St., Poleg Industrial Zone, Natanya ,P.O.B 8249, ZIP 42504
Israel LogiTag Systems LTD. www.logi-tag.com
Page
5/10
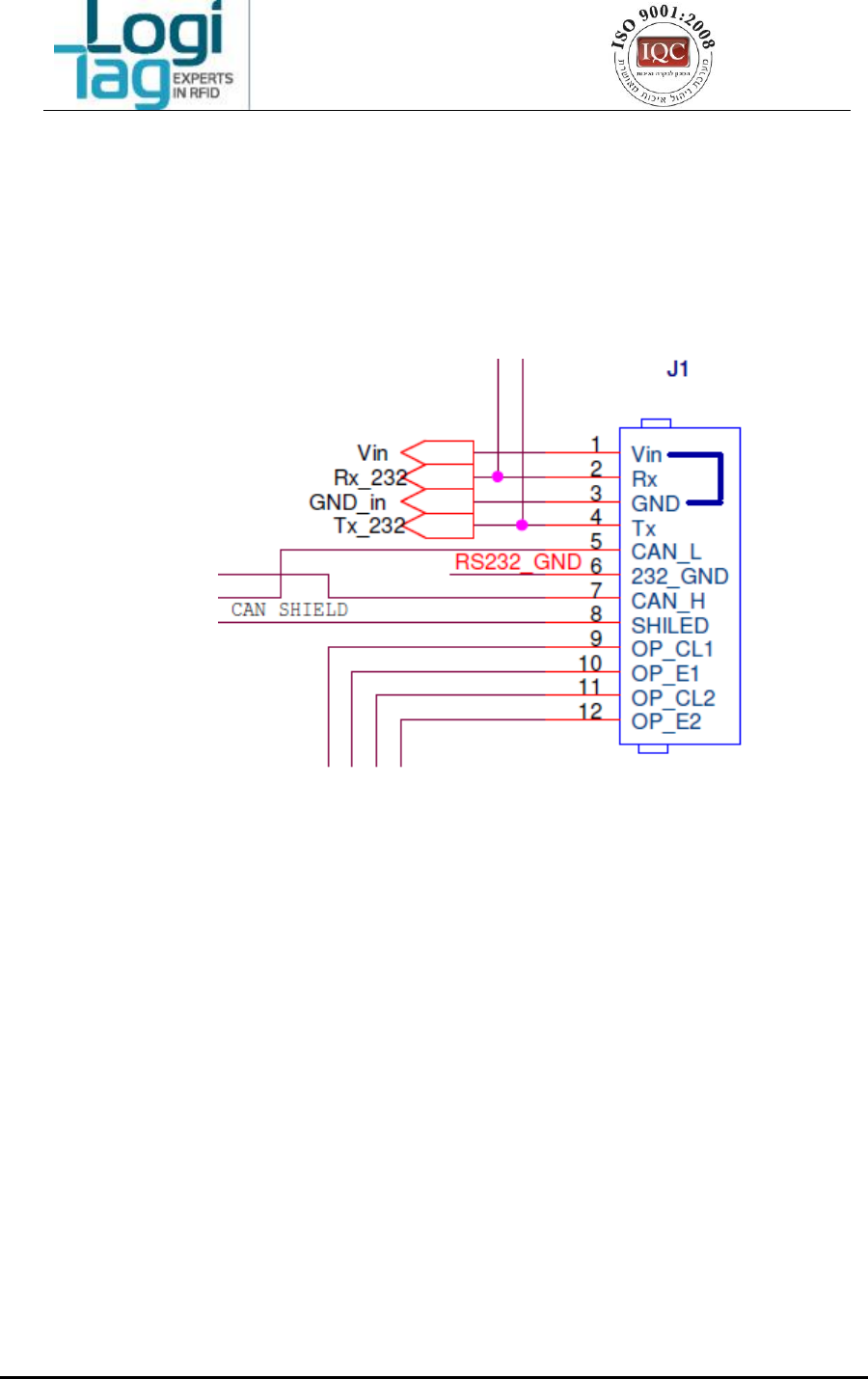
2.1 Communication interfaces:
USB using mini USB cable at connector J6.
RS232
baud rate = 9600 bps
data bits = 8
parity = none
stop bit = 1
flow control = none
Cable pin-out
Pin 2-Rx
Pin 4-Tx
Pin 3–GND
CANBUS-RS232
Synchronization Segment = 1 TQ
Propagation Segment = 3 TQ
Phase Segment 1 = 4 TQ
Phase Segment 2 = 2 TQ
Synchronization Jump Width = 2 TQ
Time Quantum = 250 ns
Baud Rate = 400 Kbps
Cable pin-out
Pin 5-CAN_L
Pin 7-CAN_H
Pin 8-CAN_Shiled

Tel: 972-9-835-4848
Fax: 972-9-865-6262
2 Hamelacha St., Poleg Industrial Zone, Natanya ,P.O.B 8249, ZIP 42504
Israel LogiTag Systems LTD. www.logi-tag.com
Page
6/10
2.2 Power Supply Connection:
Allowed supply voltage: 10 - 24V or 5V via USB (connector J6).
Use of higher supply voltage can damage the system!!
Connector pin-out for voltage harness (regular supply)
Pin 1-Vin
Pin 3-GND_in
2.3 System operation:
If using regular power supply connect the voltage harness to
J1 to host device.
If using USB interface, connect mini USB B cable to J6 and
connect to host device.
Warning: do not connect both voltage harness and USB
cable, this will defect the circuit!
Connect to antenna connector antenna (support up to 4
antennas).
Run software at host.
Place transponders over antenna location, check if host
identify transponders.

Tel: 972-9-835-4848
Fax: 972-9-865-6262
2 Hamelacha St., Poleg Industrial Zone, Natanya ,P.O.B 8249, ZIP 42504
Israel LogiTag Systems LTD. www.logi-tag.com
Page
7/10
2.4 RFID Protocols:
HITAG 1/2/S

Tel: 972-9-835-4848
Fax: 972-9-865-6262
2 Hamelacha St., Poleg Industrial Zone, Natanya ,P.O.B 8249, ZIP 42504
Israel LogiTag Systems LTD. www.logi-tag.com
Page
8/10
3. Radio approvals:
3.1 USA FCC:
Product name: 4 Channel RFID Reader 125KHz
FCC ID: Z97-1149466
Note: This equipment has been tested and found to comply
with the limits for a Class B digital device, pursuant to part 15
of the FCC Rules. These limits are designed to provide
reasonable protection against harmful interference in a
residential installation. This equipment generates, uses and
can radiate radio frequency energy and, if not installed and
used in accordance with the instructions, may cause harmful
interference to radio communications. However, there is no
guarantee that interference will not occur in a particular
installation. If this equipment does cause harmful interference
to radio or television reception, which can be determined by
turning the equipment off and on, the user is encouraged to try
to correct the interference by one or more of the following
measures:
-Reorient or relocate the receiving antenna.
-Increase the separation between the equipment and
receiver.
-Connect the equipment into an outlet on a circuit different
from that to which the receiver is connected.
-Consult the dealer or an experienced radio/TV technician
for help.
This device complies with Part 15 of the FCC Rules.
Operation is subject to the following two conditions:
(1) This device may not cause harmful interference,
and
(2) this device must accept any interference received,
including interference that may cause undesired
operation.
Warning:
Changes or modifications to this equipment not expressly approved
by the party responsible for compliance (LogiTag Systems Ltd.) could
void the user’s authority to operate the equipment.

Tel: 972-9-835-4848
Fax: 972-9-865-6262
2 Hamelacha St., Poleg Industrial Zone, Natanya ,P.O.B 8249, ZIP 42504
Israel LogiTag Systems LTD. www.logi-tag.com
Page
9/10
FCC labeling requirements:
If the FCC ID is not visible when the module is installed inside
another device, then the outside of the device into which the
module is installed a label referring to the enclosed module
shall be with the wording “Contains FCC ID:Z97-1149466” .
FCC label:
FCC ID: Z97-1149466
4 Channel RFID LF
Reader
Manufacturer:
LogiTag Systems Ltd.

Tel: 972-9-835-4848
Fax: 972-9-865-6262
2 Hamelacha St., Poleg Industrial Zone, Natanya ,P.O.B 8249, ZIP 42504
Israel LogiTag Systems LTD. www.logi-tag.com
Page
10/10
4. Board specifications:
Reader transceiver frequency 125KHz
Working voltage: 10-24V
Current consumption 70mA@24V
Operating temperature -20C to + 65C
Storage temperature 40C to +85C
Dimensions 5.5*7.2*1.8 cm