Motorola Solutions Germany MR1145 RADIOTELEPHONE MR1145 User Manual Service Manual MR 11
Motorola Solutions Germany GmbH RADIOTELEPHONE MR1145 Service Manual MR 11
Contents
- 1. OPERATING MANUAL
- 2. SERVICE MANUAL PART 1
- 3. SERVICE MANUAL PART 2
SERVICE MANUAL PART 1

Motorola GmbH • Geschäftsbereich Funksysteme
>>
I
Service Manual
Radiotelephones MR 11
Edition 2
Product survey 1
Technical description, external connections 2
Circuit diagrams 3
Spare parts 4
Assembly and conversion instructions 5
Service accessories 6
Programming with WinIPP 7
© All rights reserved by Motorola GmbH • Geschäftsbereich Funksysteme, also for patent and
trade mark applications. Rights of disposal, e.g. copyright and right of transfer to third parties, are
likewise held by us.

Motorola GmbH • Geschäftsbereich Funksysteme
.. - 1 << >>
I
Technical Description MR 11 and Description of the External Connections
Table of Contents
1 General Information 2 - 2
2 Technical Data 2 - 2
3 Circuit Description 2 - 3
3.1 Receiver 2 - 3
3.2 Transmitter 2 - 4
3.3 Antenna Filter with Antenna Switch 2 - 4
3.4 Frequency Conditioning 2 - 5
3.5 Analog Signal Processing 2 - 6
3.6 Unit Control 2 - 6
3.7 Signalling Module MDSR 134 2 - 7
4 Function of the External Connections 2 - 8
4.1 4-pin Rear Connection 2 - 8
4.2 10-pin FCC Plug 2 - 9
4.3 25-pin Socket (Data Interface MR 11..R) 2 - 9
2 - 1
MR 11

Motorola GmbH • Geschäftsbereich Funksysteme
.. - 1 << >>
I
1 General Information
The MR 11 radio family has been designed on a common technical basis. This means: largely the
same components, the same circuit technology, the same software and the same user interface.
The radios are designed both for private mobile radio and trunking systems.
The MR 11 is the mobile radio in this new radio family. There are two models: the C radios with an
integrated control unit for voice transmission and the R radios (without control unit) with connection
facility for external data equipment and control units for voice transmission.
2 Technical Data
MR 11.. S-C MR 11.. SD-R
MR 11.. T-C MR 11.. TD-R
Brief description With integrated keyboard and LCD With 25-pin data connection
External connection 10-pin FCC socket, 10-pin FCC socket,
loudspeaker and follower contact loudspeaker, follower contact and
25-pin Sub-D socket
Frequency range
MR 1116 146 - 174 MHz 146 - 174 MHz
MR 1142
Receiver 400 - 440 MHz 400 - 440 MHz
Transmitter
Part A (1 - 6 W) 400 - 420 MHz 400 - 420 MHz
Part B (1 - 6 W) 420 - 440 MHz 420 - 440 MHz
Part C (10 - 25 W) 400 - 425 MHz 400 - 425 MHz
Part D (10 - 25 W) 425 - 440 MHz 425 - 440 MHz
MR 1145 440 - 470 MHz 440 - 470 MHz
Channel spacing 20 / 25 kHz, 12.5 kHz 20 / 25 kHz, 12.5 kHz
Number of channels 999 999
Transmitter and receiver Transmitter and receiver
freely programmable freely programmable
AF output power 4 W on 4 4 W on 4
Signalling Analog / digital Analog / digital
Antenna connection BNC BNC
Dimensions (W x H x D) 178 x 35 x 165 mm 178 x 35 x 165 mm
Weight 1,100 g 1,100 g
Protection class IP 50 IP 50
2 - 2
MR 11

Motorola GmbH • Geschäftsbereich Funksysteme
.. - 1 << >>
I
MR 1116 MR 1142
MR 1145
Transmitter power 0.1 W fixed 0.1 W fixed
1 - 6 W 1 - 6 W
6 - 12 W 1 - 10 W
12 - 25 W 10 - 25 W
Channel-dependently programmable Channel-dependently programmable
Current consumption
Standby < 0.3 A < 0.3 A
Receive < 0.5 A < 0.5 A
Transmit
6 W < 2.3 A < 3 A
10 W —- < 3.5 A
12 W < 3.5 A —-
25 W < 6.8 A < 7 A
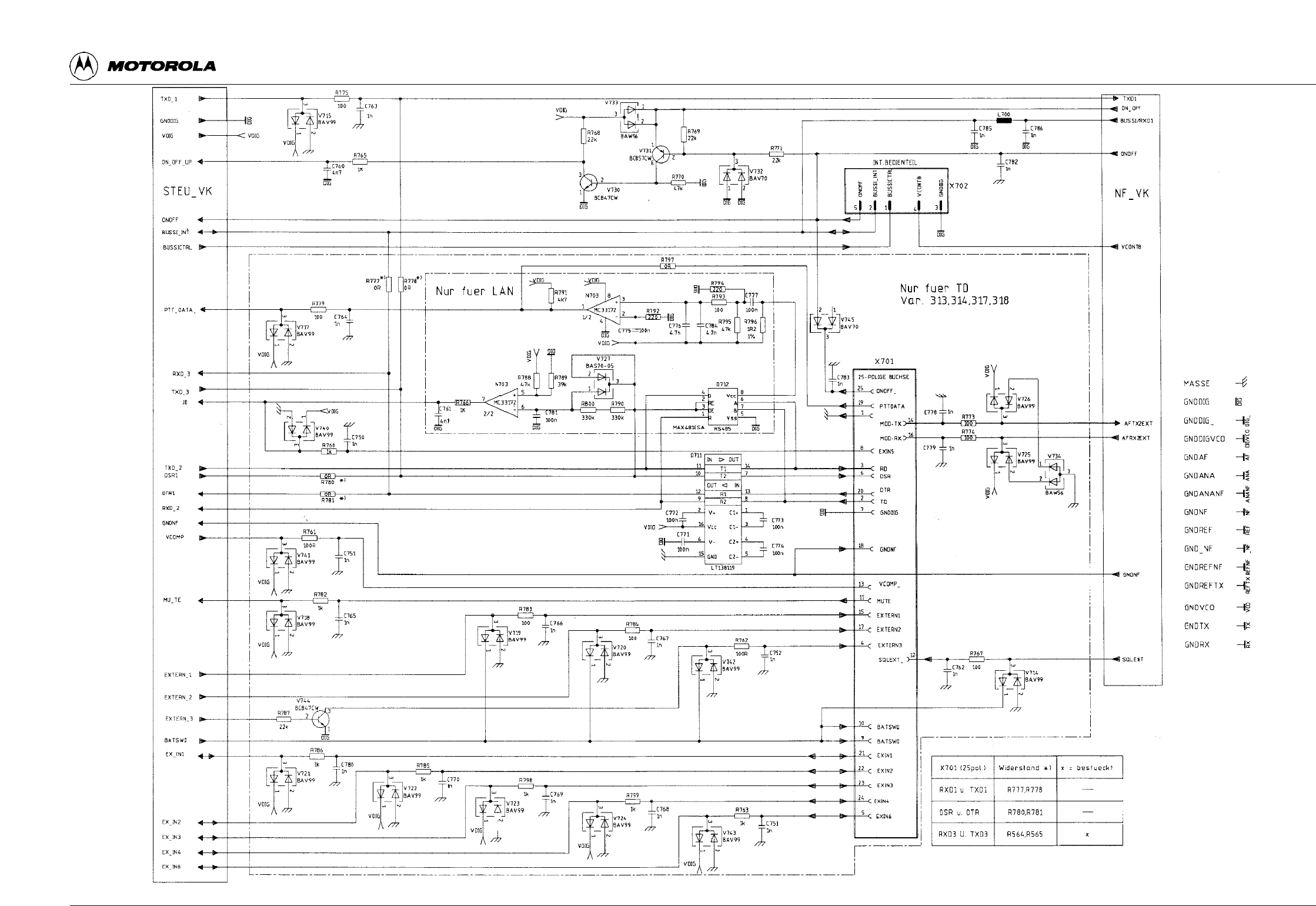
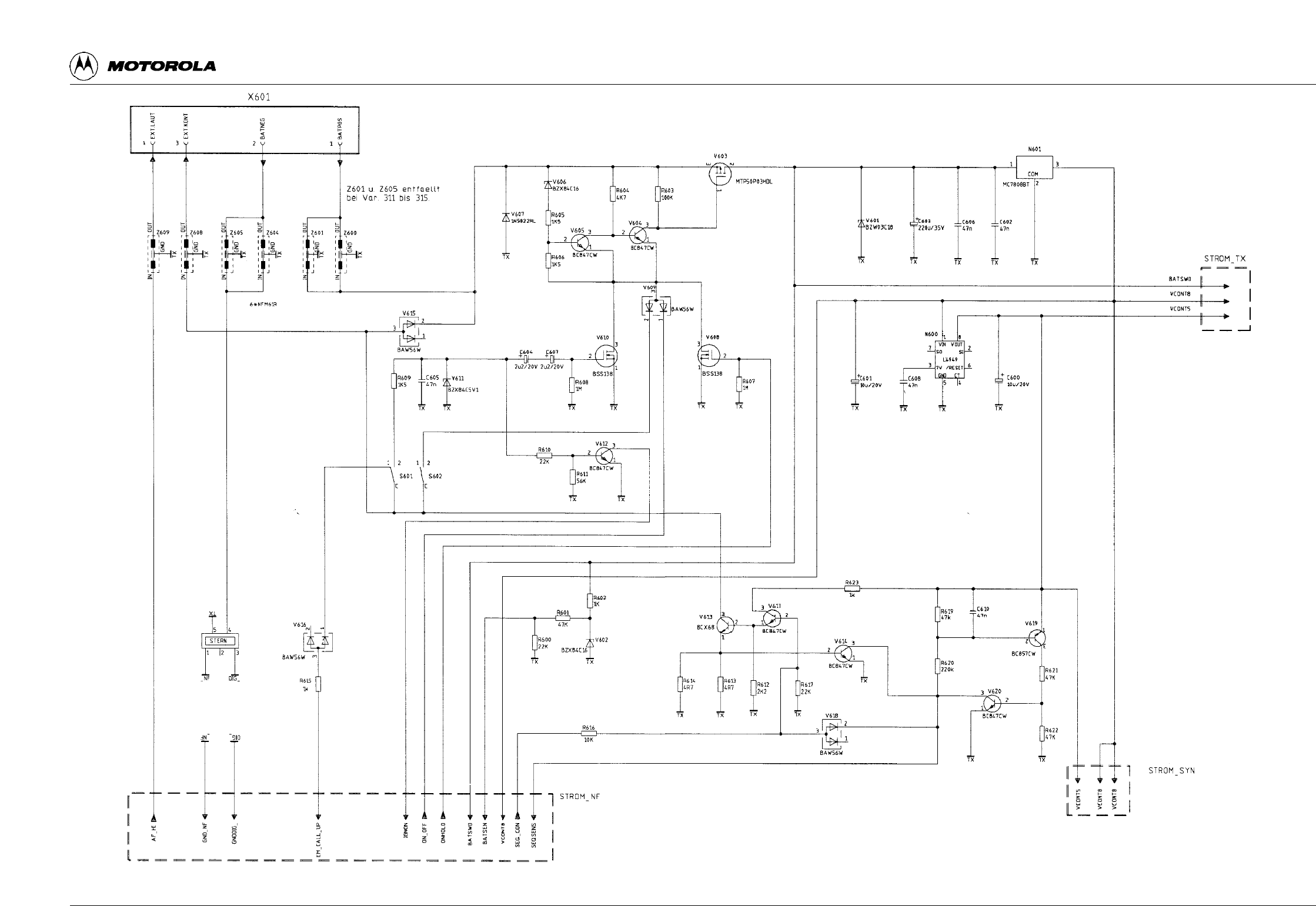
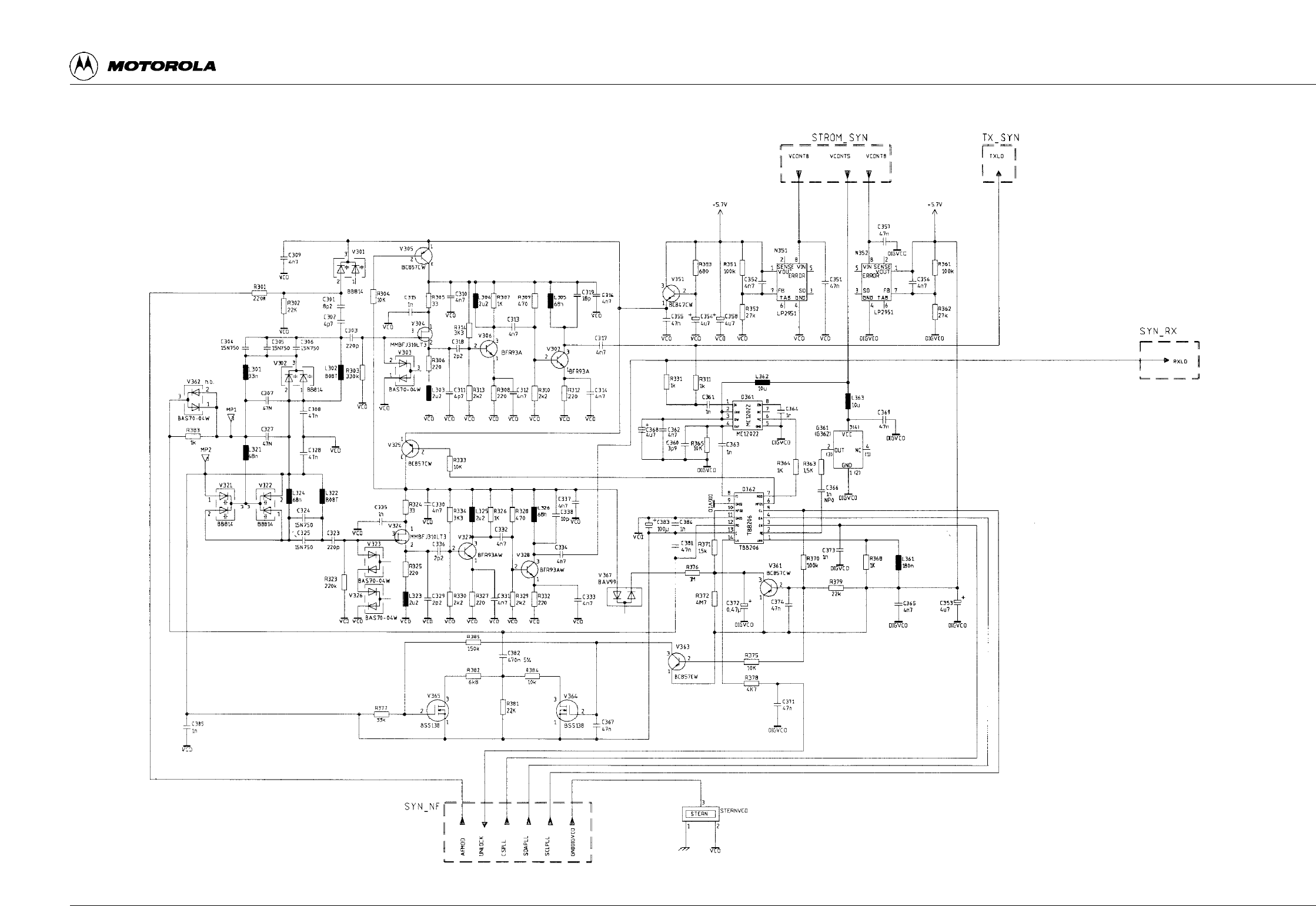
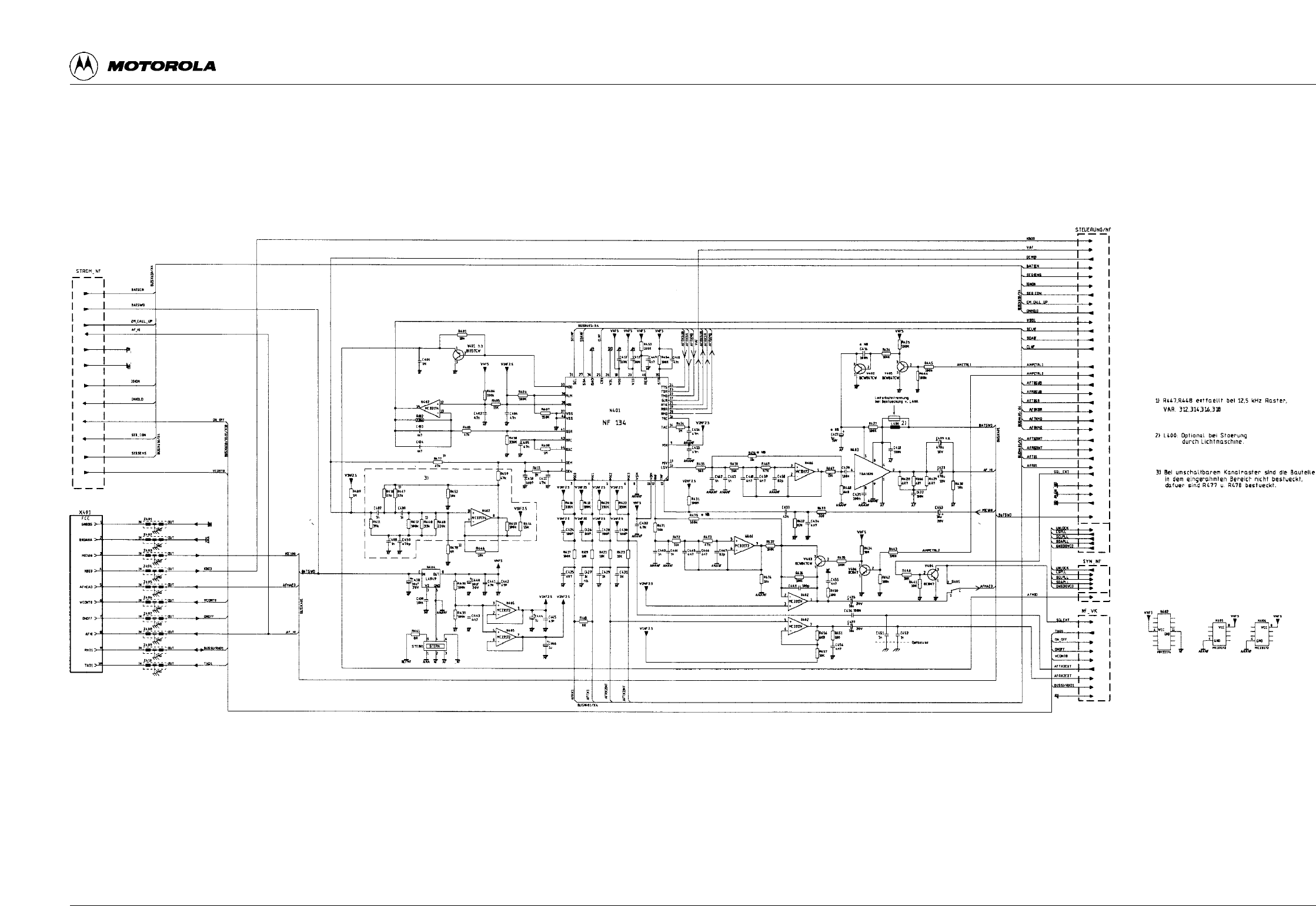
3 Circuit Description
The circuit description and its component references refers directly to individual components in
part which can only be found in the design circuit diagrams.
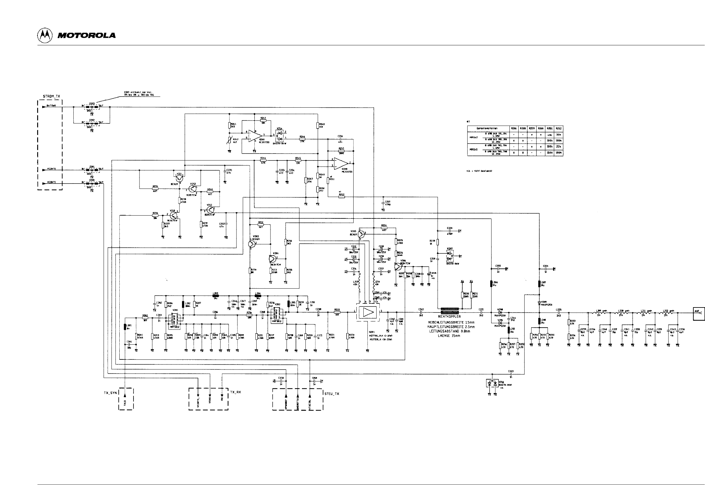
3.1 Receiver
The complete receiver module consists of the VHF/UHF pre-stage (RX), a ring mixer, the IF unit
(IF) and a power supply (PS).
Pre-stage (RX)
The pre-stage is responsible for far-off selectivity, attenuation of the image frequency and the total
sensitivity. The circuit consists of two band pass filters and one amplifier in emitter circuit. The pass
range is divided into four reception ranges by two varicaps in the first band filter. The analog signal
VRXTUNE controls the respective reception range.
The second band pass filter could be omitted from the MR radio on account of the good selection
of the harmonic filter.
Double Balanced Mixer
In the double balanced mixer, the reception signal is mixed down to the 1st IF level by the applied
oscillator signal.
2 - 3
MR 11

Motorola GmbH • Geschäftsbereich Funksysteme
.. - 1 << >>
I
IF Module
The IF module amplifies the 45 MHz signal from the mixer and provides the necessary channel
selection by the available crystal and ceramic filters. It supplies a demodulated AF signal to the
following AF-IC and provides the computer with an RSSI (received signal strength indicator) signal.
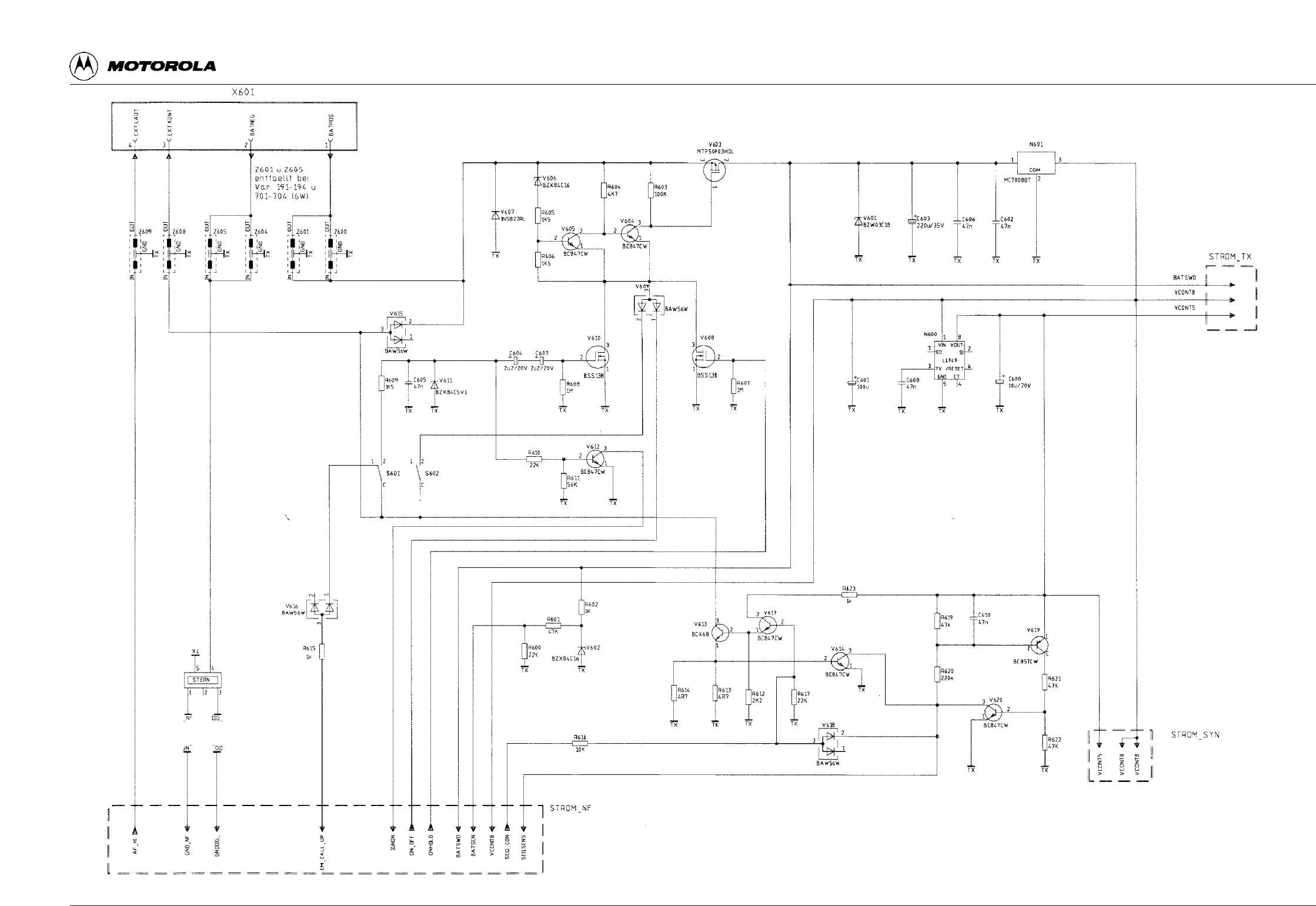
Power Supply (PS)
The power supply generates the necessary receiver voltage VRX. VRX is derived from the switched
battery voltage BATSWD and stabilised at 8 V. VRX is switched on and off by the control line
VTXCTRL.
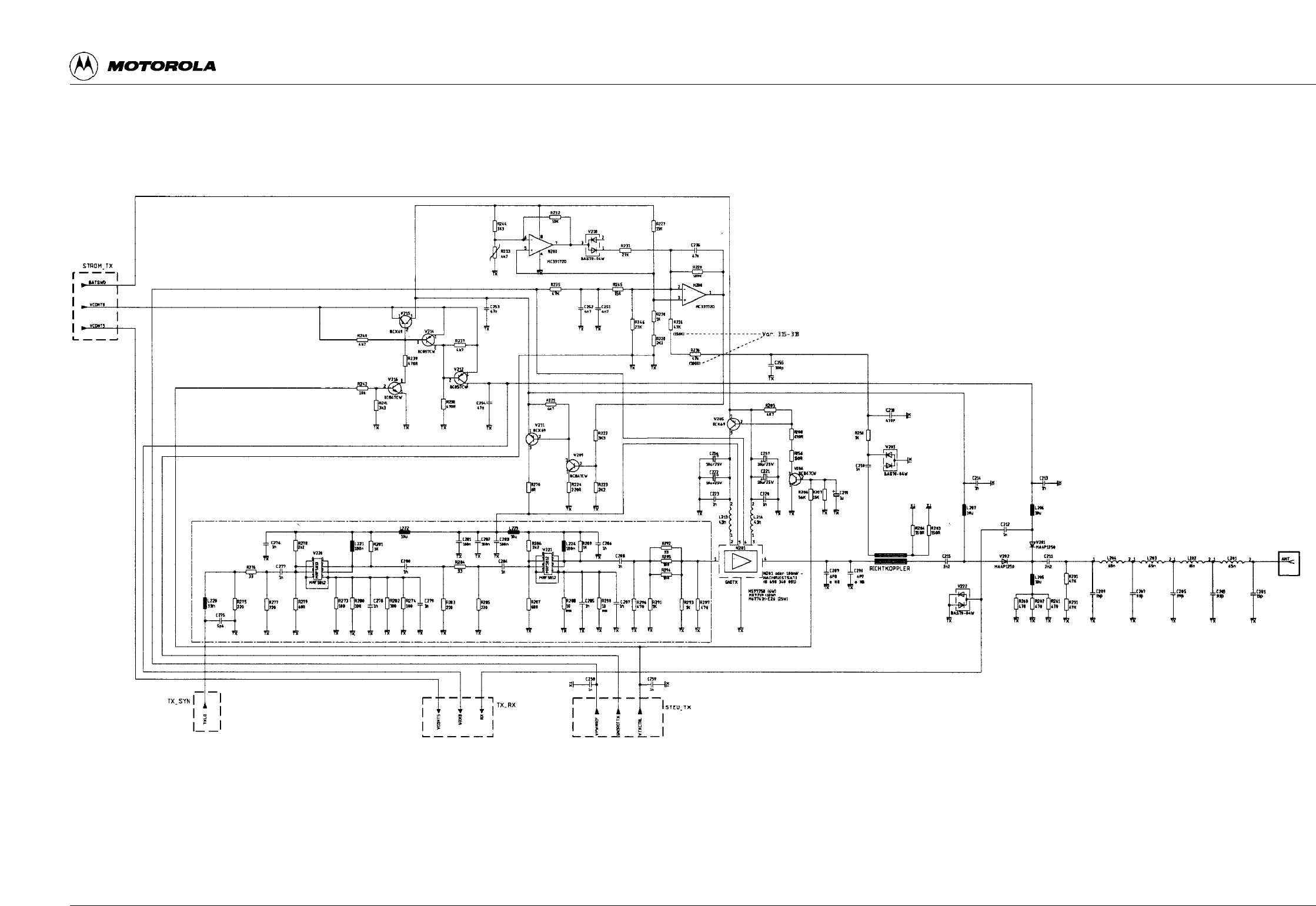
3.2 Transmitter
Four adjustment values for four power stages are stored in the radio for the transmitter output
stages in production. One of these values can be assigned to the “High Power” stage switchable by
the user, another to the “Low Power” stage with the help of WinIPP in the after-sales service. This
can be done uniformly for all channels or separately for each channel. To ensure as constant as
possible an output power over the whole frequency range, four times four setting values for 146
MHz, 155 MHz, 165 MHz and 174 MHz are determined in automatic adjustment.
The switching times for reception-transmission, transmission-reception mode are less than 30
milliseconds. The power supplies for the transmitter are switched on and the T/R switch switched
to transmission mode via the control line VTXCTRL.
Transmitter Ouput Amplifier
The transmitter is available in three power ranges (1-6 W / 6-12 W / 12-25 W). The stored adjustment
values for the transmitter power in the MR radios are:
1-6 W: 1 W 2 W 6 W 6 W
6-12 W: 6 W 6 W 12 W 12 W
12-25 W: 12 W 12 W 25 W 25 W
The transmitter power of the MR 11 is keyed up with the aid of a D/A converter in the form of a
staircase function in two milliseconds. The setting values are passed to the transmitter via the
control line VPWRREF after a linear interpolation.
3.3 Antenna Filter with Antenna Switch
The antenna filter connects either the receiver pre-stage or the transmitter output to the antenna
socket. Its transmission function has band pass character. Switching is effected by PIN diodes.
The MR 11 harmonic filter is a low pass.
2 - 4
MR 11

Motorola GmbH • Geschäftsbereich Funksysteme
.. - 1 << >>
I
3.4 Frequency Conditioning
The “Frequency conditioning” module consists of the following circuit parts:
• Transmitter VCO frequency modulatable via the connection “AFMOD”, followed by a non-
selective buffer amplifier for decoupling with an output power at “TXLO” of approx. 10 dBm.
• Receiver VCO frequency followed by a selective amplifier with an output power for the double
balanced mixer at “RXLO” of approx. 10 dBm.
• Voltage stabilisation (N151) with additional filtering for the VCOs.
• Phase locked loop (PLL), consisting of a switchable frequency divider (D361), followed by a
frequency synthesizer (D362) with digital phase comparator (PD), current source output, built-
in voltage inverter for doubling the VCO tuning voltage and controlled by a serial three-wire
bus, a passive, double switchable loop filter, an external PD current adjuster and a reference
oscillator (TCXO, G361).
Function description:
The frequency conditioning takes place according to the principle of frequency analysis in the one
loop (dual modulus) divider method.
The frequency of the free-oscillating transmitter or receiver VCOs (switching through V352, controlled
by port MFO1 of D362 by status word) is divided down to a comparative frequency of 5 or 6.25 kHz
with switchable dividers and compared with an identical high constant comparative frequency
derived from the TCXO frequency of 12.8 MHz in a phase discriminator. This supplies a control
voltage dependent on the frequency and phase deviation which makes sure that the respective
VCO oscillates at the frequency which satisfies the PLL conditions.
To reduce the transient time after frequency change, the loop frequency of the PLL is increased
considerably for a few milliseconds with the positive edge of CSPLL immediately after receiving
the new divider data by external adjustment of the PD current through connection MFO2 of the
frequency synthesizer D362 (effected by V361 and corresponding RC wiring, triggered by line
SCLPLL) and then reduced continuously to such a low value that modulation in the subaudio
range is possible without taking compensatory action. In the meantime, the loop attenuation is
adapted by the resistors R381, 382, 384 in conjunction with the switches V364, 365 in two steps
(same triggering but time constants now by C367, R377, R385).
2 - 5
MR 11

Motorola GmbH • Geschäftsbereich Funksysteme
.. - 1 << >>
I
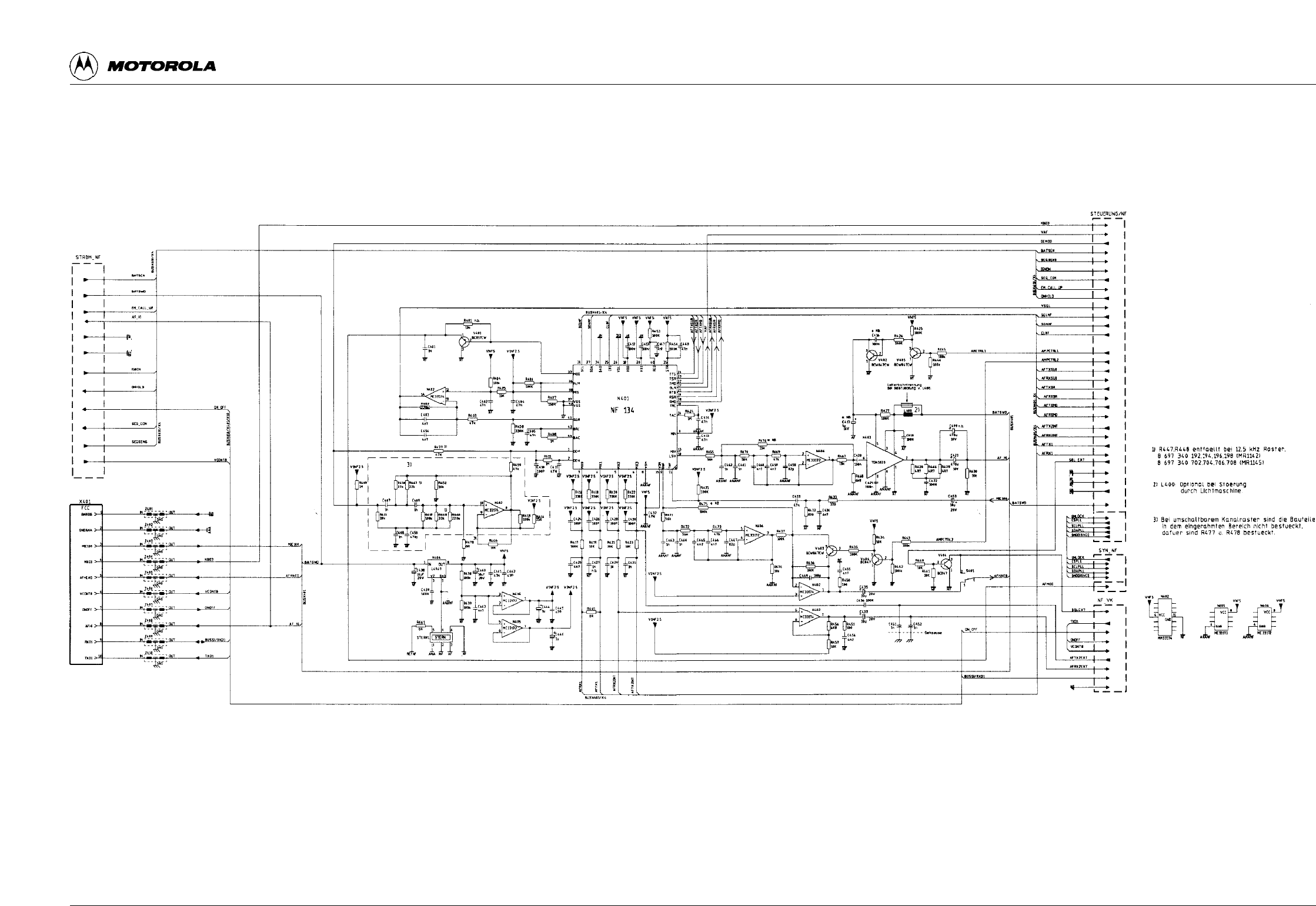
3.5 Analog Signal Processing
NF 134
The AF module NF 134 contains all the electronic level adjusters required for adjustment as well
as all the AF filters for the transmission and reception paths of the various channel spacings.
Microphone Amplifier ML 11, HA 11, HBT 11
A new kind of AGC amplifier is used which enables good communication even in noisy environments
(DNC, Dynamic Noise Compensation). The external inputs (MIC100) of the radios are unstabilised
and only obtain their DNC function from a connected Motorola hand control unit.
AF Output Amplifier
The AF output amplifier for the external loudspeaker and the hand control unit is a monolithic IC
TDA 1020 (N403). Four Watts on 4 ohms are generated.
3.6 Unit control
The unit control consists of a computer system with internal and external memories. The ASIC
MDSR 134 can be considered the central element. It is used for clock generation for other
components, provides the Chip-Select signals of the memories, has a port extension and analog
and digital encoders/decoders.
Microcontroller
A 16-bit controller from Mitsubishi is used here. Its designation is: M37710. It is operated with
approx. 15 MHz. This computer contains a 32 kB internal ROM.
The so-called “MELP-SW” (Micro Electronic Processor Software) needed for radio tuning, loading
the actual radio software and communication with the coding program “WinIPP” is located in the
inernal computer memory.
Memory
A 32 k RAM and two slots for flash EEPROMs are provided as external memory components. Two
times 256 kB or two times 512 kB can be plugged in here. An EEPROM of 2 kB serves as a
parameter memory. General access to all memories is through the MELP-SW.
Software
The entire radio software is divided into two parts. The unchangeable MELP-SW and the radio-
specific FLASH-SW. This MELP-SW controls general access, contains extensive test sequences,
the necessary hardware drivers and supports the production-relevant test routines. The system is
always started under MELP-SW.
2 - 6
MR 11

Motorola GmbH • Geschäftsbereich Funksysteme
.. - 1 << >>
I
3.7 Signalling Module MDSR 134
The MD 134 contains the function groups:
1. Analog signalling
2. Digital signalling (FFSK 1200 Baud)
3. Clock conditioning
4. Chip-Select logic for the unit control.
The MDSR 134 has been derived from a fusion of the components SR 130 and MD 134.
Analog Signalling (Function Scope of the SR 130)
The SR 130 is a universal encoder/decoder for analog tone signalling methods according to
ZVEI, CTCSS, CCIR, EIA standards. The SR 130 can be programmed for frequencies of 1 Hz to
4000 Hz.
Two separate tone signal generators allow use as a DTMF encoder.
Digital Signalling (Function Scope of the MD 134)
The MD 134 is an intelligent semiduplex modem. It processes a 1200-b/s FFSK signal. The two
frequencies are 1200 Hz for a logic 1 and 1800 Hz for a logic 0. The frame synchronisation is
achieved by comparison with a synchronisation word, in addition the inverse synchronisation word
is searched for. The synchronisation word is 32-bit freely programmable.
The module is controlled by the processor through a parallel interface.
Digital Signalling (Function Scope of the OKI modem)
A bit-transparent modem is used for RX decoding of the 1200 baud signalling.
A software control effects an automatic changeover from MDSR 134 to the OKI modem.
2 - 7
MR 11

Motorola GmbH • Geschäftsbereich Funksysteme
.. - 1 << >>
I
3 - 1
Circuit diagrams, signal diagrams
Contents
1 MR 1116 .. C .., MR 1116 .. R .. 3 - 2
Basic unit
2 MR 1142 .. C .., MR 1142 .. R .., MR 1145 .. C .., MR 1145 .. R .. 3 - 11
Basic unit
3 MR 11 .. C .. 3 - 20
Control unit
4 ML 11 3 - 22
Microphone-Loudspeaker
5 HBT 11 3 - 23
Hand control unit
6 HA 11 3 - 25
Handset
Attention!
Please note!
The circuit diagrams and component mounting diagrams on the following pages are
only for your information.
Work on the printed board is not planned in the service concept.
Violations will render guarantee claims invalid. Spare parts cannot be delivered for unauthorized
work on the printed board.
However, work can be approved within a restricted scope in founded, exceptional cases (e.g.
installation of a tip-over switch). In these cases, you will be informed by means of (service information)
circulars.
MR 11













