Hrvs Dn Manual
2016-06-01
: Pdf Hrvs Dn Manual hrvs_dn_manual Specs Solcon
Open the PDF directly: View PDF
.
Page Count: 182 [warning: Documents this large are best viewed by clicking the View PDF Link!]
- 1. LIST OF FIGURES
- 2. SAFETY & WARNINGS
- 3. INTRODUCTION
- 4. TECHNICAL DATA
- 5. RECOMMENDED WIRING DIAGRAMS
- 5.1 Control Supply and Control Inputs From a Single Source
- 5.2 Separate Sources for Control Supply and Control Inputs
- 5.3 Three Separate Sources for Control Supply and Control Inputs
- 5.4 Soft Start and Immediate Stop (No Soft Stop)
- 5.5 Soft Start and Soft Stop wiring
- 5.6 Soft Start, Soft Stop and Immediate Stop Wiring
- 5.7 Soft Start, Soft Stop and Stop
- 5.8 External Fault
- 5.9 Dual Adjustment (Control Input #8)
- 5.10 Bypass Contactor
- 5.11 Operating via Communication Links
- 5.12 Control Input #7
- 5.13 Control Input #8
- 6. INSTALLATION OF IP00 (OEM KIT) IN A CABINET
- 7. CONTROL KEYPAD
- 7.1 LCD Arrangement
- 7.2 Push-Buttons
- 7.3 Status LEDs
- 7.4 Reviewing and Modifying Parameters
- 7.5 Upon first Control Voltage Connection
- 7.6 Special Actions Performed in TEST/MAINTENANCE Mode
- 7.7 Mode Pages
- 7.8 Overview of All Mode Pages and Factory Defaults
- 7.8.1 Display Mode – Page 0
- 7.8.2 Main & Protect. – Page 1
- 7.8.3 Start Parameters – Page 2
- 7.8.4 Stop Parameters – Page 3
- 7.8.5 Dual Adjustment Parameters – Page 4
- 7.8.6 Fault Parameters – Page 5
- 7.8.7 I/O Programming Parameters – Page 6
- 7.8.8 Comm. Parameters – Page 7 – With the Optional Modbus PCB
- 7.8.9 Comm. Parameters – Page 7 – With the Optional Profibus PCB
- 7.8.10 Comm. Parameters – Page 7 – With the Optional DeviceNet PCB
- 7.8.11 Statistical Data – page 8
- 8. MOTOR AND SOFT STARTER PROTECTION
- 8.1 Adjustable Protection Functions
- 8.1.1 UNDER CURRENT
- 8.1.2 O/C –SHEAR PIN
- 8.1.3 OVERLOAD
- 8.1.4 UNBALANCE CURRENT
- 8.1.5 GROUND FAULT
- 8.1.6 UNDER/NO VOLTAGE
- 8.1.7 OVER VOLTAGE
- 8.1.8 LONG START TIME
- 8.1.9 OPEN BYPASS
- 8.1.10 SET CURVE TO 0
- 8.1.11 PWR ON & NO STRT
- 8.1.12 MOTOR INSULATION
- 8.1.13 PHASE SEQUENCE
- 8.1.14 TOO MANY STARTS
- 8.1.15 MODBUS TIME OUT
- 8.1.16 SET TIME & DATE
- 8.1.17 COAST DOWN TIME
- 8.2 Non Adjustable Protection Functions
- 8.3 Fault and Reset
- 8.4 Auto Reset
- 8.5 Timing Occurrence Table
- 8.1 Adjustable Protection Functions
- 9. PACKING, STORAGE, HANDLING AND ASSEMBLY
- 10. COMMISSIONING AND OPERATION MANUAL
- 11. HIGH-POT TEST OF THE HRVS-DN CABINET
- 12. TEST PROCEDURE FOR LOW VOLTAGE TESTING
- 13. START PROCEDURE FOR MEDIUM VOLTAGE MOTOR
- 13.1 Special Attention Notes
- 13.2 Prior to Commissioning in Medium Voltage
- 13.3 Medium Voltage Test Procedure
- 13.4 Standard Starting Process
- 13.5 Examples of Starting Curves
- 13.6 How to set MPS-3000 and DPM-10 when installed with HRVS-DN
- 14. TROUBLE SHOOTING
- 15. SPARE PARTS
- 16. HRVS-DN COMMUNICATION (MODBUS PROTOCOL)
- 16.1 Introduction
- 16.2 Basic Structure of the Serial Link Frame
- 16.3 SYNC (Silent Interval)
- 16.4 Serial Link No. (Slave Address)
- 16.5 Function
- 16.6 List of Functions Supported By The HRVS-DN
- 16.7 Actual Data (3X References & 4X references)
- 16.8 Parameter Settings (4X References)
- 16.9 Control Register Write (4X Reference)
- 16.10 Discrete Commands (Coils, 0x References)
- 16.11 Discrete Hardwired Inputs (1x References)
- 16.12 Diagnostics
- 16.13 Exception Responses
- 17. HRVS-DN COMMUNICATION (PROFIBUS PROTOCOL)
- 17.1 Global Parameters:
- 17.2 Operation Mode in PROFIBUS:
- 17.3 Description of the DPV0 (Cyclic) Frame:
- 17.4 Operations that are Available in DPV1
- 17.5 Configure the PROFIBUS in the HRVS-DN
- 17.6 Watch Dog Definition
- 17.7 Numbers of actual data Register for (decimal)
- 17.8 Number of Setting Registers for Data Request
- 17.9 Start Parameters
- 17.10 Stop Parameters
- 17.11 Dual Adjust Parameters
- 17.12 Fault Parameters
- 17.13 I/O Programming
- 17.14 Communication Parameters
- 17.15 Time Parameters
- 18. HRVS-DN COMMUNICATION (DEVICENET™ TO MODBUS™ GATEWAY)
- 18.1 Introduction
- 18.2 Identity Object (01HEX - 1 Instance)
- 18.3 Message Router Object (02HEX - 1 Instance)
- 18.4 DeviceNet Object (03HEX - 1 Instance)
- 18.5 Assembly Object (04HEX – 4 Instances)
- 18.6 Connection Object (05HEX – 2 Instances)
- 18.7 Softstart Object (2DHEX - 1 Instance)
- 18.8 Control Supervisor Object (29HEX - 1 Instances)
- 18.9 Modbus / Serial Object (65HEX – 1 Instance)
- 18.10 Solcon Input Object (70HEX – 1 Instance)
- 18.11 Main Parameter Object (71HEX – 1 Instance)
- 18.12 Start Settings Object (72HEX – 1 Instance)
- 18.13 Stop Settings Object (73HEX – 1 Instance)
- 18.14 Dual Settings Object (74HEX – 1 Instance)
- 18.15 Fault Settings Object (76HEX – 1 Instance)
- 19. PARAMETERS LIST
- 20. GENERAL INFORMATION:

H
HR
RV
VS
S-
-D
DN
N
M
Me
ed
di
iu
um
m
V
Vo
ol
lt
ta
ag
ge
e
D
Di
ig
gi
it
ta
al
l
S
So
of
ft
t
S
St
ta
ar
rt
te
er
r
6
60
0-
-1
1,
,2
20
00
0A
A,
,
2
2,
,3
30
00
0-
-1
15
5,
,0
00
00
0
V
V
I
In
ns
st
t
r
ru
uc
ct
ti
io
on
n
a
an
nd
d
C
Co
om
mm
mi
is
ss
si
io
on
ni
in
n
g
g M
Ma
an
nu
ua
al
l
Ver.28/02/2010

3 • List of Figures
HRVS-DN Instruction and Commissioning Manual
Table of Contents
1.List of Figures ........................................................................................................................... 7
2.Safety & Warnings .................................................................................................................... 9
2.1Safety .......................................................................................................................................... 9
2.2Attention ...................................................................................................................................... 9
2.3Warnings ..................................................................................................................................... 9
3.Introduction ............................................................................................................................. 10
3.1Why Solcon? Why Soft Starters? .............................................................................................. 10
3.2How Soft Starters Work? .......................................................................................................... 11
Main Features, Options and Advantages ........................................................................................ 12
4.Technical Data ........................................................................................................................ 14
4.1HRVS-DN IP00 Unit (OEM Kit) ................................................................................................. 14
4.2Typical Connection of the HRVS-DN IP00 Unit (OEM Kit) ....................................................... 15
4.3Typical Connection of the HRVS-DN in a Cabinet .................................................................... 16
4.3.1Typical Connection of HRVS-DN up to 6.6kV ............................................................... 16
4.3.2Typical Connection of HRVS-DN from 10kV and up. .................................................... 17
4.4HRVS-DN Selection .................................................................................................................. 18
4.4.1Motor Current and Starting Conditions .......................................................................... 18
4.4.2PIV (Peak Inverse Voltage) ........................................................................................... 18
4.4.3Rated Currents Frame Sizes ......................................................................................... 19
4.5Ordering Information ................................................................................................................. 20
4.5.1Ordering IP00 Unit (OEM kit) ........................................................................................ 20
4.5.2Ordering a Cabinet Installed Soft Starter ...................................................................... 22
4.6Power Connections Description ................................................................................................ 24
4.7Control Connections Description .............................................................................................. 25
4.7.1Input Terminal 7 - Test/Reset/MULTI SOFT STOP ....................................................... 31
4.7.2Input Terminal 8 - Dual Adjust/Reset ............................................................................ 31
4.7.3Output Terminals 10, 11 & 12 – Immediate/# Strts PreAlarm ....................................... 31
5.Recommended Wiring Diagrams .......................................................................................... 32
5.1Control Supply and Control Inputs From a Single Source ........................................................ 32
5.2Separate Sources for Control Supply and Control Inputs ......................................................... 32
5.3Three Separate Sources for Control Supply and Control Inputs ............................................... 33
5.4Soft Start and Immediate Stop (No Soft Stop) .......................................................................... 33
5.5Soft Start and Soft Stop wiring .................................................................................................. 34
5.6Soft Start, Soft Stop and Immediate Stop Wiring ...................................................................... 34
5.7Soft Start, Soft Stop and Stop ................................................................................................... 35
5.8External Fault ............................................................................................................................ 35
5.9Dual Adjustment (Control Input #8) ........................................................................................... 35
5.10Bypass Contactor ...................................................................................................................... 36
5.11Operating via Communication Links ......................................................................................... 37
5.12Control Input #7 ........................................................................................................................ 38
5.13Control Input #8 ........................................................................................................................ 38
6.Installation of IP00 (OEM Kit) in a Cabinet ........................................................................... 39
6.1Mounting ................................................................................................................................... 39
6.1.1Low Voltage Section ...................................................................................................... 40
6.2Temperature Range & Heat Dissipation ................................................................................... 40
6.3Control Module Main PCB and Optional PCBs ......................................................................... 41
6.4Dip Switch Settings on the Main PCB ....................................................................................... 41
6.4.1Switch # 1 – Display Modes .......................................................................................... 41
6.4.2Switch # 2 – Tacho Feedback (0-10VDC) ..................................................................... 42
6.4.3Switches # 4, 5 & 6 – Language Selection ................................................................... 42
6.4.4Switch # 7 – Extended Settings ..................................................................................... 43
6.4.5Switch # 8 – Software Lock ........................................................................................... 43
6.5Analog I/O (Option 5) (Terminals Gnd, Out (-), Out (+)) .......................................................... 44
_______________________________________________________________________________________________

4 • List of Figures
6.6Insulation test (Option 4) (Terminals 25, 26, 27 and Leak) ..................................................... 45
6.7Remote Key-Pad Installation .................................................................................................... 46
7.Control Keypad ....................................................................................................................... 48
7.1LCD Arrangement ..................................................................................................................... 48
7.2Push-Buttons ............................................................................................................................ 48
7.3Status LEDs .............................................................................................................................. 49
7.4Reviewing and Modifying Parameters ...................................................................................... 49
7.5Upon first Control Voltage Connection ...................................................................................... 49
7.6Special Actions Performed in TEST/MAINTENANCE Mode .................................................... 49
7.6.1Run Self Test................................................................................................................. 49
7.6.2View Software Version .................................................................................................. 50
7.6.3Obtain Default Parameters ............................................................................................ 50
7.6.4Reset Statistical Data .................................................................................................... 50
7.6.5Calibrate Voltage and Current (Factory Use Only!) ....................................................... 51
7.6.6Setting Time and Date ................................................................................................... 51
7.7Mode Pages .............................................................................................................................. 52
7.8Overview of All Mode Pages and Factory Defaults ................................................................... 53
7.8.1Display Mode – Page 0 ................................................................................................. 55
7.8.2Main & Protect. – Page 1 .............................................................................................. 56
7.8.2.1Tripping Curves of the Integrated Overload Protection .......................................... 59
7.8.3Start Parameters – Page 2 ............................................................................................ 61
7.8.3.1Soft Start Parameters ............................................................................................. 66
7.8.3.2Special Control for Synchronous Motors Excitation ............................................... 67
7.8.4Stop Parameters – Page 3 ............................................................................................ 68
7.8.4.1Soft Stop Parameters ............................................................................................. 69
7.8.5Dual Adjustment Parameters – Page 4 ......................................................................... 71
7.8.6Fault Parameters – Page 5 ........................................................................................... 72
7.8.7I/O Programming Parameters – Page 6 ........................................................................ 74
7.8.7.1Terminal 7 and 8 Programming .............................................................................. 75
7.8.8Comm. Parameters – Page 7 – With the Optional Modbus PCB .................................. 76
7.8.9Comm. Parameters – Page 7 – With the Optional Profibus PCB .................................. 76
7.8.10Comm. Parameters – Page 7 – With the Optional DeviceNet PCB .............................. 77
7.8.11Statistical Data – page 8 ............................................................................................... 78
8.Motor and Soft Starter Protection ......................................................................................... 79
8.1Adjustable Protection Functions ............................................................................................... 79
8.1.1UNDER CURRENT ....................................................................................................... 79
8.1.2O/C –SHEAR PIN .......................................................................................................... 79
8.1.3OVERLOAD .................................................................................................................. 79
8.1.4UNBALANCE CURRENT .............................................................................................. 79
8.1.5GROUND FAULT .......................................................................................................... 79
8.1.6UNDER/NO VOLTAGE ................................................................................................. 80
8.1.7OVER VOLTAGE .......................................................................................................... 80
8.1.8LONG START TIME ...................................................................................................... 80
8.1.9OPEN BYPASS ............................................................................................................. 80
8.1.10SET CURVE TO 0 ......................................................................................................... 80
8.1.11PWR ON & NO STRT ................................................................................................... 80
8.1.12MOTOR INSULATION .................................................................................................. 80
8.1.13PHASE SEQUENCE ..................................................................................................... 80
8.1.14TOO MANY STARTS .................................................................................................... 81
8.1.15MODBUS TIME OUT .................................................................................................... 81
8.1.16SET TIME & DATE ........................................................................................................ 81
8.1.17COAST DOWN TIME .................................................................................................... 81
8.2Non Adjustable Protection Functions ........................................................................................ 81
8.2.1UNDER/OVER FREQUENCY ....................................................................................... 81
8.2.2PHASE LOSS................................................................................................................ 81
8.2.3WRONG PARAMETERS .............................................................................................. 81
8.2.4STORAGE ERROR ....................................................................................................... 81
8.2.5S. SCR OR WR. CON ................................................................................................... 82
8.2.6OVER TEMPERATURE ................................................................................................ 82
_____________________________________________________________________________________________

5 • List of Figures
8.2.7EXTERNAL FAULT 1 & EXTERNAL FAULT 2 ............................................................ 82
8.2.8COMM. PORT FAILED ................................................................................................. 82
8.3Fault and Reset ........................................................................................................................ 82
8.4Auto Reset ................................................................................................................................ 83
8.5Timing Occurrence Table .......................................................................................................... 83
9.Packing, Storage, Handling and Assembly .......................................................................... 85
9.1Packing Specification ................................................................................................................ 85
9.2Storage ..................................................................................................................................... 85
9.3Handling .................................................................................................................................... 85
9.4Soft starter’s Assembly Procedure: ........................................................................................... 86
9.4.1Mechanical Assembly .................................................................................................... 86
9.4.2Power and Control Cable Connections ......................................................................... 87
9.4.3Power Cables Connection ............................................................................................. 87
10.Commissioning and Operation Manual ................................................................................ 88
10.1Operational notes...................................................................................................................... 88
10.2Parts Identification in the HRVS-DN Cabinet ............................................................................ 89
10.2.1Parts Identification in the HRVS-DN Cabinet (HRVS-DN up to 6.6kV) ......................... 89
10.2.2Parts Identification in the HRVS-DN Cabinet (HRVS-DN from 10kV and up) ............... 91
10.2.3Low Voltage Compartment ............................................................................................ 93
10.2.4Fuses............................................................................................................................. 94
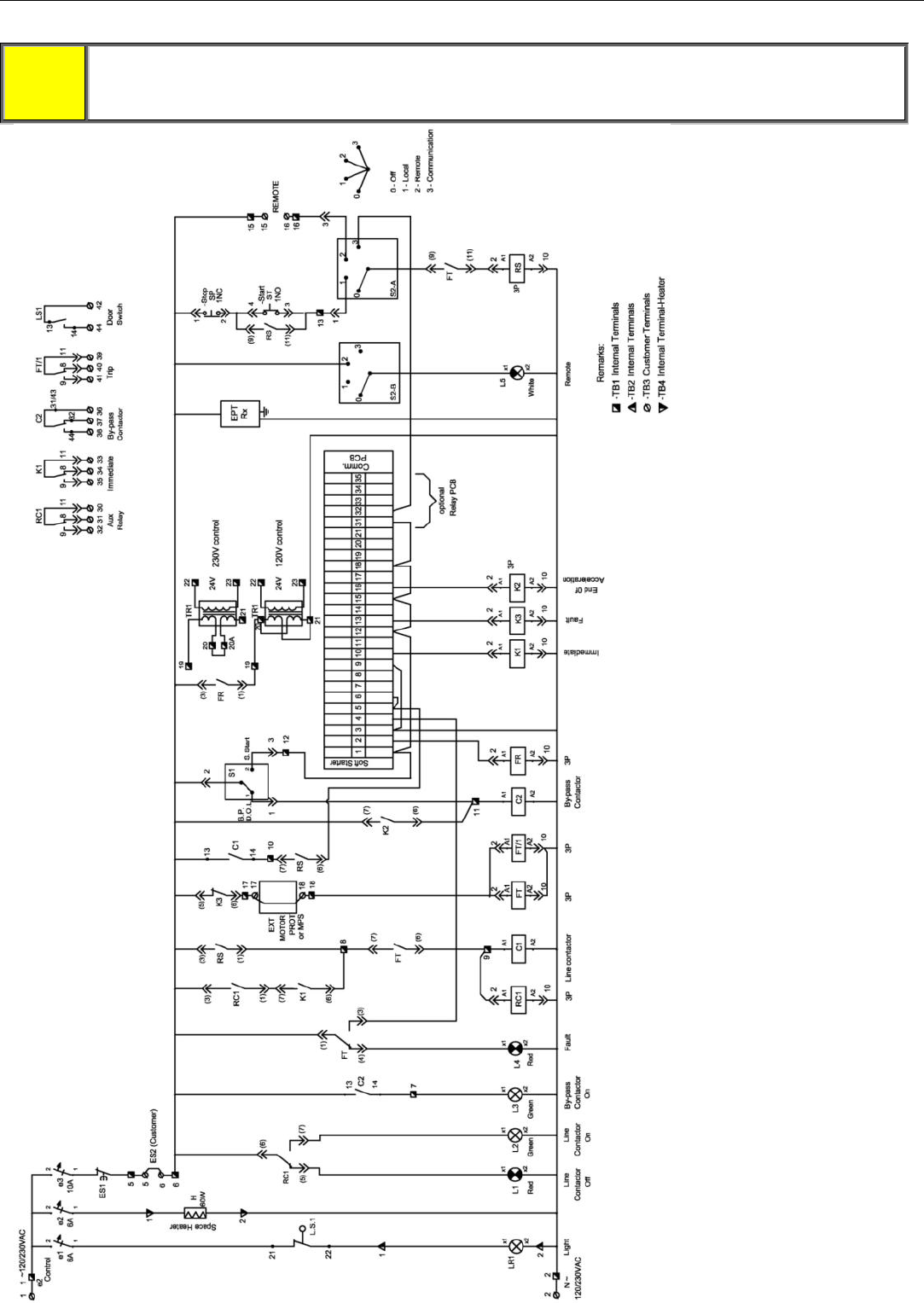
10.3Standard Control Diagram ........................................................................................................ 96
10.3.1How Does it Operate? ................................................................................................... 99
11.High-Pot Test of the HRVS-DN Cabinet .............................................................................. 101
11.1High-Pot Test in HRVS-DN up to 6.6kV, EPT-Tx Connected ................................................. 101
11.2High-Pot Test in HRVS-DN up to 6.6kV, EPT-Tx Not Connected .......................................... 102
11.3High-Pot Test in HRVS-DN from 10kV and Up, EPT-Tx Connected ...................................... 104
11.4High-Pot Test in HRVS-DN from 10kV and Up, EPT-Tx Not Connected ................................ 105
12.Test Procedure for Low Voltage Testing ............................................................................ 107
12.1Accessories Required for LOW VOLTAGE Testing of the Starter and Cabinet. ..................... 107
12.2Notes and Warnings ............................................................................................................... 107
12.3Low Voltage Test Procedure ................................................................................................... 108
12.3.1Current Gain Dip Switches Setting .............................................................................. 111
12.3.2Test Harness Installation ............................................................................................. 111
12.3.2.1Test Harness Installation in HRVS-DN up to 6.6kV ............................................. 111
12.3.2.2Test Harness Installation in HRVS-DN from 10kV and up ................................... 112
13.Start Procedure for Medium voltage Motor ........................................................................ 113
13.1Special Attention Notes ........................................................................................................... 113
13.2Prior to Commissioning in Medium Voltage ............................................................................ 113
13.3Medium Voltage Test Procedure ............................................................................................ 114
13.4Standard Starting Process ...................................................................................................... 115
13.5Examples of Starting Curves .................................................................................................. 116
13.5.1Light Loads - Pumps, Etc. ........................................................................................... 116
13.5.2High Inertia Loads: Crushers, Centrifuges, Mixers, Etc. ............................................. 116
13.5.3Special Starting Using DUAL ADJUSTMENT ............................................................. 117
13.5.3.1Special Starting – Using DUAL ADJUSTMENT – Wiring Diagram ...................... 118
13.5.4Choosing a Suitable Pump Curve (Centrifugal Pumps) .............................................. 118
13.5.4.1Starting Curve ...................................................................................................... 118
13.5.4.2Stopping Curve ..................................................................................................... 118
13.5.4.3FINAL TORQUE During Soft-Stopping a Pump Motor ......................................... 119
13.6How to set MPS-3000 and DPM-10 when installed with HRVS-DN ....................................... 119
14.Trouble Shooting .................................................................................................................. 121
14.1In-Out Resistance and Cathode-Cathode Resistance ............................................................ 121
14.2Rgk (thyristors Gate-Cathode) Resistances. .......................................................................... 121
14.3Firing Test ............................................................................................................................... 122
14.4Low Voltage Test Trouble Shooting ........................................................................................ 124
_______________________________________________________________________________________________

6 • List of Figures
14.5Medium Voltage Trouble shooting .......................................................................................... 128
15.Spare Parts ............................................................................................................................ 131
16.HRVS-DN Communication (ModBus Protocol) .................................................................. 132
16.1Introduction ............................................................................................................................. 132
16.2Basic Structure of the Serial Link Frame ................................................................................ 133
16.3SYNC (Silent Interval) ............................................................................................................. 133
16.4Serial Link No. (Slave Address) ............................................................................................. 133
16.5Function .................................................................................................................................. 133
16.6List of Functions Supported By The HRVS-DN ...................................................................... 134
16.7Actual Data (3X References & 4X references) ....................................................................... 136
16.8Parameter Settings (4X References) ...................................................................................... 139
16.9Control Register Write (4X Reference) ................................................................................... 143
16.10Discrete Commands (Coils, 0x References) ...................................................................... 144
16.11Discrete Hardwired Inputs (1x References) ....................................................................... 147
16.12Diagnostics ......................................................................................................................... 147
16.13Exception Responses ......................................................................................................... 148
17.HRVS-DN Communication (Profibus protocol) .................................................................. 150
17.1Global Parameters: ................................................................................................................. 150
17.2Operation Mode in PROFIBUS: .............................................................................................. 150
17.3Description of the DPV0 (Cyclic) Frame: ................................................................................ 150
17.3.1Structure of the HRVS-DN Receiving Frame .............................................................. 151
17.3.2Structure of the HRVS-DN Transmitting Frame .......................................................... 151
17.3.3Choosing the Receiving DPV0 Registers .................................................................... 151
17.3.3.1Selection of the DPV0 Registers by the GSD ...................................................... 152
17.3.3.2Selection of the DPV0 Registers through Data Request (DPV1) ......................... 152
17.3.3.3Reading of the DPV0 (Cyclic) Registers via Data Request (DPV1) ..................... 154
17.4Operations that are Available in DPV1 ................................................................................... 155
17.4.1Read and Write from Random Registers via Data Request ........................................ 155
17.5Configure the PROFIBUS in the HRVS-DN ............................................................................ 157
17.6Watch Dog Definition .............................................................................................................. 157
17.7Numbers of actual data Register for (decimal) ....................................................................... 158
17.8Number of Setting Registers for Data Request ....................................................................... 162
17.8.1Main & protect. parameters ......................................................................................... 162
17.9Start Parameters ..................................................................................................................... 162
17.10Stop Parameters ................................................................................................................. 163
17.11Dual Adjust Parameters ...................................................................................................... 163
17.12Fault Parameters ................................................................................................................ 163
17.13I/O Programming ................................................................................................................ 163
17.14Communication Parameters ............................................................................................... 163
17.15Time Parameters ................................................................................................................ 164
18.HRVS-DN Communication (DeviceNet™ to Modbus™ Gateway) .................................... 165
18.1Introduction ............................................................................................................................. 165
18.1.1Overview ..................................................................................................................... 165
18.1.2Definitions.................................................................................................................... 165
18.1.3Reference Documents ................................................................................................. 165
18.1.4Open DeviceNet Vendor Association, Inc. (ODVA) ..................................................... 165
18.1.5Rotary Switch Configuration ........................................................................................ 165
18.1.6LED Indicators ............................................................................................................. 166
18.2Identity Object (01HEX - 1 Instance) ...................................................................................... 167
18.2.1Class Attributes (Instance 0) ....................................................................................... 167
18.2.2Instance Attributes (Instance 1) ................................................................................... 167
18.2.3Common Services ....................................................................................................... 167
18.3Message Router Object (02HEX - 1 Instance) ........................................................................ 167
18.4DeviceNet Object (03HEX - 1 Instance) ................................................................................. 167
18.4.1Class Attributes (Instance 0) ....................................................................................... 167
18.4.2Instance Attributes (Instance 1) ................................................................................... 167
18.4.3Common Services ....................................................................................................... 167
_____________________________________________________________________________________________

7 • List of Figures
18.5Assembly Object (04HEX – 4 Instances) ................................................................................ 168
18.5.1Class Attributes (Instance 0) ....................................................................................... 168
18.5.2Output (O2T) Instance Attributes – Register 40752 .................................................... 168
18.5.2.1Output Instance 112 (0x70 – Attribute 3) – Control Output .................................. 168
18.5.3Input (T20) Instance Attributes – Register 40257 ........................................................ 168
18.5.3.1Input Instance 60 (0x3C) – Basic Softstart Input .................................................. 168
18.5.3.2Input Instance 61 (0x3D) – Extended Softstart Input ........................................... 168
18.5.3.3Input Instance 100 (0x64) – Status ...................................................................... 168
18.5.4Common Services ....................................................................................................... 169
18.6Connection Object (05HEX – 2 Instances) ............................................................................. 169
18.6.1Class Attributes (Instance 0) ....................................................................................... 169
18.6.2Instance Attributes (Instances 1-2) Explicit, Polled I/O ............................................... 169
18.6.3Common Services ....................................................................................................... 170
18.7Softstart Object (2DHEX - 1 Instance) .................................................................................... 170
18.7.1Class Attributes (Instance 0) ....................................................................................... 170
18.7.2Instance Attributes (Instance 1) ................................................................................... 170
18.7.2.1Extended AtReference Values ............................................................................. 170
18.7.2.2Extended StartMode Values ................................................................................. 170
18.7.3Common Services ....................................................................................................... 170
18.8Control Supervisor Object (29HEX - 1 Instances) .................................................................. 171
18.8.1Class Attributes (Instance 0) ....................................................................................... 171
18.8.2Instance Attributes (Instance 1) ................................................................................... 171
18.8.3Common Services ....................................................................................................... 171
18.9Modbus / Serial Object (65HEX – 1 Instance) ........................................................................ 171
18.9.1Class Attributes (Instance 0) ....................................................................................... 171
18.9.2Instance Attributes (Instance 1) ................................................................................... 171
18.9.3Common Services ....................................................................................................... 172
18.10Solcon Input Object (70HEX – 1 Instance) ......................................................................... 172
18.10.1Class Attributes (Instance 0) ....................................................................................... 172
18.10.2Instance Attributes (Instance 1) ................................................................................... 172
18.10.3Common Services ....................................................................................................... 174
18.11Main Parameter Object (71HEX – 1 Instance) ................................................................... 174
18.11.1Class Attributes (Instance 0) ....................................................................................... 174
18.11.2Instance Attributes (Instance 1) ................................................................................... 174
18.11.3Common Services ....................................................................................................... 175
18.12Start Settings Object (72HEX – 1 Instance) ....................................................................... 175
18.12.1Class Attributes (Instance 0) ....................................................................................... 175
18.12.2Instance Attributes (Instance 1) ................................................................................... 175
18.12.3Common Services ....................................................................................................... 176
18.13Stop Settings Object (73HEX – 1 Instance) ........................................................................ 176
18.13.1Class Attributes (Instance 0) ....................................................................................... 176
18.13.2Instance Attributes (Instance 1) ................................................................................... 176
18.13.3Common Services ....................................................................................................... 176
18.14Dual Settings Object (74HEX – 1 Instance) ........................................................................ 176
18.14.1Class Attributes (Instance 0) ....................................................................................... 176
18.14.2Instance Attributes (Instance 1) ................................................................................... 176
18.14.3Common Services ....................................................................................................... 177
18.15Fault Settings Object (76HEX – 1 Instance) ....................................................................... 177
18.15.1Class Attributes (Instance 0) ....................................................................................... 177
18.15.2Instance Attributes (Instance 1) ................................................................................... 177
18.15.3Common Services ....................................................................................................... 177
19.Parameters List ..................................................................................................................... 178
20.General Information: ............................................................................................................ 181
1. LIST OF FIGURES
Figure 1- HRVS-DN Cabinet Type IP31 (NEMA1) ............................................................................................ 11
Figure 2- HRVS-DN Chassis Type (IP00) ......................................................................................................... 11
Figure 3 - Principle Diagram of Digital Medium Voltage Soft Starter (Bypass Preparations not Shown) .......... 11
Figure 4 - Phase Control of the Line Voltage Using Semiconductor (SCR) Elements ...................................... 11
_______________________________________________________________________________________________

8 • List of Figures
Figure 5 – Voltage Increase .............................................................................................................................. 11
Figure 6 – Torque Reduction ............................................................................................................................. 11
Figure 7 – Current Limit ..................................................................................................................................... 11
Figure 8 – HRVS-DN IP00 Unit (OEM Kit) ........................................................................................................ 14
Figure 9 – Typical Connection of HRVS-DN IP00 Unit (OEM Kit) ..................................................................... 15
Figure 10 – Typical Connection of HRVS-DN up to 6.6kV with Line Contactor and Bypass Contactor ............ 16
Figure 11 – Typical Connection of HRVS-DN from 10kV and up With Line Contactor and Bypass Contactor . 17
Figure 12 – HRVS-DN up to 6.6kV Power Section ............................................................................................ 24
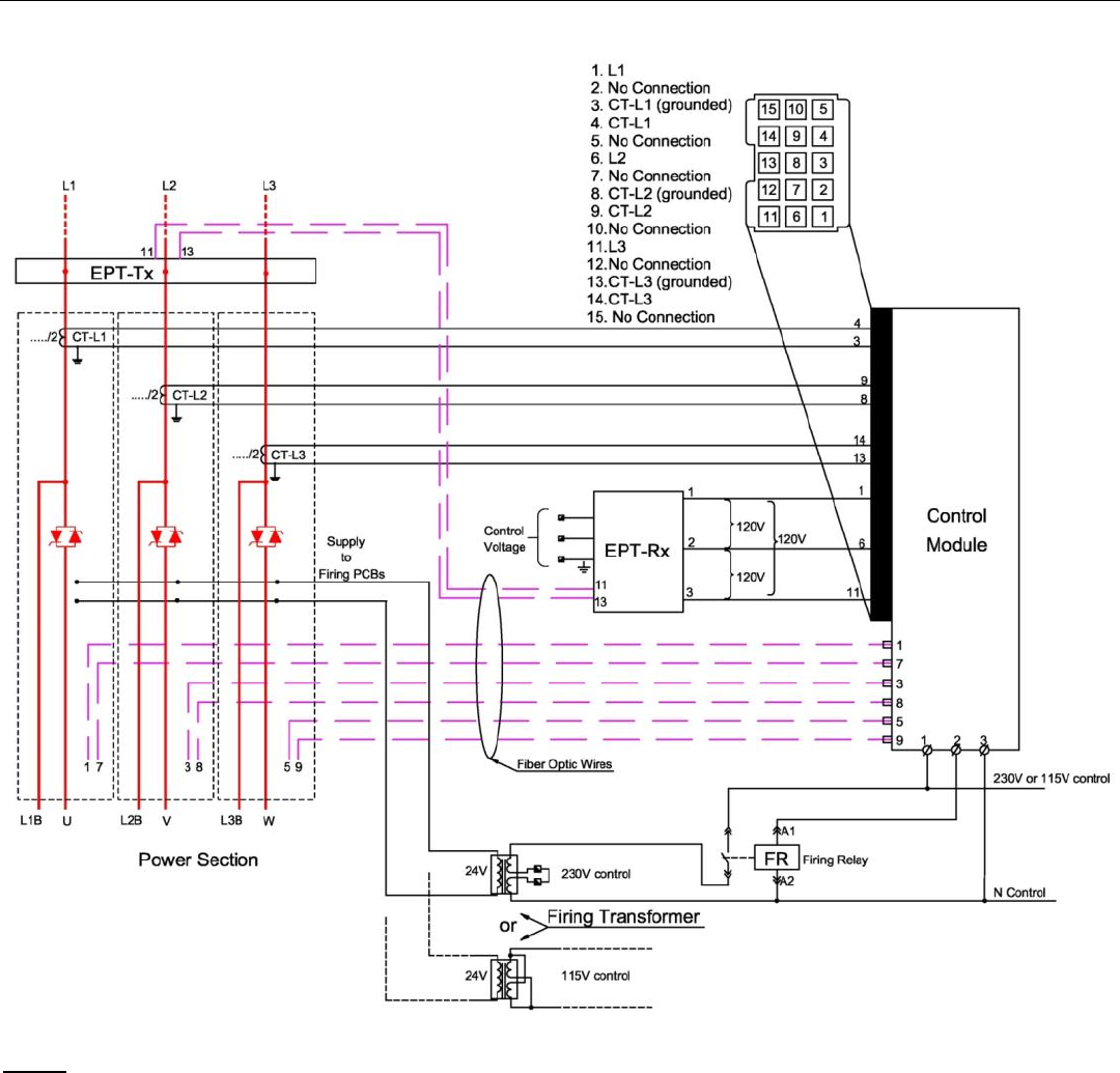
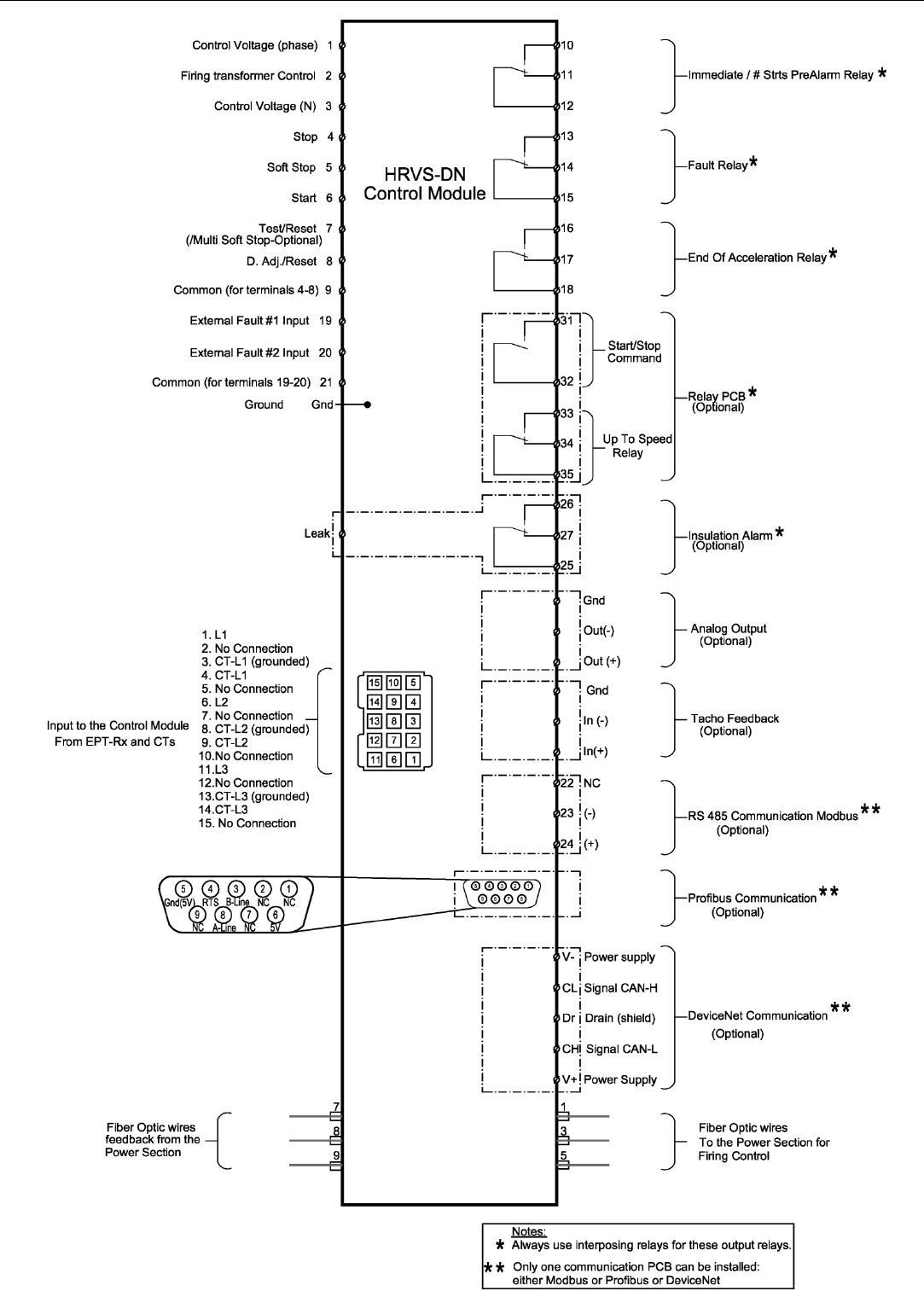
Figure 13 – Control Module Input/Output .......................................................................................................... 30
Figure 14 – HRVS-DN up to 6.6kV - Phase Disassembly Accessories ............................................................. 39
Figure 15 - HRVS-DN Control Module .............................................................................................................. 41
Figure 16 – Optional Analog PCB ..................................................................................................................... 44
Figure 17 – Optional Insulation PCB Wiring ...................................................................................................... 45
Figure 18 – RU-7, Resistor Unit – Dimensional Drawing .................................................................................. 45
Figure 19 - Remote Key Pad, Connection Cable and Control Module. ............................................................. 46
Figure 20 - Remote Key Pad - Dimensions ....................................................................................................... 46
Figure 21 - Remote Key Pad - Mechanical Installation and Cut-out Dimensions ............................................. 47
Figure 22 - HRVS-DN Control Keypad .............................................................................................................. 48
Figure 23 – Eye Bolts Location on Top of the Cabinet ...................................................................................... 85
Figure 24 – Cabinet Lifting Using 4 Lifting Cables. Top angle, A, Should be ≤60° .......................................... 86
Figure 25 – Anchor Bolts Holes Location on the Base of the Cabinet at Level 0mm. ....................................... 86
Figure 26 – Power and Control Cables Penetration to the Cabinet at Level 75mm .......................................... 87
Figure 27 – Power Cables Connection and Control Cables Routing. ................................................................ 87
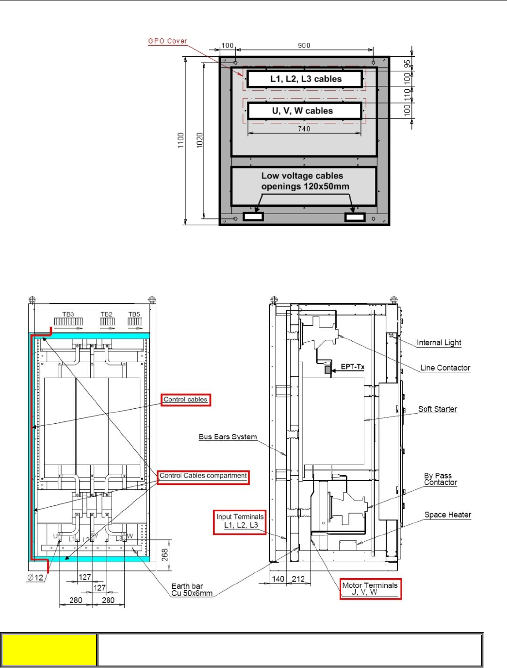
Figure 28 – HRVS-DN up to 6.6kV Standard Cabinet – One Line Diagram ...................................................... 89
Figure 29 - HRVS-DN up to 6.6kV Standard Cabinet – Doors Closed .............................................................. 90
Figure 30 - HRVS-DN up to 6.6kV Standard Cabinet – Doors Open ................................................................ 90
Figure 31 – HRVS-DN from 10kV and up, Standard Cabinet – One Line Diagram .......................................... 91
Figure 32 - HRVS-DN from 10kV and up Standard Cabinet – Doors Closed .................................................... 92
Figure 33 - HRVS-DN from 10kV and up Standard Cabinet – Doors Open ...................................................... 92
Figure 34 - HRVS-DN Low Voltage Compartment ............................................................................................ 93
Figure 35 – Power Supply to Firing PCB (HRVS-DN Models up to 6600V). ..................................................... 94
Figure 36 – Power Supply to Firing PCB (HRVS-DN Models From 10000V and up) ........................................ 95
Figure 37 – EPT-Rx Fuse Replacement Procedure .......................................................................................... 95
Figure 38 - HRVS-DN - Typical Control Wiring of Standard Cabinet ............................................................... 96
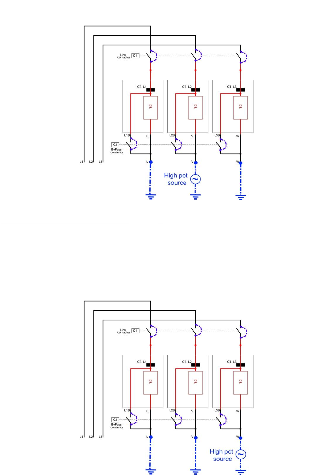
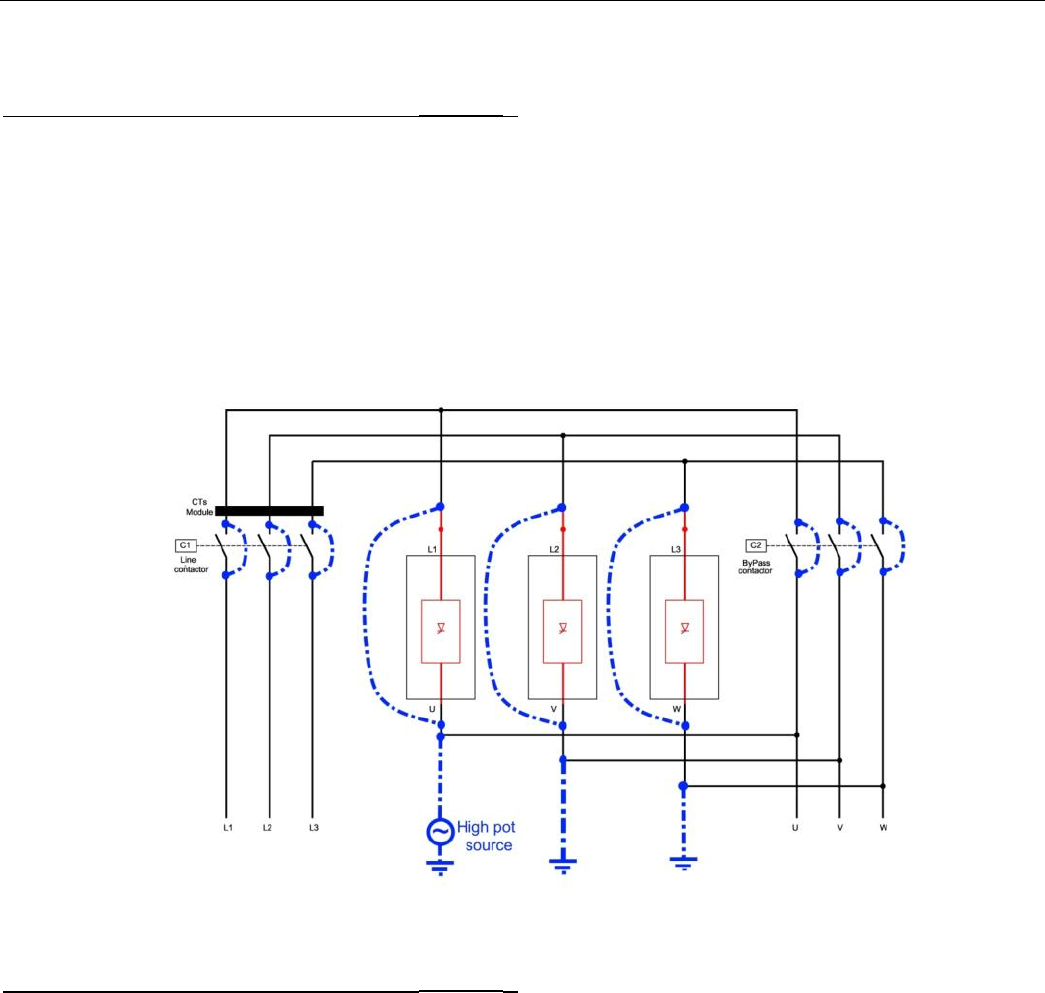
Figure 39 – HRVS-DN up to 6.6kV – Preparations for High-pot Test .............................................................. 101
Figure 40 – HRVS-DN up to 6.6kV – EPT-Tx not Connected Preparations for High-pot Test, Testing L1 ..... 102
Figure 41 – HRVS-DN up to 6.6kV – EPT-Tx not Connected Preparations for High-pot Test, Testing L2 ..... 103
+Figure 42 – HRVS-DN up to 6.6kV – EPT-Tx not Connected Preparations for High-pot Test, Testing L3 ... 103
Figure 43 – HRVS-DN from 10kV and Up – Preparations for High-pot Test ................................................... 104
Figure 44 – HRVS-DN from 10kV and up, EPT-Tx not Connected, Preparations for High-pot Test, Testing L1
................................................................................................................................................................. 105
Figure 45 – HRVS-DN from 10kV and up, EPT-Tx not Connected, Preparations for High-pot Test, Testing L2
................................................................................................................................................................. 106
Figure 46 – HRVS-DN from 10kV and up, EPT-Tx not Connected, Preparations for High-pot Test, Testing L3
................................................................................................................................................................. 106
Figure 47 – Current Gain Dip Switches Location ............................................................................................ 111
Figure 48 – HRVS-DN up to 6.6kV – EPT-Tx and Test Harness .................................................................... 112
Figure 49 – HRVS-DN From 10kV and up – EPT-Tx and Test Harness ......................................................... 112
Figure 50 – Firing PCB – SCR#1 Gate-Cathode Testing ................................................................................ 121
Figure 51 – DPV0 parameters (Cyclic parameters) ......................................................................................... 151
Figure 52 – Updating the register number that will show at DPV0 (by Data Request) .................................... 153
Figure 53 – Reading the register number that is shown in the DPV0 (cyclic) list ............................................ 154
Figure 54 – Choosing register number 80 hex ................................................................................................ 155
Figure 55 – Reading 4 following register by Data Request (DPV1) ................................................................ 156
Figure 57 - Data rate (Baud rate) rotary switch layout ..................................................................................... 166
_____________________________________________________________________________________________

9 • Safety & Warnings
2. SAFETY & WARNINGS
2.1 Safety
1 Read this manual carefully before operating the equipment and follow its
instructions.
2 Installation, operation and maintenance should be in strict accordance
with this manual, national codes and good practice.
3 Installation or operation not performed in strict accordance with these
instructions will void manufacturer’s warranty.
4 Disconnect all power inputs before servicing the soft starter and/or the
motor.
5 After installation, check and verify that no parts (bolts, washers, etc.)
have fallen into the Power Section (IP00) of the HRVS-DN.
2.2 Attention
1 This product was designed for compliance with IEC 60947-4-2 for class A
equipment and EN 50178.
2 For further information, see the Technical Specifications.
2.3 Warnings
1 Internal components and PCBs are at mains potential when the HRVS-
DN is connected to mains. This voltage is extremely dangerous and
contact with it will cause death or severe injury.
2 When the HRVS-DN is connected to mains full voltage may appear on
the HRVS-DN’s output terminals and motor’s terminals, even if control
voltage is disconnected and motor is stopped.
3 The HRVS-DN must be grounded to ensure correct operation, safety and
to prevent damage.
4
Check that power factor capacitors are not connected to the output side
of the HRVS-DN (U, V, W).
Also make sure that power factor capacitors are not connected to the
bypass preparation bus bars (L1B, L2B, L3B when exist)
The company reserves the right to make any improvements or modifications to its products without
prior notice.
_______________________________________________________________________________________________

10 • Introduction
3. INTRODUCTION
3.1 Why Solcon? Why Soft Starters?
Three-phase AC induction motors are commonly used in a wide variety of drive applications. Due to their
starting characteristics, in many cases these motors cannot be connected directly to the power supply system.
When starting Direct On Line (DOL) the motor can see a very high surge current reaching up to 6 times (and
more…) the rated motor current. This excessive current puts stress on the supply system and the switchgear.
Also, when starting DOL, a very high peak torque can occur, stressing the driven motor and the mechanical
system including auxiliary power transmission parts (V-belt, gears, etc.).
There are several methods for reducing the damaging effects of this excessive starting current. Conventional
methods include reactors and autotransformers. But these methods only allow the voltage to be reduced in
steps whereas a soft starter provides step-free acceleration of the drive system by continuously increasing the
voltage over a selected period of time. This approach to starting minimizes the effect of high inrush current on
the supply system, the motor and the driven load.
Soft starters provide the following benefits:
• Reduced starting current, eliminates voltage drops and dips of the supply network
• Smoother acceleration of loads, eliminates process or product damage
• Extended lifetime of all mechanical components, e.g. eliminates gearbox damage and results in less
maintenance & downtime
• Extended motor life
• Reduced maintenance and operating costs
The HRVS-DN soft starter represents a logical extension of the Solcon soft starter product range into medium
voltage applications.
With HRVS-DN, Solcon presents an innovative standard product that provides a flexible, low cost alternative
to fixed speed (DOL) starting.
Designed for use with standard medium voltage three-phase squirrel cage induction motors as well as
synchronous motors, this high-performance digital soft starter ensures smooth acceleration and deceleration.
HRVS-DN is available in all standard internationally recognized medium voltage ratings: 2.3kV, 3.3kV, 4.16kV,
6kV and 6.6kV, 10kV, 11kV, 13.2kV, 13.8kV and 15kV.
The standard current output range capability is from 200kW to 27MW.
HRVS-DN is designed and built to meet international standards including:
• IEC • EN • DIN VDE • NEMA • UL/CUL • IEEE
The HRVS-DN soft starters are manufactured at the highest quality level. The entire design, production and
delivery process, (i.e. construction, manufacturing, order processing and logistics delivery center) have been
certified DIN ISO 9001.2000.
The enclosed versions of the HRVS-DN are provided as ready-to-connect cabinet enclosed type units
(example shown in Figure 1) or - for OEM only - chassis type OEM kits (example shown in Figure 2) are
available for building into custom enclosures or other relevant equipment (note: the complete interface
engineering is the responsibility of the user).
_____________________________________________________________________________________________

11 • Introduction
Figure 1- HRVS-DN Cabinet Type IP31 (NEMA1)
Figure 2- HRVS-DN Chassis Type (IP00)
3.2 How Soft Starters Work?
By using thyristors (SCRs) in a phase angle control mode, reduced voltage control can be achieved. Phase
control makes it possible to gradually increase the motor terminal voltage from an initial set point up to the
system supply voltage level. The related starting current and the starting torque can be optimally adjusted to
the motor/load conditions.
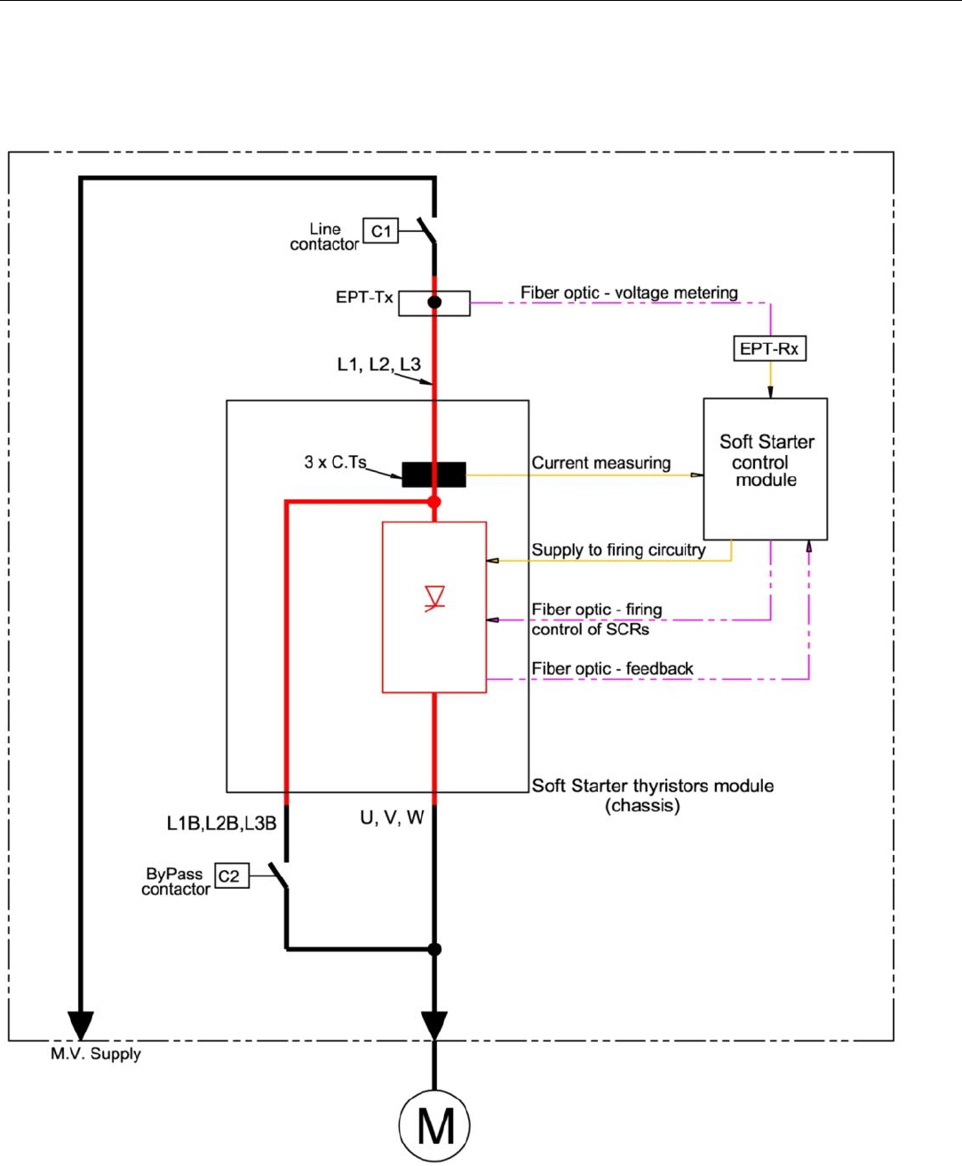
Figure 3 - Principle Diagram of Digital Medium Voltage Soft
Starter (Bypass Preparations not Shown)
Figure 4 - Phase Control of the Line Voltage Using
Semiconductor (SCR) Elements
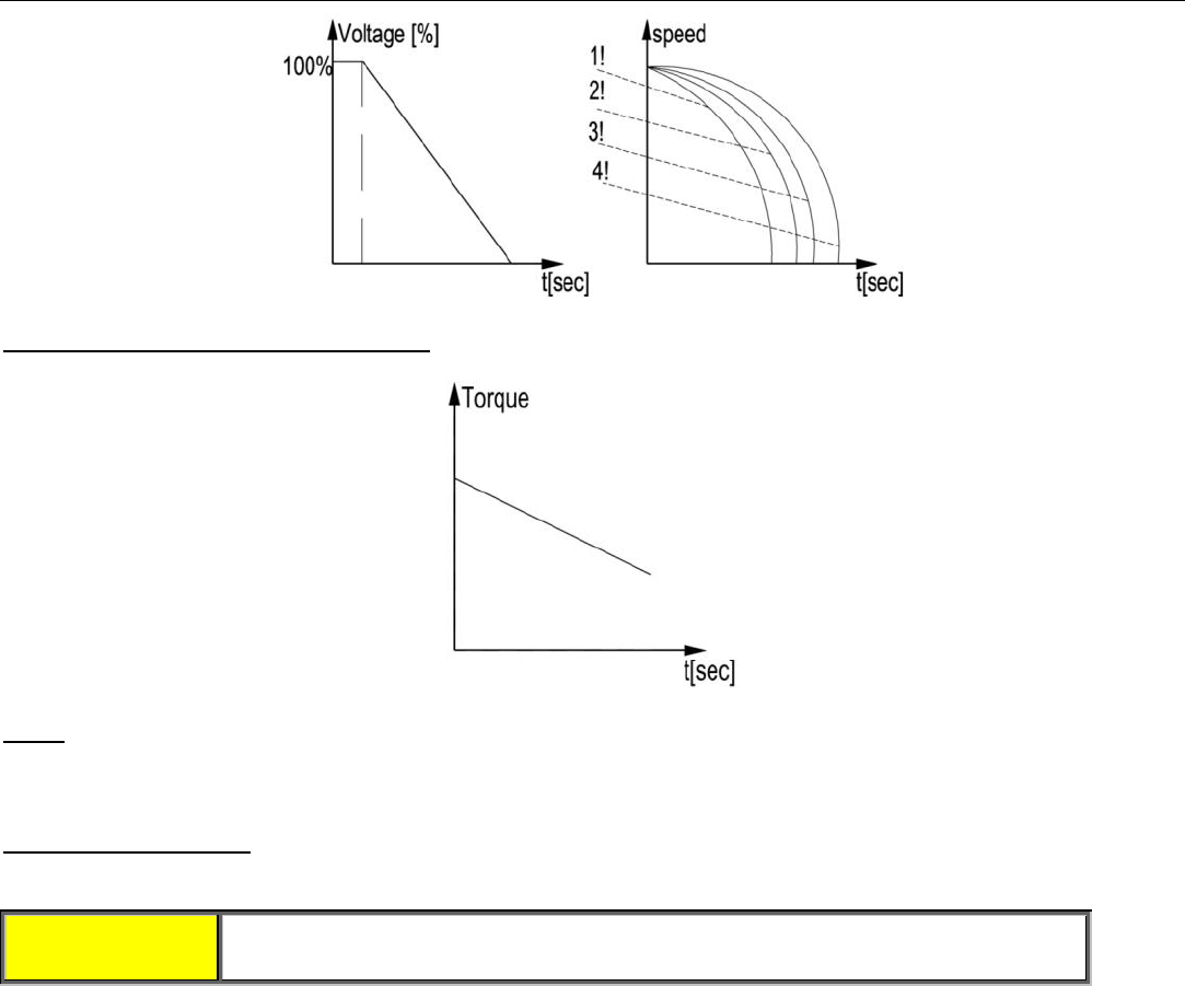
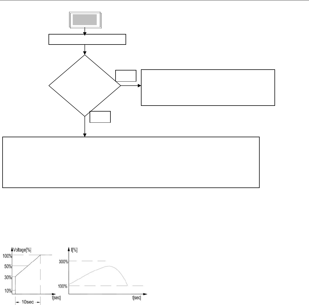
Figure 5 shows a principal voltage increase curve.
Figure 6 demonstrates the torque reduction compared to the DOL torque. Figure 7 demonstrates typical
behavior of motor current.
Figure 5 – Voltage Increase
Figure 6 – Torque Reduction
Figure 7 – Current Limit
In addition, the Solcon HRVS-DN soft starters provide the "soft stopping" function as a standard feature.
Similar to the reduced voltage start, a stop command gradually reduces the motor voltage over time until the
motor stops. Abrupt stopping is avoided, a specific advantage in pumping applications to prevent the
damaging effects of water hammer and on conveyor belts where the load may be damaged by an abrupt stop.
_______________________________________________________________________________________________

12 • Introduction
Main Features, Options and Advantages
Advantages at a Glance
❍ Complete line of 60-1,200A, 2,300-15,000V as
standard products
❍ Customized soft starters (consult the factory
for details)
❍ Heavy duty, fully rated design
❍ Starting capacity of 400% of FLC for 30
seconds at a rated ambient temperature of 50°C
❍ Preparation for bypass - to maintain protection
when bypass is closed
❍ Robust construction
❍ Superior starting & stopping characteristics
❍ Comprehensive motor protection package
❍ User friendly
❍ Unique protection for corrosive environments
❍ Generator ready - auto frequency tracking
❍ Sustains variations of 45-65Hz while starting
❍ Unique built in optional features including:
❍ Motor insulation tester
❍ Modbus / Profibus /DeviceNet comm.
❍ Analog output
❍ Relay PCB for comm. control
❍ Tacho feedback
❍ Multi-start (standard)and Multi-soft
stop (optional) capability
❍ Synchronous motor excitation system
control
❍ Remote display
Standard Ratings
❍ 2.3kV, 4.16kV, 6kV, 6.6kV, 10kV,11kV,
13.2kV, 13.8kV, 15kV
Starting & Stopping
❍ Soft start & soft stop
❍ Current limit
❍ Pump control program
❍ Torque and current control for optimized
starting & stopping process
❍ Dual adjustments - two starting & stopping
characteristics
❍ Advanced pulse start
❍ Linear acceleration
Motor & Starter Protection
❍ Too many starts
❍
Coast Down Time
❍ Long start time (stall)
❍ Shear-pin
❍ Electronic overload with selectable curves
according to IEC classes or NEMA classes
❍ Under current with adjustable delay
❍ Unbalance current with adjustable delay
❍ Ground fault with adjustable delay
❍ Phase loss & phase sequence
❍ Under, over & no voltage
❍ Load loss (motor not connected)
❍ Shorted SCR
❍ Starter over-temperature
Displays LCD & LEDs
❍ Illuminated LCD - 2 lines x 16 characters
❍ Selectable languages: English, German, French,
Spanish and Turkish (Chinese and Russian - optional)
❍ Two display modes for basic and advanced
applications
❍ Friendly operation with default parameters
❍ Eight LEDs for quick operational status
❍ Statistical data including:
❍ Total run time
❍ Total number of starts
❍ Total number of trips
❍ Last start current
❍ Last start time
❍ Last 10 trips with time stamp
❍ Current at trip
_____________________________________________________________________________________________

13 • Introduction
Unique Built-in Options
❍ Analog output, related to the motor's current
or related to the motor’s rated power.
Programmable as 0-10VDC, 4-20mA, 0-20mA
❍ Motor insulation test - a unique feature for
submersible pumps, motors installed in harsh
environments, etc
The system measures motor insulation when
motor is not running.
Two programmable levels are available:
❍ Alarm level, adjustable 0.2-5 Mohm
❍ Start disable level, adjustable 0.2-5Mohm,
preventing starting when insulation is below
acceptable levels
❍ Special tacho feedback circuitry
❍ Modbus RTU - enables setting, control &
supervision
❍ Profibus DP – enables setting, control &
supervision
❍ DeviceNet - enables setting, control &
supervision
❍ Relay PCB – enables starting the application
when the soft starter is installed in a cabinet via
communication, and to control the excitation
system of a synchronous motor
❍ Remote display allows the panel builder to
mount the keypad of the HRVS-DN in a remote
location of the Control Module. A standard length
of 1.5m cable length is supplied
❍ Multi-soft stop special software allows to soft
stop motors when a multi-start application is
applied.
Unique External Options
❍ Customized tailor-made design of a cabinet
❍ Advanced motor protection MPS-3000
❍ Digital multi-meter for advanced measurement
capabilities - DPM-10
❍ Motor Insulation Protection – MIP-6 for
advanced tracking of motor insulation level over
more than 20 years
❍ Line and Bypass Contactors/VCBs
❍ Fuses and disconnectors
❍ Capacitors for power factor correction
Auxiliary Relays
❍ Three standard programmable relays (each relay
with one C.O. 8A, 220VAC contacts)
❍ Immediate with adjustable on and off delays
(can be dedicated for too many starts pre-alarm relay)
❍ End of Acceleration, with adjustable on delay
❍ Fault, programmable as fault or fault-fail safe
operation.
❍ Low motor insulation alarm (optional relay)
Applications - Industrial
❍ Pumps
❍ Hydraulic systems
❍ Fans and blowers
❍ Compressors
❍ Conveyors
Applications - Marine & Offshore
❍ Water, ballast and fire-fighting pumps
❍ Refrigeration chillers and compressors
❍ Hydraulic pumps and power packs
❍ Thrusters
❍ Main propulsion motors
_______________________________________________________________________________________________

14 • Technical Data
4. TECHNICAL DATA
4.1 HRVS-DN IP00 Unit (OEM Kit)
Power Section and
Connection Harness
Control Module
Firing
Transformer
EPT-Tx and EPT-Rx
Figure 8 – HRVS-DN IP00 Unit (OEM Kit)
The IP00 unit (OEM kit) is available for building into custom enclosures or other relevant equipment.
It consists of the following (refer to Figure 8 above):
• Power Section consists of the 3 identical phase stacks, firing PCBs, power supplies to the firing PCBs
(in HRVS-DN from 10kV and up power supplies to the firing PCBs are separated from the Power
Section), 3 CTs and the connection harness to the low voltage compartment (including copper wires
and fiber optic wires). The Power Section is installed in the medium voltage compartment of the
cabinet.
• Control Module is the “brain” of the soft starter. It consists of the main CPU PCB, fireboard PCB,
power supply, optional PCBs (when ordered) and input/output interface terminals.
The Control Module for HRVS-DN is identical for all ratings and suitable for mounting in the L.V.
compartment of the cabinet which should be fully segregated from the M.V. compartment.
Interposing relays should be connected to all HRVS-DN auxiliary contacts, three relays must be
incorporated: Immediate, End of Acceleration and Fault.
• Firing Transformer. This transformer is applicable for 115VAC or 230VAC control voltages.
For HRVS-DN controlled by DC control voltages - DC power supply is supplied – for details consult the
factory.
The Firing transformer is installed in the low voltage compartment of the cabinet and supplies control
power to the firing PCBs located in the Power Section of the HRVS-DN in the medium voltage
compartment of the cabinet.
• EPT-Tx (transmitter) and EPT-Rx (receiver) are used instead of the traditional voltage transformer to
measure the input voltage.
The EPT-Tx is installed in the medium voltage compartment and is connected to the mains bus bars
downstream from the Line Contactor.
The EPT-Rx is installed in the low voltage compartment of the cabinet.
The EPT-Tx and EPT-Rx are connected by 2 fiber optic wires which are part of the connection
harness.
_____________________________________________________________________________________________

15 • Technical Data
4.2 Typical Connection of the HRVS-DN IP00 Unit (OEM Kit)
Figure 9 – Typical Connection of HRVS-DN IP00 Unit (OEM Kit)
Notes:
• Figure 9 shows a typical connection of an HRVS-DN IP00 unit (OEM kit) of up to 6.6kV with a control voltage
of 115/230VAC. For connection diagrams for other models consult the factory.
• L1B, L2B, L3B bus bars are only available in HRVS-DN up to 6.6kV.
_______________________________________________________________________________________________

16 • Technical Data
4.3 Typical Connection of the HRVS-DN in a Cabinet
4.3.1 Typical Connection of HRVS-DN up to 6.6kV
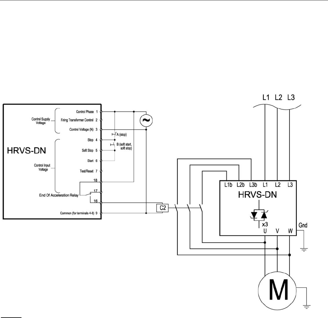
The HRVS-DN must be connected with a Line Contactor and a Bypass Contactor as demonstrated in Figure
10.
Figure 10 – Typical Connection of HRVS-DN up to 6.6kV with Line Contactor and Bypass Contactor
_____________________________________________________________________________________________

17 • Technical Data
4.3.2 Typical Connection of HRVS-DN from 10kV and up.
The HRVS-DN must be connected with a Line Contactor and a Bypass Contactor as demonstrated in Figure
11.
Figure 11 – Typical Connection of HRVS-DN from 10kV and up With Line Contactor and Bypass Contactor
_______________________________________________________________________________________________

18 • Technical Data
4.4 HRVS-DN Selection
The HRVS-DN should be selected in accordance with the criteria of motor current and starting conditions.
4.4.1 Motor Current and Starting Conditions
Select the HRVS-DN according to the motor's Full Load Ampere (FLA) - as indicated on its nameplate (even if
the motor will not be fully loaded).
Soft Starter Full Load Current (FLC) must be ≥Motor’s Full Load Ampere (FLA).
The HRVS-DN is designed to operate under the following maximum conditions:
Ambient
Temperature
[°C]
Max. Starting Current
[A] Max. Starting
Time at 400%
FLC
[sec]
50 400%xFLC 30
Max. starts per hour: 2 starts per hour at maximum ratings.
4.4.2 PIV (Peak Inverse Voltage)
Thyristors PIV rating, internal circuitry and insulation define the following voltage levels:
2,300V, 3,300V, 4,160V, 6,600V, 10,000V, 11,000V, 13,800V and 15,000V.
Each soft starter is suitable for 50/60Hz.
PIV level is rated at 3 times the rated voltage or higher.
_____________________________________________________________________________________________

19 • Technical Data
4.4.3 Rated Currents Frame Sizes
_______________________________________________________________________________________________

20 • Technical Data
4.5 Ordering Information
4.5.1 Ordering IP00 Unit (OEM kit)
HRVS-DN (IP00) Internal Order
No: Rev.:
Solcon cat. No.:
Customer Name:
Project Name: Motor Name Plate:
Contact
Person: Application:
Tel: Qty:
Fax: Delivery:
E-mail: Order number
HRVS-DN Rated
current Voltage
Control
voltage
supply Control Input
supply Options Lexan
See below See below
115VAC
230VAC
110VDC
125VDC
220VDC
24VDC
115VAC
230VAC
110VDC
125VDC
220VDC
3M-Modbus
3P-Profibus
3D-DeviceNet
5-analog Card
D-remote display
RU-Russian characters.
ROC-Chinese characters
Relay-Relay PCB
NLR-Special software for
Multi soft stop applications
S
RU
N
No. Main Components Model - P/N QTY.
1.
2.
3.
4.
5.
6.
7.
8.
9.
10.
11.
MV Soft Starter Specification
No. ITEM Options Specify
1. Mains Voltage 2300, 3300, 4160, 6000, 6600, 10000,11000 , 13200,
13800,15000
2. Starter FLC (Amp.)
At 2300-4160V: 60,110, 200, 320, 400, 700, 800,1000, 1200
At 6000-15000V: 70,140,250,300,400,500,700,800,1000,
1200
3. Control Supply Voltage 115VAC, 230VAC, 110VDC, 125VDC, 220VDC, 24VDC
4. Control Input Voltage 115VAC, 230VAC, 110VDC, 125VDC, 220VDC, 24VDC/AC
5. Test Voltage 230, 400, 500, 600, 690
6. Control wires type
7. Harness Side Left/Right
8. Relay Card NO / YES
9. Analogue Output NO / YES
10. MODBUS Communication NO / YES
11. PROFIBUS Communication NO / YES
_____________________________________________________________________________________________

21 • Technical Data
MV Soft Starter Specification
No. ITEM Options Specify
12. DeviceNet Communication NO / YES
13. Insulation Test Module NO / YES
14. Optional loose
Components YES/NO
14.1 Extended Split Phase
14.2 Motor Protection Relay
(Refer to Relay Ordering
Information Data) MPS-6 , MPS 3000-P/C
14.3 Digital Panel Meter DPM NO / YES
14.4 Line Contactor 2300-6600V
J.C. model
MVC/SVC/Toshiba model
CV-6HA
NO / YES (Voltage & Current per selected starter rating)
14.5 Bypass Contactor 2300-
6600V J.C. model
MVC/SVC/Toshiba model
CV-6HA
NO / YES (Voltage & Current per selected starter rating)
14.6 Auxiliary Contacts
14.7 Coil Control Voltage ACV:120,240 DCV:125,250
14.8 Line Contactor 7200-
12000V
Toshiba model CV-10HA NO / YES (Voltage & Current per selected starter rating)
14.9 Bypass Contactor 7200-
12000V
Toshiba model CV-10HA NO / YES (Voltage & Current per selected starter rating)
14.1 Auxiliary Contacts 4NO+3NC , 6NO+5NC
14.1 Coil Control Voltage ACV:110,115,120,125,220,230,240,380,400,415,440,500
DCV:24,60,110,124.220
14.1 MIP – Motor Insulation
Protection NO / YES
15. Packing Sea fright, Air fright, No
16. Labeling
17. Instruction Manuals
18. Ex-Factory Delivery
19. Ship to Box Marking
20. Special Notes
21. Spare Parts
1. 7.
2. 8.
3. 9.
4. 10.
5. 11.
6. 12.
Issued by: Date :
Approved by (Sales Manager) : Date :
_______________________________________________________________________________________________

22 • Technical Data
4.5.2 Ordering a Cabinet Installed Soft Starter
HRVS-DN (Cabinet enclosed) Internal Order
No: Rev.:
Cabinet Manufacturer: Solcon Solcon cat. No.:
Customer Name:
HRVS-DN Rated
current Voltage
Control
voltage
supply Control Input
supply
Project Name: Motor Name Plate:
Initiator (to be
indicated on
drawings)
Contact Person: Application:
Tel: Qty:
Fax: Delivery:
E-mail: Order number
Options Lexan
See below See below
115VAC
230VAC
110VDC
125VDC
220VDC
24VDC
115VAC
230VAC
110VDC
125VDC
220VDC
3M-Modbus
3P-Profibus
3D-DeviceNet
5-analog Card
D-remote display
RU-Russian characters.
ROC-Chinese characters
Relay-Relay PCB
NLR-Special software for
Multi soft stop applications
S
RU
N
No. Main Components Model - P/N QTY.
1.
2.
3.
4.
5.
6.
7.
8.
9.
10.
11.
MV Soft Starter Specification
No. ITEM Options Specify
1. Mains Voltage 2300, 3300, 4160, 6000, 6600, 10000,11000 , 13200,
13800,15000
2. Starter FLC (Amp.)
At 2300-4160V: 60,110, 200, 320, 400, 700, 800,1000, 1200
At 6000-15000V: 70,140,250,300,400,500,700,800,1000,
1200
3. Control Supply Voltage 115VAC, 230VAC, 110VDC, 125VDC, 220VDC, 24VDC
4. Control Input Voltage 115VAC, 230VAC, 110VDC, 125VDC, 220VDC, 24VDC/AC
5. Test Voltage 230, 400, 500, 600, 690
6. Control Wiring Standard - Fig. 1 (see manual) / Other-drawings attached
7. Control wires type
8. Relay Card NO / YES
9. Analogue Output NO / YES
10. MODBUS Communication NO / YES
_____________________________________________________________________________________________

23 • Technical Data
MV Soft Starter Specification
No. ITEM Options Specify
11. PROFIBUS Communication NO / YES
12. DeviceNet Communication NO / YES
13. Insulation Test Module NO / YES
14. Enclosure Class IP31,IP32,IP54,IP65 Keypad - Behind glass Window
15. Motor Insulation Protection
(MIP) YES/NO
16. Short Circuit Capacity
17. Paint 80µM RAL 7032 Other
18. Incoming Cabinet NO / YES
19. Input Cables Top / Bottom
20. Output Cables Top / Bottom
21. Door Opening Open to the Left / Right
22. Door Locks & Stoppers YES/NO
23. Mains On Load Switch
24. Main Fuse + Fuse Holder
25. Blown fuse indicator (striker-
pin)
26. Line Contactor NO / YES
27. Bypass Contactor NO / YES
28. Capacitor Bank Contactor NO / YES
29. Provision for Bank
Connections NO / YES
30. Motor Protection Relay MPS-6, MPS 3000-P/C
31. Lamp Test System NO / YES
32. Digital Panel Meter NO / DPM-10
33. Space heater NO / YES
34. Cooling Fan NO / YES
35. Special Thick Painting NO / YES
36. Packing Sea fright, Air fright, No
37. Labeling
37.1. Solcon cabinet logo NO / YES
38. Instruction Manuals Standard – 2 sets at door pocket
39. Approvals
39.1. Marine Design Review NO / YES
39.2. Requested Date
40. Drawings for Approval
41. Delivery - Chassis
42. Delivery – Final
43. Special Notes
44. Spare
Parts
1. 7.
2. 8.
3. 9.
4. 10.
5. 11.
6. 12.
45. Packing Instructions
46. Marking
Issued by: Date :
Approved by (Sales Manager) : Date :
_______________________________________________________________________________________________

24 • Technical Data
4.6 Power Connections Description
Refer to Figure 12 below
Indication Description Remarks
L1, L2, L3 Connection to mains voltage up to
15,000V
Thyristor’s PIV rating, internal circuitry and insulation
defines the following voltage levels:
2,300V +10%/ -15% 50/60Hz
4,160V +10% /-15% 50/60Hz
6,000V +10% /-15% 50/60Hz
6,600V +10% /-15% 50/60Hz
10,000V +10% / -15% 50/60Hz
11,000V +10% / -15% 50/60Hz
13,200V +10% / -15% 50/60Hz
13,800V +10% / -15% 50/60Hz
15,000V +10% / -15% 50/60Hz
Each HRVS-DN is suitable for one of the above
levels & for 50/60 Hz.
L1b, L2b, L3b
(models up to
6.6kV only)
Preparation for bypass
connection Bypass preparation is standard in all HRVS-DN
models up to 6.6kV.
All HRVS-DN models must be operated with a
Bypass Contactor.
Bus bars and Bypass Contactor must be arranged to
maintain current flow through the internal CTs after
end of the acceleration process. Otherwise, current
protection of the soft starter will not function.
U, V, W Connection to motor
Note:
Never connect power factor capacitors to soft starter
output.
Power Factor capacitors, if required should be
connected to the HRVS-DN line side (mains).
G Connection to ground For proper operation and for safety reasons the
HRVS-DN Power Section must be properly
grounded.
Figure 12 illustrates the Power Section of HRVS-DN models up to 6.6kV.
HRVS-DN models from 10kV and up have no preparation for bypass (bypass must be performed in the
cabinet), CTs are mounted externally to the Power Section and power supplies to the firing PCBs are mounted
externally to the Power Section.
Figure 12 – HRVS-DN up to 6.6kV Power Section
_____________________________________________________________________________________________

25 • Technical Data
4.7 Control Connections Description
Refer to Figure 13 page 30
Indication Description Remarks
Terminal 1 Control voltage - phase (positive –
for DC control) The control voltage operates the electronic circuitry
and the auxiliary relay that controls the firing relay
Terminal 3 Control voltage - neutral (return –
for DC control) The available control voltages are:
115V for 115V +10%/ -15% 50/60Hz
230V for 230V +10%/ -15% 50/60Hz
24VDC for 24VDC +10%/ -15% DC
110VDC for 110V +10%/ -15% DC
125VDC for 125V +10%/ -15% DC
220VDC for 220V +10%/ -15% DC
Note:
It is recommended that terminals 1-3 be
continuously connected to the control voltage.
Terminal 2 Firing control An internal relay connects the control voltage from
terminal 1 to terminal 2 when firing is required
during Soft Start and Soft Stop. Typically external
relay controlled by this terminal connect the firing
transformer which feed the firing system.
Terminal 4 Input – STOP command.
• Input from a N.C. contact
• To stop the motor, disconnect
Control Input voltage from
terminal 4 for at least 250mSec.
(no SOFT STOP)
•
Control Input voltage (STOP, SOFT STOP,
START, terminal inputs 7 and 8) can be the same
as Control Supply (terminals 1, 3) or voltage from
a different source.
• The Control Inputs are opto-coupled and isolated
from the microprocessor circuitry.
Terminal 5 Input – SOFT STOP command.
• Input from a N.C. contact
• To SOFT STOP the motor
disconnect Control Input voltage
from terminal 5 for at least
250mS
Note:
If SOFT STOP is not required,
connect a jumper between
terminals 4 and 5.
Control Input voltages available:
115V for 115V +10%/ -15% 50/60Hz
230V for 230V +10%/ -15% 50/60Hz
110VDC for 110V +10%/ -15% DC
125VDC for 110V +10%/ -15% DC
220VDC for 220V +10%/ -15% DC
Terminal 6 Input – START command.
• Input from a N.O. contact.
• To SOFT START the motor,
connect Control Input voltage to
terminal 6 for at least 500mSec.
Notes:
• Motor will start only if STOP
(terminal 4) and SOFT STOP
(terminal 5) terminals are
connected to Control Input
voltage.
• To reset a fault the START
command must be removed.
(except for UNDERCURRENT
protection)
• The soft starter ignores start
within 3 seconds after stop. Wait
at least 3 seconds before
restarting.
_______________________________________________________________________________________________

26 • Technical Data
Indication Description Remarks
Terminal 7 Programmable input –
TEST / RESET/MULTI
SOFT STOP*
(MULTI SOFT STOP
applicable when special
software for multi soft stop
is ordered)
Refer to section 4.7.1 page 31.
Terminal 8 Programmable input –
DUAL ADJUSTMENT /
RESET
Refer to section 4.7.2 page 31.
Terminal 9 Common to terminals 4-8. This terminal is a reference for terminals 4, 5, 6, 7
& 8.
Note:
When Control Supply and Control Input voltage are
from the same source, connect a jumper between
terminals 3 and 9.
Terminal 10 Programmable IMM/
# STRT PREAL (N.O.) IMM/# STRT PREAL is the immediate/# of starts
pre-alarm output relay.
Terminal 11 Programmable IMM/
# STRT PREAL (N.C.)
•
Voltage free 8A, 250VAC, 2000VA max.
• Selection between functions is made from the
keypad or through the communication.
Terminal 12 Programmable IMM/
# STRT PREAL (Common)
•
Refer to section 7.8.7 page 74 for IMM/ # STRT
PREAL programming.
• Refer to section 4.7.3 page 31 for more details.
Terminal 13 Programmable Fault
Output relay (N.O.) Voltage free 8A, 250VAC, 2000VA max. changes
its position upon fault.
Terminal 14 Programmable Fault
Output relay (N.C.) The contact is programmable to function as FAULT
or FAULT-FAIL SAFE.
Terminal 15 Programmable Fault
Output relay (Common) When the FAULT function is selected, the relay is
energized upon fault. The contact returns to its
original position when one of the following occurs:
• The fault has been removed and HRVS-DN was
reset
• Disconnection of Control Supply
When the FAULT-FAIL SAFE function is selected,
the relay is energized immediately when the
Control Supply is connected and de-energizes
when one of the following occurs:
• Fault
• Disconnection of Control Supply
Refer to section 7.8.7 page 74 for FAULT RELAY
TYPE programming.
Terminal 16 Programmable End of
Acceleration (Run) Output relay
(N.O.)
Voltage free 8A, 250VAC, 2000VA max. changes
its position at the end of acceleration, after an
adjustable time delay (Contact Delay), 0 – 120 sec.
Terminal 17 Programmable End of
Acceleration (Run) Output relay
(N.C.)
The contact returns to its original position on SOFT
STOP or STOP signals, on FAULT condition, or
upon voltage outage.
Programmable End of
Acceleration (Run) Output
relay (Common)
The End of Acceleration contact (Run) can be used
for:
Terminal 18
• Closing a Bypass Contactor. Use an interposing
relay.
• Activating a valve after compressor has reached
full speed
• Loading a conveyor after motor reached full
speed.
Refer to section 7.8.3 page 61 for RUN CONTACT
DLY programming
_____________________________________________________________________________________________

27 • Technical Data
Indication Description Remarks
Terminal 19 External Fault #1 input Input from a N.O. contact that is connected
between terminal 19 and a control input voltage
that is referred to terminal 21.
The HRVS-DN will trip 2 seconds after the contact
closes.
Terminal 20 External Fault #2 input Same as terminal 19.
Terminal 21 Common to terminals 19
and 20.
This terminal is a reference for terminals 19 and 20.
Note:
When Control Supply and Control Input voltage to
the external faults input are from the same source,
connect a jumper between terminals 3 and 21.
Terminal 22 No connection (optional)
•
Standard RS485, half duplex with Modbus
protocol, baud rate 1200, 2400, 4800, 9600 BPS.
Terminal 23 RS-485 communication (-)
(optional)
•
Twisted shielded pair should be used.
Connect shield to ground on the PLC/Computer
side.
Terminal 24 RS-485 communication (+)
(optional)
•
Terminals 4 & 5 must be wired to Control Supply
for operation in communication mode (refer to
section 5.11 page 37 for wiring diagram).
• Up 32 units can be connected for Modbus RS485
communication. For reliable communication, units
should be installed in the vicinity of 200m
maximum, from the first to the last unit.
• Refer to section 7.8.8 page 76 for programming.
• Refer to the Modbus communication manual
section 16 page 132.
Terminal 25 Programmable Insulation Alarm
Output relay (Common) (optional)
Voltage free 8A, 250VAC, 2000VA max. is
energized when the motor insulation level
decreases below the Insulation Alarm level.
Terminal 26 Programmable Insulation Alarm
Output relay (N.O.) (optional)
The relay is de-energized and the alarm will
disappear if one of the following occurs:
• The insulation level returns to normal for more
than 60 seconds
• HRVS-DN resets
• Control Supply disconnection
Refer to section 7.8.6 on page 72 for more details
and programming.
Terminal 27 Programmable Insulation
Alarm Output relay (N.C.)
(optional)
Notes:
• Insulation test can be performed only when main
voltage is not connected to the HRVS-DN,
(upstream isolation device must be opened.)
• For correct operation of Insulation test, it is
important that the HRVS-DN is properly grounded
and that the Control Module is properly fastened
to the Power Section.
• Insulation test option and analog output option
can not be applied together.
Terminal Ground (optional) Leave this terminal not connected. Ground the
shield of the analog output signal at the recipient
side.
Analog output (0-10VDC or 0-20mA or 4-20mA)
Terminal out(-) Analog output (-) (optional) reflects motor current and is related to 2xFLA. i.e.,
Full scale (10VDC or 20mA) is related to 2xFLA.
Or
reflects motor power and is related to Pn i.e., Full
scale (10VDC or 20mA) is related to motor rated
power. Motor rated power is set in the MAIN &
PROTECT parameter. Refer to section 7.8.2 page
56.
_______________________________________________________________________________________________

28 • Technical Data
Indication Description Remarks
Terminal out(+) Analog output (+) (optional)
•
Refer to section 6.5 page 44 for analog output dip
switch setting.
• Refer to section 7.8.7 page 74 for analog output
programming.
Terminal 31 Start command output relay (N.O.)
(optional)
Voltage free 8A, 250VAC, 2000VA max. closes
upon start command via communication. (Modbus,
Profibus or DeviceNet)
Terminal 32 Start command output relay (N.O.)
(optional)
The contact opens on SOFT STOP or STOP
commands via communication (Modbus, Profibus
or DeviceNet).
This contact is used to control the cabinet via the
communication (i.e. closing the Line Contactor).
Terminal 33 Up to Speed Output relay
(N.O.) (optional)
Voltage free 8A, 250VAC, 2000VA max. changes
its position at the end of acceleration, after current
is reduced below a programmable current and a
time delay.
The Up to Speed relay remains latched until the
motor stops.
Terminal 34 Up to Speed Output relay (N.C.)
(optional) The Up to Speed relay is used to control the
excitation system of a synchronous motor.
Terminal 35 Up to Speed Output relay
(Common) (optional) Refer to section 7.8.3.2 page 67 for more details.
D-9 connector Profibus communication (optional)
•
Profibus DPV0 and DPV1, up to 12 MBPS.
• D type 9 pin connector is applied.
• Control, monitoring and setting parameters can
be achieved via the Profibus connection.
• Setting is possible only when DPV1 is
implemented.
• Refer to section 7.8.9 page 76 for programming.
• Refer to the Profibus communication manual
section 17 page 150.
Terminal V- 0 Volt external power supply
DeviceNet comm. (optional)
•
Control, monitoring and setting parameters can
be achieved via the DeviceNet connection.
Terminal CL Negative data line • Refer to section 7.8.9 page 7776 for
programming.
Refer to the DeviceNet communication manual
section 17 page 150.
DeviceNet comm. (optional)
Terminal Dr Cable shield
DeviceNet comm. (optional)
Terminal CH Positive data line
DeviceNet comm.(optional)
Fiber optic
output #1 Phase L1 firing control via fiber optic wire.
Fiber optic
output #3 Phase L2 firing control via fiber optic wire.
Fiber optic
output #5 Phase L3 firing control via fiber optic wire.
Fiber optic
Input #7 Feedback signal from phase L1.
Fiber optic
Input #8 Feedback signal from phase L2.
Fiber optic
Input #9
Feedback signal from phase L3.
_____________________________________________________________________________________________

29 • Technical Data
Indication Description Remarks
15 pins
connector
Pin 1 – L1 Voltage
Pin 2 – No Connection
Pin 3 – CT – L1(grounded)
Pin 4 – CT – L1
Pin 5 – No Connection
Pin 6 – L2 Voltage
Pin 7 – No Connection
Pin 8 – CT – L2 (grounded)
Pin 9 – CT – L2
Pin 10 – No Connection
Pin 11 – L3 Voltage
Pin 12 – No Connection
Pin 13 – CT – L3 (grounded)
Pin 14 – CT – L3
Pin 15 – No Connection
G Connection to ground For proper operation and for safety reasons the
Control Module must be properly grounded.
_______________________________________________________________________________________________

30 • Technical Data
Figure 13 – Control Module Input/Output
_____________________________________________________________________________________________

31 • Technical Data
4.7.1 Input Terminal 7 - Test/Reset/MULTI SOFT STOP
Input from a N.O. contact – the functions described above are selected from the keypad (refer to section
7.8.7 page 74) or software commands sent via the communication protocol (Modbus, Profibus or DeviceNet).
When RESET function is selected - connect terminal 7 using a N.O. momentary contact, to control input
voltage to reset the HRVS-DN.
When TEST function is selected - connect terminal 7 to control input voltage (use a N.O. contact) to conduct
a firing test to the HRVS-DN. For more details on the firing test refer to section 14.3 page 122.
When MULTI SOFT STOP optional function is selected - connect terminal 7 to control input voltage (use a
N.O. contact) to operate the soft starter in a Multi Soft Stop procedure.
For wiring diagram refer to section 5.12 page 38.
For programming refer to section 7.8.7 page 74.
4.7.2 Input Terminal 8 - Dual Adjust/Reset
Input from a N.O. contact - selection between above functions is made from the keypad (refer to section
7.8.7 page 74) or through the communication (Modbus, Profibus or DeviceNet).
When DUAL ADJUSTMENT function is selected - connect terminal 8 to Control Input voltage to operate the
HRVS-DN with the DUAL ADJUSTMENT characteristic. DUAL ADJUSTMENT characteristic is programmed
as explained in section 7.8.5 page 71. You can switch between the primary and DUAL ADJUSTMENT
settings before and/or during starting.
When RESET function is selected - connect terminal 8 to Control Input voltage (use a N.O. momentary
contact) to reset the HRVS-DN.
For wiring diagram refer to section 5.9 page 35.
For programming refer to section 7.8.7 page 74.
4.7.3 Output Terminals 10, 11 & 12 – Immediate/# Strts PreAlarm
Programmable functions (refer to section 7.8.7 page 74):
IMMEDIATE (after start signal) - when immediate is selected, the relay is energized upon the START signal.
The relay is de-energized when one of the following occurs:
• Fault
• Control Supply outage
• STOP signal
When SOFT STOP is operated - the relay is de-energized at the end of the SOFT STOP process.
The relay incorporates on and off delays of 0-3600 sec. each.
The immediate relay can be used for the following purposes:
• Interlock with other systems
• Signalling
• Delay the opening of a Line Contactor at the end of SOFT STOP, thus allowing current to decrease to zero
before opening the contactor
• Switch to / from Dual Adjustment settings with a time delay from the START signal (see Special Starting
section 13.5.3.1 page 118).
• # Strts PreAlarm detection - When configured to # STRTS PREALARM the relay is energized if a start
command will cause the soft starter to trip on TOO MANY STARTS.
_______________________________________________________________________________________________

32 • Recommended Wiring Diagrams
5. RECOMMENDED WIRING DIAGRAMS
5.1 Control Supply and Control Inputs From a Single Source
Notes:
• Use this diagram when Control Supply, Control
Input and Control Inputs for the External Faults
are all from the same source.
• If External Faults are not used leave terminals
19, 20 and 21 not connected.
• Supply must be protected from short circuit and
over load. 10A fuse must be used.
• It is recommended to use a separate fuse for
the auxiliary circuits.
5.2 Separate Sources for Control Supply and Control Inputs
Notes:
• Use this diagram when Control Supply and
Control Input are from separate sources.
• If External Faults are not used leave terminals
19, 20 and 21 not connected.
• Supply must be protected for short circuit and
over load. 10A fuse must be used.
• It is recommended to use a separate fuse for the
auxiliary circuits.
_____________________________________________________________________________________________

33 • Recommended Wiring Diagrams
5.3 Three Separate Sources for Control Supply and Control Inputs
Notes:
• Use this diagram when three separate
sources for:
o Control Supply
o Control Input
o Control Input for the External
Faults
• Supply must be protected for short circuit
and over load. 10A fuse must be used.
• It is recommended to use a separate fuse
for the auxiliary circuits.
5.4 Soft Start and Immediate Stop (No Soft Stop)
Notes:
• When switch A closes the motor will soft
start.
• When switch A opens the motor will stop
immediately (no soft stop).
• Drawing shows Control Supply and
Control Input from the same source. Refer
to section 5.2 and 5.3 for Control Supply
and Control Input from separate sources.
_______________________________________________________________________________________________

34 • Recommended Wiring Diagrams
5.5 Soft Start and Soft Stop wiring
Notes:
• When switch B closes the motor will soft
start.
• When switch B opens the motor will soft
stop.
• Drawing shows Control Supply and
Control Input from the same source. Refer
to section 5.2 and 5.3 for Control Supply
and Control Input from separate sources.
5.6 Soft Start, Soft Stop and Immediate Stop Wiring
Notes:
• When switch B closes the motor will soft
start.
• When switch B opens the motor will soft
stop.
• Switch A opens the motor will stop
immediately.
• Drawing shows Control Supply and
Control Input from the same source. Refer
to section 5.2 and 5.3 for Control Supply
and Control Input from separate sources.
_____________________________________________________________________________________________

35 • Recommended Wiring Diagrams
5.7 Soft Start, Soft Stop and Stop
Notes:
• Switch A can be used as an immediate stop.
• Switch B is used as a soft stop command to
the HRVS-DN.
• Switch C is used as a momentary or
maintained start command to the HRVS-DN.
• Drawing shows Control Supply and Control
Input from the same source. Refer to section
5.2 and 5.3 for Control Supply and Control
Input from separate sources.
5.8 External Fault
Notes:
• Switches E1 and E2 can be used as
EXTERNAL FAULT input.
• Drawing shows Control Supply and Control
Input from the same source. Refer to section
5.2 and 5.3 for Control Supply and Control
Input from separate sources.
5.9 Dual Adjustment (Control Input #8)
Notes:
When two set of starting/stopping parameters are required (for example for loaded/unloaded motor
or for multistart applications) do the following:
• In I/O PROGRAMMING PARAMETERS mode page set PROG. INPUT #8 to DUAL
ADJUSTMENT(default setting).
• Set first set of parameters in the MAIN & PROTECT, START PARAMETERS and STOP
PARAMETERS mode pages:
MOTOR FLA, INITIAL VOLTAGE, CURRENT LIMIT, ACC. TIME and DEC. TIME.
_______________________________________________________________________________________________

36 • Recommended Wiring Diagrams
• Set second set of parameters in the DUAL ADJUSTMENT PARAMETERS mode page:
DA: MOTOR FLA, DA: INIT. VOLT., DA: CUR. LIMIT, DA: ACC. TIME and DA: DEC. TIME.
• Start the motor with the primary set of parameters when switch D is open. Start the motor with the
DA set of parameters when switch D is closed.
• Note that it is possible to change the starting parameters also during soft start or soft stop. (refer
to section 13.5.3 page 117.)
• Note that if PROG. INPUT #8 is set to RESET than a momentary switch should be used for reset
input to the soft starter.
5.10 Bypass Contactor
Notes:
• End of Acceleration relay is energized after a programmed time delay RUN CONTACT DLY. Refer to
section 7.8.3 page 61 for programming.
• The End of Acceleration relay is de-energized when:
o SOFT STOP or STOP signals are initiated
o Fault condition occurs.
• When a SOFT STOP signal is provided, the End of Acceleration relay returns to its original position
thus opening the Bypass Contactor. Thereafter, the voltage will gradually ramp down to zero, soft
stopping the motor.
• Use an interposing relay (not shown) to control the Bypass Contactor.
_____________________________________________________________________________________________

37 • Recommended Wiring Diagrams
5.11 Operating via Communication Links
Notes:
• In order to operate via communication, either Modbus, Profibus or DeviceNet optional PCBs must be
installed and wired properly.
• In addition, optional Relay PCB must be installed in the control nodule. The optional Relay PCB will
close a contact (terminals 31 & 32) when start signal is initiated via communication. This contact
typically controls the Line Contactor via RS relay. When Line Contactor is closed mains power I
connected to L1, L2 and L3.
• Start command to the soft starter (terminal 6) is initiated by an auxiliary contact from the Line
Contactor in series to an auxiliary start relay (RS) thus ensuring that the Line Contactor is closed.
• HRVS-DN must be programmed to enable control (not only monitoring). Refer to section 7.8.8 and
7.8.9 page 76 for programming.
• Make sure that after programming, Control Supply voltage is disconnected and reconnected so that
the communication settings will take affect.
• HRVS-DN will close the start/stop relay via communication commands UNLESS switches A or B are
opened.
WARNING! Beware!
HRVS-DN Control Module and Power Section must be grounded at all times.
When testing the HRVS-DN control/communication it is possible to use the
Control Module only without the Power Section.
The Control Module MUST be properly grounded to avoid danger of
electrical shock!!
_______________________________________________________________________________________________

38 • Recommended Wiring Diagrams
5.12 Control Input #7
Notes:
• Switch D can be used as a Test
input/RESET/MULTI SOFT STOP (optional) as
programmed in I/O PROGRAMMING
PARAMETERS. Refer to section 7.8.7 page 74.
• MULTI SOFT STOP is applicable only when an
optional software for MULTI SOFT STOP is
installed.
• RESET function requires a momentary contact
to operate.
• Test function is a unique feature of the HRVS-
DN to test the operation of the firing system of
the HRVS-DN. Refer to section 14.3 page 122.
• Drawing shows Control Supply and Control
Input from the same source. Refer to section
5.2 and 5.3 for Control Supply and Control
Input from separate sources.
5.13 Control Input #8
Notes:
• Switch D can be used as a DUAL
ADJUST/RESET as programmed in I/O
PROGRAMMING PARAMETERS. Refer to
section 7.8.7 page 74. Refer also to section
5.9 page 35.
• RESET function requires a momentary contact
to operate.
• Drawing shows Control Supply and Control
Input from the same source. Refer to section
5.2 and 5.3 for Control Supply and Control
Input from separate sources.
_____________________________________________________________________________________________

39 • Installation of IP00 (OEM Kit) in a Cabinet
6. INSTALLATION OF IP00 (OEM KIT) IN A CABINET
6.1 Mounting
The HRVS-DN must be mounted vertically. Allow sufficient space for suitable airflow above and below the
HRVS-DN.
Verify that minimum clearances specified in the applicable codes/standards are applied.
In addition, when glass epoxy of any-type or thickness is utilized within the cabinet assembly, minimum
clearances specified in the applicable codes/standards are not lowered.
Notes:
(1) Do not mount the HRVS-DN near heat sources.
(2) Cabinet internal temperature should not exceed 50°C. Refer to section 6.2 page 41 for heat dissipation of
the soft starter during operation.
(3) Protect the HRVS-DN from dust and corrosive atmospheres.
(4) In order to perform low voltage test, certain provisions should be applied:
a. When a step-down transformer provides the Control Voltage, allow for supply of Control
Voltage from external source
b. In HRVS-DN up to 6.6kV, allow sufficient access to the rear side of the EPT-Tx (to allow low
voltage Test Harness connection).
c. To allow phase disassembly, provide for the following assembly precautions (Refer to Figure 14)
for: i. Horizontal support bar (this bar is mounted on the inner side of the M.V. door).
ii. Two support rods 850mm length with M12 thread.
For phase disassembly, the horizontal support bar is mounted at the front of the cabinet,
bracing the support rods.
Figure 14 – HRVS-DN up to 6.6kV - Phase Disassembly Accessories
Location of support bar
when not in use (option 1)
Set of support rods Ø12mm
made of steel SAE1020
Location of support bar
when not in use (option 2)
Location of support bar when in
use for phase disassembly
EPT-Tx
M12
t
hr
ead
_______________________________________________________________________________________________

40 • Installation of IP00 (OEM Kit) in a Cabinet
6.1.1 Low Voltage Section
(1) Control Module should be installed in a convenient place allowing access from every direction (this is
achieved by mounting it on a hinged plate).
(2) Due to fiber optic being a frail conductor, insert the fiber optic wires only at assembly completion.
(3) Avoid fiber optic wires bending or stretching (minimal bending radius of 4 cm).
(4) Avoid fiber optic wires installation near heat source.
(5) Control Module and EPT-Rx cases are well grounded.
Refer to standard cabinet wiring as detailed in section 10 page 88.
6.2 Temperature Range & Heat Dissipation
The HRVS-DN is rated to operate within a temperature range of -10°C (14°F) to + 50°C (122°F).
Relative non-condensed humidity inside the enclosure must not exceed 95%.
ATTENTION! Operating the HRVS-DN with a surrounding air temperature that is higher than
50ºC will cause derating.
Operating the HRVS-DN with a surrounding air temperature that is higher than
60ºC may cause damage to the HRVS-DN.
During soft start the maximum heat dissipation in Watts is as follows:
2,300V – 24xFLC [W]
3,300V – 72xFLC [W]
4,160V – 72xFLC [W]
6,600V – 72xFLC [W]
10,000V – 120xFLC [W]
11,000V – 120xFLC [W] – for marine applications: 144xFLC [W]
13,800V – 144xFLC [W] – for marine applications: 168xFLC [W]
15,000V – 192xFLC [W]
_____________________________________________________________________________________________

41 • Installation of IP00 (OEM Kit) in a Cabinet
6.3 Control Module Main PCB and Optional PCBs
Figure 15 - HRVS-DN Control Module
Remove top cover of the Control Module to access the main PCB, optional PCBs and dip switches.
6.4 Dip Switch Settings on the Main PCB
The dip switch has eight separate switches. It is located under the front cover of the Control Module.
No. Switch Function Switch Off Switch On
1 Display format Minimized Maximized
2 Tacho feedback Disabled Enabled
3 - -
Must be off
4
See tables below section 6.4.3 page 42.
5 LCD language selection
6
7 Extended settings Disabled Enabled
8 Software lock Open Locked
6.4.1 Switch # 1 – Display Modes
Two display modes are available:
Maximized – display of all possible parameters.
Minimized – display of pre-selected parameters.
Setting switch # 1 to off will minimize the LCD displays.
Refer also to section 7.7 page 52.
_______________________________________________________________________________________________

42 • Installation of IP00 (OEM Kit) in a Cabinet
Maximized Mode - Switch #1 – On Minimized Mode Switch #1 – Off
Display only
Main & Protect.
Start parameters
Display only
Main parameters
Start parameters
Stop parameters
Statistical data
Stop parameters
Dual adjustment
Fault parameters
I/O programming
Communication parameters
Statistical data
6.4.2 Switch # 2 – Tacho Feedback (0-10VDC)
Set switch #2 to on when using tacho feedback.
Note:
To operate tacho feedback consult with the factory for specific settings for each application.
6.4.3 Switches # 4, 5 & 6 – Language Selection
Language selection defined by the switch settings and software version shown on the internal label (shown on
section 6.3 page 41).
For software version: MVSTMB.GN-ddmmyy (where “ddmmyy” represents software version date in 6 digit
format. i.e., 120809 refers to August 12th, 2009)
Language Switch #4 Switch #5 Switch #6 Position of Switches
English Off Off Off
French Off Off On
German Off On Off
Spanish Off On On
Turkish On Off Off
For software version: MVSTMB.HB-ddmmyy
Language Switch #4 Switch #5 Switch #6 Position of Switches
English Off Off Off
Russian Off Off On
Special Set Off On Off
Chinese Off On On
_____________________________________________________________________________________________

43 • Installation of IP00 (OEM Kit) in a Cabinet
6.4.4 Switch # 7 – Extended Settings
EXTENDED SETTINGS corresponds to:
Parameter Range Switch #7 - Off Range switch #7 - On
INITIAL VOLTAGE 5(1)-80% 10-50%
CURRENT LIMIT 100-400% 700%
with the maximum limitation of:
440x(FLC/FLA)
PULSE LEVEL 100-400% 700%
If PULSE TIME>1sec, with the
maximum limitation of:
440x(FLC/FLA)
ACCELERATION TIME 1-30 seconds 1-90 seconds
DECLERATION TIME 0-30 seconds 0-90 seconds
MAX. START TIME 1-30 seconds 1-250 seconds
Note:
(1) Setting the INITIAL VOLTAGE to lower than 10% is not practical for loaded motors.
WARNING!
Operator’s
responsibility!
EXTENDED SETTINGS are for use in very special applications only!
Do not set to switch #7 to on unless HRVS-DN is significantly larger than the
motor! When using extended settings for the HRVS-DN you must be extremely
careful to avoid damaging the motor or HRVS-DN.
6.4.5 Switch # 8 – Software Lock
The software lock prevents undesired parameter modifications.
When locked, pressing the Store, ▼or ▲ keys causes the LCD to display UNAUTHORIZED ACCESS.
_______________________________________________________________________________________________

44 • Installation of IP00 (OEM Kit) in a Cabinet
6.5 Analog I/O (Option 5) (Terminals Gnd, Out (-), Out (+))
Figure 16 – Optional Analog PCB
Analog PCB is located on the upper right side of the control nodule.
(Refer to Figure 15 page 11)
Ground Terminal (terminal Gnd)
Leave this terminal not connected. Ground the shield of the analog output signal at the recipient side.
Analog Output (Terminals Out (+), Out (-))
Dip switches allow selection between: 0-10VDC, 0-20mA, 4-20mA
The analog value is related to I, 0….200% of FLA or 0….200% of RATED MOTOR PWR .
Refer to section 7.8.7 on page 74 for ANALOG OUTPUT programming.
Switch No. 4-20 mA* 0-20 mA 0-10VDC
S1- Switch # 1 On On Off
S1 - Switch # 2 On On Off
S1 - Switch # 3 Off Off On
S1 - Switch # 4 Off Off On
S2 - Switch # 1 On Off Off
S2 - Switch # 2 Not used Not used Not used
* Factory default setting
_____________________________________________________________________________________________

45 • Installation of IP00 (OEM Kit) in a Cabinet
6.6 Insulation test (Option 4) (Terminals 25, 26, 27 and Leak)
When this option is installed, resistor units RU-7 (Un≤7,200V) or RU13 (7,200>Un≤13,800V) must be installed
as shown:
Figure 17 – Optional Insulation PCB Wiring
Figure 18 – RU-7, Resistor Unit – Dimensional Drawing
_______________________________________________________________________________________________

46 • Installation of IP00 (OEM Kit) in a Cabinet
6.7 Remote Key-Pad Installation
Figure 19 - Remote Key Pad, Connection Cable and Control Module.
Note: Cable length is 1.5 meters (consult with the factory if a longer cable is required).
Figure 20 - Remote Key Pad - Dimensions
_____________________________________________________________________________________________

47 • Installation of IP00 (OEM Kit) in a Cabinet
Figure 21 - Remote Key Pad - Mechanical Installation and Cut-out Dimensions
_______________________________________________________________________________________________

48 • Control Keypad
7. CONTROL KEYPAD
The control keypad is the link between the HRVS-DN and the user.
The HRVS-DN control keypad features:
(1) Two lines of 16 alphanumeric characters each with selectable languages – English, French,
German, Spanish and Turkish. Russian and Chinese characters are optional and must be pre-
ordered.
(2) Six push-buttons (Mode, Reset, Select, Store, Up (▲) and down (▼) keys).
(3) Eight indication LEDs (On, Start, Run, S.Stop, Stop, Test,, D.Adj., Fault)
Figure 22 - HRVS-DN Control Keypad
(1)
(2)
(3)
7.1 LCD Arrangement
CURRENT LIMIT
390%
Upper line displays function.
Lower line displays setting and\or measured values.
7.2 Push-Buttons
Mode Scrolls through the display and programming menus of the HRVS-DN.
Note: Pressing Mode continuously increases the speed at which the parameters change.
Select When a mode name is displayed, pressing this button drills down to the parameters for that
mode. When a parameter is displayed, pressing this button scrolls to the next parameter.
▲ Allows the operator to increment adjusted values shown in the display. Operator should press
this button once to increment one value, or continuously to rapidly increment values up to the
maximum value.
▼ Allows the operator to decrement adjusted values shown in the display. Operator should press
this button once to decrement one value, or continuously to rapidly decrement values up to the
minimum value.
Store
Stores modified parameters only when you have scrolled through all parameters and STORE
ENABLE XXXXXX PARAMETERS is displayed. After you store a parameter successfully DATA
SAVED OK message will display.
Note: Pressin
g
this button at an
y
other time has no effect.
Reset
Resets the HRVS-DN after a fault has been dealt with and the start command has been removed
(except for UNDERCURR. TRIP – Refer to section 7.8.6 page 72 parameter UNDER CUR.
RESET). This cancels the fault displayed and allows you to restart the motor.
_____________________________________________________________________________________________

49 • Control Keypad
7.3 Status LEDs
Green On Lights when the control supply voltage is connected to the HRVS-DN.
Yellow Start Lights during soft start, indicating that motor supply voltage is ramping up.
Green Run Lights after completion of the starting process, indicating that motor is
receiving full voltage.
Lights during soft stop, indicating that the motor supply voltage is ramping
down.
Yellow S.Stop
Red Lights when the motor is stopped.
Stop
Yellow Lights when the HRVS-DN is in TEST mode.
Test
Green Lights when DUAL ADJUSTMENT is in operation.
D.Adj.
Lights upon operation of any of the built-in protections.
Flashes when:
• Date and time are not set
Red Fault • INSULATION ALARM optional relay is activated. Refer to section 7.8.6
page 72.
• Fault was detected but TRIP AFTER BYPASS is set to DISABLE.
Refer to section 7.8.6 page 72.
7.4 Reviewing and Modifying Parameters
Press the Mode key several times until you reach the required mode page.
Press the Select key to review parameters for this mode.
Once you reach the required parameter, use the ▼ or ▲ keys to modify its value.
To store the new parameters, press the Select key until the STORE ENABLE message displays and then
press the Store key. The DATA SAVED OK message will display for 2 seconds.
7.5 Upon first Control Voltage Connection
Few seconds after first connection of control voltage the Fault LED will flash and the LCD will display:
ALARM:
SET TIME & DATE
It is advised to set the time and date as described on section 7.6.6 on page 51.
If time and date are not set properly no time stamp to the faults shown in the STATISTICAL DATA.
Note:
If the Reset button is pressed this message will not appear any more!!
7.6 Special Actions Performed in TEST/MAINTENANCE Mode
7.6.1 Run Self Test
Press the Mode and ▼ keys simultaneously.
The Test LED will light and the LCD will display:
TEST/MAINTENANCE
***OPTIONS***
Press the Select key.
The LCD will display:
RUN SELF TEST ?
PUSH UP ARROW
Press the ▲ key.
_______________________________________________________________________________________________

50 • Control Keypad
The Test LED will turn off and the LCD will display:
SELF TEST PASSED
And after a few seconds the LCD will display:
I1 I2 I3
0 0 0 %
7.6.2 View Software Version
Press the Mode and ▼ keys simultaneously.
The Test LED will light and the LCD will display:
TEST/MAINTENANCE
***OPTIONS***
Press the Select key twice.
The LCD will display:
BTL-R-16/09/2008
MVSTMB.GN-121008
Press the Mode and ▼ keys simultaneously to exit the TEST/MAINTENANCE mode.
The Test LED will turn off and he LCD will display:
I1 I2 I3
0 0 0 %
7.6.3 Obtain Default Parameters
Press the Mode and ▼ keys simultaneously.
The Test LED will light and the LCD will display:
TEST/MAINTENANCE
***OPTIONS***
Press the Select key three times.
The LCD will display:
STORE ENABLE
DEFAULT PARAMET.
Press the Store + Mode keys simultaneously.
The Test LED will turn off and the LCD will display:
DATA SAVED OK
And after a few seconds the LCD will display:
I1 I2 I3
0 0 0 %
CAUTION! Obtaining DEFAULT PARAMETERS erases all previously modified settings
and requires the operator to reprogram all parameters that differ from the
factory default.
Note: It is especially important to reprogram the RATED LINE VOLTAGE and
STARTER FLC (as shown on the label of the HRVS-DN) and all other
parameters in MAIN & PROTECT mod page. Refer to section 7.8.2 page 56.
7.6.4 Reset Statistical Data
Press the Mode and ▼ keys simultaneously.
The Test LED will light and the LCD will display:
TEST/MAINTENANCE
***OPTIONS***
Press the Select key four times.
The LCD will display:
RESET STATISTICS
Press the Reset + Store keys simultaneously.
The Test LED will turn off and the LCD will display:
_____________________________________________________________________________________________

51 • Control Keypad
DATA SAVED OK
And after a few seconds the LCD will display:
STATISTICAL DATA
- **** -
Press the Mode and go back to:
I1 I2 I3
0 0 0 %
Note! Resetting STATISTICAL DATA resets the thermal capacity register as well.
7.6.5 Calibrate Voltage and Current (Factory Use Only!)
Press the Mode and ▼ keys simultaneously.
The Test LED will light and the LCD will display:
TEST/MAINTENANCE
***OPTIONS***.
Press the Select key five times.
The LCD will display:
VOLTAGE ADJUST.
98 % OF Vn
Press the Select key.
The LCD will display:
CURRENT ADJUST.
23 % OF FLC
Press the Mode and ▼ keys simultaneously to exit the TEST/MAINTENANCE mode.
The Test LED will turn off and he LCD will display:
I1 I2 I3
0 0 0 %
7.6.6 Setting Time and Date
Press the Mode and ▼ keys simultaneously.
The Test LED will light and the LCD will display:
TEST/MAINTENANCE
***OPTIONS***.
Press the Select key seven times.
The LCD will display:
hh.mm mm.dd.yy
:10 01/19/08
The hour value blinks.
modify the hour value with T or S keys.
Press Store key.
The LCD will display (now the minutes value blinks):
hh.mm mm.dd.yy
12: 01/29/08
Repeat the same procedure as for the hour settings to the minutes, day, month and year settings.
After Store key is pressed last time the LCD will display:
TEST/MAINTENANCE
***OPTIONS***
Press the Mode and ▼ keys simultaneously to exit the TEST/MAINTENANCE mode.
The Test LED will turn off and he LCD will display:
I1 I2 I3
0 0 0 %
_______________________________________________________________________________________________

52 • Control Keypad
7.7 Mode Pages
Upon initiation of the HRVS-DN, the LCD displays motor’s operating current:
I1 I2 I3
0 0 0 %
You can review all mode pages by pressing the Mode key:
MAIN & PROTECT.
- **** -
START PARAMETERS
- **** -
STOP PARAMETERS
- **** -
DUAL ADJUSTMENT
PARAMETERS These pages are skipped if HRVS-DN is programmed to
MINIMIZED MODE and are shown only in MAXIMIZED MODE.
Refer to section 6.4.1 on page 41 for changing mode from
MINIMIZED MODE to MAXIMIZED MODE.
FAULT PARAMETERS
- **** -
I/O PROGRAMMING
PARAMETERS
COMM. PARAMETERS
- **** -
STATISTICAL DATA
- **** -
_____________________________________________________________________________________________

53 • Control Keypad
7.8 Overview of All Mode Pages and Factory Defaults
Appears only in
MAXIMIZED MODE(1)
DISPLAY MODE PAGE MAIN & PROTECT
- **** - START PARAMETERS
- **** - STOP PARAMETERS
- **** - DUAL ADJUSTMENT
PARAMETERS
Display and default
values Display and default
values Display and default
values Display and default
values Display and default
values
I1 I2 I3
0 0 0 % RATED LINE VOLT.
6600 VOLT SOFT START CURVE
1 (STANDARD) SOFT STOP CURVE
1(STANDARD) DA: INIT. VOLT.
30%
I1 I2 I3
0 0 0 A STARTER FLC
150 AMP. START TACHO. GAIN(2)
0(MIN. GAIN)
STOP TACHO. GAIN
0(MIN. GAIN) DA: INIT. CURRENT (2)
100%
VOLTAGE FREQ.
3,300V 49.9Hz MOTOR FLA
150 AMP. PULSE LEVEL
70% OF FLA DEC. TIME
0 SEC. DA: CUR. LIMIT
400% OF FLA
POWER
1,500 KW RATED MOTOR PWR
1000 KW PULSE TIME
0.0 SEC. FINAL TORQUE
0 (MIN.) DA: ACC. TIME
10 SEC.
REACTIVE POWER
500 KVAR SERVICE FACTOR
100 % INITIAL VOLTAGE
30 % COAST DOWN DELAY
OFF DA: DEC. TIME
0 SEC.
POWER FACTOR
0.85 UNDERCURR. TRIP
0% OF FLA INITIAL CURRENT (2) STORE ENABLE
STOP PARAMETERS DA: MOTOR FLA
150 AMP.
100 %
THERMAL CAPACITY
0 % UNDERCURR. DELAY
10 SEC. CURRENT LIMIT
400% OF FLA STORE ENABLE
D. ADJ. PARAMETERS
MOTOR INSULATION (2)
52.8Mohm
O/C – SHEAR PIN
850% OF FLA ACC. TIME
10 SEC.
OPTION CARD
NOT INSTALLED O/C DELAY
0.5 SEC. MAX. START TIME
30 SEC.
OVERLOAD CLASS
IEC CLASS 10 NUMBER OF STARTS
1
OVERLOAD
PROTECT
ENABLE WHILE RUN
STARTS PERIOD
20 MIN.
UNBALANCE TRIP
20% OF FLA START INHIBIT
15 MIN.
UNBALANCE DELAY
5 SEC. RUN CONTACT DLY
5 sec.
GND FAULT TRIP
20% OF FLA TURN BYPS ON AT (2)
120% OF FLA
GND FAULT DELAY
5 SEC. MIN TIME TO BYPS (2)
3 SEC.
UNDERVOLT. TRIP
70% OF Vn STORE ENABLE
START PARAMETERS
UNDERVOLT. DELAY
5 SEC.
OVERVOLT. TRIP
120% OF Vn
OVEERVOLT. DELAY
2 SEC.
STORE ENABLE
MAIN & PROTECT.
(1) - Refer to section 6.4.1 on page 41 for changing mode from MINIMIZED MODE to MAXIMIZED MODE.
(2) - Parameter viewed only when used.
_______________________________________________________________________________________________

54 • Control Keypad
Appears only in
MAXIMIZED MODE(1) Appears only in
MAXIMIZED MODE(1) Appears only in
MAXIMIZED MODE(1) Appears when in
TEST/MAINTENANCE(2)
FAULT PARAMETERS
- **** - I/O PROGRAMMING
PARAMETERS COMM.PARAMETERS
- **** - STATISTICAL DATA
- **** - TEST/MAINTENANCE
***OPTIONS***
Display and default
values Display and default
values Display and default
values Display and default
values Display and default
values
UV & PL AUTO RST
NO PROG. INPUT #7
RESET COMM. PROTOCOL
MODBUS T SINCE LST STRT
NO DATA RUN SELF TEST?
PUSH UP ARROW
UNDER CUR. RESET
OFF PROG. INPUT #8
DUAL ADJUSTMENT BAUD RATE
9600 (MODBUS) LAST STRT PERIOD
NO DATA PROGRAM VERSION
MVSTMB.GN-110808
BYPASS OPEN TRIP
ENABLE FAULT RELAY TYPE
FAULT PARITY CHECK LAST STRT MAX I
NO DATA STORE ENABLE
DEFAULT PARAMET. EVEN
TRIP AFTER BYPASS
ENABLE IMM. RELAY TYPE
IMMEDIATE SERIAL LINK NO.
OFF TOTAL RUN TIME
0 HOURS RESET STATISTICS
BY-PASS AUTO RST
NO RELAY ON DELAY
0 SEC. S. LINK PAR. SAVE
DISABLE TOTAL # OF START
0 VOLTAGE ADJUST.
15 % OF Vn
SET CURVE 0 FLT
ENABLE RELAY OFF DELAY
0 SEC. SER. LINK CONTROL
DISABLE TOTAL ENERGY
0 KWH CURRENT ADJUST
99% OF FLC
PWR ON & NO STRT
ENABLE ANALOG OUTPUT
RELATIVE CURRENT MODBUS TIME OUT TOTAL R. ENERGY
0 KVARH hh.mm mm.dd.yy
00:00 01/01/00 OFF
INSULATION ALARM
OFF STORE ENABLE
I/O PROG.PARAM. FRONT COM ADDRES
OFF LAST TRIP
NO DATA
INSULATION TRIP
OFF STORE ENABLE
COMM. PARAMETERS TRIP CURRENT
0 % OF FLA
A
pplicable when
Modbus optional
PCB installed
Applicable when
profibus optional
PCB installed
PHASE SEQUENCE
POSITIVE TOTAL # OF TRIPS
0
STORE ENABLE
FAULT PARAMETERS Applicable when
DeviceNet optional
PCB installed
LAST 10 TRIPS
hh.mm mm.dd.yy
.
.
.
.
.
COMM. PROTOCOL
DVICENET COMM. PROTOCOL
PROFIBUS
BAUD RATE
AUTO BAUD RATE
AUTO
PARITY CHECK
AUTO PARITY CHECK
AUTO PREVIOUS TRIP -10
hh.mm mm.dd.yy
DEVICENET ID
SET MANUALLY PROFI.NETWORK ID
OFF
S. LINK PAR. SAVE
DISABLE S. LINK PAR. SAVE
DISABLE
SER. LINK CONTROL
DISABLE SER. LINK CONTROL
DISABLE
MODBUS TIME OUT
OFF MODBUS TIME OUT
OFF
FRONT COM ADDRES
OFF FRONT COM ADDRES
OFF
STORE ENABLE
COMM. PARAMETERS STORE ENABLE
COMM. PARAMETERS
(1) - Refer to section 6.4.1 on page 41 for changing mode from MINIMIZED MODE to MAXIMIZED MODE.
(2) - Refer to section 7.6 on page 49 for entering TEST/MAINTENANCE.
_____________________________________________________________________________________________

55 • Control Keypad
7.8.1 Display Mode – Page 0
I1 I2 I3
0 0 0 % Displays in MINIMIZED MODE and MAXIMIZED MODE
Display Description
I1 I2 I3
0 0 0 % Displays operating current in each of the three phases as a percentage of motor
FLA (Full Load Ampere).
HRVS-DN’s Default Display. After pressing the Mode or Select keys, a time
delay is initiated. Following the delay the LCD returns to this display.
I1 I2 I3
0 0 0 A Displays the current of the motor in Ampere.
VOLTAGE FREQ.
3300V 49.9Hz Displays line voltage and frequency.
Frequency is displayed after start command only.
POWER
0 KW Displays motor power in kW.
REACTIVE POWER
0 KVAR Displays motor reactive power in kVAR.
Displays motor power factor.
POWER FACTOR
0.83
THERMAL CAPACITY
0 % Displays motor’s THERMAL CAPACITY in %.
When THERMAL CAPACITY is 100% motor will trip on OVERLOAD.
Note:
Resetting the STATISTICAL DATA resets the THERMAL CAPACITY register.
MOTOR INSULATION
52.8Mohm Displays the motor winding insulation level (displays only if the optional motor
insulation PCB is installed).
OPTION CARD
Not Installed Displays only if there is no motor insulation or analog optional PCBs installed in
the HRVS-DN.
Note:
This ignores the optional communication PCBs. Even if a communication PCB is
installed this message can display.
Notes:
In this page parameters cannot be programmed.
Browsing the display in Display Mode is possible by pressing the Select key or the T or S keys.
_______________________________________________________________________________________________

56 • Control Keypad
7.8.2 Main & Protect. – Page 1
MAIN & PROTECT.
- **** - Displays in MINIMIZED MODE and MAXIMIZED MODE
Display and Default
Values Range Description
RATED LINE VOLT.
6600 VOLT 2300-15000 Sets HRVS-DN’s rated voltage.
HRVS-DN’s rate voltage should be as shown on its label. Refer
to section 13.2 on page 113.
Note:
Setting RATED LINE VOLTAGE to other than the value on the
label will cause a wrong operation and wrong readings of the
soft starter.
STARTER FLC
150 AMP. 20 – 1800A
Sets HRVS-DN’s FLC (Full Load Current)
HRVS-DN’s FLC should be as shown on its label. Refer to
section 13.2 on page 113.
Note:
Setting FLC to other than the value on the label will cause a
wrong operation and wrong readings of the soft starter.
MOTOR FLA
150 AMP. 30-100% of
STARTER
FLC
Sets motor’s FLA (Full load Ampere)
Should be programmed as shown on the motor’s name plate.
RATED MOTOR PWR 50-40000KW
1000 KW Sets motor rated power as indicated on its name plate.
SERVICE FACTOR
100% 100-130% Sets motor rated service factor as indicated on its name plate.
UNDERCURR. TRIP
0% OF FLA 0%(=OFF)/
20-90% of FLA
Sets UNDER CURRENT TRIP protection.
Sets the time delay for UNDER CURRENT TRIP protection.
Trips the HRVS-DN when the motor current drops below the
level that was set for a time period longer than UNDER
CURRENT DELAY.
Note:
• Operational when the motor is running (the RUN LED is lit).
• Can be set to AUTO RESET. Refer to section 7.8.6 page
72.
UNDERCURR. DELAY
10 SEC. 1-40SEC.
O/C – SHEAR PIN
850% OF FLA 100-850% of
motor’s FLA
setting
Sets OVER CURRENT SHEAR PIN protection.
Sets O/C – SHEAR PIN DELAY time.
Operational when HRVS-DN is energized and has three trip
functions:
At all time - If I > 850% of FLC it trips the HRVS-DN within 1
cycle (overrides the value of the O/C – SHEAR PIN setting).
At starting process - If I > 850% of FLA it trips the HRVS-DN
after O/C DELAY (see here after)
At run time - If I > O/C – SHEAR PIN setting of FLA it trips the
HRVS-DN after O/C DELAY.
Note:
The OVER CURRENT SHEAR PIN protection is not intended
to replace fast acting fuses to protect from short current!
O/C DELAY
0.5 SEC. 0.0 – 5sec.
Note:
When set to
0.0 it is
practically up
to 200msec.
_____________________________________________________________________________________________

57 • Control Keypad
MAIN & PROTECT.
- **** - Displays in MINIMIZED MODE and MAXIMIZED MODE
Display and Default
Values Range Description
OVERLOAD CLASS
IEC CLASS 10
IEC CLASS 5/
IEC CLASS 10/
IEC CLASS 15/
IEC CLASS 20/
IEC CLASS 25/
IEC CLASS 30/
NEMA CLASS 5/
NEMA CLASS 10/
NEMA CLASS 15/
NEMA CLASS 20/
NEMA CLASS 25/
NEMA CLASS 30/
Sets OVERLOAD CLASS characteristics
Sets OVERLOAD PROTECT functionality.
The HRVS-DN allows motor protection according to IEC class
5, 10, 15, 20, 25 or 30
or according to NEMA class 5, 10, 15, 20, 25 or 30.
Tripping curves are shown on section 7.8.2.1 page 59.
The OVERLOAD protection incorporates a THERMAL
CAPACITY register that calculates heating minus dissipation of
the motor.
The HRVS-DN trips when the register fills up. (THERMAL
CAPACITY=100%)
The time constant, in seconds, for cool down after overload trip
is:
Class 5 10 15 20 25 30
IEC 160 320 480 640 510 960
NEMA 140 280 420 560 700 840
The overload protection can be set to protect the motor as set
in the OVERLOAD PROTECT parameter:
ENABLE – motor is protected at all time.
ENABLE WHILE RUN – motor is protected only when in Run.
DISABLE – motor is not overload protected by the soft starter.
Note:
In order to restart after OVERLOAD trip, the thermal register
should be 50% or less.
OVERLOAD PROTECT
ENABLE WHILE RUN DISABLE/
ENABLE
WHILE RUN/
ENABLE
UNBALANCE TRIP
20% OF FLA 10-100%/ OFF Sets UNBALANCE TRIP level.
Sets UNBALANCE TRIP DELAY.
Trips the HRVS-DN when current unbalance increases above
level that was set for a time longer than UNBALANCE DELAY.
Notes:
Becomes operational after the start signal.
UNBALANCE DELAY
5 SEC. 1 –60sec.
GND FAULT TRIP
20% OF FLA 10-100%/OFF
Sets GND FAULT TRIP level.
Sets GND FAULT TRIP DELAY.
Trips the HRVS-DN when ground current increases above level
that was set for a time longer than GND FAULT DLY.
Note:
Becomes operational after the start signal.
GND FAULT DELAY
5 SEC. 1 –60sec.
UNDERVOLT. TRIP
70% OF Vn 50-90% Sets UNDER VOLTAGE TRIP level.
Sets UNDERVOLT TRIP DELAY.
Trips the HRVS-DN when mains voltage drops below the level
that was set for a time longer than UNDERVOLT DELAY.
Notes:
• Becomes operational only after the start signal.
• When voltage drops to zero (voltage outage) the HRVS-DN
will trip immediately, thus overriding the delay.
• Can be set to AUTO RESET. Refer to section 7.8.6 page
72.
UNDERVOLT. DELAY
5 SEC. 1 –10sec.
110-125% Sets OVER VOLTAGE TRIP.
OVERVOLT. TRIP Sets OVERVOLT TRIP DELAY.
120% OF Vn Trips the HRVS-DN when mains voltage increases above the
level that was set for a time longer than OVERVOLT DELAY.
Can not be set lower than the UNDER VOLTAGE setting.
OVERVOLT. DELAY
2 SEC. Note:
Becomes operational only after the start signal.
1 –10sec.
_______________________________________________________________________________________________

58 • Control Keypad
MAIN & PROTECT.
- **** - Displays in MINIMIZED MODE and MAXIMIZED MODE
Display and Default
Values Range Description
Storing modified parameters
STORE ENABLE
MAIN & PROTECT. To store selected parameters scroll through all parameters until
you reach STORE ENABLE MAIN & PROTECT, then press the
Store key.
After you store a parameter successfully the DATA SAVED OK
message will display.
If HRVS-DN fails to store the parameter the LCD
Will display the STORAGE ERROR message (refer to section
8.2.4 on page 81 for more details).
Note:
Pressing the Store key when the STORE ENABLE XXXXX
PARAMETERS message does not appear on the display has
no effect.
_____________________________________________________________________________________________

59 • Control Keypad
7.8.2.1 Tripping Curves of the Integrated Overload Protection
The HRVS-DN allows motor protection according to IEC class 5, 10, 15, 20, 25 or 30 OR according to NEMA
class 5, 10, 15, 20, 25 or 30.
IEC Class OVERLOAD curves
IEC Class 5
1
10
100
1000
10000
012345678
Current [I/FLA]
Time [sec.]
IEC Class 10
1
10
100
1000
10000
012345678
Current [I/FLA]
Time [sec.]
Cold
Cold
Hot
Hot
IEC Class 15
1
10
100
1000
10000
100000
012345678
Current [I/FLA]
Time [sec.]
IEC Class 20
1
10
100
1000
10000
100000
012345678
Current [I/FLA]
Time [sec.]
IEC Class 25
1
10
100
1000
10000
100000
012345678
Current [I/FLA]
Time [sec.]
IEC Class 30
1
10
100
1000
10000
100000
012345678
Current [I/FLA]
Time [sec.]
Cold
Cold
Hot
Hot
Cold Cold
Hot Hot
_______________________________________________________________________________________________

60 • Control Keypad
NEMA Class OVERLOAD curves
NEM A Clas s 5
0.1
1
10
100
1000
10000
012345678
Current [I/FLA]
Time [sec.]
NEMA Class 10
1
10
100
1000
10000
012345678
Current [I/FLA]
Time [sec.]
NEMA Class 15
1
10
100
1000
10000
100000
012345678
Current [I/FLA]
Time [sec.]
NEMA Class 20
1
10
100
1000
10000
100000
012345678
Current [I/FLA]
Time [sec.]
NEMA Class 25
1
10
100
1000
10000
100000
012345678
Current [I/FLA]
Time [sec.]
NEMA Class 30
1
10
100
1000
10000
100000
012345678
Current [I/FLA]
Time [sec.]
Cold
Cold
Hot Hot
Cold Cold
Hot
Hot
Cold
Cold
Hot Hot
_____________________________________________________________________________________________

61 • Control Keypad
7.8.3 Start Parameters – Page 2
START PARAMETERS
- **** - Displays in MINIMIZED MODE and MAXIMIZED MODE
Display and Default
Values Range Description
SOFT START CURVE
1 (STANDARD) 0 (BASIC)/
1 (STANDARD)/
2 !!/
3 !!/
4 !!/
5 (TORQUE)
Sets HRVS-DN’s SOFT START CURVE.
Refer to section 7.8.3.1 on page 66.
START TACHO. GAIN
0(MIN. GAIN) 0 (MIN. GAIN)/
1 !! /
2 !!/
3 !!/
4 !!/
5 !!/
1!! represents the 2nd level TACHO GAIN
2!! represents the 3rd level TACHO GAIN
5!! represents the 6th level TACHO GAIN.
Notes:
(1) This parameter will appear only if the optional PCB is
installed and dip switch # 2 is set to on. Refer to section 6.4.2
on page 42 for dip switch setting details.
(2) Tacho Feedback is operational in its basic form.
Additional curves except for the basic linear curve are
optional.
Consult the factory for the correct tacho selection and
mechanical installation.
_______________________________________________________________________________________________

62 • Control Keypad
START PARAMETERS
- **** - Displays in MINIMIZED MODE and MAXIMIZED MODE
Display and Default
Values Range Description
PULSE LEVEL
70% OF FLA For PULSE
TIME<1SEC. 70-
700% of FLA;
For PULSE
TIME≥1SEC. 70-
400% of FLA;
o
Note:
The range of the
PULSE LEVEL
can be extended
to
70-700% even if
PULSE
TIME≥1SEC. by
using the
EXTENDED
SETTING as
described in
section 6.4.4
page 43.
Sets PULSE LEVEL and PULSE START TIME.
Intended to break free high friction loads requiring high
starting torque for a short time or for pedestal start by holding
the current at a predefined level for predefined time period.
The pulse is defined by its current level and time length
(width).
After this pulse the voltage is ramped down to INITIAL
VOLTAGE setting before ramping up again to full voltage
according to the START PARAMETERS settings.
For PULSE TIME<1SEC. PULSE LEVEL can be set to 70-
700% of FLA;
For PULSE TIME≥1SEC. PULSE LEVEL can be set to 70-
400% of FLA; In EXTENDED SETTING (refer to section 6.4.4
page 43) PULSE LEVEL can be set to 70-700% with the
limitation of: 440x(FLC/FLA).
Notes:
• PULSE START is not effective in SOFT START CURVE 0.
For better control of the current withdrawn from the
network (mainly from generators), the following settings
applies (applies from software versions newer than
MVSTMB.GN-010509):
PULSE TIME T slope
[seconds]
≤ 1 Approx. 0.1 second.
> 1
x.0, x.5 (1) Very short
x.1, x.6 (2) short
x.2, x.7 (3) Medium length
x.3, x.8 (4) long
x.4, x.9 (5) Very long
(1) x.0, x.5 applies to PULSE TIME: 1.5, 2.0, 2.5, 3.0, 3.5, 4.0,
4.5, 5.0, 5.5, 6.0, 6.5, 7.0, 7.5, 8.0, 8.5, 9.0, 9.5, 10.0 seconds
(2) x.1, x.6 applies to PULSE TIME: 1.1, 1.6, 2.1, 2.6, 3.1, 3.6,
4.1, 4.6, 5.1, 5.6, 6.1, 6.6, 7.1, 7.6, 8.1, 8.6, 9.1, 9.6 seconds
(3) x.2, x.7 applies to PULSE TIME: 1.2, 1.7, 2.2, 2.7, 3.2, 3.7,
4.2, 4.7, 5.2, 5.7, 6.2, 6.7, 7.2, 7.7, 8.2, 8.7, 9.2, 9.7 seconds
(4) x.3, x.8 applies to PULSE TIME: 1.3, 1.8, 2.3, 2.8, 3.3, 3.8,
4.3, 4.8, 5.3, 5.8, 6.3, 6.8, 7.3, 7.8, 8.3, 8.8, 9.3, 9.8 seconds
(5) x.4, x.9 applies to PULSE TIME: 1.4, 1.9, 2.4, 2.9, 3.4, 3.9,
4.4, 4.9, 5.4, 5.9, 6.4, 6.9, 7.4, 7.9, 8.4, 8.9, 9.4, 9.9 seconds
PULSE TIME
0.0 SEC. 0-10SEC
_____________________________________________________________________________________________

63 • Control Keypad
START PARAMETERS
- **** - Displays in MINIMIZED MODE and MAXIMIZED MODE
Display and Default
Values Range Description
INITIAL VOLTAGE
30 %
INITIAL CURRENT
100 %
10-50%
After reaching
50% the display
changes to:
INITIAL
CURRENT
100-400%.
Note:
The range of the
INITIAL
VOLTAGE can
be extended to
5-80% by using
the EXTENDED
SETTING as
described in
section 6.4.4
page 43.
Sets motor’s INITIAL STARTING VOLTAGE.
The motor’s torque is directly proportional to the square of the
voltage.
This adjustment also determines the inrush current and
mechanical shock. A setting that is too high may cause high
initial mechanical shock and high inrush current. This can
occur even if CURRENT LIMIT is set low because the INITIAL
VOLTAGE setting overrides the CURRENT LIMIT setting.
A setting that is too low may result in prolonged time until the
motor starts to turn. In general, this setting should ensure that
the motor starts turning immediately after start signal.
Note:
When INITIAL VOLTAGE is set its maximum value, this
displays changes to INITIAL CURRENT.
When INITIAL CURRENT is set the HRVS-DN causes current
ramp instead of voltage ramp.
CURRENT LIMIT
400% OF FLA 100-400%.
Note:
The range of the
CURRENT
LIMIT can be
extended to
100-700% by
using the
EXTENDED
SETTING as
described in
section 6.4.4
page 43.
Sets motor’s CURRENT LIMIT during starting.
A setting that is too high will increase the current drawn from
mains and faster acceleration.
A setting that is too low may prevent the motor from
completing acceleration process and reaching full speed. In
general, this setting should be set to a value that is high
enough to prevent stalling.
Note:
CURRENT LIMIT does not operate during RUN and SOFT
STOP.
_______________________________________________________________________________________________

64 • Control Keypad
START PARAMETERS
- **** - Displays in MINIMIZED MODE and MAXIMIZED MODE
Display and Default
Values Range Description
ACC. TIME
10 SEC. 1-30sec.
Note:
The range of the
ACC. TIME can
be extended to
1-90 sec. by
using the
EXTENDED
SETTING as
described in
section 6.4.4
page 43.
Sets ACCELERATION TIME of the motor.
Determines the motor’s voltage ramp-up time, from initial to
full voltage.
It is recommended to set ACCELERATION TIME to the
minimum acceptable value (approx. 5 sec).
Notes:
• Since CURRENT LIMIT overrides ACC. TIME, when
CURRENT LIMIT is set low, the starting time will be longer
than the ACC. TIME setting.
• When the motor reaches full speed before voltage reaches
nominal, ACC. TIME setting is overridden, causing voltage
to quickly ramp-up to nominal.
• Using starting curves 2, 3, 4 prevents quick ramp up.
MAX. START TIME
30 SEC. 1-30sec.
Note:
The range of the
MAX. START
TIME can be
extended to
1-250 sec. by
using the
EXTENDED
SETTING as
described in
section 6.4.4
page 43.
Sets MAXIMUM START TIME.
The maximum allowable start time, from the start signal to the
end of the acceleration process. If voltage/speed does not
reach nominal during MAX. START TIME then HRVS-DN will
trip the motor and create a fault. The LCD will display the
LONG START TIME fault message.
For example, this can occur when the CURRENT LIMIT
setting is too low.
NUMBER OF STARTS
1 1-10/ OFF Sets NUMBER OF STARTS permitted during STARTS
PERIOD.
Limits the number of starts during the period of time defined
by STARTS PERIOD.
If you try to start even one more time within that period the
START INHIBIT period will take effect.
1–60min. Sets STARTS PERIOD during which NUMBER OF STARTS
is being counted.
STARTS PERIOD
20 MIN.
START INHIBIT
15 MIN 1–60min. Sets START INHIBIT time which starting is disabled after TOO
MANY STARTS trip.
During the START INHIBIT period the WAIT BEFORE RST
XX MIN message will be displayed.
_____________________________________________________________________________________________

65 • Control Keypad
START PARAMETERS
- **** - Displays in MINIMIZED MODE and MAXIMIZED MODE
Display and Default
Values Range Description
Sets time delay for End of Acceleration relay to close after
completion of starting process.
0-120sec.
RUN CONTACT DLY After reaching
120 seconds,
keep pressing for
10 seconds the
S key and only
if optional Relay
PCB is installed
the display
changes to:
5 SEC. End of Acceleration relay can signal that motor is at its RUN
position which can be used for motor loading.
For information on TURN BYPAS ON AT and MIN TIME TO
BYPS refer to section 7.8.3.2 on page 67.
TURN BYPAS ON AT
120 % OF FLA
TURN BYPASS
ON AT
120-300%.
3-60sec.
MIN TIME TO BYPS
3 SEC.
Same as STORE ENABLE MAIN & PROTECT page 58.
STORE ENABLE
START PARAMETERS
_______________________________________________________________________________________________

66 • Control Keypad
7.8.3.1 Soft Start Parameters
The HRVS-DN incorporates five starting curves to enable you to select a suitable torque curve.
SOFT START CURVE 1 – Standard curve (Default). This curve is the most suitable curve for preventing
prolonged starting and motor overheating.
SOFT START CURVE 2-4 - Pump Control - Induction motors produce peak torque of up to 3 times the rated
torque towards the end of starting process. In some pump applications, this peak may cause pressure surge in
the pipes.
SOFT START CURVE 2, 3, 4 – During acceleration, before reaching peak torque, the Pump Control Program
automatically controls the voltage ramp-up, thus, reducing peak torque.
Choice of four pump control acceleration curves: 1!, 2!, 3!, 4!
SOFT START CURVE 5 (TORQUE) – Torque Controlled acceleration - This provides a smooth time-
controlled torque ramp for the motor and the pump.
Note:
Always start with SOFT START CURVE 1. If towards the end of acceleration peak torque is too high (pressure
is too high) proceed to Curve 2, 3, 4 or 5 in that order.
SOFT START CURVE 0 – Basic curve. This curve uses less feedback signals. Use this curve if other curves
do not give good results.
WARNING! When operating in SOFT START CURVE 0 motor must be loaded, otherwise,
vibration may occur towards the end of the soft start process.
_____________________________________________________________________________________________

67 • Control Keypad
7.8.3.2 Special Control for Synchronous Motors Excitation
In normal cases of synchronous motor starting, the HRVS-DN signals to motor’s excitation system to start via
the Up to Speed relay installed on the optional Relay PCB (via terminals 33, 34 & 35 I refer to Figure 13 –
Control Module Input/Output page 30).
The signal is initiated when:
• The HRVS-DN is in Run
• The Bypass is closed (End on Acceleration contact is closed) and 1 second time delay was elapsed.
• Motor current is below 120% of FLA.
The parameters TURN BYPAS ON AT and MIN TIME TO BYPS are used for special cases where the sub-
synchronous current (at sub-synchronous speed) exceeds 120% of FLA.
These parameters are active only under the following conditions:
• Optional Relay PCB is installed
• When setting the RUN CONTACT DLY parameter, after reaching 120 seconds (maximum value) and
operator keeps pressing for additional 16 seconds the S key.
The parameter TURN BYPAS ON AT determines motor current below which the soft starter goes into Run
condition and closes the End Of Acceleration relay.
The parameter MIN TIME TO BYPS must be set above the total acceleration time to sub-synchronous speed
assuring that Run condition can not be reached before the set time after the beginning of the starting process.
(sub-synchronous current can be observed when current ceases to decrease at the end of the acceleration)
This special feature is for synchronous motor starting applications where the motor current at asynchronous
speed may be at higher level than regular asynchronous motor starting conditions.
In this case the level of current at which the Run condition is being achieved can be programmed.
_______________________________________________________________________________________________

68 • Control Keypad
7.8.4 Stop Parameters – Page 3
STOP PARAMETERS
- **** - Displays in MINIMIZED MODE and MAXIMIZED MODE
(refer to section 6.4.1 page 41 for changing mode)
Display and Default
Values Range Description
SOFT STOP CURVE
1 (STANDARD) 0 (BASIC)/
1
(STANDARD)/
2 !!/
3 !!/
4 !!/
5 (TORQUE)/
Sets SOFT STOP CURVE.
Refer to section 7.8.4.1 on page 69.
STOP TACHO. GAIN
0(MIN. GAIN) 0 (MIN. GAIN)/
1 !!/
2 !!/
3 !!/
4 !!/
5 !!/
1!! represents the 2nd level TACHO GAIN
2!! represents the 3rd level TACHO GAIN…..
5!! represents the 6th level TACHO GAIN.
Notes:
(1) This parameter will appear only if the optional PCB is
installed and dip switch # 2 is set to on. Refer to section 6.4.2 on
page 42 for dip switch setting details.
(2) Tacho Feedback is operational in its basic form. Additional
curves except for the basic linear curve are optional.
(3) Consult the factory for the correct tacho selection and
mechanical installation.
DEC. TIME
0 SEC. 0–30sec.
Note:
The range of
the DEC.
TIME can be
extended to
0-90 sec. by
using the
EXTENDED
SETTING as
described in
section 6.4.4
page 43.
Sets DECELERATION TIME of the motor.
Used for controlled deceleration of high friction loads.
Determines the motor’s voltage ramp down time.
Note:
The HRVS-DN operates with a Bypass Contactor. The Bypass
Contactor is controlled by the HRVS-DN’s End of Acceleration
relay. Upon soft stop initiation the End of Acceleration relay is
de-energized, the load is transferred to the HRVS-DN, and
voltage begins ramping down.
0 (MIN.) – 10
(MAX.) Sets FINAL TORQUE during soft stop.
FINAL TORQUE Determines torque towards the end of a soft stop.
0 (MIN.) If the current still flows after speed is softly reduced to zero, you
should increase the FINAL TORQUE setting.
_____________________________________________________________________________________________

69 • Control Keypad
STOP PARAMETERS
- **** - Displays in MINIMIZED MODE and MAXIMIZED MODE
(refer to section 6.4.1 page 41 for changing mode)
Display and Default
Values Range Description
OFF, 10 –
3600 Sec. Sets an Off delay timer that prevents the HRVS-DN to start
before the COAST DOWN DELAY time has elapsed.
COAST DOWN DELAY
OFF
When COAST DOWN DELAY is set to OFF:
• If start command is initiated momentarily (via push button,
for example, to terminal 6 of the control module) before 3
seconds after stop are elapsed, it is ignored.
• If start command is initiated and maintained (via closing a
switch, for example, to terminal 6 of the control module), start
occurs after 3 seconds (from stop) are elapsed.
When COAST DOWN DELAY is set to a value (10-3600
seconds):
• If start command is initiated momentarily (via push button,
for example, to terminal 6 of the control module ) before 3
seconds after stop are elapsed, it is ignored (same as if COAST
DOWN DELAY is set to OFF).
• If start command is initiated and maintained or if pressed
after 3 seconds and before the set time of COAST DOWN
DELAY, the HRVSDN trips (same as for TOO MANY STARTS),
displaying a fault message COAST DOWN TIME.
Reset is possible immediately.
Same as STORE ENABLE MAIN & PROTECT page 58.
STORE ENABLE
STOP PARAMETERS
7.8.4.1 Soft Stop Parameters
SOFT STOP initiation opens the End of Acceleration contact and opens the Bypass Contactor. Load will be
transferred to the HRVS-DN thyristors and voltage begins to ramp down.
The HRVS-DN incorporates 5 stopping curves that enable you to select the suitable torque curve:
SOFT STOP CURVE 1 – Standard Curve (Default) – voltage is linearly reduced from nominal to zero.
The most stable and suitable curve for preventing prolonged stopping and motor overheating.
SOFT STOP CURVE 2, 3, 4 Pump Control – In some pump applications, when pumping to higher elevation a
considerable part of the torque is constant and does not decrease with speed.
It may happen that during the deceleration process when voltage decreases the motor torque abruptly falls
below load torque (instead of smoothly decreasing speed to zero), thus closing the valve and causing water
hammer.
Curves 2, 3 and 4 eliminate the water hammer phenomenon. In pump applications the load torque decreases
in square relation to the speed, thus correcting control of voltage to reduce torque adequately and to smooth
deceleration to a stop.
Note:
It is recommended that SOFT STOP CURVE 1 be used for all standard applications (not pumps).
To reduce water hammer, select SOFT STOP CURVE 2, then 3, then 4 in that order.
_______________________________________________________________________________________________

70 • Control Keypad
SOST STOP CURVE 5 - Torque Curve - Provides linear deceleration of the torque. In certain loads, linear
torque deceleration can result in close to linear speed deceleration, thus eliminating stall conditions.
Note:
Always use SOFT STOP CURVE 1. If the motor stalls quickly instead of slowly decreasing its speed, select
SOFT STOP CURVE 2, 3, 4 or 5 in that order until the problem is solved.
SOFT STOP CURVE 0 – Basic curve. This curve uses less feedback signals. Use this curve if other curves do
not give good results.
WARNING! When operating in SOFT STOP CURVE 0 motor must be loaded, otherwise,
vibration may occur during the beginning of the soft stop process.
_____________________________________________________________________________________________

71 • Control Keypad
7.8.5 Dual Adjustment Parameters – Page 4
DUAL ADJUSTMENT
PARAMETERS Displays in MAXIMIZED MODE only
(refer to section 6.4.1 page 41 for changing mode)
Display and Default
Values Range Description
DA: INIT. VOLT.
30% 10-50%
After reaching 50% the
display changes to:
DA: INITIAL CURRENT
100-400%.
Note:
The range of the DA:
INITIAL VOLTAGE can be
extended to
10-80% by using the
EXTENDED SETTING as
described in section 6.4.4
page 43.
Sets motor’s INITIAL STARTING VOLTAGE in DA
mode. (Motor’s torque is directly proportional to the
square of the voltage)
Refer to section 7.8.3 on page 61 parameter:
INITIAL VOLTAGE
DA: INIT. CURRENT
100%
DA: CUR. LIMIT 100-400%.
Note:
The range of the DA:
CURRENT LIMIT can be
extended to
100-700% by using the
EXTENDED SETTING as
described in section 6.4.4
page 43.
Sets motor’s highest current during starting in DA
mode.
400% OF FLA Refer to section 7.8.3 on page 61 parameter:
CURRENT LIMIT.
DA: ACC. TIME
10 SEC. 1-30sec.
Note:
The range of the DA: ACC.
TIME can be extended to
1-90 sec. by using the
EXTENDED SETTING as
described in section 6.4.4
page 43.
Sets ACCELERATION TIME of the motor in DA
mode.
Refer to section 7.8.3 on page 61 parameter: ACC.
TIME.
DA: DEC. TIME
0 SEC. 0–30sec.
Note:
The range of the DA: DEC.
TIME can be extended to
Sets DECELERATION TIME of the motor in DA
mode.
Refer to section 7.8.4 on page 68 parameter: DEC.
TIME.
0-90 sec. by using the
EXTENDED SETTING as
described in section 6.4.4
page 43.
DA: MOTOR FLA
150 AMP. 33-100% of STARTER FLC Sets motor’s FLA (Full load Ampere) in DA mode.
Refer to section 7.8.2 on page 54 parameter:
MOTOR FLA.
STORE ENABLE
D. ADJ PARAMETERS Same as STORE ENABLE MAIN & PROTECT page
58.
_______________________________________________________________________________________________

72 • Control Keypad
7.8.6 Fault Parameters – Page 5
FAULT PARAMETERS Displays in MAXIMIZED MODE only
- **** - (refer to section 6.4.1 page 41 for changing mode)
Display and Default
Values Range Description
NO/YES
Sets UNDERVOLTAGE and PHASE LOSS AUTO RESET.
If UV & PL AUTO RST is set to NO then HRVS-DN will not
automatically reset after an UNDER VOLTAGE or PHASE LOSS
faults occur.
If you set the UV & PL AUTO RST setting to YES then HRVS-DN
will automatically reset.
Notes:
• Reset is performed only after the start signal is removed. To
restart the motor recommence the start command.
UV & PL AUTO RST
NO
• Refer to section 7.8.2 on page 56 for details on setting of
UNDERVOLT. TRIP.
UNDER CUR. RESET
OFF 10–120
MIN./ OFF. Sets UNDER CURRENT RESET time delay.
If the UNDER CUR. RESET setting is OFF then HRVS-DN will not
automatically reset after an UNDER CURRENT TRIP fault occurs.
If you set the UNDER CUR. RESET setting to a time value then
HRVS-DN will automatically reset with a delay (the time defined for
UNDER CUR. RESET).
If the start command is not removed, motor will restart
automatically after the delay time.
During the delay time a message U/C TRIP.RST IN: XX MIN. is
displayed.
Notes:
• If the start command is not removed, motor will restart
automatically after the delay time!!
• Refer to section 7.8.2 on page 56 for details on setting of
UNDER CURRENT TRIP.
BYPASS OPEN TRIP
ENABLE ENABLE/
DISABLE Sets BYPASS OPEN TRIP protection.
Becomes operational when the Bypass Contactor does not close
after EOA contact command the pilot ( interposing) relay to close.
Set to ENABLE when motor current is running through the internal
CTs.
Set to DISABLE when motor current is not running through the
internal CTs.
TRIP AFTER BYPAS
ENABLE ENABLE/
DISABLE Sets TRIP AFTER BYPASS trip.
TRIP AFTER BYPASS can be set to DISABLE if motor is protected
by an additional relay usually upstream to the soft starter.
If during operation a fault occurs, Fault LED will flash and soft
starter will display the fault but will not trip the motor until the soft
starter is stopped.
BY-PASS AUTO RST
NO YES/ NO Sets BY-PASS AUTO RST reset.
When TRIP AFTER BYPASS is DISABLE and if during operation a
fault occurs, Fault LED will flash and soft starter will display the
fault but will not trip the motor until the soft starter is stopped. In this
case the soft starter will go to Trip position.
If BY-PASS AUTO RESET is set to YES, the soft starter will be
automatically reset the fault.
Note: Reset is performed only after the start signal is removed. To
restart the motor recommence the start command.
_____________________________________________________________________________________________

73 • Control Keypad
FAULT PARAMETERS Displays in MAXIMIZED MODE only
- **** - (refer to section 6.4.1 page 41 for changing mode)
Display and Default
Values Range Description
SET CURVE 0 FLT
ENABLE ENABLE/
DISABLE SET CURVE TO 0 message may occur seldom during starting with
special conditions of mains and load. Change start (and stop, if
used) curve to SOFT START CURVE 0 and SOFT STOP CURVE
0.
Set SET CURVE 0 FLT to DISABLE, only if SET CURVE TO 0 FLT
fault occurs during starting and if SOFT START CURVE 0 is not
good enough for the application.
When set to DISABLE verify that motor starts normally in the
selected curve.
PWR ON & NO STRT
ENABLE ENABLE/
DISABLE Sets POWER ON & NO STRT trip
POWER ON & NO START is operational upon mains voltage
connection. It trips the HRVS-DN when mains voltage is connected
to the HRVS-DN for more than 30 seconds without a start signal.
Set to DISABLE only in special occurrences. (Consult factory!)
OFF/ 0.2–
20Mohm Sets INSULATION ALARM level.
INSULATION ALARM Activates INSULATION ALARM trip.
OFF Applicable only if optional insulation PCB and resistor unit are
installed and connected.
Insulation testing is enabled only when motor is not running and
after 60 seconds in the Stop state.
While motor is running the value of the insulation resistance shown
in the display is the last measured value prior to starting of the
motor. While testing, if the insulation level drops below Alarm level -
a message: MOTOR INSULATION ALARM will display and the
insulation alarm relay will be energized. The Fault LED on the
control keypad of the HRVS-DN will blink.
INSULATION TRIP
OFF OFF/ 0.2–
20Mohm
PHASE SEQUENCE
If insulation level will return to normal for more than 60 seconds the
alarm will automatically reset.
While testing, if the insulation level drops below Fault level - a
message: INSULATION TRIP will display and the fault relay of the
HRVS-DN will go to the fault position (as programmed in the I/O
PROGRAMMING PARAMETERS).
The Fault LED on the front of the HRVS-DN will light. In this status
motor can not be started.
If insulation level will return to normal the HRVS-DN will not
automatically reset.
POSITIVE/
NEGATIVE/
IGNORE
Sets PHASE SEQUENCE protection of the soft starter.
Allows to start the motor in POSITIVE sequence of the mains OR in
the NEGATIVE sequence of the mains or, when set to IGNORE, in
both sequences.
POSITIVE
STORE ENABLE
FAULT PARAMETERS Same as STORE ENABLE MAIN & PROTECT page 58.
_______________________________________________________________________________________________

74 • Control Keypad
7.8.7 I/O Programming Parameters – Page 6
I/O PROGRAMMING
PARAMETERS Displays in MAXIMIZED MODE only
(refer to section 6.4.1 page 41 for changing mode)
Display and Default
Values Range Description
PROG. INPUT # 7
RESET
RESET/
TEST/ MULTI SOFT
STOP (optional)
Sets terminal 7 function
Refer to section 7.8.7.1 on page 75.
PROG. INPUT # 8
DUAL ADJUSTMENT
DUAL ADJUSTMENT/
RESET Sets terminal 8 function
Refer to section 7.8.7.1 on page 75.
FAULT RELAY TYPE
FAULT FAULT/
FAULT – FAIL SAFE Sets FAULT RELAY mode of operation.
When configured to FAULT the internal relay is
energized upon fault.
When configured to FAULT FAIL SAFE the relay is
de-energized upon fault. In this mode, while normal
operation, the contacts are open.
Relay will also de-energize upon control power
outage.
IMM. RELAY TYPE
IMMEDIATE IMMEDIATE/
# STRTS PREALARM Sets IMM/ # STRT PREAL mode of operation.
When configured to IMMEDIATE the relay is energizes
at the start signal after the programmed RELAY ON
DELAY time has elapsed. It de-energizes at the end of
the deceleration time (if any) after the programmed
RELAY OFF DELAY time has elapsed.
When configured to # STRTS PREALARM the relay is
energized if a start command will cause the soft
starter to trip on TOO MANY STARTS.
RELAY ON DELAY
0 SEC. 0 – 3600SEC. Sets IMM/ # STRT PREAL on delay time.
Sets IMM/ # STRT PREAL off delay time
RELAY OFF DELAY
0 SEC. 0 – 3600SEC.
ANALOG OUTPUT
RELATIVE CURRENT RELATIVE
CURRENT/
RELATIVE POWER
When set to RELATIVE CURRENT the full scale of the
optional analog PCB output is related to 200% of FLA
(2x< Motor rated current>).
Or, when set to RELATIVE POWER the full scale of
the analog PCB output is related to 200% of motor
power (2x< Motor rated power>).
Motor rated power is set in the MAIN & PROTECT
parameter. Refer to section 7.8.2 page 56.
Same as STORE ENABLE MAIN & PROTECT page
58.
STORE ENABLE
I/O PROG. PARAM.
_____________________________________________________________________________________________

75 • Control Keypad
7.8.7.1 Terminal 7 and 8 Programming
Input Terminal 7
Programmed Function Description
RESET (default setting) Input terminal 7 is used as RESET to reset all HRVS-DN faults.
The RESET command will take effect only if the start command is removed
(except for UNDER CURRENT fault)
TEST While input terminal 7 is on firing test can be done.
Refer to section 14.3 on page 122 for firing test procedure.
MULTI SOFT STOP
(Optional – only if optional
software is installed)
While input terminal 7 is on, the soft starter will go to Run even if current is not
running through the soft starter. This will enable Multi Soft Stop operation with the
HRVS-DN.
Input Terminal 8
Programmed Function Description
DUAL ADJUSTMENT
(default setting) Input terminal 8 is used to start and stop from the DUAL ADJUSTMENT
PARAMETERS page. Refer to section 7.8.5 on page 71 for programming. Refer
to section 5.9 on page 35 for wiring.
RESET Input terminal 8 is used as RESET to reset all HRVS-DN faults.
The RESET command will take effect only if the start command is removed
(except for UNDER CURRENT fault)
_______________________________________________________________________________________________

76 • Control Keypad
7.8.8 Comm. Parameters – Page 7 – With the Optional Modbus PCB
COMM.PARAMETERS
- **** - Displays in MAXIMIZED MODE only
(refer to section 6.4.1 page 41 for changing mode)
Display and Default
Values Range Description
COMM. PROTOCOL
MODBUS MODBUS/
POFIBUS/
DEVICENET
Sets HRVS-DN’s communication PROTOCOL.
Operational when the optional communication PCB is installed.
BAUD RATE
9600 (MODBUS) 1200, 2400,
4800, 9600 Sets HRVS-DN’s BAUD RATE.
PARITY CHECK
EVEN EVEN, ODD,
NO Sets HRVS-DN’s communication PARITY CHECK.
SERIAL LINK NO.
OFF OFF,1 – 247 Sets HRVS-DN’s communication SERIAL LINK NO.
S. LINK PAR. SAVE
DISABLE ENABLE/
DISABLE Enables parameters modification via serial communication
SER. LINK CONTROL
DISABLE ENABLE/
DISABLE Enables start, stop, reset etc… via serial communication
MODBUS TIME OUT
OFF 0.1-60 SEC.,
OFF Sets MODBUS TIME OUT. If no valid Modbus communication
during MODBUS TIME OUT, the HRVS-DN will trip.
Trip occurs only if the following conditions exist:
• SER. LINK CONTROL is set to ENABLE
• SERIAL LINK NO. is not set to OFF
If MODBUS TIME OUT is set to OFF protection is disabled.
FRONT COM ADDRES
OFF OFF,1 – 247 Future enhancement
STORE ENABLE
COMM. PARAMETERS
Notes:
(1) Same as STORE ENABLE MAIN & PROTECT page 58.
(2) After changing communication parameters and storing them, control power
must be switched off and on to load new communication parameters.
7.8.9 Comm. Parameters – Page 7 – With the Optional Profibus PCB
COMM.PARAMETERS
- **** - Displays in MAXIMIZED MODE only
(refer to section 6.4.1 page 41 for changing mode)
Display and Default
Values Range Description
COMM. PROTOCOL
PROFIBUS MODBUS/
POFIBUS/
DEVICENET
Sets HRVS-DN’s communication protocol.
Operational when the optional communication PCB is installed.
BAUD RATE
AUTO
User can not change BAUD RATE value.
Max. rate is 12 mega bit per second (MBPS).
PARITY CHAECK
AUTO Do not change this parameter! Must be set to AUTO.
OFF, 1-126 Sets the Profibus network ID.
PROFI.NETWORK ID When set to OFF the Profibus PCB will not function.
126 Note:
When ID=126 monitoring and parameter setting is enabled.
Control is disabled when ID=126. In order to be able to control
the HRVS-DN ID must be set to 1-125.
_____________________________________________________________________________________________

77 • Control Keypad
COMM.PARAMETERS
- **** - Displays in MAXIMIZED MODE only
(refer to section 6.4.1 page 41 for changing mode)
Display and Default
Values Range Description
ENABLE/
DISABLE Enables parameter modification via serial communication
S. LINK PAR. SAVE
DISABLE
SER. LINK CONTROL
DISABLE ENABLE/
DISABLE Enables start, stop, reset etc… via serial communication.
Note:
When ID=126 control is disabled. In order to be able to control
the HRVS-DN ID must be set to 1-125.
MODBUS TIME OUT
OFF Do not change this parameter! Must be set to OFF.
FRONT COM ADDRES
OFF OFF,1 – 247 Future enhancement
STORE ENABLE Notes:
(1) Same as STORE ENABLE MAIN & PROTECT page 58.
(2) After changing communication parameters and storing them, control power
must be switched off and on to load new communication parameters.
COMM. PARAMETERS
7.8.10 Comm. Parameters – Page 7 – With the Optional DeviceNet PCB
COMM.PARAMETERS
- **** - Displays in MAXIMIZED MODE only
(refer to section 6.4.1 page 41 for changing mode)
Display and Default
Values Range Description
COMM. PROTOCOL
DEVICENET MODBUS/
POFIBUS/
DEVICENET
Sets HRVS-DN’s communication protocol.
Operational when the optional communication PCB is installed.
BAUD RATE User can not change BAUD RATE value.
AUTO
PARITY CHAECK
AUTO Do not change this parameter! Must be set to AUTO.
DEVICENET ID
SET MANUALLY
SET
MANUALLY,
1-63
Sets the DeviceNet network ID.
When set to SET MANUALLY the ID is determined by the
encoders mounted on the DeviceNet optional PCB installed in
the control module.
S. LINK PAR. SAVE
DISABLE ENABLE/
DISABLE Enables parameter modification via serial communication
SER. LINK CONTROL
DISABLE ENABLE/
DISABLE Enables start, stop, reset etc… via serial communication
MODBUS TIME OUT
OFF Do not change this parameter! Must be set to OFF.
FRONT COM ADDRES
OFF OFF,1 – 247 Future enhancement
Notes:
(1) Same as STORE ENABLE MAIN & PROTECT page 58.
(2) After changing communication parameters and storing them, control power
must be switched off and on to load new communication parameters.
STORE ENABLE
COMM. PARAMETERS
_______________________________________________________________________________________________

78 • Control Keypad
7.8.11 Statistical Data – page 8
STATISTICAL DATA
- **** - Displays in MINIMIZED MODE and MAXIMIZED MODE
Display and Default
Values Range Description
Displays time since last start in minutes.
T SINCE LST STRT
NO DATA
Displays last starting time in seconds.
Starting time is the duration until motor current drops to
nominal.
LAST STRT PERIOD
NO DATA
Displays last starting maximum starting current.
LAST START MAX I
NO DATA
Displays the motor’s total run time.
TOTAL RUN TIME
0 HOURS
Displays the total number of starts.
TOTAL # OF START
0
TOTAL ENERGY
0 KWH Displays motor kWH consumption.
Displays motor kVARH consumption.
TOTAL R. ENERGY
0 KVARH
Displays the cause of the motor’s last trip.
LAST TRIP
NO DATA
Displays motor current when the motor was tripped by the
HRVS-DN.
TRIP CURRENT
0 % OF FLA
Displays the total number of trips.
TOTAL # OF TRIPS
0
Displays motor trip history.
LAST 10 TRIPS:
hh.mm mm.dd.yy
PREVIOUS TRIP -1
hh.mm mm.dd.yy
PREVIOUS TRIP -2
hh.mm mm.dd.yy
.
.
.
.
NO DATA
NO DATA
_____________________________________________________________________________________________

79 • Motor and Soft Starter Protection
8. MOTOR AND SOFT STARTER PROTECTION
Protection functions are distinguished between adjustable protection functions and non-adjustable protection
functions.
Upon fault – motor stops, Fault LED lights and Fault Relay chances position.
The LCD shows TRIP: < fault description>. (for example: TRIP: UNDER CURRENT).
WARNING! Upon any fault read carefully the COMMISSIONING AND OPERATION
chapters in this manual before you try to identify the cause.
8.1 Adjustable Protection Functions
8.1.1 UNDER CURRENT
Trips the HRVS-DN when line current drops below the preset level for the preset time.
Check UNDERCURR. TRIP and UNDERCURR. DELAY settings; check line currents through L1, L2, L3.
For protection parameter settings refer to section 7.8.2 page 56.
8.1.2 O/C –SHEAR PIN
Trips the HRVS-DN when:
• Instantaneously when current exceeds 850% of HRVS-DN FLC
• While starting when current exceeds 850% of Motor FLA
• While running when current exceeds 100-850% of Motor FLA with a programmable delay of 0-5 seconds.
Delay is overridden when current reaches 850% of HRVS-DN FLC.
Check that the motor is not stalled or jammed.
Check FLA, FLC settings.
Check motor and cable connections.
Perform a “Megger” test to check the condition of the motor and cables.
For protection parameter settings refer to section 7.8.2 page 56.
8.1.3 OVERLOAD
Trips the HRVS-DN when current exceeds the OVERLOAD TRIP level and the thermal register has filled up.
Check FLA, FLC and overload settings and check motor current, then wait at least 15 minutes to let the motor
and HRVS-DN cool down before restarting.
You may want to check motor THERMAL CAPACITY as displayed in the data page refer to section 7.8.1
page 55.
For protection parameter settings refer to section 7.8.2 page 56.
8.1.4 UNBALANCE CURRENT
Current Unbalance is the difference between the maximum and minimum values of the motor’s three line
currents divided by the motor’s maximum current or motor FLA, whichever is greater. A fault occurs when the
actual Unbalance is greater than the setpoint for a delay that exceeds the UNBALANCE DELAY.
For protection parameter settings refer to section 7.8.2 page 56.
8.1.5 GROUND FAULT
Trips the motor when Ground Current exceeds the preset GND FAULT TRIP for more than
GND FAULT DLY.
Check motor and cable connections.
Perform a “Megger” test to verify motor and cables condition.
For protection parameter settings refer to section 7.8.2 page 56.
_______________________________________________________________________________________________

80 • Motor and Soft Starter Protection
8.1.6 UNDER/NO VOLTAGE
Trips the HRVS-DN when line voltage drops below the preset level for the preset time.
When voltage drops to zero, the HRVS-DN trips immediately with no delay.
Check UNDERVOLT. TRIP and UNDERVOLT. DELAY settings, check line voltages on L1, L2, L3.
For protection parameter settings refer to section 7.8.2 page 56.
8.1.7 OVER VOLTAGE
Trips the HRVS-DN when line voltage increases above the preset level for the preset time.
Check OVERVOLT. TRIP and OVERVOLT. DELAY settings, check line voltages on L1, L2, L3.
For protection parameter settings refer to section 7.8.2 page 56.
8.1.8 LONG START TIME
Trips the HRVS-DN if output voltage does not reach nominal at the preset MAX. START TIME.
Check FLA, FLC and MAX. START TIME settings. Increase INITIAL VOLTAGE, CURRENT LIMIT & MAX.
START TIME or decrease ACC. TIME as necessary.
For parameter settings refer to section 7.8.3 page 61.
8.1.9 OPEN BYPASS
Operates when the Bypass Contactor does not close after the EOA contact of the HRVS-DN closes.
Note: This protection can be disabled by setting BY PASS OPEN TRIP to DISABLE when the Bypass is
connected in a separate cabinet, in a configuration where the starter CTs do not measure motor current while
the Bypass Contactor is closed.
For parameter settings refer to section 7.8.6 page 72.
8.1.10 SET CURVE TO 0
Trip occurs if the Soft Starter starts with a non-adequate starting curve to the network.
Change start and stop parameter to SOFT START CURVE 0 and try again.
For parameter settings refer to section 7.8.3 page 61.
8.1.11 PWR ON & NO STRT
Operates upon main voltage connection and activated while mains voltage is connected to the HRVS-DN for
more than 30 seconds without a start signal.
Note: This protection can be disabled by setting PWR ON & NO STRT to DISABLE. Do not set to DISABLE
before you consult the factory!
Reset the fault, and initiate the start command within less than 30 seconds after mains voltage is applied to
L1, L2 and L3.
8.1.12 MOTOR INSULATION
(Optional) Trips the HRVS-DN when the motor insulation level decreases below the trip level set.
Check motor and cable insulation level.
For INSULATION ALARM/TRIP protection settings refer to section 7.8.6 page 72.
8.1.13 PHASE SEQUENCE
Trips the HRVS-DN if line phase sequence is wrong.
The HRVS-DN can be operated in any phase sequence as set in the PHASE SEQUENCE protection of the
soft starter.
_____________________________________________________________________________________________

81 • Motor and Soft Starter Protection
It allows the motor to start in the POSITIVE sequence of the mains OR in the NEGATIVE sequence of the
mains or, when set to IGNORE both sequences.
For PHASE SEQUANCE protection settings refer to section 7.8.6 page 72.
8.1.14 TOO MANY STARTS
Trips the HRVS-DN if NUMBER OF STARTS during START PERIOD exceeds the preset number.
You must wait until the motor and the starter cool down according to the START INHIBIT setting.
For protection settings refer to section 7.8.3 page 61.
8.1.15 MODBUS TIME OUT
If no valid Modbus communication during MODBUS TIME OUT, the HRVS-DN will trip.
Trip occurs only if the following conditions exist:
• SER. LINK CONTROL is set to ENABLE
• SERIAL LINK NO. is not set to OFF
For MODBUS TIMEOUT settings refer to section 7.8.8 page 76.
8.1.16 SET TIME & DATE
Alarms if on initial start-up time and date are not set to the HRVS-DN.
Set time and date correctly.
For time and date settings refer to section 7.6.6 page 51.
8.1.17 COAST DOWN TIME
Trips if start command is initiated before COAST TIME DELAY set time has elapsed.
Prevent initiating start command before COAST TIME DELAY set time has elapsed.
For COAST TIME DELAY settings refer to section 7.8.4 page 68.
8.2 Non Adjustable Protection Functions
8.2.1 UNDER/OVER FREQUENCY
Trips the HRVS-DN if frequency is not in the range of 44-65Hz
Check that frequency variations are between 44-65Hz.
8.2.2 PHASE LOSS
Trips the starter if 1 or 2 phases are missing.
Check lines voltages and correct connection.
8.2.3 WRONG PARAMETERS
After power up parameters not transferred from RAM to EEPROM or vice versa.
Press Reset then load DEFAULT PARAMETERS. Refer to section 7.6.3 page 50 for more details on loading
default parameters.Note that obtaining DEFAULT PARAMETERS erases all previously modified settings and
requires the operator to reprogram all parameters that differ from the factory default.
Note:
It is especially important to reprogram the RATED LINE VOLTAGE and STARTER FLC (as shown on the
label of the HRVS-DN) and all other parameters in the MAIN & PROTECT mod page. Refer to section 7.8.2
page 56.
8.2.4 STORAGE ERROR
When trying to store parameters at the end of a mode page or after lading DEFAULT PRAMETERS.
Press Reset and try again. If this does not succeed load DEFAULT PARAMETERS. Refer to section 7.6.3
page 50 for more details on loading default parameters.
_______________________________________________________________________________________________

82 • Motor and Soft Starter Protection
Note that obtaining DEFAULT PARAMETERS erases all previously modified settings and requires the
operator to reprogram all parameters that differ from the factory default.
Note: It is especially important to reprogram the RATED LINE VOLTAGE and STARTER FLC (as shown on
the label of the HRVS-DN) and all other parameters in MAIN & PROTECT mod page. Refer to section 7.8.2
page 56.
8.2.5 S. SCR OR WR. CON
Operational after start signal. Trips if the motor is not properly connected to HRVS-DN’s load terminals, when:
• Internal disconnection is detected in the motor winding
• One or more of the SCRs have been shorted.
• Incorrect fiber optic leads connection
This protection is not active when SOFT START CURVE 0 is selected.
Check with an ohmmeter between L1-U, L2-V, L3-W; resistances are listed on section 14.1 page 121.
Check for no voltage on terminals U, V, W (from parallel system or an independent bypass).
SCRs may fail due to:
• High short current not protected by proper fuses.
• High voltage spikes not protected by proper external Varistors.
• Frequent starting at maximum conditions or fault conditions.
For SOFT START CURVE 0 setting refer to section 7.8.2 page 56.
8.2.6 OVER TEMPERATURE
Thermal sensors are mounted on the heat-sinks of the Power Section and trip the HRVS-DN when the
temperature rises above 85ºC.
WARNING! The over temperature protection is designed to operate under normal conditions, e.g.,
in the event of extended low overload, insufficient ventilation due to fan stoppage or air
flow blockage.
Incorrect HRVS-DN selection, frequent starting at max. conditions, or repeated starting
under fault conditions can cause the SCR to overheat and fail before the heat-sink
reaches 85°C thereby causing the thermal sensors to trip the HRVS-DN.
8.2.7 EXTERNAL FAULT 1 & EXTERNAL FAULT 2
External Faults becomes operational when HRVS-DN is energized.
The HRVS-DN will trip if contact between terminals 19 and 21 closes for more than 2 sec.
8.2.8 COMM. PORT FAILED
Trips the HRVS-DN if, when controlled via Profibus communication link, the communication cable is torn or the
communication from the PLC is lost.
Note that the occurrence of this fault depends on then “Watch Dog” function of the Profibus controller.
You must reconnect the wiring and/or the communication with the PLC and wait for a start command initiated
by the PLC.
8.3 Fault and Reset
When any of the above protections trip (except INSULATION ALARM), the HRVS-DN locks in a fault condition
thus disabling firing of the thyristors. Fault LED lights, fault description is displayed on the LCD and the fault
relay operates.
• For local reset, after fault has been removed, press Reset key.
• Remote reset can be performed through terminals 7 or 8 (see I/O PROGRAMMING section 7.8.7
page 74).
When a fault occurs, followed by a voltage outage, the fault condition is latched and reappears upon voltage
restoration.
Note:
Reset (Local, Remote, Serial Link or Auto Reset) is not possible as long as the START signal exists, except
for UNDER CURRENT trip.
_____________________________________________________________________________________________

83 • Motor and Soft Starter Protection
8.4 Auto Reset
UNDER VOLTAGE and PHASE LOSS faults can auto-reset (refer to section 7.8.6 on page 72). The HRVS-
DN will reset itself 60 seconds after voltage was fully restored, provided that the START signal is removed.
UNDER CURRENT fault can be set to auto-reset (refer to section 7.8.6 on page 72).
The HRVS-DN will reset itself when a programmed time delay has elapsed even if the START signal is not
removed!
MOTOR INSULATION ALARM auto-resets if the resistance exceeds the INSULATION ALARM level (refer to
section 7.8.6 on page 72).
WARNING! Auto Reset explained here above corresponds to the HRVS-DN IP00 unit
(OEM Kit). When the HRVS-DN is installed in a cabinet the behavior of the
Auto Reset depends on the cabinet wiring as well.
It is customer responsibility to avoid any dangerous conditions when the
HRVS-DN IP00 is installed in a medium voltage cabinet.
8.5 Timing Occurrence Table
Timing And Occurrence Active During
Start Run Stop Soft
Stop
Too many starts with START INHIBIT period √
Coast Down Time with start (after stop) inhibit time
setting. √
√(1) √(1) Electronic overload with curve selection
O/C shear pin (jam)
HRVS-DN protection – trip immediately at I≥850% FLC in less
than 1 cycle.
√ √ √
Motor protection – trip function
√ √
During start – factory set at 850% FLA after O/C DELAY.
During run – adjustable 100 – 850% FLA after O/C DELAY. √
Under current adjustable time delay
√
Unbalance current adjustable time delay
√ √ √
Ground fault current adjustable time delay √
Phase loss √ √ √
Phase sequence √
Under voltage with adjustable time delay. Time delay is
override in case of PHASE LOSS. √ √ √
Over voltage with adjustable time delay √ √ √
Long start time (stall protection)
√
Shorted SCR or Wrong Connection
√ √
External fault 1 & 2– input from a N.O. contact √ √ √ √
SCR protection by Metal Oxide Varistors (MOV) √ √ √ √
HRVS-DN Power Section over-temperature
√ √
HRVS-DN internal test, when the On LED is lit. √ √ √ √
Motor insulation test (optional) – Two levels for alarm &
trip. When installed, operates when mains voltage is
removed. √
_______________________________________________________________________________________________

84 • Motor and Soft Starter Protection
_____________________________________________________________________________________________
Power ON and no Start √
Bypass open trip √
Set curve to 0 √
Notes:
(1) Electronic OVERLOAD can be set to operate at all times, during Run or it can be disabled.

85 • Packing, Storage, Handling and Assembly
_______________________________________________________________________________________________
9. PACKING, STORAGE, HANDLING AND ASSEMBLY
Note! This section only refers to standard cabinet!
For other than standard cabinet design refer to the supplied drawings and/or
consult the factory.
9.1 Packing Specification
Equipment is packed and covered and placed on the case base of the crate.
Crate side walls 8mm thick playwood and 20x90mm beams
Crate is closed by pins and metal band
Crate is marked by international marks
Wood is marked in according to ISPM 15
9.2 Storage
The soft starter is designed for indoor use and must not be left outdoors.
Soft starter should be stored in a warm, dry room and protected against dust and debris.
If the soft starter is to be kept in store before use make sure that the ambient conditions are acceptable:
Storing temperature: -20…..+70°C
Relative humidity: <95%, no condensation.
9.3 Handling
The cabinet is delivered in its crate. See weights and dimensions below.
The crates can be off loaded by forklift truck.
Off load the soft starter using an overhead crane (see below scheme).
Approximate weights and dimensions
Unpacked Packed
Width Height Depth Weight
[kg] Width Height
[mm] Depth
[mm] Weight
[mm] [mm] [mm] [mm] [kg]
1100 2300(1) 1100 600 1200 2500 1200 660
Notes:
(1) Add 65mm for eye bolt.
(2) Each eye bolt can carry 700kg max.
Each cabinet, after unpacked, must be lifted using 4 eye bolts as shown on the pictures below.
Use 1100mm cables for each eye bolt, make sure top angle ≤60°.
Figure 23 – Eye Bolts Location on Top of the Cabinet
Use the marked eye bolts for lifting the cabinet.
During lifting procedures it is mandatory to use ALL lifting eye bolts provided on each cabinet.

86 • Packing, Storage, Handling and Assembly
Figure 24 – Cabinet Lifting Using 4 Lifting Cables. Top angle, A, Should be ≤60°
9.4 Soft starter’s Assembly Procedure:
Assembly procedure comprised of:
Mechanical assembly & Power and Control cables connection
When assembling the cabinet the following torque table should be applied for the mechanical and electrical
bolts closing:
Bolt size Torque
M4 1.5Nm
M5 2.5Nm
M6 4.5Nm
M8 10Nm
M10 20Nm
M12 40Nm
M16 80Nm
9.4.1 Mechanical Assembly
Four 22mm diameter holes located at the bottom frame of the cabinet as indicated in the Figure 25.
Mount the cabinet in place and anchor it with 4 bolts.
Figure 25 – Anchor Bolts Holes Location on the Base of the Cabinet at Level 0mm.
_____________________________________________________________________________________________

87 • Packing, Storage, Handling and Assembly
_______________________________________________________________________________________________
9.4.2 Power and Control Cable Connections
Figure 26 – Power and Control Cables Penetration to the Cabinet at Level 75mm
9.4.3 Power Cables Connection
Figure 27 – Power Cables Connection and Control Cables Routing.
Note! For low voltage test it is advised to leave motor terminals open to enable easy
connection of the low voltage motor.

88 • Commissioning and Operation Manual
10. COMMISSIONING AND OPERATION MANUAL
WARNING! The information in this manual does not purport to cover all details or variations in
equipment, nor to provide for every possible contingency to be met in connection
with installation, operation or maintenance.
Should further information be desired or should particular problems arise which
are not covered sufficiently for the purchaser's purposes, please contact your local
Solcon office.
Further, the contents of this Manual shall neither become a part of nor modify any
prior or existing agreement, commitment or relationship. The sales contract
contains the entire obligation of Solcon. The warranty contained in the contract
between the parties is the sole warranty of Solcon. Any statements contained
herein do not create new warranties nor modify the existing warranty.
Safety
Precautions!
• Read this manual carefully before operating the equipment and follow its
instructions.
• Installation, operation and maintenance should be in strict accordance with
this manual, national codes and good practice. Installation or operation not
performed in strict accordance with these instructions will avoid
manufacturer’s warranty.
• Never open the medium voltage doors of the cabinet while medium
voltage is connected to the cabinet.
• Do not open the medium voltage doors, even if the motor is not running
and the Line Contactor is open. Medium voltage may still be connected to
the cabinet (upstream the contactor)!
• Ensure, before opening the medium voltage doors, that the input medium
voltage lines are disconnected from mains and grounded.
• It is absolutely forbidden to change the position of the internal selector
switches while Line Contactor is closed.
• Before closing the doors for medium voltage operation, ensure that the low
voltage Test Harness is not connected. The Test Harness is only used for
the low voltage test. As a rule, always disconnect the harness immediately
after ending the low voltage test. It should be mounted inside small plastic
bag in the drawing pocket. This Test Harness is equipped with long tape,
intended to prevent forgetting it connected. Never cut this warning tape.
Leave open for its full length and laid in such a way that the harness will
not be forgotten connected after the low voltage test.
• The Line Contactor is not designed for disconnecting high short circuit
currents. Therefore the trip relay terminals 39-40-41 must be used to open
the upstream breaker. Alternatively, upstream fuses can be used.
• The software of the external PLC (if used) controlling the starter must
check the status of the trip relay in customer terminals 39-40-41. Upon
detecting a trip signal, the PLC should open the Remote Start / Stop
contact (connected to customer terminals 15-16) immediately.
10.1 Operational notes
• The seven Logic Inputs of the Control Module (terminals 4-5-6-7-8-9 & 19-20-21) are high impedance
inputs. Add an auxiliary relay for each Logic Input connected through long wire to a remote location
outside the HRVS-DN cabinet.
• Do not connect power factor correction capacitors in parallel with the motor at the output side of the soft
starter. It may cause an immediate damage to the starter and/or capacitors and can be dangerous.
• Do not use power factor capacitors at all if the starter is powered from a generator. The capacitors may
interfere with the voltage regulator of the generator. They may cause significant dangerous over voltages.
• If there are power factor capacitors connected upstream of the starter, and they are mounted close to the
starter, it is recommended to disconnect the capacitors until the end of commissioning.
• Perform a Megger test to the motor and its cables while disconnected from the cabinet. After the end of
test, leave the cable unconnected to enable the low voltage test.
_____________________________________________________________________________________________

89 • Commissioning and Operation Manual
_______________________________________________________________________________________________
Warning!
• Internal components and PCBs are connected to high potential when the starter’s cabinet is connected
to mains voltage.
• Never connect medium voltage to the cabinet, while any of the medium voltage doors is open.
• This high voltage is extremely dangerous and causes death or severe injury if contacted.
• Unit must be grounded to ensure correct operation, safety and to prevent damage.
• This medium voltage unit must be tested and operated only by authorized and licensed personnel.
10.2 Parts Identification in the HRVS-DN Cabinet
This section describe the standard cabinet comprising of: input bus bars, Line Contactor, Power Section,
Bypass Contactor, low voltage compartment and output bus bars.
10.2.1 Parts Identification in the HRVS-DN Cabinet (HRVS-DN up to 6.6kV)
Figure 28 – HRVS-DN up to 6.6kV Standard Cabinet – One Line Diagram
The standard cabinet includes one frame with three doors. One of the doors is a medium voltage door and two
doors are for low voltage: low voltage compartment door and the customer terminals compartment door.
Warning!

90 • Commissioning and Operation Manual
You are only allowed to open the low voltage compartment door and customer terminal compartment door
when medium voltage is connected to the cabinet!
It is strictly forbidden to open the medium voltage compartment door at any time when medium voltage is
connected to the cabinet!
Figure 29 - HRVS-DN up to 6.6kV Standard
Cabinet – Doors Closed Figure 30 - HRVS-DN up to 6.6kV Standard Cabinet –
Doors Open
View with medium voltage door open and customer terminals compartment door:
• Customer terminals are located in a dedicated compartment on the top of the cabinet.
• Line Contactor is mounted on the top of the medium voltage compartment.
• The EPT-Tx (Electronic Potential Transformer Transmitter) is mounted on the medium voltage bus
bars downstream the Line Contactor on the input to the Power Section of the HRVS-DN thus
measuring the input voltage to the Power Section.
The output of the EPT-Tx are two fiber optic wires running to the EPT-Rx (Electronic Potential
Transformer Receiver) which is located in the low voltage compartment.
The harness runs out of the Power Section to the low voltage compartment. This harness includes
both fiber optic wires and copper wires.
• The main unit is the Power Section of the soft starter.
Note that this Power Section is actually composed of three identical modules, one per phase.
The input bus bars to the Power Section are on top of it marked L1,L2, L3.
Two sets of three bus bars each are mounted at the bottom of the Power Section:
o One set, marked L1B,L2B,L3B, is connected to the input bus bars of the Power Section. These
bus bars are brought to the bottom of the Power Section to enable convenient connection of the
Bypass Contactor.
o Second set, marked U,V,W, is the output bas bars.
• At the bottom of the cabinet the Bypass Contactor is located.
• Verify on cabinet label that both, medium voltage and control voltage, are according to the supplied
mains voltage and control voltage.
• Input bus bars and output bus bars are located at the bottom of the cabinet.
The input bus bars are at the back of the lower part of the cabinet.
The output bus bars are at the front of the lower part of the cabinet.
_____________________________________________________________________________________________

91 • Commissioning and Operation Manual
_______________________________________________________________________________________________
10.2.2 Parts Identification in the HRVS-DN Cabinet (HRVS-DN from 10kV and up)
Figure 31 – HRVS-DN from 10kV and up, Standard Cabinet – One Line Diagram
The standard cabinet includes three frames with nine doors. Four of the doors are medium voltage doors and
five doors are for low voltage: low voltage compartment door and customer terminals compartment doors.
Note:
You are only allowed to open the low voltage compartment door and customer terminal compartments doors
when medium voltage is connected to the cabinet!

92 • Commissioning and Operation Manual
It is strictly forbidden to open the medium voltage compartment door at any time when medium voltage is
connected to the cabinet!
Figure 32 - HRVS-DN from 10kV and up Standard Cabinet – Doors Closed
Figure 33 - HRVS-DN from 10kV and up Standard Cabinet – Doors Open
_____________________________________________________________________________________________

93 • Commissioning and Operation Manual
_______________________________________________________________________________________________
View with medium voltage doors open and customer terminals compartment doors open:
• Customer terminals are located in a dedicated compartments on the top of the cabinet.
• Line Contactor is mounted on the left medium voltage compartment.
• The EPT-Tx (Electronic Potential Transformer Transmitter) is mounted on the medium voltage bus
bars downstream the Line Contactor on the input to the Power Section of the HRVS-DN thus
measuring the input voltage to the Power Section.
The output of the EPT-Tx are two fiber optic wires running to the EPT-Rx (Electronic Potential
Transformer Receiver) which is located in the low voltage compartment.
The harness runs out of the Power Section to the low voltage compartment. This harness includes
both fiber optic wires and copper wires.
• The main unit is the Power Section of the soft starter.
Note that this Power Section is actually composed of three identical modules, one per phase.
The input bus bars to the Power Section are on top of it marked L1,L2, L3.
The output bus bars from the Power Section are on its bottom and are marked U, V, W.
• Bypass Contactor is mounted on the right medium voltage compartment.
• Verify on cabinet label that both, medium voltage and control voltage, are according to the supplied
mains voltage and control voltage.
• Input bus bars and output bus bars are located at the bottom of the cabinet.
The input bus bars are at the input cabinet.
The output bus bars are at the output cabinet.
10.2.3 Low Voltage Compartment
Figure 34 - HRVS-DN Low Voltage Compartment
• The Control Module is the heart of the soft starter which controls the firing angle of the thyristors
(located in the Power Section).
Warning: The six fiber optic wires on top of the control unit are sensitive to bending and heat.
• The EPT-Rx (Electronic Potential Transformer Receiver) is located behind the Control Module.
Note the two fiber optic wires connecting the EPT-Rx to the EPT-Tx (Electronic Potential Transformer
Transmitter) (located in the Power Section). The EPT-Rx is equipped with a fused supply voltage
connector.
The EPT-Rx provides three phase replica of the mains voltages in level of 120VAC (line to line).

94 • Commissioning and Operation Manual
These voltages are connected to the Control Module, and also (optional) to the motor protection relay
(MPR) located on the door of the low voltage compartment.
• Interposing relays connect the commands and indications to/from the Control Module.
• The selector switches (DOL/Soft start and Local/remote/Comm./Off) are mounted inside the low
voltage compartment to prevent accidental change in their position while the Line Contactor is closed.
Note: it is forbidden to change the position of these selector switches while Line Contactor is closed.
• The Firing Transformer located on the right side of the low voltage section.
• The control terminals in the low voltage compartment are NOT for customer use.
10.2.4 Fuses
The soft starter includes four fuses:
• Three fuses are located in the medium voltage Power Section, one per phase. They are located at the
smaller PCBs PC2075 (for 110VAC, 230VAC, 220VDC control voltage) or PC2076 (for 110VDC,
125VDC control voltage). These fuses are connected at the input side of the firing switched mode
power supplies and rated 10A.
To check these fuses:
o In HRVS-DN rated up to 6.6kV it is required to disassemble the phases cover (open the plastic
screws as shown on Figure 35).
o In HRVS-DN rated from 10kV and up the power supplies are located at the top compartment in
the medium voltage compartment as shown on Figure 36).
Note:
For 110VAC, 230VAC, 220VDC control voltage a blown fuse will prevent firing supply for Its own
phase only.
For 110VDC, 125VDC control voltage, any blown fuse will prevent firing supply of all three phases.
Front View of the Power Section Power Supply to Firing PCB
Figure 35 – Power Supply to Firing PCB (HRVS-DN Models up to 6600V).
_____________________________________________________________________________________________

95 • Commissioning and Operation Manual
_______________________________________________________________________________________________
Front View of the Power Section Power Supply to Firing PCB
Figure 36 – Power Supply to Firing PCB (HRVS-DN Models From 10000V and up)
• One fuse is located in the Low voltage compartment, inside the input connector of the Electronic
Potential Transformer Receiver (EPT-Rx). The EPT-Rx is located behind the Control Module.
Bottom view of the EPT-Rx Use 5mm screw driver to remove
the fuse holder from the socket Fuse holder with fuse in use
and a spare fuse
Figure 37 – EPT-Rx Fuse Replacement Procedure

96 • Commissioning and Operation Manual
10.3 Standard Control Diagram
Note!! • The following diagram shows a standard wiring for a 115VAC and 230V control voltage.
• This drawing is given for demonstrating purposes only.
• Note that the cabinet you have might be wired differently!!
Figure 38 - HRVS-DN - Typical Control Wiring of Standard Cabinet
_____________________________________________________________________________________________

97 • Commissioning and Operation Manual
_______________________________________________________________________________________________
• Control voltage is supplied via customer terminals number 1 & 2.
• L.S. 1 is a limit switch that control the internal lighting fixture and signal to external control system (via
terminal 42 & 44) that medium voltage door is opened. Customer can trip the incoming circuit breaker
to disconnect medium voltage from the input bus bars of the cabinet for safety.
• H is a heater to avoid humidity in the cabinet.
• ES1 is a N.C. emergency stop push button mounted on the front of the low voltage compartment door.
• Terminals 5 & 6 are for remote emergency stop N.C. push button. Customer can connect several N.C.
push buttons located in several locations in the plant. For example: near the motor and at the control
room.
• L1-Line Contactor off (Red) – indicates that Line Contactor is open. Mounted on the front of the low
voltage compartment door.
• L2-Line Contactor on (Green) – indicates that Line Contactor is closed. Mounted on the front of the
low voltage compartment door.
• L3-Bypass Contactor on (Green) – indicates that Bypass Contactor is closed. Mounted on the front
of the low voltage compartment door.
• L4-Fault (Red) – indicates that the soft starter tripped either because of a fault indicated by the Control
Module or from an internal motor protection or an external motor protection indication via customer
terminals 17 & 18. Mounted on the front of the low voltage compartment door.
• C1 is the Line Contactor. Mounted in the medium voltage compartment.
• RC1 is an interposing relay to enable more contacts representing the position of the Line Contactor.
• FT & FT/1 are the fault relays. The relays are energized in normal operation and de-energized upon
fault indicated by the Control Module or from an external motor protection indication via customer
terminals 17 & 18.
• C2 is the Bypass Contactor. Mounted in the medium voltage compartment.
• S1 is a selector switch for DOL/Soft Start by the user.
When set to DOL:
o Energizes the Bypass Contactor C2
o Disconnects control voltage from the Control Module thus avoiding soft start and avoiding the
Control Module to trip the motor in case of a fault.
Note that external motor protection relays (if exist) will stay in operation and protect the motor.
When set to Soft Start:
o Bypass Contactor C2 is energized via the control circuitry.
o The Control Module is powered from the Control voltage and the Control module is controlling
the starting process and protecting the motor.
• FR – is the firing relay controlled by the Control Module to energize the firing transformer (TR1 in the
diagram).
The firing transformer energizes the power supply PCBs which feed the firing PCBs in the Power
Section. This is required only during soft start and soft stop periods
o The firing transformer applicable in 115VAC, 230VAC control voltage. See different wiring of
TR1 transformer for 115VAC and 230VAC
o In 220VDC control voltage a power supply (not shown in the diagram) is controlled by the FR
relay
o In 110VDC and 125VDC the FR relay energize a power contactor that feeds the power supply
PCBs (not shown in the diagram)
• Soft Starter – is the HRVS-DN Control Module.
• K1 – Is an interposing relay controlled by the internal IMMEDIATE relay of the HRVS-DN.
Controlled by terminal 10 of the Control Module. The relay Energized when starter is in any condition
except for stop and de-energized at stop. Its Normally Open contact is used in series with RC1 contact
to hold the Line Contactor C1 energized at the soft stop process.
• K3 – Is an interposing relay controlled by the internal FAULT relay of the HRVS-DN.
Controlled by terminal 13 of the Control Module. Energized only when starter trips for fault. The
normally closed contact is connected in series with the N.C. trip contact of the optional motor
protection relay (MPR).
• K2 – Is an interposing relay controlled by the internal END OF ACCELERATION relay of the HRVS-
DN. Controlled by terminal 16 of the Control Module. K2 is energized after the end of the starting
process to close the Bypass Contactor C2. K2 is de-energized upon Stop or Soft Stop commands or
upon Fault.
• EPT-Rx – Is the Electronic Potential Transformer – Receiver.
• S2 - is a selector switch for Local/Remote/Comm./Off controlled by the user.

98 • Commissioning and Operation Manual
o When set to Off disconnects control voltage to RS thus avoids the possibility to start the motor
either locally or from remote
o When set to Local enables control from ST & SP (start & stop) push buttons mounted on the
front of the low voltage compartment door
o When set to Remote enables control via terminals 15 & 16 by a maintained contact controlled
by the customer
o When set to Communication enables control via terminals 31 & 32 of the Control Module.
These terminals are of the optional Relay PCB. The contacts are controlled by the
communication link (either Modbus, Profibus or DeviceNet).
• L5-Remote control (White) – indicates that the cabinet is controlled remotely. Mounted on the front of
the low voltage compartment door.
• ST – N.O. contact of a push button controls the Start command locally. Mounted on the front of the low
voltage compartment door.
• SP – N.C. contact of a push button controls the Stop command locally. Mounted on the front of the low
voltage compartment door.
• RS – start relay controlled locally or remotely and if no fault is indicated will start the motor via the soft
starter or DOL (depends on the position of selector switch S1).
_____________________________________________________________________________________________

99 • Commissioning and Operation Manual
_______________________________________________________________________________________________
10.3.1 How Does it Operate?
Selector switches position: Local/Remote/Comm./Off selector is in the Local position and DOL/Soft
Start selector switch is in Soft Start position.
Soft start process is initiated when the Start pushbutton (ST terminals 4 & 3) is pressed.
RS relay is energized (RS terminals 2 & 10). RS N.O. contact (RS terminals 9 & 11), connected in parallel with
the start pushbutton (ST terminals 4 & 3) and holds the relay energized.
Line Contactor C1 and interposing relay RC1 are now energized via another N.O. contact of RS (RS terminals
1 & 3).
Start command to the soft starter is initiated after the Line Contactor is closed (C1 terminals 13 & 14) and via
another N.O. contact of RS (RS terminals 6 & 7) to the soft starter by connecting control voltage to terminals 5
& 6 of the Control Module.
FR relay is energized and energizes the firing transformer via its N.O. contact. (FR terminals 1 & 3)
Relay K1 (IMMEDIATE) is energized immediately after start command is initiated to the soft starter.
The starter ramps up the mains voltage to the motor until it reaches full voltage.
Relay K2 (END OF ACCELERATION) is energized after programmable time delay (default of 5 seconds). The
Bypass Contactor C2 is energized through the N.O. contact of K2 (K2 terminals 6 & 7).
FR relay de-energizes after 2 more seconds and disconnects the firing transformer from the control voltage.
Motor is now running with the Bypass Contactor (C2) closed and the soft starter Power Section is idle.
Soft stop process is initiated when the Stop pushbutton (SP terminals 1 & 2) is pressed.
RS relay is de-energized.
Soft Starter terminals 5 & 6 are disconnected (RS terminals 6 & 7) from the control voltage and cause the soft
starter to enter into soft stop process.
FR relay is energized and energizes the firing transformer via its N.O. contact. (FR terminals 1 & 3)
K2 relay is de-energized.
Bypass Contactor C2 de-energizes via the N.O. contacts of K2 (K2 terminals 6 & 7).
The soft starter ramps down the voltage to the motor.
At the end of the soft stop process the HRVS-DN de-energizes K1 relay. N.O. contact of K1 (k1 terminals 6 &
7) relay in series with N.O. contact of RC1 (RC1 terminals 1 & 3) act as a holding system to the Line
Contactor C1. This enables the Line Contactor to be energized until the soft stop process is concluded.
FR relay is de-energized and de-energizes the firing transformer via its N.O. contact. (FR terminals 1 & 3)
Upon Fault condition:
If trip condition, is detected by the HRVS-DN, K3 is energized. FT and FT/1 are de-energized via N.C. contact
of K3 (K3 terminals 5 & 6) causing RS to trip, C1 to trip and L4 (Fault indication lamp) to turn on.
If trip condition is detected by the external motor protection relay, customer terminals 17 & 18 are opened,
causing FT and FT/1 to be de-energized.
Selector switches position: Local/Remote/Comm./Off selector is in the Remote position and DOL/Soft
Start selector switch is in Soft Start position.
The process is exactly the same as above but RS relay is directly controlled by the remote Start/Stop contacts
(Customer terminals 15 & 16).
WARNING! When operating the HRVS-DN cabinet from Remote or via the communication
links it is extremely important, because of safety reasons, to monitor the Trip
relay (FT/1 terminals 39-40-41)) indication (See Figure 38 page 96).
When the trip relay signals for trip remove the start command!
Selector switches position: Local/Remote/Comm./Off selector is in the Comm. position and DOL/Soft
Start selector switch is in Soft Start position.
When it is required to control the cabinet via communication (not only to monitor and/or change the
parameters) it is required to install, in additional to the communication PCB (either Modbus, Profibus or
DeviceNet), an optional Relay PCB.
When the selector is set to communication control, the RS relay is controlled by a relay located in the optional
Relay PCB mounted in the Control Module.
Output terminals from the optional Relay PCB are 31, 32. Refer also to Figure 13 page 30.
Selector switches position: Local/Remote/Comm./Off selector is in the Local or Remote position and
DOL/Soft Start selector switch is in DOL position.

100 • Commissioning and Operation Manual
Switch the selector Switch S1 to Bypass position only for testing the cabinet or in rare cases when the HRVS-
DN does not function properly.
When Selector switch S1 is in DOL position, control voltage from terminal 1 of the soft starter is removed thus
the soft starter is not in active. Bypass Contactor C2 is energized.
Start/Stop commands are initiated in the same way as if selector switch S1 is in Soft start.
Notes:
• When selector switch Local/Remote/Comm./Off is in Comm. position and DOL/Soft Start selector switch is in
DOL position it is not possible to control the cabinet.
• When DOL/Soft Start selector switch is in DOL position motor is not protected unless external or internal
protections are installed.
WARNING! When operating the HRVS-DN cabinet from Remote or via the communication
links it is extremely important, because of safety reasons, to monitor the Trip
relay (FT/1 terminals 39-40-41)) indication (See Figure 38 page 96).
When the trip relay signals for trip remove the start command!
_____________________________________________________________________________________________

101 • High-Pot Test of the HRVS-DN Cabinet
_______________________________________________________________________________________________
11. HIGH-POT TEST OF THE HRVS-DN CABINET
Note: The high-pot test is performed in the factory as part of the cabinet FAT. (Factory Acceptance
Test). Thus it is not recommended to do the high-pot test at customer site.
High-pot test levels and duration are as follows:
• Up to 3.6kV: 10kVAC for 60 seconds
• Up to 7.2kV: 20kVAC for 60 seconds
• Up to 12kV: 28kVAC for 60 seconds
• Up to 15kV: 38kVAC for 60 seconds
Two options for high-pot test available:
• With the EPT-Tx connected. In this case only one test can be performed when the soft starter is
short connected as one unit (L1 to U, L2 to V, L3 to W and L1 to L2 to L3)
• With EPT-Tx disconnected. In this case it is possible to perform the high-pot test between each
of the phases while the other two phases are grounded.
11.1 High-Pot Test in HRVS-DN up to 6.6kV, EPT-Tx Connected
Preparations (refer to Figure 39):
Short circuit the L1B and U busbars of phase L1.
Short circuit the L2B and V busbars of phase L2.
Short circuit the L3B and W busbars of phase L3.
Short circuit input-output phases of the Line Contactor.
Short circuit U, V, W bus bars at the output of the soft starter.
High-pot test procedure:
Connect the ground cable of the High-pot tester to cabinet ground (earth).
Connect the live cable of the High-pot tester to the soft starter basbars.
Set the tester for the correct testing voltage, as specified above.
Perform the test for 1 minute.
Figure 39 – HRVS-DN up to 6.6kV – Preparations for High-pot Test

102 • High-Pot Test of the HRVS-DN Cabinet
Megger test:
You can perform a Megger test (5kVDC) between the three phases connected together as one group
and ground. This Megger test should give a very high resistance result.
You can also perform a Megger test between the three phases. To do this you must connect L1B-U,
L2B-V, L3B-W.
Since the EPT-Tx is connected between the phases, the following resistances are be expected (all
values are ±5%):
HRVS-DN Rated
Voltage L1 – L2 L2 – L3 L1 – L3
2.3kV 670KΩ 4MΩ 4.67MΩ
3.3kV 1MΩ 6MΩ 7MΩ
4.16kV 1.33MΩ 8MΩ 9.13MΩ
6.6kV 2MΩ 12MΩ 14MΩ
11.2 High-Pot Test in HRVS-DN up to 6.6kV, EPT-Tx Not Connected
High-pot test procedure for L1 (refer to Figure 40):
Dismantle the EPT-Tx
Short circuit the L1B and U busbars of phase L1.
Short circuit the L2B and V busbars of phase L2.
Short circuit the L3B and W busbars of phase L3.
Short circuit input-output phases of the Line Contactor.
Connect to ground L2 and L3
Connect the ground cable of the High-pot tester to cabinet ground (earth).
Connect the live cable of the High-Pot tester to the soft starter busbars of L1.
Set the tester to the correct testing voltage, as specified above. Perform the test for 1 minute.
Figure 40 – HRVS-DN up to 6.6kV – EPT-Tx not Connected Preparations for High-pot Test, Testing L1
High-pot test procedure for L2 (refer to Figure 41):
Dismantle the EPT-Tx
Short circuit the L1B and U busbars of phase L1.
Short circuit the L2B and V busbars of phase L2.
Short circuit the L3B and W busbars of phase L3.
Short circuit input-output phases of the Line Contactor.
Connect to ground L1 and L3
Connect the ground cable of the High-pot tester to cabinet ground (earth).
_____________________________________________________________________________________________

103 • High-Pot Test of the HRVS-DN Cabinet
_______________________________________________________________________________________________
Connect the live cable of the High-Pot tester to the soft starter busbars of L2.
Set the tester to the correct test voltage, as specified above. Perform the test for 1 minute.
Figure 41 – HRVS-DN up to 6.6kV – EPT-Tx not Connected Preparations for High-pot Test, Testing L2
High-pot test procedure for L3 (refer to +Figure 42):
Dismantle the EPT-Tx
Short circuit the L1B and U busbars of phase L1.
Short circuit the L2B and V busbars of phase L2.
Short circuit the L3B and W busbars of phase L3.
Short circuit input-output phases of the Line Contactor.
Connect to ground L1 and L2
Connect the ground cable of the High-pot tester to cabinet ground (earth).
Connect the live cable of the High-Pot tester to the soft starter busbars of L3.
Set the tester to the correct test voltage, as specified above. Perform the test for 1 minute.
+Figure 42 – HRVS-DN up to 6.6kV – EPT-Tx not Connected Preparations for High-pot Test, Testing L3

104 • High-Pot Test of the HRVS-DN Cabinet
Megger test:
You can perform a Megger test (5kVDC) between each phase to ground.
11.3 High-Pot Test in HRVS-DN from 10kV and Up, EPT-Tx Connected
Preparations (refer to Figure 43):
Short circuit the L1 and U busbars of phase L1.
Short circuit the L2 and V busbars of phase L2.
Short circuit the L3 and W busbars of phase L3.
Short circuit input-output phases of the Line Contactor.
Short circuit input-output phases of the Bypass Contactor.
Short circuit U, V W bus bars at the output of the soft starter.
High-pot test procedure:
Connect the ground cable of the High-pot tester to cabinet ground (earth).
Connect the live cable of the High-pot tester to the soft starter basbars.
Set the tester to the correct test voltage, as specified above.
Perform the test for 1 minute.
Figure 43 – HRVS-DN from 10kV and Up – Preparations for High-pot Test
Note: You are allowed to perform a Megger test (5kVDC) between the three phases connected
together as one group and ground. This Megger test should give a very high resistance result.
You can also perform a Megger test between the three phases. To do so, make sure that the L1-U,
L2-V, L3-W connections are performed.
Since the EPT-Tx is connected between the phases, the following resistances are expected (all
values are ±5%):
HRVS-DN Rated
Voltage L1 – L2 L2 – L3 L1 – L3
10kV 18MΩ 3MΩ 21MΩ
11kV 20MΩ 3.3MΩ 23.3MΩ
13.2kV 24MΩ 4MΩ 28MΩ
13.8kV 24MΩ 4MΩ 28MΩ
15kV 26MΩ 4.3MΩ 30.3MΩ
_____________________________________________________________________________________________

105 • High-Pot Test of the HRVS-DN Cabinet
_______________________________________________________________________________________________
11.4 High-Pot Test in HRVS-DN from 10kV and Up, EPT-Tx Not Connected
High-pot test procedure for L1 (refer to Figure 44):
Dismantle the EPT-Tx
Short circuit the L1 and U busbars of phase L1.
Short circuit the L2 and V busbars of phase L2.
Short circuit the L3 and W busbars of phase L3.
Short circuit input-output phases of the Line Contactor.
Short circuit input-output phases of the Bypass Contactor.
Connect to ground L2 and L3.
Connect the ground cable of the High-pot tester to cabinet ground (earth).
Connect the live cable of the High-Pot tester to the soft starter busbars of L1.
Set the tester to the correct test voltage, as specified above. Perform the test for 1 minute.
Figure 44 – HRVS-DN from 10kV and up, EPT-Tx not Connected, Preparations for High-pot Test, Testing L1
High-pot test procedure for L2 (refer to Figure 45):
Dismantle the EPT-Tx
Short circuit the L1 and U busbars of phase L1.
Short circuit the L2 and V busbars of phase L2.
Short circuit the L3 and W busbars of phase L3.
Short circuit input-output phases of the Line Contactor.
Short circuit input-output phases of the Bypass Contactor.
Connect to ground L1 and L3.
Connect the ground cable of the High-pot tester to cabinet ground (earth).
Connect the live cable of the High-Pot tester to the soft starter busbars of L2.
Set the tester to the correct test voltage, as specified above. Perform the test for 1 minute.

106 • High-Pot Test of the HRVS-DN Cabinet
Figure 45 – HRVS-DN from 10kV and up, EPT-Tx not Connected, Preparations for High-pot Test, Testing L2
High-pot test procedure for L3 (refer to Figure 46):
Dismantle the EPT-Tx
Short circuit the L1 and U busbars of phase L1.
Short circuit the L2 and V busbars of phase L2.
Short circuit the L3 and W busbars of phase L3.
Short circuit input-output phases of the Line Contactor.
Short circuit input-output phases of the Bypass Contactor.
Connect to ground L1 and L2
Connect the ground cable of the High-pot tester to Cabinet ground (earth).
Connect the live cable of the High-Pot tester to the soft starter busbars of L3.
Set the tester to the correct test voltage, as specified above. Perform the test for 1 minute.
Figure 46 – HRVS-DN from 10kV and up, EPT-Tx not Connected, Preparations for High-pot Test, Testing L3
Megger Test:
You can perform a Megger test (5kVDC) between each phase to ground.
_____________________________________________________________________________________________

107 • Test Procedure for Low Voltage Testing
_______________________________________________________________________________________________
12. TEST PROCEDURE FOR LOW VOLTAGE TESTING
12.1 Accessories Required for LOW VOLTAGE Testing of the Starter and Cabinet.
Control cable – three wires (two wires+ground) and a switch, to connect the control voltage (110VAC,
230VAC, 115VDC, 125VDC or 220VDC).
Note: Rated power of the control power source should be 2.5kW minimum. This will ensure all inrush
current to the HRVS-DN will not cause voltage drop to the control circuitry.
Power cable - four wires (3 phase + ground) cable + fused three phase switch, to connect the low voltage
400VAC three phase mains voltage to the cabinet. Prepare one side of the cable with a connector to the
mains voltage according to the type of connectors used in the field. The other side with cable lugs or, more
conveniently, with adequate alligator clips suit the bus bar size.
Note: If low voltage mains is generated by a step up or step down transformer, its kVA should be 10 times
greater than the testing motor kVA. Otherwise, the mains (low) voltage may be heavily distorted and
prevent proper operation of the soft starter.
Start / Stop toggle switch with 2 wire cable, to simulate the remote Start / Stop contact.
Three phase 400VAC induction motor 5 -10KW. The motor should be loaded by a fan or any other kind of
inertia (fly wheel). Note that test motor rated current should follow the rule:
<test motor FLA X gain > 40% STARTER FLC>. (see here after information on gain settings)
Digital multimeter.
Test Harness with three colored wires (supplied with the cabinet, located in a small plastic bag in the
drawings pocket).
Note: Test harnesses for other than 400VAC (in the range of 440VAC to 690VAC) can be ordered. The
test voltage (if other than the standard 400V), is indicated on the tape of the test harness.
12.2 Notes and Warnings
Notes:
• The starter and the cabinet are designed to ensure a complete, convenient and safe test procedure for the
starter and for the cabinet, using only the above accessories.
• The next procedure should be used for the following:
o To ensure that the unit functions properly.
o To learn the operational modes and options of the cabinet.
o To test the cabinet together with the external control system (Factory Scada system, external
PLC, etc.) It is strongly recommended to perform as many tests as possible in the low voltage
mode to debug the external control system hardware and software in this low voltage mode
until the entire system operates satisfactorily.
o To debug the system in a rare event of a problem in the starter, cabinet or control system.
WARNING! • Make sure that Medium voltage is disconnected and secured.
• Check that the test control voltage is equal to the rated control voltage.
• Immediate damage can be expected if the control voltage level is incorrect.
• Check that the three phase mains testing voltage is equal to 400VAC, which is
the standard testing voltage. An immediate damage can be expected if the
mains voltage is not 400VAC±10%.
• Read the soft starter instruction manual carefully as well as the optional Motor
Protection Relay (MPR) instruction manual, If installed.

108 • Test Procedure for Low Voltage Testing
12.3 Low Voltage Test Procedure
1. Disconnect mains voltage from the soft HRVS-DN cabinet.
2. Ground the medium voltage lines.
3. Put warning signs that will prevent anyone from connecting the medium voltage lines to the
HRVS-DN cabinet.
4. The HRVS-DN cabinet inputs bus bars (marked L1, L2, L3).should be free from any
connection.
Do not ground them, since low testing voltage should be connected to these input lines.
5. Disconnect the medium voltage Motor lines from the output bus bars of the cabinet (marked
U, V, W).
6. Visual test. Make sure that there is:
7.
8.
9.
10.
11.
12.
13.
14. Connect the safety ground to the cabinet.
15. Double check that the cabinet is free from any voltage connection and is disconnected also
from the medium voltage motor.
16. Disassemble the clear plastic cover in the front of the starter Power Section.
17. Connect the low voltage test harness:
18. HRVS-DN up to 6.6kV:
Refer to section 12.3.2.1 page 111.
19. HRVS-DN 10kV and up:
Refer to section 12.3.2.2 page 112.
20. Connect the motor cable to the output bus bars U, V, W.
21. Connect the control voltage cable (equipped with switch) to customer terminals 1 & 2 located
in customer terminal compartment.
22. Connect three phase cable (equipped with switch) to the input bus bars (L1, L2, L3),
upstream the Line Contactor (so that voltage is disconnected from starter, when the contactor
is open).
23. Connect the remote control switch wires to customer terminals 15 & 16 located in customer
terminal compartment.
24. Turn on the two MCBs located in the top-left side of the low voltage section (marked e1 and
e2).
25. Verify that the Emergency push button is in the normal operating position.
26. Set DOL/Soft Start selector switch (S1) to Soft Starter position.
27. Set the Local/Remote/Comm./Off selector switch (S2) to Local.
28. Turn on the control voltage switch.
29. The Control Module should be powered now.
30. Verify that the remote control indication light (L5) on the external door is turned off.
31. Get familiar with the soft starter settings, using its instruction manual.
32. Press the Reset buttons on the soft starter Control Module panel and on the optional MPR
panel.
33. Enter MAIN & PROTECT. parameters. set:
RATED LINE VOLT. – As indicated on the HRVS-DN label
STARTER FLC – As indicated on the HRVS-DN label
MOTOR FLA – Set to <test motor FLA X gain> (see here after information on gain settings)
Browse all the way down until you see the message: STORE ENABLE MAIN & PROTECT.
Press the Store button and wait for the message: DATA SAVED OK.
34. Enter START parameters, set:
SOFT START CURVE – set to 1 (standard)
INITIAL VOLTGE – set to 10%
NUMBER OF STARTS – set to OFF (to enable unlimited number of starts with the low
voltage motor)
Browse all the way down until you see the message: STORE ENABLE START
_____________________________________________________________________________________________

109 • Test Procedure for Low Voltage Testing
_______________________________________________________________________________________________
PARAMETERS.
Press the Store button and wait for the message: DATA SAVED OK.
35. Enter STOP parameters, set:
SOFT STOP CURVE – set to 1 (standard)
DEC. TIME – set to 10SEC.
Browse all the way down until you see the message: STORE ENABLE STOP
PARAMETERS.
Press the Store button and wait for the message: DATA SAVED OK.
36. Turn off the control voltage.
37. Release the four screws at the corners of the front panel of the soft starter control unit.
Remove the front panel. Refer to Figure 15 page 41. Identify Main PCB - PC2050 and
Fiberoptic PCB – PC2055.
38. On the Main PCB – PC2050 set the required interface language on the display, you need to
change the position of dip switches 5 & 6. Refer to section 6.4.3 page 42.
39. On the Fiberoptic PCB – PC2055 set the Current gain dip switches for low voltage motor
testing. Refer to section 12.3.1 page 111:
Dip Switch #1 Dip Switch #2 Gain
ON ON 1
OFF ON 5
ON OFF 13.4
OFF OFF 67
40. Re-check that the Gain dip switches of the three phases are set identically.
41. Tilt back the display and re-install the front panel.
42. While 400VAC mains voltage is still not connected to the cabinet, press the Start push button.
The Line Contactor (C1) is energized for a short time and then trips. UNDER / NO VOLTAGE
message is displayed on the screen of the soft starter’s control unit. Fault lamp lights on the
external door.
43. Press Reset on the Control Module. The fault indications are distinguished.
44. Turn on the (three phase) mains low voltage.
45. Verify that the Line Contactor is open and indication light on the external door is lit.
46. Press the Start push button. The Line Contactor is energized and after a short time the soft
start process begin. the LINE CONTACTOR ON indication light will indicate that the
contactor is now closed. Since the motor is not heavily loaded, the starter enters RUN
conditions in few seconds. After few more seconds(adjustable), the Bypass Contactor closes
and the BYPASS CONTACTOR ON indication light is on.
47. If the motor is not equipped with loading inertia and/or is not loaded, it may vibrate
mechanically while reaching full speed. If this is the case, make sure that the motor is not too
small, and that SOFT START CURVE 1!! is used. Also make sure that the Gain dip switches
are in the correct position. If it does not help enough, try to replace motor with a loaded one
(like a fan motor).
48. Press the Stop pushbutton.
The Bypass Contactor opens and the starter ramps down the voltage to the motor. At the end
of the soft stop process, the Line Contactor opens and the motor slows down to a stop.
Note: Since the motor is not loaded it may be seen, in the soft stop process that the motor runs
normally and then stops just at the end of the soft stop process. Using a low current clamp
ammeter it can be seen that during the soft stop process, motor current is reduced to
approximately one half of its value while running before the soft stop process.
49. Enter START parameters, set:
ACC. TIME – set to 20sec.
CURRENT LIMIT – set to 300%
Browse all the way down until you see the message: STORE ENABLE START
PARAMETERS.
Press the Store button and wait for the message: DATA SAVED OK.
Start the motor again and note that motor accelerates slower.
50. When the motor is stopped, change the Local/Remote/Comm./Off selector switch (S2) to
Remote. Now, the external Start / Stop pushbuttons have no effect. Verify that REMOTE
indication light on the external door is lit on.
51. Repeat the start / stop process using the external remote control switch.

110 • Test Procedure for Low Voltage Testing
52. When the motor is stopped, change the Local/Remote/Comm./Off selector switch (S2) to
Comm. Now, the external Start / Stop pushbuttons have no effect. Verify that REMOTE
indication light on the external door is off.
53. Repeat the start / stop process using the communication link.
54. While the motor is stopped, change the DOL/Soft Start selector switch (S1) to DOL.
Bypass Contactor C2 closes immediately. The Control Module is not powered now.
Start the motor and notice that motor speed rise to maximum “at once” since it gets full
voltage immediately when mains contactor C1 is closed.
55. When the motor is stopped, set DOL/Soft Start selector switch (S1) to Soft Starter position
and set the Local/Remote/Off selector switch (S2) to Local.
56. Set the optional Motor Protection Relay (MPR) according to customer’s preferences. Note
that the MPR cannot sense the start and run process, since the testing low voltage motor
current is very low if compared to the rated current of the medium voltage motor.
57. Clearing out of the low voltage test:
58. Verify that both mains and control voltages are turned off and their plugs are pulled out.
59. Disconnect the Test Harness from the EPT transmitter. Put it back in the small plastic bag
and return to the drawing pocket.
60. Disconnect mains, motor and control external cables.
61. Reconnect power cables to the mains.
62. Connect motor cables to the output bus bars.
63. Re-assemble the clear plastic cover on top of the starter Power Section.
64. Close the medium voltage compartment doors and secure the screws.
65. Open the front panel of the Control Module of the soft starter. Loosen the 4 screws that hold
the display in place then tilt it forward. this will give you access to the dip switches on the
PC2055. Set the dip switches to ON. Tilt back the display and fasten its four screws. Reinstall
the front panel of the Control Module.
66. Connect control voltage to the cabinet.
67. Enter TEST/MAINTENANCE OPTIONS (press Mode+T) press Select 3 times until STORE
NOW? DEFAULT SETTINGS shows. Press Mode+Store. Verify that DATA SAVED OK
message appears.
68. Enter TEST/MAINTENANCE OPTIONS (press Mode+T) press Select 4 times until CLEAR
NOW? STATISTICAL DATA shows. Press Reset+Store. Verify that DATA SAVED OK
message appears.
69. Enter TEST/MAINTENANCE OPTIONS (press Mode+T) press Select 5 times until the clock
adjustment display is shown. Set the time and date correctly.
70. Enter MAIN & PROTECT. parameters. set:
RATED LINE VOLT. – As indicated on the HRVS-DN label
STARTER FLC – As indicated on the HRVS-DN label
MOTOR FLA – As indicated on the medium voltage motor label.
RATED MOTOR PWR – As indicated on the medium voltage motor label.
SERVICE FACTOR – As indicated on the medium voltage motor label.
Browse all the way down until you see the message: STORE ENABLE MAIN & PROTECT.
Press the Store button and wait for the message: DATA SAVED OK.
71. Enter START parameters, set the parameters as required for the medium voltage motor.
If no other data is available, leave all parameters in their default values.
72. Enter STOP parameters, set the parameters as required for the medium voltage motor. If Soft
Stop process is used it is recommended to use same curve as for Soft Start.
73. To ensure that there were no mistakes in storing the parameters, it is advised to turn off the
control voltage and then turn it on, after 10 seconds.
Verify that all above parameters are properly stored.
Verify that statistical data is erased. (NO DATA message is displayed when browsing the
STATISTICAL DATA)
74. Turn off Control voltage.
_____________________________________________________________________________________________

111 • Test Procedure for Low Voltage Testing
_______________________________________________________________________________________________
12.3.1 Current Gain Dip Switches Setting
The unit is factory calibrated to the rated current of the starter. For example, if the STARTER FLC is 320A and
the rated current of the low voltage motor used for testing is 15A. The ratio between these current values is
21.3. In order to enable testing with that low level of current, additional gain should be added to the current
path. To do so, loosen the four screws holding the display case that covers the upper Printed Circuit Board
(PCB). Slide out the top while the two bottom screws are used as a shaft. On the right side of the PCB, there
are three couples of Gain dip switches. Each pair is for a single phase. Note that all Gain dip switches are set
to ON. Gain dip switch # 1 when set to OFF (for testing) adds gain of 5. Gain dip switch # 2 when set to OFF,
adds gain of 13.4. By setting both to OFF, a gain of 5x13.4=67 is added. Set the Gain dip switches according
to the ratio between STARTER FLC and the motor rated current. In the above example of 320A versus 15A,
set Gain dip switch # 1 to ON and Gain dip switch # 2 to OFF (total gain=13.4). Than, for the low voltage test
ser MOTOR FLA=200A (15x13.4=201). Refer to Figure 47 below.
Figure 47 – Current Gain Dip Switches Location
12.3.2 Test Harness Installation
Warning: The Standard test harness is designed for testing with low voltage mains, rated 400V.
When the test harness is ordered for higher than 400V, internal resistors are normally connected
in the middle of the wires. Never use the standard 400V Test Harness to perform low voltage tests
with test voltages that exceed 400V . Higher than the specified voltage may cause damage to the
EPT transmitter.
12.3.2.1 Test Harness Installation in HRVS-DN up to 6.6kV
The Test Harness includes three colored wires: blue, red and green wires.
These wires are used to change the resistors voltage dividing ratio in the EPT-Tx (Electronic Potential
Transformer Transmitter).
At one end of each colored wire there is banana plug with the same color as of the wire.
At the second end of the blue wire there is an alligator clip.
The second end of the red and green wires are clamped together and connected to a second alligator clip.
On the front side of the EPT-Tx you will see three colored round stickers: blue, red and green stickers.
On the rear side of the EPT-Tx, exactly at same location as the stickers, there are three small holes. These
holes have an internal banana jacks for the banana plugs.
Connect the three banana plugs the banana jacks at the rear side of the EPT-Tx. Ensure that the wire colors
match the round sticker colors at the front of the EPT-Tx.
Connect the alligator clip marked “1”, with red and green wires to phase L1.
Connect the alligator clip marked “3”, with blue wire to phase L3.

112 • Test Procedure for Low Voltage Testing
The Test Harness is equipped with a long warning tape, intended to prevent forgetting it connected.
Never cut this warning tape. Leave the warning tape open for its full length and laid in such a way
that the harness will not be connected accidentally after the low voltage test.
As a rule, always disconnect the harness immediately after ending the low voltage test. It should be
mounted inside a small plastic bag in the drawing pocket mounted on the front door.
Refer to Figure 48 below.
EPT-Tx – bus bars in front of the EPT-Tx Test harness
Figure 48 – HRVS-DN up to 6.6kV – EPT-Tx and Test Harness
12.3.2.2 Test Harness Installation in HRVS-DN from 10kV and up
The Test Harness includes three colored wires: blue, red and green.
These wires are used to change the resistor voltages dividing ratio in the EPT-Tx (Electronic Potential
Transformer Transmitter).
At one end of each colored wire there is banana plug with the same color as the wire.
At the other end of the blue wire there is an alligator clip.
The other end of the red and green wires are clamped together and connected to a second alligator clip.
On the front side of the EPT-Tx you will see three colored round stickers: blue, red and green.
These stickers are located near three small holes. These holes have internal banana jacks for the banana
plugs.
Connect the three banana plugs to the banana jacks near the colored stickers at the front side of the EPT-Tx.
Ensure that the wire and banana plugs colors match the round sticker near the hole.
Connect the alligator clip marked “1”, with blue wire to phase L1.
Connect the alligator clip marked “3”, with red and green wires to phase L3.
The Test Harness is equipped with a long warning tape, intended to prevent forgetting it connected. Never cut
this warning tape. Leave the warning tape open for its full length and laid in such a way that the harness will
not be connected accidentally after the low voltage test.
As a rule, always disconnect the harness immediately after ending the low voltage test. It should be mounted
inside a small plastic bag in the drawing pocket mounted on the front door.
Refer to Figure 49 below.
EPT-Tx – EPT-Tx in front of the busbars Test harness
Figure 49 – HRVS-DN From 10kV and up – EPT-Tx and Test Harness
_____________________________________________________________________________________________

113 • Start Procedure for Medium voltage Motor
_______________________________________________________________________________________________
13. START PROCEDURE FOR MEDIUM VOLTAGE MOTOR
13.1 Special Attention Notes
Special
Attention!
• Make sure that you know where the Emergency stop button is located, so you
can stop immediately if needed.
• Verify that the Emergency stop button is operative and pushing the Emergency
stop button disconnecting the motor from the mains.
• During the entire starting time you should continuously read the three currents
as shown on the HRVS-DN LCD display. They should show, more or less same
values.
• If the currents are significantly different - STOP IMMEDIATELY. Do not wait the
total start time until a trip occurs.
• Verify that NUMBER OF STARTS parameter is set to 1 and STARTS PERIOD
is set to 20.
Remember ! Do not start too often, especially if the starting time is long.
Prevent damage to both motor and starter !
• Carefully read the Soft Starter Instruction Manual as well as the optional Motor
Protection Relay (MPR) Instruction Manual if installed.
• When mains voltage is connected to the HRVS-DN, even if control voltage is
disconnected, full voltage appear on the HRVS-DN load terminals. Therefore,
for isolation purposes, it is necessary to connect an isolating device upstream to
the HRVS-DN.
• Power factor correction capacitors must not be installed on the load side of the
HRVS-DN. When required, install capacitors on the line side of the HRVS-DN.
• Do not interchange line and load connections. Verify correct connections to the
HRVS-DN terminals: L1, L2, L3, L1b, L2b, L3b, U, V, W.
• Before starting the motor verify its rotation direction. If needed, disconnect the
rotor from the mechanical load and verify the correct direction of rotation.
• Prior to start up procedure, make sure that line voltage and control voltage
match the ones shown on the label of the HRVS-DN.
• When the Start signal is initiated and a motor is not connected to load terminals,
the S. SCR OR WR. CON protection will be activated. Other loads such as
incandescent light bulbs, resistors, etc. may also cause a S. SCR OR WR. CON
fault.
13.2 Prior to Commissioning in Medium Voltage
Verify that the Full Load Ampere (FLA) of the motor is lower than or equal to the Full Load Current (FLC) of
the HRVS-DN, and that the mains and control voltages are as indicated on the side and/or front label of the
HRVS-DN.
Verify that HRVS-DN FLC ≥ motor FLA!
Verify that mains voltage is correct!
Verify that control voltage is correct!
HRVS-DN label - example

114 • Start Procedure for Medium voltage Motor
13.3 Medium Voltage Test Procedure
1. Verify that a Megger test was performed to the motor and its cables. This test should be carried
when the HRVS-DN is not connected to the motor.
2. Verify that low voltage Test Harn`ess and cables are disconnected and removed.
3. Verify that all 6 Gain dip switches on the fiberoptic PCB (PC2055) are set to ON.
4. Enter MAIN & PROTECT. parameters. set:
RATED LINE VOLT. – As indicated on the HRVS-DN label
STARTER FLC – As indicated on the HRVS-DN label
MOTOR FLA – As indicated on the medium voltage motor label.
RATED MOTOR PWR – As indicated on the medium voltage motor label.
SERVICE FACTOR – As indicated on the medium voltage motor label.
Browse all the way down until you see the message: STORE ENABLE MAIN & PROTECT.
Press the Store button and wait for the message: DATA SAVED OK.
5. Enter START parameters, set the parameters as required for the medium voltage motor.
If no other data is available, leave all parameters in their default values.
Verify that NUMBER OF STARTS parameter is set to 1.
Remember ! Do not start too often, especially if starting time is long. Prevent damage to both
motor and starter !
Browse all the way down until you see the message: STORE ENABLE START PARAMETERS.
Press the Store button and wait for the message: DATA SAVED OK.
6. Enter STOP parameters.
If Soft Stop process is required it is recommended to use same SOFT STOP CURVE as SOFT
START CURVE.
Set DEC. TIME
If soft stop is not required, set Deceleration time (DEC. TIME) to minimum value (0 seconds).
Browse all the way down until you see the message: STORE ENABLE STOP PARAMETERS.
Press the Store button and wait for the message: DATA SAVED OK.
7. Verify that all other parameters are setting properly for the application.
8. Return the screen to the current display (first currents reading screen is in % OF MOTOR FLA).
9. Be sure to know where an Emergency stop button is located, so you can stop immediately if
needed.
10. It is strongly recommended that another person stand near the motor and have cellular (or other)
contact with you. He should be authorized to stop immediately (if a remote stop button is
available) or to ask you to immediately stop in any case where an unusual mechanical noise is
heard.
11. During the entire starting time you should continuously read the three currents as shown on the
starter’s display. They should show, more or less same values.
12. If the currents are significantly different - STOP IMMEDIATELY. Do not wait the total start time
until a trip occurs.
13. In any problem occurs, look at the following troubleshooting instructions.
14. It is strongly recommended to go back to the low voltage test if in doubt.
15. After successful starting, with real load, set MAX START TIME (in START PARAMETERS
page) to few seconds above the actual time seen in the STATISTICAL DATA page, to prevent
starter and motor overheating if load is increased and motor cannot start.
_____________________________________________________________________________________________

115 • Start Procedure for Medium voltage Motor
_______________________________________________________________________________________________
13.4 Standard Starting Process
Yes
Motor starts to turn
shortl
y
after START
No
Initial inrush current or
mechanical shock is
too high?
No
Increase INITIAL VOLTAGE and start again
Yes
Decrease INITIAL VOLTAGE and start again
Apply START command
Speed accelerates
smoothly to nominal?
No Current during
acceleration is too
high?
Decrease CURRENT LIMIT
No Motor speed does not
accelerate to nominal?
Increase CURRENT LIMIT
Yes Yes No
Yes
A
pp
l
y
the STOP command and wait until the motor sto
p
s.
Sli
g
htl
y
increase INITIAL VOLTAGE
See next page
A

116 • Start Procedure for Medium voltage Motor
A
A
pp
l
y
the START command
If acceleration time is too short, increase
ACCELARATION TIME setting and/or decrease
CURRENT LIMIT setting (when decreasing CURRENT
LIMIT, make sure that the motor increases speed
gradually and does not stall).
Yes
No
Motor acceleration time
to full speed is as
required?
13.5 Examples of Starting Curves
• Check LAST START PERIOD and set MAX. START TIME to approximately 5 seconds
longer than the LAST START PERIOD.
• For future reference it is advised to keep records of the following parameters in the
STATISTICAL DATA:
LAST START PERIOD
LAST START MAX I
13.5.1 Light Loads - Pumps, Etc.
(In these cases the actual current is always lower than the CURRENT LIMIT setting)
INITIAL VOLTAGE- set to 30%
CURRENT LIMIT - set to 300-350%
ACCELERATION TIME- set to 10 sec.
Upon start, the voltage quickly increases to the INITIAL VOLTAGE value (30% of Un) and then gradually
ramps-up to nominal.
The current will simultaneously increase to peak current value (lower than the CURRENT LIMIT setting),
before smoothly decreasing to the operating current.
13.5.2 High Inertia Loads: Crushers, Centrifuges, Mixers, Etc.
(In these cases the actual current is at the CURRENT LIMIT setting during part of the starting time)
INITIAL VOLTAGE– set 40%
CURRENT LIMIT– set 400%
ACCELERATION TIME– set 3 sec
_____________________________________________________________________________________________

117 • Start Procedure for Medium voltage Motor
_______________________________________________________________________________________________
Upon START the voltage and current increase until the current reaches the CURRENT LIMIT value. The
voltage remains at this value until the motor reaches close to nominal speed, where current starts to decrease
and voltage continues to ramp-up to nominal.
13.5.3 Special Starting Using DUAL ADJUSTMENT
Using two starting characteristics, the HRVS-DN will accelerate using standard characteristics (INITIAL
VOLTAGE, ACCELERATION TIME and CURRENT LIMIT). After transition (tx) (IMMEDIATE relay delay),
voltage to input terminal 8 is switched on using the DUAL ADJUSTMENT characteristic to complete
acceleration.
Perform the following steps:
• To use DUAL ADJUSTMENT automatically, connect IMMEDIATE in series to input terminal 8 as shown in
section 13.5.3.1 below.
• Program IMM./ RELAY TYPE to IMMEDIATE (default setting) and program RELAY ON DELAY to tx.
• Program PROG. INPUT #8 to DUAL ADJUSTMENT (default setting).
• Program standard parameters and DUAL ADJUSTMENT parameters as shown in the table below.
Using two starting characteristics, the HRVS-DN will accelerate to reach the 200% current limit. After tx
voltage to PROG. INPUT #8 is switched on, using the DUAL ADJUSTMENT characteristic to complete
acceleration.
Parameter Main Setting DUAL ADJUSTMENT Setting
INITIAL VOLTAGE 10% 25%
ACCELERATION TIME t1 = 2-30 sec t2 = 2-30 sec
CURRENT LIMIT 200% 300-400%
RELAY ON DELAY tx = 1-60 sec. -----

118 • Start Procedure for Medium voltage Motor
13.5.3.1 Special Starting – Using DUAL ADJUSTMENT – Wiring Diagram
13.5.4 Choosing a Suitable Pump Curve (Centrifugal Pumps)
13.5.4.1 Starting Curve
• Adjust MAIN PARAMETERS as necessary (FLA, FLC, etc.).
• Set STARTING CURVE, ACCELERATION TIME, CURRENT LIMIT, and INITIAL VOLTAGE to their default
values (curve 1, 10 sec., 400% and 30% respectively).
• Start the pump while watching the pressure gauge as the pump starts and look for overshooting (“pressure
surge”) of the gauge needle above the target pressure. In case of over pressure, choose a peak torque
reduction curve (SOFT START CURVE 2!!).
• Set SOFT START CURVE 2!!, increase ACCELERATION TIME to 15 seconds and reduce CURRENT LIMIT
to 350%. Start the pump and watch the pressure gauge while the pump starts.
• In most cases, overshooting is reduced. If the overshoot persists, increase ACCELERATION TIME to 25
seconds (confirm with motor manufacturer) and try again.
• If the overpressure persists, increase the SOFT START CURVE setting to 3!!, or 4!!, if necessary. Each
increase in the SOFT START CURVE setting will reduce the peak torque, thus reducing the overpressure
and preventing “pressure surge” during start.
13.5.4.2 Stopping Curve
• Adjust MAIN PARAMETERS as necessary (FLA, FLC, etc.)
• Set SOFT STOP CURVE and DECELERATION TIME, to their default values (curve 1, 10 sec.,
respectively).
• Stop the pump, watching the pressure gauge and check valve as the pump stops. Look for overshooting
(“water hammer”) of the gauge (abruptly stops the pump and the motor).
_____________________________________________________________________________________________

119 • Start Procedure for Medium voltage Motor
_______________________________________________________________________________________________
• Select SOFT STOP CURVE 2!! and increase DECELERATION TIME to 15 seconds. Stop the pump and
watch the pressure gauge and the rate of closing of the check valve as the pump stops. Abrupt stopping of
the pump and motor will cause a loud audible noise emitted from the check valve.
• In most cases, “water hammer” is reduced. If “water hammer” persists, increase the time to 25 seconds
(confirm with motor manufacturer) and try again.
• If “water hammer” persists, increase the SOFT STOP CURVE setting to 3!!, or 4!!. Each increase in the
SOFT STOP CURVE will reduce the abrupt stop of the pump, thus preventing the “water hammer”
phenomenon.
13.5.4.3 FINAL TORQUE During Soft-Stopping a Pump Motor
While decelerating, the check valve may close before DECELERATION TIME has elapsed, thus allowing
current to flow through stator winding causing unnecessary heat. Select FINAL TORQUE sensitivity to 1 and
stop the pump, then confirm that the current stopped flowing through the motor shortly after the check valve
closed.
If current still flows more than 3-5 seconds after check valve closure, increase FINAL TORQUE (up to a
maximum value of 10) to stop current flow earlier.
13.6 How to set MPS-3000 and DPM-10 when installed with HRVS-DN
If MPS-3000 (Solcon motor protection) and/or DPM-10 (Solcon digital power meter) are integrated in the
HRVS-DN cabinet in a way that voltage readings are from the EPT and current measurements are from the
HRVS-DN internal CTs special attention must be given to the setting of these units.
Before setting the MPS-3000, read the MPS-3000 instruction manual.
Before setting the DPM-10, read the DPM-10 instruction manual.
If the MPS and DPM-10 use separate (not the internal soft starter) CTs and PTs (current and voltage
transformers), then set all MPS and DPM-10 parameters according to the instruction manual.
If, however the MPS and DPM-10 use the HRVS-DN Internal CTs and Electronic Potential Transformer (EPT),
a number of parameter settings must be performed as explained below.
Inside the soft starter, there is an EPT. Its “primary” rated voltage is equal to the starter rated voltage. Its
“secondary” rated voltage is 120VAC.
Inside the soft starter, special CTs are used. Their primary rated current equals to the starter rated current.
Their secondary rated current is 2A. The secondary current is connected to the MPS-3000 5A input and to the
DPM-10 5A input.

120 • Start Procedure for Medium voltage Motor
In the MPS-3000 SYSTEM PARAMETER setting page, please set:
LINE VOLTS = Actual rated line voltage (should be equal or lower than starter rated voltage).
VT PRIMARY = Starter rated voltage (the Electronic Potential Transformer is calibrated to
the starter rated voltage).
VT SECONDARY = 120 (the EPT “secondary” rated voltage).
MOTOR FLC = Actual Motor Name Plate (Rated) current (should be equal or lower than
starter rated current).
CT PRIMARY = 2.5 x Starter Rated Current. (See note 1 below)
GND CT PRIMARY = same as CT PRIMARY setting.
In the DPM-10 PARAMETER setting page, please set:
P+ (Potential Transformer ratio) = Ratio between Primary and secondary of the P/T. Set to: Vn/120.
If, for example Vn=3300V then set to: 3300/120=27.5.
C+ (C.Ts Primary) = 2.5 x Starter Rated Current.
Explanation of CT PRIMARY: If The rated starter current is - for example - 1000A, its CTs (that are used
also for the MPS and DPM-10) are 1000 / 2A.
Please note that CTs secondary current is 2A, not 5A as of the DPM-10 and as of the MPS-3000 (See note 1
below).
When 1000A flows, the DPM-10 and MPS-3000 gets only 2A instead 5A and will calculate 2 / 5 x1000 = 400A.
Therefore we have to set the CT Primary to 1000x(5/2)=2500, which with 2A will read exactly 1000A as
required.
Notes:
1. In the MPS-3000 there is a second set of current transformers with a secondary of 1A. (Terminals 82,
85, 88 and 91).
In this case, when 1000A flows, the MPS-3000 gets 2A instead 1A and will calculate 2 / 1 x1000 = 2000A.
Therefore we have to set the CT Primary to 1000x(1/2)= 500, which with 2A will read exactly 1000A as
required.
2. In the MPS-3000 and DPM-10, each parameter has to be stored separately (while in the soft starter
you store all parameters of a page together).
_____________________________________________________________________________________________

121 • Trouble Shooting
_______________________________________________________________________________________________
14. TROUBLE SHOOTING
The following procedures should be done only upon fault and in case trouble shooting is required.
14.1 In-Out Resistance and Cathode-Cathode Resistance
Verify that the motor is disconnected.
Disconnect the cabinet mains isolator switch or fuses, if installed.
In-Out resistances should be the same for all three phases in each model. Cathode-Cathode
resistances are indicated in the following table:
HRVS-DN Rated
Voltage L1 – U
L2 - V
L3 - W
Cathode-Cathode
2.3kV 1.2MΩ ±10% 1/2 of In-Out resistance
3.3kV 135kΩ ±10% 1/3 of In-Out resistance
4.16kV 135kΩ ±10%
6.6kV
300kΩ ±10%
10kV 420kΩ ±10% 1/5 or 1/6 of In-Out
resistance. (depends
on number of thyristors
in the soft starter)
11kV 450kΩ ±10%
13.2kV 500kΩ ±10%
13.8kV 500kΩ ±10%
15kV 550kΩ ±10%
Refer to Figure 50 In order to identify the Cathode terminals of all 6 SCRs on the firing PCB.
A number is written on the firing PCB to identify the SCRs.
Measure Cathode-Cathode resistances as follows:
Cathode SCR#1 to Cathode SCR#2 (should be 1/3 of L1-U, L2-V, L3-W)
Cathode SCR#2 to Cathode SCR#3 (should be 1/3 of L1-U, L2-V, L3-W)
Cathode SCR#3 to Cathode SCR#4 (should be 1/3 of L1-U, L2-V, L3-W)
Cathode SCR#1 to Cathode SCR#4 (should be same as L1-U, L2-V, L3-W)
Verify that values correspond to the above table.
14.2 Rgk (thyristors Gate-Cathode) Resistances.
Thyristors Gate-Cathode resistances can easily be measured from the firing PCBs.
In order to access the testing points the front cover of the Power Section needs to be dismantled.
Gate-Cathode connection points of SCR#1 are illustrated in Figure 50. Measure all SCRs’ Rgk
resistances in each of the phases.
Rgk values should be about the same for all thyristors in the phase, and in the range of 7-20 Ω.
Figure 50 – Firing PCB – SCR#1 Gate-Cathode Testing

122 • Trouble Shooting
14.3 Firing Test
The purpose of this test is to check that the firing system of all thyristors functions properly.
This procedure requires control supply voltage only (No need for mains three phases).
• Disconnect mains. Verify all safety issues are
resolved.
• Open 10 hexagon head white plastic screws
holding the front cover of all 3 phases.
• Dismantle front cover of all three phases
• Identify 6 green LEDs and 6 red LEDs as
shown in the picture.
Number of LEDs varies for different voltages
models.
• Program input #7 to TEST. (Remember to
store the parameter!) Refer to section 7.8.7
page 74.
• Connect control input voltage to terminal #7.
The Test LED on the control keypad will lit.
Refer to section 5.12 page 38.
• Press the Mode key until the following appears
in the display :
FIRING TEST
DISCONNECT MAINS
Green
LEDs Red
LEDs
Press the Select button.
The display will show:
FIRING PWR SUPPLY
CHECK GREEN LEDS
_____________________________________________________________________________________________

123 • Trouble Shooting
_______________________________________________________________________________________________
Press the Select button a second time.
The display will show:
FIRING NOW CHECK
GREEN & RED LEDS
Press the Select button a third time.
The display will show:
FIRING NOW CHECK
ALL LEDS OF R&S
Press the Select button a fourth time.
The display will show:
FIRING NOW CHECK
ALL LEDS OF S&T
Press the Select button a fifth time.
The display will show:
FIRING NOW CHECK
ALL LEDS OF R&T
Note:
• The firing test is limited to 30 seconds. If you did not manage to conclude the test you can repeat until all 5
stages are done.
If the firing test fails:
• Check the fuses in the switch mode power supplies (PC2075 for AC control voltage, PC2076 for DC control
voltage). Refer to section 10.2.4 page 94 for fuse locations.
Note: DC control voltage uses all three fuses in a series, so if one fails to operate, all firing LEDs can’t light.
• Check that fiber optic wires # 1, 3 and 5 (firing phases 1, 2 and 3) are properly connected according to the
markings on the Control Module.
• Check that they are inserted into their connectors to the full depth and not damaged .
• Check that the fiber optic wires of the power modules that are connected between the individual power
supplies (PC2075 or PC2076) and the firing PCBs are properly inserted.
• When Control Voltage is turned ON, the green LEDs in the power modules may blink shortly. This is normal.

124 • Trouble Shooting
14.4 Low Voltage Test Trouble Shooting
Problem What To Do
HRVS-DN Control
Module is not
powered after external
control voltage is
connected.
• Verify that cabinet MCBs are set to ON position.
• Verify that the Emergency Stop push button is released.
• Verify that customer terminals 5 & 6 are jumpered.
• Verify that the DOL/Soft Start selector switch is set to Soft Start.
• Verify that rated control voltage is connected to customer terminals 1 & 2.
• Verify correct polarity for DC control voltage.
Upon control voltage
connection the HRVS-
DN Control Module
trips immediately
• Disconnecting control voltage from the Control Module and reconnecting the
control voltage does not reset the soft starter if tripped.
• Reset the HRVS-DN by pressing the Reset key.
PWR ON & NO STRT
Trip occurs before
starting.
• It occurs, when mains voltage is connected to the HRVS-DN more than 30
sec. without a start signal.
• It may occur if mains voltage is connected downstream (“below”) from the
Line Contactor instead of upstream (“above”) the Line Contactor. The starter
protects itself from overheating.
• Can be disabled for special applications.
Local start command
does not cause any
action.
• Verify that the Local/Remote/Off Selector switch is set to Local and remote
light does not light.
• Verify that the Fault light is not active on the front panel, or on the starter
control panel or on the MPR panel.
• If the Fault light is turned ON:
o Verify that there are no fault messages on HRVS-DN & MPR displays.
o Reset if necessary.
o Check setting of the trip relay logic (FAULT/FAULT FAIL-SAFE) of the
soft starter and MPR. Improper setting de-energizes fault relays FT &
FT/1.
• Verify that the Local/Remote/Off Selector switch is set to Remote and the
Remote indication light is on.
• Verify that the Fault indication light is not active on the door and starter &
MPR panels.
Remote start
command does not
cause any action.
• If the trip indication light is turned ON:
o Verify that there are no fault messages on the Starter & MPR displays.
o Reset if necessary.
o Check setting of the trip relay logic (FAULT/FAULT FAIL-SAFE) of the
soft starter and MPR. Improper setting de-energizes fault relays FT &
FT/1.
_____________________________________________________________________________________________

125 • Trouble Shooting
_______________________________________________________________________________________________
Problem What To Do
UNDER/NO
VOLTAGE trip occurs
immediately after
starting.
• Verify that all three mains phases are connected.
• At low voltage, testing a missing phase can cause UNDER/NO VOLTAGE
trip.
• Verify that the test harness is connected to the EPT-Tx while testing at low
voltage.
• Verify that the Line Contactor is closed, at least for a short time, at the
beginning of the start process.
• If external line (mains) contactor is used, ensure that its auxiliary contact is
wired back to the HRVS-DN cabinet and used (in series with RS relay
contact) to initiate the start command (this contact should not be bridged in
the customer terminals).
• Check UNDERVOLT. TRIP setting level in MAIN & PROTECT page.
• Verify that the Electronic Potential Transformer Receiver (EPT-Rx) fuse
located in the Receiver auxiliary supply plug is OK.
• Verify that the fiber optics wires connecting the EPT-Tx and EPT-Rx are
properly connected.
• Move the external mains connection from upstream of the Line Contactor to
down stream the Line Contactor and turn on the mains voltage . Check
120VAC line to line between EPT-Rx output terminals. Try to start now.
• Take out fibers 11 and 13 from the EPT-Rx, they should emit red light with
the same intensity.
• Check that the 15 pin white connector is properly connected, at the back of
the Control Module.
OVER VOLTAGE trip
occurs immediately
after starting.
• Make sure that the mains testing voltage is 400V or as written as on the test
harness.
• If it is higher, disconnect the mains voltage immediately.
• Check OVERVOLT. TRIP setting level in MAIN & PROTECT page.
PHASE SEQUENCE
trip occurs
immediately after
starting.
• Phase sequence of the mains lines is wrong.
• Two options are available:
o Swap two input lines.
o Set PHASE SEQUENCE setting in FAULT PARAMETERS as
required.
TOO MANY STARTS
trip occurs
immediately after
starting.
• The default setting allows for one start per 20 minutes.
• To reset the fault find the NUMBER OF STARTS setting at the end of the
START PARAMETERS page, increase setting to OFF, then reset. Store at
the end of the page.
• Be sure to set for medium voltage operation after end of testing.
S.SCR OR WR CON.
Trip occurs after
starting.
• Verify that the motor’s rated current multiplied by the Gain (as set by the dip
switches) is greater than or equal to 30% of FLC.
• It may occur when the load is not a motor.
• Verify that fiber optic wires 1,3 & 5 are properly connected.
• Verify that Current Gain dip switches are set equally for the three phases and
according to the ratio between starter rated current and testing motor rated
current.
• Try to start using SOFT START CURVE 0, the basic curve. If the motor is not
loaded and has no inertia, the motor may vibrate after reaching full speed.
This is normal and will not occur with the MV motor.
o If the test motor starts properly then the current transformers and their
wiring should be checked.
o If the test motor does not start properly the measured current may be
too low.
• Perform a firing test as described on section 14.3 page 122.
• Check fuses and fuses holders in phases firing power supplies. Refer to
section 10.2.4 page 94.
• Sometimes SOFT START CURVE 0 enables the soft start process, even if a
CT or its wiring is problematic, if mains conditions are not ideal or with non-
standard motor. Current in every phase must, however be above 5% of
starter FLC, or the same trip might occur.

126 • Trouble Shooting
Problem What To Do
SET CURVE TO 0 trip
occurs after starting.
• Check that pairs of Gain dip switches are set identically for the three phases.
• Try SOFT START CURVE 0.
• Verify that the motor is not too small. Try to use a larger motor, with inertia or
loaded, if possible.
• If vibration occurs at the beginning of start process with SOFT START
CURVE 1, 2, 3, 4 or 5 try SOFT START CURVE 0.
• If vibrations occurs at the beginning of start process with SOFT START
CURVE 0 check low voltage test harness installation, fiber optic 11 & 13 and
EPT-Rx outputs.
• Vibrations, when approaching full speed at the start of SOFT START CURVE
0 with motors that have no load are normal and do not indicate a problem.
With other SOFT START CURVE it can occur with small / unloaded motor
which accelerates too fast. Try to reduce INITIAL VOLTAGE to a minimum.
Motor makes irregular
noise while starting.
• Verify that current Gain dip switches are set according to the ratio between
the rated current of the HRVS-DN and the testing motor rated current .
• If the test motor is loaded or has some inertia, try to start with SOFT START
CURVE 0, the basic curve. If the problem is solved, then test the current
transformers and their wiring. Sometimes the SOFT START CURVE 0
enables a loaded motor to start properly, even if a CT or its wiring are faulty
or with a problematic mains (weak transformer for the low voltage test).
• Check that all fibers are properly connected according to their numbers.
O/C-SHEAR PIN trip
occurs immediately
after starting.
• Verify that Current Gain dip switches are set according to the ratio between
the rated current of the starter and the testing motor rated current.
• The trip can occur if added (by setting of Gain dip switches) gain is too high.
• Try to start with SOFT START CURVE 0 and stop with SOFT STOP CURVE
0. If problem us solved the current transformers and their wiring should be
checked.
• Check that all fiber optic wires are properly connected.
• Verify that all three phases are within range.
PHASE LOSS trip
occurs after starting.
• Verify that EPT-Tx and EPT-Rx fiber optic wires are properly connected.
• If low voltage mains is powered from a generator, check that frequency is
within the range of 46Hz < f <64Hz.
• Verify, by reading currents on the display, that the three current readings are
identical (before the trip).
• Check that fiber optic wires 1, 3 & 5 are properly connected to the Control
Module.
UNBALANCE
CURRENT trip occurs
after starting.
• Check that the current Gain dip switches are set identically in the three
phases.
• Verify that current flows in all three phases.
• If there is no current display on one phase:
o Change to SOFT START CURVE 0 (basic).
o Try to start.
• If problem still exist perform a firing test. Refer to section 14.3 page 122.
• View the three currents on starter’s display.
• Check that the current Gain dip switches are set identically in the three
phases.
• Verify that an output cable to the motor is not short circuited to the chassis
ground.
GROUND FAULT trip
occurs after starting. • Verify that two wires of a CT are not swapped (can occur only if user
changed CTs wiring! )
Note: SUCH ACTION WILL VOID MANUFACTURER’S WARRANTY !
• Disconnect the low voltage motor. Check motor insulation with a Megger
tester.
_____________________________________________________________________________________________

127 • Trouble Shooting
_______________________________________________________________________________________________
Problem What To Do
Motor vibrates
mechanically at the
end of starting
process or at the
beginning of soft stop.
current fluctuates.
• This phenomena may occur with unloaded or lightly loaded motor, if SOFT
START CURVE 0 is used.
• Use standard curve SOFT START CURVE 1 and SOFT STOP CURVE 1.
OPEN BYPASS trip
occurs after end of
start process.
• Verify that Current Gain dip switches are set according to the ratio between
the rated current of the starter and the testing motor rated current.
• Check Bypass Contactor wiring.
Current reading as
displayed on starter’s
panel is not correct.
• Verify that HRVS-DN FLC setting parameter is set according to the rated
current of the starter.
• Current Gain dip switches gain current reading as follows:
o Both Gain dip switches of phases set to on -> gain = 1
o Gain dip switches # 1 of phases set to off -> gain = 5
o Gain dip switches # 2 of phases set to off -> gain = 13.4
o Both Gain dip switches of phases set to off -> gain = 67
• Use a Clamp-on the Ammeter to measure test the motor current.
• Starter’s current reading should be approximately actual current multiplied by
the gain ratio set by the Gain dip switches.
• Set parameters to default parameters and re-program the HRVS-DN.
OVERLOAD trip
occurs after Bypass is
closed.
• Verify that current Gain dip switches are set according to the testing motor
rated current versus rated current of the starter. Overload trip can occur if
gain (set by Gain dip switches settings) is too high.
• Verify that the HRVS-DN FLC setting parameter is set according to the rated
current of the HRVS-DN.
• Set Motor FLA identically to HRVS-DN FLC.
• Reset, start again and read currents on screen.
• Check if current readings after start are is more than starter’s rated current.
UNDER CURRENT
trip occurs after
Bypass is closed.
• Reduce setting of Undercurrent setting in the MAIN & PROTECT Parameters
settings.
MPR does not
respond to current
during low voltage
motor starting.
• This is normal. The MPR (Motor Protection Relay) does not have extra gain
for testing. Its current reading may be very low, below the minimum
threshold.
Motor is started
immediately after
resetting a trip.
• Might occur when the Local / Remote switch is set to remote, and the remote
contact is closed.
Note: It is the responsibility of the remote controller to open the remote
start/stop contact immediately upon trip.

128 • Trouble Shooting
14.5 Medium Voltage Trouble shooting
This troubleshooting table is intended for Medium voltage testing, while medium voltage and motor are
connected to the cabinet .It is intended to be used only after low voltage tests are successfully performed.
WARNING! It is absolutely forbidden to open one or more of the medium voltage doors, even if the
motor is not running and Line Contactor is open.
It is not advised to try troubleshooting the system while connected to the medium
voltage mains. Should any other than operational or minor problem occur, it is
recommended to go back to the low voltage test.
Before starting, recheck rated mains voltage and current, and compare them to HRVS-
DN rated values.
Note: If the mains network is weak (long lines, small transformers, generator supply),
it is recommended to set SOFT START CURVE 0 and SOFT STOP CURVE 0.
Problem What To Do
• Verify that the cabinet MCBs are set to the ON position.
• Verify that the Emergency Stop push button is released.
HRVS-DN Control
Module is not powered
after external control
voltage is connected.
• Verify that customer terminals 5 & 6 are jumpered.
• Verify that the DOL/Soft Start selector switch is set to Soft Start.
• Verify that rated control voltage is connected to customer terminals 1 & 2.
• Verify correct polarity for DC control voltage.
Upon control voltage
connection the HRVS-
DN Control Module
trips immediately
• Disconnecting control voltage from the Control Module and reconnecting the
control voltage do not reset the soft starter if tripped.
• Reset the HRVS-DN by pressing the Reset key.
• It occurs, when mains voltage is connected to the HRVS-DN more than 30
sec. without a start signal.
• Normal control logic is such that the start command first closes the Line
Contactor and apply medium voltage to the L1, L2, L3 bus bars of the HRVS-
DN IP00 unit.
PWR ON & NO STRT
Trip occurs before
starting. • When the Line Contactor is located outside the cabinet, make sure that its
auxiliary contact is wired to apply control input voltage to terminals 5 & 6 of
the Control Module via the customer terminals. The auxiliary contact of the
Line Contactor must be connected in a series to a contact of the RS relay.
• Verify that the Local/Remote/Off Selector switch is set to Local and remote
light does not lit.
• Verify that the Fault light is not active on the front panel, on the starter control
panel or on the MPR panel.
Local start command
does not cause any
action.
• If the Fault light is turned ON:
o Verify that there are no fault messages on HRVS-DN & MPR displays.
o Reset if necessary.
o Check the settings of the trip relay logic (FAULT/FAULT FAIL-SAFE)
of the soft starter and MPR. Improper settings de-energizes fault
relays FT & FT/1.
• Verify that the Local/Remote/Off Selector switch is set to Remote and the
Remote indication light is on.
• Verify that Fault indication light is not active on the door, starter and MPR
panels. Remote start
command does not
cause any action.
• If the trip indication light is turned ON:
o Verify that there are no fault messages on Starter & MPR displays.
o Reset if necessary.
• Check setting of the trip relay logic (FAULT/FAULT FAIL-SAFE) of the soft
starter and MPR. Improper setting de-energizes fault relays FT & FT/1.
_____________________________________________________________________________________________

129 • Trouble Shooting
_______________________________________________________________________________________________
Problem What To Do
UNDER/NO
VOLTAGE trip occurs
immediately after
starting.
• Verify that the Mains voltage is connected (no open Isolator, etc.).
• Verify by listening, that the Line Contactor is closed at start, at least for a
short period of time (until the Trip command opens it).
• If an external Line Contactor is used, ensure that its auxiliary contact is wired
back to the HRVS-DN cabinet and used (in series with RS relay) to apply the
start command in terminals 5 & 6 in the Control Module (this contact should
not be bridged in the customer terminals.
• Check UNDERVOLT TRIP setting level in the MAIN & PROTECT setting
page.
• Verify that the fuse located in the EPT-Rx connector did not melt. Refer to
section 10.2.4 page 94.
• Check that the 15 pin white connector is properly connected, at the back of
the HRVS-DN Control Module
• Disconnect and secure the mains source.
• Check EPT-Tx to EPT-Rx fiber optic connections.
• If required perform a second low voltage test .
OVER VOLTAGE trip
occurs immediately
after starting.
• Verify that HRVS-DN rated voltage is identical to mains voltage.
• Check OVERVOLT TRIP setting level in MAIN & PROTECT page.
• If the unit is powered from the generator, check its output voltage.
PHASE SEQUENCE
trip occurs
immediately after
starting.
• Phase sequence of the mains lines is wrong.
• Two options are available:
o Swap two input lines.
o Set PHASE SEQUENCE setting in FAULT PARAMETERS as
required.
TOO MANY STARTS
trip occurs
immediately after
starting.
• Check and verify correct settings of the following parameters in the START
PARAMETRS page: NUMBER OF STARTS, STARTS PERIOD and START
INHIBIT. Refer to section 7.8.3 page 61.
• Warning: Wait at least the required time between starts to prevent damage,
both to the starter and motor !
S.SCR OR WR CON.
Trip occurs after
starting.
• Verify that the Current Gain dip switches are set to ON.
• Disconnect medium voltage and verify that motor and mains input are
properly connected.
• Check that all fiber optic wires are properly connected.
• Set SOFT START CURVE 0 and try to start.
o If the problem is solved and the start process is OK, leave it on SOFT
START CURVE 0. Set SOFT STOP CURVE 0 as well.
o If the problem is not solved then the measured current in one or more
phases may be too low.
• Another reason can be nonstandard motor parameters.
• SOFT STOP CURVE 0 may enable it to function properly, even if the mains
conditions are not ideal or with non-standard motor. Current in every phase
must however be above 10% of starter FLC, or the same trip may occur.
SET CURVE TO 0
trip occurs after
starting.
• Mains and system conditions are not optimal for other than SOFT START 0
and SOFT STOP CURVE 0. Set both parameters in START PARAMETERS
page and in STOP PARAMETERS page.
• Try to start the motor again.
Motor makes irregular
noise while starting.
• Check that all fiber optic wires are properly connected.
• Try to start with SOFT START CURVE 0.
• If the problem is resolved, check the current transformers and their wiring.
• SOFT START CURVE 0 may enable it to function properly even if a CT or its
wiring are faulty.
O/C-SHEAR PIN trip
occurs immediately
after starting.
• Verify that current Gain dip switches are set to on and not left in the
high gain off position, used for the low voltage test.
• Try to start and stop with SOFT START 0 and SOFT STOP CURVE 0.
• If the problem is solved, check the current transformers and their
wiring.
• Check that all fiber optic wires are properly connected.

130 • Trouble Shooting
Problem What To Do
• Verify that all three phases are within range.
• Verify that EPT-Tx and EPT-Rx fiber optic wires are properly connected.
PHASE LOSS trip
occurs after starting. • If low voltage mains is powered from a generator, check that the frequency is
within the range of 46Hz < f <64Hz.
Try to start and stop with SOFT START 0 and SOFT STOP CURVE 0.
• Verify, by reading currents on the display, that the three current readings are
identical (before the trip).
• Check that fiber optic wires 1, 3 & 5 are properly connected to the Control
Module.
UNBALANCE
CURRENT trip occurs
after starting.
• Check that the Current Gain dip switches are set identically in the three
phases.
• Verify that current flows in all three phases.
• If there is no current display on one phase:
o Change to SOFT START CURVE 0 (basic).
o Try to start.
• If the problem persists perform a firing test. Refer to section 14.3 page 122.
• View the three currents on starter’s display.
• Check that the current Gain dip switches are set identically to ON in the three
phases.
• Verify that output cables to the motor are not short circuited to the chassis
ground.
GROUND FAULT trip
occurs after starting. • Verify that two wires of a CT are not swapped (can occur only if user
changed CTs wiring! )
Note: SUCH ACTION WILL VOID MANUFACTURER’S WARRANTY !
• Disconnect the motor. Check motor insulation with a Megger tester.
Motor vibrates
mechanically at the
end of starting
process or at the
beginning of soft stop.
current fluctuates.
• This may occur if SOFT START CURVE 0 is used with a motor that has a
light or non-existent load,.
• Use standard curve SOFT START CURVE 1 and SOFT STOP CURVE 1.
• Bypass Contactor cannot close.
OPEN BYPASS trip
occurs after end of
start process.
• If, when the Bypass is closed, currents do not flow through the starter CTs
then it is possible to override this trip by setting BY PASS OPEN TRIP at the
FAULT PARAMETERS page to DISABLE. This type of problem may occur if
the Bypass Contactor is located in another cabinet.
Current reading as
displayed on starter’s
panel is not correct.
• Verify that the HRVS-DN FLC setting parameter is set according to the rated
current of the starter.
• Verify that current Gain dip switches are set to on.
• Verify that the STARTER FLC setting parameter is set according to the rated
current of the starter.
OVERLOAD trip
occurs after Bypass is
closed.
• Verify that the MOTOR FLA is set according to motor nameplate current.
• Reset, start again and read currents on screen.
• Check if current readings are more than 100% of the motor’s rated current.
• Compare to current readings of another device (if available).
UNDER CURRENT
trip occurs after
Bypass is closed.
Reduce setting of UNDERCURR. TRIP setting in Starter’s MAIN & PROTECT
parameters page settings.
• It may be possible when Local / Remote switch is set to remote, and remote
contact is closed. Motor is started
immediately after
resetting a trip.
• Note: It is the responsibility of the remote controller to open the remote
start/stop contact immediately upon detecting a trip in the soft starter. Trip
auxiliary contact exists in the customer terminals.
_____________________________________________________________________________________________

131 • Spare Parts
_______________________________________________________________________________________________
15. SPARE PARTS
When ordering spare parts for HRVS-DN specify the model and the serial number of the HRVS-DN as shown
on its label and/or on its documentation.
Recommended spare parts list for a soft starter:
All spare parts are for:
Model: HRVS-DN____ ______ _____ _____ ________
Serial number:____________________
Description Cat. Number
(to be filled by the factory) Quantity in
standard
soft starter
Recommended
quantity as
spare parts
Complete stack (phase
assembly) 3 1
Firing PCB 3 1
Power supply for firing PCB 3 1
EPT-Rx TRAF540964 (identical for all models) 1 1
EPT-Tx 1 1
Current transformer …/2 3 3
Control module.
Order with all options
installed)
1 1
Firing transformer
Or
DC power supply
1 1
Fiber optic wires 10m
Set of support rods for
disassembling phase module
for HRVS-DN up to 6.6kV TOOL00002 - 1
Low voltage components
spare parts. (terminal blocks,
indication lights, fuses, etc…)
1
Line and Bypass
Contactors/VCBs 2 1

132 • HRVS-DN Communication (ModBus Protocol)
16. HRVS-DN COMMUNICATION (MODBUS PROTOCOL)
16.1 Introduction
This document summarizes the Modbus serial link protocol to / from the Digital Soft Starter (HRVS-DN). The
HRVS-DN can be equipped with many other serial link protocols.
Features:
* RS485 Hardware.
* Asynchronous serial link.
* Half duplex.
* Format: Modbus RTU Mode (Remote Terminal Unit Mode).
- Binary,
- Each character contains 11 bits:
- 1 start bit
- 8 data bits, least significant bit sent first.
- 1 Parity bit. Even / Odd / No can be selected.
- 1 Stop bit if Parity is used, 2 stop bits if Parity is not used.
- Cyclical Redundancy Check (CRC), 16 bits.
* Baud Rates: 1200 / 2400 / 4800 / 9600 bits per second.
* Response time of the HRVS-DN:
- Normally, 4ms <= time response <= 40mS .
- For a long response, time response <= 200mS.
* It is not recommended to transmit to the HRVS-DN, at a rate higher than once per second because this
can slow down HRVS-DN response times.
* After storing parameter settings, there is a 1 sec. time period during which transmission to the same
HRVS-DN is forbidden.
* Broadcast commands: not supported.
Notes:
* You must connect earth to the earth screw before connecting serial link wires. Ignoring this
instruction may result in permanent damage to the Serial Link Hardware, and can be dangerous.
* It is recommended that you connect 120 OHM resistors to both ends of the serial link.
* When the serial link is connected to Solcon's Serial Link Adapter you are not allowed to connect the 120
OHM resistors.
* Turn off (and on again) power to the controller after changing Baud_Rate, Parity_Check or Serial_Link_No
(Slave Address). These parameters can only be modified manually and not through the Serial Link.
_____________________________________________________________________________________________

133 • HRVS-DN Communication (ModBus Protocol)
_______________________________________________________________________________________________
16.2 Basic Structure of the Serial Link Frame
The Modbus RTU frame has the same principal structure for both the "Query" transmission from the Master to
the Slave (HRVS-DN) and the Response transmission from the Slave to the Master:
"sync": Silent Interval for at least 3.5 character times1
byte 1: Serial Link No. (= Slave Address) (1..247)
byte 2: Function (1,2,3,4,5,6,8,15 &16 are supported)
byte 3: Data Bytes ($XX)
. . ($XX)
. . ($XX)
byte n-1: CRC_Low ($XX)
byte n : CRC_High ($XX)
"sync": Silent Interval for at least 3.5 characters
16.3 SYNC (Silent Interval)
In RTU mode, messages use a "Silent Interval" more than 3.5 characters to "synchronize". This silent interval
separates transmission frames.
The entire frame must be transmitted as a continuous stream. A silent interval of more than 3.5 characters
during frame transmission will cause the receiving device to ignore the incomplete frame. The next byte is
assumed to be the Serial Link No. of the next frame.
Ignoring the frame can also occur if a second message is transmitted less than 3.5 characters from the end of
the previous frame. This causes the receiving device to consider that frame to be a continuation of the first
frame, thus resulting in a CRC error.
16.4 Serial Link No. (Slave Address)
Contains HRVS-DN Slave Number (1..247) on the serial link. The HRVS-DN default value is 248, which is the
communication OFF condition. Serial Link No. is used as the first byte in both the "Query" transmission from
Master to Slave and in Response transmission from Slave to Master.
Note: Address 0, which is normally used for broadcast transmissions is not supported by the HRVS-DN.
16.5 Function
The Function code informs the HRVS-DN what action is requested. In most cases, Function is used as the
second byte in both the "Query" transmission from Master to Slave and in Response transmission from Slave
to Master.

134 • HRVS-DN Communication (ModBus Protocol)
16.6 List of Functions Supported By The HRVS-DN
Function Modbus Name Use in HRVS-DN
01 Read Coil Status Read discrete commands status.
02 Read Input Status Read discrete inputs status.
03 Read Holding Registers. Read parameter settings.
Read actual data (for Modbus Plus users).
04 Read Input Registers. Read actual data.
05 Force Single Coil. Force one discrete command.
06 Preset Single Register. Write one parameter setting.
08 Diagnostics. Loopback diagnostics.
15 Force Multiple Coils. Force discrete commands.
16 Force Multiple Registers Write parameter setting
control commands
DATA
Data field includes information transferred to and from the HRVS-DN. The specific data format is changed with
Function. When Word data parameters are transmitted, High Byte is transmitted first, followed by the Low
Byte.
CRC
The CRC (Cyclic Redundancy Check) two bytes (16 bit) are used to check the bytes of the entire frame.
It is generated in the master device and transmitted as the last two bytes of the frame (Low byte is appended
first, followed by the High byte). The slave device regenerates the CRC bytes and compares it to the CRC
bytes received. If the CRC bytes are not identical, the frame is flushed and no response is transmitted to the
master.
HRVS-DN MEMORY ORGANIZATION
The HRVS-DN memory is organized according to the common Modbus addresses as follows:
_____________________________________________________________________________________________

135 • HRVS-DN Communication (ModBus Protocol)
_______________________________________________________________________________________________
HRVS-DN Use Memory Type Max Query/Response Parameters
Actual Data 3X References Registers, # 1..150, addressed 0.. 149.
4X References Registers, #257...384 addr. 256..283
Parameter Settings 4X References Registers, # 1..110, addressed 0..109
Hardwired Control Inputs 1X References Inputs, # 1..16, addressed 0..15.
Discrete Serial Commands 0X References Coils, # 1..16, addressed 0..15.
Control Commands 4X ReferencesRegister, # 753, addressed 752.
Notes:
1. Actual Data parameters can be read both at 3X references starting at parameter #1, or (same parameters)
at 4X references starting at parameter #257 (100 hex higher). The additional mapping in 4X references is
designed for the convenience of Modbus Plus users.
2. HRVS-DN can be controlled using the standard discrete commands (Coils, 0x references) or by writing to
parameter setting #753 with function 16. The additional control option using 4X references is designed for
the convenience of Modbus Plus users. To control, write to register #753 (address 752) only! (one register
write, with function 16).
3. Function 3 should be used to read 4X references. Function 4, to read 3x references.

136 • HRVS-DN Communication (ModBus Protocol)
16.7 Actual Data (3X References & 4X references)
Actual data includes measured values such as voltage, current and insulation resistance. It includes both
logic and statistical information. All parameters are word (two bytes) parameters. The protocol supports only
reading of these parameters.
Parameter # is "1 based". The actual parameter address is 1 lower than parameter #. For example the
address of parameter #1 is 0 (30000).
The parameters have double mapping, at the following 3x & 4x references:
Note: Function 4 should be used to read 3x references and function 3 to read 4x references.
Parameter # (3x) # (4x) Comment
Logic Status 1 257 Logic status of HRVS-DN. 1 indicates:
d15: HRVS-DN Trip.
d14: Motor Stopped.
d13: Motor in Soft Stop Process.
d12: Motor in Start Process.
d11: Motor is Running.
d10: Motor is running with Closed By_Pass.
d9: Up_To_Speed. Like d10 and I reduced (once) below
115% of FLA.
d8: Reserved.
d7: Dual_Adjust On.
d6..d0: Reserved.
Note: After bypass is closed, trip (d15) and running (d11),
can be ON together. See Trip_after_By-Pass setting
parameter at fault parameters page.
Hardwired inputs 2 258 Discrete Hardwired control inputs:
d15..d8: Reserved.
d7: External fault 2, Terminal 20.
d6: External Fault 1,Terminal 19.
d5: Reserved.
d4:Programmable Input , Terminal 8
Programming options:
0-D.Adj / 1- Slow.Speed / 2-Reset
d3: Programmable Input, Terminal 7
Programming options:
0-Test1 / 1-Reverse / 2-Reset
d2: Start Input. Terminal 6
d1: Soft Stop Input. Terminal 5
d0: Stop Input. Terminal 4
Relays 3 259 d0 - Immediate,d1- End Of Acc, d2 - Fault relay
Voltage 4 260 Line voltage, % of rated voltage.
I1_amp 5 261 Current of phase 1, Ampere.
I2_amp 6 262 Current of phase 2, Ampere.
I3_amp 7 263 Current of phase 3, Ampere.
Reserved 8 264
Dip_Switch 9 265 d15..d8: Reserved.
d7: Setting Lock - (right-most)
d6: Enlarged Setting Ranges
d5: Language Selection.
d4: Language Selection.
d3: Reserved - Must be set to Off.
d2: Generator Starting - Set to Off.
d1: Tacho feedback available (1).
d0: Min (off) / Max display pages- (left most)
Phase_Sequence 10 266 1: Correct Phase seq. 0 : Wrong Phase Seq.
Motor Insulation R 11 267 Motor Insulation Resistance [KOhm]
Reserved 12..14 268..270
Power 15 Power consumption [KW]
_____________________________________________________________________________________________

137 • HRVS-DN Communication (ModBus Protocol)
_______________________________________________________________________________________________
Parameter # (3x) # (4x) Comment
Reactive Power 16 Reactive Power consumption [KVAR]
Power Factor 17 Power Factor * 100
Time Since Last Start 18 Elapsed minutes since last start
Frequency 19 Frequency [tenth Hz]
Reserved 20..24
Logic_Status_at_Power_Fail 25 281 Logic Status at Control Pwr Supply turn off.
(See parameter # 1 for detailed description)
Total_Run_Time 26 282 Total Hours of Running Motor.
Total_Starts 27 283 Total Number Of Starts
Last_Start_Period 28 284 Duration of Last Start, Seconds.
Last_Start_Peak_I 29 285 Peak Current During Last Starting process
Time_To_Start 30 286 After Too Many Starts Trip, Seconds.
Total_Trips 31 287 Total Number Of Trips
Last_Trip_Number 32 288 Number of the fault that caused trip.
No. Fault
01 Over Temperature
02 Overcurrent / Shear pin
03 Overload
04 Under Current
05 Under / No Voltage
06 Over Voltage
07 Phase Loss
08 Phase Sequence
09 Wrong Connection or Shorted Scr
10 Long Start Time
11 Slow Speed Time (Future feature)
12 External Fault 1 (Input # 3)
13 External Fault 2 (Input # 4)
14 Wrong Parameters
15 Mains ON & No Start Signal
16 Too Many Starts
17 Currents Unbalance
18 Insulation
19 Ground Fault
20 Open By-Pass
21 Frequency out of range
22 Comm Port Failure
23 Set Clock
24 Coast Down Time
Pre_Trip_I 33 289 Current at trip time, % of FLA.
Reserved 34..38 290..294
Thermal Capacity 39 295 Simulated winding temperature, %. 100% = trip
Reserved 40 296
Clk_Hour 41 297 Setting can be done at # 131
Clk_Minute 42 298 Setting can be done at # 132
Clk_Month 43 299 Setting can be done at # 133
Clk_Day 44 300 Setting can be done at # 134
Clk_Year 45 301 Setting can be done at # 135
Reserved 46 302
KWH 47,48 303,304 dword parameter (47=LSword,48=MSword)
KVARH 49,50 305,306 dword parameter (49=LSword,50=MSword)
Reserved 51..56 307..312
Trip_Array(10) 57..66 313..322 List of last 10 Trip
(See fault list starting at parameter # 24)
Trip_Hour_Array(10) 67..76 323..332 List of time (Hour) of the last 10 trips
Trip_Minute_Array(10) 77..86 333..342 List of time (Minute) of the last 10 trips
Trip_Day_Array(10) 87..96 343..352 List of date (Day) of the last 10 trips
Trip_Month_Array(10) 97..106 353..362 List of date (Month) of the last 10 trips
Trip_Year_Array(10) 107..116 363..372 List of date (Year) of the last 10 trips
Trip_Pointer 117 373 Pointer for the 10 cyclic above arrays

138 • HRVS-DN Communication (ModBus Protocol)
Actual_Data_Group 151..170 407..426 Group of 20 actual parameters selected by
setting parameters #90..109
Example 1:
To read actual parameters 5,6,7 (I1,I2,I3 Actual Parameters, Addressed as 4.5 and 6) of HRVS-DN # 18 (its
Serial Link No. = 18) , the host computer should send following frame: Another Possibility
(Modbus Plus users)
byte 1: Serial Link No. ($12) ($12)
byte 2: Function ($04) ($03)
byte 3: Starting Address High ($00) ($01)
byte 4: Starting Address Low ($04) ($04)
byte 5: No. of Points High ($00) ($00)
byte 6: No. of Points Low ($03) ($03)
byte 7: CRC_Low ($XX) ($XX)
byte 8: CRC_High ($XX) ($XX)
The HRVS-DN response, when Current = 400 % of FLA, and Voltage = 420V, is:
byte 1: Serial Link No. ($12) ($12)
byte 2: Function ($04) ($03)
byte 3: Byte Count ($06) ($06)
byte 4: Data High, parameter 5 ($01) (400) ($01)
byte 5: Data Low, parameter 5 ($90) ($90)
byte 6: Data High, parameter 6 ($01) (420) ($01)
byte 7: Data Low, parameter 6 ($A4) ($A4)
byte 8: Data High, parameter 7 ($01) (410) ($01)
byte 9: Data Low, parameter 7 ($9A) ($9A)
byte 10: CRC_Low ($XX) ($XX)
byte 11: CRC_High ($XX) ($XX)
Note: $XX indicates Hexadecimal byte.
_____________________________________________________________________________________________

139 • HRVS-DN Communication (ModBus Protocol)
_______________________________________________________________________________________________
16.8 Parameter Settings (4X References)
Parameter settings include all parameters that can be set manually. These parameters determine the modes
of operation of the HRVS-DN. They also set protections level. All parameters are word (two bytes)
parameters. The protocol supports both reading and modifying of (most of) these parameters.
Note: Use function 3 to read the setting parameters.
Any one of these parameters must be set with care. Inappropriate settings of some parameters can
result in damage to both the motor and the HRVS-DN.
The parameters have the following 4x references:
Parameter # Range Default
Main & protect. parameters
Rated Line Voltage 1 2300..15000 6600 (Volt.)
Starter FLC 2 20..1800 150 (Amp.)
Motor FLA 3 20..1800 150 (Amp.)
Rated Motor Power 4 50..40000 1000 (KW)
Service Factor 5 100..130% 100 (%)
Undercurrent Trip 6 0..90 0 (% of FLA)
Undercurrent Delay 7 1..40 10 (Seconds)
Overcurrent Shear Pin 8 100..850 850 (% of FLA)
Overcurrent Delay 9 0..50 5 (0.5 Sec.)
Overload Class 10 IEC 5,10,15,20,25,30 IEC Class 10
NEMA 5,10,15,20,25,30 FLA)
Overload Protect 11 0=Disable 1=Enable While Run
1=Enable While Run
2=Enable
Unbalance Trip 12 10..100, 101 = Off. 20 (%)
Unbalance Delay 13 1..60 5 (Seconds)
Ground Fault Trip 14 10..100, 101 = Off. 20 (% of FLA)
Ground Fault Delay 15 1..60 5 (Seconds)
Undervoltage Trip 16 50..90 70 (%)
Undervoltage Delay 17 1..100 5 (Seconds)
Overvoltage Trip 18 110..125 120 (%)
Overvoltage Delay 19 1..10 2 (Seconds)
Reserved 20..24
Start Parameters
Soft Start Curve 25 0..11 (6..11 are for Tacho only) 1 (Standard).
Pulse Level 26 70 (%of FLA) – 700 (%of FLA) 70% of FLA
Pulse Time 27 0..10 (Tenth Seconds) 0 (No Pulse)
Initial Voltage 28 10..80 30 (% of full voltage)
Initial Current 28 ! 100..400 % of FLA 100 % of FLA
Current Limit 29 100..700 400 (% of FLA)
Acceleration Time 30 1..90 10 (Seconds)
Max. Start Time 31 1..250 30 (Seconds)
Number Of Starts 32 1..10 & (11 = off) 1
Starts Period 33 1..60 20 (Minutes)

140 • HRVS-DN Communication (ModBus Protocol)
Parameter # Range Default
Start Inhibit 34 1..60 minutes 15 (Minutes)
Run Contact Delay 35 0..120 seconds 5 (Seconds)
Turn Bypass On at 35 121..250 % of Motor FLA Only with relay PCB for
optional sync motor start
Min Time To Bypass 36 3..60 3sec.
Only with relay PCB for
optional sync motor start
Reserved 37..40
Stop Parameters
Soft Stop Curve 41 0..11 (6..11 are for Tacho only) 1 (Standard)
Deceleration Time 42 0..90 0 (Seconds)
Final Torque 43 0..10 0 (Minimum)
Coast Down Delay 44 Off (9) 10-3600 9 (Off)
Reserved 45..48
Dual Adjustment Parameters
DA: Initial Voltage 49 10..80 % of full voltage 30
DA: Initial Current 49 ! 100..400 % of FLA 100 % of FLA
DA: Current Limit 50 100..700 400 % of FLA
DA: Acceleration Time 51 1..90 10 (Seconds)
DA: Deceleration Time 52 0..90 0 (Seconds)
DA: Motor_FLA 53 20..1800 150 (Amp.)
Reserved 54..56
Fault Parameters
UV & PL Auto Reset 57 0 / 1 (0 - No, 1 - Yes) 0 (No)
Under Current Reset 58 10..120 (&121-off) 121 (Off)
ByPass Open Trip 59 0 / 1 (0 – Disable,1 - Enable) 1 (Enable)
Trip after Bypass 60 0 / 1 (0 – Disable,1 - Enable) 1 (Enable)
By-Pass Auto Reset 61 0 – No, 1 – Yes 0 - No
Set Curve 0 Flt 62 0 / 1 (0 – Disable,1 - Enable) 1 (Enable)
Power On & No Start 63 0 / 1 (0 – Disable,1 - Enable) 1 (Enable)
Insulation Alarm 64 1(Off) – 100 (10Mohm) 1 (Off)
Insulation Trip 65 1(Off) – 100 (10Mohm) 1 (Off)
Phase Sequence 66 0 – Pos., 1 – Neg., 2 – Ignore 0 (Positive)
Reserved 67..72
I/O Programming
Prog. Input # 7 (terminal 7) 73 0 ..3 (0-Test,1-Resst) 1 (Reset)
0 - Test
1 - Reset
2 - Multi Soft Stop– consult the factory.
3 - Current Control– consult the factory.
Prog. Input # 8 (terminal 8) 74 0 / 1 (0-D.Adj.,1-Rseet) 0 (Dual Adjust)
Fault Relay Type 75 0..1 (0-Fault, 1-Fault Fail Safe) 0 (Fault)
Immediate Relay Type 76 0..1 (0-Immediate, 1-shear pin) 0 (Immediate)
Realy On Delay 77 0..3600 0 (Seconds)
Realy Off Delay 78 0..3600 0 (Seconds)
Analog output 79 0..1 (0 - Normal, 1 - Inverted) 0 (Normal)
Reserved 80
Communication Parameters
Comm. Protocol 81 0 – Modbus, 1 – Profibus 0 – Modbus
Modbus Baud Rate 82 12..192 (*100) 192 (19200 bps)
Parity Check 83 0/1/2 (Even / Odd / No) 0 (Even)
Serial Link Number 84 1..247 & (248= Off) 248 (Off)
S. Link Parameters Save 85 0 – Disable, 1 – Enable 0 (Disable saving)
Serial Link Control 86 0 – Disable, 1 – Enable 0 (Disable Control)
Modbus Time Out 87 1..600 & (601= Off) 601 (Off) (Tenth Sec)
_____________________________________________________________________________________________

141 • HRVS-DN Communication (ModBus Protocol)
_______________________________________________________________________________________________
Front Comm. Address 88 1..247 & (248= Off) 248 (Off)
Reserved 89
Parameter # Range Default
Modbus_#_Array 90..109 1..60 (# of parameter) (default # are:
1-Logic_Status, 5 - I1, 6-I2, 7 - I3, 4 - V, 2 - Ctrl-In, 3- Ctrl_Out
(relays), 15-Power,17-Power Factor, 8 - frequency,
10 - Phase Sequence, 26-Total Run Time,
27 - Total Starts, 31 - Total Trips, 28 - Last Start Period,
29 - Last Start Peak I, 32-Last Trip Number, 33-Pre Trip I,
39-Thermal Capacity, 11 – Insulation Resistance
Notes:
1. Parameter # is "1 based". The address is 1 lower than parameter #. For example address of parameter #1
is 0 (40000).
2. When the Preset Single Register Function (06) is used to adjust one parameter setting, the
communication program checks that the parameter value is within the allowed limits. If not, an Exception
Response (Exception code 03) is returned instead of Normal response. See Exception Responses later in
this document.
3. If Preset Multiple Register Function (16) is used to adjust one or multiple parameter settings, then even if
one or more parameter settings are out of range, Normal response will be returned.
HRVS-DN program will check later the value of each parameter. If it is beyond the allowed limit, the limit
value will be stored instead of the transmitted parameter value.
4. It is strongly recommended to preset parameter settings only when the motor is stopped. The HRVS-DN
enables, however to preset one parameter (using function 06 only) when the motor is running with closed
Bypass Contactor. When motor is Soft Started, Soft Stopped, runs with open bypass or at slow speed, the
HRVS-DN ignores "Preset Single Register" or "Force Multiple Register" instructions. A "busy" Exception
response is returned by the HRVS-DN whenever its logic condition does not enable presetting.
5. Always wait more than 0.5Sec after using Functions 06 or 16 to preset parameter(s) before transmitting
again to the same HRVS-DN.
6. Communication parameters 81, 82, 83 can only be read through the serial link. They can only be set
(written) manually.
7. It is the user’s responsibility to read and check all changed parameter settings after presetting.
8. It is not possible to write data to the setting parameters when dip switch 8 (pc2000) is set.
Example 2:
To Read Stop Parameter settings 41-43 addressed as 40-42 (Soft Stop Curve, Deceleration Time and Final
Torque) of HRVS-DN # 96. The host computer sends the following frame:
byte 1: Serial Link No. ($60)
byte 2: Function ($03)
byte 3: Starting Address High ($00) (40)
byte 4: Starting Address Low ($28)
byte 5: No. of Registers High ($00)
byte 6: No. of Registers Low ($03)
byte 7: CRC_Low ($XX)
byte 8: CRC_High ($XX)
The HRVS-DN normal response:
byte 1: Serial Link No. ($60)
byte 2: Function ($03)
byte 3: Byte Count ($06)
byte 4: Data High ($00) (Soft Stop Curve = 0)
byte 5: Data Low ($00)
byte 6: Data High ($00) (Deceleration Time = 10Sec)

142 • HRVS-DN Communication (ModBus Protocol)
byte 7: Data Low ($10)
byte 8: Data High ($00) (Final Torque = 0)
byte 9: Data Low ($00)
byte 10: CRC_Low ($XX)
byte 11: CRC_High ($XX)
Example 3 :
To write one setting parameter (Under_Voltage_Trip = 300V) to Parameter Setting # 16 (Addressed as 15) of
HRVS-DN # 5, the host computer should send following frame:
byte 1: Serial Link No. ($05)
byte 2: Function ($06)
byte 3: Starting Address High ($00)
byte 4: Starting Address Low ($0F) (15)
byte 5: Preset Data High ($01) (300)
byte 6: Preset Data Low ($2C)
byte 7: CRC_Low ($XX)
byte 8: CRC_High ($XX)
The HRVS-DN normal response, is an echo of the query (Identical frame).
Example 4 :
To write multiple parameter settings (Undervoltage__Trip = 300V, Under_Voltage_delay = 10Sec,
Over_Voltage_Trip = 480V, Over_Voltage_delay = 2Sec) to Parameter settings # 16-19 (Addressed as 15-18)
of HRVS-DN # 128, the host computer sends the following frame:
byte 1: Serial Link No. ($80)
byte 2: Function ($10)
byte 3: Starting Address High ($00)
byte 4: Starting Address Low ($0F)
byte 5: No. of Registers High ($00)
byte 6: No. of Registers Low ($04)
byte 7: Byte Count ($08)
byte 8: Data High ($01) (300)
byte 9: Data Low ($2C)
byte 10: Data High ($00) (10)
byte 11: Data Low ($10)
byte 12: Data High ($01) (480)
byte 13: Data Low ($E0)
byte 14: Data High ($00) (2)
byte 15: Data Low ($02)
byte 16: CRC_Low ($XX)
byte 17: CRC_High ($XX)
The HRVS-DN normal response:
byte 1: Serial Link No. ($80)
byte 2: Function ($10)
byte 3: Starting Address High ($00)
byte 4: Starting Address Low ($0F)
byte 5: No. of Registers High ($00)
byte 6: No. of Registers Low ($04)
byte 7: CRC_Low ($XX)
byte 8: CRC_High ($XX)
Note:
A Normal response will be returned even if the preset data value is beyond the allowed range for one or more
parameter settings. Later the HRVS-DN program will check the value of each parameter. If it exceeds the
allowed limit, the limit value will be stored instead the transmitted parameter value. It is the user’s
responsibility to read and check all parameter settings after presetting.
_____________________________________________________________________________________________

143 • HRVS-DN Communication (ModBus Protocol)
_______________________________________________________________________________________________
16.9 Control Register Write (4X Reference)
The HRVS-DN incorporates one Control register intended for controlling the HRVS-DN.
Address: The Control register is register # 753 addressed as 752 (40752).
In order to control the HRVS-DN using the Control register:
* Use Function 16 only.
* Use Address_High (page) = 2
* Use Address_Low = 240 (0F0H).
* Write to one register only.
* Use data_high (ms-byte of data) = 5AH.
* Data_low Bits resolution of the control register (ls-byte of data):
bit function Comment Note
d0 Reserved.
d1 Reserved.
d2 Reserved.
d3 Start/Stop Relay Write "1" (ON) to Start / Run. Operates relay (terminals 31-32)
Write "0" (OFF) to Stop. Located in the Control Module
optional Relay Card.
d4 Dual Adjust Write "1" (ON) to turn On.
Write "0" (OFF) to turn Off.
d5 Reserved.
d6 Reserved.
d7 Reset Write "1" (ON) to Reset.
Notes:
1. Read function of the control register is not available. To read the HRVS-DN status, read Logic
Status (Actual parameter # 1).
2. Bytes 2..8 of the control frame must be exactly as in the following example. Otherwise, an error
message is returned.
3. Hardwired Stop and Soft Stop inputs, overrides the communication. To enable motor starting
through communication, terminal 4 (Stop) must be connected to the control voltage. Connect
terminals 5 & 6 to control voltage through the HRVS-DN Start/Stop optional relay output
contact.
4. Start/Stop and Dual Adj bits, should be of maintained type, like a toggle switch.
5. Reset bit should be of momentary type, like a momentary reset pushbutton. It is rejected, if
given together with Start command.
6. Before (or simultaneously with) resetting, be sure to turn off start/stop relay bit first.
7. It is the host responsibility, to immediately write a Stop command (writing 5A00 Hex) when
detecting that the Trip bit is set in the Logic Status parameter (parameter # 1 on the In data).
This is to prevent unwanted start command upon resetting the fault.
Example 5 - Control Register Write:
To start HRVS-DN # 11, the host computer sends the following Query frame:
byte 1: Serial Link No. ($0B)
byte 2: Function ($10) Bytes 2..8 must be as in this example!!!
byte 3: Starting Address High ($02)
byte 4: Starting Address Low ($F0)
byte 5: No. of Registers High ($00)
byte 6: No. of Registers Low ($01)
byte 7: Byte Count ($02)
byte 8: Data High ($5A)
byte 9: Data Low ($08) Bit 3 is set, to start.
byte 10: CRC_Low ($XX)
byte 11: CRC_High ($XX)

144 • HRVS-DN Communication (ModBus Protocol)
The HRVS-DN normal response:
byte 1: Serial Link No. ($0B)
byte 2: Function ($10)
byte 3: Starting Address High ($02)
byte 4: Starting Address Low ($F0)
byte 5: No. of Registers High ($00)
byte 6: No. of Registers Low ($01)
byte 7: CRC_Low ($XX)
byte 8: CRC_High ($XX)
16.10 Discrete Commands (Coils, 0x References)
The HRVS-DN incorporates 16 "Coils", (bit parameters), from which only 3 are operative. The other 13 are
reserved and were incorporated to enable the user to use word (16 bits) type parameters. Coil # is 1"1
based". The actual address is 1 lower than coil #. For example coil #1 is addressed as 0 (00000). Use
functions 5 or 15 to send control commands to the starter.
The coils have the following 0x references:
Coil # Coil Address Use in HRVS-DN Comment
1 0 Reserved.
2 1 Reserved.
3 2 Reserved.
4 3 Start/Stop Relay Write "1" (ON) to Start / Run.
Write "0" (OFF) to Stop.
5 4 Dual Adjust Write "1" (ON) to turn On.
Write "0" (OFF) to turn Off.
6 5 Reserved.
7 6 Reserved.
8 7 Reset Write "1" (ON) momentarily to Reset.
Rejected, if given together with Start command.
9..16 8..15 Reserved
Example 6 - Read Coils:
To read coils 1..8 status of HRVS-DN # 10, the host computer sends the following Query frame:
byte 1: Serial Link No. ($0A)
byte 2: Function ($01)
byte 3: Starting Address High ($00)
byte 4: Starting Address Low ($00)
byte 5: No. of Coils High ($00)
byte 6: No. of Coils Low ($08)
byte 7: CRC_Low ($XX)
byte 8: CRC_High ($XX)
The HRVS-DN response, when coils 7..0 are OFF OFF OFF ON OFF ON OFF OFF:
byte 1: Serial Link No. ($0A)
byte 2: Function ($01)
byte 3: Byte Count ($01)
byte 4: Data (coils 7..0) ($14)
byte 5: CRC_Low ($XX)
byte 6: CRC_High ($XX)
Example 7 - Force Single Coil:
To start the motor controlled by HRVS-DN # 1, the host computer writes "1" to the "START/STOP COIL" (coil
4 addressed as 3) .
Note: For Force Single Coil Function, Force Data of $0000 forces "0" = OFF. Force data of $FF00 forces "1"
= ON. The "Query" frame is sent by the host:
_____________________________________________________________________________________________

145 • HRVS-DN Communication (ModBus Protocol)
_______________________________________________________________________________________________
byte 1: Serial Link No. ($01)
byte 2: Function ($05)
byte 3: Coil Address High ($00)
byte 4: Coils address Low ($03) Start/Stop relay
byte 5: Force Data High ($FF) (force ON)
byte 6: Force Data Low ($00)
byte 7: CRC_Low ($XX)
byte 8: CRC_High ($XX)
The normal (if no exception) response:
byte 1: Serial Link No. ($01)
byte 2: Function ($05)
byte 3: Coil Address High ($00)
byte 4: Coils address Low ($03)
byte 5: Force Data High ($FF)
byte 6: Force Data Low ($00)
byte 7: CRC_Low ($XX)
byte 8: CRC_High ($XX)
Notes:
1. Hardwired Stop and Soft Stop inputs, overrides the communication. To enable motor starting through
communication, terminal 4 (Stop) must be connected to the control voltage. Connect Terminals 5 & 6
to control voltage through the HRVS-DN Start/Stop optional relay output contact.
2. Start/Stop coil and Dual Adj coil should be of maintained type, like a toggle switch.
3. Reset coil should be of momentary type, like a momentary reset pushbutton. It is Rejected, if given
together with Start command.
4. Before reseting, be sure to turn off start/stop relay coil first.
5. It is the host responsibility, to immediately write a Stop command when detecting that the Trip bit is set
in the Logic_Status parameter (parameter # 1 in the Actual data). This is to prevent unwanted start
command upon resetting the fault.

146 • HRVS-DN Communication (ModBus Protocol)
Example 8 - Force Multiple coils:
Motor that is controlled by HRVS-DN # 32 is stopped. Dual Adjust is set to off.
To start the motor using the Dual Adjust parameters , the host computer writes "1" to the Start and Dual Adjust
Coils no. 4 &5, addressed as 3 & 4. One of the many possible ways:
The "Query" frame sent by the host:
byte 1: Serial Link No. ($20)
byte 2: Function ($0F)
byte 3: Coil Address High ($00)
byte 4: Coils address Low ($00)
byte 5: No. of Coils High ($00)
byte 6: No. of coils Low ($08)
byte 7: Byte Count ($01)
byte 8: Force Data ($18) (coil # 4 & coil # 5)
byte 9: CRC_Low ($XX)
byte 10: CRC_High ($XX)
The normal (if no exception) response:
byte 1: Serial Link No. ($20)
byte 2: Function ($0F)
byte 3: Coil Address High ($00)
byte 4: Coils address Low ($00)
byte 5: No. of Coils High ($00)
byte 6: No. of coils Low ($08)
byte 7: CRC_Low ($XX)
byte 8: CRC_High ($XX)
_____________________________________________________________________________________________

147 • HRVS-DN Communication (ModBus Protocol)
_______________________________________________________________________________________________
16.11 Discrete Hardwired Inputs (1x References)
The HRVS-DN incorporates 16 Discrete Inputs, (bit parameters), from which only 6 are operative. The other
10 are reserved and were incorporated to enable use of word (16 bits) type parameters. Input # is "1 based".
The actual address is 1 lower than input #. For example input #1 is addressed as 0 (10000). The inputs have
the following 1x references:
Input # Address HRVS-DN use Comment
1 0 Stop Open Input (Input reads" 0") to Stop. (Terminal # 4)
Close Input (Input reads "1") to enable Start / Run.
2 1 Soft Stop Open Input (Input reads"0") to Soft Stop. (Terminal # 5)
Close Input (Input reads"1") to enable Start / Run.
3 2 Start Close Input (Input reads "1") to Start. (Terminal # 6)
4 3 Input # 1 Close Input (Input reads "1") to turn On. (Terminal # 7)
Open Input (Input reads "0") to turn Off.
Programmable to: 0- Test1
1- Slow Speed
2- Reset
5 4 Input # 2 Close Input (Input reads "1") to turn On. (Terminal # 8)
Open Input (Input reads "0") to turn Off.
Programmable to: 0- Dual Adjust
1- S. Spd Rvrs
2- Reset
6 5 Reserved
7 6 Ext. Fault 1 Close to Trip (Input reads" 1") (Terminal # 19)
8 7 Ext. Fault 2 Close to Trip (Input reads" 1") (Terminal # 20)
9..16 8..15 Reserved
Example 9:
To read all discrete inputs of HRVS-DN # 12, the host computer sends the following Query frame:
byte 1: Serial Link No. ($0C) (12)
byte 2: Function ($02)
byte 3: Starting Address High ($00)
byte 4: Starting Address Low ($00)
byte 5: No. of Points High ($00)
byte 6: No. of points Low ($08)
byte 7: CRC_Low ($XX)
byte 8: CRC_High ($XX)
The HRVS-DN response, when only Stop and Soft Stop terminals (Inputs 1&2) are connected:
byte 1: Serial Link No. ($0C) (12)
byte 2: Function ($02)
byte 3: Byte Count ($01)
byte 4: Data (Inputs 7..0) ($03)
byte 5: CRC_Low ($XX)
byte 6: CRC_High ($XX)
16.12 Diagnostics
Modbus Function 08 , as implemented in the HRVS-DN supports only Subfunction $0000. It provides for
"loopback" (Return Query Data) feature, for checking the Communication Serial Link between the master and
the HRVS-DN.
To request HRVS-DN # 1 to return Query data, the master should send following Query frame:
byte 1: Serial Link No. ($01)
byte 2: Function ($08)

148 • HRVS-DN Communication (ModBus Protocol)
byte 3: Subfunction High ($00)
byte 4: Subfunction Low ($00)
byte 5: Data High ($37)
byte 6: Data Low ($A5)
byte 7: CRC_Low ($XX)
byte 8: CRC_High ($XX)
The normal (if no exception) response is the echo of the Query:
byte 1: Serial Link No. ($01)
byte 2: Function ($08)
byte 3: Subfunction High ($00)
byte 4: Subfunction Low ($00)
byte 5: Force Data High ($37)
byte 6: Force Data Low ($A5)
byte 7: CRC_Low ($XX)
byte 8: CRC_High ($XX)
16.13 Exception Responses
When the master sends a query frame to an HRVS-DN, one of the following four responses from the HRVS-
DN is possible:
1. When no communication error is detected in the query, and no mistake is found by the communication
program module in the HRVS-DN, a normal response is returned.
2. If the HRVS-DN does not receive the query frame (for example because of disconnected serial link cable)
then no response is returned by the HRVS-DN. After proper time the master will cause a timeout condition.
3. If the HRVS-DN receives the query, but faulty CRC bytes and / or Parity bits are detected, no response is
returned by the HRVS-DN. After the proper time the master will cause a timeout condition.
4. If no communication error is detected in the query, but the HRVS-DN communication program module
finds an error such as illegal Function, data address or data value, or if the HRVS-DN is busy, then an
Exception response is returned. The Exception response includes Exception Code to inform the master
about the type of the error.
Exception Code Response Frame:
The Exception response frame holds fix number of 5 bytes. The first one, the Slave Address field is the Serial
link number (transmitted in query and identical to HRVS-DN Serial Link No.). The second byte, the Function
field returns the echo of the transmitted query function, but with the Most Significant Bit set to 1 (adding $80 to
the transmitted function code). The third byte is the Exception Code informing about the type of error. The last
two bytes are the CRC bytes.
Exception Codes supported by the HRVS-DN:
Exception Code Type Comment
01 Illegal Function Requested Function is not supported.
Functions 1..6, 8, 15 or 16 are supported.
02 Illegal Data Address Data address is not allowable.
03 Illegal Data Value Data Value is not in allowable range.
06 HRVS-DN Busy HRVS-DN is busy now. The master retransmits the message
later.
Note: After using function 16 to store setting parameters, it is
forbidden to transmit again to the same MPR after less than
1Sec.
Example 10:
_____________________________________________________________________________________________

149 • HRVS-DN Communication (ModBus Protocol)
_______________________________________________________________________________________________
The master is trying to force coil # 17 of the HRVS-DN 32. The HRVS-DN incorporates only 16 coils. The
Illegal Data Address Exception code will be returned:
Query:
byte 1: Serial Link No. ($20) (32)
byte 2: Function ($05)
byte 3: Coil Address High ($00)
byte 4: Coils address Low ($11) (17, Non existent Coil)
byte 5: Force Data High ($00) ($0000 = "0" = Low)
byte 6: Force Data Low ($00)
byte 7: CRC_Low ($XX)
byte 8: CRC_High ($XX)
Exception response:
byte 1: Serial Link No. ($20)
byte 2: Function ($85) (Original + $80)
byte 3: Exception Code ($02) (Illegal Data Address)
byte 4: CRC_Low ($XX)
byte 5: CRC_High ($XX)
Note:
There are cases where the HRVS-DN returns Normal response, but the requested action cannot be
performed, or is modified by the HRVS-DN. Few examples are:
Requested Action Performed Action
Write Parameter settings during start process Ignored.
Write multiple parameters (Function 16), some are out of range Limit to allowed range.
Start command (Function 05) while Stop Hardwired Input is open Command ignored
It is the user responsibility to verify that the requested action was performed, by reading the value of the
modified parameters or the status of the command Coils.

150 • HRVS-DN Communication (Profibus protocol)
17. HRVS-DN COMMUNICATION (PROFIBUS PROTOCOL)
17.1 Global Parameters:
33: ;=============================================
34: ;==== General DP Keywords ====================
35: ;=============================================
36:
37: GSD_Revision = 5
38: Vendor_Name = "Solcon Ltd"
39: Model_Name = "HRVS-DN"
40: Revision = "1.00"
41: Ident_Number = 0x0BAB
42: Protocol_Ident = 0
43: Station_Type = 0
44: FMS_supp = 0
45: Hardware_Release = "V1.00"
46: Software_Release = "V1.00"
47: Redundancy = 0
48: Repeater_Ctrl_Sig = 2
49: 24V_Pins = 0
Code 1 – Global Parameters in the GSD file
17.2 Operation Mode in PROFIBUS:
HRVS-DN supports both DPV0 and DPV1.
• DPV0 (Cyclic) allows:
o Start and shutdown.
o Read parameters (write parameters are not allowed via DPV0).
• DPV1 allows:
o Everything that DPV0 allows
o Change the cyclic parameters that display via DPV0.
o Write to registers.
17.3 Description of the DPV0 (Cyclic) Frame:
From the Profibus controller to the HRVS-DN two bytes (16 bits) are transferred.
From the HRVS-DN to the controller 40 bytes are transferred.
_____________________________________________________________________________________________

151 • HRVS-DN Communication (Profibus protocol)
_______________________________________________________________________________________________
Figure 51 – DPV0 parameters (Cyclic parameters)
17.3.1 Structure of the HRVS-DN Receiving Frame
The first byte must to be 0x5A (90 decimal)
The second byte is as follows:
Bit number: Function: Note:
0 Reserved
1 Reserved
2 Reserved
3 Start/Stop Relay
Write "1" (ON) to Start / Run.
Write "0" (OFF) to Stop.
4 Dual Adjust
Write "1" (ON) to turn On.
Write "0" (OFF) to turn Off.
5 Reserved
6 Reserved
7 Reset Write ‘1’ for reset
Note:
Bit number 0 is the LSB.
Example:
To send Reset, you first need to send 0x5A followed by 0x80.
17.3.2 Structure of the HRVS-DN Transmitting Frame
The return frame contains 20 pairs of bytes (40 bytes total), representing the contents of 20 registers.
Each pair of bytes represents one register; all of the registers are 16 bit numbers.
The first byte represents the high value of the number (the MSB).
17.3.3 Choosing the Receiving DPV0 Registers
There are two methods to change which registers will be displayed in DPV0 (cyclic).
• Change the parameters in the GSD file. This method can be used with both DPV0 and DPV1. The change
can only take place when communication is first established.
Receiving from
the HRVS-DN
Sending to the
HRVS-DN

152 • HRVS-DN Communication (Profibus protocol)
• Write a data request. This method can only be used with DPV1. The change can be made after
communication has already been established.
17.3.3.1 Selection of the DPV0 Registers by the GSD
The GSD file contains a list of parameters at lines 190 to 288.
The parameters appear in blocks, each block contains 4 lines, and each block refers to one register (there are
20 blocks representing 20 registers).
190: ExtUserPrmData = 1001 "INDIREC PAR 1"
191: Unsigned16 1 1-1000
192: Prm_text_Ref = 100
193: EndExtUserPrmData
194:
196: ExtUserPrmData = 1002 "INDIREC PAR 2"
197: Unsigned16 2 1-1000
198: Prm_text_Ref = 100
199: EndExtUserPrmData
200:
201: ExtUserPrmData = 1003 "INDIREC PAR 3"
202: Unsigned16 3 1-1000
203: Prm_text_Ref = 100
204: EndExtUserPrmData
205:
………………
………………
284:
285: ExtUserPrmData = 1020 "INDIREC PAR 20"
286: Unsigned16 40 1-1000
287: Prm_text_Ref = 100
288: EndExtUserPrmdata
Code 2 – GSD file, the part that is responsible for displaying the registers in DPV0 (cyclic)
The second line of each block begins with “Unsigned16”, followed by the register number (shown above in
green).
The list of register numbers appears in section 17.8 on page 162.
17.3.3.2 Selection of the DPV0 Registers through Data Request (DPV1)
By writing to Slot number 1 and Index 2, you can change the register that appears in DPV0.
Remember that for each register there are 16 bits (two bytes/one word). The first byte represents the high
value of the register number.
To demonstrate this, let’s say that we want to see the following registers in DPV0 (cyclic):
1. Logic Status.
2. I1.
3. I2.
4. I3.
5. Voltage.
6. Ctrl-In.
7. Ctrl_Out (relays).
8. Power.
9. Power Factor.
10. Frequency.
_____________________________________________________________________________________________

153 • HRVS-DN Communication (Profibus protocol)
_______________________________________________________________________________________________
Step 1: Find the register numbers
In this document, we will use a simple PROFIBUS master tool to demonstrate how to change parameters.
This tool is very simple and it allows you to modify the parameters only by writing the hex numbers.
Go to the table in section 17.7 page 158 and find the register number for each register. The tool used in our
example requires the hexadecimal value so we also need to convert the register number into its hex
equivalent.
The following table shows the register numbers for the registers used in our example.
Register name Decimal number Hex number
Logic Status 1 00 01
I1 5 00 02
I2 6 00 05
I3 7 00 07
Voltage 4 00 04
Ctrl-In 2 00 02
Ctrl_Out (relays) 3 00 03
Power 15 00 0F
Power Factor 17 00 11
Frequency 8 00 08
Step 2: Update the register numbers
In the Data Request area defines the following:
• Slot Number = 1
• Index = 2
• Operation = Write
• Write Data (hex) = the hex numbers in the table above
This updates the registers that are shown in DPV0.
Figure 52 – Updating the register number that will show at DPV0 (by Data Request)
Write

154 • HRVS-DN Communication (Profibus protocol)
17.3.3.3 Reading of the DPV0 (Cyclic) Registers via Data Request (DPV1)
In the Data Request areas define the following:
• Slot Number = 1
• Index = 2
• Operation = Read
The registers in DPV0 will display in the Read Data (hex) field.
Figure 53 – Reading the register number that is shown in the DPV0 (cyclic) list
Read
_____________________________________________________________________________________________

155 • HRVS-DN Communication (Profibus protocol)
_______________________________________________________________________________________________
17.4 Operations that are Available in DPV1
• Choose the registers that will display in DPV0 (cyclic). This was described in the previous section.
• Read and write from random registers.
17.4.1 Read and Write from Random Registers via Data Request
Reading or writing by Data Request (DPV1) allows you to read or write up to 20 registers in a single request.
In order to read or write via Data Request (DPV1) you need to perform 2 operations:
• First update the first register number that we want to read or write.
• Second read or write the register.
To configure the first register number, define the following:
• Slot Number = 1
• Index = 2
• Operation = Write
• Write Data (hex) = the first register number
The length of the register number must always contain two bytes (word). If we want to read from register
number 5 we need to read from register number 0x0005. The first byte is the high part of the number (the
MSB).
To read or write multiple registers, we need to define the number of the words that we want to read or write.
The following example shows how to read from register number 0x80 to register number 0x83.
Step 1: Write the number 80 hex to Slot number 2 and Index number 2.
Figure 54 – Choosing register number 80 hex
Write to
Slot: 2
Index: 2
Register
number 80 hex

156 • HRVS-DN Communication (Profibus protocol)
Step 2: Read from Slot number 3 and Index number 2
The following eight bytes are displayed: Register number 0x80 , Register number 0x81, Register number 0x82
and Register number 0x83 (4 words = 8 bytes total)
Figure 55 – Reading 4 following register by Data Request (DPV1)
Read from
Slot: 3
Index: 2
8 byte – (4
Registers)
_____________________________________________________________________________________________

157 • HRVS-DN Communication (Profibus protocol)
_______________________________________________________________________________________________
17.5 Configure the PROFIBUS in the HRVS-DN
All the settings to establish PROFIBUS communication are located under the Communication menu. Follow
the steps below to define the PROFIBUS in the HRVS-DN .
1. Press the MODE button until the following message appears:
C
OMM. PARAMETERS
- **** -
2. Press SELECT one time and the following message will appear:
COMM. PROTOCOL
PROFIBUS
In this menu, use the up/down arrows to define that the communication will be PROFIBUS.
3. Press SELECT again and the following message will appear:
BAUD RATE
AUTO (PROFIBUS)
4. Press SELECT again and the following message will appear:
PARITY CHECK
AUTO (PROFIBUS)
5. Press SELECT again and the following message will appear:
PROFI.NETWORK ID
3
In this menu, use the up/down arrows to define the PROFIBUS Address of the HRVS-DN.
6. Press SELECT again and the following message will appear:
S.LINK PAR. SAVE
ENABLE
In this menu, use the up/down arrows to define whether to enable/disable writing of parameters via
the PROFIBUS.
7. Press SELECT again and the following message will appear:
SER.LINK CONTROL
ENABLE
In this menu, use the up/down arrows to define whether to enable/disable control via the
PROFIBUS.
8. Press SELECT again a number of times until the following message appears:
Store Settings
COMM. Parameters
Pressing the STORE button stores the parameters in the HRVS-DN memory.
17.6 Watch Dog Definition
The Watch-Dog mechanism can be enabled or disabled only via the PROFIBUS controller.
When the Watch-Dog is enabled, the HRVS-DN will stop the motor when there is a break in
communication between the controller and the device.

158 • HRVS-DN Communication (Profibus protocol)
17.7 Numbers of actual data Register for (decimal)
Number Parameter Name Description
Logic status of HRVS-DN. 1 indicates:
d15: HRVS-DN Tripped.
d14: Motor Stopped.
d13: Motor in Soft Stop Process.
d12: Motor in Start Process.
d11: Motor is Running.
d10: Motor is running with Closed By_Pass.
d9: Up_To_Speed. Like d10 and I reduced (once) below 115% of
FLA.
1 Logic Status
d8: Reserved.
d7: Dual_Adjust On.
d6..d0: Reserved.
Note: After by-pass is closed, trip (d15) and running (d11), can be ON
together. See Trip_after_By-Pass setting parameter at fault parameters
page.
2 Hardwired inputs
Discrete Hardwired control inputs:
d15..d8: Reserved.
d7: External fault 2, Terminal 20.
d6: External Fault 1,Terminal 19.
d5: Reserved.
d4: Programmable Input , Terminal 8
d3: Programmable Input, Terminal 7
d2: Start Input. Terminal 6
d1: Soft Stop Input. Terminal 5
d0: Stop Input. Terminal 4
3 Relays d0 - Immediate, d1- End Of Acc, d2 - Fault relay
4 Voltage Line voltage, % of rated voltage.
5 I1_amp Current of phase 1, Ampere.
6 I2_amp Current of phase 2, Ampere.
7 I3_amp Current of phase 3, Ampere.
8 Reserved
d15..d8: Reserved.
d7: Setting Lock - (right-most)
d6: Enlarged Setting Ranges
d5: Language Selection.
9 Dip_Switch d4: Language Selection.
d3: Reserved - Must be set to Off.
d2: Generator Starting - Set to Off.
d1: Tacho feedback available (1).
d0: Min (off) / Max display pages- (left most)
10 Phase_Sequence 1: Correct Phase seq. 0 : Wrong Phase Seq.
11 Motor Insulation R Motor Insulation Resistance [KOhm]
12 Reserved
13 Reserved
14 Reserved
15 Power Power consumption [KW]
16 Reactive Power Reactive Power consumption [KVAR]
17 Power Factor Power Factor * 100
18 Time Since Last Start Elapsed minutes since last start
19 Frequency Frequency [tenth Hz]
20 Reserved
21 Reserved
22 Reserved
23 Reserved
24 Reserved
25 Logic Status at Power
Fail Logic Status at Control Pwr Supply turn off.
26 Total Run Time Total Hours of Running Motor.
27 Total Starts Total Number Of Start
28 Last start period Duration of last start, Seconds
29 Last start peak I Peak current during last starting process
30 Time to start After too many starts trip, Seconds
_____________________________________________________________________________________________

159 • HRVS-DN Communication (Profibus protocol)
_______________________________________________________________________________________________
Number Parameter Name Description
31 Total trips Total number of trips
32 Last trip number
# of the fault that caused trip.
# Fault
01: Over Temperature
02: Over current / Shear pin
03: Overload
04: Under Current
05: Under / No Voltage
06: Over Voltage
07: Phase Loss
08: Phase Sequence
09: Wrong Connection or Shorted SCR.
10: Long Start Time
11: Set Curve to 0
12: External Fault 1 (Input # 3)
13: External Fault 2 (Input # 4)
14: Wrong Parameters
15: Mains ON & No Start Signal
16: Too Many Starts
17: Currents Unbalance
18: Insulation
19: Ground Fault
20: Open By-Pass
21: Frequency out of range
22: Comm Port Failure
23: Set Clock
24: Coast Down Time
33 Pre Trip Current at trip time, % of FLA
34 Reserved
35 Reserved
36 Reserved
37 Reserved
38 Reserved
39 Thermal Capacity Simulated winding temperature, %. 100% = trip
40 Reserved
41 Clk Hour Setting can be done at setting # 130
42 Clk Minute Setting can be done at setting # 131
43 Clk Month Setting can be done at setting # 132
44 Clk Date Setting can be done at setting # 133
45 Clk Year Setting can be done at setting # 134
46 Reserved
47 KWH_LS KWH dword parameter: LS word
48 KWH_MS KWH dword parameter: MS word
49 KVARH_ LS KVARH dword parameter: LS word
50 KVARH_MS KVARH dword parameter: MS word
51 Reserved
52 Reserved
53 Reserved
54 Reserved
55 Reserved
56 Reserved
57 Trip Array 1 List of last 10 Trip
58 Trip Array 2 List of last 10 Trip
59 Trip Array 3 List of last 10 Trip
60 Trip Array 4 List of last 10 Trip
61 Trip Array 5 List of last 10 Trip
62 Trip Array 6 List of last 10 Trip
63 Trip Array 7 List of last 10 Trip
64 Trip Array 8 List of last 10 Trip
65 Trip Array 9 List of last 10 Trip
66 Trip Array 10 List of last 10 Trip

160 • HRVS-DN Communication (Profibus protocol)
Number Parameter Name Description
Trip Hour Array 1
67 List of time (Hour) of last 10 trips
68 Trip Hour Array 2 List of time (Hour) of last 10 trips
69 Trip Hour Array 3 List of time (Hour) of last 10 trips
70 Trip Hour Array 4 List of time (Hour) of last 10 trips
71 Trip Hour Array 5 List of time (Hour) of last 10 trips
72 Trip Hour Array 6 List of time (Hour) of last 10 trips
73 Trip Hour Array 7 List of time (Hour) of last 10 trips
74 Trip Hour Array 8 List of time (Hour) of last 10 trips
75 Trip Hour Array 9 List of time (Hour) of last 10 trips
76 Trip Hour Array 10 List of time (Hour) of last 10 trips
77 Trip Minute Array 1 List of time (Hour) of last 10 trips
78 Trip Minute Array 2 List of time (Hour) of last 10 trips
79 Trip Minute Array 3 List of time (Hour) of last 10 trips
80 Trip Minute Array 4 List of time (Hour) of last 10 trips
81 Trip Minute Array 5 List of time (Hour) of last 10 trips
82 Trip Minute Array 6 List of time (Hour) of last 10 trips
83 Trip Minute Array 7 List of time (Hour) of last 10 trips
84 Trip Minute Array 8 List of time (Hour) of last 10 trips
85 Trip Minute Array 9 List of time (Hour) of last 10 trips
86 Trip Minute Array 10 List of time (Hour) of last 10 trips
87 Trip Date Array 1 List of date (day) of the last 10 trips
88 Trip Date Array 2 List of date (day) of the last 10 trips
89 Trip Date Array 3 List of date (day) of the last 10 trips
90 Trip Date Array 4 List of date (day) of the last 10 trips
91 Trip Date Array 5 List of date (day) of the last 10 trips
92 Trip Date Array 6 List of date (day) of the last 10 trips
93 Trip Date Array 7 List of date (day) of the last 10 trips
94 Trip Date Array 8 List of date (day) of the last 10 trips
95 Trip Date Array 9 List of date (day) of the last 10 trips
96 Trip Date Array 10 List of date (day) of the last 10 trips
Trip Month Array 1 List of date (Month) of the last 10 trips
97
98 Trip Month Array 2 List of date (Month) of the last 10 trips
99 Trip Month Array 3 List of date (Month) of the last 10 trips
100 Trip Month Array 4 List of date (Month) of the last 10 trips
101 Trip Month Array 5 List of date (Month) of the last 10 trips
102 Trip Month Array 6 List of date (Month) of the last 10 trips
103 Trip Month Array 7 List of date (Month) of the last 10 trips
104 Trip Month Array 8 List of date (Month) of the last 10 trips
105 Trip Month Array 9 List of date (Month) of the last 10 trips
106 Trip Month Array 10 List of date (Month) of the last 10 trips
107 Trip Year Array 1 List of date (Year) of the last 10 trips
108 Trip Year Array 2 List of date (Year) of the last 10 trips
109 Trip Year Array 3 List of date (Year) of the last 10 trips
110 Trip Year Array 4 List of date (Year) of the last 10 trips
111 Trip Year Array 5 List of date (Year) of the last 10 trips
112 Trip Year Array 6 List of date (Year) of the last 10 trips
113 Trip Year Array 7 List of date (Year) of the last 10 trips
114 Trip Year Array 8 List of date (Year) of the last 10 trips
115 Trip Year Array 9 List of date (Year) of the last 10 trips
Trip Year Array 10 List of date (Year) of the last 10 trips 116
117 Trip Pointer Pointer of the 10 cyclic above arrays
_____________________________________________________________________________________________

161 • HRVS-DN Communication (Profibus protocol)
_______________________________________________________________________________________________
Number Parameter Name Description
118-150 Reserved
151 Actual_Data_Group_1 Group of 20 actual parameters selected by setting parameters 90..109.
152 Actual_Data_Group_2 Group of 20 actual parameters selected by setting parameters 90..109.
153 Actual_Data_Group_3 Group of 20 actual parameters selected by setting parameters 90..109.
154 Actual_Data_Group_4 Group of 20 actual parameters selected by setting parameters 90..109.
155 Actual_Data_Group_5 Group of 20 actual parameters selected by setting parameters 90..109.
156 Actual_Data_Group_6 Group of 20 actual parameters selected by setting parameters 90..109.
157 Actual_Data_Group_7 Group of 20 actual parameters selected by setting parameters 90..109.
158 Actual_Data_Group_8 Group of 20 actual parameters selected by setting parameters 90..109.
159 Actual_Data_Group_9 Group of 20 actual parameters selected by setting parameters 90..109.
160 Actual_Data_Group_10 Group of 20 actual parameters selected by setting parameters 90..109.
161 Actual_Data_Group_11 Group of 20 actual parameters selected by setting parameters 90..109.
162 Actual_Data_Group_12 Group of 20 actual parameters selected by setting parameters 90..109.
163 Actual_Data_Group_13 Group of 20 actual parameters selected by setting parameters 90..109.
164 Actual_Data_Group_14 Group of 20 actual parameters selected by setting parameters 90..109.
165 Actual_Data_Group_15 Group of 20 actual parameters selected by setting parameters 90..109.
166 Actual_Data_Group_16 Group of 20 actual parameters selected by setting parameters 90..109.
167 Actual_Data_Group_17 Group of 20 actual parameters selected by setting parameters 90..109.
168 Actual_Data_Group_18 Group of 20 actual parameters selected by setting parameters 90..109.
169 Actual_Data_Group_19 Group of 20 actual parameters selected by setting parameters 90..109.
170 Actual_Data_Group_20 Group of 20 actual parameters selected by setting parameters 90..109.

162 • HRVS-DN Communication (Profibus protocol)
17.8 Number of Setting Registers for Data Request
17.8.1 Main & protect. parameters
Parameter # Range Default
Rated Line Voltage 0 2300..15000 6600 (Volt.)
Starter FLC 1 20..1800 150 (Amp.)
Motor FLA 2 20..1800 150 (Amp.)
Rated Motor Power 3 50..40000 1000 (KW)
Service Factor 4 100..130 (% of FLA) 100 (%)
Undercurrent Trip 5 0..90 0 (% of FLA)
Undercurrent Delay 6 1..40 10 (Seconds)
Overcurrent Shear Pin 7 100..850 850 (% of FLA)
Overcurrent Delay 8 0..50 5 (0.5 Sec.)
Overload Class 9 IEC 5,10,15,20,25,30
NEMA 5,10,15,20,25,30 FLA) IEC Class 10
Overload Protect 10 0=Disable
1=Enable While Run
2=Enable 1=Enable While Run
Unbalance Trip 11 10..100, 101 = Off 20 (%)
Unbalance Delay 12 1..60 5 (Seconds)
Ground Fault Trip 13 10..100, 101 = Off 20 (% of FLA)
Ground Fault Delay 14 1..60 5 (Seconds)
Undervoltage Trip 15 50..90 70 (%)
Undervoltage Delay 1..100 5 (Seconds) 16
Overvoltage Trip 17 110..125 120 (%)
Overvoltage Delay 18 1..10 2 (Seconds)
Reserved 20..24
17.9 Start Parameters
Parameter # Range Default
Soft_Start_Curve 24
0..11 (6..11 are for Tacho
only) 1 (Standard).
Pulse Level 25 70 (%of FLA) – 700 (%of FLA) 70% of FLA
Pulse Time 26 0..10 (Tenth Seconds) 0 (No Pulse)
Initial Voltage /
Initial Current 27 10..80 /
100..400 % (of FLA) 30 (% of full voltage) /
100 (% of FLA)
Current Limit 28 100..700 400 (% of FLA)
Acceleration Time 29 1..90 10 (Seconds)
Max. Start Time 30 1..250 30 (Seconds)
Number Of Starts 31 1..10 & (11 = off) 1
Starts_Period 32 1..60 20 (Minutes)
Start Inhibit 33 1..60 minutes 15 (Minutes)
Run Contact Delay /
Turn Bypass On at 34 5 (Seconds) /
0..120 seconds /
121..250 % of Motor FLA Only with relay card for
optional sync motor start
3 Sec
35 3..60
Min Time To Bypass Only with relay card for
optional sync motor start
Reserved 36..39
_____________________________________________________________________________________________

163 • HRVS-DN Communication (Profibus protocol)
_______________________________________________________________________________________________
17.10 Stop Parameters
Parameter # Range Default
Soft_Stop_Curve 40 0..11 (6..11 are for Tacho only) 1 (Standard)
Deceleration_Time 41 0..90 0 (Seconds)
Final_Torque 42 0..10 0 (Minimum)
Coast Down Delay 43 Off (9) 10..3600 9 (Off)
Reserved 43..47
17.11 Dual Adjust Parameters
Parameter # Range Default
DA Initial Voltage /
DA Initial Current 48 10..80 % of full voltage /
100..400 % of FLA 30 /
100 % of FLA
DA Current Limit 49 100..700 400 % of FLA
DA Acceleration Time 50 1..90 10 (Seconds)
DA Deceleration Time 51 0..90 0 (Seconds)
DA Motor FLA 52 20..1800 150 (Amp.)
Reserved 53..55
17.12 Fault Parameters
Parameter # Range Default
UV & PL Auto_Reset 56 0..1 (0 - No, 1 - Yes) 0 (No)
Under_Current_Reset 57 10..120 (&121=off) 121 (Off)
By-Pass_Open_Trip 58 0 / 1 (0 – Disable,1 - Enable) 1 (Enable)
Trip_after_By-Pass 59 0 / 1 (0 – Disable,1 - Enable) 1 (Enable)
By-Pass_Auto_Reset 60 0 – No, 1 – Yes 0 (No)
Set_Curve_To_0 61 0 / 1 (0 – Disable,1 - Enable) 1 (Enable)
Power On & No Start 62 0 / 1 (0 – Disable,1 - Enable) 1 (Enable)
Insulation_Alarm 63
1(Off) – 100 (10 Mohm) 1 (Off)
Insulation_Trip 64
1(Off) – 100 (10 Mohm) 1 (Off)
Phase Sequence 65 0 – Pos., 1 – Neg., 2 – Ignore 0 (Positive)
Reserved 66..71
17.13 I/O Programming
Parameter # Range Default
Prog. Input #7 (thermal 7) 72
0..3
0 – Test
1 – Reset
2 – Multi Soft Stop - consult the
factory
3 – Current Control - consult the
factory
1 (Reset)
Prog. Input #8 (thermal 8) 73 0..1 (0=D.Adj.,1=Reset) 0 (Dual Adjust)
Fault Relay Type 74 0..1 (0=Fault, 1=Fault-Fail Safe) 0 (Fault)
Immediate Realy Type 75 0..1 (0=Immediate, 1=shear pin) 0 (Immediate)
Realy On Delay 76 0..3600 0 (Seconds)
Realy Off Delay 77 0..3600 0 (Seconds)
Analog output 78 0..1 (0 - Normal, 1 - Inverted) 0 (Normal)
Reserved 79
17.14 Communication Parameters
Parameter # Range Default
Comm. Protocol 80 0 – Modbus, 1-Profibus 1 – Profibus
Modbus Baud Rate 81 12..96 (*100) 192 (19200 bps)
Parity Check 82 0/1/2 (Even / Odd / No) 0 (Even)
Profibus_Network 83 0..126 (0-Off) 0 (Off)

164 • HRVS-DN Communication (Profibus protocol)
Parameter # Range Default
S. Link Parameters Save 84 0 (Disable), 1 (Enable) 0 (Disable saving)
Ser. Link Control 85 0 (Disable), 1 (Enable) 0 (Disable control)
Modbus Time Out 86 1..247 & (248= Off) 248 (Off)
Front Com Address 87 1..600 & (601= Off) 601 (Off) (Off) (Tenth Sec)
Reserved 88
Modbus_#_Array 89..108
Defaults # are:
1 - Logic Status
5 – I1
6 – I2
7 – I3
4 – Voltage
2 – Ctrl-In
3 – Ctrl_Out (relays)
15 – Power
17 – Power Factor
19 – Frequency
10 – Phase Sequence
26 – Total Run Time
# of parameter
27 – Total Starts
31 – Total Trips
28 – Last Start Period
29 – Last Start Peak I
32 – Last Trip Number
33 – Pre Trip I
39 – Thermal Capacity
11 – Insulation Resistance
17.15 Time Parameters
Parameter # Range Default
Clk Hour 130 0 – 23 Set here, Read at actual # 41
Clk Minute 131 0 – 59 Set here, Read at actual # 42
Clk Month 132 1 – 12 Set here, Read at actual # 43
Clk Day 133 1 – 31 Set here, Read at actual # 44
Clk Year 134 0 – 99 Set here, Read at actual # 45
_____________________________________________________________________________________________

165 • HRVS-DN Communication (DeviceNet™ to Modbus™ Gateway)
_______________________________________________________________________________________________
18. HRVS-DN COMMUNICATION (DEVICENET™ TO MODBUS™ GATEWAY)
18.1 Introduction
18.1.1 Overview
This is a description of the different data types that are used in the documentation of the object model. These
are standard definitions of the Open DeviceNet Vendor Association (ODVA).
18.1.2 Definitions
The following table has a description of all of the data types used.
USINT Unsigned Short Integer (8-bit)
UINT Unsigned Integer (16-bit)
UDINT Unsigned Double Integer (32-bit)
INT Signed Integer (16-bit)
STRING Character String (1 byte per character)
SHORT
STRINGNN Character String (1st byte is length; up to NN
characters)
BYTE Bit String (8-bits)
WORD Bit String (16-bits)
DWORD Bit String (32-bits)
REAL IEEE 32-bit Single Precision Floating Point
18.1.3 Reference Documents
• ODVA Volume 1: CIP Common Specification, Edition 3.2 ©2007 ODVA
• ODVA Volume 3: DeviceNet Adaptation of CIP, Edition 1.4 ©2007 ODVA
18.1.4 Open DeviceNet Vendor Association, Inc. (ODVA)
ODVA is an independent supplier organization that manages the DeviceNet and EtherNet/IP specification and
supports the worldwide growth of the Common Industrial Protocol (CIP).
18.1.5 Rotary Switch Configuration
Two rotary switches configure the DeviceNet MacID, and one rotary switch configures the baud rate. Use a
small screwdriver to change the switch settings. The NODE ADDRESS (MAC ID) rotary switches are shown in
Figure 56, and the DATA RATE rotary switch is shown Figure 57.
Figure 56 - MAC ID rotary switch layout
Use the NODE ADDRESS switches to select the DeviceNet MAC ID address. The valid range of addresses is
0 – 63. All combinations above 63 set the device address to the last address the device was powered up at
and allow software configuration tools to modify the MAC ID address.

166 • HRVS-DN Communication (DeviceNet™ to Modbus™ Gateway)
Figure 57 - Data rate (Baud rate) rotary switch layout
Rotary switch S1 (BAUD) is used to select the DeviceNet Baud Rate. The valid range of baud rates is 1
(125K), 2 (250K), 5 (500K), and P (programmable). All values P and above set the baud rate to the last baud
rate the device was powered up at and allow software configuration tools to modify the baud rate.
125Kb
250Kb
500Kb PGM
DATA RATE
Factory default settings for the rotary switches are typically Address 63, 125K.
18.1.6 LED Indicators
The DeviceNet Gateway provides support for three LEDs: Serial Status (Modbus Diagnostic), Network
Status, and Module Status. The LED on the right indicates the current Serial or Modbus Diagnostic status.
The operation of the Modbus LED is described in Table 1.
Table 1 Modbus Diagnostic Status LED
Color State Indication
None Off No power
Red Flashing Modbus Timeout
Orange Flashing Modbus Error
Green Flashing Normal operation
The LED in the middle indicates the Network Status. The operation of the Network Status LED is described
in Table 2.
Table 2 DeviceNet Network Status LED
Color State Indication
None Off No Power
Red Solid Unrecoverable Fault
Flashing Recoverable Fault
I/O Connection Timed Out
Green Solid Normal runtime operation
Flashing Device is idle or not allocated
to a master
Red / Green Alternating Identify (Offline Connection
Set)
The LED on the left indicates the Module Status. The operation of the Module Status LED is described in
Table 3.
Table 3 DeviceNet Module Status LED
Color State Indication
None Off No Power
Red Solid Unrecoverable Fault
Flashing Recoverable Fault
Green Solid Normal operation
Flashing Not Used
Red / Green Alternating Not used
_____________________________________________________________________________________________

167 • HRVS-DN Communication (DeviceNet™ to Modbus™ Gateway)
_______________________________________________________________________________________________
18.2 Identity Object (01HEX - 1 Instance)
18.2.1 Class Attributes (Instance 0)
Attribute
ID Name DeviceNet
Data Type Data
Value Access Rule
1 Revision UINT 1 Get
18.2.2 Instance Attributes (Instance 1)
Attribute
ID Name DeviceNet
Data Type Data Value Access
Rule
1 Vendor Number UINT 143DEC Get
2 Device Type UINT 17HEX Get
3 Product Code Number UINT 10840 Get
4 Product Major Revision
Product Minor Revision USINT
USINT 01
01 Get
5 Status WORD See Below Get
6 Serial Number UDINT Unique
32 Bit Value Get
7 Product Name SHORT
STRING32 “ASTAT XT” Get
18.2.3 Common Services
Service
Code Implemented for Service Name
Class Level Instance Level
05HEX No Yes Reset
0EHEX No Yes Get_Attribute_Single
10HEX No Yes Set_Attribute_Single
18.3 Message Router Object (02HEX - 1 Instance)
There are no required attributes or services for the Message Router.
18.4 DeviceNet Object (03HEX - 1 Instance)
18.4.1 Class Attributes (Instance 0)
Attribute
ID Name DeviceNet
Data Type Data
Value Access Rule
1 Revision UINT 2 Get
18.4.2 Instance Attributes (Instance 1)
Attribute
ID Name DeviceNet
Data Type Data
Value
Access Rule
1 Mac ID USINT 63 Get / Set2 3
2 Baud Rate USINT 0 Get / Set4 3
5 Structure of:
Allocation Choice
Byte
Master’s Mac ID
BYTE
USINT
0xFF
0
Get
Get
6 MAC ID Switch Changed BOOL 0 Get
7 Baud Rate Switch
Changed BOOL 0 Get
8 MAC ID Switch Value USINT 63 Get
9 Baud Rate Switch Value USINT 0 Get
18.4.3 Common Services
Service
Code Implemented for Service Name
Class Level Instance Level
0EHEX Yes Yes Get_Attribute_Single
10HEX No Yes Set_Attribute_Single
2 When switches are used to set the MacID, the attribute is not settable over the DeviceNet network
3 Stored to NVRAM
4 When switches are used to set the Baud Rate, the attribute is not settable over the DeviceNet network

168 • HRVS-DN Communication (DeviceNet™ to Modbus™ Gateway)
18.5 Assembly Object (04HEX – 4 Instances)
18.5.1 Class Attributes (Instance 0)
Attribute
ID Name DeviceNet
Data Type Data
Value Access
Rule
1 Revision UINT 2 Get
2 Max Instance UINT 112 Get
100 Input Index
60 = Instance 60
61 = Instance 61
100 = Instance 100
USINT 2 Get / Set5
101 Input Size (in bytes) UINT 1 Get
102 Output Index
112 = Instance 112 USINT 0 Get / Set6
103 Output Size (in bytes) UINT 1 Get
18.5.2 Output (O2T) Instance Attributes – Register 40752
Attribute
ID Name DeviceNet
Data Type Data
Value
Access Rule
3 Output Data USINT[] 0 Get/Set
18.5.2.1 Output Instance 112 (0x70 – Attribute 3) – Control Output
Byte Bit 7 Bit 6 Bit 5 Bit 4 Bit 3 Bit 2 Bit 1 Bit 0
0 0 1 0 1 1 0 1 0
1 Reset Reserved Reserved Dual
Adjust Start/Stop
Relay Reserved Reserved Reserved
18.5.3 Input (T20) Instance Attributes – Register 40257
Attribute
ID Name DeviceNet
Data Type Data
Value
Access
Rule
3 Input Data USINT[] 0 Get
18.5.3.1 Input Instance 60 (0x3C) – Basic Softstart Input
Byte Bit 7 Bit 6 Bit 5 Bit 4 Bit 3 Bit 2 Bit 1 Bit 0
0 At
Reference Reserve
d Reserve
d Reserve
d Reserve
d Running
1 Reserve
d Faulted /
Trip
18.5.3.2 Input Instance 61 (0x3D) – Extended Softstart Input
Byte Bit 7 Bit 6 Bit 5 Bit 4 Bit 3 Bit 2 Bit 1 Bit 0
0 At
Reference Reserved Control
From
Net Ready Running2 Running1 Warning Faulted /
Trip
18.5.3.3 Input Instance 100 (0x64) – Status
5 Stored to NVRAM
_____________________________________________________________________________________________
6 Stored to NVRAM

169 • HRVS-DN Communication (DeviceNet™ to Modbus™ Gateway)
_______________________________________________________________________________________________
Byte Bit 7 Bit 6 Bit 5 Bit 4 Bit 3 Bit 2 Bit 1 Bit 0
0 Dual_Adj
ust On Reserve
d Reserve
d Reserve
d Reserve
d Reserved Reserved Reserved
1 HRVS-
DN
Tripped Stopped Soft
Stop
Process
Start
Process Running
Motor is
running with
Closed
By_Pass
Up_To_S
peed.
Like d10
and I
reduced
(once)
below
115% of
FLA
Reserved
18.5.4 Common Services
Service
Code Implemented for Service Name
Class Level Instance Level
0EHEX Yes Yes Get_Attribute_Single
10HEX Yes Yes Set_Attribute_Single
18.6 Connection Object (05HEX – 2 Instances)
18.6.1 Class Attributes (Instance 0)
Attribute
ID Name DeviceNet
Data Type Data
Value Access Rule
1 Revision UINT 1 Get
18.6.2 Instance Attributes (Instances 1-2) Explicit, Polled I/O
Attribute
ID Name DeviceNet
Data Type Data Value Access
Rule
Instance 17 Instance 28
1 State USINT 0 = NonExistent
3 = Established
5 = Deferred
Delete
0 = NonExistent
1 = Configuring
3 = Established
4 = Timed Out
Get
2 Instance Type USINT 0 1 Get
3 Transport
Trigger usint 83HEX 82HEX Get
4 Produced
Connection ID uint 10xxxxxx011BIN
xxxxxx
= Node Address
01111xxxxxxBIN
xxxxxx
= Node Address
Get
5 Consumed
Connection ID uint 10xxxxxx100BIN
xxxxxx
= Node Address
10xxxxxx100BIN
xxxxxx
= Node Address
Get
6 Initial Comm.
Character USINT 21HEX 01HEX Get
7 Produced
Connection
Size
uint 40 4 Get
8 Consumed
Connection
Size
uint 40 4 Get
9 Expected
Packet Rate uint 2500 msec 0 Get /
Set
12 Watchdog
Timeout
Action
USINT 4 = Deferred
Delete 0 = Timeout Get /
Set
7 Instance 1 is an Explicit Message Connection.
8 Instance 2 is a Polled I/O Message Connection.

170 • HRVS-DN Communication (DeviceNet™ to Modbus™ Gateway)
Attribute
ID Name DeviceNet
Data Type Data Value Access
Rule
13 Produced
Connection
Path Length
UINT 0 3 Get
14 Produced
Connection
Path
USINT
Array NULL 0x62 0x36 0x34
(0x64 = 100) Get /
Set9
15 Consumed
Connection
Path Length
UINT 0 0 Get
16 Consumed
Connection
Path
USINT
Array NULL 0x62 0x37 0x30
(0x70 = 112) Get /
Set9
18.6.3 Common Services
Service
Code Implemented for Service Name
Class Level Instance Level
0EHEX Yes Yes Get_Attribute_Single
10HEX No Yes Set_Attribute_Single
18.7 Softstart Object (2DHEX - 1 Instance)
18.7.1 Class Attributes (Instance 0)
Attribute
ID Name DeviceNet
Data Type Data
Value
Access Rule
1 Revision UINT 1 Get
18.7.2 Instance Attributes (Instance 1)
Attribute
ID Name Data
Type Data Value Access
Rule Modbus Register
3 AtReference BOOL See Below Get Bit 11: 40257
4 StartMode USINT See Below Get /
Set Will Always be 0
18.7.2.1 Extended AtReference Values
Value Extended AtReference Description
0 Not At Reference
1 Output At Voltage Reference
18.7.2.2 Extended StartMode Values
Value Extended StartMode Description
0 No Voltage Ramp
No Current Limit
1 Voltage Ramp
No Current Limit
2 No Voltage Ramp
Current Limit
3 Voltage Ramp
Current Limit
4 – 9 Reserved
10 - 255 Vendor Specific
18.7.3 Common Services
Service Implemented for Service Name
_____________________________________________________________________________________________
9 Must select Assembly via Connection Object per AC/DC Drive Profile (Symbolic Segment Type) – Stored in NVRAM

171 • HRVS-DN Communication (DeviceNet™ to Modbus™ Gateway)
_______________________________________________________________________________________________
Code
Class Level Instance Level
0EHEX Yes Yes Get_Attribute_Single
10HEX No Yes Set_Attribute_Single
18.8 Control Supervisor Object (29HEX - 1 Instances)
18.8.1 Class Attributes (Instance 0)
Attribute
ID Name DeviceNet
Data Type Data Value
Access
Rule
1 Revision UINT 1 Get
18.8.2 Instance Attributes (Instance 1)
Attribute
ID Name DeviceNet
Data Type Data
Value Access
Rule Modbus
Register
3 Run1
(Forward) BOOL 0 Get /
Set Bit 2: 40752
Bit 8-15: 0x5A
4 Run2
(Reverse) BOOL 0 Get /
Set Always 0
7 Running1
(Forward) BOOL 0 Get Bit 11: 40257
9 Ready BOOL 0 Get Bit 5: 40257
10 Faulted BOOL 0 Get Bit 15: 40257
11 Warning BOOL 0 Get Bit 6: 40257
15 Ctrl From Net BOOL 1 Get Always 1
100 Control Word UINT 0 Get /
Set 40752
(Read always 0-
since register is
not readable)
18.8.3 Common Services
Service
Code Implemented for Service Name
Class Level Instance Level
05HEX No Yes Reset
0EHEX Yes Yes Get Attribute Single
10HEX No Yes Set Attribute Single
18.9 Modbus / Serial Object (65HEX – 1 Instance)
18.9.1 Class Attributes (Instance 0)
Attribute
ID Name DeviceNet
Data Type Data Value
Access
Rule
1 Revision UINT 1 Get
18.9.2 Instance Attributes (Instance 1)
Attribute
ID Name DeviceNet
Data Type Data Value Access
Rule
1 Modbus Slave ID (1-247) USINT 1 Get /
Set10
2 Baud Rate
0 = 4800
1 = 9600
2 = 19200
USINT 2 Get /
Set10
3 Parity
0 = 8N
1 = 8E
2 = 8O
USINT 1 Get /
Set10
10 Timeout (milliseconds)
(10ms – 60000ms) UINT 500 Get /
Set10
100 Number of Valid Reads
(since power up) UDINT 0 Get
10 Stored to NVRAM

172 • HRVS-DN Communication (DeviceNet™ to Modbus™ Gateway)
Attribute
ID Name DeviceNet
Data Type Data Value Access
Rule
101 Number of Read Errors
(since power up) UDINT 0 Get
102 Number of Read Timeouts
(since power up) UDINT 0 Get
110 Number of Valid Write
(since power up) UDINT 0 Get
111 Number of Write Errors
(since power up) UDINT 0 Get
112 Number of Write Timeouts
(since power up) UDINT 0 Get
18.9.3 Common Services
Service
Code Implemented for Service Name
Class Level Instance Level
0EHEX Yes Yes Get Attribute Single
10HEX No Yes Set Attribute Single
32HEX No Yes Clear Counters
18.10 Solcon Input Object (70HEX – 1 Instance)
18.10.1 Class Attributes (Instance 0)
Attribute
ID Name DeviceNet
Data Type Data Value
Access
Rule
1 Revision UINT 1 Get
18.10.2 Instance Attributes (Instance 1)
Attribute
ID Name Description Access
Rule Modbus
Address
1 Logic Status Logic Status of HRVS-DN: Get 40257
2 Hardwired inputs Discrete Hardwired control
inputs Get 40258
3 Relays d0 - Immediate,d1- End Of
Acc, d2 - Fault relay Get 40259
4 Voltage Line voltage, % of rated
voltage Get 40260
5 I1_amp Current of phase 1, Ampere Get 40261
6 I2_amp Current of phase 2, Ampere Get 40262
7 I3_amp Current of phase 3, Ampere Get 40293
8 Reserved Get 40264
9 Dip_Switch d15..d8: Reserved.
d7: Setting Lock - (right-
most)
d6: Enlarged Setting Ranges
d5: Language Selection.
d4: Language Selection.
d3: Reserved - Must be set
to Off.
d2: Generator Starting - Set
to Off.
d1: Tacho feedback
available (1).
d0: Min (off) / Max display
pages- (left most)
Get 40265
10 Phase_Sequence 1: Correct Phase seq.
0 : Wrong Phase Seq Get 40266
11 Reserved Get 40267
12 Reserved Get 40268
_____________________________________________________________________________________________

173 • HRVS-DN Communication (DeviceNet™ to Modbus™ Gateway)
_______________________________________________________________________________________________
Attribute
ID Name Description Access
Rule Modbus
Address
13 Reserved Get 40269
14 Reserved Get 40270
15 Power Power consumption [KW] Get 40271
16 Reactive Power Reactive Power
consumption [KVAR] Get 40272
17 Power Factor Power Factor * 100 Get 40273
18 Time Since Last
Start Elapsed minutes since last
start Get 40274
19 Frequency Frequency [tenth Hz] Get 40275
20 Reserved Get 40276
21 Reserved Get 40277
22 Reserved Get 40278
23 Reserved Get 40279
24 Reserved Get 40280
25 Logic Status at
Power Fail Logic Status at Control Pwr
Supply turn off Get 40281
26 Total Run Time Total Hours of Running
Motor Get 40282
27 Total Starts Total Number Of Starts Get 40283
28 Last Start Period Duration of Last Start,
Seconds Get 40284
29 Last Start Peak I Current During Last Starting
process Get 40285
30 Time To Start After Too Many Starts Trip,
Seconds Get 40286
31 Total Trips Total Number Of Trips Get 40287
32 Last Trip Number Number of the fault that
caused trip Get 40288
33 Pre Trip I Current at trip time, % of
FLA. Get 40289
34 Reserved Get 40290
35 Reserved Get 40291
36 Reserved Get 40292
37 Reserved Get 40293
38 Reserved Get 40294
39 Thermal Capacity Simulated winding
temperature, %. 100% = trip Get 40295
40 Reserved Get 40296
41 Clock Hour Real Time Hour Get 40297
42 Clock Minute Real Time Minute Get 40298
43 Clock Month Real Time Month Get 40299
44 Clock Day Real Time Day Get 40300
45 Clock Year Real Time Year Get 40301
46 Reserved Get 40302
47 KWH_L KWH Low word Get 40303
48 KWH_H KWH High word Get 40304
49 KVARH_L KVARH Low word Get 40305
50 KVARH_H KVARH High word Get 40306
51 Reserved Get 40307
52 Reserved Get 40308
53 Reserved Get 40309
54 Reserved Get 40310
55 Reserved Get 40311
56 Reserved Get 40312
57-66 Trip Array [10] List of last 10 Trip Get 40313-
40322
67-76 Trip Hour Array List of time (Hour) of the last Get 40323-

174 • HRVS-DN Communication (DeviceNet™ to Modbus™ Gateway)
Attribute
ID Name Description Access
Rule Modbus
Address
[10] 10 trips 40332
77-86 Trip Minute Array
[10] List of time (Minute) of the
last 10 trips Get 40333-
40342
87-96 Trip Day Array
[10] List of time (Day) of the last
10 trips Get 40343-
40352
97-106 Trip Month Array
[10] List of time (Month) of the
last 10 trips Get 40353-
40362
107-116 Trip Year Array
[10] List of time (Year) of the last
10 trips Get 40363-
40372
117 Trip Pointer Pointer for the 10 cyclic
above arrays Get 40373
18.10.3 Common Services
Service
Code Implemented for Service Name
Class Level Instance Level
0EHEX Yes Yes Get Attribute Single
18.11 Main Parameter Object (71HEX – 1 Instance)
18.11.1 Class Attributes (Instance 0)
Attribute
ID Name DeviceNet
Data Type Data Value
Access
Rule
1 Revision UINT 1 Get
18.11.2 Instance Attributes (Instance 1)
Attribute
ID Name Range Default
Value Access
Rule Modbus
Address
1 Rated Line Voltage 2300-
15000 6600
(Volt) Get/Set 40001
2 Starter FLC 20-1800 150
(Amp) Get/Set 40002
3 Motor FLA 20-1800 150
(Amp) Get/Set 40003
4 Rated Motor Power 50-40000 1000
(KW) Get/Set 40004
5 Service Factor 100-130% 100 (%) Get/Set 40005
6 Undercurrent Trip 0-90 0 (% of
FLA) Get/Set 40006
7 Undercurrent Delay 1-40 10
(Second
)
Get/Set 40007
8 Over current Shear
Pin 100-850 850 (%
of FLA) Get/Set 40008
9 Over current Delay 0-50 5 (0.5
Sec) Get/Set 40009
10 Overload Class IEC:
5,10,15,20
,25,30
NEMA:
5,10,15,20
,25,30 FLA
IEC
Class
10
Get/Set 40010
11 Overload Protect 0=Disable
1=Enable
While Run
2=Enable
1=Enabl
e While
Run
Get/Set 40011
12 Unbalance Trip 10-100,
101 = Off 20 (%) Get/Set 40012
13 Unbalance Delay 1-60 5 Get/Set 40013
_____________________________________________________________________________________________

175 • HRVS-DN Communication (DeviceNet™ to Modbus™ Gateway)
_______________________________________________________________________________________________
Attribute
ID Name Range Default
Value Access
Rule Modbus
Address
(Second
)
14 Ground Fault Trip 10-100,
101 = Off 20 (% of
FLA) Get/Set 40014
15 Ground Fault Delay 1-60 5
(Second
)
Get/Set 40015
16 Under voltage Trip 50-90 70 (%) Get/Set 40016
17 Under voltage Delay 1-100 5
(Second
)
Get/Set 40017
18 Overvoltage Trip 110-125 120 (%) Get/Set 40018
19 Overvoltage Delay 1-10 2
(Second
)
Get/Set 40019
18.11.3 Common Services
Service
Code Implemented for Service Name
Class Level Instance Level
0EHEX Yes Yes Get Attribute Single
10HEX No Yes Set Attribute Single
18.12 Start Settings Object (72HEX – 1 Instance)
18.12.1 Class Attributes (Instance 0)
Attribute
ID Name DeviceNet
Data Type Data Value
Access
Rule
1 Revision UINT 1 Get
18.12.2 Instance Attributes (Instance 1)
Attribute
ID Name Range Default
Value Access
Rule Modbus
Address
1 Soft Start Curve 0-11 (6-11 are for
Tacho only) 1
(Standard
)
Get/Set 40025
2 Pulse Level 70 (%of FLA) –
700 (%of FLA) 70% of
FLA Get/Set 40026
3 Pulse Time 0-10 (Tenth
Seconds) 0 (No
Pulse) Get/Set 40027
4 Initial Voltage/
Initial Current 10-80 /
100-400 % of
FLA
100 % of
FLA Get/Set 40028
5 Current Limit 100-700 400 (% of
FLA) Get/Set 40029
6 Acceleration
Time 1-90 10
(Seconds) Get/Set 40030
7 Max. Start Time 1-250 30
(Seconds) Get/Set 40031
8 Number Of
Starts 1-10 & (11 = off) 1 Get/Set 40032
9 Starts Period 1-60 20
(Minutes) Get/Set 40033
10 Start Inhibit 1-60 minutes 15
(Minutes) Get/Set 40034
11 Run Contact
Delay 0-120 seconds 5
(Seconds) Get/Set 40035

176 • HRVS-DN Communication (DeviceNet™ to Modbus™ Gateway)
Attribute
ID Name Range Default
Value Access
Rule Modbus
Address
12 Turn Bypass On
at 121-250 % of
Motor FLA Only with
relay PCB
for
optional
sync
motor
start
Get/Set 40036
13 Min Time To
Bypass 3-60 3 Sec Get/Set 40037
18.12.3 Common Services
Service
Code Implemented for Service Name
Class Level Instance Level
0EHEX Yes Yes Get Attribute Single
10HEX No Yes Set Attribute Single
18.13 Stop Settings Object (73HEX – 1 Instance)
18.13.1 Class Attributes (Instance 0)
Attribute
ID Name DeviceNet
Data Type Data Value
Access Rule
1 Revision UINT 1 Get
18.13.2 Instance Attributes (Instance 1)
Attribut
e ID Name Range Default
Value Access
Rule Modbus
Address
1 Soft Stop Curve 0-11 (6-11
are for
Tacho
only)
1 (Standard) Get/Set 40041
2 Deceleration
Time 0-90 0 (Seconds) Get/Set 40042
3 Final Torque 0-10 0 (Minimum) Get/Set 40043
4 Coast Down
Delay Off (9) 10-
3600 9-(Off) Get/Set 40044
18.13.3 Common Services
Service
Code Implemented for Service Name
Class Level Instance Level
0EHEX Yes Yes Get Attribute Single
10HEX No Yes Set Attribute Single
18.14 Dual Settings Object (74HEX – 1 Instance)
18.14.1 Class Attributes (Instance 0)
Attribute
ID Name DeviceNet
Data Type Data Value
Access Rule
1 Revision UINT 1 Get
18.14.2 Instance Attributes (Instance 1)
Attribute
ID Name Range Default
Value Access
Rule Modbus
Address
1 DA: Initial Voltage
/
DA: Initial Current
10-80 %
of full
voltage /
100-400
% of FLA
30
/
100 % of
FLA
Get/Set 40049
2 DA: Current Limit 100-700 400 % of
FLA Get/Set 40050
3 DA: Acceleration
Time 1-90 10
(Seconds) Get/Set 40051
_____________________________________________________________________________________________

177 •
_______________________________________________________________________________________________
Modbus
Address
Attribute
ID Name Range Default
Value Access
Rule
4 DA: Deceleration
Time 0-90 0
(Seconds) Get/Set 40052
5 DA: Motor FLA 20-1800 150
(Amp.) Get/Set 40053
18.14.3 Common Services
Service
Code Implemented for Service Name
Class Level Instance Level
0EHEX Yes Yes Get Attribute Single
10HEX No Yes Set Attribute Single
18.15 Fault Settings Object (76HEX – 1 Instance)
18.15.1 Class Attributes (Instance 0)
Attribute
ID Name DeviceNet
Data Type Data Value
Access Rule
1 Revision UINT 1 Get
18.15.2 Instance Attributes (Instance 1)
Attribute
ID Name Range Default
Value Access
Rule Modbus
Address
1 UV & PL Auto
Reset 0/1
(0 - No, 1 -
Yes)
0 (No) Get/Set 40057
2 Under Current
Reset 10-120 (&121-
off) 121 (Off) Get/Set 40058
5 ByPass Open
Trip 0/1 (0-Disable,
1-Enable) 1
(Enable) Get/Set 40059
6 Trip after Bypass 0/1 (0-Disable,
1-Enable) 1
(Enable) Get/Set 40060
7 By-Pass Auto
Reset 0/1
(0 - No, 1 -
Yes)
0 - No Get/Set 40061
8 Set Curve 0 Flt 0/1 (0-Disable,
1-Enable) 1
(Enable) Get/Set 40062
9 Power On & No
Start 0/1 (0-Disable,
1-Enable) 1
(Enable) Get/Set 40063
10 Insulation Alarm 1(Off) – 100
(10Mohm) 1 (Off) Get/Set 40064
11 Insulation Trip 1(Off) – 100
(10Mohm) Get/Set 40065 1 (Off)
12 Phase Sequence 0–Pos, 1–Neg,
2–Ignore 0
(Positive) Get/Set 40066
18.15.3 Common Services
Service
Code Implemented for Service Name
Class Level Instance Level
0EHEX Yes Yes Get Attribute Single
10HEX No Yes Set Attribute Single

178 • Parameters List
19. PARAMETERS LIST
Parameter Default setting Range Set 1 Set 2 Set 3 Set 4
Range w/dip switch #7=ON
MAIN & PROTECT Refer to section 7.8.2 page 56
RATED LINE VOLT. 6600 VOLT. 2300-15000 VOLT.
150 AMP. 20 – 1800 AMP.
STARTER FLC
150 AMP. 33-100% of STARTER FLC
MOTOR FLA
RATED MOTOR PWR 1000KW 50-40000KW
SERVICE FACTOR 100% 100-130%
UNDERCURR. TRIP 0 = OFF, 20-90% of FLA
0% OF FLA
UNDERCURR. DELAY 10 SEC. 1-40 SEC.
O/C – SHEAR PIN 850% OF FLA 100 – 850% OF FLA
0.5 SEC. 0.0 - 5 SEC.
O/C DELAY
OVERLOAD CLASS IEC CLASS 10 IEC CLASS 5, 10, 15, 20, 25, 30
NEMA CLASS 5, 10, 15, 20, 25, 30
OVERLOAD PROTECT ENABLE WHILE RUN DISABLE, ENABLE WHILE RUN,
ENABLE
20% OF FLA OFF/10-100% OF FLA
UNBALANCE TRIP
UNBALANCE DELAY 5 SEC. 1-60 SEC.
GND FAULT TRIP 20% OF FLA OFF/ 10-100%
GND FAULT DELAY 5 SEC. 1-60 SEC.
UNDERVOLT. TRIP 70% OF Vn 50-90% OF Vn.
UNDERVOLT. DELAY 5 SEC. 1-10 SEC.
120% OF Vn. 110-125% OF Vn
OVERVOLT TRIP
OVERVOLT DELAY 2 SEC. 1-10 SEC.
START PARAMETERS Refer to section 7.8.3 page 61
SOFT START CURVE 0 (BASIC)= Basic
1 (STANDARD)= Standard Curve
2!! = Pump Control Curve # 1
3!! = Pump Control Curve # 2
4!! = Pump Control Curve # 3
5 (RORQUE) = Torque Control
1 (STANDARD)
0 (MIN. GAIN)= Minimum gain tacho
control
1!! = Second level Tacho gain
2!! = Third level Tacho gain
3!! = Fourth level Tacho gain
4!! = Fifth level Tacho gain
5!! = Sixth level Tacho gain
0 (MIN. GAIN) START TACHO. GAIN
When setting Dip sw. # 2
On for Tacho Mode
Note: Tacho Feedback
functions in its basic form.
Additional curves except
for the basic Linear curve
are optional. Consult the
factory for correct tacho
selection and mechanical
installation.
PULSE LEVEL 70% OF FLA 70-700% OF FLA.
If PULSE TIME>1sec 400%
70-700% OF FLA. If PULSE
TIME>1sec, with the maximum
limitation of: 440x(FLC/FLA)
0.0 SEC. 0-10 SEC. PULSE TIME
30%
or 100% 10-50% of Vn
or 100-400% of motor FLA
INITIAL VOLTAGE
or INITIAL CURRENT
5-80% of Vn
or 100-400% of motor FLA
400% OF FLA 100-400% of motor FLA.
CURRENT LIMIT
100-700% of motor FLA. With the
maximum limitation of:
440x(FLC/FLA)
ACC. TIME 10 SEC. 1-30 SEC.
1-90 SEC.
30 SEC. 1-30 SEC.
MAX. START TIME
1-250 SEC.
NUMBER OF STARTS 1 1-10, OFF.
STARTS PERIOD 20 MIN. 1-60 MIN.
START INHIBIT 15 MIN. 1-60 MIN.
RUN CONTACT DLY 5 SEC. 0-120 SEC.
TURN BYPASS ON AT * 120% OF FLA 120-300% OF FLA
MIN TIME TO BYPS * 3 SEC. 3-60 SEC.
* Only displays if optional relay PCB is installed and pressing
S key for 10 seconds when RUN CONTACT DLY parameters
reaches maximum.
_____________________________________________________________________________________________

179 • Parameters List
_______________________________________________________________________________________________
Parameter Default setting Range Set 1 Set 2 Set 3 Set 4
Range w/dip switch #7=ON
STOP PARAMETERS Refer to section 7.8.4 page 68
SOFT STOP CURVE 1 (STANDARD) 0 (BASIC) = Basic
1 (STANDARD)= Standard Curve
2!! = Pump Control Curve # 1
3!! = Pump Control Curve # 2
4!! = Pump Control Curve # 3
5 (TORQUE) = Torque Control
STOP TACHO. GAIN
When setting Dip sw # 2
On for Tacho Mode,
Note: Tacho Feedback
functions in its basic form.
Additional curves except
for the basic Linear curve
are optional. Consult the
factory for correct tacho
selection and mechanical
installation.
0 (MIN. GAIN) 0 (MIN. GAIN)= Minimum gain tacho
control
1!! = Second level tacho gain
2!! = Third level tacho gain
3!! = Fourth level tacho gain
4!! = Fifth level tacho gain
5!! = Sixth level tacho gain
DEC. TIME 0 SEC. 0-30 SEC.
0-90 SEC.
FINAL TORQUE 0 (MIN) 0 (MIN.)– 10 (MAX.)
COAST DOWN DELAY OFF OFF, 10-3600 SEC.
DUAL ADJUSTMENT
PARAMETERS Refer to section 7.8.5 page 71
DA: INIT. VOLT
or DA: INIT. CURRENT 30%
or 100% 10-50% of Vn
or 100-400% of motor FLA
5-80% of Vn
or 100-400% of motor FLA
DA: CUR. LIMIT 400% OF FLA 100-400% of motor FLA.
100-700% of motor FLA. With the
maximum limitation of:
440x(FLC/FLA)
DA: ACC. TIME 10 SEC. 1-30 SEC.
1-90 SEC.
DA: DEC. TIME 0 SEC. 0-30 SEC.
0-90 SEC.
DA: MOTOR FLA 150 AMP 33-100% of STARTER FLC
FAULT PARAMETERS Refer to section 7.8.6 page 72
UV & PL AUTO RST NO YES/NO
UNDER CUR. RESET OFF 10-120 MIN. / OFF
BYPASS OPEN TRIP ENABLE ENABLE / DISABLE
TRIP AFTER BYPAS ENABLE ENABLE / DISABLE
BY-PASS AUTO RST NO YES/NO
SET CURVE 0 FLT ENABLE ENABLE / DISABLE
PWR ON & NO STRT ENABLE ENABLE / DISABLE
INSULATION ALARM OFF OFF/ 0.2-20Mohm
INSULATION TRIP OFF OFF/ 0.2-20Mohm
PHASE SEQUENCE POSITIVE POSITIVE/NEGATIVE/IGNORE
I/O PROGRAMMING
PARAMETERS Refer to section 7.8.7 page 74
PROG. INPUT #7 RESET TEST/ RESET/MULTI SOFT STOP
(MULTI SOFT STOP with optional
software only)
PROG. INPUT #8 DUAL ADJUSTMENT DUAL ADJUSTMENT/RESET
FAULT RELAY TYPE FAULT FAULT/FAULT – FAIL SAFE
IMM. RELAY TYPE IMMEDIATE IMMEDIATE/# STRTS PREALRM
RELAY ON DELAY 0 SEC. 0.0-3600 SEC.
RELAY OFF DELAY 0 SEC. 0.0-3600 SEC.
ANALOG OUTPUT RELATIVE CURRENT RELATIVE CURRENT/RELATIVE
POWER
COMM. PARAMETERS
MODBUS Refer to section 7.8.8 page 76
COMM. PROTOCOL MODBUS MODBUS/PROFIBUS/DEVICENET
BAUD RATE 9600(MODBUS) 1200/2400/4800/9600
PARITY CHECK EVEN EVEN/ODD/NO

180 • Parameters List
Parameter Default setting Range Set 1 Set 2 Set 3 Set 4
Range w/dip switch #7=ON
SERIAL LINK NO. OFF OFF/1-247
S.LINK PAR. SAVE DISABLE ENABLE/DISABLE
SER. LINK CONTROL DISABLE ENABLE/DISABLE
MODBUS TIME OUT OFF 0.1-60/OFF
FRONT COM ADDRES OFF OFF/1-247
COMM. PARAMETERS
PROFIBUS Refer to section 7.8.9 page 76
COMM. PROTOCOL
PROFIBUS MODBUS/PROFIBUS/DEVICENET
AUTO(PROFIBUS)
BAUD RATE
PROFI.NETWORK ID OFF
OFF/1-126
S.LINK PAR. SAVE DISABLE ENABLE/DISABLE
SER. LINK CONTROL DISABLE ENABLE/DISABLE
MODBUS TIME OUT OFF
FRONT COM ADDRES OFF OFF/1-247
COMM. PARAMETERS
DEVICENET Refer to section 7.8.9 page 77
COMM. PROTOCOL DEVICENET MODBUS/PROFIBUS/DEVICENET
BAUD RATE AUTO
PARITY CHECK AUTO OFF/1-126
DEVICENET ID SET MANUALLY 1-63/ SET MANUALLY
S.LINK PAR. SAVE DISABLE ENABLE/DISABLE
SER. LINK CONTROL DISABLE ENABLE/DISABLE
MODBUS TIME OUT OFF
FRONT COM ADDRES OFF OFF/1-247
STATISTICAL DATA
Refer to section 7.8.11 page
78
T SINCE LST STRT
LAST STRT PERIOD
LAST START MAX I.
TOTAL RUN TIME
TOTAL # OF START
TOTAL ENERGY
TOTAL R. ENERGY
LAST TRIP
TRIP CURRENT
TOTAL # OF TRIPS
PREVIOUS TRIP -1
PREVIOUS TRIP -2
PREVIOUS TRIP -3
PREVIOUS TRIP -4
PREVIOUS TRIP -5
PREVIOUS TRIP -6
PREVIOUS TRIP -7
PREVIOUS TRIP -8
PREVIOUS TRIP -9
_____________________________________________________________________________________________

181 • General Information:
_______________________________________________________________________________________________
20. GENERAL INFORMATION:
Supply Voltage .........................Line to Line 2,300V, 3,300V, 4,160V, 6,000V, 6,600V, 6,900V, 11,000V,
13,800V, 15,000V (consult the factory for other voltages) + 10%-15%
P.I.V ratings ...............................Not less than 3 times rated voltage
Frequency .................................45 – 65 Hz (with frequency automatically change)
Control Supply ...........................110-230V 50/60Hz(to be specified) +10% - 15%
110VDC, 125VDC, 220VDC (to be specified) +10% - 15%
Control inputs & Outputs ...........Either same as Control Supply or by special order 24-230V AC/DC (to be
specified)
Load ..........................................Three phases, three wire, squirrel cage induction motor.
Synchronous motor with asynchronous starting characteristics.
Start-Stop Parameters:
Starter FLC ................................Starter Full Load Current according to Selector Guide
Motor FLA ..................................Motor Full Load Ampere 33-100% of starter FLC
Pump Control Curves ................6 field selectable curves including torque control curve preventing over-
pressure during start and water hammer during stop.
Pulse Start Level and Duration ..Adjustable level of pulse, for an adjustable time 0-10 Sec, for starting high
friction loads or holding constant current level.
Initial Voltage .............................10-50% Un (*5-85%)
Initial Current .............................for current ramp
Current Limit ..............................100-400% of Motor FLA (*100-700%)
Acceleration Time ......................1-30 Sec (*1-90 sec)
Deceleration Time .....................0-30 Sec (*0-90 sec)
Dual Adjustments ......................Secondary start stop characteristic for: Motor FLA, Initial Voltage, Current
Limit, Acceleration Time and Deceleration Time.
Tacho and Linear Acceleration ..12 field selectable curves – defining Tacho Feedback gain improving linearity.
Motor Protection:
Too many starts .........................Maximum number of starts range Off or 1-10, during a time period 1-60 min.
Starts inhibit ...............................Time period 1-60 min, where starting is prevented, after too many starts fault.
Long start time (Stall protection) Maximum allowable starting time 1-30 sec. (*1-250 Sec).
Over current (Shear-pin)............Two operation functions: during starting trips the starter at 850% and during
running at 100-850% In, both within 1 Cycle.
Electronic overload……………..According to IEC class 5, 10, 15, 20, 25 or 30 OR according to NEMA class 5,
10, 15, 20, 25 or 30.
Under current ............................Trips when current drops below 20-90% In with time delay of 1-40 sec.
Under voltage** .........................Trips when main voltage drops below 50-90% of Un. Time delay 1-10 Sec
Over voltage ..............................Trips when main voltage increases above 110-125% of Un.
Time delay of 1-10 sec.
Phase loss .................................Trips when one or two phases are missing.
Phase sequence****. .................Trips when phase sequence is wrong.
Wrong connection & Shorted SCR…
Prevents starting, trips if motor is not connected / incorrectly connected to the
starter or in case one or more SCRs have been shorted.
Heat-sink over temp. .................Trips when heat-sink temperature rises above 85˚C.

182 • General Information:
External fault 1 ..........................Trips when an external contact closes for 2 sec.
External fault 2 ..........................Trips when an external contact closes for 2 sec.
Unbalance Current. ...................Trips when Current Unbalance exceeds preset value for more than
“Unbalance delay”
Ground Fault Current.................Trips when Ground Fault Current exceeds preset level for more than “Gnd
Fault Delay”
Power ON & No Start**** ...........Trips when three phases voltage is connected to the soft-starter input and
start signal was not issued for more than 30 seconds.
By-Pass Open **** .....................Trips if the Bypass Contactor and one or two if its phases did not close.
* Special settings, extended range
** With optional Auto Reset
*** Future enhancement
**** Can be disable
Control:
Displays .....................................LCD in 4 – Field selectable languages and 8 LEDs
Keypad ......................................6 keys for easy setting
Aux. Contact – Immediate .........1 C/O, 8A, 250VAC, 2000VA
Aux. Contact – End of Acceleration..1 C/O, 8A, 250VAC, 2000VA
Fault Contact .............................1 C/O, 8A, 250VAC, 2000VA
Communication .........................RS 485 with MODBUS or PROFIBUS protocols
Temperatures ...........................Operating -10˚ to 50˚C
Storage -20˚ to 70˚C
Enclosure:
Degree of Protection..................IP 00 - Chassis type
IP 32 - Standard
IP 54 – Optional
Paint ..........................................RAL 7032 – standard
Other colors - optional
Normal Service Conditions:
Altitude ......................................Should not exceed 1000m.
Consult the factory for equipment to be used at higher altitudes.
Humidity ....................................95% Non condensed
Starter Consumption Ratings (for IP00 OEM Kit)
Peak consumption .....................350VA during start process and less than 20 VA otherwise
Solcon Industries Ltd.
_____________________________________________________________________________________________
www.solcon.com Technical support: office@solcon.com