Pilz and KG PSENSLP RFID Proximity switch User Manual BA PSEN sl 1 0p mif
Pilz GmbH & Co. KG RFID Proximity switch BA PSEN sl 1 0p mif
Contents
- 1. manual part1
- 2. manual part2
manual part1

21909-3FR-08
PSEN sl-1.0p
- 1 -
4D Betriebsanleitung
4GB Operating instructions
4F Manuel d'utilisation
21909-3FR-06PSEN sl-1.0p
Sicheres Schutztürsystem PSENslock
1153871755
Das sichere Schutztürsystem erfüllt die Anfor-
derungen nach
EN 60204-1
EN 60947-5-3: PDF-M zusammen mit dem
Betätiger (siehe Technische Daten).
EN 62061: SIL CL 3
EN ISO 13849-1. PL e und Kat. 4
Der Sicherheitsschalter darf nur mit dem zu-
gehörigen Betätiger verwendet werden (sie-
he Technische Daten).
Die Sicherheitsausgänge müssen 2-kanalig
weiterverarbeitet werden.
PSENslock safety gate system
The safety gate system meets the requirements
in accordance with
EN 60204-1
EN 60947-5-3: PDF-M in conjunction with
the actuator (see Technical Details).
EN 62061: SIL CL 3
EN ISO 13849-1. PL e and Cat. 4
The safety switch may only be used with the
corresponding actuator (see Technical De-
tails).
The safety outputs must use 2-channel
processing.
Système de sécurité pour protecteurs
mobiles PSENslock
Le système de sécurité pour protecteurs mobi-
les satisfait aux exigences des normes
EN 60204-1
EN 60947-5-3 : PDF-M avec l'actionneur
(voir les caractéristiques techniques).
EN 62061 : SIL CL 3
EN ISO 13849-1. PL e et cat. 4
Le capteur de sécurité doit être utilisé uni-
quement avec l'actionneur correspondant
(voir les caractéristiques techniques).
Les sorties de sécurité doivent être traitées par
2 canaux.
Zu Ihrer Sicherheit
547263243
Installieren und nehmen Sie das Gerät nur
dann in Betrieb, wenn Sie diese Betriebsan-
leitung gelesen und verstanden haben und
Sie mit den geltenden Vorschriften über Ar-
beitssicherheit und Unfallverhütung vertraut
sind.
Beachten Sie die VDE- sowie die örtlichen
Vorschriften, insbesondere hinsichtlich
Schutzmaßnahmen
Durch Öffnen des Gehäuses oder eigen-
mächtige Umbauten erlischt jegliche Ge-
währleistung.
777809547
Entfernen Sie die Schutzkappe erst unmittel-
bar vor Anschluss des Geräts.
1007068171
Wichtig!
Die Magnetoberfläche und die Gegenplatte
können sich erwärmen. Achten Sie bei der
Montage darauf, dass die Wärmeabfuhr ge-
währleistet ist.
For your safety
Only install and commission the unit if you
have read and understood these operating
instructions and are familiar with the applica-
ble regulations for health and safety at work
and accident prevention.
Ensure VDE and local regulations are met,
especially those relating to safety.
Any guarantee is rendered invalid if the hous-
ing is opened or unauthorised modifications
are carried out.
Do not remove the protective cap until you
are just about to connect the unit.
Notice!
The magnet surface and counterplate may
heat up. When installing, make sure that
heat dissipation is guaranteed.
Pour votre sécurité
Vous n'installerez l'appareil et ne le mettrez
en service qu'après avoir lu et compris le
présent manuel d'utilisation et vous être fa-
miliarisé avec les prescriptions en vigueur
sur la sécurité du travail et la prévention des
accidents.
Respectez les normes locales ou VDE, parti-
culièrement en ce qui concerne la sécurité.
L'ouverture de l'appareil ou sa modification
annule automatiquement la garantie.
Veuillez retirer le cache de protection avant
de raccorder l'appareil.
Important !
La surface magnétique et la contreplaque
peuvent chauffer. Pour le montage, faites at-
tention à ce que l'évacuation de la chaleur
soit assurée.
Gerätemerkmale
1013887115
Transpondertechnik
1163990667
Gerätevarianten:
– PSEN sl-1.0p 1.1: codiert
– PSEN sl-1.0p 1.1 VA: codiert, Bodenplatte
und Betätiger aus Edelstahl
– PSEN sl-1.0p 2.1: vollcodiert
– PSEN sl-1.0p 2.2: unikat codiert
1013941387
zweikanaliger Betrieb
2 Sicherheitsausgänge
2 Eingänge für Reihenschaltung
1 Meldeausgang
magnetische Zuhaltung für Prozessschutz
1 Eingang zum Ein-/Ausschalten des Zuhal-
temagnets
LED-Anzeige für
– Versorgungsspannung/Fehler
– Tür geschlossen
– Zustand Eingänge
– Zustand magnetische Zuhaltung
8-poliger M12-Anschlussstecker
Unit features
Transponder technology
Unit types:
– PSEN sl-1.0p 1.1: Coded
– PSEN sl-1.0p 1.1 VA: Coded, stainless
steel base plate and actuator
– PSEN sl-1.0p 2.1: Fully coded
– PSEN sl-1.0p 2.2: Uniquely coded
Dual-channel operation
2 safety outputs
2 inputs for series connection
1 signal output
Magnetic guard locking for process protec-
tion
1 input to switch the locking magnet on/off
LEDs for
– Supply voltage/fault
– Gate closed
– State of the inputs
– State of the magnetic guard locking device
8-pin M12 connector
Caractéristiques de l'appareil
Technique à transpondeur
Modèles d'appareils :
– PSEN sl-1.0p 1.1 : codé
– PSEN sl-1.0p 1.1 VA : codé, platine de
fond et actionneur en acier inoxydable
– PSEN sl-1.0p 2.1 : codé multiple
– PSEN sl-1.0p 2.2 : codé unique
Commande par 2 canaux
2 sorties de sécurité
2 entrées pour montage en série
1 sortie de signalisation
Interverrouillage magnétique pour la protec-
tion des process
1 entrée pour l'activation / la désactivation
de l'aimant d'interverrouillage
LED de visualisation pour
– tension d'alimentation / défauts
– protecteur mobile fermé
– état des entrées
– état de l'interverrouillage magnétique
Connecteur M12 à 8 broches

- 2 -
Blockschaltbild Block diagram Schéma de principe
Funktionsbeschreibung
1090037387
An den Sicherheitsausgängen 12 und 22 liegt
ein High-Signal, wenn gleichzeitig:
der Betätiger im Ansprechbereich ist.
(Schutztür geschlossen) und
die Eingänge S11 und S21 high sind und
der Eingang S31 high ist (Steuerbefehl für
magnetische Zuhaltung) und der Zuhaltema-
gnet eingeschaltet ist.
Der Meldeausgang Y32 ist high, wenn:
Der Betätiger im Ansprechbereich ist
Die Sicherheitsausgänge 12 und 22 sind low,
wenn:
Der Betätiger sich außerhalb des Ansprech-
bereichs befindet oder
die Eingänge S11 und S21 low sind oder
der Eingang S31 low ist (Steuerbefehl für ma-
gnetische Zuhaltung) und der Zuhaltemagnet
ausgeschaltet ist
Wurden die Sicherheitsausgänge durch einen
der Eingänge S11 oder S21 abgeschaltet, dann
ist ein Wiedereinschalten nur möglich, nach-
dem beide Eingänge gleichzeitig low waren.
Die Sicherheitseingänge S11 und S21 werden
auf Plausibilität überwacht. Beide Eingänge
müssen gemeinsam aus- und einschalten (Teil-
betätigungssperre).
1090038795
Magnetische Zuhaltung und Magnet-
überwachung
Der Zuhaltemagnet wird eingeschaltet, wenn
S31 high ist und der Betätiger erkannt wird
(Schutztür geschlossen).
Die Haltekraft des Zuhaltemagneten wird
beim Einschalten getestet. Wenn dieser Test
erfolgreich abgeschlossen ist, wechseln die
Sicherheitsausgänge in den High-Zustand.
Wird am eingeschalteten Zuhaltemagneten
Windungsunterbruch, oder Windungskurz-
schluss erkannt, wechseln die Sicherheitsaus-
gänge 12 und 22 in den Low-Zustand.
INFO
Wenn die Schutztür im zugehaltenen Zu-
stand gewaltsam geöffnet wird, schalten
die Sicherheitsausgänge ab.
Function description
There is a high signal at safety output 12 and 22
if the following occur simultaneously:
The actuator is within the response range
(safety gate closed) and
Inputs S11 and S21 are high and
Input S31 is high (control command for mag-
netic guard locking) and the locking magnet
is switched on.
Signal output Y32 is high if:
The actuator is within the response range
Safety outputs 12 and 22 are low if:
The actuator is outside the response range or
Inputs S11 and S21 are low or
Input S31 is low (control command for mag-
netic guard locking) and the locking magnet
is switched off.
If the safety outputs have been shut down by
either of the inputs S11 or S21, they cannot be
switched back on until both inputs are low si-
multaneously.
Safety inputs S11 and S21 are monitored for
feasibility. Both inputs must switch off and on
together (partial operation lock).
Magnetic guard locking device and ma-
gnet monitoring
The locking magnet is switched on if S31 is
high and the actuator is detected (safety gate
closed).
The holding force of the locking magnet is
tested on power-up. If this test is completed
successfully, the safety outputs switch to a
high state.
If an open winding or a winding short circuit is
detected on a locking magnet that is switched
on, safety outputs 12 and 22 switch to a low
state.
INFORMATION
If the safety gate is in a locked condition
and is opened by force, the safety outputs
will shut down.
Description du fonctionnement
Un niveau haut est généré sur les sorties de sé-
curité 12 et 22, si en même temps :
l'actionneur est dans la zone de déclenche-
ment (protecteur mobile fermé) et
les entrées S11 et S21 sont activées et
l'entrée S31 est activée (ordre de commande
pour interverrouillage magnétique) et
l'aimant d'interverrouillage est activé.
La sortie de signalisation Y32 est à l'état "1" si :
l'actionneur est dans la zone de déclenche-
ment
Les sorties de sécurité 12 et 22 ne sont pas ac-
tivées si :
l'actionneur se situe en dehors de la zone de
déclenchement ou
les entrées S11 et S21 sont à l'état "0" ou
l'entrée S31 est à l'état "0" (ordre de com-
mande pour interverrouillage magnétique) et
l'aimant d'interverrouillage est désactivé.
Si les sorties de sécurité ont été désactivées
par l'une des entrées S11 ou S12, leur réen-
clenchement n'est possible qu'une fois que les
entrées soient passées en même temps à l'état
"0".
La plausibilité des entrées de sécurité S11 et
S12 est surveillée. Les deux entrées doivent
être mises hors tension et sous-tension ensem-
ble (blocage de commande partielle).
Interverrouillage magnétique et surveil-
lance magnétique
L'aimant d'interverrouillage est activé si S31
est à l'état « 1 » et si l'actionneur est détecté
(protecteur mobile fermé).
La force d'interverrouillage de l'aimant est
testée lors de l'activation. Si ce test a été ef-
fectué avec succès, les sorties de sécurité
passent à l'état « 1 ».
Si une coupure de la bobine ou un court-circuit
de la bobine est détecté sur l'aimant d'interver-
rouillage activé, les sorties de sécurité 12 et 22
passent à l'état « 0 ».
INFORMATION
Si le protecteur mobile en position fermée
est ouvert par la force, les sorties de sécu-
rité sont désactivées.
Y32
S11
22
Empfänger
Receiver
Récepteur
Betätiger
Actuator
Actionneur
A1 A2
UB
S21
12
Netzteil
Power supply
Alimentation
S31
Magnet
Magnet
Aimant
&
Input
&
Safety Gate
&
Power / Fault
Lock

- 3 -
Seiten- und Höhenversatz Lateral and vertical offset Décalage latéral et en hauteur
1077141515
Höhenversatz max. 5 mm
Seitenversatz max. 3 mm
Vertical offset max. 5 mm
Lateral offset max. 3 mm
Décalage en hauteur max. 5 mm
Décalage latéral max. 3 mm
Verdrahtung
1460809099
Beachten Sie:
Angaben im Abschnitt "Technische Daten"
unbedingt einhalten.
Wiring
Please note:
Information given in the "Technical details"
must be followed.
Raccordement
Important :
Respecter impérativement les données indi-
quées dans le paragraphe « Caractéristiques
techniques ».
Hinweise zur Leitungslänge
1460805899
Die max. Leitungslänge ist abhängig vom
Spannungsabfall an den Leitungen zum Sen-
sor. Die Höhe des Spannungsabfalls wird be-
stimmt durch:
den Leitungswiderstand
den Strom des Gerätes und der Strombela-
stung der Sicherheitsausgänge 12 und 22
Wird die minimal zulässige Versorgungsspan-
nung am Stecker des Geräts unterschritten (s.
technische Daten), wird der Elektromagnet
nicht mehr zuverlässig angesteuert. Die LED
"Lock" meldet einen Fehler bei der Zuhaltung.
Mögliche Abhilfen:
Versorgungsspannung dauerhaft auf den
oberen Toleranzbereich (siehe technische
Daten) einstellen
höheren Leiterquerschnitt wählen
Last am Sicherheitsausgang reduzieren,
z. B. mit elektrischem Auswertegerät
(PNOZ e11p, 5 mA/Kanal)
Guidelines for cable length
The max. cable length depends on the voltage
drop at the sensor cables. The level of voltage
drop is determined by the:
Cable resistance
Current of the device and the current load of
the safety outputs 12 and 22
If the level of the supply voltage at the device
connector falls below the minimum permitted
value (see Technical details), the electromagnet
is no longer activated reliably. The "Lock" LED
registers an error when guard locking.
Possible remedies:
Set the supply voltage constantly to the up-
per tolerance range (see Technical details)
Select a higher cable cross section
Reduce the load on the safety output, e.g.
with an electrical evaluation device
(PNOZ e11p, 5 mA/channel)
Remarques concernant la longueur des câ-
bles
La longueur maximale des câbles dépend de la
chute de tension dans les câbles utilisés pour le
capteur. Le niveau de la chute de tension est
déterminée par :
la résistance du câble
le courant de l'appareil et la charge électri-
que des sorties de sécurité 12 et 22.
Si la tension d'alimentation minimale autorisée
est inférieure au connecteur de l'appareil (voir
les caractéristiques techniques), l'aimant élec-
trique n'est plus commandé en toute fiabilité.
La LED « Lock » signale une erreur lors de l'in-
terverrouillage.
Remèdes possibles :
Paramétrer la tension d'alimentation dura-
blement sur la plage de tolérance supérieure
(voir les caractéristiques techniques)
Sélectionner une section du fil plus impor-
tante
Réduire la charge sur la sortie de sécurité,
par exemple, avec une unité de contrôle
électrique (PNOZ e11p, 5 mA/canal)
Empfohlene Leiterquerschnitte
1460816651
Voraussetzung:
Versorgungsspannung: 24 V
Leitungstyp: LiYY 5x0,25 mm² (79 Ohm/km)
von Pilz
Recommended cable cross sections
Prerequisite:
Supply voltage: 24 V
Cable type: LiYY 5x0.25 mm² (79 Ohm/km)
from Pilz
Section des câbles recommandée
Condition préalable :
Tension d'alimentation : 24 V
Type de câble : LiYY 5x0,25 mm² (79 Ohm/
km) de Pilz
Max. Last pro Sicherheitsausgang 100 mA 500 mA
Leitungslänge 45 m 24 m
1463471755
Wenn Leitungslängen größer als in der Tabelle
angegeben benötigt werden, dann nehmen Sie
bitte Kontakt mit Pilz auf.
If cable lengths greater than those stated in the
table are required, please contact Pilz.
Si des longueurs de câbles plus grandes que
celles indiquées dans le tableau sont nécessai-
res, veuillez prendre contact avec Pilz.
Anschlüsse Connections Raccordements
Stiftstecker 8-pol. M12 Connector 8 pin M12 Connecteur mâle M12 à 8 pôles
Lock
Safety Gate
Power Fault
Input
Seitenversatz/Lateral offset/
Décalage latéral
Höhenversatz/Vertical offset/Décalage vertical
12
3
4
8
5
6
7

- 4 -
Anschlussbelegung Pin assignment Affectation des bornes
PIN/
Broche Funktion/
Function/
Foncion
Klemmenbezeichnung/
Terminal designation/
Désignation des bornes
Adernfarbe (Pilz Kabel)/
Cable colour (Cable Pilz)/
Couleur du fil (fil de Pilz)
1 Eingang Kanal 2/
Input, channel 2/
Canal d'entrée 2
S21 weiß/white/blanc
2 +24 UB A1 braun/brown/marron
3 Ausgang Kanal 1/
Output, channel 1/
Canal de sortie 1
12 grün/green/vert
4 Ausgang Kanal 2/
Output, channel 2/
Canal de sortie 2
22 gelb/yellow/jaune
5 Meldeausgang "Lock"/
Signal output "Lock"/
Sortie message "Lock"
Y32 grau/grey/gris
6 Eingang Kanal 1/
Input, channel 1/
Canal d'entrée 1
S11 rosa/pink/rose
7 0 V UB A2 blau/blue/bleu
8 "Lock_Unlock" S31 rot/red/rouge

- 5 -
Anschluss an Auswertegeräte
1104750091
Bitte beachten Sie:
das Netzteil muss den Vorschriften für Klein-
spannungen mit sicherer Trennung (SELV,
PELV) entsprechen.
die Ein- und Ausgänge des Sicherheitsschal-
ters müssen eine sichere Trennung zu Span-
nungen über 60 V AC besitzen.
1090417163
ACHTUNG!
Die Sicherheitsausgänge müssen 2-ka-
nalig weiterverarbeitet werden.
1067372427
INFO
Sicherheitsschaltgeräte mit Weitspan-
nungsnetzteil oder in der Geräte-Variante
AC haben eine interne Potentialtrennung
und sind als Auswertegeräte nicht geeig-
net. Geeignet sind ausschließlich Sicher-
heitsschaltgeräte mit einer
Versorgungsspannung von 24 V DC.
Bei Sicherheitsschaltgeräten, bei denen es
Varianten mit Weitspannungsnetzteil gibt,
werden deshalb nur die Bestell-Nr. der Ge-
räte-Varianten mit 24 V DC Versorgungs-
spannung aufgeführt.Bei mit "*"
versehenen Bestell-Nr. können die Sicher-
heitsschaltgeräte mit einer Versorgungs-
spannung von 24 V DC oder 24 V AC
betrieben werden. Diese Sicherheitsschalt-
geräte dürfen aber ausschließlich nur mit
24 V DC Versorgungsspannung betrieben
werden.
Connection to evaluation devices
Please note:
The power supply must meet the regulations
for extra low voltages with safe separation
(SELV, PELV).
the inputs and outputs of the safety switch
must have a safe separation to voltages over
60 V AC.
CAUTION!
The safety outputs must use 2-channel
processing.
INFORMATION
Safety relays with universal power supply
or in AC unit versions have internal poten-
tial isolation and are not suitable as evalua-
tion devices. Only safety relays with a 24
VDC supply voltage are suitable.
For this reason, where safety relays have
versions with a universal power supply,
only those order numbers for unit versions
with 24 VDC supply voltage are list-
ed.Where order numbers are marked with
"*", the safety relays can be operated with
a supply voltage of 24 VDC or 24 VAC.
However, these safety relays may only be
operated with 24 VDC supply voltage.
Raccordement aux appareils de contrôle
Tenez compte de ce qui suit :
Cette alimentation doit être conforme aux
prescriptions relatives aux basses tensions à
séparation galvanique (SELV, PELV).
Les entrées et les sorties du capteur de sé-
curité doivent posséder une séparation gal-
vanique pour les tensions supérieures à
60 V AC.
ATTENTION !
Les sorties de sécurité doivent être trai-
tées par 2 canaux.
INFORMATION
Les blocs logiques de sécurité avec ali-
mentation universelle ou les variantes d'ap-
pareils AC disposent d'une isolation
galvanique interne et ne conviennent pas
en tant qu'unités de contrôle. Seuls les
blocs logiques de sécurité avec une ten-
sion d'alimentation de 24 V DC sont com-
patibles.
Pour les blocs logiques de sécurité qui dis-
posent de modèles avec alimentation uni-
verselle, on répertorie uniquement la
référence des modèles d'appareils dont la
tension d'alimentation est de 24 V DC.Si les
références sont suivies de "*", les blocs lo-
giques de sécurité peuvent être exploités
avec une tension d'alimentation de 24 V DC
ou 24 V AC. Néanmoins, ces blocs logiques
de sécurité ne doivent être exploités
qu'avec une tension d'alimentation de 24 V
DC.
Einzelschaltung Single connection Montage simple
S21
S11
12 22
24 V 0 V
I1 (FS) I2 (FS)
A1
A2
A1
A2
Empfänger/
Reciever/
Recépteur
Betätiger/
Actuator/
Actioneur
S31
O1 (ST)
Y32
I1 (ST)
Auswertegerät/
Evaluation device/
Appareil de surveillance
FS: Fail-safe
ST: Standard

- 6 -
Reihenschaltung
1484998667
WICHTIG
Bei Reihenschaltung mehrerer Geräte ad-
diert sich mit der Anzahl der zwischenge-
schalteten Sicherheitsschalter
die Rückfallverzögerung
der max. Magnetstrom (s. technische
Daten)
Series connection
NOTICE
When several units are connected in series,
the number of interconnected safety
switches adds together.
The delay-on de-energisation
The max. solenoid current (see Technical
details)
Montage en série
IMPORTANT
Si plusieurs appareils sont montés en série,
les éléments suivants augmentent avec le
nombre de capteurs de sécurité montés
le temps de retombée
le courant magnétique (voir caractéristi-
ques techniques)
S21
S11
24 V 0 V
A1
A2
12 22
A1
A2
Auswertegerät/
Evaluation device/
Appareil de surveillance
12 22
A1
A2
12 22
Betätiger/Actuator/
Actionneur
A1
A2
S21
S11
S21
S11
PLC
Y32
Y32
Y32
Betätiger/Actuator/
Actionneur
Betätiger/Actuator/
Actionneur
Empfänger/Receiver/
Récepteur
Empfänger/Receiver/
Récepteur
Empfänger/Receiver/
Récepteur
S31
S31
S31
I1 (FS) I2 (FS)
FS: Fail-safe
ST: Standard
O1 (ST)
I1 (ST)
O2 (ST)
O3 (ST)
I2 (ST)
I3 (ST)

- 7 -
Anschluss an PNOZ X, PNOZpower,
PNOZsigma, PNOZelog
Connection to PNOZ X, PNOZpower,
PNOZsigma, PNOZelog
Raccordement aux PNOZ X, PNOZpower,
PNOZsigma, PNOZelog
PNOZ X2.7P (No. 777 305*, 787 305*)
PNOZ X2.8P (No. 777 301*, 787 301*)
PNOZ X4 (No. 774 730)
PNOZ X8P (No. 777 760, 787 760)
PNOZ X9P (No. 777 609, 787 609)
A1
A2
2
7
S12
S52
3
4
5
8
6
1
24 V
0 V
A1
A2
12
22
Y32
S31
S11
S21
S21
S22
PNOZ PSENslock
PNOZ X3P (No. 777 310*, 787 310*)
PNOZ X3.10P (No. 777 314*, 787 314*)
PNOZ XV3P
PNOZ XV3.1P (No. 777 520, 787 520, 777 522, 787 522, 777525)
A1
A2
2
7
S12
S32
3
4
5
8
6
1
24 V
0 V
A1
A2
12
22
Y32
S31
S11
S21
S21
S22
PNOZ PSENslock
PNOZ s3
PNOZ s4 (No. 750 104, 751 104)
PNOZ s4.1 (No. 750 124, 751 124)
PNOZ s5 (No. 750 105, 751 105, 751 185)
PNOZ X5 (No. 774 325*)
A1
A2
2
7
S12
S22
3
4
5
8
6
1
24 V
0 V
A1
A2
12
22
Y32
S31
S11
S21
PNOZ PSENslock
PNOZ X2.9P
A1
A2
2
7
S12
S52
3
4
5
8
6
1
24 V
0 V
A1
A2
12
22
Y32
S31
S11
S21
PNOZ PSENslock

- 8 -
Anschluss an PNOZmulti Connection to PNOZmulti Raccordement au PNOZmulti
Anschluss an PSS Connection to PSS Raccordement au PSS
PNOZ X10.1 (No. 774 749)
PNOZ X10.11P
A1
A2
2
7
S12
Y3
3
4
5
8
6
1
24 V
0 V
A1
A2
12
22
Y32
S31
S11
S21
S21
S22
PNOZ PSENslock
PNOZ e1.1p
PNOZ e1vp
PNOZ e6.1p
PNOZ e6vp
A1
A2
2
7
S12
S22
3
4
5
8
6
1
24 V
0 V
A1
A2
12
22
Y32
S31
S11
S21
Y4
S11
PNOZ PSENslock
PNOZ e5.11p
PNOZ e5.13p
A1
A2
2
7
S12
S22
3
4
5
8
6
1
24 V
0 V
A1
A2
12
22
Y32
S31
S11
S21
Y37
S11
PNOZ PSENslock
Schutztür/safety gate/protecteur mobile
Schaltertyp 3/switch type 3/type du capteur 3
I0, I1: Eingänge OSSD/inputs OSSD/entrées OSSD
I2: Meldeeingang/signal input/entrée d'information
O1: Lock / Unlock
3
4
8
5
Schutztür/safety gate/protecteur mobile
Standardbaustein SB64/standard block SB64/
bloc standard SB64
I00, I01: Eingänge OSSD/inputs OSSD/entrées OSSD
I02: Meldeeingang/signal input/entrée d'information
O00: Lock / Unlock
3
4
8
5

- 9 -
Einlernen des Betätigers Teaching in the actuator Programmation de l'actionneur par ap-
prentissage
PSEN sl-1.0p 1.1
1175993995
Es wird jeder zugehörige Betätiger von Pilz (sie-
he Technische Daten) erkannt, sobald er in den
Ansprechbereich gebracht wird.
PSEN sl-1.0p 1.1
Any corresponding Pilz actuator (see Technical
Details) is detected as soon as it is brought into
the response range.
PSEN sl-1.0p 1.1
Chaque actionneur de Pilz (voir les caractéristi-
ques techniques) est détecté dès qu'il est entre
dans la zone de déclenchement.
PSEN sl-1.0p 2.1
1175997707
Erstmaliges Einlernen des Betätigers:
Der erste vom Sicherheitsschalter erkannte zu-
gehörige Betätiger (siehe Technische Daten)
wird automatisch eingelernt, sobald er in den
Ansprechbereich gebracht wird.
Einlernen eines neuen Betätigers:
Bringen Sie den einzulernenden Betätiger als
einzigen Transponder in den Ansprechbe-
reich des Sicherheitsschalters. Sobald der
Betätiger erkannt wird, wechselt die LED
"Safety Gate" auf gelbes Blinklicht.
Nach einer Wartezeit von 20 s wechselt die
LED "Safety Gate" auf gelbes Blitzen. Lösen
Sie innerhalb der nächsten 120 s durch Un-
terbrechen der Stromversorgung einen
Systemreset aus.
Nach Wiedereinschalten des Geräts ist der
Lernvorgang erfolgreich beendet und die An-
zahl noch erlaubter weiterer Lernvorgänge
wird um 1 vermindert.
Es sind maximal 8 Lernvorgänge möglich.
WICHTIG
Der Betätiger darf während des Einlernvor-
gangs nicht entfernt werden.
INFO
Ein erneutes Einlernen dieses Betätigers
am selben Sicherheitsschalter ist nicht
mehr möglich.
PSEN sl-1.0p 2.1
Teaching in the actuator for the first time:
The first corresponding actuator to be detected
by the safety switch (see Technical Details) is
taught in automatically as soon as it is brought
into the response range.
To teach in a new actuator:
The actuator that is to be taught in must be
brought into the safety switch's response
range as the only transponder. As soon as
the actuator is detected, the "Safety Gate"
LED switches to a yellow flashing light.
After 20 s has elapsed, the "Safety Gate"
LED switches to quick yellow flashes. Trigger
a system reset in the next 120 s by interrupt-
ing the power supply.
When the device is switched back on, the
learning procedure is complete and the
number of permitted additional learning pro-
cedures is reduced by 1.
A maximum of 8 learning procedures are
possible.
NOTICE
The actuator must not be removed during
the learning procedure.
INFORMATION
This actuator cannot be retaught on the
same safety switch.
PSEN sl-1.0p 2.1
Première programmation de l'actionneur :
Le premier actionneur (voir les caractéristiques
techniques) détecté par le capteur de sécurité
est automatiquement programmé dès qu'il en-
tre dans la zone de déclenchement.
Programmation d'un nouvel actionneur :
Amenez l'actionneur à programmer dans la
zone de déclenchement du capteur de sécu-
rité. Aucun autre transpondeur ne doit se
trouver dans cette zone. Dès que l'action-
neur est détecté, la LED « Safety Gate »
commence à clignoter en jaune.
Après un délai d'attente de 20 s, la LED
« Safety Gate » commence à émettre des
flashs jaunes. Dans les 120 s qui suivent, dé-
clenchez une remise à zéro du système en
coupant l'alimentation électrique.
Le processus d'apprentissage est terminé
avec succès lorsque vous remettez l'appareil
sous tension. Le nombre de processus d'ap-
prentissage encore autorisés est alors réduit
de 1.
8 processus d'apprentissage au maximum
sont possibles.
IMPORTANT
Ne pas retirer l'actionneur de la zone de dé-
clenchement durant le processus d'ap-
prentissage.
INFORMATION
Une nouvelle programmation de cet action-
neur sur le même capteur de sécurité n'est
plus possible.
PSEN sl-1.0p 2.2
1176000651
Der erste vom Sicherheitsschalter erkannte zu-
gehörige Betätiger (siehe Technische Daten)
wird automatisch eingelernt, sobald er in den
Ansprechbereich gebracht wird.
WICHTIG
Nach dem Einlernen des Betätigers kann
kein weiterer Betätiger mehr eingelernt
werden.
PSEN sl-1.0p 2.2
The first corresponding actuator to be detected
by the safety switch (see Technical Details) is
taught in automatically as soon as it is brought
into the response range.
NOTICE
No other actuator may be taught in once
this actuator has been taught.
PSEN sl-1.0p 2.2
Le premier actionneur (voir les caractéristiques
techniques) détecté par le capteur de sécurité
est automatiquement programmé dès qu'il en-
tre dans la zone de déclenchement.
IMPORTANT
Dès que l'actionneur est programmé, il
n'est plus possible d'en programmer un
autre.

- 10 -
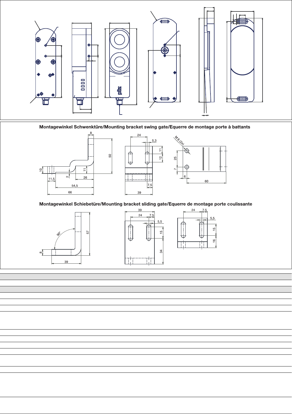
Montage
800274059
Berücksichtigen Sie bei der Montage die An-
forderungen der DIN EN 1088.
Das sichere Schutztürsystem kann an
Schwenktüren mit Links- oder Rechtsan-
schlag oder an Schiebetüren montiert wer-
den.
WARNUNG!
Möglicher Verlust der Sicherheitsfunkti-
on durch grobe Manipulation!
Abhängig von der Anwendung können
schwerste Körperverletzungen und Tod
verursacht werden.
Verhindern Sie durch entsprechende Ein-
baumaßnahmen, dass
die Verdrahtung verändert werden kann
oder
ein Kurzschluss am Stecker erzeugt wer-
den kann.
Verhindern Sie auch, dass die Schutztür
mithilfe eines zweiten Betätigers geöffnet
werden kann.
Montieren Sie Sicherheitsschalter und Betä-
tiger parallel gegenüberliegend.
Befestigen Sie den Betätiger unlösbar mit Si-
cherheitsschrauben oder Nieten.
ACHTUNG!
Eine Umgebung mit elektrischen oder ma-
gnetisch leitfähigem Material kann die Ge-
räteeigenschaften beeinflussen. Prüfen Sie
die Schaltabstände und den gesicherten
Ausschaltabstand.
1209719307
INFO
Montagewinkel sind als Zubehör erhältlich.
Installation
When installing make sure you comply with
the requirements of DIN EN 1088.
The safety gate system can be installed on
left or right-hinged swing gates or on sliding
gates.
WARNING!
Potential loss of safety function due to
gross manipulation!
Depending on the application, serious inju-
ry or death may result.
Use appropriate installation measures to
prevent
The wiring being modified or
A short circuit being generated on the
connector.
You should also prevent the possibility of
using a second actuator to open the
safety gate.
The safety switch and actuator should be in-
stalled opposite each other in parallel.
The actuator should be secured permanently
using safety screws or rivets.
CAUTION!
The unit's properties may be affected if in-
stalled in an environment containing electri-
cal or magnetically conductive material.
Please check the operating distances and
the assured release distance.
INFORMATION
Mounting brackets are available as acces-
sories.
Montage
Lors du montage, veuillez tenir compte des
exigences de la norme DIN EN 1088.
Le système de sécurité pour protecteurs mo-
biles peut être monté sur des portes battan-
tes, gauche ou droite, ou sur des portes
coulissantes.
AVERTISSEMENT !
Perte possible de la fonction de sécurité
en cas de fraude grossière !
En fonction de l'application, cela peut pro-
voquer de graves blessures corporelles,
voire la mort.
Empêchez par des mesures de montage
correspondantes
que le câblage puisse être modifié ou
qu'un court-circuit puisse se produire au
niveau du connecteur.
Empêchez également qu'un protecteur
mobile puisse être ouvert à l'aide d'un
deuxième actionneur.
Montez le capteur de sécurité et l'actionneur
face à face en parallèle.
Fixez l'actionneur à l'aide de vis de sécurité
ou de rivets, de sorte que son démontage
soit impossible.
ATTENTION !
Un environnement électrique ou magnéti-
que peut influencer les caractéristiques des
appareils. Vérifiez les distances de commu-
tation et la distance de déclenchement de
sécurité.
INFORMATION
Les équerres de montage sont disponibles
en tant qu'accessoires.

- 11 -
Hinweis zum BetätigerPSEN sl-1.0fm
1462009611
Die Betätiger sind mit einer beweglichen Me-
tallplatte ausgestattet. Deshalb muss im Befe-
stigungsuntergrund eine Vertiefung für die
Schraubverbindung vorgesehen werden.
Note regarding the actuator PSEN sl-1.0fm
The actuators are fitted with a movable metal
plate. For this reason, a recess must be provid-
ed in the mounting surface for the screw con-
nection.
Remarques concernant l’actionneur
PSEN sl-1.0fm
Les actionneurs sont équipés d'une plaque de
métal. C'est pourquoi il faut prévoir dans la
base de fixation une certaine profondeur pour
l'assemblage des vis.
1462017419
WARNUNG!
Gefahr von Tod und schwersten Verlet-
zungen durch Hineingreifen in den Ge-
fahrenbereich!
Die Betätiger ermöglichen das Schließen
einer verzogenen Tür. Dadurch kann ein
Türspalt entstehen. Sorgen Sie dafür, dass
der Türspalt so klein bleibt, dass ein Hinein-
greifen in den Gefahrenbereich nicht mög-
lich ist.
WARNING!
Risk of death and serious injury by
reaching into the danger zone!
The actuators enable a warped gate to be
closed. A gap may occur on the gate as a
result. Make sure that the gap remains
small enough to exclude the possibility of
reaching into the danger zone.
AVERTISSEMENT !
Danger de mort et lésions très graves en
cas de pénétration dans la zone dange-
reuse !
L'actionneur permet la fermeture d'un pro-
tecteur mobile endommagé. Il peut donc y
avoir une fente dans la porte. Assurez-vous
que la fente de la porte reste la plus petite
possible de manière à ce qu'elle ne permet-
te pas d'accéder à la zone dangereuse.
B ( 2 : 1 )
B
P
10
3
116

- 12 -
An Schwenktür montieren
1059870603
1. Betätiger auf gewünschte Höhe an Türkante
bündig ausrichten und Schrauben festzie-
hen.
2. Tür schließen.
3. Montagewinkel an Sensor bündig ausrichten
und Schrauben festziehen.
4. Sensor mit Montagewinkel an Betätiger aus-
richten und Schrauben festziehen.
Installing on a swing gate
1. Align the actuator flush with the edge of the
gate at the height required and tighten the
screws.
2. Close gate.
3. Align the mounting bracket flush with the
sensor and tighten the screws.
4. Align the sensor and mounting bracket with
the actuator and tighten the screws.
Montage sur porte à battants
1. Aligner l'actionneur sur le bord de la porte à
la hauteur souhaitée et serrer les vis à fond.
2. Fermer la porte.
3. Aligner l'équerre de montage sur le bord du
capteur et serrer les vis à fond.
4. Aligner le capteur et l'équerre de montage
sur l'actionneur et serrer les vis à fond.
13
2
4

- 13 -
An Schiebetür montieren
1077138699
1. Montagewinkel für Betätiger an Schiebetür
bündig ausrichten und Schrauben festzie-
hen.
2. Betätiger auf gewünschte Höhe montie-
ren.
3. Montagewinkel für Sensor am Rahmen
bündig ausrichten und mit Schrauben befe-
stigen. (Wichtig: Schrauben nicht fest anzie-
hen)
4. Tür schließen und Montagewinkel zuein-
ander ausrichten. Sensor aufgestellt mit
Montagewinkel an Betätiger drücken (a) und
Schraube (b) festziehen.
5. Sensor entfernen und Schraube (c) festzie-
hen.
6. Sensor zu Betätiger ausrichten und
Schrauben festziehen.
Installing on a sliding gate
1. Align the actuator mounting bracket flush
with the sliding gate and tighten the screws.
2. Install the actuator at the height required.
3. Align the sensor mounting bracket flush
with the frame and fasten with screws. (Im-
portant: do not tighten the screws)
4. Close the gate and align the mounting
plates. Place the sensor on the mounting
bracket, press the assembly against the ac-
tuator (a) and tighten screw (b).
5. Remove the sensor and tighten screw (c).
6. Align the sensor to the actuator and tight-
en the screws.
Montage sur porte coulissante
1. Aligner l'équerre de montage de l'action-
neur sur le bord de la porte coulissante et
serrer les vis à fond.
2. Monter l'actionneur à la hauteur souhaitée.
3. Aligner l'équerre de montage du capteur
sur le bord du cadre et fixer avec des vis.
(Important : ne pas serrer les vis à fond).
4. Fermer le protecteur mobile et l'aligner
avec l'équerre de montage. Appuyer le cap-
teur placé avec l'équerre de montage sur
l'actionneur (a) et serrer la vis (b) à fond.
5. Retirer le capteur et serrer la vis (c) à fond.
6. Aligner le capteur sur l'actionner et serrer
les vis à fond.
Justage
814438667
Die angegebenen Schaltabstände (siehe tech-
nische Daten) gelten nur, wenn Sicherheits-
schalter und Betätiger parallel
gegenüberliegend montiert sind. Andere An-
ordnungen können zu abweichenden Schaltab-
ständen führen. Beachten Sie den maximal
zulässigen Seiten- und Höhenversatz (siehe
„Schaltabstände“ und „Max. Seiten- und Hö-
henversatz“).
Adjustment
The stated operating distances (see Technical
details) only apply when the safety switch and
actuator are installed facing each other in par-
allel. Operating distances may deviate if other
arrangements are used. Note the maximum
permitted lateral and vertical offset (see "Oper-
ating distances" and "Max. lateral and vertical
offset").
Ajustement
Les distances de commutation mentionnées
dans les caractéristiques techniques sont vala-
bles uniquement lorsque le capteur de sécurité
et l'actionneur sont montés l'un en face de
l'autre de manière parallèle. D'autres montages
peuvent conduire à des distances de commu-
tation divergentes. Respectez le décalage laté-
ral et vertical maximal autorisé (voir "Distances
de commutation" et "Décalage latéral et verti-
cal maximum").
13
2
56
4
(a)
(b)
(c)

- 14 -
Betrieb
800695819
Prüfen Sie vor der Inbetriebnahme die Funk-
tion des Sicherheitsschalters.
Abweichungen zu den in dieser Bedienungs-
anleitung beschriebenen Eigenschaften und
Funktionen können zu gefährlichen Situatio-
nen führen.
ACHTUNG!
Verschmutzte Oberflächen können die
Haltekraft des Elektromagnets reduzie-
ren. Halten Sie die Auflageflächen sau-
ber.
Statusanzeigen:
LED "Power / Fault" leuchtet grün: Gerät ist
betriebsbereit
LED "Safety Gate" leuchtet gelb: Betätiger
befindet sich im Ansprechbereich
LED "Input" leuchtet gelb: HIGH-Signal liegt
an den Eingängen an.
LED "Lock" leuchtet grün: magnetische Zu-
haltung aktiv
Fehleranzeige:
LED "Power / Fault" leuchtet rot: Fehlermel-
dung.
An den LEDs "Safety Gate" oder "Input" wer-
den Blinkcodes zur Fehlerdiagnose ausge-
geben (siehe Technischer Katalog PSENmag
und PSENcode).
Abhilfe: Fehler beheben und Stromversor-
gung unterbrechen.
LED "Input" blinkt gelb: nur ein Eingang low
(Teilbetätigung)
Abhilfe: an beide Eingänge Low-Signal le-
gen.
LED "Lock" leuchtet rot: Anforderung zur Zu-
haltung liegt an; aber keine Zuhaltung erfolgt.
Z.B. Schutztür offen, Betätiger befindet sich
nicht im Ansprechbereich, Haltekraft zu ge-
ring.
Operation
Check the function of the safety switch be-
fore commissioning.
Any deviations from the properties and func-
tions described in these operating instruc-
tions can lead to hazardous situations.
CAUTION!
Contaminated surfaces can reduce the
holding force of the electromagnet.
Make sure the contact surfaces are kept
clean.
Status indicators:
"Power / Fault" LED illuminates green: The
unit is ready for operation
"Safety Gate" LED lights up yellow: Actuator
is within the response range
"Input" LED lights up yellow: There is a HIGH
signal at the inputs.
"Lock" LED illuminates green: Magnetic
guard locking device active
Fault indicator:
"Power / Fault" LED illuminates red: Error
message.
Flashing codes are output at the "Safety
Gate" or "Input" LEDs for fault diagnostics
(see Technical Catalogue for PSENmag and
PSENcode).
Remedy: Rectify fault and interrupt power
supply.
"Input" LED lights up yellow: Only one input
is low (partial operation)
Remedy: Apply a low signal to both inputs.
"Lock" LED illuminates red: Guard locking
request is present, but guard locking has not
taken place. e.g. safety gate open, actuator
is not within the response range, holding
force is too low.
Fonctionnement
Vérifiez le fonctionnement du capteur de sé-
curité avant sa mise en service.
Des écarts par rapport aux caractéristiques
et fonctions décrites dans ce manuel d'utili-
sation peuvent entraîner des situations dan-
gereuses.
ATTENTION !
Les surfaces encrassées peuvent rédui-
re la force d'interverrouillage de l'aimant
électrique. Maintenez les surfaces d'ap-
plication propres.
Affichages des états :
La LED « Power/Fault » s'allume en vert :
l'appareil est prêt à fonctionner
La LED « Safety Gate » s'allume en jaune :
l'actionneur est dans la zone de détection
La LED « Input » s'allume en jaune : les en-
trées sont à l'état « 1 ».
La LED « Lock » s'allume en vert : l'interver-
rouillage magnétique est actif.
Affichage des erreurs :
La LED « Power / Fault » s'allume en rouge :
message d'erreur.
Des codes clignotants servant au diagnostic
des erreurs sont émis sur les LEDs « Safety
Gate » et « Input » (voir le catalogue techni-
que PSENmag et PSENcode).
Remède : supprimer l'erreur et couper l'ali-
mentation électrique.
La LED « Input » clignote en jaune : seule une
entrée est à l'état « 0 » (activation partielle)
Remède : mettre les deux entrées à l'état
« 0 ».
La LED « Lock » s'allume en rouge : l'exigen-
ce relative à l'interverrouillage est présente ;
néanmoins, l'interverrouillage n'a pas lieu.
Exemple : protecteur mobile ouvert, action-
neur en dehors de la zone de détection, force
d'interverrouillage trop faible.

- 15 -
Abmessungen in mm Dimensions in mm Dimensions en mm
Technische Daten Technical details Caractéristiques techniques
Elektrische Daten Electrical data Données électriques
Versorgungsspannung UBDC Supply voltage UB DC Tension d'alimentation UBDC 24 V
Spannungstoleranz Voltage tolerance Plage de la tension d'alimentation -15 %/+10 %
Leistungsaufnahme bei UBDC Power consumption at UB DC Consommation UBDC 7,2 W
Max. Einschaltstromimpuls A1 Max. inrush current impulse A1 Impulsion de courant max. lors de
la mise sous tension A1
9,90 A
Impulsdauer A1 Pulse duration A1 Durée d'impulsion A1 0,0020 ms
Spannung an Eingängen Voltage at inputs Tension sur entrées 24 V DC
Strom pro Eingang Current per input Courant par entrée 5,0 mA
Schaltstrom pro Ausgang Switching current per output Intensité de commutation par sortie 500 mA
Reststrom (Ir) Residual current (Ir) Courant résiduel (Ir)0,25 mA
Schaltleistung pro Ausgang Breaking capacity per output Puissance de commutation par sor-
tie
12,0 W
Max. Schaltfrequenz Max. switch frequency Fréquence de commutation max. 1 Hz
Halbleiterausgänge (kurz-
schlussfest)
Semiconductor outputs (short cir-
cuit proof)
Sorties statiques (protégées contre
les courts-circuits)
Sicherheitsausgänge OSSD OSSD safety outputs Sorties de sécurité OSSD 2
Meldeausgänge Signal outputs Sorties d'information 1
Max. Gesamtleitungswiderstand Rl-
max im Eingangskreis
Max. overall cable resistance Rlmax
in the input circuit
Résistance max. de l'ensemble du
câblage Rlmax dans le circuit d'en-
trée
1000 Ohm
2,5°
R25
M5 (6x)
24
93
R5
44 45
42
26
6
25
93
155
171
M12x1
R10
116
104 24
M5 (2x)
R33
22,5
16 52
188,46
173
188
14
5,3
10
7,5

- 16 -
Max. Leitungskapazität an den Si-
cherheitsausgängen
Max. line capacitance at the safety
outputs
Capacité max. du câblage sur les
sorties de sécurité
Leerlauf, PNOZ mit Relaiskontakten No-load, PNOZ with relay contacts Fonctionnement à vide, PNOZ avec
contacts de relais
40 nF
PNOZmulti, PNOZelog, PSS PNOZmulti, PNOZelog, PSS PNOZmulti, PNOZelog, PSS 70 nF
Zeiten Times Temporisations
Überbrückung bei Spannungsein-
brüchen
Supply interruption before deener-
gisation
Tenue aux micro-coupures 17,0 ms
Einschaltverzögerung Switch-on delay Temps de montée
nach Anlegen von UBafter applying UBaprès application de UB1,6 s
Eingänge typ. Input typ. Entrées env. 20 ms
Eingänge max. Input max. Entrées max. 30 ms
Betätiger typ. Actuator typ. Actionneur env. 500 ms
Betätiger max. Actuator max. Actionneur max. 600 ms
Rückfallverzögerung Delay-on de-energisation Temps de retombée
Eingänge typ. Input typ. Entrées env. 20 ms
Eingänge max. Input max. Entrées max. 25 ms
Betätiger typ. Actuator typ. Actionneur env. 25 ms
Betätiger max. Actuator max. Actionneur max. 260 ms
Testimpulsdauer Sicherheitsaus-
gänge
Test pulse duration on safety out-
puts
Durée du test impulsionnel pour les
sorties de sécurité
350 µs
Gleichzeitigkeit Kanal 1 und 2 Simultaneity, channel 1 and 2 Simultanéité des canaux 1 et 2 ∞
Umweltdaten Environmental data Données sur l'environnement
Temperatur Metallfläche Metal surface temperature Température de la surface métalli-
que
65 °C
EMV EMC CEM EN 55011: class A,
EN 61000-4-2, EN 61000-4-3,
EN 61000-4-4, EN 61000-4-6,
EN 61000-4-8
Schockbeanspruchung Shock stress Résistance aux chocs 30g , 11 ms
Schwingungen nach EN 60947-5-2 Vibration to EN 60947-5-2 Vibrations selon EN 60947-5-2
Frequenz Frequency Fréquence 10,0 - 55,0 Hz
Amplitude Amplitude Amplitude 1,00 mm
Verschmutzungsgrad Pollution degree Niveau d'encrassement 3
Bemessungsisolationsspannung Rated insulation voltage Tension assignée d'isolement 75 V
Bemessungsstoßspannungsfestig-
keit
Rated impulse withstand voltage Tension assignée de tenue aux
chocs
1,00 kV
Überspannungskategorie Overvoltage category Catégorie de surtensions III
Umgebungstemperatur Ambient temperature Température d'utilisation -25 - 55 °C
Lagertemperatur Storage temperature Température de stockage -25 - 70 °C
Mechanische Daten Mechanical data Données mécaniques
Magnethaltekraft ein Magnetic holding force on Force magnétique activée 1.000 N
Magnethaltekraft aus Magnetic holding force off Force magnétique désactivée 30 N
Höhenversatz max. Max. vertical offset Décalage en hauteur max. 5 mm
Seitenversatz max. Max. lateral offset Décalage latéral max. 3 mm
Winkelversatz max. Max. angular offset Décalage angulaire max. 2,5 deg
Hysterese typ. Hysteresis typ. Hystérésis env. 0,7 mm
Gesicherter Schaltabstand Sao Assured operating distance Sao Distance de commutation de sécu-
rité Sao
1,0 mm
Gesicherter Ausschaltabstand Sar Assured release distance Sar Distance de déclenchement de sé-
curité Sar
8,0 mm
Typischer Schaltabstand SoTypical switching distance SoDistance de commutation caracté-
ristique So
2,0 mm
Min. Abstand zwischen Sicherheits-
schaltern
Min. distance between safety
switches
Distance minimale entre les cap-
teurs de sécurité
30 mm
Zugehörige Betätiger Corresponding actuator Actionneurs correspondants PSEN sl-1.0 1.1 No. 570600,
570660
PSEN sl-1.0 2.1 No. 570601,
570602, 570661, 570662
PSEN sl-1.0 VA No. 570630
PSEN sl-1.0fm 1.1 No. 570600,
570660
PSEN sl-1.0fm 2.1 No. 570601,
570602, 570661, 570662
Anschlussart Connection type Type de connection M12, 8-pol. Stiftstecker/
Connector male 8 pin M12/
Connecteur mâle M12 à 8 bro-
ches
Leitung Cable Câble LiYY 8 x 0,25 mm2
Schutzart Protection type Indice de protection IP67
Elektrische Daten Electrical data Données électriques

- 17 -
Material Material Matériau
Gehäuse Housing Boîtier PBT
Ankerplatte Anchor plate Plaque de maintien Stahl vernickelt/nickel-plated
steel/acier nickelé
Bodenplatte Base plate Plaque support Anticorodal, hart eloxiert/
Anticorodal, hard anodised/
Anticorodal, anodisé dur No.
570600, 570601, 570602
Edelstahl 1.4301/Stainless
steel 1.4301/Acier fin 1.4301
No. 570630
Betätiger Actuator Actionneur Anticorodal, hart eloxiert/
Anticorodal, hard anodised/
Anticorodal, anodisé durNo.
570600, 570601, 570602
Edelstahl 1.4301/Stainless
steel 1.4301/Acier fin 1.4301
No. 570630
Abmessungen siehe Abbildung Dimensions, see graphic Dimensions, voir l'illustration
Gewicht Weight Poids
Sensor Sensor Capteur 1.148 g No. 570600, 570601,
570602
1.470 g No. 570630
Betätiger Actuator Actionneur 1.023 g No. 570630
599 g No. 570600, 570601,
570602
Sicherheitstechnische Kennda-
ten Safety-related characteristic
data Caractéristiques techniques de
sécurité
PL nach EN ISO 13849-1: 2006 PL in accordance with EN ISO
13849-1: 2006 PL selon EN ISO 13849-1: 2006 PL e (Cat. 4)
Kategorie nach EN 954-1 Category in accordance with EN
954-1 Catégorie selon EN 954-1 Cat. 4
SIL CL nach EN IEC 62061 SIL CL in accordance with EN IEC
62061 SIL CL selon EN IEC 62061 SIL CL 3
PFH nach EN IEC 62061 PFH in accordance with EN IEC
62061 PFH selon EN IEC 62061 3,29E-09
SIL nach IEC 61511 SIL in accordance with IEC 61511 SIL selon IEC 61511 SIL 3
PFD nach IEC 61511 PFD in accordance with IEC 61511 PFD selon IEC 61511 1,72E-04
TM [Jahr] nach EN ISO 13849-1:
2006 TM [year] in accordance with EN
ISO 13849-1: 2006 TM [année] selon EN ISO 13849-1:
2006 20
Es gelten die 2008-04 aktuellen Ausgaben der
Normen.
The standards current on 2008-04 apply. Les versions actuelles 2008-04 des normes
s'appliquent.
Mechanische Daten Mechanical data Données mécaniques

Originalbetriebsanleitung/Original instructions/Notice originale
21909-3FR-0, 201-0 Printed in Germany
21909-3FR-062013 -02Printed in Germ any
Bestelldaten Order reference Références
Typ/Type/Type Stück/
Quantity/
Nombre
Wirkweise/Operation/Ac-
tionnement Merkmale/Features/ Caractéri-
stiques Bestell-Nr./Order
no./Référence
PSEN sl-1.0p 1.1 / PSEN sl-1.0 1 unit 1 Transpondertechnik/Trans-
ponder technology Technique
à transpondeur
Sicheres Schutztürsystem, codiert/
Safety gate system,coded/ Système
de sécurité pour protecteurs mobi-
les, codé
570 600
PSEN sl-1.0p 2.1 / PSEN sl-1.0 1 unit 1 Transpondertechnik/ Trans-
ponder technology Technique
à transpondeur
Sicheres Schutztürsystem, vollco-
diert/Safety gate system, fully co-
ded/ Système de sécurité pour
protecteurs mobiles, précodé
570 601
PSEN sl-1.0p 2.2 / PSEN sl-1.0 1 unit 1 Transpondertechnik/ Trans-
ponder technology Technique
à transpondeur
Sicheres Schutztürsystem, unikat
codiert/Safety gate system, uniquely
coded/ Système de sécurité pour
protecteurs mobiles, codé unique
570 602
PSEN sl-1.0p 1.1 VA/PSEN sl-1.0 1
unit
1 Transpondertechnik/Trans-
ponder technology Technique
à transpondeur
Sicheres Schutztürsystem, codiert/
Safety gate system,coded/ Système
de sécurité pour protecteurs mobi-
les, codé
570 630
PSEN sl-1.0p 1.1 / PSEN sl-1.0fm 1
unit
1 Transpondertechnik/Trans-
ponder technology Technique
à transpondeur
Sicheres Schutztürsystem, codiert
mit leichtgängigem Betätiger
570 660
PSEN sl-1.0p 2.1 / PSEN sl-1.0fm 1
unit
1 Transpondertechnik/Trans-
ponder technology Technique
à transpondeur
Sicheres Schutztürsystem, vollco-
diert mit leichtgängigem Betätiger
570 661
PSEN sl-1.0p 2.2 / PSEN sl-1.0fm 1
unit
1 Transpondertechnik/Trans-
ponder technology Technique
à transpondeur
Sicheres Schutztürsystem, unikat
codiert mit leichtgängigem Betätiger
570 662
PSEN sl bracket swing door 1 Montagewinkel für Schwenk- und
Flügeltüren/ Mounting bracket for
swing doors
570 550
PSEN sl bracket sliding door 2 Montagewinkel für Schiebetüren/
Mounting bracket for swing doors
570 551
EG-Konformitätserklärung
1139424011
Diese(s) Produkt(e) erfüllen die Anforderungen
der Richtlinie 2006/42/EG über Maschinen des
europäischen Parlaments und des Rates. Die
vollständige EG-Konformitätserklärung finden
Sie im Internet unter www.pilz.com.
Bevollmächtigter: Norbert Fröhlich, Pilz GmbH
& Co. KG, Felix-Wankel-Str. 2, 73760 Ostfil-
dern, Deutschland
EC Declaration of Conformity
This (these) product(s) comply with the require-
ments of Directive 2006/42/EC of the European
Parliament and of the Council on machinery.
The complete EC Declaration of Conformity is
available on the Internet at www.pilz.com.
Authorised representative: Norbert Fröhlich,
Pilz GmbH & Co. KG, Felix-Wankel-Str. 2,
73760 Ostfildern, Germany
Déclaration de conformité CE
Ce(s) produit(s) satisfait (satisfont) aux exigen-
ces de la directive 2006/42/CE relative aux ma-
chines du Parlement Européen et du Conseil.
Vous trouverez la déclaration de conformité CE
complète sur notre site internet www.pilz.com.
Représentant : Norbert Fröhlich, Pilz GmbH &
Co. KG, Felix-Wankel-Str. 2, 73760 Ostfildern,
Allemagne