Quectel Wireless Solutions 201508UG96 UMTS/HSPA Module User Manual
Quectel Wireless Solutions Company Limited UMTS/HSPA Module
User Manual

UMTS/HSPA Module Series
UG96 Hardware Design
UG96_Hardware_Design Confidential / Released 1 / 75
Our aim is to provide customers with timely and comprehensive service. For any
assistance, please contact our company headquarters:
Quectel Wireless Solutions Co., Ltd.
Office 501, Building 13, No.99, Tianzhou Road, Shanghai, China, 200233
Tel: +86 21 5108 6236
Mail: info@quectel.com
Or our local office, for more information, please visit:
http://www.quectel.com/support/salesupport.aspx
For technical support, to report documentation errors, please visit:
http://www.quectel.com/support/techsupport.aspx
Or Email: Support@quectel.com
GENERAL NOTES
QUECTEL OFFERS THIS INFORMATION AS A SERVICE TO ITS CUSTOMERS. THE INFORMATION
PROVIDED IS BASED UPON CUSTOMERS’ REQUIREMENTS. QUECTEL MAKES EVERY EFFORT
TO ENSURE THE QUALITY OF THE INFORMATION IT MAKES AVAILABLE. QUECTEL DOES NOT
MAKE ANY WARRANTY AS TO THE INFORMATION CONTAINED HEREIN, AND DOES NOT ACCEPT
ANY LIABILITY FOR ANY INJURY, LOSS OR DAMAGE OF ANY KIND INCURRED BY USE OF OR
RELIANCE UPON THE INFORMATION. THE INFORMATION SUPPLIED HEREIN IS SUBJECT TO
CHANGE WITHOUT PRIOR NOTICE.
COPYRIGHT
THIS INFORMATION CONTAINED HERE IS PROPRIETARY TECHNICAL INFORMATION OF
QUECTEL CO., LTD. TRANSMITTABLE, REPRODUCTION, DISSEMINATION AND EDITING OF THIS
DOCUMENT AS WELL AS UTILIZATION OF THIS CONTENTS ARE FORBIDDEN WITHOUT
PERMISSION. OFFENDERS WILL BE HELD LIABLE FOR PAYMENT OF DAMAGES. ALL RIGHTS
ARE RESERVED IN THE EVENT OF A PATENT GRANT OR REGISTRATION OF A UTILITY MODEL
OR DESIGN.
Copyright © Quectel Wireless Solutions Co., Ltd. 2015. All rights reserved.

UMTS/HSPA Module Series
UG96 Hardware Design
UG96_Hardware_Design Confidential / Released 2 / 75
About the Document
History
Revision
Date
Author
Description
1.0
2015-02-28
Tony GAO/
Cat WANG
Initial

UMTS/HSPA Module Series
UG96 Hardware Design
UG96_Hardware_Design Confidential / Released 3 / 75
Contents
About the Document ................................................................................................................................... 2
Contents ....................................................................................................................................................... 3
Table Index ................................................................................................................................................... 5
Figure Index ................................................................................................................................................. 6
1 Introduction .......................................................................................................................................... 8
1.1. Safety Information...................................................................................................................... 9
2 Product Concept ................................................................................................................................ 10
2.1. General Description ................................................................................................................. 10
2.2. Directives and Standards ........................................................................................................ 11
2.3. Key Features ........................................................................................................................... 11
2.4. Functional Diagram ................................................................................................................. 13
2.5. Evaluation Board ..................................................................................................................... 15
3 Application Interface ......................................................................................................................... 16
3.1. General Description ................................................................................................................. 16
3.2. Pin Assignment ........................................................................................................................ 17
3.3. Pin Description ......................................................................................................................... 18
3.4. Operating Modes ..................................................................................................................... 23
3.5. Power Saving ........................................................................................................................... 24
3.5.1. Sleep Mode .................................................................................................................... 24
3.5.1.1. UART Application ................................................................................................. 24
3.5.1.2. USB Application with Suspend Function ............................................................. 25
3.5.1.3. USB Application without Suspend Function ........................................................ 26
3.5.2. Minimum Functionality Mode ......................................................................................... 27
3.6. Power Supply ........................................................................................................................... 27
3.6.1. Power Supply Pins ......................................................................................................... 27
3.6.2. Decrease Voltage Drop .................................................................................................. 28
3.6.3. Reference Design for Power Supply .............................................................................. 29
3.6.4. Monitor the Power Supply .............................................................................................. 30
3.7. Turn on and off Scenarios ....................................................................................................... 30
3.7.1. Turn on Module .............................................................................................................. 30
3.7.2. Turn off Module .............................................................................................................. 32
3.7.2.1. Turn off Module Using AT Command ................................................................... 32
3.7.2.2. Emergency Shutdown .......................................................................................... 33
3.7.2.3. Automatic Shutdown ............................................................................................ 35
3.8. Reset the Module..................................................................................................................... 35
3.9. RTC Interface .......................................................................................................................... 37
3.10. UART Interface ........................................................................................................................ 38
3.11. USIM Card Interface ................................................................................................................ 40

UMTS/HSPA Module Series
UG96 Hardware Design
UG96_Hardware_Design Confidential / Released 4 / 75
3.12. USB Interface .......................................................................................................................... 42
3.13. PCM and I2C Interface ............................................................................................................ 44
3.14. Network Status Indication ........................................................................................................ 47
3.15. Operating Status Indication ..................................................................................................... 48
4 Antenna Interface ............................................................................................................................... 49
4.1. GSM/UMTS Antenna Interface ................................................................................................ 49
4.1.1. Pin Definition .................................................................................................................. 49
4.1.2. Operating Frequency ..................................................................................................... 49
4.1.3. Reference Design .......................................................................................................... 50
4.2. Antenna Installation ................................................................................................................. 51
4.2.1. Antenna Requirement .................................................................................................... 51
4.2.2. Install the Antenna with RF Connector .......................................................................... 51
5 Electrical, Reliability and Radio Characteristics ............................................................................ 54
5.1. Absolute Maximum Ratings ..................................................................................................... 54
5.2. Power Supply Ratings ............................................................................................................. 54
5.3. Operating Temperature ............................................................................................................ 55
5.4. Current Consumption .............................................................................................................. 55
5.5. RF Output Power ..................................................................................................................... 59
5.6. RF Receiving Sensitivity .......................................................................................................... 60
5.7. Electrostatic Discharge ............................................................................................................ 60
6 Mechanical Dimensions .................................................................................................................... 61
6.1. Mechanical Dimensions of the Module.................................................................................... 61
6.2. Footprint of Recommendation ................................................................................................. 63
6.3. Top View of the Module ........................................................................................................... 65
6.4. Bottom View of the Module ...................................................................................................... 65
7 Storage and Manufacturing .............................................................................................................. 66
7.1. Storage..................................................................................................................................... 66
7.2. Manufacturing and Welding ..................................................................................................... 66
7.3. Packaging ................................................................................................................................ 68
8 Appendix A Reference ....................................................................................................................... 70
9 Appendix B GPRS Coding Scheme ................................................................................................. 74
10 Appendix C GPRS Multi-slot Class .................................................................................................. 75
11 Appendix D EDGE Modulation and Coding Scheme ..................................................................... 76

UMTS/HSPA Module Series
UG96 Hardware Design
UG96_Hardware_Design Confidential / Released 5 / 75
Table Index
TABLE 1: FREQUENCY BANDS OF UG96 MODULE...................................................................................... 10
TABLE 2: UG96 KEY FEATURES ...................................................................................................................... 11
TABLE 3: IO PARAMETERS DEFINITION ........................................................................................................ 18
TABLE 4: PIN DESCRIPTION ........................................................................................................................... 18
TABLE 5: OVERVIEW OF OPERATING MODES ............................................................................................. 23
TABLE 6: VBAT AND GND PINS ....................................................................................................................... 27
TABLE 7: PWRKEY PIN DESCRIPTION .......................................................................................................... 30
TABLE 8: PWRDWN_N PIN DESCRIPTION .................................................................................................... 33
TABLE 9: RESET_N PIN DESCRIPTION ......................................................................................................... 35
TABLE 10: PIN DEFINITION OF THE MAIN UART INTERFACE ..................................................................... 38
TABLE 11: LOGIC LEVELS OF DIGITAL I/O .................................................................................................... 38
TABLE 12: PIN DEFINITION OF THE USIM INTERFACE ............................................................................... 41
TABLE 13: USB PIN DESCRIPTION ................................................................................................................ 43
TABLE 14: PIN DEFINITION OF PCM AND I2C INTERFACE .......................................................................... 45
TABLE 15: PIN DEFINITION OF NETWORK INDICATOR ............................................................................... 47
TABLE 16: WORKING STATE OF THE NETWORK INDICATOR..................................................................... 47
TABLE 17: PIN DEFINITION OF STATUS ........................................................................................................ 48
TABLE 18: PIN DEFINITION OF THE RF ANTENNA ....................................................................................... 49
TABLE 19: THE MODULE OPERATING FREQUENCIES ................................................................................ 49
TABLE 20: ANTENNA CABLE REQUIREMENTS ............................................................................................. 51
TABLE 21: ANTENNA REQUIREMENTS .......................................................................................................... 51
TABLE 22: ABSOLUTE MAXIMUM RATINGS .................................................................................................. 54
TABLE 23: THE MODULE POWER SUPPLY RATINGS .................................................................................. 54
TABLE 24: OPERATING TEMPERATURE ........................................................................................................ 55
TABLE 25: THE MODULE CURRENT CONSUMPTION .................................................................................. 55
TABLE 26: CONDUCTED RF OUTPUT POWER EDGE .................................................................................. 59
TABLE 27: CONDUCTED RF RECEIVING SENSITIVITY ................................................................................ 60
TABLE 28: REEL PACKING .............................................................................................................................. 69
TABLE 29: RELATED DOCUMENTS ................................................................................................................ 70
TABLE 30: TERMS AND ABBREVIATIONS ...................................................................................................... 70
TABLE 31: DESCRIPTION OF DIFFERENT CODING SCHEMES .................................................................. 74
TABLE 32: GPRS MULTI-SLOT CLASSES ...................................................................................................... 75
TABLE 33: EDGE MODULATION AND CODING SCHEME ............................................................................. 76

UMTS/HSPA Module Series
UG96 Hardware Design
UG96_Hardware_Design Confidential / Released 6 / 75
Figure Index
FIGURE 1: FUNCTIONAL DIAGRAM ............................................................................................................... 15
FIGURE 2: PIN ASSIGNMENT (TOP VIEW) .................................................................................................... 17
FIGURE 3: UART SLEEP APPLICATION ......................................................................................................... 25
FIGURE 4: USB APPLICATION WITH SUSPEND FUNCTION ........................................................................ 26
FIGURE 5: USB SLEEP APPLICATION WITHOUT SUSPEND FUNCTION .................................................... 26
FIGURE 6: VOLTAGE DROP DURING TRANSMITTING BURST .................................................................... 28
FIGURE 7: STAR STRUCTURE OF THE POWER SUPPLY............................................................................ 29
FIGURE 8: REFERENCE CIRCUIT OF POWER SUPPLY .............................................................................. 29
FIGURE 9: TURN ON THE MODULE USING DRIVING CIRCUIT ................................................................... 30
FIGURE 10: TURN ON THE MODULE USING KEYSTROKE ......................................................................... 31
FIGURE 11: TIMING OF TURNING ON MODULE ........................................................................................... 31
FIGURE 12: TIMING OF TURNING OFF THROUGH AT COMMAND ............................................................. 32
FIGURE 13: TURN OFF THE MODULE USING DRIVING CIRCUIT ............................................................... 33
FIGURE 14: TURN OFF THE MODULE USING KEYSTROKE ........................................................................ 34
FIGURE 15: TIMING OF EMERGENCY SHUTDOWN ..................................................................................... 34
FIGURE 16: REFERENCE CIRCUIT OF RESET_N BY USING DRIVING CIRCUIT ...................................... 36
FIGURE 17: REFERENCE CIRCUIT OF RESET_N BY USING BUTTON ...................................................... 36
FIGURE 18: TIMING OF RESETTING MODULE ............................................................................................. 36
FIGURE 19: RTC SUPPLY FROM CAPACITOR .............................................................................................. 37
FIGURE 20: REFERENCE CIRCUIT OF LOGIC LEVEL TRANSLATOR ......................................................... 39
FIGURE 21: REFERENCE CIRCUIT WITH TRANSISTOR CIRCUIT .............................................................. 39
FIGURE 22: RS232 LEVEL MATCH CIRCUIT .................................................................................................. 40
FIGURE 23: REFERENCE CIRCUIT OF THE 8-PIN USIM CARD .................................................................. 41
FIGURE 24: REFERENCE CIRCUIT OF THE 6-PIN USIM CARD .................................................................. 42
FIGURE 25: REFERENCE CIRCUIT OF USB APPLICATION ......................................................................... 43
FIGURE 26: TEST POINTS OF FIRMWARE UPGRADE ................................................................................. 44
FIGURE 27: PCM MASTER MODE TIMING ..................................................................................................... 45
FIGURE 28: REFERENCE CIRCUIT OF PCM APPLICATION WITH AUDIO CODEC .................................... 46
FIGURE 29: REFERENCE CIRCUIT OF THE NETLIGHT ............................................................................... 47
FIGURE 30: REFERENCE CIRCUIT OF THE STATUS ................................................................................... 48
FIGURE 31: REFERENCE CIRCUIT OF ANTENNA INTERFACE ................................................................... 50
FIGURE 32: DIMENSIONS OF THE UF.L-R-SMT CONNECTOR (UNIT: MM) ................................................ 52
FIGURE 33: MECHANICALS OF UF.L-LP CONNECTORS (UNIT: MM) .......................................................... 52
FIGURE 34: SPACE FACTOR OF MATED CONNECTOR (UNIT: MM) ........................................................... 53
FIGURE 35: UG96 TOP AND SIDE DIMENSIONS ........................................................................................... 61
FIGURE 36: UG96 BOTTOM DIMENSION (TOP VIEW) .................................................................................. 62
FIGURE 37: RECOMMENDED FOOTPRINT (TOP VIEW) .............................................................................. 63
FIGURE 38: RECOMMENDED STENCIL OF UG96 (TOP VIEW) ................................................................... 64
FIGURE 39: TOP VIEW OF THE MODULE ...................................................................................................... 65
FIGURE 40: BOTTOM VIEW OF THE MODULE .............................................................................................. 65
FIGURE 41: REFLOW SOLDERING PROFILE ................................................................................................ 67

UMTS/HSPA Module Series
UG96 Hardware Design
UG96_Hardware_Design Confidential / Released 7 / 75
FIGURE 42: TAPE AND REEL SPECIFICATION .............................................................................................. 68
FIGURE 43: DIMENSIONS OF REEL ............................................................................................................... 69

UMTS/HSPA Module Series
UG96 Hardware Design
UG96_Hardware_Design Confidential / Released 8 / 75
1 Introduction
This document defines the UG96 module and describes its hardware interface which are connected with
your application and the air interface.
This document can help you quickly understand module interface specifications, electrical and
mechanical details. Associated with application notes and user guide, you can use UG96 module to
design and set up mobile applications easily.

UMTS/HSPA Module Series
UG96 Hardware Design
UG96_Hardware_Design Confidential / Released 9 / 75
1.1. Safety Information
The following safety precautions must be observed during all phases of the operation, such as usage,
service or repair of any cellular terminal or mobile incorporating UG96 module. Manufacturers of the cellular
terminal should send the following safety information to users and operating personnel and to incorporate
these guidelines into all manuals supplied with the product. If not so, Quectel does not take on any liability
for customer failure to comply with these precautions.
Full attention must be given to driving at all times in order to reduce the risk of an
accident. Using a mobile while driving (even with a handsfree kit) cause distraction
and can lead to an accident. You must comply with laws and regulations restricting
the use of wireless devices while driving.
Switch off the cellular terminal or mobile before boarding an aircraft. Make sure it
switched off. The operation of wireless appliances in an aircraft is forbidden to
prevent interference with communication systems. Consult the airline staff about
the use of wireless devices on boarding the aircraft, if your device offers a Airplane
Mode which must be enabled prior to boarding an aircraft.
Switch off your wireless device when in hospitals or clinics or other health care
facilities. These requests are desinged to prevent possible interference with
sentitive medical equipment.
Cellular terminals or mobiles operate over radio frequency signal and cellular
network and cannot be guaranteed to connect in all conditions, for example no
mobile fee or an invalid SIM card. While you are in this condition and need
emergent help, please remember using emergency call. In order to make or
receive call, the cellular terminal or mobile must be switched on and in a service
area with adequate cellular signal strength.
Your cellular terminal or mobile contains a transmitter and receiver. When it is ON ,
it receives and transmits radio frequency energy. RF interference can occur if it is
used close to TV set, radio, computer or other electric equipment.
In locations with potencially explosive atmospheres, obey all posted signs to turn
off wireless devices such as your phone or other cellular terminals. Areas with
potencially exposive atmospheres including fuelling areas, below decks on boats,
fuel or chemical transfer or storage facilities, areas where the air contains
chemicals or particles such as grain, dust or metal powders.

UMTS/HSPA Module Series
UG96 Hardware Design
UG96_Hardware_Design Confidential / Released 10 / 75
2 Product Concept
2.1. General Description
UG96 module is an embedded 3G wireless communication module, supports GSM/GPRS/EDGE and
UMTS/HSDPA/HSUPA networks. It can also provide voice functionality1) for your specific application.
UG96 offers a maximum data rate of 7.2Mbps on downlink and 5.76Mbps on uplink in HSPA mode.
GPRS supports the coding schemes CS-1, CS-2, CS-3 and CS-4. EDGE supports CS1-4 and MCS1-9
coding schemes. The following table shows the frequency bands of UG96 module.
Table 1: Frequency Bands of UG96 Module
Module
GSM
850
EGSM
900
DCS
1800
PCS
1900
UMTS
800
UMTS
850
UMTS
900
UMTS
1900
UMTS
2100
UG96
√
√
√
√
√
√
√
√
√
1) UG96 module includes Data-only and Telematics versions. Data-only version does not support voice
function, Telematics version supports it.
More details about GPRS/EDGE multi-slot configuration and coding schemes, please refer to Appendix
B, C and D.
With a tiny profile of 26.5mm × 22.5mm × 2.2mm, UG96 can meet almost all requirements for M2M
application such as automotive, metering, tracking system, security solutions, routers, wireless POS, etc..
UG96 is an SMD type module, which can be embedded in application through its 102 LGA pads.
UG96 is integrated with internet service protocols like TCP/UDP and PPP. Extended AT commands have
been developed for you to use these internet service protocols easily.
NOTE

UMTS/HSPA Module Series
UG96 Hardware Design
UG96_Hardware_Design Confidential / Released 11 / 75
2.2. Directives and Standards
The UG96 module is designed to comply with the FCC statements. FCC ID: XMR201508UG96
The Host system using UG96 should have label “contains FCC ID: XMR201508UG96”.
2.2.1. 2.2.1. FCC Statement
Changes or modifications not expressly approved by the party responsible for compliance could void the
user’s authority to operate the equipment.
2.2.2. FCC Radiation Exposure Statement
This equipment complies with FCC radiation exposure limits set forth for an uncontrolled environment.
This equipment should be installed and operated with minimum distance 20cm between the radiator and
your body as well as kept minimum 20cm from radio antenna depending on the Mobile status of this
module usage. This module should NOT be installed and operating simultaneously with other radio. The
manual of the host system, which uses UG96, must include RF exposure warning statement to advice
user should keep minimum 20cm from the radio antenna of UG96 module depending on the Mobile status.
Note: If a portable device (such as PDA) uses UG96 module, the device needs to do permissive change
and SAR testing.
The following list indicates the performance of antenna gain in certificate testing.
Part
Number
Frequency Range (MHz)
Peak Gain
(XZ-V)
Average
Gain(XZ-V)
VS
WR
Impedance
3R007
UMTS800:830~885MHz
UMTS850/GSM850:824~894MHz
UMTS900/EGSM900:880~960MHz
DCS1800:1710~1880MHz
UMTS1900/PCS1900: 1850~1990MHz
UMTS2100:1920~2170MHz
1 dBi typ.
1 dBi typ.
2 max
50Ω
2.3. Key Features
The following table describes the detailed features of UG96 module.
Table 2: UG96 Key Features
Feature
Details

UMTS/HSPA Module Series
UG96 Hardware Design
UG96_Hardware_Design Confidential / Released 12 / 75
Power Supply
Supply voltage: 3.3V~4.3V
Typical supply voltage: 3.8V
Frequency Bands
GSM 4-band: 850/900/1800/1900MHz
UMTS 5-band: 800/850/900/1900/2100MHz
Transmission Data
HSDPA category 8: Max 7.2Mbps
HSUPA category 6: Max 5.76Mbps
UMTS: Max 384kbps (DL)/Max 384kbps (UL)
EDGE: Max 236.8kbps (DL)/Max 236.8kbps (UL)
GPRS: Max 85.6kbps (DL)/Max 85.6kbps (UL)
CSD: 14.4kbps
HSPA/UMTS Features
Compliant with 3GPP Release 7
WCDMA data rate is corresponded with 3GPP R99/R4
384kbps on downlink and 384kbps on uplink
Support both QPSK and 16-QAM modulations
GSM/GPRS/EDGE
Data Features
GPRS:
Support GPRS multi-slot class 12
Coding scheme: CS-1, CS-2, CS-3 and CS-4
Maximum of four Rx time slots per frame
EDGE:
Support EDGE multi-slot class 12
Support GMSK and 8-PSK for different MCS (Modulation and Coding
scheme)
Downlink coding schemes: CS 1-4 and MCS 1-9
Uplink coding schemes: CS 1-4 and MCS 1-9
CSD:
CSD transmission rates: 14.4kbps non-transparent
Support Unstructured Supplementary Services Data (USSD)
Internet Protocol Features
Support TCP/UDP/PPP protocols
Support the protocols PAP (Password Authentication Protocol) and
CHAP (Challenge Handshake Authentication Protocol) usually used
for PPP connections
SMS
Text and PDU mode
Point to point MO and MT
SMS cell broadcast
SMS storage: SIM card by default
USIM Interface
Support USIM card: 1.8V, 3.0V
Support USIM and SIM
PCM Interface
Used for audio function with external codec
Supports 8, 16, 32 bit mode with short frame synchronization
Support master mode
UART Interface
Support one UART interface
7-wire on UART interface, without DSR
Support RTS and CTS hardware flow control

UMTS/HSPA Module Series
UG96 Hardware Design
UG96_Hardware_Design Confidential / Released 13 / 75
Baud rate 300 to 921600bps
Default autobauding 4800 to 115200bps
Used for AT command, data transmission or firmware upgrade
Multiplexing function
USB Interface
Compliant with USB 1.1/2.0 specification (slave only), the data transfer
rate can reach up to 480Mbps
Used for AT command communication, data transmission, software
debug and firmware upgrade
USB Driver: Support Windows XP, Windows Vista, Windows 7,
Windows 8, Windows CE5.0/6.0*, Linux, Android
AT Commands
Compliant with 3GPP TS 27.007, 27.005 and Quectel enhanced AT
commands
Real Time Clock
Implemented
Network Indication
One pin NETLIGHT to indicate network connectivity status
Antenna Interface
GSM/UMTS antenna, 50Ω
Physical Characteristics
Size: 22.5±0.15 × 26.5±0.15 × 2.2±0.2mm
Interface: LGA
Weight: 3.1g
Temperature Range
Normal operation: -35°C ~ +80°C
Restricted operation: -40°C ~ -35°C and +80°C ~ +85°C 1)
Storage temperature: -45°C ~ +90°C
Firmware Upgrade
USB interface or UART interface
RoHS
All hardware components are fully compliant with EU RoHS directive
1. 1) Means when the module works within this temperature range, RF performance might degrade. For
example, the frequency error or the phase error would increase.
2. * means this feature is under development.
2.4. Functional Diagram
The following figure shows a block diagram of UG96 and illustrates the major functional parts.
RF transceiver
Baseband
NOTES

UMTS/HSPA Module Series
UG96 Hardware Design
UG96_Hardware_Design Confidential / Released 14 / 75
DDR+NAND flash
Radio frequency
Peripheral interface
--UART interface
--USIM card interface
--USB interface
--PCM interface
--I2C interface
--Status indication
--Control interface

UMTS/HSPA Module Series
UG96 Hardware Design
UG96_Hardware_Design Confidential / Released 15 / 75
PWRKEY
RESET_N
32kHz
PMU Baseband
MCP
RF_ANT
USIM
STATUS
UART
VBAT_BB
USB
VBAT_RF
B1
VDD_EXT
VRTC
Nand+DDR
PWRDWN_N
RF
Transceiver
NETLIGHT
26MHz
DCXO
B2/PCS1900
GSM TX LB
Duplexer
PCM
PMU
Reset
I2C
PA ASM
B5/B6/GSM850
B8/GSM900
DC/DC
B1
B2
B5/B6
B8
PM_HPM_L
GSM TX HB
DCS1800
Figure 1: Functional Diagram
2.5. Evaluation Board
In order to help you to develop applications with UG96, Quectel supplies an evaluation board
(UMTS<E-EVB), RS-232 to USB cable, USB data cable, power adapter, earphone, antenna and other
peripherals to control or test the module. For details, please refer to document [2].

UMTS/HSPA Module Series
UG96 Hardware Design
UG96_Hardware_Design Confidential / Released 16 / 75
3 Application Interface
3.1. General Description
UG96 is equipped with a 62-pin 1.1mm pitch SMT pads plus 40-pin ground pads and reserved pads that
connect to customer’s cellular application platform. Sub-interfaces included in these pads are described in
detail in the following chapters:
Power supply
RTC interface
UART interface
USIM interface
USB interface
PCM interface
Status indication

UMTS/HSPA Module Series
UG96 Hardware Design
UG96_Hardware_Design Confidential / Released 17 / 75
3.2. Pin Assignment
The following figure shows the pin assignment of the UG96 module.
RESERVED
PCM_SYNC
PCM_CLK
PCM_DIN
PCM_DOUT
RESERVED
RESERVED
PWRKEY
PWRDWN_N
RESET_N
RESERVED
1
2
3
4
5
6
7
11
12
13
14
15
16
17
18
50
51
52
53
54
55
58
59
60
61
62
USB_DM
AP_READY
STATUS
NETLIGHT
RESERVED
RESERVED
RESERVED
CLK_OUT
RESERVED
RESERVED
RESERVED
VDD_EXT
DTR
GND
USIM_CLK
USIM_DATA
USIM_RST
USIM_VDD
RI
DCD
CTS
TXD
RXD
VBAT_BB
VBAT_BB
USIM_GND
GND
RESERVED
31
30
29
28
27
26
23
22
21
20
19
10
9
USB_DP
USB_VBUS
RESERVED
GND
RESERVED
RESERVED
RTS
I2C_SCL
I2C_SDA
8
49
48
47
46
45
44
43
40
41
42
39
38
37
36
35
34
33
32
24
57
56
GND
GND
RF_ANT
GND
GND
RESERVED
VBAT_RF
VBAT_RF
GND
GND
RESERVED
VRTC
GND
USIM_PRESENCE
63
64
65
66
67
68
83
84
85
86
87
88
98
97
96
95
94
93
78
77
76
75
74
73
91 92
89 90
71 72
69 70
80 79
82 81
100 99
102 101
POWER USB UART USIM OTHERS
GND RESERVED
PCM ANT
25
Figure 2: Pin Assignment (Top View)
1. Keep all RESERVED pins and unused pins unconnected.
2. GND pads should be connected to ground in the design.
NOTES

UMTS/HSPA Module Series
UG96 Hardware Design
UG96_Hardware_Design Confidential / Released 18 / 75
3.3. Pin Description
The following tables show the UG96’s pin definition.
Table 3: IO Parameters Definition
Type
Description
IO
Bidirectional input/output
DI
Digital input
DO
Digital output
PI
Power input
PO
Power output
AI
Analog input
AO
Analog output
OD
Open drain
Table 4: Pin Description
Power Supply
Pin Name
Pin No.
I/O
Description
DC Characteristics
Comment
VBAT_BB
32, 33
PI
Power supply for
module baseband
part.
Vmax=4.3V
Vmin=3.3V
Vnorm=3.8V
It must be able to
provide sufficient
current in a transmitting
burst which typically
rises to 2.0A.
VBAT_RF
52, 53
PI
Power supply for
module RF part.
Vmax=4.3V
Vmin=3.3V
Vnorm=3.8V
VRTC
51
PI/
PO
Power supply for
internal RTC circuit.
Vnorm=1.8V when
VBAT≥3.3V
VI=1V~1.9V at
IIN max=2uA when
VBAT is not applied
If unused, keep this pin
open.
VDD_EXT
29
PO
Provide 1.8V for
external circuit.
Vnorm=1.8V
IOmax=20mA
Power supply for
external GPIO’s pull up
circuits.

UMTS/HSPA Module Series
UG96 Hardware Design
UG96_Hardware_Design Confidential / Released 19 / 75
If unused, keep this pin
open.
GND
3, 31, 48,
50, 54, 55,
58, 59, 61,
62, 67~74,
79~82,
89~91,
100~102
Ground
Turn On/Off
Pin Name
Pin No.
I/O
Description
DC Characteristics
Comment
PWRKEY
15
DI
Turn on the module.
RPU≈200kΩ
VIHmax=2.1V
VIHmin=1.3V
VILmax=0.5V
Pull-up to VRTC
internally.
Active low.
PWRDWN_N
16
DI
Turn off the module.
RPU≈4.7kΩ
VIHmax=2.1V
VIHmin=1.3V
VILmax=0.5V
Pull-up to VRTC
internally.
Active low.
If unused, keep this
pin open.
RESET_N
17
DI
Reset the module.
RPU≈200kΩ
VIHmax=2.1V
VIHmin=1.3V
VILmax=0.5V
Pull-up to VRTC
internally.
Active low.
If unused, keep this
pin open.
Status Indication
Pin Name
Pin No.
I/O
Description
DC Characteristics
Comment
STATUS
20
DO
Indicate the module
operating status.
VOHmin=1.3V
VOLmax=0.5V
1.8V power domain.
If unused, keep this
pin open.
NETLIGHT
21
DO
Indicate the module
network status.
VOHmin=1.3V
VOLmax=0.5V
1.8V power domain.
If unused, keep this
pin open.
USB Interface
Pin Name
Pin No.
I/O
Description
DC Characteristics
Comment
USB_VBUS
8
PI
USB insert
detection.
Vmax=5.25V
Vmin=2.5V
Vnorm=5.0V
USB insert detection.

UMTS/HSPA Module Series
UG96 Hardware Design
UG96_Hardware_Design Confidential / Released 20 / 75
USB_DP
9
IO
USB differential data
bus.
Compliant with USB
2.0 standard
specification.
Require differential
impedance of 90Ω.
USB_DM
10
IO
USB differential data
bus.
Compliant with USB
2.0 standard
specification.
Require differential
impedance of 90Ω.
USIM Interface
Pin Name
Pin No.
I/O
Description
DC Characteristics
Comment
USIM_GND
47
Specified ground for
USIM card.
USIM_VDD
43
PO
Power supply for
USIM card.
For 1.8V USIM:
Vmax=1.85V
Vmin=1.75V
For 3.0V USIM:
Vmax=2.9V
Vmin=2.8V
Either 1.8V or 3.0V is
supported by the
module automatically.
USIM_DATA
45
IO
Data signal of USIM
card.
For 1.8V USIM:
VILmax=0.35V
VIHmin=1.25V
VOLmax=0.25V
VOHmin=1.25V
For 3.0V USIM:
VILmax=0.5V
VIHmin=2.05V
VOLmax=0.25V
VOHmin=2.05V
Pull-up to USIM_VDD
with 4.7K resistor
internally.
USIM_CLK
46
DO
Clock signal of USIM
card.
For 1.8V USIM:
VOLmax=0.25V
VOHmin=1.25V
For 3.0V USIM:
VOLmax=0.25V
VOHmin=2.05V
USIM_RST
44
DO
Reset signal of
USIM card.
For 1.8V USIM:
VOLmax=0.25V
VOHmin=1.25V
For 3.0V USIM:
VOLmax=0.3V
VOHmin=2.05V

UMTS/HSPA Module Series
UG96 Hardware Design
UG96_Hardware_Design Confidential / Released 21 / 75
USIM_
PRESENCE
42
DI
USIM card input
detection.
VILmax=0.35V
VIHmin=1.3V
VIHmax=1.85V
1.8V power domain.
External pull-up
resistor is required.
Main UART Interface
Pin Name
Pin No.
I/O
Description
DC Characteristics
Comment
RI
39
DO
Ring indicator.
VOLmax=0.25V
VOHmin=1.55V
1.8V power domain.
If unused, keep this
pin open.
DCD
38
DO
Data carrier
detection.
VOLmax=0.25V
VOHmin=1.55V
1.8V power domain.
If unused, keep this
pin open.
CTS
36
DO
Clear to send.
VOLmax=0.25V
VOHmin=1.55V
1.8V power domain.
If unused, keep this
pin open.
RTS
37
DI
Request to send.
VILmax=0.35V
VIHmin=1.3V
VIHmax=1.85V
1.8V power domain.
If unused, keep this
pin open.
DTR
30
DI
Data terminal ready.
VILmax=0.35V
VIHmin=1.3V
VIHmax=1.85V
1.8V power domain.
If unused, keep this
pin open.
TXD
35
DO
Transmit data.
VOLmax=0.25V
VOHmin=1.55V
1.8V power domain.
If unused, keep this
pin open.
RXD
34
DI
Receive data.
VILmax=0.35V
VIHmin=1.3V
VIHmax=1.85V
1.8V power domain.
If unused, keep this
pin open.
RF Interface
Pin Name
Pin No.
I/O
Description
DC Characteristics
Comment
RF_ANT
60
IO
RF antenna.
50Ω impedance
PCM Interface
Pin Name
Pin No.
I/O
Description
DC Characteristics
Comment
PCM_IN
6
DI
PCM data input.
VILmin=-0.3V
VILmax=0.35V
VIHmin=1.3V
VIHmax=1.85V
1.8V power domain.
If unused, keep this
pin open.
PCM_OUT
7
DO
PCM data output.
VOLmax=0.25V
VOHmin=1.55V
1.8V power domain.
If unused, keep this
pin open.

UMTS/HSPA Module Series
UG96 Hardware Design
UG96_Hardware_Design Confidential / Released 22 / 75
PCM_SYNC
5
DO
PCM data frame
sync signal.
VOLmax=0.25V
VOHmin=1.55V
1.8V power domain.
In master mode, it is
an output signal.
If unused, keep this
pin open.
PCM_CLK
4
DO
PCM data bit clock.
VOLmax=0.25V
VOHmin=1.55V
1.8V power domain.
In master mode, it’s
an output signal.
If unused, keep this
pin open.
I2C Interface
Pin Name
Pin No.
I/O
Description
DC Characteristics
Comment
I2C_SCL
40
OD
I2C serial clock.
1.8V power domain.
External pull-up
resistor is required.
If unused, keep this
pin open.
I2C_SDA
41
OD
I2C serial data.
1.8V power domain.
External pull-up
resistor is required.
If unused, keep this
pin open.
Other Pins
Pin Name
Pin No.
I/O
Description
DC Characteristics
Comment
AP_READY
19
DI
Application
processor sleep
state detection.
VILmin=-0.3V
VILmax=0.35V
VIHmin=1.3V
VIHmax=1.85V
1.8V power domain.
If unused, keep this
pin open.
CLK_OUT
25
DO
Clock output.
Provide a digital clock
output for an external
audio codec.
If unused, keep this
pin open.
RESERVED Pins
Pin Name
Pin No.
I/O
Description
DC Characteristics
Comment
RESERVED
1, 2,
11~14,
18,
22~24,
26~28,
Reserved
Keep these pins
unconnected.

UMTS/HSPA Module Series
UG96 Hardware Design
UG96_Hardware_Design Confidential / Released 23 / 75
49,
56, 57,
63~66,
75~78,
83~88,
92~99
The function of AP_READY is under development.
3.4. Operating Modes
The table below briefly summarizes the various operating modes referred in the following chapters.
Table 5: Overview of Operating Modes
Mode
Details
Normal Operation
GSM Idle
The module has registered to the GSM network and is ready to
send and receive data.
GSM Talk/Data
GSM connection is ongoing. In this mode, the power consumption
is decided by the configuration of power control level (PCL),
dynamic DTX control and the working RF band.
GPRS Idle
The module is ready for GPRS data transfer, but no data transfer
is going on. In this case, power consumption depends on network
setting and GPRS configuration.
GPRS Data
There is GPRS data in transfer (PPP, TCP or UDP). In this mode,
power consumption is decided by the PCL, working RF band and
GPRS multi-slot configuration.
EDGE Idle
The module is ready for data transfer in EDGE mode, but no data
is currently sent or received. In this case, power consumption
depends on network settings and EDGE configuration.
EDGE Data
There is EDGE data in transfer (PPP, TCP or UDP).
UMTS Idle
The module has registered to the UMTS network and the module
is ready to send and receive data.
UMTS
Talk/Data
UMTS connection is ongoing. In this mode, the power
consumption is decided by network setting (e.g. TPC pattern) and
data transfer rate.
NOTE

UMTS/HSPA Module Series
UG96 Hardware Design
UG96_Hardware_Design Confidential / Released 24 / 75
HSPA Idle
The module has registered to the HSPA network and the module
is ready to send and receive data.
HSPA Data
HSPA data transfer is ongoing. In this mode, the power
consumption is decided by network setting (e.g. TPC pattern) and
data transfer rate.
Minimum
Functionality
Mode
AT+CFUN command can set the module entering into a minimum functionality mode
without removing the power supply. In this case, both RF function and USIM card will
be invalid.
Sleep Mode
In this mode, the current consumption of the module will be reduced to the minimal
level. During this mode, the module can still receive paging message, SMS and voice
call from the network normally.
Power Down
Mode
In this mode, the power management unit shuts down the power supply for the
baseband part and RF part. Only the power supply for RTC remains. Software is not
active. The serial interface is not accessible. Operating voltage (connected to
VBAT_RF and VBAT_BB) remains applied.
3.5. Power Saving
3.5.1. Sleep Mode
UG96 is able to reduce its current consumption to a minimum value during the sleep mode. The following
section describes power saving procedure of UG96.
3.5.1.1. UART Application
If application processor communicates with module via UART interface, the following preconditions can
let the module enter into the sleep mode.
Execute AT command AT+QCFG="uart/power",0,0 to set UART into auto on/off mode.
Execute AT command AT+QSCLK=1 to enable the sleep mode.
Drive DTR to high level.

UMTS/HSPA Module Series
UG96 Hardware Design
UG96_Hardware_Design Confidential / Released 25 / 75
The following figure shows the connection between the module and application processor.
RXD
TXD
RI
DTR
AP_READY
TXD
RXD
EINT
GPIO
GPIO
Module Processor
GND GND
Figure 3: UART Sleep Application
The RI of module is used to wake up the processor, and AP_READY will detect the sleep state of
processor (can be configured to high level or low level detection). You should pay attention to the level
match shown in dotted line between module and processor. Drive DTR pin to low level to wake up the
module.
In sleep mode for UART application, the UART port is not accessible.
3.5.1.2. USB Application with Suspend Function
If application processor communicates with module via USB interface, and processor supports USB
suspend function, the following preconditions can let the module enter into the sleep mode.
Execute AT command AT+QCFG="uart/power",0,0 to set UART into auto on/off mode.
Execute AT command AT+QSCLK=1 to enable the sleep mode.
The processor’s USB bus which is connected with the module USB interface enters into suspended
state.

UMTS/HSPA Module Series
UG96 Hardware Design
UG96_Hardware_Design Confidential / Released 26 / 75
The following figure shows the connection between the module and processor.
USB_VBUS
USB_DP
USB_DM
VDD
USB_DP
USB_DM
Module Processor
GND GND
RI EINT
Figure 4: USB Application with Suspend Function
When the processor’s USB bus returns to resume state, the module will be woken up.
3.5.1.3. USB Application without Suspend Function
If application processor communicates with module via USB interface, and processor does not support
USB suspend function, you should disconnect USB_VBUS with additional control circuit to let the module
enter into sleep mode.
Execute AT command AT+QCFG="uart/power",0,0 to set UART into auto on/off mode.
Execute AT command AT+QSCLK=1 to enable the sleep mode.
Disconnect USB_VBUS.
Supply power to USB_VBUS will wake up the module.
The following figure shows the connection between the module and application processor.
USB_VBUS
USB_DP
USB_DM
VDD
USB_DP
USB_DM
Module Processor
RI EINT
Power
Switch
GPIO
GND GND
Figure 5: USB Sleep Application without Suspend Function

UMTS/HSPA Module Series
UG96 Hardware Design
UG96_Hardware_Design Confidential / Released 27 / 75
1. In sleep mode, the module can still receive paging message, SMS, voice call and TCP/UDP data from
the network normally.
2. The function of AP_READY is under development.
3.5.2. Minimum Functionality Mode
Minimum functionality mode reduces the functionality of the module to minimum level, thus minimizes the
current consumption at the same time. This mode can be set as below:
Command AT+CFUN provides the choice of the functionality levels: <fun>=0, 1, 4.
AT+CFUN=0: Minimum functionality, RF part and USIM card will be closed.
AT+CFUN=1: Full functionality (by default).
AT+CFUN=4: Disable RF function (airplane mode). All AT commands related to RF function are not
accessible.
For detailed information about command AT+CFUN, please refer to document [1].
3.6. Power Supply
3.6.1. Power Supply Pins
UG96 provides four VBAT pins dedicated to connect with the external power supply. There are two
separate voltage domains for VBAT.
VBAT_RF with two pads for module RF.
VBAT_BB with two pads for module baseband.
The following table shows the VBAT pins and ground pins.
Table 6: VBAT and GND Pins
Pin Name
Pin No.
Description
Min.
Typ.
Max.
Unit
VBAT_RF
52, 53
Power supply for module RF
part.
3.3
3.8
4.3
V
VBAT_BB
32, 33
Power supply for module
baseband part.
3.3
3.8
4.3
V
NOTES

UMTS/HSPA Module Series
UG96 Hardware Design
UG96_Hardware_Design Confidential / Released 28 / 75
GND
3, 31, 48, 50
54, 55, 58,
59, 61, 62,
67~74,
79~82,
89~91,
100~102
Ground
-
-
-
-
3.6.2. Decrease Voltage Drop
The power supply range of the module is 3.3V~ 4.3V. Make sure the input voltage will never drop below
3.3V. If the voltage drops below 3.3V, the module will turn off automatically. The following figure shows the
voltage drop during transmitting burst in 2G network, the voltage drop will be less in 3G network.
< 400mV
Current
VBAT
≤ 2.0A
burst burst
Min. 3.3V
Figure 6: Voltage Drop during Transmitting Burst
To decrease voltage drop, a bypass capacitor of about 100µF with low ESR should be used. Multi-layer
ceramic chip (MLCC) capacitor can provide the best combination of low ESR. The main power supply
from an external application has to be a single voltage source and splits into to two sub paths with star
structure. The width of VBAT_BB trace should be no less than 1mm, and the width of VBAT_RF trace
should be no less than 2mm, and the principle of the VBAT trace is the longer, the wider.
Three ceramic capacitors (100nF, 33pF, 10pF) are recommended to be applied to the VBAT pins. The
capacitors should be placed close to the UG96’s VBAT pins. In addition, in order to get a stable power
source, it is suggested that you should use a zener diode of which reverse zener voltage is 5.1V and
dissipation power is more than 0.5W. The following figure shows star structure of the power supply.

UMTS/HSPA Module Series
UG96 Hardware Design
UG96_Hardware_Design Confidential / Released 29 / 75
Module
VBAT_RF
VBAT_BB
VBAT
C1
100uF
C6
100nF
C7
33pF
C8
10pF
+
+C2
100nF
C5
100uF
C3
33pF
C4
10pF
D1
5.1V
Figure 7: Star Structure of the Power Supply
3.6.3. Reference Design for Power Supply
The power design for the module is very important, since the performance of power supply for the module
largely depends on the power source. The power supply is capable of providing the sufficient current up to
2A at least. If the voltage drop between the input and output is not too high, it is suggested that a LDO
should be used to supply power for module. If there is a big voltage difference between the input source
and the desired output (VBAT), a buck converter is preferred to be used as a power supply.
The following figure shows a reference design for +5V input power source. The designed output for the
power supply is about 3.8V and the maximum load current is 3A.
DC_IN
C1 C2
MIC29302WU U1
IN OUT
EN
GND
ADJ
2 4
1
3
5
VBAT
100nF C3
470uF
C4
100nF
R2
100K
47K
R3
470uF 470R
51K R4
R1
1%
1%
MCU_POWER
_ON/OFF 47K
4.7K
R5
R6
Figure 8: Reference Circuit of Power Supply

UMTS/HSPA Module Series
UG96 Hardware Design
UG96_Hardware_Design Confidential / Released 30 / 75
It is suggested that you should switch off power supply for module in abnormal state, and then switch on
power to restart module.
3.6.4. Monitor the Power Supply
The command AT+CBC can be used to monitor the VBAT_BB voltage value displayed in millivolt. For
more details, please refer to document [1].
3.7. Turn on and off Scenarios
3.7.1. Turn on Module
Turn on the module using the PWRKEY. The following table shows the pin definition of PWRKEY.
Table 7: PWRKEY Pin Description
Pin Name
Pin No.
Description
DC Characteristics
Comment
PWRKEY
15
Turn on the module.
VIHmax=2.1V
VIHmin=1.3V
VILmax=0.5V
Pull-up to VRTC
internally with 200kΩ
resistor.
When UG96 is in power down mode, it can be turned on to normal mode by driving the PWRKEY pin to a
low level at least 100ms. It is recommended to use an open drain/collector driver to control the PWRKEY.
The STATUS pin output a high level after UG96 is turned on. A simple reference circuit is illustrated in the
following figure.
Turn on pulse
PWRKEY
4.7K
47K
≥ 100ms
Figure 9: Turn on the Module Using Driving Circuit
NOTE

UMTS/HSPA Module Series
UG96 Hardware Design
UG96_Hardware_Design Confidential / Released 31 / 75
The other way to control the PWRKEY is using a button directly. A TVS component is indispensable to be
placed nearby the button for ESD protection. When pressing the key, electrostatic strike may generate
from finger. A reference circuit is shown in the following figure.
PWRKEY
S1
Close to S1
TVS
Figure 10: Turn on the Module Using Keystroke
The turn on scenarios is illustrated as the following figure.
VIL ≤ 0.5V
VIH ≥ 1.3V
VBAT
PWRKEY
(Input)
≥ 100ms
OFF BOOTING
Module
Status RUNNING
1
≥ 3.5s
RESET_N
STATUS
>2.3s
Figure 11: Timing of Turning on Module
① Make sure that VBAT is stable before pulling down PWRKEY pin, the recommended delay time is at
least 30ms. It is not suggested that pull down PWRKEY pin all the time.
NOTE

UMTS/HSPA Module Series
UG96 Hardware Design
UG96_Hardware_Design Confidential / Released 32 / 75
3.7.2. Turn off Module
The following procedures can be used to turn off the module:
Normal power down procedure: Turn off the module using command AT+QPOWD.
Emergency power down procedure: Turn off the module using the PWRDWN_N pin.
Automatic shutdown: Turn off the module automatically if under-voltage or over-voltage is detected.
3.7.2.1. Turn off Module Using AT Command
There are several different ways to turn off the module. It is recommended to turn off the module from AT
command AT+QPOWD. It is a safe way to turn off the module. This command will let the module log off
from the network and allow the firmware to save important data before completely disconnecting the
power supply.
The power-down scenario is illustrated as the following figure.
VBAT
AT+QPOWD
Log off network about 2s to 40s
RUNNING Power-down procedure OFF
Module
Status
STATUS
RXD
Figure 12: Timing of Turning off through AT Command
During power-down procedure, module will log off from network and save important data. After logging off,
module sends out “OK”, and then sends out “POWERED DOWN” and shuts down the internal power
supply. The power on VBAT pins is not allowed to be turned off before the URC “POWERED DOWN” is
output to avoid data loss. If logging off is not done within 40s, module will shut down internal power supply
forcibly.
After that moment, the module enters the power down mode, no other AT commands can be executed,
only the RTC is still active. Please refer to document [1] for details about the AT command of
AT+QPOWD.

UMTS/HSPA Module Series
UG96 Hardware Design
UG96_Hardware_Design Confidential / Released 33 / 75
3.7.2.2. Emergency Shutdown
The module can be shut down by the pin PWRDWN_N. It should only be used under emergent situation.
The following table shows the pin definition of PWRDWN_N.
Table 8: PWRDWN_N Pin Description
Pin Name
Pin No.
Description
DC Characteristics
Comment
PWRDWN_N
16
Turn off the module
VIHmax=2.1V
VIHmin=1.3V
VILmax=0.5V
Pull-up to VRTC
internally with 4.7kΩ
resistor.
Driving the PWRDWN_N to a low level voltage at least 100ms, the module will execute power-down
procedure after PWRDWN_N is released. It is recommended to use an open drain/collector driver to
control the PWRDWN_N. The level of STATUS pin is low after UG96 is turned off. A simple reference
circuit is illustrated in the following figure.
Turn off pulse
PWRDWN_N
4.7K
47K
≥ 100ms
Figure 13: Turn off the Module Using Driving Circuit
The other way to control the PWRDWN_N is using a button directly. A TVS component is indispensable to
be placed nearby the button for ESD protection. When pressing the key, electrostatic strike may generate
from finger. A reference circuit is shown in the following figure.

UMTS/HSPA Module Series
UG96 Hardware Design
UG96_Hardware_Design Confidential / Released 34 / 75
PWRDWN_N
S2
Close to S2
TVS
Figure 14: Turn off the Module Using Keystroke
The emergency shutdown scenario is illustrated as the following figure.
VBAT
PWRDWN_N
≥100ms
RUNNING Power-down procedure OFF
STATUS
Module
Status
Figure 15: Timing of Emergency Shutdown
Use the PWRDWN_N only when turning off the module by the command AT+QPOWD or the RESET_N
pin failed.
NOTE

UMTS/HSPA Module Series
UG96 Hardware Design
UG96_Hardware_Design Confidential / Released 35 / 75
3.7.2.3. Automatic Shutdown
The module will constantly monitor the voltage applied on the VBAT, if the voltage ≤ 3.5V, the following
URC will be presented:
+QIND: “vbatt”,-1
If the voltage ≥ 4.21V, the following URC will be presented:
+QIND: “vbatt”,1
The uncritical voltage is 3.3V to 4.3V, If the voltage > 4.3V or < 3.3V the module would automatically shut
down itself.
If the voltage < 3.3V, the following URC will be presented:
+QIND: “vbatt”,-2
If the voltage > 4.3V, the following URC will be presented:
+QIND: “vbatt”,2
The value of voltage threshold can be revised by AT command, refer to document [1] for details.
3.8. Reset the Module
The RESET_N can be used to reset the module.
Table 9: RESET_N Pin Description
Pin Name
Pin No.
Description
DC Characteristics
Comment
RESET_N
17
Reset the module.
VIHmax=2.1V
VIHmin=1.3V
VILmax=0.5V
Pull-up to VRTC
internally with 200kΩ
resistor.
Active low.
The module can be reset by driving the RESET_N to a low level voltage for more than 100ms and then
releasing.
NOTE

UMTS/HSPA Module Series
UG96 Hardware Design
UG96_Hardware_Design Confidential / Released 36 / 75
The recommended circuit is similar to the PWRKEY control circuit. You can use open drain/collector
driver or button to control the RESET_N.
Reset pulse
RESET_N
4.7K
47K
≥ 100ms
Figure 16: Reference Circuit of RESET_N by Using Driving Circuit
RESET_N
S3
Close to S3
TVS
Figure 17: Reference Circuit of RESET_N by Using Button
The reset scenario is illustrated as the following figure.
VIL ≤ 0.5V
VIH ≥ 1.3V
VBAT
≥ 100ms
RESTARTING
Module
Status
RESET_N
RUNNING
> 5s
STATUS
> 3s
RUNNING OFF
Figure 18: Timing of Resetting Module

UMTS/HSPA Module Series
UG96 Hardware Design
UG96_Hardware_Design Confidential / Released 37 / 75
3.9. RTC Interface
The RTC (Real Time Clock) can be powered by an external capacitor through the pin VRTC when the
module is powered down and there is no power supply for the VBAT. If the voltage supply at VBAT is
disconnected, the RTC can be powered by the capacitor. The capacitance determines the duration of
buffering when no voltage is applied to UG96.
The capacitor is charged from the internal LDO of UG96 when there is power supply for the VBAT. A
serial 1KΩ resistor has been placed on the application inside the module. It limits the input current of the
capacitor.
The following figure shows the reference circuit for VRTC backup.
Large
Capacitance
Capacitor
Module
RTC
Core
1K
VRTC
C
Figure 19: RTC Supply from Capacitor
In order to evaluate the capacitance of capacitor according to the backup time, you have to consider the
following parameters:
VRTC - The starting voltage of the capacitor. (Volt)
VRTCMIN - The minimum voltage acceptable for the RTC circuit.(Volt)
I - The current consumption of the RTC circuitry when VBAT = 0.(Ampere)
B Time - Backup Time.(Second)
C - The backup capacitance. (Farad)
When the power is off and only VRTC is running, the way of calculating the backup capacitor as follows:
C= B Time *I/ (VRTC-VRTCMIN)
For example, when the capacitor is 1000uF:
VRTC=1.8V
VRTCMIN=1.0V
I=2uA
C=1000uF
The backup time is about 400s.

UMTS/HSPA Module Series
UG96 Hardware Design
UG96_Hardware_Design Confidential / Released 38 / 75
3.10. UART Interface
The module provides 7 lines UART interface.
UART interface supports 300, 1200, 2400, 4800, 9600, 19200, 38400, 57600, 115200, 230400, 460800
and 921600bps baud rate, and the default is auto-baud rate 4800~115200. This interface can be used for
data transmission, AT communication or firmware upgrade.
The module is designed as the DCE (Data Communication Equipment), following the traditional
DCE-DTE (Data Terminal Equipment) connection. The following table shows the pin definition of UART
interface.
Table 10: Pin Definition of the Main UART Interface
Pin Name
Pin No.
I/O
Description
Comment
DTR
30
DI
Data terminal ready
1.8V power domain
RXD
34
DI
Receive data
1.8V power domain
TXD
35
DO
Transmit data
1.8V power domain
CTS
36
DO
Clear to send
1.8V power domain
RTS
37
DI
Request to send
1.8V power domain
DCD
38
DO
Data carrier detection
1.8V power domain
RI
39
DO
Ring indicator
1.8V power domain
The logic levels are described in the following table.
Table 11: Logic Levels of Digital I/O
Parameter
Min.
Max.
Unit
VIL
-0.3
0.35
V
VIH
1.3
1.85
V
VOL
0
0.25
V
VOH
1.55
1.8
V

UMTS/HSPA Module Series
UG96 Hardware Design
UG96_Hardware_Design Confidential / Released 39 / 75
UG96 provides one 1.8V UART interface. A level shifter should be used if your application is equipped
with a 3.3V UART interface. A level shifter TXS0108EPWR provided by Texas Instruments is
recommended. The following figure shows the reference design of the TXS0108EPWR.
VCCA VCCB
OE
A1
A2
A3
A4
A5
A6
A7
A8
GND
B1
B2
B3
B4
B5
B6
B7
B8
VDD_EXT
RI
DCD
RTS
RXD
DTR
CTS
TXD
51K 51K
0.1uF
0.1uF
RI_3.3V
DCD_3.3V
RTS_3.3V
RXD_3.3V
DTR_3.3V
CTS_3.3V
TXD_3.3V
VDD_3.3V
TXS0108EPWR
10K
120K
Figure 20: Reference Circuit of Logic Level Translator
Please visit http://www.ti.com for more information.
Another example with transistor translation circuit is shown as below. The circuit of dotted line can refer to
the circuit of solid line. Please pay attention to direction of connection. Input dotted line of module should
refer to input solid line of the module. Output dotted line of module should refer to output solid line of the
module. The transistor translation circuit supports a maximum data rate of 0.5Mbps.
MCU/ARM
/TXD
/RXD
VDD_EXT
4.7K
VCC_MCU 4.7K
4.7K
VDD_EXT
TXD
RXD
RTS
CTS
DTR
RI
/RTS
/CTS
GND
GPIO DCD
Module
GPIO
EINT
VDD_EXT 4.7K
GND
1nF
1nF
Figure 21: Reference Circuit with Transistor Circuit

UMTS/HSPA Module Series
UG96 Hardware Design
UG96_Hardware_Design Confidential / Released 40 / 75
The following figure is an example of connection between UG96 and PC. A voltage level translator and a
RS-232 level translator chip must be inserted between module and PC, since the UART interface does
not support the RS-232 level, while supports the 1.8V CMOS level only.
TXS0108EPWR
DCD_3.3V
RTS_3.3V
DTR_3.3V
RXD_3.3V
RI_3.3V
CTS_3.3V
TXD_3.3V
DCD
RTS
DTR
RXD
RI
CTS
TXD
DCD_1.8V
RTS_1.8V
DTR_1.8V
RXD_1.8V
RI_1.8V
CTS_1.8V
TXD_1.8V
VCCA
Module
GND GND
VDD_EXT VCCB
3.3V
DIN1
ROUT3
ROUT2
ROUT1
DIN4
DIN3
DIN2
DIN5
R1OUTB
FORCEON
/FORCEOFF /INVALID
3.3V
DOUT1
DOUT2
DOUT3
DOUT4
DOUT5
RIN3
RIN2
RIN1
VCC GND
OE
Translator DB9M
PC side
DCD
RTS
DTR
TXD
RI
CTS
RXD
DSR
GND
1
2
3
4
5
6
7
8
9
Figure 22: RS232 Level Match Circuit
1. The module disables the hardware flow control by default. When hardware flow control is required,
RTS and CTS should be connected to the host. AT command AT+IFC=2,2 is used to enable
hardware flow control. AT command AT+IFC=0,0 is used to disable the hardware flow control. For
more details, please refer to document [1].
2. Rising edge on DTR will let the module exit from the data mode by default. It can be disabled by AT
commands. Refer to document [1] for details.
3. DCD is used as data mode indication. Refer to document [1] for details.
4. It is suggested that you should set USB_DP, USB_DM and USB_VBUS pins as test points and then
place these test points on the DTE for debug.
3.11. USIM Card Interface
The USIM card interface circuitry meets ETSI and IMT-2000 SIM interface requirements. Both 1.8V and
3.0V USIM cards are supported.
NOTES

UMTS/HSPA Module Series
UG96 Hardware Design
UG96_Hardware_Design Confidential / Released 41 / 75
Table 12: Pin Definition of the USIM Interface
Pin Name
Pin No. I/O
Description
Comment
USIM_PRESENCE
42
DI
USIM card detection input.
1.8V power domain.
USIM_VDD
43
PO
Power supply for USIM card.
Either 1.8V or 3.0V is
supported by the module
automatically.
USIM_RST
44
DO
Reset signal of USIM card.
USIM_DATA
45
IO
Data signal of USIM card.
Pull-up to USIM_VDD with
4.7k resistor internally.
USIM_CLK
46
DO
Clock signal of USIM card.
USIM_GND
47
Specified ground for USIM
card.
UG96 supports USIM card hot-plugging via the USIM_PRESENCE pin. The following figure shows the
reference design of the 8-pin USIM card.
USIM_VDD
USIM_GND/GND
USIM_RST
USIM_CLK
USIM_DATA
USIM_PRESENCE
22R
22R
22R
VDD_EXT
51K
100nF USIM holder
GND
GND
ESD
33pF 33pF 33pF
VCC
RST
CLK IO
VPP
GND
GND
USIM_VDD
15K
Module
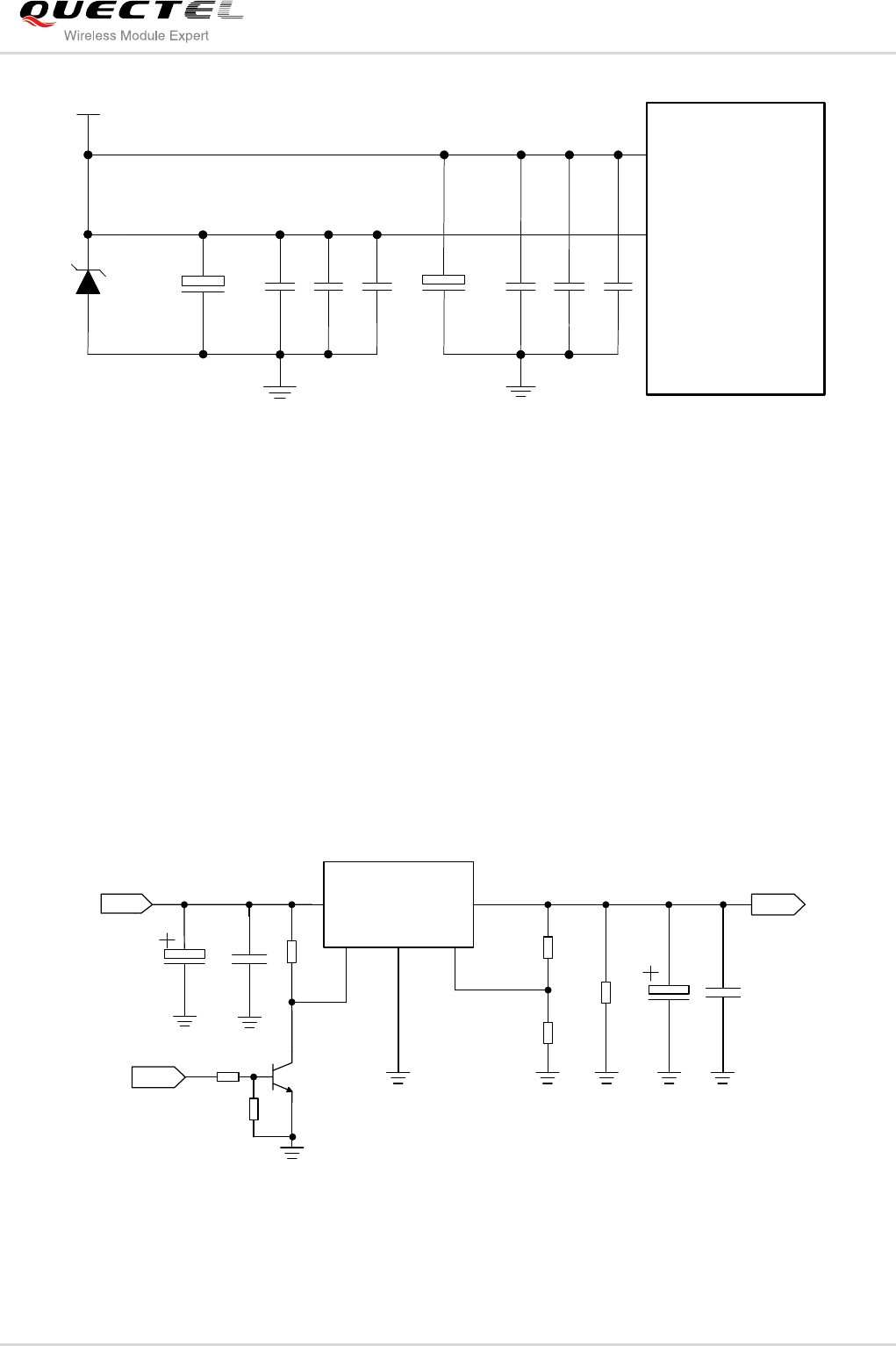
Figure 23: Reference Circuit of the 8-Pin USIM Card
If you do not need the USIM card detection function, keep USIM_PRESENCE unconnected. The
reference circuit for using a 6-pin USIM holder is illustrated as the following figure.

UMTS/HSPA Module Series
UG96 Hardware Design
UG96_Hardware_Design Confidential / Released 42 / 75
Module
USIM_VDD
USIM_GND
USIM_RST
USIM_CLK
USIM_DATA 22R
22R
22R
100nF USIM holder
GND
ESD
33pF 33pF 33pF
VCC
RST
CLK IO
VPP
GND
GND
15K
USIM_VDD
Figure 24: Reference Circuit of the 6-Pin USIM Card
In order to enhance the reliability and availability of the USIM card in customer’s application, please follow
the criteria below in the USIM circuit design:
Keep layout of USIM card as close as possible to the module. Assure the length of the trace is as less
than 200mm as possible.
Keep USIM card signal away from RF and VBAT alignment.
Assure the ground between module and USIM holder short and wide. Keep the width of ground and
USIM_VDD no less than 0.5mm to maintain the same electric potential. The decouple capacitor of
USIM_VDD should be less than 1uF and must be near to USIM holder.
To avoid cross-talk between USIM_DATA and USIM_CLK, keep them away with each other and
shield them with surrounded ground.
In order to offer good ESD protection, it is recommended to add TVS such as WILL
(http://www.willsemi.com). The 22Ω resistors should be added in series between the module and the
USIM card so as to suppress the EMI spurious transmission and enhance the ESD protection. The
33pF capacitors are used for filtering interference of EGSM900. Please note that the USIM peripheral
circuit should be close to the USIM holder.
The pull-up resistor on USIM_DATA line can improve anti-jamming capability when long layout trace
and sensitive occasion is applied, and should be placed close to the USIM holder.
3.12. USB Interface
UG96 contains one integrated Universal Serial Bus (USB) transceiver which complies with the USB
1.1/2.0 specification and supports high speed (480Mbps) and full speed (12Mbps) mode. The USB
interface is primarily used for AT command, data transmission, software debug and firmware upgrade.

UMTS/HSPA Module Series
UG96 Hardware Design
UG96_Hardware_Design Confidential / Released 43 / 75
The following table shows the pin definition of USB interface.
Table 13: USB Pin Description
Pin Name
Pin No. I/O
Description
Comment
USB_DP
9
IO
USB differential data bus (positive).
Require differential
impedance of 90Ω.
USB_DM
10
IO
USB differential data bus (minus).
Require differential
impedance of 90Ω.
USB_VBUS
8
PI
Used for detecting the USB interface
connected.
2.5~5.25V.
Typical 5.0V.
More details about the USB 2.0 specifications, please visit http://www.usb.org/home.
The following figure shows the reference circuit of USB interface.
Module
USB_VBUS
USB_DP
USB_DM
GND
USB connector
Close to USB connector
Differential layout
USB_VBUS
USB_DP
USB_DM
GND
NM_2pF
ESD
NM NM
Rs
Rs
Figure 25: Reference Circuit of USB Application
In order to ensure the USB interface design corresponding with the USB 2.0 specification, please comply
with the following principles:
It is important to route the USB signal traces as differential pairs with total grounding. The impedance
of USB differential trace is 90ohm.
Pay attention to the influence of junction capacitance of ESD component on USB data lines. Typically,
the capacitance value should be less than 2pF.
Do not route signal traces under crystals, oscillators, magnetic devices and RF signal traces. It is
important to route the USB differential traces in inner-layer with ground shielding not only upper and
lower layer but also right and left side.

UMTS/HSPA Module Series
UG96 Hardware Design
UG96_Hardware_Design Confidential / Released 44 / 75
Keep the ESD components as close as possible to the USB connector.
It is suggested that reserve RC circuit near USB connector for debug.
The USB interface is recommended to be reserved for firmware upgrade in your design. The following
figure shows the recommended test points.
Module
USB_DM
USB_DP
VBAT_BB
USB_VBUS
PWRKEY
GND
VBAT_RF
USB_DM
USB_DP
VBAT
USB_VBUS
PWRKEY
GND
Connector
Figure 26: Test Points of Firmware Upgrade
1. UG96 module can only be used as a slave device.
2. It is suggested that you should set USB_DP, USB_DM and USB_VBUS pins as test points and then
place these test points on the DTE for debug.
3. USB interface supports software debug and firmware upgrade by default.
3.13. PCM and I2C Interface
UG96 provides one Pulse Code Modulation (PCM) digital interface for audio design, which supports the
following features:
Supports 8, 16, 32 bit mode with short frame synchronization, the PCM support 8 bit mode by default.
The PCM codec default configuration is AT+QDAC=1. Refer to document [1] for more details.
Supports master mode.
Supports audio sample rate 8 kHz.
NOTES

UMTS/HSPA Module Series
UG96 Hardware Design
UG96_Hardware_Design Confidential / Released 45 / 75
The following table shows the pin definition of PCM and I2C interface.
Table 14: Pin Definition of PCM and I2C Interface
Pin Name
Pin No. I/O
Description
Comment
PCM_CLK
4
DO
PCM data bit clock
1.8V power domain
PCM_SYNC
5
DO
PCM data frame sync signal
1.8V power domain
PCM_IN
6
DI
PCM data input
1.8V power domain
PCM_OUT
7
DO
PCM data output
1.8V power domain
I2C_SCL
40
OD
I2C serial clock
Require external pull-up resistor.
I2C_SDA
41
OD
I2C serial data
Require external pull-up resistor.
CLK_OUT
25
DO
Clock output
Provide a digital clock output for
an external audio codec.
If unused, keep this pin open.
In PCM audio format the MSB of the channel included in the frame (PCM_SYNC) is clocked on the
second CLK falling edge after the PCM_SYNC pulse rising edge. The period of the PCM_SYNC signal
(frame) lasts for Data word bit +1 clock pulses.
UG96’s firmware has integrated the configurations on NAU8814 /ALC5616/MAX9860 application with I2C
interface. AT+ADQC command is used to configure the external codec chip linked with PCM interface,
and refer to document [1] for more details. Data bit is 32 bit and the sampling rate is 8 KHz. The following
figure shows the timing of the application with ALC5616 codec.
PCM_CLK
PCM_SYNC
PCM_IN/OUT
32 1 0
31
Sampling freq. = 8 KHz
32-bit data word
BCLK = 264 KHz
33
MSB
Figure 27: PCM Master Mode Timing

UMTS/HSPA Module Series
UG96 Hardware Design
UG96_Hardware_Design Confidential / Released 46 / 75
In general, the BitClockFrequency (BCLK) is calculated by the following expression:
BitClockFrequency=(DataWordBit +1) × SamplingFrequency
The following figure shows the reference design of PCM interface with external codec IC.
PCM_IN
PCM_OUT
PCM_SYNC
PCM_CLK
I2C_SCL
I2C_SDA
CODEC
Module
VDD_EXT
1K
1K
BCLK
LRCLK
DACDAT
ADCDAT
SCL
SDA
BIAS
MICBIAS
MIC+
MIC-
SPK+
SPK-
CLK_OUT MCLK
Rs
NM
Figure 28: Reference Circuit of PCM Application with Audio Codec
1. It is recommended to reserve RC (e.g. R=22Ω, C=22pF) circuit on the PCM lines, especially for
PCM_CLK.
2. UG96 module provides a digital clock output (CLK_OUT) for an external audio codec, the CLK_OUT
function is disabled by default. When CLK_OUT is required, AT command is used to provide the
codec with a 13/26MHz clock generated from the module. Refer to document [1] for details. If
unused, keep this pin open.
3. A RC (e.g. R=22Ω, C=47pF) circuit is recommended to be reserved on CLK_OUT line. If external
audio CODEC is MAX9860 or NAU8814, the RC circuit should be mounted, if it is ALC5616, then it is
not mounted.
NOTES

UMTS/HSPA Module Series
UG96 Hardware Design
UG96_Hardware_Design Confidential / Released 47 / 75
3.14. Network Status Indication
The NETLIGHT signal can be used to drive a network status indication LED. The following tables describe
pin definition and logic level changes in different network status.
Table 15: Pin Definition of Network Indicator
Pin Name
Pin No. I/O
Description
Comment
NETLIGHT
21
DO
Indicate the module network activity
status.
1.8V power domain.
Table 16: Working State of the Network Indicator
Pin Name
Status
Description
NETLIGHT
PWM (200ms High/1800ms Low)
Network searching
PWM (1800ms High/200ms Low)
Idle&Data transfer
Always High
Voice&CSD calling
A reference circuit is shown in the following figure.
4.7K
47K
VBAT
2.2K
Module
NETLIGHT
Figure 29: Reference Circuit of the NETLIGHT

UMTS/HSPA Module Series
UG96 Hardware Design
UG96_Hardware_Design Confidential / Released 48 / 75
3.15. Operating Status Indication
The STATUS pin is set as the module status indicator. It will output high level when module is powered on.
The following table describes pin definition of STATUS.
Table 17: Pin Definition of STATUS
Pin Name
Pin No. I/O
Description
Comment
STATUS
20
DO
Indicate the module operation status.
1.8V power domain
A reference circuit is shown as below.
4.7K
47K
VBAT
2.2K
Module
STATUS
Figure 30: Reference Circuit of the STATUS

UMTS/HSPA Module Series
UG96 Hardware Design
UG96_Hardware_Design Confidential / Released 49 / 75
4 Antenna Interface
The Pin 60 is the RF antenna pad. The RF interface has an impedance of 50Ω.
4.1. GSM/UMTS Antenna Interface
4.1.1. Pin Definition
Table 18: Pin Definition of the RF Antenna
Pin Name
Pin No.
I/O
Description
Comment
GND
58
ground
GND
59
ground
RF_ANT
60
IO
RF antenna pad
50Ω impedance
GND
61
ground
GND
62
ground
4.1.2. Operating Frequency
Table 19: The Module Operating Frequencies
Band
Receive
Transmit
Unit
GSM850
869 ~ 894
824 ~ 849
MHz
EGSM900
925 ~ 960
880 ~ 915
MHz
DCS1800
1805 ~ 1880
1710 ~ 1785
MHz
PCS1900
1930 ~ 1990
1850 ~ 1910
MHz
UMTS2100
2110 ~ 2170
1920 ~ 1980
MHz
UMTS1900
1930 ~ 1990
1850 ~ 1910
MHz

UMTS/HSPA Module Series
UG96 Hardware Design
UG96_Hardware_Design Confidential / Released 50 / 75
UMTS900
925 ~ 960
880 ~ 915
MHz
UMTS850
869 ~ 894
824 ~ 849
MHz
UMTS800
875 ~ 885
830 ~ 840
MHz
4.1.3. Reference Design
The RF external circuit is recommended as below. It should reserve a π-type matching circuit for better
RF performance. The capacitors are not mounted by default.
RF_ANT
R1 0R
C1
NM C2
NM
Module
Figure 31: Reference Circuit of Antenna Interface
UG96 provides an RF antenna PAD for customer’s antenna connection. The RF trace in host PCB
connected to the module RF antenna pad should be micro-strip line or other types of RF trace, whose
characteristic impendence should be close to 50Ω. UG96 comes with grounding pads which are next to
the antenna pad in order to give a better grounding.

UMTS/HSPA Module Series
UG96 Hardware Design
UG96_Hardware_Design Confidential / Released 51 / 75
4.2. Antenna Installation
4.2.1. Antenna Requirement
The following table shows the requirement on GSM/UMTS antenna.
Table 20: Antenna Cable Requirements
Type
Requirements
GSM850/EGSM900
UMTS800/850/900
Cable insertion loss <1dB
DCS1800/PCS1900
UMTS1900/2100
Cable insertion loss <1.5dB
Table 21: Antenna Requirements
Type
Requirements
Frequency Range
GSM 4-band: 850/900/1800/1900MHz
UMTS 5-band: 800/850/900/1900/2100MHz
VSWR
<2:1 recommended, <3:1 acceptable
Gain (dBi)
1 typical
Max Input Power (W)
50
Input Impedance (Ω)
50
Polarization Type
Vertical
4.2.2. Install the Antenna with RF Connector
The following figure is the antenna installation with RF connector provided by HIROSE. The
recommended RF connector is UF.L-R-SMT.

UMTS/HSPA Module Series
UG96 Hardware Design
UG96_Hardware_Design Confidential / Released 52 / 75
Figure 32: Dimensions of the UF.L-R-SMT Connector (Unit: mm)
You can use U.FL-LP serial connector listed in the following figure to match the UF.L-R-SMT.
Figure 33: Mechanicals of UF.L-LP Connectors (Unit: mm)

UMTS/HSPA Module Series
UG96 Hardware Design
UG96_Hardware_Design Confidential / Released 54 / 75
5 Electrical, Reliability and Radio
Characteristics
5.1. Absolute Maximum Ratings
Absolute maximum ratings for power supply and voltage on digital and analog pins of module are listed in
the following table.
Table 22: Absolute Maximum Ratings
Parameter
Min.
Max.
Unit
VBAT_RF/VBAT_BB
-0.3
4.7
V
USB_VBUS
-0.3
5.5
V
Peak Current of VBAT_BB
0
0.8
A
Peak Current of VBAT_RF
0
2
A
Voltage at Digital Pins
-0.3
2.3
V
5.2. Power Supply Ratings
Table 23: The Module Power Supply Ratings
Parameter
Description
Conditions
Min.
Typ.
Max.
Unit
VBAT
VBAT_BB and
VBAT_RF
Voltage must stay within the
min/max values, including voltage
drop, ripple, and spikes.
3.3
3.8
4.3
V
Voltage drop
during
transmitting
burst
Maximum power control level on
EGSM900.
400
mV

UMTS/HSPA Module Series
UG96 Hardware Design
UG96_Hardware_Design Confidential / Released 55 / 75
Parameter
Description
Conditions
Min.
Typ.
Max.
Unit
IVBAT
Peak supply
current (during
transmission
slot)
Maximum power control level on
EGSM900.
1.8
2.0
A
USB_VBUS
USB insert
detection
2.5
5.0
5.25
V
5.3. Operating Temperature
The operating temperature is listed in the following table.
Table 24: Operating Temperature
Parameter
Min.
Typ.
Max.
Unit
Normal Temperature
-35
25
80
ºC
Restricted Operation1)
-40~ -35
80 ~ 85
ºC
Storage Temperature
-45
90
ºC
1) When the module works within the temperature range, the deviations from the RF specification may
occur. For example, the frequency error or the phase error would increase.
5.4. Current Consumption
The values of current consumption are shown below.
Table 25: The Module Current Consumption
Parameter
Description
Conditions
Min.
Typ.
Max.
Unit
IVBAT
OFF state
supply current
Power down
126
uA
NOTE

UMTS/HSPA Module Series
UG96 Hardware Design
UG96_Hardware_Design Confidential / Released 56 / 75
Parameter
Description
Conditions
Min.
Typ.
Max.
Unit
GSM/GPRS
supply current
Sleep (USB disconnected)
@DRX=2
1.13
mA
Sleep (USB disconnected)
@DRX=5
1.10
mA
Sleep (USB disconnected)
@DRX=9
1.00
mA
WCDMA
supply current
Sleep (USB disconnected)
@DRX=6
2.52
mA
Sleep (USB disconnected)
@DRX=7
1.82
mA
Sleep (USB disconnected)
@DRX=8
1.75
mA
Sleep (USB disconnected)
@DRX=9
1.76
mA
Idle (USB disconnected) @DRX=6
12.4
mA
Idle (USB connected) @DRX=6
32.1
mA
GPRS data
transfer
GSM850 1DL/1UL PCL=5
263
mA
GSM850 4DL/1UL PCL=5
266
mA
GSM850 3DL/2UL PCL=5
455
mA
GSM850 2DL/3UL PCL=5
562
mA
GSM850 1DL/4UL PCL=5
601
mA
EGSM900 1DL/1UL PCL=5
267
mA
EGSM900 4DL/1UL PCL=5
264
mA
EGSM900 3DL/2UL PCL=5
450
mA
EGSM900 2DL/3UL PCL=5
570
mA
EGSM900 1DL/4UL PCL=5
610
mA
DCS1800 1DL/1UL PCL=0
175
mA
DCS1800 4DL/1UL PCL=0
193
mA
DCS1800 3DL/2UL PCL=0
308
mA
DCS1800 2DL/3UL PCL=0
373
mA

UMTS/HSPA Module Series
UG96 Hardware Design
UG96_Hardware_Design Confidential / Released 57 / 75
Parameter
Description
Conditions
Min.
Typ.
Max.
Unit
DCS1800 1DL/4UL PCL=0
397
mA
PCS1900 1DL/1UL PCL=0
189
mA
PCS1900 4DL/1UL PCL=0
204
mA
PCS1900 3DL/2UL PCL=0
330
mA
PCS1900 2DL/3UL PCL=0
407
mA
PCS1900 1DL/4UL PCL=0
434
mA
EDGE data
transfer
GSM850 1DL/1UL PCL=8
187
mA
GSM850 4DL/1UL PCL=8
199
mA
GSM850 3DL/2UL PCL=8
312
mA
GSM850 2DL/3UL PCL=8
412
mA
GSM850 1DL/4UL PCL=8
504
mA
EGSM900 1DL/1UL PCL=8
184
mA
EGSM900 4DL/1UL PCL=8
197
mA
EGSM900 3DL/2UL PCL=8
305
mA
EGSM900 2DL/3UL PCL=8
406
mA
EGSM900 1DL/4UL PCL=8
500
mA
DCS1800 1DL/1UL PCL=2
197
mA
DCS1800 4DL/1UL PCL=2
205
mA
DCS1800 3DL/2UL PCL=2
309
mA
DCS1800 2DL/3UL PCL=2
400
mA
DCS1800 1DL/4UL PCL=2
482
mA
PCS1900 1DL/1UL PCL=2
200
mA
PCS1900 4DL/1UL PCL=2
201
mA
PCS1900 3DL/2UL PCL=2
310
mA

UMTS/HSPA Module Series
UG96 Hardware Design
UG96_Hardware_Design Confidential / Released 58 / 75
Parameter
Description
Conditions
Min.
Typ.
Max.
Unit
PCS1900 2DL/3UL PCL=2
403
mA
PCS1900 1DL/4UL PCL=2
487
mA
WCDMA data
transfer
UMTS2100 HSDPA @max power
560
mA
UMTS2100 HSUPA @max power
480
mA
UMTS1900 HSDPA @max power
581
mA
UMTS1900 HSUPA @max power
542
mA
UMTS900 HSDPA @max power
562
mA
UMTS900 HSUPA @max power
421
mA
UMTS850/800 HSDPA @max power
517
mA
UMTS850/800 HSUPA @max power
478
mA
GSM voice call
GSM850 @PCL=5
238
mA
EGSM900 @PCL=5
242
mA
DCS1800 @PCL=0
164
mA
PCS1900 @PCL=0
176
mA
WCDMA voice
call
UMTS2100 @max power
451
mA
UMTS1900 @max power
511
mA
UMTS900 @max power
429
mA
UMTS850/800 @max power
448
mA

UMTS/HSPA Module Series
UG96 Hardware Design
UG96_Hardware_Design Confidential / Released 59 / 75
5.5. RF Output Power
The following table shows the RF output power of UG96 module.
Table 26: Conducted RF Output Power Edge
Frequency
Max.
Min.
GSM850
32.5dBm±1dB
5dBm±5dB
EGSM900
32.5dBm±1dB
5dBm±5dB
DCS1800
29.5dBm±1dB
0dBm±5dB
PCS1900
29.5dBm±1dB
0dBm±5dB
GSM850 (8-PSK)
27dBm±1dB
5dBm±5dB
EGSM900 (8-PSK)
27dBm±1dB
5dBm±5dB
DCS1800 (8-PSK)
26dBm±1dB
0dBm±5dB
PCS1900 (8-PSK)
26dBm±1dB
0dBm±5dB
UMTS2100
22dBm±1dB
<-50dBm
UMTS1900
22dBm±1dB
<-50dBm
UMTS900
22dBm±1dB
<-50dBm
UMTS850/800
22dBm±1dB
<-50dBm
In GPRS 4 slots TX mode, the max output power is reduced by 3dB. This design conforms to the GSM
specification as described in chapter 13.16 of 3GPP TS 51.010-1.
NOTE

UMTS/HSPA Module Series
UG96 Hardware Design
UG96_Hardware_Design Confidential / Released 60 / 75
5.6. RF Receiving Sensitivity
The following table shows the conducted RF receiving sensitivity of UG96 module.
Table 27: Conducted RF Receiving Sensitivity
Frequency
Receive Sensitivity (Typ.)
GSM850
-109.6dBm
EGSM900
-108.5dBm
DCS1800
-110dBm
PCS1900
-108dBm
UMTS850/800
-110dBm
UMTS900
-110dBm
UMTS1900
-109.5dBm
UMTS2100
-110.5dBm
5.7. Electrostatic Discharge
The module is not protected against electrostatics discharge (ESD) in general. Consequently, it is subject
to ESD handling precautions that typically apply to ESD sensitive components. Proper ESD handling and
packaging procedures must be applied throughout the processing, handling and operation of any
application that incorporates the module.

UMTS/HSPA Module Series
UG96 Hardware Design
UG96_Hardware_Design Confidential / Released 61 / 75
6 Mechanical Dimensions
This chapter describes the mechanical dimensions of the module. All dimensions are measured in mm.
6.1. Mechanical Dimensions of the Module
22.5+/-0.15
26.5+/-0.15
2.2+/-0.2
0.8+/-0.1
Figure 35: UG96 Top and Side Dimensions

UMTS/HSPA Module Series
UG96 Hardware Design
UG96_Hardware_Design Confidential / Released 62 / 75
1.15
2.225
1.00
1.70
0.70
0.55
0.85
1.00
1.70 1.70
1.10
26.50
2.075
22.50
62x0.7
62x1.15 40x1.00
40x1.00
Figure 36: UG96 Bottom Dimension (Top View)

UMTS/HSPA Module Series
UG96 Hardware Design
UG96_Hardware_Design Confidential / Released 63 / 75
6.2. Footprint of Recommendation
62x2.35
1.00
62x0.7
0.85
9.959.95
7.157.45
11.80
11.80
9.70
9.60
1.95
0.55
7.65
5.95
7.65
5.95
4.25
4.25
5.955.95
0.20
1.90
4.25 4.25
0.85
0.85
2.55
2.55
2.55
2.55
0.85
1.10
22.50
26.50
40x1.00 40x1.00
Figure 37: Recommended Footprint (Top View)

UMTS/HSPA Module Series
UG96 Hardware Design
UG96_Hardware_Design Confidential / Released 64 / 75
The recommended stencil of UG96 is shown as below figure.
Figure 38: Recommended Stencil of UG96 (Top View)
1. In order to maintain the module, keep about 3mm between the module and other components in the
host PCB.
2. All RESERVED pins must not be connected to GND.
3. All dimensions are in millimeters.
NOTES

UMTS/HSPA Module Series
UG96 Hardware Design
UG96_Hardware_Design Confidential / Released 65 / 75
6.3. Top View of the Module
Figure 39: Top View of the Module
6.4. Bottom View of the Module
Figure 40: Bottom View of the Module

UMTS/HSPA Module Series
UG96 Hardware Design
UG96_Hardware_Design Confidential / Released 66 / 75
7 Storage and Manufacturing
7.1. Storage
UG96 is stored in the vacuum-sealed bag. The restriction of storage condition is shown as below.
Shelf life in sealed bag is 12 months at < 40ºC/90%RH.
After this bag is opened, devices that will be subjected to reflow solder or other high temperature process
must be:
Mounted within 72 hours at factory conditions of ≤ 30ºC/60%RH.
Stored at <10% RH.
Devices require bake, before mounting, if:
Humidity indicator card is >10% when read 23ºC±5ºC.
Mounted for more than 72 hours at factory conditions of ≤ 30ºC/60% RH.
If baking is required, devices may be baked for 48 hours at 125ºC±5ºC.
As plastic container cannot be subjected to high temperature, module needs to be taken out from
container to high temperature (125ºC) bake. If shorter bake times are desired, please refer to
IPC/JEDECJ-STD-033 for bake procedure.
7.2. Manufacturing and Welding
The squeegee should push the paste on the surface of the stencil that makes the paste fill the stencil
openings and penetrate to the PCB. The force on the squeegee should be adjusted so as to produce a
clean stencil surface on a single pass. To ensure the module soldering quality, the thickness of stencil at
the hole of the module pads should be 0.13mm. For details, please refer to document [6].
NOTE

UMTS/HSPA Module Series
UG96 Hardware Design
UG96_Hardware_Design Confidential / Released 67 / 75
It is suggested that peak reflow temperature is 235 ~ 245ºC (for SnAg3.0Cu0.5 alloy). Absolute max
reflow temperature is 260ºC. To avoid damage to the module when it was repeatedly heated, it is
suggested that the module should be mounted after the first panel has been reflowed. The following
picture is the actual diagram which we have operated.
Time
50 100 150 200 250 300
50
100
150
200
250
160 ºC
200 ºC
217
0
70s~120s
40s~60s
Between 1~3 ºC/s
Preheat Heating Cooling
ºC
s
Liquids Temperature
Figure 41: Reflow Soldering Profile

UMTS/HSPA Module Series
UG96 Hardware Design
UG96_Hardware_Design Confidential / Released 68 / 75
7.3. Packaging
The modules are stored inside a vacuum-sealed bag which is ESD protected. It should not be opened
until the devices are ready to be soldered onto the application.
The reel is 330mm in diameter and each reel contains 250 modules.
Figure 42: Tape and Reel Specification

UMTS/HSPA Module Series
UG96 Hardware Design
UG96_Hardware_Design Confidential / Released 69 / 75
Figure 43: Dimensions of Reel
Table 28: Reel Packing
Model Name
MOQ for MP
Minimum Package: 250pcs
Minimum Package×4=1000pcs
UG96
250pcs
Size: 370 × 350 × 56mm3
N.W: 0.78kg
G.W: 1.46kg
Size: 380 × 250 × 365mm3
N.W: 3.1kg
G.W: 6.45kg

UMTS/HSPA Module Series
UG96 Hardware Design
UG96_Hardware_Design Confidential / Released 70 / 75
8 Appendix A Reference
Table 29: Related Documents
SN
Document Name
Remark
[1]
Quectel_WCDMA_UGxx_AT_Commands_Manual
UGxx AT Commands Manual
[2]
Quectel_UMTS<E_EVB_User_Guide
UMTS<E EVB User Guide
[3]
Quectel_UG96_Reference_Design
UG96 Reference Design
[4]
Quectel_UG96&UG95&M95 R2.0_Reference_Design
UG96, UG95 and M95 R2.0
Compatible Reference Design
[5]
Quectel_UG96&UG95&M95 R2.0_Compatible_
Design
UG96, UG95 and M95 R2.0
Compatibility Design Specification
[6]
Quectel_Module_Secondary_SMT_User_Guide
Module Secondary SMT User Guide
Table 30: Terms and Abbreviations
Abbreviation
Description
AMR
Adaptive Multi-rate
ARP
Antenna Reference Point
bps
Bits Per Second
CHAP
Challenge Handshake Authentication Protocol
CS
Coding Scheme
CSD
Circuit Switched Data
CTS
Clear To Send
DRX
Discontinuous Reception
DCE
Data Communications Equipment (typically module)
DTE
Data Terminal Equipment (typically computer, external controller)

UMTS/HSPA Module Series
UG96 Hardware Design
UG96_Hardware_Design Confidential / Released 71 / 75
DTR
Data Terminal Ready
DTX
Discontinuous Transmission
EFR
Enhanced Full Rate
EGSM
Extended GSM900 band (includes standard GSM900 band)
ESD
Electrostatic Discharge
FR
Full Rate
GMSK
Gaussian Minimum Shift Keying
GPS
Global Positioning System
GSM
Global System for Mobile Communications
HR
Half Rate
HSPA
High Speed Packet Access
HSDPA
High Speed Downlink Packet Access
HSUPA
High Speed Uplink Packet Access
I/O
Input/Output
IMEI
International Mobile Equipment Identity
Imax
Maximum Load Current
Inorm
Normal Current
LED
Light Emitting Diode
LNA
Low Noise Amplifier
Mbps
Mbits per second
MO
Mobile Originated
MS
Mobile Station (GSM engine)
MT
Mobile Terminated
PAP
Password Authentication Protocol
PBCCH
Packet Broadcast Control Channel

UMTS/HSPA Module Series
UG96 Hardware Design
UG96_Hardware_Design Confidential / Released 72 / 75
PCB
Printed Circuit Board
PDU
Protocol Data Unit
PPP
Point-to-Point Protocol
PSK
Phase Shift Keying
PWM
Pulse Width Modulation
QAM
Quadrature Amplitude Modulation
QPSK
Quadrature Phase Shift Keying
RF
Radio Frequency
RHCP
Right Hand Circularly Polarized
RMS
Root Mean Square (value)
RTC
Real Time Clock
Rx
Receive
SIM
Subscriber Identification Module
SMS
Short Message Service
TDMA
Time Division Multiple Access
TE
Terminal Equipment
TX
Transmitting Direction
UART
Universal Asynchronous Receiver & Transmitter
UMTS
Universal Mobile Telecommunications System
URC
Unsolicited Result Code
USIM
Universal Subscriber Identity Module
USSD
Unstructured Supplementary Service Data
Vmax
Maximum Voltage Value
Vnorm
Normal Voltage Value
Vmin
Minimum Voltage Value

UMTS/HSPA Module Series
UG96 Hardware Design
UG96_Hardware_Design Confidential / Released 73 / 75
VIHmax
Maximum Input High Level Voltage Value
VIHmin
Minimum Input High Level Voltage Value
VILmax
Maximum Input Low Level Voltage Value
VILmin
Minimum Input Low Level Voltage Value
VImax
Absolute Maximum Input Voltage Value
VImin
Absolute Minimum Input Voltage Value
VOHmax
Maximum Output High Level Voltage Value
VOHmin
Minimum Output High Level Voltage Value
VOLmax
Maximum Output Low Level Voltage Value
VOLmin
Minimum Output Low Level Voltage Value
VSWR
Voltage Standing Wave Ratio
WCDMA
Wideband Code Division Multiple Access

UMTS/HSPA Module Series
UG96 Hardware Design
UG96_Hardware_Design Confidential / Released 74 / 75
9 Appendix B GPRS Coding Scheme
Table 31: Description of Different Coding Schemes
Scheme
CS-1
CS-2
CS-3
C4-4
Code Rate
1/2
2/3
3/4
1
USF
3
3
3
3
Pre-coded USF
3
6
6
12
Radio Block excl.USF and BCS
181
268
312
428
BCS
40
16
16
16
Tail
4
4
4
-
Coded Bits
456
588
676
456
Punctured Bits
0
132
220
-
Data Rate Kb/s
9.05
13.4
15.6
21.4

UMTS/HSPA Module Series
UG96 Hardware Design
UG96_Hardware_Design Confidential / Released 75 / 75
10 Appendix C GPRS Multi-slot Class
Twenty-nine classes of GPRS multi-slot modes are defined for MS in GPRS specification. Multi-slot
classes are product dependant, and determine the maximum achievable data rates in both the uplink and
downlink directions. Written as 3+1 or 2+2, the first number indicates the amount of downlink timeslots,
while the second number indicates the amount of uplink timeslots. The active slots determine the total
number of slots the GPRS device can use simultaneously for both uplink and downlink communications.
The description of different multi-slot classes is shown in the following table.
Table 32: GPRS Multi-slot Classes
Multislot Class
Downlink Slots
Uplink Slots
Active Slots
1
1
1
2
2
2
1
3
3
2
2
3
4
3
1
4
5
2
2
4
6
3
2
4
7
3
3
4
8
4
1
5
9
3
2
5
10
4
2
5
11
4
3
5
12
4
4
5

UMTS/HSPA Module Series
UG96 Hardware Design
UG96_Hardware_Design Confidential / Released 76 / 75
11 Appendix D EDGE Modulation and
Coding Scheme
Table 33: EDGE Modulation and Coding Scheme
Coding Scheme
Modulation
Coding Family
1 Timeslot
2 Timeslot
4 Timeslot
CS-1:
GMSK
/
9.05kbps
18.1kbps
36.2kbps
CS-2:
GMSK
/
13.4kbps
26.8kbps
53.6kbps
CS-3:
GMSK
/
15.6kbps
31.2kbps
62.4kbps
CS-4:
GMSK
/
21.4kbps
42.8kbps
85.6kbps
MCS-1
GMSK
C
8.80kbps
17.60kbps
35.20kbps
MCS-2
GMSK
B
11.2kbps
22.4kbps
44.8kbps
MCS-3
GMSK
A
14.8kbps
29.6kbps
59.2kbps
MCS-4
GMSK
C
17.6kbps
35.2kbps
70.4kbps
MCS-5
8-PSK
B
22.4kbps
44.8kbps
89.6kbps
MCS-6
8-PSK
A
29.6kbps
59.2kbps
118.4kbps
MCS-7
8-PSK
B
44.8kbps
89.6kbps
179.2kbps
MCS-8
8-PSK
A
54.4kbps
108.8kbps
217.6kbps
MCS-9
8-PSK
A
59.2kbps
118.4kbps
236.8kbps

