Quectel Wireless Solutions 201708EC21E LTE Module User Manual XMR201708EC21E Rev1
Quectel Wireless Solutions Company Limited LTE Module XMR201708EC21E Rev1
User Manual

E
C
LTE
M
Rev.
Date:
C
21
M
odule
S
EC21_H
a
2017-0
3
Ha
S
eries
a
rdware
_
3
-01
rd
w
_
Design
_
w
a
r
_
V1.4
r
e
D
D
e
s
w
s
ig
n
w
ww.quecte
n
l.com

LTE Module Series
EC21 Hardware Design
EC21_Hardware_Design Confidential / Released 1 / 94
Our aim is to provide customers with timely and comprehensive service. For any
assistance, please contact our company headquarters:
Quectel Wireless Solutions Co., Ltd.
Office 501, Building 13, No.99, Tianzhou Road, Shanghai, China, 200233
Tel: +86 21 5108 6236
Email:info@quectel.com
Or our local office.For more information, please visit:
http://www.quectel.com/support/salesupport.aspx
For technical support, or to report documentation errors, please visit:
http://www.quectel.com/support/techsupport.aspx
Or email to: Support@quectel.com
GENERAL NOTES
QUECTEL OFFERS THE INFORMATION AS A SERVICE TO ITS CUSTOMERS. THE INFORMATION
PROVIDED IS BASED UPON CUSTOMERS’ REQUIREMENTS. QUECTEL MAKES EVERY EFFORT
TO ENSURE THE QUALITY OF THE INFORMATION IT MAKES AVAILABLE. QUECTEL DOES NOT
MAKE ANY WARRANTY AS TO THE INFORMATION CONTAINED HEREIN, AND DOES NOT ACCEPT
ANY LIABILITY FOR ANY INJURY, LOSS OR DAMAGE OF ANY KIND INCURRED BY USE OF OR
RELIANCE UPON THE INFORMATION. THE INFORMATION SUPPLIED HEREIN IS SUBJECT TO
CHANGE WITHOUT PRIOR NOTICE.
COPYRIGHT
THE INFORMATION CONTAINED HERE IS PROPRIETARY TECHNICAL INFORMATION OF
QUECTEL CO., LTD. TRANSMITTING, REPRODUCTION, DISSEMINATION AND EDITING OF THIS
DOCUMENT AS WELL AS UTILIZATION OF THE CONTENT ARE FORBIDDEN WITHOUT
PERMISSION. OFFENDERS WILL BE HELD LIABLE FOR PAYMENT OF DAMAGES. ALL RIGHTS
ARE RESERVED IN THE EVENT OF A PATENT GRANT OR REGISTRATION OF A UTILITY MODEL
OR DESIGN.
Copyright © Quectel Wireless Solutions Co., Ltd. 2017. All rights reserved.

LTE Module Series
EC21 Hardware Design
EC21_Hardware_Design Confidential / Released 2 / 94
About the Document
History
Revision Date Author Description
1.0 2016-04-15 Yeoman CHEN Initial
1.1 2016-09-22
Yeoman CHEN/
Frank WANG/
Lyndon LIU
1. Updated frequency bands in Table 1.
2. Updated transmitting power, supported maximum
baud rate of main UART, supported internet
protocols, supported USB drivers of USB interface,
and temperature range in Table 2.
3. Updated timing of turning on module in Figure 12.
4. Updated timing of turning off module in Figure 13.
5. Updated timing of resetting module in Figure 16.
6. Updated main UART supports baud rate in Chapter
3.11.
7. Added notes for ADC interface in Chapter 3.13.
8. Updated GNSS Performance in Table 21.
9. Updated operating frequencies of module in Table
23.
10. Added current consumption in Chapter 6.4.
11. Updated RF output power in Chapter 6.5.
12. Added RF receiving sensitivity in Chapter 6.6.
1.2 2016-11-04
Lyndon LIU/
Michael ZHANG
1. Added SGMII and WLAN interfaces in Table 2.
2. Updated function diagram in Figure 1.
3. Updated pin assignment (Top View) in Figure 2.
4. Added description of SGMII and WLAN interfaces in
Table 4.
5. Added SGMII interface in Chapter 3.17.
6. Added WLAN interface in Chapter 3.18.
7. Added USB_BOOT interface in Chapter 3.19.
8. Added reference design of RF layout in Chapter
5.1.4.
9. Added current consumption of EC21-V in Chapter

LTE Module Series
EC21 Hardware Design
EC21_Hardware_Design Confidential / Released 3 / 94
6.4.
10. Added note about SIMO in Chapter 6.6.
1.3 2017-01-24
Lyndon LIU/
Rex WANG
1. Updated frequency bands in Table 1.
2. Updated function diagram in Figure 1.
3. Updated pin assignment (top view) in Figure 2.
4. Added BT interface in Chapter 3.18.2.
5. Updated reference circuit of wireless connectivity
interfaces with FC20 module in Figure 29.
6. Updated GNSS performance in Table 24.
7. Updated module operating frequencies in Table 26.
8. Added EC21-AUV current consumption in Table 38.
9. Updated EC21-A conducted RF receiving sensitivity
of in Table 42.
10. Added EC21-J conducted RF receiving sensitivity in
Table 48.
1.4 2017-03-01 Geely YANG Deleted the LTE band TDD B41 of EC21-CT

LTE Module Series
EC21 Hardware Design
EC21_Hardware_Design Confidential / Released 4 / 94
Contents
About the Document ................................................................................................................................ 2
Contents .................................................................................................................................................... 4
Table Index ............................................................................................................................................... 6
Figure Index .............................................................................................................................................. 8
1 Introduction ..................................................................................................................................... 10
1.1. Safety Information ..................................................................................................................11
2 Product Concept ............................................................................................................................. 12
2.1. General Description .............................................................................................................. 12
2.2. Key Features ......................................................................................................................... 13
2.3. Functional Diagram ............................................................................................................... 15
2.4. Evaluation Board ................................................................................................................... 16
3 Application Interfaces ..................................................................................................................... 17
3.1. General Description .............................................................................................................. 17
3.2. Pin Assignment ..................................................................................................................... 18
3.3. Pin Description ...................................................................................................................... 19
3.4. Operating Modes .................................................................................................................. 28
3.5. Power Saving ........................................................................................................................ 28
3.5.1. Sleep Mode.................................................................................................................. 28
3.5.1.1. UART Application ............................................................................................... 28
3.5.1.2. USB Application with USB Remote Wakeup Function ....................................... 29
3.5.1.3. USB Application with USB Suspend/Resume and RI Function .......................... 30
3.5.1.4. USB Application without USB Suspend Function ............................................... 31
3.5.2. Airplane Mode .............................................................................................................. 32
3.6. Power Supply ........................................................................................................................ 32
3.6.1. Power Supply Pins ....................................................................................................... 32
3.6.2. Decrease Voltage Drop ................................................................................................ 33
3.6.3. Reference Design for Power Supply ............................................................................ 34
3.6.4. Monitor the Power Supply ............................................................................................ 35
3.7. Turn on and off Scenarios ..................................................................................................... 35
3.7.1. Turn on Module Using the PWRKEY ........................................................................... 35
3.7.2. Turn off Module ............................................................................................................ 37
3.7.2.1. Turn off Module Using the PWRKEY Pin ........................................................... 37
3.7.2.2. Turn off Module Using AT Command ................................................................. 37
3.8. Reset the Module .................................................................................................................. 38
3.9. USIM Card Interface ............................................................................................................. 39
3.10. USB Interface ........................................................................................................................ 41
3.11. UART Interfaces .................................................................................................................... 43
3.12. PCM and I2C Interfaces ........................................................................................................ 45
3.13. ADC Function ........................................................................................................................ 48
3.14. Network Status Indication ..................................................................................................... 49

LTE Module Series
EC21 Hardware Design
EC21_Hardware_Design Confidential / Released 5 / 94
3.15. STATUS ................................................................................................................................ 50
3.16. Behavior of the RI ................................................................................................................. 51
3.17. SGMII Interface ..................................................................................................................... 51
3.18. Wireless Connectivity Interfaces ........................................................................................... 54
3.18.1. WLAN Interface ........................................................................................................... 56
3.18.2. BT Interface* ................................................................................................................ 56
3.19. USB_BOOT Interface ............................................................................................................ 57
4 GNSS Receiver ................................................................................................................................ 58
4.1. General Description .............................................................................................................. 58
4.2. GNSS Performance .............................................................................................................. 58
4.3. Layout Guidelines ................................................................................................................. 59
5 Antenna Interfaces .......................................................................................................................... 60
5.1. Main/Rx-diversity Antenna Interface ..................................................................................... 60
5.1.1. Pin Definition ................................................................................................................ 60
5.1.2. Operating Frequency ................................................................................................... 60
5.1.3. Reference Design of RF Antenna Interface ................................................................. 61
5.1.4. Reference Design of RF Layout ................................................................................... 62
5.2. GNSS Antenna Interface ....................................................................................................... 64
5.3. Antenna Installation .............................................................................................................. 65
5.3.1. Antenna Requirement .................................................................................................. 65
5.3.2. Recommended RF Connector for Antenna Installation ................................................ 66
6 Electrical, Reliability and Radio Characteristics .......................................................................... 68
6.1. Absolute Maximum Ratings .................................................................................................. 68
6.2. Power Supply Ratings ........................................................................................................... 68
6.3. Operating Temperature ......................................................................................................... 69
6.4. Current Consumption ............................................................................................................ 70
6.5. RF Output Power .................................................................................................................. 76
6.6. RF Receiving Sensitivity ....................................................................................................... 76
6.7. Electrostatic Discharge ......................................................................................................... 80
7 Mechanical Dimensions.................................................................................................................. 81
7.1. Mechanical Dimensions of the Module.................................................................................. 81
7.2. Recommended Footprint ....................................................................................................... 83
7.3. Design Effect Drawings of the Module .................................................................................. 84
8 Storage, Manufacturing and Packaging ........................................................................................ 85
8.1. Storage ................................................................................................................................. 85
8.2. Manufacturing and Soldering ................................................................................................ 86
8.3. Packaging ............................................................................................................................. 87
9 Appendix A References .................................................................................................................. 88
10 Appendix B GPRS Coding Schemes ............................................................................................. 92
11 Appendix C GPRS Multi-slot Classes ............................................................................................ 93
12 Appendix D EDGE Modulation and Coding Schemes .................................................................. 94

LTE Module Series
EC21 Hardware Design
EC21_Hardware_Design Confidential / Released 6 / 94
Table Index
TABLE 1: FREQUENCY BANDS OF EC21 SERIES MODULE ........................................................................ 12
TABLE 2: KEY FEATURES OF EC21 MODULE ............................................................................................... 13
TABLE 3: I/O PARAMETERS DEFINITION ....................................................................................................... 19
TABLE 4: PIN DESCRIPTION ........................................................................................................................... 19
TABLE 5: OVERVIEW OF OPERATING MODES ............................................................................................. 28
TABLE 6: VBAT AND GND PINS ....................................................................................................................... 33
TABLE 7: PWRKEY PIN DESCRIPTION .......................................................................................................... 35
TABLE 8: RESET_N PIN DESCRIPTION ......................................................................................................... 38
TABLE 9: PIN DEFINITION OF THE USIM CARD INTERFACE ...................................................................... 39
TABLE 10: PIN DESCRIPTION OF USB INTERFACE ..................................................................................... 41
TABLE 11: PIN DEFINITION OF THE MAIN UART INTERFACE ..................................................................... 43
TABLE 12: PIN DEFINITION OF THE DEBUG UART INTERFACE ................................................................. 43
TABLE 13: LOGIC LEVELS OF DIGITAL I/O .................................................................................................... 44
TABLE 14: PIN DEFINITION OF PCM AND I2C INTERFACES ....................................................................... 46
TABLE 15: PIN DEFINITION OF THE ADC ...................................................................................................... 48
TABLE 16: CHARACTERISTIC OF THE ADC .................................................................................................. 48
TABLE 17: PIN DEFINITION OF NETWORK CONNECTION STATUS/ACTIVITY INDICATOR ...................... 49
TABLE 18: WORKING STATE OF NETWORK CONNECTION STATUS/ACTIVITY INDICATOR ................... 49
TABLE 19: PIN DEFINITION OF STATUS ........................................................................................................ 50
TABLE 20: BEHAVIOR OF THE RI ................................................................................................................... 51
TABLE 21: PIN DEFINITION OF THE SGMII INTERFACE .............................................................................. 52
TABLE 22: PIN DEFINITION OF WIRELESS CONNECTIVITY INTERFACES ................................................ 54
TABLE 23: PIN DEFINITION OF USB_BOOT INTERFACE ............................................................................. 57
TABLE 24: GNSS PERFORMANCE ................................................................................................................. 58
TABLE 25: PIN DEFINITION OF THE RF ANTENNA ....................................................................................... 60
TABLE 26: MODULE OPERATING FREQUENCIES ........................................................................................ 60
TABLE 27: PIN DEFINITION OF GNSS ANTENNA INTERFACE ..................................................................... 64
TABLE 28: GNSS FREQUENCY ....................................................................................................................... 64
TABLE 29: ANTENNA REQUIREMENTS .......................................................................................................... 65
TABLE 30: ABSOLUTE MAXIMUM RATINGS .................................................................................................. 68
TABLE 31: POWER SUPPLY RATINGS ........................................................................................................... 68
TABLE 32: OPERATING TEMPERATURE ........................................................................................................ 69
TABLE 33: EC21-A CURRENT CONSUMPTION ............................................................................................. 70
TABLE 34: EC21-AUT CURRENT CONSUMPTION ........................................................................................ 71
TABLE 35: EC21-E CURRENT CONSUMPTION ............................................................................................. 72
TABLE 36: EC21-KL CURRENT CONSUMPTION ........................................................................................... 73
TABLE 37: EC21-V CURRENT CONSUMPTION ............................................................................................. 74
TABLE 38: EC21-AUV CURRENT CONSUMPTION ........................................................................................ 74
TABLE 39: GNSS CURRENT CONSUMPTION OF EC21 SERIES MODULE ................................................. 75
TABLE 40: RF OUTPUT POWER ..................................................................................................................... 76
TABLE 41: EC21-E CONDUCTED RF RECEIVING SENSITIVITY .................................................................. 76

LTE Module Series
EC21 Hardware Design
EC21_Hardware_Design Confidential / Released 7 / 94
TABLE 42: EC21-A CONDUCTED RF RECEIVING SENSITIVITY .................................................................. 77
TABLE 43: EC21-V CONDUCTED RF RECEIVING SENSITIVITY .................................................................. 77
TABLE 44: EC21-AUT CONDUCTED RF RECEIVING SENSITIVITY ............................................................. 77
TABLE 45: EC21-AUTL CONDUCTED RF RECEIVING SENSITIVITY ........................................................... 78
TABLE 46: EC21-KL CONDUCTED RF RECEIVING SENSITIVITY ................................................................ 78
TABLE 47: EC21-CT CONDUCTED RF RECEIVING SENSITIVITY ................................................................ 78
TABLE 48: EC21-J CONDUCTED RF RECEIVING SENSITIVITY................................................................... 79
TABLE 49: EC21-AUV CONDUCTED RF RECEIVING SENSITIVITY ............................................................. 79
TABLE 50: ELECTROSTATIC DISCHARGE CHARACTERISTICS ................................................................. 80
TABLE 51: RELATED DOCUMENTS ................................................................................................................ 88
TABLE 52: TERMS AND ABBREVIATIONS ...................................................................................................... 88
TABLE 53: DESCRIPTION OF DIFFERENT CODING SCHEMES .................................................................. 92
TABLE 54: GPRS MULTI-SLOT CLASSES ...................................................................................................... 93
TABLE 55: EDGE MODULATION AND CODING SCHEMES ........................................................................... 94

LTE Module Series
EC21 Hardware Design
EC21_Hardware_Design Confidential / Released 8 / 94
Figure Index
FIGURE 1: FUNCTIONAL DIAGRAM ............................................................................................................... 16
FIGURE 2: PIN ASSIGNMENT (TOP VIEW) .................................................................................................... 18
FIGURE 3: SLEEP MODE APPLICATION VIA UART ....................................................................................... 29
FIGURE 4: SLEEP MODE APPLICATION WITH USB REMOTE WAKEUP .................................................... 30
FIGURE 5: SLEEP MODE APPLICATION WITH RI ......................................................................................... 31
FIGURE 6: SLEEP MODE APPLICATION WITHOUT SUSPEND FUNCTION ................................................ 31
FIGURE 7: POWER SUPPLY LIMITS DURING BURST TRANSMISSION ...................................................... 33
FIGURE 8: STAR STRUCTURE OF THE POWER SUPPLY ............................................................................ 34
FIGURE 9: REFERENCE CIRCUIT OF POWER SUPPLY .............................................................................. 34
FIGURE 10: TURN ON THE MODULE USING DRIVING CIRCUIT ................................................................. 35
FIGURE 11: TURN ON THE MODULE USING KEYSTROKE .......................................................................... 36
FIGURE 12: TIMING OF TURNING ON MODULE ........................................................................................... 36
FIGURE 13: TIMING OF TURNING OFF MODULE ......................................................................................... 37
FIGURE 14: REFERENCE CIRCUIT OF RESET_N BY USING DRIVING CIRCUIT ...................................... 38
FIGURE 15: REFERENCE CIRCUIT OF RESET_N BY USING BUTTON ...................................................... 38
FIGURE 16: TIMING OF RESETTING MODULE ............................................................................................. 39
FIGURE 17: REFERENCE CIRCUIT OF USIM CARD INTERFACE WITH AN 8-PIN USIM CARD
CONNECTOR .................................................................................................................................................... 40
FIGURE 18: REFERENCE CIRCUIT OF USIM CARD INTERFACE WITH A 6-PIN USIM CARD CONNECTOR
........................................................................................................................................................................... 40
FIGURE 19: REFERENCE CIRCUIT OF USB APPLICATION ......................................................................... 42
FIGURE 20: REFERENCE CIRCUIT WITH TRANSLATOR CHIP ................................................................... 44
FIGURE 21: REFERENCE CIRCUIT WITH TRANSISTOR CIRCUIT .............................................................. 45
FIGURE 22: PRIMARY MODE TIMING ............................................................................................................ 46
FIGURE 23: AUXILIARY MODE TIMING .......................................................................................................... 46
FIGURE 24: REFERENCE CIRCUIT OF PCM APPLICATION WITH AUDIO CODEC .................................... 47
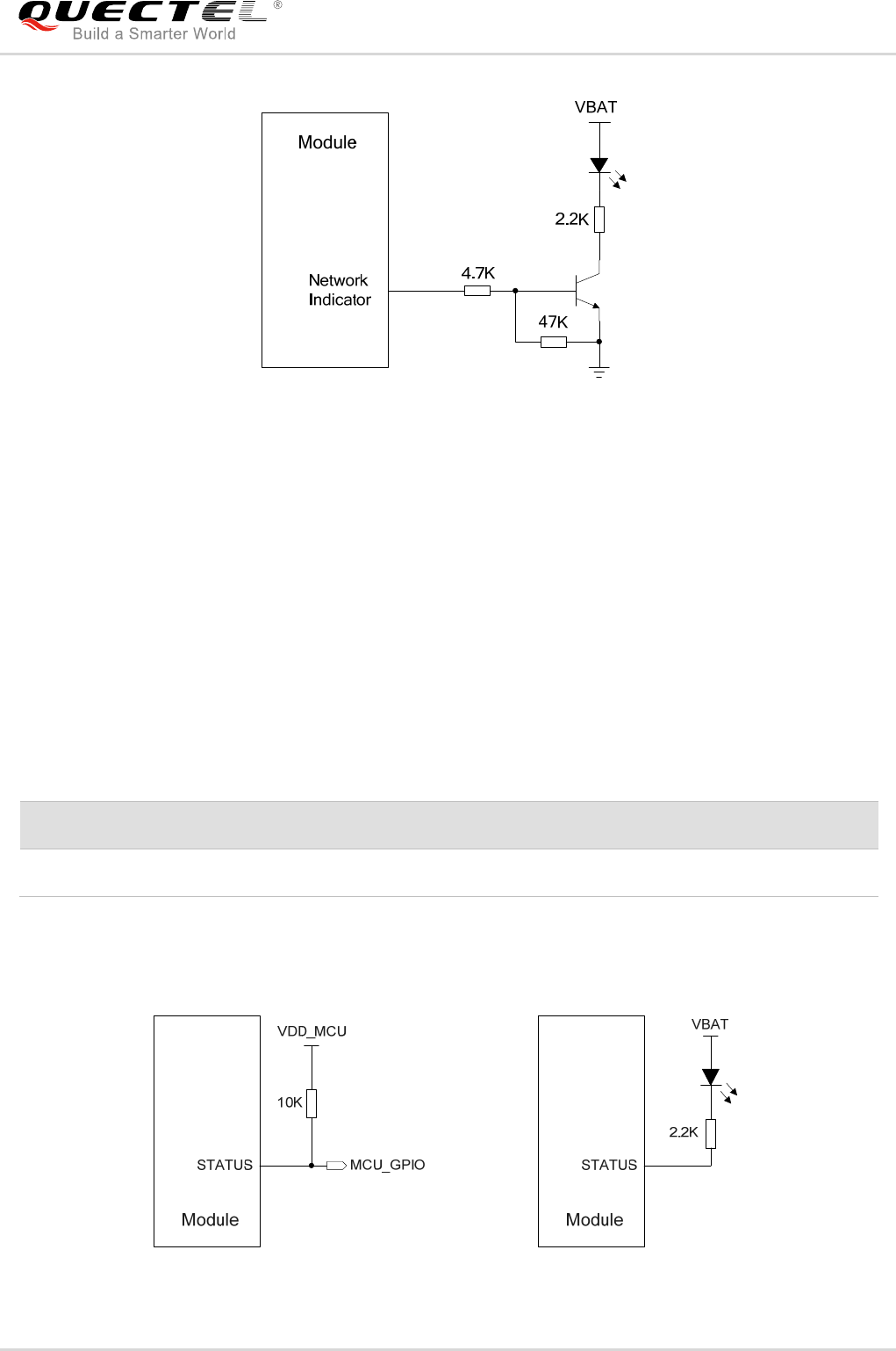
FIGURE 25: REFERENCE CIRCUIT OF THE NETWORK INDICATOR .......................................................... 50
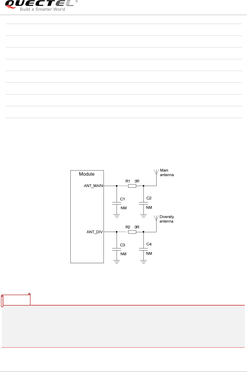
FIGURE 26: REFERENCE CIRCUITS OF STATUS ......................................................................................... 50
FIGURE 27: SIMPLIFIED BLOCK DIAGRAM FOR ETHERNET APPLICATION ............................................. 52
FIGURE 28: REFERENCE CIRCUIT OF SGMII INTERFACE WITH PHY AR8033 APPLICATION ................. 53
FIGURE 29: REFERENCE CIRCUIT OF WIRELESS CONNECTIVITY INTERFACES WITH FC20 MODULE
........................................................................................................................................................................... 55
FIGURE 30: REFERENCE CIRCUIT OF USB_BOOT INTERFACE ................................................................ 57
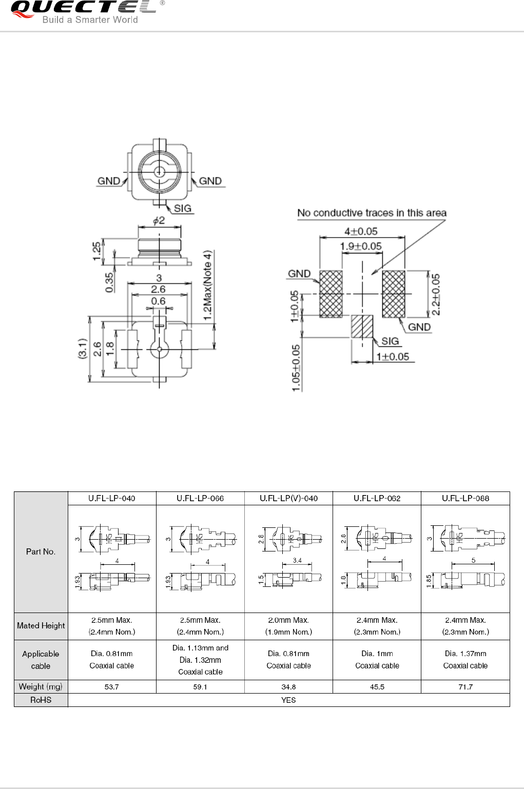
FIGURE 31: REFERENCE CIRCUIT OF RF ANTENNA INTERFACE ............................................................. 61
FIGURE 32: MICROSTRIP LINE DESIGN ON A 2-LAYER PCB ...................................................................... 62
FIGURE 33: COPLANAR WAVEGUIDE LINE DESIGN ON A 2-LAYER PCB .................................................. 62
FIGURE 34: COPLANAR WAVEGUIDE LINE DESIGN ON A 4-LAYER PCB (LAYER 3 AS REFERENCE
GROUND) .......................................................................................................................................................... 63
FIGURE 35: COPLANAR WAVEGUIDE LINE DESIGN ON A 4-LAYER PCB (LAYER 4 AS REFERENCE
GROUND) .......................................................................................................................................................... 63
FIGURE 36: REFERENCE CIRCUIT OF GNSS ANTENNA ............................................................................. 64

LTE Module Series
EC21 Hardware Design
EC21_Hardware_Design Confidential / Released 9 / 94
FIGURE 37: DIMENSIONS OF THE UF.L-R-SMT CONNECTOR (UNIT: MM) ................................................ 66
FIGURE 38: MECHANICALS OF UF.L-LP CONNECTORS ............................................................................. 66
FIGURE 39: SPACE FACTOR OF MATED CONNECTOR (UNIT: MM) ........................................................... 67
FIGURE 40: MODULE TOP AND SIDE DIMENSIONS ..................................................................................... 81
FIGURE 41: MODULE BOTTOM DIMENSIONS (BOTTOM VIEW) ................................................................. 82
FIGURE 42: RECOMMENDED FOOTPRINT (TOP VIEW) .............................................................................. 83
FIGURE 43: TOP VIEW OF THE MODULE ...................................................................................................... 84
FIGURE 44: BOTTOM VIEW OF THE MODULE .............................................................................................. 84
FIGURE 45: REFLOW SOLDERING THERMAL PROFILE .............................................................................. 86
FIGURE 46: TAPE AND REEL SPECIFICATIONS ........................................................................................... 87

LTE Module Series
EC21 Hardware Design
EC21_Hardware_Design Confidential / Released 10 / 94
1 Introduction
This document defines the EC21module and describes its air interface and hardware interface which are
connected with your application.
This document can help you quickly understand module interface specifications, electrical andmechanical
details, as well as other related information of EC21 module. Associated with application note and user
guide, you can use EC21 module to design and set up mobile applications easily.

LTE Module Series
EC21 Hardware Design
EC21_Hardware_Design Confidential / Released 11 / 94
1.1. Safety Information
The following safety precautions must be observed during all phases of the operation, such as usage,
service or repair of any cellular terminal or mobile incorporating EC21 module. Manufacturers of the cellular
terminal should send the following safety information to users and operating personnel, andincorporate
these guidelines into all manuals supplied with the product. If not so, Quectel assumes no liability for the
customer’s failure to comply with these precautions.
Full attention must be given to driving at all times in order to reduce the risk of an
accident. Using a mobile while driving (even with a handsfree kit) causes
distraction and can lead to an accident. You must comply with laws and regulations
restricting the use of wireless devices while driving.
Switch off the cellular terminal or mobile before boarding an aircraft. Make sure it is
switched off. The operation of wireless appliances in an aircraft is forbidden, so as
to prevent interference with communication systems. Consult the airline staff about
the use of wireless devices on boarding the aircraft, if your device offers an
Airplane Mode which must be enabled prior to boarding an aircraft.
Switch off your wireless device when in hospitals,clinics or other health care
facilities. These requests are designed to prevent possible interference with
sensitive medical equipment.
Cellular terminals or mobiles operatingover radio frequency signal and cellular
network cannot be guaranteed to connect in all conditions, for example no mobile
fee or with an invalid USIM/SIM card. While you are in this condition and need
emergent help, please remember using emergency call. In order to make or
receive a call, the cellular terminal or mobile must be switched on and in a service
area with adequate cellular signal strength.
Your cellular terminal or mobile contains a transmitter and receiver. When it is ON,
it receives and transmits radio frequency energy. RF interference can occur if it is
used close to TV set, radio, computer or other electric equipment.
In locations with potentially explosive atmospheres, obey all posted signs to turn
off wireless devices such as your phone or other cellular terminals. Areas with
potentially explosive atmospheres includefuelling areas, below decks on boats,
fuel or chemical transfer or storage facilities, areas where the air contains
chemicals or particles such as grain, dust or metal powders, etc.

LTE Module Series
EC21 Hardware Design
EC21_Hardware_Design Confidential / Released 12 / 94
2 Product Concept
2.1. General Description
EC21 is a series of LTE-FDD/LTE-TDD/WCDMA/GSM wireless communication module with receive
diversity. It provides data connectivity on LTE-FDD, LTE-TDD,DC-HSPA+, HSPA+, HSDPA, HSUPA,
WCDMA,EDGE andGPRSnetworks. It also provides GNSS1) and voice functionality2) for your specific
applications.EC21 contains tenvariants:EC21-E, EC21-A, EC21-V, EC21-AUT,
EC21-AU,EC21-AUV,EC21-AUTL, EC21-J, EC21-CT and EC21-KL. You can choose a dedicated type
based on the region or operator. The following table shows the frequency bands of EC21 series module.
Table 1: Frequency Bands of EC21 Series Module
Modules2) LTE Bands 3G Bands GSM Rx-
diversity GNSS1)
EC21-E FDD:B1/B3/B5/B7/B8/B20 WCDMA:B1/B
5/B8 900/1800 Y
GPS,
GLONASS,
BeiDou/
Compass,
Galileo,QZS
S
EC21-A FDD:B2/B4/B12 WCDMA:B2/B
4/B5 N Y
EC21-V FDD:B4/B13 N N Y
EC21-AUT FDD:B1/B3/B5/B7/B28 WCDMA:
B1/B5 N Y
EC21-AU3)
FDD: B1/B2/B3/B4/B5/B7/B8/
B28
TDD: B40
WCDMA:
B1/B2/B5/B8
850/900/
1800/1900 Y
EC21-AUV FDD: B1/B3/B5/B8/B28 B1/B5/B8 N Y N
EC21-AUTL FDD:B3/B7/B28 N N Y N
EC21-J FDD: B1/B3/B8/B18/B19/B26 N N Y N
EC21-CT FDD:B1/B3/B5 N N N N
EC21-KL FDD:B1/B3/B5/B7/B8 N N Y N

LTE Module Series
EC21 Hardware Design
EC21_Hardware_Design Confidential / Released 13 / 94
1. 1) GNSS function is optional.
2. 2) EC21 series module (EC21-E, EC21-A, EC21-V, EC21-AUT, EC21-AU,EC21-AUV, EC21-AUTL,
EC21-J, EC21-CT and EC21-KL) includes Data-only and Telematics versions. Data-only version
does not support voice function, while Telematics version supports it.
3. 3) B2 band on EC21-AU module does not support Rx-diversity.
4. Y = supported (including LTE and WCDMA). N = Not supported.
With a compact profile of 32.0mm ×29.0mm ×2.4mm, EC21 can meet almost all requirements for M2M
applications such as automotive, metering, tracking system, security, router, wireless POS, mobile
computing device, PDA phone,tablet PC, etc.
EC21 is an SMD type module which can be embedded into applications through its 144-pin pads,
including 80LCC signal pads and 64 other pads.
2.2. Key Features
The following table describes the detailed features of EC21 module.
Table 2: Key Features of EC21 Module
Features Details
Power Supply Supply voltage: 3.3V~4.3VTypical supply voltage: 3.8V
Transmitting Power
Class 4 (33dBm±2dB) for GSM900
Class 1 (30dBm±2dB) for DCS1800
Class E2 (27dBm±3dB) for GSM900 8-PSK
Class E2 (26dBm±3dB) for DCS1800 8-PSK
Class 3 (22.5dBm -3/+1dB) for WCDMA bands
Class 3 (22.5dBm -3/+1dB) for LTE-FDD bands
Class 3 (22.5dBm -3/+1dB) for LTE-TDD bands
LTE Features
Support up to non-CA CAT1
Support 1.4 to 20MHz RF bandwidth
SupportMIMO in DL direction
FDD: Max 5Mbps (UL), 10Mbps (DL)
TDD: Max 3.1Mbps(UL), 8.96Mbps(DL)
WCDMA Features
Support 3GPP R8 DC-HSPA+
Support 16-QAM, 64-QAM and QPSKmodulation
3GPP R6 CAT6 HSUPA: Max 5.76Mbps (UL)
NOTES

LTE Module Series
EC21 Hardware Design
EC21_Hardware_Design Confidential / Released 14 / 94
3GPP R8 CAT24 DC-HSPA+: Max 42Mbps (DL)
GSMFeatures
R99:
CSD: 9.6kbps, 14.4kbps
GPRS:
Support GPRS multi-slot class 12 (12 by default)
Coding scheme: CS-1, CS-2, CS-3 and CS-4
Maximum of four Rx time slots per frame
EDGE:
Support EDGE multi-slot class 12 (12 by default)
Support GMSK and 8-PSK for different MCS (Modulation and Coding
Scheme)
Downlink coding schemes: CS 1-4 and MCS 1-9
Uplink coding schemes: CS 1-4 and MCS 1-9
Internet Protocol Features
Support
TCP/UDP/PPP/FTP/HTTP/NTP/PING/QMI/HTTPS*/SMTP*/MMS*/FTPS*/
SSL*protocols
Support PAP (Password Authentication Protocol) and CHAP (Challenge
Handshake Authentication Protocol) protocols which are usually used for
PPP connections
SMS
Text and PDU mode
Point to point MO and MT
SMS cell broadcast
SMS storage: ME by default
USIM Interface Support USIM/SIM card: 1.8V, 3.0V
Audio Features
Support one digital audio interface: PCM interface
GSM: HR/FR/EFR/AMR/AMR-WB
WCDMA: AMR/AMR-WB
LTE: AMR/AMR-WB
Support echo cancellation and noise suppression
PCM Interface
Used for audio function with external codec
Support 8-bit A-law*, μ-law*and 16-bit linear data formats
Support long frame synchronization and short frame synchronization
Support master and slave modes, but must be the master in long frame
synchronization
USB Interface
Compliant with USB 2.0 specification (slave only);the data transfer rate can
reach up to 480Mbps
Used for AT command communication, data transmission, GNSS NMEA
output, software debugging, firmware upgradeand voice over USB*
SupportUSB drivers for Windows XP, Windows Vista, Windows 7, Windows
8/8.1, Window 10, Linux 2.6 or later, Android 4.0/4.2/4.4/5.0/5.1/6.0
UART Interface Main UART:
Used for AT command communication and data transmission

LTE Module Series
EC21 Hardware Design
EC21_Hardware_Design Confidential / Released 15 / 94
Baud rate reach up to 3000000bps, 115200bps by default
Support RTS and CTS hardware flow control
Debug UART:
Used for Linux console, log output
115200bps baud rate
SGMII Interface Support 10/100/1000Mbps Ethernet connectivity
Wireless Connectivity
Interfaces
Support a low-power SDIO 3.0 interface for WLAN and UART/PCM
interface for Bluetooth*
Rx-diversity Support LTE/WCDMA Rx-diversity
GNSS Features Gen8CLite of Qualcomm
Protocol: NMEA 0183
AT Commands Compliant with 3GPP TS 27.007, 27.005 and Quectel enhanced AT
commands
Network Indication Two pins including NET_MODE and NET_STATUS to indicate network
connectivity status
Antenna Interface Including main antennainterface(ANT_MAIN), Rx-diversity antenna
interface (ANT_DIV) and GNSS antenna interface (ANT_GNSS)
Physical Characteristics Size: (32.0±0.15)×(29.0±0.15)×(2.4±0.2)mm
Weight: approx. 4.9g
Temperature Range Operation temperature range: -35°C ~ +75°C1)
Extended temperature range: -40°C ~ +85°C2)
Firmware Upgrade USB interfaceand DFOTA*
RoHS All hardware components are fully compliant with EU RoHS directive
1. 1) Within operating temperature range, the module is 3GPP compliant.
2. 2) Within extended temperature range, the module remains the ability to establish and maintain a
voice, SMS, data transmission, emergency call, etc. There is no unrecoverable malfunction. There
are also no effects on radio spectrum and no harm to radio network. Only one or more parameters
like Pout might reduce in their value and exceed the specified tolerances. When the temperature
returns to normal operating temperature levels, the module will meet 3GPP specificationsagain.
3. “*” means under development.
2.3. Functional Diagram
NOTES

LTE Module Series
EC21 Hardware Design
EC21_Hardware_Design Confidential / Released 16 / 94
The following figure shows a block diagram of EC21 and illustrates the major functional parts.
Power management
Baseband
DDR+NAND flash
Radio frequency
Peripheral interfaces
Baseband
PMIC
Transceiver
NAND
DDR2
SDRAM
PA
Switch
LNA
Switch
ANT_MAIN ANT_DIVANT_GNSS
VBAT_BB
VBAT_RF
APT
PWRKEY
ADCs
VDD_EXT USB USIM PCM UART
I2C
RESET_N
19.2M
XO
STATUS
GPIOs
SAW
Control
IQ Control
Duplex
SAW
Tx
PRx DRx
SGMII WLAN BT
Figure 1: Functional Diagram
2.4. Evaluation Board
In order to help youdevelop applications with EC21, Quectel supplies an evaluation board (EVB), USB
data cable, earphone, antenna and other peripherals to control or test the module.

LTE Module Series
EC21 Hardware Design
EC21_Hardware_Design Confidential / Released 17 / 94
3 Application Interfaces
3.1. General Description
EC21 is equipped with 80-pin SMT pads plus 64-pin ground pads and reserved pads that can
beconnected to cellular application platform. Sub-interfaces included in these pads are described in detail
in the following chapters:
Power supply
USIM interface
USB interface
UART interfaces
PCM interface
ADC interface
Status indication
SGMII interface
Wireless connectivity interfaces
USB_BOOT interface

LTE Module Series
EC21 Hardware Design
EC21_Hardware_Design Confidential / Released 18 / 94
3.2. Pin Assignment
The following figure shows the pin assignment of EC21 module.
Figure 2: Pin Assignment (Top View)
1. 1)means that these pins cannot be pulled up before startup.
2. 2) PWRKEY output voltage is 0.8V because of the diode drop in the Qualcomm chipset.
3. Pads 119~126 are SGMII function pins.
4. Pads 37~40, 118, 127 and 129~139 are wireless connectivity interfaces, among which pads 127 and
129~138 are WLAN function pins, and others are Bluetooth (BT) function pins. BT function is under
development.
5. Pads 24~27 are multiplexing pinsused for audio design on EC21 module and BT function on FC20
NOTES

LTE Module Series
EC21 Hardware Design
EC21_Hardware_Design Confidential / Released 19 / 94
module.
6. Keep all RESERVEDpins and unused pins unconnected.
7. GND pads 85~112 should be connected to ground in the design, and RESERVED pads 73~84should
not be designed in schematic and PCB decal.
8. “※” means these interface functions are only supported on Telematics version.
3.3. Pin Description
The following tables show the pin definition of EC21 module.
Table 3: I/O Parameters Definition
Type Description
IO Bidirectional
DI Digital input
DO Digital output
PI Power input
PO Power output
AI Analog input
AO Analog output
OD Open drain
Table 4: Pin Description
Power Supply
Pin Name Pin No. I/O Description DC Characteristics Comment
VBAT_BB 59,60 PI
Power supply for
module baseband
part
Vmax=4.3V
Vmin=3.3V
Vnorm=3.8V
It must be able to provide
sufficient current up to
0.8A.
VBAT_RF 57,58 PI Power supply for
module RF part
Vmax=4.3V
Vmin=3.3V
Vnorm=3.8V
It must be able to provide
sufficient current up to
1.8A in a burst
transmission.

LTE Module Series
EC21 Hardware Design
EC21_Hardware_Design Confidential / Released 20 / 94
VDD_EXT 7 PO
Provide 1.8V for
external circuit
Vnorm=1.8V
IOmax=50mA
Power supply for
external GPIO’s pull up
circuits.
GND
8,9,19,22,3
6,46,48,50
~54,56,72,
85~112
Ground
Turn on/off
Pin Name Pin No. I/O Description DC Characteristics Comment
PWRKEY 21 DI
Turnon/off the
module
VIHmax=2.1V
VIHmin=1.3V
VILmax=0.5V
The output voltage is
0.8V because of the
diode drop in the
Qualcomm chipset.
RESET_N 20 DI Reset the module
VIHmax=2.1V
VIHmin=1.3V
VILmax=0.5V
Status Indication
Pin Name Pin No. I/O Description DC Characteristics Comment
STATUS 61 OD
Indicate the module
operating status
The drive current
should be less than
0.9mA.
Require external
pull-up. If unused,
keep it open.
NET_MODE 5 DO
Indicate the module
network registration
mode
VOHmin=1.35V
VOLmax=0.45V
1.8V power domain.
Cannot be pulled up
before startup.
If unused, keep it open.
NET_
STATUS 6 DO
Indicate the module
network activity
status
VOHmin=1.35V
VOLmax=0.45V
1.8V power domain.
If unused, keep it open.
USB Interface
Pin Name Pin No. I/O Description DC Characteristics Comment
USB_VBUS 71 PI USB detection Vnorm=5.0V
USB_DP 69 IO
USB differential data
bus
Compliant with USB
2.0 standard
specification.
Require differential
impedance of 90ohm.
USB_DM 70 IO
USB differential data
bus
Compliant with USB
2.0 standard
specification.
Require differential
impedance of 90ohm.

LTE Module Series
EC21 Hardware Design
EC21_Hardware_Design Confidential / Released 21 / 94
USIM Interface
Pin Name Pin No. I/O Description DC Characteristics Comment
USIM_GND 10 Specified ground for
USIM card
USIM_VDD 14 PO
Power supply for
USIM card
For 1.8V USIM:
Vmax=1.9V
Vmin=1.7V
For 3.0V USIM:
Vmax=3.05V
Vmin=2.7V
IOmax=50mA
Either 1.8V or 3.0V is
supported by the
module automatically.
USIM_DATA 15 IO Data signal of USIM
card
For 1.8V USIM:
VILmax=0.6V
VIHmin=1.2V
VOLmax=0.45V
VOHmin=1.35V
For 3.0V USIM:
VILmax=1.0V
VIHmin=1.95V
VOLmax=0.45V
VOHmin=2.55V
USIM_CLK 16 DO
Clock signal of USIM
card
For 1.8V USIM:
VOLmax=0.45V
VOHmin=1.35V
For 3.0V USIM:
VOLmax=0.45V
VOHmin=2.55V
USIM_RST 17 DO
Reset signal of
USIM card
For 1.8V USIM:
VOLmax=0.45V
VOHmin=1.35V
For 3.0V USIM:
VOLmax=0.45V
VOHmin=2.55V
USIM_
PRESENCE 13 DI
USIM card insertion
detection
VILmin=-0.3V
VILmax=0.6V
VIHmin=1.2V
VIHmax=2.0V
1.8V power domain.
If unused, keep it open.

LTE Module Series
EC21 Hardware Design
EC21_Hardware_Design Confidential / Released 22 / 94
UART Interface
Pin Name Pin No. I/O Description DC Characteristics Comment
RI 62 DO Ring indicator VOLmax=0.45V
VOHmin=1.35V
1.8V power domain.
If unused, keep it open.
DCD 63 DO
Data carrier
detection
VOLmax=0.45V
VOHmin=1.35V
1.8V power domain.
If unused, keep it open.
CTS 64 DO Clear to send VOLmax=0.45V
VOHmin=1.35V
1.8V power domain.
If unused, keep it open.
RTS 65 DI Request to send
VILmin=-0.3V
VILmax=0.6V
VIHmin=1.2V
VIHmax=2.0V
1.8V power domain.
If unused, keep it open.
DTR 66 DI
Data terminal
ready,sleep mode
control
VILmin=-0.3V
VILmax=0.6V
VIHmin=1.2V
VIHmax=2.0V
1.8V power domain.
Pull-up by default. Low
level wakes up the
module.
If unused, keep it open.
TXD 67 DO Transmit data
VOLmax=0.45V
VOHmin=1.35V
1.8V power domain.
If unused, keep it open.
RXD 68 DI Receive data
VILmin=-0.3V
VILmax=0.6V
VIHmin=1.2V
VIHmax=2.0V
1.8V power domain.
If unused, keep it open.
Debug UART Interface
Pin Name Pin No. I/O Description DC Characteristics Comment
DBG_TXD 12 DO Transmit data VOLmax=0.45V
VOHmin=1.35V
1.8V power domain.
If unused, keep it open.
DBG_RXD 11 DI Receive data
VILmin=-0.3V
VILmax=0.6V
VIHmin=1.2V
VIHmax=2.0V
1.8V power domain.
If unused, keep it open.
ADC Interface
Pin Name Pin No. I/O Description DC Characteristics Comment
ADC0 45 AI
General purpose
analog to digital
converter
Voltage range:
0.3V to VBAT_BB If unused, keep it open.
ADC1 44 AI
General purpose
analog to digital
converter
Voltage range:
0.3V to VBAT_BB If unused, keep it open.

LTE Module Series
EC21 Hardware Design
EC21_Hardware_Design Confidential / Released 23 / 94
PCM Interface
Pin Name Pin No. I/O Description DC Characteristics Comment
PCM_IN 24 DI PCM data input
VILmin=-0.3V
VILmax=0.6V
VIHmin=1.2V
VIHmax=2.0V
1.8V power domain.
If unused, keep it open.
PCM_OUT 25 DO PCM data output VOLmax=0.45V
VOHmin=1.35V
1.8V power domain.
If unused, keep it open.
PCM_SYNC 26 IO
PCM data frame
synchronization
signal
VOLmax=0.45V
VOHmin=1.35V
VILmin=-0.3V
VILmax=0.6V
VIHmin=1.2V
VIHmax=2.0V
1.8V power domain.
In master mode, it is an
output signal.
In slave mode, it is an
input signal.
If unused, keep it open.
PCM_CLK 27 IO PCM clock
VOLmax=0.45V
VOHmin=1.35V
VILmin=-0.3V
VILmax=0.6V
VIHmin=1.2V
VIHmax=2.0V
1.8V power domain.
In master mode, it is an
output signal.
In slave mode, it is an
input signal.
If unused, keep it open.
I2C Interface
Pin Name Pin No. I/O Description DC Characteristics Comment
I2C_SCL 41 OD
I2C serial clock.
Used for external
codec
External pull-up
resistor is required.
1.8V only.
If unused, keep it open.
I2C_SDA 42 OD
I2C serial data.
Used for external
codec
External pull-up
resistor is required.
1.8V only.
If unused, keep it open.
SGMII Interface
Pin Name Pin No. I/O Description DC Characteristics Comment
EPHY_RST_N 119 DO Ethernet PHY reset
For 1.8V:
VOLmax=0.45V
VOHmin=1.4V
For 2.85V:
VOLmax=0.35V
VOHmin=2.14V
1.8V/2.85V power
domain.
If unused, keep it
open.

LTE Module Series
EC21 Hardware Design
EC21_Hardware_Design Confidential / Released 24 / 94
EPHY_INT_N 120 DI Ethernet PHY
interrupt
VILmin=-0.3V
VILmax=0.6V
VIHmin=1.2V
VIHmax=2.0V
1.8V power domain.
If unused, keep it
open.
SGMII_
MDATA 121 IO
SGMII MDIO
(Management Data
Input/Output) data
For 1.8V:
VOLmax=0.45V
VOHmin=1.4V
VILmax=0.58V
VIHmin=1.27V
For 2.85V:
VOLmax=0.35V
VOHmin=2.14V
VILmax=0.71V
VIHmin=1.78V
1.8V/2.85V power
domain.
If unused, keep it
open.
SGMII_
MCLK 122 DO
SGMII MDIO
(Management Data
Input/Output) clock
For 1.8V:
VOLmax=0.45V
VOHmin=1.4V
For 2.85V:
VOLmax=0.35V
VOHmin=2.14V
1.8V/2.85V power
domain.
If unused, keep it
open.
USIM2_VDD 128 PO
SGMII MDIO pull-up
power source
Configurable power
source.
1.8V/2.85V power
domain.
External pull-up for
SGMII MDIO pins.
If unused, keep it
open.
SGMII_TX_M 123 AO
SGMII transmission
- minus If unused, keep it
open.
SGMII_TX_P 124 AO
SGMII transmission
- plus If unused, keep it
open.
SGMII_RX_P 125 AI SGMII receiving
- plus If unused, keep it
open.
SGMII_RX_M 126 AI SGMII receiving
-minus If unused, keep it
open.
Wireless Connectivity Interfaces
Pin Name Pin No. I/O Description DC Characteristics Comment
SDC1_
DATA3 129 IO SDIO data bus D3 VOLmax=0.45V
VOHmin=1.35V
1.8V power domain.
If unused, keep it

LTE Module Series
EC21 Hardware Design
EC21_Hardware_Design Confidential / Released 25 / 94
VILmin=-0.3V
VILmax=0.6V
VIHmin=1.2V
VIHmax=2.0V
open.
SDC1_
DATA2 130 IO SDIO data bus D2
VOLmax=0.45V
VOHmin=1.35V
VILmin=-0.3V
VILmax=0.6V
VIHmin=1.2V
VIHmax=2.0V
1.8V power domain.
If unused, keep it
open.
SDC1_
DATA1 131 IO SDIO data bus D1
VOLmax=0.45V
VOHmin=1.35V
VILmin=-0.3V
VILmax=0.6V
VIHmin=1.2V
VIHmax=2.0V
1.8V power domain.
If unused, keep it
open.
SDC1_
DATA0 132 IO SDIO data bus D1
VOLmax=0.45V
VOHmin=1.35V
VILmin=-0.3V
VILmax=0.6V
VIHmin=1.2V
VIHmax=2.0V
1.8V power domain.
If unused, keep it
open.
SDC1_CLK 133 DO SDIO clock VOLmax=0.45V
VOHmin=1.35V
1.8V power domain.
If unused, keep it
open.
SDC1_CMD 134 DO SDIO command VOLmax=0.45V
VOHmin=1.35V
1.8V power domain.
If unused, keep it
open.
PM_ENABLE 127 DO
External power
control
VOLmax=0.45V
VOHmin=1.35V
1.8V power domain.
If unused, keep it
open.
WAKE_ON_
WIRELESS 135 DI
Wake up the host
(EC21 module) by
FC20 module.
VILmin=-0.3V
VILmax=0.6V
VIHmin=1.2V
VIHmax=2.0V
1.8V power domain.
Active low.
If unused, keep it
open.
WLAN_EN 136 DO
WLAN function
controlvia FC20
module
VOLmax=0.45V
VOHmin=1.35V
1.8V power domain.
Active high.
If unused, keep it
open.
COEX_UART_
RX 137 DI
LTE/WLAN
coexistence signal
VILmin=-0.3V
VILmax=0.6V
VIHmin=1.2V
VIHmax=2.0V
1.8V power domain.
If unused, keep it
open.

LTE Module Series
EC21 Hardware Design
EC21_Hardware_Design Confidential / Released 26 / 94
COEX_UART_
TX 138 DO
LTE/WLAN
coexistence signal
VOLmax=0.45V
VOHmin=1.35V
1.8V power domain.
If unused, keep it
open.
WLAN_SLP_
CLK 118 DO WLAN sleep clock If unused, keep it
open.
BT_RTS* 37 DI
BT UART request to
send
VILmin=-0.3V
VILmax=0.6V
VIHmin=1.2V
VIHmax=2.0V
1.8V power domain.
If unused, keep it
open.
BT_TXD* 38 DO
BT UART transmit
data
VOLmax=0.45V
VOHmin=1.35V
1.8V power domain.
If unused, keep it
open.
BT_RXD* 39 DI
BT UART receive
data
VILmin=-0.3V
VILmax=0.6V
VIHmin=1.2V
VIHmax=2.0V
1.8V power domain.
If unused, keep it
open.
BT_CTS* 40 DO
BT UART clear to
send
VOLmax=0.45V
VOHmin=1.35V
1.8V power domain.
If unused, keep it
open.
BT_EN* 139 DO
BTfunctioncontrolvia
FC20 module
VOLmax=0.45V
VOHmin=1.35V
1.8V power domain.
If unused, keep it
open.
RF Interface
Pin Name Pin No. I/O Description DC Characteristics Comment
ANT_DIV 35 AI
Diversity antenna
pad 50ohm impedance If unused, keep it
open.
ANT_MAIN 49 IO Main antenna pad 50ohm impedance
ANT_GNSS 47 AI GNSS antenna pad 50 ohm impedance If unused, keep it
open.
GPIO Pins
Pin Name Pin No. I/O Description DC Characteristics Comment
WAKEUP_IN 1 DI Sleep mode control
VILmin=-0.3V
VILmax=0.6V
VIHmin=1.2V
VIHmax=2.0V
1.8V power domain.
Cannot be pulled up
before startup.
Low level wakes up
the module.
If unused, keep it
open.
W_DISABLE# 4 DI Airplane mode VILmin=-0.3V 1.8V power domain.

LTE Module Series
EC21 Hardware Design
EC21_Hardware_Design Confidential / Released 27 / 94
control VILmax=0.6V
VIHmin=1.2V
VIHmax=2.0V
Pull-up by default.
In low voltage level,
module can enter into
airplane mode.
If unused, keep it
open.
AP_READY 2 DI
Application
processor sleep
state detection
VILmin=-0.3V
VILmax=0.6V
VIHmin=1.2V
VIHmax=2.0V
1.8V power domain.
If unused, keep it
open.
Other Interface Pins
Pin Name Pin No. I/O Description DC Characteristics Comment
USB_BOOT 115 DI
Force the module to
boot from USB port.
VILmin=-0.3V
VILmax=0.6V
VIHmin=1.2V
VIHmax=2.0V
1.8V power domain.
If unused, keep it
open.
RESERVED Pins
Pin Name Pin No. I/O Description DC Characteristics Comment
RESERVED
3, 18, 23,
28~34,
43, 55,
73~84,
113, 114,
116, 117,
140~144
Reserved Keep these pins
unconnected.
1. “*” means under development.
2. Pads 24~27 are multiplexing pins used for audio design on EC21 module and BT function on FC20
module.
NOTES

LTE Module Series
EC21 Hardware Design
EC21_Hardware_Design Confidential / Released 28 / 94
3.4. Operating Modes
The table below briefly summarizes the various operating modes referred in the following chapters.
Table 5: Overview of Operating Modes
Mode Details
Normal
Operation
Idle Software is active. The module hasbeen registered onthe network, and
it is ready to send and receive data.
Talk/Data Network connection is ongoing. In this mode, the power consumption is
decided by network settingand data transfer rate.
Minimum
Functionality
Mode
AT+CFUN command can set the module to a minimum functionality mode without
removing the power supply. In this case, both RF function and USIM card will be invalid.
Airplane
Mode
AT+CFUN command or W_DISABLE# pin can set the module to airplane mode. In this
case, RF function will be invalid.
Sleep Mode
In this mode, the current consumption of the module will be reduced to the minimal level.
During this mode, the module can still receive paging message, SMS, voice call and
TCP/UDP data from the network normally.
Power down
Mode
In this mode, the power management unit shuts down the power supply. Software is not
active. The serial interface is not accessible. Operating voltage (connected to VBAT_RF
and VBAT_BB) remains applied.
3.5. Power Saving
3.5.1. Sleep Mode
EC21 is able to reduce its current consumption to a minimum value during the sleep mode. The following
section describes power saving procedure of EC21 module.
3.5.1.1. UART Application
If the host communicates with module via UART interface, the following preconditions can let the module
enter into sleep mode.
Execute AT+QSCLK=1 command to enable sleep mode.
Drive DTR to high level.

LTE Module Series
EC21 Hardware Design
EC21_Hardware_Design Confidential / Released 29 / 94
The following figure shows the connection between the module and the host.
Figure 3: Sleep Mode Application via UART
Driving thehost DTR to low level will wake up the module.
When EC21 has URC to report, RI signal will wake up the host. Refer to Chapter 3.16 for details
about RI behavior.
AP_READY will detect the sleep state of the host (can be configured to high level or low level
detection). Please refer to AT+QCFG=“apready”command for details.
AT+QCFG=“apready”commandis under development.
3.5.1.2. USB Application with USB Remote Wakeup Function
If the host supports USB suspend/resume and remote wakeup functions, the following
threepreconditionsmust be mettolet the module enter into sleep mode.
Execute AT+QSCLK=1command to enable sleep mode.
Ensure the DTR is held in high level or keep it open.
The host’s USB bus, which is connected with the module’s USB interface, enters into suspended
state.
NOTE

LTE Module Series
EC21 Hardware Design
EC21_Hardware_Design Confidential / Released 30 / 94
The following figure shows the connection between the module and the host.
Figure 4: Sleep Mode Application withUSB Remote Wakeup
Sending data to EC21through USB will wake up the module.
When EC21has URC to report, the module will send remote wake-up signals via USB bus so as to
wake up the host.
3.5.1.3. USB Application with USB Suspend/Resume and RI Function
If the host supports USB suspend/resume, but does not support remote wake-up function, the RI signal is
needed to wake up the host.
There are threepreconditions to let the module enter into the sleep mode.
Execute AT+QSCLK=1 command to enable sleep mode.
Ensure the DTR is held in high level or keep it open.
The host’s USB bus, which is connected with the module’s USB interface, enters into suspended
state.

LTE Module Series
EC21 Hardware Design
EC21_Hardware_Design Confidential / Released 31 / 94
The following figure shows the connection between the module and the host.
Figure 5: Sleep Mode Application with RI
Sending data to EC21through USB will wake up the module.
When EC21has URC to report, RI signal will wake up the host.
3.5.1.4. USB Application without USB Suspend Function
If the host does not support USB suspend function, you should disconnect USB_VBUS with additional
control circuit to let the module enter into sleep mode.
Execute AT+QSCLK=1command to enable sleep mode.
Ensure the DTR is held in high level or keep it open.
Disconnect USB_VBUS.
The following figure shows the connection between the module and the host.
Figure 6: Sleep Mode Application without Suspend Function

LTE Module Series
EC21 Hardware Design
EC21_Hardware_Design Confidential / Released 32 / 94
Switching on the power switch to supply power to USB_VBUS will wake up the module.
Please pay attention to the level match shown in dotted line between the module and thehost.Refer to
document [1] for more details about EC21 power management application.
3.5.2. Airplane Mode
When the module enters into airplane mode, the RF function does not work, and all AT commands
correlative with RF function will be inaccessible. This mode can be set via the following ways.
Hardware:
The W_DISABLE# pin is pulled up by default;driving it to low level will let the module enter into airplane
mode.
Software:
AT+CFUNcommand provides the choice of the functionality level.
AT+CFUN=0: Minimum functionality mode;both USIM and RF functions are disabled.
AT+CFUN=1: Full functionality mode (by default).
AT+CFUN=4: Airplane mode. RF function is disabled.
1. The W_DISABLE# control function is disabled in firmware by default. It can be enabled by
AT+QCFG=“airplanecontrol” command. This commandis under development.
2. The execution of AT+CFUN command will not affect GNSS function.
3.6. Power Supply
3.6.1. Power Supply Pins
EC21 provides four VBAT pins for connection with the external power supply. There are two separate
voltage domains for VBAT.
Two VBAT_RF pins for module RF part.
Two VBAT_BB pins for module baseband part.
The following table shows the details of VBAT pins and ground pins.
NOTES
NOTE

LTE Module Series
EC21 Hardware Design
EC21_Hardware_Design Confidential / Released 33 / 94
Table 6: VBAT and GND Pins
Pin Name Pin No. Description Min. Typ. Max. Unit
VBAT_RF 57,58 Power supply for module RF
part. 3.3 3.8 4.3 V
VBAT_BB 59,60 Power supply for module
baseband part. 3.3 3.8 4.3 V
GND
8,9,19,22,36,46
, 48,50~54,56,
72, 85~112
Ground - 0 - V
3.6.2. Decrease Voltage Drop
The power supply range of the module is from 3.3Vto4.3V. Please make sure that the input voltage will
never drop below 3.3V. The following figure shows the voltage drop during burst transmission in 2G
network.The voltage drop will be less in 3G and 4G networks.
Figure 7: Power Supply Limits during Burst Transmission
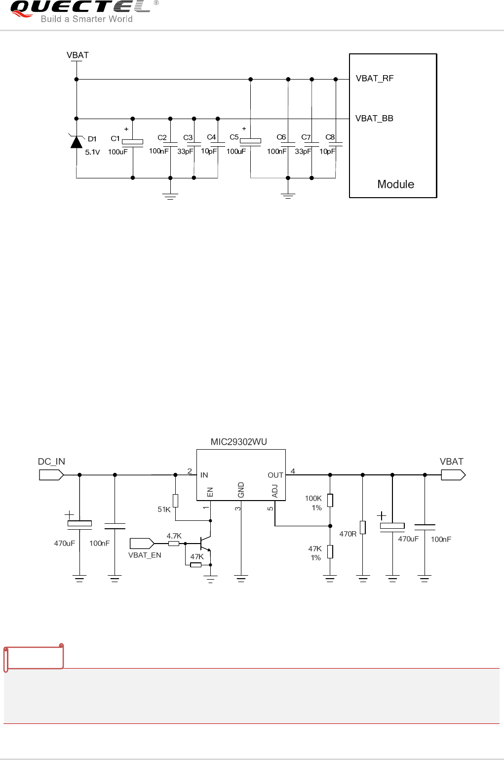
To decrease voltage drop, a bypass capacitor of about 100µF with low ESR should be used, and
amulti-layer ceramic chip (MLCC) capacitorarray should also be used to provide the low ESR. The main
power supply from an external application has to be a single voltage source and can be expanded to two
sub paths with star structure. The width of VBAT_BB trace should be no less than 1mm; andthe width of
VBAT_RF trace should be no less than 2mm.In principle, the longerthe VBAT trace is, the wider it will be.
Three ceramic capacitors (100nF, 33pF, 10pF) are recommended to be applied to the VBAT pins. These
capacitors should be placed close to the VBAT pins. In addition, in order to get a stable power source, it is
suggested that you should use a zener diode of which reverse zener voltage is 5.1V and dissipation
power is more than 0.5W. The following figure shows the star structure of the power supply.

LTE Module Series
EC21 Hardware Design
EC21_Hardware_Design Confidential / Released 34 / 94
Figure 8: Star Structure of the Power Supply
3.6.3. Reference Design for Power Supply
Power design for the module is very important, asthe performance of the module largely depends on the
power source. The power supply is capable of providing sufficient current up to 2A at least. If the voltage
drop between the input and output is not too high, it is suggested that you shoulduse an LDO to supply
power for the module. If there is a big voltage difference between the input source and the desired output
(VBAT), a buck converter is preferred to be used as thepower supply.
The following figure shows a reference design for +5V input power source. The typical output of the power
supply is about 3.8V and the maximum load current is 3A.
Figure 9: Reference Circuit of Power Supply
In order to avoid damaging internal flash, please do not switch off the power supply when the module
works normally. Only after the module is shutdown by PWRKEY or AT command, the power supply can be
cut off.
NOTE

LTE Module Series
EC21 Hardware Design
EC21_Hardware_Design Confidential / Released 35 / 94
3.6.4. Monitor the Power Supply
AT+CBC command can be used to monitor the VBAT_BB voltage value. For more details, please refer to
document [2].
3.7. Turn on and off Scenarios
3.7.1. Turn on Module Using the PWRKEY
The following table shows the pin definition of PWRKEY.
Table 7: PWRKEY Pin Description
Pin Name Pin No. Description DC Characteristics Comment
PWRKEY 21 Turn on/off the module
VIHmax=2.1V
VIHmin=1.3V
VILmax=0.5V
The output voltage is 0.8V
because of the diode drop in
the Qualcomm chipset.
When EC21 is in power down mode, it can be turned on to normal mode by driving the PWRKEY pin to a
low level for at least 100ms. It is recommended to use an open drain/collector driver to control the
PWRKEY.After STATUS pin (require external pull-up) outputting a low level, PWRKEY pin can be
released. A simple reference circuit is illustrated in the following figure.
Figure 10: Turn on the Module Using Driving Circuit
The other way to control the PWRKEY is using a button directly. When pressing the key, electrostatic
strike may generate from finger. Therefore, a TVS component is indispensable to be placed nearby the
button for ESD protection. A reference circuit is shownin the following figure.

LTE Module Series
EC21 Hardware Design
EC21_Hardware_Design Confidential / Released 36 / 94
Figure 11: Turn on the Module Using Keystroke
The turn on scenario is illustrated in the following figure.
Figure 12: Timing of Turning on Module
Please make sure that VBAT is stable before pulling down PWRKEY pin. The time between them is no
less than 30ms.
NOTE

LTE Module Series
EC21 Hardware Design
EC21_Hardware_Design Confidential / Released 37 / 94
3.7.2. Turn off Module
The following procedures can be used to turn off the module:
Normal power down procedure: Turn off the module using the PWRKEY pin.
Normal power down procedure: Turn off the module using AT+QPOWD command.
3.7.2.1. Turn off Module Using the PWRKEY Pin
Driving the PWRKEY pin to a low level voltagefor at least 650ms, the module will execute power-down
procedure after the PWRKEY is released. The power-down scenario is illustrated inthe following figure.
Figure 13: Timing of Turning off Module
3.7.2.2. Turn off Module Using AT Command
It is also a safe way to use AT+QPOWDcommandto turn off the module, which is similar to turning off the
module via PWRKEY pin.
Please refer todocument [2] for details about AT+QPOWD command.
In order to avoid damaging internal flash, please do not switch off the power supply when the module
works normally. Only after the module is shutdown by PWRKEY or AT command, the power supply can be
cut off.
NOTE

LTE Module Series
EC21 Hardware Design
EC21_Hardware_Design Confidential / Released 38 / 94
3.8. Reset the Module
The RESET_N pin can be used to reset the module.The module can be reset by driving RESET_N to a
low level voltage for time between 150ms and 460ms.
Table 8: RESET_N Pin Description
Pin Name Pin No. Description DC Characteristics Comment
RESET_N 20 Reset the module
VIHmax=2.1V
VIHmin=1.3V
VILmax=0.5V
The recommended circuit is similar to the PWRKEY control circuit. An open drain/collector driver or button
can be used to control the RESET_N.
Reset pulse
RESET_N
4.7K
47K
TBD
Figure 14: Reference Circuit of RESET_N by Using Driving Circuit
Figure 15: Reference Circuit of RESET_N by Using Button

LTE Module Series
EC21 Hardware Design
EC21_Hardware_Design Confidential / Released 39 / 94
The reset scenario is illustrated inthe following figure.
Figure 16: Timing of Resetting Module
1. Use RESET_N only when turning off the module by AT+QPOWD command and PWRKEY pin failed.
2. Ensure that there is no large capacitance on PWRKEY and RESET_N pins.
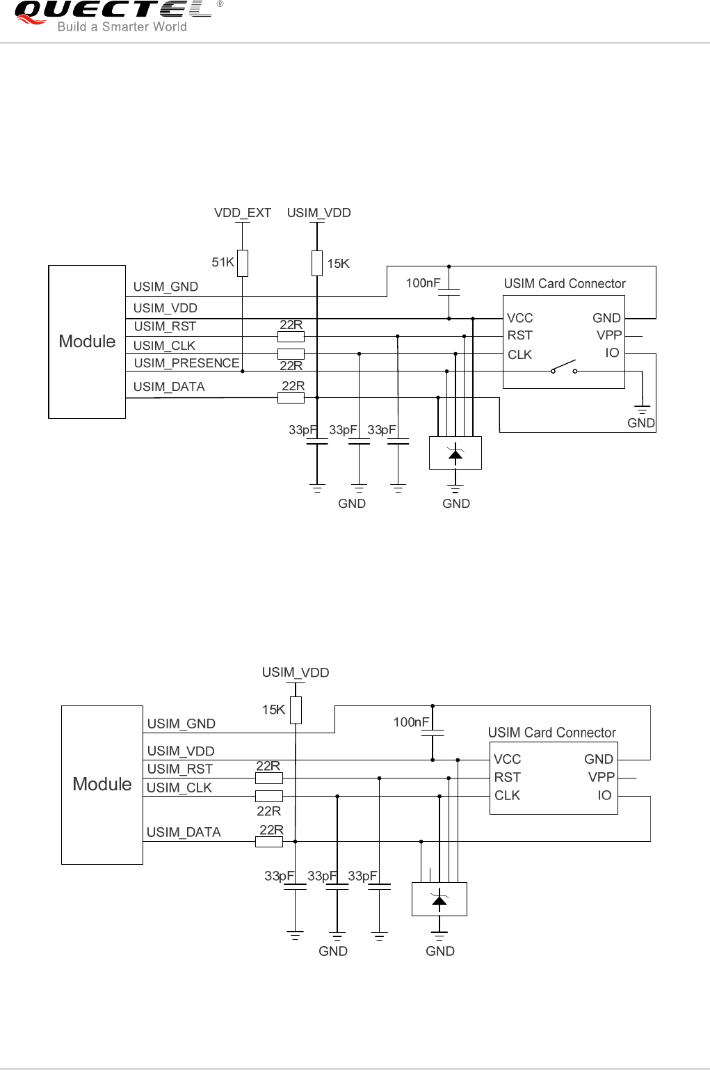
3.9. USIM Card Interface
The USIM card interface circuitrymeets ETSI and IMT-2000 SIM interface requirements. Both 1.8V and
3.0V USIM cards are supported.
Table 9: Pin Definition of the USIM Card Interface
Pin Name Pin No. I/O Description Comment
USIM_VDD 14 PO Power supply for USIM card Either 1.8V or 3.0V is supported
by the module automatically.
USIM_DATA 15 IO Data signal of USIM card
USIM_CLK 16 DO Clock signal of USIM card
USIM_RST 17 DO Reset signal of USIM card
USIM_
PRESENCE 13 DI USIM card insertion detection
USIM_GND 10 Specified ground for USIM card
NOTES

LTE Module Series
EC21 Hardware Design
EC21_Hardware_Design Confidential / Released 40 / 94
EC21 supports USIM card hot-plug via the USIM_PRESENCE pin. The function supports low level and
high level detections, and is disabled by default. Please refer to document [2] about AT+QSIMDET
command for details.
The following figure shows a reference design for USIM card interface with an 8-pin USIM card connector.
Figure 17: Reference Circuit of USIM Card Interface with an 8-Pin USIM Card Connector
If USIM card detection function is not needed, please keep USIM_PRESENCE unconnected. Areference
circuit for USIM card interface with a 6-pin USIM card connector is illustrated inthe following figure.
Figure 18: Reference Circuit of USIM Card Interface with a6-Pin USIM Card Connector

LTE Module Series
EC21 Hardware Design
EC21_Hardware_Design Confidential / Released 41 / 94
In order to enhance the reliability and availability of the USIM card in your application, please follow the
criteria below in USIM circuit design:
Keep layout of USIM card as close to the module as possible. Keep the trace length as less than
200mm as possible.
Keep USIM card signals away from RF and VBAT traces.
Assure the ground between the module and the USIM card connectorshort and wide. Keep the trace
width of ground and USIM_VDD no less than 0.5mm to maintain the same electric potential.
To avoid cross-talk between USIM_DATA and USIM_CLK, keep them away fromeach other and
shield them with surrounded ground.
In order to offer good ESD protection, it is recommended to add a TVSdiode array whose parasitic
capacitance should not be more than 50pF. The 22ohmresistors should be added in series between
the module and the USIM card so as to suppress EMI spurious transmission and enhance ESD
protection. The 33pFcapacitors are used for filtering interference of GSM900.Please note that the
USIM peripheral circuit should be close to the USIM card connector.
The pull-up resistor on USIM_DATA line can improve anti-jamming capability when long layout trace
and sensitive occasion areapplied, and should be placed close to the USIM card connector.
3.10. USB Interface
EC21 contains one integrated Universal Serial Bus (USB) transceiver which complies with the USB 2.0
specification and supports high-speed (480Mbps) and full-speed (12Mbps)modes. The USB interface is
used for AT command communication, data transmission, GNSS NMEA sentences output, software
debugging, firmware upgrade and voice over USB*. The following table shows the pin definition of USB
interface.
Table 10: Pin Description of USB Interface
Pin Name Pin No. I/O Description Comment
USB Signal Part
USB_DP 69 IO USB differential data bus (positive) Require differential
impedance of 90Ω
USB_DM 70 IO USB differential data bus (minus) Require differential
impedance of 90Ω
USB_VBUS 71 PI Used for detecting the USB connection Typical 5.0V
GND 72 Ground
For more details about the USB 2.0 specifications, please visit http://www.usb.org/home.

LTE Module Series
EC21 Hardware Design
EC21_Hardware_Design Confidential / Released 42 / 94
The USB interface is recommended to be reserved for firmware upgrade in your design. The following
figure shows areference circuit of USB interface.
Figure 19: Reference Circuit of USB Application
In order to ensurethe integrity of USB data line signal, components R1, R2, R3 and R4 must be placed
close to the module, and alsothese resistors should be placed close to each other. The extra stubs of
trace must be as short as possible.
In order to ensure the USB interface design corresponding with the USB 2.0 specification, please comply
with the following principles:
It is important to route the USB signal traces as differential pairs with total grounding. The impedance
of USB differential trace is 90ohm.
Do not route signal traces under crystals, oscillators, magnetic devicesorRF signal traces. It is
important to route the USB differential traces in inner-layer with ground shielding onnot only upper
and lower layers but also right and left sides.
Pay attention to the influence of junction capacitance of ESD protection components on USB data
lines. Typically, the capacitance value should be less than 2pF.
Keep the ESD protection components to the USB connector as close as possible.
1. EC21 module can only be used as a slave device.
2. “*” means under development.
NOTES

LTE Module Series
EC21 Hardware Design
EC21_Hardware_Design Confidential / Released 43 / 94
3.11. UART Interfaces
The module provides two UART interfaces: the main UART interface and the debug UART interface. The
following shows their features.
The main UART interface supports 4800, 9600,19200,38400,
57600,115200,230400,460800,921600and 3000000bps baud rates, and the default is 115200bps.
The interface is used for data transmission and AT command communication.
The debug UART interface supports 115200bpsbaud rate. It is used forLinux console and log output.
The following tables show the pin definition of the main UART interface.
Table 11: Pin Definition of the Main UART Interface
Pin Name Pin No. I/O Description Comment
RI 62 DO Ring indicator
1.8V power domain
DCD 63 DO Data carrier detection
CTS 64 DO Clear to send
RTS 65 DI Request to send
DTR 66 DI Sleep mode control
TXD 67 DO Transmit data
RXD 68 DI Receive data
Table 12: Pin Definition of the Debug UART Interface
Pin Name Pin No. I/O Description Comment
DBG_TXD 12 DO Transmit data
1.8V power domain
DBG_RXD 11 DI Receive data
The logic levels are described in the following table.

LTE Module Series
EC21 Hardware Design
EC21_Hardware_Design Confidential / Released 44 / 94
Table 13:Logic Levels of Digital I/O
Parameter Min. Max. Unit
VIL -0.3 0.6 V
VIH 1.2 2.0 V
VOL 0 0.45 V
VOH 1.35 1.8 V
The module provides 1.8V UART interface. A level translator should be used if your application is
equipped with a 3.3V UART interface. A level translator TXS0108EPWR provided by Texas Instrumentis
recommended. The following figure shows areference design.
Figure 20: Reference Circuit with Translator Chip
Please visithttp://www.ti.comfor more information.
Another example with transistor translation circuit is shown as below. The circuit design of dotted line
section can refer to the design of solid line section, in terms of both module input and output circuit
designs; but please pay attention to the direction of connection.

LTE Module Series
EC21 Hardware Design
EC21_Hardware_Design Confidential / Released 45 / 94
Figure 21: Reference Circuit with Transistor Circuit
Transistor circuit solution is not suitable for applications with high baud rates exceeding 460Kbps.
3.12. PCM and I2C Interfaces
EC21 provides one Pulse Code Modulation (PCM) digital interface for audio design, which supports the
following modes:
Primary mode (short frame synchronization, works as both master and slave)
Auxiliary mode (long framesynchronization, works as master only)
In primary mode, the data is sampled on the falling edge of the PCM_CLK and transmitted on the rising
edge.The PCM_SYNC falling edge represents the MSB. In this mode, PCM_CLK supports
128,256,512,1024 and2048kHz for different speech codecs.
In auxiliary mode, the data is also sampled on the falling edge of the PCM_CLK and transmitted on the
rising edge.But the PCM_SYNC rising edge represents the MSB. In this mode, PCM interface operates
with a 128kHz PCM_CLK and an 8kHz, 50% duty cycle PCM_SYNC only.
EC21 supports 8-bit A-law* andμ-law*, and also 16-bit linear data formats. The following figures show
theprimary mode’s timing relationship with 8kHz PCM_SYNC and 2048kHz PCM_CLK, as well asthe
auxiliary mode’s timing relationship with 8kHz PCM_SYNC and 128kHz PCM_CLK.
NOTE

LTE Module Series
EC21 Hardware Design
EC21_Hardware_Design Confidential / Released 46 / 94
Figure 22: Primary Mode Timing
Figure 23: Auxiliary Mode Timing
The following table shows the pin definition of PCM and I2C interfaces which can be applied on audio
codec design.
Table 14: Pin Definition of PCM and I2C Interfaces
Pin Name Pin No. I/O Description Comment
PCM_IN 24 DI PCM data input 1.8V power domain
PCM_OUT 25 DO PCM data output 1.8V power domain
PCM_SYNC 26 IO PCM data frame sync signal 1.8V power domain

LTE Module Series
EC21 Hardware Design
EC21_Hardware_Design Confidential / Released 47 / 94
PCM_CLK 27 IO PCM data bit clock 1.8V power domain
I2C_SCL 41 OD I2C serial clock Require external pull-up to 1.8V
I2C_SDA 42 OD I2C serial data Require external pull-up to 1.8V
Clock and mode can be configured by AT command, and the default configuration is master mode using
short frame synchronization format with 2048kHzPCM_CLK and 8kHz PCM_SYNC.Please refer to
document [2] about AT+QDAIcommand for details.
The following figure shows areference design of PCM interface with external codec IC.
Figure 24: Reference Circuit of PCM Application with Audio Codec
1. “*” means under development.
2. It is recommended to reserve RC (R=22ohm, C=22pF) circuit on the PCM lines, especially for
PCM_CLK.
3. EC21 works as a master device pertaining to I2C interface.
NOTES

LTE Module Series
EC21 Hardware Design
EC21_Hardware_Design Confidential / Released 48 / 94
3.13. ADC Function
The module provides two analog-to-digital converters (ADC).AT+QADC=0 command can be used to read
the voltage value on ADC0 pin. AT+QADC=1command can be used to read the voltage value on ADC1
pin. For more details about these AT commands, please refer todocument [2].
In order to improve the accuracy of ADC, the trace of ADC should be surrounded by ground.
Table 15: Pin Definition of the ADC
Pin Name Pin No. Description
ADC0 45 General purpose analog to digital converter
ADC1 44 General purpose analog to digital converter
The following table describes the characteristic of the ADC function.
Table 16: Characteristic of the ADC
Parameter Min. Typ. Max. Unit
ADC0 Voltage Range 0.3 VBAT_BB V
ADC1 Voltage Range 0.3 VBAT_BB V
ADC Resolution 15 bits
1. ADC input voltage must not exceed VBAT_BB.
2. It is prohibited to supply any voltage to ADC pins when VBAT is removed.
3. It is recommended to use resistor divider circuit for ADC application.
NOTES

LTE Module Series
EC21 Hardware Design
EC21_Hardware_Design Confidential / Released 49 / 94
3.14. Network Status Indication
The network indication pins can be used to drive network status indicationLEDs. The module provides two
pins which are NET_MODE and NET_STATUS. The following tables describe thepin definition and logic
level changes in different network status.
Table 17: Pin Definition of Network ConnectionStatus/Activity Indicator
Pin Name Pin No. I/O Description Comment
NET_MODE1) 5 DO Indicate the module’s network
registrationstatus 1.8V power domain
NET_STATUS 6 DO Indicate the module’s network activity
status
1) means that this pin cannot be pulled up before startup.
Table 18: Working State of Network Connection Status/Activity Indicator
Pin Name Logic Level Changes Network Status
NET_MODE
Always High Registered on LTE network
Always Low Others
NET_STATUS
Flicker slowly (200ms High/1800ms Low) Network searching
Flicker slowly (1800ms High/200ms Low) Idle
Flicker quickly (125ms High/125ms Low) Data transfer is ongoing
Always High Voice calling
A reference circuit is shown in the following figure.
NOTE

LTE Module Series
EC21 Hardware Design
EC21_Hardware_Design Confidential / Released 50 / 94
Figure 25: Reference Circuit of the Network Indicator
3.15. STATUS
The STATUS pin is an open drain output for indicating the module’s operation status. You can connect it
to a GPIO of DTE with a pull up resistor, or as the LED indication circuit shown below. When the module is
turned on normally, the STATUS will present the low state. Otherwise, the STATUS will present
high-impedance state.
Table 19: Pin Definition of STATUS
Pin Name Pin No. I/O Description Comment
STATUS 61 OD Indicate the module’s operation status Require external pull-up
The following figure shows different circuit designs of STATUS, and you can choose either one according
to your application demands.
Figure 26: Reference Circuits of STATUS

LTE Module Series
EC21 Hardware Design
EC21_Hardware_Design Confidential / Released 51 / 94
3.16. Behavior of the RI
AT+QCFG=“risignaltype”,“physical” command can be usedto configure RI behavior.
No matter on which port URC is presented, URC will trigger the behavior of RI pin.
URC can be output from UART port, USB AT port and USB modem port by AT+QURCCFG command.
The default port is USB AT port.
In addition, RI behavior can be configured flexibly. The default behavior of the RI is shown as below.
Table 20: Behavior of the RI
State Response
Idle RI keeps in high level
URC RI outputs 120ms low pulse when new URC returns
The RI behavior can be changed by AT+QCFG=“urc/ri/ring”command.Please refer to document [2] for
details.
3.17. SGMII Interface
EC21 includes an integrated Ethernet MAC with an SGMII interface and two management interfaces, key
features of the SGMII interface are shown below:
IEEE802.3 compliance
Full duplex at 1000Mbps
Half/full duplex for 10/100Mbps
Support VLAN tagging
Support IEEE1588 and Precision Time Protocol (PTP)
Can be used to connect to external Ethernet PHY like AR8033, or to an external switch
Management interfaces support dual voltage 1.8V/2.85V
The following table shows the pin definition of SGMII interface.
NOTE

LTE Module Series
EC21 Hardware Design
EC21_Hardware_Design Confidential / Released 52 / 94
Table 21: Pin Definition of the SGMII Interface
Pin Name Pin No. I/O Description Comment
Control Signal Part
EPHY_RST_N 119 DO Ethernet PHY reset 1.8V/2.85V power domain
EPHY_INT_N 120 DI Ethernet PHY interrupt 1.8V power domain
SGMII_MDATA 121 IO SGMII MDIO (Management Data
Input/Output) data 1.8V/2.85V power domain
SGMII_MCLK 122 DO SGMII MDIO (Management Data
Input/Output) clock 1.8V/2.85V power domain
USIM2_VDD 128 PO SGMII MDIO pull-up power
source
Configurable power source.
1.8V/2.85V power domain.
External pull-up power source for
SGMII MDIO pins.
SGMII Signal Part
SGMII_TX_M 123 AO SGMII transmission-minus Connect with a 0.1uF capacitor,
close to the PHY side.
SGMII_TX_P 124 AO SGMII transmission-plus Connect with a 0.1uF capacitor,
close to the PHY side.
SGMII_RX_P 125 AI SGMII receiving-plus Connect with a 0.1uF capacitor,
close to EC21 module.
SGMII_RX_M 126 AI SGMII receiving-minus Connect with a 0.1uF capacitor,
close to EC21 module.
The following figure shows the simplified block diagram for Ethernet application.
Module AR8033 Ethernet
Transformer RJ45
SGMII
Control
MDI
Figure 27: Simplified Block Diagram for Ethernet Application
The following figure shows a reference design of SGMII interface with PHY AR8033 application.

LTE Module Series
EC21 Hardware Design
EC21_Hardware_Design Confidential / Released 53 / 94
Figure 28: Reference Circuit of SGMII Interface with PHY AR8033 Application
In order to enhance the reliability and availability in your application, please follow the criteria below in the
Ethernet PHY circuit design:
Keep SGMII data and control signals away from RF and VBAT trace.
Keep the maximum trace length less than 10inch and keep skew on the differential pairs less than
20mil.
The differential impedance of SGMII data trace is 100ohm±10%.
To minimize crosstalk, the distance between separate adjacent pairs that are on the same layer must
be equal to or larger than 40mil.
For more information about SGMII application, please refer to document [5]and document[7].
NOTE

LTE Module Series
EC21 Hardware Design
EC21_Hardware_Design Confidential / Released 54 / 94
3.18. Wireless Connectivity Interfaces
EC21supports a low-power SDIO 3.0 interface for WLAN and a UART/PCM interface for BT.
The following table shows the pin definition of wireless connectivity interfaces.
Table 22: Pin Definition of Wireless Connectivity Interfaces
Pin Name Pin No. I/O Description Comment
WLAN Part
SDC1_DATA3 129 IO SDIO data bus D3 1.8V power domain
SDC1_DATA2 130 IO SDIO data bus D2 1.8V power domain
SDC1_DATA1 131 IO SDIO data bus D1 1.8V power domain
SDC1_DATA0 132 IO SDIO data bus D0 1.8V power domain
SDC1_CLK 133 DO SDIO clock 1.8V power domain
SDC1_CMD 134 IO SDIO command 1.8V power domain
WLAN_EN 136 DO WLAN function control via
FC20 module. Active high. 1.8V power domain
Coexistence and Control Part
PM_ENABLE 127 DO External power control 1.8V power domain
WAKE_ON_
WIRELESS 135 DI
Wake up the host (EC21 module)
by FC20 module. 1.8V power domain
COEX_UART_RX 137 DI LTE/WLAN&BT coexistence signal 1.8V power domain
COEX_UART_TX 138 DO LTE/WLAN&BT coexistence signal 1.8V power domain
WLAN_SLP_CLK 118 DO WLAN sleep clock
BT Part*
BT_RTS* 37 DI BT UART request to send 1.8V power domain
BT_TXD* 38 DO BT UART transmit data 1.8V power domain
BT_RXD* 39 DI BT UART receive data 1.8V power domain

LTE Module Series
EC21 Hardware Design
EC21_Hardware_Design Confidential / Released 55 / 94
BT_CTS* 40 DO BT UART clear to send 1.8V power domain
PCM_IN1) 24 DI PCM data input 1.8V power domain
PCM_OUT1) 25 DO PCM data output 1.8V power domain
PCM_SYNC1) 26 IO PCM data frame sync signal 1.8V power domain
PCM_CLK1) 27 IO PCM data bit clock 1.8V power domain
BT_EN* 139 DO
WLAN function control via FC20
module. Active high. 1.8V power domain
1. “*” means under development.
2. 1) Pads 24~27 are multiplexing pins used for audio design on EC21 module and BT function on FC20
module.
The following figure shows a reference design of wireless connectivity interfaces with Quectel FC20
module.
Figure 29: Reference Circuit of Wireless Connectivity Interfaces with FC20 Module
NOTES

LTE Module Series
EC21 Hardware Design
EC21_Hardware_Design Confidential / Released 56 / 94
1. FC20 module can only be used as a slave device,
2. When BT function is enabled on EC21 module, PCM_SYNC and PCM_CLK pins are only used to
output signals.
3. For more information about wireless connectivity interfaces, please refer to document [5].
3.18.1. WLAN Interface
EC21 provides a low power SDIO 3.0 interface and control interface for WLAN design.
SDIO interface supports the following modes:
Single data rate (SDR) mode (up to 200MHz)
Double data rate (DDR) mode (up to 52MHz)
As SDIO signals are very high-speed, in order to ensure the SDIO interface design corresponds with the
SDIO 3.0 specification, please comply with the following principles:
It is important to route the SDIO signal traces with total grounding. The impedance of SDIOsignal
trace is 50ohm (±10%).
Protect other sensitive signals/circuits (RF, analog signals, etc.) from SDIO corruption and protect
SDIO signals from noisy signals (clocks, DCDCs, etc.).
It is recommended to keep matching lengthbetween CLK and DATA/CMD less than 1mm and total
routing length less than 50mm.
Keep termination resistors within 15~24ohm on clock lines near the module and keep the route
distance from the module clock pins to termination resistors less than 5mm.
Make sure the adjacent trace spacing is 2x line width and bus capacitance is less than 15pF.
3.18.2. BT Interface*
EC21 supports a dedicated UART interface and a PCM interface for BTfunction application.
Further information about BT interface will be added in future version of this document.
“*” means under development.
NOTES
NOTE

LTE Module Series
EC21 Hardware Design
EC21_Hardware_Design Confidential / Released 57 / 94
3.19. USB_BOOT Interface
EC21 provides a USB_BOOT pin. During development or factory production, USB_BOOT pin can force
the module to boot from USB port for firmware upgrade.
Table 23: Pin Definition of USB_BOOT Interface
Pin Name Pin No. I/O Description Comment
USB_BOOT 115 DI Force the module to boot from USB
port
1.8V power domain.
Active high.
If unused, keep it open.
The following figure shows a reference circuit of USB_BOOT interface.
Figure 30: Reference Circuit of USB_BOOT Interface

LTE Module Series
EC21 Hardware Design
EC21_Hardware_Design Confidential / Released 58 / 94
4 GNSS Receiver
4.1. General Description
EC21 includes a fully integrated global navigation satellite system solution that supports Gen8C-Liteof
Qualcomm (GPS, GLONASS, BeiDou, Galileo and QZSS).
EC21 supports standard NMEA-0183 protocol, and outputs NMEA sentences at 1Hz data update ratevia
USB interface by default.
By default, EC21 GNSS engine is switched off. It has to be switched on via AT command. For more
details about GNSS engine technology and configurations, please refer to document [3].
4.2. GNSS Performance
The following table shows the GNSS performance of EC21.
Table 24: GNSS Performance
Parameter Description Conditions Typ. Unit
Sensitivity
(GNSS)
Cold start Autonomous -146 dBm
Reacquisition Autonomous -157 dBm
Tracking Autonomous -157 dBm
TTFF
(GNSS)
Cold start
@open sky
Autonomous 35 s
XTRA enabled 18 s
Warm start
@open sky
Autonomous 26 s
XTRA enabled 2.2 s

LTE Module Series
EC21 Hardware Design
EC21_Hardware_Design Confidential / Released 59 / 94
Hot start
@open sky
Autonomous 2.5 s
XTRA enabled 1.8 s
Accuracy
(GNSS) CEP-50 Autonomous
@open sky <1.5 m
1. Tracking sensitivity: the lowest GNSS signal value at the antenna port on which the module can keep
on positioning for 3 minutes.
2. Reacquisition sensitivity: the lowest GNSS signal value at the antenna port on which the module can
fix position again within 3 minutes after loss of lock.
3. Cold start sensitivity: the lowest GNSS signal value at the antenna port on which the module fixes
position within 3 minutes after executing cold start command.
4.3. Layout Guidelines
The following layout guidelines should be taken into account in your design.
Maximize the distance among GNSS antenna, main antenna and the Rx-diversity antenna.
Digital circuits such as USIM card, USB interface, camera module, display connector and SD card
should be kept away from the antennas.
Use ground vias around the GNSS trace and sensitive analog signal traces to provide coplanar
isolation and protection.
Keep 50ohm characteristic impedance forthe ANT_GNSS trace.
Please refer to Chapter 5 for GNSS antenna reference design and antenna consideration.
NOTES

LTE Module Series
EC21 Hardware Design
EC21_Hardware_Design Confidential / Released 60 / 94
5 Antenna Interfaces
EC21 antenna interfaces include a main antennainterface,anRx-diversity antenna interface which is used
toresist the fall of signals caused by high speed movement and multipath effect, and a GNSS antenna
interface. The antenna interfaceshave an impedance of 50ohm.
5.1. Main/Rx-diversityAntenna Interface
5.1.1. Pin Definition
The pin definition of main antenna and Rx-diversityantenna interfacesis shown below.
Table 25: Pin Definition of the RF Antenna
Pin Name Pin No. I/O Description Comment
ANT_MAIN 49 IO Main antenna pad 50ohmimpedance
ANT_DIV 35 AI Receive diversityantenna pad 50ohm impedance
5.1.2. Operating Frequency
Table 26: Module Operating Frequencies
3GPP Band Transmit Receive Unit
B1 1920~1980 2110~2170 MHz
B2 (1900) 1850~1910 1930~1990 MHz
B3 (1800) 1710~1785 1805~1880 MHz
B4 1710~1755 2110~2155 MHz
B5 (850) 824~849 869~894 MHz
B7 2500~2570 2620~2690 MHz
B8 (900) 880~915 925~960 MHz

LTE Module Series
EC21 Hardware Design
EC21_Hardware_Design Confidential / Released 61 / 94
B12 699~716 729~746 MHz
B13 777~787 746~756 MHz
B18 815~830 860~875 MHz
B19 830~845 875~890 MHz
B20 832~862 791~821 MHz
B26 814~849 859~894 MHz
B28 703~748 758~803 MHz
B40 2300~2400 2300~2400 MHz
5.1.3. Reference Design of RF Antenna Interface
Areference design of ANT_MAIN and ANT_DIVantenna pads is shown as below. It should reserve a
π-type matching circuit for better RF performance. The capacitors are not mounted by default.
Figure 31: Reference Circuit of RF Antenna Interface
1. Keep a proper distance between the main antenna and the Rx-diversity antenna to improve the
receiving sensitivity.
2. ANT_DIV function is enabledby default.
3. Place the π-type matching components (R1, C1, C2, R2, C3, C4) as close to the antenna as
possible.
NOTES

LTE Module Series
EC21 Hardware Design
EC21_Hardware_Design Confidential / Released 62 / 94
5.1.4. Reference Design of RF Layout
For user’s PCB, the characteristic impedance of all RF traces should be controlled as 50 ohm. The
impedance of the RF traces is usually determined by the trace width (W), the materials’ dielectric constant,
the distance between signal layer and reference ground (H), and the clearance between RF trace and
ground (S). Microstrip line or coplanar waveguide line is typically used in RF layout for characteristic
impedance control. The following are reference designs of microstrip line or coplanar waveguide line with
different PCB structures
.
Figure 32: Microstrip Line Design on a 2-layer PCB
Figure 33: Coplanar Waveguide Line Design on a 2-layer PCB

LTE Module Series
EC21 Hardware Design
EC21_Hardware_Design Confidential / Released 63 / 94
Figure 34: Coplanar Waveguide Line Design on a 4-layer PCB (Layer 3 as Reference Ground)
Figure 35: Coplanar Waveguide Line Design on a 4-layer PCB (Layer 4 as Reference Ground)
In order to ensure RF performance and reliability, the following principles should be complied with in RF
layout design:
Use impedance simulation tool to control the characteristic impedanceof RF tracesas 50ohm.
The GND pins adjacent to RF pins should not be hot welded, and should be fully connected to
ground.
The distance between the RF pinsand the RFconnector should be as short as possible, and all the
right angle traces should be changed to curved ones.
There should be clearance area under the signal pin of the antenna connector or solder joint.
The reference ground of RF traces should be complete. Meanwhile, adding some ground viasaround
RF traces and the reference ground could help to improve RF performance. The distance between
the ground vias and RF traces should be no less than two times the width of RF signal traces (2*W).
For more details about RF layout, please refer to document [6].

LTE Module Series
EC21 Hardware Design
EC21_Hardware_Design Confidential / Released 64 / 94
5.2. GNSS Antenna Interface
The following tables show the pin definition and frequency specification of GNSS antenna interface.
Table 27: Pin Definition of GNSS Antenna Interface
Pin Name Pin No. I/O Description Comment
ANT_GNSS 47 AI GNSS antenna 50ohmimpedance
Table 28: GNSS Frequency
Type Frequency Unit
GPS/Galileo/QZSS 1575.42±1.023 MHz
GLONASS 1597.5~1605.8 MHz
BeiDou 1561.098±2.046 MHz
A reference design of GNSS antenna is shown as below.
Figure 36: Reference Circuit of GNSS Antenna
1. An external LDO can be selected to supply power according to the active antenna requirement.
2. If the module is designed with a passive antenna, then the VDD circuit is not needed.
NOTES

LTE Module Series
EC21 Hardware Design
EC21_Hardware_Design Confidential / Released 65 / 94
5.3. Antenna Installation
5.3.1. Antenna Requirement
The following table shows the requirements on main antenna, Rx-diversity antenna and GNSS antenna.
Table 29: Antenna Requirements
Type Requirements
GNSS
Frequency range: 1561~1615MHz
Polarization: RHCP or linear
VSWR: <2 (Typ.)
Passive antenna gain: >0dBi
Active antenna noise figure: <1.5dB
Active antenna gain: >-2dBi
Active antenna embedded LNA gain: 20dB (Typ.)
Active antenna total gain: >18dBi (Typ.)
GSM/WCDMA/LTE
VSWR: ≤2
Gain (dBi): 1
Max input power (W): 50
Input Impedance (ohm): 50
Polarization type: Vertical
Cable insertion loss: <1dB
(GSM900, WCDMA B5/B8,
LTE B5/B8/B12/B13/B18/B19/B20/B26/B28)
Cable insertion loss: <1.5dB
(GSM1800, WCDMA B1/B2/B4,LTE B1/B2/B3/B4)
Cable insertion loss <2dB
(LTE B7/B40)

LTE Module Series
EC21 Hardware Design
EC21_Hardware_Design Confidential / Released 66 / 94
5.3.2. Recommended RF Connector for Antenna Installation
If RF connector is used for antenna connection, it is recommended to use UF.L-R-SMT connector
provided by HIROSE.
Figure 37: Dimensions of the UF.L-R-SMT Connector (Unit: mm)
U.FL-LP serial connectors listed in the following figure can be used to match the UF.L-R-SMT.
Figure 38:Mechanicalsof UF.L-LP Connectors

LTE Module Series
EC21 Hardware Design
EC21_Hardware_Design Confidential / Released 67 / 94
The following figure describes the space factor of mated connector.
Figure39:Space Factor of Mated Connector (Unit: mm)
For more details, please visit http://www.hirose.com.

LTE Module Series
EC21 Hardware Design
EC21_Hardware_Design Confidential / Released 68 / 94
6 Electrical, Reliability and
RadioCharacteristics
6.1. Absolute Maximum Ratings
Absolute maximum ratings for power supply and voltage on digital and analog pins of the module are
listed in the following table.
Table 30: Absolute Maximum Ratings
Parameter Min. Max. Unit
VBAT_RF/VBAT_BB -0.3 4.7 V
USB_VBUS -0.3 5.5 V
Peak Current of VBAT_BB 0 0.8 A
Peak Current of VBAT_RF 0 1.8 A
Voltage at Digital Pins -0.3 2.3 V
Voltage at ADC0 0 VBAT_BB V
Voltage at ADC1 0 VBAT_BB V
6.2. Power Supply Ratings
Table 31: Power Supply Ratings
Parameter Description Conditions Min. Typ. Max. Unit
VBAT VBAT_BB and Voltage must stay within the 3.3 3.8 4.3 V

LTE Module Series
EC21 Hardware Design
EC21_Hardware_Design Confidential / Released 69 / 94
VBAT_RF min/max values, including
voltage drop, ripple and
spikes.
Voltage drop during
burst transmission
Maximum power control
level on GSM900 400 mV
IVBAT
Peak supply current
(during
transmissionslot)
Maximum power control
level on GSM900 1.8 2.0 A
USB_VBUS USB detection 3.0 5.0 5.25 V
6.3. Operating Temperature
The operating temperature is listed in the following table.
Table 32: Operating Temperature
Parameter Min. Typ. Max. Unit
OperationTemperature Range1) -35 +25 +75 ºC
ExtendedTemperature Range2) -40 +85 ºC
1. 1)Within operation temperature range, the module is 3GPP compliant.
2. 2) Within extended temperature range, the module remains the ability to establish and maintain a
voice, SMS, data transmission, emergency call, etc. There is no unrecoverable malfunction. There
are also no effects on radio spectrum and no harm to radio network. Only one or more parameters
like Pout might reduce in their value and exceed the specified tolerances. When the temperature
returns to the normal operating temperature levels, the module will meet 3GPP specifications again.
NOTES

LTE Module Series
EC21 Hardware Design
EC21_Hardware_Design Confidential / Released 70 / 94
6.4. Current Consumption
The values of current consumption are shown below.
Table 33: EC21-A Current Consumption
Parameter Description Conditions Typ. Unit
IVBAT
OFF state Power down 20 uA
Sleep state
AT+CFUN=0 (USB disconnected) 1.0 mA
WCDMA PF=64 (USB disconnected) 2.8 mA
WCDMA PF=128 (USB disconnected) 2.3 mA
LTE-FDD PF=64 (USB disconnected) 2.2 mA
LTE-FDD PF=128 (USB disconnected) 2.2 mA
Idle state
(GNSS OFF)
WCDMA PF=64 (USB disconnected) 21.6 mA
WCDMA PF=64 (USB connected) 31.6 mA
LTE-FDDPF=64 (USB disconnected) 23.7 mA
LTE-FDDPF=64 (USB connected) 36.5 mA
WCDMA
datatransfer(GNSS
OFF)
WCDMA B2 HSDPA @22.09dBm 542.0 mA
WCDMA B2 HSUPA @22.28dBm 681.0 mA
WCDMA B4 HSDPA @21.94dBm 550.0 mA
WCDMA B4 HSUPA @21.81dBm 547.0 mA
WCDMA B5 HSDPA @22.13dBm 429.0 mA
WCDMA B5 HSUPA @22.48dBm 459.0 mA
LTE
datatransfer(GNSS
OFF)
LTE-FDD B2 @22.79dBm 709.0 mA
LTE-FDD B4 @22.89dBm 710.0 mA
LTE-FDD B12 @23.39dBm 679.0 mA
WCDMA voice call WCDMA B2 @23.67dBm 663.0 mA

LTE Module Series
EC21 Hardware Design
EC21_Hardware_Design Confidential / Released 71 / 94
WCDMA B4 @23.36dBm 594.0 mA
WCDMA B5 @23.64dBm 522.0 mA
Table 34: EC21-AUT Current Consumption
Parameter Description Conditions Typ. Unit
IVBAT
OFF state Power down 20 uA
Sleep state
AT+CFUN=0 (USB disconnected) 0.99 mA
WCDMA PF=64 (USB disconnected) 2.1 mA
WCDMA PF=128 (USB disconnected) 1.7 mA
LTE-FDD PF=64 (USB disconnected) 2.9 mA
LTE-FDD PF=128 (USB disconnected) 2.4 mA
Idle state
WCDMA PF=64 (USB disconnected) 22.0 mA
WCDMA PF=64 (USB connected) 32.0 mA
LTE-FDDPF=64 (USB disconnected) 23.6 mA
LTE-FDDPF=64 (USB connected) 33.6 mA
WCDMA data
(GNSS OFF)
WCDMA B1 HSDPA@22.59dBm 589.0 mA
WCDMA B1 HSUPA@22.29dBm 623.0 mA
WCDMA B5 HSDPA@22.22dBm 511.0 mA
WCDMA B5 HSUPA@21.64dBm 503.0 mA
LTE
datatransfer(GNSS
OFF)
LTE-FDD B1 @23.38dBm 813.0 mA
LTE-FDD B3 @22.87dBm 840.0 mA
LTE-FDD B5 @23.12dBm 613.0 mA
LTE-FDD B7 @22.96dBm 761.0 mA
LTE-FDD B28 @23.31dBm 650.0 mA
WCDMA voice call
WCDMA B1 @24.21dBm 687.0 mA
WCDMA B5 @23.18dBm 535.0 mA

LTE Module Series
EC21 Hardware Design
EC21_Hardware_Design Confidential / Released 72 / 94
Table 35: EC21-E Current Consumption
Parameter Description Conditions Typ. Unit
IVBAT
OFF state Power down TBD uA
Sleep state
AT+CFUN=0 (USB disconnected) TBD mA
WCDMA PF=64 (USB disconnected) TBD mA
WCDMA PF=128 (USB disconnected) TBD mA
FDD-LTE PF=64 (USB disconnected) TBD mA
FDD-LTE PF=128 (USB disconnected) TBD mA
Idle state
(GNSS OFF)
WCDMA PF=64 (USB disconnected) TBD mA
WCDMA PF=64 (USB connected) TBD mA
LTE-FDD PF=64 (USB disconnected) TBD mA
LTE-FDD PF=64 (USB connected) TBD mA
GPRS
datatransfer(GNSS
OFF)
GSM900 4DL/1UL @32.3dBm 220 mA
GSM900 3DL/2UL @32.18dBm 387 mA
GSM900 2DL/3UL @30.3dBm 467 mA
GSM900 1DL/4UL @29.4dBm 555 mA
DCS1800 4DL/1UL @29.6dBm 185 mA
DCS1800 3DL/2UL @29.1dBm 305 mA
DCS1800 2DL/3UL @28.8dBm 431 mA
DCS1800 1DL/4UL @29.1dBm 540 mA
EDGE
datatransfer(GNSS
OFF)
GSM900 4DL/1UL @26dBm 148 mA
GSM900 3DL/2UL @26dBm 245 mA
GSM900 2DL/3UL @25dBm 338 mA
GSM900 1DL/4UL @25dBm 432 mA
DCS1800 4DL/1UL @26dBm 150 mA
DCS1800 3DL/2UL @25dBm 243 mA
DCS1800 2DL/3UL @25dBm 337 mA

LTE Module Series
EC21 Hardware Design
EC21_Hardware_Design Confidential / Released 73 / 94
DCS1800 1DL/4UL @25dBm 430 mA
WCDMA
datatransfer(GNSS
OFF)
WCDMA B1 HSDPA@22.5dBm 659 mA
WCDMA B1 HSUPA@21.11dBm 545 mA
WCDMA B5 HSDPA@23.5dBm 767 mA
WCDMA B5 HSUPA@21.4dBm 537 mA
WCDMA B8 HSDPA@22.41dBm 543 mA
WCDMA B8 HSUPA@21.2dBm 445 mA
LTE
datatransfer(GNSS
OFF)
LTE-FDD B1 @23.45dBm 807 mA
LTE-FDD B3 @23.4dBm 825 mA
LTE-FDD B5 @23.4dBm 786 mA
LTE-FDD B7 @23.86dBm 887 mA
LTE-FDD B8 @23.5dBm 675 mA
LTE-FDD B20 @23.57dBm 770 mA
GSMvoice call
GSM900 PCL=5 @32.8dBm 336 mA
PCS1800 PCL=0 @29.3dBm 291 mA
WCDMAvoice call
WCDMA B1 @23.69dBm 683 mA
WCDMA B5 @23.61dBm 741 mA
WCDMA B8 @23.35dBm 564 mA
Table 36: EC21-KL Current Consumption
Parameter Description Conditions Typ. Unit
IVBAT
OFF state Power down 20 uA
Sleep state
AT+CFUN=0 (USB disconnected) 0.98 mA
LTE-FDD PF=64 (USB disconnected) 2.5 mA
LTE-FDD PF=128 (USB disconnected) 2.4 mA
Idle state
(GNSS OFF)
LTE-FDD PF=64 (USB disconnected) 23.0 mA
LTE-FDD PF=64 (USB connected) 34.0 mA

LTE Module Series
EC21 Hardware Design
EC21_Hardware_Design Confidential / Released 74 / 94
LTE
datatransfer(GNSS
OFF)
LTE-FDD B1 @23.65dBm 765.0 mA
LTE-FDD B3 @23.2dBm 825.0 mA
LTE-FDD B5 @23.2dBm 598.0 mA
LTE-FDD B7 @23.7dBm 762.0 mA
LTE-FDD B8 @23.1dBm 569.0 mA
Table 37: EC21-V Current Consumption
Parameter Description Conditions Typ. Unit
IVBAT
OFF state Power down 20 uA
Sleep state
AT+CFUN=0 (USB disconnected) 1.0 mA
LTE-FDD PF=64 (USB disconnected) 2.5 mA
LTE-FDD PF=128 (USB disconnected) 2.0 mA
Idle state
(GNSS OFF)
LTE-FDD PF=64 (USB disconnected) 22.0 mA
LTE-FDD PF=64 (USB connected) 32.0 mA
LTE
datatransfer(GNSS
OFF)
LTE-FDD B4 @22.79dBm 752.0 mA
LTE-FDD B13 @23.26dBm 534.0 mA
Table 38: EC21-AUV Current Consumption
Parameter Description Conditions Typ. Unit
IVBAT
OFF state Power down 20 uA
Sleep state
AT+CFUN=0 (USB disconnected) 1.0 mA
WCDMA PF=64 (USB disconnected) 2.0 mA
WCDMA PF=128 (USB disconnected) 1.6 mA
LTE-FDD PF=64 (USB disconnected) 2.4 mA
LTE-FDD PF=128 (USB disconnected) 1.9 mA
Idle state
(GNSS OFF)
WCDMA PF=64 (USB disconnected) 24.0 mA
WCDMA PF=64 (USB connected) 34.0 mA

LTE Module Series
EC21 Hardware Design
EC21_Hardware_Design Confidential / Released 75 / 94
LTE-FDD PF=64 (USB disconnected) 24.0 mA
LTE-FDD PF=64 (USB connected) 34.0 mA
WCDMA
datatransfer(GNSS
OFF)
WCDMA B1 HSDPA@22.05dBm 586.0 mA
WCDMA B1 HSUPA@22.29dBm 630.0 mA
WCDMA B5 HSDPA@22.43dBm 576.0 mA
WCDMA B5 HSUPA@22.43dBm 600.0 mA
WCDMA B8 HSDPA@22.44dBm 577.0 mA
WCDMA B8 HSUPA@21.78dBm 555.0 mA
LTE
datatransfer(GNSS
OFF)
LTE-FDD B1 @23.12dBm 721.0 mA
LTE-FDD B3 @23.04dBm 734.0 mA
LTE-FDD B5 @23.16dBm 669.0 mA
LTE-FDD B8 @23.21dBm 698.0 mA
LTE-FDD B28 @23.57dBm 790.0 mA
WCDMA voice call
WCDMA B1 @22.72dBm 640.0 mA
WCDMA B5 @23.19dBm 638.0 mA
WCDMA B8 @23.27dBm 626.0 mA
Table 39: GNSS Current Consumption of EC21 Series Module
Parameter Description Conditions Typ. Unit
IVBAT
(GNSS)
Searching
(AT+CFUN=0)
Cold start @Passive Antenna 58 mA
Lost state @Passive Antenna 58 mA
Tracking
(AT+CFUN=0)
Instrument Environment 33 mA
OpenSky @Passive Antenna 35 mA
OpenSky @Active Antenna 43 mA

LTE Module Series
EC21 Hardware Design
EC21_Hardware_Design Confidential / Released 76 / 94
6.5. RF Output Power
The following table shows the RF output power of EC21 module.
Table 40: RF Output Power
Frequency Max. Min.
GSM900 33dBm±2dB 5dBm±5dB
DCS1800 30dBm±2dB 0dBm±5dB
DCS1800 26dBm±3dB 0dBm±5dB
WCDMA bands 22.5dBm+1/-3dB <-50dBm
LTE-FDD bands 22.5dBm+1/-3dB <-44dBm
LTE-TDD bands 22.5dBm+1/-3dB <-44dBm
In GPRS 4 slots TX mode, the maximum output power is reduced by 3.0dB. Thedesign conforms to the
GSM specification as described in Chapter 13.16 of 3GPP TS 51.010-1.
6.6. RF Receiving Sensitivity
The following tables show the conducted RF receiving sensitivity of EC21 series module.
Table 41: EC21-E Conducted RF Receiving Sensitivity
Frequency Primary Diversity SIMO1) 3GPP (SIMO)
GSM900 -109.0dBm / / -102.0dBm
DCS1800 -109.0dBm / / -102.0dbm
WCDMA Band1 -110.5dBm / / -106.7dBm
WCDMA Band5 -110.5dBm / / -104.7dBm
WCDMA Band8 -110.5dBm / / -103.7dBm
NOTE

LTE Module Series
EC21 Hardware Design
EC21_Hardware_Design Confidential / Released 77 / 94
LTE-FDD B1(10M) -98.0dBm -98.0dBm -101.5dBm -96.3dBm
LTE-FDD B3(10M) -96.5dBm -98.5dBm -101.5dBm -93.3dBm
LTE-FDD B5(10M) -98.0dBm -98.5dBm -101.0dBm -94.3dBm
LTE-FDD B7(10M) -97.0dBm -94.5dBm -99.5dBm -94.3dBm
LTE-FDD B8(10M) -97.0dBm -97.0dBm -101.0dBm -93.3dBm
LTE-FDD B20(10M) -97.5dBm -99.0dBm -102.5dBm -93.3dBm
Table 42: EC21-A Conducted RF Receiving Sensitivity
Frequency Primary Diversity SIMO 3GPP (SIMO)
WCDMA B2 -110.0dBm / / -104.7dBm
WCDMA B4 -110.0dBm / / -106.7dBm
WCDMA B5 -110.5dBm / / -104.7dBm
LTE-FDD B2 (10M) -98.0dBm -98.0dBm -101.0dBm -94.3dBm
LTE-FDD B4 (10M) -97.5dBm -99.0dBm -101.0dBm -96.3dBm
LTE-FDD B12 (10M) -96.5dBm -98.0dBm -101.0dBm -93.3dBm
Table 43: EC21-V Conducted RF Receiving Sensitivity
Frequency Primary Diversity SIMO 3GPP (SIMO)
LTE-FDD B4 (10M) -97.5dBm -99.0dBm -101.0dBm -96.3dBm
LTE-FDD B13 (10M) -95.0dBm -97.0dBm -100.0dBm -93.3dBm
Table 44: EC21-AUT Conducted RF Receiving Sensitivity
Frequency Primary Diversity SIMO 3GPP (SIMO)
WCDMA B1 -110.0dBm / / -106.7dBm
WCDMA B5 -110.5dBm / / -104.7dBm

LTE Module Series
EC21 Hardware Design
EC21_Hardware_Design Confidential / Released 78 / 94
LTE-FDD B1(10M) -98.5dBm -98.0dBm -101.0dBm -96.3dBm
LTE-FDD B3(10M) -98.0dBm -96.0dBm -100.0dBm -93.3dBm
LTE-FDD B5(10M) -98.0dBm -99.0dBm -102.5dBm -94.3dBm
LTE-FDD B7(10M) -97.0dBm -95.0dBm -98.5dBm -94.3dBm
LTE-FDD B28(10M) -97.0dBm -99.0dBm -102.0dBm -94.8dBm
Table 45: EC21-AUTL Conducted RF Receiving Sensitivity
Frequency Primary Diversity SIMO 3GPP (SIMO)
LTE-FDD B3(10M) -98.0dBm -96.0dBm -100.0dBm -93.3dBm
LTE-FDD B7(10M) -97.0dBm -95.0dBm -98.5dBm -94.3dBm
LTE-FDD B28(10M) -97.0dBm -99.0dBm -102.0dBm -94.8dBm
Table 46: EC21-KL Conducted RF Receiving Sensitivity
Frequency Primary Diversity SIMO 3GPP (SIMO)
LTE-FDD B1(10M) -98.0dBm -99.5dBm -100.5dBm -96.3dBm
LTE-FDD B3(10M) -97.0dBm -97.5dBm -99.5dBm -93.3dBm
LTE-FDD B5(10M) -98.0dBm -99.5dBm -100.5dBm -94.3dBm
LTE-FDD B7(10M) -96.0dBm -96.0dBm -98.5dBm -94.3dBm
LTE-FDD B8(10M) -97.0dBm -99.0dBm -101.0dBm -93.3dBm
Table 47: EC21-CT Conducted RF Receiving Sensitivity
Frequency Primary Diversity SIMO 3GPP (SIMO)
LTE-FDD B1(10M) -98.0dBm -99.5dBm -100.5dBm -96.3dBm
LTE-FDD B3(10M) -97.0dBm -97.5dBm -99.5dBm -93.3dBm
LTE-FDD B5* (10M) TBD TBD TBD TBD

LTE Module Series
EC21 Hardware Design
EC21_Hardware_Design Confidential / Released 79 / 94
Table 48: EC21-J Conducted RF Receiving Sensitivity
Table 49: EC21-AUV Conducted RF Receiving Sensitivity
1. 1) SIMO is a smart antenna technology that uses a single antenna at the transmitter side and two
antennas at the receiver side, which can improve RX performance.
2. “*” means under development.
Frequency Primary Diversity SIMO 3GPP (SIMO)
LTE-FDD B1 (10M) -97.5dBm -98.7dBm -100.2dBm -96.3dBm
LTE-FDD B3 (10M) -96.5dBm -97.1dBm -100.5dBm -93.3dBm
LTE-FDD B8 (10M) -98.4dBm -99.0dBm -101.2dBm -93.3dBm
LTE-FDD B18 (10M) -99.5dBm -99.0dBm -101.7dBm -96.3dBm
LTE-FDD B19 (10M) -99.2dBm -99.0dBm -101.4dBm -96.3dBm
LTE-FDD B26 (10M) -99.5dBm -99.0dBm -101.5dBm -93.8dBm
Frequency Primary Diversity SIMO 3GPP (SIMO)
WCDMA B1 -110.0dBm / / -106.7dBm
WCDMA B5 -111.0dBm / / -104.7dBm
WCDMA B8 -111.0dBm / / -103.7dBm
LTE-FDD B1 (10M) -97.2dBm -97.2dBm -100.2dBm -96.3dBm
LTE-FDD B3 (10M) -98.2dBm -98.7dBm -100.7dBm -93.3dBm
LTE-FDD B5 (10M) -99.2dBm -98.7dBm -101.7dBm -94.3dBm
LTE-FDD B8 (10M) -97.7dBm -97.2dBm -101.2dBm -93.3dBm
LTE-FDD B28 (10M) -97.0dBm -98.2dBm -101.2dBm -94.8dBm
NOTES

LTE Module Series
EC21 Hardware Design
EC21_Hardware_Design Confidential / Released 80 / 94
6.7. Electrostatic Discharge
The module is not protected against electrostatic discharge (ESD) in general. Consequently, it is subject
to ESD handling precautions that typically apply to ESD sensitive components. Proper ESD handling and
packaging procedures must be applied throughout the processing, handling and operation of any
application that incorporates the module.
The following table shows the module’s electrostatic discharge characteristics.
Table 50: Electrostatic Discharge Characteristics
Tested Points Contact Discharge Air Discharge Unit
VBAT, GND ±5 ±10 kV
All Antenna Interfaces ±4 ±8 kV
Other Interfaces ±0.5 ±1 kV

LTE Module Series
EC21 Hardware Design
EC21_Hardware_Design Confidential / Released 81 / 94
7 Mechanical Dimensions
This chapter describes the mechanical dimensions of the module.All dimensions are measured in mm.
7.1. Mechanical Dimensions of the Module
(32+/-0.15)
(29+/-0.15)
0.8
2.4+/-0.2
Figure40: Module Top and Side Dimensions

LTE Module Series
EC21 Hardware Design
EC21_Hardware_Design Confidential / Released 82 / 94
1.30
1.30
1.10
1.10
3.85
2.0
3.0
3.5
0.8
1.5
3.23.43.2
3.4
3.2
6.75
3.45
1.6
2.49
2.4
2.15
4.4
1.7
4.88
1.8
1.8
1.15
1.05
29.0
1.90
3.5
1.9
32.0
3.35
2.8
4.8
0.82
5.96
2.0
Figure41: Module Bottom Dimensions (Bottom View)

LTE Module Series
EC21 Hardware Design
EC21_Hardware_Design Confidential / Released 83 / 94
7.2. Recommended Footprint
Keepout area
4.80
4.80
4.80
4.80
7.80
15.60
1.90
3.85 24.70
1.80
1.90
1.30
3.20 3.40 3.20 3.40 3.20
3.00
0.80
32.0
3.40
2.50
1.00
1.80
0.50 0.50
2.80 0.50
0.50
3.40
3.45
3.00
2.00
1.10
1.10
2.00
2.00
3.50
Figure42: Recommended Footprint (Top View)
1. The keepout area should not be designed.
2. For easy maintenance of the module, please keep about 3mm between the module and other
components in thehost PCB.
NOTES

EC21_Har
d
7.3. Des
Theseared
e
that you ge
t
NOTE
d
ware_Des
i
ign Effe
c
e
sign effect
t
from Quec
t
i
gn
c
t Drawi
n
Fi
g
drawings o
f
t
el.
n
gsof th
Figure43:
T
g
ure 44: B
o
f
EC21 mod
u
Confiden
t
e Modul
e
T
op Viewof
o
ttom View
u
le. For mo
r
t
ial / Relea
s
e
the Modul
e
of the Mod
r
e accurate
E
C
s
ed 84 / 94
e
ule
pictures, pl
e
LTE Mo
d
C
21 Hard
w
e
ase refer t
o
d
ule Serie
s
w
are Desig
n
o
the modul
e
s
n
e

LTE Module Series
EC21 Hardware Design
EC21_Hardware_Design Confidential / Released 85 / 94
8 Storage, Manufacturing and
Packaging
8.1. Storage
EC21 is stored in a vacuum-sealed bag. The storage restrictionsareshown as below.
1. Shelf life in thevacuum-sealed bag: 12 months at <40ºC/90%RH.
2. After the vacuum-sealed bagis opened, devices that will be subjected to reflow soldering or other high
temperature processes must be:
Mounted within 72 hours at the factory environment of ≤30ºC/60%RH
Stored at <10%RH
3. Devices require baking before mounting, if any circumstances below occurs:
When the ambient temperature is 23ºC±5ºC and the humidity indicator card shows the humidity
is>10% before opening the vacuum-sealed bag.
Device mounting cannot be finished within 72 hours at factory conditions of ≤30ºC/60%RH.
4. If baking is required, devices may be baked for 48 hours at 125ºC±5ºC.
As the plastic packagecannot be subjected to high temperature, it should be removed from devices before
high temperature (125ºC) baking. If shorter baking time is desired, please refer to IPC/JEDECJ-STD-033
for bakingprocedure.
NOTE

LTE Module Series
EC21 Hardware Design
EC21_Hardware_Design Confidential / Released 86 / 94
8.2. Manufacturing and Soldering
Push the squeegee to apply the solder paste on the surface of stencil, thus making the paste fill the
stencil openings and then penetrate to the PCB. The force on the squeegee should be adjusted
properlyso as to produce a clean stencil surface on a single pass. To ensure the module soldering quality,
thethickness of stencil for the module is recommended to be 0.18mm. For more details, please refer
todocument [4].
It is suggested that the peak reflow temperature is from 235 to 245ºC (for SnAg3.0Cu0.5 alloy). The
absolute maximum reflow temperature is 260ºC. To avoid damage to the module caused by repeated
heating, it is suggested that the module should be mounted after reflow soldering for the other side of
PCB has been completed. Recommended reflow soldering thermal profile is shown below:
Figure 45: Reflow Soldering Thermal Profile
During manufacturing and soldering, or any other processes that may contact the module directly, NEVER
wipe the module label with organic solvents, such as acetone, ethyl alcohol, isopropyl alcohol,
trichloroethylene, etc.
NOTE

LTE Module Series
EC21 Hardware Design
EC21_Hardware_Design Confidential / Released 87 / 94
8.3. Packaging
EC21 is packaged in tape andreel carriers. One reel is 11.53m longand contains 250pcs modules. The
figure below shows the packagingdetails, measured in mm.
30.3±0.15
29.3±0.15
30.3±0.15
32.5±0.15
33.5±0.15
0.35± 0.05
4.2±0.15
3.1±0.15
32.5± 0.15
33.5± 0.15
4.00±0.1
2.00±0.1
1.75±0.1
20.20±0.15
44.00±0.3
44.00±0.1
1.50±0.1
13
100
44.5+0.20
-0.00
48.5
Figure 46: Tape and Reel Specifications

LTE Module Series
EC21 Hardware Design
EC21_Hardware_Design Confidential / Released 88 / 94
9 Appendix A References
Table 51: Related Documents
SN Document Name Remark
[1] Quectel_EC21_Power_Management_Application_Note EC21 Power Management Application
Note
[2] Quectel_EC25&EC21_AT_Commands_Manual EC25 and EC21 AT Commands Manual
[3] Quectel_EC25&EC21_GNSS_AT_Commands_Manual EC25 and EC21GNSS AT Commands
Manual
[4] Quectel_Module_Secondary_SMT_User_Guide Module Secondary SMT User Guide
[5] Quectel_EC21_Reference_Design EC21 Reference Design
[6] Quectel_RF_Layout_Application_Note RF Layout Application Note
[7] Quectel_SGMII_Design_Application_Note SGMII Design Application Note
Table 52: Terms and Abbreviations
Abbreviation Description
AMR Adaptive Multi-rate
bps Bits Per Second
CHAP Challenge Handshake Authentication Protocol
CS Coding Scheme
CSD Circuit Switched Data
CTS Clear To Send
DC-HSPA+ Dual-carrier High Speed Packet Access
DFOTA Delta Firmware Upgrade Over The Air

LTE Module Series
EC21 Hardware Design
EC21_Hardware_Design Confidential / Released 89 / 94
DL Downlink
DTR Data Terminal Ready
DTX Discontinuous Transmission
EFR Enhanced Full Rate
ESD Electrostatic Discharge
FDD Frequency Division Duplex
FR Full Rate
GLONASS GLObalnayaNAvigatsionnayaSputnikovayaSistema, the Russian Global
Navigation Satellite System
GMSK Gaussian Minimum Shift Keying
GNSS Global Navigation Satellite System
GPS Global Positioning System
GSM Global System for Mobile Communications
HR Half Rate
HSPA High Speed Packet Access
HSDPA High Speed Downlink Packet Access
HSUPA High Speed Uplink Packet Access
I/O Input/Output
Inorm Normal Current
LED Light Emitting Diode
LNA Low Noise Amplifier
LTE Long Term Evolution
MIMO Multiple Input Multiple Output
MO Mobile Originated
MS Mobile Station (GSM engine)
MT Mobile Terminated

LTE Module Series
EC21 Hardware Design
EC21_Hardware_Design Confidential / Released 90 / 94
PAP Password Authentication Protocol
PCB Printed Circuit Board
PDU Protocol Data Unit
PPP Point-to-Point Protocol
QAM Quadrature Amplitude Modulation
QPSK Quadrature Phase Shift Keying
RF Radio Frequency
RHCP Right Hand Circularly Polarized
Rx Receive
SGMII Serial Gigabit Media IndependentInterface
SIM Subscriber Identification Module
SIMO Single Input Multiple Output
SMS Short Message Service
TDD Time Division Duplexing
TDMA Time Division Multiple Access
TD-SCDMA Time Division-Synchronous Code Division Multiple Access
TX Transmitting Direction
UL Uplink
UMTS Universal Mobile Telecommunications System
URC Unsolicited Result Code
USIM Universal Subscriber Identity Module
Vmax Maximum Voltage Value
Vnorm Normal Voltage Value
Vmin Minimum Voltage Value
VIHmax Maximum Input High Level Voltage Value

LTE Module Series
EC21 Hardware Design
EC21_Hardware_Design Confidential / Released 91 / 94
VIHmin Minimum Input High Level Voltage Value
VILmax Maximum Input Low Level Voltage Value
VILmin Minimum Input Low Level Voltage Value
VImax Absolute Maximum Input Voltage Value
VImin Absolute Minimum Input Voltage Value
VOHmax Maximum Output High Level Voltage Value
VOHmin Minimum Output High Level Voltage Value
VOLmax Maximum Output Low Level Voltage Value
VOLmin Minimum Output Low Level Voltage Value
VSWR Voltage Standing Wave Ratio
WCDMA Wideband Code Division Multiple Access
WLAN Wireless Local Area Network

LTE Module Series
EC21 Hardware Design
EC21_Hardware_Design Confidential / Released 92 / 94
10 Appendix B GPRS Coding Schemes
Table 53: Description of Different Coding Schemes
Scheme CS-1 CS-2 CS-3 CS-4
Code Rate 1/2 2/3 3/4 1
USF 3 3 3 3
Pre-coded USF 3 6 6 12
Radio Block excl.USF and BCS 181 268 312 428
BCS 40 16 16 16
Tail 4 4 4 -
Coded Bits 456 588 676 456
Punctured Bits 0 132 220 -
Data Rate Kb/s 9.05 13.4 15.6 21.4

LTE Module Series
EC21 Hardware Design
EC21_Hardware_Design Confidential / Released 93 / 94
11 Appendix C GPRS Multi-slot Classes
Twenty-nine classes of GPRS multi-slot modes are defined for MS in GPRS specification. Multi-slot
classes are product dependent, and determine the maximum achievable data rates in both the uplink and
downlink directions. Written as 3+1 or 2+2, the first number indicates the amount of downlink timeslots,
while the second number indicates the amount of uplink timeslots. The active slots determine the total
number of slots the GPRS device can use simultaneously for both uplink and downlink communications.
The description of different multi-slot classes is shown in the following table.
Table 54: GPRS Multi-slot Classes
Multislot Class Downlink Slots Uplink Slots Active Slots
1 1 1 2
2 2 1 3
3 2 2 3
4 3 1 4
5 2 2 4
6 3 2 4
7 3 3 4
8 4 1 5
9 3 2 5
10 4 2 5
11 4 3 5
12 4 4 5

12
Table 55:
E
Coding Sc
h
CS-1:
CS-2:
CS-3:
CS-4:
MCS-1
MCS-2
MCS-3
MCS-4
MCS-5
MCS-6
MCS-7
MCS-8
MCS-9
EC21_Ha
r
Ap
p
Co
d
E
DGE Mod
u
h
eme Mo
d
GM
GM
GM
GM
GM
GM
GM
GM
8-P
S
8-P
S
8-P
S
8-P
S
8-P
S
r
dware_De
s
p
endi
x
d
ing
S
u
lation and
d
ulation
SK
SK
SK
SK
SK
SK
SK
SK
S
K
S
K
S
K
S
K
S
K
s
ign
x
D
E
S
che
m
Coding Sc
h
Coding
/
/
/
/
C
B
A
C
B
A
B
A
A
E
DG
E
m
es
h
emes
Family
1
9
2
8
2
2
4
5
5
Confid
e
E
Mo
d
1
Timeslot
9
.05kbps
13.4kbps
15.6kbps
2
1.4kbps
8
.80kbps
11.2kbps
14.8kbps
17.6kbps
2
2.4kbps
2
9.6kbps
4
4.8kbps
5
4.4kbps
5
9.2kbps
E
C
e
ntial / Rele
d
ulati
2 Ti
m
18.1
k
26.8
k
31.2
k
42.8
k
17.6
0
22.4
k
29.6
k
35.2
k
44.8
k
59.2
k
89.6
k
108.
8
118.
4
LTE M
o
C
21 Hard
w
ased94 /94
ona
n
m
eslot
k
bps
k
bps
k
bps
k
bps
0
kbps
k
bps
k
bps
k
bps
k
bps
k
bps
k
bps
8
kbps
4
kbps
o
dule Sire
s
w
are Desig
n
n
d
4 Timeslot
36.2kbps
53.6kbps
62.4kbps
85.6kbps
35.20kbps
44.8kbps
59.2kbps
70.4kbps
89.6kbps
118.4kbps
179.2kbps
217.6kbps
236.8kbps
s
n