SKYPINE ELECTRONICS CNE8115BCL Car Navigation Entertainment System User Manual IV

SKYPINE ELECTRONICS (SHEN ZHEN) CO., LTD. Car Navigation Entertainment System IV

Contents

User Manual IV

EnglishNX500/NZ50042Press [Setup] button on the Main Menu screen.The Setup menu screen will be displayed.General Setup MenuClock:   Touch the button to set the clock.    Select Clock Mode 12 Hr.AM/PM:   Touch the button to change     AM or PM, when 12Hr mode is      selected.Beep:   The function of it is to choose the      Beep voice on or off. Camera Image: The Function of it is to choose      the mode of camera image normal or      mirror.Radio Field: The function of it is to choose the      radio mode in the country you are. It’s      contain USA, Europe, S. America,      Other.Tel Mute:  The function of it is to set the     Bluetooth ready on or off . Tel SP:   The function of it is to set the speaker      of the Bluetooth ready front left or      front right.Auxin Input SW: The function of it is to choose      the auxin input switch, including Low,      Mid, High.Version:  Display the software version        information. Video Setup MenuThis menu includes: TV Shape; Aux IN; Brightness.TV Shape: The function of it is to choose the      screen area shape - 4:3 or 16:9.Aux IN:  The function of it is to choose Aux In      format. It contains AUTO, PAL, NTSC. Brightness: Set brightness value from 0 to 20.ASP Setup MenuThis menu includes: Bass Freq; Treble Freq; Sub Filter; Bass Q-Factor.Bass Freq: Choose the desired bass frequency.    60Hz, 80Hz, 100Hz, 200HzTreble Freq: Choose the desired treble     frequency 10KHz/12.5KHz/1 5KHz/     17.5KHz.Sub Filter: Choose the desired Sub Filter     frequency: 80Hz/120Hz/160Hz. Bass Q-Factor: Choose the Bass     Q-Factor:1.0/1.25/1.5/2.0.Navigation Setup MenuThis menu includes: GPS Time, Time Zone, DST Setup OperationsNX_NZ500 0608.findd   4 6/16/2009   8:06:22 AM
EnglishNX500/NZ500 43GPS Time: Use this function of it is to     synchronize the GPS time or not.     It contains two choices: Ignore and      Sync.Time Zone: Choose the desired Time Zone:     NTF/Atlabtic/Eastern/Central/    Mountain/Pacific/Alaska.DST: Use this function to set Daylight Saving      Time on or off.Misc Set UpThis menu include: TS Calibrate; Set Password; Parental control.TS Calibrate: The function of it is to select the      TS Calibrate YES or NO. Set password: The function of it is to set the      password of the child lock.Parental control: The function of it is to set      the rating of the age. It contains      Kid Saf/G/PG/PG- 13/PG-R/R/    NC- 17/Adult.Software Update: Choose the function to     update the software. NAV Update: Choose the function to     update the NAV software. Load Factory: The function is to select to load      factory default or not. DVD Region: Choose DVD region.Parking Det.: The function of it is to select     parking det. mode. Select: Ignore,    Level and Seq.Macrovision: The function of it is to select     macrovision ON or OFF.Phone MenuIf you receive a phone call and the Bluetooth is On, the screen will display Phone Interrupt Menu.1.  Press the right top corner to go back to Main  Menu.2.  Touch [Setup] button to set Tel Mute and   Tel SP.EQ Set UpMonitor OFF MenuPress Monitor OFF icon on Main Menu, it will show “Standing By”.  Touch the screen to turn the monitor ON. Tuch the screen again to turn it OFF.Setup OperationsNo. Button Name Function1 Title Name Display title name2 Back Button Close the Audio Settins menu3 EQ Set EQ mode4 BASS Set bass value5 TREBLE Set treble value6 BALANCE Set balance value7 FADER Set fader value8 SW Set Sub Woofer value9 LOUDNESS Set loudness on or off134567892NX_NZ500 0608.findd   4 6/16/2009   8:06:22 AM
EnglishNX500/NZ500448. TROUBLESHOOTINGGENERALDVD PLAYERProblem Cause MeasurePower does not turn on. (No sound is produced.) Fuse is blown. Replace with a fuse of the same amperage. If the fuse blows again, consult your store of purchase.Incorrect wiring. Consult your store of purchase.Nothing happens when buttons are pressed. Display is not accurate.The microprocessor has mal-functioned due to noise, etc. Turn off the power and open the operation panel. Press the reset button with a thin rod. Note: When the Reset button is pressed, turn off the ACC power. * When the Reset button is pressed, frequencies of radio stations, titles, etc. stored in memory are cleared.”The remote control unit does not work. Direct rays of the sun fall on the light-receptive part of the remote control unit.When direct rays of the sun fall on the light-receptive part of the remote control unit, it may not work.The batteries of the remote control unit are dead or there is no battery in the remote control unit.Check the batteries of the remote control unit.Problem Cause MeasureDisc cannot be loaded. Another disc is already loaded. Eject the disc before loading the new one.There is a foreign matter already in place. Eject the foreign matter forcibly.Sound skips or is noisy. Compact disc is dirty. Clean the compact disc with a soft cloth.Compact disc is heavily scratched or warped. Replace with a compact disc with no scratches.Sound is bad directly after power is turned on. Water droplets may form on the internal lens when the car is parked in a humid place.Let dry for about 1 hour with the power on.The image is not displayed. The parking brake is not engaged. Check that the parking brake is engaged.Disc cannot play with the display “PARENTAL VIOLA-TION” shown.Feature exceeds set parental level. Release the view limitation or change the parental level. See the subsection “Setting up the parental level”NX_NZ500 0608.findd   44 6/16/2009   8:06:23 AM
EnglishNX500/NZ500 45USB DEVICEProblem Cause MeasureUSB device cannot be in-serted. The USB device has been inserted with wrong direction. Reversing the connection direction of the USB device, try it again.The USB connector is broken. Replace with a new USB device.USB device is not recognized. The USB device is damaged. Disconnect the USB device and reconnect. If the device is still not recognized, try replac-ing with a different USB device.Connectors are loose.No sound heard with the dis-play “NO FILE” shown. No MP3/WMA/AAC file is stored in the USB device. Store these files properly in the USB device.Sound skips or is noisy. MP3/WMA/AAC files are not encoded properly. Use MP3/WMA/AAC files encoded properly.The iPod/iPhone’s video image is disturbed. The TV Signal setting of the iPod/iPhone is not set correctly. Set the TV Signal setting (NTSC/PAL) of the iPod/iPhone correctly.9. ERROR DISPLAYIf an error occurs, one of the following displays is displayed. Take the measures described below to solve the problem.DVD PLAYERDisplay Cause MeasureBAD DISC A disc is caught inside the CD deck and is not ejected.This is a failure of DVD deck’s mechanism and consult your store of purchase.BAD DISC A disc cannot be played due to scratches, etc.Replace with a non-scratched, non-warped disc.BAD DISC A disc is loaded upside- down inside the DVD deck and does not play.Eject the disc then reload it properly.PARENTAL VIOLATION Parental level error Set the correct Parental level.WRONG REGION Region code error Eject the disc, and replace cor-rect region code disc.If an error display other than the ones described above appears, press the Reset button. If the problem persists, turn off the power and consult your store of purchase.* When the Reset button is pressed, frequencies of radio stations, titles, etc. stored in memory are cleared.NX_NZ500 0608.findd   45 6/16/2009   8:06:23 AM
EnglishNX500/NZ5004610. SPECIFICATIONSFM TunerFrequency Range: 87.9 MHz to 107.9 MHz Usable Sensitivity: 8 dBµV50dB Quieting Sensitivity: 14 dBµVAlternate Channel Selectivity: 70 dBStereo Separation: 25 dB (1 kHz)Frequency Response: 30 Hz to 15kHzAM TunerFrequency Range: 530 kHz to 1710 kHz Usable Sensitivity: 28 dBµVDVD Player SystemDigital Versatile Disc System with CDDA capableUsable discs: DVD video disc, Compact discFrequency Response: 20 Hz to 20 kHz Sound/Noise Ratio: 95 dbA (1W Ref)Dynamic Range: 95 dB (1 kHz)Distortion: 0.05%Video system: NTSCDigital Versatile Disc SystemNavigationMemory: 2GB Flash MemoryUpgrade Platform: USB3D Display Mode: 3D maps, 3D landmarks,                      3D iconsUser Mode: Simple mode, Advanced modeTTS (Text to Speech):       Street AnnouncementsFind Menu:  ADDRESS, POI, HISTORY, COORDINATES, FAVORITES, PLAN ON MAPPOI: 12 MILLIONRoute Calculation: FAST, SHORT, ECONOMICAL, EASYVehicle Selection: CAR, TAXI, BUSRoad Selection: UNPAVED, PERMIT NEEDED MOTOR WAYS, TOLL, FERRIES, BORDER CROSSING, CARPOOL LANESAudio/Video InputAudio input voltage: 300 µVrµs (low)Audio input voltage: 600 µVrµs (med)Audio input voltage: 950 µVrµs (high)Video input voltage: 1.0Vp-p @75Audio/Video output:Audio output impedance: 10kVideo output voltage: 1.0Vp-p @75LCD MonitorNX409 Screen Size: 6.5” wide typePixels: 280,800Resolution: 1200 x 234NZ409 Screen Size: 7” wide typePixels: 336,960Resolution: 1440x234GeneralPower source voltage:14.4 V DC (10.8 to 15.6 V allowable) Ground: NegativeCurrent consumption: 4.0 A (1 W)Auto Antenna Rated Current: 500 mA less NX409 Dimensions of the Main Unit:7” (178mm) Width, 3-15/16” (100mm) Height, 7” (179mm) Depth NX409 Weight of the Main Unit: 3.5 kG NZ409 Dimensions of the Main Unit:7” (178mm) Width, 2” (50 mm) Height,7.5” (191.5mm) DepthNZ409 Weight of the Main Unit: 3.5 kGDimensions of the Remote Control Unit:2-1/8” (54mm) Width, 9/16” (14mm) Height4-13/16” (122 mm) Depth Weight of the Remote Control Unit:50 gramms (including battery)Note:•  Specifications comply with JEITA   Standards.•  Specifications and design are subject    to change without notice for further   improvement.Power Output:18 W RMS x 4 Channels at 4 Ω and 1% THD+NSignal to Noise Ratio:95 dBA (reference: 1 W into 4 Ω)NX_NZ500 0608.findd   46 6/16/2009   8:06:23 AM
EnglishNX500/NZ500 47INSTALLATION /WIRECONNECTION GUIDE1. Before Starting1. This set is exclusively for use in cars with a   negative ground 12V power supply.2. Read these instructions carefully.3. Be sure to disconnect the battery“ ”terminal   before starting. This is to prevent short circuits   during installation. (Figure 1)2. Package Contents3. General Cautions1. Do not open the case. There are no    user- serviceable parts inside. If you    drop anything into the unit during   installation, consult your dealer or an    authorized Clarion service center.2. Use a soft, dry cloth to clean the case.    Never use a rough cloth, thinner,   benzine, or alcohol etc. For tough dirt,    apply a little cold or warm water to a soft    cloth and wipe off the dirt gently.Main unit .................................... 1GPS antenna ............................. 1SMK wiring harness .................. 1AV cable .................................... 1USB extending cable ................. 1Remote control unit ................... 1Battery (CR2025) ...................... 1(Installed in remote control)2DIN Trim ring  ........................... 12DIN trim ring 200mm wide ....... 1Back Strap ................................. 1 Flush mount bolts  ..................... 4 Cap bolts ................................... 4  Rear radio stud and stopper  ..... 1Cleaning cloth ............................ 1Warranty Card ........................... 1CONTENTS1.  BEFORE STARTING .......................................................... 472.  PACKAGE CONTENTS ...................................................... 473.  GENERAL CAUTIONS ....................................................... 474.  CAUTIONS ON INSTALLATION ......................................... 485.  INSTALLING THE MAIN UNIT ............................................ 496.  CAUTIONS ON WIRING ..................................................... 517.  WIRE CONNECTIONS ....................................................... 52 NX_NZ500 0608.findd   47 6/16/2009   8:06:23 AM
EnglishNX500/NZ500484. Cautions on Installation1.  Prepare all articles necessary for   installing the source unit before starting.2.  This model features an operation panel    that slides forward.  On some types of cars, the operation    panel may make contact with the   dashboard or gearshift lever, in which    cause it cannot be installed. Before    installing, check that the unit will not    hamper operation of the gearshift lever    or obstruct your view before selecting    the installation location. (Figure 2) 3.  Install the unit within 30° of the   horizontal plane. (Figure 3)4.  If you have to do any work on the car    body, such as drilling holes, consult your    car dealer before hand.5.  Use the enclosed screws for installation.   Using other screws can cause damage.   (Figure 4)Shift leverChassis ChassisDamageMax. 8 mm (M5 screw)NZ409Figure 2Gearshift lever(Check that it does not touch the LCD)DashboardNX500NZ500Figure 3Figure 4NX_NZ500 0608.findd   48 6/16/2009   8:06:23 AM
EnglishNX500/NZ500 495. Installing the Main Unit For NISSAN vehicle For TOYOTA vehicleMounting Screw Holes (Side View of the  Main Unit)6-Flat head screw(M5  8)(attached to the main unit)6-Spacer (thickness: 1 mm)Finisher (*1)Main UnitMounting bracket(1 pair for the left and right sides)This unit is designed for fixed installation in the dashboard.1.  When installing the main unit in NISSAN   vehicles, use the parts attached to the unit   and follow the instructions in Figure 6.   When installing the main unit in TOYOTA   vehicles, use the parts attached to the vehicle   and follow the instructions in Figure 7.2. Wire as shown in Section 7.3. Reassemble and secure the unit in the   dashboard and set the face panel and center   panel.Figure 6Figure 5Installing the Main Unit in NISSAN VehicleNote:*1: Position the face panel with its wide edge at the bottom. Fit the edge into the groove of the main 6- Spacer (thickness: 1mm)6- Flat head screws(M5x8)(Attached to the main unit)NX_NZ500 0608.findd   49 6/16/2009   8:06:23 AM
EnglishNX500/NZ50050Installing the Main Unit in TOYOTA VehicleInstall by using parts attached to the vehicle. (Screws marked     are attached to the vehicle.)*2  Some panel openings are too small for the    unit depending on the vehicle type and    model. In such a case, trim the upper and    lower sides of the panel frame by about    0.5 to 1.5 mm so the unit can be inserted    smoothly.*3  If a hook on the installation bracket interferes   with the unit, bend and flatten it with a nipper    or similar tool.* 3 Figure 7 Main Unit8-Hexagonal screw (M5  8)Mounting bracket (1 pair for the left and right sides)Center Panel (* 2 )8- Hexagonal screws(M5x8)Figure 7Mounting bracket(1 pair for the leftand right sides)Vehicles other than NISSAN and TOYOTAIn some cases the center panel may require modification. (Trimming, filing, etc.)• Removing the Main UnitWhen the main unit is to be removed, disassemble it in the reverse of the order in “INSTALLING THE MAIN UNIT”.3elpmaxE1elpmaxE Example 2Affix the screws to the   marks.Typical Mounting Brackets NX_NZ500 0608.findd   50 6/16/2009   8:06:24 AM
EnglishNX500/NZ500 516. Cautions on Wiring1. Be sure to turn the power off before wiring.2. Be particularly careful where you route the wires.  Keep them well away from the engine, and   exhaust pipe, etc. Heat may damage the wires.3. If the fuse should blow, check to see if the   wiring is correct.  If a fuse is blown, replace it with a new one of   the same amperage rating as the original (15A FUSE).4. To replace the fuse, remove the old fuse on the back  of the unit and insert the new one. (Figure 8)NOTE:There are various types of fuse holder. Do not let the battery side touch other metal parts.CAUTIONcautionAfter the connection, fix the cord by a clampor insulation tape for protection.Fuse (15A FUSE)Fuse holderFigure 8Figure 8NX_NZ500 0608.findd   51 6/16/2009   8:06:24 AM
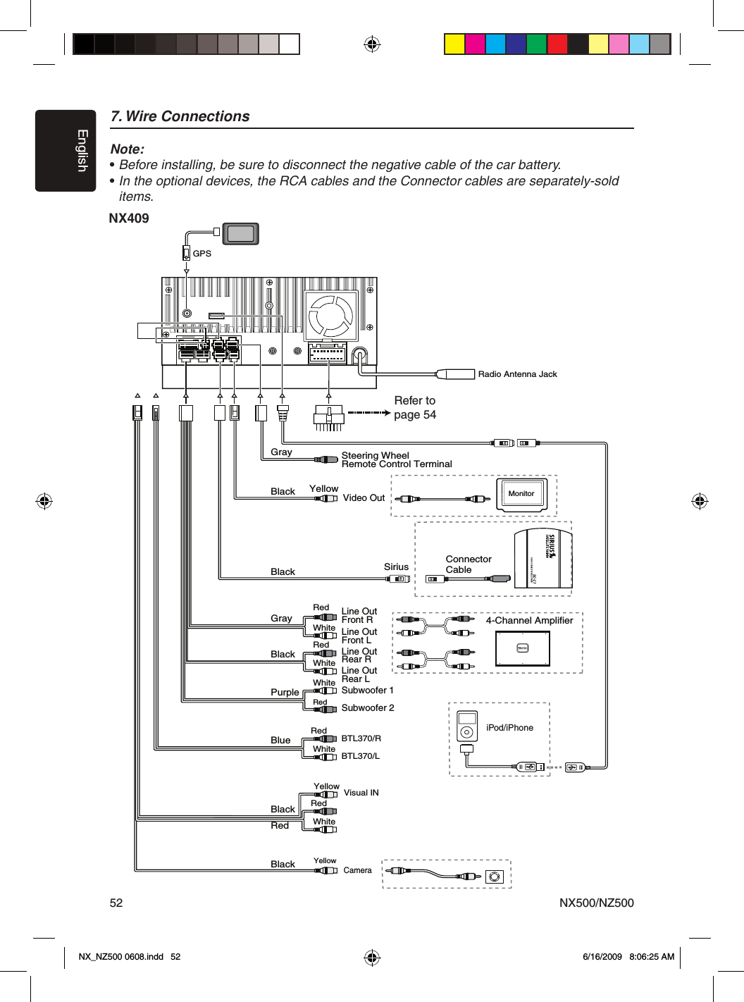
EnglishNX500/NZ50052iPod4-Channel AmplifierSubwoofer 1Subwoofer 2BTL370/RBTL370/LLine Out Rear RLine Out Rear LLine Out Front RLine Out Front LPurpleBlueRedBlackGrayBlackWhiteRedWhiteSteering WheelRemote Control TerminalYellowMonitorYellowConnectorCableSiriusSIRIUS CONNECT VEHICLE TUNERYellowWhiteRedRadio Antenna JackGPSWhiteRedRedRedWhiteGrayBlackBlackBlackCamera7. Wire ConnectionsNote:•Before installing, be sure to disconnect the negative cable of the car battery.•In the optional devices, the RCA cables and the Connector cables are separately-sold items.NX409Refer to page 54iPod/iPhoneNX_NZ500 0608.indd   52 6/16/2009   8:06:25 AMVideo Out Visual IN
EnglishNX500/NZ500 53NZ409Radio Antenna Jack4-Channel AmplifierLine Out SubwooferLine Out Rear RLine Out Rear LLine Out Front RLine Out Video Out Front LVisual INAudio/RAudio/LCameraYellowWhiteWhiteRedRedRedWhiteYellowPurpleGrayRedBlackBlackBlackBlackWhiteConnectorCableBTL370 /LBTL370 /RBlueSteering WheelRemote Control TerminalSiriusYellowSIRIUS CONNECT VEHICLE TUNERGPSMonitoriPodRedWhiteRedRefer to page 54iPod/iPhoneNX_NZ500 0608.indd   53 6/16/2009   8:06:26 AM
EnglishNX500/NZ50054Note:*1: Connecting the PHONE INTERRUPT terminalThe phone interrupt will mute the audio if the lead receives a negative or ground signal.YellowBlackPurplePurple/BlackGrass-greenGrayGray/BlackWhiteWhite/BlackGreenGreen/BlackBlue/WhiteOrange/WhiteRedBrownBlue+12V main powerGroundRear right +Rear right -Parking brake cordFront right +Front right -Front left +Front left -Rear left +Rear left -Amplifier turn-on cordIllumination+12V accessoryPhone interrupt (*1) Auto antennaSee next page for how to connect the parking brake cord.Violet/White ReverseNX_NZ500 0608.indd   54 6/16/2009   8:06:26 AM
EnglishNX500/NZ500 55Connecting the parking brake cordConnect the cord to parking brake lamp ground in the meter panel. Note:• Connecting the parking brake cord to lamp ground allows you to watch iPod/iPhone    video/DVD video/AV input when the parking brake is engaged.• When the parking brake cord is not connected, the monitor will not show any video    sources.• If “AUDIO ONLY” appears on the screen just after turning on the ACC power of the car,    release the parking brake while confirming safety, and then engage the parking brake    again.Connecting the accessories• Connecting to the external amplifier  The external amplifiers can be connected to the 6 channel RCA output connections.    Ensure that the connectors are not grounded or shorted to prevent damage to the unit.• Connecting to iPod/iPhone device  The iPod/iPhone device can be connected to dedicated iPod/iPhone connection on the    main unit. For detailed information, refer to the instruction sheet or manual for the   iPod/iPhone cable.Note:• This unit may not support all functions of all iPod/iPhone devices• The iPod/ iPhone connection will charge your iPod/iPhone unless the iPod/iPhone   battery is completely depleted.  If the specified cord of the cellular phone is connected to the phone interrupt cord of the    main unit, the audio mute is activated when cellular phone in use.• Connecting to Sirius Satellite Radio Receiver  When Sirius Satellite Radio Receiver is to be connected, use the dedicated connector.    For detailed information,refer to the instruction manual of the Sirius Satellite Radio   Receiver.NX_NZ500 0608.findd   55 6/16/2009   8:06:26 AM

Navigation menu