SUNGALE ELECTRONICS TYBT3 Bluetooth module User Manual TYBT2 EN V1x

SUNGALE ELECTRONICS (SHENZHEN) CO., LTD. Bluetooth module TYBT2 EN V1x

15_TYBT3 UserMan

examples.TYBT3TYBT3 DATASHEET 1. Product OverviewTYBT3 is a Bluetooth (BLE) moduledesigned by HangZhouTuya Technology  Corporation. The BLE Module consistsof a highly integratedwireless Bluetooth chipTLSR8266 and someextra electric circuitsthathave been programed with Bluetoothnetwork protocol and plenty of software  includea 32-bit CPU, BLE, 512K  byte  flash,  16k  SRAM,  and 9 multiplex IO pins. Figure 1 shows the block diagramof the TYBT3. Figure 1. The block diagram of the TYBT31.1 Features Integrated low power consumption 32-bit CPU, also known as application processorBasic frequency of the CPU can support 48 MHzSupply voltage range: 1.9V to 3.6VPeripherals: 5*PWM,1*I2C, 1*UARTBLE RF features:Compatible with BLE 4.2Transmitting data rate can go up to 1MbpsTX transmitting power: +7dBmRX receiving sensitivity: -92dBmAES hardware encryptionOn-board PCB antennaBLE IO interface 12M Crystal PCB on-board antenna BLE 4.0/Slave 2.4GHz radio MCU FREQ 48MHz SRAM 16K Bytes FLASH 512K I2C 3.3V input PWM UART Bluetooth module
TYBT3 DATASHEET Operating temperature range: -20℃  to 125℃1.2 Main ApplicationFields Intelligent LEDIntelligent household applicationsIntelligent low-power consumptionsensors
TYBT3 DATASHEET 2. Dimensions and Footprint2.1Dimensions TYBT3have double sides of pins. The distance between each Pin is 2.0mm. Size of TYBT3: 15mm(W)*16.5mm(L). Figure 2 shows the dimensions of TYBT3. Figure 2. The dimensions of TYBT3 2.2 Pin Definition Table 1 shows the generalpin attributes of TYBT3 Table 1. The typical pin definitionof TYBT3 PIN NO.  NAME  TYPE DESCRIPTION 1  SDA  I/O  I2C, data interface,internal pull-up 4.7k resistance 2  SCL  I/O  I2C, clock interface, internal pull-up 4.7k resistance 3  G  I/O  normal IO pin, can be used as PWM output pin, default for Green LED line 4  B  I/O  normal IO pin, can be used as PWM output pin, default for Blue LED line 5  WW  I/O  normal IO pin, can be used as PWM output pin, default for Warm White LED line 6  CW  I/O  normal IO pin, can be used as PWM output pin, default for Cold White LED line 7  R  I/O  normal IO pin, can be used as PWM output pin, default for Red LED line 8  3.3V  P  Supply voltage
TYBT3 DATASHEET 9  TX  I/O  UART TX,can be used as normal IO pin 10  RX  I/O  UART RX,can be used as normal IO pin 11  GND  P  Ground 12  SW  I/O  Bluetooth chipset burning pin 13  RST  I  reset pin for the module,internal pull-up 4.7k resistance 14  GND  P  Ground Note: P: Power supply pins; I/O: Digital input or output pins. SW pin is ONLY used for burning firmware, Can NOT be used for other functions. There are 4.7 pull-up resistance internally for I2C pins, external pull-up resistances are not necessary. When WW pin is outputting PWM signal, It has opposite phase comparing the PWM signal from R/G/B/CW pin. If there’s any customization needed for PWM output, please contact our BD manager.
TYBT3 DATASHEET 3. Electrical Characteristics3.1 Absolute Maximum Ratings Table 2. Absolute Maximum Ratings PARAMETERS  DESCRIPTION  MIN  MAX  UNIT Ts  Storage temperature -20  125  ℃ VCC  Supply voltage  -0.3  3.9  V Electrostatic release quantity (Human body model) TAMB-25℃ -  2  KV Electrostatic release quantity (Machine model) TAMB-25℃ -  0.5  KV 3.2 Electrical Conditions Table 3. Electrical Conditions PARAMETERS  DESCRIPTION  MIN  TYPICAL MAX  UNIT Ta  Temperature for Commercial grade  -20  -  125  ℃ VCC  Supply voltage VIL  IO negative level inputVIH  IO positive level inputVOL  IO negative level outputVoH  IO positive level output3.3Transmitting Current Consumptions Table 4. TX current consumption PARAMETERS  MODE  TYPICAL  UNIT Itx  Continuously transmitting, 0dBm power outputIrx  Continuously receiving IDC  Normal working mode 1.9 3.3 3.6 V -0.3 - VCC*0.3 V VCC*0.7 -  VCC  V VSS -  0.3 V VCC-0.3 -  VCC V  15  mA  12 mA  27 mA  18 uA IdeepsleepSleep modeSleep mode
TYBT3 DATASHEET 4. Radio Specification4.1 Basic Radio Frequency Characteristics Table 5.Basic Radio frequency characteristics PARAMETERS  DESCRIPTION Working Frequency  2.4GHz ISM band Radio standard  BLE 4.2 Data transmitting rate Type of Antenna  On-board PCB Antenna 4.2TransmittingPower Table 6. Transmitting power PARAMETERS  MIN  TYPICAL  MAX  UNIT RF  Average  output  power consumption 3.8  7  dBm 20dB bandwidth  -  1300  -  KHz 4.3Receiving Sensitivity Table 7. Receiving sensitivity PARAMETERS  MIN  TYPICAL  MAX  UNIT RX sensitivity Frequency bias error Co-channel interference Restrain  -  -  -7  -  dB 1Mbps,2Mbps8(1M)20dB bandwidth (2M) -  2600  -  KHz 1Mbps -93 -92 -90 dBm 2Mbps -90 -89 -86 1Mbps -300 - +300 KHz 2Mbps -200 - +200
weld TYBT3 module and  other  electrical 5.Antenna Information5.1 Antenna Type Antenna for TYBT3 module is5.2 Reduce Antenna InterferenceIn  order  to  have  the  bestdistance between the antenna part and the other metal pieces.Since  PCBA  manufacture usecomponents onto the PCB board, RF performance will depend on the layout location and pattof  the  On-board  PCB  antenna. The following figures are some recommended anddis-recommended demonstrations from out R&D team.In  demonstration 1  and  2 of figure 3, the onframe. It’s  recommended  to  use layout pattern shown inon-board PCB  antenna lays outside of the PCB frame directly or PCB framearea  for  the  antenna.  The overall PCBAtesting the module independently.Restricted due to some reason, iframe, it’s suggested to refer to demonstration 3.copperor wire beneath the antenna.It’s NOT recommended to use demonstrathere are copper and wire beneath it. RF performance will haveDemonstration 1: Antenna lay outside thePCB frameTYBT3 DATASHEET Antenna Informationmodule is using 2.4 GHz MIFAOn-board PCBantenna. nterference n order to have the best RF  performance,  it’s  recommended to  keep  abetween the antenna part and the other metal pieces. A manufacture  use SMT  process  to weld  TYBT3  module  and other electricalcomponents onto the PCB board, RF performance will depend on the layout location and pattboard PCB antenna.  The  following  figures  are  some  recommended anddemonstrations from out R&D team. 1 and  2  of  figure  3,  the  on-board  PCB  antenna  lays outsideIt’s recommended to  use  layout  pattern  shown  in demonstration 1  and 2. Either theoutside of the PCB frame directly or PCB frame caroverall  PCBA performance for  these  two  ways  will be the same astesting the module independently. Restricted due to some reason, if the on-board PCB antenna layout has to be inside the PCBer to demonstration 3. The antenna lays inside the PCB frame,the antenna. RF performance will have some loss, approximately 1~2 dBm.It’s NOT recommended to use demonstration 4, the antenna lays inside the PCB frame, andthere are copper and wire beneath it. RF performance will have significantattenuationFigure 3.layoutdemostrations Demonstration 1: Antenna lay outside the PCB frame Demonstration 2: Antenna laythe PCB frame with carved area to keep a minimum15mm components onto the PCB board, RF performance will depend on the layout location and pattern board PCB antenna. The following figures are some recommended  and outside  of  the  PCB 1 and  2.  Either  the carve out a certain for these two ways will  be  the  same  as ut has to be inside the PCB enna lays inside the PCB frame, but no RF performance will have some loss, approximately 1~2 dBm. lays inside the PCB frame, and attenuation. Demonstration 2: Antenna lay outside the PCB frame with carved area
Demonstration 3: Antenna lay inside the PCBframe without copper or wire beneath itTYBT3 DATASHEET Demonstration 3: Antenna lay inside the PCB without copper or wire beneath it Demonstration 4: Antenna lay inside the PCBframe with copper or wire beneath itDemonstration 4: Antenna lay inside the PCB frame with copper or wire beneath it
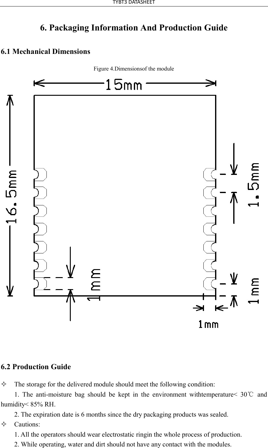
TYBT3 DATASHEET 6. Packaging Information And Production Guide6.1 Mechanical Dimensions Figure 4.Dimensionsof the module 6.2 Production Guide The storage for the delivered module should meet the following condition:1. The  anti-moisture  bag  should  be  kept  in  the  environment  withtemperature<  30℃  andhumidity< 85% RH. 2. The expiration date is 6 months since the dry packaging products was sealed.Cautions:1. All the operators should wear electrostatic ringin the whole process of production.2. While operating, water and dirt should not have any contact with the modules.
TYBT3 DATASHEET   This device complies with Part 15 of the FCC rules. Operation is subject to the following two conditions: 1) this device may not cause harmful interference, and 2) this device must accept any interference received, including interference that may cause undesired operation.Note: This equipment has been tested and found to comply with the limits for a ClassB digital device, pursuant to part 15 of the FCC Rules. These limits are designed toprovide reasonable protection against harmful interference in a residential installation.This equipment generates uses and can radiate radio frequency energy and, if not installed and used in accordance with the instructions, may cause harmful interference to radio communications. However, there is no guarantee that interference will not occur in particular installation. If this equipment does cause harmful interference to radio or television reception, which can be determined by turning the equipment off and on, the user is encouraged to try to correct the interference by one or more of the following measures:--Reorient or relocate the receiving antenna.--Increase the separation between the equipment and receiver.--Connect the equipment into an outlet on a circuit different from that to which the receiver is connected.--Consult the dealer or an experienced radio/TV technician for help.Changes or modifications not expressly approved by the party responsible for compliance could void the user’s authority to operate the equipment.FCC Radiation Exposure StatementThis modular complies with FCC RF radiation exposure limits set forth for an uncontrolled environment. This transmitter must not be co-located or operating in conjunction with any other antenna or transmitter.Note 1: Compliance of this device in all final host configurations is the responsibility of the Grantee. OEM integrators are responsible to satisfy RF exposure requirements. SAR evaluation is valid for portable, mobile and fixed applications. Note 2: Any modifications made to the module will void the Grant of Certification, this module is limited to OEM installation only and must not be sold to end-users, end-user has no manual instructions to remove or install the device, only software or operating procedure shall be placed in the end-user operating manual of final products. Note 3: The device must not transmit simultaneously with any other antenna or transmitter. Note 4: To ensure compliance with all non-transmitter functions the host manufacturer is responsible for ensuring compliance with the module(s) installed and fully operational. For example, if a host was previously authorized as an unintentional radiator under the Declaration of Conformity procedure without a transmitter certified module and a module is added, the host manufacturer is responsible for ensuring that the after the module is installed and operational the host continues to be compliant with the Part 15B unintentional radiator requirements. Since this may depend on the details of how the module is integrated with the host, The manufacturershall provide guidance to the host manufacturer for compliance with the Part 15B requirements.Note 5: FCC ID label on the final system must be labeled with “Contains FCC ID: XBI-TYBT3” The transmitter module must be installed and used in strict accordance with the manufacturer's instructions as described in the user documentation that comes with the host product. SUNGALE ELECTRONICS (SHENZHEN) CO.,LTD is responsible for the compliance of the  module in all final hosts.

Navigation menu