Sichuan Changhong Electronic Component R811USA2 WLAN 802.11a/b/g/n/ac module User Manual
Sichuan Changhong Electronic Component Co., Ltd. WLAN 802.11a/b/g/n/ac module
User Manual

WIFI-2-R811USA2
IEEE 802.11a/ b/g/n/ac 1T1R USB2.0 Wi-Fi Module
特性 Features:
¾ 接收制式 Reserving System
IEEE Std. 802.11a
IEEE Std. 802.11b
IEEE Std. 802.11g
IEEE Std. 802.11n
IEEE Std. 802.11ac
¾ 双波段 Dual Band
2.4G&5.8G
¾ 结构大小 Size
18.20mmx 14.80mm
四川长虹电子部品有限公司
Sichuan Changhong Electronic Component Co., LTD
地址 Add : 四川省绵阳市高新区绵兴东路 35 号
35,east mianxing road,high-tech park,mianyang,Sichuan,china
传真 Fax : +86-0816-2416943
网 址: http://www.changhong.com
技术 热线:

WIFI-2-R811USA2
Dual Band 11ac USB WiFi Module with RTL8811AU
四川长虹电子部品有限公司
Sichuan Changhong Electronic Component Co., Ltd. page 2 of 9
客户确认反馈
Feedback of customer’s Confirmation
经确认,我方承认该规格书
We accept the specification after Confirmed
客户名称
Customer name
客户签字
Customer signature
确认日期
Confirmation Date
请签字后将此页与首页按以下地址回传我公司,谢谢!
Please feed back this paper and first paper after your signature by the address,thanks!
地址:四川省绵阳市高新区绵兴东路 35 号长虹 909 厂区
ADD:Changhong 909 Factory,35,East Mianxing Road,High-tech Park,Mianyang,Sichuan,China
公司:四川长虹电子部品有限公司
Factory: Sichuan Changhong Electronic Component Co., LTD
批准
Approved
审核
Checked
拟制
Designed
产品
Product
WIFI 模组
WIFI MODULE
型号
Model WIFI-2-R811USA2
日期
Date 2016-03-21

WIFI-2-R811USA2
Dual Band 11ac USB WiFi Module with RTL8811AU
四川长虹电子部品有限公司
Sichuan Changhong Electronic Component Co., Ltd. page 3 of 9
更改记录 Record of Modification
序号
No
更改日期
Date of
modification
主要更改内容
Main content of
modification
更改原因
Reason of
modification
更改通知编号
Serial number of
modification
确认
Confirm
1 20160124 首版 覃达开
2 20160321
1、增加包装;
2、增加回流曲线
3、增加产品图片
完善规格书 覃达开

WIFI-2-R811USA2
Dual Band 11ac USB WiFi Module with RTL8811AU
四川长虹电子部品有限公司
Sichuan Changhong Electronic Component Co., Ltd. page 4 of 9
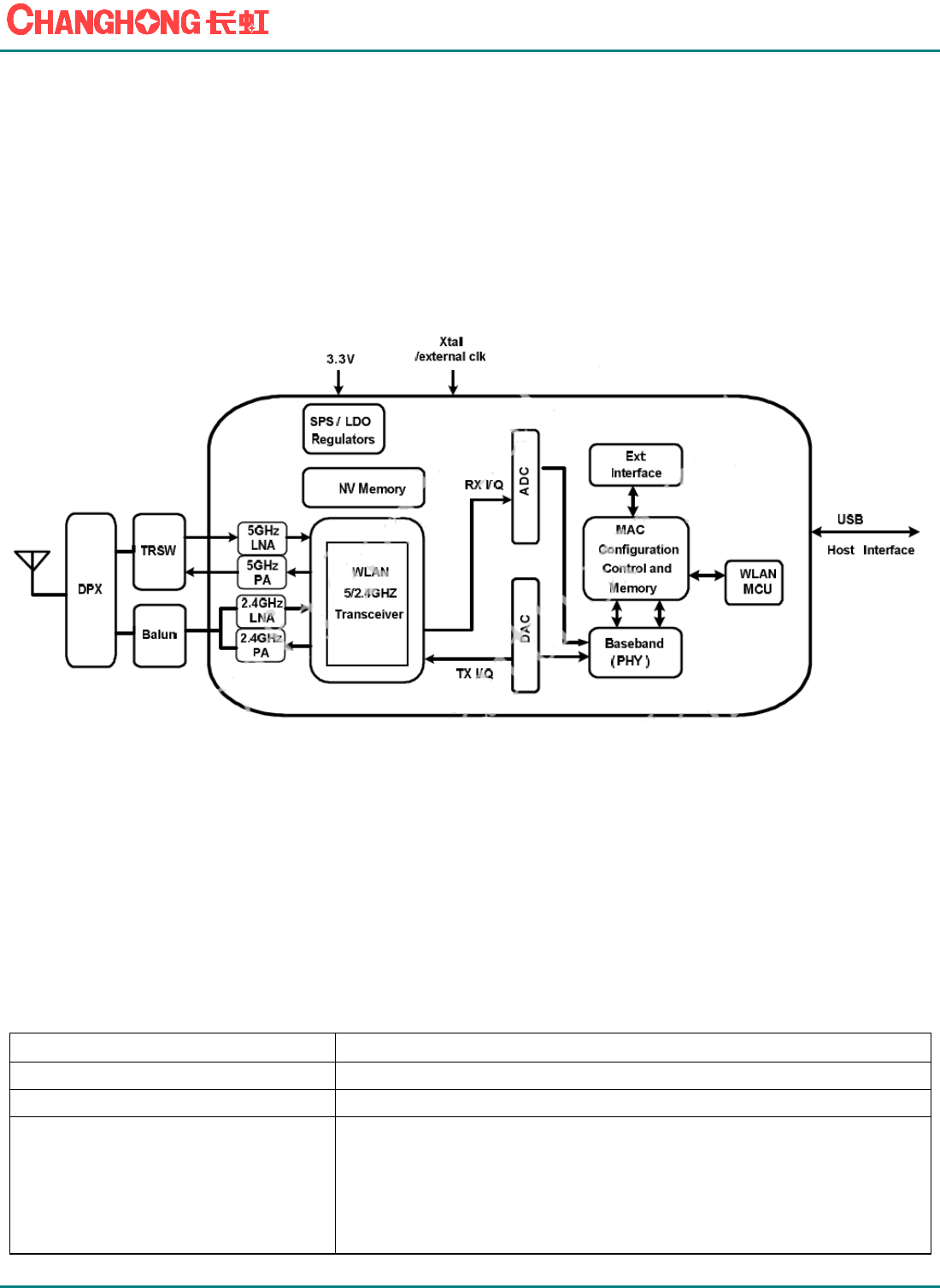
1. Introduction
WIFI-2-R811USA2 is based on realtek RTL8811AU, is a WLAN 11ac module, which fully supports the
features and functional compliance of IEEE 802.11 a/b/g/n/ac standards. This documentation describes
the engineering requirements specification.
1.1 RF module Overview
The general HW architecture for the module is shown in Figure 1. This WLAN Module design is based
on Realtek RTL8811AU. It is a highly integrated single-chip SISO(Single In Single Out) Wireless LAN
(WLAN) USB2.0 network interface controller complying with the 802.11ac specification. It combines a
MAC, a 1T1R capable baseband, and RF in a single chip. The RTL8811AU provides a complete
solution for a high throughput performance wireless client.
Figure 1 Module Block Diagram
1.2 Specification reference
This specification is based on additional references listed below.
_ IEEE Std. 802.11a
_ IEEE Std. 802.11b
_ IEEE Std. 802.11g
_ IEEE Std. 802.11n
_ IEEE Std. 802.11ac
1.3 System Functions
Table1: General Specification as below:
Main Chipset Realtek RTL8811AU-VS
Operating Frequency 2.412~2.472GHz & 5.180 -5.240 GHz& 5.745 -5.825 GHz
Wi-Fi Standard 802.11a/b/g/n/ac (1x1)
Modulation WIFI:
11b: DBPSK, DQPSK and CCK and DSSS
11a/g: BPSK, QPSK, 16QAM, 64QAM and OFDM
11n: BPSK, QPSK, 16QAM, 64QAM and OFDM
11ac: BPSK, QPSK, 16QAM, 64QAM, 256QAM and OFDM
2.412~2.462GHz & 5.180 -5.240 GH z& 5.745 -5.825 GHz

WIFI-2-R811USA2
Dual Band 11ac USB WiFi Module with RTL8811AU
四川长虹电子部品有限公司
Sichuan Changhong Electronic Component Co., Ltd. page 5 of 9
Data rates up to 433.5Mbps
Host Interface USB 2.0
PCB Stack 4-layers design
Dimension Typical,18.20mm(L)*14.80mm(W)
Operation Temperature 0℃ to +60℃
Storage Temperature -25℃ to +85℃
Operation Voltage 3.3V +/-10%
2. Mechanical Specification
2.1 Mechanical Outline Drawing
Typical Dimension ( L x W ): 18.20mmx 14.80mm
Pin definition
PIN Type
1 GND
2 GND
3 RF
4 GND
5 GND
6 D+
7 D-
8 VDD33

WIFI-2-R811USA2
Dual Band 11ac USB WiFi Module with RTL8811AU
四川长虹电子部品有限公司
Sichuan Changhong Electronic Component Co., Ltd. page 6 of 9
3. FCC Statement
This device complies with Part 15 of the FCC rules. Operation is subject to the following two
conditions: 1) this device may not cause harmful interference, and 2) this device must accept
any interference received, including interference that may cause undesired operation.
Note: This equipment has been tested and found to comply with the limits for a Class B digital
device, pursuant to part 15 of the FCC Rules. These limits are designed to provide reasonable
protection against harmful interference in a residential installation. This equipment generates
uses and can radiate radio frequency energy and, if not installed and used in accordance with
the instructions, may cause harmful interference to radio communications. However, there is no
guarantee that interference will not occur in particular installation. If this equipment does cause
harmful interference to radio or television reception, which can be determined by turning the
equipment off and on, the user is encouraged to try to correct the interference by one or more
of the following measures:
--Reorient or relocate the receiving antenna.
--Increase the separation between the equipment and receiver.
--Connect the equipment into an outlet on a circuit different from that to which the receiver is
connected.
--Consult the dealer or an experienced radio/TV technician for help.
Changes or modifications not expressly approved by the party responsible for compliance could
void the user’s authority to operate the equipment.
FCC Radiation Exposure Statement
The modular can be installed or integrated in mobile or fix devices only. This modular cannot be
installed in any portable device, for example, USB dongle like transmitters is forbidden. This
modular complies with FCC RF radiation exposure limits set forth for an uncontrolled
environment. This transmitter must not be co-located or operating in conjunction with any other
antenna or transmitter. This modular must be installed and operated with a minimum distance of
20 cm between the radiator and user body.
If the FCC identification number is not visible when the module is installed inside another device,
then the outside of the device into which the module is installed must also display a label
referring to the enclosed module. This exterior label can use wording such as the following:
“Contains Transmitter Module FCC ID: 2AC49-R811USA2.
When the module is installed inside another device, the user manual of this device must contain
below warning statements; 1. This device complies with Part 15 of the FCC Rules. Operation is
subject to the following two conditions: (1) This device may not cause harmful interference. (2)
This device must accept any interference received, including interference that may cause
undesired operation. 2. Changes or modifications not expressly approved by the party
responsible for compliance could void the user's authority to operate the equipment. The devices
must be installed and used in strict accordance with the manufacturer's instructions as described
in the user documentation that comes with the product.
Any company of the host device which install this modular with limit modular approval should perform the test of
radiated emission and spurious emission according to FCC part 15C and 15E : 15.247 , 15.209 and 15.407 requirement,
Only if the test result comply with FCC part 15C and 15E: 15.247 , 15.209 ,15.407 requirement,then the host can be
sold legally.

WIFI-2-R811USA2
Dual Band 11ac USB WiFi Module with RTL8811AU
四川长虹电子部品有限公司
Sichuan Changhong Electronic Component Co., Ltd. page 7 of 9
4 Antenna matching
The 3th Pin connect to antenna, please refer to design demand
a).模块和天线要求远离干扰源,模块地和天线地要求为一个整体。
b).PIN6为WIFI模组的RF接口,与天线之间布线要求共面阻抗为50Ω,建议使用弧线和直线,长度尽可能短。
c).L1,L2,C1组成π型匹配网络并靠近天线接口设计,具体根据天线推荐及排版设计的实测效果进行调整。

WIFI-2-R811USA2
Dual Band 11ac USB WiFi Module with RTL8811AU
四川长虹电子部品有限公司
Sichuan Changhong Electronic Component Co., Ltd. page 8 of 9
5. Package Information
A1
A0
日期
签名修改摘要标记
修订
12345678
F
A
B
C
D
E
87654321
F
E
D
C
B
A
单 位
图 号
件 数
版本号
模具编号 规 格
材 料
绘图 审核 核准 比 例 第 页
共 页
1:1
视 图
日期 日期 日期
A3
A2
黑色PS
ZA
电子承载带
1.任意10个链孔累计误差不超过± 0.20mm;
2.材料厚度以在载带边缘测量为准;
3.载带长度方向100mm距离的非平行度不可超过1mm;
4.非指明公差范围为:± 0.1mm;超过250mm不计算累计误差;
5.型腔外形凡未标明处倒角R为0.2-0.3;拔模斜度未标注的为3° 以下;
6."○"带字母为重点管控尺寸,每次进料及生产时均需量测。
7.材料:防静电黑色PS;
8.所有尺寸均满足EIA-481-C要求;
注:
包 装 信 息
1400pcs
每卷数量
28M
每盘长度
0.06x25.5mm
自粘带
胶盘 13"x32mm
CH

WIFI-2-R811USA2
Dual Band 11ac USB WiFi Module with RTL8811AU
四川长虹电子部品有限公司
Sichuan Changhong Electronic Component Co., Ltd. page 9 of 9
6、Product Picture
TOP VIEW BOTTOM VIEW
备注:图片仅供参考,背面字符中供应商标示、批次号等信息会稍有不同。