Silicon Laboratories Finland WT32AE Bluetooth Audio Module User Manual WT32 Datasheet Preliminary
Silicon Laboratories Finland Oy Bluetooth Audio Module WT32 Datasheet Preliminary
Contents
- 1. User Manual
- 2. FCC Audio single
- 3. VH_Audio_Handbook_EN
User Manual

WT
WTWT
WT32
3232
32
D a t a S h e e t
D a t a S h e e tD a t a S h e e t
D a t a S h e e t
V e r s i o n 0 . 9 9 2
V e r s i o n 0 . 9 9 2V e r s i o n 0 . 9 9 2
V e r s i o n 0 . 9 9 2
T u e s d a y , J u l y 1 5 , 2 0 0 8
T u e s d a y , J u l y 1 5 , 2 0 0 8T u e s d a y , J u l y 1 5 , 2 0 0 8
T u e s d a y , J u l y 1 5 , 2 0 0 8
Copyright © 2000-2008 Bluegiga Technologies
All rights reserved.
Bluegiga Technologies assumes no responsibility for any errors, which may appear in this manual.
Furthermore, Bluegiga Technologies reserves the right to alter the hardware, software, and/or
specifications detailed herein at any time without notice, and does not make any commitment to
update the information contained herein. Bluegiga Technologies’ products are not authorized for use
as critical components in life support devices or systems.
The iWRAP and WRAP THOR are registered trademarks of Bluegiga Technologies.
The Bluetooth trademark and logo are registered trademarks and are owned by the Bluetooth SIG,
Inc.
All other trademarks listed herein are owned by their respective owners.

Preliminary information – subject to change
2
VERSION HISTORY
Version number: Updates / Changes:
0.992 New images added
0.991 Missing pin added to recommended land pattern design
0.99
Microphone biasing recommendation fixed. Voltage regulator
enable pin description added. Some small fixes. Layout
guidelines for the audio traces added.
0.98
Version history added. Microphone biasing recommendations
specified. Package information added. Pinout AIO0 and AIO1
fixed.
0.97
VREG_ENA pin added to the production version of the module
Layout recommendations added
0.98 Fixed cross references
Preliminary information – subject to change
3
Contents:
1.
Ordering Information ...................................................................................9
2.
Block Diagram and Descriptions .................................................................10
3.
Electrical Characteristics ............................................................................ 12
3.1
Radio Characteristics – Basic Data Rate......................................................... 17
3.2
Radio Characteristics – Enhanced Data Rate .................................................. 18
4.
WT32 Pin Description .................................................................................19
4.1
Device Terminal Functions ........................................................................... 20
5.
Power Control ............................................................................................ 26
5.1
Power Supply Configuration ......................................................................... 26
5.2
Voltage Regulator Enable Pin ....................................................................... 26
5.3
Battery Charger.......................................................................................... 27
5.4
RESET ....................................................................................................... 27
6.
Serial Interfaces.........................................................................................29
6.1
UART Interface........................................................................................... 29
6.1.1
UART Configuration While RESET is Active................................................ 31
6.1.2
UART Bypass Mode................................................................................ 31
6.2
USB Interface ............................................................................................ 32
6.2.1
USB Pull-Up Resistor ............................................................................. 32
6.2.2
Self Powered Mode................................................................................ 32
6.2.3
Bus Powered Mode ................................................................................ 33
6.2.4
Suspend Current................................................................................... 34
6.2.5
Detach and Wake-Up Signaling ............................................................... 34
6.2.6
USB Driver ........................................................................................... 35
6.2.7
USB 1.1 Compliance .............................................................................. 35
6.2.8
USB 2.0 Compatibility............................................................................ 35
6.3
SPI Interface.............................................................................................. 36
7.
Audio Interfaces......................................................................................... 37
7.1
Audio Interface .......................................................................................... 37
Preliminary information – subject to change
4
7.1.1
Audio Input and Output ......................................................................... 37
7.2
Stereo Audio CODEC Interface ..................................................................... 38
7.2.1
ADC .................................................................................................... 39
7.2.2
DAC .................................................................................................... 40
7.2.3
IEC 60958 Interface .............................................................................. 41
7.2.4
Microphone Input .................................................................................. 42
7.2.5
Line Input ............................................................................................ 44
7.2.6
Output Stage........................................................................................ 45
7.3
Digital Audio Interface (I
2
S) ......................................................................... 47
7.4
PCM Interface ............................................................................................ 50
7.4.1
PCM Interface Master/Slave.................................................................... 50
7.4.2
Long Frame Sync .................................................................................. 51
7.4.3
Short Frame Sync ................................................................................. 51
7.4.4
Multi Slot Operation............................................................................... 52
7.4.5
GCI Interface........................................................................................ 52
7.4.6
Slots and Sample Formats...................................................................... 53
7.4.7
Additional Features ............................................................................... 54
7.4.8
PCM CLK and SYNC Generation ............................................................... 54
7.4.9
PCM Configuration................................................................................. 54
8.
I/O Parallel Ports ....................................................................................... 56
9.
Software Stacks .........................................................................................57
9.1
iWRAP Stack .............................................................................................. 57
9.2
RFCOMM Stack........................................................................................... 58
9.3
VM Stack ................................................................................................... 59
10.
Enhanced Data Rate ................................................................................... 61
10.1
Enhanced Data Rate Baseband ............................................................... 61
10.2
Enhanced Data Rate ∏/4 DQPSK ............................................................. 61
10.3
8DQPSK............................................................................................... 62
11.
Layout and Soldering Considerations .........................................................63
Preliminary information – subject to change
5
11.1
Soldering Recommendations................................................................... 63
11.2
Layout Guidelines.................................................................................. 63
11.2.1
Audio Layout ..................................................................................... 63
11.2.2
Antenna Design.................................................................................. 63
12.
WT32 Physical Dimensions......................................................................... 66
13.
Package......................................................................................................67
14.
Certifications .............................................................................................. 69
14.1
Bluetooth ............................................................................................. 69
14.2
FCC ..................................................................................................... 70
14.3
CE....................................................................................................... 71
14.4
Industry Canada (IC)............................................................................. 71
15.
RoHS Statement with a List of Banned Materials........................................72
16.
Contact Information ................................................................................... 73

Preliminary information – subject to change
6
Terms & Abbreviations
Term or Abbreviation: Explanation:
A2DP Advanced Audio Distribution Profile
AAC Advanced Audio Coding
AVRCP Audio/Video Remote Control Profile
Bluetooth Set of technologies providing audio and data transfer over short-
range radio connections
CE Conformité Européene
DFU Device Firmware Upgrade
DSP Digital Signal Processing
EDR Enhanced Data Rate
FCC Federal Communications Commission
HCI Host Controller Interface
HFP Hands-Free Profile
HID Human Interface Device
IC Integrated Circuit
iWRAP Interface for WRAP
MP3 MPEG-1 Audio Layer
OPP Object Push Profile
PCB Printed Circuit Board

Preliminary information – subject to change
7
PCM Pulse Code Modulation
RoHS The Restriction of Hazardous Substances in Electrical and
Electronic Equipment Directive (2002/95/EC)
SBC Sub Band Codec
SPI Serial Peripheral Interface
SPP Serial Port Profile
UART Universal Asynchronous Transmitter Receiver
USB Universal Serial Bus
VM Virtual Machine
VoIP Voice over Internet Protocol
WRAP Wireless Remote Access Platform

Preliminary information – subject to change
8
WT32 Bluetooth® Audio Module
DESCRIPTION
WT32 is the latest generation of
Bluetooth modules. It provides highest
level of integration with integrated
2.4GHz radio, DSP, battery charger,
stereo codec, and antenna ready to hit
mono and stereo audio applications.
WT32 is also ready to support the latest
Bluetooth 2.1 standard.
The embedded DSP core allows
enhancement of the product with
features such as advanced audio
decoding (MP3, AAC, AAC+), echo
cancellation, noise reduction, and data
manipulation.
Bluegiga’s flexible iWRAP firmware
enables device manufacturers to easily
add wireless, secure, and standard-
based Bluetooth connectivity into new or
existing applications with very limited
development and manufacturing effort.
WT32 is Bluetooth End Product, CE and
FCC certified meaning that OEMs do not
need to apply any additional
certifications.
APPLICATIONS:
• High quality wireless stereo headsets
• Wireless mono headsets
• Wireless speakers
• USB multimedia dongles
• MP3 players
• VoIP handsets
• Hands-free car kits
FEATURES:
• Plug n’ Play Bluetooth Solution for
Mono and Stereo Audio Solutions
• Integrated DSP, Stereo Codec, and
Battery Charger
• Integrated Antenna and W.FL
Connector
• Bluetooth 2.0 Compliant and
Bluetooth 2.1 Ready
• Bluetooth End Product, CE and FCC
Qualified
• Class 2 - Range up to 30 Meters
• Industrial Temperature Range from
-40C to +85C
• Low Power Consumption
• iWRAP™ Firmware for Controlling
Connections and Configuring Settings
• Supported Bluetooth Profiles: A2DP,
AVRCP, HFP, HFP-AG, SPP, OPP and
HID

Preliminary information – subject to change
9
1. ORDERING INFORMATION
*) Custom firmware refers to any standard firmware with custom parameters (like UART
baud rate), custom firmware developed by customer, or custom firmware developed by
Bluegiga for the customer. To order custom firmware, you must have a properly filled
Custom Firmware Order Form and a unique ordering code issued by Bluegiga.
Contact support@bluegiga.com for more information.
WT32-A-AI
Product series
Fimrware
AI = iWRAP
HCI = HCI (USB interface=
C
=
custom
*
HW version
A = Chip antenna, industrial
temperature range
E = W.FL connector, industrial
temperature range
N = RF pin, industrial temperature
range

Preliminary information – subject to change
10
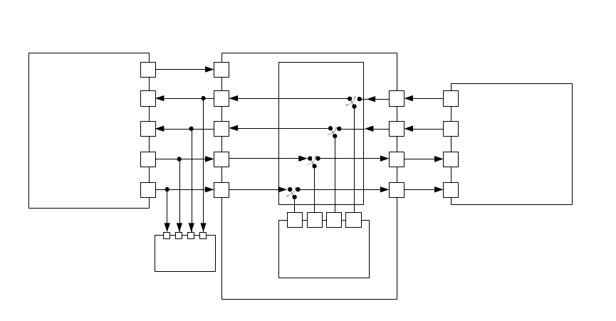
2. BLOCK DIAGRAM AND DESCRIPTIONS
RAM
Baseband
DSP
MCU
Kalimba DSP
2.4
GHz
Radio
I/O
BC05-MM
XTAL
Balanced
filtter
Antenna
Flash
UART/USB
PIO
Audio In/Out
PCM/I
2
S/SPDIF
SPI
Reset
circuitry
Figure 1: Block diagram of WT32
BC05-MM
The BlueCore05-MM is a single-chip radio and baseband IC for Bluetooth 2.4GHz systems.
It provides a fully compliant Bluetooth system to v2.0+EDR of the specification for data
and voice.
BlueCore05-MM contains the Kalimba DSP co-processor with double the MIPS of
BlueCore03-MM, supporting enhanced audio applications. BlueCore05-MM integrates a 16-
bit stereo codec and it has a fully differential audio interface with a low noise microphone
bias.
Crystal
The crystal oscillates at 26MHz.
Flash
Flash memory is used for storing the Bluetooth protocol stack and Virtual Machine
applications. It can also be used as an optional external RAM for memory-intensive
applications.
Balanced Filter
Combined balun and filter changes the balanced input/output signal of the module to
unbalanced signal of the antenna. The filter is a band pass filter (ISM band).
Antenna
WT32 uses ceramic chip antenna with high dielectric constant, which makes the antenna
very insensitive to surrounding environment and thus gives high design freedom around
the antenna.
Preliminary information – subject to change
11
USB
The USB interface is a full speed Universal Serial Bus (USB) interface for communicating
with other compatible digital devices. WT32 acts as a USB peripheral, responding to
requests from a Master host controller such as a Personal Computer (PC).
Synchronous Serial Interface
This interface is a synchronous serial port interface (SPI) for interfacing with other digital
devices. The SPI port can be used for system debugging. It can also be used for
programming the Flash memory.
UART
This interface is a standard Universal Asynchronous Receiver Transmitter (UART) interface
for communicating with other serial devices.
PCM / I
2
S / SPDIF Interface
This interface is a bi-directional serial programmable audio interface supporting PCM, I2S
and SPDIF formats.
Audio Interface
The audio interface of WT32 has fully differential inputs and outputs and a low noise
microphone bias output. A high-quality stereo audio Bluetooth application can be
implemented with minimum amount of external components.
Programmable I/O
WT32 has a total of 10 digital programmable I/O terminals. These are controlled by the
firmware running on the device.
Reset
WT32 has a reset circuitry that is used to reset the module in the startup to ensure proper
operation of the flash memory. Alternatively, the reset can be externally driven by using a
WT32 reset pin.
802.11 Coexistence Interface
Dedicated hardware is provided to implement a variety of coexistence schemes. Channel
skipping AFH (Adaptive Frequency Hopping), priority signaling, channel signaling, and host
passing of channel instructions are all supported. The features are configured in firmware.
Since the details of some methods are proprietary (e.g. Intel WCS), please contact
Bluegiga Technologies for details.

Preliminary information – subject to change
12
3. ELECTRICAL CHARACTERISTICS
Absolute maximum ratings
Min Max Unit
Storage temperature -40 85 °C
Operating temperature -40 85 °C
VDD_IO -0.3 3.6 V
VDD_BAT V
VDD_CHG V
Terminal voltages -0.4 Vdd + 0,4 V
Output current from PIOs TBD mA
The module should not continuously run under these conditions. Exposure to absolute maximum
rating conditions for extended periods of time may affect reliability and cause permanent damage
to the device.
Table 1: Absolute maximum ratings
Recommended operating conditions
Min Max Unit
Operating temperature -40 85 °C
VDD_IO 1.7 3.6 V
VDD_BAT 2.5 4.4 V
VDD_CHG 0 6.5 V
Terminal voltages 0 Vdd V
Table 2: Recommended operating conditions

Preliminary information – subject to change
13
Terminal characteristics
Min Typ
Max Unit
I/O voltage levels
V
IL
input logic level low -0.4 - 0.25xVDD V
V
IH
input logic level high 0.625xVDD - Vdd + 0.3 V
V
OL
output logic level low 0 - 0.125 V
V
OH
output logic level high 0.75xVDD - VDD V
Reset terminal
V
TH,res
threshold voltage 0.64 0.85
1.5 V
R
IRES
input resistance 220 kΩ
C
IRES
input capacitance 220 nF
Input and tri-state current with
Strong pull-up -100 -40 -10 µΑ
Strong pull-down 10 40 100 µΑ
Weak pull-up -5 -1 -0.2 µΑ
Weak pull-down 0.2 1 5 µΑ
I/O pad leakage current -1 0 1 µΑ
LED driver pad
Off current - 1 2 µΑ
On resistance (V
PAD
< 0.5 V) - 20 33 Ω
On resistance, pad enabled by battery
charger (V
PAD
< 0.5 V) - 20 50 Ω
Table 3: Terminal characteristics

Preliminary information – subject to change
14
Battery charger
Battery charger Min Typ Max Unit
VDD_CHG 4.5 - 6.5 V
Charging mode (VDD_BAT rising to 4.2 V)
Supply current
(a)
- 4.5 6 mA
Maximum setting - 14 - mA
Battery trickle
charge current
(b) (c)
Minimum setting - 4 - mA
Headroom > 0.7 V
(e)
- 140 - mA
Maximum battery
fast charge current
(d) (c)
Headroom = 0.3 V - 120 - mA
Headroom > 0.7 V - 40 - mA
Maximum battery
fast charge current
(d) (c)
Headroom = 0.3 V - 35 - mA
Trickle charge voltage threshold - 2.9 - V
Float voltage (with correct trim value set),
V
FLOAT(f)
4.17 4.2 4.23 V
Float voltage trim step size
(f)
- 50 - mV
Battery charge termination current, as a
percentage of the fast charge current 5 10 20 %
Standby Mode (BAT_P falling from 4.2V)
Supply current
(a)
- 1.5 2 mA
Battery current - -5 - µA
Battery recharge hysteresis
(g)
100 - 200 mV
Shutdown Mode (VDD_CHG too low or disabled by firmware)
VDD_CHG rising - 3.9 - V
VDD_CHG under-
voltage
threshold VDD_CHG falling - 3.7 - V
VDD_CHG rising - 0.22 - V
VDD_CHG - BAT_P
lockout
threshold VDD_CHG falling - 0.17 - V
Supply current - 1.5 2 mA
Battery current -1 - 0 µA
(a)
Current into VDD_CHG - does not include current delivered to battery (I VDD_CHG - I BAT_P)
(b)
BAT_P < Float voltage
(c)
Charge current can be set in 16 equally spaced steps
(d)
Trickle charge threshold < BAT_P < Float voltage
(e)
Where headroom = VDD_CHG - BAT_P
(f)
Float voltage can be adjusted in 15 steps. Trim setting is determined in production test and must be loaded
into the battery charger by firmware during boot-up sequence
(g)
Hysteresis of (VFLOAT - BAT_P) for charging to restart
Table 4: Battery charger characteristics

Preliminary information – subject to change
15
Power Consumption
TBD
Stereo CODEC Analogue to Digital Converter
Parameter Conditions Min
Typ
Max
Unit
Resolution - - 16 Bits
Input Sample
Rate, F
sample
8 - 44.1
kHz
F
sample
8 kHz - 82 - dB
11.025
kHz - 81 - dB
16 kHz - 80 - dB
22.050
kHz - 79 - dB
32 kHz - 79 - dB
Signal to Noise
Ratio, SNR
fin = 1kHz
B/W =
20Hz→20kHz
A-Weighted
THD+N < 1%
150mVpk-pk input
44.1 kHz - 78 - dB
Digital Gain Digital Gain Resolution = 1/32dB -24 - 21.5
dB
Analogue Gain Analogue Gain Resolution = 3dB -3 - 42 dB
Input full scale at maximum gain (differential) - 4 - mV rms
Input full scale at minimum gain (differential) - 800 - mV rms
3dB Bandwidth - 20 - kHz
Microphone mode input impedance - 6.0 - kΩ
THD+N (microphone input) @ 30mV rms input - 0.04
- %
Table 5: Stereo CODEC ADC characteristics
Stereo CODEC Digital to Analog Converter
Parameter Conditions Min Typ
Max
Unit
Resolution - - 16 Bits
Input Sample
Rate, F
sample
8 - 48 kHz
F
sample
8 kHz - 95 - dB
11.025 kHz - 95 - dB
16 kHz - 95 - dB
22.050 kHz - 95 - dB
32 kHz - 95 - dB
Signal to Noise
Ratio, SNR
fin = 1kHz
B/W =
20Hz→20kHz
A-Weighted
THD+N < 1%
150mVpk-pk input
44.1 kHz - 95 - dB
Digital Gain Digital Gain Resolution = 1/32dB -24 - 21.5
dB
Analogue Gain Analogue Gain Resolution = 3dB 0 - -21 dB
Output voltage full scale swing (differential) - 750
- mV rms
Resistive 16(8)
- OC Ω
Allowed Load Capacitive - - 500 pF
THD+N 100kΩ load - - 0.01
%
THD+N 16Ω load - - 0.1 %
SNR (Load = 16Ω, 0dBFS input relative to digital
silence) - 95 - dB
Table 6: Stereo CODEC DAC characteristics

Preliminary information – subject to change
16
Radio characteristics and general specifications
Specification Note
Operating frequency
range (2400 ... 2483,5) MHz ISM Band
Lower quard band 2 MHz
Upper quard band 3,5 MHz
Carrier frequency 2402 MHz ... 2480 MHz f = 2402 + k,
k = 0...78
Modulation method
GFSK (1 Mbps)
∏/4 DQPSK (2Mbps)
8DQPSK (3Mbps)
Hopping 1600 hops/s, 1 MHz channel space
GFSK:
Asynchronous, 723.2
kbps / 57.6 kbps
Synchronous: 433.9
kbps / 433.9 kbps
∏/4 DQPSK:
Asynchronous, 1448.5
kbps / 115.2 kbps
Synchronous: 869.7
kbps / 869.7 kbps
Maximum data rate
8DQPSK:
Asynchronous, 2178.1
kbps / 177.2 kbps
Synchronous: 1306.9
kbps / 1306.9 kbps
Receiving signal range TBD Typical condition
Receiver IF frequency 1.5 MHz Center frequency
Min TBD
Transmission power Max TBD
RF input impedance 50 Ω
Compliance Bluetooth specification, version 2.1 + EDR
USB specification USB specification, version 1.1 (USB 2.0
compliant)
Table 7: Radio characteristics and general specifications
Preliminary information – subject to change
17
3.1 Radio Characteristics – Basic Data Rate
Transmitter radio characteristics
TBD
Receiver radio characteristics
TBD
Preliminary information – subject to change
18
3.2 Radio Characteristics – Enhanced Data Rate
Transmitter radio characteristics
TBD
Receiver radio characteristics
TBD

Preliminary information – subject to change
19
4. WT32 PIN DESCRIPTION
AUDIO_OUT_N_LEFT
AUDIO_OUT_P_LEFT
AUDIO_OUT_P_RIGHT
AUDIO_OUT_N_RIGHT
AGND
AUDIO_IN_N_LEFT
AUDIO_IN_P_LEFT
AGND
AUDIO_IN_N_RIGHT
AUDIO_IN_P_RIGHT
MIC_BIAS
AGND
VDD_CHG
VDD_BAT
LED0
SPI_MOSI
SPI_MISO
SPI_CLK
SPI_NCSB
PCM_CLK
PCM_SYNC
PCM_OUT
PCM_IN
PIO4
PIO5
PIO6
PIO7
PIO8
UART_NCTS
UART_NRTS
RESET
DGND
VDD_IO
UART_TXD
UART_RXD
PIO10
PIO9
USB_D+
USB_D-
PIO3
PIO2
PIO1
PIO0
AIO1
AIO0
DGND
DGND
DGND
RF
1
17 31
50
RFTP
DGND
VREG_ENA
Figure 2: WT32 connection diagram (top view)
NOTE: VREG_ANA pin is only available with the production version of the module. With
engineering samples the VREG_ENA is internally connected to VDD_BAT.
DEVICE TERMINALS
1 VREG_ENA
2 DGND
3 DGND
4 DGND
5 AIO0
6 AIO1
7 PIO0
8 PIO1
9 PIO2
10 PIO3
11 USB_DN
12 USB_DP
13 PIO9
14 PIO10
15 RXD
16 TXD
17 VDD_IO

Preliminary information – subject to change
20
18 DGND
19 RESET
20 RTS#
21 CTS#
22 PIO8
23 PIO7
24 PIO6
25 PIO5
26 PIO4
27 PCM_IN
28 PCM_OUT
29 PCM_SYNC
30 PCM_CLK
31 DGND
32 SPI_CS#
33 SPI_CLK
34 SPI_MISO
35 SPI_MOSI
36 LED0
37 VDD_BAT
38 VDD_CHG
39 AGND
40 MIC_BIAS
41 AUDIO_IN _P_RIGHT
42 AUDIO_IN _N_RIGHT
43 AGND
44 AUDIO_IN _P_LEFT
45 AUDIO_IN_N_LEFT
46 AUDIO_OUT _N_RIGHT
47 AUDIO_OUT _P_RIGHT
48 AGND
49 AUDIO_OUT_N_LEFT
50 AUDIO_OUT_P_LEFT
RFTP RF test point
Table 8: WT32 device terminals
4.1 Device Terminal Functions
DGND
Connect digital GND pins to the ground plane of the PCB.
AGND
Ground for the audio signals. AGND and DGND are internally combined in WT32. Use solid
ground plane for AGND and keep AGND and DGND planes separated.
VDD_IO
Supply voltage connection for the digital I/Os of the module. Supply voltage at this pin can
vary between 1.8 V and 3.3 V. Output voltage swing at the digital terminals of WT32 is 0
to VDD_IO.

Preliminary information – subject to change
21
VDD_BAT
Input for an internal 1.8 V switched mode regulator combined with output of the internal
battery charger. See chapter 5.3 for detailed description for the charger. When not
powered from a battery, VDD_IO and VDD_BAT can be combined to a single 3.3 V supply
voltage.
VREG_ENA
Enable pin for the internal 1,8 V regulator. This pin is only available with production
version. With the engineering samples VREG_ENA is internally connected to VDD_BAT.
VDD_CHG
Charger input voltage. The charger will start operating when voltage to this pin is applied.
When the charger is not used, this pin should be left floating. See chapter 5.3 for detailed
description of the charger.
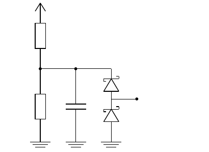
RES
The RESET pin is an active high reset and is internally filtered using the internal low
frequency clock oscillator. A reset will be performed between 1.5 and 4.0ms following
RESET being active. It is recommended that RESET be applied for a period greater than
5ms.
WT32 has an internal reset circuitry, which keeps the reset pin active until supply voltage
has reached stability in the start up. This ensures that supply for the flash memory inside
the WT32 will reach stability before BC4 chip fetches instructions from it. Schematic of the
reset circuitry is shown in figure 3. Rising supply voltage charges the capacitor, which will
activate the reset of WT32. The capacitor discharges through 220 kΩ resistor, which
eventually deactivates the reset. Time constant of the RC circuitry is set in a way that the
supply voltage is safely stabilized before the reset deactivates. Pull-up or pull-down
resistor should not be connected to the reset pin to ensure proper start up of WT32. If the
reset pin of WT32 is in use, the designer should verify that WT32 remains in reset during a
start-up until all supply voltages have stabilized.
Figure 3: WT32 internal reset circuitry
See chapter 4 for detailed description of reset.
Preliminary information – subject to change
22
PIO0 – PIO10
Programmable digital I/O lines. All PIO lines can be configured through software to have
either weak or strong pull-ups or pull-downs. Configuration for each PIO line depends on
the application. See section 10 “I/O parallel ports” for detailed descriptions for each
terminal. Default configuration for all of the PIO lines is input with weak internal pull-up.
AIO0 – AIO1
AIOs can be used to monitor analogue voltages such as a temperature sensor for the
battery charger. AIOs can also be configured to be used as digital I/Os. The voltage level
at these pins is 0 V to 1,5 V.
UART_NRTS
A CMOS output with a weak internal pull-up. This pin can be used to implement RS232
hardware flow control where RTS (request to send) is an active low indicator. The UART
interface requires an external RS232 transceiver chip.
UART_NCTS
A CMOS input with a weak internal pull-down. This pin can be used to implement RS232
hardware flow control where CTS (clear to send) is an active low indicator. The UART
interface requires an external RS232 transceiver chip.
UART_RXD
A CMOS input with a weak internal pull-down. RXD is used to implement UART data
transfer from another device to WT32. The UART interface requires an external RS232
transceiver chip.
UART_TXD
A CMOS output with a weak internal pull-up. TXD is used to implement UART data transfer
from WT32 to another device. The UART interface requires external RS232 transceiver
chip.
Preliminary information – subject to change
23
PCM_OUT
A CMOS output with a weak internal pull-down. Used in the PCM (pulse code modulation)
interface to transmit digitized audio. The PCM interface is shared with the I
2
S interface.
PCM_IN
A CMOS input with a weak internal pull-down. Used in the PCM interface to receive
digitized audio. The PCM interface is shared with the I
2
S interface.
PCM_CLK
A bi-directional synchronous data clock signal pin with a weak internal pull-down. PCMC is
used in the PCM interface to transmit or receive the CLK signal. When configured as a
master, WT32 generates the clock signal for the PCM interface. When configured as a
slave, the PCMC is an input and receives the clock signal from another device. The PCM
interface is shared with the I
2
S interface.
PCM_SYNC
A bi-directional synchronous data strobe with a weak internal pull-down. When configured
as a master, WT32 generates the SYNC signal for the PCM interface. When configured as a
slave, the PCMS is an input and receives the SYNC signal from another device. The PCM
interface is shared with the I
2
S interface.
USB_D+
A bi-directional USB data line with a selectable internal 1.5 kΩ pull-up implemented as a
current source (compliant with USB specification v1.2) An external series resistor is
required to match the connection to the characteristic impedance of the USB cable.
USB_D-
A bi -directional USB data line. An external series resistor is required to match the
connection to the characteristic impedance of the USB cable.
SPI_NCSB
A CMOS input with a weak internal pull-down. Active low chip select for SPI (serial
peripheral interface).
SPI_CLK
A CMOS input for the SPI clock signal with a weak internal pull-down. WT32 is the slave
and receives the clock signal from the device operating as a master.
SPI_MISO
An SPI data output with a weak internal pull-down.
SPI_MOSI
An SPI data input with a weak internal pull-down.
RF
This pin can be used when not using a chip antenna or w.fl connector of the module.

Preliminary information – subject to change
24
AUDIO_IN_P_RIGHT and AUDIO_IN_N_RIGHT
Right channel audio inputs. This dual audio input can be configured to be either single-
ended or fully differential and programmed for either microphone or line input. Route
differential pairs close to each other and use a solid dedicated audio ground plane for the
audio signals.
Audio inputs are sensitive to ESD strikes and thus it is recommended to use ESD clamping
diodes at the audio input terminals. Audio signals internal to WT32 use 1.5 V supply and
thus a voltage divider has to be placed to create 1.5 V reference for the ESD clamping
diodes. A capacitor placed next to the voltage divider will short high frequency ESD strikes
to a solid ground plane and thus prevent damage to the module. The voltage divider can
be common for all audio input signals and the capacitor should be placed as close to the
diodes as possible.
Audio_In_xxx
R1
R2
C
BAT54S or equivalent
VDD
DGND
1V5
Figure 4: Recommended input implementation for audio
AUDIO_IN_P_LEFT and AUDIO_IN_N_LEFT
Left channel audio input. ESD protection and layout considerations similar to right channel
audio should be used.
AUDIO_OUT_P_RIGHT and AUDIO_OUT_N_RIGHT
Right channel audio output. The audio output lines should be routed differentially to either
the speakers or to the output amplifier, depending on whether or not a single-ended signal
is required. Use low impedance ground plane dedicated for the audio signals.
AUDIO_OUT_P_LEFT and AUDIO_OUT_N_LEFT
Left channel audio output. The same guidelines apply to this section as discussed
previously.
MIC_BIAS
Bias voltage output for a microphone. Use the same layout guidelines as discussed
previously with other audio signals.
LED0
WT32 includes a pad dedicated to driving LED indicators. This terminal may be controlled
by firmware and it can also be set by the battery charger. The terminal is an open-drain
output, so the LED must be connected from a positive supply rail to the pad in series with
a current limiting resistor.

Preliminary information – subject to change
25
It is recommended that the LED pad is operated with a pad voltage below 0.5V. In this
case, the pad can be thought of as a resistor, RON. The resistance together with the
external series resistor will set the current, ILED, in the LED. Value for the external series
resistance can be calculated from the Equation 1
ON
LED
F
LED R
I
VVDD
R−
−
=
Equation 1: LED series resistor
Where V
F
is the forward voltage drop of the LED, I
LED
is the forward current of the LED and
R
ON
is the on resistance (typically 20 Ω) of the LED driver.

Preliminary information – subject to change
26
5. POWER CONTROL
5.1 Power Supply Configuration
WT32 contains an internal battery charger and a switch mode regulator that is mainly used
for internal blocks of the module. The module can be powered from a single 3.3 V supply
provided that VDD_CHG is floating. Alternatively the module can be powered from a
battery connected to VDD_BAT and using an external regulator for VDD_IO. 1.8 V to 3.3 V
supply voltage for VDD_IO can be used to give desired signal levels for the digital
interfaces of the module. USB, however, requires 3.3 V for proper operation and thus,
when USB is in use, 3.3 V for VDD_IO is mandatory.
AIO pins of the module use 1.8 V from the internal regulator and thus voltage level with
these pins is within 0 V and 1.8 V.
VDD_BAT
Switch mode 1,8 V
regulator
VDD_IO
Battery Charger
In
Out
VDD_CHG AIO
Audio
RF
Flash
PIO
USB
UART
PCM
VREG_ENA
Figure 5: Power supply configuration of WT32
5.2 Voltage Regulator Enable Pin
The regulator enable pin VREG_ENA is used to enable WT32. VREG_ENA enables the on-
chip switched mode regulator.
VREG_ENA is active high, with a logic threshold of around 1V, and it has weak pull-down.
It can tolerate voltages up to 4.9V, so it may be connected directly to a battery to enable
the device.
When the voltage regulator enable pin is pulled high the active regulator is enabled,
allowing the device to boot-up. The firmware is then able to latch the regulator on and the
regulator enable pins may be released. The status of the VREGENABLE_H pin is available
to firmware through an internal connection. VREGENABLE_H also works as an input line.
VDD_IO is the supply voltage for the digital interfaces of WT32 and it requires an external
voltage regulator.
Preliminary information – subject to change
27
5.3 Battery Charger
The battery charger is a constant current / constant voltage charger circuit, and is suitable
for lithium ion/polymer batteries only. It shares a connection to the battery terminal,
VDD_BAT, with the switch-mode regulator. The charger is initially calibrated by Bluegiga
Technologies to have V
float
= 4.2 V.
The constant current level can be varied to allow charging of different capacity batteries.
The charger enters various states of operation as it charges a battery. These are shown
below:
• Off: entered when the charger is disconnected.
• Trickle Charge: entered when the battery voltage is below 2.9V.
• Fast Charge - Constant Current: entered when the battery voltage is above 2.9V.
• Fast Charge - Constant Voltage: entered when the battery has reached V
float
, the
charger switches mode to maintain the cell voltage at V
float
voltage by adjusting the
constant charge current.
• Standby: this is the state when the battery is fully charged and no charging takes
place.
When a voltage is applied to the charger input terminal VDD_CHG, and the battery is not
fully charged, the charger will operate and a LED connected to the terminal LED0 will
illuminate. By default, until the firmware is running, the LED will pulse at a low-duty cycle
to minimize current consumption.
The battery charger circuitry auto-detects the presence of a power source, allowing the
firmware to detect, using an internal status bit, when the charger is powered. Therefore,
when the charger supply is not connected to VDD_CHG, the terminal must be left open
circuit. The VDD_CHG pin, when not connected, must be allowed to float and not be pulled
to a power rail. When the battery charger is not enabled, this pin may float to a low
undefined voltage. Any DC connection will increase current consumption of the device.
Capacitive components such as diodes, FETs, and ESD protection, may be connected.
The battery charger is designed to operate with a permanently connected battery. If the
application permits the charger input to be connected while the battery is disconnected,
the VDD_BAT pin voltage may become unstable. This, in turn, may cause damage to the
internal switch-mode regulator. Connecting a 470μF capacitor to VDD_BAT limits these
oscillations thus preventing damage.
WARNING:
Use good consideration for battery safety. Do not charge with too much current. Do
not charge when the temperature is above 60°C or below 0°C. WT32 is initially
calibrated to stop charging when battery voltage is at 4.2 V. Do not try to charge
batteries above 4.2 V. Do not short circuit the battery or discharge below 1.5 V.
5.4 RESET
WT32 may be reset from several sources: reset pin, power on reset, a UART break
character or through software configured watchdog timer.
The power on reset occurs when the VDD_CORE supply falls below typically 1.26V and is
released when VDD_CORE rises above typically 1.31V. At reset, the digital I/O pins are set
to inputs for bi-directional pins and outputs are tri-state. The pull-down state is shown in
Table 9.

Preliminary information – subject to change
28
The chip status after a reset is as follows:
• Warm Reset: data rate and RAM data remain available
• Cold Reset(10): data rate and RAM data are not available
Table 8 shows the pin states of WT32 on reset. Pull-up (PU) and pull-down (PD) default to
weak values unless specified otherwise.
Pin Name /
Group I/O Type State on Reset
USB_D+ Digital bi-directional N/A
USB_D- Digital bi-directional N/A
UART_RX Digital input with PD PD
UART_CTS Digital input with PD PD
UART_TX Digital bi-directional with PU PU
UART_RTS Digital bi-directional with PU PU
SPI_MOSI Digital input with PD PD
SPI_CLK Digital input with PD PD
SPI_CS# Digital input with PU PU
SPI_MISO Digital tri-state output with PD PD
PCM_IN Digital input with PD PD
PCM_CLK Digital bi-directional with PD PD
PCM_SYNC Digital bi-directional with PD PD
PCM_OUT Digital tri-state output with PD PD
PIO[10:0] Digital bi-directional with PU/PD
PD
Table 9: Pin states on reset

Preliminary information – subject to change
29
6. SERIAL INTERFACES
6.1 UART Interface
WT32 Universal Asynchronous Receiver Transmitter (UART) interface provides a simple
mechanism for communicating with other serial devices using the RS232 standard. The
UART interface of WT32 uses voltage levels from 0 to VDD_IO and thus an external
transceiver IC is required to meet the voltage level specifications of RS232.
Figure 6: WT32 UART interface
Four signals are used to implement the UART function, as shown in Figure 6. When WT32
is connected to another digital device, UART_RX and UART_TX transfer data between the
two devices. The remaining two signals, UART_CTS and UART_RTS, can be used to
implement RS232 hardware flow control where both are active low indicators. DTR, DSR
and DCD signals can be implemented by using PIO terminals of WT32. All UART
connections are implemented by using CMOS technology and have signaling levels of 0V
and VDD_IO.
In order to communicate with the UART at its maximum data rate using a standard PC, an
accelerated serial port adapter card is required for the PC.
Parameter Possible values
1200 baud (≤2%Error)
Minimum 9600 baud (≤1%Error)
Baud rate
Maximum 3.0Mbaud (≤1%Error)
Flow control RTS/CTS, none
Parity None, Odd, Even
Number of stop bits 1 or 2
Bits per channel 8
Table 10: Possible UART settings
UART_TX
UART_RX
UART_RTS
UART_CTS
WT32

Preliminary information – subject to change
30
The UART interface is capable of resetting WT32 upon reception of a break signal. A Break
is identified by a continuous logic low (0V) on the UART_RX terminal, as shown in Figure
7. If tBRK is longer than the value, defined by the PS Key
PSKEY_HOST_IO_UART_RESET_TIMEOUT, (0x1a4), a reset will occur. This feature allows
a host to initialize the system to a known state. Also, WT32 can emit a Break character
that may be used to wake the Host.
Since UART_RX terminal includes a weak internal pull-down, it cannot be left open unless
disabling UART interface using PS_KEY settings. If UART is not disabled, a pull-up resistor
has to be connected to UART_RX. The UART interface requires an external RS232
transceiver, which usually includes the required pull-up.
t
BRK
UART_RX
Figure 7: Break signal
Table 11 shows a list of commonly used Baud rates and their associated values for the
Persistent Store Key PSKEY_UART_BAUDRATE (0x204). There is no requirement to use
these standard values. Any Baud rate within the supported range can be set in the
Persistent Store Key according to the formula in Equation below.
Baud Rate = PSKEY_UART_BAUD_RATE
0.004096
Equation 2: Baud rate calculation formula
Hex
Dec
1200
0x0005
5
1.73%
2400
0x000a
10
1.73%
4800
0x0014
20
1.73%
9600
0x0027
39
-0.82%
19200
0x004f
79
0.45%
38400 0x009d 157 -0.18%
57600
0x00ec
263
0.03%
76800 0x013b 315 0.14%
115200
0x01d8
472
0.03%
230400
0x03b0
944
0.03%
460800
0x075f
1887
-0.02%
921600
0x0ebf
3775
0.00%
1382400
0x161e
5662
-0.01%
1843200
0x1d7e
7550
0.00%
2765800 0x2c3d 11325 0.00%
Persistent store values
Baud rate Error
Table 11: UART baud rates and error values

Preliminary information – subject to change
31
6.1.1 UART Configuration While RESET is Active
The UART interface for WT32 while the chip is being held in reset is tri-state. This will
allow the user to daisy chain devices onto the physical UART bus. The constraint on this
method is that any devices connected to this bus must tri-state when a WT32 reset is de-
asserted and the firmware begins to run.
6.1.2 UART Bypass Mode
Alternatively, for devices that do not tri-state the UART bus, the UART bypass mode on
WT32 can be used. The default state of WT32 after reset is de-asserted, this is for the host
UART bus to be connected to the WT32 UART, thereby allowing communication to WT32
via the UART.
In order to apply the UART bypass mode, a BCCMD command will be issued to WT32.
Upon this, WT32 will switch the bypass to PIO[7:4] as shown in Figure 8. Once the bypass
mode has been invoked, WT32 will enter the deep sleep state indefinitely.
In order to re-establish communication with WT32, the chip must be reset so that the
default configuration takes effect.
It is important for the host to ensure a clean Bluetooth disconnection of any active links
before the bypass mode is invoked. Therefore, it is not possible to have active Bluetooth
links while operating the bypass mode.
The current consumption for a device in UART Bypass Mode is equal to the values quoted
for a device in standby mode.
WT12
Host
processor
Test
interface
RXD
CTS
RTS
TXD
Another
device
TX
RTS
CTS
RX
UART_TX
UART_RTS
UART_CTS
UART_RX
RESET
PIO5
PIO6
PIO7
PIO4
UART
WTxx
Figure 8: UART bypass mode
Preliminary information – subject to change
32
6.2 USB Interface
WT32 USB devices contain a full speed (12Mbits/s) USB interface that is capable of driving
a USB cable directly. No external USB transceiver is required. To match the connection to
the characteristic impedance of the USB cable, series resistors must be included to both of
the signal lines. These should be of 1% tolerance and the value required may vary
between 0 and 20 ohm with 10 ohm being nominal. The resistors should be placed close to
the USB pins of the module in order to avoid reflections. Internally, the module has 22-
ohm resistors in series. The total input impedance seen by the cable is affected by the IC
characteristics, track layout and the connector. The cable impedance is approximately 40
ohms.
The device operates as a USB peripheral, responding to requests from a master host
controller such as a PC. Both the OHCI and the UHCI standards are supported. The set of
USB endpoints implemented can behave as specified in the USB section of the Bluetooth
v2.0 + EDR specification or alternatively can appear as a set of endpoints appropriate to
USB audio devices such as speakers.
As USB is a Master/Slave oriented system (in common with other USB peripherals), WT32
only supports the USB Slave operation.
6.2.1 USB Pull-Up Resistor
WT32 features an internal USB pull-up resistor. This pulls the USB_DP pin weakly high
when WT32 is ready to enumerate. It signals to the PC that it is a full speed (12Mbit/s)
USB device.
The USB internal pull-up is implemented as a current source, and is compliant with Section
7.1.5 of the USB specification v1.2. The internal pull-up pulls USB_D+ high to at least
2.8V when loaded with a 15kΩ +/-5% pull-down resistor (in the hub/host). This presents a
Thevenin resistance to the host of at least 900Ω. Alternatively, an external 1.5kΩ pull-up
resistor can be placed between a PIO line and D+ on the USB cable. The firmware must be
alerted as to which mode is used by setting PS Key PSKEY_USB_PIO_PULLUP
appropriately. The default setting uses the internal pull-up resistor.
6.2.2 Self Powered Mode
In self powered mode, the circuit is powered from its own power supply and not from the
VBUS (5V) line of the USB cable. It only draws a small leakage current (below 0.5mA)
from VBUS on the USB cable. This is the easier mode which to design for, as the design is
not limited by the power that can be drawn from the USB hub or root port. However, it
requires that VBUS be connected to WT32 via a voltage divider (Rvb1 and Rvb2), so that
WT32 can detect when VBUS is powered up. The voltage divider is essential to drop the 5V
voltage at the VBUS to 3.3V expected at the USB interface of WT32. WT32 will not pull
USB_DP high when VBUS is off.
Self powered USB designs (powered from a battery or PSU) must ensure that a PIO line is
allocated for USB pull-up purposes. A 1.5K 5% pull-up resistor between USB_DP and the
selected PIO line should be fitted to the design. Failure to fit this resistor may result in the
design failing to be USB compliant in the self powered mode. The internal pull-up in WT32
is only suitable for bus powered USB devices, such as dongles.

Preliminary information – subject to change
33
PIO
USB_D+
USB_D-
USB_ON
R =1.5kΩ
Rvb1
WT12
Rvb2
WT32
Figure 9: USB in self powered mode
The terminal marked USB_ON can be any free PIO pin. The PIO pin selected must be
registered by setting PSKEY_USB_PIO_VBUS to the corresponding pin number. In self
powered mode, PSKEY_USB_PIO_PULLUP must be set to match with the PIO selected.
Note:
USB_ON is shared with WT32 PIO terminals (PIO2-PIO7).
6.2.3 Bus Powered Mode
In bus powered mode, the application circuit draws its current from the 5V VBUS supply
on the USB cable. WT32 negotiates with the PC during the USB enumeration stage about
how much current it is allowed to consume.
For WT32 Bluetooth applications, it is recommended that the regulator used to derive 3.3V
from VBUS is rated at 100mA average current and should be able to handle peaks of
120mA without fold back or limiting. In bus powered mode, WT32 requests 100mA during
enumeration.
When selecting a regulator, be aware that VBUS may go as low as 4.4V. The inrush
current (when charging the reservoir and supply decoupling capacitors) is limited by the
USB specification (see USB specification v1.1, Section 7.2.4.1). Some applications may
require soft start circuitry to limit inrush current if more than 10pF is present between
VBUS and GND.
The 5V VBUS line emerging from a PC is often electrically noisy. As well as regulation
down to 3.3V, applications should include careful filtering of the 5V line to attenuate noise
that is above the voltage regulator bandwidth.
In bus powered mode, PSKEY_USB_PIO_PULLUP must be set to 16 for internal pull-up
(default configuration in WT32).

Preliminary information – subject to change
34
USB_D+
USB_D-
USB_ON
Voltage
regulator
WT12
VBUS
GND
WT32
Figure 10: USB in bus powered mode
6.2.4 Suspend Current
All USB devices must permit the USB controller to place them in a USB Suspend mode.
While in USB Suspend, bus powered devices must not draw more than 0.5mA from USB
VBUS (self powered devices may draw more than 0.5mA from their own supply). This
current draw requirement prevents operation of the radio by bus powered devices during
USB Suspend.
The voltage regulator circuit itself should only draw a small quiescent current (typically
less than 100uA) to ensure adherence to the suspend current requirement of the USB
specification. This is not normally a problem with modern regulators. Ensure that external
LEDs and/or amplifiers can be turned off by WT32. The entire circuit must be able to enter
the suspend mode. (For more details on USB Suspend, see separate CSR documentation).
6.2.5 Detach and Wake-Up Signaling
WT32 can provide out-of-band signaling to a host controller by using the control lines
called ‘USB_DETACH’ and ‘USB_WAKE_UP’. These are outside the USB specification (no
wires exist for them inside the USB cable), but can be useful when embedding WT32 into a
circuit where no external USB is visible to the user. Both control lines are shared with PIO
pins and can be assigned to any PIO pin by setting the PS Keys PSKEY_USB_PIO_DETACH
and PSKEY_USB_PIO_WAKEUP to the selected PIO number.
USB_DETACH is an input that, when asserted high, causes WT32 to put USB_D- and
USB_D+ in high impedance state and turns off the pull-up resistor on D+. This detaches
the device from the bus and is logically equivalent to unplugging the device. When
USB_DETACH is taken low, WT32 will connect back to USB and await enumeration by the
USB host.
USB_WAKE_UP is an active high output (used only when USB_DETACH is active) to wake
up the host and allow USB communication to recommence. It replaces the function of the
software USB WAKE_UP message (which runs over the USB cable), and cannot be sent
while WT32 is effectively disconnected from the bus.

Preliminary information – subject to change
35
USB_WAKE_UP
USB_DETACH
Port_Imbedance
USB_DPUSB_DN
USB_PULL_UP
10ms max
10ms max 10ms max
No max
Disconnected
Figure 11: USB_DETACH and USB_WAKE_UP Signal
6.2.6 USB Driver
A USB Bluetooth device driver is required to provide a software interface between WT32
and Bluetooth software running on the host computer. Suitable drivers are available from
www.bluegiga.com/techforum/
.
6.2.7 USB 1.1 Compliance
WT32 is qualified to the USB specification v1.1, details of which are available from
http://www.usb.org
. The specification contains valuable information on aspects such as PCB
track impedance, supply inrush current and product labeling.
Although WT32 meets the USB specification, Bluegiga Technologies cannot guarantee that
an application circuit designed around the module is USB compliant. The choice of
application circuit, component choice and PCB layout all affect USB signal quality and
electrical characteristics. The information in this document is intended as a guide and
should be read in association with the USB specification, with particular attention being
given to Chapter 7. Independent USB qualification must be sought before an application is
deemed USB compliant and can bear the USB logo. Such qualification can be obtained
from a USB plug fest or from an independent USB test house.
Terminals USB_D+ and USB_D- adhere to the USB specification 2.0 (Chapter 7) electrical
requirements.
6.2.8 USB 2.0 Compatibility
WT32 is compatible with USB v2.0 host controllers; under these circumstances the two
ends agree the mutually acceptable rate of 12Mbits/s according to the USB v2.0
specification.
Preliminary information – subject to change
36
6.3 SPI Interface
The synchronous serial port interface (SPI) is for interfacing with other digital devices. The
SPI port can be used for system debugging. It can also be used for programming the Flash
memory. SPI interface is connected by using the MOSI, MISO, CSB and CLK pins.
SPI interface can not be used for any application purposes.

Preliminary information – subject to change
37
7. AUDIO INTERFACES
7.1 Audio Interface
The audio interface circuit consists of:
• Stereo audio CODEC
• Dual audio inputs and outputs
• A configurable PCM, I2S or SPDIF interface
Figure 12 outlines the functional blocks of the interface. The CODEC supports stereo
playback and recording of audio signals at multiple sample rates with a resolution of 16-
bit. The ADC and the DAC of the CODEC each contain two independent channels. Any ADC
or DAC channel can be run at its own independent sample rate.
Figure 12: Audio interface
The interface for the digital audio bus shares the same pins as the PCM CODEC interface
described in section 6.3, which means that each of the audio buses are mutually exclusive
in their usage. Table 12 lists these alternative functions.
PCM Interface SPDIF Interface I2S Interface
PCM_OUT SPDIF_OUT SD_OUT
PCM_IN SPDIF_IN SD_IN
PCM_SYNC WS
PCM_CLK SCK
Table 12: Alternative functions of the digital audio bus interface on the PCM interface
7.1.1 Audio Input and Output
The audio input circuitry consists of a dual audio input that can be configured to be either
single-ended or fully differential and programmed for either microphone or line input. It
has an analogue and digital programmable gain stage for optimisation of different
microphones.
Audio signals are very sensitive to noise caused by the Bluetooth radio and it is highly
recommended to always use fully differential signals.
The audio output circuitry consists of a dual differential class A-B output stage.

Preliminary information – subject to change
38
7.2 Stereo Audio CODEC Interface
The main features of the interface are:
• Stereo and mono analogue input for voice band and audio band
• Stereo and mono analogue output for voice band and audio band
• Support for stereo digital audio bus standards such as I
2
S
• Support for IEC-60958 standard stereo digital audio bus standards, e.g. S/PDIF and
AES3/EBU
• Support for PCM interfaces including PCM master CODECs that require an external
system clock
Figure 13: Stereo CODEC audio input and output stages
The stereo audio CODEC uses a fully differential architecture in the analogue signal path,
which results in low noise sensitivity and good power supply rejection while effectively
doubling the signal amplitude. It operates from a single power-supply of 1.5V and uses a
minimum of external components.

Preliminary information – subject to change
39
7.2.1 ADC
The ADC consists of two second-order Sigma Delta converters allowing two separate
channels that are identical in functionality, as shown in Figure 13.
Each ADC supports the following sample rates:
• 8kHz
• 11.025kHz
• 16kHz
• 22.05kHz
• 24kHz
• 32kHz
• 44.1kHz
The ADC contains two gain stages for each channel, an analogue and a digital gain stage.
The digital gain stage has a programmable selection value in the range of 0 to 15 with the
associated ADC gain settings summarised in Table 13. There is also a high resolution
digital gain mode that allows the gain to be changed in 1/32dB steps. Please contact
Bluegiga Technologies for more information.
Gain SelectionValue
ADC Digital Gain Setting
(dB)
0 0
1 3.5
2 6
3 9.5
4 12
5 15.5
6 18
7 21.5
8 -24
9 -20.5
10 -18
11 -14.5
12 -12
13 -8.5
14 -6
15 -2.5
Table 13: ADC digital gain rate selection
The ADC analogue amplifier is a two-stage amplifier. The first stage of the analogue
amplifier is responsible for selecting the correct gain for either microphone input or line
input and, therefore, has two gain settings, one for the microphone and one for the line
input. See section 6.2.5 and section 6.2.6 for details on the microphone and line inputs,
respectively. In simple terms, the first stage amplifier has a selectable 24dB gain stage for
the microphone and this creates the dual programmable gain required for the microphone
or the line input. The equivalent block diagram for the two stages is shown in Figure 14.

Preliminary information – subject to change
40
Figure 14: ADC analogue amplifier block diagram
The second stage of the analogue amplifier shown in Figure 14 has a programmable gain
with seven individual 3dB steps. In simple terms, by combining the 24dB gain selection of
the microphone input with the seven individual 3dB gain steps, the overall range of the
analogue amplifier is approximately -3dB to 42dB in 3dB steps. The overall gain control of
the ADC is controlled by a VM function. See iWRAP user guide how to set the gain using
iWRAP commands.
7.2.2 DAC
The DAC consists of two third-order Sigma Delta converters allowing two separate
channels that are identical in functionality as shown in Figure 13.
Each DAC supports the following samples rates:
• 8kHz
• 11.025kHz
• 16kHz
• 22.050kHz
• 24kHz
• 32kHz
• 44.1kHz
• 48kHz
See the iWRAP user guide how to set the sampling rate using iWRAP commands. The
default setting for A2DP is 44.1 kHz and for HFP 8 kHz.
The DAC contains two gain stages for each channel: a digital and an analogue gain stage.
The digital gain stage has a programmable selection value in the range of 0 to 15 with
associated DAC gain settings. This is summarised in Table 14. There is also a high
resolution digital gain mode that allows the gain to be changed in 1/32dB steps. Please
contact Bluegiga Technologies for more information.
Gain Selection Value ADC Digital Gain Setting (dB)
0 0
1 3.5
2 6

Preliminary information – subject to change
41
3 9.5
4 12
5 15.5
6 18
7 21.5
8 -24
9 -20.5
10 -18
11 -14.5
12 -12
13 -8.5
14 -6
15 -2.5
Table 14: DAC digital gain rate selection
The DAC analogue amplifier has a programmable gain with seven individual 3dB steps. The
overall gain control of the DAC is controlled by a VM function. This setting is a combined
function of the digital and analogue amplifier settings, therefore, for a 1V rms nominal
digital output signal from the digital gain stage of the DAC, the following approximate
output values of the analogue amplifier of the DAC can be expected:
Analogue Gain Setting DAC Gain Setting (dB)
7 3
6 0
5 -3
4 -6
3 -9
2 -12
1 -15
0 -18
Table 15: DAC analogue gain rate selection
7.2.3 IEC 60958 Interface
The IEC 60958 interface is a digital audio interface that uses bi-phase coding to minimize
the DC content of the transmitted signal and allows the receiver to decode the clock
information from the transmitted signal. The IEC 60958 specification is based on the two
industry standards AES/EBU and the Sony and Philips interface specification SPDIF. The
interface is compatible with IEC 60958-1, IEC 60958-3 and IEC 60958-4.
The SPDIF interface signals are SPDIF_IN and SPDIF_OUT and are shared on the PCM
interface pins. The input and output stages of the SPDIF pins can interface either to a 75Ω
Coaxial cable with an RCA connector, see Figure 15, or there is an option to use an optical
link that uses Toslink optical components, see Figure 16.

Preliminary information – subject to change
42
Figure 15: Example circuit for SPDIF interface (Co-Axial)
Figure 16: Example circuit for SPDIF interface (Optical)
7.2.4 Microphone Input
The audio-input is intended for use from 1μA@94dB SPL to about 10μA@94dB SPL. With
biasing resistors R1 and R2 equal to 1kΩ, this requires microphones with sensitivity
between about –40dBV and –60dBV.
The MIC_BIAS is like any voltage regulator and requires a minimum load to maintain
regulation. The MIC_BIAS will maintain regulation within the limits 0.2 - 1.53 mA
depending on the bias current setting. This means that if a microphone that sits below
these limits is used, the microphone output must be pre-loaded with a large value resistor
to ground.
MIC_BIAS line either bee used to directly drive bias current for the microphone, or as an
enable signal for an external biasing regulator. The default setting for the bias current in
WT32 is 0.2 mA and it is recommended to use an external low noise biasing regulator for
the best noise performance. The recommended microphone biasing circuitry is shown in
the figure 17.

Preliminary information – subject to change
43
C3
C4
MIC_BIAS
MIC
MIC_A_P
MIC_A_N
R1
R2
C1
C2
2V7
regulator
EN
OUT IN VDD_BAT
Figure 17: Recommended microphone biasing (left channel shown)
The input impedance at AUDIO_IN_N_LEFT, AUDIO_IN_P_LEFT, AUDIO_IN_N_RIGHT and
AUDIO_IN_P_RIGHT is typically 6.0kΩ. C1 and C2 should be 150nF if bass roll-off is
required to limit wind noise on the microphone. R1 sets the microphone load impedance
and is normally in a range of 1 to 2 kΩ. R2, C3 and C4 improve the supply rejection by
decoupling supply noise from the microphone. Values should be selected as required. R1
may be connected to a convenient supply, in which case the bias network is permanently
enabled, or to the output of the biasing regulator which may be configured to provide bias
only when the microphone is required.
The microphone bias provides a 4-bit programmable output voltage with a 4-bit
programmable output current, shown in Table 16 and 17.
Output Step Typical Voltage Level (V)
0 1.71
1 1.76
2 1.82
3 1.87
4 1.95
5 2.02
6 2.10
7 2.18
8 2.32
9 2.43
10 2.56
11 2.69
12 2.9

Preliminary information – subject to change
44
13 3.08
14 3.33
15 3.57
Table 16: Voltage Output Step
Output Step Typical Current (mA)
0 0.199
1 0.284
2 0.336
3 0.419
4 0.478
5 0.529
6 0.613
7 0.672
8 0.754
9 0.809
10 0.862
11 0.948
12 1.004
13 1.091
14 1.142
15 1.229
Table 17: Current Output Step
7.2.5 Line Input
If the input analogue gain is set to less than 21dB, WT32 automatically selects line input
mode. In line input mode, the first stage of the amplifier is automatically disabled,
providing additional power saving. In line input mode, the input impedance varies from
6kΩ-30kΩ, depending on the volume setting. Figure 18 and Figure 19 show two circuits for
line input operation and show connections for either differential or single-ended inputs.
Figure 18: Differential input (left channel shown)

Preliminary information – subject to change
45
Figure 19: Single ended input (left channel shown)
7.2.6 Output Stage
The output digital circuitry converts the signal from 16-bit per sample, linear PCM of
variable sampling frequency to a 2Mbits/s 5-bit multi-bit bit stream, which is fed into the
analogue output circuitry.
The output circuit is comprised of a digital to analogue converter with gain setting and an
output amplifier. Its class AB output stage is capable of driving a signal on both channels
of up to 2V pk-pk differential into a load of 16Ω. The output is available as a differential
signal between AUDIO_OUT_N_LEFT and AUDIO_OUT_P_LEFT for the left channel, as
Figure 20 shows; and between AUDIO_OUT_N_RIGHT and AUDIO_OUT_P_RIGHT for the
right channel. The output is capable of driving a speaker directly if its impedance is at
least 8Ω at reduced output swing and if only one channel is connected or an external
regulator is used.
Figure 20: Speaker output (left channel shown)
The analogue gain of the output stage is controlled by a 3-bit programmable resistive
divider, which sets the gain in steps of approximately 3dB.
The multi-bit bit stream from the digital circuitry is low pass filtered by a third order filter
with a pole at 20kHz. The signal is then amplified in the fully differential output stage,
which has a gain bandwidth of typically 1MHz.
7.2.6.1 Mono Operation
Mono operation is a single-channel operation of the stereo CODEC. The left channel
represents the single mono channel for audio in and audio out. In mono operation, the
right channel is an auxilliary mono channel that may be used in dual mono channel
operation. See section 6.2 for an important note on stereo and mono definitions.
With single mono, the power consumption can be reduced by disabling the other channel.
7.2.6.2 Side Tone
In some applications, it is necessary to implement a side tone. This involves feeding an
attenuated version of the microphone signal to the earpiece. The BlueCore5.Multimedia
Preliminary information – subject to change
46
External CODEC contains a side tone circuitry to do this. The side tone hardware is
configured through the following PS Keys:
• PSKEY_SIDE_TONE_ENABLE
• PSKEY_SIDE_TONE_GAIN
• PSKEY_SIDE_TONE_AFTER_ADC
• PSKEY_SIDE_TONE_AFTER_DAC
7.2.6.3 Integrated Digital Filter
TBA

Preliminary information – subject to change
47
7.3 Digital Audio Interface (I
2
S)
The digital audio interface supports the industry standard formats for I
2
S, left-justified (LJ)
or right-justified(RJ). The interface shares the same pins as the PCM interface, which
means that each audio bus is mutually exclusive in its usage. Table 18 lists these
alternative functions. Figure 21 shows the timing diagram.
PCM Interface I2S Interface
PCM_OUT SD_OUT
PCM_IN SD_IN
PCM_SYNC WS
PCM_CLK SCK
Table 18: Alternative Functions of the Digital Audio Bus Interface on the PCM Interface
Table 19 describes the values for the PS Key (PSKEY_DIGITAL_AUDIO_CONFIG) that is
used to set-up the digital audio interface. For example, to configure an I
2
S interface with
16-bit SD data set PSKEY_DIGITAL_CONFIG to 0x0406.
Bit Mask Name Description
D[0] 0x0001
CONFIG_JUSTIFY_FORMAT 0 for left justified, 1 for right justified
D[1] 0x0002
CONFIG_LEFT_JUSTIFY_DELAY
For left justified formats: 0 is MSB of
SD data
occurs in the first SCLK period
following WS
transition. 1 is MSB of SD data occurs
in the
second SCLK period.
D[2] 0x0004
CONFIG_CHANNEL_POLARITY
For 0, SD data is left channel when WS
is
high. For 1 SD data is right channel.
D[3] 0x0008
CONFIG_AUDIO_ATTEN_EN
For 0, 17 bit SD data is rounded down
to 16
bits. For 1, the audio attenuation
defined in
CONFIG_AUDIO_ATTEN is applied over
24
bits with saturated rounding. Requires
CONFIG_16_BIT_CROP_EN to be 0.
D[7:4]
0x00F0
CONFIG_AUDIO_ATTEN Attenuation in 6 dB steps.
D[9:8]
0x0300
CONFIG_JUSTIFY_RESOLUTION
Resolution of data on SD_IN, 00=16
bit,
01=20 bit, 10=24 bit, 11=Reserved.
This is
required for right justified format and
with left
justified LSB first.
D[10] 0x0400
CONFIG_16_BIT_CROP_EN
For 0, 17 bit SD_IN data is rounded
down to
16 bits. For 1 only the most significant
16 bits
of data are received.
Table 19: PSKEY_DIGITAL_AUDIO_CONFIG

Preliminary information – subject to change
48
Figure 21: Digital audio interface modes
The internal representation of audio samples within BlueCore5.Multimedia External is 16-
bit and data on SD_OUT is limited to 16-bit per channel.
Symbol
Parameter Min Typ Max Unit
- SCK Frequency - - 6.2 MHz
- WS Frequency - - 96 kHz
t
ch
SCK high time 80 - - ns
t
cl
SCK low time 80 - - ns
t
opd
SCK to SD_OUT delay - - 20 ns
t
ssu
WS to SCK set-up time 20 - - ns
t
sh
WS to SCK hold time 20 - - ns
t
isu
SD_IN to SCK set-up
time 20 - - ns
t
ih
SD_IN to SCK hold
time 20 - - ns
Table 20: Digital audio interface slave timing

Preliminary information – subject to change
49
Figure 22: Digital audio interface slave timing
Symbol Parameter Min Typ Max Unit
- SCK Frequency - - 6.2 MHz
- WS Frequency - - 96 kHz
t
opd
SCK to SD_OUT delay - - 20 ns
t
spd
SCK to WS delay - - - ns
t
isu
SD_IN to SCK set-up time 20 - - ns
t
ih
SD_IN to SCK hold time 20 - - ns
Table 21: Digital audio interface master timing
Figure 23: Digital audio interface master timing

Preliminary information – subject to change
50
7.4 PCM Interface
Pulse Code Modulation (PCM) is a standard method used to digitize audio (particularly
voice) patterns for transmission over digital communication channels. Through its PCM
interface, WT32 has hardware support for continual transmission and reception of PCM
data, thus reducing processor overhead for wireless headset applications. WT32 offers a bi
directional digital audio interface that routes directly into the baseband layer of the on-
chip firmware. It does not pass through the HCI protocol layer.
Hardware on WT32 allows the data to be sent to and received from a SCO connection. Up
to three SCO connections can be supported by the PCM interface at a time.
WT32 can operate as the PCM interface Master generating an output clock of 128, 256 or
512kHz. When configured as PCM interface slave, it can operate with an input clock up to
2048kHz. WT32 is compatible with a variety of clock formats, including Long Frame Sync,
Short Frame Sync and GCI timing environments.
WT32 supports 13 or 16-bit linear, 8-bit µ-law or A-law companded sample formats at
8ksamples/s and can receive and transmit on any selection of three of the first four slots
following PCM_SYNC. The PCM configuration options are enabled by setting the PS Key PS
KEY_PCM_CONFIG32 (0x1b3). WT32 interfaces directly to PCM audio devices including the
following:
• Qualcomm MSM 3000 series and MSM 5000 series CDMA baseband devices
• OKI MSM7705 four channel A-law and µ-law CODEC
• Motorola MC145481 8-bit A-law and µ-law CODEC
• Motorola MC145483 13-bit linear CODEC
• STW 5093 and 5094 14-bit linear CODECs
• WT32 is also compatible with the Motorola SSI™ interface
7.4.1 PCM Interface Master/Slave
When configured as the Master of the PCM interface, WT32 generates PCM_CLK and
PCM_SYNC.
PCM_OUT
PCM_IN
PCM_CLK
PCM_SYNC 8kHz
128/256/512 kHz
WT12
WTxx
Figure 24: WT32 as PCM master
When configured as the Slave of the PCM interface, WT32 accepts PCM_CLK and
PCM_SYNC. PCM_CLK rates up to 2048kHz are accepted.

Preliminary information – subject to change
51
PCM_OUT
PCM_IN
PCM_CLK
PCM_SYNC 8kHz
Up to 2048kHz
WT12
WTxx
Figure 25: WT32 as PCM slave
7.4.2 Long Frame Sync
Long Frame Sync is the name given to a clocking format that controls the transfer of PCM
data words or samples. In Long Frame Sync, the rising edge of PCM_SYNC indicates the
start of the PCM word. When WT32 is configured as PCM Master, generating PCM_SYNC
and PCM_CLK, then PCM_SYNC is 8-bits long. When BlueCore4-External is configured as
PCM Slave, PCM_SYNC may be from two consecutive falling edges of PCM_CLK to half the
PCM_SYNC rate, i.e. 62.5µs long.
WT32 samples PCM_IN on the falling edge of PCM_CLK and transmits PCM_OUT on the
rising edge. PCM_OUT may be configured to be high impedance on the falling edge of
PCM_CLK in the LSB position or on the rising edge.
12 3 4 5 6 7 8PCM_OUT
PCM_CLK
PCM_SYNC
12 3 4 5 6 7 8
undefined undefined
PCM_IN
Figure 26: Long frame sync (shown with 8-bit companded sample)
7.4.3 Short Frame Sync
In Short Frame Sync, the falling edge of PCM_SYNC indicates the start of the PCM word.
PCM_SYNC is always one clock cycle long.

Preliminary information – subject to change
52
12 3 4 5 6 7 8PCM_OUT
PCM_CLK
PCM_SYNC
12 3 4 5 6 7 8
undefined
PCM_IN
9 10 11 12 13 14 15 16
9 10 11 12 13 14 15 16
undefined
Figure 27: Short frame sync (shown with 16-bit companded sample)
As with Long Frame Sync, WT32 samples PCM_IN on the falling edge of PCM_CLK and
transmits PCM_OUT on the rising edge. PCM_OUT may be configured to be high
impedance on the falling edge of PCM_CLK in the LSB position or on the rising edge.
7.4.4 Multi Slot Operation
More than one SCO connection over the PCM interface is supported using multiple slots.
Up to three SCO connections can be carried over any of the first four slots.
12 3 4 5 6 7 8PCM_OUT
PCM_CLK
LONG_PCM_SYNC
12 3 4 5 6 7 8
undefined undefined
PCM_IN
SHORT_PCM_SYNC
OR
Figure 28: Multi slot operation with two slots and 8-bit companded samples
7.4.5 GCI Interface
WT32 is compatible with the General Circuit Interface, a standard synchronous 2B+D ISDN
timing interface. The two 64Kbps B channels can be accessed when this mode is
configured.

Preliminary information – subject to change
53
12 3 4 5 6 7 8PCM_OUT
PCM_CLK
PCM_SYNC
12 3 4 5 6 7 8
undefined
PCM_IN
1 2 3 4 5678
1 2 3 4 5678
undefined
Figure 29: GCI interface
The start of frame is indicated by the rising edge of PCM_SYNC and runs at 8kHz. With
WT32 in Slave mode, the frequency of PCM_CLK can be up to 4.096MHz.
7.4.6 Slots and Sample Formats
WT32 can receive and transmit on any selection of the first four slots following each sync
pulse. Slot durations can be either 8 or 16 clock cycles. Durations of 8 clock cycles may
only be used with 8-bit sample formats. Durations of 16 clocks may be used with 8, 13 or
16-bit sample formats.
WT32 supports 13-bit linear, 16-bit linear and 8-bit µ-law or A-law sample formats. The
sample rate is 8ksamples/s. The bit order may be little or big Endian. When 16-bit slots
are used, the 3 or 8 unused bits in each slot may be filled with sign extension, padded
with zeros or a programmable 3-bit audio attenuation compatible with some Motorola
CODECs.
PCM_OUT
1 2 3 4 5 6 7 8 9 10 11 12 13 14 15 16
Sign extension
8-bit sample
Figure 30: 16-bit slot with 8-bit companded sample and sign extension selected
PCM_OUT
1 2 3 4 5 6 7 8 9 10 11 12 13 14 15 16
8-bit sample
Zeros padding
Figure 31: 16-bit slot with 8-bit companded sample and zeros padding selected
PCM_OUT
1 2 3 4 5 6 7 8 9 10 11 12 13 14 15 16
3-bit sign
extension
13-bit sample
Figure 32: 16-bit slot with 13-bit linear sample and sign extension selected

Preliminary information – subject to change
54
PCM_OUT
1 2 3 4 5 6 7 8 9 10 11 12 13 14 15 16
Audio gain
13-bit sample
Figure 33: 16-bit slot with 13-bit linear sample and audio gain selected
7.4.7 Additional Features
WT32 has a mute facility that forces PCM_OUT to be 0. In Master mode, PCM_SYNC may
also be forced to 0 while keeping PCM_CLK running, which some CODECS use to control
power down.
7.4.8 PCM CLK and SYNC Generation
WT32 has two methods of generating PCM_CLK and PCM_SYNC in master mode. The first
is generating these signals by Direct Digital Synthesis (DDS) from BlueCore5 Multimedia
External internal 4MHz clock. Using this mode limits PCM_CLK to 128, 256 or 512kHz and
PCM_SYNC to 8kHz. The second is generating PCM_CLK and PCM_SYNC by DDS from an
internal 48MHz clock (which allows a greater range of frequencies to be generated with
low jitter, but consumes more power). The second method is selected by setting bit
48M_PCM_CLK_GEN_EN in PSKEY_PCM_CONFIG32. When in this mode and with long
frame sync, the length of PCM_SYNC can be either 8 or 16 cycles of PCM_CLK, determined
by LONG_LENGTH_SYNC_EN in PSKEY_PCM_CONFIG32.
Equation 3 describes PCM_CLK frequency when being generated using the internal 48MHz
clock:
Equation 3: PCM_CLK frequency when being generated using the internal 48 MHz clock
The frequency of PCM_SYNC relative to PCM_CLK can be set using Equation 4
Equation 4: PCM_SYNC frequency relative to PCM_CLK
CNT_RATE, CNT_LIMIT and SYNC_LIMIT are set using PSKEY_PCM_LOW_JITTER_CONFIG.
As an example, to generate PCM_CLK at 512kHz with PCM_SYNC at 8kHz, set
PSKEY_PCM_LOW_JITTER_CONFIG to 0x08080177.
7.4.9 PCM Configuration
The PCM configuration is set by using two PS Keys, PSKEY_PCM_CONFIG32 and
PSKEY_PCM_LOW_JITTER_CONFIG. The following tables detail these PS Keys. The default
for PSKEY_PCM_CONFIG32 key is 0x00800000, i.e. first slot following sync is active, 13-bit
linear voice format, long frame sync and interface master generating 256kHz PCM_CLK
from 4MHz internal clock with no tri-stating of PCM_OUT.
PSKEY_PCM_LOW_JITTER_CONFIG is described in Table 23.

Preliminary information – subject to change
55
Name Bit position Description
- 0 Set to 0
SLAVE MODE EN 1
0 selects Master mode with internal generation of PCM_CLK and PCM_SYNC.
1 selects Slave mode requiring externally generated PCM_CLK and
PCM_SYNC. This should be set to 1 if 48M_PCM_CLK_GEN_EN (bit 11) is set.
SHORT SYNC EN 2 0 selects long frame sync (rising edge indicates start of frame), 1 selects
short frame sync (falling edge indicates start of frame).
- 3 Set to 0
SIGN EXTENDED EN 4
0 selects padding of 8 or 13-bit voice sample into a 16- bit slot by inserting
extra LSBs, 1 selects sign extension. When padding is selected with 3-bit
voice sample, the 3 padding bits are the audio gain setting; with 8-bit
samples the 8 padding bits are zeroes.
LSB FIRST EN 5 0 transmits and receives voice samples MSB first, 1 uses LSB first.
TX TRISTATE EN 6
0 drives PCM_OUT continuously, 1 tri-states PCM_OUT immediately after the
falling edge of PCM_CLK in the last bit of an active slot, assuming the next
slot is not active.
TX TRISTATE RISING
EDGE EN 7
0 tristates PCM_OUT immediately after the falling edge of PCM_CLK in the
last bit of an active slot, assuming the next slot is also not active. 1 tristates
PCM_OUT after the rising edge of PCM_CLK.
SYNC SUPPRESS EN 8
0 enables PCM_SYNC output when master, 1 suppresses PCM_SYNC whilst
keeping PCM_CLK running. Some CODECS utilize this to enter a low power
state.
GCI MODE EN 9 1 enables GCI mode.
MUTE EN 10 1 forces PCM_OU T to 0.
48M PCM CLK GEN EN 11
0 sets PCM_CLK and PCM_SYNC generation via DDS from internal 4 MHz
clock, as for BlueCore4-External. 1 sets PCM_CLK and PCM_SYNC generation
via DDS from internal 48 MHz clock.
LONG LENGTH SYNC EN 12
0 sets PCM_SYNC length to 8 PCM_CLK cycles and 1 sets length to 16
PCM_CLK cycles. Only applies for long frame sync and with
48M_PCM_CLK_GEN_EN set to 1.
- [20:16] Set to 0b00000.
MASTER CLK RATE [22:21] Selects 128 (0b01), 256 (0b00), 512 (0b10) kHz PCM_CLK frequency when
master and 48M_PCM_CLK_GEN_EN (bit 11) is low.
Table 22: PSKEY_PCM_CONFIG32 description
Name
Bit position
Description
CNT LIMIT
[12:0]
Sets PCM_CLK counter limit
CNT RATE
[23:16]
Sets PCM_CLK count rate.
SYNC LIMIT [31:24] Sets PCM_SYNC division relative to PCM_CLK.
Table 23: PSKEY_PCM_LOW_JITTER_CONFIG Description
Preliminary information – subject to change
56
8. I/O PARALLEL PORTS
The Parallel Input Output (PIO) Port is a general-purpose I/O interface to WT32. The port
consists of eleven programmable, bi-directional I/O lines, PIO[10:0]. Programmable I/O
lines can be accessed either through an embedded application running on WT32 or
through private channel or manufacturer-specific HCI commands.
All PIO lines are configured as inputs with weak pull downs at reset.
PIO[2] / USB_PULL_UP (1)
The function depends on whether WT32 is a USB or UART capable version. On UART
versions, this terminal is a programmable I/O. On USB versions, it can drive a pull-up
resistor on USB_D+. For applications using external RAM, this terminal may be
programmed for chip select.
PIO[3] / USB_WAKE_UP (1)
On UART versions of WT32, this terminal is a programmable I/O. On USB versions, its
function is selected by setting the Persistent Store Key PSKEY_USB_PIO_WAKEUP (0x2cf)
either as a programmable I/O or as a USB_WAKE_UP function.
PIO[4] / USB_ON (1)
On UART versions of WT32, this terminal is a programmable I/O. On USB versions, the
USB_ON function is also selectable.
PIO[5] / USB_DETACH (1)
On UART versions of WT32, this terminal is a programmable I/O. On USB versions, the
USB_DETACH function is also selectable.
PIO[6] / CLK_REQ
Function is determined by Persistent Store Keys. Using PSKEY_CLOCK_REQUEST_ENABLE,
(0x246) this terminal can be configured to be low when WT32 is in deep sleep and high
when a clock is required. The clock must be supplied within 4ms of the rising edge of
PIO[6] to avoid losing timing accuracy in certain Bluetooth operating modes.
PIO[7]
Programmable I/O terminal.
PIO[8]
Programmable I/O terminal.
PIO[9]
Programmable I/O terminal.
PIO[10]
Programmable I/O terminal.

Preliminary information – subject to change
57
9. SOFTWARE STACKS
WT32 is supplied with Bluetooth v2.0 + EDR compliant stack firmware, which runs on the
internal RISC microcontroller.
The WT32 software architecture allows Bluetooth processing and the application program
to be shared in different ways between the internal RISC microcontroller and an external
host processor (if any). The upper layers of the Bluetooth stack (above HCI) can be run
either on-chip or on the host processor.
9.1 iWRAP Stack
PCM I/O
Host I/O
Radio
48kB RAM Baseband MCU
LC
LM
HCI
L2CAP
RFCOMM SDP
iWRAP
UART
Host I/O
PCM
Figure 34: iWRAP Stack
In figure 34 above, the iWRAP software solution is described. In this version of the stack
firmware shown, no host processor is required to run the Bluetooth protocol stack. All
software layers, including application software, run on the internal RISC processor in a
protected user software execution environment known as a Virtual Machine (VM).
The host processor interfaces to iWRAP software through one or more of the physical
interfaces, which are also shown in the figure 34. The most common interfacing is done
through the UART interface using the ASCII commands supported by the iWRAP software.
With these ASCII commands, the user can access Bluetooth functionality without paying
any attention to the complexity, which lies in the Bluetooth protocol stack.
The user may write application code to run on the host processor to control iWRAP
software by using ASCII commands and to develop Bluetooth powered applications.

Preliminary information – subject to change
58
Notes:
More details of iWRAP software and its features can be found from iWRAP User
Guide, which can be downloaded from
www.bluegiga.com
.
9.2 RFCOMM Stack
PCM I/O
Host I/O
Radio
48kB RAM Baseband MCU
LC
LM
HCI
L2CAP
RFCOMM SDP
UART
USB
Host
I/O
PCM
Figure 35: WRAP THOR RFCOMM stack
In the version of the firmware shown in Figure 36, the upper layers of the Bluetooth stack
up to RFCOMM are run on-chip. This reduces host-side software and hardware
requirements at the expense of some of the power and flexibility of the HCI only stack.
Features of RFCOMM Stack
Interfaces to Host:
• RFCOMM, an RS-232 serial cable emulation protocol
• SDP, a service database look-up protocol
Connectivity:
• Maximum number of active slaves: 3
• Maximum number of simultaneous active ACL connections: 3
• Maximum number of simultaneous active SCO connections: 3
• Data Rate: up to 350kbps
1
Security:

Preliminary information – subject to change
59
• Full support for all Bluetooth security features up to and including strong (128-bit)
• encryption.
Power Saving:
• Full support for all Bluetooth power saving modes (Park, Sniff and Hold).
Data Integrity:
• CQDDR increases the effective data rate in noisy environments.
• RSSI used to minimize interference to other radio devices using the ISM band.
Notes:
The data rate is with respect to WT32 with basic data rate packets.
9.3 VM Stack
PCM I/O
Host I/O
Radio
48kB RAM Baseband MCU
LC
LM
HCI
L2CAP
RFCOMM SDP
VM Application Software
UART
USB
Host
I/O
PCM
Figure 36: WRAP THOR VM Stack
The version of the stack firmware shown in figure 37 requires no host processor (but can
use a host processor for debugging etc.). All software layers, including application
software, run on the internal RISC processor in a protected user software execution
environment known as a Virtual Machine (VM).
The user may write custom application code to run on the BlueCore VM using BlueLab™
software development kit (SDK) supplied with the Casira development kit, available
Preliminary information – subject to change
60
separately from Bluegiga or directly form CSR. This code will then execute alongside the
main WRAP THOR firmware. The user is able to make calls to the WRAP THOR firmware for
various operations. WRAP THOR firmware is not equal to iWRAP firmware, which on the
contrary does not allow users to run their own firmware in the module.
The execution environment is structured so that the user application does not adversely
affect the main software routines, thus ensuring that the Bluetooth stack software
component does not need re-qualification when the application is changed.
Using the VM and the BlueLab SDK, the user is able to develop applications such as a
cordless headset or other profiles without the requirement of a host controller. BlueLab is
supplied with example code including a full implementation of the headset profile.
Notes:
Sample applications to control PIO lines can also be written with BlueLab SDK and
the VM for the HCI stack.
Software Development
WT32 Evaluation Kits are available to allow the evaluation of the WT32 hardware and
software as well as a CSR BlueLab toolkit for developing on-chip and host software.

Preliminary information – subject to change
61
10. ENHANCED DATA RATE
EDR has been introduced to provide 2x and optionally 3x data rates with minimal
disruption to higher layers of the Bluetooth stack. CSR supports both of the new data
rates, with WT32. WT32 is compliant with revision v2.0.E.2 of the specification.
10.1 Enhanced Data Rate Baseband
At the baseband level, EDR uses the same 1.6kHz slot rate as basic data rate and
therefore the packets can be 1, 3, or 5 slots long as per the basic data rate. Where EDR
differs from the basic data rate is that in the same 1MHz symbol rate, 2 or 3 bits are used
per symbol, compared to 1bit per symbol used by the basic data rate. To achieve the
increase in number of bits symbol, two new modulation schemes have been introduced as
summarized in Table 24 presented below and the modulation schemes are explained in the
further sections.
Scheme
Bits per symbol
Modulation
Basic data rate 1 GFSK
Enhanced data rate 2 P/4 DQPSK
Enhanced data rate 3 8DPSK (optional)
Table 24: Data rate schemes
Although the EDR uses new packets, link establishment and management are unchanged
and still use Basic Rate packets.
10.2 Enhanced Data Rate ∏/4 DQPSK
4-state Differential Phase Shift Keying
2 bits determine phase shift between consecutive symbols
2 bits determine phase shift between consecutive symbols
∏
/4 rotation avoids phase shift of
∏
, which would cause large amplitude variation
Raised Cosine pulse shaping filter to further reduce side band emissions
Bit pattern
Phase shift
00
Π/4
01
3 Π/4
10
−3 Π/4
11
− Π/4
Table 25:
2 bits determine phase shift between consecutive symbols

Preliminary information – subject to change
62
10.3 8DQPSK
8-state Differential Phase-Shift Keying
Three bits determine phase shift between consecutive symbols.
Bit pattern Phase shift
000
0
001
Π/4
011
Π/2
010
3 Π/4
110
Π
111
−3 Π/4
101
− Π/2
100
− Π/4
Table 26: 3 bits determine phase shift between consecutive symbols
Figure 37: 8DQPSK
Preliminary information – subject to change
63
11. LAYOUT AND SOLDERING CONSIDERATIONS
11.1 Soldering Recommendations
TBA
11.2 Layout Guidelines
11.2.1 Audio Layout
Route audio lines as differential pairs. The positive and negative signals should run parallel
and close to each other until they are converted to single-ended signals. Use dedicated
audio ground plane for entire audio section.
11.2.2 Antenna Design
Since the engineering samples use different antenna than the production version the
optimal layout differs slightly when making a design for the production version. Following
figure 38 shows the recommended layout when using the engineering samples. To avoid
any excess parasitic capacitance in the antenna feed line caused by the RF test pin on the
bottom side of the module, the area underneath the RF test pin should be left free from
copper. Any metal in close proximity of the antenna will have an effect on the antenna
performance. Thus any metal should be placed as far from the antenna as possible.
The layout shown in the figure 38 can be used also with the production version but optimal
performance can be achieved by using the layout shown in the figure 39.
Avoid placing vias or any bare copper under the module. Since the module has several
vias on the bottom side, any via or bare copper under the module can cause a short
circuit.

Preliminary information – subject to change
64
Figure 38: Layout recommendation for the engineering samples

Preliminary information – subject to change
65
Figure 39: Layout recommendation for the production version

Preliminary information – subject to change
66
12. WT32 PHYSICAL DIMENSIONS
Figure 40: Recommended PCB land pattern
Figure 41: WT32 footprint

Preliminary information – subject to change
67
13. PACKAGE
Figure 42: Carrier tape appearance and dimensions

Preliminary information – subject to change
68
Figure 43: Reel appearance and dimensions
Preliminary information – subject to change
69
14. CERTIFICATIONS
WT32 is compliant to the following specifications.
14.1 Bluetooth
WT32 module is Bluetooth qualified and listed as Controller Subsystem. When WT32 is
combined with a Bluetooth upper layer stack listed as Host Subsystem, such as Bluegiga
Technologies’ iWRAP, WT32 forms a full Bluetooth end-device which can be listed as End
Product for free. If not modified in any way, it is a complete Bluetooth entity, containing
software and hardware functionality as well as the whole RF-part including the antenna.
If changes are made in the parameter set, added profiles or in the antenna design, it is
required to be submitted to a BQB (Bluetooth Qualification Body) for evaluation on what
needs to be tested.
With HCI firmware WT32 will not meet the requirements of end product qualification.
WT32 is Bluetooth compliant to the following specifications
RF as defined in Part A of the Bluetooth specification v2.1+EDR, Vol.2 Core System
Package [Controller volume] (Class 1 operation) with all optional and mandatory features
supported.
BB as defined in Part B of the Bluetooth specification v2.1+EDR, Vol.2 Core System
Package [Controller volume], and specified in the covered functionality of the Software
Integrated Component (Bluetooth ID: B013295)
LM as defined in Part C of the Bluetooth specification v2.0+EDR, Vol.2 Core System
Package [Controller volume], and specified in the covered functionality of the Software
Integrated Component (Bluetooth ID: B013295)
WT32 Bluetooth QD ID: B014372
Preliminary information – subject to change
70
14.2 FCC
Federal Communications Commission (FCC) Statement
Industry Canada (IC) Statement
15.21
You are cautioned that changes or modifications not expressly approved by the part
responsible for compliance could void the user’s authority to operate the equipment.
15.105(b)
This equipment has been tested and found to comply with the limits for a Class B digital
device, pursuant to part 15 of the FCC rules. These limits are designed to provide
reasonable protection against harmful interference in a residential installation. This
equipment generates, uses and can radiate radio frequency energy and, if not installed
and used in accordance with the instructions, may cause harmful interference to radio
communications. However, there is no guarantee that interference will not occur in a
particular installation. If this equipment does cause harmful interference to radio or
television reception, which can be determined by turning the equipment off and on, the
user is encouraged to try to correct the interference by one or more of the following
measures:
•
Reorient or relocate the receiving antenna.
•
Increase the separation between the equipment and receiver.
•
Connect the equipment into an outlet on a circuit different from that to which the
receiver is connected.
•
Consult the dealer or an experienced radio/TV technician for help.
Operation is subject to the following two conditions:
•
This device may not cause interference and
•
This device must accept any interference, including interference that may cause
undesired operation of the device.
FCC RF Radiation Exposure Statement:
This equipment complies with FCC radiation exposure limits set forth for an uncontrolled
environment. End users must follow the specific operating instructions for satisfying RF
exposure compliance. This transmitter must not be co-located or operating in conjunction
with any other antenna or transmitter.
Note: The end product shall has the words “Contains Transmitter Module FCC ID:
QOQWT32”
WT32-A FCC ID: QOQWT32
Preliminary information – subject to change
71
14.3 CE
WT32 meets the requirements of the standards below and hence fulfills the requirements
of EMC Directive 89/336/EEC as amended by Directives 92/31/EEC and 93/68/EEC within
CE marking requirement.
•
Electromagnetic emission EN 301 489-17 V.1.2.1
o
EN 55022:1998+A
o
EN 55022:2000+A3
o
EN 55022:2003 Class B
o
EN 61000-3-2:2001
o
EN 61000-3-3:1995 A1:2001
o
EN 61000-4-3:2002
o
EN 61000-4-4:1995 A1:2000
o
EN 61000-4-5:1995 A1:2000
o
EN 61000-4-6:1996 A1:2000
o
EN 61000-4-11:1994 A1:2000
•
ETSI EN 300.328 V1.6.1:2004
14.4 Industry Canada (IC)
WT32 meets Industry Canada’s procedural and specification requirements for certification.
Industry Canada ID: 5123A-WT32
Preliminary information – subject to change
72
15. ROHS STATEMENT WITH A LIST OF BANNED MATERIALS
WT32 meets the requirements of Directive 2002/95/EC of the European Parliament and of
the Council on the Restriction of Hazardous Substance (RoHS)
The following banned substances are not present in WT32, which is compliant with RoHS:
Cadmium
Lead
Mercury
Hexavalent chromium
PBB (Polybrominated Bi-Phenyl)
PBDE (Polybrominated Diphenyl Ether)

Preliminary information – subject to change
73
16. CONTACT INFORMATION
Sales
:
sales@bluegiga.com
Technical
support
:
support@bluegiga.com
http://techforum.bluegiga.com
Orders: orders@bluegiga.com
Head Office / Finland:
Phone
: +358-9-4355 060
Fax
: +358-9-4355 0660
Street Address:
Sinikalliontie 11
02630 ESPOO
FINLAND
Postal address:
P.O. BOX 120
02631 ESPOO, FINLAND
Sales Office / USA:
Phone:
(781) 556-1039
Street address:
Bluegiga Technologies, Inc.
99 Derby Street, Suite 200
Hingham, MA 02043