TAIYO YUDEN EYTF3CSFT Bluetooth Module User Manual CP228560 X1
Taiyo Yuden Co., Ltd. Bluetooth Module CP228560 X1
Contents
Antenna 1b

2006.1.4
FUJITSU Limited
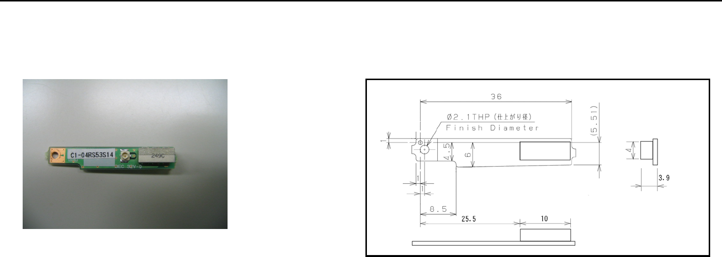
■A
pp
earance:■Dimention:
■Features:
Im
p
edance 50Ω
Fre
q
uenc
y
Band 2400~2500MHz
■MAX Gain:2.78dBi
■VSWR:1.79
Bluetooth Antenna S
p
ecification
■Model:CP228560-X1

Ceramic Antenna Test Data
Application : For Bluetooth Measurement Institution : Yokowo No.3 Radio Measuring Site
Antenna Model : YCE-5250 Date : 2005/02/24
Measurement Condition : GROSSO Disp.-Open Measured by : M.Yamada
Antenna Matching : Non
Cable Loss : Include Loss 0.8dB
f=2400MHz
Peak. Gain Avg. Gain Tx H & V Avg. Each Freq. Avg.
[dBi] [dBi] [dBi] [dBi]
Horizontal -2.45 -5.70
Vertical -3.84 -9.47
Horizontal -5.67 -11.85
Vertical -1.57 -7.77
Horizontal 0.42 -7.23
Vertical -3.02 -7.36
f=2442MHz VSWR
Peak. Gain Avg. Gain Tx H & V Avg. Each Freq. Avg.
[dBi] [dBi] [dBi] [dBi]
Horizontal -0.57 -4.21
Vertical -3.64 -8.72
Horizontal -4.64 -10.37
Vertical 0.92 -5.87
Horizontal 2.78 -5.62
Vertical -1.56 -6.39
f=2484MHz
Peak. Gain Avg. Gain Tx H & V Avg. Each Freq. Avg.
[dBi] [dBi] [dBi] [dBi]
Horizontal -0.99 -4.86
Vertical -5.28 -9.63
Horizontal -4.37 -10.60
Vertical 0.47 -6.07
Horizontal 1.37 -6.87
Vertical -2.65 -7.95
1112, Kanohara, Tomioka-shi Gunma, 370-2495, JAPAN Antenna Engineering Dept. TEL +81 274-62-2127 FAX +81 274-62-2031
-7.84
-6.42
-7.23
Plane Tx
X-Y -7.19
Y-Z -9.35
Z-X -7.29
Plane Tx
X-Y -5.90
Z-X -7.38
X-Y -6.62
Y-Z -7.77
Z-X -5.99
Plane Tx
Y-Z -7.56
dBi
To : FUJITSU LIMITED
-6.8
-7.1
X-Y Plane All Avg. (All Freq.)
Y-Z Plane All Avg. (All Freq.)
Z-X Plane All Avg. (All Freq.)
All Plane & All Freq. Avg.
-6.5
-8.2
dBi
dBi
dBi

Ceramic Antenna Test Data
Measurement Condition Field Pattern X-Y Plane
Antenna Coordinated
1112, Kanohara, Tomioka-shi Gunma, 370-2495, JAPAN Antenna Engineering Dept. TEL +81 274-62-2127 FAX +81 274-62-2031
2.5m
4m
DUT
Tx:W ridged horn Antenna
X
Y
-24.0
-18.0
-12.0
-6.0
0.0
6.0
[Deg]0
180
-90 90
①
-24.0
-18.0
-12.0
-6.0
0.0
6.0
[Deg]0
180
-90 9
0
②
-24.0
-18.0
-12.0
-6.0
0.0
6.0
[Deg]0
180
-90 90
③
-24.0
-18.0
-12.0
-6.0
0.0
6.0
[Deg]0
180
-90 9
0
④
Line No. Frequency[MHz] MEMO MAX. Gain[dBi] AVG. Gain[dBi]
1① 2400.00 Tx-H -2.45 -5.70
2① 2400.00 Tx-V -3.84 -9.47
3② 2442.00 Tx-H -0.57 -4.21
4② 2442.00 Tx-V -3.64 -8.72
5③ 2484.00 Tx-H -0.99 -4.86
6③ 2484.00 Tx-V -5.28 -9.63
050224
_
GROSSO
-
BT002
.ant
Yamada
05年02月24日
Fujitsu-GROSSO Open X-Y
All AVG.
All MAX. AVG.
-6.54[dBi]
-2.49[dBi]
Z
Y
X

Ceramic Antenna Test Data
Field Pattern Y-Z Plane Field Pattern Z-X Plane
1112, Kanohara, Tomioka-shi Gunma, 370-2495, JAPAN Antenna Engineering Dept. TEL +81 274-62-2127 FAX +81 274-62-2031
Y
ZX
Z
-24.0
-18.0
-12.0
-6.0
0.0
6.0
[Deg]0
180
-90 90
①
-24.0
-18.0
-12.0
-6.0
0.0
6.0
[Deg]0
180
-90 9
0
②
-24.0
-18.0
-12.0
-6.0
0.0
6.0
[Deg]0
180
-90 90
③
-24.0
-18.0
-12.0
-6.0
0.0
6.0
[Deg]0
180
-90 9
0
④
Line No. Frequency[MHz] MEMO MAX. Gain[dBi] AVG. Gain[dBi]
1① 2400.00 Tx-H -5.67 -11.85
2① 2400.00 Tx-V -1.57 -7.77
3② 2442.00 Tx-H -4.64 -10.37
4② 2442.00 Tx-V 0.92 -5.87
5③ 2484.00 Tx-H -4.37 -10.60
6③ 2484.00 Tx-V 0.47 -6.07
050224
_
GROSSO
-
BT006
.ant
Yamada
05年02月24日
Fujitsu-GROSSO Open Y-Z
All AVG.
All MAX. AVG.
-8.16[dBi]
-1.73[dBi]
-24.0
-18.0
-12.0
-6.0
0.0
6.0
[Deg]0
180
-90 90
①
-24.0
-18.0
-12.0
-6.0
0.0
6.0
[Deg]0
180
-90 9
0
②
-24.0
-18.0
-12.0
-6.0
0.0
6.0
[Deg]0
180
-90 90
③
-24.0
-18.0
-12.0
-6.0
0.0
6.0
[Deg]0
180
-90 9
0
④
Line No. Frequency[MHz] MEMO MAX. Gain[dBi] AVG. Gain[dBi]
1① 2400.00 Tx-H 0.42 -7.23
2① 2400.00 Tx-V -3.02 -7.36
3② 2442.00 Tx-H 2.78 -5.62
4② 2442.00 Tx-V -1.56 -6.39
5③ 2484.00 Tx-H 1.37 -6.87
6③ 2484.00 Tx-V -2.65 -7.95
050224
_
GROSSO
-
BT010
.ant
Yamada
05年02月24日
Fujitsu-GROSSO Open Z-X
All AVG.
All MAX. AVG.
-6.84[dBi]
0.08[dBi]