TAIYO YUDEN EYTF3CSFT Bluetooth Module User Manual CP268976
Taiyo Yuden Co., Ltd. Bluetooth Module CP268976
Contents
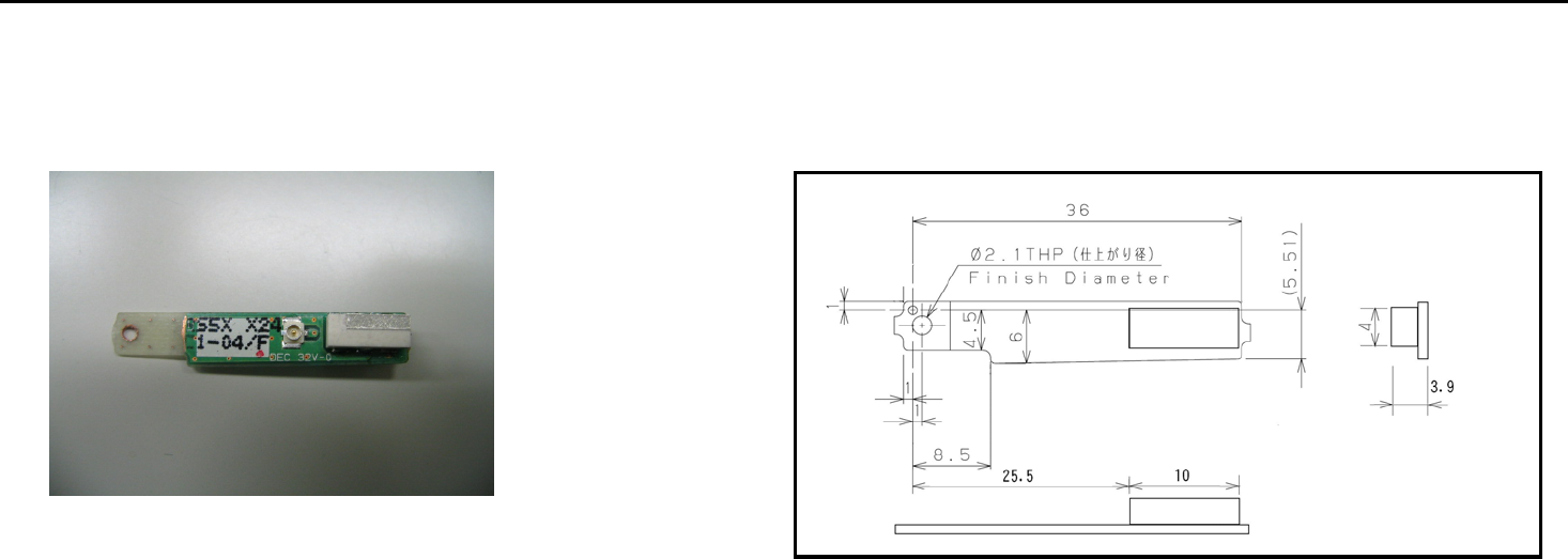
Antenna 1c

2006.1.4
FUJITSU Limited
■A
pp
earance:■Dimention:
■Features:
Im
p
edance 50Ω
Fre
q
uenc
y
Band 2400~2500MHz
■MAX Gain:-0.22dBi
■VSWR:1.51
Bluetooth Antenna S
p
ecification
■Model:CP268976-01

Ceramic Antenna Test Data
Application : For Bluetooth Measurement Institution : Yokowo No.3 Radio Measuring Site
Antenna Model : YCE-5250 Date : 2005/12/02
Measurement Condition : ECRU Disp.-Open Measured by : M.Matsuzaki
Antenna Matching : Non
Correction of Cable Loss : Non (include Loss 0.55dB)
f=2400MHz
Peak. Gain Avg. Gain Tx H & V Avg. Each Freq. Avg.
[dBi] [dBi] [dBi] [dBi]
Horizontal -2.89 -8.36
Vertical -4.55 -9.48
Horizontal -0.50 -5.10
Vertical -2.39 -10.01
Horizontal -1.11 -7.19
Vertical -3.28 -7.16
f=2442MHz VSWR
Peak. Gain Avg. Gain Tx H & V Avg. Each Freq. Avg.
[dBi] [dBi] [dBi] [dBi]
Horizontal -0.49 -6.70
Vertical -2.58 -7.93
Horizontal -0.70 -5.36
Vertical -2.99 -9.48
Horizontal -0.43 -6.13
Vertical -1.88 -6.18
f=2484MHz
Peak. Gain Avg. Gain Tx H & V Avg. Each Freq. Avg.
[dBi] [dBi] [dBi] [dBi]
Horizontal -0.29 -6.99
Vertical -3.02 -8.63
Horizontal -2.87 -6.76
Vertical -4.72 -9.91
Horizontal -0.22 -6.55
Vertical -2.25 -7.09
1112, Kanohara, Tomioka-shi Gunma, 370-2495, JAPAN Antenna Engineering Dept. TEL +81 274-62-2127 FAX +81 274-62-2031
-7.9
-7.3
dBi
dBi
dBi
Z-Y -6.95
dBi
To : FUJITSU LIMITED
-6.7
-7.3
X-Y Plane All Avg. (All Freq.)
Z-Y Plane All Avg. (All Freq.)
Z-X Plane All Avg. (All Freq.)
All Plane & All Freq. Avg.
Z-X -6.15
Plane Tx
Z-X -6.81
X-Y -7.73
Z-Y -8.06
-7.17
Plane Tx
X-Y -7.27
-7.57
-6.77
-7.50
Plane Tx
X-Y -8.88
Z-Y -6.90
Z-X

Ceramic Antenna Test Data
Measurement Condition Field Pattern X-Y Plane
Antenna Coordinated
1112, Kanohara, Tomioka-shi Gunma, 370-2495, JAPAN Antenna Engineering Dept. TEL +81 274-62-2127 FAX +81 274-62-2031
2.5m
4m
DUT
Tx:W ridged horn Antenna
X
Y
Z
Y
X
-45.0
-35.0
-25.0
-15.0
-5.0
5.0 [Deg]0
180
-90 90
①
-45.0
-35.0
-25.0
-15.0
-5.0
5.0 [Deg]0
180
-90 90
②
-45.0
-35.0
-25.0
-15.0
-5.0
5.0 [Deg]0
180
-90 90
③
-45.0
-35.0
-25.0
-15.0
-5.0
5.0 [Deg]0
180
-90 90
④
Line No. Frequency[MHz] MEMO MAX. Gain[dBi] AVG. Gain[dBi]
1① 2400.00 Horizontal -2.89 -8.36
2② 2442.00 -0.49 -6.70
3③ 2484.00 -0.29 -6.99
4① 2400.00 Vertical -4.55 -9.48
5② 2442.00 -2.58 -7.93
6③ 2484.00 -3.02 -8.63
All AVG.
All MAX. AVG. -7.91[dBi]
-2.05[dBi]

Ceramic Antenna Test Data
Field Pattern Z-Y Plane Field Pattern Z-X Plane
1112, Kanohara, Tomioka-shi Gunma, 370-2495, JAPAN Antenna Engineering Dept. TEL +81 274-62-2127 FAX +81 274-62-2031
-45.0
-35.0
-25.0
-15.0
-5.0
5.0 [Deg]0
180
-90 90
①
-45.0
-35.0
-25.0
-15.0
-5.0
5.0 [Deg]0
180
-90 90
②
-45.0
-35.0
-25.0
-15.0
-5.0
5.0 [Deg]0
180
-90 90
③
-45.0
-35.0
-25.0
-15.0
-5.0
5.0 [Deg]0
180
-90 90
④
Line No. Frequency[MHz] MEMO MAX. Gain[dBi] AVG. Gain[dBi]
1① 2400.00 Horizontal -0.50 -5.10
2② 2442.00 -0.70 -5.36
3③ 2484.00 -2.87 -6.76
4① 2400.00 Vertical -2.39 -10.01
5② 2442.00 -2.99 -9.48
6③ 2484.00 -4.72 -9.91
All AVG.
All MAX. AVG. -7.27[dBi]
-2.13[dBi]
-45.0
-35.0
-25.0
-15.0
-5.0
5.0 [Deg]0
180
-90 90
①
-45.0
-35.0
-25.0
-15.0
-5.0
5.0 [Deg]0
180
-90 90
②
-45.0
-35.0
-25.0
-15.0
-5.0
5.0 [Deg]0
180
-90 90
③
-45.0
-35.0
-25.0
-15.0
-5.0
5.0 [Deg]0
180
-90 90
④
Line No. Frequency[MHz] MEMO MAX. Gain[dBi] AVG. Gain[dBi]
1① 2400.00 Horizontal -1.11 -7.19
2② 2442.00 -0.43 -6.13
3③ 2484.00 -0.22 -6.55
4① 2400.00 Vertical -3.28 -7.16
5② 2442.00 -1.88 -6.18
6③ 2484.00 -2.25 -7.09
All AVG.
All MAX. AVG. -6.69[dBi]
-1.40[dBi]
Y
Z
X
Z