TAIYO YUDEN EYTMECS Complete Class 2 Bluetooth Module User Manual Manual

Taiyo Yuden Co., Ltd. Complete Class 2 Bluetooth Module Manual

Manual

6-Dec.-2008    Ver.0.5      TAIYO YUDEN Confidential & Tentative  1/39 TAIYO YUDEN   EYTMECS          Bluetooth® Module    EYTMECS  User Manual                         The Bluetooth® word mark and logos are owned by the Bluetooth SIG, Inc. and any use of such marks by TAIYO YUDEN CO., LTD. is under license.  In  case  you  adopt  this  module  and design  some  appliance,  please ask for the latest specifications from the local sales office. We wish the customer to request the Specification Report when the design  for  the  mass  production  begins  because  the  content  of  this Data Report might change without a previous notice to the customer.
6-Dec.-2008    Ver.0.5      TAIYO YUDEN Confidential & Tentative  2/39 TAIYO YUDEN   EYTMECS Document constituent list Control name  Control No.  Document Page General Items  HD-AG-A080137  1/3 - 3/3 Absolute maximum ratings  HD-AM-A080137  1/1 Electrical characteristics  HD-AE-A080137  1/3 - 3/3 Electrical characteristics  HD-AE-B080137  1/2 - 2/2 Electrical characteristics  HD-AE-C080137  1/11 - 11/11   Electrical characteristics  HD-AE-D080137  1/11 - 11/11   Circuit schematic  HD-MC-A080137  1/1 Outline / Appearance  HD-AD-A080137  1/1 Outline / Appearance  HD-AD-B080137  1/1 Pin Layout  HD-BA-A080137  1/1    Rev. record 6-Dec.-2008> Ver.0.5 Draft
6-Dec.-2008    Ver.0.5      TAIYO YUDEN Confidential & Tentative  3/39 TAIYO YUDEN   EYTMECS Control No. HD-AG-A080137                              (1/3) Control name General Items Scope This specification (“Specification”) applies to the hybrid IC “EYTMECS” for use Bluetooth® module (“Product”) manufacture by TAIYO YUDEN Co., Ltd. (“TAIYO YUDEN”)  1. User’s Code: EYTMECS(USB I/F Support)         Digit3: Customer Code      ex) S: TAIYO YUDEN Standard         Digit8: Software Code        ex) X: TAIYO YUDEN Standard         Digit9: Hardware Code      ex) X: TAIYO YUDEN Standard * User’s Code may be modified for mass production or other cases.   Please see “m” for more information.  Type: EYTMECS 2. Function: Radio frequency transfer Module (power class 2). Bluetooth® standard Ver 2.1+EDR conformity 3. Application: Laptop PC, PC peripheral, Handy terminal 4. Structure: Hybrid IC loaded with silicon monolithic semiconductor 5. Outline: Cable Connector Type 6. Marking: TBD                                                                      7. Features: -Bluetooth® 2.1+EDR conformity   -QD ID: ****** (Controller Subsystem) -USB Interface -Hold, Sniff and Park Mode -Supported Link Type: ACL links (Piconet<7>), (e)SCO links (Piconet<3>) -AFH (Adaptive Frequency Hopping) -Faster Inquiry & Connection -EDR(Enhanced Data Rate) -SSP (Secure Simple Pairing), SSR (Sniff Subrating),   EIR (Extended Inquiry Response) and EPR (Encryption Pause/Resume)  8. Packing:TBD 9. Terminal: Data input-output (10pin Cable Connector)                                                   “J.S.T.Mfg.Co.,Ltd. : SM10B-SSR-H-TB(LF)(SN)” RF input-output (Antenna) 10. Mount: TBD 11. Notes:   a. Any question arising from this Specification shall be solved through mutual discussion by the parties       hereof. b. This Product is not designed for radiation durable and should not be used under the circumstance of radiation. c. The operating conditions of this Product are as shown in this Specification. Please note that TAIYO YUDEN shall not be liable for a failure and/or abnormality which is caused by use under the conditions other than the operating conditions hereof.
6-Dec.-2008    Ver.0.5      TAIYO YUDEN Confidential & Tentative  4/39 TAIYO YUDEN   EYTMECS Control No. HD-AG-A080137                                  (2/3) Control name General Items  d. This Product mentioned in this Specification is manufactured for use in Laptop PC, PC peripheral and Handy terminal. Before using this Product in any special equipment (such as medical equipment, space equipment, air craft, disaster prevention equipment), where higher safety and reliability are duly required, the applicability and suitability of this Product must be fully evaluated by the customer at its sole risk to ensure correct and safety operation of those special equipments. Also, evaluation of the safety function of this Product even for use in general electronics equipment shall be thoroughly made and when necessary, a protective circuit shall be added in design stage, all at the customer’s sole risk. e. TAIYO YUDEN warrants only that this Product is in conformity with this Specification for one year after purchase and shall in no event give any other warranty. f. The warranty period shall be one year. g. Communication between this Product and others might not be established nor maintained depending upon radio environment or operating conditions of this Product and other Bluetooth® products. h. This Product is designed for use in products which comply with Bluetooth® Specifications (Ver 2.1+EDR) (“Bluetooth Specifications”). TAIYO YUDEN disclaims and is not responsible for any liability concerning infringement  by  this  Product  under  any  intellectual  property  right  owned  by  third  party  in  case  the customer  uses  this  Product  in  any  product  which  does  not  comply  with  Bluetooth  Specifications  (the “non-complying products”). Furthermore, TAIYO YUDEN warrants only that this Product complies with this  Specification  and  does  not  grant  any  other  warranty  including  warranty  for  application  of  the non-complying products. i. TAIYO YUDEN dose not render updating or upgrading service for the firmware in the Module. j. In order to take tests for getting the certification of each country’s Radio Law with a device incorporating this  module,  it  is  necessary  to  make  the  software  in  Host  to  put  the  module  into  test  condition.  Please contact TAIYO YUDEN for farther details. k. Please evaluate adequately our module incorporated to your products before mass production. l. This Product operates in the unlicensed ISM band at 2.4GHz. In case this Product is used around the other wireless devices which operate in same frequency band of this Product, there is a possibility that   interference occurs between this Product and such other devices. If such interference occurs, please stop the operation of other devices or relocate this Product before using this Product or do not use this   Product around the other wireless devices. m. User’s Code Modification Notice (Bluetooth® Modules) User’s  Code  may be  modified based on  mass  production stage,  Bluetooth®  logo Qualification stage,  or other  related  stages. Please  contact TAIYO YUDEN  to confirm  whether  your User’s  Code  needs to  be modified. Please see the following examples for cases that User’s Code are modified:           - for specific firmware version (our standard item firmware will be upgraded occasionally)           - for specific BD address (our standard item BD address is owned by TAIYO YUDEN )           - for specific PnP (Plug and Play) IDs (our standard item PnP IDs are owned by TAIYO YUDEN or chip manufacture) EYTMECS Setting: USB Product ID : 0x0508, USB Vendor ID : 0x0930           - for other related cases (specific or different setting, form, sizes, or display etc..) In case  you  have  applied  for  Bluetooth® Qualification  with  our  standard User’s  Code  without previous notice to TAIYO YUDEN, we shall not be responsible for any expense that will be required to change its name/number.
6-Dec.-2008    Ver.0.5      TAIYO YUDEN Confidential & Tentative  5/39 TAIYO YUDEN   EYTMECS Control No. HD-AG-A080137                                  (3/3) Control name General Items      n. Containment of hazardous substance in this Product   *Pb (Lead)                                             : Non use             * This product conforms to RoHS Directive(2002/95/EC). p. In addition when this Product is used under environmental conditions such as over voltage which   are not guaranteed ,it may be destroyed in short mode. To ensure the security of customer’s product,   please add an extra fuse or/and a protection circuit for over voltage. q. In some cases, TAIYO YUDEN may use replacements as component parts of Products. Such replacement shall apply only to component part of Products, which TAIYO YUDEN deems it possible to replace or substitute according to (i) Scope provided in this Specification (e.g. Official Standard (Type Approvals, Bluetooth LOGO etc.)) and (ii) Quality of Products. TAIYO YUDEN also ensures traceability of such replacement on production lot basis. r. Do not alter Hardware and/or Software of this Product.         Please note that TAIYO YUDEN shall not be liable for any problem if it is caused by customer's                     alteration of Hardware or/and Software without Taiyo Yuden's prior approvals.                           This  module  is  still  under  development,  thus  specifications  do  not  guarantee  both  the  quality  and reliability at the time of shipment. Since the specifications and mass production of the module are not confirmed either, the contents of the technical notes are subject to change without any prior notice.
6-Dec.-2008    Ver.0.5      TAIYO YUDEN Confidential & Tentative  6/39 TAIYO YUDEN   EYTMECS Control No. HD-AM-A 080137                            (1/1) Control name Absolute maximum ratings  Absolute maximum ratings Rating Item  Symbol  Min.  Typ. Max.  Unit  Remark Supply voltage  VDD_3.3V  -0.3    3.6  V  Ta=25 degrees C, GND reference Input voltage  Vin  -0.3    VDD_3.3V +0.3  V  I/O terminals except USB interface   Recommendation operating range Rating Item  Symbol  Min.  Typ.  Max.  Unit  Remark Supply voltage  VDD_3.3V 3.15  3.3  3.45  V   Supply voltage ripple and spike noise  VDD_rn      (30)  mVp-p  Note 1 Operation temperature range  Topr  -25  25  75  Degrees C Humidity=40%RH Note 2 Storage temperature range  Tstg  -30  25  85  Degrees C Humidity=40%RH Note 3  Notes: 1.    To fill the standard of “Supply voltage ripple and spike noise”, the capacitor, which   has  the  capacity  of  2.2uF  or  more  ,  should  be  put  in  the  terminal  VDD_3.3V  outside  as  a  bypass capacitor . 2.      Operating temperature range is set to satisfy products electrical characteristics in the short term.       In terms of product life cycle when it is used in condition of varying from TYP standard in the long   term, please refer to the reliability condition. 3.      Storage temperature range is the condition for transportation and storage in temporary.
6-Dec.-2008    Ver.0.5      TAIYO YUDEN Confidential & Tentative  7/39 TAIYO YUDEN   EYTMECS Control No. HD-AE-A080137                              (1/3) Control name Electrical characteristics Electrical characteristic  DC Specifications The Specification applies for Topr.= 25 degrees C, VDD_3.3V=3.3V No. Parameter  Condition  Symbol Min.  Typ.  Max.  Unit Remark 1 Normal supply voltage  VDD_3.3V  3.15  3.3  3.45  V   2 Input Low Voltage1  /RESET, PIOX  VIL1 -0.3    0.8  V   3 Input Low Voltage2  USB_D+, USB_D-  VIL2 -    0.8  V   4 Input High Voltage1  /RESET, PIOX  VIH1 0.7xVDD _3.3V   VDD_3.3V +0.3  V   5 Input High Voltage2  USB_D+, USB_D-  VIH2 2.0    -  V   6 Output Low Voltage1  PIOX  VOL1 -    0.4  V  IOL=4mA 7 Output Low Voltage2  USB_D+, USB_D-  VOL2 -    0.3  V   8 Output High Voltage1  PIOX  VOH1 VDD_3.3V -0.4    -  V  IOH =-4mA 9 Output High voltage2  USB_D+, USB_D-  VOH2 2.8    -  V   10 Peak current  Continuous Rx  Iccp1   (42)  (120)  mA Notes 3, 4 11 Average current1  Sniff mode (Slave only)  Icca1   (13) -  mA Notes 1, 3, 4 12 Average current2  Standby mode  Icca2   (9) -  mA Notes 3, 4 13 Average current3  Send DM1packet (Master) Icca3   (44) -  mA Notes 3, 4 14 Average current4  Receive DM1packet (Slave) Icca4   (45) -  mA Notes 3, 4 15 Average current5  Hold mode (Slave only)  Icca5   (10) -  mA Notes 3, 4 16 Average current6  Park mode (Slave only)  Icca6   (11) -  mA Notes 2, 3, 4  Notes: 1. Sniff mode parameter.      Max interval    0050h Min interval    0010h Attempt          0005h Timeout          0005h 2. Park mode parameter.        Max interval    0100h                                                   Min interval    0010h 3. The consumption current might fluctuate with the condition of radio communication, host performance and test circuit. 4. The value may fluctuate several (mA) depending on Firmware version.
6-Dec.-2008    Ver.0.5      TAIYO YUDEN Confidential & Tentative  8/39 TAIYO YUDEN   EYTMECS Control No. HD-AE-A080137                              (2/3) Control name Electrical characteristics AC Specifications The Specification applies for Topr.= 25 degrees C, VDD_3.3V=3.3V No. Parameter  Condition Symbol Min  Typ Max Unit Remark 1 VDD_3.3V Rise Time from 0V to 3.15V    t1  0    2  ms  Note 1 2 VDD_3.3V=3.15V to /RESET High   t2  10      ms  Note 2 3 /RESET High to Module Ready    t3    ( 300 ) 3000 ms  Notes 3, 4 4 /RESET pulse width    t4  6      ms   5 DETACH High to USB I/F High-Z    t5      130  ms   6 DETACH Low to USB I/F Active    t6  0    10  ms   7 /RESET High to /RESET Low      t7  3000     ms  Note 5 8 /RESET Low to USB_I/F High-Z    t8  0    10  ms   9 Module Active to /RESET Low    t9  0      ms  Note 5 10 /RESET Low to VDD_3.3V Off    t10  0      ms   Notes:   1. This module has an internal EEPROM and a function to erase/sort unnecessary data if certain HCI commands are issued and consume more than a certain level of free space in the EEPROM.   This operation occurs at every module initialization (power-on). If  supply  voltage  becomes  non-defined  states  during  initialization  or  writing  in  EEPROM,  data  in  EEPROM might be destroyed. If the data in EEPROM is destroyed, module will not work correctly. Therefore please be sure to stabilize power source before /RESET release. In  addition  please  design  module  peripheral  circuits  to  avoid  temporary  blackout  of  power  source  during operation. Please refer HD-AE-C 080137 for HCI command which rewrites flash memory data. 2.    Input /RESET signal of 10ms and more in condition of VDD_3.3V at over 3.15V. 3.    When the module is ready to accept the command, its module outputs the “0F 04 00 01 00 00” (Hex) to the USB Data Line. After that, please access to the module. 4.    The Typ. is a reference value. The value may change depending on the firmware version, conditions of use. 5.    You don’t need to wait t6 if you confirm that this module has output “0F 04 00 01 00 00” (Hex).
6-Dec.-2008    Ver.0.5      TAIYO YUDEN Confidential & Tentative  9/39 TAIYO YUDEN   EYTMECS Control No. HD-AE-A080137                              (3/3) Control name Electrical characteristics  USB_DETACHVDD_3.3V/RESETUSB_I/FTiming Diagram for Power Up Sequencet1t2t4t7t3Activet9 t8Active Activet5 t6    Timing Diagram for Power Down SequenceVDD_3.3V/RESETUSB_I/FUSB_DETACHActivet10
6-Dec.-2008    Ver.0.5      TAIYO YUDEN Confidential & Tentative  10/39 TAIYO YUDEN   EYTMECS Control No. HD-AE-B080137                                      (1/2) Control name Electrical characteristics  RF Specifications at Basic Rate The Specification applies for Ta=25 degrees C, VDD_3.3V=3.3V No. Parameter  Condition  Symbol Min  Typ  Max  Unit  Remark 1  Frequency band    FREQ 2400    2483.5 MHz   2  Tx power    PO  -6  0  +4  dBm   3  Modulation characteristics 1  dF1: F0(11110000)  M1  140    175  kHz   4  Modulation characteristics 2  dF2: AA(10101010)  M4  115      kHz   5  Modulation characteristics 3  dF2/dF1  MC  0.8         6  In-band  spurious emission 2  2MHz(|M-N|=2)  ISE1      -20  dBm   7  In-band  spurious emission 3 3MHz or greater (|M-N|>=3)  ISE2      -40  dBm   8  Initial Carrier   Frequency    ICF  -75    +75  kHz   9  Frequency Drift 1  DH1  FD1  -25    +25  kHz   10  Frequency Drift 2  DH3,DH5  FD2  -40    +40  kHz   11  Drift rate  DH1,DH3,DH5  DR      400  Hz/us  12  C/I co-channel    CIC      11  dB  -60dBm 13  C/I 1MHz    CI1      0  dB  -60dBm 14  C/I 2MHz    CI2      -30  dB  -60dBm 15  C/I >= 3MHz    CI3      -40  dB  -67dBm 16  C/I Image    CI4      -9  dB -3MHz offset -67dBm 17  C/I Image +/- 1MHz   CI5      -20  dB  -67dBm 18  Out-of-Band Blocking 1 30MHz to 2000MHz f=2460MHz  OBB1     -10  dBm  BER<=0.1% 19  Out-of-Band Blocking 2 2000 to 2399MHz f=2460MHz  OBB2     -27  dBm  BER<=0.1% 20  Out-of-Band Blocking 3 2484 to 3000MHz f=2460MHz  OBB3     -27  dBm  BER<=0.1% 21  Out-of-Band Blocking 4 3000MHz to 12.75GHz   f=2460MHz OBB4     -10  dBm  BER<=0.1% 22  Maximum Input Level    MAXP -20      dBm  BER<=0.1% 23  20dB Bandwidth    B20      1  MHz   24  Sensitivity-single  DH1  SEN1      -70  dBm  BER<=0.1% 25  Sensitivity-multi  DH3,DH5  SEN2      -70  dBm  BER<=0.1%
6-Dec.-2008    Ver.0.5      TAIYO YUDEN Confidential & Tentative  11/39 TAIYO YUDEN   EYTMECS Control No. HD-AE-B080137                                      (2/2) Control name Electrical characteristics  RF Specifications at EDR The Specification applies for Ta=25 degrees C, VDD_3.3V =3.3V No. Parameter  Condition  Symbol Min  Typ Max  Unit Remark 1  RMS DEVM 1  Pai/4DQPSK  RDE1      0.20     2  RMS DEVM 2  8DPSK  RDE2      0.13     3  Peak DEVM 1  Pai/4DQPSK  PDE1      0.35     4  Peak DEVM 2  8DPSK  PDE2      0.25     5  99% DEVM 1  Pai/4DQPSK  D991      0.30     6  99% DEVM 2  8DPSK  D992      0.20     7  EDR In-band spurious emission 1  |M-N|=1  EISE1 26            dB   8  EDR In-band spurious emission 2  |M-N|=2  EISE2     -20  dBm  9  EDR In-band spurious emission 3  |M-N|=3  EISE3     -40  dBm  10  EDR Initial Carrier   Frequency      EICF  -75    +75  kHz  11  EDR Drift      ED  -10    +10  kHz  12  Relative transmit power  PDPSK  RTP  PGFSK-4   PGFSK+1  dB   13  Actual Sensitivity Level 2-DH5(3-DH5) 16000000bit  ESEN      -70  dBm BER= 10-4 14  BER Floor Performance 2-DH5(3-DH5) 160000000bit  FSEN      -60  dBm BER= 10-5 15  C/I co-channel  2-DH5  2CIC      13  dB  -60dBm 16  C/I 1MHz  2-DH5  2CI1      0  dB  -60dBm 17  C/I 2MHz  2-DH5  2CI2      -30  dB  -60dBm 18  C/I >= 3MHz  2-DH5  2CI3      -40  dB  -67dBm 19  C/I Image  2-DH5  2CI4      -7  dB -67dBm -3MHz offset 20  C/I Image +/- 1MHz  2-DH5  2CI5      -20  dB  -67dBm 21  C/I co-channel  3-DH5  3CIC      21  dB  -60dBm 22  C/I 1MHz  3-DH5  3CI1      5  dB  -60dBm 23  C/I 2MHz  3-DH5  3CI2      -25  dB  -60dBm 24  C/I >= 3MHz  3-DH5  3CI3      -33  dB  -67dBm 25  C/I Image  3-DH5  3CI4      0  dB -67dBm -3MHz offset 26  C/I Image +/- 1MHz  3-DH5  3CI5      -13  dB  -67dBm 27  Maximum Input Level 2-DH5(3-DH5)  EMAXP  -20      dBm   Note:   Bluetooth® standard Ver 2.1+EDR conformity
6-Dec.-2008    Ver.0.5      TAIYO YUDEN Confidential & Tentative  12/39 TAIYO YUDEN   EYTMECS Control No. HD-AE-C080137                                  (1/11) Control name Electrical characteristics Supported HCI Commands / HCI Events The Bluetooth® functions of this module is as written in the attached PICS. Depending on   firmware version Upgrade, the Bluetooth® functions are subject to change without notice.                                 Firmware Version 23E (Build5276) HCI COMMAND LIST                                   Command Description  OpCode  Group  Command  Parameters  Returns  Status  Notes  Device Setup HCI _Reset  0x0C03  3  3    States  Yes    Controller Flow Control Status HC ACL Data Packet Length HC Synchronous Data   Packet Length HC Total Num ACL Data Packets HCI _Read _Buffer _Size  0x1005  4  5   HC Total Num Synchronous Data Packets Yes    Controller Information Status HCI Version HCI Revision LMP Version Manufacturer Name HCI _Read _Local _Version _ Information  0x1001 4  1   LMP Subversion Yes   Status HCI _Read _Local _Supported _Commands  0x1002 4  2    Supported Commands  Yes   Status HCI _Read _Local _Supported   _Features  0x1003 4  3    LMP Features  Yes   Status Page number Maximum Page Number HCI _Read _Local _Extended _Features  0x1004 4  4  Page number Extended LMP Features Yes   Status HCI _Read _BD _ADDR  0x1009 4  9    BD ADDR  Yes    Controller Configuration HCI _Read _Local _Name  0x0C14 3  14    States  Yes   HCI _Write _Local _Name  0x0C13 3  13  Local Name  States  Yes   States HCI _Read _Class _of _Device  0x0C23 3  23    Class of Device  Yes   HCI _Write _Class _of _Device  0x0C24 3  24  Class of Device  States  Yes   States HCI _Read _Number _Of _Support _IAC  0x0C38 3  38    Num Support IAC  Yes   States Num Current IAC HCI _Read _Current _IAC _LAP  0x0C39 3  39   IAC LAP [I] Yes   Num Current IAC HCI _Write _Current _IAC _LAP  0x0C3A 3  3A  IAC LAP [I]  States  Yes   States HCI _Read _Scan _Enable  0x0C19 3  19    Scan Enable  Yes   HCI _Write _Scan _Enable  0x0C1A 3  1A  Scan Enable  States  Yes
6-Dec.-2008    Ver.0.5      TAIYO YUDEN Confidential & Tentative  13/39 TAIYO YUDEN   EYTMECS Control No. HD-AE-C080137                                (2/11) Control name Electrical characteristics Device Discovery LAP Inquiry Length HCI _Inquiry  0x0401 1  1 Num Responses   Yes   HCI _ Inquiry_ Cancel  0x0402 1  2    Status  Yes   Max Period Length Min Period Length LAP Inquiry Length HCI_ Periodic_ Inquiry _Mode  0x0403 1  3 Num Responses Status  Yes   HCI _Exit _Periodic _Inquiry _Mode 0x0404 1  4    Status  Yes   States Inquiry Scan Interval HCI _Read _Inquiry _Scan _Activity 0x0C1D 3  1D   Inquiry Scan Window Yes   Inquiry Scan Interval HCI _Write _Inquiry _Scan _Activity  0x0C1E 3  1E  Inquiry Scan Window  States  Yes   Status HCI _Read _Inquiry _Scan _Type  0x0C42 3  42    Scan Type  Yes   HCI _Write _Inquiry _Scan _Type  0x0C43 3  43  Scan Type  Status  Yes   Status HCI _Read _Inquiry _Mode  0x0C44 3  44    Inquiry Mode  Yes   HCI _Write _Inquiry _Mode  0x0C45 3  45  Inquiry Mode  Status  Yes   Status HCI_Read_Inquiry_Response _Transmit_Power_Level    0x0C58 3  58    TX_Power  Yes   HCI_Write_Inquiry_Transmit_Power _Level  0x0C59 3  59  TX_Power  Status  Yes   Status FEC_Required HCI_Read_Extended_Inquiry_ Response  0x0C51 3  51    Extended_Inquiry_ Response Yes   FEC_Required HCI_Write_Extended_Inquiry_ Response  0x0C52 3  52  Extended_Inquiry_ Response Status  Yes    Connection Setup BD ADDR Packet Type Page Scan Repetition Mode Reserved Clock Offset HCI _Create_ Connection  0x0405 1  5 Allow Role Switch   Yes   BD ADDR HCI _Accept _Connection _Request 0x0409 1  9  Role    Yes   BD ADDR HCI _Reject _Connection _Request  0x040A 1  A  Reason    Yes   Status HCI _Create _Connection _Cancel  0x0408 1  8  BD ADDR  BD ADDR  Yes   Connection Handle Reason HCI _Disconnect  0x0406 1  6 Packet Type   Yes   States HCI _Read _Page _Timeout  0x0C17 3  17    Page Timeout  Yes   HCI _Write _Page _Timeout  0x0C18 3  18  Page Timeout  States  Yes   States Page Scan Interval HCI _Read _Page _Scan _Activity  0x0C1B  3  1B   Page Scan Window Yes   Page Scan Interval HCI _Write _Page _Scan _Activity  0x0C1C  3  1C  Page Scan Window  States  Yes
6-Dec.-2008    Ver.0.5      TAIYO YUDEN Confidential & Tentative  14/39 TAIYO YUDEN   EYTMECS Control No. HD-AE-C080137                                  (3/11) Control name Electrical characteristics  States HCI _Read _Page _Scan _Type  0x0C46 3  46    Page_Scan_Type  Yes   HCI _Write _Page _Scan_Type  0x0C47 3  47  Page_Scan_Type  States  Yes   Status HCI_Read_Connection_ Accept_Timeout  0x0C15 3  15    Conn_Accept_Timeout  Yes   HCI_Write_Connection_ Accept_Timeout  0x0C16 3  16  Conn_Accept_Timeout  Status  Yes    Remote Information BD ADDR Page  Scan  Repetition Mode Page Scan Mode HCI _Remote _Name_ Request  0x0419 1  19 Clock Offset   Yes   Status HCI _Remote _Name _Request _Cancel  0x041A 1  1A  BD_ADDR  BD_ADDR  Yes   HCI _Read _Remote _Supported _Features  0x041B 1  1B  Connection Handle    Yes   Connection Handle HCI _Read _Remote _Extended _Features  0x041C 1  1C  Page_Number    Yes   HCI _Read _Remote _Version _Information  0x041D 1  1D  Connection Handle    Yes    Synchronous Connections Connection Handle Transmit Bandwidth Receive Bandwidth Max Latency Voice Setting Retransmission Effort HCI _Setup _Synchronous _Connection  0x0428 1  28 Packet Type   Yes   BD ADDR Transmit Bandwidth Receive Bandwidth Max Latency Content Format Retransmission Effort HCI _Accept _Synchronous _Connection _Request  0x0429 1  29 Packet Type   Yes   HCI _Reject _Synchronous _Connection _Request  0x042A 1  2A  BD ADDR    Yes   States HCI _Read _Voice _Setting  0x0C25 3  25    Voice Setting  Yes   HCI _Write _Voice _Setting  0x0C26 3  26  Voice setting  States  Yes   HCI_Write_Default_Erroneous_Data_Reporting  0x0C5B 3  5B  Erroneous_Data_Reporting  Status  No   Status HCI_Read_Default_Erroneous_Data_Reporting  0x0C5A 3  5A    Erroneous_Data_ Reporting No
6-Dec.-2008    Ver.0.5      TAIYO YUDEN Confidential & Tentative  15/39 TAIYO YUDEN   EYTMECS Control No. HD-AE-C080137                                  (4/11) Control name Electrical characteristics Connection State Connection Handle Hold Mode Max Interval HCI _Hold _Mode  0x0801 2  1 Hold Mode Min Internal   Yes   Connection Handle Sniff Max Interval Sniff Min Interval Sniff Attempt HCI _Sniff _Mode  0x0803 2  3 Sniff Timeout   Yes   HCI _Exit _Sniff _Mode  0x0804 2  4  Connection Handle    Yes   Connection Handle Beacon Max Interval HCI _Park _State  0x0805 2  5 Beacon Min Interval   Yes   HCI _Exit _Park _State  0x0806 2  6  Connection Handle    Yes   Connection Handle  States   Connection Handle HCI _Read _Link _Policy _Settings 0x080C 2  C   Link Policy Settings Yes   Connection Handle  States HCI _Write _Link _Policy _Settings 0x080D 2  D  Link Policy settings  Connection Handle  Yes   Status HCI _Read _Default _Link _Policy _Settings  0x080E 2  E    Default Link Policy Settings Yes   HCI _Write _Default _Link _Policy_Settings  0x080F 2  F  Default Link Policy Settings  Status  Yes   States HCI _Read _Hold _Mode _Activity 0x0C2B 3  2B   Hold Mode Activity Yes   HCI _Write _Hold _Mode _Activity 0x0C2C 3  2C  Hold Mode Activity  States  Yes    Piconet Structure Status Connection Handle HCI _Role _Discovery  0x0809 2  9  Connection Handle Current Role Yes   BD ADDR HCI _Switch _Role  0x080B 2  B  Role    Yes    Quality Service HCI _Flow _Specification  Connection Handle   Flags Flow direction Service Type Token Rate Token Bucket Size Peak Bandwidth  0x0810 2  10 Access Latency   Yes   HCI _QoS _Setup  Connection Handle Flags Service Type Token Rate Peak Bandwidth Latency  0x0807 2  7 Delay Variation   Yes   States HCI _Flush  0x0C08 3  8  Connection Handle  Connection Handle  Yes
6-Dec.-2008    Ver.0.5      TAIYO YUDEN Confidential & Tentative  16/39 TAIYO YUDEN   EYTMECS Control No. HD-AE-C080137                                  (5/11) Control name Electrical characteristics  States Connection Handle HCI _Read _Automatic _Flush _Timeout  0x0C27  3  27  Connection Handle Flush Timeout Yes   Connection Handle  States HCI _Write _Automatic _Flush_ Timeout 0x0C28  3  28  Flash Timeout  Connection Handle  Yes   Status Connection Handle HCI _Read _Failed _Contact _Counter  0x1401  5  1  Connection Handle Failed Contact Counter Yes   Status HCI _Reset _Failed _Contact _Counter  0x1402  5  2  Connection Handle  Connection Handle  Yes   HCI _Read _Num _Broadcast_ Retransmission  0x0C29  3  29    States  Yes   HCI _Write _Num _Broadcast_ Retransmission  0x0C2A  3  2A  Num Broadcast Retransmission  States  Yes   Connection_Handle HCI_Enhanced_Flush  0x0C5F  3  5F  Packet_Type    Yes   Connection_Handle  Status Maximum_Latency  Connection_Handle Minimum_Remote_ Timeout   HCI_Sniff_Subrating  0x0811  2  11 Minimum_Local_Timeout   Yes    Physical Links States Connection Handle HCI _Read _Link _Supervision _Timeout  0x0C36 3  36  Connection Handle  Link Supervision Timeout Yes   Connection Handle  States HCI _Write _Link _Supervision _Timeout  0x0C37 3  37  Link Supervision Timeout  Connection Handle  Yes   Status HCI Read _AFH _Channel   _Assessment _Mode  0x0C48 3  48    AFH Channel   Assessment Mode Yes   HCI Write _AFH _Channel   _Assessment _Mode  0x0C49 3  49  AFH Channel   Assessment Mode  Status  Yes   HCI _Set _AFH _Host _Channel   _Classification  0x0C3F 3  3F  AH Host Channel   Classification  Status  Yes   Connection Handle HCI _Change _Connection _Packet_Type  0x040F 1  F  Packet Type    Yes    Host Flow Control Host ACL Data Packet Length Host SCO Data Packet Length Host Total Num ACL Data Packets HCI _Host _Buffer _Size  0x0C33  3  33 Host Total Num SCO Data Packets States  Yes   HCI _Set _Event _Mask  0x0C01  3  1  Event Mask  States  Yes   Filter Type Filter Condition Type HCI _Set _Event _Filter  0x0C05  3  5 Condition States  Yes   HCI _Set _Controller _To _Host _Flow _Control  0x0C31  3  31  Flow Control Enable  States  Yes
6-Dec.-2008    Ver.0.5      TAIYO YUDEN Confidential & Tentative  17/39 TAIYO YUDEN   EYTMECS Control No. HD-AE-C080137                                  (6/11) Control name Electrical characteristics  Number of Handles Connection handle [I] HCI _Host _Number _Of _Completed _Packets  0x0C35  3  35  Host Num of Completed Packets [I]   Yes   States HCI _Read _Synchronous _Flow _Control _Enable  0x0C2E 3  2E    Synchronous Flow Control Enable Yes   HCI _Write _ Synchronous _Flow _Control _Enable  0x0C2F 3  2F  Synchronous Flow Control Enable  States  Yes    Link Information Status Connection Handle LMP_Handle HCI _Read _LMP _Handle  0x0420  1  20  Connection Handle Reseved Yes   Connection Handle  States Connection Handle HCI _Read _Transmit _Power _Level  0x0C2D 3  2D  Type  Power Level Yes   Status Connection Handle HCI _Read _Link _Quality  0x1403  5  3  Connection Handle Link Quality Yes   Status Connection Handle HCI _Read _RSSI  0x1405  5  5  Connection Handle RSSI Yes   HCI _Read _Clock _Offset  0x041F  1  1F  Connection Handle    Yes   Status Connection Handle  Connection Handle Clock HCI _Read _Clock  0x1407  5  7 Which Clock  Accuracy Yes   Status Connection Handle AFH Mode HCI _Read _AFH _Channel _Map  0x1406  5  6  Connection Handle AFH Channel Map Yes    Authentication and Encryption States HCI _Read _Authentication _Enable  0x0C1F  3  1F    Authentication Enable  Yes   HCI _Write _Authentication _Enable  0x0C20  3  20  Authentication Enable  States  Yes   States HCI _Read _Encryption _Mode  0x0C21  3  21    Encryption Mode  Yes   HCI _Write _Encryption _Mode  0x0C22  3  22  Encryption Mode  States  Yes   BD ADDR  Status HCI _Link _Key _Request _Reply  0x040B  1  B  Link Key  BD ADDR  Yes   Status HCI _Link _Key _Request _Negative _Reply  0x040C  1  C  BD ADDR  BD ADDR  Yes   BD ADDR  Status PIN Code Length HCI _PIN _Code _Request _Reply 0x040D  1  D PIN Code  BD ADDR  Yes   Status HCI _PIN _Code _Request _Negative _Reply  0x040E  1  E  BD ADDR  BD ADDR  Yes   HCI _Authentication _Requested  0x0411  1  11  Connection Handle    Yes   Connection Handle HCI _Set _Connection _Encryption 0x0413  1  13  Encryption Enable    Yes   HCI _Change _Connection _Link _Key  0x0415  1  15  Connection Handle    Yes   HCI _Master _Link _Key  0x0417  1  17  Key Flag    Yes
6-Dec.-2008    Ver.0.5      TAIYO YUDEN Confidential & Tentative  18/39 TAIYO YUDEN   EYTMECS Control No. HD-AE-C080137                                  (7/11) Control name Electrical characteristics  States HCI _Read _PIN _Type  0x0C09  3  9    PIN Type  Yes   HCI _Write _PIN _Type  0x0C0A  3  A  PIN Type  States  Yes   BD ADDR  States Max Num Keys HCI _Read _Stored _Link _Key  0x0C0D 3  D  Read All Flag  Num Keys Read Yes   Num Keys To Write  States BD ADDR [I] HCI _Write _Stored _Link _Key  0x0C11  3  11 Link Key [I]  Num Keys Written  Yes   BD ADDR  States Num Keys Deleted HCI _Delete _Stored _Link _Key  0x0C12  3  12  Delete All Flag  Local Name Yes   HCI _Create _New _Unit _Key  0x0C0B 3  B    States  Yes   Status HCI_User_Confirmation_Request_ Reply  0x042C  1  2C  BD ADDR  BD ADDR  Yes   Status HCI_User_Confirmation_Request_ Negative_Reply  0x042D  1  2D  BD ADDR  BD ADDR  Yes   BD ADDR  Status HCI_User_Passkey_Request_Reply 0x042E  1  2E  Numeric_Value  BD ADDR  Yes   Status HCI_User_Passkey_Request_ Negative_Reply  0x042F  1  2F  BD ADDR  BD ADDR  Yes   BD ADDR  Status C    (Hash C) HCI_Remote_OOB_Data_Request_Reply  0x0430  1  30 R    (Randomizer R)  BD ADDR  Yes   HCI_Remote_OOB_Data_Request_Negative_Reply  0x0433  1  33  BD ADDR  Status  Yes   Status C    (Hash C) HCI_Read_Local_OOB_Data  0x0C57  3  57   R    (Randomizer R) Yes   HCI_Write_Simple_Pairing_mode  0x0C56  3  56  Simple_Pairing_Mode  Status  Yes   Status HCI_Read_Simple_Pairing_mode  0x0C55  3  55    Simple_Pairing_Mode  Yes   HCI_Refresh_Encryption_Key  0x0C53  3  53  Connection_Handle  Status  Yes    Testing States HCI _Read _Loopback _Mode  0x1801  6  1    Loopback Mode  Yes   HCI _Write _Loopback _Mode  0x1802  6  2  Loopback Mode  Status  Yes   HCI _Enable _Device _Under _Test_Mode  0x1803  6  3    Status  Yes   HCI_Write_Simple_Pairing_ Debug_mode  0x1804  6  4  Simple_Pairing_Debug_ Mode  Status  Yes
6-Dec.-2008    Ver.0.5      TAIYO YUDEN Confidential & Tentative  19/39 TAIYO YUDEN   EYTMECS Control No. HD-AE-C080137                                  (8/11) Control name Electrical characteristics  HCI EVENT LIST Event Description  OpCode Parameters  Status Notes  Inquiry _Complete  0x01  Status  Yes   Num Responses BD ADDR [I] Page Scan Repetition Mode [I] Page Scan Period Mode [I] Page Scan Mode [I] Class of Device [I] Inquiry _Result  0x02 Clock Offset [I] Yes   Status Connection Handle BD ADDR Link Type Connection _Complete  0x03 Encryption Mode Yes   BD ADDR Class of Device Connection _Request  0x04 Link Type Yes   Status Connection Handle Disconnection _Complete  0x05 Reason Yes   Status Authentication _Complete  0x06  Connection Handle  Yes   Status BD ADDR Remote _Name _Request _Complete  0x07 Remote Name Yes   Status Connection Handle Encryption _Change  0x08 Encryption Enable Yes   Status Change _Connection _Link _Key _Complete  0x09  Connection Handle  Yes   Status Connection Handle Master _Link _Key _Complete  0x0A Key Flag Yes   Status Connection Handle Read _Remote _Supported _Features _Complete  0x0B LMP Features Yes   Status Connection Handle LMP Version Manufacture Name Read _Remote _Version _Information _Complete  0x0C LMP Subversion Yes   Status Connection Handle Flags Service Type Token Rate Peak Bandwidth Latency QoS _Setup _Complete  0x0D Delay Variation Yes   Num HCI Command Packets Command Opcode Command _Complete  0x0E Return Parameters Yes
6-Dec.-2008    Ver.0.5      TAIYO YUDEN Confidential & Tentative  20/39 TAIYO YUDEN   EYTMECS Control No. HD-AE-C080137                                  (9/11) Control name Electrical characteristics  Status Num HCI Command Packets Command _Status  0x0F Command Opcode Yes   Hardware _Error  0x10  Hardware Code  Yes   Flush _Occurred  0x11  Connection Handle  Yes   Status BD ADDR Role _Change  0x12 New Role Yes   Number of Handles Connection Handle [I] Number _Of _Completed _Packets  0x13 HC Num HCI Data Packets [I] Yes   Status Connection Handle Current Mode Mode _Change  0x14 Interval Yes   Num Keys BD ADDR [I] Return _Link _Keys  0x15 Link Key [I] Yes   PIN _Code _Request  0x16  BD ADDR  Yes   Link _Key _Request  0x17  BD ADDR  Yes   BD ADDR Link _Key _Notification  0x18  Link Key  Yes   Loopback _Command  0x19  HCI Command Packet  Yes   Data _Buffer _Overflow  0x1A  Link Type  No   Connection Handle Max _Slots _Change  0x1B  LMP Max Slots  Yes   Status Connection Handle Read _Clock _Offset _Complete  0x1C Clock Offset Yes   Status Connection Handle Connection _Packet _Type _Change  0x1D Packet Type Yes   QoS _Violation  0x1E  Connection Handle  No   BD ADDR Page _Scan _Repetition _Mode _Change  0x20  Page Scan Repetition Mode  Yes   Status Connection Handle Flags Flow direction Service Type Token Rate Token Bucket Size Peak Bandwidth Flow _Specification _Complete  0x21 Access Latency Yes   Num Responses BD ADDR [I] Page Scan Repetition Mode [I] Page Scan Period Mode [I] Page Scan Mode [I] Class of Device [I] Clock Offset [I] Inquiry _Result _with _RSSI  0x22 RSSI [I] Yes   Status Connection Handle Page Number Maximum page number Read _Remote _Extended _Features _Complete  0x23 Extended LMP Features Yes
6-Dec.-2008    Ver.0.5      TAIYO YUDEN Confidential & Tentative  21/39 TAIYO YUDEN   EYTMECS Control No. HD-AE-C080137                                  (10/11) Control name Electrical characteristics  Status Connection Handle BD ADDR Link Type Transmission Interval Retransmission Window Rx Packet Length Tx Packet Length Synchronous _Connection _Complete  0x2C Air Mode Yes   Status Connection Handle Transmission Interval Retransmission Window Rx Packet Length Synchronous _Connection _Changed  0x2D Tx Packet Length Yes   Status Connection_Handle Maximum_Transmit_Latency Maximum_Receive_Latency Minimum_Remote_Timeout Sniff Subrating  0x2E Minimum_Local_Timeout Yes   Num_Responses BD_ADDR Page_Scan_Repetition_Mode Reserved Class_of_Device Clock_Offset RSSI Extended Inquiry Result  0x2F  Extended_Inquiry_Response Yes   Status Encryption Key Refresh Complete  0x30  Connection_Handle  Yes   IO Capability Request    0x31  BD_ADDR  Yes   BD_ADDR IO_Capability OOB_Data_Present IO Capability Response  0x32 Authentication_ Requirements Yes   BD_ADDR User Confirmation Request  0x33  Numeric_Value  Yes   User Passkey Request  0x34  BD_ADDR  Yes   Remote OOB Data Request      0x35  BD_ADDR  Yes   Status Simple Pairing Complete  0x36  BD_ADDR  Yes   Connection_Handle Link Supervision Timeout Changed  0x38  Link_Supervision_Timeout  Yes   Enhanced Flush Complete      0x39  Connection_Handle  Yes   BD_ADDR User Passkey Notification  0x3B  Passkey  Yes   BD_ADDR Keypress Notification  0x3C  Notification_Type  Yes   BD_ADDR Remote Host Supported Features Notification  0x3D  Host_Supported_Features  Yes
6-Dec.-2008    Ver.0.5      TAIYO YUDEN Confidential & Tentative  22/39 TAIYO YUDEN   EYTMECS Control No. HD-AE-C080137                                  (11/11) Control name Electrical characteristics   Module Stack                          Note: The protocol stack in the module is compliant with the Specification of the Bluetooth® System V2.1+EDR              HOST USB I/F USB HCI Host Transport HCI Implementation Link Manager Link Controller Base Band Radio Bluetooth®    Module
6-Dec.-2008    Ver.0.5      TAIYO YUDEN Confidential & Tentative  23/39 TAIYO YUDEN   EYTMECS Control No. HD-AE-D080137                                  (1/11) Control name Electrical characteristics  PICS for Firmware Version 23E (Build5276) The Bluetooth® functions of this module are as below. Depending on firmware version upgrade,   the Bluetooth® functions are subject to change without notice.  Summary ICS: Table 21: Controller Core Specification Item Capability Status Support 5  Core Spec Version 2.1  M.1  No 6  Core Spec Version 2.1 + EDR    (Ver. 2.1 + EDR)  M.1  Yes M.1: Mandatory to choose at least one version from Table 21.  Table 22: EDR Features Item Capability Status Support 1  EDR for asynchronous transports (single slot)  C.1  Yes 2  EDR for asynchronous transports (multi slot)  C.1  Yes 3  EDR for asynchronous transports  C.1  Yes C.1: For implementations supporting Ver. 2.1+EDR, the Supplier shall indicate support for one or more Enhanced Data Rate features (per specification Volume 0, Part B) in Table 22.   RF Capabilities (based on PICS proforma for Radio):    Table 1: RF Capabilities Item Capability Status Support 1  Power Class =1  M.1  No 2  Power Class =2  M.1  Yes 3  Power Class=3  M.1  No 4  Power Control  C.1  Yes 5  1-slot packets supported  M  Yes 6  3-slot packets supported  O  Yes 7  5-slot packets supported  O  Yes 8  79 Channels  M  Yes 9  Support for GFSK modulation  M  Yes 10  Support for  π/4-DQPSK modulation  C.2  Yes 11  Support for 8DPSK modulation  C.3  Yes M.1: Must choose One and only One Power Class C.1: Mandatory to support IF Power Class 1 is supported, ELSE Optional C.2: Mandatory IF SUM (21/4) OR SUM (21/6) is claimed, Optional IF SUM (21/3) OR SUM (21/5) is claimed, Excluded otherwise. C.3: Mandatory IF SUM (21/4) OR SUM (21/6) is claimed, Optional IF RF(1/8) AND ( SUM (21/3) OR SUM (21/5) ) are claimed
6-Dec.-2008    Ver.0.5      TAIYO YUDEN Confidential & Tentative  24/39 TAIYO YUDEN   EYTMECS Control No. HD-AE-D080137                                  (2/11) Control name Electrical characteristics  Baseband Capabilities (based on PICS proforma for Baseband)  Table 1: Physical Channel Item Capability Status Support 1  Support frequency band and 79 RF channels  M  Yes 2  Adaptive Frequency Hopping Kernel  M  Yes        Table 1a: Modulation schemes Item Capability Status Support 1  Basic Data Rate, 1 Mbps payload data rate  M  Yes 2  Enhanced Data Rate, 2 Mbps payload data rate  C.1  Yes 3  Enhanced Data Rate, 3 Mbps payload data rate  C.2  Yes C.1 Mandatory IF SUMMARY(21/6) is claimed, Optional IF SUMMARY(21/5) is claimed C.2 Mandatory IF SUMMARY(21/6) is claimed, Optional IF BB(1a/2) AND SUMMARY(21/5) are claimed  Table 2: Link Types Item Capability Status Support 1  Support of ACL link  M  Yes 2  Support of SCO link  O  Yes 3  Support of eSCO link  O  Yes 4  Support of Enhanced Data Rate ACL links    C.1  Yes 5  Support of Enhanced Data Rate eSCO links    C.2  Yes C.1 Mandatory IF SUMMARY(22/1) OR SUMMARY(22/2) is claimed, Optional IF SUMMARY(21/5) OR SUMMARY(21/6) is claimed C.2 Mandatory IF SUMMARY(22/3) is claimed, Optional IF SUMMARY(21/5) OR SUMMARY(21/6) is claimed  Table 3: SCO Link support Prerequisite for Items (3/5-8):(2/3) (Support of eSCO link) Prerequisite for Items (3/1-4):(2/2) (Support of SCO link) Item Capability Status Support 1  SCO links to same Slave  C.1  Yes 2  SCO links to different Slaves  O  Yes 3  SCO links from same Master  C.1  Yes 4  SCO links from different Masters  O  No 5  eSCO links to same Slave  C.2  Yes 6  eSCO links to different Slaves  O  Yes 7  eSCO links from same Master  C.2  Yes 8  eSCO links from different Masters  O  No C.1: Mandatory to support at least One link (3/1 3/3) C.2: Mandatory to support at least One link (3/5 or 3/7)   Table 4: Common packet types Item Capability Status Support 1  Support of ID packet type  M  Yes 2  Support of NULL packet type  M  Yes 3  Support of POLL packet type  M  Yes 4  Support of FHS packet type  M  Yes 5  Support of DM1 packet type  M  Yes
6-Dec.-2008    Ver.0.5      TAIYO YUDEN Confidential & Tentative  25/39 TAIYO YUDEN   EYTMECS Control No. HD-AE-D080137                                  (3/11) Control name Electrical characteristics  Table 5: ACL packet types Item Capability  Status  Support 1  Support of DH1 packet type M Yes 2  Support of DM3 packet type O Yes 3  Support of DH3 packet type O Yes 4  Support of DM5 packet type O Yes 5  Support of DH5 packet type O Yes 6  Support of AUX1 packet type O Yes   Table 5a: Enhanced Data Rate ACL Packet Types Prerequisite: 2/4 (Support of Enhanced Data Rate ACL links) Item Capability  Status  Support 1  Support 2-DH1 packet type C.1 Yes 2  Support 2-DH3 packet type C.2 Yes 3  Support 2-DH5 packet type C.2 Yes 4  Support 3-DH1 packet type C.3 Yes 5  Support 3-DH3 packet type C.4 Yes 6  Support 3-DH5 packet type C.5 Yes C.1 Mandatory IF SUMMARY(22/1) OR SUMMARY(22/2) is claimed, Optional IF BB(1a/2) is claimed C.2 Mandatory IF SUMMARY(22/2) is claimed, Optional IF BB(1a/2) is claimed C.3 Mandatory IF SUMMARY(22/1) OR SUMMARY(22/2) is claimed, Optional IF BB(1a/3) is claimed C.4 Mandatory IF SUMMARY(22/2) is claimed, Optional IF BB(5a/2) AND BB(5a/4) are claimed C.5 Mandatory IF SUMMARY(22/2) is claimed, Optional IF BB(5a/3) AND BB(5a/4) are claimed   Table 6: SCO and eSCO packet types Prerequisite for Items (6/1-4):(2/2) (Support of SCO link) Prerequisite for Items (6/5-7):(2/3) (Support of eSCO link) Item Capability  Status  Support 1  Support of HV1 packet type C.1 Yes 2  Support of HV2 packet type O Yes 3  Support of HV3 packet type O Yes 4  Support of DV packet type C.1 Yes 5  Support of EV3 packet type  C.2  Yes 6  Support of EV4 packet type  O  Yes 7  Support of EV5 packet type  O  Yes C.1 Mandatory IF only (2/2) SCO link is supported C.2 Mandatory IF only (2/3) eSCO link is supported    Table 6a: Enhanced Data Rate eSCO packet types Prerequisite: 2/5 (Support Enhanced Data Rate eSCO links) Item Capability  Status  Support 1  Support 2 –EV3 packet type C.1 Yes 2  Support 2 –EV5 packet type C.2 Yes 3  Support 3 –EV3 packet type C.3 Yes 4  Support 3 –EV5 packet type C.4 Yes C.1 Mandatory IF SUMMARY(22/3) is claimed, Optional IF BB(1a/2) is claimed C.2 Optional IF BB(1a/2) is claimed C.3 Mandatory IF SUMMARY(22/3) is claimed Optional IF BB(1a/3) is claimed C.4 Optional IF BB(1a/3) is claimed
6-Dec.-2008    Ver.0.5      TAIYO YUDEN Confidential & Tentative  26/39 TAIYO YUDEN   EYTMECS Control No. HD-AE-D080137                                  (4/11) Control name Electrical characteristics  Table 7: Page procedures Item Capability Status Support 1  Support paging  M  Yes 2  Support page scan  M  Yes 3  (Intentionally left blank)    No 4  (Intentionally left blank)    No 5  Supports Interlaced Scan during page scan  O  Yes  Table 8: Paging schemes Item Capability Status  Support 1  Supports mandatory scan mode  M Yes  Table 9: Paging modes Item Capability  Status  Support 1  Supports paging mode R0 C.1 Yes 2  Supports paging mode R1 C.1 Yes 3  Supports paging mode R2 C.1 Yes C.1: At least one of the paging scan modes must be supported.  Table 9b: Paging train repetition Item Capability  Status  Support 1  Supports Npage >= 1 O Yes 2  Supports Npage >= 128 O Yes 3  Supports Npage >= 256 M Yes Note: The master should use Npage >= 256 unless it knows what SR mode the slave uses.  Table 10: Inquiry procedures Item Capability  Status  Support 1  Support inquiry O Yes 2  Inquiry scan with first FHS  O Yes 3  (Intentionally left blank)  No 4  (Intentionally left blank)  No 5  Supports the dedicated inquiry access code  O Yes 6  Supports Interlaced Scan during inquiry scan  O  Yes 7  Extended Inquiry Response  O  Yes  Table 11: Piconet capabilities Item Capability  Status  Support 1  Broadcast messages O Yes 2  Point-to-multipoint connections O Yes  Table 12: Scatternet capabilities Item Capability  Status  Support 1  Act as Master in one piconet and as Slave in another piconet O Yes 2  Act as Slave in more than one piconet O Yes  Table 13: Synchronous Coding Schemes Prerequisite: 2/2 (SCO link support) Item Capability  Status  Support 1  A-law O Yes 2  u-law O Yes 3  CVSD O Yes 4  Transparent Synchronous Data  O  Yes
6-Dec.-2008    Ver.0.5      TAIYO YUDEN Confidential & Tentative  27/39 TAIYO YUDEN   EYTMECS Control No. HD-AE-D080137                                  (5/11) Control name Electrical characteristics  Table 14: Erroneous Data Reporting Item  Capability  Status  Support 1  Erroneous Data Reporting for SCO C.1 Yes 2  Erroneous Data Reporting for eSCO C.2 Yes C.1: Optional IF ((SUM ICS: 21/5 OR SUM ICS: 21/6) AND HCI: 9/6) is supported, ELSE excluded. C.2: Optional IF ((SUM ICS: 21/5 OR SUM ICS: 21/6) AND HCI: 9/7) is supported, ELSE excluded.  Table 15: This table is intentionally left blank: DO NOT USE Item  Capability  Status  Support 1  (Intentionally left blank)  No  Table 16: Non-flushable Packet Boundary Flag Item  Capability  Status  Support 1  Support Non-flushable Packet Boundary Flag C.1 Yes C.1 MANDATORY IF ((SUM ICS: 21/5 OR SUM ICS 21/6) AND HCI: 12/10) is supported, ELSE OPTIONAL IF (SUM ICS: 21/5 OR SUM ICS: 21/6) is supported, ELSE excluded.  Table 17: Connection States Item  Capability  Status  Support 1  Sniff Subrating Mode C.1 Yes C.1 MANDATORY IF ((SUM ICS: 21/5 OR SUM ICS 21/6) AND LMP: 2/8) is supported, ELSE OPTIONAL IF (SUM ICS: 21/5 OR SUM ICS: 21/6) is supported, ELSE excluded.
6-Dec.-2008    Ver.0.5      TAIYO YUDEN Confidential & Tentative  28/39 TAIYO YUDEN   EYTMECS Control No. HD-AE-D080137                                  (6/11) Control name Electrical characteristics  Link Manager Capabilities (based on PICS proforma for Link Manager)  Table 1: Response Messages Item  Capability  Status  Support 1  Accept message M Yes 2  Reject message M Yes  Table 2: Supported Features  Item  Capability  Status  Support 1  3-slot packets O Yes 2  5-slot packets O Yes 3  Encryption C.5 Yes 4  Slot offset O Yes 5  Timing accuracy O Yes 6  Role switch (Master/Slave) O Yes 7  Hold mode O Yes 8  Sniff mode O Yes 9  Park mode O Yes 10  Power Control C.1 Yes 11  Channel quality driven data rate O Yes 12  SCO link  O  Yes 13  RSSI  O  Yes 14  Broadcast encryption  O  Yes 15  eSCO link  O  Yes 16  Adaptive frequency hopping  M  Yes 17  Enhanced Data Rate ACL  C.2  Yes 18  Enhanced Data Rate eSCO  C.3  Yes 19  Simple Pairing  C.4  Yes C.1: Mandatory IF (RF:1/1) supported, ELSE Optional C.2 Mandatory IF (SUMMARY:22/1) OR (SUMMARY:22/2) is claimed, Optional IF (SUMMARY:21/5) OR (SUMMARY:21/6) is claimed C.3 Mandatory IF (SUMMARY:22/3) is claimed, Optional IF (SUMMARY:21/5) OR (SUMMARY:21/6) is claimed C.4 Mandatory IF (SUMMARY 2-1/5 OR SUMMARY 2-1/6) is claimed, ELSE Excluded. C.5 Optional IF (SUMMARY 2-1/1 OR SUMMARY 2-1/2 OR SUMMARY 2-1/3 OR SUMMARY 2-1/4) ELSE Mandatory.  Table 3: Authentication Item  Capability  Status  Support 1  Initiate authentication before connection completed O Yes 2  Initiate authentication after connection completed O Yes 3  Respond to authentication request M Yes  Table 4: Pairing Item  Capability  Status  Support 1  Initiate pairing before connection completed O Yes 2  Initiate pairing after connection completed O Yes 3  Respond to pairing request M Yes 4  Use fixed PIN and request responder to initiator switch C.1 Yes 5  Use variable PIN C.1 Yes 6  Accept initiator to responder switch C.2 Yes C.1: Mandatory to support at least One, (LMP:4/4) OR (LMP:4/5) OR both C.2: Mandatory IF (LMP: 4/5) AND (LMP:4/1), OR (LMP: 4/5) AND (LMP:4/2) ) is supported.
6-Dec.-2008    Ver.0.5      TAIYO YUDEN Confidential & Tentative  29/39 TAIYO YUDEN   EYTMECS Control No. HD-AE-D080137                                  (7/11) Control name Electrical characteristics  Table 5: Link Keys Item  Capability  Status  Support 1  Creation of link key - Unit Key C.1 Yes 2  Creation of link key - Combination Key C.1 Yes 3  Initiate change of link key O Yes 4  Accept change of link key M Yes 5  (Intentionally left blank)    No 6  (Intentionally left blank)    No 7  Accept pairing with Unit Key  O  Yes C.1: Mandatory to support at least One - either (LMP:5/1) OR (LMP:5/2).  Table 6: Encryption Prerequisite: 2/3(Encryption supported) Item  Capability  Status  Support 1  Initiate encryption C.1 Yes 2  Accept encryption requests M.1 Yes 3  (Intentionally left blank)    No 4  (Intentionally left blank)    No 5  Key size negotiation M.1 Yes 6  Start encryption, as master M.1 Yes 7  Accept start of encryption M.1 Yes 8  Stop encryption, as master M.1 Yes 9  Accept stop of encryption M.1 Yes 10  Encryption Pause/Resume  M.1  Yes M.1: Mandatory IF (LMP:2/3) - (Encryption) is supported. C.1: Mandatory IF (SUMMARY 2-1/5 OR SUMMARY 2-1/6) is claimed, ELSE Optional.  Table 7: Clock offset information  Item  Capability  Status  Support 1  Request clock offset information O Yes 2  Respond to clock offset requests M Yes  Table 8: Slot offset information Prerequisite: 2/4 (Slot offset) Item  Capability  Status  Support 1  Send slot offset information C.1 Yes C.1: Mandatory IF (LMP:13/1) - (Master/Slave switch) supported, ELSE Optional.   Table 9: Timing accuracy information Prerequisite: 2/5 (Timing accuracy) Item  Capability  Status  Support 1  Request timing accuracy information O Yes 2  Respond to timing accuracy information requests M.1 Yes M.1: Mandatory IF (LMP:2/5) - (Timing Accuracy) supported  Table 10: LM version information Item  Capability  Status  Support 1  Request LM version information O Yes 2  Respond to LM version information requests M Yes
6-Dec.-2008    Ver.0.5      TAIYO YUDEN Confidential & Tentative  30/39 TAIYO YUDEN   EYTMECS Control No. HD-AE-D080137                                  (8/11) Control name Electrical characteristics  Table 11: Feature support Item  Capability  Status  Support 1  Request supported features C.1 Yes 2  Respond to supported features requests M Yes 3  Request extended features mask  C.2  Yes 4  Respond to extended features Request  C.2  Yes C.1: Mandatory IF any of the Optional features in (LMP:2/1-3), (LMP:2/5), (LMP:2/7-12), (LMP:2/14-16), (LMP:26/1) is requested by the IUT, ELSE Optional. C.2 Mandatory IF a feature requiring another features page is supported, ELSE Optional.  Table 12: Name information Item  Capability  Status  Support 1  Request name information O Yes 2  Respond to name requests M Yes  Table 13: Role Switch Prerequisite: 2/6(Role switch) Item  Capability  Status  Support 1  Request Master Slave switch O Yes 2  Accept Master Slave switch requests M.1  Yes         M.1 Mandatory IF LMP:(2/6) - (Role Switch) supported  Table 14: Detach Item  Capability  Status  Support 1  Detach connection M Yes   Table 14a: Setting up and Removing Enhanced Data Rate ACL Connection Item  Capability  Status  Support 1  Enter Enhanced Data Rate C.1 Yes 2  Exit Enhanced Data Rate C.1 Yes       C.1 Mandatory IF (LMP:2/17) supported, ELSE Excluded.   Table 14b: Setting up and Removing Enhanced Data Rate eSCO Connection Item  Capability  Status  Support 1  Enter and exit eSCO using Enhanced Data Rate Packets C.1 Yes C.1 Mandatory IF (LMP:2/18) supported, ELSE Excluded.   Table 15: Hold mode Prerequisite: 2/7 (Hold mode) Item  Capability  Status  Support 1  Force hold mode O Yes 2  Request hold mode C.1 Yes 3  Respond to hold mode requests M Yes 4  Accept forced hold mode M Yes C.1: Mandatory IF (LMP:15/1) - (Force hold mode) is supported, ELSE Optional.
6-Dec.-2008    Ver.0.5      TAIYO YUDEN Confidential & Tentative  31/39 TAIYO YUDEN   EYTMECS Control No. HD-AE-D080137                                  (9/11) Control name Electrical characteristics  Table 16: Sniff mode Item  Capability  Status  Support 1  (Intentionally left blank)    No 2  Request sniff mode O Yes 3  Respond to sniff mode requests (rengotiate or reject) M.1 Yes 4  (Intentionally left blank)    No 5  Request un-sniff C.1 Yes 6  Accept un-sniff requests M.1  Yes 7  Sniff Subrating Mode C2 Yes C.1: Mandatory IF (LMP:16/2) - (Request sniff mode) is supported, ELSE Optional. M.1: Mandatory IF (LMP:2/8) - (Sniff Mode) is supported. C.2 Mandatory IF (SUMMARY 2-1/5 OR SUMMARY 2-1/6) is claimed, ELSE Excluded  Table 17: Park mode Item  Capability  Status  Support 1  (Intentionally left blank)    No 2  Request park mode O Yes 3  Respond to park mode requests M.1 Yes 4  (Intentionally left blank)    No 5  Set up broadcast scan window O Yes 6  Accept changes to the broadcast scan window M.1 Yes 7  Modify beacon parameters O Yes 8  Accept modification of beacon parameters M.1 Yes 9  Request Unpark using PM_ADDR C.1 Yes 10  Request Unpark using BD_ADDR C.1 Yes 11  Slave requested Unpark O Yes 12  Accept Unpark using PM_ADDR M.1 Yes 13  Accept Unpark using BD_ADDR M.1 Yes M.1: Mandatory IF (LMP:2/9) - (Park Mode) is supported C.1: IF (LMP:17/3) - (Respond to park mode requests) is supported, THEN at least One of (LMP:17/9) - (Unpark using PM_ADDR) OR (LMP:17/10) - (Unpark using BD_ADDR) is Mandatory, ELSE Optional.  Table 18: Power Control Prerequisite: 2/13 (RSSI) Prerequisite: 2/10(Power contorol) Item  Capability  Status  Support 1  Request to increase power M.1 Yes 2  Request to decrease power M.1 Yes 3  Respond when max power reached M.2 Yes 4  Respond when min power reached M.2 Yes M.1: Mandatory IF (LMP:2/13) - (RSSI) is supported M.2: Mandatory IF (LMP:2/10) - (Power Control) is supported   Table 19: Link supervision timeout Item  Capability  Status  Support 1  Set link supervision timeout value O Yes 2  Accept link supervision timeout setting M Yes
6-Dec.-2008    Ver.0.5      TAIYO YUDEN Confidential & Tentative  32/39 TAIYO YUDEN   EYTMECS Control No. HD-AE-D080137                                (10/11) Control name Electrical characteristics  Table 20: Quality of Service Item  Capability  Status  Support 1  Channel  quality  driven  change  between  DM  and  DH  packet types C.1 Yes 2  Force/Request change of Quality of Service M Yes 3  Request change of Quality of Service M Yes C.1: Mandatory IF support of (LMP:2/11) is stated in the feature request, ELSE Optional.  Table 21: SCO Links Prerequisite: 2/12 (SCO links) Item  Capability  Status  Support 1  Initiate SCO links, as Master O Yes 2  Initiate SCO links, as Slave O Yes 3  Accept SCO links O Yes 4  Remove SCO links, as Master C.1 Yes 5  Remove SCO links, as Slave C.2 Yes 6  Negotiate SCO link parameters, as Master C.3 Yes 7  Negotiate SCO link parameters, as Slave C.4 Yes C.1: Mandatory IF (LMP:21/1) - (Initiating SCO links, as Master) is supported, ELSE Optional. C.2: Mandatory IF (LMP:21/2) - (Initiating SCO links, as Slave) is supported, ELSE Optional. C.3: Mandatory IF (LMP:21/1) - (Initiating SCO links, as Master) OR (LMP:21/3) - (Accept SCO links) is supported, ELSE Optional. C.4: Mandatory IF (LMP:21/2) - (Initiating SCO links, as Slave) OR (LMP:21/3) - (Accept SCO links) is supported, ELSE Optional.  Table 22: Multi-Slot packages Item  Capability  Status  Support 1  Accept maximum allowed number of slots to be used C.1 Yes 2  Request maximum number of slots to be used C.1 Yes 3  Accept request of maximum number of slots to be used C.1 Yes C.1: Mandatory IF (LMP:2/1) AND/OR (LMP:2/2) is supported in the feature request, ELSE Optional.   Table 23: Paging scheme Item  Capability  Status  Support 1  Request page mode to use O Yes 2  Accept suggested page mode O Yes 3  Request page scan mode to use O Yes 4  Accept suggested page scan mode O Yes   Table 24: Connection Establishment Item  Capability  Status  Support 1  Create connection for higher layers M Yes 2  Respond to requests to establish connections for higher layers M Yes 3  Indicate that link set-up is completed M Yes   Table 25: Test Mode Item  Capability  Status  Support 1  Activate test mode O Yes 2  Ability to reject activation of test mode if test mode is disabled M Yes 3  Control test mode O Yes 4  Ability  to  reject  test  mode  control  commands  if  test  mode  is disabled. M Yes
6-Dec.-2008    Ver.0.5      TAIYO YUDEN Confidential & Tentative  33/39 TAIYO YUDEN   EYTMECS Control No. HD-AE-D080137                                (11/11) Control name Electrical characteristics   Table 26: Adaptive Frequency Hopping Prerequisite: 2/20(AFH) Item  Capability  Status  Support 1  Support of AFH switch as master  O Yes 2  Support of AFH switch as slave  M Yes 3  Support of Channel Classification reporting as master  C.1  Yes 4  Support of Channel Classification reporting as slave  C.2  Yes 5  Support channel classification from host  C.3  Yes 6  Support of Channel Classification  O Yes C.1: Optional IF (LMP:26/6) is supported, ELSE Excluded. C.2: Mandatory IF (LMP:26/6) is supported, ELSE Excluded. C.3: Mandatory IF (LMP:26/1) OR (LMP:26/4) is supported, ELSE Optional. M.1: Mandatory IF (LMP:2/20) - (AFH) supported   Table 27: This Table is intentionally left blank Item  Capability  Status  Support 1  This line is intentionally blank.  O No 2  This line is intentionally blank.  O No 3  N/A  O  No 4  N/A  O  No
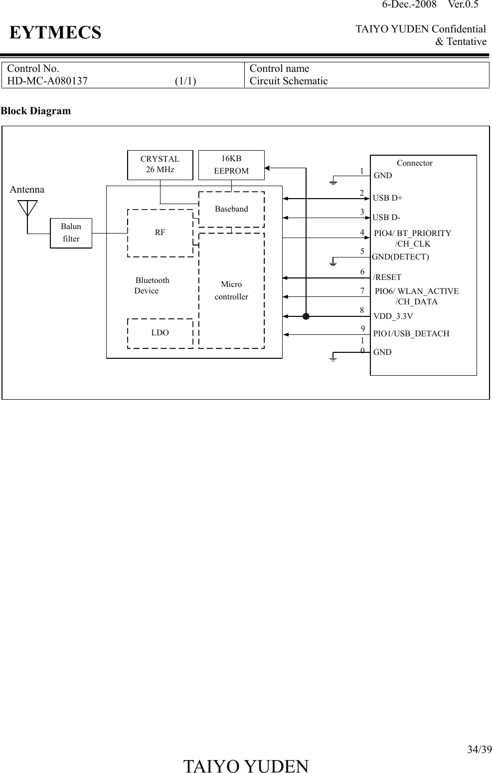
6-Dec.-2008    Ver.0.5      TAIYO YUDEN Confidential & Tentative  34/39 TAIYO YUDEN   EYTMECS Control No. HD-MC-A080137                                (1/1)   Control name Circuit Schematic  Block Diagram PIO6/ WLAN_ACTIVE /CH_DATAUSB D+USB D-PIO4/ BT_PRIORITY /CH_CLKPIO1/USB_DETACH/RESET198Connector32456710VDD_3.3VGNDBalunfilterBasebandMicrocontroller16KBEEPROMCRYSTAL26 MHzRFLDOBluetoothDeviceAntenna GND(DETECT)GND
6-Dec.-2008    Ver.0.5      TAIYO YUDEN Confidential & Tentative  TAIYO YUDEN                                  35/39 EYTMECS Control No. HD-AD-A080137                                    (1/1)   Control name Outline/Appearance                                Note:   Outline/Appearance data is PRELIMINARY, not guaranteed and subject to change without notice.       Please contact Taiyo Yuden for the details of module mountings.  Unit: mm, Tolerances unless otherwise specified: +/-0.2mm 31.07.5+/-0.328.0+/-0.3515.2+/-0.34.0+/-0.3Indication  label3.018.2+/-0.1max0.5 max5.4Shielding  case13.0+/-0.115.010.0+/-0. 36.0+/-0.352.0+/-0.12.53.53.7+/-0.35R1.0+/-0.1110
6-Dec.-2008    Ver.0.5      TAIYO YUDEN Confidential & Tentative  TAIYO YUDEN                                  36/39 EYTMECS Control No. HD-AD-B080137                                  (1/1)   Control name Outline/Appearance  Indication label         Material: PET ( UL969 ) / Label color : White        Unit: mm 5.4529.05.213.8R2.9TBD
6-Dec.-2008    Ver.0.5      TAIYO YUDEN Confidential & Tentative  TAIYO YUDEN                                  37/39 EYTMECS Control No. HD-BA-A080137                                  (1/1)   Control name Pin Layout  Pin Descriptions  Terminal No.  Terminal name  Input/Output  Description  Remark 1  GND  -  Ground   2  USB_D+  Input/Output  USB data (Positive) input-output   3  USB_D-  Input/Output  USB data (Negative) input-output   4 PIO4/ (BT_PRIORITY/ CH_CLK) Output  BT_Priority/CH_CLK output for Co-existence signaling Note 2 5  GND(DETECT)  -  DETECT   6  /RESET  Input  Active low RESET signal with internal weak pull-up Note 3 7 PIO6/ (WLAN_ACTIVE/ CH_DATA) Input  WLAN_Active/CH_Data  input  for  Co-existence signaling Note 2 8  VDD_3.3V  Input  DC3.3V Power supply  Note 1  9  PIO1/USB_DETACH  Input DETACH signal input Low        USB connect High        USB disconnect Note 2   10  GND  -  Ground    Notes: 1. Pin8 (VDD_3.3V) is used for power supply of BT module. (MAX 200mA).  To fill the standard of “Supply voltage ripple and spike noise”, the capacitor, which has the capacity of 2.2uF or more , should be put in the terminal VDD_3.3V outside as a bypass capacitor . 2. Strength pull-downs (pull-ups) are equivalent to a few kOhms resistance, but are more accurately modeled as a 40uA current drain (source) 3. Weak pull-ups can be thought of 1M Ohm connections to VDD, but are more accurately   modeled as a -1uA current source.
6-Dec.-2008    Ver.0.5      TAIYO YUDEN Confidential & Tentative  TAIYO YUDEN                                  38/39 EYTMECS FCC Regulatory Information                  Canada Regulatory Information         R&TTE Directive Information           CAUTION:  To  maintain  compliance  with  FCC’s  RF  exposure  guidelines,  use  only  the  supplied  antenna. Unauthorized  antenna,  modification,  or  attachments  could  damage  the  transmitter  and  may  violate  FCC regulations. This device complies with Part 15 of the FCC Rules. Operation is subject to the following two conditions: (1) This device may not cause harmful interference. (2) This  device  must  accept  any interference  received,  including interference  that  may  Cause  undesired operation. Operation is subject to the following two conditions:   (1) this device may not cause interference, and   (2) this device must accept  any interference,  including interference that may cause  undesired operation of the device.  L'utilisation de ce dispositif est autorisée seulement aux conditions suivantes :   (1) il ne doit pas produire de brouillage et   (2) l'utilisateur  du  dispositif  doit  être  prêt  à  accepter  tout  brouillage  radioélectrique  reçu,  même  si  ce brouillage est susceptible de compromettre le fonctionnement du dispositif. Hereby Taiyo Yuden Co., Ltd., declares that this Complete Class2 Bluetooth Module (Model No.: EYTMECS) is in compliance with the essential requirements and other relevant provisions of Directive 1999/5/EC  The declaration of Conformity may be obtained at;  Taiyo Yuden Co., Ltd.   8-1 Sakae-Cho, Takasaki-Shi Gunma, JAPAN 370-8522 Telephone No.) 81-27-324-2313; Fax No.)81-27-324-2314.    NOTE:    This  equipment  has  been  tested  and  found  to  comply  with  the  limits  for  a  Class  A digital  device,  pursuant  to  Part  15 of  the  FCC  Rules.    These  limits  are  designed  to  provide reasonable  protection  against  harmful  interference  when  the  equipment  is  operated  in  a commercial  environment.    This equipment  generates,  uses,  and can  radiate  radio  frequency energy and, if  not  installed  and used  in accordance with  the  instruction manual, may  cause harmful interference to radio communications.    Operation of this equipment in a residential   area is likely to cause harmful interference in which case the user will be required    to correct the interference at his own expense.
6-Dec.-2008    Ver.0.5      TAIYO YUDEN Confidential & Tentative  TAIYO YUDEN                                  39/39 EYTMECS Caution -      Please note that this users manual should not be provided to end-users. - Any changes  or  modifications not  expressly approved  by  the party  responsible  for  compliance  could  void  the user’s authority to operate the requirement.  Notice - At the installation of our Complete Class2 Bluetooth Module (Model No.: EYTMECS) into the device, following information should be provided with end-user under the responsibility of the manufacture who integrates it into their device.                             The following sentence has to be displayed on the outside of the device in which the module is installed:  "Contains Transmitter Module FCC ID: RYYEYTMECS / IC ID: 4389B-EYTMECS", or   "Contains FCC ID: RYYEYTMECS / IC ID: 4389B-EYTMECS " FCC Regulatory information  CAUTION: To maintain compliance with FCC’s RF exposure guidelines, use only the supplied antenna. Unauthorized antenna, modification, or attachments could damage the transmitter and may violate FCC regulations.  This device complies with Part 15 of the FCC Rules. Operation is subject to the following two conditions: (1) This device may not cause harmful interference. (2) This device must accept any interference received, including interference that may Cause undesired operation.  Canada Regulatory information  Operation is subject to the following two conditions:   (3) this device may not cause interference, and   (4) this device  must accept any interference, including interference that  may cause undesired operation of the device.  L'utilisation de ce dispositif est autorisée seulement aux conditions suivantes :   (3) il ne doit pas produire de brouillage et   l'utilisateur du dispositif doit être prêt à accepter tout brouillage radioélectrique reçu, même si ce brouillage est susceptible de compromettre le fonctionnement du dispositif.  R&TTE Directive information     Hereby [Name of manufacture(*)], declares that this [type of equipment(*)] is in compliance with the essential requirements and other relevant provisions of Directive 1999/5/EC  (*) Note: Please write in your company name and type of equipment into [ ].
2006/8/16                                                                                    v1.0 U.S. Regulatory Wireless Notice Federal Communication Commission Interference Statement This  equipment  has  been  tested  and  found  to  comply with  the  limits for  a Class  B digital device, pursuant to Part 15 of the FCC Rules.    These limits are designed to provide reasonable protection against harmful interference in a residential installation. This equipment generates, uses and can radiate radio frequency energy and, if not installed  and  used  in  accordance  with  the  instructions,  may  cause  harmful interference  to  radio  communications.    However,  there  is  no  guarantee  that interference  will not  occur in a particular installation.    If this equipment does cause harmful  interference  to  radio  or  television  reception,  which  can  be  determined  by turning  the  equipment  off  and  on,  the  user  is  encouraged  to  try  to  correct  the interference by one of the following measures:  -  Reorient or relocate the receiving antenna. -  Increase the separation between the equipment and receiver. -  Connect the equipment into an outlet on a circuit different from that to which the receiver is connected. -  Consult the dealer or an experienced radio/TV technician for help.  FCC  Caution:  Any  changes  or  modifications  not  expressly  approved  by  the  party responsible for compliance could void the user's authority to operate this equipment.  This  device  complies  with  Part  15  of  the  FCC  Rules.  Operation  is  subject  to  the following two conditions: (1) This device may not cause harmful interference, and (2) this  device  must  accept  any  interference  received,  including  interference  that  may cause undesired operation.  IMPORTANT NOTE: FCC Radiation Exposure Statement: This equipment complies with FCC radiation exposure limits set forth for an uncontrolled environment.     This  transmitter  must  not  be  co-located  or  operating  in  conjunction  with  any  other antenna or transmitter.
2006/8/16                                                                                    v1.0  This device is intended only for OEM integrators under the following conditions: The transmitter module may not be co-located with any other transmitter or antenna,   As long as above are met, further transmitter test will not be required. However, the OEM integrator is still responsible for testing their end-product for any additional compliance requirements required with this module installed. . IMPORTANT NOTE: In the event that these conditions can not be met (for example certain laptop configurations or co-location with another transmitter), then the FCC authorization is no longer considered valid and the FCC ID can not be used on the final product. In these circumstances, the OEM integrator will be responsible for re-evaluating the end product (including the transmitter) and obtaining a separate FCC authorization. End Product Labeling The final end product must be labeled in a visible area with the following: “Contains FCC ID: RYYEYTMECS”. Manual Information To the End User The OEM integrator has to be aware not to provide information to the end user regarding how to install or remove this RF module in the user’s manual of the end product which integrates this module. The end user manual shall include all required regulatory information/warning as show in this manual.      Canadian Regulatory Wireless Notice  This device complies with RSS-210 of the Industry Canada Rules. Operation is subject to the following two conditions: 1) this device may not cause interference and 2) this device must accept any interference, including interference that may cause undesired operation of the device
2006/8/16                                                                                    v1.0 IMPORTANT NOTE: IC Radiation Exposure Statement: This equipment complies with IC radiation exposure limits set forth for an uncontrolled environment.  Europe – EU Declaration of Conformity  This device complies with the essential requirements of the R&TTE Directive 1999/5/EC. The following test methods have been applied in order to prove presumption of conformity with the essential requirements of the R&TTE Directive 1999/5/EC:  - EN60950-1:2006 Safety of Information Technology Equipment  - EN50371 : 2002 - Generic standard to demonstrate the compliance of low power electronic and electrical apparatus with the basic restrictions related to human exposure to electromagnetic fields (10 MHz - 300 GHz) -- General public -     -  - EN 300 328 V1.7.1: (2006-10) - Electromagnetic compatibility and Radio spectrum Matters (ERM); Wideband Transmission systems; Data transmission equipment operating in the 2,4 GHz ISM band and using spread spectrum modulation techniques; Harmonized EN covering essential requirements under article 3.2 of the R&TTE Directive     EN 301 489-1 V1.8.1: Electromagnetic compatibility and Radio Spectrum Matters (ERM); ElectroMagnetic Compatibility (EMC) standard for radio equipment and services; Part 1: Common technical requirements  - EN 301 489-17 V1.2.1 (2002-08)   - Electromagnetic compatibility and Radio spectrum Matters (ERM); ElectroMagnetic Compatibility (EMC) standard for radio equipment and services; Part 17: Specific conditions for 2,4 GHz wideband transmission systems and 5 GHz high performance RLAN equipment     This device is a 2.4 GHz wideband transmission system (transceiver), intended for use in all EU member states and EFTA countries, except in France and Italy where restrictive use applies.
2006/8/16                                                                                    v1.0  In Italy the end-user should apply for a license at the national spectrum authorities in order to obtain authorization to use the device for setting up outdoor radio links and/or for supplying public access to telecommunications and/or network services.  This device may not be used for setting up outdoor radio links in France and in some areas the RF output power may be limited to 10 mW EIRP in the frequency range of 2454 – 2483.5 MHz. For detailed information the end-user should contact the national spectrum authority in France.  0560   Česky [Czech]  [Jméno výrobce] tímto prohlašuje, že tento [typ zařízení] je ve shodě se základními požadavky a dalšími příslušnými ustanoveními směrnice 1999/5/ES. Dansk [Danish]  Undertegnede [fabrikantens navn] erklærer herved, at følgende udstyr [udstyrets typebetegnelse] overholder de væsentlige krav og øvrige relevante krav i direktiv 1999/5/EF. Deutsch [German]  Hiermit erklärt [Name des Herstellers], dass sich das Gerät [Gerätetyp] in Übereinstimmung mit den grundlegenden Anforderungen und den übrigen einschlägigen Bestimmungen der Richtlinie 1999/5/EG befindet. Eesti [Estonian]  Käesolevaga kinnitab [tootja nimi = name of manufacturer] seadme [seadme tüüp = type of equipment] vastavust direktiivi 1999/5/EÜ põhinõuetele ja nimetatud direktiivist tulenevatele teistele asjakohastele sätetele. English  Hereby, [name of manufacturer], declares that this [type of equipment] is in compliance with the essential requirements and other relevant provisions of Directive 1999/5/EC. Español [Spanish]  Por medio de la presente [nombre del fabricante] declara que el [clase de equipo] cumple con los requisitos esenciales y cualesquiera otras disposiciones aplicables o exigibles de la Directiva 1999/5/CE. Ελληνική [Greek] ΜΕ ΤΗΝ ΠΑΡΟΥΣΑ [name of manufacturer] ∆ΗΛΩΝΕΙ ΟΤΙ [type of equipment] ΣΥΜΜΟΡΦΩΝΕΤΑΙ ΠΡΟΣ ΤΙΣ ΟΥΣΙΩ∆ΕΙΣ ΑΠΑΙΤΗΣΕΙΣ ΚΑΙ ΤΙΣ ΛΟΙΠΕΣ ΣΧΕΤΙΚΕΣ ∆ΙΑΤΑΞΕΙΣ ΤΗΣ Ο∆ΗΓΙΑΣ 1999/5/ΕΚ. Français [French]  Par la présente [nom du fabricant] déclare que l'appareil [type d'appareil] est conforme aux exigences essentielles et aux autres dispositions pertinentes de la directive 1999/5/CE. Italiano [Italian]  Con la presente [nome del costruttore] dichiara che questo [tipo di apparecchio] è conforme ai requisiti essenziali ed alle altre disposizioni pertinenti stabilite dalla direttiva 1999/5/CE. Latviski [Latvian]  Ar šo [name of manufacturer   / izgatavotāja nosaukums] deklarē, ka [type of equipment / iekārtas tips] atbilst Direktīvas 1999/5/EK būtiskajām prasībām un citiem ar to saistītajiem noteikumiem. Lietuvių [Lithuanian]    Šiuo [manufacturer name] deklaruoja, kad šis [equipment type] atitinka esminius reikalavimus ir kitas 1999/5/EB Direktyvos nuostatas. Nederlands [Dutch]  Hierbij verklaart [naam van de fabrikant] dat het toestel [type van toestel] in overeenstemming is met de essentiële eisen en de andere relevante bepalingen van richtlijn 1999/5/EG. Malti [Maltese]  Hawnhekk, [isem tal-manifattur], jiddikjara li dan [il-mudel tal-prodott] jikkonforma mal-ħtiġijiet essenzjali u ma provvedimenti oħrajn relevanti li hemm fid-Dirrettiva 1999/5/EC.
2006/8/16                                                                                    v1.0 Magyar [Hungarian]  Alulírott, [gyártó neve] nyilatkozom, hogy a [... típus] megfelel a vonatkozó alapvetõ követelményeknek és az 1999/5/EC irányelv egyéb elõírásainak. Polski [Polish]  Niniejszym [nazwa producenta] oświadcza, że [nazwa wyrobu] jest zgodny z zasadniczymi wymogami oraz pozostałymi stosownymi postanowieniami Dyrektywy 1999/5/EC. Português [Portuguese]  [Nome do fabricante] declara que este [tipo de equipamento] está conforme com os requisitos essenciais e outras disposições da Directiva 1999/5/CE. Slovensko [Slovenian]  [Ime proizvajalca] izjavlja, da je ta [tip opreme] v skladu z bistvenimi zahtevami in ostalimi relevantnimi določili direktive 1999/5/ES. Slovensky [Slovak]  [Meno výrobcu] týmto vyhlasuje, že [typ zariadenia] spĺňa základné požiadavky a všetky príslušné ustanovenia Smernice 1999/5/ES. Suomi [Finnish]  [Valmistaja = manufacturer] vakuuttaa täten että [type of equipment = laitteen tyyppimerkintä] tyyppinen laite on direktiivin 1999/5/EY oleellisten vaatimusten ja sitä koskevien direktiivin muiden ehtojen mukainen. Svenska [Swedish]  Härmed intygar [företag] att denna [utrustningstyp] står I överensstämmelse med de väsentliga egenskapskrav och övriga relevanta bestämmelser som framgår av direktiv 1999/5/EG.   經型式認證合格之低功率射頻電機,非經許可,公司、商號或使用者均不得擅自變更頻率、加大功率或變更原設計之特性及功能。   低功率射頻電機之使用不得影響飛航安全及干擾合法通信;經發現有干擾現象時,應立即停用,並改善至無干擾時方得繼續使用。前項合法通信,指依電信法規定作業之無線電通信。低功率射頻電機須忍受合法通信或工業、科學及醫療用電波輻射性電機設備之干擾。

Navigation menu