TAKAYA TR3-C202-A0-1 RFID Reader/Writer User Manual 09 UserManual
TAKAYA Corporation RFID Reader/Writer 09 UserManual
TAKAYA >
09.UserManual

User’s Manual
TR3-C202-A0-1
Manual No.TDR-MNL-C202-A0-1-EN-100

Manual No.TDR-MNL-C202-A0-1-EN-100
TAKAYA RFID TR3 Series
Introduction
Thank you for purchasing a TR3-C202-A0-1 RFID READER/WRITER.
Be sure to read this manual before using the product.
After reading it, store the manual in a convenient place for future reference.

Manual No.TDR-MNL-C202-A0-1-EN-100
TAKAYA RFID TR3 Series
Regulations and Standards
FCC
This product is conform to the FCC standards.
FCC Rules (Federal Communications Commission)
This product complies with Part 15 Subpart C of the FCC Rules.
FCC ID : MK4TR3-C202-A0-1
FCC NOTICE
This device complies with part 15 of the FCC Rules. Operation is subject to the following two
conditions:
(1) This device may not cause harmful interference.
(2) This device must accept any interference received, including interference that may cause
undesired operation.
FCC WARNING
Changes or modifications not expressly approved by the party responsible for compliance could void
the user's authority to operate the equipment.
The following sentence has to be displayed on the outside of the device in which the transmitter module
is installed : “Contains FCC ID: MK4TR3-C202-A0-1”
Japan Radio Law
Equipment using high frequencies: Inductive Reading/Writing Communications Equipment
Conforming standards: Inductive Reading/Writing Communications Equipment;
Standard: ARIB STD-T82
Tags
This product can communicate the standard tags of ISO/IEC15693 and ISO/IEC18000-3(Mode1).
Supports Manufacturer
Tag-it HF-I Texas Instruments
my-d Infineon Technologies
I・CODE SLI NXP Semiconductors
MB89R118 FUJITSU Japan
RoHS is support
Restriction of Hazardous Substances
Waste
Dispose of the Products as industrial waste.

Manual No.TDR-MNL-C202-A0-1-EN-100
TAKAYA RFID TR3 Series
Safety Precautions
The following symbols are used in this manual to indicate precautions that must be observed to ensure safe use of
this product. The precautions provided here contain important safety information. Be sure to observe these
precautions.
The following signal words are used in this manual.
Failure to comply with a WARNING may result in serious injury or
death.
Failure to comply with a CAUTION may result in injury to the
operator, or damage to the items involved.
Be sure to observe the following precautions to ensure safe use of the Products.
Decomposition of this product and cable, repair, remodeling, please strictly prohibited. There is the
possibility of fire or electric shock injuries.
This product is using the RFID reader writer radio equipment. Therefore, depending on where the
applications you use may affect medical equipment. To minimize the impact of medical equipment for use,
please observe the following countermeasure. The Japan Automatic Identification Systems Association
(JAISA) guidelines are as follows: RFID antennas from implanted cardiac pacemakers or other medical
devices please 22cm apart. We recommend that you paste "RFID sticker" at equipment.
Be sure to observe the following precautions to ensure safe use of the Products.
Installation and storage environment
1. Do not use the Products in sunlight.
2. Do not use the Products in environment of spray of water, oil or chemicals.
3. Do not use the Products in environments with flammable, explosive, or corrosive gasses.
4. Do not use the Products in environment of hot humid.
5. Do not use the Products in environment of vibration or shock.
6. Do not use the Products in environment of condensation.
7. Do not use the Products in environment of around the metal is covered.
8. Do not use the Products in environment of high temperature.
9. Do not use the Products in environment that has a device that generates magnetic field and shock voltage.
10. Do not use the Products in unstable place.
11. If there is failure, discontinue use immediately, please contact us or the distributor.
Installation
1. Turn off the power before installation or removing.
2. The following effects may not work correctly.
・ Near 13.56MHz radio device
・ Near speakers , Inverter, motor and Plasma Display
3. The communication range may vary due to environment and conditions.
← RFID Sticker

Manual No.TDR-MNL-C202-A0-1-EN-100
TAKAYA RFID TR3 Series
Contents
1 Product Overview ...................................................................................................1
1.1 Features ........................................................................................................................................ 1
2 Names of Parts and Functions ..................................................................................2
2.1 TR3-C202-A0-1.............................................................................................................................. 2
2.2 Antenna......................................................................................................................................... 3
2.2.1 TR3-A202................................................................................................................................... 3
2.2.2 TR3-A302................................................................................................................................... 4
2.2.3 TR3-A401................................................................................................................................... 4
3 Installation and connection ......................................................................................5
3.1 Installation into a host device.......................................................................................................... 5
3.1.1 Installation from the Front............................................................................................................. 5
3.1.2 Installation from the Back ............................................................................................................. 5
3.2 Antenna installation into a host device............................................................................................. 6
3.2.1 Screw holes................................................................................................................................. 6
3.2.2 Guide ......................................................................................................................................... 6
3.3 Connection .................................................................................................................................... 7
3.3.1 Attaching the Cable and Antenna.................................................................................................... 7
3.3.2 Direct connection to the Host Device Interface................................................................................. 7
3.3.3 Using the interface board to connect to the Host Device Interface ....................................................... 8
4 Specifications .........................................................................................................9
4.1 TR3-C202-A0-1.............................................................................................................................. 9
4.2 Antenna........................................................................................................................................14
4.2.1 TR3-A202..................................................................................................................................14
4.2.2 TR3-A302..................................................................................................................................15
4.2.3 TR3-A401..................................................................................................................................16
4.3 Cable............................................................................................................................................17
4.3.1 TR3-AC-1A-***.........................................................................................................................17
4.3.2 TR3-AC-2A-***.........................................................................................................................17
5 Maintenance ........................................................................................................ 18
Revision History......................................................................................................... 19

Manual No.TDR-MNL-C202-A0-1-EN-100
1 Product Overview
1.1 Features
1 TAKAYA RFID TR3 Series
1 Product Overview
1.1 Features
This product uses the 13.56MHz frequency. This product is the electromagnetic induction type non-contact
IC can read and write RFID tag data.
This Product is designed to be embedded and integrated within OEM devices and finished products such as label
printers, cashless payment terminals or any other device that can benefit from integrated RFID capabilities.
■ Conform to international standards
ISO/IEC15693 and ISO/IEC18000-3(Mode1) is supports.
■ Rich Products
Various interface RS-232C, USB, TCP/IP.
Antennas of various sizes
■ Software
TR3-series common communication protocol
Software Development Kit
■ Useful
Continuous inventory mode
UID of the tag automatically sends Host Device.
RDLoop mode
UID or User Data of the tag automatically sends Host Device.
For more information please refer to the TR3-PROTOCOL manual.
■ Environmentally
EU RoHS(2002/95/EC) Support
Antenna
CPU Memory
RF-ASIC
READER/WRITER
Load Settings
Save Settings
Interface
Tags
Host Device Interface
RS-232C、LAN(TCP/IP)、USB
Communications
UART(CMOS Level)

Manual No.TDR-MNL-C202-A0-1-EN-100
2 Names of Parts and Functions
2.1 TR3-C202-A0-1
2 TAKAYA RFID TR3 Series
2 Names of Parts and Functions
2.1 TR3-C202-A0-1
No Name Description
① CN1 This connector is for connection to the host.
② FCC ID stickers Production numbers, will be 8-digit serial number.
③ LED1 Displays the status of this product.
④ CN2 Connect the antenna cable.
⑤ Screw holes M3 holes
⑤
①
②
③
④
Model Name
Serial number:********(F)

Manual No.TDR-MNL-C202-A0-1-EN-100
2 Names of Parts and Functions
2.2 Antenna
3 TAKAYA RFID TR3 Series
2.2 Antenna
2.2.1 TR3-A202
No Name Description
① CN1 Connect the antenna cable.
② Nameplate Production numbers, will be 8-digit serial number.
③ Inspection mark
④ Screw holes M3 holes
④
①
②
③
Model Name
Serial number:********(F)

Manual No.TDR-MNL-C202-A0-1-EN-100
2 Names of Parts and Functions
2.2 Antenna
4 TAKAYA RFID TR3 Series
2.2.2 TR3-A302
No Name Description
① Inspection mark
② Screw holes M3 holes
③ Nameplate Production numbers, will be 8-digit serial number.
④ CN1 Connect the antenna cable.
2.2.3 TR3-A401
No Name Description
① CN1 Connect the antenna cable.
② Nameplate Production numbers, will be 8-digit serial number.
③ Inspection mark
②
③
④
①
Model Name
Serial number:********(F)
①
②
③
Model Name
Serial number:********(F)

Manual No.TDR-MNL-C202-A0-1-EN-100
3 Installation and connection
3.1 Installation into a host device
5 TAKAYA RFID TR3 Series
3 Installation and connection
3.1 Installation into a host device
3.1.1 Installation from the Front
3.1.2 Installation from the Back
Host Device
M3 Screw
Four, M3 holes
Four, M3 holes
M3 Screw
Screw hole depth : 3mm
Host Device

Manual No.TDR-MNL-C202-A0-1-EN-100
3 Installation and connection
3.2 Antenna installation into a host device
6 TAKAYA RFID TR3 Series
3.2 Antenna installation into a host device
3.2.1 Screw holes
3.2.2 Guide
TR3-A401 is recommended that you set up a guide on fixed-like the figure below.
TR3-A401
M3 Screw
Host Device

Manual No.TDR-MNL-C202-A0-1-EN-100
3 Installation and connection
3.3 Connection
7 TAKAYA RFID TR3 Series
3.3 Connection
This product will connect with the antenna and antenna cables.
This product connects with Host Device that direct connection or connect using our interface.
3.3.1 Attaching the Cable and Antenna
3.3.2 Direct connection to the Host Device Interface
Please prepare to the interface harness.
Host Device
Interface harness
TR3
-
C202
-
A0
-
1
TR3-C202-A0-1 Antenna
Antenna Cable
Host Device
Interface
Host Device

Manual No.TDR-MNL-C202-A0-1-EN-100
3 Installation and connection
3.3 Connection
8 TAKAYA RFID TR3 Series
Host Device
3.3.3 Using the interface board to connect to the Host Device Interface
Interface board, please contact us.
TR3
-
C202
-
A0
-
1
Interface Cable
Interface board
Interface harness
Host Device
Interface

Manual No.TDR-MNL-C202-A0-1-EN-100
4 Specifications
4.1 TR3-C202-A0-1
9 TAKAYA RFID TR3 Series
4 Specifications
4.1 TR3-C202-A0-1
■ Specifications
Specifications
Item Parameter
Japan Radio Law ARIB STD-T82
FCC FCC Part 15 Subpart C
FCC ID : MK4TR3-C202-A0-1
Applicable
Standards
RoHS EU RoHS(2002/95/EC) Supports
Carrier frequency 13.56MHz ±50ppm(Ta=25℃) or less
Transmit power or
power range 10∼100mW ± 20%(Ta=25℃, VCC=5.0V)
Standards ISO/IEC 15693、ISO/IEC18000-3(Mode1)
Tags Tag-it HF-I, my-d, I・CODE SLI, MB89R118(※1)
Data rate
Speed Data rate
1/4 26.48kbps
Reader/Writer⇒Tag 1/256 1.65kbps
Tag⇒Reader/Writer 26.69kbps
Modulation Parameter
Reader/Writer⇒Tag ASK 10%(※2) / ASK 100%
Tag⇒Reader/Writer ASK, FSK
Radio
Frequency
Anti-collision Support
※1:Tag-it HF-I is a registered trademark of Texas Instruments Incorporated.
my-d is a registered trademark of Infineon Technologies AG.
I・CODE SLI is a registered trademark of NXP Semiconductors.
MB89R118 is a registered trademark of FUJITSU Japan.
※2:initialization

Manual No.TDR-MNL-C202-A0-1-EN-100
4 Specifications
4.1 TR3-C202-A0-1
10 TAKAYA RFID TR3 Series
Specifications
Item Parameter
Command Please refer to the TR3-Protocol-Manual.
Host Interface UART(CMOS)
Item Parameter
Speed 9600bps
19200bps(※2)
38400bps
Data bits 8
Parity None
Stop bit 1
Flow control None
Controll
LED1 1pc (3 colors, red/green/orange)
CN1 Connector : JST S10B-PH-SM4-TB(LF)(SN)
Housing : JST PHR-10
Contact : JST SPH-002T-P0.5S
Pin assignment
Pin No. Symbol Function
1 VCC Power
2 VCC Power
3 GND GND
4 GND GND
5 Rx Received data signal
6 Tx Transmitted data signal
7 VCC2 Power output
8 IO1 Input/Output or Detection signal
output H : Detection
9 IO2 Input/Output or Trigger input
L : Trigger ON
10 IO3 Input/Output
Connector
CN2 Connector : JST S2B-PH-SM4-TB(LF)(SN)
Housing : JST PHR-2
Contact : JST SPH-002T-P0.5S
Pin assignment
Pin No. Symbol Function
1 RF Analog signal
2 GND GND
※2:initialization

Manual No.TDR-MNL-C202-A0-1-EN-100
4 Specifications
4.1 TR3-C202-A0-1
11 TAKAYA RFID TR3 Series
Specifications
Item Parameter
Dimensions
(W x D x H) 63.8 x 61 x 14.3mm
Weight approx. 80g
Mechanical
data
Installation M3 Screw
Screw is not included.
Electrical
data Power Supply Voltage :5V±10%
Current consumption :approx. 120mA
Carrier off :approx. 35mA
Power down mode :approx. 24mA
Consumption :max 1.0W
Temperature
Operating range 0 to 55 degree
Humidity Operating
range 30 to 80%RH
Temperature
Storage range 0 to 55 degree
Ambient
Conditions
Humidity
Storage range 30 to 80%RH
Other Accessories None

Manual No.TDR-MNL-C202-A0-1-EN-100
4 Specifications
4.1 TR3-C202-A0-1
12 TAKAYA RFID TR3 Series
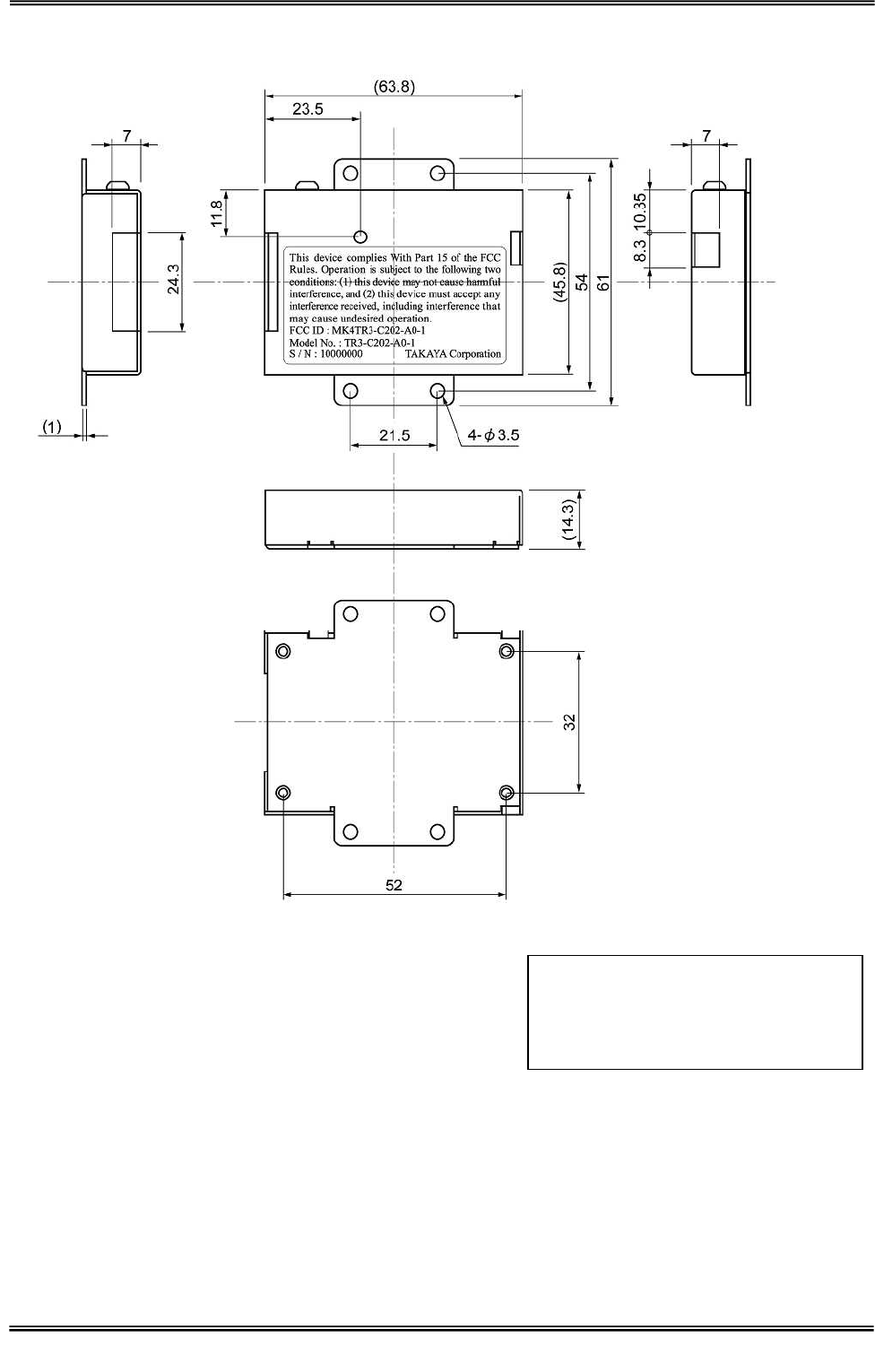
■ Dimensions
Unit:mm
Tolerance:±0.3mm
( )is Recommended Dimension
Screw hole depth:3mm

Manual No.TDR-MNL-C202-A0-1-EN-100
4 Specifications
4.1 TR3-C202-A0-1
13 TAKAYA RFID TR3 Series
■ Connections
Names Model Notes
TR3-A202
TR3-A302
Antenna
TR3-A401
TR3-AC-1A-*** *** puts the cable length.
9cm ~ 50cm cable are available.
Cable
TR3-AC-2A-*** *** puts the cable length.
10cm ~ 3m cable are available.
TR3-IF-1C RS232C interface
TR3-IF-N1 TCP/IP interface
Interface board
TR3-IF-U1 USB interface
■ Electrical Characteristics(CN1)
Item Condition MIN TYP MAX Unit
H input voltage RX,IO1,IO2,IO3 2.5 5.0 V
L input voltage RX,IO1,IO2,IO3 0 1.0 V
H output voltage IOH=-5mA,-20mA 3.0 V
L output voltage IOL=5mA,20mA 2.0 V
Pull-up resistor 25.0 50.0 100.0 kΩ
・TX, RX, IO1, IO2 and IO3 is, Pull-up resistor has been connected.
・TX, RX, IO1, IO2 and IO3 is, 100 ohm resistor has been connected.
Output port, LED is not driven. If the LED drive, please use the digital transistors.

Manual No.TDR-MNL-C202-A0-1-EN-100
4 Specifications
4.2 Antenna
14 TAKAYA RFID TR3 Series
4.2 Antenna
4.2.1 TR3-A202
■ Specifications
Specifications
Item Parameter
Applicable
Standards RoHS EU RoHS(2002/95/EC) Support
Resonant
frequency 13.56MHz ±40kHz(Ta=25℃)
Antenna
Communication
distance Max 10cm
(Communication distance depends on the environment.)
Connector CN1 Connector : JST S2B-PH-SM4-TB(LF)(SN)
Housing : JST PHR-2
Contact : JST SPH-002T-P0.5S
Pin assignment
Pin No. Symbol Function
1 RF Analog signal
2 GND GND
Dimensions
(W x D x H) 60 x 65 x 9.1 mm
Weight approx. 11g
Mechanical
data
Installation M3 Screw
Screw is not included.
Temperature
Operating range 0 to 55 degree
Humidity Operating
range 30 to 80%RH
Temperature
Storage range 0 to 55 degree
Ambient
Conditions
Humidity
Storage range 30 to 80%RH
Other Accessories RFID Sticker 1 sheet
Model Name : SEL41400L
■ Dimensions
Unit:mm
Tolerance:±1mm
Substrate thickness : 1.6mm

Manual No.TDR-MNL-C202-A0-1-EN-100
4 Specifications
4.2 Antenna
15 TAKAYA RFID TR3 Series
4.2.2 TR3-A302
■ Specifications
Specifications
Item Parameter
Applicable
Standards RoHS EU RoHS(2002/95/EC) Support
Resonant
frequency 13.56MHz ±40kHz(Ta=25℃)
Antenna
Communication
distance Max 7cm
(Communication distance depends on the environment.)
Connector CN1 Connector : JST S2B-PH-SM4-TB(LF)(SN)
Housing : JST PHR-2
Contact : JST SPH-002T-P0.5S
Pin assignment
Pin No. Symbol Function
1 RF Analog signal
2 GND GND
Dimensions
(W x D x H) 15 x 52.5 x 9.1 mm
Weight approx. 3g
Mechanical
data
Installation M3 Screw
Screw is not included.
Temperature
Operating range 0 to 55 degree
Humidity Operating
range 30 to 80%RH
Temperature
Storage range 0 to 55 degree
Ambient
Conditions
Humidity
Storage range 30 to 80%RH
Other Accessories RFID Sticker 1 sheet
Model Name : SEL41400L
■ Dimensions
Unit:mm
Tolerance:±1mm
Substrate thickness : 1.6mm

Manual No.TDR-MNL-C202-A0-1-EN-100
4 Specifications
4.2 Antenna
16 TAKAYA RFID TR3 Series
4.2.3 TR3-A401
■ Specifications
Specifications
Item Parameter
Applicable
Standards RoHS EU RoHS(2002/95/EC) Support
Resonant
frequency 13.56MHz ±40kHz(Ta=25℃)
Antenna
Communication
distance Max 5cm
(Communication distance depends on the environment.)
Connector CN1 Connector : JST S2B-PH-K-S(LF)(SN)
Housing : JST PHR-2
Contact : JST SPH-002T-P0.5S
Pin assignment
Pin No. Symbol Function
1 RF Analog signal
2 GND GND
Dimensions
(W x D x H) 15 x 30 x 9.1 mm
Weight approx. 2g
Mechanical
data
Installation M3 Screw
Screw is not included.
Temperature
Operating range 0 to 55 degree
Humidity Operating
range 30 to 80%RH
Temperature
Storage range 0 to 55 degree
Ambient
Conditions
Humidity
Storage range 30 to 80%RH
Other Accessories RFID Sticker 1 sheet
Model Name : SEL41400L
■ Dimensions
Unit:mm
Tolerance:±1mm
Substrate thickness : 1.0mm

Manual No.TDR-MNL-C202-A0-1-EN-100
4 Specifications
4.3 Cable
17 TAKAYA RFID TR3 Series
4.3 Cable
4.3.1 TR3-AC-1A-***
■ Model Name
■ Specifications
Item Parameter
RoHS EU RoHS(2002/95/EC) Support
Linetype Twisted pair cable
Connector PH-PH
Cable loss 9cm : approx. 0.061dB
50cm : approx. 0.337dB
■ Dimensions
4.3.2 TR3-AC-2A-***
■ Model Name
■ Specifications
Item Parameter
RoHS EU RoHS(2002/95/EC) Support
Linetype Coaxial cable 1.5D-2V
Connector PH-PH
Cable loss 10cm : approx. 0.043dB
3m : approx. 0.255dB
■ Dimensions
( )is Recommended Dimension
(Cable length)
TR3-AC-2A-***
Enter the cable length
(Unit:
m
m)
100∼3M
( )is Recommended Dimension
(Cable length)
TR3-AC-1A-***
Enter the cable length(Unit:
m
m)
090∼500

Manual No.TDR-MNL-C202-A0-1-EN-100
18 TAKAYA RFID TR3 Series
5 Maintenance
This product is mainly used in electronic components and semiconductors.
Therefore, the long-term stable operation, the environment and conditions are expected to defect, as
shown below.
• Device degradation due to overvoltage and overcurrent.
• Device degradation due to high temperature and long-term stress.
• Poor contact of the connector and cause deterioration of insulation by moisture
or dust.
• Connector corrosion by corrosive gases.
In order to use this product at its best, please conduct routine or periodic inspections.
Item Maintenance Criteria
Temperature Temperature Operating range
0 to 55 degree
Humidity Humidity Operating range 30 to 80%RH
Enclosure
rating Check the dusty None
Ambient
conditions
Corrosive Check the corrosion None
Input Check the voltage
Power Voltage
fluctuation Check the Voltage fluctuation
Input Voltage : DC5V±10%
Check the Screw
Product Check the Connector Checking and verifying
Attachment
Cable Check the Cable break None
Performance Check the Performance Work

Manual No.TDR-MNL-C202-A0-1-EN-100
19 TAKAYA RFID TR3 Series
Revision History
Revision code
Date Revised contents
1.00 2010/10/28
Original production

20
[URL] http://www.takaya.co.jp/
[Mail] rfid@takaya.co.jp