Telit Communications S p A UE910N3 3G Module User Manual 08
Telit Communications S.p.A. 3G Module 08
Contents
- 1. 11_User Manual
- 2. 08_User Manual
08_User Manual

UE910 3G HARDWARE USER GUIDE 1vv0301171 Rev.3 • 2015-04-17 1 of 78
Reproduction forbidden without Telit Communications PLC written authorization – All Rights Reserved
UE910 3G HARDWARE USER
GUIDE

UE910 3G HARDWARE USER GUIDE 1vv0301171 Rev.3 • 2015-04-17 2 of 78
Reproduction forbidden without Telit Communications PLC written authorization – All Rights Reserved
APPLICABILITY TABLE
PRODUCTS
UE910-N3G

UE910 3G HARDWARE USER GUIDE 1vv0301171 Rev.3 • 2015-04-17 3 of 78
Reproduction forbidden without Telit Communications PLC written authorization – All Rights Reserved
DISCLAIMER
LEGAL NOTICE
These Specifications are general guidelines pertaining to product selection and application and may
not be appropriate for your particular project. Telit (which hereinafter shall include, its agents, licensors
and affiliated companies) makes no representation as to the particular products identified in this
document and makes no endorsement of any product. Telit disclaims any warranties, expressed or
implied, relating to these specifications, including without limitation, warranties or merchantability,
fitness for a particular purpose or satisfactory quality. Without limitation, Telit reserves the right to
make changes to any products described herein and to remove any product, without notice.
It is possible that this document may contain references to, or information about Telit products,
services and programs, that are not available in your region. Such references or information must not
be construed to mean that Telit intends to make available such products, services and programs in
your area.
USE AND INTELLECTUAL PROPERTY RIGHTS
These Specifications (and the products and services contained herein) are proprietary to Telit and its
licensors and constitute the intellectual property of Telit (and its licensors). All title and intellectual
property rights in and to the Specifications (and the products and services contained herein) is owned
exclusively by Telit and its licensors. Other than as expressly set forth herein, no license or other
rights in or to the Specifications and intellectual property rights related thereto are granted to you.
Nothing in these Specifications shall, or shall be deemed to, convey license or any other right under
Telit’s patents, copyright, mask work or other intellectual property rights or the rights of others.
You may not, without the express written permission of Telit: (i) copy, reproduce, create derivative
works of, reverse engineer, disassemble, decompile, distribute, merge or modify in any manner these
Specifications or the products and components described herein; (ii) separate any component part of
the products described herein, or separately use any component part thereof on any equipment,
machinery, hardware or system; (iii) remove or destroy any proprietary marking or legends placed
upon or contained within the products or their components or these Specifications; (iv) develop
methods to enable unauthorized parties to use the products or their components; and (v) attempt to
reconstruct or discover any source code, underlying ideas, algorithms, file formats or programming or
interoperability interfaces of the products or their components by any means whatsoever. No part of
these Specifications or any products or components described herein may be reproduced, transmitted,
transcribed, stored in a retrieval system, or translated into any language or computer language, in any
form or by any means, without the prior express written permission of Telit.

UE910 3G HARDWARE USER GUIDE 1vv0301171 Rev.3 • 2015-04-17 4 of 78
Reproduction forbidden without Telit Communications PLC written authorization – All Rights Reserved
HIGH RISK MATERIALS
Components, units, or third-party products contained or used with the products described herein
are NOT fault-tolerant and are NOT designed, manufactured, or intended for use as on-line control
equipment in the following hazardous environments requiring fail-safe controls: the operation of
Nuclear Facilities, Aircraft Navigation or Aircraft Communication Systems, Air Traffic Control, Life
Support, or Weapons Systems (“High Risk Activities"). Telit, its licensors and its supplier(s) specifically
disclaim any expressed or implied warranty of fitness for such High Risk Activities.
TRADEMARKS
You may not and may not allow others to use Telit or its third party licensors’ trademarks. To the
extent that any portion of the products, components and any accompanying documents contain
proprietary and confidential notices or legends, you will not remove such notices or legends.
THIRD PARTY RIGHTS
The software may include Third Party Right software. In this case you agree to comply with all terms
and conditions imposed on you in respect of such separate software. In addition to Third Party Terms,
the disclaimer of warranty and limitation of liability provisions in this License shall apply to the Third
Party Right software.
TELIT HEREBY DISCLAIMS ANY AND ALL WARRANTIES EXPRESS OR IMPLIED FROM ANY
THIRD PARTIES REGARDING ANY SEPARATE FILES, ANY THIRD PARTY MATERIALS
INCLUDED IN THE SOFTWARE, ANY THIRD PARTY MATERIALS FROM WHICH THE SOFTWARE
IS DERIVED (COLLECTIVELY “OTHER CODE”), AND THE USE OF ANY OR ALL THE OTHER
CODE IN CONNECTION WITH THE SOFTWARE, INCLUDING (WITHOUT LIMITATION) ANY
WARRANTIES OF SATISFACTORY QUALITY OR FITNESS FOR A PARTICULAR PURPOSE.
NO THIRD PARTY LICENSORS OF OTHER CODE SHALL HAVE ANY LIABILITY FOR ANY
DIRECT, INDIRECT, INCIDENTAL, SPECIAL, EXEMPLARY, OR CONSEQUENTIAL DAMAGES
(INCLUDING WITHOUT LIMITATION LOST PROFITS), HOWEVER CAUSED AND WHETHER
MADE UNDER CONTRACT, TORT OR OTHER LEGAL THEORY, ARISING IN ANY WAY OUT OF
THE USE OR DISTRIBUTION OF THE OTHER CODE OR THE EXERCISE OF ANY RIGHTS
GRANTED UNDER EITHER OR BOTH THIS LICENSE AND THE LEGAL TERMS APPLICABLE TO
ANY SEPARATE FILES, EVEN IF ADVISED OF THE POSSIBILITY OF SUCH DAMAGES.
Copyright © Telit Communications PLC.

UE910 3G HARDWARE USER GUIDE 1vv0301171 Rev.3 • 2015-04-17 5 of 78
Reproduction forbidden without Telit Communications PLC written authorization – All Rights Reserved
CONTENTS
1 Introduction 8
1.1 Scope 8
1.2 Audience 8
1.3 Contact Information, Support 8
1.4 List of acronyms 9
1.5 Text Conventions 10
1.6. Related Documents 10
2 Overview 11
3 Pins Allocation 12
3.1 Pin-out 12
LGA Pads Layout 19
4 Power Supply 20
4.1 Power Supply Requirements 20
4.2 Power Consumption 21
4.3 General Design Rules 22
Electrical Design Guidelines 22
+5V Source Power Supply Design Guidelines 22
+ 12V input Source Power Supply Design Guidelines 23
Battery Source Power Supply Design Guidelines 24
Thermal Design Guidelines 25
Power Supply PCB layout Guidelines 26
4.4 RTC Bypass out 27
4.5 VAUX Power Output 27
5 Digital Section 28
5.1 Logic Levels Specification 28
5.2 Power on 29
5.3 Power off 34
5.4 Unconditional Shutdown 36
5.5 Communication ports 39
USB 2.0 HS 39
USB HSIC 40
SPI 41
SPI Connections 41
Serial Ports 42

UE910 3G HARDWARE USER GUIDE 1vv0301171 Rev.3 • 2015-04-17 6 of 78
Reproduction forbidden without Telit Communications PLC written authorization – All Rights Reserved
MODEM SERIAL PORT 1 (USIF0) 42
MODEM SERIAL PORT 2 (USIF1) 44
RS232 LEVEL TRANSLATION 45
5.6 General Purpose I/O 46
Using a GPIO as INPUT 47
Using a GPIO as OUTPUT 47
Indication of network service availability 48
5.7 External SIM Holder 49
5.8 ADC Converter 49
6 RF Section 50
6.1 Bands Variants 50
6.2 TX Output Power 50
6.3 RX Sensitivity 50
6.4 Antenna Requirements 51
PCB design guidelines 51
PCB Guidelines in case of FCC Certification 53
Transmission line design 53
Transmission Line Measurements 54
Antenna Installation Guidelines 56
7 Audio Section 57
7.1 Overview 57
7.2 Analog Voice Interface 57
MIC connection 58
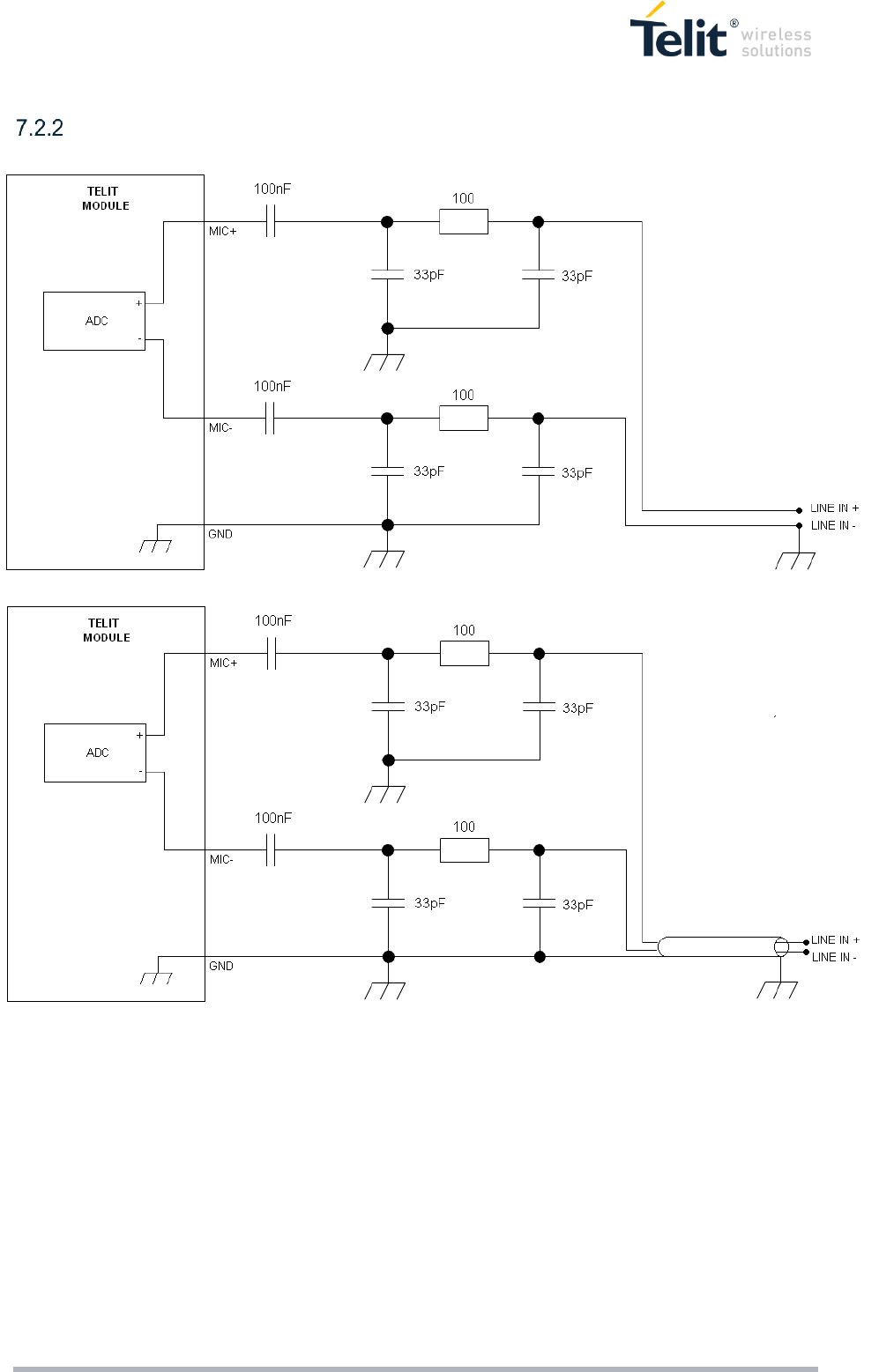
LINE IN Connection 60
EAR Connection 61
7.3 Digital Voice Interface 62
CODEC Examples 62
8 Mechanical Design 63
8.1 Drawing 63
9 Application Design 64
9.1 Footprint 64
9.2 PCB pad design 65
9.3 PCB pad dimensions 65
9.4 Stencil 67
9.5 Solder paste 67
9.6 Solder reflow 67

UE910 3G HARDWARE USER GUIDE 1vv0301171 Rev.3 • 2015-04-17 7 of 78
Reproduction forbidden without Telit Communications PLC written authorization – All Rights Reserved
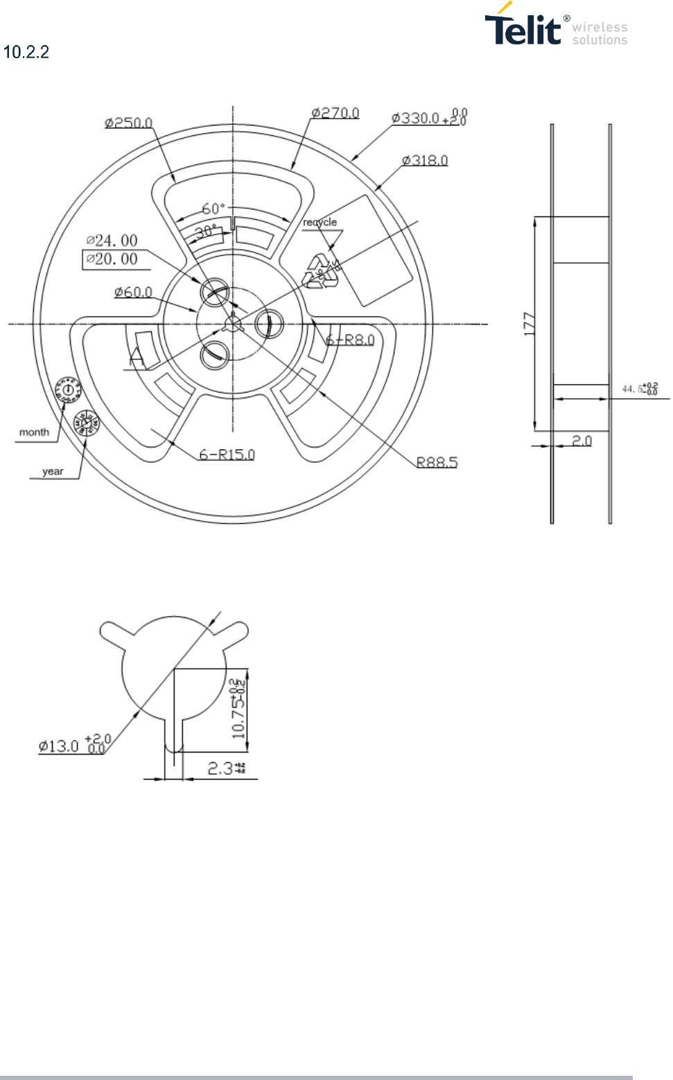
10 Packaging 69
10.1 Tray 69
10.2 Reel 70
Carrier Tape Detail 70
Reel Detail 71
Reel Box Detail 72
10.3 Moisture sensitivity 72
11 SAFETY RECOMMANDATIONS 73
12 FCC/IC Regulatory notices 74
13 Document History 77
13.1 Revisions 77

UE910 3G HARDWARE USER GUIDE 1vv0301171 Rev.3 • 2015-04-17 8 of 78
Reproduction forbidden without Telit Communications PLC written authorization – All Rights Reserved
1 INTRODUCTION
1.1 Scope
The aim of this document is the description of some hardware solutions useful for developing a product
with the Telit UE910 module.
1.2 Audience
This document is intended for Telit customers, who are integrators, about to implement their applications
using our UE910 modules.
1.3 Contact Information, Support
For general contact, technical support services, technical questions and report documentation errors
contact Telit Technical Support at:
TS-EMEA@telit.com
TS-AMERICAS@telit.com
TS-APAC@telit.com
Alternatively, use:
http://www.telit.com/support
For detailed information about where you can buy the Telit modules or for recommendations on
accessories and components visit:
http://www.telit.com
Our aim is to make this guide as helpful as possible. Keep us informed of your comments and
suggestions for improvements.
Telit appreciates feedback from the users of our information.

UE910 3G HARDWARE USER GUIDE 1vv0301171 Rev.3 • 2015-04-17 9 of 78
Reproduction forbidden without Telit Communications PLC written authorization – All Rights Reserved
1.4 List of acronyms
Acronym
Description
TTSC
Telit Technical Support Centre
USB
Universal Serial Bus
HS
High Speed
DTE
Data Terminal Equipment
UMTS
Universal Mobile Telecommunication System
WCDMA
Wideband Code Division Multiple Access
HSDPA
High Speed Downlink Packet Access
HSUPA
High Speed Uplink Packet Access
UART
Universal Asynchronous Receiver Transmitter
HSIC
High Speed Inter Chip
SIM
Subscriber Identification Module
SPI
Serial Peripheral Interface
ADC
Analog – Digital Converter
DAC
Digital – Analog Converter
I/O
Input Output
GPIO
General Purpose Input Output
CMOS
Complementary Metal – Oxide Semiconductor
MOSI
Master Output – Slave Input
MISO
Master Input – Slave Output
CLK
Clock
MRDY
Master Ready
SRDY
Slave Ready
CS
Chip Select
RTC
Real Time Clock
PCB
Printed Circuit Board
ESR
Equivalent Series Resistance
VSWR
Voltage Standing Wave Radio
VNA
Vector Network Analyzer

UE910 3G HARDWARE USER GUIDE 1vv0301171 Rev.3 • 2015-04-17 10 of 78
Reproduction forbidden without Telit Communications PLC written authorization – All Rights Reserved
1.5 Text Conventions
Danger – This information MUST be followed or catastrophic equipment failure
or bodily injury may occur.
Caution or Warning – Alerts the user to important points about integrating the
module, if these points are not followed, the module and end user equipment
may fail or malfunction.
Tip or Information – Provides advice and suggestions that may be useful when
integrating the module.
All dates are in ISO 8601 format, i.e. YYYY-MM-DD.
1.6. Related Documents
Digital Voice Interface Application Note 80000NT10050A
SPI Port Application Note 80000NT10053A
SIM Holder Design Guides 80000NT10001a
USB HSIC Port Application Note 80000NT10071A
AT Commands Reference Guide 80378ST10091A
Telit EVK2 User Guide 1vv0300704

UE910 3G HARDWARE USER GUIDE 1vv0301171 Rev.3 • 2015-04-17 11 of 78
Reproduction forbidden without Telit Communications PLC written authorization – All Rights Reserved
2 OVERVIEW
The aim of this document is the description of some hardware solutions useful for developing a product
with the Telit UE910 3G module.
In this document all the basic functions of a mobile phone will be taken into account; for each one of
them a proper hardware solution will be suggested and eventually the wrong solutions and common
errors to be avoided will be evidenced. Obviously this document cannot embrace the whole hardware
solutions and products that may be designed. The wrong solutions to be avoided shall be considered
as mandatory, while the suggested hardware configurations shall not be considered mandatory, instead
the information given shall be used as a guide and a starting point for properly developing your product
with the Telit UE910 module. For further hardware details that may not be explained in this document
refer to the Telit UE910 Product Description document where all the hardware information is reported.
NOTICE:
(EN) The integration of the WCDMA UE910 cellular module within user
application shall be done according to the design rules described in this
manual.
(IT) L’integrazione del modulo cellulare WCDMA UE910 all’interno
dell’applicazione dell’utente dovrà rispettare le indicazioni progettuali descritte
in questo manuale.
(DE) Die Integration des UE910 WCDMA Mobilfunk-Moduls in ein Gerät muß
gemäß der in diesem Dokument beschriebenen Kunstruktionsregeln erfolgen.
(SL) Integracija WCDMA UE910 modula v uporabniški aplikaciji bo morala
upoštevati projektna navodila, opisana v tem priročniku.
(SP) La utilización del modulo WCDMA UE910 debe ser conforme a los usos
para los cuales ha sido deseñado descritos en este manual del usuario.
(FR) L’intégration du module cellulaire WCDMA UE910 dans l’application de
l’utilisateur sera faite selon les règles de conception décrites dans ce manuel.
(HE)
The information presented in this document is believed to be accurate and reliable. However, no
responsibility is assumed by Telit Communications S.p.A. for its use, nor any infringement of patents or
other rights of third parties which may result from its use. No license is granted by implication or
otherwise under any patent rights of Telit Communications S.p.A. other than for circuitry embodied in
Telit products. This document is subject to change without notice.
UE910

UE910 3G HARDWARE USER GUIDE 1vv0301171 Rev.3 • 2015-04-17 12 of 78
Reproduction forbidden without Telit Communications PLC written authorization – All Rights Reserved
3 PINS ALLOCATION
3.1 Pin-out
Pin
Signal
I/O
Function
Type
Comment
USB HS 2.0 COMMUNICATION PORT
B15
USB_D+
I/O
USB differential Data (+)
-
C15
USB_D-
I/O
USB differential Data (-)
-
A13
VUSB
I
Power sense for the
internal USB transceiver.
-
Asynchronous Serial Port (USIF0) - Prog. / Data + HW Flow Control
N15
C103/TXD
I
Serial data input from DTE
CMOS 1.8V
M15
C104/RXD
O
Serial data output to DTE
CMOS 1.8V
M14
C108/DTR
I
Input for (DTR) from DTE
CMOS 1.8V
L14
C105/RTS
I
Input for Request to send
signal (RTS) from DTE
CMOS 1.8V
P15
C106/CTS
O
Output for Clear to Send
signal (CTS) to DTE
CMOS 1.8V
N14
C109/DCD
O
Output for (DCD) to DTE
CMOS 1.8V
P14
C107/DSR
O
Output for (DSR) to DTE
CMOS 1.8V
R14
C125/RING
O
Output for Ring (RI) to
DTE
CMOS 1.8V
Asynchronous Auxiliary Serial Port (USIF1)
D15
TX_AUX
O
Auxiliary UART (TX Data
to DTE)
CMOS 1.8V
E15
RX_AUX
I
Auxiliary UART (RX Data
from DTE)
CMOS 1.8V
USB HSIC
A12
HSIC_USB_DATA
I/O
USB HSIC data signal
CMOS 1.2V
A11
HSIC_USB_STRB
I/O
USB HSIC strobe signal
CMOS 1.2V
H15
HSIC_SLAVE_WAKEUP
I
Slave Wake Up
CMOS 1.8V
Shared with SPI_MRDY
F15
HSIC_HOST_WAKEUP
O
Host Wake Up
CMOS 1.8V
Shared with SPI CLK
K15
HSIC_SUSPEND_REQUEST
O
Slave Suspend Request
CMOS 1.8V
Shared with GPIO08
J15
HSIC_HOST_ACTIVE
I
Active Host Indication
CMOS 1.8V
Shared with SPI_SRDY
SIM card interface

UE910 3G HARDWARE USER GUIDE 1vv0301171 Rev.3 • 2015-04-17 13 of 78
Reproduction forbidden without Telit Communications PLC written authorization – All Rights Reserved
A6
SIMCLK
O
External SIM signal –
Clock
1.8 / 3V
A7
SIMRST
O
External SIM signal –
Reset
1.8 / 3V
A5
SIMIO
I/O
External SIM signal – Data
I/O
1.8 / 3V
A4
SIMIN
I
External SIM signal –
Presence (active low)
CMOS 1.8
A3
SIMVCC
-
External SIM signal –
Power supply for the SIM
1.8 / 3V
Analog Audio
B2
EAR+
O
Analog Audio Interface
(EAR+)
B3
EAR-
O
Analog Audio Interface
(EAR-)
B4
MIC+
I
Analog Audio Interface
(MIC+)
B5
MIC-
I
Analog Audio Interface
(MIC-)
Digital Voice Interface (DVI)
B9
DVI_WA0
I/O
Digital Audio Interface
(WA0)
CMOS 1.8V
B6
DVI_RX
I/O
Digital Audio Interface
(RX)
CMOS 1.8V
B7
DVI_TX
I/O
Digital Audio Interface
(TX)
CMOS 1.8V
B8
DVI_CLK
I/O
Digital Audio Interface
(CLK)
CMOS 1.8V
SPI
D15
SPI_MOSI
I
SPI MOSI
CMOS 1.8V
Shared with TX_AUX
E15
SPI_MISO
O
SPI_MISO
CMOS 1.8V
Shared with RX_AUX
F15
SPI_CLK
I
SPI Clock
CMOS 1.8V
H15
SPI_MRDY
I
SPI_MRDY
CMOS 1.8V
J15
SPI_SRDY
O
SPI_SRDY
CMOS 1.8V
DIGITAL IO
C8
GPIO_01
I/O
GPIO_01 /STAT LED
CMOS 1.8V
Alternate Function STAT LED
C9
GPIO_02
I/O
GPIO_02
CMOS 1.8V
C10
GPIO_03
I/O
GPIO_03
CMOS 1.8V
C11
GPIO_04
I/O
GPIO_04
CMOS 1.8V
B14
GPIO_05
I/O
GPIO_05
CMOS 1.8V
C12
GPIO_06
I/O
GPIO_06
CMOS 1.8V
C13
GPIO_07
I/O
GPIO_07
CMOS 1.8V
K15
GPIO_08
I/O
GPIO_08
CMOS 1.8V

UE910 3G HARDWARE USER GUIDE 1vv0301171 Rev.3 • 2015-04-17 14 of 78
Reproduction forbidden without Telit Communications PLC written authorization – All Rights Reserved
L15
GPIO_09
I/O
GPIO_09
CMOS 1.8V
G15
GPIO_10
I/O
GPIO_10
CMOS 1.8V
ADC
B1
ADC_IN1
AI
Analog / Digital converter
input
A/D
Accepted values 0 to 1.2V DC
RF SECTION
K1
ANTENNA
I/O
WCDMA Antenna
(50 ohm)
RF
Miscellaneous Functions
R13
HW_SHUTDOWN*
I
HW Unconditional
Shutdown
CMOS 1.8V
Active low
R12
ON_OFF*
I
Input command for power
ON
CMOS 1.8V
Active low
C14
VRTC
I
VRTC Backup capacitor
Power
backup for the embedded RTC
supply
R11
VAUX/PWRMON
O
Supply Output for external
accessories / Power ON
Monitor
1.8V
Power Supply
M1
VBATT
-
Main power supply
(Baseband)
Power
M2
VBATT
-
Main power supply
(Baseband)
Power
N1
VBATT_PA
-
Main power supply (Radio
PA)
Power
N2
VBATT_PA
-
Main power supply (Radio
PA)
Power
P1
VBATT_PA
-
Main power supply (Radio
PA)
Power
P2
VBATT_PA
-
Main power supply (Radio
PA)
Power
E1
GND
-
Ground
Power
G1
GND
-
Ground
Power
H1
GND
-
Ground
Power
J1
GND
-
Ground
Power
L1
GND
-
Ground
Power
A2
GND
-
Ground
Power
E2
GND
-
Ground
Power
F2
GND
-
Ground
Power
G2
GND
-
Ground
Power
H2
GND
-
Ground
Power
J2
GND
-
Ground
Power
K2
GND
-
Ground
Power

UE910 3G HARDWARE USER GUIDE 1vv0301171 Rev.3 • 2015-04-17 15 of 78
Reproduction forbidden without Telit Communications PLC written authorization – All Rights Reserved
L2
GND
-
Ground
Power
R2
GND
-
Ground
Power
M3
GND
-
Ground
Power
N3
GND
-
Ground
Power
P3
GND
-
Ground
Power
R3
GND
-
Ground
Power
D4
GND
-
Ground
Power
M4
GND
-
Ground
Power
N4
GND
-
Ground
Power
P4
GND
-
Ground
Power
R4
GND
-
Ground
Power
N5
GND
-
Ground
Power
P5
GND
-
Ground
Power
R5
GND
-
Ground
Power
N6
GND
-
Ground
Power
P6
GND
-
Ground
Power
R6
GND
-
Ground
Power
P8
GND
-
Ground
Power
R8
GND
-
Ground
Power
P9
GND
-
Ground
Power
P10
GND
-
Ground
Power
R10
GND
-
Ground
Power
M12
GND
-
Ground
Power
B13
GND
-
Ground
Power
P13
GND
-
Ground
Power
E14
GND
-
Ground
Power
RESERVED
C1
RESERVED
-
RESERVED
D1
RESERVED
-
RESERVED
B2
RESERVED
-
RESERVED
C2
RESERVED
-
RESERVED
D2
RESERVED
-
RESERVED
B3
RESERVED
-
RESERVED
C3
RESERVED
-
RESERVED
D3
RESERVED
-
RESERVED

UE910 3G HARDWARE USER GUIDE 1vv0301171 Rev.3 • 2015-04-17 16 of 78
Reproduction forbidden without Telit Communications PLC written authorization – All Rights Reserved
E3
RESERVED
-
RESERVED
F3
RESERVED
-
RESERVED
G3
RESERVED
-
RESERVED
H3
RESERVED
-
RESERVED
J3
RESERVED
-
RESERVED
K3
RESERVED
-
RESERVED
L3
RESERVED
-
RESERVED
B4
RESERVED
-
RESERVED
C4
RESERVED
-
RESERVED
B5
RESERVED
-
RESERVED
C5
RESERVED
-
RESERVED
C6
RESERVED
-
RESERVED
C7
RESERVED
-
RESERVED
N7
RESERVED
-
RESERVED
P7
RESERVED
-
RESERVED
N8
RESERVED
-
RESERVED
N9
RESERVED
-
RESERVED
A10
RESERVED
-
RESERVED
N10
RESERVED
-
RESERVED
N11
RESERVED
-
RESERVED
B12
RESERVED
-
RESERVED
D12
RESERVED
-
RESERVED
N12
RESERVED
-
RESERVED
P12
RESERVED
-
RESERVED
F14
RESERVED
-
RESERVED
G14
RESERVED
-
RESERVED
H14
RESERVED
-
RESERVED
J14
RESERVED
-
RESERVED
K14
RESERVED
-
RESERVED
N13
RESERVED
-
RESERVED
L13
RESERVED
-
RESERVED
J13
RESERVED
-
RESERVED
M13
RESERVED
-
RESERVED
K13
RESERVED
-
RESERVED
H13
RESERVED
-
RESERVED

UE910 3G HARDWARE USER GUIDE 1vv0301171 Rev.3 • 2015-04-17 17 of 78
Reproduction forbidden without Telit Communications PLC written authorization – All Rights Reserved
WARNING:
Reserved pins must not be connected
G13
RESERVED
-
RESERVED
F13
RESERVED
-
RESERVED
B1
RESERVED
-
RESERVED
B11
RESERVED
-
RESERVED
B10
RESERVED
-
RESERVED
A9
RESERVED
-
RESERVED
A8
RESERVED
-
RESERVED
D14
RESERVED
-
RESERVED
A14
RESERVED
-
RESERVED
D13
RESERVED
-
RESERVED
E13
RESERVED
-
RESERVED
F1
RESERVED
-
RESERVED
R9
RESERVED
-
RESERVED
R7
RESERVED
-
RESERVED
P11
RESERVED
-
RESERVED

UE910 3G HARDWARE USER GUIDE 1vv0301171 Rev.3 • 2015-04-17 18 of 78
Reproduction forbidden without Telit Communications PLC written authorization – All Rights Reserved
If not used, almost all pins should be left disconnected. The only exceptions are the following pins:
PAD
Signal
Note
M1,M2,N1,N2,P1,P2
VBATT & VBATT_PA
E1, G1, H1, J1, L1, A2, E2, F2, G2, H2
J2,K2,L2,R2,M3,N3,P3,R3,D4,M4,
N4,P4,R4,N5,P5,R5,N6,P6,R6,P8,
R8,P9,P10,R10,M12,B13,P13,E14
GND
R12
ON/OFF*
R13
HW_SHUTDOWN*
B15
USB_D+
If not used should be connected to a
Test Point or an USB connector
C15
USB_D-
If not used should be connected to a
Test Point or an USB connector
A13
VUSB
If not used should be connected to a
Test Point or an USB connector
N15
C103/TXD
If not used should be connected to a
Test Point
M15
C104/RXD
If not used should be connected to a
Test Point
L14
C105/RTS
If the flow control is not used it should
be connected to GND
P15
C106/CTS
If not used should be connected to a
Test Point
D15
TXD_AUX
If not used should be connected to a
Test Point
E15
RXD_AUX
If not used should be connected to a
Test Point
K1
MAIN ANTENNA
A6
SIMCLK
A7
SIMRST
A5
SIMIO
A4
SIMIN
RTS pin should be connected to the GND (on the module side) if flow control is not used.
The above pins are also necessary to debug the application when the module is assembled on it so
we recommend connecting them also to dedicated test point.

UE910 3G HARDWARE USER GUIDE 1vv0301171 Rev.3 • 2015-04-17 19 of 78
Reproduction forbidden without Telit Communications PLC written authorization – All Rights Reserved
LGA Pads Layout
TOP VIEW
A
B
C
D
E
F
G
H
J
K
L
M
N
P
R
1
RES
RES
RES
GND
RES
GND
GND
GND
ANT
GND
VBATT
VBATT
_PA
VBATT
_PA
2
GND
SPK+
RES
RES
GND
GND
GND
GND
GND
GND
GND
VBATT
VBATT
_PA
VBATT
_PA
GND
3
SIMVC
C
SPK -
RES
RES
RES
RES
RES
RES
RES
RES
RES
GND
GND
GND
GND
4
SIMIN
MIC+
RES
GND
GND
GND
GND
GND
5
SIMIO
MIC -
RES
GND
GND
GND
6
SIMCL
K
DVI_RX
RES
GND
GND
GND
7
SIMRS
T
DVI_TX
RES
RES
RES
RES
8
RES
DVI_CLK
GPIO_0
1
RES
GND
GND
9
RES
DVI_WA
0
GPIO_0
2
RES
GND
RES
10
RES
RES
GPIO_0
3
RES
GND
GND
11
HSIC_
USB_S
TRB
RES
GPIO_0
4
RES
RES
VAUX/
PWRM
ON
12
HSIC_
USB_D
ATA
RES
GPIO_0
6
RES
GND
RES
RES
ON_OF
F*
13
VUSB
GND
GPIO_0
7
RES
RES
RES
RES
RES
RES
RES
RES
RES
RES
GND
HW_SH
UTDO
WN*
14
RES
GPIO_05
VRTC
RES
GND
RES
RES
RES
RES
RES
C105/R
TS
C108/D
TR
C109/D
CD
C107/D
SR
C125/R
ING
15
USB_D+
USB_D
-
TX AUX
RX
AUX
SPI_CL
K
GPIO_1
0
SPI_M
RDY
SPI_SR
DY
GPIO_0
8
GPIO_0
9
C104/R
XD
C103/T
XD
C106/C
TS

UE910 3G HARDWARE USER GUIDE 1vv0301171 Rev.3 • 2015-04-17 20 of 78
Reproduction forbidden without Telit Communications PLC written authorization – All Rights Reserved
4 POWER SUPPLY
The power supply circuitry and board layout are a very important part in the full product design and
they strongly reflect on the product overall performances, hence read carefully the requirements and
the guidelines that will follow for a proper design.
4.1 Power Supply Requirements
The external power supply must be connected to VBATT & VBATT_PA signals and must fulfil the
following requirements:
Power Supply
Value
Nominal Supply Voltage
3.8V
Normal Operating Voltage Range
3.40 V÷ 4.20 V
Extended Operating Voltage Range
3.10 V÷ 4.50 V
NOTE:
The Operating Voltage Range MUST never be exceeded; care must be taken
when designing the application’s power supply section to avoid having an
excessive voltage drop.
If the voltage drop is exceeding the limits it could cause a Power Off of the
module.
The Power supply must be higher than 3.22 V to power on the module
Overshoot voltage (regarding MAX Extended Operating Voltage) and drop in
voltage (regarding MIN Extended Operating Voltage) MUST never be
exceeded;
The “Extended Operating Voltage Range” can be used only with completely
assumption and application of the HW User guide suggestions.

UE910 3G HARDWARE USER GUIDE 1vv0301171 Rev.3 • 2015-04-17 21 of 78
Reproduction forbidden without Telit Communications PLC written authorization – All Rights Reserved
4.2 Power Consumption
Mode
Average (mA)
Mode Description
Switched Off
180 uA
Module supplied but switched off
AT+CFUN=5
1.6
Disabled TX and RX; DRX7
WCDMA Voice
170
WCDMA voice call (TX = 10dBm)
WCDMA HSDPA (22dBm)
538
WCDMA data call (Cat 8, TX = 22dBm)
NOTE:
The electrical design for the Power supply should be made ensuring it will be
capable of a peak current output of at least 1 A.

UE910 3G HARDWARE USER GUIDE 1vv0301171 Rev.3 • 2015-04-17 22 of 78
Reproduction forbidden without Telit Communications PLC written authorization – All Rights Reserved
4.3 General Design Rules
The principal guidelines for the Power Supply Design embrace three different design steps:
the electrical design
the thermal design
the PCB layout.
Electrical Design Guidelines
The electrical design of the power supply depends strongly from the power source where this power is
drained. We will distinguish them into three categories:
+5V input (typically PC internal regulator output)
+12V input (typically automotive)
Battery
+5V Source Power Supply Design Guidelines
The desired output for the power supply is 3.8V, hence there's not a big difference between the
input source and the desired output and a linear regulator can be used. A switching power
supply will not be suited because of the low drop out requirements.
When using a linear regulator, a proper heat sink shall be provided in order to dissipate the
power generated.
A Bypass low ESR capacitor of adequate capacity must be provided in order to cut the current
absorption peaks close to the Module, a 100μF capacitor is usually suited.
Make sure the low ESR capacitor on the power supply output rated at least 10V.
An example of linear regulator with 5V input is:

UE910 3G HARDWARE USER GUIDE 1vv0301171 Rev.3 • 2015-04-17 23 of 78
Reproduction forbidden without Telit Communications PLC written authorization – All Rights Reserved
+ 12V input Source Power Supply Design
Guidelines
The desired output for the power supply is 3.8V, hence due to the big difference between the
input source and the desired output, a linear regulator is not suited and shall not be used. A
switching power supply will be preferable because of its better efficiency.
When using a switching regulator, a 500kHz or more switching frequency regulator is preferable
because of its smaller inductor size and its faster transient response. This allows the regulator
to respond quickly to the current peaks absorption.
In any case the frequency and Switching design selection is related to the application to be
developed due to the fact the switching frequency could also generate EMC interferences.
For car PB battery the input voltage can rise up to 15,8V and this should be kept in mind when
choosing components: all components in the power supply must withstand this voltage.
A Bypass low ESR capacitor of adequate capacity must be provided in order to cut the current
absorption peaks, a 100μF capacitor is usually suited.
Make sure the low ESR capacitor on the power supply output is rated at least 10V.
For Car applications a spike protection diode should be inserted close to the power input, in
order to clean the supply from spikes.
An example of switching regulator with 12V input is in the below schematic:

UE910 3G HARDWARE USER GUIDE 1vv0301171 Rev.3 • 2015-04-17 24 of 78
Reproduction forbidden without Telit Communications PLC written authorization – All Rights Reserved
Battery Source Power Supply Design Guidelines
The desired nominal output for the power supply is 3.8V and the maximum voltage allowed is 4.2V,
hence a single 3.7V Li-Ion cell battery type is suited for supplying the power to the Telit UE910 module.
A Bypass low ESR capacitor of adequate capacity must be provided in order to cut the current
absorption peaks, a 100μF tantalum capacitor is usually suited.
Make sure the low ESR capacitor (usually a tantalum one) is rated at least 10V.
A protection diode should be inserted close to the power input, in order to save the UE910 from
power polarity inversion. Otherwise the battery connector should be done in a way to avoid
polarity inversions when connecting the battery.
The battery capacity must be at least 500mAh in order to withstand the current peaks of 2A;
the suggested capacity is from 500mAh to 1000mAh.
WARNING:
The three cells Ni/Cd or Ni/MH 3,6 V Nom. battery types or 4V PB types MUST
NOT BE USED DIRECTLY since their maximum voltage can rise over the
absolute maximum voltage for the UE910 and damage it.
NOTE:
DON'T USE any Ni-Cd, Ni-MH, and Pb battery types directly connected with
UE910. Their use can lead to overvoltage on the UE910 and damage it. USE
ONLY Li-Ion battery types.

UE910 3G HARDWARE USER GUIDE 1vv0301171 Rev.3 • 2015-04-17 25 of 78
Reproduction forbidden without Telit Communications PLC written authorization – All Rights Reserved
Thermal Design Guidelines
The thermal design for the power supply heat sink should be done with the following specifications:
Average current consumption during HSDPA transmission @PWR level max : 700 mA
Average current during idle: 1.8 mA
Considering the very low current during idle, especially if Power Saving function is enabled, it is possible
to consider from the thermal point of view that the device absorbs current significantly only during calls.
If we assume that the device stays into transmission for short periods of time (let's say few minutes) and
then remains for a quite long time in idle (let's say one hour), then the power supply has always the time
to cool down between the calls and the heat sink could be smaller than the calculated one for 700mA
maximum RMS current, or even could be the simple chip package (no heat sink).
Moreover in the average network conditions the device is requested to transmit at a lower power level
than the maximum and hence the current consumption will be less than the 700mA, being usually around
150mA.
For these reasons the thermal design is rarely a concern and the simple ground plane where the power
supply chip is placed can be enough to ensure a good thermal condition and avoid overheating.
The generated heat will be mostly conducted to the ground plane under the UE910; you must ensure
that your application can dissipate it.
NOTE:
The average consumption during transmissions depends on the power level at
which the device is requested to transmit by the network. The average current
consumption hence varies significantly.

UE910 3G HARDWARE USER GUIDE 1vv0301171 Rev.3 • 2015-04-17 26 of 78
Reproduction forbidden without Telit Communications PLC written authorization – All Rights Reserved
Power Supply PCB layout Guidelines
As seen on the electrical design guidelines the power supply shall have a low ESR capacitor on the
output to cut the current peaks on the input to protect the supply from spikes The placement of this
component is crucial for the correct working of the circuitry. A misplaced component can be useless or
can even decrease the power supply performances.
The Bypass low ESR capacitor must be placed close to the Telit UE910 power input pads or in
the case the power supply is a switching type it can be placed close to the inductor to cut the
ripple provided the PCB trace from the capacitor to the UE910 is wide enough to ensure a
dropless connection even during an 1A current peak.
The protection diode must be placed close to the input connector where the power source is
drained.
The PCB traces from the input connector to the power regulator IC must be wide enough to
ensure no voltage drops occur when an 1A current peak is absorbed.
The PCB traces to the UE910 and the Bypass capacitor must be wide enough to ensure no
significant voltage drops occur. This is for the same reason as previous point. Try to keep this
trace as short as possible.
To reduce the EMI due to switching, it is important to keep very small the mesh involved; thus
the input capacitor, the output diode (if not embodied in the IC) and the regulator have to form
a very small loop.This is done in order to reduce the radiated field (noise) at the switching
frequency (100-500 kHz usually).
A dedicated ground for the Switching regulator separated by the common ground plane is
suggested.
The placement of the power supply on the board should be done in such a way to guarantee
that the high current return paths in the ground plane are not overlapped to any noise sensitive
circuitry as the microphone amplifier/buffer or earphone amplifier.
The power supply input cables should be kept separate from noise sensitive lines such as
microphone/earphone cables.
The insertion of EMI filter on VBATT pins is suggested in those designs where antenna is
placed close to battery or supply lines.
A ferrite bead like Murata BLM18EG101TN1 or Taiyo Yuden P/N FBMH1608HM101 can be
used for this purpose.
The below figure shows the recommended circuit:

UE910 3G HARDWARE USER GUIDE 1vv0301171 Rev.3 • 2015-04-17 27 of 78
Reproduction forbidden without Telit Communications PLC written authorization – All Rights Reserved
4.4 RTC Bypass out
The VRTC pin brings out the Real Time Clock supply, which is separate from the rest of the digital
part, allowing having only RTC going on when all the other parts of the device are off.
To this power output a backup capacitor can be added in order to increase the RTC autonomy during
power off of the battery. NO Devices must be powered from this pin.
In order to keep the RTC active when VBATT is not supplied it is possible to back up the RTC section
connecting a backup circuit to the related VRTC signal (pad C14 on module’s Pinout).
For additional details on the Backup solutions please refer to the related application note (xE910 RTC
Backup Application Note)
4.5 VAUX Power Output
A regulated power supply output is provided in order to supply small devices from the module. The
signal is present on Pad R11 and it is in common with the PWRMON (module powered ON indication)
function.
This output is always active when the module is powered ON.
The operating range characteristics of the supply are:
Item
Min
Typical
Max
Output voltage
1.78V
1.80V
1.82V
Output current
-
-
60mA
Output bypass
capacitor
(inside the module)
1uF

UE910 3G HARDWARE USER GUIDE 1vv0301171 Rev.3 • 2015-04-17 28 of 78
Reproduction forbidden without Telit Communications PLC written authorization – All Rights Reserved
5 DIGITAL SECTION
5.1 Logic Levels Specification
ABSOLUTE MAXIMUM RATINGS – NOT FUNCTIONAL:
OPERATING RANGE - INTERFACE LEVELS (1.8V CMOS):
Parameter
Min
Max
Input high level
1.5V
1.9V
Input low level
0V
0.35V
Output high level
1.6V
1.9V
Output low level
0V
0.2V
OPERATING RANGE - INTERFACE LEVELS (1.2V CMOS):
Parameter
Min
Max
Input high level
0.9V
1.3V
Input low level
0V
0.3V
Output high level
1V
1.3V
Output low level
0V
0.1V
CURRENT CHARACTERISTICS:
Parameter
AVG
Output Current
1mA
Input Current
1uA
Parameter
Min
Max
Input level on any digital pin (CMOS 1.8) with respect to ground
-0.3V
2.1V
Input level on any digital pin (CMOS 1.2) with respect to ground
-0.3V
1.4V

UE910 3G HARDWARE USER GUIDE 1vv0301171 Rev.3 • 2015-04-17 29 of 78
Reproduction forbidden without Telit Communications PLC written authorization – All Rights Reserved
5.2 Power on
To turn on the UE910 the pad ON_OFF* must be tied low for at least 5 seconds and then released.
The maximum current that can be drained from the ON_OFF* pad is 0,1 mA.
A simple circuit to do it is:
NOTE:
Don't use any pull up resistor on the ON_OFF* line, it is internally pulled up.
Using pull up resistor may bring to latch up problems on the UE910 power
regulator and improper power on/off of the module. The line ON_OFF* must be
connected only in open collector or open drain configuration.
In this document all the lines that are inverted, hence have active low signals
are labelled with a name that ends with”#",”*” or with a bar over the name.
To check if the device has powered on, the hardware line PWRMON should be
monitored.
It is mandatory to avoid sending data to the serial ports during the first 200ms
of the module start-up.

UE910 3G HARDWARE USER GUIDE 1vv0301171 Rev.3 • 2015-04-17 30 of 78
Reproduction forbidden without Telit Communications PLC written authorization – All Rights Reserved
A flow chart showing the proper turn on procedure is displayed below:
“Modem ON Proc”
START
VBATT > 3.22V
?
ON_OFF* = LOW
PWRMON=ON
?
Delay = 5 sec
ON_OFF* = HIGH
GO TO
“HW Shutdown
Unconditional”
PWRMON=ON
?
Delay = 1 sec
GO TO
“Start AT Commands””
“Modem ON Proc”
END
N
N
Y
Y
Y
N

UE910 3G HARDWARE USER GUIDE 1vv0301171 Rev.3 • 2015-04-17 31 of 78
Reproduction forbidden without Telit Communications PLC written authorization – All Rights Reserved
A flow chart showing the AT commands managing procedure is displayed
below:
NOTE:
In order to avoid a back powering effect it is recommended to avoid having any
HIGH logic level signal applied to the digital pins of the UE910 when the
module is powered off or during an ON/OFF transition.
“Start AT CMD”
START
Delay = 300 msec
Enter AT <CR>
GO TO
“HW Shutdown
Unconditional”
AT answer in
1 sec ?
GO TO
“Modem ON Proc.”
“Start AT CMD”
END
Y
N

UE910 3G HARDWARE USER GUIDE 1vv0301171 Rev.3 • 2015-04-17 32 of 78
Reproduction forbidden without Telit Communications PLC written authorization – All Rights Reserved
For example:
1- Let's assume you need to drive the ON_OFF* pad with a totem pole output of a +3/5 V microcontroller
(uP_OUT1):
2- Let's assume you need to drive the ON_OFF* pad directly with an ON/OFF button:
WARNING:
It is recommended to set the ON_OFF* line LOW to power on the module only
after VBATT is higher than 3.22V.
In case this condition it is not satisfied you could use the HW_SHUTDOWN*
line to recover it and then restart the power on activity using the ON_OFF *
line.
An example of this is described in the following diagram.

UE910 3G HARDWARE USER GUIDE 1vv0301171 Rev.3 • 2015-04-17 33 of 78
Reproduction forbidden without Telit Communications PLC written authorization – All Rights Reserved
Power ON diagram:
After HW_SHUTSDOWN* is released you could again use the ON_OFF* line to power on the module.

UE910 3G HARDWARE USER GUIDE 1vv0301171 Rev.3 • 2015-04-17 34 of 78
Reproduction forbidden without Telit Communications PLC written authorization – All Rights Reserved
5.3 Power off
Turning off the device can be done in two ways:
via AT command (see UE910 Software User Guide, AT#SHDN)
by tying low pin ON_OFF*
Either ways, the device issues a detach request to network informing that the device will not be
reachable any more.
To turn OFF the UE910 the pad ON_OFF* must be tied low for at least 3 seconds and then released.
NOTE:
To check if the device has been powered off, the hardware line PWRMON
must be monitored. The device is powered off when PWRMON goes low.
In order to avoid a back powering effect it is recommended to avoid having any
HIGH logic level signal applied to the digital pins of the UE910 when the
module is powered off or during an ON/OFF transition.

UE910 3G HARDWARE USER GUIDE 1vv0301171 Rev.3 • 2015-04-17 35 of 78
Reproduction forbidden without Telit Communications PLC written authorization – All Rights Reserved
The following flow chart shows the proper turn off procedure:
“Modem OFF Proc.”
START
ON_OFF* = LOW
PWRMON=ON?
Delay >= 3 sec
ON_OFF* = HIGH
PWRMON=ON?
GO TO
“HW SHUTDOWN
Unconditional”
“Modem OFF Proc.”
END
N
Y
Y
N
OFF Mode
AT#SHDN
Looping for more
than 15s?
Y
N
Key
AT

UE910 3G HARDWARE USER GUIDE 1vv0301171 Rev.3 • 2015-04-17 36 of 78
Reproduction forbidden without Telit Communications PLC written authorization – All Rights Reserved
5.4 Unconditional Shutdown
HW_SHUTDOWN* is used to unconditionally shutdown the UE910. Whenever this signal is pulled low,
the UE910 is reset. When the device is reset it stops any operation. After the release of the line, the
UE910 is unconditionally shut down, without doing any detach operation from the network where it is
registered. This behaviour is not a proper shut down because any WCDMA device is requested to
issue a detach request on turn off. The HW_SHUTDOWN* is internally controlled on start-up to
achieve always a proper power-on reset sequence, so there's no need to control this pin on start-up.
To unconditionally shutdown the UE910, the pad HW_SHUTDOWN* must be tied low for at least 200
milliseconds and then released.
The signal is internally pulled up so the pin can be left floating if not used.
If used, then it must always be connected with an open collector transistor, to permit to the
internal circuitry the power on reset and under voltage lockout functions.
PIN DESCRIPTION
Signal
Function
I/O
PAD
HW_SHUTDOWN*
Unconditional Shutdown of the Module
I
R13
OPERATING LEVELS
Signal Status
Min
Max
HW_SHUTDOWN* Input high
1.5V
1.9V
HW_SHUTDOWN* Input Low
0V
0.35V
WARNING:
The hardware unconditional Shutdown must not be used during normal
operation of the device since it does not detach the device from the network. It
shall be kept as an emergency exit procedure.

UE910 3G HARDWARE USER GUIDE 1vv0301171 Rev.3 • 2015-04-17 37 of 78
Reproduction forbidden without Telit Communications PLC written authorization – All Rights Reserved
A typical circuit is the following:
For example:
Let us assume you need to drive the HW_SHUTDOWN* pad with a totem pole output of a +3/5 V
microcontroller (uP_OUT2):
NOTE:
In order to avoid a back powering effect it is recommended to avoid having any
HIGH logic level signal applied to the digital pins of the UE910 when the
module is powered off or during an ON/OFF transition.

UE910 3G HARDWARE USER GUIDE 1vv0301171 Rev.3 • 2015-04-17 38 of 78
Reproduction forbidden without Telit Communications PLC written authorization – All Rights Reserved
In the following flow chart is detailed the proper restart procedure:
NOTE:
Do not use any pull up resistor on the HW_SHUTDOWN* line nor any totem
pole digital output. Using pull up resistor may bring to latch up problems on the
UE910 power regulator and improper functioning of the module.
To proper power on again the module please refer to the related paragraph
(“Power ON”)
The unconditional hardware shutdown must always be implemented on the
boards and should be used only as an emergency exit procedure.
“HW SHUTDOWN
Unconditional”
START
HW_SHUTDOWN* = LOW
Delay = 200ms
PWRMON = ON
Disconnect
VBATT
Y
N
“HW SHUTDOWN
Unconditional”
END
HW_SHUTDOWN* = HIGH
Delay = 1s

UE910 3G HARDWARE USER GUIDE 1vv0301171 Rev.3 • 2015-04-17 39 of 78
Reproduction forbidden without Telit Communications PLC written authorization – All Rights Reserved
5.5 Communication ports
USB 2.0 HS
The UE910 includes one integrated universal serial bus (USB 2.0 HS) transceiver.
The following table is listing the available signals:
PAD
Signal
I/O
Function
Type
NOTE
B15
USB_D+
I/O
USB differential Data (+)
3.3V
C15
USB_D-
I/O
USB differential Data (-)
3.3V
A13
VUSB
AI
Power sense for the internal USB
transceiver.
5V
Accepted range:
4.4V to 5.25V
The USB_DPLUS and USB_DMINUS signals have a clock rate of 480 MHz.
The signal traces should be routed carefully. Trace lengths, number of vias and capacitive loading
should be minimized. The characteristic impedance value should be as close as possible to 90 Ohms
differential.
In case there is a need to add an ESD protection, the suggested connection is the following:
NOTE:
VUSB pin should be disconnected before activating the Power Saving Mode.

UE910 3G HARDWARE USER GUIDE 1vv0301171 Rev.3 • 2015-04-17 40 of 78
Reproduction forbidden without Telit Communications PLC written authorization – All Rights Reserved
USB HSIC
The UE910 Module is provided by one USB HSIC interface.
The USB HSIC (High Speed Inter Processor) Interface allows supporting the inter-processor
communication between an application processor (AP) – the host, and the modem processor
(CP) – the UE910.
The following table is listing the available signals:
PAD
Signal
I/O
Function
Type
NOTE
A12
HSIC_USB_DATA
I/O
USB HSIC data signal
CMOS
1.2V
A11
HSIC_USB_STRB
I/O
USB HSIC strobe
signal
CMOS
1.2V
H15
HSIC_SLAVE_WAKEUP
I
Slave Wake Up
CMOS
1.8V
Shared with
SPI_MRDY
F15
HSIC_HOST_WAKEUP
O
Host Wake Up
CMOS
1.8V
Shared with
SPI CLK
K15
HSIC_SUSPEND_REQUEST
O
Slave Suspend
Request
CMOS
1.8V
Shared with
GPIO08
J15
HSIC_HOST_ACTIVE
I
Active Host Indication
CMOS
1.8V
Shared with
SPI_SRDY
For the detailed use of USB HSIC port please refer to the related Application Note.
NOTE:
Due to the shared functions, when the USB_HSIC port is used, it is not
possible to use the SPI and GPIO_08.
The USB_HSIC is not active by default but it has to be enabled using the
AT#PORTCFG command (refer to the AT user guide for the detailed syntax
description).

UE910 3G HARDWARE USER GUIDE 1vv0301171 Rev.3 • 2015-04-17 41 of 78
Reproduction forbidden without Telit Communications PLC written authorization – All Rights Reserved
SPI
The UE910 Module is provided by one SPI interface.
The SPI interface defines two handshake lines for flow control and mutual wake-up of the modem and
the Application Processor: SRDY (slave ready) and MRDY (master ready).
The AP has the master role, that is, it supplies the clock.
The following table is listing the available signals:
PAD
Signal
I/O
Function
Type
NOTE
D15
SPI_MOSI
I
SPI MOSI
CMOS 1.8V
Shared with TX_AUX
E15
SPI_MISO
O
SPI MISO
CMOS 1.8V
Shared with RX_AUX
F15
SPI_CLK
I
SPI Clock
CMOS 1.8V
H15
SPI_MRDY
I
SPI_MRDY
CMOS 1.8V
J15
SPI_SRDY
O
SPI_SRDY
CMOS 1.8V
NOTE:
Due to the shared functions, when the SPI port is used, it is not possible to use
the AUX_UART port.
SPI Connections
SPI_MISO
SPI_MOSI
SPI_CLK
SPI_MRDY
SPI_SRDY
E15
D15
F15
H15
J15
UE910 AP

UE910 3G HARDWARE USER GUIDE 1vv0301171 Rev.3 • 2015-04-17 42 of 78
Reproduction forbidden without Telit Communications PLC written authorization – All Rights Reserved
Serial Ports
The UE910 module is provided with by 2 Asynchronous serial ports:
MODEM SERIAL PORT 1 (Main)
MODEM SERIAL PORT 2 (Auxiliary)
Several configurations can be designed for the serial port on the OEM hardware, but the most common
are:
RS232 PC com port
microcontroller UART @ 1.8V (Universal Asynchronous Receive Transmit)
microcontroller UART @ 5V or other voltages different from 1.8V
Depending from the type of serial port on the OEM hardware a level translator circuit may be needed to
make the system work.
On the UE910 the ports are CMOS 1.8.
MODEM SERIAL PORT 1 (USIF0)
The serial port 1 on the UE910 is a +1.8V UART with all the 7 RS232 signals.
It differs from the PC-RS232 in the signal polarity (RS232 is reversed) and levels.
The following table is listing the available signals:
RS232
Pin
Signal
Pad
Name
Usage
1
C109/DCD
N14
Data Carrier Detect
Output from the UE910 that indicates
the carrier presence
2
C104/RXD
M15
Transmit line *see Note
Output transmit line of UE910 UART
3
C103/TXD
N15
Receive line *see Note
Input receive of the UE910 UART
4
C108/DTR
M14
Data Terminal Ready
Input to the UE910 that controls the DTE
READY condition
5
GND
M12,
B13,
P13,
E14 …
Ground
Ground
6
C107/DSR
P14
Data Set Ready
Output from the UE910 that indicates
the module is ready
7
C106/CTS
P15
Clear to Send
Output from the UE910 that controls the
Hardware flow control
8
C105/RTS
L14
Request to Send
Input to the UE910 that controls the
Hardware flow control
9
C125/RING
R14
Ring Indicator
Output from the UE910 that indicates
the incoming call condition

UE910 3G HARDWARE USER GUIDE 1vv0301171 Rev.3 • 2015-04-17 43 of 78
Reproduction forbidden without Telit Communications PLC written authorization – All Rights Reserved
The following table shows the typical input value of internal pull-up resistors for RTS, DTR and TXD
input lines and in all module states:
STATE
RTS DTR TXD
Pull up tied to
ON
5K to 12K
1V8
OFF
Schottky diode
RESET
Schottky diode
POWER SAVING
5K to 12K
1V8
The input line ON_OFF and HW_SHDN state can be treated as in picture below
NOTE:
According to V.24, some signal names are referred to the application side,
therefore on the UE910 side these signal are on the opposite direction:
TXD on the application side will be connected to the receive line (here named
C103/TXD)
RXD on the application side will be connected to the transmit line (here named
C104/RXD)
For a minimum implementation, only the TXD, RXD lines can be connected,
the other lines can be left open provided a software flow control is
implemented.
In order to avoid a back powering effect it is recommended to avoid having any
HIGH logic level signal applied to the digital pins of the UE910 when the
module is powered off or during an ON/OFF transition.

UE910 3G HARDWARE USER GUIDE 1vv0301171 Rev.3 • 2015-04-17 44 of 78
Reproduction forbidden without Telit Communications PLC written authorization – All Rights Reserved
MODEM SERIAL PORT 2 (USIF1)
The secondary serial port on the UE910 is a CMOS1.8V with only the RX and TX signals.
The signals of the UE910 serial port are:
PAD
Signal
I/O
Function
Type
NOTE
D15
TX_AUX
O
Auxiliary UART (TX Data to
DTE)
CMOS 1.8V
Shared with SPI_MOSI
E15
RX_AUX
I
Auxiliary UART (RX Data
from DTE)
CMOS 1.8V
Shared with SPI_MISO
NOTE:
Due to the shared pins, when the Modem Serial port is used, it is not possible
to use the SPI functions.
In order to avoid a back powering effect it is recommended to avoid having any
HIGH logic level signal applied to the digital pins of the UE910 when the
module is powered off or during an ON/OFF transition.

UE910 3G HARDWARE USER GUIDE 1vv0301171 Rev.3 • 2015-04-17 45 of 78
Reproduction forbidden without Telit Communications PLC written authorization – All Rights Reserved
RS232 LEVEL TRANSLATION
In order to interface the UE910 with a PC com port or a RS232 (EIA/TIA-232) application a level
translator is required. This level translator must:
invert the electrical signal in both directions;
Change the level from 0/1.8V to +15/-15V.
Actually, the RS232 UART 16450, 16550, 16650 & 16750 chipsets accept signals with lower levels on
the RS232 side (EIA/TIA-562), allowing a lower voltage-multiplying ratio on the level translator. Note
that the negative signal voltage must be less than 0V and hence some sort of level translation is always
required.
The simplest way to translate the levels and invert the signal is by using a single chip level translator.
There are a multitude of them, differing in the number of drivers and receivers and in the levels (be sure
to get a true RS232 level translator not a RS485 or other standards).
By convention the driver is the level translator from the 0-1.8V UART to the RS232 level. The receiver
is the translator from the RS232 level to 0-1.8V UART.
In order to translate the whole set of control lines of the UART you will need:
5 drivers
3 receivers
An example of RS232 level adaptation circuitry could be done using a MAXIM transceiver (MAX218)
In this case the chipset is capable to translate directly from 1.8V to the RS232 levels (Example done
on 4 signals only).
The RS232 serial port lines are usually connected to a DB9 connector with the following layout:

UE910 3G HARDWARE USER GUIDE 1vv0301171 Rev.3 • 2015-04-17 46 of 78
Reproduction forbidden without Telit Communications PLC written authorization – All Rights Reserved
5.6 General Purpose I/O
The UE910 module is provided by a set of Configurable Digital Input / Output pins (CMOS 1.8V)
Input pads can only be read; they report the digital value (high or low) present on the pad at the read
time.
Output pads can only be written or queried and set the value of the pad output.
An alternate function pad is internally controlled by the UE910 firmware and acts depending on the
function implemented.
The following table shows the available GPIO on the UE910:
PAD
Signal
I/O
Drive
Strength
Default
State
NOTE
C8
GPIO_01
I/O
1 mA
INPUT
Alternate function STAT LED
C9
GPIO_02
I/O
1 mA
INPUT
C10
GPIO_03
I/O
1 mA
INPUT
C11
GPIO_04
I/O
1 mA
INPUT
B14
GPIO_05
I/O
1 mA
INPUT
C12
GPIO_06
I/O
1 mA
INPUT
C13
GPIO_07
I/O
1 mA
INPUT
K15
GPIO_08
I/O
1 mA
INPUT
L15
GPIO_09
I/O
1 mA
INPUT
G15
GPIO_10
I/O
1 mA
INPUT

UE910 3G HARDWARE USER GUIDE 1vv0301171 Rev.3 • 2015-04-17 47 of 78
Reproduction forbidden without Telit Communications PLC written authorization – All Rights Reserved
Using a GPIO as INPUT
The GPIO pads, when used as inputs, can be connected to a digital output of another device and
report its status, provided this device has interface levels compatible with the 1.8V CMOS levels of the
GPIO.
If the digital output of the device to be connected with the GPIO input pad has interface levels different
from the 1.8V CMOS, then it can be buffered with an open collector transistor with a 47K pull up to
1.8V.
NOTE:
In order to avoid a back powering effect it is recommended to avoid having any
HIGH logic level signal applied to the digital pins of the UE910 when the
module is powered off or during an ON/OFF transition.
Using a GPIO as OUTPUT
The GPIO pads, when used as outputs, can drive 1.8V CMOS digital devices or compatible hardware.
When set as outputs, the pads have a push-pull output and therefore the pull-up resistor may be
omitted.

UE910 3G HARDWARE USER GUIDE 1vv0301171 Rev.3 • 2015-04-17 48 of 78
Reproduction forbidden without Telit Communications PLC written authorization – All Rights Reserved
Indication of network service availability
The STAT_LED pin status shows information on the network service availability and Call status.
The function is available as alternate function of GPIO_01 (to be enabled using the AT#GPIO=1,0,2
command).
In the UE910 modules, the STAT_LED needs an external transistor to drive an external LED.
Therefore, the status indicated in the following table is reversed with respect to the pin status.
Device Status
Led Status
Device off
Permanently off
Not Registered
Permanently on
Registered in idle
Blinking 1sec on + 2 sec off
Registered in idle + power saving
It depends on the event that
triggers the wakeup (In sync with
network paging)
Voice Call Active
Permanently on
Dial-Up
Blinking 1 sec on + 2 sec off
A schematic example could be:

UE910 3G HARDWARE USER GUIDE 1vv0301171 Rev.3 • 2015-04-17 49 of 78
Reproduction forbidden without Telit Communications PLC written authorization – All Rights Reserved
5.7 External SIM Holder
Please refer to the related User Guide (SIM Holder Design Guides, 80000NT10001a).
5.8 ADC Converter
The UE910 is provided by one AD converter. It is able to read a voltage level in the range of 0÷1.2
volts applied on the ADC pin input, store and convert it into 10 bit word.
The input line is named as ADC_IN1 and it is available on Pad B1
The following table is showing the ADC characteristics:
Item
Min
Typical
Max
Unit
Input Voltage range
0
-
1.2
Volt
AD conversion
-
-
10
bits
Input Resistance
1
-
-
Mohm
Input Capacitance
-
1
-
pF
The ADC could be controlled using an AT command.
The command is AT#ADC=1,2
The read value is expressed in mV
Refer to SW User Guide or AT Commands Reference Guide for the full description of this function.

UE910 3G HARDWARE USER GUIDE 1vv0301171 Rev.3 • 2015-04-17 50 of 78
Reproduction forbidden without Telit Communications PLC written authorization – All Rights Reserved
6 RF SECTION
6.1 Bands Variants
The following table is listing the supported Bands:
6.2 TX Output Power
6.3 RX Sensitivity
Product
Supported 3G bands
UE910-N3G
FDD B2, B5
Band
Power Class
FDD B2, B5
Class 3 (0.25W)
Band
Sensitivity
FDD B2, B5
-111dBm

UE910 3G HARDWARE USER GUIDE 1vv0301171 Rev.3 • 2015-04-17 51 of 78
Reproduction forbidden without Telit Communications PLC written authorization – All Rights Reserved
6.4 Antenna Requirements
The antenna connection and board layout design are the most important aspect in the full product
design as they strongly affect the product overall performances, hence read carefully and follow the
requirements and the guidelines for a proper design.
The antenna and antenna transmission line on PCB for a Telit UE910 device shall fulfil the following
requirements:
PCB design guidelines
When using the UE910, since there's no antenna connector on the module, the antenna must be
connected to the UE910 antenna pad (K1) by means of a transmission line implemented on the PCB.
In the case the antenna is not directly connected at the antenna pad of the UE910, then a PCB line is
needed in order to connect with it or with its connector.
This transmission line shall fulfil the following requirements:
Item
Value
Frequency range
Depending by frequency band(s) provided by the network
operator, the customer shall use the most suitable antenna for
that/those band(s)
Bandwidth
70 MHz in WCDMA Band V
140 MHz in WCDMA Band II
Impedance
50 ohm
Input power
> 24dBm Average power
VSWR absolute max
≤ 10:1 (limit to avoid permanent damage)
VSWR recommended
≤ 2:1 (limit to fulfill all regulatory requirements)
Item
Value
Characteristic Impedance
50 ohm
Max Attenuation
0,3 dB
Coupling
Coupling with other signals shall be avoided
Ground Plane
Cold End (Ground Plane) of antenna shall be equipotential to
the UE910 ground pins

UE910 3G HARDWARE USER GUIDE 1vv0301171 Rev.3 • 2015-04-17 52 of 78
Reproduction forbidden without Telit Communications PLC written authorization – All Rights Reserved
The transmission line should be designed according to the following guidelines:
Ensure that the antenna line impedance is 50 ohm;
Keep the antenna line on the PCB as short as possible, since the antenna line loss shall be
less than 0,3 dB;
Antenna line must have uniform characteristics, constant cross section; avoid meanders and
abrupt curves;
Keep, if possible, one layer of the PCB used only for the Ground plane;
Surround (on the sides, over and under) the antenna line on PCB with Ground, avoid having
other signal tracks facing directly the antenna line track;
The ground around the antenna line on PCB has to be strictly connected to the Ground Plane
by placing vias every 2mm at least;
Place EM noisy devices as far as possible from UE910 antenna line;
Keep the antenna line far away from the UE910 power supply lines;
If you have EM noisy devices around the PCB hosting the UE910, such as fast switching ICs,
take care of the shielding of the antenna line by burying it inside the layers of PCB and
surround it with Ground planes, or shield it with a metal frame cover.
If you don't have EM noisy devices around the PCB of UE910, by using a micro strip on the
superficial copper layer for the antenna line, the line attenuation will be lower than a buried
one;
The following image is showing the suggested layout for the Antenna pad connection:

UE910 3G HARDWARE USER GUIDE 1vv0301171 Rev.3 • 2015-04-17 53 of 78
Reproduction forbidden without Telit Communications PLC written authorization – All Rights Reserved
PCB Guidelines in case of FCC Certification
In the case FCC certification is required for an application using UE910-N3G, according to FCC KDB
996369 for modular approval requirements, the transmission line has to be similar to that implemented
on UE910 interface board and described in the following chapter.
Transmission line design
During the design of the UE910 interface board, the placement of components has been chosen
properly, in order to keep the line length as short as possible, thus leading to lowest power losses
possible. A Grounded Coplanar Waveguide (G-CPW) line has been chosen, since this kind of
transmission line ensures good impedance control and can be implemented in an outer PCB layer as
needed in this case. A SMA female connector has been used to feed the line.
The interface board is realized on a FR4, 4-layers PCB. Substrate material is characterized by relative
permittivity εr = 4.6 ± 0.4 @ 1 GHz, TanD= 0.019 ÷ 0.026 @ 1 GHz.
A characteristic impedance of nearly 50 Ω is achieved using trace width = 1.1 mm, clearance from
coplanar ground plane = 0.3 mm each side. The line uses reference ground plane on layer 3, while
copper is removed from layer 2 underneath the line. Height of trace above ground plane is 1.335 mm.
Calculated characteristic impedance is 51.6 Ω, estimated line loss is less than 0.1 dB. The line
geometry is shown below:

UE910 3G HARDWARE USER GUIDE 1vv0301171 Rev.3 • 2015-04-17 54 of 78
Reproduction forbidden without Telit Communications PLC written authorization – All Rights Reserved
Transmission Line Measurements
An HP8753E VNA (Full-2-port calibration) has been used in this measurement session.
A calibrated coaxial cable has been soldered at the pad corresponding to RF output; a SMA connector
has been soldered to the board in order to characterize the losses of the transmission line including
the connector itself. During Return Loss / impedance measurements, the transmission line has been
terminated to 50 Ω load.
Return Loss plot of line under test is shown below:
Line input impedance (in Smith Chart format, once the line has been terminated to 50 Ω load) is
shown in the following figure:

UE910 3G HARDWARE USER GUIDE 1vv0301171 Rev.3 • 2015-04-17 55 of 78
Reproduction forbidden without Telit Communications PLC written authorization – All Rights Reserved
Insertion Loss of G-CPW line plus SMA connector is shown below:

UE910 3G HARDWARE USER GUIDE 1vv0301171 Rev.3 • 2015-04-17 56 of 78
Reproduction forbidden without Telit Communications PLC written authorization – All Rights Reserved
Antenna Installation Guidelines
Install the antenna in a place covered by the WCDMA signal.
If the device antenna is located farther than 20cm from the human body and there are no co-located
transmitter then the Telit FCC/IC approvals can be re-used by the end product.
If the device antenna is located closer than 20cm from the human body or there are co-located
transmitter then the additional FCC/IC testing may be required for the end product (Telit FCC/IC
approvals cannot be reused).
Antenna shall not be installed inside metal cases.
Antenna shall be installed also according to antenna manufacturer instructions.

UE910 3G HARDWARE USER GUIDE 1vv0301171 Rev.3 • 2015-04-17 57 of 78
Reproduction forbidden without Telit Communications PLC written authorization – All Rights Reserved
7 AUDIO SECTION
7.1 Overview
The UE910 is provided by two main Audio interfaces:
Analog Audio Path
Digital Audio Path
NOTE:
The two Paths could not be used in parallel; If the Analog Voice lines are
selected, the DVI interface is disabled and Vice versa.
7.2 Analog Voice Interface
The Base Band Chip of the UE910 provides one differential input for audio to be transmitted (Uplink)
and a balanced BTL output for audio to be received (downlink).
The Signals are available on the following Pads:
PAD
Signal
I/O
Function
B2
EAR+
O
Analog Voice Interface (EAR+)
B3
EAR-
O
Analog Voice Interface (EAR-)
B4
MIC+
I
Analog Voice Interface (MIC+)
B5
MIC-
I
Analog Voice Interface (MIC-)

UE910 3G HARDWARE USER GUIDE 1vv0301171 Rev.3 • 2015-04-17 58 of 78
Reproduction forbidden without Telit Communications PLC written authorization – All Rights Reserved
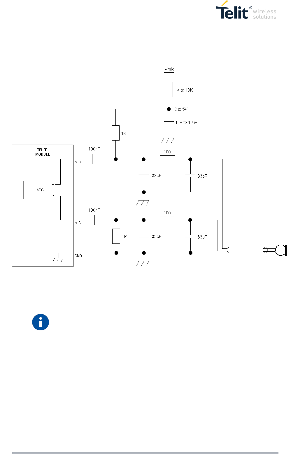
MIC connection
The bias for the microphone has to be as clean as possible; the first connection (single ended) is
preferable since the Vmic noise and ground noise are fed into the input as common mode and then
rejected. This sounds strange; usually the connection to use in order to reject the common mode is the
balanced one. In this situation we have to recall that the microphone is a sound to current transducer,
so the resistor is the current to tension transducer, so finally the resistor feeds the input in balanced
way even if the configuration, from a microphone point of view, seems to be un-balanced.
The following images show some connection examples:

UE910 3G HARDWARE USER GUIDE 1vv0301171 Rev.3 • 2015-04-17 59 of 78
Reproduction forbidden without Telit Communications PLC written authorization – All Rights Reserved
If a "balanced way" is anyway desired, much more care has to be taken to Vmic noise and ground
noise; also the 33pF-100Ohm-33pF RF-filter has to be doubled (one each wire).
NOTE:
Since the J-FET transistor inside the microphone acts as RF-detector-amplifier,
ask vendor for a microphone with anti-EMI capacitor (usually a 33pF or a 10pF
capacitor placed across the output terminals inside the case).

UE910 3G HARDWARE USER GUIDE 1vv0301171 Rev.3 • 2015-04-17 60 of 78
Reproduction forbidden without Telit Communications PLC written authorization – All Rights Reserved
LINE IN Connection
If the audio source is not a mike but a different device, the following connections can be done.
Place 100nF capacitor in series with both inputs, so the DC current is blocked.
Place the 33pF-100Ohm-33pF RF-filter, in order to prevent some EMI field to get into the high
impedance high gain MIC inputs.
Since the input is differential, the common mode voltage noise between the two (different) ground is
rejected, provided that both MIC+ & MIC- are connected directly onto the source.

UE910 3G HARDWARE USER GUIDE 1vv0301171 Rev.3 • 2015-04-17 61 of 78
Reproduction forbidden without Telit Communications PLC written authorization – All Rights Reserved
EAR Connection
The audio output of the UE910 is balanced, this is helpful to double the level and to reject common
mode (click and pop are common mode and therefore rejected).
These outputs can drive directly a small loudspeaker with electrical impedance not lower than 16
Ohm.
NOTE:
In order to get the maximum audio level at a given output voltage level
(dBspl/Vrms), the following breaking through procedure can be used. Have the
loudspeaker as close as you can to the listener (this simplify also the echo
cancelling); choose the loudspeaker with the higher sensitivity (dBspl per W);
choose loudspeakers with the impedance close to the limit, in order to feed
more power inside the transducer (it increases the W/Vrms ratio). If this were
not enough, an external amplifier should be used.

UE910 3G HARDWARE USER GUIDE 1vv0301171 Rev.3 • 2015-04-17 62 of 78
Reproduction forbidden without Telit Communications PLC written authorization – All Rights Reserved
7.3 Digital Voice Interface
The UE910 Module is provided by one DVI digital voice interface.
The Signals are available on the following Pads:
PAD
Signal
I/O
Function
B9
DVI_WA0
I/O
Digital Voice Interface (Word Alignment / LRCLK)
B6
DVI_RX
I
Digital Voice Interface (RX)
B7
DVI_TX
O
Digital Voice Interface (TX)
B8
DVI_CLK
I/O
Digital Voice Interface (BCLK)
CODEC Examples
Please refer to the Digital Audio Application note.

UE910 3G HARDWARE USER GUIDE 1vv0301171 Rev.3 • 2015-04-17 63 of 78
Reproduction forbidden without Telit Communications PLC written authorization – All Rights Reserved
8 MECHANICAL DESIGN
8.1 Drawing
Dimensions in mm
PIN B1
Lead Free Alloy:
Surface Finishing Ni/Au for all solder pads

UE910 3G HARDWARE USER GUIDE 1vv0301171 Rev.3 • 2015-04-17 64 of 78
Reproduction forbidden without Telit Communications PLC written authorization – All Rights Reserved
9 APPLICATION DESIGN
The UE910 modules have been designed in order to be compliant with a standard lead-free SMT
process.
9.1 Footprint
TOP VIEW
In order to easily rework the UE910 is suggested to consider on the application a 1.5 mm placement
inhibit area around the module.
It is also suggested, as common rule for an SMT component, to avoid having a mechanical part of the
application in direct contact with the module.
NOTE:
In the customer application, the region under WIRING INHIBIT (see figure
above) must be clear from signal or ground paths.

UE910 3G HARDWARE USER GUIDE 1vv0301171 Rev.3 • 2015-04-17 65 of 78
Reproduction forbidden without Telit Communications PLC written authorization – All Rights Reserved
9.2 PCB pad design
Non solder mask defined (NSMD) type is recommended for the solder pads on the PCB.
9.3 PCB pad dimensions
The recommendation for the PCB pads dimensions are described in the following image (dimensions
in mm)
Solder resist openings
PCB
Copper Pad
Solder Mask
SMD
(Solder Mask Defined)
NSMD
(Non Solder Mask Defined)

UE910 3G HARDWARE USER GUIDE 1vv0301171 Rev.3 • 2015-04-17 66 of 78
Reproduction forbidden without Telit Communications PLC written authorization – All Rights Reserved
It is not recommended to place via or micro-via not covered by solder resist in an area of 0,3 mm
around the pads unless it carries the same signal of the pad itself
(see following figure).
Holes in pad are allowed only for blind holes and not for through holes.
Recommendations for PCB pad surfaces:
Finish
Layer Thickness (um)
Properties
Electro-less Ni / Immersion Au
3 –7 / 0.05 – 0.15
good solder ability protection,
high shear force values
The PCB must be able to resist the higher temperatures which are occurring at the lead-free process.
This issue should be discussed with the PCB-supplier. Generally, the wettability of tin-lead solder
paste on the described surface plating is better compared to lead-free solder paste.
It is not necessary to panel the application’s PCB, however in that case it is suggested to use milled
contours and predrilled board breakouts; scoring or v-cut solutions are not recommended.
Inhibit area for micro-via

UE910 3G HARDWARE USER GUIDE 1vv0301171 Rev.3 • 2015-04-17 67 of 78
Reproduction forbidden without Telit Communications PLC written authorization – All Rights Reserved
9.4 Stencil
Stencil’s apertures layout can be the same of the recommended footprint (1:1), we suggest a
thickness of stencil foil ≥ 120 µm.
9.5 Solder paste
Item
Lead Free
Solder Paste
Sn/Ag/Cu
We recommend using only “no clean” solder paste in order to avoid the cleaning of the modules after
assembly.
9.6 Solder reflow
Recommended solder reflow profile:

UE910 3G HARDWARE USER GUIDE 1vv0301171 Rev.3 • 2015-04-17 68 of 78
Reproduction forbidden without Telit Communications PLC written authorization – All Rights Reserved
Profile Feature
Pb-Free Assembly
Average ramp-up rate (TL to TP)
3°C/second max
Preheat
– Temperature Min (Tsmin)
– Temperature Max (Tsmax)
– Time (min to max) (ts)
150°C
200°C
60-180 seconds
Tsmax to TL
– Ramp-up Rate
3°C/second max
Time maintained above:
– Temperature (TL)
– Time (tL)
217°C
60-150 seconds
Peak Temperature (Tp)
245 +0/-5°C
Time within 5°C of actual Peak
Temperature (tp)
10-30 seconds
Ramp-down Rate
6°C/second max.
Time 25°C to Peak Temperature
8 minutes max.
NOTE:
All temperatures refer to topside of the package, measured on the package
body surface
WARNING:
The UE910 module withstands one reflow process only.

UE910 3G HARDWARE USER GUIDE 1vv0301171 Rev.3 • 2015-04-17 69 of 78
Reproduction forbidden without Telit Communications PLC written authorization – All Rights Reserved
10 PACKAGING
10.1 Tray
The UE910 modules are packaged on trays of 36 pieces each. These trays can be used in SMT
processes for pick & place handling.

UE910 3G HARDWARE USER GUIDE 1vv0301171 Rev.3 • 2015-04-17 70 of 78
Reproduction forbidden without Telit Communications PLC written authorization – All Rights Reserved
10.2 Reel
The UE910 can be packaged on reels of 200 pieces each.
See figure for module positioning into the carrier.
Carrier Tape Detail

UE910 3G HARDWARE USER GUIDE 1vv0301171 Rev.3 • 2015-04-17 71 of 78
Reproduction forbidden without Telit Communications PLC written authorization – All Rights Reserved
Reel Detail

UE910 3G HARDWARE USER GUIDE 1vv0301171 Rev.3 • 2015-04-17 72 of 78
Reproduction forbidden without Telit Communications PLC written authorization – All Rights Reserved
Reel Box Detail
10.3 Moisture sensitivity
The UE910 is a Moisture Sensitive Device level 3, in according with standard IPC/JEDEC J-STD-020,
take care all the relatives requirements for using this kind of components.
Moreover, the customer has to take care of the following conditions:
a) Calculated shelf life in sealed bag: 12 months at <40°C and <90% relative humidity (RH).
b) Environmental condition during the production: 30°C / 60% RH according to IPC/JEDEC J-STD-
033A paragraph 5.
c) The maximum time between the opening of the sealed bag and the reflow process must be 168
hours if condition b) “IPC/JEDEC J-STD-033A paragraph 5.2” is respected
d) Baking is required if conditions b) or c) are not respected
e) Baking is required if the humidity indicator inside the bag indicates 10% RH
or more

UE910 3G HARDWARE USER GUIDE 1vv0301171 Rev.3 • 2015-04-17 73 of 78
Reproduction forbidden without Telit Communications PLC written authorization – All Rights Reserved
11 SAFETY
RECOMMANDATIONS
READ CAREFULLY
Be sure the use of this product is allowed in the country and in the environment required. The use of
this product may be dangerous and has to be avoided in the following areas:
Where it can interfere with other electronic devices in environments such as hospitals, airports,
aircrafts, etc
Where there is risk of explosion such as gasoline stations, oil refineries, etc
It is responsibility of the user to enforce the country regulation and the specific environment regulation.
Do not disassemble the product; any mark of tampering will compromise the warranty validity.
We recommend following the instructions of the hardware user guides for a correct wiring of the
product. The product has to be supplied with a stabilized voltage source and the wiring has to be
conforming to the security and fire prevention regulations.
The product has to be handled with care, avoiding any contact with the pins because electrostatic
discharges may damage the product itself. Same cautions have to be taken for the SIM, checking
carefully the instruction for its use. Do not insert or remove the SIM when the product is in power
saving mode.
The system integrator is responsible of the functioning of the final product; therefore, care has to be
taken to the external components of the module, as well as of any project or installation issue,
because the risk of disturbing the GSM network or external devices or having impact on the security.
Should there be any doubt, please refer to the technical documentation and the regulations in force.
Every module has to be equipped with a proper antenna with specific characteristics. The antenna has
to be installed with care in order to avoid any interference with other electronic devices and has to
guarantee a minimum distance from the body (20 cm). In case of this requirement cannot be satisfied,
the system integrator has to assess the final product against the SAR regulation.
The European Community provides some Directives for the electronic equipments introduced on the
market. All the relevant information’s are available on the European Community website:
http://europa.eu.int/comm/enterprise/rtte/dir99-5.htm
The text of the Directive 99/05 regarding telecommunication equipments is available, while the
applicable Directives (Low Voltage and EMC) are available at:
http://europa.eu.int/comm/enterprise/electr_equipment/index_en.htm

UE910 3G HARDWARE USER GUIDE 1vv0301171 Rev.3 • 2015-04-17 74 of 78
Reproduction forbidden without Telit Communications PLC written authorization – All Rights Reserved
12 FCC/IC REGULATORY
NOTICES
Modification statement
Telit has not approved any changes or modifications to this device by the user. Any changes or
modifications could void the user’s authority to operate the equipment.
Telit n’approuve aucune modification apportée à l’appareil par l’utilisateur, quelle qu’en soit la nature.
Tout changement ou modification peuvent annuler le droit d’utilisation de l’appareil par l’utilisateur.
Interference statement
This device complies with Part 15 of the FCC Rules and Industry Canada licence-exempt RSS
standard(s). Operation is subject to the following two conditions: (1) this device may not cause
interference, and (2) this device must accept any interference, including interference that may cause
undesired operation of the device.
Le présent appareil est conforme aux CNR d'Industrie Canada applicables aux appareils radio
exempts de licence. L'exploitation est autorisée aux deux conditions suivantes : (1) l'appareil ne doit
pas produire de brouillage, et (2) l'utilisateur de l'appareil doit accepter tout brouillage radioélectrique
subi, même si le brouillage est susceptible d'en compromettre le fonctionnement.
Wireless notice
This equipment complies with FCC and IC radiation exposure limits set forth for an uncontrolled
environment. The antenna should be installed and operated with minimum distance of 20 cm between
the radiator and your body. Antenna gain must be below:
Frequency Band
Gain
Band II (1900 MHz)
9.01 dBi
Band V (850 MHz)
7.76 dBd
This transmitter must not be co-located or operating in conjunction with any other antenna or
transmitter.

UE910 3G HARDWARE USER GUIDE 1vv0301171 Rev.3 • 2015-04-17 75 of 78
Reproduction forbidden without Telit Communications PLC written authorization – All Rights Reserved
Cet appareil est conforme aux limites d'exposition aux rayonnements de la IC pour un environnement
non contrôlé. L'antenne doit être installé de façon à garder une distance minimale de 20 centimètres
entre la source de rayonnements et votre corps. Gain de l'antenne doit être ci-dessous:
Bande de fréquence
Gain
Band II (1900 MHz)
9.01 dBi
Band V (850 MHz)
7.76 dBd
L'émetteur ne doit pas être colocalisé ni fonctionner conjointement avec à autre antenne ou autre
émetteur.
FCC Class B digital device notice
This equipment has been tested and found to comply with the limits for a Class B digital device,
pursuant to part 15 of the FCC Rules. These limits are designed to provide reasonable protection
against harmful interference in a residential installation. This equipment generates, uses and can
radiate radio frequency energy and, if not installed and used in accordance with the instructions, may
cause harmful interference to radio communications. However, there is no guarantee that interference
will not occur in a particular installation. If this equipment does cause harmful interference to radio or
television reception, which can be determined by turning the equipment off and on, the user is
encouraged to try to correct the interference by one or more of the following measures:
Reorient or relocate the receiving antenna.
Increase the separation between the equipment and receiver.
Connect the equipment into an outlet on a circuit different from that to which the receiver is connected.
Consult the dealer or an experienced radio/TV technician for help.
Labelling Requirements for the Host device
The host device shall be properly labelled to identify the modules within the host device. The
certification label of the module shall be clearly visible at all times when installed in the host device,
otherwise the host device must be labelled to display the FCC ID and IC of the module, preceded by
the words "Contains transmitter module", or the word "Contains", or similar wording expressing the
same meaning, as follows:
Contains FCC ID: RI7UE910N3
Contains IC: 5131A-UE910N3

UE910 3G HARDWARE USER GUIDE 1vv0301171 Rev.3 • 2015-04-17 76 of 78
Reproduction forbidden without Telit Communications PLC written authorization – All Rights Reserved
L'appareil hôte doit être étiqueté comme il faut pour permettre l'identification des modules qui s'y
trouvent. L'étiquette de certification du module donné doit être posée sur l'appareil hôte à un endroit
bien en vue en tout temps. En l'absence d'étiquette, l'appareil hôte doit porter une étiquette donnant le
FCC ID et le IC du module, précédé des mots « Contient un module d'émission », du mot « Contient »
ou d'une formulation similaire exprimant le même sens, comme suit :
Contains FCC ID: RI7UE910N3
Contains IC: 5131A-UE910N3
CAN ICES-3 (B) / NMB-3 (B)
This Class B digital apparatus complies with Canadian ICES-003.
Cet appareil numérique de classe B est conforme à la norme canadienne ICES-003.

UE910 3G HARDWARE USER GUIDE 1vv0301171 Rev.3 • 2015-04-17 77 of 78
Reproduction forbidden without Telit Communications PLC written authorization – All Rights Reserved
13 DOCUMENT HISTORY
13.1 Revisions
Revision
Date
Changes
0
2014-10-01
Preliminary Version
1
2015-01-08
Updated document format
2
2015-03-31
Added RX Sensitivity
Added Third Party Rights
Added FCC/IC Regulatory Notices
Safety Recommendations
Updated Tray Packaging
Updated Chapter 4.2
3
2015-04-17
Updated Chapter 12
