Trane Series R Helical Rotary Rtac Installation And Maintenance Manual SVX01M EN (01/2015)
2015-04-02
: Trane Trane-Series-R-Helical-Rotary--Rtac-Installation-And-Maintenance-Manual-684182 trane-series-r-helical-rotary--rtac-installation-and-maintenance-manual-684182 trane pdf
Open the PDF directly: View PDF
.
Page Count: 130 [warning: Documents this large are best viewed by clicking the View PDF Link!]
- Introduction
- Table of Contents
- Model Number Description
- Model Number Descriptions
- General Data
- Pre-installation
- Dimensions and Weights
- Installation - Mechanical
- Installation - Mechanical Remote Evaporator Option
- Installation - Electrical
- Operating Principles
- Controls Interface
- Pre-Start Checkout
- Start-Up and Shutdown
- Maintenance
- Diagnostics
- Unit Wiring
- Log and Check Sheet

SAFETY WARNING
Only qualified personnel should install and service the equipment. The installation, starting up, and servicing
of heating, ventilating, and air-conditioning equipment can be hazardous and requires specific knowledge and
training. Improperly installed, adjusted or altered equipment by an unqualified person could result in death or
serious injury. When working on the equipment, observe all precautions in the literature and on the tags,
stickers, and labels that are attached to the equipment.
Series R®Air-Cooled
Helical Rotary Liquid Chillers
Installation, Operation,
and Maintenance
RTAC-SVX01M-EN
January 2015

© 2015Trane All rights reserved RTAC-SVX01M-EN
Introduction
Read this manual thoroughly before operating or servicing
this unit.
Warnings, Cautions, and Notices
Safety advisories appear throughout this manual as
required.Your personal safety and the proper operation of
this machine depend upon the strict observance of these
precautions.
Important Environmental Concerns
Scientific research has shown that certain man-made
chemicals can affect the earth’s naturally occurring
stratospheric ozone layer when released to the
atmosphere. In particular, several of the identified
chemicals that may affect the ozone layer are refrigerants
that contain Chlorine, Fluorine and Carbon (CFCs) and
those containing Hydrogen, Chlorine, Fluorine and
Carbon (HCFCs). Not all refrigerants containing these
compounds have the same potential impact to the
environment.Trane advocates the responsible handling of
all refrigerants-including industry replacements for CFCs
such as HCFCs and HFCs.
Important Responsible Refrigerant
Practices
Trane believes that responsible refrigerant practices are
important to the environment, our customers, and the air
conditioning industry. All technicians who handle
refrigerants must be certified.The Federal Clean Air Act
(Section 608) sets forth the requirements for handling,
reclaiming, recovering and recycling of certain
refrigerants and the equipment that is used in these
service procedures. In addition, some states or
municipalities may have additional requirements that
must also be adhered to for responsible management of
refrigerants. Know the applicable laws and follow them.
The three types of advisories are defined as follows:
WARNING Indicates a potentially hazardous
situation which, if not avoided, could
result in death or serious injury.
CAUTIONsIndicates a potentially hazardous
situation which, if not avoided, could
result in minor or moderate injury. It
could also be used to alert against
unsafe practices.
NOTICE Indicates a situation that could result in
equipment or property-damage only
accidents.
WARNING
Proper Field Wiring and Grounding
Required!
Failure to follow code could result in death or serious
injury. All field wiring MUST be performed by qualified
personnel. Improperly installed and grounded field
wiring poses FIRE and ELECTROCUTION hazards.To
avoid these hazards, you MUST follow requirements for
field wiring installation and grounding as described in
NEC and your local/state electrical codes.
WARNING
Personal Protective Equipment (PPE)
Required!
Installing/servicing this unit could result in exposure to
electrical, mechanical and chemical hazards.
• Before installing/servicing this unit, technicians
MUST put on all PPE required for the work being
undertaken (Examples; cut resistant gloves/sleeves,
butyl gloves, safety glasses, hard hat/bump cap, fall
protection, electrical PPE and arc flash clothing).
ALWAYS refer to appropriate Material Safety Data
Sheets (MSDS)/Safety Data Sheets (SDS) and OSHA
guidelines for proper PPE.
• When working with or around hazardous chemicals,
ALWAYS refer to the appropriate MSDS/SDS and
OSHA/GHS (Global Harmonized System of
Classification and Labelling of Chemicals) guidelines
for information on allowable personal exposure
levels, proper respiratory protection and handling
instructions.
• If there is a risk of energized electrical contact, arc, or
flash, technicians MUST put on all PPE in accordance
with OSHA, NFPA 70E, or other country-specific
requirements for arc flash protection, PRIOR to
servicing the unit. NEVER PERFORM ANY
SWITCHING, DISCONNECTING, OR VOLTAGE
TESTING WITHOUT PROPER ELECTRICAL PPE AND
ARC FLASH CLOTHING. ENSURE ELECTRICAL
METERS AND EQUIPMENT ARE PROPERLY RATED
FOR INTENDED VOLTAGE.
Failure to follow instructions could result in death or
serious injury.

Introduction
RTAC-SVX01M-EN 3
Factory Warranty Information
Compliance with the following is required to preserve the
factory warranty:
All Unit Installations
Startup MUST be performed byTrane, or an authorized
agent ofTrane, to VALIDATE this WARRANTY. Contractor
must provide a two-week startup notification toTrane (or
an agent ofTrane specifically authorized to perform
startup).
Copyright
This document and the information in it are the property of
Trane, and may not be used or reproduced in whole or in
part without written permission.Trane reserves the right
to revise this publication at any time, and to make changes
to its content without obligation to notify any person of
such revision or change.
Trademarks
All trademarks referenced in this document are the
trademarks of their respective owners.
Revision History
RTAC-SVX01M-EN (30 Jan 2015)
• Correction to Model Number digit 5-7.
• Addition of seismic isolator option.
• Removal of duplicated information found in other
locations (nameplate, catalog, submittal).
• Removal of detailed communication system
information found in controls documents.

4 RTAC-SVX01M-EN
Table of Contents
Introduction ............................. 2
Table of Contents ........................ 4
Model Number Description ............... 6
Outdoor Unit Nameplate ............... 6
Compressor Nameplate ................ 6
Unit Model Number .................... 7
Compressor Model Number ............ 8
Compressor Serial Number ............. 8
General Data ............................ 9
Unit Description ....................... 9
Accessory/Option Information ........... 9
Isolator Shipping Location ............. 9
Pre-installation ......................... 20
Unit Inspection ..................... 20
Inspection Checklist ................. 20
Storage ........................... 20
Installation Responsibilities ........... 20
General ............................. 20
Dimensions and Weights ................ 21
Dimensions .......................... 21
Clearances ........................... 21
Weights ............................. 24
Non-Seismically Rated Units .......... 24
Seismically Rated Unit Weights ....... 26
Remote Evaporator Unit Weights ...... 27
Installation - Mechanical ................ 28
Location Requirements ................ 28
Noise Considerations ................ 28
Foundation ........................ 28
Clearances ......................... 28
Rigging .............................. 28
Lifting Procedure ................... 28
Isolation and Sound Emission .......... 34
Mounting and Leveling ................ 34
Unit Isolation ........................ 34
Elastomeric Isolators
(Optional for units without seismic rating) 34
Unit Isolation for Seismically Rated Units 35
Isolator Selection and Mounting
Locations ...........................37
Drainage .............................47
Evaporator Water Piping ...............47
Entering Chilled Water Piping ..........48
Leaving Chilled Water Piping ..........48
Evaporator Drain ....................48
Evaporator Flow Switch ..............48
Water Pressure Gauges ................52
Water Pressure Relief Valves ............52
Freeze Avoidance ......................53
Low Evaporator Refrigerant Cutout, Glycol
Recommendations .....................54
Procedure ..........................54
Specials ............................54
Installation - Mechanical
Remote Evaporator Option ...............56
System Configuration and Interconnecting
Refrigerant Piping .....................56
Line Sizing ............................60
Liquid Line Sizing Steps ..............60
Suction Line Sizing Steps .............61
Suction Accumulator Sizing ...........61
Piping Installation Procedures ...........62
Refrigerant Sensors ....................62
Refrigerant Pressure Relief Valve Venting .62
Leak Test and Evacuation ...............63
Refrigerant and Additional Oil Charge ....64
Refrigerant Charge Determination ......64
Oil Charge Determination .............64
Installation - Electrical ....................65
General Recommendations .............65
Installer-Supplied Components ..........66
Power Supply Wiring .................66
Control Power Supply ..................67
Heater Power Supply and Convenience
Outlet (Packaged Units Only) ..........67
Interconnecting Wiring .................68
Chilled Water Pump Control ...........68
Alarm and Status Relay Outputs

Table of Contents
RTAC-SVX01M-EN 5
(Programmable Relays) ............... 68
Relay Assignments Using TechView .... 69
Low Voltage Wiring ................... 69
Emergency Stop .................... 69
External Auto/Stop .................. 70
External Circuit Lockout – Circuit #1 and #2
70
Ice Building Option .................. 70
External Chilled Water Setpoint
(ECWS) Option ..................... 70
External Current Limit Setpoint
(ECLS) Option ...................... 71
Chilled Water Reset (CWR) ........... 71
Communications Interface Options ..... 72
Tracer Communications Interface
Option ............................ 72
LonTalk™ Interface (LCI-C) ........... 72
Operating Principles .................... 73
Refrigeration Cycle ................... 73
Refrigerant R-134a .................... 73
Compressor .......................... 73
Condenser and Subcooler ............. 74
Expansion Valve ...................... 74
Evaporator ........................... 74
Oil System ........................... 74
Controls Interface ....................... 75
Overview ............................ 75
Controls Interface ..................... 75
DynaView Display .................... 75
Key Functions ...................... 75
Display Screens .................... 76
Modes Screen ...................... 77
Chiller Screen ...................... 81
Compressor Screen ................. 81
Refrigerant Screen .................. 81
Setpoint Screen .................... 82
Diagnostic Screen .................. 83
Power-Up ......................... 83
Display Formats ...................... 83
Units ............................. 83
Languages ......................... 83
TechView .............................83
Unit View ..........................85
Compressor Service View .............85
Status View .........................85
Setpoint View .......................85
Diagnostics View ....................86
Configuration View ..................86
Software View ......................89
Binding View .......................89
Replacing or Adding Devices ..........89
Pre-Start Checkout .......................92
Start-Up and Shutdown ..................93
Unit Start-Up .........................93
Temporary Shutdown and Restart .......94
Extended Shutdown Procedure ..........94
Seasonal Unit Start-Up Procedure .......95
System Restart After Extended Shutdown 95
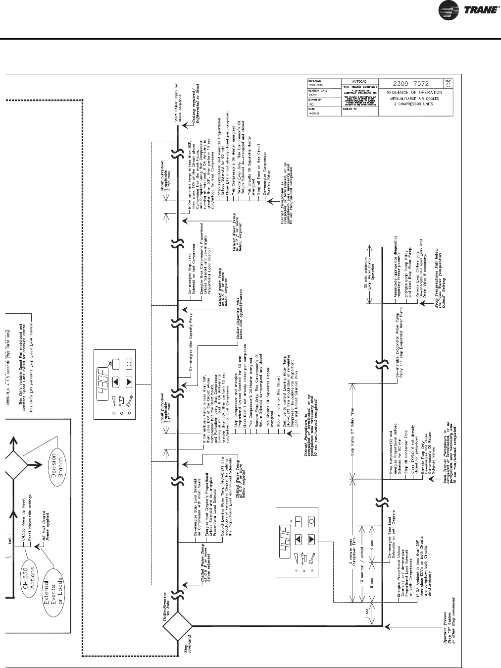
Sequence of Operation .................96
Maintenance ...........................100
Weekly ..............................100
Monthly .............................100
Annual ..............................100
Refrigerant and Oil Charge Management 100
Lubrication System ...................101
Oil Sump Level Check ...............101
Condenser Maintenance ...............101
Condenser Coil Cleaning .............101
Travel Restraint ......................102
Diagnostics ............................103
Legend to Diagnostics Table ...........103
Starter Diagnostics ...................103
Main Processor Diagnostics ............108
Communication Diagnostics ...........116
Main Processor Boot Messages
and Diagnostics ......................121
Unit Wiring ............................122
Log and Check Sheet ...................124

6 RTAC-SVX01M-EN
Model Number Description
Nameplates
The RTAC outdoor unit nameplates are applied to the
exterior of the Control Panel. A compressor nameplate is
located on each compressor. When the unit arrives, if unit
is not covered with a tarp, compare all nameplate data with
ordering, submittal, and shipping information.
Outdoor Unit Nameplate
See Figure 1, p. 6 for a typical unit nameplate.The outdoor
unit nameplate provides the following information:
• Unit model and size description.
• Unit serial number.
• Identifies unit electrical requirements.
• Lists correct operating charges of R-134a and
refrigerant oil (Trane OIL00048).
• Lists unit test pressures.
• Identifies installation, operation and maintenance and
service data literature (Pueblo).
• Lists drawing numbers for unit wiring diagrams
(Pueblo).
Model Number Coding System
The model numbers for the unit and the compressor are
composed of numbers and letters that represent features
of the equipment. Shown in the following table is a sample
of typical unit model number and the coding system for
each.
Each position, or group of positions, in the model number
is used to represent a feature. For example, in the first
table, position 08 of the unit model number, Unit Voltage,
contains the number“4”.A 4 in this position means that the
unit voltage is 460/60/3.
Unit Model Number. An example of a typical unit
model number (M/N) is:
RTAC 350A UA0N NAFN N1NX 1TEN NN0N N01N
Model number digits are selected and assigned in
accordance with the definitions as listed in “Unit Model
Number,” p. 7.
Compressor Nameplate
The compressor nameplate provides following
information:
• Compressor model number. See “Compressor Model
Number,” p. 8.
• Compressor serial number. See“Compressor Serial
Number,” p. 8.
• Compressor electrical characteristics.
• Utilization range.
• Recommended refrigerant.
Figure 1. Typical unit nameplate

RTAC-SVX01M-EN 7
Model Number Descriptions
Unit Model Number
Digits 1, 2 - Unit Model
RT = Rotary chiller
Digit 3 - Unit Type
A = Air-cooled
Digit4-Development Sequence
C = Development sequence
Digits 5,6&7-Nominal
Capacity
120 = 120 Nominal tons
130 = 130 Nominal tons
140 = 140 Nominal tons
155 = 155 Nominal tons
170 = 170 Nominal tons
185 = 185 Nominal tons
200 = 200 Nominal tons
225 = 225 Nominal tons
250 = 250 Nominal tons
275 = 275 Nominal tons
300 = 300 Nominal tons
350 = 350 Nominal tons
375 = 375 Nominal tons
400 = 400 Nominal tons
450 = 450 Nominal tons
500 = 500 Nominal tons
Digit 8 - Unit Voltage
A = 200/60/3
C = 230/60/3
J = 380/60/3
D = 400/50/3
4 = 460/60/3
5 = 575/60/3
Digit 9 - Manufacturing
Location
U = Water Chiller Business Unit,
Pueblo, CO USA
Digits 10, 11 - Design Sequence
XX = Factory Input
Digit 12 - Unit Basic
Configuration
N = Standard efficiency/performance
H = High efficiency/performance
A = Extra efficiency/performance
Digit 13 - Agency Listing
N = No agency listing
U = C/UL listing
S = Seismic rated - IBC and OSHPD
R = C/UL listed and seismic rated
Digit 14 - Pressure Vessel Code
A = ASME pressure vessel code
C = Canadian code
D = Australian code
L = Chinese code
Digit 15 - Evaporator
Application
F = Standard (40-60 F) leaving temp
G = Low (Less than 40 F) leaving
temp
R = Remote (40-60 F) leaving temp
Digit 16 - Evaporator
Configuration
N = 2 pass, 0.75” insulation
P = 3 pass, 0.75” insulation
Q = 2 pass, 1.25” insulation
R = 3 pass, 1.25” insulation
Digit 17 - Condenser
Application
N = Standard ambient (25-115°F)
H = High ambient (25-125°F)
L = Low ambient (0-115°F)
W = Wide ambient (0-125°F)
Digit 18 - Condenser Fin
Material
1 = Standard aluminum slit fins
2 = Copper fins
4 = CompleteCoat™ epoxy coated
fins
Digit 19 - Condenser Fan/Motor
Configuration
T = STD fans withTEAO motors
W = Low noise fans
Digit 20 - Compressor Motor
Starter Type
X = Across-the-line
Y = Wye-delta closed transition
Digit 21 - Incoming Power Line
Connection
1 = Single point power connection
2 = Dual point power connection
Digit 22 - Power Line
Connection Type
T = Terminal block connection
D = Non-fused disconnect switch(es)
C = Circuit breaker(s)
Digit 23 - Unit Operator
Interface
D = DynaView operator interface
Digit 24 - Remote Operator
Interface
N = No remote interface
C = Tracer™ Comm 3 interface
B = BACnet®interface
L = LonTalk®compatible (LCI-C)
interface
Digit 25 - Control Input
Accessories/Options
N = No remote inputs
R = Ext. evaporator leaving water
setpoint
C = Ext. current limit setpoint
B = Ext. leaving water and current
limit setpoint
Digit 26 - Control Output
Accessories/Options
N = No output options
A = Alarm relay outputs
C = Ice making I/O
D = Alarm relay outputs and ice
making I/O
Digit 27 - Electrical Protection
Options
0 = No short circuit rating
5 = Default short circuit rating
6 = High amp short circuit rating
Digit 28 - Flow Switch
T = Factory installed flow switch -
water
U = Factory installed flow switch
glycol
Digit 29 - Control Panel
Accessories
N = No convenience outlet
A = 15A 115V convenience outlet
(60Hz)
Digit 30 - Service Valves
1 = With suction service valves
Digit 31 - Compressor Sound
Attenuation Option
0 = No compressor sound
attenuation
1 = Factory installed compressor
sound attenuation
Digit 32 - Appearance Options
N = No appearance options
A = Architectural louvered panels
C = Half louvers
Digit 33 - Installation
Accessories
N = No installation accessories
F = Flange kit for water connections
R = Neoprene in shear unit isolators
G = Neoprene isolators and flange kit
E = Seismic elastomeric isolation
pads
S = Seismic spring isolators

Model Number Descriptions
8 RTAC-SVX01M-EN
Digit 34 - Factory Testing
Options
0 = Standard functional test
C = Customer-witnessed
performance
test with report
C = Customer-witnessed
performance
test plus Rapid Restart test
E = Non-witnessed performance test
with report
Digit 35 — Control, Label &
Literature
C = Spanish
E = English
F = French
Digit 36 — Special Order
X = Standard unit configuration
S = Unit has special order feature
Digit 37 — Safety Devices
N = Standard
Compressor Model
Number
Digits 1-3 — Compressor Family
CHH= Positive displacement,
refrigerant, helical rotary,
hermetic compressor
Digit 4— Compressor Type
T = GP2+
Digit 5
0 = All compressors
Digit 6 — Frame Size
K = K Frame
L = L Frame
M = M Frame
N = N Frame
Digit 7 — Compressor Capacity
3 = GP2+ Smaller capacity (minor)
4 = GP2+ Larger capacity (major)
Compressor Serial
Number
Digits 1-2 — Year
YY = Last two digits of year of
manufacture
Digits 3-4 — Week
WW= Week of build, from 00 to 52
Digit 5 — Day
1 = Monday
2 = Tuesday
3 = Wednesday
4 = Thursday
5 = Friday
6 = Saturday
7 = sunday
Digits 6-8 — Coded Time Stamp
TTT = Used to ensure uniqueness of
serial number
Digit 9 — Assembly Line
L = Varies with facility
Digit 10— Build Location
A = Monterrey

RTAC-SVX01M-EN 9
General Data
Unit Description
The 140 - 500 ton Model RTAC units are helical-rotary type,
air-cooled liquid chillers designed for installation
outdoors.The compressor circuits are completely
assembled, hermetic packages that are factory-piped,
wired, leak-tested, dehydrated, and tested for proper
control operation before shipment.
Chilled water inlet and outlet openings are covered for
shipment. Each compressor has a separate compressor
motor starter.The RTAC series featuresTrane’s exclusive
Adaptive Control ™ logic, which monitors the control
variables that govern the operation of the chiller unit.
Adaptive Control logic can adjust capacity variables to
avoid chiller shutdown when necessary, and keep
producing chilled water.The units feature two
independent refrigerant circuits. Compressor unloaders
are solenoid actuated and oil pressure operated. Each
refrigerant circuit is provided with filter, sight glass,
electronic expansion valve, and charging valves.The
shell-and-tube type evaporator is manufactured in
accordance with ASME standards or other international
codes. Each evaporator is fully insulated and is equipped
with water drain and vent connections. Packaged units
have heat tape protection to - 20°F (-28.9°C) as standard.
As an option, a convenience outlet can be supplied.
Note: Packaged units are factory charged with refrigerant
and oil.
Accessory/Option Information
Check all the accessories and loose parts which are
shipped with the unit against the shipping list. Included in
these items will be water vessel drain plugs, rigging and
electrical diagrams, and service literature, which are
placed inside the control panel and/or starter panel for
shipment.
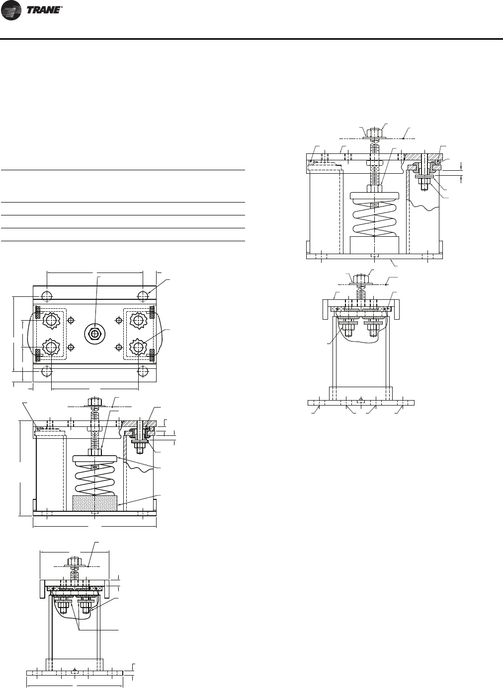
Isolator Shipping Location
If optional neoprene isolators (model number digit 33) are
ordered with unit, they are shipped mounted on the unit.
See Figure 3 and Figure 4.
Figure 2. Typical RTAC packaged unit and components
Figure 3. Isolator shipping locations 140-250T units
Figure 4. Isolator shipping locations 275-500T units
Neoprene Isolator Shipping Location
Neoprene Isolator Shipping Location

General Data
10 RTAC-SVX01M-EN
Table 1. General Data - 60 hz units - standard efficiency - IP
Size 140 155 170 185 200 225 250 275 300 350 400 450 500
Compressor Screw
Quantity # 2 2 2 2 2 2 2 3 33444
Nominal size
@60Hz (tons) 70/70 85/70 85/85 100/
85 100/
100 120/
100 120/
120 85-85/
100 100-100/
100 120-120/
100 100-100/
100-100 120-120/
100-100 120-120/
120-120
Evaporator Flooded
Water storage (gal) 29 32 34 36 40 39 43 62 67 72 83 86 91
2 pass arrangement
Min flow (gpm) 193 214 202 217 241 217 241 309 339 375 404 422 461
Max flow (gpm) 709 785 741 796 883 796 883 1134 1243 1374 1483 1548 1690
Water conn (NPS-in) 4 4 6 6 6 6 6 8 88888
3 pass arrangement
Min flow (gpm) 129 143 135 145 161 145 161 206 226 250 270 282 307
Max flow (gpm) 473 523 494 531 589 531 589 756 829 916 989 1032 1127
Water conn (NPS-in) 3.5 3.5 4 4 4 4 4 6 66888
Condenser Fin and tube
Qty of coils # 4 4 4 4 4 4 4 8 88888
Coil length (in) 156/
156 180/
156 180/
180 216/
180 216/
216 252/
216 252/
252 180/
108 216/108 252/108 216/216 252/216 252/252
Coil height (in) 42 42 42 42 42 42 42 42 42 42 42 42 42
(mm) 1067 1067 1067 1067 1067 1067 1067 1067 1067 1067 1067 1067 1067
# of rows # 3 3 3 3 3 3 3 3 33333
Fins per foot (fpf) 192 192 192 192 192 192 192 192 192 192 192 192 192
Fan Direct drive propeller
Quantity # 4/4 5/4 5/5 6/5 6/6 7/6 7/7 10/6 12/6 14/6 12/12 14/12 14/14
Diameter (in) 30.0 30.0 30.0 30.0 30.0 30.0 30.0 30.0 30.0 30.0 30.0 30.0 30.0
Air flow per fan (cfm) 9625 9394 9209 9209 9209 9210 9210 9209 9209 9208 9209 9210 9214
Power/motor (hp) 1.5 1.5 1.5 1.5 1.5 1.5 1.5 1.5 1.5 1.5 1.5 1.5 1.5
Fan speed (rpm) 1140 1140 1140 1140 1140 1140 1140 1140 1140 1140 1140 1140 1140
Tip speed (Ft/min) 8954 8954 8954 8954 8954 8954 8954 8954 8954 8954 8954 8954 8954
General Unit HFC-134a
# Refrig ckts # 2 2 2 2 2 2 2 2 22222
% min load % 15 15 15 15 15 15 15 15 15 15 15 15 15
Refrigerant charge (lb) 165/
165 175/
165 175/
175 215/
210 215/
215 225/
215 225/
225 365/
200 415/200 460/200 415/415 460/415 460/460
Oil charge (gal) 1.3/
1.3 1.3/
1.3 1.3/
1.3 1.9/
1.3 1.9/
1.9 1.9/
1.9 1.9/
1.9 4.2/1.9 4.6/2.9 4.6/1.9 4.6/4.6 4.6/4.6 4.6/4.6
Min ambient-std (°F) 25 25 25 25 25 25 25 25 25 25 25 25 25
Min ambient-low (°F) 0 0 0 0 0 0 0 0 00000
1. Data containing information on two circuits is shown as follows: ckt 1/ ckt 2.
2. Minimum start-up/operating ambient is based on a 5 mph wind across the condenser.
3. RTAC units must only operate with refrigerant R-134a and Trane Oil 00048.

General Data
RTAC-SVX01M-EN 11
Table 2. General Data - 60 hz units - high efficiency - IP
Size 140 155 170 185 200 225 250 275 300 350 400
Compressor Screw
Quantity # 22222223344
Nominal size
@60Hz (tons) 70/70 85/70 85/85 100/85 100/100 120/100 120/120
85-85/
100 100-100/
100 85-85/
85/85 100-100/
100-100
Evaporator Flooded
Water storage (gal) 34 36 40 39 43 43 43 72 72 83 91
2 pass arrangement
Min flow (gpm) 202 217 241 217 241 241 241 375 375 404 461
Max flow (gpm) 741 796 883 796 883 883 883 1374 1374 1483 1690
Water conn (NPS-in) 66666668888
3 pass arrangement
Min flow (gpm) 135 145 161 145 161 161 161 250 250 270 307
Max flow (gpm) 494 531 589 531 589 589 589 916 916 989 1127
Water conn (NPS-in) 44444446688
Condenser Fin and tube
Qty of coils # 44444888888
Coil length (in) 180/180 216/180 216/216 252/216 252/252 144/144 144/144 216/144 252/144 216/216 252/252
Coil height (in) 42 42 42 42 42 42 42 42 42 42 42
Number of rows # 33333333333
Fins per foot (fpf) 192 192 192 192 192 192 192 192 192 192 192
Fan Direct drive propeller
Quantity # 5/5 6/5 6/6 7/6 7/7 8/6 8/8 12/6 14/6 12/12 14/14
Diameter (in) 30 30 30 30 30 30 30 30 30 30 30
Air flow/fan (cfm) 9199 9199 9199 9200 9201 9783 9203 9652 9605 9199 9201
Power/motor (hp) 1.5 1.5 1.5 1.5 1.5 1.5 1.5 1.5 1.5 1.5 1.5
Fan speed (rpm) 1140 1140 1140 1140 1140 1140 1140 1140 1140 1140 1140
Tip speed (Ft/Min) 8954 8954 8954 8954 8954 8954 8954 8954 8954 8954 8954
General unit HFC-134a
# Refrig ckts # 22222222222
% min load % 15 15 15 15 15 15 15 15 15 15 15
Refrigerant charge (lb) 175/175 215/205 215/215 225/215 225/225 235/235 235/235 415/200 460/200 415/415 460/460
Oil charge (gal) 1.3/1.3 1.3/1.3 1.3/1.3 1.9/1.3 1.9/1.9 1.9/1.9 1.9/1.9 2.1-2.1/
1.9 2.3-2.3/
1.9 2.1-2.1/
2.1-2.1 2.3-2.3/
2.3-2.3
Min ambient-std (°F) 25 25 25 25 25 25 25 25 25 25 25
Min ambient-low (°F) 00000000000
1. Data containing information on two circuits is shown as follows: ckt 1/ ckt 2.
2. Minimum start-up/operating ambient is based on a 5 mph wind across the condenser.
3. RTAC units must only operate with refrigerant R-134a and Trane Oil 00048.

General Data
12 RTAC-SVX01M-EN
Table 3. General Data - 60 hz units - extra efficiency - IP
Size 140 155 170 185 200 250 275 300 350
Compressor Screw
Quantity # 2 2 2 2 2 3 3 4 4
Nominal size
@60Hz (tons) 70/70 85/70 85/85 100/85 100/100 70-70/85 85-85/85 70-70/
70-70 85-85/
85-85
Evaporator Flooded
Water storage (gal) 40 39 43 43 43 72 72 83 91
2 pass arrangement
Min flow (gpm) 241 217 241 241 241 375 375 404 461
Max flow (gpm) 883 796 883 883 883 1374 1374 1483 1690
Water conn (NPS-in) 6 6 6 6 6 8 8 8 8
3 pass arrangement
Min flow (gpm) 161 145 161 161 161 250 250 270 307
Max flow (gpm) 589 531 589 589 589 916 916 989 1127
Water conn (NPS-in) 4 4 4 4 4 6 6 8 8
Condenser Fin and tube
Qty of coils # 4 4 4 8 8 8 8 8 8
Coil length (in) 216/216 252/216 252/252 144/144 144/144 216/144 252/144 216/216 252/252
Coil height (in) 42 42 42 42 42 42 42 42 42
Number of rows # 3 3 3 3 3 3 3 3 3
Fins per foot (fpf) 192 192 192 192 192 192 192 192 192
Fan Direct drive propeller
Quantity # 6/6 7/6 7/7 8/6 8/8 12/6 14/6 12/12 14/14
Diameter (in) 30 30 30 30 30 30 30 30 30
Air flow/fan (cfm) 9199 9200 9201 9783 9203 9652 9605 9199 9201
Power/motor (hp) 1.5 1.5 1.5 1.5 1.5 1.5 1.5 1.5 1.5
Fan speed (rpm) 1140 1140 1140 1140 1140 1140 1140 1140 1140
Tip speed (Ft/Min) 8954 8954 8954 8954 8954 8954 8954 8954 8954
General unit HFC-134a
# Refrig ckts # 2 2 2 2 2 2 2 2 2
% min load % 15 15 15 15 15 15 15 15 15
Refrigerant charge (lb) 215/215 225/215 225/225 235/235 235/235 415/200 460/200 415/415 460/460
Oil charge (gal) 1.3/1.3 1.9/1.3 1.9/1.9 1.9/1.9 1.9/1.9 2.1-2.1/1.9 2.1-2.1/1.9 2.1-2.1/
2.1-2.1 2.1-2.1/
2.1-2.1
Min ambient-std (°F) 25 25 25 25 25 25 25 25 25
Min ambient-low (°F) 0 0 0 0 0 0 0 0 0
1. Data containing information on two circuits is shown as follows: ckt 1/ ckt 2.
2. Minimum start-up/operating ambient is based on a 5 mph wind across the condenser.
3. RTAC units must only operate with refrigerant R-134a and Trane Oil 00048.

General Data
RTAC-SVX01M-EN 13
Table 4. General Data - 60 hz units - standard efficiency - SI
Size 140 155 170 185 200 225 250 275 300 350 400 450 500
Compressor Screw
Quantity # 2 2 2 2 2 2 2 3 3 3 4 4 4
Nominal size
(tons) @60Hz 70/70 85/70 85/85 100/85 100/
100 120/
100 120/
120 85-85/
100 100-100/
100 120-120/
100 100-100/
100-100 120-120/
100-100 120-120/
120-120
Evaporator Flooded
Water storage (L) 110.0 121 129 136 151 148 163 235 254 273 314 326 344
2 pass arrangement
Min flow (L/s) 12 14 13 14 15 14 15 19 21 24 25 27 29
Max flow (L/s) 45 50 47 50 56 50 56 72 78 87 94 98 107
Water conn (NPS-in) 4 4 6 6 6 6 6 8 8 8 8 8 8
3 pass arrangement
Min flow (L/s) 8 9 9 9 10 9 10 13 14 16 17 18 19
Max flow (L/s) 30 33 31 34 37 34 37 48 52 58 62 65 71
Water conn (NPS-in) 3.5 3.5 4 4 4 4 4 6 6 6 8 8 8
Condenser Fin and tube
Qty of coils # 4 4 4 4 4 4 4 8 8 8 8 8 8
Coil length (mm) 3962/
3962 4572/
3962 4572/
4572 5486/
4572 5486/
5486 6400/
5486 6400/
6400 4572/
2743 5486/
2743 6400/
2743 5486/
5486 6400/
5486 6400/
6400
Coil height (mm) 1067 1067 1067 1067 1067 1067 1067 1067 1067 1067 1067 1067 1067
# of rows # 3 3 3 3 3 3 3 3 3 3 3 3 3
Fins per foot (fpf) 192 192 192 192 192 192 192 192 192 192 192 192 192
Fan Direct drive propeller
Quantity # 4/4 5/4 5/5 6/5 6/6 7/6 7/7 10/6 12/6 14/6 12/12 14/12 14/14
Diameter (mm) 726.0 726.0 726.0 726.0 726.0 726.0 726.0 726.0 726.0 726.0 726.0 726.0 726.0
Air flow per fan (m³/hr) 16351 15958 15644 15644 15644 15646 15647 15644 15645 15642 15645 15646 15653
Power/motor (kW) 1.12 1.12 1.12 1.12 1.12 1.12 1.12 1.12 1.12 1.12 1.12 1.12 1.12
Fan speed (rps) 19 19 19 19 19 19 19 19 19 19 19 19 19
Tip speed M/S 45 45 45 45 45 45 45 45 45 45 45 45 45
General Unit HFC-134a
# Refrig ckts # 2 2 2 2 2 2 2 2 2 2 2 2 2
% min load % 15 15 15 15 15 15 15 15 15 15 15 15 15
Refrigerant
charge (kg) 75/75 79/75 79/79 98/95 98/98 102/98 102/
102 166/91 188/91 209/91 188/188 209/188 209/209
Oil charge (L) 5/5 5/5 5/5 7/5 7/7 7/7 7/7 8-8/7 9-9/11 9-9/11 9-9/9-9 9-9/9-9 9-9/9-9
Min ambient-std (°C) -3.9 -3.9 -3.9 -3.9 -3.9 -3.9 -3.9 -3.9 -3.9 -3.9 -3.9 -3.9 -3.9
Min ambient-low (°C) -17.8 -17.8 -17.8 -17.8 -17.8 -17.8 -17.8 -17.8 -17.8 -17.8 -17.8 -17.8 -17.8
1. Data containing information on two circuits is shown as follows: ckt 1/ ckt 2.
2. Minimum start-up/operating ambient is based on a 5 mph wind across the condenser.
3. RTAC units must only operate with refrigerant R-134a and Trane Oil 00048.

General Data
14 RTAC-SVX01M-EN
Table 5. General Data - 60 hz units - high efficiency - SI
Size 140 155 170 185 200 225 250 275 300 350 400
Compressor Screw
Quantity # 2222222444 4
Nominal size
@60Hz (tons) 70/70 85/70 85/85 100/85 100/100 70-70/85 85-85/85 70-70/
70-70 85-85/
85-85 85-85/
85/85 100-100/
100-100
Evaporator Flooded
Water storage (L) 129 136 151 148 163 163 163 273 273 314 344
2 Pass arrangement
Min flow (L/s) 13 14 15 14 15 15 15 24 24 25 29
Max flow (L/s) 47 50 56 50 56 56 56 87 87 94 107
Water conn (NPS-in) 6666666888 8
3 Pass arrangement
Min flow (L/s) 9 9 10 9 10 10 10 16 16 17 19
Max flow (L/s) 31 34 37 34 37 37 37 58 58 62 71
Water conn (NPS-in) 4444444668 8
Condenser Fin and tube
Qty of coils # 4444488888 8
Coil length (mm) 4572/
4572 5486/
4572 5486/
5486 6400/
5486 6400/
6400 3657/
3657 3657/
3657 5486/
3657 6400/
3657 5486/
5486 6400/
6400
Coil height (mm) 1067 1067 1067 1067 1067 1067 1067 1067 1067 1067 1067
Number of rows # 3333333333 3
Fins per foot (fpf) 192 192 192 192 192 192 192 192 192 192 192
Fan Direct drive propeller
Quantity # 5/5 6/5 6/6 7/6 7/7 8/6 8/8 12/6 14/6 12/12 14/14
Diameter (mm) 762 762 762 762 762 762 762 762 762 762 762
Air per fan (m³/hr) 15628 15628 15628 15629 15631 16619 15634 16397 16317 15628 15631
Power/motor (kW) 1.12 1.12 1.12 1.12 1.12 1.12 1.12 1.12 1.12 1.12 1.12
Fan speed (rps) 19 19 19 19 19 19 19 19 19 19 19
Tip speed M/S 45 45 45 45 45 45 45 45 45 45 45
General unit HFC-134a
# refrig ckts # 2222222222 2
% min load % 15 15 15 15 15 15 15 15 15 15 15
Refrig charge (kg) 79/79 98/93 98/98 102/98 102/102 107/107 107/107 188/91 209/91 188/188 209/209
Oil charge (L) 5/5 5/5 5/5 7/5 7/7 7/7 7/7 8-8/7 9-9/7 8-8/8-8 9-9/9-9
Min ambient-std (°C) -3.9 -3.9 -3.9 -3.9 -3.9 -3.9 -3.9 -3.9 -3.9 -3.9 -3.9
Min ambient-low (°C) -17.8 -17.8 -17.8 -17.8 -17.8 -17.8 -17.8 -17.8 -17.8 -17.8 -17.8
1. Data containing information on two circuits is shown as follows: ckt 1/ ckt 2.
2. Minimum start-up/operating ambient is based on a 5 mph wind across the condenser.
3. RTAC units must only operate with refrigerant R-134a and Trane Oil 00048.

General Data
RTAC-SVX01M-EN 15
Table 6. General Data - 60 hz units - extra efficiency - SI
Size 140 155 170 185 200 250 275 300 350
Compressor
Quantity # 22222334 4
Nominal size
@60Hz (tons) 85/85 100/85 100/100 120/100 120/120 85-85/100
100-100/
100 85-85/85/
85 100-100/
100-100
Evaporator Flooded
Water storage (L) 151 148 163 163 163 273 273 314 344
2 Pass arrangement
Min flow (L/s) 15 14 15 15 15 24 24 25 29
Max flow (L/s) 56 50 56 56 56 87 87 94 107
Water conn (NPS-in) 66666888 8
3 Pass arrangement
Min flow (L/s) 10 9 10 10 10 16 16 17 19
Max flow (L/s) 37 34 37 37 37 58 58 62 71
Water conn (NPS-in) 44444668 8
Condenser Fin and tube
Qty of coils # 44488888 8
Coil length (mm) 5486/5486 6400/5486 6400/6400 3657/3657 4572/2743 5486/3657 6400/3657 5486/5486 6400/6400
Coil height (mm) 1067 1067 1067 1067 1067 1067 1067 1067 1067
Number of rows # 33333333 3
Fins per foot (fpf) 192 192 192 192 192 192 192 192 192
Fan Direct drive propeller
Quantity # 6/6 7/6 7/7 8/6 8/8 12/6 14/6 12/12 14/14
Diameter (mm) 762 762 762 762 762 762 762 762 762
Air per fan (m³/hr) 15628 15629 15631 16619 15634 16397 16317 15628 15631
Power/motor (kW) 1.12 1.12 1.12 1.12 1.12 1.12 1.12 1.12 1.12
Fan speed (rps) 19 19 19 19 19 19 19 19 19
Tip speed M/S 45 45 45 45 45 45 45 45 45
General unit HFC-134a
# refrig ckts # 22222222 2
% min load % 15 15 15 15 15 15 15 15 15
Refrig charge (kg) 98/98 102/98 102/102 107/107 107/107 188/91 209/91 188/188 209/209
Oil charge (L) 5/5 7/5 7/7 7/7 7/7 8-8/7 8-8/7 8-8/8-8 8-8/8-8
Min ambient-std (°C) -3.9 -3.9 -3.9 -3.9 -3.9 -3.9 -3.9 -3.9 -3.9
Min ambient-low (°C) -17.8 -17.8 -17.8 -17.8 -17.8 -17.8 -17.8 -17.8 -17.8
1. Data containing information on two circuits is shown as follows: ckt 1/ ckt 2.
2. Minimum start-up/operating ambient is based on a 5 mph wind across the condenser.
3. RTAC units must only operate with refrigerant R-134a and Trane Oil 00048.

General Data
16 RTAC-SVX01M-EN
Table 7. General Data - 50 hz units - standard efficiency - IP
Size 140 155 170 185 200 250 275 300 350 375 400
Compressor Screw
Quantity # 2 2 2 2 2 3 3 3 4 4 4
Nominal
size@50Hz (tons) 70/70 85/70 85/85 100/85 100/100 70-70 /
100 85-85 /
100 100-100/
100 85-85/
85-85 100-100/
85-85 100-100/
100-100
Evaporator Flooded
Water storage (gal) 29 32 34 36 40 56 62 67 75 79 83
2 pass arrangement
Min flow (gpm) 193 214 202 217 241 265 309 339 351 381 404
Max flow (gpm) 709 785 741 796 883 970 1134 1243 1287 1396 1483
Water conn (NPS-in) 4 4 6 6 6 8 8 8 8 8 8
3 pass arrangement
Min flow (gpm) 129 143 135 145 161 176 206 226 234 254 270
Max flow (gpm) 473 523 494 531 589 647 756 829 858 930 989
Water conn (NPS-in) 3.5 3.5 4 4 4 6 6 6 8 8 8
Condenser Fin and tube
Qty of coils # 4 4 4 4 4 8 8 8 8 8 8
Coil length (in) 156/156 180/156 180/180 216/180 216/216 156/108 180/108 216/108 180/180 216/180 216/216
Coil height (in) 42 42 42 42 42 42 42 42 42 42 42
Number of rows # 3 3 3 3 3 3 3 3 3 3 3
Fins per foot (fpf) 192 192 192 192 192 192 192 192 192 192 192
Fan Direct drive propeller
Quantity # 4/4 5/4 5/5 6/5 6/5 8/6 10/6 12/6 10/10 12/10 12/12
Diameter (in) 30 30 30 30 30 30 30 30 30 30 30
Air flow per fan (cfm) 7918 7723 7567 7567 7567 7764 7566 7567 7567 7567 7567
Power per motor (hp) 1.0 1.0 1.0 1.0 1.0 1.0 1.0 1.0 1.0 1.0 1.0
Fan speed (rpm) 950 950 950 950 950 950 950 950 950 950 950
Tip speed (Ft/min) 7461 7461 7461 7461 7461 7461 7461 7461 7461 7461 7461
General unit HFC-134a
# refrig ckts # 2 2 2 2 2 2 2 2 2 2 2
% min load % 15 15 15 15 15 15 15 15 15 15 15
Refrig charge (lb) 175/175 215/205 215/215 225/215 225/225 235/235 235/235 415/200 460/200 415/415 460/460
Oil charge (gal) 1.3/1.3 1.3/1.3 1.3/1.3 1.9/1.3 1.9/1.9 2.1-2.1/
1.9 2.1-2.1/
1.9 2.3-2.3/
1.9 2.1-2.1/
2.1-2.1 2.3-2.3/
2.1-2.1 2.3-2.3/
2.3-2.3
Min ambient-std (°F) 25 25 25 25 25 25 25 25 25 25 25
Min ambient-low (°F) 0 0 0 0 0 0 0 0 0 0 0
1. Data containing information on two circuits is shown as follows: ckt 1/ ckt 2.
2. Minimum start-up/operating ambient is based on a 5 mph wind across the condenser.
3. RTAC units must only operate with refrigerant R-134a and Trane Oil 00048.

General Data
RTAC-SVX01M-EN 17
Table 8. General Data - 50 hz units - high efficiency - IP
Size 120 130 140 155 170 185 200 250 275 300 350 375 400
Compressor Screw
Quantity # 2 2 2 2 2 2 2 3 3 3 4 4 4
Nominal
size@50Hz (tons) 60/60 70/60 70/70 85/70 85/85 100/85 100/
100 70-70 /
100 85-85 /
100 100-100/
100 85-85 /
85-85 100-100/
85-85 100-100/
100-100
Evaporator Flooded
Water storage (gal) 29 32 34 36 40 39 43 67 72 72 83 86 91
2 pass arrangement
Min flow (gpm) 193 214 202 217 241 217 241 339 375 375 404 422 461
Max flow (gpm) 709 785 741 796 883 796 883 1243 1374 1374 1483 1548 1690
Water conn (NPS-in) 4 4 6 6 6 6 6 8 8 8 8 8 8
3 pass arrangement
Min flow (gpm) 129 143 135 145 161 145 161 226 250 250 270 282 307
Max flow (gpm) 473 523 494 531 589 531 589 829 916 916 989 1032 1127
Water conn (NPS-in) 3.5 3.5 4 4 4 4 4 6 6 6 8 8 8
Condenser Fin and tube
Qty of coils # 4 4 4 4 4 4 4 8 8 8 8 8 8
Coil length (in) 156/
156 180/
156 180/
180 216/
180 216/
216 252/
216 252/
252 180/108 216/144 252/144 216/216 252/216 252/252
Coil height (in) 42 42 42 42 42 42 42 42 42 42 42 42 42
Number of rows # 3 3 3 3 3 3 3 3 3 3 3 3 3
Fins per foot (fpf) 192 192 192 192 192 192 192 192 192 192 192 192 192
Fan Direct drive propeller
Quantity # 4/4 5/4 5/5 6/5 6/6 7/6 7/7 10/6 12/6 14/6 12/12 14/12 14/14
Diameter (in) 30 30 30 30 30 30 30 30 30 30 30 30 30
Air flow per fan (cfm) 62484 68819 7558 7557 7557 7558 7559 7561 7943 7906 7557 7490 7559
Power/motor (hp) 1.0 1.0 1.0 1.0 1.0 1.0 1.0 1.0 1.0 1.0 1.0 1.0 1.0
Fan speed (rpm) 950 950 950 950 950 950 950 950 950 950 950 950 950
Tip speed (Ft/min) 7461 7461 7461 7461 7461 7461 7461 7461 7461 7461 7461 7461 7461
General unit HFC-134a
# refrig ckts # 2 2 2 2 2 2 2 2 2 2 2 2 2
% min load % 15 15 15 15 15 15 15 15 15 15 15 15 15
Refrig charge (lb) 165/
165 175/
165 175/
175 215/
205 215/
215 225/
215 225/
225 365/200 415/
200 460/
200 415/
415 460/
415 460/
460
Oil charge (gal) 1.3/1.3 1.3/1.3 1.3/1.3 1.3/1.3 1.3/1.3 1.9/1.3 1.9/1.9 2.1-2.1/
1.9 2.1-2.1/
1.9 2.3-2.3/
1.9 2.1-2.1/
2.1-2.1 2.3-2.3/
2.3-2.3 2.3-2.3/
2.3-2.3
Min ambient-std (°F) 25 25 25 25 25 25 25 25 25 25 25 25 25
Min ambient-low (°F) 0 0 0 0 0 0 0 0 0 0 0 0 0
1. Data containing information on two circuits is shown as follows: ckt 1/ ckt 2.
2. Minimum start-up/operating ambient is based on a 5 mph wind across the condenser.
3. RTAC units must only operate with refrigerant R-134a and Trane Oil 00048.

General Data
18 RTAC-SVX01M-EN
Table 9. General Data - 50 hz units - standard efficiency - SI
Size 140 155 170 185 200 250 275 300 350 375 400
Compressor Screw
Quantity # 222223334 4 4
Nominal
size@50Hz (tons) 70/70 85/70 85/85 100/85 100/100 70-70 /
100 85-85 /
100 100-100/
100 85-85/
85-85 100-100/
85-85 100-100/
100-100
Evaporator Flooded
Water storage (L) 110 121 129 136 151 212 235 254 284 299 314
2 pass arrangement
Min flow (L/s) 12 14 13 14 15 17 19 21 22 24 25
Max flow (L/s) 45 50 47 50 56 61 72 78 81 88 94
Water conn (NPS-in) 446668888 8 8
3 pass arrangement
Min flow (L/s) 899910111314151617
Max flow (L/s) 30 33 31 34 37 41 48 52 54 59 62
Water conn (NPS-in) 3.5 3.5 4446668 8 8
Condenser Fin and tube
Qty of coils # 444448888 8 8
Coil length (mm) 3962/
3962 4572/
3962 4572/
4572 5486/
4572 5486/
5486 3962/
2743 4572/
2743 5486/
2743 4572/
4572 5486/
4572 5486/
5486
Coil height (mm) 1067 1067 1067 1067 1067 1067 1067 1067 1067 1067 1067
Number of rows # 333333333 3 3
Fins per foot (fpf) 192 192 192 192 192 192 192 192 192 192 192
Fan Direct drive propeller
Quantity # 4/4 5/4 5/5 6/5 6/6 8/6 10/6 12/6 10/10 12/10 12/12
Diameter (mm) 762 762 762 762 762 762 762 762 762 762 762
Air flow per fan (m³/hr) 13452 13120 12855 12855 12855 13190 12853 12856 12854 12855 12855
Power per motor (kW) .74 .74 .74 .74 .74 .74 .74 .74 .74 .74 .74
Fan speed (rps) 15.8 15.8 15.8 15.8 15.8 15.8 15.8 15.8 15.8 15.8 15.8
Tip speed M/S 38 38 38 38 38 38 38 38 38 38 38
General unit HFC-134a
# refrig ckts # 222222222 2 2
% min load % 15 15 15 15 15 15 15 15 15 15 15
Refrig charge (kg) 79/79 98/93 98/98 102/98 102/102 107/107 107/107 188/91 209/91 188/188 209/209
Oil charge (L) 5/5 5/5 5/5 7/5 7/7 8-8/7 8-8/7 8-8/7 8-8/8-8 9-9/8-8 9-9/9-9
Min ambient-std (°C) -3.9 -3.9 -3.9 -3.9 -3.9 -3.9 -3.9 -3.9 -3.9 -3.9 -3.9
Min ambient-low (°C) -17.8 -17.8 -17.8 -17.8 -17.8 -17.8 -17.8 -17.8 -17.8 -17.8 -17.8
1. Data containing information on two circuits is shown as follows: ckt 1/ ckt 2.
2. Minimum start-up/operating ambient is based on a 5 mph wind across the condenser.
3. RTAC units must only operate with refrigerant R-134a and Trane Oil 00048.

General Data
RTAC-SVX01M-EN 19
Table 10. General Data - 50 hz units - high efficiency - SI
Size 120 130 140 155 170 185 200 250 275 300 350 375 400
Compressor Screw
Quantity # 2 2 2 2 2 2 2 3 3 3 4 4 4
Nominal
size@50Hz (tons) 60/60 70/60 70/70 85/70 85/85 100/85 100/
100 70-70 /
100 85-85 /
100 100-100/
100 85-85 /
85-85 100-100/
85-85 100-100/
100-100
Evaporator Flooded
Water storage (L) 110 121 129 136 151 148 163 254 273 273 314 326 344
2 pass arrangement
Min flow (L/s) 12 14 13 14 15 14 15 21 24 24 25 27 29
Max flow (L/s) 45 50 47 50 56 50 56 78 87 87 94 98 107
Water conn (NPS-in) 4 4 6 6 6 6 6 8 8 8 8 8 8
3 pass arrangement
Min flow (L/s) 8 9 9 9 10 9 10 14 16 16 17 18 19
Max flow (L/s) 30 33 31 34 37 34 37 52 58 58 62 65 71
Water conn (NPS-in) 3.5 3.5 4 4 4 4 4 6 6 6 8 8 8
Condenser Fin and tube
Qty of coils # 4 4 4 4 4 4 4 8 8 8 8 8 8
Coil length (mm) 3962/
3962 4572/
3962 4572/
4572 5486/
4572 5486/
5486 6400/
5486 6400/
6400 4572/
2743 5486/
3657 6400/
3657 5486/
5486 6400/
5486 6400/
6400
Coil height (mm) 1067 1067 1067 1067 1067 1067 1067 1067 1067 1067 1067 1067 1067
Number of rows # 3 3 3 3 3 3 3 3 3 3 3 3 3
Fins per foot (fpf) 192 192 192 192 192 192 192 192 192 192 192 192 192
Fan Direct drive propeller
Quantity # 4/4 5/4 5/5 6/5 6/6 7/6 7/7 10/6 12/6 14/6 12/12 14/12 14/14
Diameter (mm) 762 762 762 762 762 762 762 762 762 762 762 762 762
Air flow per fan (m?/hr) 62484 68819 12839 12839 12839 12840 12842 12844 13493 13430 12838 12724 12841
Power/motor (kW) .74 .74 .74 .74 .74 .74 .74 .74 .74 .74 .74 .74 .74
Fan speed (rps) 15.8 15.8 15.8 15.8 15.8 15.8 15.8 15.8 15.8 15.8 15.8 15.8 15.8
Tip speed M/S 38 38 38 38 38 38 38 38 38 38 38 38 38
General unit HFC-134a
# refrig ckts # 2 2 2 2 2 2 2 2 2 2 2 2 2
% min load % 15 15 15 15 15 15 15 15 15 15 15 15 15
Refrig charge (kg) 75/75 79/75 79/79 98/93 98/98 102/95 102/
102 166/91 188/91 209/
91 188/
188 209/
188 209/
209
Oil charge (L) 5/5 5/5 5/5 5/5 5/5 7/5 7/7 8-8/
78-8/
78-8/
78-8/
8-8 9-9/
9-9 9-9
9-9
Min ambient-std (°C) -3.9 -3.9 -3.9 -3.9 -3.9 -3.9 -3.9 -3.9 -3.9 -3.9 -3.9 -3.9 -3.9
Min ambient-low (°C) -17.8 -17.8 -17.8 -17.8 -17.8 -17.8 -17.8 -17.8 -17.8 -17.8 -17.8 -17.8 -17.8
1. Data containing information on two circuits is shown as follows: ckt 1/ ckt 2.
2. Minimum start-up/operating ambient is based on a 5 mph wind across the condenser.
3. RTAC units must only operate with refrigerant R-134a and Trane Oil 00048.

20 RTAC-SVX01M-EN
Pre-installation
Unit Inspection
When unit is delivered, verify it is the correct unit and is
properly equipped.
If unit is covered with optional tarp, confirm unit was
ordered with a tarp. Inspect tarp for any visible damage.
If unit does not have optional tarp, compare information
on unit nameplate with ordering and submittal
information. Inspect all exterior components for visible
damage.
Report any apparent damage or material shortage to
carrier and make a “unit damage” notation on carrier’s
delivery receipt. Specify extent and type of damage found
and notifyTrane Sales Office. Do not proceed with
installation of a damaged unit without sales office
approval.
Inspection Checklist
To protect against loss due to damage in transit, complete
this checklist upon receipt of unit.
• Inspect the individual pieces of the shipment before
accepting the unit. Check for obvious damage to the
unit or packing material.
• Inspect the unit for concealed damage as soon as
possible after delivery and before it is stored.
Concealed damage must be reported within 15 days.
• If concealed damage is discovered, stop unpacking the
shipment. Do not remove damaged material from the
receiving location.Take photos of the damage, if
possible.The owner must provide reasonable
evidence that the damage did not occur after delivery.
• Notify the carrier’s terminal of the damage
immediately, by phone and by mail. Request an
immediate, joint inspection of the damage with the
carrier and the consignee.
NotifyTrane sales representative and arrange for repair.
Do not repair unit until damage is inspected by the carrier’s
representative.
Storage
Extended storage of outdoor unit prior to installation
requires these precautionary measures:
• Store the outdoor unit in a secure area.
• At least every three months (quarterly), check the
pressure in the refrigerant circuits to verify that the
refrigerant charge is intact. If it is not, contact a
qualified service organization and the appropriate
Trane sales office.
• Close the discharge and liquid line isolation valves.
Installation Responsibilities
Generally, the contractor must do the following when
installing an RTAC unit:
• Install unit on a flat foundation, level (within 1/4” [6
mm] across the length and width of the unit), and
strong enough to support unit loading.
• Install unit per the instructions contained in the
Installation-Mechanical and Installation-Electrical
sections of this manual.
• Install any optional sensors and make electrical
connections at the CH530.
• Where specified, provide and install valves in water
piping upstream and downstream of evaporator water
connections to isolate evaporator for maintenance,
and to balance/trim system.
• Furnish and install pressure gauges in inlet and outlet
piping of the evaporator.
• Furnish and install a drain valve to the bottom of the
evaporator waterbox.
• Supply and install a vent cock to the top of the
evaporator waterbox.
• Furnish and install strainers ahead of all pumps and
automatic modulating valves, and at inlet of
evaporator.
• Provide and install field wiring.
• Install heat tape and insulate the chilled water lines and
any other portions of the system, as required, to
prevent sweating under normal operating conditions
or freezing during low ambient temperature
conditions.
• Install evaporator drain plug.The plug ships in unit
control panel.
• Start unit under supervision of a qualified service
technician.
General
Report any damage incurred during handling or
installation to theTrane sales office immediately.

RTAC-SVX01M-EN 21
Dimensions and Weights
Dimensions
See unit submittals for specific unit dimensions and water
connection locations.
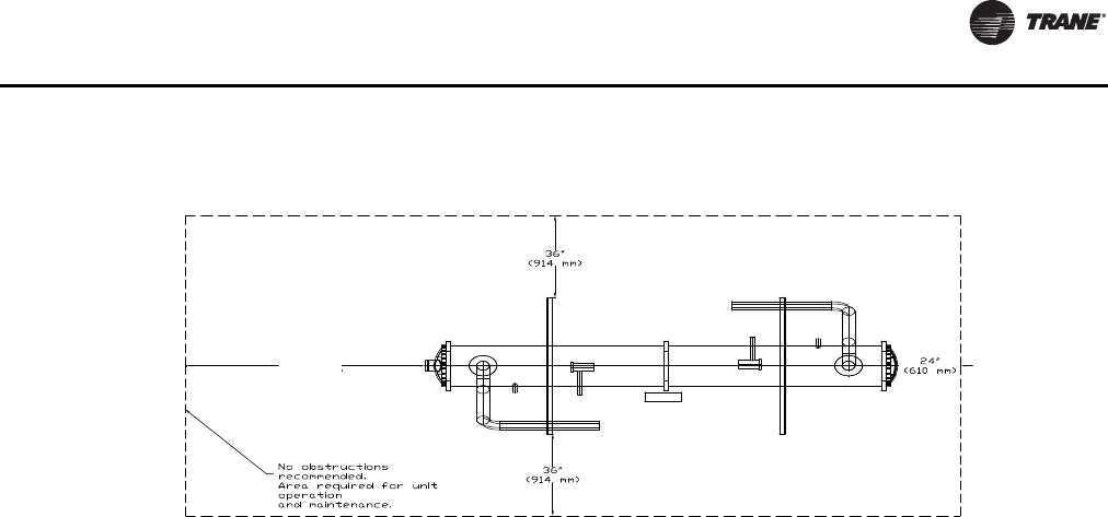
Clearances
Provide enough space around the outdoor unit to allow the
installation and maintenance personnel unrestricted
access to all service points. Refer to submittal drawings for
the unit dimensions. A minimum of 4 feet (1.2 m) is
recommended for compressor service. Provide sufficient
clearance for the opening of control panel doors. See
Figure 5, p. 21 through Figure 9, p. 23 for minimum
clearances. In all cases, local codes which require
additional clearances will take precedence over these
recommendations.
Figure 5. Recommended unit clearance — 15 foot bases
Figure 6. Recommended unit clearances 18-21 foot bases

Dimensions and Weights
22 RTAC-SVX01M-EN
Figure 7. Recommended unit clearances 30-45 foot bases
Tube Removal
Clearance Area
(Non DynaView
Control Panel End)
Figure 8. Recommended remote evaporator unit clearances — 15-30 foot bases

Dimensions and Weights
RTAC-SVX01M-EN 23
Unobstructed flow of condenser air is essential to
maintain chiller capacity and operating efficiency. When
determining unit placement, give careful consideration to
assuring a sufficient flow of air across the condenser heat
transfer surface.Two detrimental conditions are possible
and must be avoided if optimum performance is to be
achieved: warm air recirculation and coil starvation.
Warm air recirculation occurs when discharge air from the
condenser fans is recycled back to the condenser coil inlet.
Coil starvation occurs when free airflow to (or from) the
condenser is restricted.
Both warm air recirculation and coil starvation cause
reduction in unit efficiency and capacity due to the
increased head pressures.
Debris, trash, supplies etc. should not be allowed to
accumulate in the vicinity of the unit. Supply air movement
may draw debris into the condenser coil, blocking spaces
between coil fins and causing coil starvation. Special
consideration should be given to low ambient units.
Condenser coils and fan discharge must be kept free of
snow or other obstructions to permit adequate airflow for
satisfactory unit operation.
In situations where equipment must be installed with less
clearance than recommended, such as frequently occurs
in retrofit and rooftop applications, restricted airflow is
common.The Main Processor will direct the unit to make
as much chilled water as possible given the actual installed
conditions. Consult yourTrane sales engineer for more
details.
Note: If the outdoor unit configuration requires a
variance to the clearance dimensions, contact your
Trane Sales Office Representative. Also refer to
Trane Engineering Bulletins for application
information on RTAC chillers.
Figure 9. Recommended evaporator clearance
148”
(3760 mm)

Dimensions and Weights
24 RTAC-SVX01M-EN
Weights
Non-Seismically Rated Units
Table 11. Weight - packaged units - 60 Hz - aluminum or CompleteCoat coils
Unit
Size
(tons)
Standard Efficiency High Efficiency Extra Efficiency
Shipping Operating Shipping Operating Shipping Operating
lb kg lb kg lb kg lb kg lb kg lb kg
140 10832 4913 11146 5056 10859 4926 11160 5062 12171 5521 12585 5708
155 10910 4949 11146 5056 12114 5495 12445 5645 13984 6343 14293 6483
170 10877 4934 11218 5088 12171 5521 12585 5708 14454 6556 14721 6677
185 12479 5660 12899 5851 13984 6343 14293 6483 15915 7219 16413 7445
200 12884 5844 13193 5984 14454 6556 14721 6677 16016 7265 16413 7445
225 14635 6638 14966 6788 15915 7219 16413 7445 n/a
250 14916 6766 15191 6890 16016 7265 16413 7445 20476 9288 21048 9547
275 19025 8630 19685 8929 20393 9250 21048 9547 21667 9828 22160 10052
300 20699 9389 21214 9622 21667 9828 22160 10052 24073 10919 24700 11204
350 21550 9775 22005 9981 24073 10919 24700 11204 27136 12309 27750 12587
400 25409 11525 25854 11727 27136 12309 27750 12587 n/a
450 26816 12163 27393 12425 n/a n/a
500 27136 12309 27912 12661 n/a n/a
1. Operating weight includes refrigerant and water.
2. Shipping weight includes refrigerant.
3. All weights +/- 3%.
Table 12. Weight - packaged units - 60 Hz - copper coils
Unit
Size
(tons)
Standard Efficiency High Efficiency Extra Efficiency
Shipping Operating Shipping Operating Shipping Operating
lb kg lb kg lb kg lb kg lb kg lb kg
140 13407 6081 13734 6230 13426 6090 13734 6230 15590 7071 15998 7257
155 13420 6087 13734 6230 15647 7097 15854 7191 18250 8278 18613 8443
170 13442 6097 13733 6229 15590 7071 15998 7257 18701 8483 18958 8599
185 15870 7198 16253 7372 18250 8278 18613 8443 20794 9432 21290 9657
200 16304 7395 16630 7543 18701 8483 18958 8599 20881 9471 21290 9657
225 18739 8500 18156 8235 20794 9432 21290 9657 n/a
250 18905 8575 19223 8719 20881 9471 21290 9657 26017 11801 26558 12046
275 23905 10843 24608 11162 26017 11801 26558 12046 27660 12546 28182 12783
300 26039 11811 26580 12056 27660 12546 28182 12783 30848 13992 31431 14257
350 27395 12426 27920 12664 30848 13992 31431 14257 35166 15951 35688 16188
400 32216 14613 32723 14843 35014 15882 35688 16188 n/a
450 32682 14824 33178 15049 n/a n/a
500 35014 15882 35787 16233 n/a n/a
1. Operating weight includes refrigerant and water.
2. Shipping weight includes refrigerant.
3. All weights +/- 3%.

Dimensions and Weights
RTAC-SVX01M-EN 25
Table 13. Weight - packaged units - 50 Hz - aluminum or CompleteCoat coils
Unit
Size
(tons)
Standard Efficiency High Efficiency
Shipping Operating Shipping Operating
lb kg lb kg lb kg lb kg
120 n/a 10832 4913 11146 5056
130 n/a 10910 4949 11146 5056
140 10844 4919 11146 5056 10871 4931 11160 5062
155 11131 5049 11397 5170 12466 5654 12786 5800
170 11426 5183 11632 5276 12742 5780 12990 5892
185 12797 5805 13111 5947 14383 6524 14754 6692
200 12962 5879 13304 6035 14516 6584 14967 6789
250 18051 8188 19186 8703 19176 8698 20483 9291
275 19715 8943 20240 9181 21944 9954 21532 9767
300 20242 9182 21027 9538 22272 10102 22185 10063
350 23231 10537 23799 10795 24924 11305 25812 11708
375 24360 11049 25213 11436 26298 11929 26963 12230
400 25222 11440 25854 11727 27120 12301 27751 12588
1. Operating weight includes refrigerant and water.
2. Shipping weight includes refrigerant.
3. All weights +/- 3%.
Table 14. Weight - packaged units - 50 Hz - copper coils
Unit
Size
(tons)
Standard Efficiency High Efficiency
Shipping Operating Shipping Operating
lb kg lb kg lb kg lb kg
120 n/a 13407 6081 13734 6230
130 n/a 13426 6090 13734 6230
140 13417 6086 13734 6230 13446 6099 13734 6230
155 13851 6283 13962 6333 15772 7154 16192 7345
170 13856 6285 14366 6516 16162 7331 17421 7902
185 16216 7355 16463 7467 18570 8423 18979 8609
200 16381 7430 16721 7584 18833 8542 19223 8719
250 22058 10005 21837 9905 24015 10893 24056 10912
275 24584 11151 25095 11383 26617 12073 27135 12308
300 25893 11745 26336 11946 27617 12527 28182 12783
350 29084 13192 29527 13393 32037 14532 32712 14838
375 30432 13804 30971 14048 32463 14725 32971 14955
400 32112 14566 32787 14872 34982 15867 35525 16114
1. Operating weight includes refrigerant and water.
2. Shipping weight includes refrigerant.
3. All weights +/- 3%.

Dimensions and Weights
26 RTAC-SVX01M-EN
Seismically Rated Unit Weights
Table 15. Weight - seismically rated - packaged units - 60 Hz - aluminum or CompleteCoat coils
Unit
Size
(tons)
Standard Efficiency High Efficiency Extra Efficiency
Shipping Operating Shipping Operating Shipping Operating
lb kg lb kg lb kg lb kg lb kg lb kg
140 11374 5159 11646 5283 11402 5172 11711 5312 12780 5797 13185 5981
155 11456 5196 11703 5308 12720 5770 13067 5927 14683 6660 15021 6813
170 11421 5180 11779 5343 12780 5797 13214 5994 15177 6884 15433 7000
185 13103 5943 13544 6143 14683 6660 15008 6807 16711 7580 17234 7817
200 13528 6136 13853 6284 15177 6884 15457 7011 16817 7628 17234 7817
225 15367 6970 15714 7128 16711 7580 17234 7817 n/a
250 15662 7104 15951 7235 16817 7628 17234 7817 21500 9752 22100 10025
275 19976 9061 20669 9375 21413 9713 22100 10025 22750 10319 23268 10554
300 21734 9858 22275 10104 22750 10319 23268 10554 25277 11465 25935 11764
350 22628 10264 23105 10480 25277 11465 25935 11764 28493 12924 29138 13216
400 26679 12102 27147 12313 28493 12924 29138 13216 n/a
450 28157 12772 28763 13046 n/a n/a
500 28493 12924 29308 13294 n/a n/a
1. Operating weight includes refrigerant and water.
2. Shipping weight includes refrigerant.
3. All weights +/- 3%.

Dimensions and Weights
RTAC-SVX01M-EN 27
Remote Evaporator Unit Weights
Table 16. Weights - condensing unit - 60 Hz
Unit
Size
(tons)
Standard Efficiency High Efficiency
Shipping Operating Shipping Operating
lb kg lb kg lb kg lb kg
Aluminum or CompleteCoat™ coils
140 8359 3792 8624 3912 8292 3761 8624 3912
155 8299 3764 8624 3912 9460 4291 9931 4505
170 8304 3767 8624 3912 10610 4813 9944 4510
185 10944 4964 10226 4638 11060 5017 11512 5222
200 11179 5071 10625 4819 11443 5190 11886 5391
225 11531 5230 11997 5442 ----
250 11623 5272 12126 5500 ----
Copper Coils
140 10956 4970 11200 5080 10751 4877 11200 5080
155 10973 4977 11200 5080 12916 5859 13340 6051
170 10877 4934 11200 5080 13451 6101 13375 6067
185 13610 6173 13645 6189 15326 6952 15778 7157
200 13665 6198 14048 6372 15707 7125 16148 7325
225 15795 7164 16252 7372 ----
250 15888 7207 16386 7433 ----
1. Operating weight includes refrigerant and water.
2. Shipping weight includes nitrogen holding charge.
3. All weights +/- 3%.
Table 17. Weights - remote evaporator - 60 Hz
Nominal
Tonnage
Standard Efficiency High Efficiency
Shipping
Weight (lb) Shipping
Weight (kg) Operating
Weight (lb) Operating
Weight (kg) Shipping
Weight (lb) Shipping
Weight (kg) Operating
Weight (lb) Operating
Weight (kg)
140 2486 1128 2730 1238 2528 1147 2805 1272
155 2525 1145 2790 1266 2556 1159 2850 1293
170 2528 1147 2805 1272 2600 1179 2920 1325
185 2556 1159 2850 1293 2797 1269 3114 1413
200 2600 1179 2920 1325 2846 1291 3192 1448
225 2797 1269 3114 1413 ----
250 2846 1291 3192 1448 ----
1. Operating weight includes refrigerant and water.
2. Shipping weight includes nitrogen holding charge.
3. All weights +/- 3%.

28 RTAC-SVX01M-EN
Installation - Mechanical
Location Requirements
Noise Considerations
Locate outdoor unit away from sound sensitive areas. If
required, install rubber vibration isolators in all water
piping and use flexible electrical conduit. Consult an
acoustical engineer for critical applications. Also refer to
Trane Engineering Bulletins for application information on
RTAC chillers.
Foundation
A base or foundation is not required if unit location is level
and strong enough to support unit’s operating weight as
listed in “General Data,” p. 9,Table 1, p. 10 through
Table 10, p. 19. Provide rigid, non-warping mounting pads
or concrete foundation of sufficient strength and mass to
support unit operating weight (including piping, and full
operating charges of refrigerant, oil and water). Once in
place, outdoor unit must be level within 1/ 4" (6 mm) over
its length and width.
Trane Company is not responsible for equipment
problems resulting from an improperly designed or
constructed foundation.
Note: To allow for cleaning under the condensing coil, it
is recommended that an opening be left between
the unit base and the concrete pad.
Clearances
Provide enough space around the outdoor unit to allow the
installation and maintenance personnel unrestricted
access to all service points. Refer to submittal drawings for
the unit dimensions. A minimum of 4 feet (1.2 m) is
recommended for compressor service. Provide sufficient
clearance for the opening of control panel doors. See
Figure 5, p. 21 through Figure 9, p. 23 in “Dimensions and
Weights,” p. 21 for minimum clearances. In all cases, local
codes which require additional clearances will take
precedence over these recommendations.
Rigging
Lifting Procedure
Important: Do not fork lift unit.
See Table 18, p. 30 through Table 22, p. 32 for lifting
weights and Table 23, p. 33 and Table 24, p. 33 for center of
gravity (CG) dimensions.
WARNING
Heavy Objects!
Ensure that all the lifting equipment used is properly
rated for the weight of the unit being lifted. Each of the
cables (chains or slings), hooks, and shackles used to
lift the unit must be capable of supporting the entire
weight of the unit. Lifting cables (chains or slings) may
not be of the same length. Adjust as necessary for even
unit lift. Other lifting arrangements could cause
equipment or property damage. Failure to follow
instructions above or properly lift unit could result in
unit dropping and possibly crushing operator/
technician which could result in death or serious injury.
WARNING
Improper Unit Lift!
Test lift unit approximately 24 inches to verify proper
center of gravity lift point. To avoid dropping of unit,
reposition lifting point if unit is not level. Failure to
properly lift unit could result in unit dropping and
possibly crushing operator/technician which could
result in death or serious injury and possible
equipment or property-only damage.
WARNING
Heavy Objects!
Ensure that all the lifting equipment used is properly
rated for the weight of the unit being lifted. Each of the
cables (chains or slings), hooks, and shackles used to
lift the unit must be capable of supporting the entire
weight of the unit. Lifting cables (chains or slings) may
not be of the same length. Adjust as necessary for even
unit lift. Other lifting arrangements could cause
equipment or property damage. Failure to follow
instructions above or properly lift unit could result in
unit dropping and possibly crushing operator/
technician which could result in death or serious injury.

Installation - Mechanical
RTAC-SVX01M-EN 29
Rigging
See Figure 10 through Figure 12, p. 29 for lifting point
references, Table 19 through Table 21 for lifting weights,
and unit submittals lift point dimensions.
Figure 10. Lifting the unit (packaged and remote) 15-21 foot base
Figure 11. Lifting the unit (packaged and remote) 30-36 foot base
Figure 12. Lifting the unit (packaged and remote) 39-45 foot base
W1 - near side
W2 - far side
W3 - near side
W4 - far side
W5 - near side
W6 - far side
Control Panel

Installation - Mechanical
30 RTAC-SVX01M-EN
Lifting Weights Tables
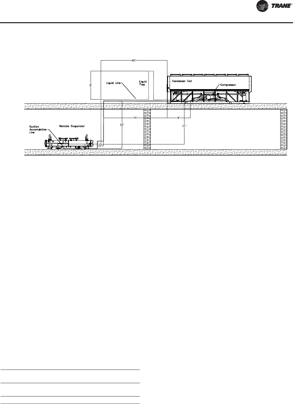
Figure 13. Lifting the remote evap
W1 - Near Side
W2 - Far Side W3 - Near Side
W4 - Far Side
SIDE VIEW END VIEW
25”
(625mm) 30”
(762mm)
Table 18. Lifting weights (lbs) - packaged units - 60 Hz
Size
(tons)
Lifting Location
W1 W2 W3 W4 W5 W6 W7 W8
Aluminum Coils - Standard Efficiency
140 2443 2814 2622 2953 - - - -
155 2446 2881 2627 2956 - - - -
170 2447 2831 2633 2966 - - - -
185 3244 3584 2656 2995 - - - -
200 3285 3701 2741 3157 - - - -
225 3943 4177 3183 3332 - - - -
250 3657 4167 3518 3574 - - - -
275 3376 2957 3372 2975 3377 2968 - -
300 3470 3099 3640 3258 3814 3418 - -
350 3389 3023 3787 3382 4187 3782 - -
400 3448 3315 3226 3205 3123 3102 3026 2964
450 3440 3419 3324 3303 3154 3133 3032 4011
500 3373 3299 3405 3331 3452 3378 3486 3412
Aluminum Coils - High Efficiency
140 2446 2820 2630 2963 - - - -
155 3114 3508 2549 2943 - - - -
170 3124 3524 2561 2962 - - - -
185 3469 4059 2933 3523 - - - -
200 3657 4139 3135 3523 - - - -
225 2581 2904 2489 2812 2400 2729 - -
250 2607 2904 2518 2825 2433 2729 - -
275 3272 2884 3592 3204 3915 3526 - -
300 2974 2647 2911 2584 2801 2514 2785 2451
350 2936 2876 3003 2943 3075 3015 3143 3082
400 3373 3299 3405 3331 3452 3378 3486 3412
Aluminum Coils - Extra Efficiency
140 3124 3524 2561 2962 - - - -
155 3469 4059 2933 3523 - - - -
170 3657 4139 3135 3523 - - - -
185 2581 2904 2489 2812 2400 2729 - -
200 2607 2904 2518 2825 2433 2729 - -
250 3272 2884 3592 3204 3998 3526 - -
275 2974 2647 2911 2584 2801 2514 2785 2451
300 2936 2876 3003 2943 3075 3015 3143 3082
350 3373 3299 3405 3331 3452 3378 3486 3412
Copper Coils - Standard Efficiency
140 2916 3405 3346 3740 - - - -
155 2919 3405 3352 3744 - - - -
170 2920 3412 3357 3753 - - - -
185 3991 4450 3500 3929 - - - -
200 4032 4567 3585 4120 - - - -
225 4593 5261 4101 4784 - - - -
250 4639 5261 4149 4856 - - - -
275 4319 3898 4170 3772 4078 3668 - -
300 4513 3980 4552 4169 4618 4207 - -
350 4289 3892 4769 4363 5244 4838 - -
400 4220 4198 4100 4078 3975 3953 3857 3835
450 4549 4526 4290 4268 3909 3887 3638 3615
500 4369 4293 4395 4319 4434 4358 4461 4385
Copper Coils - High Efficiency
140 2919 3410 3354 3743 - - - -
155 3973 4374 3393 3907 - - - -
170 3870 4390 3405 3925 - - - -
185 4404 5144 3981 4721 - - - -
200 4593 5223 4101 4784 - - - -
225 3189 3625 3247 3685 3303 3745 - -
250 3214 3625 3276 3685 3336 3745 - -
275 4235 3898 4522 4132 4810 4420 - -
300 3818 3527 3708 3379 3545 3216 3398 3069
350 4054 4035 3930 3911 3800 3781 3678 3659
400 4369 4293 4395 4319 4434 4358 4461 4385
Copper Coils - Extra Efficiency
140 3870 4390 3405 3925 - - - -
155 4404 5144 3981 4721 - - - -
170 4593 5223 4101 4784 - - - -
185 3189 3625 3247 3685 3303 3745 - -
200 3214 3625 3276 3685 3336 3745 - -
250 4235 3898 4522 4132 4810 4420 - -
275 3818 3527 3708 3379 3545 3216 3398 3069
300 4054 4035 3930 3911 3800 3781 3678 3659
350 4521 4293 4395 4319 4434 4358 4461 4385
Table 18. Lifting weights (lbs) - packaged units - 60 Hz
Size
(tons)
Lifting Location
W1 W2 W3 W4 W5 W6 W7 W8

Installation - Mechanical
RTAC-SVX01M-EN 31
Table 19. Lifting weights (lbs) - packaged units - 50 Hz
Size
(tons)
Lifting Location
W1 W2 W3 W4 W5 W6 W7 W8
Aluminum Coils - Standard Efficiency
140 2445 2817 2625 2957 - - - -
155 2556 2837 2750 2988 - - - -
170 2554 2946 2793 3133 - - - -
185 3287 3708 2690 3112 - - - -
200 3302 3721 2760 3179 - - - -
250 2972 2538 3254 2825 3446 3016 - -
275 4084 3574 3618 3109 2920 2410 - -
300 3340 2929 3576 3165 3814 3418 - -
350 3043 3023 2958 2939 2869 2849 2785 2765
375 3347 3315 3135 3101 2911 2878 3005 2668
400 3311 3291 3226 3192 3123 3089 3026 2964
Aluminum Coils - High Efficiency
120 2443 2814 2622 2953 - - - -
130 2446 2881 2627 2956 - - - -
140 2448 2822 2634 2967 - - - -
155 3230 3537 2696 3003 - - - -
170 3253 3666 2705 3118 - - - -
185 3589 4139 3053 3602 - - - -
200 3703 4139 3100 3574 - - - -
250 3376 2957 3406 2975 3446 3016 - -
275 4322 3018 3710 3304 3998 3592 - -
300 2974 2647 2911 2584 2831 3089 2785 2451
350 3311 3291 3204 3184 3100 2847 3005 2982
375 3412 3391 3297 3276 3154 3105 3679 2984
400 3373 3299 3389 3331 3452 3378 3486 3412
Copper Coils - Standard Efficiency
140 2918 3407 3349 3743 - - - -
155 3030 3428 3474 3919 - - - -
170 3027 3536 3518 3775 - - - -
185 4033 4574 3534 4075 - - - -
200 4048 4586 3604 4143 - - - -
250 3550 3120 3934 3504 4190 3760 - -
275 4632 4157 4297 3822 4078 3598 - -
300 4387 4130 4488 4076 4618 4194 - -
350 3803 3782 3700 3679 3591 3570 3490 3469
375 4351 4317 4003 3969 3637 3603 3293 3259
400 4207 4185 4087 4065 3962 3940 3844 3822
Copper Coils - High Efficiency
120 2916 3405 3346 3740 - - - -
130 2919 3405 3352 3750 - - - -
140 2921 3413 3358 3754 - - - -
155 3863 4403 3540 3966 - - - -
170 4000 4532 3549 4081 - - - -
185 4525 5223 4101 4721 - - - -
200 4639 5261 4149 4784 - - - -
250 4319 3898 4204 3772 4127 3695 - -
275 4387 3980 4639 4232 4893 4486 - -
300 3845 3517 3698 3369 3535 3206 3388 3059
350 4198 4177 4078 4057 3952 3930 3833 3812
375 4521 4498 4263 4240 3882 3860 3611 3588
400 4369 4293 4395 4319 4418 4358 4461 4369
Table 20. Lifting weights (lbs) - seismically rated units
Size
(tons)
Lifting Location
W1 W2 W3 W4 W5 W6 W7 W8
Aluminum Coils - Standard Efficiency
140 2565 2955 2753 3101 ----
155 2568 3025 2758 3104 ----
170 2569 2973 2765 3114 ----
185 3406 3763 2789 3145 ----
200 3449 3886 2878 3315 ----
225 4140 4386 3342 3499 ----
250 3840 4375 3694 3753 ----
275 3545 3105 3541 3124 3546 3116 - -
300 3644 3254 3822 3421 4005 3589 - -
350 3558 3174 3976 3551 4396 3971 - -
400 3620 3481 3387 3365 3279 3257 3177 3112
450 3612 3590 3490 3468 3312 3290 3184 4212
500 3542 3464 3575 3498 3625 3547 3660 3583
Aluminum Coils - High Efficiency
140 2568 2961 2762 3111 ----
155 3270 3683 2676 3090 ----
170 3280 3700 2689 3110 ----
185 3642 4262 3080 3699 ----
200 3840 4346 3292 3699 ----
225 2710 3049 2613 2953 2520 2865 - -
250 2737 3049 2644 2966 2555 2865 - -
275 3436 3028 3772 3364 4111 3702 - -
300 3123 2779 3057 2713 2941 2640 2924 2574
350 3083 3020 3153 3090 3229 3166 3300 3236
400 3542 3464 3575 3498 3625 3547 3660 3583
Aluminum Coils - Extra Efficiency
140 3280 3700 2689 3110 ----
155 3642 4262 3080 3699 ----
170 3840 4346 3292 3699 ----
185 2710 3049 2613 2953 2520 2865 - -
200 2737 3049 2644 2966 2555 2865 - -
250 3436 3028 3772 3364 4198 3702 - -
275 3123 2779 3057 2713 2941 2640 2924 2574
300 3083 3020 3153 3090 3229 3166 3300 3236
350 3542 3464 3575 3498 3625 3547 3660 3583

Installation - Mechanical
32 RTAC-SVX01M-EN
Table 21. Lifting weights (lbs) - remote evaporator
condensing units - 60 Hz
Size
(tons)
Standard Efficiency High Efficiency
Lifting Location Lifting Location
W1 W2 W3 W4 W1 W2 W3 W4
Aluminum Coils
140 1993 2303 1899 2164 1993 2236 1899 2164
155 1996 2236 1903 2164 1552 2844 1904 3160
170 1994 2239 1903 2168 2551 2848 1903 3308
185 2682 2920 2011 3331 2837 3315 2215 2693
200 2713 3025 2083 3358 3025 3390 2335 2693
225 3025 3430 2335 2741 ----
250 3071 3430 2381 2741 ----
Copper Coils
140 2466 2827 2624 3039 2466 2711 2624 2950
155 2569 2827 2627 2950 3298 3710 2748 3160
170 2467 2829 2627 2954 3417 3845 2881 3308
185 3474 3913 2892 3331 3773 4399 3264 3890
200 3489 3891 2927 3358 3960 4474 3383 3890
225 3960 4514 3383 3938 ----
250 4006 4514 3430 3938 ----
Table 22. Lifting weights (lbs) - remote evaporators
Size
(tons)
Standard Efficiency High Efficiency
Lifting Location Lifting Location
W1 W2 W3 W4 W1 W2 W3 W4
Aluminum Coils
140 621 621 622 622 632 632 632 632
155 632 631 631 631 639 639 639 639
170 632 632 632 632 650 650 650 650
185 639 639 639 639 699 699 699 700
200 650 650 650 650 711 711 712 712
225 699 699 699 700 - - - -
250 711 711 712 712 - - - -

Installation - Mechanical
RTAC-SVX01M-EN 33
Center of Gravity
Table 23. Center of gravity (in) - 60 Hz
Unit Size
(tons) Packaged Remote Remote Evap
XY Z XY Z XYZ
Aluminum Coils - Standard Efficiency
140 88 45 35.5 85 45 37.25 39 30 25
155 88 45 35.5 85 45 37.25 39 30 25
170 88 45 35.5 85 45 37.25 39 30 25
185 106 44 35.5 103 44 39 53 30 25
200 106 45 35.5 107 45 39 53 30 25
225 124 45 35.5 121 45 41.5 53 30 25
250 124 45 35.5 121 45 41.5 53 30 25
275 176 42 35.5 - - - - - -
300 199 42 35.5 - - - - - -
350 205 42 35.5 - - - - - -
400 234 44 35.5 - - - - - -
450 266 44 35.5 - - - - - -
500 274 44 35.5 - - - - - -
Aluminum Coils - High Efficiency
140 88 45 35.5 85 45 37.25 39 30 25
155 106 45 35.5 103 45 39 53 30 25
170 106 45 35.5 103 45 39 53 30 25
185 124 46 35.5 122 46 41.5 53 30 25
200 124 45 35.5 121 45 41.5 53 30 25
225 167 45 35.5 - - - - - -
250 167 45 35.5 - - - - - -
275 203 42 35.5 - - - - - -
300 222 42 35.5 - - - - - -
350 234 44 35.5 - - - - - -
400 274 44 35.5 - - - - - -
Aluminum Coils - Extra Efficiency
140 106 45 35.5 - - - - - -
155 124 46 35.5 - - - - - -
170 124 45 35.5 - - - - - -
185 167 45 35.5 - - - - - -
200 167 45 35.5 - - - - - -
250 203 42 35.5 - - - - - -
275 222 42 35.5 - - - - - -
300 234 44 35.5 - - - - - -
350 274 44 35.5 - - - - - -
Copper Coils - Standard Efficiency
140 90 45 38 88 45 37.25 39 30 25
155 90 45 38 88 45 37.25 39 30 25
170 90 45 38 88 45 37.25 39 30 25
185 108 44 38 106 44 39 53 30 25
200 108 45 38 107 45 39 53 30 25
225 126 45 38 125 45 41.5 53 30 25
250 126 45 38 125 45 41.5 53 30 25
275 174 42 38 - - - - - -
300 195 43 38 - - - - - -
350 204 43 38 - - - - - -
400 235 44 38 - - - - - -
450 261 44 38 - - - - - -
500 273 44 38 - - - - - -
Copper Coils - High Efficiency
140 90 45 38 88 45 37.25 39 30 25
155 108 45 38 106 45 39 53 30 25
170 108 45 38 106 45 39 53 30 25
185 126 46 38 125 46 41.5 53 30 25
200 126 45 38 124 45 41.5 53 30 25
225 170 45 38 - - - - - -
250 170 45 38 - - - - - -
275 201 42 38 - - - - - -
300 219 42 38 - - - - - -
350 234 44 38 - - - - - -
400 273 44 38 - - - - - -
Copper Coils - Extra Efficiency
140 108 45 38 - - - - - -
155 126 46 38 - - - - - -
170 126 45 38 - - - - - -
185 170 45 38 - - - - - -
200 170 45 38 - - - - - -
250 201 42 38 - - - - - -
275 219 42 38 - - - - - -
300 234 44 38 - - - - - -
350 273 44 38 - - - - - -
Table 24. Center of gravity (in) - packaged units - 50 Hz
Unit Size
(tons) Standard Efficiency High Efficiency
XYZXYZ
Aluminum Coils
120 - - - 88 45 35.5
130 - - - 88 45 35.5
140 88 45 35.5 88 45 35.5
155 88 44 35.5 106 44 35.5
170 89 45 35.5 106 45 35.5
185 106 45 35.5 124 45 35.5
200 106 45 35.5 124 45 35.5
250 182 41 35.5 177 41 35.5
275 172 41 35.5 202 42 35.5
300 201 42 35.5 222 42 35.5
350 235 44 35.5 234 44 35.5
375 229 44 35.5 266 44 35.5
400 234 44 35.5 274 44 35.5
Copper Coils
120 - - - 904538
130 - - - 904538
140 90 45 38 90 45 38
155 90 44 38 108 44 38
170 90 45 38 108 45 38
185 108 45 38 126 45 38
200 108 45 38 126 45 38
250 183 42 38 174 42 38
275 171 42 38 200 42 38
300 197 42 38 220 42 38
350 235 44 38 235 44 38
375 227 44 38 261 44 38
400 235 44 38 273 44 38
Table 23. Center of gravity (in) - 60 Hz (continued)
Unit Size
(tons) Packaged Remote Remote Evap
XY Z XY Z XYZ

Installation - Mechanical
34 RTAC-SVX01M-EN
Isolation and Sound Emission
The most effective form of isolation is to locate the unit
away from any sound sensitive area. Structurally
transmitted sound can be reduced by elastomeric
vibration eliminators. Spring isolators are not
recommended for non-seismically rated applications.
Consult an acoustical engineer in critical sound
applications.
For maximum isolation effect, isolate water lines and
electrical conduit.Wall sleeves and rubber isolated piping
hangers can be used to reduce the sound transmitted
through water piping.To reduce the sound transmitted
through electrical conduit, use flexible electrical conduit.
State and local codes on sound emissions should always
be considered. Since the environment in which a sound
source is located affects sound pressure, unit placement
must be carefully evaluated. Sound power levels forTrane
air-cooled Series R®chillers are available on request.
Mounting and Leveling
For additional reduction of sound and vibration, install the
optional elastomeric isolators, seismic isolation pads or
seismic spring isolators. See “Unit Isolation,” p. 34 for
details.
Construct an isolated concrete pad for the unit or provide
concrete footings at the unit mounting points. Mount the
unit directly to the concrete pads or footings.
Level the unit using the base rail as a reference.The unit
must be level within 1/4-in (6 mm) over the entire length
and width. Use shims as necessary to level the unit.
Unit Isolation
Elastomeric Isolators
(Optional for units without seismic rating)
See Figure 14 and Table 25 for description of elastomeric
isolators (model number digit 33=RorG).
\
See “Elastomeric Isolator Mounting Units without Seismic
Rating,” p. 37 for isolator selection, placement and point
weights.
1. Secure the isolators to the mounting surface using the
mounting slots in the isolator base plate. Do not fully
tighten the isolator mounting bolts at this time.
Important: For proper operation, isolator must be
oriented as shown in Figure 14. Mounting
holes must be to the outside, and under the
unit.
2. Align the mounting holes in the base of the unit with
the threaded positioning pins on the top of the
isolators.
3. Lower the unit onto the isolators and secure the
isolator to the unit with a nut.
4. Level the unit carefully. Fully tighten the isolator
mounting bolts.
Figure 14. RTAC elastomeric isolator
T
able 25. RTAC elastomeric isolator details
EXT
Max Load Each
(lbs) Color
Maximum
Deflection (in) A B C D E H L M W Type
61 1500 BROWN
0.50 3.00 0.50 5.00 0.56 0.38 2.75 6.25 1.60±
.25 4.63 RDP-4
62 2250 RED
63 3000 GREEN
64 4000 GRAY
D
W
L
C
H
H
E
A
B
M
Mounting molded in Neoprene
1/2-13NC-2B
L
C
D
W
Unit Base Rail
Isolator mounting holes
to outside, and under uni
t
Isolator Installation Orientation

Installation - Mechanical
RTAC-SVX01M-EN 35
Unit Isolation for Seismically Rated Units
Seismic Elastomeric Isolation Pads
Elastomeric pads are provided with an isolation washer
and 3/4” free hole in the center of the plate. Isolation pads
are shipped inside the unit control panel. See Table 26 for
pad specifications.
See Table 27 for quantity of isolation pads required and
“Seismic Isolator Mounting,” p. 44 or unit submittal for
isolator placement dimensional information.
Set isolation pads on mounting surface, ensuring that all
isolator centerlines match the submittal drawing.
Place unit on pads, and secure as shown in Figure 15 using
provided isolation washer and additional hardware
obtained locally.
• With the exception of the isolation washer, hardware is
not included.
• Recommended use of Grade 8 hardware
• Units have a tapered base rail that requires a tapered
washer
•Support structure may vary
•If job site has an I-beam or C-channel, a fender
washer and grade 8 washer should be installed
under the support structure.
Table 26. Seismically rated elastomeric isolation pad
Dimension (in)
Model Max Load Length Width Height
B-36 2520 6 6 .625
Table 27. Seismic elastomeric isolation pad quantities
Unit Size (tons)
Efficiency
Std High Extra
120 - - -
130 - - -
140 8 8 8
155 8 8 10
170 8 8 10
185 8 10 10
200 8 10 10
225 10 10 -
250 10 10 12
275 10 12 12
300 12 12 12
350 12 12 14
375 - - -
400 12 14 -
450 14 - -
500 14 - -
Figure 15. Seismic isolation pad — installed(a)
(a) Not to scale.
NOTICE:
Replace Isolation Pads and Hardware
after Seismic Event!
If unit experiences a seismic event, isolation pads and
hardware must be replaced. Failure to replace isolation
pads and hardware would compromise the installation
and could result in equipment damage during future
seismic events.
Grade 8 Washer
Fender Washer
Isolation
Washer
Unit Base Rail
Steel
Plate
Isolation Pad
Grade 8 Bolt
Building Support Structure
Grade 8 Washer
Fender Washer
(Washers under support structure recommended
if job site has an I-beam or C-channel.)
Nut

Installation - Mechanical
36 RTAC-SVX01M-EN
Seismic Spring Isolators
See “Seismic Isolator Mounting,” p. 44 for mounting
locations, isolator selection and point weights.
Seismically rated isolators are optional for IBC and OSHPD
seismically rated units.
Isolators are identified by part number and color as shown
in Table 28. For dimensions, see Figure 16.
Install the optional seismically rated isolators at each
mounting location specified in section “Seismic Isolator
Mounting,” p. 44.
1. Set isolators on mounting surface, ensuring that all
isolator centerlines match the submittal drawing. All
isolator base plates (B) must be installed on a level
surface. Shim or grout as required, leveling all isolat(or
base plates at the same elevation.
2. Anchor all isolators to the surface using thru holes (C)
for concrete or (D) for steel as require.Welding to steel
is permitted providing the weld achieves the required
strength.
3. Remove clamp down nut (H) and washer (I). Isolators
are shipped with (2) removable spacer shims (E)
between the top plate and the housing.
Important: These shims MUST be in place when the
equipment is positioned over the isolators.
4. With all shims (E) in place, place the equipment onto
the top plate (A) of the isolators.
5. Bolt equipment securely to the isolators using washer
(I) and nut (H).
Important: The following adjustment process can only
begin after the equipment or machine is at
its full operating weight.
Table 28. RTAC seismically rated isolator
Model
Rated
Load
(lbs)
Rated
Deflection
(in)
Spring
Rate
(lbs/in) Color Code
MSSH-1E-2000 2000 1.11 1800 White
MSSH-1E-2575N 2575 1.11 2313 White/Dk Purple
MSSH-1E-2990N 2990 1.11 2682 White/Dk Green
Figure 16. MSSH seismically rated isolator
8
FREE &
OPERATING
HEIGHT
10 1/4
1/4 - 3/8
ELASTOMERIC
SNUBBER
3/8 GAP
5/8 ADJUSTING
NUT
STEEL SHIM
(REMOVE AFTER
SPRING ADJUSTMENT)
ELASTOMERIC
CUP
TOP
COMPRESSION
CUP
PVC
BUSHING
(BASE PLATE)
3/4 DIA HOLE FOR
ATTACHMENTTO
STEEL (4 TYP)
(VIEW CUT AWAY FOR CLARITY)
13/16DIA HOLEFOR
ATTACHMENTTO
CONCRETE (4TYP)
27/8
21/4
7/8
61/4
11/8
8
71/411/2
CUSTOMER
EQUIPMENT
1/2 LIMIT STOP
(NOT SHOWN
IN TOP VIEW
FOR CLARITY)
8
(3/8)
(1/2)
53/4
SHIPPING SPACER
REMOVAL STRAP
(NOT SHOWN
INOTHERVIEW
FOR CLARITY)
CUSTOMER
EQUIPMENT
5/8EQUIPMENT
CLAMP DOWNNUT
Figure 17. MSSH Seismic isolator installation reference
("A")
("E") ("G") ("E")
GROMMET
WASHER
("F")
("B")
1/4 - 3/8
("H")
CUSTOMER
EQUIPMENT
("I")
("C") ("D") ("C")
("F")
("E")
("A")
CUSTOMER
EQUIPMENT
("I") ("H")

Installation - Mechanical
RTAC-SVX01M-EN 37
6. Back off each of the (2) or (4) limit stop locknuts (F) per
isolator 1/4-3/8”.
7. Adjust each isolator in sequence by turning adjusting
nut(s) (G) one full clockwise turn at a time. Repeat this
procedure on all isolators, one at a time. check the limit
stop locknuts (F) periodically to ensure that clearance
between the washer and rubber grommet is
maintained. Stop adjustment of an isolator only when
the top plate (A) has risen just above the shim (E).
8. Remove all spacer shims (E).
9. Fine adjust isolators to level equipment.
10. Adjust all limit stop locknuts (F) per isolator to obtain 3/
8” gap. the limit stop nuts must be kept at this 3/8” gap
to ensure uniform bolt loading during uplift.
Isolator Selection and Mounting Locations
Elastomeric Isolator Mounting
Units without Seismic Rating
Figure 18. Mounting locations (without seismic rating)
Table 29. Mounting locations —
60 Hz units without seismic rating
Size
(tons)
Dimension (in)
ABCDE
Standard Efficiency
140 15.13 46 53 53 -
155 15.13 46 53 53 -
170 15.13 46 53 53 -
185 15.08 48 76 76 -
200 15.08 48 76 76 -
225 15.08 39 69 64 64
250 15.08 39 69 64 64
275 18.70 76 90 90 75
300 18.70 71 90 100 140
350 18.70 71 90 100 140
400 18.70 139 103 67 128
450 18.70 128 127 127 127
500 18.70 128 127 127 127
High Efficiency
140 15.13 46 53 53 -
155 15.13 48 76 76 -
170 15.13 48 76 76 -
CONTROL PANEL (CKT 1 PANEL)
AEDCB 1.0
”
1.0
”
185 15.13 39 69 64 64
200 15.13 39 69 64 64
225 15.59 56 95 75 105
250 15.59 56 95 75 105
275 18.70 71 90 100 140
300 18.70 87 110 125 115
350 18.70 139 103 67 128
400 18.70 127 127 127 127
Extra Efficiency
140 15.08 48 76 76 -
155 15.08 39 69 64 64
170 15.08 39 69 64 64
185 15.59 56 95 75 105
200 15.59 56 95 75 105
250 18.70 71 90 100 140
275 18.70 87 110 125 115
300 18.70 139 103 67 128
350 18.70 128 127 127 127
Table 30. Mounting locations —
50 Hz units without seismic rating
Size
(tons)
Dimension (in)
ABCDE
Standard Efficiency
140 15.13 46 53 53 -
155 15.13 46 53 53 -
170 15.13 46 53 53 -
185 15.08 48 76 76 -
200 15.08 48 76 76 -
250 18.70 76 90 90 75
275 18.70 76 90 90 75
300 18.70 71 90 100 140
375 18.70 139 103 67 128
350 18.70 139 103 67 128
400 18.70 139 103 67 128
High Efficiency
120 15.13 46 53 53 -
130 15.13 46 53 53 -
140 15.13 46 53 53 -
155 15.13 48 76 76 -
170 15.13 48 76 76 -
185 15.13 39 69 64 64
200 15.13 39 69 64 64
250 15.59 76 90 90 75
275 15.59 71 90 100 140
300 18.70 87 110 125 115
350 18.70 139 103 67 128
375 18.70 128 127 127 127
400 18.70 128 127 127 127
Table 29. Mounting locations —
60 Hz units without seismic rating (continued)
Size
(tons)
Dimension (in)
ABCDE

Installation - Mechanical
38 RTAC-SVX01M-EN
Elastomeric Isolator Selection
Table 31. Elastomeric isolator selections - packaged units - 60 Hz
Size
(tons)
Location
12345678910
Standard Efficiency
140 Red 62 Red 62 Red 62 Red 62 Red 62 Red 62 Red 62 Red 62 - -
155 Red 62 Red 62 Red 62 Red 62 Red 62 Red 62 Red 62 Red 62 - -
170 Red 62 Red 62 Red 62 Red 62 Red 62 Red 62 Red 62 Red 62 - -
185 Red 62 Red 62 Red 62 Red 62 Red 62 Red 62 Red 62 Red 62 - -
200 Red 62 Red 62 Red 62 Red 62 Red 62 Red 62 Red 62 Red 62 - -
225 Red 62 Red 62 Red 62 Red 62 Red 62 Red 62 Red 62 Red 62 Red 62 Red 62
250 Red 62 Red 62 Red 62 Red 62 Red 62 Red 62 Red 62 Red 62 Red 62 Red 62
275 Gray 64 Gray 64 Gray 64 Gray 64 Gray 64 Gray 64 Gray 64 Gray 64 Gray 64 Gray 64
300 Gray 64 Gray 64 Gray 64 Gray 64 Gray 64 Gray 64 Gray 64 Gray 64 Gray 64 Gray 64
350 Gray 64 Gray 64 Gray 64 Gray 64 Gray 64 Gray 64 Gray 64 Gray 64 Gray 64 Gray 64
400 Gray 64 Gray 64 Gray 64 Gray 64 Gray 64 Gray 64 Gray 64 Gray 64 Gray 64 Gray 64
450 Gray 64 Gray 64 Gray 64 Gray 64 Gray 64 Gray 64 Gray 64 Gray 64 Gray 64 Gray 64
500 Gray 64 Gray 64 Gray 64 Gray 64 Gray 64 Gray 64 Gray 64 Gray 64 Gray 64 Gray 64
High Efficiency
140 Red 62 Red 62 Red 62 Red 62 Red 62 Red 62 Red 62 Red 62 - -
155 Red 62 Red 62 Red 62 Red 62 Red 62 Red 62 Red 62 Red 62 - -
170 Red 62 Red 62 Red 62 Red 62 Red 62 Red 62 Red 62 Red 62 - -
185 Red 62 Red 62 Red 62 Red 62 Red 62 Red 62 Red 62 Red 62 Red 62 Red 62
200 Red 62 Red 62 Red 62 Red 62 Red 62 Red 62 Red 62 Red 62 Red 62 Red 62
225 Red 62 Red 62 Red 62 Red 62 Red 62 Red 62 Red 62 Red 62 Red 62 Red 62
250 Red 62 Red 62 Red 62 Red 62 Red 62 Red 62 Red 62 Red 62 Red 62 Red 62
275 Gray 64 Gray 64 Gray 64 Gray 64 Gray 64 Gray 64 Gray 64 Gray 64 Gray 64 Gray 64
300 Gray 64 Gray 64 Gray 64 Gray 64 Gray 64 Gray 64 Gray 64 Gray 64 Gray 64 Gray 64
350 Gray 64 Gray 64 Gray 64 Gray 64 Gray 64 Gray 64 Gray 64 Gray 64 Gray 64 Gray 64
400 Gray 64 Gray 64 Gray 64 Gray 64 Gray 64 Gray 64 Gray 64 Gray 64 Gray 64 Gray 64
Extra Efficiency
140 Red 62 Red 62 Red 62 Red 62 Red 62 Red 62 Red 62 Red 62 - -
155 Red 62 Red 62 Red 62 Red 62 Red 62 Red 62 Red 62 Red 62 Red 62 Red 62
170 Red 62 Red 62 Red 62 Red 62 Red 62 Red 62 Red 62 Red 62 Red 62 Red 62
185 Red 62 Red 62 Red 62 Red 62 Red 62 Red 62 Red 62 Red 62 Red 62 Red 62
200 Red 62 Red 62 Red 62 Red 62 Red 62 Red 62 Red 62 Red 62 Red 62 Red 62
250 Gray 64 Gray 64 Gray 64 Gray 64 Gray 64 Gray 64 Gray 64 Gray 64 Gray 64 Gray 64
275 Gray 64 Gray 64 Gray 64 Gray 64 Gray 64 Gray 64 Gray 64 Gray 64 Gray 64 Gray 64
300 Gray 64 Gray 64 Gray 64 Gray 64 Gray 64 Gray 64 Gray 64 Gray 64 Gray 64 Gray 64
350 Gray 64 Gray 64 Gray 64 Gray 64 Gray 64 Gray 64 Gray 64 Gray 64 Gray 64 Gray 64

Installation - Mechanical
RTAC-SVX01M-EN 39
Table 32. Elastomeric isolator selections - packaged units - 50 Hz
Size
(tons)
Location
12345678910
Standard Efficiency
140 Red 62 Red 62 Red 62 Red 62 Red 62 Red 62 Red 62 Red 62 - -
155 Red 62 Red 62 Red 62 Red 62 Red 62 Red 62 Red 62 Red 62 - -
170 Red 62 Red 62 Red 62 Red 62 Red 62 Red 62 Red 62 Red 62 - -
185 Red 62 Red 62 Red 62 Red 62 Red 62 Red 62 Red 62 Red 62 - -
200 Red 62 Red 62 Red 62 Red 62 Red 62 Red 62 Red 62 Red 62 - -
250 Gray 64 Gray 64 Gray 64 Gray 64 Gray 64 Gray 64 Gray 64 Gray 64 Gray 64 Gray 64
275 Gray 64 Gray 64 Gray 64 Gray 64 Gray 64 Gray 64 Gray 64 Gray 64 Gray 64 Gray 64
300 Gray 64 Gray 64 Gray 64 Gray 64 Gray 64 Gray 64 Gray 64 Gray 64 Gray 64 Gray 64
350 Gray 64 Gray 64 Gray 64 Gray 64 Gray 64 Gray 64 Gray 64 Gray 64 Gray 64 Gray 64
400 Gray 64 Gray 64 Gray 64 Gray 64 Gray 64 Gray 64 Gray 64 Gray 64 Gray 64 Gray 64
High Efficiency
120 Red 62 Red 62 Red 62 Red 62 Red 62 Red 62 Red 62 Red 62 - -
130 Red 62 Red 62 Red 62 Red 62 Red 62 Red 62 Red 62 Red 62 - -
140 Red 62 Red 62 Red 62 Red 62 Red 62 Red 62 Red 62 Red 62 - -
155 Red 62 Red 62 Red 62 Red 62 Red 62 Red 62 Red 62 Red 62 - -
170 Red 62 Red 62 Red 62 Red 62 Red 62 Red 62 Red 62 Red 62 - -
185 Red 62 Red 62 Red 62 Red 62 Red 62 Red 62 Red 62 Red 62 Red 62 Red 62
200 Red 62 Red 62 Red 62 Red 62 Red 62 Red 62 Red 62 Red 62 Red 62 Red 62
250 Gray 64 Gray 64 Gray 64 Gray 64 Gray 64 Gray 64 Gray 64 Gray 64 Gray 64 Gray 64
275 Gray 64 Gray 64 Gray 64 Gray 64 Gray 64 Gray 64 Gray 64 Gray 64 Gray 64 Gray 64
300 Gray 64 Gray 64 Gray 64 Gray 64 Gray 64 Gray 64 Gray 64 Gray 64 Gray 64 Gray 64
350 Gray 64 Gray 64 Gray 64 Gray 64 Gray 64 Gray 64 Gray 64 Gray 64 Gray 64 Gray 64
400 Gray 64 Gray 64 Gray 64 Gray 64 Gray 64 Gray 64 Gray 64 Gray 64 Gray 64 Gray 64
Table 33. Elastomeric isolator selections - remote units - 60 Hz
Size
(tons)
Location
12345678910
Standard Efficiency
140 Brown 61 Brown 61 Brown 61 Brown 61 Brown 61 Brown 61 Brown 61 Brown 61 - -
155 Brown 61 Brown 61 Brown 61 Brown 61 Brown 61 Brown 61 Brown 61 Brown 61 - -
170 Brown 61 Brown 61 Brown 61 Brown 61 Brown 61 Brown 61 Brown 61 Brown 61 - -
185 Brown 61 Brown 61 Brown 61 Brown 61 Brown 61 Brown 61 Brown 61 Brown 61 - -
200 Brown 61 Brown 61 Brown 61 Brown 61 Brown 61 Brown 61 Brown 61 Brown 61 - -
225 Brown 61 Brown 61 Brown 61 Brown 61 Brown 61 Brown 61 Brown 61 Brown 61 Brown 61 Brown 61
250 Brown 61 Brown 61 Brown 61 Brown 61 Brown 61 Brown 61 Brown 61 Brown 61 Brown 61 Brown 61
High Efficiency
140 Brown 61 Brown 61 Brown 61 Brown 61 Brown 61 Brown 61 Brown 61 Brown 61 - -
155 Brown 61 Brown 61 Brown 61 Brown 61 Brown 61 Brown 61 Brown 61 Brown 61 - -
170 Brown 61 Brown 61 Brown 61 Brown 61 Brown 61 Brown 61 Brown 61 Brown 61 - -
185 Brown 61 Brown 61 Brown 61 Brown 61 Brown 61 Brown 61 Brown 61 Brown 61 Brown 61 Brown 61
200 Brown 61 Brown 61 Brown 61 Brown 61 Brown 61 Brown 61 Brown 61 Brown 61 Brown 61 Brown 61

Installation - Mechanical
40 RTAC-SVX01M-EN
Point Weights (Units without Seismic Rating)
See Table 34, p. 40 through Table 36, p. 43 for point
weights of units that are NOT seismically rated.
See Table 40, p. 46 for seismically rated units (unit model
number digit 13=SorE).
Table 34. Point weights (lbs) - packaged units - 60 Hz- units not seismically rated
Size
(tons)
Isolator Location
W1 W2 W3 W4 W5 W6 W7 W8 W9 W10
Aluminum Coils - Standard Efficiency
140 1402 1450 1383 1430 1361 1408 1333 1379 - -
155 1402 1450 1383 1430 1361 1408 1333 1379 - -
170 1461 1450 1383 1430 1361 1408 1339 1386 - -
185 1657 1673 1734 1638 1564 1584 1519 1530 - -
200 1674 1733 1646 1701 1604 1658 1561 1616 - -
225 1521 1571 1503 1554 1472 1522 1443 1494 1413 1473
250 1539 1601 1522 1584 1493 1522 1465 1527 1438 1500
275 1925 2188 1887 2148 1870 2082 1787 2062 1750 1986
300 1936 2173 1974 2198 1994 2230 2029 2266 2080 2334
350 1907 2144 1977 2213 2065 2301 2163 2399 2300 2536
400 2744 2758 2667 2646 2584 2564 2531 2510 2428 2422
450 2812 2774 2791 2753 2770 2733 2750 2712 2729 2569
500 2777 2719 2787 2744 2812 2768 2836 2792 2860 2817
Aluminum Coils - High Efficiency
140 1402 1450 1383 1430 1361 1408 1339 1387 - -
155 1588 1648 1565 1609 1505 1558 1465 1507 - -
170 1657 1652 1565 1622 1515 1579 1465 1530 - -
185 1419 1523 1405 1510 1381 1496 1358 1466 1335 1400
200 1497 1552 1479 1539 1446 1496 1417 1466 1389 1440
225 1661 1686 1649 1674 1629 1654 1613 1639 1591 1617
250 1661 1686 1649 1674 1629 1654 1613 1639 1591 1617
275 1829 2070 1891 2134 1960 2201 2093 2282 2193 2395
300 2147 2392 2120 2391 2087 2357 2049 2319 2014 2284
350 2647 2629 2535 2517 2452 2434 2512 2380 2294 2300
400 2744 2705 2773 2729 2797 2754 2822 2778 2846 2802
Aluminum Coils - Extra Efficiency
140 1657 1652 1565 1622 1515 1579 1465 1530 - -
155 1419 1523 1405 1510 1381 1496 1358 1466 1335 1400
170 1497 1552 1479 1539 1446 1496 1417 1466 1389 1440
185 1661 1686 1649 1674 1629 1654 1613 1639 1591 1617
200 1661 1686 1649 1674 1629 1654 1613 1639 1591 1617
250 1829 2070 1891 2134 1960 2201 2093 2282 2193 2395
275 2147 2392 2120 2391 2087 2357 2049 2319 2014 2284
300 2647 2629 2535 2517 2452 2434 2512 2380 2294 2300
350 2744 2705 2773 2729 2797 2754 2822 2778 2846 2802

Installation - Mechanical
RTAC-SVX01M-EN 41
Copper Coils - Standard Efficiency
140 1658 1720 1675 1737 1695 1757 1715 1777 - -
155 1658 1720 1675 1737 1695 1757 1715 1777 - -
170 1658 1720 1675 1737 1695 1757 1715 1776 - -
185 2025 2061 2012 2052 1997 2098 1984 2024 - -
200 2042 2121 2040 2114 2038 2129 2036 2110 - -
225 1868 1954 1865 1945 1861 1951 1859 1049 1857 1947
250 1891 1961 1890 1960 1887 1957 1885 1956 1883 1953
275 2505 2768 2458 2700 2358 2589 2215 2501 2130 2384
300 2550 2787 2458 2786 2547 2784 2545 2782 2543 2798
350 2467 2704 2548 2785 2651 2888 2765 3003 2946 3163
400 3474 3498 3372 3350 3272 3207 3207 3184 3082 3077
450 3576 3602 3465 3468 3332 3199 3199 3202 3066 3069
500 3552 3513 3575 3536 3597 3620 3620 3580 3642 3552
Copper Coils - High Efficiency
140 1658 1720 1675 1737 1695 1757 1715 1777 - -
155 1956 2029 1958 2022 1949 2011 1928 2001 - -
170 1965 2040 1958 2035 1949 2098 1939 2014 - -
185 1788 1914 1792 1916 1796 1951 1800 1924 1804 1928
200 1868 1928 1865 1936 1861 1932 1859 1928 1853 1928
225 2077 2125 2090 2135 2105 2152 2118 2166 2137 2185
250 2077 2125 2090 2135 2105 2152 2118 2166 2137 2185
275 2410 2652 2458 2700 2519 2761 2587 2828 2720 2923
300 2825 3097 2766 3037 2690 2962 2605 2876 2526 2798
350 3377 3357 3241 3221 3139 3074 3074 3054 2948 2946
400 3531 3498 3561 3521 3583 3606 3606 3566 3628 3588
Copper Coils - Extra Efficiency
140 1965 2040 1958 2035 1949 2098 1939 2014 - -
155 1788 1914 1792 1916 1796 1951 1800 1924 1804 1928
170 1868 1928 1865 1936 1861 1932 1859 1928 1853 1928
185 2077 2125 2090 2135 2105 2152 2118 2166 2137 2185
200 2077 2125 2090 2135 2105 2152 2118 2166 2137 2185
250 2410 2652 2458 2700 2519 2761 2587 2828 2720 2923
275 2825 3097 2766 3037 2690 2962 2605 2876 2526 2798
300 3377 3357 3241 3221 3139 3074 3074 3054 2948 2946
350 3531 3498 3561 3521 3583 3606 3606 3566 3628 3588
Table 34. Point weights (lbs) - packaged units - 60 Hz- units not seismically rated (continued)
Size
(tons)
Isolator Location
W1 W2 W3 W4 W5 W6 W7 W8 W9 W10

Installation - Mechanical
42 RTAC-SVX01M-EN
Table 35. Point weights (lbs) - packaged units - 50 Hz
Size
(tons)
Isolator Location
W1 W2 W3 W4 W5 W6 W7 W8 W9 W10
Aluminum Coils - Standard Efficiency
140 1402 1450 1383 1430 1361 1408 1333 1379 - -
155 1461 1457 1444 1435 1414 1411 1389 1386 - -
170 1402 1503 1444 1491 1431 1478 1418 1465 - -
185 1674 1733 1646 1699 1586 1645 1532 1596 - -
200 1674 1742 1662 1716 1621 1675 1580 1634 - -
250 1936 1642 1963 2356 1997 1703 2030 1736 2059 1764
275 2059 2353 1973 2266 1870 2201 1787 2062 1683 1986
300 1936 2104 1890 2198 1994 2196 2029 2266 2080 2334
350 2539 2520 2451 2421 2368 2349 2320 2301 2230 2300
375 2437 2386 2491 2440 2519 2678 2562 2511 2620 2569
400 2744 2758 2667 2646 2584 2564 2531 2510 2428 2422
Aluminum Coils - High Efficiency
120 1402 1450 1383 1430 1361 1408 1333 1379 - -
130 1402 1450 1383 1430 1361 1408 1333 1379 - -
140 1402 1450 1383 1430 1361 1408 1339 1387 - -
155 1657 1648 1617 1622 1585 1579 1541 1537 - -
170 1597 1712 1629 1684 1586 1645 1541 1596 - -
185 1468 1552 1455 1539 1446 1522 1417 1494 1389 1472
200 1521 1571 1503 1554 1472 1522 1443 1494 1414 1473
250 1926 2187 1888 2685 1833 2100 1786 2063 2000 2015
275 1907 2174 1973 2209 2022 2273 2093 2244 2193 2444
300 2147 2417 2120 2391 2087 2357 2049 2319 2014 2284
350 2392 2340 2522 2470 2591 2538 2695 2643 2837 2784
375 2755 2718 2735 2698 2715 2678 2695 2658 2674 2637
400 2744 2705 2773 2729 2797 2754 2822 2779 2846 2802
Copper Coils - Standard Efficiency
140 1658 1720 1675 1737 1695 1757 1715 1777 - -
155 1717 1728 1737 1742 1748 1750 1765 1775 - -
170 1717 1774 1737 1798 1765 1827 1893 1855 - -
185 2042 2121 2034 2112 2020 2038 2006 2090 - -
200 2056 2130 2055 2130 2055 2112 2054 2129 - -
250 2078 2332 2089 1669 2118 2385 2146 2413 2170 2437
275 2638 2933 2529 2805 2358 2653 2215 2501 2079 2384
300 2462 2718 2477 2732 2495 2784 2545 2782 2543 2798
350 3158 3137 3039 3018 2951 2894 2894 2873 2784 2779
375 3576 3579 3291 3255 3083 2948 2948 2912 2689 2690
400 3538 3498 3372 3350 3272 3207 3207 3184 3082 3077
Copper Coils - Standard Efficiency
120 1658 1720 1675 1737 1695 1757 1715 1777 - -
130 1658 1720 1675 1737 1695 1757 1715 1777 - -
140 1658 1720 1675 1737 1695 1757 1715 1777 - -
155 2025 2040 2012 2035 2009 2033 2007 2031 - -
170 2025 2100 3034 2098 2020 2038 2016 2090 - -
185 1839 1954 1842 1945 1846 1920 1859 1956 1857 1961
200 1891 1961 1890 1960 1887 1957 1885 1956 1883 1953
250 2506 2767 2418 2134 2321 2588 2224 2491 2170 2437
275 2488 2740 2529 2805 2581 2833 2639 2828 2720 2972
300 2825 3097 2766 3037 2690 2962 2605 2876 2526 2798
350 3000 2934 3184 3118 3281 3214 3429 3362 3628 3562
375 3576 3579 3442 3445 3309 3176 3176 3179 3043 3046
400 3445 3396 3516 3467 3587 3538 3658 3609 3628 3681

Installation - Mechanical
RTAC-SVX01M-EN 43
Table 36. Point weights (lbs) - condensing units - 60 Hz
Size (tons)
Isolator Location
12345678910
Aluminum Coils - Standard Efficiency
140 1150 1183 1095 1128 1032 1065 969 1002 - -
155 1150 1183 1095 1128 1032 1065 969 1002 - -
170 1150 1183 1095 1128 1032 1065 969 1002 - -
185 1381 1384 1325 1331 1241 1246 1156 1162 - -
200 1397 1437 1351 1391 1279 1318 1206 1246 - -
225 1251 1307 1222 1279 1172 1229 1126 1190 1081 1140
250 1274 1312 1246 1283 1196 1233 1149 1190 1103 1140
Aluminum Coils - High Efficiency
140 1150 1183 1095 1128 1032 1065 969 1002 - -
155 1321 1361 1270 1301 1190 1230 1109 1149 - -
170 1321 1361 1270 1314 1190 1230 1109 1149 - -
185 1175 1267 1151 1242 1107 1199 1067 1159 1027 1118
200 1251 1295 1222 1259 1172 1207 1122 1159 1081 1118
Copper Coils - Standard Efficiency
140 1406 1454 1388 1435 1366 1414 1345 1392 - -
155 1406 1454 1388 1435 1366 1414 1345 1392 - -
170 1406 1454 1388 1435 1366 1414 1345 1392 - -
185 1749 1772 1718 1744 1675 1700 1631 1656 - -
200 1768 1825 1745 1805 1713 1772 1680 1740 - -
225 1622 1697 1608 1686 1587 1665 1568 1645 1549 1625
250 1644 1702 1633 1690 1611 1668 1591 1648 1571 1628
Copper Coils - High Efficiency
140 1406 1454 1388 1435 1366 1414 1345 1392 - -
155 1689 1749 1664 1714 1624 1673 1583 1644 - -
170 1689 1749 1664 1727 1624 1695 1583 1644 - -
185 1546 1657 1537 1649 1523 1634 1509 1621 1495 1607
200 1622 1686 1608 1666 1587 1642 1568 1621 1549 1599

Installation - Mechanical
44 RTAC-SVX01M-EN
Seismic Isolator Mounting
Figure 19. Mounting locations — seismic spring isolators or seismic elastomeric pads
CONTROL PANEL
(CKT 1 PANEL)
135791113
2 4 6 8 10 12 14
AEDCB GF 1.19”
1.19
”
Table 37. Mounting locations —
60 Hz units with seismic rating
Size
(tons)
Dimension (in)
ABCDEFG
Standard Efficiency
140 17 46 53 53 - - -
155 17 46 53 53 - - -
170 17 46 53 53 - - -
185 17 48 76 76 - - -
200 17 48 76 76 - - -
225 17 39 69 64 64 - -
250 17 39 69 64 64 - -
275 17 76 90 90 75 - -
300 17 80.25 80.25 80.25 80.25 80.25 -
350 17 80.25 80.25 80.25 80.25 80.25 -
400 17 87.5 87.5 87.5 87.5 87.5 -
450 17 84.85 84.85 84.85 84.85 92.75 78
500 17 84.85 84.85 84.85 84.85 92.75 78
High Efficiency
140 17 46 53 53 - - -
155 17 48 76 76 - - -
170 17 48 76 76 - - -
185 17 39 69 64 64 - -
200 17 39 69 64 64 - -
225 17 56 95 75 105 - -
250 17 56 95 75 105 - -
275 17 80.25 80.25 80.25 80.25 80.25 -
300 17 87.5 87.5 87.5 87.5 87.5 -
350 17 87.5 87.5 87.5 87.5 87.5 -
400 17 84.85 84.85 84.85 84.85 92.75 78
Extra Efficiency
140 17 48 76 76 - - -
155 17 39 69 64 64 - -
170 17 39 69 64 64 - -
185 17 56 95 75 105 - -
200 17 56 95 75 105 - -
250 17 80.25 80.25 80.25 80.25 80.25 -
275 17 87.5 87.5 87.5 87.5 87.5 -
300 17 87.5 87.5 87.5 87.5 87.5 -
350 17 84.85 84.85 84.85 84.85 92.75 78
Table 38. Mounting locations —
50 Hz units with seismic rating
Size
(tons)
Dimension (in)
ABCDEFG
Standard Efficiency
140 17 46 53 53 - - -
155 17 46 53 53 - - -
170 17 46 53 53 - - -
185 17 48 76 76 - - -
200 17 48 76 76 - - -
250 17 76 90 90 75 - -
275 17 76 90 90 75 - -
300 17 80.25 80.25 80.25 80.25 80.25 -
375 17 87.5 87.5 87.5 87.5 87.5 -
350 17 87.5 87.5 87.5 87.5 87.5 -
400 17 87.5 87.5 87.5 87.5 87.5 -
High Efficiency
120 17 46 53 53
130 17 46 53 53
140 17 46 53 53 - - -
155 17 48 76 76 - - -
170 17 48 76 76 - - -
185 17 39 69 64 64 - -
200 17 39 69 64 64 - -
250 17 76 90 90 75 - -
275 17 80.25 80.25 80.25 80.25 80.25 -
300 17 87.5 87.5 87.5 87.5 87.5 -
350 17 87.5 87.5 87.5 87.5 87.5 -
375 17 84.85 84.85 84.85 84.85 92.75 78
400 17 84.85 84.85 84.85 84.85 92.75 78

Installation - Mechanical
RTAC-SVX01M-EN 45
Seismic Spring Isolator Selection
Table 39. Seismic spring isolator selections (MSSH-1E-xxxx)
Size
(tons)
Location
1234567891011121314
Standard Efficiency
140 2000 2000 2000 2000 2000 2000 2000 2000 ------
155 2000 2000 2000 2000 2000 2000 2000 2000 ------
170 2000 2000 2000 2000 2000 2000 2000 2000 ------
185 2575N 2575N 2575N 2575N 2575N 2575N 2575N 2575N ------
200 2575N 2575N 2575N 2575N 2575N 2575N 2575N 2575N ------
225 2000 2000 2000 2000 2000 2000 2000 2000 2000 2000 ----
250 2575N 2575N 2575N 2575N 2575N 2575N 2575N 2575N 2575N 2575N ----
275 2990N 2990N 2990N 2990N 2575N 2575N 2575N 2575N 2575N 2575N ----
300 2990N 2990N 2990N 2990N 2575N 2575N 2575N 2575N 2000 2000 2000 2000 - -
350 2990N 2990N 2990N 2990N 2575N 2575N 2575N 2575N 2575N 2575N 2000 2000 - -
400 2990N 2990N 2990N 2990N 2990N 2990N 2990N 2990N 2990N 2990N 2990N 2990N - -
450 2990N 2990N 2990N 2990N 2990N 2990N 2990N 2990N 2990N 2990N 2990N 2990N 2990N 2990N
500 2990N 2990N 2990N 2990N 2990N 2990N 2990N 2990N 2990N 2990N 2990N 2990N 2990N 2990N
High Efficiency
140 2000 2000 2000 2000 2000 2000 2000 2000 ------
155 2000 2000 2000 2000 2000 2000 2000 2000 ------
170 2000 2000 2000 2000 2000 2000 2000 2000 ------
185 2000 2000 2000 2000 2000 2000 2000 2000 2000 2000 ----
200 2000 2000 2000 2000 2000 2000 2000 2000 2000 2000 ----
225 2575N 2575N 2575N 2575N 2575N 2575N 2000 2000 2000 2000 ----
250 2575N 2575N 2575N 2575N 2575N 2575N 2000 2000 2000 2000 ----
275 2990N 2990N 2990N 2990N 2575N 2575N 2575N 2575N 2000 2000 2000 2000 - -
300 2575N 2575N 2575N 2575N 2575N 2575N 2575N 2575N 2575N 2575N 2575N 2575N - -
350 2990N 2990N 2990N 2990N 2990N 2990N 2990N 2990N 2990N 2990N 2990N 2990N - -
400 2990N 2990N 2990N 2990N 2990N 2990N 2990N 2990N 2990N 2990N 2990N 2990N 2990N 2990N
Extra Efficiency
140 2000 2000 2000 2000 2000 2000 2000 2000 ------
155 2000 2000 2000 2000 2000 2000 2000 2000 2000 2000 ----
170 2000 2000 2000 2000 2000 2000 2000 2000 2000 2000 ----
185 2575N 2575N 2575N 2575N 2575N 2575N 2000 2000 2000 2000 ----
200 2575N 2575N 2575N 2575N 2575N 2575N 2000 2000 2000 2000 ----
250 2990N 2990N 2990N 2990N 2575N 2575N 2575N 2575N 2000 2000 2000 2000 - -
275 2575N 2575N 2575N 2575N 2575N 2575N 2575N 2575N 2575N 2575N 2575N 2575N - -
300 2990N 2990N 2990N 2990N 2990N 2990N 2990N 2990N 2990N 2990N 2990N 2990N - -
350 2990N 2990N 2990N 2990N 2990N 2990N 2990N 2990N 2990N 2990N 2990N 2990N 2990N 2990N

Installation - Mechanical
46 RTAC-SVX01M-EN
Point Weights (Units with Seismic Rating)
Table 40. Point weights (lbs) - seismically rated units
Size
(tons)
Isolator Location
W1 W2 W3 W4 W5 W6 W7 W8 W9 W10 W11 W12 W13 W14
Aluminum Coils - Standard Efficiency
140 1465 1515 1445 1494 1422 1471 1393 1441 - - - - - -
155 1472 1522 1452 1501 1429 1478 1400 1448 - - - - - -
170 1534 1523 1452 1502 1429 1478 1406 1455 - - - - - -
185 1740 1757 1821 1720 1642 1663 1595 1607 - - - - - -
200 1758 1820 1728 1786 1684 1741 1639 1697 - - - - - -
225 1597 1650 1578 1632 1546 1598 1515 1569 1484 1547 - - - -
250 1616 1681 1598 1663 1568 1598 1538 1603 1510 1575 - - - -
275 2360 2250 2251 2140 2122 2011 1993 1882 1885 1774 - - - -
300 2387 2287 2220 2120 2008 1909 1772 1673 1607 1508 1442 1343 - -
350 2357 2254 2224 2122 2058 1954 1871 1768 1741 1638 1611 1507 - -
400 2322 2410 2280 2368 2239 2327 2197 2286 2156 2245 2115 2203 - -
450 2143 2223 2111 2191 2079 2159 2015 2095 1951 2031 1918 1999 1887 1967
500 1738 1821 1814 1896 1937 2019 2050 2132 2163 2245 2276 2358 2389 2471
Aluminum Coils - High Efficiency
140 1471 1522 1451 1501 1428 1478 1405 1455 - - - - - -
155 1667 1730 1643 1689 1580 1636 1538 1582 - - - - - -
170 1740 1735 1643 1703 1591 1658 1538 1606 - - - - - -
185 1490 1599 1475 1586 1450 1571 1426 1539 1402 1470 - - - -
200 1572 1630 1553 1616 1518 1571 1488 1539 1458 1512 - - - -
225 1701 1846 1683 1828 1652 1796 1627 1771 1592 1737 - - - -
250 1701 1846 1683 1828 1652 1796 1627 1772 1592 1737 - - - -
275 2293 2193 2153 2054 1976 1877 1780 1680 1642 1543 1504 1406 - -
300 2308 2204 2181 2077 2055 1950 1927 1824 1801 1697 1674 1571 - -
350 2218 2302 2179 2263 2139 2223 2100 2184 2060 2144 2021 2105 - -
400 2043 2125 2043 2124 2043 2123 2041 2122 2039 2121 2038 2120 2037 2119
Aluminum Coils - Extra Efficiency
140 1736 1731 1640 1699 1587 1654 1535 1603 - - - - - -
155 1491 1601 1477 1587 1451 1572 1427 1541 1403 1471 - - - -
170 1569 1627 1551 1613 1516 1568 1486 1537 1456 1510 - - - -
185 1701 1846 1683 1828 1651 1796 1627 1772 1592 1737 - - - -
200 1697 1850 1679 1831 1648 1800 1623 1776 1589 1741 - - - -
250 2292 2194 2153 2054 1976 1877 1779 1681 1642 1543 1504 1405 - -
275 2307 2203 2181 2077 2055 1951 1928 1824 1801 1697 1674 1570 - -
300 2218 2302 2178 2262 2139 2223 2099 2184 2059 2145 2021 2105 - -
350 2044 2125 2043 2124 2042 2124 2041 2122 2039 2120 2038 2119 2037 2118

Installation - Mechanical
RTAC-SVX01M-EN 47
Drainage
Provide large capacity drain for use during shutdown or
repair. Evaporator is provided with drain connection. All
local and national codes apply. Vent on top of evaporator
waterbox prevents vacuum by allowing air into evaporator
for complete drainage.
Evaporator Water Piping
RTAC units are available with 2- or 3-pass evaporator
configurations.
Figure 20. Evaporator pass configurations - 2 compressor units
Figure 21. Evaporator pass configurations-3or4compressor units
2-Pass
Evaporator
Control Panel End
3-Pass
Evaporator
Top V i ew
(Condenser removed for clarity) End View
(Non-control panel end)
Top V i ew
(Condenser removed for clarity)
Outlet Water
Connection
Inlet Water
Connection
Water Connections
(see End View for details)
Outlet Water
Connection
Control Panel End
Inlet Water
Connection
2-Pass Evaporator
Circuit 2 Control Panel
3-Pass Evaporator
Outlet Water
Connection
Inlet Water
Connection
Circuit 2 Control Panel
Circuit 1 Control Panel
Top V i ew
(Condenser removed for clarity)
Circuit 1 Control Panel
Outlet
Inlet
Water Connections
(see End View for details)
End View
(Circuit 1 control panel end
Panel removed for clarity)
Top V i ew
(Condenser removed for clarity)

Installation - Mechanical
48 RTAC-SVX01M-EN
Thoroughly flush all water piping to the unit before making
the final piping connections to the unit.
Components and layout will vary slightly, depending on
the location of connections and the water source.
Provide shutoff valves in gauge lines to isolate them from
system when not in use. Use rubber vibration eliminators
to prevent vibration transmission through water lines. If
desired, install thermometers in lines to monitor entering
and leaving water temperatures. Install a balancing valve
in leaving water line to control water flow balance. Install
shutoff valves on both entering and leaving water lines so
evaporator can be isolated for service.
“Piping components” include all devices and controls
used to provide proper water system operation and unit
operating safety.These components and their general
locations are given below.
Entering Chilled Water Piping
• Air vents (to bleed air from system).
• Water pressure gauges with shutoff valves.
• Vibration eliminators.
• Shutoff (isolation) valves.Thermometers (if desired).
• Clean-out tees.
• Pipe strainer.
Leaving Chilled Water Piping
• Air vents (to bleed air from system).
• Water pressure gauges with shutoff valves.
• Vibration eliminators.
• Shutoff (isolation) valves.
• Thermometers.
• Clean-out tees.
• Balancing valve.
Evaporator Drain
A 1/2” drain connection is located under outlet end of
evaporator waterbox for drainage during unit servicing. A
shutoff valve must be installed on drain line.
Evaporator Flow Switch
The flow switch is factory-installed and programmed
based on the operating conditions submitted with the
order.The leaving evaporator temperature, fluid type and
fluid concentration affect the selected flow switch. If the
operating conditions on the job site change, the flow
switch may need to be replaced.
The sensor head includes 3 LEDs, two yellow and one
green.Wait 15 seconds after power is applied to the sensor
before evaluating LEDs for flow status. When wired
correctly and flow is established, only the green LED
should be lit. Following are the LED indicators:
• Green ON, both yellow OFF — Flow
• Green and outside yellow ON — No Flow
• Center yellow ON continuously — Miswire
Factory installed jumper wire W3 must be removed if
using auxiliary contacts and/or additional proof of flow.
See schematics in RTAC-SVE01*-EN for more details.
Note: Use caution when connecting auxiliary contacts.
Terminals 1TB6-3 and 1TB6-5 are to be used for
field connections. Inadvertent use of 1TB6-5 and
1TB6-4 will result in a FALSE FLOW indication.
If using auxiliary flow sensing, both yellow LEDs come on
initially when flow is stopped. Center yellow LED will turn
off after approximately 7 seconds. LED indicators are
otherwise same as indicated above.
Important: If using an acidic commercial flushing
solution, construct a temporary bypass
around the unit to prevent damage to
internal components of the evaporator.
NOTICE:
Evaporator Damage!
The chilled water connections to the evaporator are to
be “victaulic” type connections. Do not attempt to
weld these connections, as the heat generated from
welding can cause microscopic and macroscopic
fractures on the cast iron waterboxes that can lead to
premature failure of the waterbox. To prevent damage
to chilled water components, do not allow evaporator
pressure (maximum working pressure) to exceed 150
psig (10.5 bar).
NOTICE:
Evaporator Damage!
To prevent evaporator damage, pipe strainers must be
installed in the water supplies to protect components
from water born debris. Trane is not responsible for
equipment-only-damage caused by water born debris.
NOTICE:
Equipment Damage!
Incorrect wiring of auxiliary contacts could result in
equipment damage.
NOTICE:
Proper Water Treatment!
The use of untreated or improperly treated water in this
equipment could result in scaling, erosion, corrosion,
algae or slime. It is recommended that the services of a
qualified water treatment specialist be engaged to
determine what water treatment, if any, is required.
Trane assumes no responsibility for equipment failures
which result from untreated or improperly treated
water, or saline or brackish water.

Installation - Mechanical
RTAC-SVX01M-EN 49
Dirt, scale, products of corrosion and other foreign
material will adversely affect heat transfer between the
water and system components. Foreign matter in chilled
water system can also increase pressure drop and reduce
water flow. Proper water treatment must be determined
locally, depending on system and local water
characteristics.
Neither salt nor brackish water is recommended. Use of
either will lead to a shortened life to an indeterminable
degree.TheTrane Company encourages the service of a
reputable water treatment specialist, familiar with local
water conditions, to assist in this determination and in
establishment of a proper water treatment program.
Using untreated or improperly treated water in these units
may result in inefficient operation and possible tube
damage. Consult a qualified water treatment specialist to
determine whether treatment is needed.
Indexing Flow Switch
To properly index flow switch, the following requirements
must be met:
• Dot must be at a position no greater than 90° off Index.
• Torque must be between 22 ft-lb min and 74 ft-lb max.
• A minimum distance of 5x pipe diameter must be
maintained between flow switch and any bends,
valves, changes in cross sections, etc.
Figure 22. Proper flow switch indexing
Flow
Top Vie w
Index
The flow switch
must have the dot
in the shaded area
to the left of this line
for proper indexing
(±90° off Index)

Installation - Mechanical
50 RTAC-SVX01M-EN
Figure 23. Evaporator water pressure drop— 2-pass evaporator —120-250 ton
Figure 24. Evaporator water pressure drop — 2-pass evaporator — 250-500 ton
1.00
10.00
100.00
100 1000
140S, 120H(50Hz)
155S, 130H(50Hz)
170S, 140H
185S, 155H
200S, 170H
225S, 185H
250S(60Hz), 200H,
225H, 250H(60Hz)
Pressure Drop ( H2O)
Fl R t (GPM)
Flow Rate (GPM)
Pressure Drop (ft H2O)
500200 300 400 700
5.00
50.00
1.00
10.00
100.00
100 1000
250S(50Hz)
275S
300S, 250H(50Hz)
350S(60Hz), 275H, 300H
350S(50Hz)
400S, 350H
375S(50Hz)
450S(60Hz), 375H(50Hz)
500S(60Hz), 400H
Pressure Drop ( H2O)
Flow Rate (GPM)
500
Flow Rate (GPM)
Pressure Drop (ft H2O)
200 300 400 700
5.00
50.00

Installation - Mechanical
RTAC-SVX01M-EN 51
Figure 25. Evaporator water pressure drop — 3-pass evaporator — 140-250T
1.00
10.00
100.00
100
140S, 120H(50Hz)
155S, 130H(50Hz)
170S, 140H
185S, 155H
200S, 170H
225S, 185H
250S(60Hz), 200H,
225H, 250H(60Hz)
Pressure Drop (ft H2O)
Flow Rate (GPM)
200 300 400 500 600 700
5.00
50.00
Figure 26. Evaporator water pressure drop — 3-pass evaporator — 250-500T
1.00
10.00
100 1000
250S(50Hz)
275S
300S, 250H(50Hz)
350S(60Hz), 275H, 300H
350S(50Hz)
400S, 350H
375S(50Hz)
450S(60Hz), 375H(50Hz)
500S(60Hz), 400H
Pressure Drop (ft H2O)
Flow Rate (GPM)
200 300 400 500 600 800 1200
80.00
20.00
40.00
60.00
5.00

Installation - Mechanical
52 RTAC-SVX01M-EN
Water Pressure Gauges
Install field-supplied pressure components as shown in
Figure 27, p. 52. Locate pressure gauges or taps in a
straight run of pipe; avoid placement near elbows, etc. Be
sure to install the gauges at the same elevation on each
shell if the shells have opposite-end water connections.
Note: Once the unit is installed at a site, one vertical or
one diagonal unit support can be permanently
removed if it creates an obstruction for water
piping.
To read manifolded pressure gauges, open one valve and
close the other (depending upon the reading desired).This
eliminates errors resulting from differently calibrated
gauges installed at unmatched elevations.
Water Pressure Relief Valves
Install a water pressure relief valve in the evaporator inlet
piping between the evaporator and the inlet shutoff valve,
as shown in Figure 27, p. 52. Water vessels with close-
coupled shutoff valves have a high potential for
hydrostatic pressure buildup on a water temperature
increase. Refer to applicable codes for relief valve
installation guidelines.
Figure 27. Suggested piping for typical RTAC evaporator
Flow Switch
(Factory Installed)
NOTICE:
Evaporator Damage!
To prevent shell damage, install pressure relief valves in
the evaporator water system.

Installation - Mechanical
RTAC-SVX01M-EN 53
Freeze Avoidance
One or more of the ambient freeze avoidance methods in
Table 41 must be used to protect the RTAC chiller from
ambient freeze damage.
Note: A secondary set of pump interlock is strongly
recommended, but not required.
Table 41. RTAC freeze avoidance methods
Method
Protects to
ambient
temperature Notes
Water Pump Control
AND Heaters Down to -20°F
•Heaters alone will provide low ambient protection down to -20°F (-29°C), but will NOT
protect the evaporator from freezing as a result of charge migration. Therefore, it is
required that water pump control be used in conjunction with heaters.
• Heaters are factory-installed on the evaporator and water piping and will protect them from freezing
• Install heat tape on all water piping, pumps, and other components that may be damaged if exposed
to freezing temperatures. Heat tape must be designed for low ambient temperature applications. Heat
tape selection should be based on the lowest expected ambient temperature.
• CH530 controller can start the pump when freezing conditions are detected. For this option the pump
must to be controlled by the RTAC unit and this function must be validated.
• Water circuit valves need to stay open at all times.
• Water pump control and heater combination will protect the evaporator down to any
ambient temperature provided power is available to the pump and the CH530 controller.
This option will NOT protect the evaporator in the event of a power failure to the chiller
unless backup power is supplied to the necessary components.
• When no chiller operation is possible and the pump is already off, CH530 pump control for freeze
protection will command the pump to turn:
ON if liquid level > -0.83” AND evap sat temp < LWTC for 30°F-sec (17°C-sec)
OFF again if evaporator saturated temperature > LWTC OR liquid level < -0.83” for 30 minutes.
ON if entering OR leaving water temperature< LWTC for 30°F-sec (17°C-sec)
OFF again if water temperature > LWTC for 30 min
(where LWTC is leaving water temperature cutout)
Freeze Inhibitor
Varies.
See “Low
Evaporator
Refrigerant Cutout,
Glycol
Recommendations,”
p. 54
• Freeze protection can be accomplished by adding sufficient glycol to protect against freezing below
the lowest ambient expected.
• Use of glycol type antifreeze reduces the cooling capacity of the unit and must be
considered in the design of the system specifications.
Drain Water Circuit Below -20°F • Shut off the power supply to the unit and to all heaters.
• Purge the water circuit.
• Blow out the evaporator to ensure no liquid is left in the evaporator.
NOTICE:
Evaporator Damage!
If insufficient concentration or no glycol is used, the
evaporator water flow must be controlled by the CH530
AND heaters must be used to avoid catastrophic
damage to the evaporator due to freezing. It is the
responsibility of the installing contractor and/or the
customer to ensure that a pump will start when called
upon by the chiller controls.
Even with water pump control, a power loss of as little
as 15 minutes under freezing conditions can damage
the evaporator. Only the proper addition of freeze
inhibitor or complete drainage of the water circuit can
ensure no evaporator damage in the event of a power
failure. See Table 42, p. 54 for correct concentration of
glycol.

Installation - Mechanical
54 RTAC-SVX01M-EN
Low Evaporator Refrigerant
Cutout, Glycol Recommendations
1. Solution freeze point is 4 deg F below operating point
saturation temperature.
2. LRTC is 4 deg F below freeze point.
Procedure
1. Is operating condition contained within Table 42,
p. 54? If no, see “Specials,” p. 54.
2. For leaving fluid temperatures greater than 40 deg F,
use settings for 40 deg F.
3. Select operating conditions from Table 42.
4. Read off recommended % glycol.
5. Go to Table 43, p. 55 using the % glycol determined
above.
Important: Additional glycol beyond the
recommendations will adversely effect unit
performance. Unit efficiency and saturated
evaporator temperature will be reduced.
For some operating conditions this effect
can be significant.
6. If additional glycol is used, then use the actual % glycol
to establish the low refrigerant cutout setpoint.
7. The minimum low refrigerant cutout setpoint allowed
is -5 deg F.The minimum is established by the
solubility limits of the oil in the refrigerant.
Specials
Any of the following conditions are considered special
applications that must be calculated by engineering:
1. Freeze inhibitor other than ethylene glycol, propylene
glycol, calcium chloride or methanol.
2. Fluid deltaT outside the range 4 to 16 deg F.
3. Unit configuration other than Standard, Standard with
extra pass, and Premium.
4. % Glycol greater than maximum in column in Table 43.
Special should all be calculated by engineering.The
purpose of calculating is to make sure that design
saturation temperature is greater than 3 deg F.
Additionally, the calculation must verify that the fluid
freeze point is a minimum of 4 deg. F lower that the design
saturation temperature.The low evaporator temperature
cutout will be 4 deg F below the freeze point or -5 deg F,
whichever is greater.
Important: When using glycol,Techview Setpoint View
setting for “Freeze Inhibitor Present” must
be set to “Yes” to prevent nuisance high
approach diagnostic.
Table 42. Glycol recommendations
Ethylene Glycol
°F 4 6 8 10121416
DT °C 15 -14 -13 -12 -11 -10 -9
Leaving Water Temperature °F (°C)
38 (3) -- 5 5 5 5 6 --
34 (1) -- 11 11 11 12 -- --
30 (-1) -- 15 16 17 18 -- --
28 (-2) -- 18 18 19 -- -- --
26 (-3) -- 20 21 22 -- -- --
24 (-4) -- 22 23 26 -- -- --
22 (-6) -- 24 26 -- -- -- --
20 (-7) -- 26 30 -- -- -- --
18 (-8) -- 29 -- -- -- -- --
16 (-9) -- 31 -- -- -- -- --
14 (-10) 30 -- -- -- -- -- --
12 (-11) 32 -- -- -- -- -- --
10.4 (-12) 34 -- -- -- -- -- --
Propylene Glycol
DT °F 4 6 8 10121416
°C -15 -14 -13 -12 -11 -10 -9
Leaving Water Temperature °F (°C)
38 (3) -- 6 6 7 7 8 --
34 (1) -- 13 13 15 17 -- --
30 (-1) -- 19 21 -- -- -- --
28 (-2) -- 22 -- -- -- -- --
26 (-3) -- 25 -- -- -- -- --
24 (-4) -- -- -- -- -- -- --
22 (-6) -- -- -- -- -- -- --
20 (-7) -- -- -- -- -- -- --
18 (-8) -- -- -- -- -- -- --
16 (-9) -- -- -- -- -- -- --
14 (-10) -- -- -- -- -- -- --
12 (-11) -- -- -- -- -- -- --
10.4 (-12) -- -- -- -- -- -- --
Notes:
1. These tables represent the MINIMUM RECOMMENDED glycol
percentages for each operating condition
2. Operation is not recommended at certain operating conditions as
some chillers may not satisfy maximum or minimum velocity
requirements or minimum performance requirements. Contact Trane
Sales Representative for more information regarding the operating
limits of a particular chiller.

Installation - Mechanical
RTAC-SVX01M-EN 55
Table 43. Recommended low evaporator refrigerant
cutout and percent glycol
% Glycol Low Refrig. Temp
Cutout Solution Freeze Point
°F °C °F °C
Ethylene
0 28.0 -2.2 32 0
5 25.0 -3.9 29 -1.7
10 21.5 -5.8 25.5 -3.6
15 17.5 -8.1 21.5 -5.8
20 12.8 -10.7 16.8 -8.4
25 7.4 -13.7 11.4 -11.4
30 1.1 -17.2 5.1 -15.0
35 -5.0 -20.6 -2.3 -19.1
40 -5.0 -20.6 -10.8 -23.8
45 -5.0 -20.6 -20.7 -29.3
50 -5.0 -20.6 -32.1 -35.6
54 -5.0 -20.6 -42.3 -41.3
Propylene Glycol
0 28.0 -2.2 32.0 0
5 25.3 -3.7 29.3 -1.5
10 22.4 -5.3 26.4 -3.1
15 19.1 -7.2 23.1 -4.9
20 15.3 -9.3 19.3 -7.1
25 10.8 -11.8 14.8 -9.6
30 5.3 -14.8 9.3 -12.6
35 -1.3 -19.5 2.7 -16.3
40 -5.0 -20.6 -5.2 -20.7
45 -5.0 -20.6 -14.6 -25.9
50 -5.0 -20.6 -25.8 -32.1
54 -5.0 -20.6 -36.1 -37.8
Chilled Water Temperature Cutout should be set to 5°F below the
lowest allowable Chilled Water Set Point bases on the %Glycol.

56 RTAC-SVX01M-EN
Installation - Mechanical
Remote Evaporator Option
The RTAC 140-250 ton outdoor unit with the Remote
Evaporator option is shipped as two pieces: the outdoor
unit (condensing) and the evaporator. Short suction line
connections are provided with the outdoor condensing
unit.The remote evaporator is shipped complete, with
factory-mounted electronic expansion valves, water
temperature sensors, suction pressure transducers, liquid
level control sensors, evaporator flow switch, all factory
wired to a ribbon cable. Solenoid valves and drain valves
are wired to a relay board in the terminal box.The
installing contractor is required to provide and install the
following:
• 2-wire, twisted shielded communication line between
the remote evaporator terminal box and the
Condensing Unit’s control panel
• 4-wire connection from evaporator terminal box to
condensing unit control panel for flow switch wiring
(see Figure 32, p. 64)
• 115 VAC single phase power supply to the remote
evaporator terminal box
• 2 liquid lines
• 2 suction lines
• Suction accumulator as specified
Note: A unit ordered as a remote evaporator must also be
ordered with either the wide or low ambient option.
The fan inverters are necessary for proper control.
System Configuration and
Interconnecting Refrigerant
Piping
The system may be configured in any of the four
arrangements shown in Figure 28, p. 57.The
configurations and their associated elevations, along with
the total distance between the remote evaporator and the
compressor/condenser section, play a critical role in
determining suction and liquid line sizes.This will also
affect field refrigerant and oil charges. Consequently, there
are physical limits which must not be violated if the system
is to operate as designed. Please note the following
requirements for field installation:
1. The remote evaporator MUST be matched with its
respective outdoor condensing unit.
2. The circuit number on the outdoor condensing unit
must match the circuit number on the evaporator, i.e.
circuit #1 on the outdoor condensing unit must be
connected with circuit#1ontheremote evaporator
and likewise for circuit #2. RTAC Circuit Capacities are
shown in General DataTables.
3. Piping between the evaporator and outdoor unit can
not exceed 200 actual feet and/or an equivalent length
of 300 feet.
Note: The latter includes the equivalent length of all
associated field installed fittings, valves,
accessories and straight lengths of interconnecting
piping.
4. Horizontal portions of suction lines must be downward
sloping toward the compressor at least 1/2 inch for
each 10 feet run.This promotes the movement of oil in
the direction of gas flow.
5. Suction lines must be insulated.
6. The line sizes defined are to be used only for 40-60 F
leaving water temperature and/or full load ice-making
applications.
7. Figure 28, p. 57, drawing 1 depicts an installation
where the remote evaporator elevation is the same as
that of the outdoor condensing unit.The suction and
liquid lines are horizontal or down flowing only.
The suction and liquid lines can be put under ground or
in a trench.The temperature of the suction lines must
never exceed the temperature of the compressor.The
line can be below the compressors a maximum of 15 ft.
8. Figure 28, p. 57, drawing 2 shows a variation to
drawing 1.The remote evaporator and outdoor
condensing unit are at the same elevation but
interconnecting piping may be installed up to 15 feet
above the base elevation. Refer to Table 46, p. 60 to
determine the required length of the suction
accumulator line. A full size suction accumulator is
required at the evaporator and 50% of the value is
required at the condensing unit.
9. A refrigerant drain valve is installed at the bottom of
the evaporator for freeze protection.This drain valve is
a normally open, pilot operated valve which remains
closed unless there is a potential freezing situation
detected via low evap temperatures or low water
temperatures or a power failure. If the drain valve is
opened the installed suction accumulator must be
capable of holding the entire evaporator charge. Refer
to Table 46, p. 60 for sizing.
10. For installations where the remote evaporator is at a
lower elevation than the outdoor condensing unit as
shown in Figure 28, p. 57, drawing 3, the elevation
difference is not to exceed 100 feet. An inverted liquid
NOTICE:
Equipment Damage!
If the circuits are crossed, serious equipment damage
could occur.

Installation - Mechanical Remote Evaporator Option
RTAC-SVX01M-EN 57
line trap at the condensing unit is required to prevent
unwanted free cooling.The apex of the liquid line trap
should be at a height above the condenser coils. A
suction accumulator must be installed at the
evaporator. Refer to Table 46, p. 60 for sizing.
11. When the elevation of the remote evaporator exceeds
that of the outdoor condensing unit as shown in
Figure 28, p. 57, drawing 4, the elevation difference is
determined by Table 44, p. 59. The suction
accumulator line must be installed according to
Table 46, p. 60. It is very important, for proper control
and operation of the chiller, that the elevation
requirements given in Table 44, p. 59 are not
exceeded. It should also be noted that in this
configuration the suction accumulator is installed at
the condensing section.
Note: The height is limited by the available subcooling.
12. Compressor & oil separator heaters must be on at least
24 hours prior to compressor start.
Figure 28. Remote evaporator installations

Installation - Mechanical Remote Evaporator Option
58 RTAC-SVX01M-EN
Figure 29. Circuit identification

Installation - Mechanical Remote Evaporator Option
RTAC-SVX01M-EN 59
Table 44. Liquid line sizing(a) - 140-250T remote evaporator
Leaving water Height (ft) Leaving water Height (ft)
40-50°F 0 1-5 6-10 11-15 16-20 21-25 26-30 31-35 50-60°F 0 1-5 6-10 11-15 16-20 21-25 26-30
70-ton circuit
Total
Equivalent
Length (ft)
25 1.375 1.375 1.375 1.375 1.375 1.375 1.375 n/a
Total
Equivalent
Length (ft)
25 1.375 1.375 1.375 1.375 1.375 1.375 2.125
50 1.375 1.375 1.375 1.375 1.375 1.375 1.375 n/a 50 1.375 1.375 1.375 1.375 1.375 1.625 2.125
75 1.375 1.375 1.375 1.375 1.375 1.375 1.625 n/a 75 1.375 1.375 1.375 1.375 1.375 1.625 n/a
100 1.375 1.375 1.375 1.375 1.375 1.375 1.625 n/a 100 1.375 1.375 1.375 1.375 1.625 2.125 n/a
125 1.375 1.375 1.375 1.375 1.375 1.625 1.625 n/a 125 1.375 1.375 1.375 1.625 1.625 2.125 n/a
150 1.375 1.375 1.375 1.375 1.375 1.625 n/a n/a 150 1.375 1.375 1.375 1.625 1.625 2.125 n/a
175 1.375 1.375 1.375 1.375 1.625 1.625 n/a n/a 175 1.375 1.375 1.625 1.625 1.625 2.125 n/a
200 1.375 1.375 1.375 1.375 1.625 1.625 n/a n/a 200 1.375 1.625 1.625 1.625 2.125 2.125 n/a
225 1.375 1.375 1.375 1.625 1.625 1.625 n/a n/a 225 1.375 1.625 1.625 1.625 2.125 2.125 n/a
250 1.375 1.375 1.375 1.625 1.625 n/a n/a n/a 250 1.625 1.625 1.625 1.625 2.125 2.125 n/a
275 1.375 1.375 1.625 1.625 1.625 n/a n/a n/a 275 1.625 1.625 1.625 2.125 2.125 2.125 n/a
300 1.375 1.375 1.625 1.625 1.625 n/a n/a n/a 300 1.625 1.625 1.625 2.125 2.125 2.125 n/a
85-ton circuit
Total
Equivalent
Length (ft)
25 1.375 1.375 1.375 1.375 1.375 1.375 2.125 n/a
Total
Equivalent
Length (ft)
25 1.375 1.375 1.375 1.375 2.125 n/a n/a
50 1.375 1.375 1.375 1.375 1.375 1.625 n/a n/a 50 1.375 1.375 1.375 1.625 2.125 n/a n/a
75 1.375 1.375 1.375 1.375 1.375 1.625 n/a n/a 75 1.375 1.375 1.625 1.625 n/a n/a n/a
100 1.375 1.375 1.375 1.375 1.625 1.625 n/a n/a 100 1.375 1.625 1.625 2.125 n/a n/a n/a
125 1.375 1.375 1.375 1.625 1.625 2.125 n/a n/a 125 1.375 1.625 1.625 2.125 n/a n/a n/a
150 1.375 1.375 1.375 1.625 1.625 2.125 n/a n/a 150 1.625 1.625 1.625 2.125 n/a n/a n/a
175 1.375 1.375 1.625 1.625 1.625 2.125 n/a n/a 175 1.625 1.625 2.125 2.125 n/a n/a n/a
200 1.375 1.625 1.625 1.625 2.125 2.125 n/a n/a 200 1.625 1.625 2.125 2.125 n/a n/a n/a
225 1.375 1.625 1.625 1.625 2.125 2.125 n/a n/a 225 1.625 2.125 2.125 2.125 n/a n/a n/a
250 1.625 1.625 1.625 1.625 2.125 2.125 n/a n/a 250 1.625 2.125 2.125 2.125 n/a n/a n/a
275 1.625 1.625 1.625 1.625 2.125 2.125 n/a n/a 275 1.625 2.125 2.125 2.125 n/a n/a n/a
300 1.625 1.625 1.625 2.125 2.125 2.125 n/a n/a 300 2.125 2.125 2.125 2.125 n/a n/a n/a
100-ton circuit
Total
Equivalent
Length (ft)
25 1.625 1.625 1.625 1.625 1.625 1.625 1.625 1.625
Total
Equivalent
Length (ft)
25 1.625 1.625 1.625 1.625 1.625 1.625 1.625
50 1.625 1.625 1.625 1.625 1.625 1.625 1.625 1.625 50 1.625 1.625 1.625 1.625 1.625 1.625 1.625
75 1.625 1.625 1.625 1.625 1.625 1.625 1.625 1.625 75 1.625 1.625 1.625 1.625 1.625 1.625 2.125
100 1.625 1.625 1.625 1.625 1.625 1.625 1.625 2.125 100 1.625 1.625 1.625 1.625 1.625 1.625 2.125
125 1.625 1.625 1.625 1.625 1.625 1.625 1.625 2.125 125 1.625 1.625 1.625 1.625 1.625 2.125 2.125
150 1.625 1.625 1.625 1.625 1.625 1.625 2.125 2.125 150 1.625 1.625 1.625 1.625 1.625 2.125 2.125
175 1.625 1.625 1.625 1.625 1.625 1.625 2.125 2.125 175 1.625 1.625 1.625 1.625 2.125 2.125 2.125
200 1.625 1.625 1.625 1.625 1.625 2.125 2.125 2.125 200 1.625 1.625 1.625 2.125 2.125 2.125 2.125
225 1.625 1.625 1.625 1.625 1.625 2.125 2.125 2.125 225 1.625 1.625 1.625 2.125 2.125 2.125 2.125
250 1.625 1.625 1.625 1.625 1.625 2.125 2.125 2.125 250 1.625 1.625 2.125 2.125 2.125 2.125 2.625
275 1.625 1.625 1.625 1.625 2.125 2.125 2.125 2.125 275 1.625 1.625 2.125 2.125 2.125 2.125 2.625
300 1.625 1.625 1.625 1.625 2.125 2.125 2.125 n/a 300 1.625 2.125 2.125 2.125 2.125 2.125 2.625
120-ton circuit
Total
Equivalent
Length (ft)
25 1.625 1.625 1.625 1.625 1.625 1.625 1.625 2.125
Total
Equivalent
Length (ft)
25 1.625 1.625 1.625 1.625 1.625 1.625 1.625
50 1.625 1.625 1.625 1.625 1.625 1.625 1.625 2.125 50 1.625 1.625 1.625 1.625 1.625 1.625 1.625
75 1.625 1.625 1.625 1.625 1.625 1.625 2.125 2.625 75 1.625 1.625 1.625 1.625 1.625 1.625 2.125
100 1.625 1.625 1.625 1.625 1.625 1.625 2.125 2.625 100 1.625 1.625 1.625 1.625 1.625 1.625 2.125
125 1.625 1.625 1.625 1.625 1.625 2.125 2.125 2.625 125 1.625 1.625 1.625 1.625 1.625 2.125 2.125
150 1.625 1.625 1.625 1.625 1.625 2.125 2.125 2.625 150 1.625 1.625 1.625 1.625 1.625 2.125 2.125
175 1.625 1.625 1.625 1.625 2.125 2.125 2.125 2.625 175 1.625 1.625 1.625 1.625 2.125 2.125 2.125
200 1.625 1.625 1.625 1.625 2.125 2.125 2.125 2.625 200 1.625 1.625 1.625 2.125 2.125 2.125 2.125
225 1.625 1.625 1.625 2.125 2.125 2.125 2.125 n/a 225 1.625 1.625 1.625 2.125 2.125 2.125 2.125
250 1.625 1.625 1.625 2.125 2.125 2.125 2.625 n/a 250 1.625 1.625 2.125 2.125 2.125 2.125 2.625
275 1.625 1.625 2.125 2.125 2.125 2.125 2.625 n/a 275 1.625 1.625 2.125 2.125 2.125 2.125 2.625
300 1.625 2.125 2.125 2.125 2.125 2.125 2.625 n/a 300 1.625 2.125 2.125 2.125 2.125 2.125 2.625
(a)Typical type L copper O.D.

Installation - Mechanical Remote Evaporator Option
60 RTAC-SVX01M-EN
Line Sizing
To determine the appropriate outside diameter for field
installed liquid and suction lines, it is first necessary to
establish the equivalent length of pipe for each line. It is
also necessary to know the capacity (tons) of each circuit.
Circuit capacities for each RTAC unit are listed in Table 1,
p. 10 through Table 10, p. 19.
Liquid Line Sizing Steps
The steps to compute liquid line size are as follows:
1. Compute the actual length of field installed piping.
2. Multiply the length from step # 1 by 1.5 to estimate the
equivalent length.
3. See Table 44, p. 59 to determine outside diameter
corresponding to equivalent length computed in step
2 for height and leaving water temperature of interest.
Note: If condenser is at same elevation or above evap,
use 0 ft. column.
4. With the outside diameter found in step # 3, use
Table 45, p. 60 to determine the equivalent lengths of
each fitting in the field installed piping.
5. Add equivalent lengths of all field installed elbows and
valves.
6. Add the length found in step#5totheactual length
from step # 1.This is your new equivalent line length.
7. Using Table 44, p. 59 again, find the outside diameter
that corresponds to the new equivalent line length
from step # 6. If it is the same as step #3, this is the final
equivalent length. Otherwise, proceed to the next step.
8. Using Table 45, p. 60 and the new outside diameter
found in step # 7, find the equivalent line length of each
valve and fitting, and sum them.
9. Add the length found in step#8totheactual length
from step # 1.This is the new equivalent line length.
10. With the equivalent line length found in step # 9, use
Table 44, p. 59 to select the proper outside diameter for
the liquid lines. If the same as in step #7, this is your
final equivalent line length. Otherwise, repeat step #7.
Note: Location and quantity of suction accumulator is
dependent upon the unit configuration.
Table 45. Equivalent lengths of non-ferrous valves and
fittings (feet)
Line Size
Inches OD Globe
Valve Short Angle
Valve Short Radius
ELL
Long
Radius
ELL
1-1/8 87 29 2.7 1.9
1-3/8 102 33 3.2 2.2
1-5/8 115 34 3.8 2.6
2-1/8 141 39 5.2 3.4
2-5/8 159 44 6.5 4.2
3-1/8 185 53 8 5.1
3-5/8 216 66 10 6.3
4-1/8 248 76 12 7.3
Table 46. Required length of field installed suction line accumulator (ft)
Actual Feet
of field
installed
liquid line
70 Ton Circuit(a) 85 Ton Circuit 100 Ton Circuit 120 Ton Circuit
O.D. of Field Installed Liquid Line
1 3/8” 1 5/8” 2 1/8” 1 3/8” 1 5/8” 2 1/8” 1 5/8” 2 1/8” 2 5/8” 1 5/8” 2 1/8” 2 5/8”
Length of 3 5/8” Suction
Accumulator Length of 3 5/8” Suction
Accumulator Length of 4 1/8” Suction
Accumulator Length of 4 1/8” Suction
Accumulator
10 43 44 45 52 52 53 43 44 46 52 53 54
20 45 46 49 53 54 57 45 47 50 53 55 58
30 46 48 52 54 56 60 46 49 53 55 58 62
40 48 50 55 56 58 63 48 52 57 56 60 66
50 49 52 59 57 60 67 49 55 61 58 63 70
60 51 54 62 59 62 70 51 57 65 59 66 74
70 52 56 65 60 64 73 53 60 69 61 68 78
80 53 58 69 62 66 77 54 62 73 62 71 81
90 55 60 72 63 68 80 56 65 77 64 73 85
100 56 62 75 64 70 83 57 68 81 66 76 89
110 58 64 79 66 72 87 59 70 85 67 79 93
120 59 66 82 67 74 90 60 73 89 69 81 97
130 61 68 85 69 76 93 62 75 93 70 84 101
140 62 70 89 70 78 97 63 78 97 72 86 105
150 64 72 92 72 80 100 65 81 101 73 89 109
160 65 74 95 73 82 103 67 83 105 75 92 113
170 66 76 99 75 84 107 68 86 108 76 94 117
180 68 78 102 76 86 110 70 88 112 78 97 121
190 69 79 105 77 88 113 71 91 116 80 99 125
200 71 81 109 79 90 117 73 94 120 81 102 129
(a)Circuit 2 of 155 ton premium unit requires ad additional 10 feet of suction accumulator length.

Installation - Mechanical Remote Evaporator Option
RTAC-SVX01M-EN 61
Example Liquid Line Sizing
For this example, refer to Table 44, p. 59,Table 45, p. 60
and Figure 30, p. 61. Assume a 70 ton circuit and a leaving
water temperature of 49 degrees F.
1. From Figure 30, p. 61, the actual length of field
installed piping is:
80+8+8+21=117feet
2. Estimate equivalent line length:
117 feet x 1.5 = 175 feet
3. From Table 44, p. 59 for a 70 ton circuit, for 175
equivalent feet the OD is 1.375 inches.
Note: Use the 0 ft. column since the condenser is above
the evap
4. In Figure 30, p. 61, there are six long-radius elbows.
From Table 45, p. 60, for 1.375 inch elbows, the
equivalent feet is:
6 elbows x 2.2 feet = 13.2 feet
5. Adding equivalent feet from step #4 to step #1 gives:
13.2 feet + 117 feet = 130.2 feet
6. From Table 44, p. 59, for a 70 ton circuit, for 125
equivalent feet (nearest to 130.2), the O.D. is 1- 3/8
inches.
Liquid Line size = 1-3/8 inches
Suction Line Sizing Steps
The steps to compute suction line size are as follows:
1. Break the suction line into it's Vertical/Upflow and
Horizontal/Downflow components.
2. From Table 47, p. 61, select the appropriate Vertical/
Upflow suction line outside diameter according to the
circuit tonnage.This is the diameter of the upflow
suction line and any fittings in the upflow line.
3. From Table 47, select the appropriate Horizontal/
Downflow suction line outside diameter according to
the circuit tonnage.This is the diameter of the upflow
suction line and any fittings in the upflow line.
Note: The diameters of the upflow, and horizontal or
downflow portions of the suction line may differ
depending on the application.
Example Suction Line Sizing
For this example, refer to Table 47 and Figure 30, p. 61
assume a 70 ton circuit and a leaving water temperature of
49 degrees F.
1. From Table 47 the vertical/upflow suction line is: 3 5/8”
O.D.
2. From Table 47, the horizontal/downflow line is: 3 5/8”
O.D.
Note: In this example, the horizontal line is pitched
downward in the direction of flow.
Suction Accumulator Sizing
Use Table 46, p. 60 to calculate length and size of the
required suction accumulator(s).
Example of Suction Accumulator Line Sizing
Use Figure 30, p. 61 and the same assumptions from the
liquid line sizing example to calculate the suction
accumulator line size and length.
In this case the accumulator is installed at the evaporator.
Figure 30. Liquid line sizing example
Table 47. Suction line sizes
Vertical/Upflow and Horizontal/Downflow Suction Lines
O.D. (Type L Copper)
LWT (F) 70 ton
circuit 85ton
circuit 100 ton
circuit 120 ton
circuit
40 - 60 3 5/8” 3 5/8” 4 1/8” 4 1/8”

Installation - Mechanical Remote Evaporator Option
62 RTAC-SVX01M-EN
1. Use the 70 ton circuit column.
2. From the liquid line sizing example, use a field installed
liquid line of:
1.375 (1 3/8”) inches
3. The actual feet of liquid line installed is: 117 feet
4. The size of the suction accumulator is: 3 5/8 inches
5. The length of the suction line accumulator is: 59 feet
Piping Installation Procedures
The outdoor unit and the evaporator are shipped with a 25
psig holding pressure of dry nitrogen. Do not relieve this
pressure until field installation of the refrigerant piping is
to be accomplished.This will require the removal of the
temporary pipe caps.
Note: UseType L refrigerant-grade copper tubing only.
The refrigerant lines must be isolated to prevent line
vibration from being transferred to the building. Do not
secure the lines rigidly to the building at any point.
All horizontal suction lines should be pitched downward,
in the direction of flow, at a slope of 1/2 inch per 10 feet of
run.
Important: Field installed liquid line service valves are
recommended for installation. Liquid line
service valves are not provided by the
factory.
Note: Although packaged unit condensers and
evaporators are sized to hold complete refrigerant
charge, units with a remote evaporator may not
have the same capability, due to additional piping
requirements.
Refrigerant Sensors
All necessary refrigerant devices, transducers and
solenoids are factory installed and wired to the evaporator
terminal box.
Refrigerant Pressure Relief Valve
Venting
Vent pipe size must conform to the ANSI/ASHRAE
Standard 15 for vent pipe sizing. All federal, state, and
local codes take precedence over any suggestions stated
in this manual.
All relief valve venting is the responsibility of the installing
contractor.
All RTAC remote evaporator units use evaporator pressure
relief valves (see Figure 31, p. 63) that must be vented to
the outside of the building.
Relief valve connection sizes and locations are shown in
the unit submittals. Refer to local codes for relief valve vent
line sizing information.
Relief valve discharge setpoints and capacities rates are
given in Table 48, p. 63. Once the relief valve has opened,
it will re-close when pressure is reduced to a safe level.
Once opened, relief valves may have a tendency to leak
and must be replaced.
Pressure relief valve discharge capacities will vary with
shell diameter and length and also compressor
displacement. Discharge venting capacity should be
calculated as required by ASHRAE Standard 15-94. Do not
adjust relief valve setting in the field.
WARNING
Hazard of Explosion and Deadly Gases!
Never solder, braze or weld on refrigerant lines or any
unit components that are above atmospheric pressure
or where refrigerant may be present. Always remove
refrigerant by following the guidelines established by
the EPA Federal Clean Air Act or other state or local
codes as appropriate. After refrigerant removal, use dry
nitrogen to bring system back to atmospheric pressure
before opening system for repairs. Mixtures of
refrigerants and air under pressure may become
combustible in the presence of an ignition source
leading to an explosion. Excessive heat from soldering,
brazing or welding with refrigerant vapors present can
form highly toxic gases and extremely corrosive acids.
Failure to follow all proper safe refrigerant handling
practices could result in death or serious injury.
NOTICE:
Equipment Damage!
Do not use a saw to remove end caps, as this may
allow copper chips to contaminate the system. Use a
tubing cutter or heat to remove the end caps.
WARNING
Confined Space Hazards!
Do not work in confined spaces where refrigerant or
other hazardous, toxic or flammable gas may be
leaking. Refrigerant or other gases could displace
available oxygen to breathe, causing possible
asphyxiation or other serious health risks. Some gases
may be flammable and or explosive. If a leak in such
spaces is detected, evacuate the area immediately and
contact the proper rescue or response authority. Failure
to take appropriate precautions or to react properly to
such potential hazards could result in death or serious
injury.
NOTICE:
Equipment Damage!
Do not exceed vent piping code specifications. Failure
to comply with specifications could result in capacity
reduction, unit damage and/or relief valve damage.

Installation - Mechanical Remote Evaporator Option
RTAC-SVX01M-EN 63
Leak Test and Evacuation
After installation of refrigerant piping, thoroughly test the
system for leaks. Pressure test system at pressures
required by local codes.
For field evacuation, use a rotary-type vacuum pump
capable of pulling a vacuum of 500 microns or less. Follow
the pump manufacturer's instructions for proper use of
the pump.The line used to connect the pump to the
system should be copper and be the largest diameter that
can be practically used. A larger line size with minimum
flow resistance can significantly reduce evacuation time.
Use the ports on the suction service valves and the liquid
line shutoff valves for access to the system for evacuation.
Ensure that the suction service valve, the liquid line shutoff
valve, the oil line shutoff valve and any field installed
valves are open in the proper position before evacuating.
Insulate entire suction line and suction accumulator line.
Where line is exposed, wrap with weatherproof tape and
seal with weatherproof compound.
Table 48. Pressure Relief Valve Data
Unit Sizes Valve
Location Discharge
Setpoint (psi) Qty Rated Capacity per
Valve (lba/min.) Field Connection Pipe
Size (NPT) Factory Shell Side
Connection (in)
120H - 250S 60Hz/200H/170XE Evap 200 2 17.3 5/8 MFL 7/8 - 14 UNF-2A
250S 50Hz/225H/185XE - 500S Evap 200 2 28.9 3/4 NPTFI 7/8 - 14 UNF-2A
All Oil Sep 350 2 6.3 3/8 MFL 1/4-18 NPTFE
WARNING
Hazard of Explosion!
Use only dry nitrogen with a pressure regulator for
pressurizing unit. Do not use acetylene, oxygen or
compressed air or mixtures containing them for
pressure testing. Do not use mixtures of a hydrogen
containing refrigerant and air above atmospheric
pressure for pressure testing as they may become
flammable and could result in an explosion.
Refrigerant, when used as a trace gas should only be
mixed with dry nitrogen for pressurizing units. Failure
to follow these recommendations could result in death
or serious injury or equipment or property-only
damage.
Figure 31. Remote evaporator

Installation - Mechanical Remote Evaporator Option
64 RTAC-SVX01M-EN
Refrigerant and Additional Oil Charge
Refrigerant Charge Determination
The approximate amount of refrigerant charge required by
the system must be determined by referring to Table 49
and must be verified by running the system and checking
subcooling.
1. To determine the appropriate charge, first refer to the
Table 1, p. 10 through Table 10, p. 19 in section
“General Data,” p. 9 to establish the required charge
without the field-installed piping.
2. Next, determine the charge required for the
field-installed piping by referring to Table 49, p. 64.
3. Sum the values of step 1 and step 2 to determine the
circuit charge.
Note: The amounts of refrigerant listed in Table 49, p. 64
are per 100 feet of pipe. Requirements will be in
direct proportion to the actual length of piping.
Oil Charge Determination
The unit is factory charged with the amount of oil required
by the system, without the field-installed piping.The
amount of the additional oil required is dependent upon
the amount of refrigerant that is added to the system for
the field installed piping.
Use the following formula to calculate the amount of oil to
be added:
Pints of Oil = [lbs of R-134a added for field-installed
piping]/100
Figure 32. Field wiring between remote evaporator and condensing unit
Table 49. Field installed piping charge
Pipe O.D. (in)
Suction Line
lbs of R134a per
100ft
Liquid Line
lbs of R134a per
100ft
1-3/8 N/A 62.4
1-5/8 N/A 88.3
2-1/8 N/A 153.6
2-5/8 N/A 236.9
3-1/8 5.0 N/A
3-5/8 6.8 N/A
4-1/8 8.8 N/A

RTAC-SVX01M-EN 65
Installation - Electrical
General Recommendations
As you review this manual, keep in mind that:
• All field-installed wiring must conform to National
Electric Code (NEC) guidelines, and any applicable
state and local codes. Be sure to satisfy proper
equipment grounding requirements per NEC.
• Compressor motor and unit electrical data (including
minimum circuit ampacities, motor kW, voltage
utilization range, rated load amps) is listed on the
chiller nameplate.
• All field-installed wiring must be checked for proper
terminations, and for possible shorts or grounds.
Note: Always refer to wiring diagrams shipped with
chiller or unit submittal for specific electrical
schematic and connection information.
Important: To prevent control malfunctions, do not run
low voltage wiring (<30 V) in conduit with
conductors carrying more than 30 volts.
WARNING
Proper Field Wiring and Grounding
Required!
All field wiring MUST be performed by qualified
personnel. Improperly installed and grounded field
wiring poses FIRE and ELECTROCUTION hazards.To
avoid these hazards, you MUST follow requirements
for field wiring installation and grounding as described
in NEC and your local/state electrical codes. Failure to
follow code could result in death or serious injury.
WARNING
Hazardous Voltage!
Disconnect all electric power, including remote
disconnects before servicing. Follow proper lockout/
tagout procedures to ensure the power can not be
inadvertently energized. Failure to disconnect power
before servicing could result in death or serious injury.
NOTICE:
Use Copper Conductors Only!
Unit terminals are not designed to accept other types
of conductors. Failure to use copper conductors could
result in equipment damage.

Installation - Electrical
66 RTAC-SVX01M-EN
Installer-Supplied Components
Customer wiring interface connections are shown in the
electrical schematics and connection diagrams that are
shipped with the unit.The installer must provide the
following components if not ordered with the unit:
• Power supply wiring (in conduit) for all field-wired
connections.
• All control (interconnecting) wiring (in conduit) for
field supplied devices.
• Fused-disconnect switches or circuit breakers.
• Power factor correction capacitors. (optional)
Power Supply Wiring
All power supply wiring must be sized and selected
accordingly by the project engineer in accordance with
NECTable 310-16.
All wiring must comply with local codes and the National
Electrical Code.The installing (or electrical) contractor
must provide and install the system interconnecting
wiring, as well as the power supply wiring. It must be
properly sized and equipped with the appropriate fused
disconnect switches.
The type and installation location(s) of the fused
disconnects must comply with all applicable codes.
Cut holes into the sides of the control panel for the
appropriately-sized power wiring conduits.The wiring is
passed through these conduits and connected to the
terminal blocks, optional unit-mounted disconnects, or
HACR type breakers. Refer to Figure 33, p. 67.
To provide proper phasing of 3-phase input, make
connections as shown in field wiring diagrams and as
stated on the WARNING label in the starter panel. For
additional information on proper phasing, refer to “Unit
Voltage Phasing.” Proper equipment ground must be
provided to each ground connection in the panel (one for
each customer-supplied conductor per phase).
All 115 volt field-provided connections (either control or
power) are made through knockouts on the lower left side
of the panel, as shown on Figure 33. Additional grounds
may be required for each 115 volt power supply to the unit.
Green lugs are provided for 115V customer wiring.
Single Point Power on Dual Panel Units
(Optional)
Units which require two control panels and with single
point power option selected, are built with a power
connection junction box located in the center of the unit as
shown in Figure 34, p. 67. Customer will connect to
terminal blocks inside this panel.
WARNING
Proper Field Wiring and Grounding
Required!
All field wiring MUST be performed by qualified
personnel. Improperly installed and grounded field
wiring poses FIRE and ELECTROCUTION hazards.To
avoid these hazards, you MUST follow requirements for
field wiring installation and grounding as described in
NEC and your local/state electrical codes. Failure to
follow code could result in death or serious injury.
WARNING
Hazardous Voltage w/Capacitors!
Disconnect all electric power, including remote
disconnects and discharge all motor start/run
capacitors before servicing. Follow proper lockout/
tagout procedures to ensure the power cannot be
inadvertently energized. For variable frequency drives or
other energy storing components provided by Trane or
others, refer to the appropriate manufacturer’s literature
for allowable waiting periods for discharge of
capacitors. Verify with an appropriate voltmeter that all
capacitors have discharged. Failure to disconnect power
and discharge capacitors before servicing could result in
death or serious injury.
For additional information regarding the safe discharge
of capacitors, see PROD-SVB06A-EN
NOTICE:
Use Copper Conductors Only!
Unit terminals are not designed to accept other types
of conductors. Failure to use copper conductors could
result in equipment damage.

Installation - Electrical
RTAC-SVX01M-EN 67
Control Power Supply
The unit is equipped with a control power transformer; it
is not necessary to provide additional control power
voltage to the unit.
All units are factory-connected for appropriate labeled
voltages except for the 400V/50Hz units which need the
control power transformer (1T1) reconnected as noted
below.
Important: As shipped, a normal 400 volt unit control
power transformer is wired on the 400 volt
tap (H3). Reconnect the appropriate
transformer wire lead 126A to the tap (H2)
for 380V/50Hz power supply or lead 126A to
the tap H4 for the 415V/50 Hz power supply.
It is also necessary to adjust the “unit
voltage” setting usingTechView
(Configuration-CustomTab).
Heater Power Supply and Convenience
Outlet (Packaged Units Only)
The evaporator shell is insulated from ambient air and
protected from freezing temperatures by two
thermostatically-controlled immersion heaters and two
strip heaters. Whenever the water temperature drops to
approximately 37°F (2.8°C), the thermostat energizes the
heaters.The heaters will provide protection from ambient
temperatures down to -20°F (-29°C).
It is required to provide an independent power source
(115V 60Hz-20 amp, 220V 50Hz-15 amp), with a fused-
disconnect.The heaters are factory-wired back to the unit
control panel.
Figure 33. Control panel
Figure 34. Single point power box - optional on dual panel units
115V
Field
Wiring
Knockouts
for 30V
Cut holes
for power
wiring in
THIS AREA
See side view.
Incoming
Custome
r
Power
Location
Side View - Right
Side View - Right
Single Point Power Box - Installed
Incoming
Customer
Power
Location
Cut holes
for power
wiring in
THIS AREA
See side view.

Installation - Electrical
68 RTAC-SVX01M-EN
A convenience outlet is also optional, which shares the
same power supply as the heaters on 140-250 ton units. Be
aware that when the heater is operating, the convenience
outlet amperage draw will be reduced accordingly.
Note: The convenience outlet is optional.The heaters are
required.
Interconnecting Wiring
Chilled Water Pump Control
An evaporator water pump output relay closes when the
chiller is given a signal to go into the Auto mode of
operation from any source.The contact is opened to turn
off the pump in the event of most machine level
diagnostics to prevent the build up of pump heat.
The relay output from 1U10 is required to operate the
EvaporatorWater Pump (EWP) contactor. Contacts should
be compatible with 115/240 VAC control circuit.The EWP
relay operates in different modes depending on CH530 or
Tracer commands, if available, or service pumpdown (See
maintenance section). Normally, the EWP relay follows the
AUTO mode of the chiller. Whenever the chiller has no
diagnostics and is in the AUTO mode, regardless of where
the auto command is coming from, the normally open
relay is energized.When the chiller exits the AUTO mode,
the relay is timed open for an adjustable (usingTechView)
0 to 30 minutes.The non-AUTO modes in which the pump
is stopped, include Reset (88), Stop (00), External Stop
(100), Remote Display Stop (600), Stopped byTracer (300),
Low Ambient Run Inhibit (200), and Ice Building complete
(101).
Regardless of whether the chiller is allowed to control the
pump on a full-time basis, if the MP calls for a pump to start
and water does not flow, the evaporator may be damaged
catastrophically. It is the responsibility of the installing
contractor and/or the customer to ensure that a pump will
start when called upon by the chiller controls.
Note: Exceptions are listed below.
When going from Stop to Auto, the EWP relay is energized
immediately. If evaporator water flow is not established in
20 minutes (for normal transition) or 4 minutes, 15
seconds (for pump commanded ON due to an override
safety), the CH530 de-energizes the EWP relay and
generates a non-latching diagnostic. If flow returns (e.g.
someone else is controlling the pump), the diagnostic is
cleared, the EWP is re-energized, and normal control
resumed.
If evaporator water flow is lost once it had been
established, the EWP relay remains energized and a non-
latching diagnostic is generated. If flow returns, the
diagnostic is cleared and the chiller returns to normal
operation.
In general, when there is either a non-latching or latching
diagnostic, the EWP relay is turned off as though there was
a zero time delay. Exceptions (see above table) whereby
the relay continues to be energized occur with:
A Low Chilled WaterTemp. diagnostic (non-latching)
(unless also accompanied by an Evap Leaving Water
Temperature Sensor Diagnostic)
or
A starter contactor interrupt failure diagnostic, in which a
compressor continues to draw current even after
commanded to have shutdown
or
A Loss of EvaporatorWater Flow diagnostic (non-latching)
and the unit is in the AUTO mode, after initially having
proven evaporator water flow.
Alarm and Status Relay Outputs
(Programmable Relays)
A programmable relay concept provides for enunciation of
certain events or states of the chiller, selected from a list of
NOTICE:
Equipment Damage!
Control panel main processor does not check for loss of
power to the heat tape nor does it verify thermostat
operation. A qualified technician must verify power to
the heat tape and confirm operation of the heat tape
thermostat to avoid catastrophic damage to the
evaporator.
NOTICE:
Equipment Damage!
If insufficient concentration or no glycol is used, the
evaporator water pumps must be controlled by the
CH530 to avoid severe damage to the evaporator due to
freezing. A power loss of 15 minutes during freezing
can damage the evaporator. It is the responsibility of
the installing contractor and/or the customer to ensure
that a pump will start when called upon by the chiller
controls.
Please consult Table 42, p. 54 for correct concentration
of glycol.
The warranty will be void, in case of freezing due to the
lack of use of either of these protections.
Table 50. Pump Relay Operation
Chiller Mode Relay Operation
Auto Instant close
Ice Building Instant close
Tracer Override Close
Stop Timed Open
Ice Complete Instant Open
Diagnostics Instant Open

Installation - Electrical
RTAC-SVX01M-EN 69
likely needs, while only using four physical output relays,
as shown in the field wiring diagram.The four relays are
provided (generally with a Quad Relay Output LLID) as part
of the Alarm Relay Output Option.The relay’s contacts are
isolated Form C (SPDT), suitable for use with 120 VAC
circuits drawing up to 2.8 amps inductive, 7.2 amps
resistive, or 1/3 HP and for 240 VAC circuits drawing up to
0.5 amp resistive.
The list of events/states that can be assigned to the
programmable relays can be found in Table 51..The relay
will be energized when the event/state occurs. Relay Assignments Using
TechView
CH530 ServiceTool (TechView) is used to install the Alarm
and Status Relay Option package and assign any of the
above list of events or status to each of the four relays
provided with the option.The relays to be programmed
are referred to by the relay’s terminal numbers on the LLID
board 1U12.
The default assignments for the four available relays of the
RTAC Alarm and Status Package Option are:
If any of the Alarm/Status relays are used, provide
electrical power, 115 VAC with fused-disconnect to the
panel and wire through the appropriate relays (terminals
on 1U12 (EUR=A4-5)). Provide wiring (switched hot,
neutral, and ground connections) to the remote
annunciation devices. Do not use power from the chiller’s
control panel transformer to power these remote devices.
Refer to the field diagrams which are shipped with the unit.
Low Voltage Wiring
The remote devices described below require low voltage
wiring. All wiring to and from these remote input devices
to the Control Panel must be made with shielded, twisted
pair conductors. Be sure to ground the shielding only at
the panel.
Important: To prevent control malfunctions, do not run
low voltage wiring (<30 V) in conduit with
conductors carrying more than 30 volts.
Emergency Stop
CH530 provides auxiliary control for a customer specified/
installed latching trip out. When this customer-furnished
remote contact 5K14 is provided, the chiller will run
normally when the contact is closed. When the contact
opens, the unit will trip on a manually resettable
Table 51. Alarm and Status Relay Output Configuration
Table
Description
Alarm - Latching
This output is true whenever there is any
active diagnostic that requires a manual reset
to clear, that affects either the Chiller, the
Circuit, or any of the Compressors on a circuit.
This classification does not include
informational diagnostics.
Alarm - Auto Reset
This output is true whenever there is any
active diagnostic that could automatically
clear, that affects either the Chiller, the
Circuit, or any of the Compressors on a circuit.
This classification does not include
informational diagnostics.
Alarm
This output is true whenever there is any
diagnostic affecting any component, whether
latching or automatically clearing. This
classification does not include informational
diagnostics
Alarm Ckt 1
This output is true whenever there is any
diagnostic effecting Refrigerant Circuit 1,
whether latching or automatically clearing,
including diagnostics affecting the entire
chiller. This classification does not include
informational diagnostics.
Alarm Ckt 2
This output is true whenever there is any
diagnostic affecting Refrigerant Circuit 2
whether latching or automatically clearing,
including diagnostics effecting the entire
chiller. This classification does not include
informational diagnostics.
Chiller Limit Mode (with
a 20 minute filter)
This output is true whenever the chiller has
been running in one of the Unloading types of
limit modes (Condenser, Evaporator, Current
Limit or Phase Imbalance Limit) continuously
for the last 20 minutes.
Circuit 1 Running
This output is true whenever any compressors
are running (or commanded to be running) on
Refrigerant Circuit 1, and false when no
compressors are commanded to be running
on that circuit.
Circuit 2 Running
This output is true whenever any compressors
are running (or commanded to be running) on
Refrigerant Circuit 2, and false when no
compressors are commanded to be running
on that circuit.
Chiller Running
This output is true whenever any compressors
are running (or commanded to be running) on
the chiller and false when no compressors are
commanded to be running on the chiller.
Maximum Capacity
(software 18.0 or later)
This output is true whenever the chiller has
reached maximum capacity or had reached its
maximum capacity and since that time has
not fallen below 70% average current relative
to the rated ARI current for the chiller. The
output is false when the chiller falls below
70% average current and, since that time,
had not reestablished maximum capacity.
Table 52. Default assignments
Relay
Relay 1 Terminals J2 -12,11,10: Alarm
Relay 2 Terminals J2 - 9,8,7: Chiller Running
Relay 3 Terminals J2-6,5,4: Maximum Capacity
Relay 4 Terminals J2-3,2,1: Chiller Limit
Table 51. Alarm and Status Relay Output Configuration
Table (continued)
Description

Installation - Electrical
70 RTAC-SVX01M-EN
diagnostic.This condition requires manual reset at the
chiller switch on the front of the control panel.
Connect low voltage leads to terminal strip locations on
1U4. Refer to the field diagrams that are shipped with the
unit.
Silver or gold-plated contacts are recommended.These
customer-furnished contacts must be compatible with 24
VDC, 12 mA resistive load.
External Auto/Stop
If the unit requires the external Auto/Stop function, the
installer must provide leads from the remote contacts
5K15 to the proper terminals of the LLID 1U4 on the control
panel.
The chiller will run normally when the contacts are closed.
When either contact opens, the compressor(s), if
operating, will go to the RUN:UNLOAD operating mode
and cycle off. Unit operation will be inhibited. Closure of
the contacts will permit the unit to return to normal
operation.
Field-supplied contacts for all low voltage connections
must be compatible with dry circuit 24 VDC for a 12 mA
resistive load. Refer to the field diagrams that are shipped
with the unit.
External Circuit Lockout – Circuit #1 and #2
CH530 provides auxiliary control of a customer specified
or installed contact closure, for individual operation of
either Circuit #1 or #2. If the contact is closed, the
refrigerant circuit will not operate 5K16 and 5K17.
Upon contact opening, the refrigerant circuit will run
normally.This feature is used to restrict total chiller
operation, e.g. during emergency generator operations.
Connections to 1U5 are shown in the field diagrams that
are shipped with the unit.
These customer-supplied contact closures must be
compatible with 24 VDC, 12 mA resistive load. Silver or
gold plated contacts are recommended.
Ice Building Option
CH530 provides auxiliary control for a customer specified/
installed contact closure for ice building if so configured
and enabled.This output is known as the Ice Building
Status Relay. The normally open contact will be closed
when ice building is in progress and open when ice
building has been normally terminated either through Ice
Termination setpoint being reached or removal of the Ice
Building command.This output is for use with the ice
storage system equipment or controls (provided by
others) to signal the system changes required as the chiller
mode changes from “ice building” to “ice complete”.
When contact 5K18 is provided, the chiller will run
normally when the contact is open.
CH530 will accept either an isolated contact closure
(External Ice Building command) or a Remote
Communicated input (Tracer) to initiate and command the
Ice Building mode.
CH530 also provides a “Front Panel IceTermination
Setpoint”, settable throughTechView, and adjustable from
20 to 31°F (-6.7 to -0.5°C) in at least 1°F (1°C) increments.
Note: When in the Ice Building mode, and the evaporator
entering water temperature drops below the ice
termination setpoint, the chiller terminates the Ice
Building mode and changes to the Ice Building
Complete Mode.
Techview must also be used to enable or disable Ice
Machine Control.This setting does not prevent theTracer
from commanding Ice Building mode.
Upon contact closure, the CH530 will initiate an ice
building mode, in which the unit runs fully loaded at all
times. Ice building shall be terminated either by opening
the contact or based on the entering evaporator water
temperature. CH530 will not permit the ice building mode
to be reentered until the unit has been switched out of ice
building mode (open 5K18 contacts) and then switched
back into ice building mode (close 5K18 contacts.)
In ice building, all limits (freeze avoidance, evaporator,
condenser, current) will be ignored. All safeties will be
enforced.
If, while in ice building mode, the unit gets down to the
freeze stat setting (water or refrigerant), the unit will shut
down on a manually resettable diagnostic, just as in
normal operation.
Connect leads from 5K18 to the proper terminals of 1U7.
Refer to the field diagrams which are shipped with the unit.
Silver or gold-plated contacts are recommended.These
customer furnished contacts must be compatible with 24
VDC, 12 mA resistive load.
External Chilled Water Setpoint
(ECWS) Option
The CH530 provides inputs that accept either 4-20 mA or 2-
10 VDC signals to set the external chilled water setpoint
(ECWS).This is not a reset function.The input defines the
set point.This input is primarily used with generic BAS
(building automation systems).The chilled water setpoint
set via the DynaView or through digital communication
withTracer (Comm3).The arbitration of the various chilled
water setpoint sources is described in the flow charts at the
end of the section.
The chilled water setpoint may be changed from a remote
location by sending either a 2-10VDC or 4-20 mA signal to
the 1U6, terminals 5 and 6 LLID. 2-10 VDC and 4-20 mA
NOTICE:
Equipment Damage!
Freeze inhibitor must be adequate for the leaving water
temperature. Failure to do so will result in damage to
system components.

Installation - Electrical
RTAC-SVX01M-EN 71
each correspond to a 10 to 65°F (-12 to 18°C) external
chilled water setpoint.
The following equations apply:
If the ECWS input develops an open or short, the LLID will
report either a very high or very low value back to the main
processor.This will generate an informational diagnostic
and the unit will default to using the Front Panel
(DynaView) Chilled Water Setpoint.
TechView ServiceTool is used to set the input signal type
from the factory default of 2-10 VDC to that of 4-20 mA.
TechView is also used to install or remove the External
ChilledWater Setpoint option as well as a means to enable
and disable ECWS.
External Current Limit Setpoint
(ECLS) Option
Similar to the above, the CH530 also provides for an
optional External Current Limit Setpoint that will accept
either a 2-10VDC (default) or a 4-20 mA signal.The Current
Limit Setting can also be set via the DynaView or through
digital communication withTracer (Comm 3).The
arbitration of the various sources of current limit is
described in the flow charts at the end of this section.The
External Current Limit Setpoint may be changed from a
remote location by hooking up the analog input signal to
the 1 U6 LLID terminals 2 and 3. Refer to the following
paragraph on Analog Input Signal Wiring Details.The
following equations apply for ECLS:
If the ECLS input develops an open or short, the LLID will
report either a very high or very low value back to the man
processor.This will generate an informational diagnostic
and the unit will default to using the Front Panel
(DynaView) Current Limit Setpoint.
TheTechView ServiceTool must be used to set the input
signal type from the factory default of 2-10 VDC to that of
4-20 mA current.TechView must be also be used to install
or remove the External Current Limit Setpoint Option for
field installation, or can be used to enable or disable the
feature (if installed).
ECLS and ECWS Analog Input Signal
Wiring Details:
Both the ECWS and ECLS can be connected and setup as
either a 2-10 VDC (factory default), 4-20 mA, or resistance
input (also a form of 4-2OmA) as indicated below.
Depending on the type to be used, theTechView Service
Tool must be used to configure the LLID and the MP for the
proper input type that is being used.This is accomplished
by a setting change on the Custom Tab of the
Configuration View within TechView.
Important: For proper unit operation, BOTH ECLS and
ECWS settings MUST be the same (2-10
VDC or 4-20mA), even if only one input is to
be used.
The J2-3 and J2-6 terminal is chassis grounded and
terminal J2- 1 and J2-4 can be used to source 12VDC.The
ECLS uses terminals J2-2 and J2-3. ECWS uses terminals
J2-5 and J2-6. Both inputs are only compatible with
high-side current sources.
Chilled Water Reset (CWR)
CH530 resets chilled water temperature set point based on
either return water temperature, or outdoor air
temperature. Return Reset and Outdoor Reset are
standard.The following shall be selectable:
• One of three ResetTypes: None, Return Water
Temperature Reset, Outdoor AirTemperature Reset, or
Constant Return Water Temperature Reset.
• Reset Ratio Set Points.
For outdoor air temperature reset there shall be both
positive and negative reset ratio's.
• Start Reset Set Points.
• Maximum Reset Set Points.
The equations for each type of reset are as follows:
Return
CWS' = CWS + RATIO (START RESET - (TWE -TWL))
and CWS' > or = CWS
and CWS' - CWS < or = Maximum Reset
Outdoor
CWS' = CWS + RATIO * (START RESET -TOD)
and CWS' > or = CWS
Voltage Signal Current Signal
As generated from
external source
VDC=0.1455*(ECWS)+
0.5454
mA=0.2909(ECWS)+
1.0909
As processed by
CH530
ECWS=6.875*(VDC)-
3.75
ECWS=3.4375(mA)-
3.75
Voltage Signal Current Signal
As generated from
external source VDC+0.133*(%)-6.0 mA=0.266*(%)-12.0
As processed by
UCM %=7.5*(VDC)+45.0 %=3.75*(mA)+45.0
Figure 35. Wiring examples for ECLS and ECWS

Installation - Electrical
72 RTAC-SVX01M-EN
and CWS' - CWS < or = Maximum Reset
where
CWS' is the new chilled water set point or the “reset CWS”
CWS is the active chilled water set point before any reset
has occurred, e.g. normally Front Panel,Tracer, or ECWS
RESET RATIO is a user adjustable gain
START RESET is a user adjustable reference
TOD is the outdoor temperature
TWE is entering evap. water temperature
TWL is leaving evap. water temperature
MAXIMUM RESET is a user adjustable limit providing the
maximum amount of reset. For all types of reset, CWS' -
CWS < or = Maximum Reset.
In addition to Return and Outdoor Reset, the MP provides
a menu item for the operator to select a Constant Return
Reset. Constant Return Reset will reset the leaving water
temperature set point so as to provide a constant entering
water temperature.The Constant Return Reset equation is
the same as the Return Reset equation except on selection
of Constant Return Reset, the MP will automatically set
Ratio, Start Reset, and Maximum Reset to the following.
RATIO = 100%
START RESET = Design DeltaTemp.
MAXIMUM RESET = Design DeltaTemp.
The equation for Constant Return is then as follows:
CWS' = CWS + 100% (Design DeltaTemp. - (TWE -TWL))
and CWS' > or = CWS
and CWS' - CWS < or = Maximum Reset
When any type of CWR is enabled, the MP will step the
Active CWS toward the desired CWS' (based on the above
equations and setup parameters) at a rate of 1 degree F
every 5 minutes until the Active CWS equals the desired
CWS'.This applies when the chiller is running.
When the chiller is not running, CWS is reset immediately
(within one minute) for Return Reset and at a rate of 1
degree F every 5 minutes for Outdoor Reset.The chiller
will start at the Differential to Start value above a fully reset
CWS or CWS' for both Return and Outdoor Reset.
Communications Interface
Options
Tracer Communications Interface
Option
This option allows theTracer CH530 controller to exchange
information (e.g. operating setpoints and Auto/Standby
commands) with a higher-level control device, such as a
Tracer Summit or a multiple-machine controller. A
shielded, twisted pair connection establishes the bi-
directional communications link between theTracer
CH530 and the building automation system.
Important: To prevent control malfunctions, do not run
low voltage wiring (<30 V) in conduit with
conductors carrying more than 30 volts.
Field wiring for the communication link must meet the
following requirements:
• All wiring must be in accordance with the NEC and
local codes.
• Communication link wiring must be shielded, twisted
pair wiring (Belden 8760 or equivalent). See the table
below for wire size selection:
• The communication link cannot pass between
buildings.
• All units on the communication link can be connected
in a “daisy chain” configuration.
LonTalk™ Interface (LCI-C)
CH530 provides an optional LonTalk Communication
Interface (LCI-C) between the chiller and a Building
Automation System (BAS). An LCI-C LLID shall be used to
provide “gateway”. functionality between a LonTalk
compatible device and the Chiller.The inputs/outputs
include both mandatory and optional network variables as
established by the LonMark®Functional Chiller Profile
8040.
Note: For more information, see ACC-SVN25*-EN.
BACnet™ Interface (BCI-C)
Optional BACnet Communication Interface for Chillers
(BCI-C) is comprised of aTracer UC400 controller with
interface software. It is a non-programmable
communications module that allows units to
communicate on a BACnet communications network.
Note: For more information, see BAS-SVP05*-EN.
Range Increment
Reset
Type Reset
Ratio Start
Reset Max
Reset IP
Units SI
Units Factory
Default
Return 10 to
120% 4 to 30 F 0 to 20 F 1% 1% 50%
(2.2 to
16.7 C) (0.0 to
11.1 C)
Outdoor 80 to -
80% 50 to 130
F0 to 20 F 1% 1% 10%
(10 to
54.4 C) (0.0 to
11.1 C) Table 53. Wire Size
Wire Size Maximum Length of Communication
Wire
14 AWG (2.5 mm2) 5,000 FT (1525 m)
16 AWG (1.5 mm2) 2,000 FT (610 m)
18 AWG (1.0 mm2) 1,000 FT (305 m)

RTAC-SVX01M-EN 73
Operating Principles
This section contains an overview of the operation and
maintenance of RTAC units equipped with CH530 control
systems. It describes the overall operating principles of the
RTAC design.
Refrigeration Cycle
The refrigeration cycle of the RTAC chiller is similar to that
of the RTAA air cooled water chiller.The exception is that
the evaporating and condensing temperatures have been
increased to allow for optimization of the chiller and
reduced foot print.The refrigeration cycle is represented
in the pressure enthalpy diagram in Figure 36. Key state
points are indicated on the figure.The cycle for the full
load AHRI design point is represented in the plot.
The RTAC chiller uses a shell and tube evaporator design
with refrigerant evaporating on the shell side and water
flowing inside tubes having enhanced surfaces (states 4 to
1).The suction lines and bolt pads are designed to
minimize pressure drop.(states 1 to 1b).The compressor is
a twin-rotor helical rotary compressor designed similarly
to the compressors offered in otherTrane Screw
Compressor Based Chillers (states 1b to 2).The discharge
lines include a highly efficient oil separation system that
virtually removes all oil from the refrigerant stream going
to the heat exchangers (states 2 to 2b). De-superheating,
condensing and sub-cooling is accomplished in a fin and
tube air cooled heat exchanger where refrigerant is
condensed in the tube (states 2b to 3b). Refrigerant flow
through the system is balanced by an electronic expansion
valve (states 3b to 4).
Refrigerant R-134a
The RTAC chiller uses environmentally friendly R134a.
Trane believes that responsible refrigerant practices are
important to the environment, our customers, and the air
conditioning industry. All technicians who handle
refrigerants must be certified.The Federal Clean Air Act
(Section 608) sets forth the requirements for handling,
reclaiming, recovering and recycling of certain
refrigerants and the equipment that is used in these
service procedures. In addition, some states or
municipalities may have additional requirements that
must also be adhered to for responsible management of
refrigerants. Know the applicable laws and follow them.
R-134a is a medium pressure refrigerant. It may not be
used in any condition that would cause the chiller to
operate in a vacuum without a purge system. RTAC is not
equipped with a purge system.Therefore, the RTAC chiller
may not be operated in a condition that would result in a
saturated condition in the chiller of –15°F (-26°C) or lower.
R-134a requires the use of specific POE oils as designated
on the unit nameplate.
Important: Use only R-134a andTrane Oil 00048 in
RTAC chillers.
Compressor
The compressor is a semi-hermetic, direct-drive rotary
type compressor. Each compressor has only four moving
parts: two rotors that provide compression and male and
female load-control valves.The male rotor is attached to
the motor and the female rotor is driven by the male rotor.
The rotors and motor are supported by bearings.
The helical rotary compressor is a positive displacement
device. Refrigerant vapor from evaporator is drawn into
the suction opening of the compressor (state 1b), through
a suction strainer screen across the motor (which provides
motor cooling) and into the intake of the compressor
rotors.The gas is then compressed and discharged
through a check valve and into the discharge line (state 2).
There is no physical contact between the rotors and the
compressor housing.The rotors contact each other at the
point where the driving action between the male and
female rotors occurs. Oil is injected into the rotors of the
compressor, coating the rotors and the compressor
housing interior. Although this oil does provide rotor
lubrication, its primary purpose is to seal the clearance
spaces between the rotors and compressor housing. A
positive seal between these internal parts enhances
compressor efficiency by limiting leakage between the
high pressure and low pressure cavities.
Capacity control is accomplished by means of a female
step load-control valve and a male control valve.The
female step valve is the first stage of loading after the
compressor starts and the last stage of unloading before
the compressor shuts down.The male control valve is
positioned by a piston cylinder along the length of the
male rotor. Compressor capacity is dictated by the
position of the loading valve relative to the rotors. When
the valve slides toward the discharge end of the rotors
compressor capacity is reduced.
Figure 36. Pressure enthalpy (P-h) diagram - RTAC
R-134a
h (btu/lb)
P
(
psia
)
137°F (58°C)
126°F (52°C)
106°F (41°C)
39°F (4°C)
1
1b
2
2b
3
3b
4
4b
120 140100806040200
30
50
100
200
500
600

Operating Principles
74 RTAC-SVX01M-EN
Condenser and Subcooler
Condenser and subcooler are similar to the condenser
used in RTAA chillers.The heat exchanger consists of 3/8”
tubes that contain refrigerant, large fins that are in the air
flow and fans that draw air through fins. Heat is transferred
from the refrigerant through the tubes and fins to the air.
High pressure gas from the compressor enters the tubes of
the condenser through a distribution header (state 2b). As
refrigerant flows through the tubes, the heat of
compression and cooling load are rejected to the air. In
this process the refrigerant is de-superheated, condensed
(states 2b to 3) and finally subcooled (states 3 to 3b) to a
temperature slightly above the ambient air temperature.
The subcooled liquid refrigerant is collected in the leaving
header where it is transferred to the liquid line (state 3b).
Controls algorithm always runs as many fans as possible
without reducing differential pressure (discharge minus
suction) below setpoint, 60 psid (4.2 bar). If a warm enough
ambient is sensed, all fans will run. If ambient is cooler,
some fans are shut off to maintain pressure differential.
Fan staging depends on chiller load, evaporator pressure,
condenser effectiveness, ambient temperature, and
numbers and sizes of fans installed on circuit.
Algorithm pre-starts fans (based on ambient and water
temperatures) when a circuit starts the compressor. (For
rare conditions such as during some pull-downs, a steady
fan state would either violate the 60 psid (4.2 bar) setpoint
or cause a high pressure cut-out; in those conditions a fan
will cycle on and off.)
For up to two minutes after chiller start-up, the setpoint is
35 psi (2.45 bar) difference, and then before the controls
adjust gradually over half a minute up to 60 psi (4.2 bar).
Expansion Valve
Pressure drop occurs in an electronic expansion valve.The
unit controller (CH530) uses the valve to regulate the flow
through the liquid line to match the flow produced by the
compressor. The valve has a variable orifice that is
modulated by a stepper motor.
High pressure, subcooled liquid refrigerant enters the
expansion valve from the liquid line. As refrigerant passes
through the valve the pressure is dropped substantially,
which results in vaporization of some of the refrigerant.
The heat of vaporization is supplied by the two phase
mixture resulting in low temperature low pressure
refrigerant which is supplied to the evaporator (state 4) to
provide cooling.
Evaporator
The evaporator is composed of a liquid-vapor distributor
and falling film evaporator.
A liquid-vapor refrigerant mixture enters the distributor
(state 4).The mixture is distributed over the length of the
evaporator tubes (state 4b). Liquid is evenly distributed
over the length of the evaporator tubes by the two-phase
distribution system. A portion of the liquid boils as it falls
by gravity from tube to tube, wetting all the tubes of the
evaporator.To ensure that the tubes at the bottom of the
evaporator do not experience “dry out,” a liquid pool is
maintained in the bottom few inches of the bundle.Tubes
located in the bottom of the evaporator will evaporate the
liquid refrigerant by boiling (pool boiling).
Heat is transferred from the water or glycol inside the
tubes to the liquid refrigerant as the film of refrigerant
evaporates on the surface of the tube.Thin film heat
transfer requires a smaller temperature difference for a
given amount of heat transfer than nucleate boiling, which
is the heat transfer process used in flooded evaporators.
Hence, efficiency is enhanced by the use of falling film
evaporation. Additionally, the evaporator requires less
refrigerant than a comparable flooded evaporator and the
evaporator boils the entire refrigerant supply at constant
pressure. Refrigerant vapor exits the evaporator through
the suction line (state 1).
Oil System
Screw compressors require large quantities of oil for
lubricating and sealing the rotors and lubricating the
bearings.This oil is mixed with refrigerant at the discharge
of the compressor.To enhance the performance of the
heat exchanger surfaces an oil separation system is placed
into the discharge line.The oil separator is located
between the compressor and the condenser. It separates
oil using highly efficient centrifugal force. Approximately
99.5% of the oil is removed from the refrigerant in the
separator.
Oil that is removed from the refrigerant falls by gravity into
the oil sump.This oil is directed back to the compressor
through the oil lines. Internal to the compressor is a high
efficiency filter to clean the oil before it is delivered to the
rotors and bearings. Once oil is injected into the
compressor rotors it mixes with the refrigerant again and
is delivered back to the discharge line.
Oil that gets past the oil separators flows through the
condenser, subcooler and expansion valve into the
evaporator.This oil is collected in the pool of refrigerant
that is maintained in the bottom of the evaporator. A small
amount of oil and refrigerant from this pool (state 4b) is
returned through a line that is connected to the
compressor down stream of the motor.This oil and
refrigerant mixes with the refrigerant vapor that was
drawn out of the evaporator, prior to injection into the
compressor rotors.

RTAC-SVX01M-EN 75
Controls Interface
Overview
RTAC units utilize theTracer™ CH530 chiller control
system which consists of several elements:
• The main processor collects data, status, and
diagnostic information and communicates commands
to the starter module and the LLID (for Low Level
Intelligent Device) bus.The main processor has an
integral display (DynaView™).
• Higher level modules (e.g. starter) exist only as
necessary to support system level control and
communications.The starter module provides control
of the starter when starting, running, and stopping the
chiller motor. It also processes its own diagnostics and
provides motor and compressor protection.
• Low level intelligent device (LLID) bus.The main
processor communicates to each input and output
device (e.g. temperature and pressure sensors, low
voltage binary inputs, analog input/output) all
connected to a four-wire bus, rather than the
conventional control architecture of signal wires for
each device.
• The communication interface to a building automation
system (BAS).
• A service tool to provide all service/maintenance
capabilities.
Main processor and service tool (™) software is
downloadable from www.Trane.com.The process is
discussed in section “TechView,” p. 83.
DynaView provides bus management. It has the task of
restarting the link, or filling in for what it sees as“missing”
devices when normal communications has been
degraded. Use ofTechView may be required.
The CH530 uses the IPC3 protocol based on RS485 signal
technology and communicating at 19.2 Kbaud to allow 3
rounds of data per second on a 64-device network. A
typical four-compressor RTAC will have around 50 devices.
Most diagnostics are handled by the DynaView. If a
temperature or pressure is reported out of range by a LLID,
the DynaView processes this information and calls out the
diagnostic.The individual LLIDs are not responsible for
any diagnostic functions.The only exception to this is the
Starter module.
Note: It is imperative that the CH530 ServiceTool
(TechView) be used to facilitate the replacement of
any LLID or reconfigure any chiller component.
TechView is discussed later in this section.
Controls Interface
Each chiller is equipped with a DynaView interface.The
DynaView has the capability to display information to the
operator including the ability to adjust settings. Multiple
screens are available and text is presented in multiple
languages as factory-ordered or can be easily downloaded
from www.trane.com.
TechView can be connected to either the DynaView
module and provides further data, adjustment
capabilities, diagnostics information using downloadable
software.
DynaView Display
DynaView™ display interface is made of weatherproof
and durable plastic for use as a stand-alone device on the
outside of the unit or mounted nearby. See Figure 37.
The DynaView uses a 1/4 VGA display with a resistive
touch screen and an LED backlight.The display area is
approximately 4 inches wide by 3 inches high (102mm x
60mm).
Key Functions
In this touch screen application, key functions are
determined completely by software and change
depending upon the subject matter currently being
displayed.The basic touch screen functions are outlined
below.
Radio Buttons
Radio buttons show one menu choice among two or more
alternatives, all visible. (It is the AUTO button in Figure 37.)
The radio button model mimics the buttons used on old-
fashioned radios to select stations. When one is pressed,
the one that was previously pressed “pops out” and the
new station is selected. In the DynaView model the
possible selections are each associated with a button.The
selected button is darkened, presented in reverse video to
indicate it is the selected choice.The full range of possible
choices as well as the current choice is always in view.
Figure 37. DynaView

Controls Interface
76 RTAC-SVX01M-EN
Spin Value Buttons
Spin values are used to allow a variable setpoint to be
changed, such as leaving water setpoint.The value
increases or decreases by touching the increment (+) or
decrement (-) arrows.
Action Buttons
Action buttons appear temporarily and provide the user
with a choice such as Enter or Cancel.
Hot Links
Hot links are used to navigate from one view to another
view.
File Folder Tabs
File folder tabs are used to select a screen of data. Just like
tabs in a file folder, these serve to title the folder/screen
selected, as well as provide navigation to other screens. In
DynaView, the tabs are in one row across the top of the
display.The folder tabs are separated from the rest of the
display by a horizontal line.Vertical lines separate the tabs
from each other.The folder that is selected has no
horizontal line under its tab, thereby making it look like a
part of the current folder (as would an open folder in a file
cabinet).The user selects a screen of information by
touching the appropriate tab.
Display Screens
Note: Screens shown in this chapter are representative
samples only, and may not exactly match the
values, selections found on your particular unit.
Basic Screen Format
The basic screen format appears as
:
The file folder tabs across the top of the screen are used to
select the various display screens.
Scroll arrows are added if more file tabs (choices) are
available. When the tabs are at the left most position, the
left navigator will not show and only navigation to the right
will be possible. Likewise when the right most screen is
selected, only left navigation will be possible.
The main body of the screen is used for description text,
data, setpoints, or keys (touch sensitive areas).The Chiller
Mode is displayed here.
The double up arrows cause a page-by-page scroll either
up or down.The single arrow causes a line by line scroll to
occur.At the end of the page, the appropriate scroll bar will
disappear.
A double arrow pointing to the right indicates more
information is available about the specific item on that
same line. Pressing it will bring you to a subscreen that will
present the information or allow changes to settings.
The bottom of the screen (Fixed Display) is present in all
screens and contains the following functions.The left
circular area is used to reduce the contrast/viewing angle
of the display.The right circular area is used to increase
the contrast/viewing angle of the display.The contrast
may require re-adjustment at ambient temperatures
significantly different from those present at last
adjustment.
The other functions are critical to machine operation.The
AUTO and STOP keys are used to enable or disable the
chiller.The key selected is in black (reverse video).The
chiller will stop when the STOP key is touched and after
completing the Run Unload mode.
Touching the AUTO key will enable the chiller for active
cooling if no diagnostic is present. (A separate action must
be taken to clear active diagnostics.)
The AUTO and STOP keys, take precedence over the Enter
and Cancel keys. (While a setting is being changed, AUTO
and STOP keys are recognized even if Enter or Cancel has
not been pressed.)
The ALARMS button appears only when an alarm is
present, and blinks (by alternating between normal and
reverse video) to draw attention to a diagnostic condition.
Pressing the ALARMS button takes you to the
corresponding tab for additional information.
Front Panel Lockout Feature
Note: The DynaView display andTouch Screen Lock
screen is shown below.This screen is used if the
Display and touch screen and lock feature is
enabled.Thirty minutes after the last keystroke,
this screen is displayed and the Display andTouch
Screen is locked out until the sequence “159
<ENTER>” is pressed.
Tab navig ator
Tabs
Radio buttons
Line scroll
Page scroll
(up/down)
Contrast control (darker)
Page scroll
(down)
(up)
Contrast control (lighter)
File folder
Display and Touch Screen are Locked
Enter Password to Unlock
1
4
78
5
2
6
3
9
Enter 0 Cancel

Controls Interface
RTAC-SVX01M-EN 77
Until the proper password is entered, there will be no
access to the DynaView screens including all reports,
setpoints, and Auto/Stop/Alarms/Interlocks.
The password “159” is not programmable from either
DynaView orTechView.
Front Panel Display During Cold Ambients
If the Display andTouch Screen Lock feature is disabled,
the following screen is automatically displayed if the
DynaViewTemperature is below freezing and has been 30
minutes after the last keystroke.
Note: This feature is provided to avoid unintended
actuations of the keypad, which can occur due to
ice build-up on the DynaView’s exterior surfaces.
Also be aware that at extremes of temperatures,
the LCD display screen will change its contrast from
the optimal adjustment made at more normal
temperatures. It can appear washed out or blacked
out. Simply pressing the lower right contrast
control on the screen will return the display to
readable condition.
Note: All screens shown in this section are typical. Some
screens show all display options available, only
one of which may appear on a line.
Modes Screen
The Mode Screen is only found on software revisions 18
and later.This screen provides a display for the top level
operating mode for each of the components and sub-
components of the chiller (i.e. Chiller, Circuits, and
Compressors) that exist on the Chiller as it is configured.
The modes are displayed as text only without the hex
codes.
In software revisions 17.0 and earlier, the top level mode
and the sub mode for each component was displayed on
the respective component tab on the first two lines.The
mode display of the first three lines of the Compressor and
Chiller Screen tabs is eliminated with the addition of the
Mode Screen
Display and Touch Screen are Locked
Enter 159 to Unlock
1
4
78
5
2
6
3
9
Enter 0 Cancel
Table 54. Chiller modes
Chiller Modes Description
Top Level Mode
Sub-modes
Stopped The chiller is not running and cannot run without intervention. Further information is
provided by the sub-mode:
Local Stop Chiller is stopped by DynaView Stop button command- cannot be remotely overridden.
Panic Stop
Chiller is stopped by the DynaView Panic Stop (by pressing Stop button twice in succession)
- previous shutdown was manually commanded to shutdown immediately without a run-
unload or pumpdown cycle - cannot be remotely overridden.
Diagnostic Shutdown - Manual Reset The chiller is stopped by a diagnostic that requires manual intervention to reset.
Other sub-modes are possible in conjunction with at least one of the above modes - See items below for their descriptions:
Diagnostic Shutdown - Auto Reset
Start Inhibited by Low Cond Temp
Start Inhibited by Low Ambient Temp
Start Inhibited by External Source
Start Inhibited by BAS
Waiting for BAS Communications
Ice Building to Normal Transition
Ice Building is Complete
Run Inhibit
The chiller is currently being inhibited from starting (and running), but may be allowed to
start if the inhibiting or diagnostic condition is cleared. Further information is provided by
the sub-mode:
Diagnostic Shutdown - Auto Reset The entire chiller is stopped by a diagnostic that may automatically clear.

Controls Interface
78 RTAC-SVX01M-EN
Start Inhibited by Low Cond Temp
The chiller is inhibited from starting by Low Condenser Temperature- Inhibit is active below
either 25°F (can be disabled with proper freeze protection) or 0°F (limit set by design, cannot
be disabled). As an exception, this will not stop a chiller already running.
Start Inhibited by Low Ambient Temp The chiller is inhibited from starting (and running) by an outdoor air ambient temperature
lower than a specified temperature - per user adjustable settings and can be disabled.
Start Inhibited by External Source The chiller is inhibited from starting (and running) by the "external stop" hardwired input.
Start Inhibited by BAS The chiller is inhibited from starting (and running) by command from a Building Automation
System via the digital communication link (com 3 or com 5).
Waiting for BAS Communications
This is a transient mode - 15-min. max, and is only possible if the chiller is in the Auto -
Remote command mode. After a power up reset, it is necessary to wait for valid
communication from a Building Automation System (Tracer) to know whether to run or stay
inhibited. Either valid communication will be received from the Building Automation System
(e.g. Tracer), or a communication diagnostic ultimately will result. In the latter case the
chiller will revert to Local control.
Ice Building to Normal Transition
The chiller is inhibited from running for a brief period of time if it is commanded from active
ice building mode into normal cooling mode via the ice building hardwired input or Tracer.
This allows time for the external system load to "switchover" from an ice bank to the chilled
water loop, and provides for a controlled pull down of the loop's warmer temperature. This
mode is not seen if the ice making is automatically terminated on return brine temperature
per the mode below.
Ice Building is Complete
The chiller is inhibited from running as the Ice Building process has been normally
terminated on the return brine temperature. The chiller will not start unless the ice building
command (hardwired input or Building Automation System command) is removed or cycled.
Auto
The chiller is not currently running but can be expected to start at any moment given that
the proper conditions and interlocks are satisfied. Further information is provided by the
sub-mode:
Waiting For Evap Water Flow The chiller will wait up to 4 minutes in this mode for evaporator water flow to be established
per the flow switch hardwired input.
Waiting for Need to Cool The chiller will wait indefinitely in this mode, for an evaporator leaving water temperature
higher than the Chilled Water Setpoint plus the Differential to Start.
Starting The chiller is going through the necessary steps to allow the lead circuit and lead compressor
to start.
No Sub Modes
Running At least one circuit and one compressor on the chiller are currently running. Further
information is provided by the sub-mode:
Unit is Building Ice
The chiller is running in the Ice Building Mode, and either at or moving towards full capacity
available. Ice mode is terminated either with the removal of the ice mode command or with
the return brine temperature falling below the Ice Termination Setpoint.
Running - Limited At least one circuit and one compressor on the chiller are currently running, but the operation
of the chiller as a whole is being actively limited by the controls.
Capacity Limited by
High Evap Water Temp
This mode will occur if both the OA temperature is above 40°F and the Evap Leaving Water
Temperature is above 75°F as is often the case in a high temperature pull-down. While in
this mode, no compressors will be allowed to load past their minimum load capacity step,
but it will not inhibit compressor staging. This mode is necessary to prevent nuisance trips
due to Compressor Overcurrent or High Pressure Cutout. Reasonable pull-down rates can
still be expected despite this limit.
Table 54. Chiller modes (continued)
Chiller Modes Description
Top Level Mode
Sub-modes

Controls Interface
RTAC-SVX01M-EN 79
Table 55. Circuit modes
Circuit Modes Description
Top Level Mode
Sub-modes
Stopped The given circuit is not running and cannot run without intervention. Further
information is provided by the sub-mode:
Front Panel Lockout The circuit is manually locked out by the circuit lockout setting - the nonvolatile
lockout setting is accessible through either the DynaView or TechView.
Diagnostic Shutdown - Manual Reset The circuit has been shutdown on a latching diagnostic.
Other sub-modes are possible in conjunction with at least one of the above modes - See items below for their descriptions:
Diagnostic Shutdown - Auto Reset
Start Inhibited by External Source
Start Inhibited by BAS
Run Inhibit
The given circuit is currently being inhibited from starting (and running), but may
be allowed to start if the inhibiting or diagnostic condition is cleared. Further
information is provided by the sub-mode:
Diagnostic Shutdown - Auto Reset The circuit has been shutdown on a diagnostic that may clear automatically.
Start Inhibited by External Source The circuit is inhibited from starting (and running) by its "external circuit lockout"
hardwired input.
Start Inhibited by BAS The circuit is inhibited from starting (and running) by command from a Building
Automation System via the digital communication link (com 3 or com 5).
Auto The given circuit is not currently running but can be expected to start at any
moment given that the proper conditions and interlocks are satisfied.
No Sub Modes
Starting The given circuit is going through the necessary steps to allow the lead
compressor on that circuit to start.
No Sub Modes
Running At least one compressor on the given circuit is currently running. Further
information is provided by the sub-mode:
Establishing Min. Cap - Low Diff pressure Circuit is experiencing low system differential pressure and is being force loaded,
regardless of Chilled Water Temperature Control, to develop pressure sooner.
Running - Limited
At least one compressor on the given circuit is currently running, but the capacity
of the circuit is being actively limited by the controls. Further information is
provided by the sub-mode:
Capacity Limited by High Cond Press Circuit is experiencing condenser pressures at or near the condenser limit
setting. Compressors on circuit will be unloaded to prevent exceeding limits.
Capacity Limited by Low Evap Rfgt Temp
The circuit is experiencing saturated evaporator temperatures at or near the Low
Refrigerant Temperature Cutout setting. Compressors on the circuit will be
unloaded to prevent tripping.
Capacity Limited by Low Liquid Level The circuit is experiencing low refrigerant liquid levels and the EXV is at or near
full open. The compressors on the circuit will be unloaded to prevent tripping.
Shutting Down
The given circuit is still running but shutdown is imminent. The circuit is going
through either a compressor run-unload mode or a circuit operational pumpdown
to dry out the evaporator (cold OA ambient only). Shutdown is necessary due
to one (or more) of the following sub-modes:
Operational Pumpdown
The circuit is in the process shutting down by performing an operational
pumpdown just prior to stopping the last running compressor. The EXV is
commanded closed. Pumpdown will terminate when both the liquid level and the
evap pressure
Front Panel Lockout
The circuit has been manually locked out by the circuit lockout setting and is in
the process of shutting down - the nonvolatile lockout setting is accessible
through either the DynaView or TechView.
Diagnostic Shutdown - Manual Reset The circuit is in the process of shutdown due to a latching diagnostic.
Diagnostic Shutdown - Auto Reset The circuit is in the process of shutdown due to a diagnostic that may
automatically clear.
Start Inhibited by External Source The circuit is in the process of shutdown due to a command from the external
circuit lockout hardwired input.
Start Inhibited by BAS The circuit is in the process of shutdown due to a command from the Building
Automation System (e.g. Tracer)

Controls Interface
80 RTAC-SVX01M-EN
Service Override The given circuit is in a Service Override mode
Service Pumpdown
The circuit is running with fan control, via a manual command to perform a
Service Pumpdown. Its respective EXV is being held wide open, but the manual
liquid line service valve should be closed.
Table 55. Circuit modes (continued)
Circuit Modes Description
Top Level Mode
Sub-modes
Table 56. Compressor modes
Compressor Modes Description
Top Level Mode
Sub-modes
Stopped The given compressor is not running and cannot run without intervention. Further
information is provided by the sub-mode:
Diagnostic Shutdown - Manual Reset The compressor has been shutdown on a latching diagnostic.
Service Tool Lockout
The compressor has been shutdown due to a command from the TechView Service Tool
to be "locked out" and inoperative. This setting is nonvolatile and operation can only be
restored by using TechView to "unlock" it.
Other sub-modes are possible in conjunction with at least one of the above modes - See items below for their descriptions:
Diagnostic Shutdown - Auto Reset
Restart Inhibit
Run Inhibit
The given compressor is currently being inhibited from starting (and running*), but may
be allowed to start if the inhibiting or diagnostic condition is cleared. Further information
is provided by the sub-mode:
Diagnostic Shutdown - Auto Reset The compressor has been shutdown on a diagnostic that may clear automatically.
Restart Inhibit The compressor is currently unable to start due to its restart inhibit timer. A given
compressor is not allowed to start until 5 minutes has expired since its last start.
Auto The given compressor is not currently running but can be expected to start at any moment
given that the proper conditions occur.
No Sub Modes
Starting The given compressor is going through the necessary steps to allow it to start. (This mode
is short and transitory)
No Sub Modes
Running The given compressor is currently running. Further information is provided by the sub-
mode:
Establishing Min. Capacity - High Oil Temp The compressor is running and is being forced loaded to its step load point, without regard
to the leaving water temperature control, to prevent tripping on high oil temperature.
Running - Limited The given compressor is currently running, but its capacity is being actively limited by the
controls. Further information is provided by the sub-mode:
Capacity Limited by High Current
The compressor is running and its capacity is being limited by high currents. The current
limit setting is 120% RLA (to avoid overcurrent trips) or lower as set by the compressor's
"share" of the active current limit (demand limit) setting for the entire chiller.
Capacity Limited by Phase Unbalance The compressor is running and its capacity is being limited by excessive phase current
unbalance.
Shutting Down
The given compressor is still running but shutdown is imminent. The compressor is going
through either a run-unload mode or is the active compressor in the operational
pumpdown cycle for its circuit. Shutdown is either normal (no sub-mode displayed) or due
the following sub-modes:
Diagnostic Shutdown - Manual Reset The compressor is in the process of shutdown due to a latching diagnostic.
Diagnostic Shutdown - Auto Reset The compressor is in the process of shutdown due to a diagnostic that may clear
automatically.
Service Tool Lockout
The compressor is in the process of shutdown due to a command from the TechView
Service Tool to be "locked out" and inoperative. This setting is nonvolatile and operation
can only be restored by using TechView to "unlock" it.

Controls Interface
RTAC-SVX01M-EN 81
Chiller Screen
The chiller screen is a summary of the chiller activity.
Compressor Screen
The compressor screen displays information for the one,
two, three, or four compressors in the format shown.The
top line of radio buttons allows you to select the
compressor of interest.The next three lines show the
compressor operating mode.The compressor radio
buttons and the compressor operating mode lines don’t
change as you scroll down in the menu.
The top screen has no upward scroll keys.The single arrow
down scrolls the screen one line at a time. As soon as the
display is one line away from the top, the upward pointing
arrow appears.
The last screen has a single arrow to scroll upward one line
at a time.When in the last position, the single down arrow
disappears.
Each compressor has its own screen depending on which
radio key is pressed. When toggling between compressor
screens, say to compare starts and run time, the same lines
can be seen without additional key strokes. For example,
toggling from the bottom of the compressor 1A menu
accesses the top of the compressor 2A menu.
.
Refrigerant Screen
The refrigerant screen displays those aspects of the chiller
related to the refrigerant circuits.
Table 57. Chiller screen
Description Resolution Units
Evap Leaving Water Temperature X.X F / C
Evap Entering Water Temperature X.X F / C
Active Chilled Water Setpoint X.X F / C
Active Current Limit Setpoint X % RLA
Out Door Temperature X.X F / C
Software Type RTA Text
Software Version X.XX Text
Table 58. Compressor screen
Description Resolution Units
Amps L1 L2 L3 XXX Amps
% RLA L1 L2 L3 X.X % RLA
Unit Volts XXX Volts
Oil Temperature X.X F / C
Intermediate Oil Pressure X.X Pressure
Suction Pressure X.X Pressure
Starts/ Run Hours X, XX:XX hr:min
Table 59. Refrigerant screen
Description Resolution Units
Cond Rfgt Pressure Ckt1/Ckt2 X.X Pressure
Sat Cond Rfgt Temp Ckt1/Ckt2 X.X F / C
Evap Rfgt Pressure Ckt1/Ckt2 X.X Pressure
Sat Evap Rfgt Temp Ckt1/Ckt2 X.X F / C
Evap Approach Temp Ckt1/Ckt2 X.X F / C
Rfgt Liquid Level Ckt1/Ckt2 X.X Height

Controls Interface
82 RTAC-SVX01M-EN
Setpoint Screen
The setpoint screen is a two-part screen. Screen 1 lists all
setpoints available to change along with their current
value.The operator selects a setpoint to change by
touching either the verbal description or setpoint value.
Doing this causes the screen to switch to Screen 2.
In Screen 1 the language setpoint will always be the last
setpoint in the list.This will facilitate language changes by
placing that control in a standard position across all
CH.530 product lines.
Screen 2 displays the current value of the chosen setpoint
in the upper ½ of the display. It is displayed in a changeable
format consistent with its type. Binary setpoints are
considered to be simple two state enumeration and will
use radio buttons. Analog setpoints are displayed as spin
buttons.The lower half of the screen is reserved for help
screens.
Table 60. Setpoint screen
Description
Resolution or
Text Units
Auto Local or Remote Remote/Local Text
Front Panel Chilled Water
Setpoint X.X F / C
Front Panel Current Limit
Setpoint XXX % RLA
Differential to Start X.X Temperature
Differential to Stop X.X Temperature
Condenser Limit Setpoint Enable/Disable Text
Low Ambient Lockout Setpoint X.X Temperature
Low Ambient Lockout Enable/Disable Text
Ice Build Enable/Disable Text
Front Panel Ice Termination
Setpoint X.X Temperature
Comp 1A Pumpdown Pumpdown/Abort Text
Comp 1B Pumpdown Pumpdown/Abort Text
Comp 2A Pumpdown Pumpdown/Abort Text
Comp 2B Pumpdown Pumpdown/Abort Text
EXV Ckt 1 Open Auto/Open Text
EXV Ckt 2 Open Auto/Open Text
Front Panel Ckt 1 Lockout Locked Out/Not
Locked Out Text
Front Panel Ckt 2 Lockout Locked Out/Not
Locked Out Text
Ext Chilled Water Setpoint X.X F / C
Ext Current Limit Setpoint XXX % RLA
Date Format mmm dd yyyy, dd
mm yyyy Text
Date Text
Time Format 12 hr, 24 hr Text
Time of Day Text
Keypad/Display Lockout Enable/Disable Text
Display Units SI, English Text
Pressure Units Absolute, Gauge Text
Language Selection Downloaded from
TechView Text
Table 60. Setpoint screen (continued)
Description
Resolution or
Text Units
Table 61 Setpoint options/conditions displayed
Option Condition(s) Explanation
Ice Building Enable/Disable If feature is installed, operation can be initiated or stopped
Cprsr Pumpdown1Avail Pumpdown is allowed: only with unit in Stop or when circuit is locked out
Not Avail Pumpdown is not allowed because unit is operating or pumpdown has been completed
Pumpdown State is displayed while pumpdown is in progress
EXV Ckt Open
(For Authorized Service Use Only2)Avail Indicates EXV is closed but can be opened manually since unit is in Stop or circuit is
locked out
Not Avail EXV is closed but cannot be opened manually since unit is operating
Open State is displayed when EXV is open. Unit will not start with EXV manually set open,
but will initiate valve closure first.
Ckt Lockout Locked Out Circuit is locked out at Front Panel; other circuit may be available to run
Not Locked Out Circuit is not locked out and is available to run
Notes:
1 Pumpdown procedure are discussed in Maintenance section 10.
2 Used for liquid level control or to recover from pumpdown

Controls Interface
RTAC-SVX01M-EN 83
Diagnostic Screen
The diagnostic screen (shown following) is accessible by
either pressing the blinking ALARMS key or by pressing
the Diagnostic tab on the screen tab selection.
A hex code and a verbal description appears on the display
as shown typically above.This is the last active diagnostic.
Pressing the “Reset All Active Diagnostics” will reset all
active diagnostics regardless of type, machine or
refrigerant circuit. Compressor diagnostics, which hold off
only one compressor, are treated as circuit diagnostics,
consistent with the circuit to which they belong. One
circuit not operating will not shut the chiller down.Viewing
the “Compressor” screen will indicate whether a circuit is
not operating and for what reason.
A complete listing of diagnostics and codes is included in
the Diagnostic Section.
Power-Up
On Power-Up, DynaView will cycle through three screens:
• First Screen, Version # of the Boot, full version #
displayed.
•This screen will display for 5 seconds before
moving to second screen. Contrast is adjustable
from this screen.
• Second Screen, Application or No Application.
•This screen will display for 5 seconds “A Valid
Application Is Present” or “A Valid Application Is
Not Present”.
• Third Screen, First screen of theApplication, the Chiller
Tab
Display Formats
Units
Temperature settings are in °F or °C, depending on Display
Units settings. Settings can be entered in tenths or whole
degrees depending on a menu setting at theTechView.
Dashes (“-----”) appearing in a temperature or pressure
report, indicates that the value is invalid or not applicable.
Languages
English plus two alternate languages may be installed
with DynaView and will reside in the main processor.
English will always be available.Alternate languages must
be installed usingTechView, Software Download View.
TechView
TechView™ is the PC (laptop) based tool used for servicing
Tracer CH530.Technicians that make any chiller control
modification or service any diagnostic withTracer CH530
must use a laptop running the software application
“TechView.”TechView is aTrane application developed to
minimize chiller downtime and aid the technicians
understanding of chiller operation and service
requirements.
Note: Important: Performing anyTracer CH530 service
functions should be done only by a properly
trained service technician. Please contact your
localTrane service agency for assistance with any
service requirements.
Ext. Chilled Water Setpt Enable/Disable Allows unit to control setpoint; otherwise another loop controller in line will control, as
optionally wired.
Ext. Current Limit Setpt Enable/Disable Allows unit to control setpoint; otherwise another loop controller in line will control, as
optionally wired.
Table 61 Setpoint options/conditions displayed (continued)
Option Condition(s) Explanation
Notes:
1 Pumpdown procedure are discussed in Maintenance section 10.
2 Used for liquid level control or to recover from pumpdown

Controls Interface
84 RTAC-SVX01M-EN
TechView software is available viaTrane.com.
(http://www.trane.com/COMMERCIAL/DesignAnalysis/
TechView.aspx?i=1435
This download site provides a user theTechView
installation software and CH530 main processor software
that must be loaded onto your PC in order to service a
CH530 main processor.TheTechView service tool is used
to load software into theTracer CH530 main processor
Minimum PC requirements to install and
operate TechView
•Microsoft Windows XP Professional, Windows
Vista Business or Windows 7 Enterprise
•Internet Explorer 6.0 or higher
•USB 2.0 or higher
•Pentium II, III or higher processor
•128Mb RAM minimum forTechView, 1G
recommended for total Windows system
•1024 x 768 resolution of display
•CD-ROM (optional for copyingTechView install to
CD)
•56K modem (optional for internet connection)
•9-pin RS-232 serial connection (optional for
connection to DynaView)
Note: TechView was designed for the preceding listed
laptop configuration. Any variation will have
unknown results.Therefore, support forTechView
is limited to only those operating systems that
meet the specific configuration listed here. Only
computers with a Pentium II class processor or
better are supported; Intel Celeron, AMD, or Cyrix
processors have not been tested.
TechView is also used to perform any CH530 service or
maintenance function. Servicing a CH530 main processor
includes:
•Updating main processor software
•Monitoring chiller operation
•Viewing and resetting chiller diagnostics
•Low Level Intelligent Device (LLID) replacement and
binding
•Main processor replacement and configuration
modifications
•Setpoint modifications
•Service overrides
TechView Software Download, Installation
This information can also be found at http://
www.trane.com/COMMERCIAL/DesignAnalysis/
TechView.aspx?i=1435.
1. Create a folder called “CH530” on your (C:\CH530) on
your hard drive.This \CH530 folder is the standard
recommended location for the installation file. Storing
the installation file in this location helps you remember
where it is stored and makes it easier for technical
support personnel to assist you.
2. Click the link for the latest version on theTechView
Software Download page. Enter your name, e-mail
address and other required information. Click Submit.
3. A download link will be sent to the e-mail address
provided. Before you click the link please note:
•Sent link may only be used one time.
•Internet options must be set correctly to allow
download.To verify correct setting:
– Open Internet Explorer Browser
– ClickTools
– Select Internet Options
– Select Security tab
– Click on Internet zone
– Click Custom Level button
– Scroll to Downloads section
– Verify/Enable “Automatic prompting for file
downloads”
– Click OK
– ClickYES on warning window
– Click Apply, then OK
Note: If this setting is incorrect, you may or may
not receive an error message during
download attempt.
4. Click the download link in the e-mail message.
•If the download window does not open
immediately, please look for a yellow highlighted
message bar/line near the top of your browser. It
may contain a message such as “To help protect
your security, Internet Explorer blocked this site
from downloading files to your computer. Click here
for options...” Click on message line to see options.
•When dialog box appears, click Save and navigate
to the CH530 folder created in Step 1. Click OK.
•If you do not complete the download successfully,
you will have to request another download link
(Step 2).
5. Navigate to the CH530 folder created in Step 1. Double-
click the installation (.exe) file.The License Agreement
dialog box appears.
6. Click I Agree after reviewing License Agreement.The
Choose Components dialog box appears. All
components are selected by default. (These are the
actual MP versions for all units.) Deselect any
components you do not want.
Note: Deselecting components reduces the size of the
installed application.
7. Click Install. A progress meter dialog box appears. An
information file appears when installation is complete.

Controls Interface
RTAC-SVX01M-EN 85
Note: Techview requires a current version of JAVA. If
you do not have the current release,TechView
installation will be interrupted, and you will be
provided with information for required JAVA
software download. Once you have completed
the JAVA installation, return to Step 5 to restart
installation.
Unit View
Unit view is a summary for the system organized by chiller
subsystem.This provides an overall view of chiller
operating parameters and gives you an “at-a-glance”
assessment of chiller operation.
The Control Panel tab displays important operating
information for the unit and allows you to change several
key operating parameters.The panel is divided into four or
more sub-panels (depending on the number of circuits in
the unit).
The Operating Mode tab displays the unit, circuit and
compressor top level operating modes.
The Hours and Starts tab displays the number a hours
(total) a compressor has run and the number of times the
compressor has started.This window plays a key role in
evaluating maintenance requirements.
Upon successful Local ConnectTech View will display
UNIT VIEW, as shown in Figure 38, p. 89.
Compressor Service View
Compressor View provides convenient access to service
functions for pumping down circuits and test starting
compressors. Various operational lockouts allow
operation of rest of chiller while others are awaiting repair.
See Figure 39, p. 90.
Status View
Status View displays, in real time, all non-setpoint data
organized by subsystem tabs. As data changes on the
chiller it is automatically updated in Status View. See
Figure 40, p. 90.
Setpoint View
Setpoint view displays the active setpoints and allows you
to make changes. See Figure 41, p. 90.
Setpoint List
The center displays the scrollable list of setpoint panels.
Setpoint Enumeration Panel
A setpoint numeric panel contains a label with the setpoint
description and a pull-down list showing the active value
and the other selections.The Default button returns the
setpoint to the product's factory setting.The text field is
updated when the change is complete.
Setpoint Numeric Panel
A setpoint numeric panel contains a label with the setpoint
description, a Default button, a text field with a unit label,
and a slider.
The Default button changes the setpoint to the product's
factory setting.The text field and slider are updated when
the change is complete.
You can change a setpoint with the text field or with the
slider. When you click on the entry field, the change
setpoint dialog displays to coordinate the setpoint change.
You can change the display units for a setpoint by clicking
on the unit label next to the entry field.
Change Setpoint
The change setpoint window allows you to enter a new
value for the setpoint into a text field. If the entered value
is outside the given range, the background turns red.
Table 62. Setpoints view items
Tab Text Min
Value Max Value Default Value Unit Type
Chiller Front Panel Display Units English, SI English Display Units
Chiller Front Panel Chilled Water Setpoint 10
(-12.22) 65
(18.33) 44
(6.67) Temp Deg F(C)
Chiller Front Panel Current Limit Setpoint 60 120 120 Percent
Chiller Differential to Stop 0.5
(0.2777) 2.5
(1.388) 2.0
(1.111) Differential Temp
Deg F(C)
Chiller Differential to Start 1.0
(0.555) 30
(16.666) 2
(1.111) Differential Temp
Deg F(C)
Chiller Leaving Water Temp Cutout 0.0
(-17.78) 36.0
(2.22) 36.0
(2.22) Temp Deg F(C)
Chiller Low Refrigerant Temp Cutout -5.0
(-20.56) 36.0
(2.22) 28.0
(-2.22) Temp Deg F(C)
Chiller Front Panel Condenser Limit Setpoint 80 120 90 Percent
Chiller Low Ambient Lockout Setpoint -10
(-23.333) 70
(21.111) 25
(-3.89) Temp Deg F(C)
Chiller Low Ambient Lockout Enable, Disable Enable Enabled / Disabled

Controls Interface
86 RTAC-SVX01M-EN
Diagnostics View
See Figure 42, p. 90.This window lists the active and
inactive (history) diagnostics.There can be up to 60
diagnostics, both active and historic. For example, if there
were 5 active diagnostics, the possible number of historic
diagnostics would be 55.You can also reset active
diagnostics here, (i.e., transfer active diagnostics to
history and allow the chiller to regenerate any active
diagnostics).
Resetting the active diagnostics may cause the chiller to
resume operation.
The Active and History diagnostics have separate tabs. A
button to reset the active diagnostics displays when either
tab is selected.
Configuration View
See Figure 43, p. 91.This view displays the active
configuration and allows you to make changes.
Configuration View allows you to define the chiller's
components, ratings, and configuration settings.These
are all values that determine the required installed
devices, and how the chiller application is run in the main
processor. For example, a user may set an option to be
installed with Configuration View, which will require
devices to be bound using Binding View. And when the
main processor runs the chiller application, the
appropriate steps are taken to monitor required inputs and
control necessary outputs.
Any changes made in the ConfigurationView, on any of the
tabs, will modify the chiller configuration when you click
on the Load Configuration button (located at the base of
the window).The Load Configuration button uploads the
new configuration settings into the main processor.
Any changes made to the configuration will change the
unit model number and the confirmation code (CRC). If
changes are made to the unit configuration the new model
number and CRC should be recorded.
Selecting the Undo All button will undo any configuration
setting changes made during the present TechView
connection and since the last time the Load Configuration
button was selected.
Chiller Front Panel Ice Termination Setpoint 20
(-6.67) 31
(-0.56) 31
(-0.56) Temp Deg F(C)
Chiller External Ice Building Input Enable, Disable Disable Enabled / Disabled
Chiller Under/Over Voltage Protection Enable, Disable Disable Enabled / Disabled
Chiller Local Atmospheric Pressure 9.93
(68.5) 16.0
(110.3) 14.7
(101.3) Absolute Pressure
psia(Kpa)
Chiller Design Delta Temperature 4
(2.22) 30
(16.666) 10
(5.6) Differential Temp
Deg F(C)
Chiller Reset Type None, Return, Outdoor,
Constant Return None RstTyp
Chiller Return Reset Ratio 10 120 50 Percent
Chiller Return Start Reset 4.0
(2.22) 30.0
(16.666) 10.0
(5.56) Differential Temp
Deg F(C)
Chiller Return Maximum Reset 0 20
(11.11) 5.0
(2.78) Differential Temp
Deg F(C)
Chiller Outdoor Reset Ratio -80 80 10 Percent
Chiller Outdoor Start Reset 50
(10) 130
(54.44) 90
(32.22) Temp Deg F(C)
Chiller Outdoor Maximum Reset 0 20
(11.11) 5
(2.78) Differential Temp
Deg F(C)
Chiller External Chilled Water Setpoint Enable, Disable Disable Enabled / Disabled
Chiller External Current Limit Setpoint Enable, Disable Disable Enabled / Disabled
Chiller Evaporator Water Pump Off Delay 0 30 1 Minutes
Chiller Chilled Water Setpoint Filter Settling Time 30 1800 200 Seconds
Chiller Compressor Staging Deadband 0.4
(0.222) 4.0
(2.222) 0.05
(0.2778) Differential Temp
Deg F(C)
Table 62. Setpoints view items (continued)
Tab Text Min
Value Max Value Default Value Unit Type

Controls Interface
RTAC-SVX01M-EN 87
Table 63. Configuration View Items
Tab Item Default Description
Feature Basic Product Line RTAC - Air Cooled Series R Chiller
Unit Nominal Capacity
120 Nominal Tons
130 Nominal Tons
140 Nominal Tons
155 Nominal Tons
170 Nominal Tons
185 Nominal Tons
200 Nominal Tons
225 Nominal Tons
250 Nominal Tons
275 Nominal Tons
300 Nominal Tons
350 Nominal Tons
375 Nominal Tons
400 Nominal Tons
450 Nominal Tons
500 Nominal Tons
Unit Voltage
A - 200V/60Hz/3Ph power
C - 230V/60Hz/3Ph power
J - 380V/60Hz/3Ph power
D - 400V/50Hz/3Ph power
4 - 460V/60Hz/3Ph power
5 - 575V/60Hz/3Ph power
Manufacturing Location U - Water Chiller Business Unit - Pueblo
E - Epinal Business Unit -Charmes
Design Sequence XX - Factory/ABU Assigned
Unit Type N - Standard Efficiency/Performance
H - High Efficiency/Performance
A - Extra Efficiency/Performance
Agency Listing N - No agency listing
U - C/UL listing
Pressure Vessel Code
A - ASME pressure vessel code
C - Canadian code
D - Australian code
L - Chinese code
R - Vietnamese code
S - Special
Evaporator Temperature Range & Application Type F - Standard Temperature with Freeze Protection
R - Rem Evap, Std Temp, No Freeze Protection
G - Low Temp, with Freeze Protection
Evaporator Configuration N - Standard 2 pass arrangement, insulated
P -3 pass arrangement, insulated
Condenser Temperature Range
N - Standard ambient 25-115°F
H - High ambient 25-125°F
L - Low ambient 0-115°F
W - Wide ambient 0-125°F
Condenser Fin Material 1 - Standard aluminum slit fins
2 - Copper fins, non-slit fins
4 - Complete Coat aluminum fins
Feature Condenser Fan/Motor Configuration T - Standard fans, TEAO motors
W - Low Noise fans
Compressor Motor Starter Type X - Across-the-line
Y - Wye-delta closed transition
Incoming Power Line Connection 1 -Single point
2 -Dual point (1/ckt)
Power Line Connection Type T - Terminals only
D - Non-fused disconnect switch(es)
C - Circuit Breaker(s), HACR-rated
Unit Operator Interface D -Dyna-View

Controls Interface
88 RTAC-SVX01M-EN
Remote Interface
N - No remote interface
C - Tracer Comm 3 interface
B - BACnet communication interface
L -Lon Talk Communication interface (LCI)
Control Input Accessories/Options N -No remote input
R -Remote leaving water temp setpoint
C -Remote current limit setpoint
B -Remote leaving temp setpoint and remote current limit setpoint
Control Output Accessories/Options
N -No output options
A -Alarm relay
C -Icemaking
D -Icemaking and alarm relay
Short Circuit Rating 0 - No short circuit withstand rating
5 -Default short circuit rating
6 - High amp short circuit rating
Control Panel Accessories N - No convenience outlet
A - 15A 115V convenience outlet (60HZ)
Refrigerant Service Valves 0 - No suction services valves
1 - Suction service valves
Compressor Sound Attenuator Option 0 - No sound attenuator
1 - Factory installed sound attenuator
Appearance Options
N - No appearance options
A - Architectural louvered panels
C - Half Louvers
P - Painted unit
L - Painted unit with full louvered panels
H - Painted unit with half louvered panels
K - Painted unit with access guards
W - Painted w/access guards and half louvers
Features Installation Accessories
N - No installation accessories
R - Neoprene Isolators
F - Flanged water connection kit
G - Neoprene isolators and flange wtr conn kit
Factory Test 0 - No factory run test
Control, Label, and Literature
Language E - English
G - Chinese
Special Order X - Standard catalog configuration
S - Unit has special order feature
Custom Comm 3 ICS address 55 1-64 REM = C
Status Relay #1 J2-10,11,12 Alarm - Latching None, Alarm - Latching (Active diagnostic persistence latching), Alarm - Auto reset
(Active diagnostic persistence non-latching), Alarm (Active diagnostic persistence
latching or non-latching), Alarm Ckt1 (Active diagnostic persistence latching or non-
latching), Alarm Ckt2 (Active diagnostic persistence latching or non-latching),
Chiller Limit Mode (With 20 minute filter), Circuit 1 Running, Circuit 2 Running, Max
Capacity
COOP = A, D or X
Status Relay #2 J2-7,8,9 Chiller Running
Status Relay #3 J2-4,5,6 Maximum Capacity
Status Relay #4 J2-1,2,3 Chiller Limit Mode
Phase Unbalance Trip 30 10-50%
Phase Unbalance Grace Period 90 30-255 Sec
Maximum Acceleration Time 3 1-255 Sec
Starter Feature All Enabled Contactor Integrity Test, Phase Reversal Detect, Phase Unbalance Detect
External Chilled Water Setpoint
Detection 2-10 VD 2-10 VDC, 4-20 mA CIOP = C or B
External Current Limit Water
Setpoint Detection 2-10 VDC 2-10 VDC, 4-20 mA CIOP = C or B
Custom Unit Voltage 400 380,400,415 VOLT = D
Name-
plate
• The Model Number field contains the model number stored in the DynaView.
• The Confirm Code field contains the confirm code stored in the DynaView. The confirm code is a four-digit hex value that is a mathematical
calculation of the model number. This number has one to one correlation to a specific model number and is used to verify that the model
number was entered properly.
• The Serial Number field contains the serial number stored in the DynaView.
• This model number and confirmation code must be know when the main processor requires replacement.
Table 63. Configuration View Items (continued)
Tab Item Default Description

Controls Interface
RTAC-SVX01M-EN 89
Software View
See Figure 44, p. 91. Software view allows you to verify the
version of chiller software currently running and
download a new version of chiller software to DynaView.
You can also add up to two available languages to load into
the DynaView. Loading an alternate language file allows
the DynaView to display its text in the selected alternate
language, English will always be available.
Binding View
See Figure 45, p. 91. BindingView allows you to assess the
status of the network and all the devices connected as a
whole, or the status of individual devices by using status
icons and function buttons.
Binding View is essentially a table depicting what devices
and options are actually discovered on the network bus
(and their communication status) versus what is required
to support the configuration defined by the feature codes
and categories. Binding View allows you to add, remove,
modify, verify, and reassign devices and options in order
to match the configuration requirements.
Whenever a device is installed, it must be correctly
configured to communicate and function as intended.This
process is called binding. Some features of Binding View
are intended to serve a second purpose; that is diagnosing
problems with communication among the devices.
Replacing or Adding Devices
If a device is communicating but incorrectly configured, it
might not be necessary to replace it. If the problem with
the device is related to communication, attempt to rebind
it, and if the device becomes correctly configured, it will
then communicate properly.
If a device that needs to be replaced is still communicating,
it should be unbound. Otherwise, it will be necessary to
rebuild the CH530 network image for Binding View to
discover that it has been removed. An unbound device
stops communicating and allows a new device to be
bound in its place.
It is good practice to turn the power off while detaching
and attaching devices to the CH530 network. Be sure to
keep power on the service tool computer. After power is
restored to the CH530 network, the reconnect function in
BindingView restores communication with the network. If
the service tool computer is turned off, you must restart
TechView and Binding View.
If a device is not communicating, the binding function
displays a window to request manual selection of the
device to be bound. Previously-selected devices are
deselected when the function starts. When manual
selection is confirmed, exactly one device must be
selected; if it is the correct type, it is bound. If the desired
device cannot be selected or if multiple devices are
accidentally selected, you can close the manual selection
window by clicking on No and repeat the bind function.
Figure 38. Unit view

Controls Interface
RTAC-SVX01M-EN 91
Figure 43. Configuration view
Figure 44. Software view
Figure 45. Binding view

92 RTAC-SVX01M-EN
Pre-Start Checkout
Upon completion of installation, complete the RTAC Series
R®Air-Cooled Chiller Installation Completion Check Sheet
and Request forTrane Service checklist in chapter “Log
and Check Sheet,” p. 124.
Important: Start-up must be performed byTrane or an
agent ofTrane specifically authorized to
perform start-up and warranty ofTrane
products. Contractor shall provideTrane (or
an agent ofTrane specifically authorized to
perform start-up) with notice of the
scheduled start-up at least two weeks prior
to the scheduled start-up.

RTAC-SVX01M-EN 93
Start-Up and Shutdown
Important: Initial unit commissioning start-up must be
performed byTrane or an agent ofTrane
specifically authorized to perform start-up
and warranty ofTrane products. Contractor
shall provideTrane (or an agent ofTrane
specifically authorized to perform start-up)
with notice of the scheduled start-up at least
two weeks prior to the scheduled start-up.
The time line for sequence of operation is shown in
Figure 46, p. 96 and Figure 47, p. 98 and depicts the
nominal delays and sequences that a chiller would
experience during a typical operational cycle.The time
line begins with a power up of the main power to the
chiller.The sequence assumes a 2 circuit, 2 compressor air-
cooled RTAC chiller with no diagnostics or malfunctioning
components. External events such as the operator placing
the chiller in Auto or Stop, chilled water flow through the
evaporator, and application of load to the chilled water
loop causing loop water temperature increases are
depicted and the chillers responses to those events are
shown, with appropriate delays noted.The effects of
diagnostics, and other external interlocks other than
evaporator water flow proving, are not considered.
Note: Unless the CH530TechView and building
automation system are controlling the chilled
water pump, the manual unit start sequence is as
follows. Operator actions are noted.
Unit Start-Up
If the pre-start checkout, has been completed, the unit is
ready to start.
1. Press the STOP key on the CH530.
2. As necessary, adjust the setpoint values in the CH530
menus usingTechView.
3. Close the fused-disconnect switch for the chilled water
pump. Energize the pump(s) to start water circulation.
4. Check the service valves on the discharge line, suction
line, oil line and liquid line for each circuit.These valves
must be open (backseated) before starting the
compressors.
5. Press the AUTO key. If the chiller control calls for
cooling and all safety interlocks are closed, the unit will
start.The compressor(s) will load and unload in
response to the leaving chilled water temperature.
6. Verify that the chilled water pump runs for at least one
minute after the chiller is commanded to stop (for
normal chilled water systems).
Once the system has been operating for approximately 30
minutes and has become stabilized, complete the
remaining start-up procedures, as follows:
1. Check the evaporator refrigerant pressure and the
condenser refrigerant pressure under Refrigerant
Report on the CH530TechView.The pressures are
referenced to sea level (14.6960 psia).
2. Check the EXV sight glasses after sufficient time has
elapsed to stabilize the chiller.The refrigerant flow past
the sight glasses should be clear. Bubbles in the
refrigerant indicate either low refrigerant charge or
excessive pressure drop in the liquid line or a stuck
open expansion valve. A restriction in the line can
sometimes be identified by a noticeable temperature
differential between the two sides of the restriction.
Frost will often form on the line at this point. Proper
refrigerant charges are shown in the General
Information Section.
Important: A clear sight glass alone does not mean that
the system is properly charged. Also check
system subcooling, liquid level control and
unit operating pressures.
3. Measure the system subcooling.
4. A shortage of refrigerant is indicated if operating
pressures are low and subcooling is also low. If the
operating pressures, sight glass, superheat and
subcooling readings indicate a refrigerant shortage,
gas-charge refrigerant into each circuit, as required.
With the unit running, add refrigerant vapor by
connecting the charging line to the suction service
valve and charging through the backseat port until
operating conditions become normal.
NOTICE:
Compressor Damage!
Ensure that the compressor and oil separator heaters
have been operating for a minimum of 24 hours before
starting. Failure to do so could result in equipment
damage.
NOTICE:
Compressor Damage!
Catastrophic damage to the compressor will occur if
the oil line shut off valve or the isolation valves are left
closed on unit start-up

Start-Up and Shutdown
94 RTAC-SVX01M-EN
Temporary Shutdown and Restart
To shut the unit down for a short time, use the following
procedure:
1. Press the STOP key on the CH530.The compressors
will continue to operate and, after an unloading period
(which may be followed by pumpdown cycle in
outdoor ambients below 50oF), will stop when the
compressor contactors de-energize.
2. CH530 pump control will turn off the pump (after a
minimum 1 min. delay) when the STOP key is pressed
and automatically restart the pump when the unit
starts normally.
3. The unit will start normally, provided the following
conditions exist:
a. The CH530 receives a call for cooling and the
differential-to-start is above the setpoint.
b. All system operating interlocks and safety circuits
are satisfied.
Extended Shutdown Procedure
The following procedure is to be followed if the system is
to be taken out of service for an extended period of time,
e.g. seasonal shutdown:
1. Test the unit for refrigerant leaks and repair as
necessary.
2. Open the electrical disconnect switches for the chilled
water pump. Lock the switches in the “OPEN” position.
3. Close all chilled water supply valves. Drain the water
from the evaporator.
4. With the water drained from evaporator, the
“customer provided” power for the 120-volt
evaporator heaters (terminated at 1TB4...terminals 1 &
2) must be must disconnect.
These heaters consist of 1 well heater in each
evaporator end (or water box), and the heat tape, which
is wrapped around the bundle itself.They are
energized by a klixon temperature control mounted on
the side of the evaporator, which energizes at or below
37oF. outside air temp. If there is no liquid in the
evaporator and the temp drops below 37 degrees, both
of the well heaters will burn up because they have no
liquid to transfer their heat into.
5. Open the unit main electrical disconnect and unit-
mounted disconnect (if installed) and lock on the
“OPEN” position. If the optional control power
transformer is not installed, open and lock the 115V
disconnect.
6. At least every three months (quarterly), check the
refrigerant pressure in the unit to verify that the
refrigerant charge is intact.
NOTICE:
Equipment Damage!
If both suction and discharge pressures are low but sub-
cooling is normal, a problem other than refrigerant
shortage exists. Do not add refrigerant, as this could
result in overcharging the circuit.
Use only refrigerants specified on the unit nameplate
(HFC 134a) and Trane OIL00048. Failure to do so may
cause compressor damage and improper unit operation.
NOTICE:
Equipment Damage!
To prevent pump damage, lock the chilled water pump
disconnects open.
NOTICE:
Equipment Damage!
If insufficient concentration or no glycol is used, the
evaporator water pumps must be controlled by the
CH530 to avoid severe damage to the evaporator due to
freezing. A power loss of 15 minutes during freezing
can damage the evaporator. It is the responsibility of
the installing contractor and/or the customer to ensure
that a pump will start when called upon by the chiller
controls.
Please consult Table 42, p. 54 for correct concentration
of glycol.
The warranty will be void, in case of freezing due to the
lack of use of either of these protections
NOTICE:
Equipment Damage!
Lock the disconnects in the “OPEN” position to
prevent accidental start-up and damage to the system
when it has been setup for extended shutdown.

Start-Up and Shutdown
RTAC-SVX01M-EN 95
Seasonal Unit Start-Up Procedure
1. Close all valves and re-install the drain plugs in the
evaporator.
2. Service the auxiliary equipment according to the start-
up/maintenance instructions provided by the
respective equipment manufacturers.
3. Close the vents in the evaporator chilled water circuits.
4. Open all the valves in the evaporator chilled water
circuits.
5. Open all refrigerant valves to verify they are in the
open condition.
6. If the evaporator was previously drained, vent and fill
the evaporator and chilled water circuit.When all air is
removed from the system (including each pass), install
the vent plugs in the evaporator water boxes.
7. Check the adjustment and operation of each safety and
operating control.
8. Close all disconnect switches.
9. Refer to the sequence for daily unit startup for the
remainder of the seasonal startup.
System Restart After Extended
Shutdown
Follow the procedures below to restart the unit after
extended shutdown:
1. Verify that the liquid line service valves, oil line,
compressor discharge service valves and suction
service valves are open (backseated).
2. Check the oil separator oil level (see Maintenance
Procedures section).
3. Fill the evaporator water circuit. Vent the system while
it is being filled. Open the vent on the top of the
evaporator and condenser while filling and close when
filling is completed.
4. Close the fused-disconnect switches that provides
power to the chilled water pump.
5. Start the evaporator water pump and, while water is
circulating, inspect all piping for leakage. Make any
necessary repairs before starting the unit.
6. While the water is circulating, adjust the water flows
and check the water pressure drops through the
evaporator. Refer to “Water System Flow Rates” and
“Water System Pressure Drop”.
7. Adjust the flow switch on the evaporator piping for
proper operation.
8. Stop the water pump.The unit is now ready for start-
up as described in “Start-Up Procedures”.
NOTICE:
Compressor Damage!
Catastrophic damage to the compressor will occur if
the oil line shut off valve or the isolation valves are left
closed on unit start-up.
NOTICE:
Proper Water Treatment!
The use of untreated or improperly treated water in
this equipment could result in scaling, erosion,
corrosion, algae or slime. It is recommended that the
services of a qualified water treatment specialist be
engaged to determine what water treatment, if any, is
required. Trane assumes no responsibility for
equipment failures which result from untreated or
improperly treated water, or saline or brackish water.

Start-Up and Shutdown
96 RTAC-SVX01M-EN
Sequence of Operation
Figure 46. Sequence of operations

Start-Up and Shutdown
RTAC-SVX01M-EN 97

Start-Up and Shutdown
98 RTAC-SVX01M-EN
Figure 47. Sequence of operations

Start-Up and Shutdown
RTAC-SVX01M-EN 99

100 RTAC-SVX01M-EN
Maintenance
Perform all maintenance procedures and inspections at
the recommended intervals.This will prolong the life of
the chiller and minimize the possibility of costly failures.
Use the “Operator’s Log”, such as that show in chapter
“Log and Check Sheet,” p. 124 to record an operating
history for unit.The log serves as a valuable diagnostic
tool for service personnel. By observing trends in
operating conditions, an operator can anticipate and
prevent problem situations before they occur. If unit does
not operate properly during maintenance inspections, see
“Diagnostics,” p. 103.
After unit has been operating for approximately 30
minutes and system has stabilized, check the operating
conditions and complete procedures below:
Weekly
While unit is running in stable conditions.
1. Check MP pressure for evaporator, condenser and
intermediate oil.
2. Observe liquid line sight glass on EXV.
3. If liquid line sight glass has bubbles measure the
subcooling entering the EXV.The subcooling should
never be less than 4°F under any circumstances.
Important: A clear sightglass alone does not mean that
the system is properly charged. Also check
the rest of the system operating conditions.
4. Inspect the entire system for unusual conditions and
inspect the condenser coils for dirt and debris. If the
coils are dirty, refer to coil cleaning.
Monthly
1. Perform all weekly maintenance procedures.
2. Record the system subcooling.
3. Make any repairs necessary.
Annual
1. Perform all weekly and monthly procedures.
2. Check oil sump oil level while unit is off.
Note: Routine changing of oil is not required. Use an oil
analysis to determine condition of oil.
3. Have a qualified laboratory perform a compressor oil
analysis to determine system moisture content and
acid level.This analysis is a valuable diagnostic tool.
4. Contact a qualified service organization to leak test the
chiller, to check operating and safety controls, and to
inspect electrical components for deficiencies.
5. Inspect all piping components for leakage and
damage. Clean out any inline strainers.
6. Clean and repaint any areas that show signs of
corrosion.
7. Clean the condenser coils.
8. Check and tighten all electrical connections as
necessary.
Refrigerant and Oil Charge
Management
Proper oil and refrigerant charge is essential for proper
unit operation, unit performance, and environmental
protection. Only trained and licensed service personnel
should service the chiller.
Table 64 lists baseline measurements for RTAC units
running at AHRI standard operating conditions. If chiller
measurements vary significantly from values listed below,
problems may exist with refrigerant and oil charge levels.
Contact your localTrane office.
Note: Low temperature applications units will have
values that vary from Table 64. Contact your local
Trane office for more information.
WARNING
Hazardous Voltage w/Capacitors!
Disconnect all electric power, including remote
disconnects and discharge all motor start/run
capacitors before servicing. Follow proper lockout/
tagout procedures to ensure the power cannot be
inadvertently energized. For variable frequency drives
or other energy storing components provided by Trane
or others, refer to the appropriate manufacturer’s
literature for allowable waiting periods for discharge of
capacitors.Verify with an appropriate voltmeter that all
capacitors have discharged. Failure to disconnect
power and discharge capacitors before servicing could
result in death or serious injury.
For additional information regarding the safe discharge
of capacitors, see PROD-SVB06A-EN
Table 64. Typical RTAC baselines (AHRI conditions)
Measurement Baseline
Evaporator Pressure 49.5 psia
Evaporator Approach 3.5°F
EXV Position 45-50%
Evaporator - entering 54°
Evaporator - leaving 44°
Discharge Superheat 26.6°F
Condenser Pressure 226 psia
Subcooling 18-23°F

Maintenance
RTAC-SVX01M-EN 101
Lubrication System
The lubrication system has been designed to keep most of
the oil lines filled with oil as long as there is a proper oil
level in the oil sump.
Oil Sump Level Check
Oil system consists of the following components:
• Compressor
• Oil separator
• Discharge line with service valve
• Oil line from separator to compressor
• Oil line drain (lowest point in system)
• Oil cooler - optional
• Oil temperature sensor
• Oil line shut off valve with flare service connection
• Oil filter (internal to compressor) with flare fitting
service connection and schrader valve
• Oil flow control valve (internal to the compressor after
the filter)
• Oil return line from evaporator with shut off valve and
strainer
Refer to Table 1, p. 10 throughTable 10, p. 19 for the
standard oil charge for each circuit.
Note: It is recommended to check the oil level in the sump
using a sight glass or a manometer, attached to
charging hoses.
1. To measure oil level, use the oil drain valve on the oil
line and a service valve on the discharge line.This
measurement can only be made when the circuit is not
running.
Note: The level is measured from the bottom of the
separator and 1” must be subtracted for the
thickness of the bottom plate.
2. The initial oil charge should be approximately at the
level in the above chart. This is the approximate oil
level if all the oil is in the oil lines, filter and oil sump
and the unit is in vacuum so that there is no refrigerant
dissolved in the oil.
3. After the unit has run for a while, the oil level in the
sump can vary greatly. However, if the unit has run
“normal” conditions for a long time the level should
resemble the level in the above chart.
•+1” to – 4” (25 to -101mm) is acceptable
Important: If levels are outside these ranges, contact
your localTrane office.
Condenser Maintenance
Condenser Coil Cleaning
Clean the condenser coils at least once a year or more
frequently if the unit is in a “dirty” environment. A clean
condenser coil will help to maintain chiller operating
efficiency. Follow the detergent manufacturer's
instructions to avoid damaging the condenser coils.
To clean the condenser coils use a soft brush and a sprayer
such as a garden pump type or a high-pressure type. A
high quality detergent such asTrane Coil Cleaner (Part No.
CHM-00255) is recommended.
Note: If detergent mixture is strongly alkaline (pH value
greater than 8.5, an inhibitor must be added).
Table 65. Oil charging data
Circuit
(Tons)
Approximate sump oil
level after running
“normal” conditions
(in)
Normal quantity of oil in
refrigeration system
(evaporator/
condenser)
lb (gal)
70 7 1.1 (0.14)
85 6 1.1 (0.14)
100 7 1.8 (0.23)
120 7 1.8 (0.23)
170 8 3.5 (0.44)
200 8 3.5 (0.44)
240 8 3.5 (0.44)
WARNING
Hazardous Chemicals!
Coil cleaning agents can be either acidic or highly
alkaline and can burn severely if contact with skin
occurs. Handle chemical carefully and avoid contact
with skin. ALWAYS wear Personal Protective Equipment
(PPE) including goggles or face shield, chemical
resistant gloves, boots, apron or suit as required. For
personal safety refer to the cleaning agent
manufacturer’s Materials Safety Data Sheet and follow
all recommended safe handling practices. Failure to
follow all safety instructions could result in death or
serious injury.

Maintenance
102 RTAC-SVX01M-EN
Travel Restraint
This unit is built with travel restraint slots located on unit
top that must be used during servicing. See Figure 48.
WARNING
Falling Off Equipment!
This unit is built with fall restraint slots located on unit
top that MUST be used during servicing.These slots are
to be used with fall restraint equipment that will not
allow an individual to reach the unit edge. However
such equipment will NOT prevent falling to the ground,
for they are NOT designed to withstand the force of a
falling individual. Failure to use fall restraint slots and
equipment could result in individual falling off the unit
which could result in death or serious injury.
Figure 48. Roof view - travel restraint slots
Travel Restraint Slots

RTAC-SVX01M-EN 103
Diagnostics
Legend to Diagnostics Table
Legacy Hex Code: 3 digit hexadecimal code used on all
past products to uniquely identify diagnostics.
Diagnostic Name and Source: Name of Diagnostic and
its source. Note that this is the exact text used in the User
Interface and/or ServiceTool displays.
Affects Target: Defines the “target” or what is affected
by the diagnostic. Usually either the entire Chiller,ora
particular Circuit or Compressor is affected by the
diagnostic (the same one as the source), but in special
cases functions are modified or disabled by the diagnostic.
None implies that there is no direct affect to the chiller, sub
components or functional operation.
Severity: Defines the severity of the above effect.
Immediate means immediate shutdown of the effected
portion, Normal means normal or friendly shutdown of
the effected portion, Special Mode means a special mode
of operation (limp along) is invoked, but without
shutdown, and Info means an Informational Note or
Warning is generated.
Persistence: Defines whether or not the diagnostic and
its effects are to be manually reset (Latched), or can be
either manually or automatically reset (Nonlatched).
Active Modes [Inactive Modes]: States the modes or
periods of operation that the diagnostic is active in and, as
necessary, those modes or periods that it is specifically not
active in as an exception to the active modes.The inactive
modes are enclosed in brackets, [ ]. Note that the modes
used in this column are internal and not generally
annunciated to any of the formal mode displays
Criteria: Quantitatively defines the criteria used in
generating the diagnostic and, if nonlatching, the criteria
for auto reset. If more explanation is necessary a hot link
to the Functional Specification is used.
Reset Level: Defines the lowest level of manual
diagnostic reset command which can clear the diagnostic.
The manual diagnostic reset levels in order of priority are:
Local or Remote. For example, a diagnostic that has a
reset level of Remote, can be reset by either a remote
diagnostic reset command or by a local diagnostic reset
command.
HelpText: Provides for a brief description of what kind of
problems might cause this diagnostic to occur. Both
control system component related problems as well as
chiller application related problems are addressed (as can
possibly be anticipated).These help messages will be
updated with accumulated field experience with the
chillers.
Starter Diagnostics
Table 66. Starter diagnostics
Diagnostic Name
and Source Affects
Target Severity Persistence
Active
Modes
[Inactive
Modes] Criteria Reset
Level
Motor Current
Overload -
Compressor 1A Circuit Immediate Latch Cprsr
Energized
Compressor current exceeded overload time vs. trip
characteristic. For A/C products Must trip = 140% RLA, Must
hold=125%, nominal trip 132.5% in 30 seconds Local
Motor Current
Overload -
Compressor 1B Circuit Immediate Latch Cprsr
Energized
Compressor current exceeded overload time vs. trip
characteristic. For A/C products Must trip = 140% RLA, Must
hold=125%, nominal trip 132.5% in 30 seconds Local
Motor Current
Overload -
Compressor 2A Circuit Immediate Latch Cprsr
Energized
Compressor current exceeded overload time vs. trip
characteristic. For A/C products Must trip = 140% RLA, Must
hold=125%, nominal trip 132.5% in 30 seconds Local
Motor Current
Overload -
Compressor 2B Circuit Immediate Latch Cprsr
Energized
Compressor current exceeded overload time vs. trip
characteristic. For A/C products Must trip = 140% RLA, Must
hold=125%, nominal trip 132.5% in 30 seconds Local
Over Voltage Chiller Normal NonLatch Pre-Start and
Any Ckt(s)
Energzd
Nom. trip: 60 seconds at greater than 112.5%, 2.5%, Auto Reset
at 109% or less. Remote
Phase Loss -
Compressor 1A Cprsr Immediate Latch
Start
Sequence
and Run
modes
a) No current was sensed on one or two of the current transformer
inputs while running or starting (See Nonlatching Power Loss
Diagnostic for all three phases lost while running). Must hold =
20% RLA. Must trip = 5% RLA. Time to trip shall be longer than
guaranteed reset on Starter Module at a minimum, 3 seconds
maximum. Actual design trip point is 10%. The actual design trip
time is 2.64 seconds. b) If Phase reversal protection is enabled
and current is not sensed on one or more current transformer
inputs. Logic will detect and trip in a maximum of 0.3 second from
compressor start.
Local

Diagnostics
104 RTAC-SVX01M-EN
Phase Loss -
Compressor 1B Cprsr Immediate Latch
Start
Sequence
and Run
modes
a) No current was sensed on one or two of the current transformer
inputs while running or starting (See Nonlatching Power Loss
Diagnostic for all three phases lost while running). Must hold =
20% RLA. Must trip = 5% RLA. Time to trip shall be longer than
guaranteed reset on Starter Module at a minimum, 3 seconds
maximum. Actual design trip point is 10%. The actual design trip
time is 2.64 seconds. b) If Phase reversal protection is enabled
and current is not sensed on one or more current transformer
inputs. Logic will detect and trip in a maximum of 0.3 second from
compressor start
Local
Phase Loss -
Compressor 2A Cprsr Immediate Latch
Start
Sequence
and Run
modes
a) No current was sensed on one or two of the current transformer
inputs while running or starting (See Nonlatching Power Loss
Diagnostic for all three phases lost while running). Must hold =
20% RLA. Must trip = 5% RLA. Time to trip shall be longer than
guaranteed reset on Starter Module at a minimum, 3 seconds
maximum. Actual design trip point is 10%. The actual design trip
time is 2.64 seconds. b) If Phase reversal protection is enabled
and current is not sensed on one or more current transformer
inputs. Logic will detect and trip in a maximum of 0.3 second from
compressor start
Local
Phase Loss -
Compressor 2B Cprsr Immediate Latch
Start
Sequence
and Run
modes
a) No current was sensed on one or two of the current transformer
inputs while running or starting (See Nonlatching Power Loss
Diagnostic for all three phases lost while running). Must hold =
20% RLA. Must trip = 5% RLA. Time to trip shall be longer than
guaranteed reset on Starter Module at a minimum, 3 seconds
maximum. Actual design trip point is 10%. The actual design trip
time is 2.64 seconds. b) If Phase reversal protection is enabled
and current is not sensed on one or more current transformer
inputs. Logic will detect and trip in a maximum of 0.3 second from
compressor start
Local
Phase Reversal -
Compressor 1A Cprsr Immediate Latch
Compressor
energized to
transition
command
[All Other
Times]
A phase reversal was detected on the incoming current. On a
compressor startup the phase reversal logic must detect and trip
in a maximum of .3 second from compressor start. Local
Phase Reversal -
Compressor 1B Cprsr Immediate Latch
Compressor
energized to
transition
command
[All Other
Times]
A phase reversal was detected on the incoming current. On a
compressor startup the phase reversal logic must detect and trip
in a maximum of .3 second from compressor start. Local
Phase Reversal -
Compressor 2A Cprsr Immediate Latch
Compressor
energized to
transition
command
[All Other
Times]
A phase reversal was detected on the incoming current. On a
compressor startup the phase reversal logic must detect and trip
in a maximum of .3 second from compressor start. Local
Phase Reversal -
Compressor 2B Cprsr Immediate Latch
Compressor
energized to
transition
command
[All Other
Times]
A phase reversal was detected on the incoming current. On a
compressor startup the phase reversal logic must detect and trip
in a maximum of .3 second from compressor start. Local
Power Loss -
Compressor 1A Cprsr Immediate NonLatch
All
compressor
running
modes
[all
compressor
starting and
non-running
modes]
The compressor had previously established currents while
running and then all three phases of current were lost. Design:
Less than 10% RLA, trip in 2.64 seconds. This diagnostic will
preclude the Phase Loss Diagnostic and the Transition Complete
Input Opened Diagnostic from being called out. To prevent this
diagnostic from occurring with the intended disconnect of main
power, the minimum time to trip must be greater than the
guaranteed reset time of the Starter module. Note: This
diagnostic prevents nuisance latching diagnostics due to a
momentary power loss - It does not protect motor/compressor
from uncontrolled power reapplication. See Momentary Power
Loss Diagnostic for this protection. This diagnostic is not active
during the start mode before the transition complete input is
proven. Thus a random power loss during a start would result in
either a “Starter Fault Type 3" or a “Starter Did Not Transition”
latching diagnostic.
Remote
Table 66. Starter diagnostics (continued)
Diagnostic Name
and Source Affects
Target Severity Persistence
Active
Modes
[Inactive
Modes] Criteria Reset
Level

Diagnostics
RTAC-SVX01M-EN 105
Power Loss -
Compressor 1B Cprsr Immediate NonLatch
All
compressor
running
modes
[all
compressor
starting and
non-running
modes]
The compressor had previously established currents while
running and then all three phases of current were lost. Design:
Less than 10% RLA, trip in 2.64 seconds. This diagnostic will
preclude the Phase Loss Diagnostic and the Transition Complete
Input Opened Diagnostic from being called out. To prevent this
diagnostic from occurring with the intended disconnect of main
power, the minimum time to trip must be greater than the
guaranteed reset time of the Starter module.
Remote
Power Loss -
Compressor 2A Cprsr Immediate NonLatch
All
compressor
running
modes
[all
compressor
starting and
non-running
modes]
The compressor had previously established currents while
running and then all three phases of current were lost. Design:
Less than 10% RLA, trip in 2.64 seconds. This diagnostic will
preclude the Phase Loss Diagnostic and the Transition Complete
Input Opened Diagnostic from being called out. To prevent this
diagnostic from occurring with the intended disconnect of main
power, the minimum time to trip must be greater than the
guaranteed reset time of the Starter module.
Remote
Power Loss -
Compressor 2B Cprsr Immediate NonLatch
All
compressor
running
modes
[all
compressor
starting and
non-running
modes]
The compressor had previously established currents while
running and then all three phases of current were lost. Design:
Less than 10% RLA, trip in 2.64 seconds. This diagnostic will
preclude the Phase Loss Diagnostic and the Transition Complete
Input Opened Diagnostic from being called out. To prevent this
diagnostic from occurring with the intended disconnect of main
power, the minimum time to trip must be greater than the
guaranteed reset time of the Starter module.
Remote
Severe Current
Imbalance -
Compressor 1A Circuit Immediate Latch All Running
Modes A 30% Current Imbalance has been detected on one phase
relative to the average of all 3 phases for 90 continuous seconds. Local
Severe Current
Imbalance -
Compressor 1B Circuit Immediate Latch All Running
Modes A 30% Current Imbalance has been detected on one phase
relative to the average of all 3 phases for 90 continuous seconds. Local
Severe Current
Imbalance -
Compressor 2A Circuit Immediate Latch All Running
Modes A 30% Current Imbalance has been detected on one phase
relative to the average of all 3 phases for 90 continuous seconds Local
Severe Current
Imbalance -
Compressor 2B Circuit Immediate Latch All Running
Modes A 30% Current Imbalance has been detected on one phase
relative to the average of all 3 phases for 90 continuous seconds. Local
Starter 1A Dry Run
Test Cprsr Immediate Latch Starter Dry
Run Mode
While in the Starter Dry Run Mode either 50% Line Voltage was
sensed at the Potential Transformers or 10% RLA Current was
sensed at the Current Transformers. Local
Starter 1B Dry Run
Test Cprsr Immediate Latch Starter Dry
Run Mode
While in the Starter Dry Run Mode either 50% Line Voltage was
sensed at the Potential Transformers or 10% RLA Current was
sensed at the Current Transformers. Local
Starter 2A Dry Run
Test Cprsr Immediate Latch Starter Dry
Run Mode
While in the Starter Dry Run Mode either 50% Line Voltage was
sensed at the Potential Transformers or 10% RLA Current was
sensed at the Current Transformers. Local
Starter 2B Dry Run
Test Cprsr Immediate Latch Starter Dry
Run Mode
While in the Starter Dry Run Mode either 50% Line Voltage was
sensed at the Potential Transformers or 10% RLA Current was
sensed at the Current Transformers. Local
Starter Contactor
Interrupt Failure -
Compressor 2A Chiller Special
Mode Latch
Starter
Contactor
not
Energized
[Starter
Contactor
Energized]
Detected compressor currents greater than 10% RLA on any or all
phases when the compressor was commanded off. Detection time
shall be 5 second minimum and 10 seconds maximum. On
detection and until the controller is manually reset: generate
diagnostic, energize the appropriate alarm relay, continue to
energize the Evap Pump Output, continue to command the
affected compressor off, fully unload the effected compressor and
command a normal stop to all other compressors. For as long as
current continues, perform liquid level and fan control on the
circuit effected.
Local
Table 66. Starter diagnostics (continued)
Diagnostic Name
and Source Affects
Target Severity Persistence
Active
Modes
[Inactive
Modes] Criteria Reset
Level

Diagnostics
106 RTAC-SVX01M-EN
Starter Contactor
Interrupt Failure -
Compressor 1A Chiller Special
Mode Latch
Starter
Contactor
not
Energized
[Starter
Contactor
Energized]
Detected compressor currents greater than 10% RLA on any or all
phases when the compressor was commanded off. Detection time
shall be 5 second minimum and 10 seconds maximum. On
detection and until the controller is manually reset: generate
diagnostic, energize the appropriate alarm relay, continue to
energize the Evap Pump Output, continue to command the
affected compressor off, fully unload the effected compressor and
command a normal stop to all other compressors. For as long as
current continues, perform liquid level and fan control on the
circuit effected.
Local
Starter Contactor
Interrupt Failure -
Compressor 1B Chiller Special
Mode Latch
Starter
Contactor
not
Energized
[Starter
Contactor
Energized]
Detected compressor currents greater than 10% RLA on any or all
phases when the compressor was commanded off. Detection time
shall be 5 second minimum and 10 seconds maximum. On
detection and until the controller is manually reset: generate
diagnostic, energize the appropriate alarm relay, continue to
energize the Evap Pump Output, continue to command the
affected compressor off, fully unload the effected compressor and
command a normal stop to all other compressors. For as long as
current continues, perform liquid level and fan control on the
circuit effected.
Local
Starter Contactor
Interrupt Failure -
Compressor 2B Chiller Special
Mode Latch
Starter
Contactor
not
Energized
[Starter
Contactor
Energized]
Detected compressor currents greater than 10% RLA on any or all
phases when the compressor was commanded off. Detection time
shall be 5 second minimum and 10 seconds maximum. On
detection and until the controller is manually reset: generate
diagnostic, energize the appropriate alarm relay, continue to
energize the Evap Pump Output, continue to command the
affected compressor off, fully unload the effected compressor and
command a normal stop to all other compressors. For as long as
current continues, perform liquid level and fan control on the
circuit effected.
Local
Starter Did Not
Transition -
Compressor 1A Cprsr Immediate Latch On the first
check after
transition.
The Starter Module did not receive a transition complete signal in
the designated time from its command to transition. The must
hold time from the Starter Module transition command is 1
second. The Must trip time from the transition command is 6
seconds. Actual design is 2.5 seconds. This diagnostic is active
only for Y-Delta, Auto-Transformer, Primary Reactor, and X-Line
Starters.
Local
Starter Did Not
Transition -
Compressor 1B Cprsr Immediate Latch On the first
check after
transition.
The Starter Module did not receive a transition complete signal in
the designated time from its command to transition. The must
hold time from the Starter Module transition command is 1
second. The Must trip time from the transition command is 6
seconds. Actual design is 2.5 seconds. This diagnostic is active
only for Y-Delta, Auto-Transformer, Primary Reactor, and X-Line
Starters.
Local
Starter Did Not
Transition -
Compressor 2A Cprsr Immediate Latch On the first
check after
transition.
The Starter Module did not receive a transition complete signal in
the designated time from its command to transition. The must
hold time from the Starter Module transition command is 1
second. The Must trip time from the transition command is 6
seconds. Actual design is 2.5 seconds. This diagnostic is active
only for Y-Delta, Auto-Transformer, Primary Reactor, and X-Line
Starters.
Local
Starter Did Not
Transition -
Compressor 2B Cprsr Immediate Latch On the first
check after
transition.
The Starter Module did not receive a transition complete signal in
the designated time from its command to transition. The must
hold time from the Starter Module transition command is 1
second. The Must trip time from the transition command is 6
seconds. Actual design is 2.5 seconds. This diagnostic is active
only for Y-Delta, Auto-Transformer, Primary Reactor, and X-Line
Starters.
Local
Starter Fault Type I -
Compressor 1A Cprsr Immediate Latch Starting - Y
Delta
Starters Only
This is a specific starter test where 1M(1K1) is closed first and a
check is made to ensure that there are no currents detected by
the CT's. If currents are detected when only 1M is closed first at
start, then one of the other contactors is shorted.
Local
Starter Fault Type I -
Compressor 1B Cprsr Immediate Latch Starting - Y
Delta
Starters Only
This is a specific starter test where 1M(1K1) is closed first and a
check is made to ensure that there are no currents detected by
the CT's. If currents are detected when only 1M is closed first at
start, then one of the other contactors is shorted.
Local
Starter Fault Type I -
Compressor 2A Cprsr Immediate Latch Starting - Y
Delta
Starters Only
This is a specific starter test where 1M(1K1) is closed first and a
check is made to ensure that there are no currents detected by
the CT's. If currents are detected when only 1M is closed first at
start, then one of the other contactors is shorted.
Local
Table 66. Starter diagnostics (continued)
Diagnostic Name
and Source Affects
Target Severity Persistence
Active
Modes
[Inactive
Modes] Criteria Reset
Level

Diagnostics
RTAC-SVX01M-EN 107
Starter Fault Type I -
Compressor 2B Cprsr Immediate Latch Starting - Y
Delta
Starters Only
This is a specific starter test where 1M(1K1) is closed first and a
check is made to ensure that there are no currents detected by
the CT's. If currents are detected when only 1M is closed first at
start, then one of the other contactors is shorted.
Local
Starter Fault Type II -
Compressor 1A Cprsr Immediate Latch Starting All
types of
starters
a. This is a specific starter test where the Shorting Contactor
(1K3) is individually energized and a check is made to ensure that
there are no currents detected by the CT's. If current is detected
when only S is energized at Start, then 1M is shorted. b. This test
in a. above applies to all forms of starters (Note: It is understood
that many starters do not connect to the Shorting Contactor.).
Local
Starter Fault Type II -
Compressor 1B Cprsr Immediate Latch Starting - All
types of
starters
a. This is a specific starter test where the Shorting Contactor
(1K3) is individually energized and a check is made to ensure that
there are no currents detected by the CT's. If current is detected
when only S is energized at Start, then 1M is shorted. b. This test
in a. above applies to all forms of starters (Note: It is understood
that many starters do not connect to the Shorting Contactor.).
Local
Starter Fault Type II -
Compressor 2A Cprsr Immediate Latch Starting - All
types of
starters
a. This is a specific starter test where the Shorting Contactor
(1K3) is individually energized and a check is made to ensure that
there are no currents detected by the CT's. If current is detected
when only S is energized at Start, then 1M is shorted. b. This test
in a. above applies to all forms of starters (Note: It is understood
that many starters do not connect to the Shorting Contactor.).
Local
Starter Fault Type II -
Compressor 2B Cprsr Immediate Latch Starting - All
types of
starters
a. This is a specific starter test where the Shorting Contactor
(1K3) is individually energized and a check is made to ensure that
there are no currents detected by the CT's. If current is detected
when only S is energized at Start, then 1M is shorted. b. This test
in a. above applies to all forms of starters (Note: It is understood
that many starters do not connect to the Shorting Contactor.).
Local
Starter Fault Type III
- Compressor 1A Cprsr Immediate Latch
Starting
[Adaptive
Frequency
Starter Type]
As part of the normal start sequence to apply power to the
compressor, the Shorting Contactor (1K3) and then the Main
Contactor (1K1) were energized. 1.6 seconds later there were no
currents detected by the CT's for the last 1.2 Seconds on all three
phases. The test above applies to all forms of starters except
Adaptive Frequency Drives.
Local
Starter Fault Type III
- Compressor 1B Cprsr Immediate Latch
Starting
[Adaptive
Frequency
Starter Type]
As part of the normal start sequence to apply power to the
compressor, the Shorting Contactor (1K3) and then the Main
Contactor (1K1) were energized. 1.6 seconds later there were no
currents detected by the CT's for the last 1.2 seconds on all three
phases. The test above applies to all forms of starters except
Adaptive Frequency Drives.
Local
Starter Fault Type III
- Compressor 2A Cprsr Immediate Latch
Starting
[Adaptive
Frequency
Starter Type]
As part of the normal start sequence to apply power to the
compressor, the Shorting Contactor (1K3) and then the Main
Contactor (1K1) were energized. 1.6 seconds later there were no
currents detected by the CT's for the last 1.2 seconds on all three
phases. The test above applies to all forms of starters except
Adaptive Frequency Drives.
Local
Starter Fault Type III
- Compressor 2B Cprsr Immediate Latch
Starting
[Adaptive
Frequency
Starter Type]
As part of the normal start sequence to apply power to the
compressor, the Shorting Contactor (1K3) and then the Main
Contactor (1K1) were energized. 1.6 seconds later there were no
currents detected by the CT's for the last 1.2 seconds on all three
phases. The test above applies to all forms of starters except
Adaptive Frequency Drives.
Local
Transition Complete
Input Opened -
Compressor 1A Cprsr Immediate Latch All running
modes
The Transition Complete input was found to be opened with the
compressor motor running after a successful completion of
transition. This is active only for Y-Delta, Auto-Transformer,
Primary Reactor, and X-Line Starters. To prevent this diagnostic
from occurring as the result of a power loss to the contactors, the
minimum time to trip must be greater than the trip time for the
power loss diagnostic.
Local
Transition Complete
Input Opened -
Compressor 1B Cprsr Immediate Latch All running
modes
The Transition Complete input was found to be opened with the
compressor motor running after a successful completion of
transition. This is active only for Y-Delta, Auto-Transformer,
Primary Reactor, and X-Line Starters. To prevent this diagnostic
from occurring as the result of a power loss to the contactors, the
minimum time to trip must be greater than the trip time for the
power loss diagnostic.
Local
Table 66. Starter diagnostics (continued)
Diagnostic Name
and Source Affects
Target Severity Persistence
Active
Modes
[Inactive
Modes] Criteria Reset
Level

Diagnostics
108 RTAC-SVX01M-EN
Main Processor Diagnostics
Transition Complete
Input Opened -
Compressor 2A Cprsr Immediate Latch All running
modes
The Transition Complete input was found to be opened with the
compressor motor running after a successful completion of
transition. This is active only for Y-Delta, Auto-Transformer,
Primary Reactor, and X-Line Starters. To prevent this diagnostic
from occurring as the result of a power loss to the contactors, the
minimum time to trip must be greater than the trip time for the
power loss diagnostic.
Local
Transition Complete
Input Opened -
Compressor 2B Cprsr Immediate Latch All running
modes
The Transition Complete input was found to be opened with the
compressor motor running after a successful completion of
transition. This is active only for Y-Delta, Auto-Transformer,
Primary Reactor, and X-Line Starters. To prevent this diagnostic
from occurring as the result of a power loss to the contactors, the
minimum time to trip must be greater than the trip time for the
power loss diagnostic.
Local
Transition Complete
Input Shorted -
Compressor 1A Cprsr Immediate Latch Pre-Start The Transition Complete input was found to be shorted before the
compressor was started. This is active for all electromechanical
starters. Local
Transition Complete
Input Shorted -
Compressor 1B Cprsr Immediate Latch Pre-Start The Transition Complete input was found to be shorted before the
compressor was started. This is active for all electromechanical
starters. Local
Transition Complete
Input Shorted -
Compressor 2A Cprsr Immediate Latch Pre-Start The Transition Complete input was found to be shorted before the
compressor was started. This is active for all electromechanical
starters. Local
Transition Complete
Input Shorted -
Compressor 2B Cprsr Immediate Latch Pre-Start The Transition Complete input was found to be shorted before the
compressor was started. This is active for all electromechanical
starters. Local
Under Voltage Chiller Normal NonLatch Pre-Start and
Any Ckt(s)
Energzd
Nom. trip: 60 seconds at less than 87.5%, 2.8% at 200V 1.8%
at 575V, Auto Reset at 90% or greater. Remote
Table 66. Starter diagnostics (continued)
Diagnostic Name
and Source Affects
Target Severity Persistence
Active
Modes
[Inactive
Modes] Criteria Reset
Level
Table 67. Main processor diagnostics
Diagnostic Name Affects
Target Severity Persist-
ence
Active Modes
[Inactive
Modes] Criteria Reset
Level
BAS Communication
Lost None Special NonLatch All
The BAS was setup as “installed” at the MP and the Comm 3 llid
lost communications with the BAS for 15 contiguous minutes
after it had been established. Refer to Section on Setpoint
Arbitration to determine how setpoints and operating modes
may be effected by the comm loss. The chiller follows the value
of the Tracer Default Run Command which can be previously
written by Tracer and stored nonvolatilely by the MP (either use
local or shutdown).
Remote
BAS Failed to
Establish
Communication None Special NonLatch At power-up
The BAS was setup as “installed” and the BAS did not
communicate with the MP within 15 minutes after power-up.
Refer to Section on Setpoint Arbitration to determine how
setpoints and operating modes may be effected. Note: The
original requirement for this was 2 minutes, but was
implemented at 15 minutes for RTAC.
Remote
Check Clock Chiller Info Latch All
The real time clock had detected loss of its oscillator at some
time in the past. Check / replace battery? This diagnostic can be
effectively cleared only by writing a new value to the chiller's
time clock using the TechView or DynaView's “set chiller time”
functions.
Remote
Condenser Fan
Variable Speed
Drive Fault - Circuit
1 (Drive 1)
All
inverters
on this
circuit
Special
Mode Latch
Prestart and
Running w/
Variable Spd Fan
enabled
The MP has received a fault signal from the respective condenser
fan Variable Speed Inverter Drive, and unsuccessfully attempted
(5 times within 1 minute of each other) to clear the fault. The 4th
attempt removes power from the inverter to create a power up
reset. If the fault does not clear, the MP will revert to constant
speed operation without the use of the inverter's fan. The
inverter must be manually bypassed, and fan outputs rebound,
for full fixed speed fan operation.
Remote

Diagnostics
RTAC-SVX01M-EN 109
Condenser Fan
Variable Speed
Drive Fault - Circuit
1 Drive 2
All
inverters
on this
circuit
Special
Mode Latch
Prestart and
Running w/
Variable Spd Fan
enabled
The MP has received a fault signal from the respective condenser
fan Variable Speed Inverter Drive, and unsuccessfully attempted
(5 times within 1 minute of each other) to clear the fault. The 4th
attempt removes power from the inverter to create a power up
reset. If the fault does not clear, the MP will revert to constant
speed operation without the use of the inverter's fan. The
inverter must be manually bypassed, and fan outputs rebound,
for full fixed speed fan operation.
Remote
Condenser Fan
Variable Speed
Drive Fault - Circuit
2 (Drive 1)
All
inverters
on this
circuit
Special
Mode Latch
Prestart and
Running w/
Variable Spd Fan
enabled
The MP has received a fault signal from the respective condenser
fan Variable Speed Inverter Drive, and unsuccessfully attempted
(5 times within 1 minute of each other) to clear the fault. The 4th
attempt removes power from the inverter to create a power up
reset. If the fault does not clear, the MP will revert to constant
speed operation without the use of the inverter's fan. The
inverter must be manually bypassed, and fan outputs rebound,
for full fixed speed fan operation.
Remote
Condenser Fan
Variable Speed
Drive Fault - Circuit
2 (Drive 2)
All
inverters
on this
circuit
Special
Mode Latch
Prestart and
Running w/
Variable Spd Fan
enabled
The MP has received a fault signal from the respective condenser
fan Variable Speed Inverter Drive, and unsuccessfully attempted
(5 times within 1 minute of each other) to clear the fault. The 4th
attempt removes power from the inverter to create a power up
reset. If the fault does not clear, the MP will revert to constant
speed operation without the use of the inverter's fan. The
inverter must be manually bypassed, and fan outputs rebound,
for full fixed speed fan operation.
Remote
Condenser
Refrigerant Pressure
Transducer - Circuit
1
Circuit Immediate Latch All Bad Sensor or LLID Remote
Condenser
Refrigerant Pressure
Transducer - Circuit
2
Circuit Immediate Latch All Bad Sensor or LLID Remote
Emergency Stop Chiller Immediate Latch All a. EMERGENCY STOP input is open. An external interlock has
tripped. Time to trip from input opening to unit stop shall be 0.1
to 1.0 seconds. Local
Evaporator Entering
Water Temperature
Sensor
Chilled
Water
Reset Info Latch All
Bad Sensor or LLID a. Normal operation, no effects on control.
b. Chiller shall remove any Return or Constant Return Chilled
Water Reset, if it was in effect. Apply slew rates per Chilled Water
Reset spec.
Remote
Evaporator Leaving
Water Temperature
Sensor Chiller Normal Latch All Bad Sensor or LLID Remote
Evaporator Liquid
Level Sensor -
Circuit 1 Circuit Immediate Latch All Bad Sensor or LLID Remote
Evaporator Liquid
Level Sensor -
Circuit 2 Circuit Immediate Latch All Bad Sensor or LLID Remote
Evaporator Rfgt
Drain - Circuit 1 Circuit NA Latch
Circuit non-
running modes
[Drain Valve
commanded
closed]
This diagnostic is effective only with Remote Evap units. The
liquid level of the respective evaporator was not seen to be below
the level of -21.2 mm within 5 minutes of the commanded
opening of its Drain Valve Solenoid. The diagnostic will not be
active if the drain valve is commanded closed.
Remote
Evaporator Rfgt
Drain - Circuit 2 Circuit NA Latch
Circuit non-
running modes
[Drain Valve
commanded
closed]
This diagnostic is effective only with Remote Evap units. The
liquid level of the respective evaporator was not seen to be below
the level of -21.2 mm within 5 minutes of the commanded
opening of its Drain Valve Solenoid Valve. The diagnostic will not
be active if the drain valve is commanded closed.
Remote
Evaporator Water
Flow (Entering
Water Temp) Chiller Immediate
Shutdown Latching Any Ckt Energized
[No Ckts
Energized]
The entering evaporator water temp fell below the leaving
evaporator water temp by more than 2°F for 180°F-sec,
minimum trip time 1 minute. Remote
Evaporator Water
Flow (High Approach
Temperature)-
Circuit 1
Chiller Immediate
Shutdown Latching Ckt Energized
[Ckt Not
Energized]
Large evaporator approach temps, low evap sat temps, and
presence of liquid refrigerant, suggest this circuit is running with
no or reversed evaporator water flow. Remote
Table 67. Main processor diagnostics (continued)
Diagnostic Name Affects
Target Severity Persist-
ence
Active Modes
[Inactive
Modes] Criteria Reset
Level

Diagnostics
110 RTAC-SVX01M-EN
Evaporator Water
Flow (High Approach
Temperature)-
Circuit 2
Chiller Immediate
Shutdown Latching Ckt Energized
[Ckt Not
Energized]
Large evaporator approach temps, low evap sat temps, and
presence of liquid refrigerant, suggest this circuit is running with
no or reversed evaporator water flow. Remote
Evaporator Water
Flow Lost Chiller Immediate NonLatch
Whenever Evap
Pump is
commanded on
due to Auto mode
and certain off-
cycle diagnostics
a. The Evaporator water flow switch input was open for more
than 6-10 sec (HV binary input) or 20-25* sec (for factory mtd
low voltage binary input) b. This diagnostic does not de-
energize the evap pump output c. 6-10 seconds of contiguous
flow shall clear this diagnostic. d. Even though the pump times
out in the STOP modes, this diagnostic shall not be called out in
the STOP modes, (with the exception of pump override due to
certain off-cycle diagnostics). * could be longer if water temps
are rapidly changing warmer
Remote
Evaporator Water
Flow Overdue Chiller Normal NonLatch
Whenever Evap
Pump is
commanded on
due to Auto mode
and certain off-
cycle diagnostics
Evaporator water flow was not proven within 4:15 (RTAC Rev 20
and earlier) or 20:00 (RTAC Rev 21) of the Evaporator water
pump relay being energized. With SW Rev 17.0 and earlier, the
diagnostic will de-energize the Evaporator Water Pump output.
It will be re-energized if the diagnostic clears with the return of
flow and the chiller will be allowed to restart normally (to
accommodate external control of pump) With SW Rev 18.0 and
later, the pump command status will not be effected. In the case
of certain “Off-cycle” diagnostics in which the pump is
overridden to on, the delay to callout of the diagnostic is
shortened to 4:15.
Remote
External Chilled
Water Setpoint None Info NonLatch All
a. Function Not “Enabled”: no diagnostics. b. “Enabled “: Out-
Of-Range Low or Hi or bad LLID, set diagnostic, default CWS to
next level of priority (e.g. Front Panel SetPoint). This Info
diagnostic will automatically reset if the input returns to the
normal range.
Remote
External Current
Limit Setpoint None Info NonLatch All
a. Not “Enabled”: no diagnostics. b. “Enabled “: Out-Of-Range
Low or Hi or bad LLID, set diagnostic, default CLS to next level
of priority (e.g. Front Panel SetPoint. This Info diagnostic will
automatically reset if the input returns to the normal range.
Remote
High Differential
Refrigerant Pressure
- Circuit 1 Circuit Normal Latch Cprsr Energized The system differential pressure for the respective circuit was
above 275 Psid for 2 consecutive samples or more than 10
seconds. Remote
High Differential
Refrigerant Pressure
- Circuit 2 Circuit Normal Latch Cprsr Energized The system differential pressure for the respective circuit was
above 275 Psid for 2 consecutive samples or more than 10
seconds Remote
High Evaporator
Liquid Level - Circuit
1Circuit Normal Latch Starter Contactor
Energized
[all Stop modes]
The liquid level sensor is seen to be at or near its high end of
range for 80 contiguous minutes while the compressor is
running. (The diagnostic timer will hold, but not clear when the
circuit is off). Design: 80% or more of bit count corresponding
to +21.2 mm or more liquid level for 80 minutes)
Remote
High Evaporator
Liquid Level - Circuit
2Circuit Normal Latch Starter Contactor
Energized
[all Stop modes]
The liquid level sensor is seen to be at or near its high end of
range for 80 contiguous minutes while the compressor is
running. (The diagnostic timer will hold, but not clear when the
circuit is off). Design: 80% or more of bit count corresponding
to +21.2 mm or more liquid level for 80 minutes)
Remote
High Evaporator
Refrigerant Pressure Chiller Immediate NonLatch All
The evaporator refrigerant pressure of either circuit has risen
above 190 psig. The evaporator water pump relay will be de-
energized to stop the pump regardless of why the pump is
running (and the chiller will be prevented from starting) The
diagnostic will auto reset and the pump will return to normal
control when all of the evaporator pressures fall below 185 psig.
The primary purpose is to stop the evaporator water pump and
its associated pump heat from causing refrigerant side
pressures, close to the evaporator relief valve setting, when the
chiller is not running, such as could occur with Evap Water Flow
Overdue or Evaporator Water Flow Loss Diagnostics.
Remote
Table 67. Main processor diagnostics (continued)
Diagnostic Name Affects
Target Severity Persist-
ence
Active Modes
[Inactive
Modes] Criteria Reset
Level

Diagnostics
RTAC-SVX01M-EN 111
High Evaporator
Water Temperature Chiller
Info and
Special
Action (Pre
RTAC
Refresh
Rev 39)
NonLatch
Only effective if
either
1)Evap Wtr Flow
Overdue,
2)Evap Wtr Flow
Loss, or
3)Low Evap Rfgt
Temp,-Unit Off,
diagnostic is
active.
The leaving water temperature exceeded the high evap water
temp limit (TV service menu settable -default 105F) for 15
continuous seconds. The evaporator water pump relay will be
de-energized to stop the pump but only if it is running due to one
of the diagnostics listed on the left. The diagnostic will auto reset
and the pump will return to normal control when the
temperature falls 5 F below the trip setting. The primary purpose
is to stop the evaporator water pump and its associated pump
heat from causing excessive waterside temperatures and
waterside pressures when the chiller is not running but the evap
pump is on due to either Evap Water Flow Overdue, Evaporator
Water Flow Loss, or Low Evap Temp - Unit Off Diagnostics. This
diagnostic will not auto clear solely due to the clearing of the
enabling diagnostic.
Remote
High Evaporator
Water Temperature Chiller
Immediate
Shutdown
(Beginning
with RTAC
Refresh
Rev 39)
Latch
Only effective if
either
1)Evap Wtr Flow
Overdue
2)Evap Wtr Flow
Loss, or
3)Low Evap Rfgt
Temp,-Unit Off,
diagnostic is
active.
The leaving water temperature exceeded the high evap water
temp limit (TV service menu settable -default 105F) for 15
continuous seconds, with one of the three diagnostics on the left
already active. The evaporator water pump relay will be de-
energized to stop the pump. The diagnostic can only be cleared
by a manual reset and will clear regardless of the temperature.
(although the diagnostic may reoccur based on the trip criteria).
The primary purpose is to stop the evaporator water pump and
its associated pump heat from causing excessive waterside
temperatures (and waterside pressures) when the chiller is not
running but the evap pump is on due to a pump override to “on”
(as can be caused by a bad flow switches failure to close and
prove flow).
Local
High Oil
Temperature -
Compressor 1B Cprsr 1B Immediate Latch All
The respective oil temperature as supplied to the compressor,
exceeded 200 F for 2 consecutive samples or for over 10
seconds. Note: As part of the Compressor High Temperature
Limit Mode (aka Minimum Limit), the running compressor's
female load step will be forced loaded when its oil temperature
exceeds 190F and returned to normal control when the oil
temperature falls below 170 F.
Remote
High Oil
Temperature -
Compressor 2B Cprsr 2B Immediate Latch All
The respective oil temperature as supplied to the compressor,
exceeded 200 F for 2 consecutive samples or for over 10
seconds. Note: As part of the Compressor High Temperature
Limit Mode (aka Minimum Limit), the running compressor's
female load step will be forced loaded when its oil temperature
exceeds 190F and returned to normal control when the oil
temperature falls below 170 F.
Remote
High Oil
Temperature -
Compressor 1A Cprsr 1A Immediate Latch All
The respective oil temperature as supplied to the compressor,
exceeded 200 F for 2 consecutive samples or for over 10
seconds. Note: As part of the Compressor High Temperature
Limit Mode (aka Minimum Limit), the running compressor's
female load step will be forced loaded when its oil temperature
exceeds 190F and returned to normal control when the oil
temperature falls below 170 F.
Remote
High Oil
Temperature -
Compressor 2A Cprsr 2A Immediate Latch All
The respective oil temperature as supplied to the compressor,
exceeded 200 F for 2 consecutive samples or for over 10
seconds. Note: As part of the Compressor High Temperature
Limit Mode (aka Minimum Limit), the running compressor's
female load step will be forced loaded when its oil temperature
exceeds 190F and returned to normal control when the oil
temperature falls below 170 F.
Remote
High Pressure
Cutout -
Compressor 1A Circuit Immediate Latch All
A high pressure cutout was detected on Compressor 1A; trip at
315 ± 5 PSIG. Note: Other diagnostics that may occur as an
expected consequence of the HPC trip will be suppressed from
annunciation. These include Phase Loss, Power Loss, and
Transition Complete Input Open.
Local
High Pressure
Cutout -
Compressor 1B Circuit Immediate Latch All
A high pressure cutout was detected on Compressor 1A; trip at
315 ± 5 PSIG. Note: Other diagnostics that may occur as an
expected consequence of the HPC trip will be suppressed from
annunciation. These include Phase Loss, Power Loss, and
Transition Complete Input Open.
Local
Table 67. Main processor diagnostics (continued)
Diagnostic Name Affects
Target Severity Persist-
ence
Active Modes
[Inactive
Modes] Criteria Reset
Level

Diagnostics
11 2 RTAC-SVX01M-EN
High Pressure
Cutout -
Compressor 2A Circuit Immediate Latch All
A high pressure cutout was detected on Compressor 1A; trip at
315 ± 5 PSIG. Note: Other diagnostics that may occur as an
expected consequence of the HPC trip will be suppressed from
annunciation. These include Phase Loss, Power Loss, and
Transition Complete Input Open.
Local
High Pressure
Cutout -
Compressor 2B Circuit Immediate Latch All
A high pressure cutout was detected on Compressor 1A; trip at
315 ± 5 PSIG. Note: Other diagnostics that may occur as an
expected consequence of the HPC trip will be suppressed from
annunciation. These include Phase Loss, Power Loss, and
Transition Complete Input Open.
Local
Intermediate Oil
Pressure Transducer
- Compressor 1A Cprsr 1A Immediate Latch All Bad Sensor or LLID Remote
Intermediate Oil
Pressure Transducer
- Compressor 1B Cprsr 1B Immediate Latch All Bad Sensor or LLID Remote
Intermediate Oil
Pressure Transducer
- Compressor 2A Cprsr 2A Immediate Latch All Bad Sensor or LLID Remote
Intermediate Oil
Pressure Transducer
- Compressor 2B Cprsr 2B Immediate Latch All Bad Sensor or LLID Remote
Low Chilled Water
Temp: Unit Off Evap
Pump Special
Mode NonLatch
Unit in Stop Mode,
or in Auto Mode
and No Ckt(s)
Energzd
[Any Ckt Energzd]
The leaving Evaporator water temp. fell below the leaving water
temp cutout setting for 30 degree F seconds while the Chiller is
in the Stop mode, or in Auto mode with no compressors running.
Energize Evap Water pump Relay until diagnostic auto resets,
then return to normal evap pump control. Automatic reset
occurs when the temp rises 2°F (1.1°C) above the cutout setting
for 30 minutes.
Remote
Low Chilled Water
Temp: Unit On Chiller
Immediate
and
Special
Mode
NonLatch Any Ckts] Energzd
[No Ckt(s)
Energzd]
The evaporator water temp. fell below the cutout setpoint for 30
degree F Seconds while the compressor was running. Automatic
reset occurs when the temperature rises 2°F (1.1°C) above the
cutout setting for 2 minutes. This diagnostic shall not de-
energize the Evaporator Water Pump Output.
Remote
Low Differential
Refrigerant Pressure
- Circuit 1 Circuit Immediate Latch Cprsr Energized
The system differential pressure for the respective circuit was
below 35 Psid for more than 2000 Psid-sec with either a 1 minute
(single cprsr circuit) or 2.5 minute (manifolded cprsr circuit)
ignore time from the start of the circuit.
Remote
Low Differential
Refrigerant Pressure
- Circuit 2 Circuit Immediate Latch Cprsr Energized
The system differential pressure for the respective circuit was
below 35 Psid for more than 2000 Psid-sec with either a 1 minute
(single cprsr circuit) or 2.5 minute (manifolded cprsr circuit)
ignore time from the start of the circuit.
Remote
Low Evaporator
Liquid Level - Circuit
1None Info NonLatch Starter Contactor
Energized
[all Stop modes]
The liquid level sensor is seen to be at or near its low end of range
for 80 contiguous minutes while the compressor is running.
Design: 20% or less of bit count corresponding to -21.2 mm or
less liquid level for 80 minutes)
Remote
Low Evaporator
Liquid Level - Circuit
2None Info NonLatch Starter Contactor
Energized
[all Stop modes]
The liquid level sensor is seen to be at or near its low end of range
for 80 contiguous minutes while the compressor is running.
Design: 20% or less of bit count corresponding to -21.2 mm or
less liquid level for 80 minutes)
Remote
Low Evaporator
Refrigerant
Temperature -
Circuit 1
Circuit Immediate Latch All Ckt Running
Modes
The inferred Saturated Evap Refrigerant Temperature
(calculated from suction pressure transducer dropped below the
Low Refrigerant Temperature Cutout Setpoint for 1125 F-sec
with a 8 F-sec/sec max integral rate applied during circuit
startup transient (or 4ºF-s/s if manifolded and only one cprsr
running) while the circuit was running early in the circuit's cycle.
The minimum LRTC setpoint is -5 F (18.7 Psia) the point at which
oil separates from the refrigerant. During the time that the trip
integral is non zero, the unload solenoid(s) of the running
compressors on the circuit, shall be energized continuously and
the load solenoid shall be off. Normal load/unload operation will
be resumed if the trip integral decays to zero by temps above the
cutout setpoint. The integral is held nonvolatily though power
down, is continuously calculated, and can decay during the
circuit's off cycle as conditions warrant.
Remote
Table 67. Main processor diagnostics (continued)
Diagnostic Name Affects
Target Severity Persist-
ence
Active Modes
[Inactive
Modes] Criteria Reset
Level

Diagnostics
RTAC-SVX01M-EN 11 3
Low Evaporator
Refrigerant
Temperature -
Circuit 2
Circuit Immediate Latch All Ckt Running
Modes
The inferred Saturated Evap Refrigerant Temperature
(calculated from suction pressure transducer dropped below the
Low Refrigerant Temperature Cutout Setpoint for 1125 F-sec
with a 8 F-sec/sec max integral rate applied during circuit
startup transient (or 4ºF-s/s if manifolded and only one cprsr
running) while the circuit was running early in the circuit's cycle.
The minimum LRTC setpoint is -5 F (18.7 Psia) the point at which
oil separates from the refrigerant. During the time that the trip
integral is non zero, the unload solenoid(s) of the running
compressors on the circuit, shall be energized continuously and
the load solenoid shall be off. Normal load/unload operation will
be resumed if the trip integral decays to zero by temps above the
cutout setpoint. The integral is held nonvolatily though power
down, is continuously calculated, and can decay during the
circuit's off cycle as conditions warrant.
Remote
Low Evaporator
Temp - Ckt 1: Unit
Off
Evap
Pump Special
Mode NonLatch
Unit in Stop Mode,
or in Auto Mode
and No Ckt's
Energzd
[Any Ckt Energzd]
Any of the evap sat temps fell below the water temp cutout
setting while the respective evap liquid level was greater than -
21.2mm for 150 degree F seconds while Chiller is in the Stop
mode, or in Auto mode with no compressors running. Energize
Evap Water pump Relay until diagnostic auto resets, then return
to normal evap pump control. Automatic reset occurs when
either the evap temp rises 2 F (1.1 C) above the cutout setting
or the liquid level falls below -21.2mm for 30 minutes
Remote
Low Evaporator
Temp - Ckt 2: Unit
Off
Evap
Pump Special
Mode NonLatch
Unit in Stop Mode,
or in Auto Mode
and No Ckt's
Energzd
[Any Ckt Energzd]
Any of the evap sat temps fell below the water temp cutout
setting while the respective evap liquid level was greater than -
21.2mm for 150 degree F seconds while Chiller is in the Stop
mode, or in Auto mode with no compressors running. Energize
Evap Water pump Relay until diagnostic auto resets, then return
to normal evap pump control. Automatic reset occurs when
either the evap temp rises 2 F (1.1 C) above the cutout setting
or the liquid level falls below -21.2mm for 30 minutes
Remote
Low Oil Flow -
Compressor 1A Cprsr Immediate Latch Cprsr Energized
and Delta P above
35 Psid
The intermediate oil pressure transducer for this compressor
was out of the acceptable pressure range for 15 seconds, while
the Delta Pressure was greater than 35 Psid.: Acceptable range
is 0.50 > (PC-PI) / (PC-PE) for the first 2.5 minutes of operation,
and 0.25 > (PC-PI) / (PC-PE) thereafter,
Local
Low Oil Flow -
Compressor 1B Cprsr Immediate Latch Cprsr Energized
and Delta P above
35 Psid
The intermediate oil pressure transducer for this compressor
was out of the acceptable pressure range for 15 seconds, while
the Delta Pressure was greater than 35 Psid.: Acceptable range
is 0.50 > (PC-PI) / (PC-PE) for the first 2.5 minutes of operation,
and 0.25 > (PC-PI) / (PC-PE) thereafter,
Local
Low Oil Flow -
Compressor 2A Cprsr Immediate Latch Cprsr Energized
and Delta P above
35 Psid
The intermediate oil pressure transducer for this compressor
was out of the acceptable pressure range for 15 seconds, while
the Delta Pressure was greater than 35Psid.: Acceptable range
is 0.50 > (PC-PI) / (PC-PE) for the first 2.5 minutes of operation,
and 0.25 > (PC-PI) / (PC-PE) thereafter,.
Local
Low Oil Flow -
Compressor 2B Cprsr Immediate Latch Cprsr Energized
and Delta P above
35 Psid
The intermediate oil pressure transducer for this compressor
was out of the acceptable pressure range for 15 seconds, while
the Delta Pressure was greater than 35 Psid.: Acceptable range
is 0.50 > (PC-PI) / (PC-PE) for the first 2.5 minutes of operation,
and 0.25 > (PC-PI) / (PC-PE) thereafter,
Local
Low Suction
Refrigerant Pressure
- Circuit 1 Circuit Immediate Latch Cprsr Prestart and
Cprsr Energized
a. The Suction Refrigerant Pressure (or either of the compressor
suction pressures) dropped below 10 Psia just prior to
compressor start (after EXV preposition). b. The pressure fell
below 16 Psia while running after the ignore time had expired,
or fell below 10 Psia (or 5 Psia in sftw prior to Oct'02) before the
ignore time had expired. The ignore time is function of outdoor
air temperature. Note: Part b. is identical to Low Evaporator
Refrigerant Temperature diagnostic except for the trip integral
and trip point settings.
Local
Low Suction
Refrigerant Pressure
- Circuit 2 Circuit Immediate Latch Cprsr Prestart and
Cprsr Energized
a. The Suction Refrigerant Pressure (or either of the compressor
suction pressures) dropped below 10 Psia just prior to
compressor start (after EXV preposition). b. The pressure fell
below 16 Psia while running after the ignore time had expired,
or fell below 10 Psia (or 5 Psia in sftw prior to Oct'02) before the
ignore time had expired. The ignore time is function of outdoor
air temperature. Note: Part b. is identical to Low Evaporator
Refrigerant Temperature diagnostic except for the trip integral
and trip point settings.
Local
Table 67. Main processor diagnostics (continued)
Diagnostic Name Affects
Target Severity Persist-
ence
Active Modes
[Inactive
Modes] Criteria Reset
Level

Diagnostics
114 RTAC-SVX01M-EN
Low Suction
Refrigerant Pressure
- Cprsr 1B Circuit Immediate Latch Cprsr Prestart and
Cprsr Energized
a. The Suction Refrigerant Pressure (or either of the compressor
suction pressures) dropped below 10 Psia just prior to
compressor start (after EXV preposition). b. The pressure fell
below 16 Psia while running after the ignore time had expired,
or fell below 10 Psia (or 5 Psia in sftw prior to Oct'02) before the
ignore time had expired. The ignore time is function of outdoor
air temperature. Note: Part b. is identical to Low Evaporator
Refrigerant Temperature diagnostic except for the trip integral
and trip point settings.
Local
Low Suction
Refrigerant Pressure
- Cprsr 2B Circuit Immediate Latch Cprsr Prestart and
Cprsr Energized
a. The Suction Refrigerant Pressure (or either of the compressor
suction pressures) dropped below 10 Psia just prior to
compressor start (after EXV preposition). b. The pressure fell
below 16 Psia while running after the ignore time had expired,
or fell below 10 Psia (or 5 Psia in sftw prior to Oct'02) before the
ignore time had expired. The ignore time is function of outdoor
air temperature. Note: Part b. is identical to Low Evaporator
Refrigerant Temperature diagnostic except for the trip integral
and trip point settings.
Local
MP Application
Memory CRC Error Chiller Immediate Latch All Modes Memory error criteria TBD Remote
MP: Could not Store
Starts and Hours None Info Latch All MP has determined there was an error with the previous power
down store. Starts and Hours may have been lost for the last 24
hours. Remote
MP: Invalid
Configuration None Immediate Latch All MP has an invalid configuration based on the current software
installed Remote
MP: Non-Volatile
Block Test Error None Info Latch All MP has determined there was an error with a block in the Non-
Volatile memory. Check settings. Remote
MP: Non-Volatile
Memory Reformat None Info Latch All MP has determined there was an error in a sector of the Non-
Volatile memory and it was reformatted. Check settings. Remote
MP: Reset Has
Occurred None Info NonLatch All
The main processor has successfully come out of a reset and
built its application. A reset may have been due to a power up,
installing new software or configuration. This diagnostic is
immediately and automatically cleared and thus can only be
seen in the Historic Diagnostic List in TechView
Remote
Oil Flow Fault -
Compressor 1A Circuit Immediate Latch Starter Contactor
Energized
[all Stop modes]
The Intermediate Oil Pressure Transducer for this cprsr is
reading a pressure either above its respective circuit's
Condenser Pressure by 15 Psia or more, or below its respective
Suction Pressure 10 Psia or more for 30 seconds continuously.
Local
Oil Flow Fault -
Compressor 1B Circuit Immediate Latch Starter Contactor
Energized
[all Stop modes]
The Intermediate Oil Pressure Transducer for this cprsr is
reading a pressure either above its respective circuit's
Condenser Pressure by 15 Psia or more, or below its respective
Suction Pressure 10 Psia or more for 30 seconds continuously.
Local
Oil Flow Fault -
Compressor 2A Circuit Immediate Latch Starter Contactor
Energized
[all Stop modes]
The Intermediate Oil Pressure Transducer for this cprsr is
reading a pressure either above its respective circuit's
Condenser Pressure by 15 Psia or more, or below its respective
Suction Pressure 10 Psia or more for 30 seconds continuously.
Local
Oil Flow Fault -
Compressor 2B Circuit Immediate Latch Starter Contactor
Energized
[all Stop modes]
The Intermediate Oil Pressure Transducer for this cprsr is
reading a pressure either above its respective circuit's
Condenser Pressure by 15 Psia or more, or below its respective
Suction Pressure 10 Psia or more for 30 seconds continuously.
Local
Oil Temperature
Sensor - Cprsr 1B Circuit Normal Latch All Bad Sensor or LLID Remote
Oil Temperature
Sensor - Cprsr 2B Circuit Normal Latch All Bad Sensor or LLID Remote
Oil Temperature
Sensor -Cprsr 1A Circuit Normal Latch All Bad Sensor or LLID Remote
Oil Temperature
Sensor -Cprsr 2A Circuit Normal Latch All Bad Sensor or LLID Remote
Outdoor Air
Temperature Sensor Chiller Normal Latch All Bad Sensor or LLID. Note that if this diagnostic occurs,
operational pumpdown will be performed regardless of the last
valid temperature Remote
Pumpdown
Terminated - Circuit
1None Info NonLatch Pumpdown Mode The pumpdown cycle for this circuit was terminated abnormally
due to excessive time or due to a specific set of diagnostic
criteria - but w/o associated latching diagnostics Remote
Table 67. Main processor diagnostics (continued)
Diagnostic Name Affects
Target Severity Persist-
ence
Active Modes
[Inactive
Modes] Criteria Reset
Level

Diagnostics
RTAC-SVX01M-EN 11 5
Pumpdown
Terminated - Circuit
2None Info NonLatch Pumpdown Mode The pumpdown cycle for this circuit was terminated abnormally
due to excessive time or due to a specific set of diagnostic
criteria - but w/o associated latching diagnostics Remote
Software Error
1001: Call Trane
Service (beginning
with Rev 29)
All Reported if a compressor is found to be running without chilled
water flow for three minutes. Previously, this error would be
identified after five minutes.
Software Error
1002: Call Trane
Service (beginning
with Rev 29)
All Reported if state chart misalignment in stopped or inactive state
occurs.
Software Error
1003: Call Trane
Service (beginning
with Rev 29)
All Reported if state chart misalignment in stopping state occurs.
Software Error
Number: 1001 (Rev
28)
All
functions Immediate
Latch -
power
down
reset is
reqd
All
A high level software watchdog has detected a condition in which
there was a continuous 5 minute period of compressor
operation, with neither chilled water flow nor a” contactor
interrupt failure” diagnostic active. The occurrence of this
software error message suggests an internal software state
chart misalignment has occurred. The events that led up to this
failure, if known, should be recorded and transmitted to Trane
Controls Engineering - (SW rev 24 and higher)
Starter Failed to
Arm/Start - Cprsr 1A Cprsr Info Latch All Starter failed to arm or start within the allotted time (15
seconds). Local
Starter Failed to
Arm/Start - Cprsr 1B Cprsr Info Latch All Starter failed to arm or start within the allotted time (15
seconds). Local
Starter Failed to
Arm/Start - Cprsr 2A Cprsr Info Latch All Starter failed to arm or start within the allotted time (15
seconds). Local
Starter Failed to
Arm/Start - Cprsr 2B Cprsr Info Latch All Starter failed to arm or start within the allotted time (15
seconds). Local
Starter Module
Memory Error Type 1
- Starter 2A None Info Latch All Checksum on RAM copy of the Starter LLID configuration failed.
Configuration recalled from EEPROM. Local
Starter Module
Memory Error Type 1
- Starter 2B None Info Latch All Checksum on RAM copy of the Starter LLID configuration failed.
Configuration recalled from EEPROM. Local
Starter Module
Memory Error Type
1Starter 1A None Info Latch All Checksum on RAM copy of the Starter LLID configuration failed.
Configuration recalled from EEPROM. Local
Starter Module
Memory Error Type
1-Starter 1B None Info Latch All Checksum on RAM copy of the Starter LLID configuration failed.
Configuration recalled from EEPROM. Local
Starter Module
Memory Error Type 2
- Starter 1A Cprsr Immediate Latch All Checksum on EEPROM copy of the Starter LLID configuration
failed. Factor default values used. Local
Starter Module
Memory Error Type 2
- Starter 1B Cprsr Immediate Latch All Checksum on EEPROM copy of the Starter LLID configuration
failed. Factor default values used. Local
Starter Module
Memory Error Type 2
- Starter 2A Cprsr Immediate Latch All Checksum on EEPROM copy of the Starter LLID configuration
failed. Factor default values used. Local
Starter Module
Memory Error Type 2
- Starter 2B Cprsr Immediate Latch All Checksum on EEPROM copy of the Starter LLID configuration
failed. Factor default values used. Local
Starter Panel High
Temperature Limit -
Panel 1, Cprsr 1B Cprsr 1B Special
Mode NonLatch All
Starter Panel High Limit Thermostat (170 F) trip was detected.
Note: Other diagnostics that may occur as an expected
consequence of the Panel High Temp Limit trip will be
suppressed from annunciation. These include Phase Loss, Power
Loss, and Transition Complete Input Open for Cprsr 1B
Local
Starter Panel High
Temperature Limit -
Panel 1, Cprsr 2A Cprsr 2A Special
Mode NonLatch All
Starter Panel High Limit Thermostat (170 F) trip was detected.
Note: Other diagnostics that may occur as an expected
consequence of the Panel High Temp Limit trip will be
suppressed from annunciation. These include Phase Loss, Power
Loss, and Transition Complete Input Open for Cprsr 2A
Local
Table 67. Main processor diagnostics (continued)
Diagnostic Name Affects
Target Severity Persist-
ence
Active Modes
[Inactive
Modes] Criteria Reset
Level

Diagnostics
11 6 RTAC-SVX01M-EN
Communication Diagnostics
The following communication loss diagnostics will not
occur unless that input or output is required to be present
by the particular configuration and installed options for
the chiller.
Communication diagnostics (with the exception of
“Excessive Loss of Comm” are named by the Functional
Name of the input or output that is no longer being heard
from by the Main Processor. Many LLIDs, such as the Quad
Relay LLID, have more than one functional output
associated with it. A comm loss with such a multiple
function board, will generate multiple diagnostics. Refer to
the Chiller's wiring diagrams to relate the occurrence of
multiple communication diagnostics back to the physical
LLID boards that they have been assigned to (bound).
Starter Panel High
Temperature Limit -
Panel 2, Cprsr 2B Cprsr 2B Special
Mode NonLatch All
Starter Panel High Limit Thermostat (170 F) trip was detected.
Note: Other diagnostics that may occur as an expected
consequence of the Panel High Temp Limit trip will be
suppressed from annunciation. These include Phase Loss, Power
Loss, and Transition Complete Input Open for Cprsr 2B
Local
Suction Refrigerant
Pressure Transducer
- Circuit 1,
Compressor 1A
Special Immediate Latch All
Bad Sensor or LLID Circuit target if no isolation valves,
Compressor target if isolation valves. Design Note: In the case
of manifolded compressors w/o isolation valves, the occurrence
of this diagnostic will also generate a comm loss with the
nonexistent Suction Press Cprsr 1B in order to accomplish circuit
shutdown.
Remote
Suction Refrigerant
Pressure Transducer
- Circuit 1,
Compressor 1B
Cprsr 1B Immediate Latch All
Bad Sensor or LLID. Design Note: For circuits with manifolded
compressors w/o isolation valve option, this diagnostic will occur
with the preceding diagnostic, even though this transducer is not
required or installed.
Remote
Suction Refrigerant
Pressure Transducer
- Circuit 2,
Compressor 2A
Special Immediate Latch All
Bad Sensor or LLID Circuit target if no isolation valves,
Compressor target if isolation valves. Design Note: In the case
of manifolded compressors w/o isolation valves, the occurrence
of this diagnostic will also generate a comm loss with the
nonexistent Suction Press Cprsr 2B in order to accomplish circuit
shutdown.
Remote
Suction Refrigerant
Pressure Transducer
- Circuit 2,
Compressor 2B
Cprsr 2B Immediate Latch All
Bad Sensor or LLID. Design Note: For circuits with manifolded
compressors w/o isolation valve option, this diagnostic will occur
with the preceding diagnostic, even though this transducer is not
required or installed
Remote
Very Low Evaporator
Refrigerant Pressure
- Circuit 1 Chiller Immediate Latch
All
[compressor or
circuit in manual
lockout]
The evaporator pressure dropped below 8 psia (or 5 psia in sftw
prior to Oct '02)regardless of whether or not compressors are
running on that circuit. This diagnostic was created to prevent
compressor failures due to cross binding by forcing an entire
chiller shutdown. If a given compressor or circuit is locked out,
the suction pressure transducer(s) associated with it, will be
excluded from causing this diagnostic.
Local
Very Low Evaporator
Refrigerant Pressure
- Circuit 2 Chiller Immediate Latch
All
[compressor or
circuit in manual
lockout]
The evaporator pressure dropped below 8 psia (or 5 psia in sftw
prior to Oct '02) regardless of whether or not compressors are
running on that circuit. This diagnostic was created to prevent
compressor failures due to cross binding by forcing an entire
chiller shutdown. If a given compressor or circuit is locked out,
the suction pressure transducer(s) associated with it, will be
excluded from causing this diagnostic.
Local
Table 67. Main processor diagnostics (continued)
Diagnostic Name Affects
Target Severity Persist-
ence
Active Modes
[Inactive
Modes] Criteria Reset
Level
Table 68. Communication diagnostics
Diagnostic Name Affects
Target Severity Persist-
ence
Active
Modes
[Inactive
Modes] Criteria Reset
Level
Comm Loss: Chilled
Water Flow Switch Chiller Immediate Latch All Continual loss of communication between the MP and the
Functional ID has occurred for a 30 second period. Remote
Comm Loss: Cond Rfgt
Pressure, Circuit #1 Circuit Immediate Latch All Continual loss of communication between the MP and the
Functional ID has occurred for a 30 second period. Remote
Comm Loss: Cond Rfgt
Pressure, Circuit #2 Circuit Immediate Latch All Continual loss of communication between the MP and the
Functional ID has occurred for a 30 second period. Remote

Diagnostics
RTAC-SVX01M-EN 11 7
Comm Loss: Electronic
Expansion Valve, Circuit
#1 Circuit Normal Latch All Continual loss of communication between the MP and the
Functional ID has occurred for a 30 second period. Remote
Comm Loss: Electronic
Expansion Valve, Circuit
#2 Circuit Normal Latch All Continual loss of communication between the MP and the
Functional ID has occurred for a 30 second period. Remote
Comm Loss: Emergency
Stop Chiller Normal Latch All Continual loss of communication between the MP and the
Functional ID has occurred for a 30 second period. Remote
Comm Loss: Evap Oil
Return Valve, Cprsr 1A Cprsr Normal Latch All Continual loss of communication between the MP and the
Functional ID has occurred for a 30 second period. Remote
Comm Loss: Evap Oil
Return Valve, Cprsr 1B Cprsr Normal Latch All Continual loss of communication between the MP and the
Functional ID has occurred for a 30 second period. Remote
Comm Loss: Evap Oil
Return Valve, Cprsr 2A Cprsr Normal Latch All Continual loss of communication between the MP and the
Functional ID has occurred for a 30 second period. Remote
Comm Loss: Evap Oil
Return Valve, Cprsr 2B Cprsr Normal Latch All Continual loss of communication between the MP and the
Functional ID has occurred for a 30 second period. Remote
Comm Loss: Evaporator
Entering Water
Temperature
Chilled
Water
Reset
Special
Mode Latch All
Continual loss of communication between the MP and the
Functional ID has occurred for a 30 second period. Chiller shall
remove any Return or Constant Return Chilled Water Reset, if it
was in effect. Apply slew rates per Chilled Water Reset spec.
Remote
Comm Loss: Evaporator
Leaving Water
Temperature Chiller Normal Latch All Continual loss of communication between the MP and the
Functional ID has occurred for a 30 second period. Remote
Comm Loss: Evaporator
Rfgt Drain Valve - Ckt 1 Circuit Normal Latch All Continual loss of communication between the MP and the
Functional ID has occurred for a 30 second period. Remote
Comm Loss: Evaporator
Rfgt Drain Valve - Ckt 2 Circuit Normal Latch All Continual loss of communication between the MP and the
Functional ID has occurred for a 30 second period. Remote
Comm Loss: Evaporator
Rfgt Liquid Level, Circuit
#1 Circuit Immediate Latch All Continual loss of communication between the MP and the
Functional ID has occurred for a 30 second period. Remote
Comm Loss: Evaporator
Rfgt Liquid Level, Circuit
#2 Circuit Immediate Latch All Continual loss of communication between the MP and the
Functional ID has occurred for a 30 second period. Remote
Comm Loss: Evaporator
Rfgt Pressure, Circuit #1 Circuit Immediate Latch All
[Ckt/Cprsr
lock out]
Continual loss of communication between the MP and the
Functional ID has occurred for a 30 second period. Note: This
diagnostic is replaced by diagnostic 5FB below with Rev 15.0 Remote
Comm Loss: Evaporator
Rfgt Pressure, Circuit #2 Circuit Immediate Latch All
[Ckt/Cprsr
lock out]
Continual loss of communication between the MP and the
Functional ID has occurred for a 30 second period. Note: This
diagnostic is replaced by diagnostic 5FD below with Rev 15.0 Remote
Comm Loss: Evaporator
Water Pump Control Chiller Normal Latch All Continual loss of communication between the MP and the
Functional ID has occurred for a 30 second period. Remote
Comm Loss: External
Auto/Stop Chiller Normal Latch All Continual loss of communication between the MP and the
Functional ID has occurred for a 30 second period. Remote
Comm Loss: External
Chilled Water Setpoint
External
Chilled
Water
Setpoint
Special
Mode NonLatch All
Continual loss of communication between the MP and the
Functional ID has occurred for a 30 second period. Chiller shall
discontinue use of the External Chilled Water Setpoint source and
revert to the next higher priority for setpoint arbitration
Remote
Comm Loss: External
Circuit Lockout, Circuit
#1 Circuit Special
Mode Latch All
Continual loss of communication between the MP and the
Functional ID has occurred for a 30 second period. MP will
nonvolatily hold the lockout state (enabled or disabled) that was
in effect at the time of comm loss.
Remote
Comm Loss: External
Circuit Lockout, Circuit
#2 Circuit Special
Mode Latch All
Continual loss of communication between the MP and the
Functional ID has occurred for a 30 second period. MP will
nonvolatily hold the lockout state (enabled or disabled) that was
in effect at the time of comm loss
Remote
Comm Loss: External
Current Limit Setpoint
External
Current
Limit
setpoint
Special
Mode NonLatch All
Continual loss of communication between the MP and the
Functional ID has occurred for a 30 second period. Chiller shall
discontinue use of the External Current limit setpoint and revert to
the next higher priority for Current Limit setpoint arbitration
Remote
Table 68. Communication diagnostics (continued)
Diagnostic Name Affects
Target Severity Persist-
ence
Active
Modes
[Inactive
Modes] Criteria Reset
Level

Diagnostics
11 8 RTAC-SVX01M-EN
Comm Loss: Fan Control
Circuit #1, Stage #1 Circuit Normal Latch All Continual loss of communication between the MP and the
Functional ID has occurred for a 30 second period. Remote
Comm Loss: Fan Control
Circuit #1, Stage #2 Circuit Normal Latch All Continual loss of communication between the MP and the
Functional ID has occurred for a 30 second period. Remote
Comm Loss: Fan Control
Circuit #1, Stage #3 Circuit Normal Latch All Continual loss of communication between the MP and the
Functional ID has occurred for a 30 second period. Remote
Comm Loss: Fan Control
Circuit #1, Stage #4 Circuit Normal Latch All Continual loss of communication between the MP and the
Functional ID has occurred for a 30 second period. Remote
Comm Loss: Fan Control
Circuit #2, Stage #1 Circuit Normal Latch All Continual loss of communication between the MP and the
Functional ID has occurred for a 30 second period. Remote
Comm Loss: Fan Control
Circuit #2, Stage #2 Circuit Normal Latch All Continual loss of communication between the MP and the
Functional ID has occurred for a 30 second period. Remote
Comm Loss: Fan Control
Circuit #2, Stage #3 Circuit Normal Latch All Continual loss of communication between the MP and the
Functional ID has occurred for a 30 second period. Remote
Comm Loss: Fan Control
Circuit #2, Stage #4 Circuit Normal Latch All Continual loss of communication between the MP and the
Functional ID has occurred for a 30 second period. Remote
Comm Loss: Fan Inverter
Fault, Circuit #1 or Circuit
#1, Drive 1 Inverter Special
Mode Latch All Continual loss of communication between the MP and the
Functional ID has occurred for a 30 second period. Operate the
remaining fans as fixed speed fan deck. Remote
Comm Loss: Fan Inverter
Fault, Circuit #1, Drive 2 Inverter Special
Mode Latch All Continual loss of communication between the MP and the
Functional ID has occurred for a 30 second period. Operate the
remaining fans as fixed speed fan deck. Remote
Comm Loss: Fan Inverter
Fault, Circuit #2 or Circuit
#2, Drive 1 Inverter Special
Mode Latch All Continual loss of communication between the MP and the
Functional ID has occurred for a 30 second period. Operate the
remaining fans as fixed speed fan deck. Remote
Comm Loss: Fan Inverter
Fault, Circuit #2, Drive 2 Inverter Special
Mode Latch All Continual loss of communication between the MP and the
Functional ID has occurred for a 30 second period. Operate the
remaining fans as fixed speed fan deck. Remote
Comm Loss: Fan Inverter
Power, Circuit #1 or
Circuit #1 Drive 1 and 2 Circuit Normal Latch All Continual loss of communication between the MP and the
Functional ID has occurred for a 30 second period. Remote
Comm Loss: Fan Inverter
Power, Circuit #2 or
Circuit #2 Drive 1 and 2 Circuit Normal Latch All Continual loss of communication between the MP and the
Functional ID has occurred for a 30 second period. Remote
Comm Loss: Fan Inverter
Speed Command, Circuit
#1 or Circuit #1 Drive 1
and 2
Inverter Special
Mode Latch All Continual loss of communication between the MP and the
Functional ID has occurred for a 30 second period. Operate the
remaining fans as fixed speed fan deck. Remote
Comm Loss: Fan Inverter
Speed Command, Circuit
#2 or Circuit #2 Drive 1
and 2
Inverter Special
Mode Latch All Continual loss of communication between the MP and the
Functional ID has occurred for a 30 second period. Operate the
remaining fans as fixed speed fan deck. Remote
Comm Loss: Female Step
Load Compressor 1A Cprsr Normal Latch All Continual loss of communication between the MP and the
Functional ID has occurred for a 30 second period. Remote
Comm Loss: Female Step
Load Compressor 1B Cprsr Normal Latch All Continual loss of communication between the MP and the
Functional ID has occurred for a 30 second period. Remote
Comm Loss: Female Step
Load Compressor 2A Cprsr Normal Latch All Continual loss of communication between the MP and the
Functional ID has occurred for a 30 second period. Remote
Comm Loss: Female Step
Load Compressor 2B Cprsr Normal Latch All Continual loss of communication between the MP and the
Functional ID has occurred for a 30 second period. Remote
Comm Loss: High
Pressure Cutout Switch,
Cprsr 1A Cprsr Immediate Latch All Continual loss of communication between the MP and the
Functional ID has occurred for a 30 second period. Remote
Comm Loss: High
Pressure Cutout Switch,
Cprsr 1B Cprsr Immediate Latch All Continual loss of communication between the MP and the
Functional ID has occurred for a 30 second period. Remote
Table 68. Communication diagnostics (continued)
Diagnostic Name Affects
Target Severity Persist-
ence
Active
Modes
[Inactive
Modes] Criteria Reset
Level

Diagnostics
RTAC-SVX01M-EN 119
Comm Loss: High
Pressure Cutout Switch,
Cprsr 2A Cprsr Immediate Latch All Continual loss of communication between the MP and the
Functional ID has occurred for a 30 second period. Remote
Comm Loss: High
Pressure Cutout Switch,
Cprsr 2B Cprsr Immediate Latch All Continual loss of communication between the MP and the
Functional ID has occurred for a 30 second period. Remote
Comm Loss: Ice-Machine
Control
Ice
Making
Mode
Special
Mode Latch All Continual loss of communication between the MP and the
Functional ID has occurred for a 30 second period. Chiller shall
revert to normal (non-ice building) mode regardless of last state. Remote
Comm Loss: Ice-Making
Status Ice-
Machine Special
Mode Latch All Continual loss of communication between the MP and the
Functional ID has occurred for a 30 second period. Chiller shall
revert to normal (non-ice building) mode regardless of last state. Remote
Comm Loss:
Intermediate Oil
Pressure, Cprsr 1A Cprsr Immediate Latch All Continual loss of communication between the MP and the
Functional ID has occurred for a 30 second period. Remote
Comm Loss:
Intermediate Oil
Pressure, Cprsr 1B Cprsr Immediate Latch All Continual loss of communication between the MP and the
Functional ID has occurred for a 30 second period. Remote
Comm Loss:
Intermediate Oil
Pressure, Cprsr 2A Cprsr Immediate Latch All Continual loss of communication between the MP and the
Functional ID has occurred for a 30 second period. Remote
Comm Loss:
Intermediate Oil
Pressure, Cprsr 2B Cprsr Immediate Latch All Continual loss of communication between the MP and the
Functional ID has occurred for a 30 second period. Remote
Comm Loss: Local BAS
Interface None Special
Mode Latch All Continual loss of communication between the MP and the
Functional ID has occurred for a 30 second period. Remote
Comm Loss: Male Port
Load Compressor 1A Cprsr Normal Latch All Continual loss of communication between the MP and the
Functional ID has occurred for a 30 second period. Remote
Comm Loss: Male Port
Load Compressor 1B Cprsr Normal Latch All Continual loss of communication between the MP and the
Functional ID has occurred for a 30 second period. Remote
Comm Loss: Male Port
Load Compressor 2A Cprsr Normal Latch All Continual loss of communication between the MP and the
Functional ID has occurred for a 30 second period. Remote
Comm Loss: Male Port
Load Compressor 2B Cprsr Normal Latch All Continual loss of communication between the MP and the
Functional ID has occurred for a 30 second period. Remote
Comm Loss: Male Port
Unload Compressor 1A Cprsr Normal Latch All Continual loss of communication between the MP and the
Functional ID has occurred for a 30 second period. Remote
Comm Loss: Male Port
Unload Compressor 1B Cprsr Normal Latch All Continual loss of communication between the MP and the
Functional ID has occurred for a 30 second period. Remote
Comm Loss: Male Port
Unload Compressor 2A Cprsr Normal Latch All Continual loss of communication between the MP and the
Functional ID has occurred for a 30 second period. Remote
Comm Loss: Male Port
Unload Compressor 2B Cprsr Normal Latch All Continual loss of communication between the MP and the
Functional ID has occurred for a 30 second period. Remote
Comm Loss: Oil
Temperature, Circuit #1
or Cprsr 1A Cprsr Normal Latch All Continual loss of communication between the MP and the
Functional ID has occurred for a 30 second period. Remote
Comm Loss: Oil
Temperature, Circuit #2
or Cprsr 2A Cprsr Normal Latch All Continual loss of communication between the MP and the
Functional ID has occurred for a 30 second period. Remote
Comm Loss: Oil
Temperature, Cprsr 1B Cprsr Normal Latch All Continual loss of communication between the MP and the
Functional ID has occurred for a 30 second period. Remote
Comm Loss: Oil
Temperature, Cprsr 2B Cprsr Normal Latch All Continual loss of communication between the MP and the
Functional ID has occurred for a 30 second period. Remote
Comm Loss: Outdoor Air
Temperature Chiller Normal Latch All
Continual loss of communication between the MP and the
Functional ID has occurred for a 30 second period. Note that if this
diagnostic occurs, operational pumpdown will be performed
regardless of the last valid temperature
Remote
Comm Loss: Starter 1A Cprsr Immediate Latch All Continual loss of communication between the MP and the
Functional ID has occurred for a 30 second period. Local
Table 68. Communication diagnostics (continued)
Diagnostic Name Affects
Target Severity Persist-
ence
Active
Modes
[Inactive
Modes] Criteria Reset
Level

Diagnostics
120 RTAC-SVX01M-EN
Comm Loss: Starter 1B Cprsr Immediate Latch All Continual loss of communication between the MP and the
Functional ID has occurred for a 30 second period. Local
Comm Loss: Starter 2A Cprsr Immediate Latch All Continual loss of communication between the MP and the
Functional ID has occurred for a 30 second period. Local
Comm Loss: Starter 2B Cprsr Immediate Latch All Continual loss of communication between the MP and the
Functional ID has occurred for a 30 second period. Local
Comm Loss: Starter
Panel High Temperature
Limit - Panel 1, Cprsr 2A None Info Latch All Continual loss of communication between the MP and the
Functional ID has occurred for a 30 second period. Local
Comm Loss: Starter
Panel High Temperature
Limit - Panel 1, Cprsr 1B None Info Latch All Continual loss of communication between the MP and the
Functional ID has occurred for a 30 second period. Local
Comm Loss: Starter
Panel High Temperature
Limit - Panel 2, Cprsr 2B None Info Latch All Continual loss of communication between the MP and the
Functional ID has occurred for a 30 second period. Local
Comm Loss: Status/
Annunciation Relays None Info Latch All Continual loss of communication between the MP and the
Functional ID has occurred for a 30 second period. Remote
Comm Loss: Suction
Pressure Cprsr 1A Special Immediate Latch All
Continual loss of communication between the MP and the
Functional ID has occurred for a 30 second period.Circuit target if
no isolation valves, Compressor target if isolation valves or
simplex. Design Note: In the case of manifolded compressors w/
o isolation valves, the occurrence of this diagnostic will also
generate a comm loss with the nonexistent Suction Press Cprsr 1B
in order to accomplish circuit shutdown.
Remote
Comm Loss: Suction
Pressure Cprsr 1B Cprsr Immediate Latch All
Continual loss of communication between the MP and the
Functional ID has occurred for a 30 second period. Design Note:
For circuits with manifolded compressors w/o isolation valve
option, this diagnostic will occur with the preceding diagnostic,
even though this transducer is not required or installed.
Remote
Comm Loss: Suction
Pressure Cprsr 2A Special Immediate Latch All
Continual loss of communication between the MP and the
Functional ID has occurred for a 30 second period. Circuit target
if no isolation valves, Compressor target if isolation valves or
simplex. Design Note: In the case of manifolded compressors w/
o isolation valves, the occurrence of this diagnostic will also
generate a comm loss with the nonexistent Suction Press Cprsr 2B
in order to accomplish circuit shutdown.
Remote
Comm Loss: Suction
Pressure Cprsr 2B Cprsr Immediate Latch All
Continual loss of communication between the MP and the
Functional ID has occurred for a 30 second period. Design Note:
For circuits with manifolded compressors w/o isolation valve
option, this diagnostic will occur with the preceding diagnostic,
even though this transducer is not required or installed.
Remote
Excessive Loss of Comm Chiller Immediate Latch All
Loss of comm with 75% or more (Rev 18 and earlier 10%) of the
llids configured for the system has been detected. This diagnostic
will suppress the callout of all subsequent comm loss diagnostics.
Check power supply(s) and power disconnects - troubleshoot
LLIDS buss using TechView
Remote
Starter 1A Comm Loss:
MP Cprsr Immediate Latch All Starter has had a loss of communication with MP for a 15 second
period. Local
Starter 1B Comm Loss:
MP Cprsr Immediate Latch All Starter has had a loss of communication with MP for a 15 second
period. Local
Starter 2A Comm Loss:
MP Cprsr Immediate Latch All Starter has had a loss of communication with MP for a 15 second
period. Local
Starter 2B Comm Loss:
MP Cprsr Immediate Latch All Starter has had a loss of communication with MP for a 15 second
period. Local
Table 68. Communication diagnostics (continued)
Diagnostic Name Affects
Target Severity Persist-
ence
Active
Modes
[Inactive
Modes] Criteria Reset
Level

Diagnostics
RTAC-SVX01M-EN 121
Main Processor Boot Messages
and Diagnostics
Table 69. Main processor boot messages and diagnostics
DynaView Display Message Description Troubleshooting
A Valid Configuration is Present
A valid configuration is present in the MP's nonvolatile memory. The configuration is a set of variables and
settings that define the physical makeup of this particular chiller. These include: number/airflow,/and type of
fans, number/and size of compressors, special features, characteristics, and control options.
// Temporary display of this screen is part of the normal power up sequence.
App Present.
Running Selftest.…
Selftest Passed
An application has been detected in the Main Processor's nonvolatile memory and the boot code is proceeding
to run a check on its entirety. 8 seconds later, the boot code had completed and passed the (CRC) test.
// Temporary display of this screen is part of the normal power up sequence.
App Present.
Running Selftest…
Err3: CRC Failure
An application has been detected in Main Processor's nonvolatile memory and the boot code is proceeding to
run a check on its entirety. A few seconds later, the boot code had completed but failed the (CRC) test.
//Connect a TechView Service Tool to the MP's serial port, provide chiller model number (configuration
information) and download the configuration if prompted by TechView. Then proceed to download the most
recent RTAC application or specific version as recommended by Technical Service. Note that this error display
may also occur during the programming process, if the MP never had a valid application any time prior to the
download. If the problem persists, replace the MP.
Boot Software Part Numbers:
LS Flash --> 6200-0318-04
MS Flash --> 6200-0319-04
The “boot code” is the portion of the code that is resident in all MPs regardless of what application code (if
any) is loaded. Its main function is to run power up tests and provide a means for downloading application
code via the MP's serial connection. The Part numbers for the code are displayed in the lower left hand corner
of the DynaView during the early portion of the power up sequence and during special programming and
converter modes. See below. For the EasyView, the extension of the boot code part number is displayed for
approximately 3 immediately following power up.
// This is normal, but you should provide this information when contacting Technical Service about power up
problems.
Converter Mode A command was received from the Service Tool (Tech View) to stop the running application and run in the
“converter mode”. In this mode the MP acts as a simple gateway and allows the TechView service computer
to talk to all the LLIDS on the IPC3 bus.
Err2: RAM Addr Test #1 Failure There were RAM errors detected in RAM Address Test #1. // Recycle power, if error persists, replace MP.
Err2: RAM Addr Test #2 Failure There were RAM errors detected in RAM Address Test #2. //Recycle power, if the error persists, replace MP.
Err2: RAM Pattern 1 Failure There were RAM errors detected in RAM Test Pattern #1. // Recycle power, if the error persists, replace MP.
Err2: RAM Pattern 2 Failure There were RAM errors detected in RAM Test Pattern #2. //Recycle power, if the error persists, replace MP.
Err4: UnHandled Interrupt
Restart Timer:
[3 sec countdown timer]
An unhandled interrupt has occurred while running the application code. This event will normally cause a safe
shutdown of the entire chiller. Once the countdown timer reaches 0, the processor will reset, clear diagnostics,
and attempt to restart the application and allow a normal restart of chiller as appropriate. // This condition
might occur due to a severe electro-magnetic transient such as can be caused by a near lightening strike. Such
events should be rare or isolated and if no damage results to the CH.530 control system, the Chiller will
experience a shutdown and restart. If this occurs more persistently it may be due to an MP hardware problem.
Try replacing the MP. If replacement of the MP proves ineffective, the problem may be a result of extremely
high radiated or conducted EMI. Contact Technical Service. If this screen occurs immediately after a software
download, attempt to reload both the configuration and the application. Failing this, contact Technical Service.
Err5: Operating System Error
Restart Timer:
[30 sec countdown timer]
An Operating System error has occurred while running the application code. This event will normally cause
a safe shutdown of the entire chiller. Once the countdown timer reaches 0, the processor will reset, clear
diagnostics, and attempt to restart the application and allow a normal restart of chiller as appropriate.
// See Err 4 above
Err6: Watch Dog Timer Error
Restart Timer:
[30 sec countdown timer]
A Watch Dog Timer Error has occurred while running the application code. This event will normally cause a
safe shutdown of the entire chiller. Once the countdown timer reaches 0, the processor will reset, clear
diagnostics, and attempt to restart the application allowing a normal restart of chiller as appropriate.
Err7: Unknown Error
Restart Timer:
[30 sec countdown timer]
An unknown Error has occurred while running the application code. This event will normally cause a safe
shutdown of the entire chiller. Once the countdown timer reaches 0, the processor will reset, clear diagnostics,
and attempt to restart the application allowing a normal restart of chiller as appropriate
Err8: Held in Boot by User Key Press The boot detected a key press in the center of the DynaView or both the + and - keys pressed on an EasyView
while the MP was in the boot code. Upon seeing this message the user can use Techview to connect to the
MP to perform a software download or another service tool function.
No Application Present
Please Load Application...
No Main Processor Application is present - There are no RAM Test Errors.
// Connect a TechView Service Tool to the MP's serial port, provide chiller model number (configuration
information) and download the configuration if prompted by TechView. Then proceed to download the most
recent RTAC application or specific version as recommended by Technical Service.
Programming Mode
A command was received by the MP from the Tech View Service Tool and the MP is in the process of first erasing
and then writing the program code to its internal Flash (nonvolatile) Memory. Note that if the MP never had
a prior application already in memory, the error code “Err3”will be displayed instead of this, during the
programming download process.

122 RTAC-SVX01M-EN
Unit Wiring
Table 70 provides a list of field wiring diagrams, electrical schematics and connection diagrams for 120-500 ton RTAC
units.The complete unit wiring package is documented in RTAC-SVE01*-EN. A laminated wiring diagram kit is also
shipped with each RTAC unit.
Table 70. RTAC unit wiring drawing numbers
Drawing Number Description
2309-2097
Sheet 1
Schematic - 2 Compressor Units
Table of Contents & Notes
Sheet 2 Legend
Sheet 3 (X-Line) Compressor 1A (X-Line)
Sheet 3 (Y-Delta) Compressor 1A (Y-delta)
Sheet 4 (X-Line) Compressor 2A (X-Line)
Sheet 4 (Y-Delta) Compressor 2A (Y-delta)
Sheet 5 Fans, Std & Prem, Medium Air Cooled
Sheet 6 Fans, 140 & 155 Std, 120 & 130 Prem 50 Hz
Sheet 7 Fans 225, 250 Prem 60 Hz, 185 & 200 Extra 60 Hz
Sheet 8 VSD Fans - Circuits 1 & 2
Sheet 9 Controls
Sheet 10 LLID Bus
Sheet 11 Remote Evaporator
2309-4621
Sheet 1
Schematic - 3 Compressor Units,
X-Line
Table of Contents & Notes
Sheet 2 Devices, Descriptions & Designations
Sheet 3 Compressor Power 1A & Fan Control Ckt 1
Sheet 4 Compressor Power 1B
Sheet 5 Compressor Power 2A & Fan Control Ckt 2
Sheet 6 Fan Power Circuit 1
Sheet 7 Fan Power Circuit 2
Sheet 8 Common Control - Panel LLIDs
Sheet 9 Common Control - Panel LLIDs
Sheet 10 Common Control - Panel LLIDs
2309-4622
Sheet 1
Schematic - 3 Compressor, Units
Y-Delta
Table of Contents & Notes
Sheet 2 Devices, Descriptions & Designations
Sheet 3 Compressor Power 1A & Fan Control Ckt 1
Sheet 4 Compressor Power 1B
Sheet 5 Compressor Power 2A & Fan Control Ckt 2
Sheet 6 Fan Power Circuit 1
Sheet 7 Fan Power Circuit 2
Sheet 8 Common Control - Panel LLIDs
Sheet 9 Common Control - Panel LLIDs
Sheet 10 Common Control - Panel LLIDs

Unit Wiring
RTAC-SVX01M-EN 123
2309-4623
Sheet 1
Schematic - 4 Compressor Units
X-Line
Table of Contents & Notes
Sheet 2 Devices, Descriptions & Designations
Sheet 3 Compressor Power 1A & Fan Control Ckt 1
Sheet 4 Compressor Power 1B
Sheet 5 Compressor Power 2A & Fan Control Ckt 2
Sheet 6 Compressor Power 2B
Sheet 7 Fan Power Circuit 1
Sheet 8 Fan Power Circuit 2
Sheet 9 Common Control - Panel LLIDs
Sheet 10 Common Control - Panel LLIDs
Sheet 11 Common Control - Panel LLIDs
2309-4624
Sheet 1
Schematic - 4 Compressor
Y-Delta
Table of Contents & Notes
Sheet 2 Devices, Descriptions & Designations
Sheet 3 Compressor Power 1A & Fan Control Ckt 1
Sheet 4 Compressor Power 1B
Sheet 5 Compressor Power 2A & Fan Control Ckt 2
Sheet 6 Compressor Power 2B
Sheet 7 Fan Power Circuit 1
Sheet 8 Fan Power Circuit 2
Sheet 9 Common Control - Panel LLIDs
Sheet 10 Common Control - Panel LLIDs
Sheet 11 Common Control - Panel LLIDs
2309-4871 Component Location 2 Compressor Units
2309-4874 Component Location 3 Compressor Units
2309-4873 Component Location 4 Compressor Units
2309-4872 Component Location 2 Compressor - Optional Remote Evaporator
2309-2248 Field Layout 2 Compressor Units
2309-2239 Field Layout 3 or 4 Compressor Units
2309-2208 Field Wiring; RTAC, 2 Compressor Units 2 Compressor Units
2309-2223 Field Wiring 3 or 4 Compressor Units, Single Source Power
2309-2222 Field Wiring 3 or 4 Compressor Units, Dual Source Power
2309-7572 Sequence of Operation 2 Compressor Units
2309-7581 Sequence of Operation 3 or 4 Compressor Units
Table 70. RTAC unit wiring drawing numbers
Drawing Number Description

124 RTAC-SVX01M-EN
Log and Check Sheet
The operator log and check sheet are included for use as
appropriate, for installation completion verification before
Trane start-up is scheduled, and for reference during the
Trane start-up.
Where the log or check sheet also exists outside of this
publication as standalone literature, the literature order
number is also listed.
• RTAC Series R Air-Cooled Chiller Installation
Completion Check Sheet and Request forTrane Service
(RLC-ADF003*-EN)
• Operator Log
• Start-UpTest Log

RLC-ADF003A-EN 1
RTAC Series R®Air-Cooled Chiller
Installation Completion Check Sheet and Request for Trane Service
Important: A copy of this completed form must be submitted to theTrane service agency that will be responsible for the start-
up of the chiller. Start-up will NOT proceed unless applicable items listed in this form have been satisfactorily
completed.
To: Trane Service Office:
S.O. Number: Serial Numbers:
Job/Project Name:
Address:
The following items are being installed and will be completed by:
Important: Start-up must be performed byTrane or an agent ofTrane specifically authorized to perform start-up ofTrane®
products. Contractor shall provideTrane (or an agent ofTrane specifically authorized to perform start-up) with
notice of the scheduled start-up at least two weeks prior to the scheduled start-up.
Check boxes if the task is complete or if the answer is “yes.”
1. Screw Chiller
Installation meets foundation requirements.
Verify service clearances meet requirements.
In place and piped.
Isolation pads or neoprene pads installed (optional).
2. Piping
Chilled water piping connected to:
Evaporator
Air handling units
Pumps
Flow switch or flow proving device installed
Required strainer installed in entering evaporator water piping and cleaned
Water supply connected to filling system (expansion tank)
Systems filled
Pumps run, air bled from system
Relief valve ventilation piping installed (if applicable)
Flow balancing valves installed in leaving chilled water
Gauges, thermometers and air vents installed on both sides of evaporator
3. Wiring
Wire size per submittal, NEC and applicable local electrical codes. Verify only copper conductors used.
Full power available, and within utilization range.
Interconnecting wiring to remote evaporator (if applicable)
External interlocks (flow switch, pumps auxiliary, etc.)
Chilled water pump (connected and tested)
115 Vac power available for service tools (recommended)
All controls installed and connected
4. Testing
Dry nitrogen available for pressure testing (if required)
Trace gas amounts of R-134a available for leak testing (if required)
5. Refrigerant on job site (if required)
6. Systems can be operated under load conditions

Trane optimizes the performance of homes and buildings around the world. A business of Ingersoll Rand, the
leader in creating and sustaining safe, comfortable and energy efficient environments, Trane offers a broad
portfolio of advanced controls and HVAC systems, comprehensive building services, and parts. For more
information, visit www.Trane.com.
Trane has a policy of continuous product and product data improvement and reserves the right to change design and specifications without notice.
We are committed to using environmentally
conscious print practices that reduce waste.
Trane and theTrane logo are trademarks or registered trademarks ofTrane in the United States and other countries.
7. Owner awareness
If it is required by local code, is a self-contained breathing apparatus available?
Has the owner been fully instructed on the proper use of refrigerant?
Does the owner have a copy of the MSDS for refrigerant?
Was the owner given a copy of the Refrigerant Handling Guidelines?
Note: Additional time required to properly complete the start-up and commissioning, due to any incompleteness of the
installation, will be invoiced at prevailing rates.
This is to certify that theTrane®equipment has been properly and completely installed, and that the applicable items listed above
have been satisfactorily completed.
Important: It is required that the chiller heaters are energized for a minimum of 24 hours prior to start up.Therefore, the chiller
should have power for this amount of time beforeTrane Service arrives to do start-up of the equipment.
Checklist completed by: ______________________________________________________________________________________________
Signed: _____________________________________________________________________ Date: _______________________________
In accordance with your quotation and our purchase order number __________________, we will therefore require the presence
ofTrane service on this site, for the purpose of start-up and commissioning, by __________________ (date).
Note: Minimum two-week advance notification is required to allow scheduling of the chiller start-up.
Additional comments/instructions: ____________________________________________________________________________________
_____________________________________________________________________________________________________________________
_____________________________________________________________________________________________________________________
_____________________________________________________________________________________________________________________
Note: A copy of this completed from must be submitted to theTrane Service Office that will be responsible for start-up of chiller.
© 2015Trane All rights reserved
RLC-ADF003A-EN 21 Jan 2015
New

RTAC Operator Log Revised: 28 Jan2014
Operator Log
RTAC CHILLER LOG
Job Name Job Location
Model # Serial #
Status View: *
Chiller Tab: 15 min 30 min 45 min 15 min 30 min 45 min
Operating Mode
Outdoor Air Temperature F or C
Active Chill Water Setpoint F or C
Active Current Limit Setpoint
Evaporator Entering Water Temp. F or C
Evaporator Leaving Water Temp. F or C
Circuit 1 Tab Circuit 2 Tab
External Hardwired Lockout Not Locked out/ Locked out Not Locked out/ Locked out
Front Panel Lockout Not Locked out/ Locked out Not Locked out/ Locked out
15 min 30 min 45 min 15 min 30 min 45 min
AirFlow %
Inverter Speed %
Condenser Refrigerant Pressure psig/kPa
Saturated Condenser Rfgt. Temp. F or C
Differential Refrigerant Pressure psid/kPA
Evaporator Refrigerant Pressure psig/kPa
Saturated Evaporator Rfgt.Temp. F or C
EXV Position %
Evaporator Rfgt Liquid Level in/mm
Compressor 1A Tab Compressor 1B Tab
Operating Mode
Hours Hrs/mins Hrs/mins
Starts
15 min 30 min 45 min 15 min 30 min 45 min
Phase A - B Voltage volts
Average Line Current %RLA
Line 1 current amps
Line 2 current amps
Line 3 current amps
Line 1 current %RLA
Line 2 current %RLA
Line 3 current %RLA
Evaporator Oil Return Solenoid open/closed open/closed open/closed open/closed open/closed open/closed
Supply Oil Temperature F or C
Intermediate Oil Pressure psig/kPa
Female Step solenoid load/unload load/unload load/unload load/unload load/unload load/unload
High Pressure Cutout switch good/tripped good/tripped good/tripped good/tripped good/tripped good/tripped
Comments:

Revised: 28 Jan2014 RTAC Operator Log
Compressor 2A Tab Compressor 2B Tab
Operating Mode
Hours Hrs/mins Hrs/mins
Starts
15 min 30 min 45 min 15 min 30 min 45 min
Phase A - B Voltage volts
Average Line Current %RLA
Line 1 current amps
Line 2 current amps
Line 3 current amps
Line 1 current %RLA
Line 2 current %RLA
Line 3 current %RLA
Evaporator Oil Return Solenoid open/closed open/closed open/closed open/closed open/closed open/closed
Supply Oil Temperature F or C
Intermediate Oil Pressure psig/kPa
Female Step solenoid load/unload load/unload load/unload load/unload load/unload load/unload
High Pressure Cutout switch good/tripped good/tripped good/tripped good/tripped good/tripped good/tripped
Comments:
RTAC CHILLER LOG

RTAC Start-Up Test Log Revised: 28 Jan2014
RTAC Start-Up Test Log
RTAC START-UP TEST LOG
Model #
Job Name Job Location
CRC # Serial #
Sales Order # Ship Date Job Elevation (ft.
above sea level)
Starter Data: Start-up Only
Manufacturer Chiller Appearance on arrival:
Type: (wye-delta or x-line) Machine gauge pressure: ckt1/ckt2
Vendor ID #/ Model #: Machine CH.530 pressure ckt1/ckt2
Volts Amps Hz Unit R-134a Charge lbs
Compressor Data: Unit oil charge (OIL00048) gal
Compressor A: Pressure Test (if required)
Model #: Vacuum after leak test= mm
Serial # Standing Vacuum test= mm rise in hrs
RLA Current Transformers
KW Part number ("X" code and 2-digit extension)
Volts X
HZ X
Compressor B: X
Model #: X
Serial # X
RLA X
KW Summary of Options Installed
Volts Y N Tracer Communications Interface
HZ Y N Ice Making
Compressor C: Y N Other
Model #: Y N Other
Serial # Y N Other
RLA Evap Design Conditions
KW GPM PSID
Volts Entering Water: Leaving Water:
HZ % Glycol:
Compressor D: Type of Glycol:
Model #: Evap Actual Conditions
Serial # GPM PSID
RLA Entering Water: Leaving Water:
KW % Glycol:
Volts Type of Glycol:
HZ
Owner Witness Signature:

Trane optimizes the performance of homes and buildings around the world. A business of Ingersoll Rand, the leader in
creating and sustaining safe, comfortable and energy efficient environments,Trane offers a broad portfolio of advanced
controls and HVAC systems, comprehensive building services, and parts. For more information, visit www.Trane.com.
Trane has a policy of continuous product and product data improvement and reserves the right to change design and specifications without notice.
We are committed to using environmentally
conscious print practices that reduce waste.
© 2015Trane All rights reserved
RTAC-SVX01M-EN 30 Jan 2015
Supersedes RTAC-SVX01L-EN (11 Jul 2013)
