Unigen UGWC821R NEMO BLUETOOTH RADIO MODULE User Manual NEMO2 Design Guidelines

Unigen Corporation NEMO BLUETOOTH RADIO MODULE NEMO2 Design Guidelines

Contents

user manual design guidelines

          Solutions for a Real Time World                                  NEMO2 Design GuidelinesApplicationnote          Unigen Corp. Wireless Module Products  NEMO Bluetooth Radio Modules UGWC821RSMA133  Design Guidelines Application Note              Issue Date: April 3rd, 2012 Revision:  1.0
          Solutions for a Real Time World                                  NEMO2 Design GuidelinesApplicationnoteCONTENTS Contents........................................................................................................................................................2ListofFigures................................................................................................................................................4ListofTables.................................................................................................................................................5Scope.............................................................................................................................................................6FCCTransmitterModularApprovalIntroduction.........................................................................................6Class2PermissiveChanges...........................................................................................................................7NEMO2ModuleGeneralDescription...........................................................................................................7CSRBlueCore6ROMTransceiverIC.............................................................................................................8FunctionalBlockDiagrams............................................................................................................................9Nemo2LGAFormFactor.............................................................................................................................12LGAPadsandAssignments.....................................................................................................................12Nemo2ReferenceEvaluationBoard...........................................................................................................14Nemo2EvaluationBoardBOM...............................................................................................................16PCBLayout..............................................................................................................................................17ComponentLayout..................................................................................................................................17TopLayer(Layer1)..................................................................................................................................18GroundLayer(Layer2)...........................................................................................................................18VDDLayer(Layer3).................................................................................................................................19BottomLayer(Layer4)............................................................................................................................20PCBStack,Materials,Drill&Notes.........................................................................................................21NEMO2DesignIntegrationRules...............................................................................................................22IntendedUse...........................................................................................................................................22
          Solutions for a Real Time World                                  NEMO2 Design GuidelinesApplicationnoteAntenna&ExternalRFPath....................................................................................................................24MicrostripTransmissionLineSpecification............................................................................................25MicrostripPCBBoardDetails:.................................................................................................................26MicrostripGroundReference.................................................................................................................26RFShielding.............................................................................................................................................29SupportContact......................................................................................................................................31
          Solutions for a Real Time World                                  NEMO2 Design GuidelinesApplicationnoteLIST OF FIGURES  Figure1:Nemo2BasicBlockDiagram..........................................................................................................9Figure2:CSRBlueCore6ChipsetBlockDiagram........................................................................................10Figure3:NEMO2ElaborateBlockDiagram................................................................................................11Figure4:NEMO2LGAPads.........................................................................................................................12Figure5:NEMO2Evaluationboard............................................................................................................14Figure6:NEMO2EvaluationBoardComponentLayout.............................................................................17Figure7:NEMO2EvaluationBoardTopLayer1.........................................................................................18Figure8:NEMO2EvaluationBoardGroundLayer2...................................................................................18Figure9:NEMO2PowerPlaneLayer3.......................................................................................................19Figure10:NEMO2BottomSignalLayer4...................................................................................................20Figure11:NEMO2EvaluationBoardPCBStackUp....................................................................................21Figure12:NEMO2EvaluationBoardDrillChart.........................................................................................22Figure13:NEMO2BluetoothSoftwareStackArchitecture........................................................................23Figure14:NEMO2MicrostripDimensionDetails.......................................................................................25Figure15:NEMO2EvaluationMicrostripPCBStackUPDetails.................................................................26Figure16:NEMO2MicrostripGroundReference.......................................................................................27Figure17:NEMO2GroundingTechnique,GroundStitchingandAdjacentGroundLayer.........................27Figure18:GroundingConsiderations.........................................................................................................28Figure19:NEMO2EvaluationBoardExampleShield.................................................................................29Figure20:NEMO2EvaluationBoardTopSoldermaskRFShieldOutline...................................................30Figure21:NEMO2EvaluationBoardRFShieldMicrostripgapspacing.....................................................30
          Solutions for a Real Time World                                  NEMO2 Design GuidelinesApplicationnote LIST OF TABLES  Table1:NEMO2LGAPadDescription........................................................................................................13Table2:NEMO2EvaluationBoardBOM.....................................................................................................16
          Solutions for a Real Time World                                  NEMO2 Design GuidelinesApplicationnoteSCOPE The purpose of this document is to describe the functionality, operation, specific design restrictions and guidelines of the NEMO2 module for integration and regulatory/certification explanation with approved partners. Design integration is important to comply with FCC/IC regulatory limited module approvals. The NEMO2 evaluation board will be used as an example and reference to modular approvals on transmission line and antennas.  FCC TRANSMITTER MODULAR APPROVAL INTRODUCTION   A transmitter with a modular or limited modular grant can be installed in different end-use products (referred to as a host, host product, or host device) by the grantee or other equipment manufacturer; and the host may not require additional testing or equipment authorization for the transmitter function provided by that specific module or limited module.   NEMO2 has received Limited Modular Approval and each OEM will be required to have Radiated Emissions measured to ensure compliance.  A host product incorporating a certified device cannot take advantage of the pre-existing certification of the component transmitter module without conformity with these specific requirements. Modular approvals are for tangible, clearly delineated, devices that operate when installed within, or attached to, a host in one of the following four physical configurations:  1. Single-modular transmitter: a complete RF transmission sub-assembly, designed to be incorporated into another device, that must demonstrate compliance with FCC rules and policies independent of any host;   2. Limited single-modular transmitter: a single-modular transmitter that complies with the Section 15.212(a)(1) modular rules, only when constrained to specific operating host(s) and/or associated grants condition(s);   3. Split-modular transmitter: a RF transmission system that complies with the requirements for a single-modular transmitter, that is separated into a radio front-end section and a control-element section, and can demonstrate compliance for a range of similar type hosts;
          Solutions for a Real Time World                                  NEMO2 Design GuidelinesApplicationnote4. Limited split-modular transmitter: a split-modular transmitter that complies with the definition and technical rules for split modules only when constrained to specific operating host(s), and/or associated grant condition(s).    A host product is required to comply with all applicable FCC equipment authorizations regulations, requirements and equipment functions not associated with the transmitter module portion. For example, compliance must be demonstrated to regulations for other transmitter components within the host product; to requirements for unintentional radiators (Part 15B), such as digital devices, computer peripherals, radio receivers, etc.; and to additional authorization requirements for the non-transmitter functions on the transmitter module (i.e., Verification, or Declaration of Conformity) (e.g., Bluetooth and WiFi transmitter modules may also contain digital logic functions) as appropriate.   To ensure compliance with all non-transmitter functions the host manufacturer is responsible for ensuring compliance with the module(s) installed and fully operational. For example, if a host was previously authorized as an unintentional radiator under the Declaration of Conformity procedure without a transmitter certified module and a module is added, the host manufacturer is responsible for ensuring that the after the module is installed and operational the host continues to be compliant with the Part 15B unintentional radiator requirements. Since this may depend on the details of how the module is integrated with the host, the grantee (the party responsible for the module grant) shall provide guidance to the host manufacturer for compliance with the Part 15B4 requirements.  CLASS 2 PERMISSIVE CHANGES  NEMO2 is not equipped with a permanently attached antenna or unique antenna connector. The integrator can choose to use the same antenna, connector and microstrip transmission line in the end product design. However, any changes to this RF path will require retesting on the radiated portion and a Class II permissive change to utilize part of the modular Unigen grant. For more information on Class II permissive change and processes, please inquire your regulatory TCB.   NEMO2 MODULE GENERAL DESCRIPTION
          Solutions for a Real Time World                                  NEMO2 Design GuidelinesApplicationnoteThe Nemo2 module is a complete Bluetooth 2.4GHz radio transceiver operating in the license free ISM (Industrial, Scientific and Medical) band. The Nemo module has CSR’s BlueCore 6 ROM Bluetooth solution. The CSR BlueCore 6 ROM is a single-chip radio and baseband IC for Bluetooth 2.4GHz systems including enhanced data rate (EDR) to 3Mbps. With the on-chip CSR Bluetooth software stack, it provides a fully compliant Bluetooth v2.1 + EDR specification system for data and voice communications. The Nemo2 is a complete separate PCBA module with dimensions measure 6.5mm x 6.5mm x 1.5mm. A single 3.3V power supply input, single ended RF output/input, and a low 26 pad count makes the NEMO module easy to interface with. The module contains on board supply regulation, radio crystal oscillator, BALUN and bandpass filter.   CSR BLUECORE 6 ROM TRANSCEIVER IC  BlueCore™6-ROM is a single-chip transceiver radio and baseband IC for Bluetooth 2.4 GHz systems. With the on-chip CSR Bluetooth software stack, it provides a fully compliant Bluetooth system to v2.1 of the specification for data and voice communications with buffered modulation/data inputs to ensure that the device will comply with Part 15 requirements with any type of input signal.  The device incorporates auto-calibration and built-in self-test (BIST) routines to simplify development, type approval and production test. All hardware and device firmware is fully compliant with the Bluetooth v2.1 +EDR specification (all mandatory and optional features).
          Solutions for a Real Time World                                  NEMO2 Design GuidelinesApplicationnoteFUNCTIONAL BLOCK DIAGRAMS  Figure1:Nemo2BasicBlockDiagram
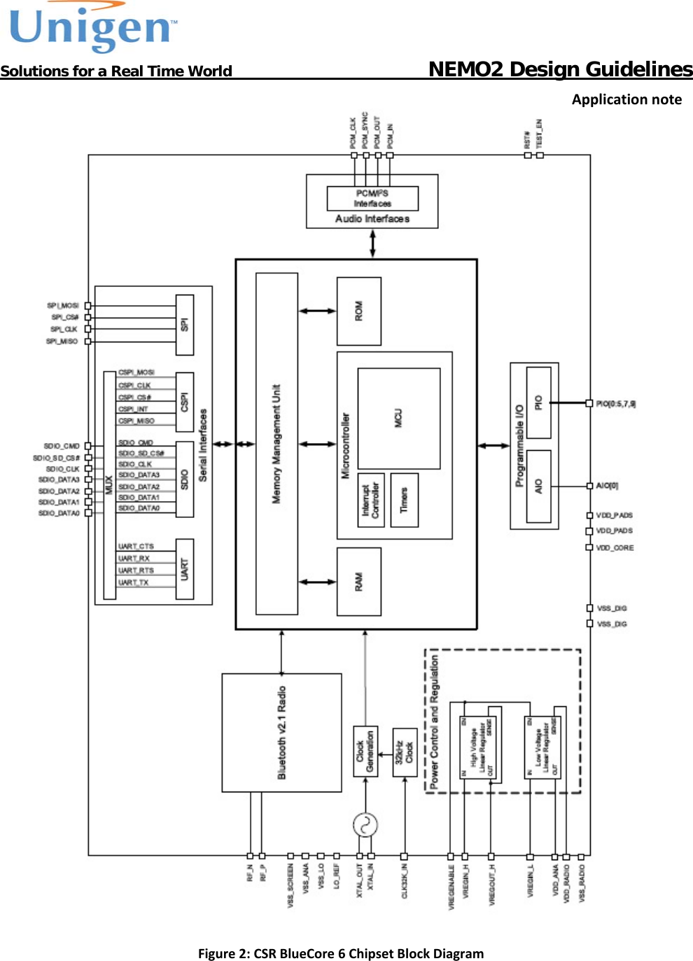
          Solutions for a Real Time World                                  NEMO2 Design GuidelinesApplicationnoteFigure2:CSRBlueCore6ChipsetBlockDiagram
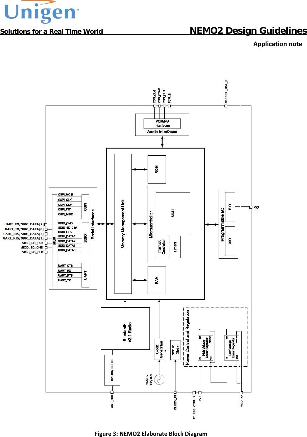
          Solutions for a Real Time World                                  NEMO2 Design GuidelinesApplicationnote Figure3:NEMO2ElaborateBlockDiagram
          Solutions for a Real Time World                                  NEMO2 Design GuidelinesApplicationnoteNEMO2 LGA FORM FACTOR  Nemo2 is a 26 pad LGA surface mount LGA module. The 26 pads interfaces the module to a host and host PCB with power supply, ground, digital UART communications, regulator enable, PCM audio bus, digital PIOs and single RF output.  LGA Pads and Assignments   Figure4:NEMO2LGAPads
          Solutions for a Real Time World                                  NEMO2 Design GuidelinesApplicationnoteTable1:NEMO2LGAPadDescription      Pin  Signal Name  Type  Description 1 CLK32K_IN  Input 32.768kHz low power clock input 2 SDIO_SD_CSB  Input SDIO Interface/Enable 3 SDIO_SD_CMD  --  SDIO Interface 4 SDIO_SD_CLK  --  SDIO Interface 5 GND  -- Ground Reference 6  PIO(0)  I/O  I/O or WiFi- Coex signal 7  PIO(1)  I/O  I/O or WiFi- Coex signal 8  PIO(4)  I/O  I/O or WiFi- Coex signal 9  PIO(5)  I/O  I/O or WiFi- Coex signal 10 PIO(7)  I/O  I/O 11 GND  -- Ground Reference 12 GND  -- Ground Reference 13 ANT_OUT  -- Antenna Output 14 GND  -- Ground Reference 15 GND  -- Ground Reference 16  PCM_CLK  --  PCM Interface  17 PCM_OUT  --  PCM Interface 18 PCM_IN  -- PCM Interface 19 PCM_SYNC  --  PCM Interface 20 GND  -- Ground Reference 21 UART_RX/SDIO_DATA[2]  I/O  UART/SDIO_DATA Interface 22 UART_RTS/SDIO_DATA[1]  I/O  UART/SDIO_DATA Interface 23 UARTCTS/SDIO_DATA[3]  I/O  UART/SDIO_DATA Interface 24 UART_TX/SDIO_DATA[0]  I/O  UART/SDIO_DATA Interface 25 GND  -- Ground Reference 26  BT_REG_CTRL_P  PWR  Internal Regulator Enable.  27 3V3  PWR PWR Supply 28 3V3  PWR PWR Supply 29 MODULE_RST_N  Input  Module Reset 30  VDD_RF  --  Output of Internal Regulator Note: Active Low signals are designated with an '_N' suffix, and Active High signals are designated with an '_P' suffix.
          Solutions for a Real Time World                                  NEMO2 Design GuidelinesApplicationnoteNEMO2 REFERENCE EVALUATION BOARD  The Nemo2 reference evaluation board is used for testing and evaluation of the Nemo2 product for performance testing, application evaluation, software testing and RF performance testing. The Nemo2 reference evaluation board was also used for Bluetooth, FCC, IC and ETSI certification testing. The Nemo2 is a reference example design and the physical design and rules should be taken into consideration of the integrator of the Nemo2 module.  Design files are available from Unigen upon request.   Figure5:NEMO2Evaluationboard
          Solutions for a Real Time World                                  NEMO2 Design GuidelinesApplicationnote   Schematic
          Solutions for a Real Time World                                  NEMO2 Design GuidelinesApplicationnoteNemo2 Evaluation Board BOM  Table2:NEMO2EvaluationBoardBOMDescription Qty  Reference Designator   Part Number(s)  Manufacturer (s) CONN SMA FEMALE EDGE MOUNT 0.031IN THK BD  1.0 ANT1  CONREVSMA003.031 LINX TECHNOLOGIES CONN HDR 3POS 2.54MM AU VERT TH  2.0  JUMP1,JUMP2  TSW-103-07-G-S  SAMTEC CONN HDR 7x2 2.54MM VERT THRU-HOLE  1 CON4  TSW-107-07-G-D SAMTEC CONN SOCKET 17x2 2MM SQ TAIL TH  1.0  CON1  SQT-117-03-L-D  SAMTEC RES 0 OHM JUMPER 1/16W 0402  6.0  R2,R4,R6,R8,R9,R11 RC0402JR-070RL, CRCW04020000Z0ED, WR04X000PTL, ERJ-2GE0R00X YAGEO, VISHAY, WALSIN, PANASONIC RES 100K OHM 1/16W 5% 0402  2.0  R22,R23  ERJ-2GEJ104X  PANASONIC RES 10K OHM 1/16W 5% 0402  2.0  R14,R16  MCR01MZPJ103  ROHM CAP CER 0.01UF 5% 50V X7R 0603  1.0  C1  0603B103J500CT  WALSIN NEMO2   1.0  U1   UGWC821RSMA133   Unigen
          Solutions for a Real Time World                                  NEMO2 Design GuidelinesApplicationnotePCB Layout  Component Layout   Figure6:NEMO2EvaluationBoardComponentLayout
          Solutions for a Real Time World                                  NEMO2 Design GuidelinesApplicationnoteTop Layer (Layer 1)   Figure7:NEMO2EvaluationBoardTopLayer1 Ground Layer (Layer 2)   Figure8:NEMO2EvaluationBoardGroundLayer2
          Solutions for a Real Time World                                  NEMO2 Design GuidelinesApplicationnoteVDD Layer (Layer 3)   Figure9:NEMO2PowerPlaneLayer3
          Solutions for a Real Time World                                  NEMO2 Design GuidelinesApplicationnoteBottom Layer (Layer 4)   Figure10:NEMO2BottomSignalLayer4
          Solutions for a Real Time World                                  NEMO2 Design GuidelinesApplicationnotePCB Stack, Materials, Drill & Notes    Figure11:NEMO2EvaluationBoardPCBStackUp NOTES:  1.) Material: a. Epoxy glass laminate and prepreg. Type, Standard FR4. Finished external layer 1 oz copper b. Finished thickness 0.8 ± 5%mm 2.) Drilling:  a. Diameters in drill table are finished hole sizes, tolerance ± 0.0762mm. b. Teardrop allowed on entry of via  on every trace layer 3.) Final Fabrication: a. Soldermask primary and secondary side of the board using liquid photoimagable mask material over bare copper per IPC-SM840. Mask artworks provided are 1:1. Solder mask color “GREEN” 4.) Copper Finish shall be immersion silver (2 ~ 8 u) 5.) Manufacture board to be in accordance with performance standard IPC-A-6011/6012 Class 2. 6.) Maximum warp or twist shall not exceed 1% 7.) PCB shall be RoHS and WEE compliance directive 2002/95/EC 8.) Board outline dimension tolerance ± 0.13mm unless otherwise specified.
          Solutions for a Real Time World                                  NEMO2 Design GuidelinesApplicationnote Figure12:NEMO2EvaluationBoardDrillChart NEMO 2 DESIGN INTEGRATION RULES  Nemo2 meets regulatory modular certifications. The use of Nemo2 and integration is important and shall be used for its intended purposes. The use of Nemo2 and integration outside of Unigen’s design rules and use void any certifications with the module or require permissive change and additional testing to meet certifications.    Intended Use  Application  Nemo2 is intended to be used for Bluetooth applications only. Bluetooth applications may apply to consumer products, mobile, computing, audio applications, and other various Bluetooth end user applications. The use of Nemo2 outside of Bluetooth application is strictly prohibited and all Bluetooth and regulatory certifications will be voided.
          Solutions for a Real Time World                                  NEMO2 Design GuidelinesApplicationnoteSoftware and Host  Nemo2 is intended to operate with a host. The host will communicate to the module via the physical communication interfaces, UART/SDIO, to control the modules RF operating behavior. The host shall run the Bluetooth Upper software protocol stack operate Nemo2 in Bluetooth modes only. Nemo2 is not intended to operate without a host and Bluetooth protocol stack. The Nemo2 software interface is based on the Bluetooth Host Controller Interface Transport Layer specification (HCI). For more details on the Bluetooth HCI protocol layer, please see the latest Bluetooth Specification (3.0+HS), volume 4 and the section pertaining to Host Controller Interface [Transport Layer]   Figure13:NEMO2BluetoothSoftwareStackArchitecture
          Solutions for a Real Time World                                  NEMO2 Design GuidelinesApplicationnoteAntenna & External RF Path Nemo2 is not shipped with an on board antenna and an antenna is not fixed on the module. It is the integrators responsibility to handle the design of the antenna design of their product when using Nemo2.  NEMO2 was tested and qualified with a 2.4GHz, external, reverse SMA, di-pole, one-quarter wave length antenna connected to a reverse SMA RF connectors and a microstrip transmission line on the Nemo2 evaluation reference board. Any change of antenna, RF connector or miscrostip transmission line characteristics used other than the Nemo2 reference evaluation board may require retesting of radiated portion of the FCC part 15B specification and will require a Class II permissive change.  NEMO2 has a single ended RF pad on the bottom of the module. The pad impedance is 50 ohms. The integrator must take care on using a microstrip transmission line for the RF signal out. Extra care is needed on the design of the microstrip and must adhere to Unigen’s design integration rules. The termination of the path can be a matched antenna (printed or component) or can terminate to a RF connector (U.FL, GSC, SMA, etc).   Antenna specifications:  Manufacturer: Pulse  Part Number: W1030  Frequency: 2.4GHz – 2.5GHz  Gain: 2.0dBi  Impedance: 50Ω  VSWR:  ≤  2.0  Polarization: Vertical  Electrical Length: ¼ wave, di-pole  Radiation: Omni
          Solutions for a Real Time World                                  NEMO2 Design GuidelinesApplicationnote Microstrip Transmission Line Specification  The Nemo2 module requires a Microstrip transmission line on the integrators PCB motherboard to route the RF path to an antenna or RF connector. The microstrip on the Nemo2 reference evaluation board was used during testing and certifications. The integrator shall use the exact Microstrip transmission line on the reference evaluation board in the integrators product/design. The same Microstrip transmission line can feed into any RF connector or antenna. However, any change of antenna, RF connector or miscrostip transmission line characteristics used other than the Nemo2 reference evaluation board may require retesting of radiated portion of the FCC part 15B specification and will require a Class II permissive change. Design files of the Nemo2 reference evaluation board are available in GERBER format from Unigen.  Microstrip Dimension Details: Length: 8.20mm Width: 0.25mm Impedance: 50 Ohms   Figure14:NEMO2MicrostripDimensionDetails
          Solutions for a Real Time World                                  NEMO2 Design GuidelinesApplicationnoteMicrostrip PCB Board Details:    Figure15:NEMO2EvaluationMicrostripPCBStackUPDetails Microstrip Ground Reference The Microstrip will have a ground reference on the adjacent inner layer and top (same) layer as the Microstrip. The Nemo2 reference evaluation board has an adjacent ground plane inner layer below the Microstrip. The top layer has a ground reference to the Microstrip as well. The spacing between the top ground references is crucial and should be at least 3x the width of the Microstrip. The Nemo2 Evaluation board uses 1mm spacing from the Microstrip to the top layer ground reference.
          Solutions for a Real Time World                                  NEMO2 Design GuidelinesApplicationnoteFigure16:NEMO2MicrostripGroundReferenceA grid of through hole vias are used to join the top layer ground to the adjacent inner layer ground plane. This is known as “stitching”. The integrator should use as much stitching as possible.   Figure17:NEMO2GroundingTechnique,GroundStitchingandAdjacentGroundLayer
          Solutions for a Real Time World                                  NEMO2 Design GuidelinesApplicationnoteExternal grounding External grounding and care is the integrators responsibility with the Nemo2 module for functionality and RF integration with an antenna or antenna connector. A solid ground reference is needed in particular to the Rf signal path to the terminating component such as an antenna or antenna connector.  The Nemo2 evaluation board with a SMA connector and the SMA di-pole antenna took great consideration of the RF path and its reference to ground.  See below on the layout of the top layer where the RF path resides and ground fill as a reference to the RF signal.   Figure18:GroundingConsiderations
          Solutions for a Real Time World                                  NEMO2 Design GuidelinesApplicationnoteRF Shielding The NEMO2 module is not shipped with an RF shield. In order to comply with modular approvals, the integrator must shield the circuitry around the NEMO2 module on the integrators board. The shield must be grounded and shall have an opening for the microstrip transmission line.   NEMO2 has received Limited Modular Approval due to the absence of a shield and each OEM will be required to have Radiated Emissions measured to ensure compliance.  There is an outline on the NEMO2 evaluation board for a metal shield. Below are dimensions of the shield for the NEMO2 evaluation board. The shield is keyed for placement with the PCB and shield outline also reflecting the keyed holes. The details are provided in the NEMO2 evaluation board GERBERS. The gap spacing with the microstrip is also illustrated below.    Figure19:NEMO2EvaluationBoardExampleShield
          Solutions for a Real Time World                                  NEMO2 Design GuidelinesApplicationnote Figure20:NEMO2EvaluationBoardTopSoldermaskRFShieldOutline  Figure21:NEMO2EvaluationBoardRFShieldMicrostripgapspacing
          Solutions for a Real Time World                                  NEMO2 Design GuidelinesApplicationnoteSupport Contact ForanyinquiriesonthedesignandsupportofNemo2,pleasecontactsales@unigen.comEndofDocument

Navigation menu