Wireless N2WLAX-5G3 UNII WLAN User Manual N2 Link Cover

Wireless Inc UNII WLAN N2 Link Cover

USER MANUAL

WaveNet Link AXATM-25  U-NII BandDigital Radio SystemInstallation and Operations ManualPart Number 100273-001Version 0.8October 2000Wireless Inc.5452 Betsy Ross DriveSanta Clara, CA. 95054-1101(408) 727-8383
iiWaveNet Link AX Installation and Operations ManualNoticeInformation in this document is subject to change without notice. No part of this document maybe reproduced or transmitted in any form or by any means, electronic or mechanical, for anypurpose, without the express written permission of Wireless, Inc.© Copyright 2000, Wireless, Inc. All rights reserved.Link AX™ and WaveNet Link™ Series are trademarks of Wireless, Inc.
iiiWaveNet Link AX Installation and Operations ManualTable of Contents1.0 General Overview ................................................................................................................. 11.1 WaveNet Link Series Product Family........................................................................ 11.2 Introduction to the Link AX ........................................................................................ 11.3 Regulatory Information .............................................................................................. 22.0 Link AX Product Profile ......................................................................................................... 32.1 General Overview...................................................................................................... 32.2 Specifications ............................................................................................................ 52.3 User Interfaces .......................................................................................................... 82.4 ODU Performance Monitoring ................................................................................... 82.5 Theory of Operation .................................................................................................. 93.0 Equipment Installation and Commissioning ........................................................................ 153.1 Installation ............................................................................................................... 153.2 ATM25 Data Connectors ......................................................................................... 193.3 Connect the Power Supply ...................................................................................... 193.4 Outdoor RF Unit Installation .................................................................................... 203.5 Indoor Unit ............................................................................................................... 273.6 DIP Switch Function and Configuration .................................................................. 283.7 Commissioning ........................................................................................................ 304.0 Antenna Installation............................................................................................................. 354.1 Equipment Inventory List ......................................................................................... 354.2 Antenna Installation and Rough Alignment ............................................................. 364.3 RF Cable Install and Seal........................................................................................ 505.0 Maintenance and Troubleshooting...................................................................................... 635.1 Link AX Maintenance .............................................................................................. 635.2 Where to get Further Assistance............................................................................. 645.3 Return Procedure .................................................................................................... 65Appendix A Grounding Practices and Lightning Protection Information....................................... A-1
ivWaveNet Link AX Installation and Operations ManualFiguresFigure 2.1 Typical Deployment of a Link AX in a Point-to-Point Configuration ............................. 4Figure 2.2a Outdoor Unit, Front View ............................................................................................ 10Figure 2.2b Outdoor Unit, Back View ............................................................................................ 10Figure 2.2c Outdoor Unit, Front View, Integral Antenna ............................................................... 11Figure 2.2d Outdoor Unit, Back View, Integral Antenna ............................................................... 11Figure 2.3 Link AX Indoor Unit (IDU) ........................................................................................... 13Figure 2.4 Link AX Block Diagram............................................................................................... 14Figure 3.1 Power Cord Connection ............................................................................................. 19Figure 3.2 Outdoor Unit Mounting Hardware .............................................................................. 20Figure 3.3 Attaching the Pole or Tilt Mount Adaptor Bracket ...................................................... 21Figure 3.4 Mounting the Outdoor RF Unit to the Bracket ............................................................ 22Figure 3.5a Mounting Bracket Latch and Stud Mount Detail......................................................... 23Figure 3.5b Locking the Mounting Hardware ................................................................................ 24Figure 3.6a N-Type Antenna and Siamesed Ethernet/Power Connections .................................. 25Figure 3.6b Ground Connection ....................................................................................................26Figure 3.7 Link Ax Indoor Unit (IDU) ........................................................................................... 27Figure 3.8 DIP Switch Access and Configuration Information .................................................... 29Figure 3.9 Receive Signal Level ..................................................................................................34Figure 4.1 Antenna Mount ........................................................................................................... 36Figure 4.2 Adjustable Panel Antenna Mount ............................................................................... 37Figure 4.3 Flat Panel Antenna ..................................................................................................... 38Figure 4.4 Adjustable Flat Panel Mount ...................................................................................... 39Figure 4.5 24” Flat Panel Quick Align Mount............................................................................... 40Figure 4.6 24” Diameter Antenna ................................................................................................ 41Figure 4.7 Mount Configuration ...................................................................................................43Figure 4.8 Mounting Hardware Packed ....................................................................................... 46Figure 4.9 Mounting Hardware Unpacked ................................................................................... 46Figure 4.10 Parabolic Reflector ..................................................................................................... 47Figure 4.11 Unpacking the Radome .............................................................................................. 47Figure 4.12 Antenna Mounting Assembly ..................................................................................... 48Figure 4.13 Antenna Mount Assembly .......................................................................................... 49Figure 4.14 Elevation Rod Assembly ............................................................................................ 49Figure 4.15 Feed Horn Assembly .................................................................................................. 50Figure 4.16 Feed Horn Polarization Markings ............................................................................... 51Figure 4.17 Parabola Rear View Showing Polarization Reference Markers ................................. 51Figure 4.18 Feed Horn Installation ................................................................................................ 52Figure 4.19 Feed Horn Installation for Vertical Polarized Operation ............................................. 52Figure 4.20 Azimuth Clamp/Shear Stop Assembly ....................................................................... 53
vWaveNet Link AX Installation and Operations ManualFigure 4.21  Azimuth Adjustment Clamp Assembly ...................................................................... 53Figure 4.22  Hoisting the Antenna ................................................................................................. 54Figure 4.23  Adjustable Parabolic Antenna  Mount ....................................................................... 57Figure 4.24a Feed Assembly Plane Polarized ............................................................................... 58Figure 4.24b Feed Assembly Plane Polarized ............................................................................... 59Figure 4.25  Ground Connection ...................................................................................................60Figure 4.26  RF Cable Install and Seal ......................................................................................... 61TablesTable 1.1 FCC U-NII Bands ......................................................................................................... 2Table 2.1 Connector Pin Assignment, ATM Connector on ODU ................................................. 6Table 2.2 Connector Pin Assignment, Power Supply Input Connector on ODU ......................... 6Table 2.3 Recommended Antennas ............................................................................................. 7Table 3.1 Maximum Transmit Power Level Setting vs. Antenna Type (for compliance withFCC EIRP limits) in the 5.3 GHz Band....................................................................... 16Table 3.2 Maximum Transmit Power Level Setting vs. Antenna Type (for compliance withFCC EIRP limits) in the 5.7 GHz Band, Original and July 31, 1998 rules.................. 17Table 3.3 List of Tools ................................................................................................................ 18Table 3.4 Inventory of Equipment and Installation Materials ..................................................... 18Table 3.5 Connector Pin Assignment, ATM Connector on ODU ............................................... 19Table 3.6a Connector Pin Assignment, ATM Connector on ODU ............................................... 27Table 3.6b Connector Pin Assignment, ATM Connector on ODU ............................................... 27Table 3.6c IDU LED Status .......................................................................................................... 27Table 3.7 DIP Switch Configuration ........................................................................................... 28Table 3.8 Installation Checklist................................................................................................... 30Table 3.9 RSSI Voltage vs. Receive Signal Level ..................................................................... 32Table 3.10 Approximation Table .................................................................................................. 32Table 4.1 Inventory of Equipment and Installation Materials ..................................................... 35Table 4.2 Approximation Table of Flat Panel Antennas............................................................. 36Table 4.3 Approximation Table of Parabolic Antennas .............................................................. 41Table 4.4 24” Diameter Antenna Dimensions ............................................................................ 42Table 4.5a Contents List, Mount Assembly.................................................................................. 44Table 4.5b Contents List, Mount Assembly.................................................................................. 45Table 4.5c Contents List, Feed Assembly ................................................................................... 45Table 4.5d Contents List, Reflector Assembly ............................................................................. 45Table 4.6 Nut Tightening Procedures ........................................................................................ 56
viWaveNet Link AX Installation and Operations ManualWelcome!Welcome to the Wireless, Inc. WaveNet Link™ Series product family. This manual is designedto introduce you to the Link AX™, and to provide you with information necessary to plan, install,operate and maintain a Link AX wireless communication system.The Link AX is intended for professional installation only. This manual, however, is alsodesigned for personnel who plan, operate and administrate the Link AX communication system.Please review the entire manual before powering up or deploying any Link AX.Updates to this manual will be posted on the Wireless, Inc. Customer Service Website athttp://www.wire-less-inc.com. Registered Wireless customers can access Wireless’ on-lineinformation and support service, available 24 hours a day, 7 days a week. Our on-line serviceprovides users with a wealth of up-to-date information, with documents being added or updatedeach month.Radiation WarningsMicrowave Radio Radiation WarningUnder normal operating conditions, Link AX radio equipment complies with the limits for humanexposure to radio frequency (RF) fields adopted by the Federal Communications Commission(FCC). All Wireless, Inc. microwave radio equipment is designed so that under normal workingconditions, microwave radiation directly from the radio is negligible when compared with thepermissible limit of continuous daily exposure recommended in the United States by ANSI/IEEEC95.1-1991 (R1997), Safety Levels with Respect to Human Exposure to Radio FrequencyElectromagnetic Fields, 3 kHz to 300 GHz.Microwave signal levels that give rise to hazardous radiation levels can exist within transmitterpower amplifiers, associated RF multiplexers, and antenna systems.Never look into the open end of a Waveguide as eyes are particularly vulnerable to radiation.Do not disconnect RF coaxial connectors, open microwave units, or break down anymicrowave screening while the radio equipment is operating.
viiWaveNet Link AX Installation and Operations ManualMicrowave Antenna Radiation WarningDesigned for point-to-point operation, a Link AX microwave radio system uses directionalantennas to transmit and receive microwave signals. These directional antennas are usuallycircular or rectangular in shape, and are usually mounted outdoors on a tower or mast, wellabove ground level.Referencing OET Bulletin 65 (Edition 97-01, August 1997) from the Federal CommunicationCommission’s Office of Engineering & Technology, limits for maximum permissible exposure(MPE) to microwave signals have been adopted by the FCC for General Population/Uncon-trolled environments. This limit is 1.0 mW/cm2, with averaging times of thirty-minutes.The closer you are to the front center-point of a microwave antenna, the greater the powerdensity of its transmitted microwave signal. Unless you are very close, however, microwaveexposure levels will fall far below the MPE limits. To determine how close to a microwaveantenna you can be and still remain below the MPE limits noted above, “worst case” predictionsof the field strength and power density levels in the vicinity of an Link AX™  microwave antennacan be made from the following calculations. The equation is generally accurate in the far-fieldof an antenna, and will over-predict power density in the near-field (i.e. close to the antenna).S = PG/4πR2where: S = power density (in mW/cm2)P = power input to the antenna (mW)G = power gain of the antenna in the direction of interest relative to an isotropicradiatorR = distance to the center of radiation of the antenna (cm)Note that G, the power gain factor, is usually expressed in logarithmic terms (i.e., dB), and mustbe converted using the following equation:G = 10 dB/10For example, a logarithmic power gain of 17.5 dB is equal to a numeric gain of 56.23.Assuming (1) maximum output power from the Link AX (+12 dBm [15.8 mW]), (2) no signal lossin the cable connecting the Link AX to the antenna, and (3) the use of a 17.5 dBi gain flat panelantenna, the 1.0 mW/cm2 MPE power density limit would be reached at a distance ofapproximately 8.4 cm. The Link AX is classified as a fixed installation product, and per FCCpolicy guidelines regarding MPE, antennas used for this Wireless Inc. transmitter must beinstalled to provide a separation distance of 2 meters (6 feet)  or more from all persons duringnormal operation to satisfy FCC RF exposure compliance.Wireless, Inc. fully supports the FCC’s adopted MPE limits, and recommends that personnelmaintain appropriate distances from the front of all directional microwave antennas. Should youhave questions about Link AX  microwave signal radiation, please contact the Wireless, Inc.Customer Service Department.
viiiWaveNet Link AX Installation and Operations ManualPoint-to-Point Radio OperationThe Link AX microwave radio system is intended for point-to-point, line-of-sight applicationsonly. The antennas utilized in these applications are high gain, highly directive antennas, andare intended for professional installation. Antennas should be mounted on permanent struc-tures such as masts or towers, which are not accessible to the general public.The installer shall mount the antennas as to comply with the limits for human exposure to radiofrequency (RF) fields per paragraph 1.1307 of the Federal Communication Commission (FCC)Regulations. The FCC requirements incorporate limits for Maximum Permissable Exposure(MPE) in terms of electric field strength, magnetic field strength, and power density.It is the responsibility of the installer to ensure the antennas are used with the Link AX radio,are designed for fixed point-to-point operations, and their use with the radio complies with FCClimits stated in Part 15.407.The following information is supplied pursuant to FCC Regulations (Part 15.407) for unlicensedintentional radiators:The Link AX conforms to the regulations in CFR 47, Part 15.407 pertaining to unlicensed point-to-point use. Modifications to the equipment, which would alter the conditions of the EquipmentGrant of Authorization are strictly prohibited, and may void the user’s right to operate theequipment.Notice Regarding Operation pursuant to FCC part 15 RulesThis equipment has been tested and found to comply with the limits for a Class A digital devicepursuant to part 15 of the FCC Rules. These limits are designed to provide reasonableprotection against harmful interference when the equipment is operated in a commercialenvironment. This equipment generates, uses and can radiate radio frequency energy and, ifnot installed and used in accordance with the instruction manual, may cause harmfulinterference to radio communications. Operation of this equipment in a residential area is likelyto cause harmful interference in which case the user will be required to correct the interferenceat his own expense.
1WaveNet Link AX Installation and Operations Manual1.0 General Overview1.1 WaveNet Link Series Product FamilyAll Link AX radios are members of the WaveNet Link Series radio product family. The WaveNetLink Series is designed to provide an economical wireless solution for local access telecommu-nication requirements.This manual addresses, in detail, the operation of the Link AX. For detailed information onother members of the WaveNet Link Series, please refer to the appropriate OperationManual(s).1.2 Introduction to the Link AXThe Link AX is a digital radio designed for use as a point-to-point communications system. TheLink AX is used in the following applications:Wireless DSLPoint-to-point (building to building)Internet Service Providers (ISPs)Local Exchange Carriers (LECs)Wireless Local Loop (WLL)Backup SolutionsTemporary LinksThe Link AX radio is designed for operation in two of the Unlicensed National InformationInfrastructure (U-NII) bands at frequencies of 5.250 - 5.350 GHz and 5.725 - 5.825 GHz.Each Link AX is comprised of a pole mounted RF/antenna unit. Each radio  is powered by meansof a DC power supply (optional AC-DC power supply available) which is fed to the unit througha power/data cable. The system has a total data transmission capacity of 8 Mps full-duplex.Refer to the Link AX data sheets for detailed information relating to product offerings andspecifications.
2WaveNet Link AX Installation and Operations ManualTable 1.1 - FCC U-NII Bands1.3 Regulatory InformationIn January 1997, the FCC made available 300 MHz of spectrum for Unlicensed NationalInformation Infrastructure (U-NII) devices. The FCC believes that the creation of the U-NII bandwill stimulate the development of new unlicensed digital products which will provide efficientand less expensive solutions for local access applications.The U-NII band is divided into three sub bands at 5.15 - 5.25, 5.25 - 5.35 and 5.725 - 5.825 GHz.The first band is strictly allocated for indoor use and is consistent with the European HighPerformance Local Area Network (HIPERLAN). The second and third bands are intended forhigh speed digital local access products for “campus” and “short haul” microwave applications.1dnaB2dnaB3dnaBycneuqerF zHG52.5ot51.5zHG53.5ot52.5zHG528.5ot527.5)xaM(rewoP PRIEsttawillim002 )PRIE(ttaw1mBd03+)PRIE(sttaw4mBd63+esUdednetnI ylnOesUroodnIsupmaCselim01xorppAenuJnodesiver)00M(redrodnanoinipomudnaromemCCFnA:etoN*adnaniagiBd32htiwannetnalanoitceridafoesuehtswolla8991,42IIN-U528.5-527.5ehtnittaw1forewoptuptuorettimsnartmumixam.dnab100202LW
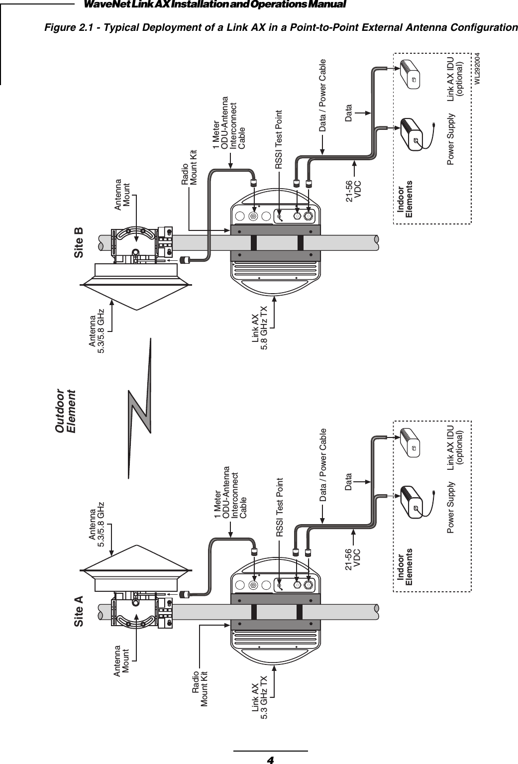
3WaveNet Link AX Installation and Operations Manual2.0 WaveNet Link AX Product Profile2.1 General OverviewThe Link AX microwave radio provides digital capacities for 16 Mb/s data rates (8Mb/s full-duplex) for distance of up to 15 km. The radio terminal operates in the Unlicensed NationalInformation Infrastructure (U-NII) spectrum with a Split Modulation system architecture thatprovides full duplex operation in the 5.3/5.7 GHz U-NII frequency bands.The product uses two separate 100 MHz bands within the U-NII frequency spectrum. Withinthese bands, the Link AX series operates in one of many independent channels providing forfrequency reuse and network flexibility, ideal for dense network applications.Synthesized RF channel selection is field configurable, as are the power output options for theselection of antenna sizes.Complying with all aspects of FCC Rules Subpart 15.401-15.407, the transmission character-istics of the Link AX series are designed to meet the peak power spectral density requirementsof the U-NII 5.250 - 5.350 and 5.725 - 5.825 GHz bands.The Link AX has been designed for easy access to all interfaces, controls, and displays.Information in this manual will familiarize you with all of these items. Figure 2.1 illustrates two(2) Link AX terminals in a point-to-point configuration.The Link AX is avaialble with two types of Outdoor Unit/Antenna configurations:External Antennas : Requires the use of an external antenna (parabolic or flat paneltype), and the connection between ODU and antenna is per-formed via the use of a 2-meter (6 feet) piece of RG8 type cable.Typically this can be used for longer link distances up to 9 miles(15 km).Integral Antennas: A 9” flat panel antenna is integrated into the ODU housing, andis internally connected. Typically this can be used for short linkdistances up to 4 miles (6 km).
4WaveNet Link AX Installation and Operations ManualRSSI Test Point1 MeterODU-AntennaInterconnectCableData / Power CableRSSI Test PointData21-56VDCData21-56VDCLink AX5.3 GHz TXOutdoorElementIndoorElementsPower Supply Link AX IDU(optional)Site A Site BAntenna5.3/5.8 GHzIndoorElementsAntenna5.3/5.8 GHzLink AX5.8 GHz TX1 MeterODU-AntennaInterconnectCableData / Power CablePower SupplyAntennaMountLink AX IDU(optional)AntennaMountRadioMount KitRadioMount KitWL292004Figure 2.1 - Typical Deployment of a Link AX in a Point-to-Point External Antenna Configuration
5WaveNet Link AX Installation and Operations Manual2.2 Specifications2.2.1 General SpecificationsFrequency Range: 5.250 - 5.350 GHz and 5.725 - 5.825 GHzRF Channel Bandwidth: 12 MHzChannel Increments: 10.24 MHzRadio Operation:  Full duplexAntenna Port Impedance: 50 ohms nominalEthernet Data Rate: 8 Mbps full duplex2.2.2 ATM InterfaceType: ATM-25Distance: 100 meters (330 ft) maxTermination: 100 ohm or 120 ohm RJ45 (user device per ATM 25.6forum specification af-phy-0040.000)ATM Traffic Parameters:Parameter Description Min Typical Max UnitPCR Peak Cell Rate 59259 CpsSCR Sustained Cell Rate 15645 19200 19555 CpsMBS Maximum Burst Size 3 CellMCR Minimum Cell Rate 0 Cps2.2.3 Transmitter SpecificationsFrequency Range: 5.250 - 5.350 GHz and 5.725 - 5.825 GHzChannel Increments: 10.24 MHzModulation: BPSKPower Output: 0, +4, +8, and +12 dBmTransmit Duty Cycle: 100%Emission Mask: Per FCC 15.407Frequency Stability: ± 5 ppmData Rate: 8 Mbps2.2.4 Receiver SpecificationsType: Coherent DetectionSensitivity for 1x10-6 BER: -83 dBmReceiver Overload for 1x10-6 BER -30 dBmMaximum RF Input (no damage): -20 dBmData Rate: 8 MbpsChannel Increments: 10.24 MHz
6WaveNet Link AX Installation and Operations ManualThe 4-pin CircularMil power supply input connector pin assignments are shown in Table 2.2.Note: The white lead of the power side of the Data/Power cable connects to Pin 1, thus itshould be connected to the negative lead of the power source. The red lead of the powerside of the Data/Power cable connects to Pin 2, thus it should be connected to the positivelead of the power source.2.2.7 Antennas2.2.5 Digital InterfaceATM Interference on ODUThe 8-pin CircularMil (ATM interface/ODU status signals) connector pin assignments areshown in Table 2.1.2.2.6 Power Supply Input Connector on ODUTable 2.1 - Connector Pin Assignment, ATM Connector on ODUTable 2.2 - Connector Pin Assignment, Power Supply Input Connector on ODUniPDAELNOITPIRCSED1+XT+timsnarTriaPdetsiwT2-XT-timsnarTriaPdetsiwT3MLA/RWPUDInoDEL"mralAlacoL/rewoP"sevirdtahtlangiS4ISSRhtgnertslangisgntacidniegatlovgolanA5DNGAISSRrofdnuorG6DNGDDELmralA/rewoProfdnuorG7+XR+evieceRriaPdetsiwT8-XR-evieceRriaPdetsiwT300202LWniPdaeLnoitcnuFroloC1)-(tupnIevitageN.ylppusrewopfodaelevitagenotnoitcennoCetihW2)+(tupnIevitisoP.ylppusrewopfodaelevitisopotnoitcennoCdeR3desUtoN4desUtoN400202LWNote: Pins 3-6 are used in conjunction with the Indoor Unit for test and maintenance purposes only.Refer to DIP switch settings on page 34 for details. When connecting to a Network device, only pins1,2,7, and 8 are used.
7WaveNet Link AX Installation and Operations ManualepyTrebmuNtraPdnarerutcafunaMiBd81,deziraloPenlP,lenaPtalFdetargretnI"9 2.5-57.PFWsevaWoidaRiBd5.71,deziraloPenalP,lenaPtalF"625-5.DPFDleirbaGiBd32,deziraloPenalP,lenaPtalF"2125-1DPFDleirbaGiBd3.32deziraloPenalP,hsidretemaid"21LN2.5-IPSsevaWoidaRiBd5.72,deziraloPenalP,lenaPtalF"4225-2DPFDleirbaGiBd1.82,deziraloPenalP,hsidretemaid"42IRA25-2PSSleirbaGiBd1.82,deziraloPlauD,hsidretemaid"42IRA25-2DSSleirbaGiBd5.33,deziraloPenalP,hsidretemaid"84*A25-4PSSleirbaGiBd5.33,deziraloPlauD,hsidretemaid"84*A25-4DSSleirbaG.tnailpmocCCFtoneradna,ylnoASUehtedistuoesuroferasannetnahsid"84ehT*500202LWTable 2.3 - Recommended AntennasThe antennas shown in Table 2.3 are recommended for use with Link AX. With the exceptionof the 4’ dishes, all antennas have been tested with Link AX to verify compliance with applicableFCC rules.2.2.8 Power RequirementsPrimary power supplyDC ±21 to ±56 VAC 100 to 240V 50/60 Hz (with optional external power supply).Power Consumption Maximum 17 Watts2.2.9 Environmental SpecificationsOutdoor Unit Operating Temperature Range: -30°C to +60°CStorage Temperature Range: -40°C to +85°CAltitude: 4,500 meters max.Humidity: Outdoor, all-weather enclosure2.2.10 MechanicalDimensionsODU 310mm x 351mm x 73mm (HxWxD)12.2” x 13.8” x 2.9”WeightODU 5 kg11 lbs
8WaveNet Link AX Installation and Operations Manual2.3 User InterfacesThe Link AX provides user interfaces for fused DC power connection, electrical grounding,radio frequency (RF) antenna connection, ATM25 connection, configuration and RSSI output.The following provides information on each interface.Outdoor Unit•Data/Power Cable - Siamesed CAT-5 ATM25 and power cables.•RSSI - BNC type connector for RSSI measurement.•Antenna (RF) Connector - N-type female connector used for connection with antenna.Note: There is no N-Type RF connector used on ODUs with integral antennas.•Main Power - The Link AX is designed to work from a power input of 21 to 56 VDC.•Grounding Connector - The ODU is equipped with an M5 ground screw and associatedwashers. This ground screw serves as the proper chassis-ground connection point for anexternal ground source. The Link AX must be grounded in accordance with the electricalcodes, standards, and practices governing the local installation.•Configuration Switch - Configuration of the Link AX is performed via a DIP switch on theODU. The 10-position DIP switch is accessible by removing the water-tight dust cap onthe ODU. Once exposed, each of the 10 switches can be manipulated using tool that isprovided with the mounting kit.2.4 ODU Performance MonitoringRSSI  (Receive Signal Strength Indicator) - A voltage provided through a BNC connector onthe outside of the ODU. The RSSI port is used for antenna alignment during installation andfor periodic measurement of Receiver/Path performance. The RSSI voltage in relation to thereceive signal level ranges from -30 dBm to -90 dBm.
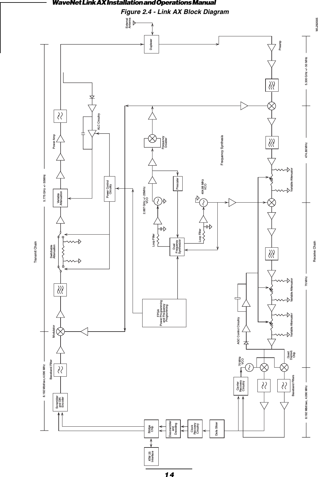
9WaveNet Link AX Installation and Operations Manual2.5 Theory of OperationGeneral OverviewThe Link AX is a point to point Wireless ATM-25 Extender operating in the 5.3/5.7 GHz U-NIIband as authorized in rule sections 15.401 through 15.407. The unit is enclosed in a weatherproof outdoor enclosure and is intended to provide data links over distances up to 15 km. Theradio in the unit operates full duplex, transmitting and receiving data at the rate of 8.192 Mbps.The radio is modulated using BPSK.Circuit DescriptionThe following circuit description is intended to explain the operation of the radio at the blockdiagram level. This text is written with the idea that the reader has the block diagram readilyavailable, as it will aid in understanding the signal flow in the radio.2.5.1 Link AX TransmitterThe physical interface to the radio consists of ATM-25 cells that are routed to ATM physicalinterface (PHY) chip. The PHY chip stores the data cells, and then converts them into asynchronous 8.448 Mbps data stream that is fed into the transmitter. To mark cell boundries,a SYNC byte (01111110) is inserted at the beginning of every cell. Zero insertion circuitry,inserts a zero after five consecutive ones, guaranteeing SYNC byte uniqueness whiletransmiting the cell’s content.The data is differentially encoded and scrambled before it is routed through the transmitbaseband filter to provide spectral shaping. The baseband filter is a five pole low pass filter.After amplification, the baseband signal is fed to the modulator consisting of a doublybalanced mixer. The modulator is running directly at the transmitter frequency of 5.775 GHz± 50 MHz. The local oscillator signal of the mixer is supplied from the frequency synthesizersection, with the frequency dependant on the RF channel selected.From the output of the modulator, the signal is amplified and then passed through a 150 MHzwide bandpass filter to remove any local oscillator products from the output spectrum. Afterfiltering, the signal is passed through a series of amplifier and attenuator stages that are usedto control the output power level. With a combination of fixed and variable attenuation theoutput power can be set to one of four different levels to accommodate different antennasused with the product.The power setting is maintained by an active ALC circuit that samples the transmitter outputpower and then adjusts the variable attenuator to keep the output power constant over theoperating temperature of the unit. The power level is controlled to within +1/-2 dB of the setpoint.Following the attenuators the signal is fed through additional amplification to bring the outputlevel to a maximum of +14 dBm at the output of power amplifier. A lowpass matching sectionfollows the power amplifier to aid in filtering harmonics of the signal. After passing through theduplexer, the power level at the antenna port is a maximum of +12 dBm.
10WaveNet Link AX Installation and Operations ManualFigure 2.2a - Outdoor Unit, Front View, External AntennaFigure 2.2b - Outdoor Unit, Back View, External AntennaWL293001DIP Switch AccessAntenna Connection(N Type, Female)ODUGround ConnectionMountingStudsWL292002Receive Signal StrengthIndicator (RSSI) (BNC Type,Female)Siamesed Category 5ATM and Power cablesconnections
11WaveNet Link AX Installation and Operations ManualODUGround ConnectionMountingStudsWL291003Receive SignalStrength Indicator(RSSI) (BNC Type,Female)Siamesed Category 5ATM and Power CablesConnectionsDIP Switch AccessFigure 2.2c - Outdoor Unit, Front View, Integral AntennaFigure 2.2d - Outdoor Unit, Back View, Integral AntennaOutdoor RF unitwith integral AntennaWL241008
12WaveNet Link AX Installation and Operations Manual2.5.2 Link AX ReceiverThe receiver in theLink AX is a conventional dual conversion design with IF frequencies of474.88 MHz and 70 MHz.From the receive port of the duplexer, the low level input signal is passed through a low noisepreamplifier that provides 25 dB of gain. Following the preamplifier the signal is passedthrough a 200 MHz wide bandpass filter to provide image rejection for the first mixer.The signal is then mixed with the first LO to convert the signal to 474.88 MHz. Following furtheramplification the signal is passed through a five pole, 20 MHz wide bandpass filter. This filterprovides image filtering for the second mixer, and also helps attenuate signals on the adjacentreceive channels. After filtering, the signal is further amplified and then passed through avariable attenuator stage before it is applied to the second mixer.The output of the second mixer is at 70 MHz. The 70 MHz IF stages provide additional gainalong with two sections of variable attenuation for the AGC function. The primary adjacentchannel filtering is also at 70 MHz where the signal is passed through a 12 MHz wide SAW filter.The combination of filters provide a minimum of 47 dB of attenuation at the adjacent receivechannels (±10.24 MHz).At the end of the 70 MHz IF chain the signal is fed into a quadrature demodulator. The carrierrecovery loop consists of a four quadrant multiplier that multiplies I and Q baseband signalsto create an error voltage. This error voltage is then amplified and fed back to the 70 MHz VCO.This forms a phase locked loop that is locked to the received carrier frequency.The 70 MHz output is also fed into a wide band logarithmic amplifier that provides a DC voltageoutput proportional to the 70 MHz signal strength. The DC voltage is then integrated and fedback to the variable attenuator stages to form an AGC control loop. This control loop keepsthe signal level at the input to the demodulator chip constant over the entire operating rangeof the receiver.Data recovery from the I baseband signal begins by passing the I signal through a slicer. Theoutput of the slicer is a digital signal that contains both data and clocking information. A clockrecovery circuit recovers receive timing information that is needed to clock the data throughthe descrambler, and differential decoder.This 8.448 Mb bit stream is then converted into ATM cells. The SYNC bytes and the insertedzeros are stripped form the cells prior to their delivery to the ATM25 PHY. This method providesworst case cell rate of 15645 cells per second (cps) and typical cell rates of approximately19200 cps.
13WaveNet Link AX Installation and Operations Manual2.5.3 SynthesizerThe FPGA provides four 22-bit streams in a serial format loaded to the synthesizer. This dataprovides all of the possible frequencies at which the system can operate. Depending upon thedip switch settings selected, the actual frequency being used is selected. When the resetbutton is pressed, the FPGA will reload this data to the synthesizer.Frequency SynthesisThe local oscillator frequencies used in the Link AX are all synthesized from a 19.2 MHz, ± 2.5PPM reference oscillator. The overall frequency stability of the radio is ± 2.5 PPM, directlyreflecting the reference oscillator stability.A dual frequency synthesizer chip is used to control both the first and second local oscillatorloops. This chip supports one high frequency oscillator, up to 1.5 GHz, and one lowerfrequency oscillator to be used as a second LO.The first local oscillator VCO operates at one half the transmitter output frequency, andchanges with the transmit channel selected. The first LO consists of a bipolar VCO operatingat 2.887 GHz ±25 MHz. The output of this VCO is buffered and then passed through a X2prescaler chip before being fed back to the synthesizer chip. The phase comparison frequencyfor the first LO is 320 kHz.After amplification the 2.887 GHz signal is passed through a frequency doubler to create the5.775 GHz signal that is applied to the mixer stages.The second local oscillator consists of a VCO that is phase locked to 404.88 MHz. This auxiliarysynthesizer is operating with a phase comparison frequency of 240 kHz.2.6 Indoor UnitAn optional Indoor Unit (IDU) can be used with the Link AX to provide diagnostics andtroubleshooting aid to maintenance personnel. The IDU contains a single LED that illuminateswith the presence of ATM25 data and power. Additionally a BNC connector is provided so thatmaintenance personnel can view RSSI voltage inside the building.  The IDU is NOT requiredfor operation of the Link AX radio system. Figure 2.3 shows the Link AX IDU.Figure 2-3 Link AX Indoor Unit (IDU)Radio Unit ConnectionMeasurement PortRSSI (BNC Type Connector)System power andRF Status indicator(Green LED)ATM 25 interfaceConnectionWL238005
14WaveNet Link AX Installation and Operations Manual8.192 Mbit/sec,4.096 MHz 5.775 GHz +/- 50MHz Baseband Filter Modulator SwitchableAttenuationScramblerand Diff.EncoderVariableAttenuationPower AmpALC CircuitryPower ControlCircuitryFrequencyDoublerPrescaler2.887 GHz +/- 25MHzVCOLoop FilterDualFrequencySynthesizerLoop Filter 404.88 MHzVCOFPGAPower Programmingand FrequencyProgrammingATM 25Interface BridgeChipDescramblerandDecodingClockRecoveryCircuitryData SlicerCarrierRecoveryCircuitry70 MHzVCOAGC Control CircuitryBaseband FiltersQuadDemod.Chip Variable Attenuator Variable Attenuator Variable Attenuator8.192 Mbit/sec, 4.096 MHz 70 MHz 474.88 MHz 5.300 GHz +/- 50 MHzPreampDuplexerExternalAntennaTransmit ChainFrequency Synthesis Receive ChainWL292005Figure 2.4 - Link AX Block Diagram
15WaveNet Link AX Installation and Operations Manual3.0 Equipment Installation and Commissioning3.1 InstallationThe Link AX microwave radio system is intended for professional installation only. Prior toinstalling the radio, both a site survey and path survey should be performed.The site survey allows the installer to determine the best location for the radio, antenna, andsupporting structure, as well as determine antenna orientation, and cable route to the indoorequipment. It is extremely important to mount the structure in such a manner that minimizes foottraffic in front of the antenna (if installed on a roof, for example).A path survey is completed to ensure that the radio will perform based on a given distance, andin keeping with the EIRP limits, provides the installer with a target receive signal level which isverified during antenna alignment. A sample calculation is provided in Figure 3.9.The Link AX has been specifically designed for ease of installation. The following installationinstructions should be followed.1. Plan the installation - Decide where each component of the Link AX will be placed priorto commencement of any installation activity. Installation considerations for each compo-nent in general are as follows:a. Outdoor RF Unit - Mount as close as practical to the Antenna assembly. The maximumdistance is determined by the included interconnect cable. The installed cable is2-meters  in length. Determine pole mounting details for the Outdoor Unit and Antenna.Table 3.1 identifies the maximum transmit power level setting that can be used with eachantenna while maintaining compliance with FCC EIRP regulations. Power levels arereferenced to the antenna port of the radio and are average power levels indicating whatwould be measured using an average power meter. The FCC expresses limits as peakpower numbers. To convert from the average power numbers to peak power numbers,add 1.8 dB to the average power numbers.
16WaveNet Link AX Installation and Operations ManualepyTannetnAN/PrerutcafunaM timsnarTmumixaM)mBd(gnitteSrewoPiBd5.71,deziraloPenalP,lenaPtalF,lanretxE"6 25-5.DPFDleirbaGiBd0iBd81,deziraloPenalP,lenaPtalF,detargetnI"9 2.5-57.PFWsevaWoidaRiBd0100003LWTable 3.1 - Maximum Transmit Power Level Setting vs. Antenna Type (for compliance with FCC EIRPlimits) in the 5.3 GHz BandIf external antennas are utilized, and connected with the 2 meter cable mentioned in (a),then factor in 2.6 dB for the loss in the coaxial cable when calculating EIRP figures.If the product is being deployed in a country not governed by FCC regulations, theinstaller should select a transmit power level setting appropriate for the antenna that isdeployed to maintain compliance with regulations employed by that country.Refer to Table 2.6 for Configuration Switch setting information.b. Antenna Unit - See Appendix B.3.1.1 EIRP Calculations in the 5.3 GHz BandThe following is an excerpt from CFR 47 Part 15.407 (a)(1):For the band 5.25-5.35 GHz, the peak transmit power over the frequency band of operation shallnot exceed the lesser of 250 mW or 11 dBm+10logB, where B is the 26-dB emission bandwidthin MHz. In addition, the peak power spectral density shall not exceed 11 dBm in any 1-MHzband. If transmitting antennas of directional gain greater than 6 dBi are used, both the peaktransmit power and the peak power spectral density shall be reduced by the amount  in dB thatthe directional gain of the antenna exceeds 6 dBi.Based on the above rules, the Link AX (for the 5.3 GHz radio) must be configured by the installerto operate using the conditions in Table 3.1 below. These values assume a nominal loss of 1.0dB cable loss for the Wireless Inc. supplied RF cable (6 foot length) that connects the ODU tothe external antenna.
17WaveNet Link AX Installation and Operations ManualepyTannetnAN/PrerutcafunaM timsnarTmumixaM)mBd(gnitteSrewoPiBd5.71,deziraloPenalP,lenaPtalF,lanretxE"6 25-5.DPFDleirbaG21+iBd81,deziraloPenalP,lenaPtalF,detargetnI"9 2.5-57.PFWsevaWoidaR21+iBd32,deziraloPenalP,lenaPtalF,lanretxE"21 25-1DPFDleirbaG21+iBd3.32,deziraloPenalP,cilobaraP,lanretxE"21 LN2.5-IPSsevawoidaR21+iBd5.72,deziraloPenalP,lenaPtalF,lanretxE"42 25-2DPFDleirbaG21+iBd1.82,deziraloPenalP,cilobaraP,lanretxE"42 IRA25-2PSSleirbaG21+iBd1.82,deziraloPlauD,cilobaraP,lanretxE"42 IRA25-2DSSleirbaG21+200003LW3.1.2 EIRP Calculations in the 5.7 GHz BandThe following is an excerpt from CFR 47 Part 15.407 (a)(2):For the band 5.725-5.825 GHz, the peak transmit power over the frequency band of operationshall not exceed the lesser of 1 W or 17 dBm+10logB, where B is the 26-dB emission bandwithin MHz.  In addition, the peak power spectral density shall not exceed 17 dBm in any 1-MHzband. If transmitting antennas of directional gain greater than 6 dBi are used, both the peaktransmit power and the peak power spectral density shall be reduced by the amount in dB thatthe directional gain of the antenna exceeds 6 dBi. However, fixed point-to-point U-NII devicesoperating in this band may employ transmitting antennas with directional gain up to 23 dBiwithout any corresponding reduction in the transmitter peak output power or peak powerspectral density. For fixed point-to-point U-NII transmitters that employ a directional antennagain greater than 23 dBi, a 1 dB reduction in peak transmitter power and peak power spectraldensity for each 1 dB of antenna gain in excess of 23 dBi would be required. Fixed, point-to-point operations exclude the use of point-to-multipoint systems, omni directional applications,and multiple collocated transmitters transmitting the same information. The operator of the U-NII device, or if the equipment is professionally installed, the installer, is responsible for ensuringthat systems employing high gain directional antennas are used exclusively for fixed, point-to-point operations.Based on the above rules, the Link AX (for the 5.7 GHz radio) must be configured by the installerto operate using the conditions in Table 3.2 below. These values assume a nominal loss of 1.0dB cable loss for the Wireless Inc. supplied RF cable (6 foot length) that connects the ODU tothe external antenna.Table 3.2 - Maximum Transmit Power Level Setting vs. Antenna Type (for compliance with FCC EIRPlimits) in the 5.7 GHz Band, Orignial and July 31, 1998 rules
18WaveNet Link AX Installation and Operations ManualytQnoitpircseD1XAkniL1srenetsafdetaicossadnatekcarBdetnuoMtlitro,llaW,eloP1elbaCrewoP/MTAdesemaiS1annetnAlanretxE(ylbmessAelbaClaixaoCelaM-NotelaM-N)ylnO1retpadArewoPCDotCA1)ylnosmetsySannetnAlanretxE(annetnA210202LW2. Inventory your equipment and installation materials.To install one (1) terminal you should have the items shown in Table 3.3.3. The following tools should be on hand:Table 3.4 - Inventory of Equipment and Installation MaterialslooTesopruPrettuC/reppirtSeriW sesoprupgnittucdnagnippirtseriwlareneGefinKytilitU noitareperpelbaclareneGdeppiuqe)MMD(retemtloVlatigiDdleH-dnaHgulpananaB-lauDotCNBseborpdradnatshtiwannetna(srotcennocCNBhtiwelbacxaoc'3dna)tnemngilaytiunitnoc,ytiralop,edutingamsmrifnoCsehcnerWelbatsujdA mm22otputinUroodtuO,gnitnuoMannetnArevirdwercSspillihP2# gnidnuorGtinUroodtuOrevirdwercSedalBtalF2#gnitnuoMannetnAlooTpmirCguLedapS noitareperPdnuorGUDOrotcennoCpmirC54JRnoitareperPelbaC100492LWTable 3.3 - List of Tools3.2 ATM25 Data ConnectorThe ATM25 connections are made to the data side of the power/data cable assembly, normallyit is supplied with an RJ45 connector. Pin-Outs for the RJ45 cable are as follows:
19WaveNet Link AX Installation and Operations ManualWL202013Figure 3.1- Power Cord Connection3.3 Connect the Power Supply3.3.1 DC Power SupplyniPDAELNOITPIRCSED1+XT+timsnarTriaPdetsiwT2-XT-timsnarTriaPdetsiwT3MLA/RWPUDInoDEL"mralAlacoL/rewoP"sevirdtahtlangiS4ISSRhtgnertslangisgntacidniegatlovgolanA5DNGAISSRrofdnuorG6DNGDDELmralA/rewoProfdnuorG7+XR+evieceRriaPdetsiwT8-XR-evieceRriaPdetsiwT300202LWTable 3.5 - Connector Pin Assignment, ATM Connector on ODUThe white lead of the power side of the Data/Power cable connects to Pin 1, thus it should beconnected to the negative lead of the power source. The red lead of the power side of the Data/Power cable connects to Pin 2, thus it should be connected to the positive lead of the powersource.3.3.2 Optional AC Power SupplyThe AC-DC power supply is connected to an AC outlet by means of an IEC type power cord.Connect the power cord to the supply as shown in Figure 3.1. The output of the supply shouldbe connected to the power side of the Data/Power cable using guidelines shown in Table 2.2.3.4 Outdoor RF Unit InstallationGeneralThe outdoor unit is installed by means of a pole mount adaptor bracket (wall mount optional)
20WaveNet Link AX Installation and Operations ManualWL293003Siamesed Category 3Ethernet and Power Cablefor IDU to ODU InterconnectionN-Male to N-MaleODU to AntennaCoaxial Cable AssemblyPole MountBracket FastenersWall Mount Bracket(Optional)Pole Mount BracketTilt Mounting Bracket(Optional)that is secured to the pole using two metal hose type clamps. Figure 3.2 shows the hardwareprovided to mount the Outdoor RF Unit.1. Ensure DIP2. Install the outdoor unit pole mount adaptor bracket using the supplied metal hose typeclamps. See Figure 3.3.3. Align the four mounting studs on the outdoor unit with the bracket holes (See Figure 3.4)and secure to the bracket by pushing down the latches as shown in Figures 3.5a and 3.5b.4. Connect the Siamesed Category 5 ATM/Power cable, the N-type antenna, the coaxialcable, and the ground connections as shown in Figures 3.6a and 3.6b.3.7.2 Aligning the Link AX System AntennasWith the Link AX at each site properly configured for operation, antenna alignment must beperformed at both sites. Proper antenna alignment is crucial to the proper operation of an LinkFigure 3.2 - Outdoor Unit Mounting Hardware
21WaveNet Link AX Installation and Operations ManualPole MountBracketHoseClampsWL202015Figure 3.3 - Attaching the Pole or Tilt  Mount Adaptor BracketWI291002PoleHoseClampsVerticalAdjustmentBolts
22WaveNet Link AX Installation and Operations ManualFigure 3.4 - Mounting the Outdoor RF Unit to the BracketPole MountBracketOutdoor UnitWL202016
23WaveNet Link AX Installation and Operations ManualDetail of Latch Mechanismfor Securing the Outdoor Unitto the Pole Mount(4 Places on Bracket)Outdoor UnitMounting Studsplaced throughthis hole WL202017Figure 3.5a - Mounting Bracket Latch and Stud Mount Detail
24WaveNet Link AX Installation and Operations ManualMountingStuds x 4Press locking latchesdown to secure the ODUto the pole mount bracketWL202018Figure 3.5b - Locking the Mounting Hardware
25WaveNet Link AX Installation and Operations ManualWL29200350 OhmAntennaCableSiamesed Category 5Ethernet / Power CableFigure 3.6a - N-Type Antenna and Siamesed Ethernet/Power Connections
26WaveNet Link AX Installation and Operations ManualGround Cable (not supplied)WL202020Figure 3.6b - Ground Connection
27WaveNet Link AX Installation and Operations ManualFigure 3.7 - Link AX Indoor Unit (IDU)Radio Unit ConnectionMeasurement PortRSSI (BNC Type Connector)System power andRF Status indicator(Green LED)ATM 25 interfaceConnectionWL2380053.5 Indoor UnitTable 3.6a and Table 3.6b - Connector Pin Assignment, ATM Connector on ODUniPDAELNOITPIRCSED1+XT+timsnarTriaPdetsiwT2-XT-timsnarTriaPdetsiwT3MLA/RWPUDInoDEL"mralAlacoL/rewoP"sevirdtahtlangiS4ISSRhtgnertslangisgntacidniegatlovgolanA5DNGAISSRrofdnuorG6DNGDDELmralA/rewoProfdnuorG7+XR+evieceRriaPdetsiwT8-XR-evieceRriaPdetsiwT300202LWAn optional Indoor Unit (IDU) can be used with the Link AX to provide diagnostics andtroubleshooting aid to maintenance personnel. The IDU contains a single LED that illuminateswith the presence of ATM25 data and power. Additionally a BNC connector is provided so thatmaintenance personnel can view RSSI voltage inside the building.  The IDU is NOT requiredfor operation of the Link AX radio system. Figure3.7 shows the Link AX IDU.Tables 3.6a and 3.6b show the connector Pin Assignment for the Radio Port and the ATM25Port.niPDAELNOITPIRCSED1+XT+timsnarTriaPdetsiwT2-XT-riaPdetsiwT3desUtoN4desUtoN5desUtoN6desUtoN7+XR+evieceRriaPdetsiwT8-XR-evieceRriaPdetsiwT400392LWDELsutatSFR/rewoPnoitpircseD)dilos(NOsmralaoN,yakosiUDOotrewoPFFOUDOotrewopoN)gniknilB(NOnoitidnocmralalacoL-tupniMTAfossoL-)REBknilhgih(srorreMTA-500392LWTable 3.6c - IDU LED StatusRadio Port ATM25 PortTable 3.6c explains the IDU LED staus.
28WaveNet Link AX Installation and Operations ManualhctiwSnoitcnuF3dna,2,1noitceleSlennahCdnaycneuqerF1hctiwS2hctiwS3hctiwS.hC)zHG(riaPycneuqerFnOnOnO1 08062.586537.5ffOnOnO2 40172.529547.5nOffOnO3 82182.561657.5ffOffOnO4 25192.504667.5nOnOffO5 67103.546677.5ffOnOffO6 00213.588687.5nOffOffO7 42223.521797.5ffOffOffO8 84233.563708.55dna4lortnoCrewoPtimsnarT4hctiwS5hctiwSzHG7.5/zHG3.5troPannetnAtarewoPxTffOffOmBd0ffOnOmBd4+nOffOmBd8+nOnOmBd21+6desUtoN01dna,9,8,7elbasiDUDIUDIotdetcennoceblliwUDO=nOUDIotdetcennocebTONlliwUDO=ffO:etoN siti,tnempiuqelanretxeotegamadlaitnetoptneverpotredronIottesera01hguorht7hctiwstahtevitarepmi ffO .noitisop:etoN ninwohserasgnitteshctiwsPIDtluafedyrotcaF dlob .ecafepyt800202LW3.6 DIP Switch Function and ConfigurationRefer to Table 3.7 below. Switches 1, 2 and 3 control Frequency and Channel selection.Switches 4 and 5 are used for Transmit Power control. Switch 6 is not used. Switches 7-10 areused only when the optional Indoor Unit (IDU) is placed in-line between the ODU and the ATMterminating device.Note: After the last switch has been set, the radio will learn its new configuration in fiveseconds. There is no requirement to power cycle the radio after dip switches are changed.Table 3.7 - DIP Switch Configuration
29WaveNet Link AX Installation and Operations Manual WL202026ON CTS10987654321Figure 3.8 - DIP Switch Access and Configuration Information
30WaveNet Link AX Installation and Operations ManualtsilkcehCnoitallatsnI?yltcerrocdetcennocdnadedivorpegatlovreporpsI)lanimretrepwardlanimonsttaW61,CDV65-12(?dednuorgylreporpUDOehtsI?UDOehtotdetcennocylreporpannetnaehtsIdnaecalpni)52-MTA(noitcennocatadehtsI?tcerrocylreporp)eloP,tsaM(erutcurtsgnitnuomehtsI?dednuorghtob(enalpemasehtnidetneirosannetnAehterA?)latnozirohhtobro,lacitrevetomerfohtumizalarenegnidetniopannetnayfireV.dnenosrotcennocepyT-NfolaesrehtaewreporpyfireV.annetnadnaUDO950312LW3.7 Commissioning1. Visually verify that the Link AX is properly mounted2. Verify that the DC power input to the Link AX is on.Refer to Table 3.8.3.7.1 Configuring Link AX System AntennasExternal Antennas:The antennas used on an Link AX radio system are generally configurated for either vertical orhorizontal polarization. It is extremely important to verify that both antennas are configured forthe same polarization, and that the appropriate antenna polarization has been selected for thespecific radio link.Integral Antennas:The integral antennas are set at the factory for either vertical or horizontal polarization, andcannot be changed in the field. If a different  polarization is required, contact the distributor orWireless, Inc. for an exchange or replacement. As with external antennas, the installer mustverify that both ends of the link are configured for the same polarization.Failure to observe same polarity on both ends of the link will result in at least a 25 to 30 dBireduction in receive signal level.Table 3.8 - Installation Checklist
31WaveNet Link AX Installation and Operations ManualAX radio system, and should only be accomplished by experienced professionals.The Link AX is equipped with a ODU mounted BNC-(f) RSSI connector to which an analog ordigital voltmeter can be connected. The voltage range at the test point, between the centerconductor of the connector and ground, varies from approximately two VDC to four VDC,serving as a receive signal strength indicator (RSSI). The stronger the receive signal, the higherthe RSSI voltage. Refer to Table 3.5.Emanating from a microwave antenna is a main beam (or lobe) of RF energy, surrounded byRF side lobes. The beamwidth of the main beam varies with the size and type of antenna, aswell as the specific frequency of the RF signal, and is generally defined by the nominal total widthof the main beam at the half-power (-3 dB) points. Side lobes surround the main beam at specificangle distances, and will be lower in power than the main beam.When aligning an antenna system, it is extremely important to verify that the antennas are bothaligned on the main beam, not on a side lobe. Referencing Table 3.6, the first side lobe willgenerally be located at an angle slightly less than twice the antenna beamwidth.Following the course alignment of an antenna system, a common practice when performing afine alignment is to slowly swing each antenna (one at a time!) in both vertical (elevation) andhorizontal (azimuth) planes to verify that the main beam and first side lobe can be accuratelyidentified. This insures that accurate alignment of the antenna system on the main beam hasbeen accomplished.Each Link AX is shipped with an RSSI test sheet, showing the relationship between the receivesignal strength level (in dBm) and the RSSI level (in VDC). These RSSI test sheets are oftenreferred to as AGC Curves. The RSSI test sheets can be used to verify that the calculatedreceive signal levels match up with the actual receive signal levels. Substantial differencesbetween calculated and actual levels could point to transmission system problems, side lobealignment, path obstructions, etc.
32WaveNet Link AX Installation and Operations ManualelytSdnaretemaiDannetnA)iBd(niaG)seerged(htdiwmaeBBd3lenaptalf"65.710.91lenaptalf"21324.9cilobaraP"213.328.11cilobarap"421.821.6lenaptalf"425.727.4*cilobarap"842.031.3.tnailpmocCCFtoneradna,ylnoASUehtedistuoesurofsiannetnahsid84ehT*320202LWTable 3.10 - Approximation TableTable 3.9 - RSSI Voltage vs. Receive Signal LevelRSSI versus RSL Typical0.001.002.003.004.005.00-90-80-70-60-50-40-30-20Receiver Signal Level (dBm)25 C65 C-35 CRSSI (V)WL205001
33WaveNet Link AX Installation and Operations Manual3.7.3 Verifying Antenna AlignmentWireless Inc. recommends that the installer verify the alignment of the antennas by performinga simple calculation. Verifying proper antenna alignment is critical to the installation of theequipment, as it ensures that the desired signal is being received, as well as ensures that thetransmitter is sending data to the desired remote location. A sample calculation is providedbelow:1) Determine Tx Power Outpour +4 dBm2) Determine coax cable loss (if external antenna) -2.6 dB3) Determine Tx Antenna Size and Gain (from table 3.6) +23 dBi1’ parabolic4) Determine Free Space LossDistance is 3 miles = 20log(3) +111.72 -121.3 dB5) Determine Rx Antenna Size and Gain (from table 3.6) +23 dBi1’ parabolic6) Determine coax cable loss (if external antenna) -2.6 dB7) Add Gains and Losses to determine RSL -76.5 dBmReferring to table 3.9, a Receive Signal Level of -76.5 dBm is roughly equivalent to 1.3V. Theinstaller should refer to the RSSI test sheet supplied with each ODU to determine the correctvoltage for the ODU.
34WaveNet Link AX Installation and Operations ManualLocal RemoteAntenna Gain dBiCable loss = 2.6 dBTX output dBCable loss = 2.6 dBCalculated RSL dBFree space loss dBDistance miles5.7 GHz Free Space Loss vs. Distance95.0 dB100.0 dB105.0 dB110.0 dB115.0 dB120.0 dB125.0 dB130.0 dB135.0 dB0.0 mi 1.0 mi 2.0 mi 3.0 mi 4.0 mi 5.0 mi 6.0 mi 7.0 mi 8.0 mi 9.0 mi 10.0 miDistanceFree Space LossLocal Tx RF dBm   - Local Cable loss dB  + Local Antenna Gain dBi   - Free Space loss dB  + Remote Antenna Gain dBi   - Remote Cable loss dB  RSL= dBWL293002selimLSFim52.0Bd86.99im05.0Bd07.501im57.0Bd22.901im00.1Bd27.111im52.1Bd66.311im05.1Bd42.511im57.1Bd85.611im00.2Bd47.711im52.2Bd67.811im05.2Bd96.911im57.2Bd05.021im00.3Bd62.121im52.3Bd69.121im05.3Bd06.221im57.3Bd02.321im00.4Bd67.321im52.4Bd92.421im05.4Bd87.421im57.4Bd52.521im00.5Bd07.521im52.5Bd21.621im05.5Bd25.621im57.5Bd19.621im00.6Bd82.721im52.6Bd46.721im05.6Bd89.721im57.6Bd03.821im00.7Bd26.821im52.7Bd29.821im05.7Bd22.921im57.7Bd05.921im00.8Bd87.921im52.8Bd50.031im05.8Bd13.031im57.8Bd65.031im00.9Bd08.031im52.9Bd40.131im05.9Bd72.131im57.9Bd05.131im00.01Bd27.131300262LWFigure 3.9 - Receive Signal Level
35Wavenet Link AX Installation and Operations Manual4.0 Antenna InstallationThe following section describes the installation details of various antennas offered in a pictorialformat.4.1 Equipment Inventory ListTable 4.1 - Inventory of Equipment and Installation MaterialsmetInoitpircseD rebmuNtraPytQ1)dnaBwoL(tinUXTzHG3.5 1annetnAlanretxE)a 100-070001ytiraloPlacitreV,annetnAlanretnI)b 100-680001ytiraloPlatnoziroH,annetnAlargetnI)c 100-1800012)dnaBhgiH(tinUXTzHG7.5 1annetnAlanretxE)a 100-570001ytiraloPlacitreV,annetnAlargetnI)b 100-780001ytiraloPlatnoziroH,annetnAlargetnI)c 100-2800013annetnA 2iBd12,lenaPtalF)mc03("21)a 101-215574-190iBd32,cilobaraP)mc03("21)b 540001CAiBd82,cilobaraP)mc06("42)c 101-425554-1904tiKgnitnuoM 2tiKtnuoMeloP)a eloP77000TIKtiKtnuoMllaW)b llaW710000TIK5)ylnoesUroodnI,lanoitpo(rotcetorPNAL 100-88000126retem1,elbaClaixaoC 800001CA27elbaCrewoPataD 2)'21(m4,rewoPdnaataD)obmoc(esemaiS)a 3400001CA)'57(m52,rewoPdnaataD)obmoc(esemaiS)b 0400001CA)'051(m05,rewoPdnaataD)obmoc(esemaiS)c 1400001CA)'003(m001,rewoPdnaataD)obmoc(esemaiS)d 2400001CAretaepeRkcaB-ot-kcaB)'3(m1,elbaCretaepeR)e 100-1510013etonretaepeRkcaB-ot-kcaB)'3(m1,elbaCretaepeR)f 200-1510013etonnoitacilppAretaepeR,m3,elbaCrewoP)g 100-251001noitacilppAretaepeR,m52,elbaCrewoP)h 200-251001noitacilppAretaepeR,m05,elbaCrewoP)j 300-251001noitacilppAretaepeR,m001,elbaCrewoP)k 400-251001mX,elbaCecafretnItroPratS)l .D.B.TmX,elbaCecafretnIteNmaertS)m .D.B.T8CDV42otzH06/05CAV022/011,ylppuSrewoP 2gulPnaciremAhtroN 1-4400001CAgulPnaeporuE 2-4400001CA:setoNkniLfoknilenoetelpmocotderiuqererasmetilla,lanoitposadetonesiwrehtosselnU)1.oidarXA,ytiralopemasehtevahtsumknilehtfosdnehtob,deredroerasannetnalargetnifI)2.latnozirohhtobrolacitrevhtob.e.ietisretaeperehttaderiuqersielbacretaepeRenoylno,snoitacilpparetaeperroF)3.)k-g7smeti(etisretaeperehttaderiuqereraselbacrewopowT.)f7roe7smeti(300272LW
36Wavenet Link AX Installation and Operations Manual4.2 Antenna Install and Rough AlignmentRead the instructions completely before assembling or installing the antenna. This installationcan be dangerous and requires qualified personnel familiar with microwave assembly andinstallation.4.2.1 Flat Panel Type Antennas, 6”, 12”, and 24”Table 4.2 reflects  the different flat panel antenna dimensions. Assemble the panel mountaccording to Figure 4.1. Orient Antenna using instructions supplied with the antenna. Antennamodels used with this mount may be circular, square or diamond shaped. To change the offsetof the antenna, unbolt the mount from the antenna, invert the mount and reattach to the antenna.Table 4.2 - Approximation Table of Flat Panel AntennaselytSdnaretemaiDannetnA)iBd(niaG)seerged(htdiwmaeBBd3lenaptalf"65.710.91lenaptalf"21324.9lenaptalf"425.727.4100482LWFigure 4.1 - Antenna Mount2 3/8” (60mm)DIA Mast(2) 1/4” U-Bolt w/Washer, Lockwashersand NutsAzimuth AdjustmentSlotsTop View Optional Mast Clamp Kitfor 1.9” (48mm) DIA thru4.5” (114mm) DIA MastsSide ViewElevationAdjustmentSlotsRear ViewOffset Left Rear ViewOffset RightWL202056
37Wavenet Link AX Installation and Operations ManualAzimuth and Elevation PanningLoosen the Azimuth or Elevation LockingHardware while maintaining sufficientfriction to prevent unwanted slippage.1)Sectional View Looking at Edge of SlotsView Looking Down on SlotsInsert flat blade screw driver into slot“B” and pry in direction of arrow or intoslot “A” and pry in opposite direction.2)Screw DriverFlat BladeABStop prying approximately at positionshown as new overlapping slot in bottomplate becomes sufficiently visible whenviewed through slot “A”.3)ABStop prying approximately at positionshown as new slot in bottom platebecomes sufficiently visible whenviewed through slot “B”. Continuealternating slots and prying in eitherdirection until desired alignment isobtained. Lock down hardware securelybefore leaving site.5)ABInsert screw driver into slot “A” and pryin direction of arrow.4)ABWL266002Figure 4.2 - Adjustable Panel Antenna Mount
38Wavenet Link AX Installation and Operations ManualPolarization arrow,horizontal polarityshownLocation of open drain holesin square or rectangularPanel AntennasLocation of open Drain Hole inround or diamond shapedAntennasAfter orienting the Antenna to its proper polarization,plug all of the Drain Holes, except for lower most DrainHole(s), by inserting Screws with O-rings.Drain HolesEach Panel Antenna has (4) Drain Holes located onthe back of the Antenna.Rear ViewLeft OffsetHorizontal Polarization: Arrow stickershould be pointed in a horizontal direction.Vertical Polarization: Arrow stickershould be pointed in a vertical direction.Antenna PolarizationAssemble antenna to mount using foursets of Nuts and Washers after desiredpolarization is selected.ImportantAfter cable connection is completed,wrap connection with Butyl or otherwaterproof tape, supplied by customer.WL264002Figure 4.3 - Flat Panel AntennaAttach the antenna to the mount as shown in Figure 4.4. For antenna polarization, assemblethe antenna to the mount using four sets of nuts and washers after desired polarization isselected. In horizontal polarization the arrow sticker should be pointed in a horizontal direction.Likewise, in vertical polarization the arrow sticker should be pointed in a vertical position.Important: After cable connection is completed, wrap connection with Butyl or otherwaterproof tape, supplied by the customer.Each panel antenna has four factory sealed drain holes located on the back of the antenna. Afterorienting the antenna to its proper polarization, the lower most sealed drain hole(s) must bepunctured with a pointed tool. See Figure 4.4.Caution: Do not allow the tool to protrude into the drain hole more than 1/4” (7mm) or damageto the antenna may result.
39Wavenet Link AX Installation and Operations ManualSide ViewWL266001Elevation Adjustment:1/4” Carriage Bolts with Washers,Lockwashers and Nuts (2) placesCut excess clampif necessaryClamp Kit for 1.9 (50mm) dia.thru 4.5 (115mm) dia. MastsTo change offset:Unbolt mount from Antenna,invert mount and reattachto Antenna.To obtain  ±20˚ elevation on a1’ (.3m) Antenna, with Mastdiameters > 2.4” (60mm)the Mast must not extendbeyond 2.5” (65mm).*Top ViewRear ViewLeft OffsetRear ViewRight OffsetOrient antenna using instructionssupplied with panel. Antennamodels used with this mount maybe circular, square or diamondshaped.2.5” *(65mm)Figure 4.4 - Adjustable Panel Antenna Mount
40Wavenet Link AX Installation and Operations ManualWL266003Install two boltsfrom square hole side,on each side2 flat washers2 lock washes2 nuts4)Remove cardboard strips5)Rotate bracketto vertical2)Align square holewith round hole3)Remove 2 bolts(keep all parts)1)Figure 4.5 - 24” Flat Panel Quick Align Mount
41Wavenet Link AX Installation and Operations ManualFigure 4.6- 24” Diameter AntennaWL202027JHBAPKGQDCelytSdnaretemaiDannetnA)iBd(niaG)seerged(htdiwmaeBBd3cilobarap"21cilobarap"421.821.6*cilobarap"842.031.3.tnailpmocCCFtoneradna,ylnoASUehtedistuoesuroferasannetnahsid"84ehT*200482LWTable 4.3 - Approximation Table of Parabolic Antennas4.2.2 Parabolic Type Antennas, 12”, 24” and 48”Site Planning1. For antenna mounting and planning dimensions, see Figure 4.6 and Table 4.4.2. The antenna is normally assembled with an elevation adjustment range of +50 degrees to-5 degrees. By inverting the mount, it can be assembled with a +5 degree to -50 degreerange. In either configuration, the antenna centerline can be offset right or left, relative tothe vertical mast pipe (See Figure 4.6) by inverting the Horizontal Tube Assembly.Table 3.3 reflects the different parabolic antenna dimensions.
42Wavenet Link AX Installation and Operations ManualTable 4.4 - 24” Diameter Antenna DimensionsnoisnemiDnoitpircseDannetnA)m6.0(.tf2AhtgneLtnuoM)mm075("4.22BtnioPtoviP)mm501("2.4CtesffOeniLretneC)mm521("0.5DturtStnuoMlatnoziroHA/NEturtStnuoMlacitreV.tP.tvP)mm571("8.8FturtSediSdexiFlatnoziroHA/NGenilretneCannetnA)mm543("6.31HhtgneLrotcelfeR)mm513("3.21JhtgneLduorhStrohS)mm023("5.21htgneLduorhSgnoL)mm583("1.51KretemaiDannetnA)mm016("0.42L)dradnatS(htgneLemodaR)mm043("4.31NhtpeDturtStnuoMA/NPxetreVrotcelfeR)mm091("6.7QretemaiDtsaM)mm511-06("5.4"4.2egnaRelbatsujdAhtumizA °5±segnaRtnemtsujdAnoitavelE °5-/°05+820202LW
43Wavenet Link AX Installation and Operations ManualFigure 4.7 - Mount ConfigurationWL202029and Nut (4)3/8” (10mm)Round HeadScrew Lockwasherø 2.4”- 4.5”(60-115mm)Shear StopCollarElevationPlateUnpacking and Preparation1. Carefully unpack the reflector, mount, shroud (if any), radome (if any) and feed from thecrate. For correct antenna performance, handle all components with care. Set aside thepackaged feed and any shroud or radome. See Figures 4.8 through 4.11.Caution: The reflector spinning has been formed to a very close-tolerance parabolic shape.Careful handling and assembly is required to avoid denting or deforming the reflector,which would degrade the antenna's performance.2. Inspect for any damaged parts. See Tables 4.5a-4.5d for an inventory of the parts andhardware shipped with the antenna.Shroud AttachmentAttach the shroud assembly that is provided with high-performance antennas to the reflector.The installation procedure is covered by another instruction sheet supplied with the shroud.Note: Some models have the shroud factory installed.
44Wavenet Link AX Installation and Operations ManualTable 4.5a - Contents List, Mount AssemblyrebmuNtraPnoitpircseDytQ105-57652ylbmessAepiPlaitnaziroH 1505-52752ylbmessAgnipmalCtsaM 12-61322vlaGdoRdedaerhT25-52542"1flaHpmalCtsaM11210GWFvlaGrehsaW21210GUNvlaGrehsaW6905-52732vlaGrehsaWtilpS4905-52732yssAgnipmalCtsaM 12-61322vlaGdoRdedaerhT28-52542flaHpmalCtsaM10210GWFvlaGrehsaW20210GUNtuNxeH60900GWSvlaGrehsaWtilpS4405-72752yssApotSraehS 13-5832doRdedaerhT22-52542trohS-flaHpmalCZA20310XUNtuNxeH60900GWSvlaGrehsaWtilpS4305-03752yssAdoRnoitavelE 16-11632doRnoitavelE1105-24832yssAtkrBdoRnoitavelE11-66652elgnAtroppuSnoitavelE10800GOBvlaGtloBxeH10210GWFvlaGrehsaW10410GWFvlaGrehsaW10210GUNvlaGtuNxeH15910XUNSStuNxeH40900GWSvlaGrehsaWtilpS10010GWSvlaGrehsaWtilpS1430202LW
45Wavenet Link AX Installation and Operations ManualTable 4.5b - Contents List, Mount AssemblyrebmuNtraPnoitpircseD.ytQ105-33752 tiKerawdraHtnuoM145-94701.vlaGtloB-U22-16532recapS25000MDAebuT.zo1ezieS-itnA11290XOBtloBxeH60210GWFrehsaW405000XWFrehsaW210210GUN.vlaGtuNxeH40600XUN.vlaGtuNxeH60900GNPtunlaP40500XWS.vlaGrehsaWtilpS61-09562 etalPnoitavelE11-19562 etalPhtumizA16811XOB wercSDHDNR40310XUN tuNxeH40800XWS rehsaWtilpS4232-II snoitcurtsnInoitallatsnI1530202LWTable 4.5d - Contents List, Reflector AssemblyTable 4.5c - Contents List, Feed AssemblyrebmuNtraPnoitpircseD.ytQkcehC3-23832A2-nepO'2ES.yssA.lfeR1030202LWrebmuNtraPnoitpircseD.ytQ1-63752pmalCgnitnuoMdeeF4305-61762058.5-052.5A/SdeeF10715TDA071SSD'04x8//7x61/3lytuBkcarTRR10500XWF560.x437.0W"4/1rehsaW4122-IIsnoitcurtsnInoitallatsnI10600XUNtuNxeH40500XWSrehsaWtilpS4130202LW
46Wavenet Link AX Installation and Operations ManualFigure 4.8 - Mounting Hardware PackedFigure 4.9 - Mounting Hardware UnpackedWL202032Feed HornAssemblyMountingHardwareWL202033
47Wavenet Link AX Installation and Operations ManualFigure 4.10 - Parabolic ReflectorFigure 4.11 - Unpacking the RadomeWL202036ParabolicReflectorWL202037
48Wavenet Link AX Installation and Operations ManualFigure 4.12 - Antenna Mount AssemblyMount Assembly and Attachment1. The reflector should be placed face down, either on the shroud or blocked up on packinglumber. Locate the Top and Bottom markings stenciled onto the back of the reflector.2. Loosely attach Top Support Angles to the Horizontal Tube Assembly as shown in Figure4.12 and 4.13.3. For desired mount configuration (refer to Figure 4.7), attach the Vertical Tube Assemblyto the Horizontal Tube Assembly as shown in Figure 4.12 and 4.13.4. Verify proper assembly of the elevation rod hardware as shown in Figure 4.14. Removeouter hardware and insert rod through elevation plate.Important: For elevation angles grater than ±20°, Beveled Washers, shown in Figure 4.14,must be used. However, beveled washers may be used for elevation angles greater than±10°.5. Carefully place mount assembly onto antenna backring, taking care not to damage thereflector. Loosely fasten the Top Support Angles and the Elevation Support Angle to theantenna backring using 1/2” hardware as shown in Figure 4.12.6. Verify alignment of the Vertical Assembly with the vertical axis of the reflector and securethe Top Support Angles and the Elevation Support Angle to the ring.WL202038and Nut (4)3/8” (10mm)Round HeadScrew Lockwasherø 2.4”- 4.5”(60-115mm)Shear StopCollarElevationPlate
49Wavenet Link AX Installation and Operations ManualFigure 4.14 - Elevation Rod AssemblyFigure 4.13 - Antenna Mount AssemblyWL202039WL202040Secure Antenna to MastPipe using large andsmall Mast ClampsAttach Shear StopCollar on Mast Pipe sothat it will be UnderAzimuth PlatePosition Elevation Plateon the Mast so elevationscrew is horizontal whenAntenna is aligned
50Wavenet Link AX Installation and Operations Manual Feed InstallationFollowing the instructions provided with the feed assembly, install the feed in the reflector. Referto Figures 4.15 through 4.20.Figure 4.15 - Feed Horn InstallationWL2830011/4-20 RND. HD.Screw w/ SplitLockwasher onfront of Reflector1/4-20 Hex Nuttighten securelySee View A-ABelowInsert feed from rearorient in desiredpolarization Assemblehardware asshown in fourlocationsGraphite Grease(packed w/Antenna Mount)1/4-20 Hex Nut,Lockwasher,Flat WasherFeed Support ClampReflectorTo avoid distortingreflector do notovertighten clampsCaution:Feed PolarizationHorizontalHVHVerticalVOptional PortlocationView A-AReflectorcenter holeAlign face of nutsw/ edge of hole
51Wavenet Link AX Installation and Operations ManualFigure 4.16 - Feed Horn Polarization MarkingsFigure 4.17 - Parabola Rear View Showing Polarization Reference MarkersWL202042Feed HornPolarizationMarkingsWL202043HorizontalPolarizationMarkingVerticalPolarizationMarking
52Wavenet Link AX Installation and Operations ManualFigure 4.18 - Feed Horn InstallationFigure 4.19 - Feed Horn Installation for Vertical Polarized OperationWL202045WL202044
53Wavenet Link AX Installation and Operations ManualFigure 4.21 - Azimuth Adjustment Clamp AssemblyRadome InstallationMolded Radomes (normally optional on standard antennas) should be installed following theinstructions provided.Azimuth Adjustment Clamp/Shear Stop Installation1. Verify proper assembly of the azimuth clamp/shear stop clamp as shown in Figure 4.20 and4.21. Securely attach the shear stop clamp to the mast pipe as shown, orienting it as nearlyas possible to the antenna boresight direction, and square to the mast axis. Note that theshear stop clamp used on the two foot antennas also provides the azimuth adjustment.2. Refer to Figure 4.6 for the position of the antenna centerline relative to the shear stopclamp. The clamp must be mounted to provide support during installation and azimuthadjustment.Figure 4.20 - Azimuth Clamp/Shear Stop Assembly3/8” (10mm)Round HeadScrew Lockwasherand Nut (4)ø 2.4” - 4.5”(60-115mm)WL202046WL202047
54Wavenet Link AX Installation and Operations ManualAntenna Hoisting and Installation1. Attach a hoist strap around the vertical assembly or the horizontal assembly as shown inFigure 4.22. Do not hoist by the elevation rod. Make sure that the vertical assembly isunobstructed where it will mount against the mast pipe.2. Attach tag lines and carefully lift the antenna into position, resting the vertical assembly onthe shear stop clamp.3. Fasten the mount to the mast pipe with 1/2” U-bolts. The antenna must be free to rotateduring azimuth adjustment, so tighten only enough to close the gap between the mast andvertical channel. Do not leave the antenna loose for any extended period of time, i.e.overnight.Figure 4.22 - Hoisting the AntennaWL2020485”(127mm)
55Wavenet Link AX Installation and Operations ManualGeneral Antenna Alignment ProceduresNormally the antenna is aligned by performing azimuth and elevation adjustments andelevation adjustments as necessary until the peak signal is obtained. It may be helpful to re-peak one adjustment before finalizing or locking down the other.Warning:  Damage to the antenna can occur if azimuth or elevation adjustments areattempted without loosening the proper connections as described in the following steps.Azimuth Adjustment1. Be sure the mast pipe U-bolts are just loose enough to allow mount rotation whilemaintaining complete contact between the mount and the mast pipe.2. Turn the long stainless steel azimuth screws against the mounting channel. By alternatelyturning one azimuth adjustment screw out and the other in, the antenna can be rotated tothe desired azimuth angle. Approximately 1 turn changes the azimuth direction by 1°. Avoidadjusting the antenna beyond the ±5° provided by the azimuth clamp as this can damagethe adjusting hardware. Fasten the antenna to the mast pipe and reposition the clamp ifneeded.Note: By securing the mount to the mast pipe and realigning the azimuth clamp with theantenna boresight, more reliable and precise azimuth adjustments can be achieved.After all adjustments are made, tighten both of the azimuth screws against the channel andsecure with the lock nuts provided.3. Tighten the mast pipe U-bolts while maintaining the peak signal by alternating from left toright in 1/4 turn intervals.Elevation Adjustment1. Insure that both of the bolts connecting the mount to the Top Support Angles and thepivoting Elevation Angle (refer to Figures 4.12 and 4.14) are just loose enough to allowresisted rotation.2. Back the outer nuts on the elevation rod away from the bottom mount plate to allow somefine adjustment range.3. Turn the inside nut (with flat washer) on the elevation rod to adjust the elevation angle.Approximately  5 turns changes the elevation by 1°. Remember, for elevation greater than20°, install the two beveled washers as shown in Figure 4.14.4. After all adjustments are made, lock the nut against the bottom mount plate. Tighten theangle pivot bolt and support bracket bolts.Important: Be sure to tighten all hardware after final adjustments and insure that splitlockwashers, palnuts, or jam nuts are used where provided.
56Wavenet Link AX Installation and Operations ManualTable 4.6 - Nut Tightening ProceduresInspection and Maintenance1. Before leaving the installation, check that all hardware on the mount, shroud, radome, andfeed is tight and that nuts are locked in place.2. Inspection of the antenna should be performed at lease once a year to check its conditionand to insure safe operation and maintenance. Qualified personnel, knowledgeable andexperienced in antenna installations, are required for this inspection.Supplemental InformationTable 4.6 is provided for installers unfamiliar with adequate nut tightening procedures for useon stainless steel bolts, U-bolts, galvanized bolts or any bolts without the ASTM-”A325” markingon the head. Disregard these recommendations when specific tightening requirements aregiven.Note: It is not recommended to reuse a palnut that has already been fully tightened ordeformed in any way. It should be replaced by a new palnut.Weather Proofing the Type N Female Connector on FeedsRemove the protective cover from the end of the feed and mate the connectors, screwing themale connector firmly onto the feed.Important: After connecting the coaxial cable, wrap the Type N connector with the gray butylrubber, squeezing it firmly around all joints to make a continuous seal. Finish theweatherproofing by wrapping the butyl rubber with several layers of black PVC tape (notsupplied).eziStloBlanimoNeuqroTtuNeuqroTtunkcoLtunlaP"4/1.bl/.ni05.bl/.ni04"61/5.bl/.ni201.bl/.ni06"8/3.bl/.tf51.bl/.ni58"61/7.bl/.tf42.bl/.tf51"2/1.bl/.tf73.bl/.tf61"8/5.bl/.tf47.bl/.tf82"4/3.bl/.tf571.bl/.tf44"8/7.bl/.tf212.bl/.tf15"1.bl/.tf813.bl/.tf95940202LW
57Wavenet Link AX Installation and Operations ManualTop ViewSide View Rear View (Left Offset)* Rear View (Right Offset)** To change offset, invert Antenna.WL264001ElevationAdjustmentSlotsSaddle BracketMast Clamp Kit for1.9 (48mm) thru4.5 (114mm) dia. Masts Re-Assemble Mast Clamp Kitas shown for 1.9 (48mm) dia. MastsAzimuthAdjustmentSlotsFigure 4.23 - Adjustable Parabolic Antenna Mount
58Wavenet Link AX Installation and Operations ManualReflectorWL265001HorizontalHVHVerticalVOptional PortlocationAssemble 6-32 screws and clamps to feed(4) places.1)Orient clamps to retracted position.2)Insert feed through front of reflector.3)Orient clamps to extended position, rotatefeed for proper polarization and tightenclamp screws.4)Feed PolarizationRear View of FeedFigure 4.24a - Feed Assembly Plane Polarized
59Wavenet Link AX Installation and Operations Manual2 3/8” (60mm)dia Mast(2) 1/4” U-Bolt w/Washer, Lockwashersand NutsAzimuthAdjustmentSlotsTop ViewWL265002Re-Assemble MastClamp Kit as shown for1.9 (48mm) dia. MastsElevationadjustmentslotsSide View Rear ViewLeft Offset Rear ViewRight OffsetOptional Mast Clamp Kitfor 1.9 (48mm) dia. thru4.5 (114mm) dia. MastsFigure 4.24b- Feed Assembly Plane Polarized
60Wavenet Link AX Installation and Operations Manual4.2.2 Wall MountFigure 4.25 - Ground ConnectionTBA
61Wavenet Link AX Installation and Operations Manual4.3 RF Cable Install and SealWI291001Wrap material around theconnector and onto theCoax as shownThe Sealing Materialwill bond to theconnector and CoaxCable providing amoisture barrierConnectorSeal Material Coax12 Figure 4.26 - RF Cable Install and Seal
62Wavenet Link AX Installation and Operations Manual
63WaveNet Link AX Installation and Operations Manual5.0 Maintenance and TroubleshootingThe Link AX contains static sensitive components, and has no user-serviceable parts.5.1 Link AX MaintenanceThe Link AX is designed to operate with no scheduled maintenance activities.  Wireless Inc.recommends a bi-annual inspection of the following to ensure peak operating performance:a) Verification of RSSI voltageb) Examination of the antenna mount and ensure mounting hardware is securec) Examination of “siamesed” cable for signs of unusual wear or teard) Check all connections and verify all are securee) Verify power supply voltages are within tolerance5.1.1 RSSI VoltageThe Wireless Customer Service department recommends a quarterly check of the Link AX’sRSSI voltage. Variations in the RSSI voltage could be an indicator of antenna or antenna feedmovement, loose or improper RF cabling or connectorization, path obstructions or reflections,etc.
64WaveNet Link AX Installation and Operations Manual5.2 Where To Get Further AssistanceYour primary source of assistance is the support staff of the organization from which youpurchased this product. The Wireless, Inc. support staff should only be contacted directly if youpurchased this product directly from Wireless, Inc., or if you are unable to obtain sufficientassistance from your primary support contact.General Product and Company InformationWireless, Inc.5452 Betsy Ross DriveSanta Clara, CA 95454-1101USATel.: +408 727 8383Fax: +408 727 1259E-mail: info@wire-less-inc.comWebsite: www.wire-less-inc.comDetailed Product Information, Sales/Pricing Information and Pre-Sales TechnicalSupportWireless, Inc.Sales Department5452 Betsy Ross DriveSanta Clara, CA 95054-1101USATel: +408 727 8383Fax: +408 727 0990E-mail: sales@wire-less-inc.comWebsite: www.wire-less-inc.comPost-Sales Technical Support (Customer Service)To assist you with field issues and, if necessary, to arrange for repair services, Wireless, Inc.'sCustomer Service department can be reached via telephone, facsimile, e-mail, mail, or throughour Website.
65WaveNet Link AX Installation and Operations Manual5.3 Return ProcedureAll material returned to Wireless, Inc. must be accompanied by a Return Material Authorization(RMA) number from Wireless, Inc.'s Customer Service department. If you purchased yourWireless, Inc. product through a distributor, the Wireless RMA number should be obtainedthrough the distributor. An RMA number is necessary to assure proper tracking and handlingof returned material at the factory. Wireless, Inc. reserves the right to refuse shipments notaccompanied by an RMA number. Refused shipments will be returned to the shipper via collectfreight.To obtain an RMA number, contact Wireless, Inc. as follows:Telephone: +408 727 8383Fax: +408 727 1259E-mail: customerservice@wire-less-inc.comThe following information will be required to issue an RMA number:•Part Number•Serial Number•Failure Description•Contact person, telephone, and fax numbers•Ship-to address•Bill-to address*•Customer purchase order* (P.O.) or reference number* Required for non-warranty repair services. For non-warranty repair services, an RMAnumber will be issued when Wireless, Inc. acknowledges the purchase order.Important - All non-U.S. returns must include 5 copies of proforma/customs invoice for eachshipment which lists:•RMA number•Value of items•Description of items (including the Wireless model or part number)Please send all returns to:Wireless, Inc.Attn: RMA Department5452 Betsy Ross DriveSanta Clara, CA 95054-1101USARMA No. __________The customer is responsible to properly label and package repairs and prepay shipping toWireless, Inc. If possible, the original packaging material should be used to return electronicparts. The RMA number must be visible on the outside of all packages returned. Unless otherarrangements have been made, all repairs are shipped back to the customer prepaid via groundcarrier.
66WaveNet Link AX Installation and Operations Manual
A-1WaveNet Link AX Installation and Operations ManualAppendix A Grounding Practices and LightningProtection InformationGeneralGood grounding (“earthing”) practices, when used in telecommunications, have some directbenefits which can help you maximize the up time of your system as well as ensure the safetyof those people working on the system. Among these benefits are:1. Protection of personnel from electric shock and fire hazards.2. Reduction of radiated and conducted electromagnetic susceptibility.3. Improved system tolerance to discharge of electrostatic energy and lightning interference.4. Minimized service interruptions and service damage.There is no practice or formula which can completely eliminate the above risks, but we atWireless, Inc. believe that good grounding and bonding practices can significantly reduce therisk of many of these hazards. We have included a bibliography at the end of this appendix whichcontains several publications that are readily available and contain detailed information onmany aspects of grounding systems and their design, implementation, measurement, andmaintenance.Please note that every telecommunication site is unique, and must be evaluated accordingly.The following information is provided for generic reference and educational purposes only. Thegrounding plans and practices for a given site should only be established and accomplished bytrained professionals, working in accordance with local practices and regulations.Ground ConnectionsThere should be a grounding plan designed at the outset of site design in order to provide thebest grounding procedures and to minimize ground loop currents. This should be achieved byconnecting the outer conductors of the cables through a large section copper strap to a centralgrounding point and the size of the conductor should be increased as each branch path isadded. The final conductor should be connected directly to the grounding system. For a radiosite a single copper grounding rod is insufficient because its impedance is likely to be too high.Lightning ProtectionRadio sites can be particularly prone to lightning strikes by virtue of their normally exposedlocations and the presence of relatively tall antenna support structures.It is not possible to provide and guarantee complete protection from the effects of lightning;however, they can be significantly reduced by careful attention to grounding, protectiondevices, and the layout of the site itself.Reference should also be made to various publications, some of which are listed in theBibliography. Where any site owner or user is in doubt about the protection requirements for anyparticular location, the appropriate authority should be consulted.
A-2WaveNet Link AX Installation and Operations ManualProtection ArrangementsThe purpose of any protection arrangement should be to provide a suitable path to ground forthe lightning current, to ensure adequate bonding between structures and all metalwork on thesite and the common grounding system in order to reduce the side flashing, and to attempt toprevent the entry of flashes or surges into the building.The resistance to ground should be kept to a minimum and a value of less than 10-ohms isrecommended. The most important feature is that the system should ideally be at equalpotential across the entire site.Certain authorities and service providers have their own particular practices which have to befollowed where applicable.Arrangements will vary considerably from very simple sites to complicated sites with multiplebuildings, antenna support structures and associated equipment, and may involve integrationwith existing systems. Such systems may require upgrading.Lightning conductorsDown conductors, bonding interconnections, ground rings and radial tapes should be ofuninsulated 000 AWG copper cable or solid copper tape with a minimum cross section of 25 x3 mm with all connections protected by non reactive paste.Protected test points should be included if appropriate, and sacrificial ground lugs should beclearly marked and easily accessible for periodic inspection.Grounding of antenna support structuresA structure will generally act as its own lightning conductor and therefore will not require anadditional conductor from the top to the base. A lightning rod may be required to extend the zoneof protection to protect equipment mounted on the top of the structure. The lightning rod shouldextend 2.5-meters above the highest equipment.Ground mounted support structures should be connected at their base to a ground ring viasacrificial ground lugs. Towers should have a connection from each leg.A ground ring should consist of copper cable or solid copper tape with ground rods equallyspaced at 2-meter intervals around the base of the structure as close to it as possible, buriedapproximately 0.6-meters deep where soil conditions allow. An alternative method using radialsrather than rings is detailed in “The ‘Grounds’ for Lightning and EMP Protection”, secondedition, published by PolyPhaser Corporation.The ground ring should be connected to the main building ground by the most direct route,buried as appropriate.Roof mounted structures should be connected to the main building ground by the most directroute using sacrificial lugs and copper cable or tape as appropriate. Tower guy wires should bedirectly bonded at their lowest point to a suitable ground electrode or connected to the siteground by the most direct route.
A-3WaveNet Link AX Installation and Operations ManualGrounding of feedersAll antenna feeders should be bonded to the tower at the upper and lower ends and groundedat the point of entry into the building. Weatherproof grounding kits are available from antennamanufacturers.Note: Many of the cables used by Wireless, Inc. have braided rather than solid outerconductors; this type of grounding is not appropriate. In these cases we recommend theuse of Wireless, Inc. approved lightning arrestors. For information on lightning arrestors,please contact Wireless, Inc.’s Customer Service department.Grounding of buildingsA ground ring ideally should surround the building and be connected to individual groundsassociated with feeder entry, antenna support structure, building lightning conductor, equip-ment room, main AC supply and other facilities. Each connection should be made by the mostdirect route in order to minimize interaction between the different grounding functions.The ground ring should consist of copper cable or tape with electrodes 2- meters or greater inlength, buried to a depth of 0.6-meters and at a distance from the building not to exceed 1-meter.Buildings may require lightning rods where they are not within the zone of another protectedstructure.BibliographyITU - T K.40 Protection against LEMP in telecommunications centresITU - T K.27 Bonding configurations and earthing inside a telecommuni-cation buildingITU - T K.35 Bonding configurations and earthing at remote electronicsitesITU - T K.39 Risk assessment of damages to telecommunications sitesdue to lightning dischargesITU - T Lightning Handbook The protection of telecommunication lines and equipmentagainst  lightning dischargesIEEE Emerald Book - Powering and GroundingThe “Grounds” for Lightning and EMP Protection, second editionPublished by PolyPhaser Corporation
A-4WaveNet Link AX Installation and Operations Manual

Navigation menu