Wireless N2WLAX-5G3 UNII WLAN User Manual SYSTEM CONFIGURATION DIAGRAM FOR OUTDOOR USE
Wireless Inc UNII WLAN SYSTEM CONFIGURATION DIAGRAM FOR OUTDOOR USE
Wireless >
Contents
- 1. USER MANUAL
- 2. SYSTEM CONFIGURATION DIAGRAM FOR OUTDOOR USE
- 3. Revised page 16 of user manual
- 4. revised page 7 of user manual
- 5. Page from user manual to describe how to prevent user to access dip swithc
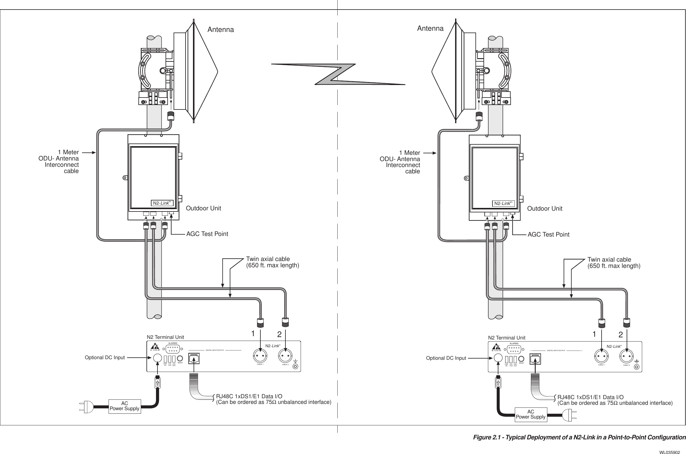
SYSTEM CONFIGURATION DIAGRAM FOR OUTDOOR USE
