Wireless N2WLAX-5G3 UNII WLAN User Manual SYSTEM CONFIGURATION DIAGRAM FOR OUTDOOR USE
Wireless Inc UNII WLAN SYSTEM CONFIGURATION DIAGRAM FOR OUTDOOR USE
Wireless >
Contents
- 1. USER MANUAL
- 2. SYSTEM CONFIGURATION DIAGRAM FOR OUTDOOR USE
- 3. Revised page 16 of user manual
- 4. revised page 7 of user manual
- 5. Page from user manual to describe how to prevent user to access dip swithc
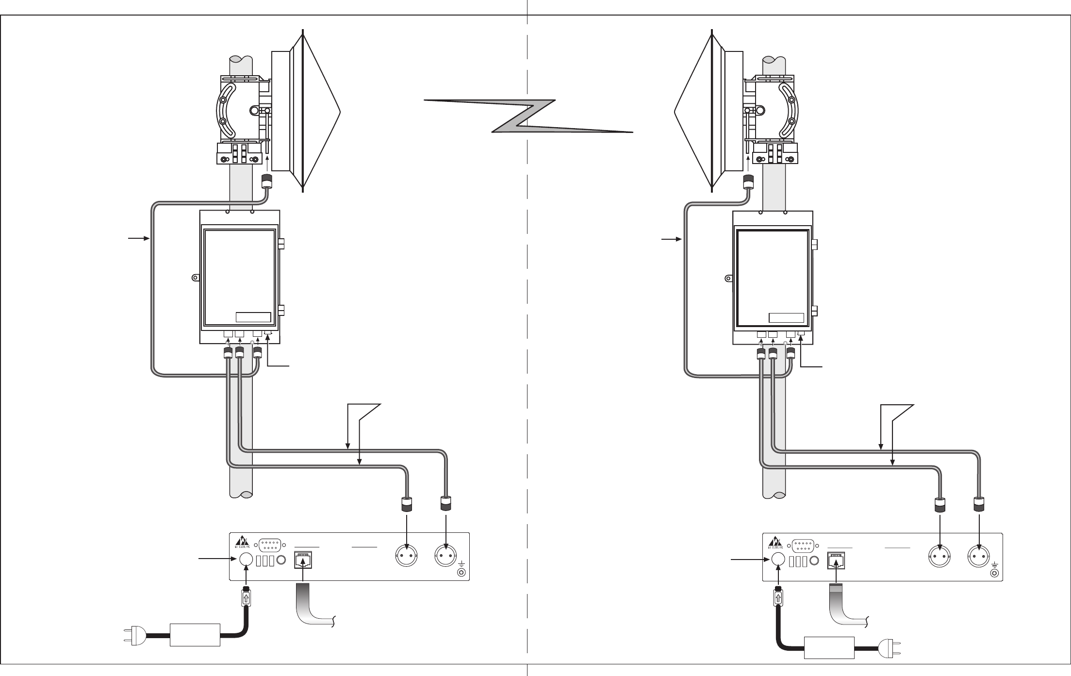
SYSTEM CONFIGURATION DIAGRAM FOR OUTDOOR USE

ALARMS
RESET
PWR
ON LOC
ALM LINK
ALM
DIGITAL INPUT/OUTPUT
1CABLE 1 CABLE 2
N2-
Link
tm
WL035902
12
N2 Terminal Unit
Antenna
Outdoor Unit
Twin axial cable
(650 ft. max length)
1 Meter
ODU- Antenna
Interconnect
cable
Optional DC Input
AGC Test Point
N2-
Link
tm
ALARMS
RESET
PWR
ON LOC
ALM LINK
ALM
DIGITAL INPUT/OUTPUT
1CABLE 1 CABLE 2
N2-
Link
tm
12
N2 Terminal Unit
Antenna
Outdoor Unit
Twin axial cable
(650 ft. max length)
1 Meter
ODU- Antenna
Interconnect
cable
Optional DC Input
AGC Test Point
N2-
Link
tm
AC
Power Supply
Figure 2.1 - Typical Deployment of a N2-Link in a Point-to-Point Configuration
RJ48C 1xDS1/E1 Data I/O
(Can be ordered as 75Ω unbalanced interface)
AC
Power Supply
RJ48C 1xDS1/E1 Data I/O
(Can be ordered as 75Ω unbalanced interface)