Yamaha Pm5D Users Manual PM5D/PM5D RH V2 / DSP5D Ownerユs
Yamaha-Pm5D-Users-Manual-132157 yamaha-pm5d-users-manual-132157
DSP5D Owner's Manual dsp5d_it_om_d1_1005
PM5D/PM5D-RH V2 Owner's Manual pm5dv2_it_om_d1_1005
PM5D to the manual 89c1620d-f0ff-43ef-a284-6fb08581ceb5
2014-12-13
: Yamaha Pm5D-Users-Manual yamaha-pm5d-users-manual-132157 yamaha pdf
Open the PDF directly: View PDF
.
Page Count: 408 [warning: Documents this large are best viewed by clicking the View PDF Link!]
- PRECAUZIONI
- Sommario
- Sezione operativa
- Introduzione
- Ringraziamenti
- Panoramica del sistema PM5D
- Differenze tra il modello PM5D e il modello PM5D-RH
- Informazioni sull'unità DSP5D
- Informazioni su PM5D Editor e DSP5D Editor
- Versioni del firmware
- Nuove funzionalità principali nel firmware PM5D V2.0
- Informazioni sulla sincronizzazione del word clock
- Struttura del presente manuale
- Pannello superiore, frontale e posteriore
- Funzionamento di base della console PM5D
- Collegamento e configurazione
- Operazioni relative ai canali di ingresso
- Operazioni del canale di uscita
- Utilizzo della sezione Selected Channel (Canale selezionato)
- Operazioni di assegnazione input e output
- Raggruppamento e collegamento
- Memoria scene
- Informazioni sulle scene
- Elementi della sezione SCENE MEMORY (MEMORIA SCENE)
- Utilizzo delle memorie scene
- Uso della modalità PREVIEW
- Utilizzo della funzione Auto Store (Salvataggio automatico)
- Utilizzo della funzione Direct Recall
- Utilizzo della funzione Selective Recall
- Utilizzo della funzione Recall Safe
- Utilizzo della funzione Fade
- Utilizzo della funzione Tracking Recall (Richiamo traccia)
- Utilizzo della funzione Global Paste (Incolla impostazioni globali)
- Funzioni Monitor (Monitoraggio) e Cue (Segnale di attivazione)
- Sezioni Talkback e Oscillator
- Indicatori
- Effetti
- Equalizzatore grafico e parametrico
- Controllo remoto
- Utilizzo delle schede di memoria
- Pan surround
- Altre funzioni
- Uso dei tasti definiti dall'utente
- Uso della sezione FADER MODE (MODALITÀ FADER)
- Blocco dell'unità PM5D (Funzioni di sicurezza)
- Utilizzo dei collegamenti in cascata
- Collegamento della console PM5D a un computer tramite USB
- Collegamento della console DSP5D a un computer tramite Ethernet
- Inizializzazione della memoria interna dell'unità PM5D
- Inizializzazione della memoria interna dell'unità DSP5D
- Regolazione dei fader e del guadagno di ingresso/uscita (Calibratura)
- Introduzione
- Sezione Riferimenti
- Informazioni visualizzate sul display
- Menu Function
- Funzioni generali
- Funzioni di output
- Funzioni di input
- Funzione INPUT PATCH (ASSEGNAZIONE INPUT)
- Funzione INPUT HA/INSERT
- Funzione INPUT ø/EQ (Fase/EQ INPUT)
- Funzione INPUT GATE/COMP
- Schermata GATE PARAM (Parametri gate)
- Schermata COMP PARAM (PARAMETRI COMPRESSORE)
- Schermata CH 1-12 (canali Input 1-12)
- Schermata CH 13-24 (canali Input 13-24)
- Schermata CH 25-36 (canali Input 25-36)
- Schermata CH 37-48 (canali Input 37-48)
- Schermata ST IN (canale ST IN)
- Schermata GATE LIBRARY
- Schermata COMP LIBRARY (Libreria compressore)
- Funzione INPUT DELAY (DELAY INPUT)
- Funzione INPUT DCA/ GROUP (INPUT DCA/ GRUPPO)
- Funzione PAN/ROUTING (PAN/INSTRADAMENTO)
- Funzione INPUT VIEW (VISTA INPUT)
- Appendici
- Elenco libreria EQ
- Elenco libreria GATE
- Elenco libreria compressore
- Parametri dinamiche
- Elenco libreria effetti
- Parametri degli effetti
- Tabella Scene Memory (Memoria scene)/Effect Library (libreria effetti) con Program Change
- Parametri che possono essere assegnati a messaggi Control Change
- Assegnazione di parametri a Control Change
- Assegnazioni di parametri NRPN
- Elenco libreria canali
- Elenco di parametri disponibili per le operazioni di Pair, Recall Safe o OUTPUT ISOLATION
- Formato dati MIDI
- Messaggi di avviso
- Messaggi di errore
- Risoluzione dei problemi
- Specifiche generali
- Caratteristiche di input/output
- Caratteristiche elettriche
- Altre funzioni
- Assegnazione Pin
- Dimensioni
- MIDI Implementation Chart
- Indice
- PM5D/PM5D-RH – Diagramma a blocchi
- DSP5D – Diagramma a blocchi
- PM5D – Diagramma dei livelli
- PM5D-RH – Diagramma dei livelli
- DSP5D – Diagramma dei livelli
- PA17

IT
PM5D/PM5D-RH V2
DSP5D
PM5D/PM5D-RH V2
DSP5D
Manuale di istruzioni
Manuale di istruzioni
Manuale di istruzioni
PM5D/PM5D-RH V2 / DSP5D
U.R.G., Pro Audio & Digital Musical Instrument Division, Yamaha Corporation
© 2004 Yamaha Corporation
70?IPD0
Yamaha Manual Library
http://www.yamaha.co.jp/manual/
Yamaha Pro Audio global web site:
http://www.yamahaproaudio.com/

The above warning is located on the rear/top of the unit.
Explanation of Graphical Symbols
The lightning flash with arrowhead symbol
within an equilateral triangle is intended to alert
the user to the presence of uninsulated
“dangerous voltage” within the product’s
enclosure that may be of sufficient magnitude to
constitute a risk of electric shock to persons.
The exclamation point within an equilateral
triangle is intended to alert the user to the
presence of important operating and
maintenance (servicing) instructions in the
literature accompanying the product.
IMPORTANT SAFETY INSTRUCTIONS
1 Read these instructions.
2 Keep these instructions.
3 Heed all warnings.
4 Follow all instructions.
5 Do not use this apparatus near water.
6 Clean only with dry cloth.
7 Do not block any ventilation openings. Install in
accordance with the manufacturer’s instructions.
8 Do not install near any heat sources such as radiators,
heat registers, stoves, or other apparatus (including
amplifiers) that produce heat.
9 Do not defeat the safety purpose of the polarized or
grounding-type plug. A polarized plug has two blades
with one wider than the other. A grounding type plug
has two blades and a third grounding prong. The wide
blade or the third prong are provided for your safety. If
the provided plug does not fit into your outlet, consult
an electrician for replacement of the obsolete outlet.
10 Protect the power cord from being walked on or pinched
particularly at plugs, convenience receptacles, and the
point where they exit from the apparatus.
11 Only use attachments/accessories specified by the
manufacturer.
12 Use only with the cart, stand,
tripod, bracket, or table specified
by the manufacturer, or sold with
the apparatus. When a cart is
used, use caution when moving
the cart/apparatus combination
to avoid injury from tip-over.
13 Unplug this apparatus during
lightning storms or when unused for long periods of
time.
14 Refer all servicing to qualified service personnel.
Servicing is required when the apparatus has been
damaged in any way, such as power-supply cord or plug
is damaged, liquid has been spilled or objects have
fallen into the apparatus, the apparatus has been
exposed to rain or moisture, does not operate normally,
or has been dropped.
(98-6500)
CAUTION: TO REDUCE THE RISK OF
ELECTRIC SHOCK, DO NOT REMOVE
COVER (OR BACK). NO USER-SERVICEABLE
PARTS INSIDE. REFER SERVICING TO
QUALIFIED SERVICE PERSONNEL.
CAUTION
RISK OF ELECTRIC SHOCK
DO NOT OPEN
WARNING
TO REDUCE THE RISK OF FIRE OR ELECTRIC SHOCK, DO NOT EXPOSE THIS APPARATUS TO RAIN OR MOISTURE.
1. IMPORTANT NOTICE: DO NOT MODIFY THIS UNIT!
This product, when installed as indicated in the instructions con-
tained in this manual, meets FCC requirements. Modifications not
expressly approved by Yamaha may void your authority, granted by
the FCC, to use the product.
2. IMPORTANT:
When connecting this product to accessories and/
or another product use only high quality shielded cables. Cable/s
supplied with this product MUST be used. Follow all installation
instructions. Failure to follow instructions could void your FCC
authorization to use this product in the USA.
3. NOTE:
This product has been tested and found to comply with the
requirements listed in FCC Regulations, Part 15 for Class “B” digital
devices. Compliance with these requirements provides a reason-
able level of assurance that your use of this product in a residential
environment will not result in harmful interference with other elec-
tronic devices. This equipment generates/uses radio frequencies
and, if not installed and used according to the instructions found in
the users manual, may cause interference harmful to the operation
of other electronic devices. Compliance with FCC regulations does
* This applies only to products distributed by YAMAHA CORPORATION OF AMERICA. (class B)
not guarantee that interference will not occur in all installations. If
this product is found to be the source of interference, which can be
determined by turning the unit “OFF” and “ON”, please try to elimi-
nate the problem by using one of the following measures:
Relocate either this product or the device that is being affected by
the interference.
Utilize power outlets that are on different branch (circuit breaker or
fuse) circuits or install AC line filter/s.
In the case of radio or TV interference, relocate/reorient the
antenna. If the antenna lead-in is 300 ohm ribbon lead, change the
lead-in to co-axial type cable.
If these corrective measures do not produce satisfactory results,
please contact the local retailer authorized to distribute this type of
product. If you can not locate the appropriate retailer, please con-
tact Yamaha Corporation of America, Electronic Service Division,
6600 Orangethorpe Ave, Buena Park, CA90620
The above statements apply ONLY to those products distributed by
Yamaha Corporation of America or its subsidiaries.
FCC INFORMATION (U.S.A.)

* This applies only to the DSP5D distributed by
YAMAHA CORPORATION OF AMERICA.
COMPLIANCE INFORMATION STATEMENT
(DECLARATION OF CONFORMITY PROCEDURE)
Responsible Party : Yamaha Corporation of America
Address : 6600 Orangethorpe Ave., Buena Park, Calif. 90620
Telephone : 714-522-9011
Type of Equipment : Digital Mixing System
Model Name : DSP5D
This device complies with Part 15 of the FCC Rules.
Operation is subject to the following two conditions:
1) this device may not cause harmful interference, and
2) this device must accept any interference received including interference
that may cause undesired operation.
See user manual instructions if interference to radio reception is sus-
pected.
(FCC DoC)
* This applies only to products distributed by YAMAHA CORPORATION OF AMERICA. (Perchlorate)
This product contains a battery that contains perchlorate material.
Perchlorate Material—special handling may apply,
See www.dtsc.ca.gov/hazardouswaste/perchlorate.
ADVARSEL!
Lithiumbatteri—Eksplosionsfare ved fejlagtig håndtering. Udskiftning
må kun ske med batteri af samme fabrikat og type. Levér det brugte
batteri tilbage til leverandoren.
VARNING
Explosionsfara vid felaktigt batteribyte. Använd samma batterityp eller
en ekvivalent typ som rekommenderas av apparattillverkaren.
Kassera använt batteri enligt fabrikantens instruktion.
VAROITUS
Paristo voi räjähtää, jos se on virheellisesti asennettu. Vaihda paristo
ainoastaan laitevalmistajan suosittelemaan tyyppiin. Hävitä käytetty
paristo valmistajan ohjeiden mukaisesti.
(lithium caution)
NEDERLAND / THE NETHERLANDS
• Dit apparaat bevat een lithium batterij voor geheugen back-up.
• This apparatus contains a lithium battery for memory back-up.
• Raadpleeg uw leverancier over de verwijdering van de batterij op het
moment dat u het apparaat ann het einde van de levensduur afdankt
of de volgende Yamaha Service Afdeiing:
Yamaha Music Nederland Service Afdeiing
Kanaalweg 18-G, 3526 KL UTRECHT
Tel. 030-2828425
• For the removal of the battery at the moment of the disposal at the
end of the service life please consult your retailer or Yamaha Service
Center as follows:
Yamaha Music Nederland Service Center
Address : Kanaalweg 18-G, 3526 KL UTRECHT
Tel : 030-2828425
• Gooi de batterij niet weg, maar lever hem in als KCA.
• Do not throw away the battery. Instead, hand it in as small chemical
waste.
(lithium disposal)
This product contains a high intensity lamp that contains
a small amount of mercury. Disposal of this material
may be regulated due to environmental considerations.
For disposal information in the United States, refer to
the Electronic Industries Alliance web site:
www.eiae.org
(mercury)* This applies only to the PM5D (PM5D-RH) distributed by
YAMAHA CORPORATION OF AMERICA.
IMPORTANT NOTICE FOR THE UNITED KINGDOM
Connecting the Plug and Cord
WARNING:
THIS APPARATUS MUST BE EARTHED
IMPORTANT. The wires in this mains lead are coloured in accordance
with the following code:
GREEN-AND-YELLOW : EARTH
BLUE : NEUTRAL
BROWN : LIVE
As the colours of the wires in the mains lead of this apparatus may not
correspond with the coloured markings identifying the terminals in
your plug proceed as follows:
The wire which is coloured GREEN-and-YELLOW must be connected
to the terminal in the plug which is marked by the letter E or by the
safety earth symbol or colored GREEN or GREEN-and-YELLOW.
The wire which is coloured BLUE must be connected to the terminal
which is marked with the letter N or coloured BLACK.
The wire which is coloured BROWN must be connected to the termi-
nal which is marked with the letter L or coloured RED.
(3 wires)• This applies only to the DSP5D distributed by
YAMAHA CORPORATION OF AMERICA.

4
PM5D/PM5D-RH V2/DSP5D – Manuale di istruzioni
PRECAUZIONI
LEGGERE ATTENTAMENTE PRIMA DI CONTINUARE
* Conservare questo manuale in un luogo sicuro per future consultazioni.
AVVERTENZA
Attenersi sempre alle precauzioni di base indicate di seguito per evitare il rischio di lesioni gravi o addirittura di morte
conseguente a scosse elettriche, cortocircuiti, danni, incendi o altri pericoli. Tali precauzioni includono, fra le altre,
quelle indicate di seguito:
• Utilizzare solo la tensione corretta specificata per il dispositivo. La tensione
necessaria è indicata sulla piastrina del nome del dispositivo.
• Utilizzare solo l'adattatore specificato (PW800W o un prodotto equivalente
consigliato da Yamaha).
• (Solo DSP5D) Utilizzare solo il cavo di alimentazione in dotazione.
Se si intende utilizzare il dispositivo in un paese diverso da quello di acquisto, il
cavo di alimentazione fornito potrebbe non essere utilizzabile. Per ulteriori
informazioni, contattare il rivenditore Yamaha.
• Non posizionare il cavo di alimentazione in prossimità di fonti di calore, quali
radiatori o caloriferi. Non piegarlo eccessivamente né danneggiarlo. Non
posizionare oggetti pesanti sul cavo, né collocarlo in luoghi dove potrebbe
essere calpestato.
• (Solo DSP5D) Collegare il cavo a una presa appropriata dotata di messa a terra.
Una messa a terra non corretta potrebbe causare scosse elettriche.
• Non aprire il dispositivo né smontare o modificare in alcun modo i componenti
interni. Il dispositivo non contiene componenti riparabili dall'utente. In caso di
malfunzionamento, non utilizzare lo strumento e richiedere l'assistenza di un
tecnico autorizzato Yamaha.
• Non esporre il dispositivo alla pioggia, né utilizzarlo in prossimità di acqua o in
condizioni di umidità. Non posizionare sullo strumento contenitori con liquidi.
Un'eventuale fuoriuscita di liquido potrebbe penetrare nelle aperture dello
strumento.
• Non inserire o rimuovere la spina elettrica con le mani bagnate.
• In caso di danneggiamento del cavo di alimentazione o della spina, di
improvvisa scomparsa del suono durante l'utilizzo o di presenza di odori insoliti
o fumo, spegnere immediatamente il dispositivo, scollegare la spina elettrica
dalla presa e richiedere l'assistenza di un tecnico autorizzato Yamaha.
• In caso di caduta o danneggiamento del dispositivo o dell'alimentatore,
spegnere immediatamente il dispositivo, scollegare la spina dalla presa e
richiedere l'assistenza di un tecnico autorizzato Yamaha.
ATTENZIONE
Attenersi sempre alle precauzioni di base elencate di seguito per evitare lesioni personali o danni al dispositivo o ad
altri oggetti. Tali precauzioni includono, fra le altre, quelle indicate di seguito:
• Se si prevede di non utilizzare il dispositivo per un lungo periodo di tempo o in
caso di temporali, rimuovere la spina dalla presa elettrica.
• Per scollegare il cavo di alimentazione dal dispositivo o dalla presa elettrica,
afferrare sempre la spina e non il cavo, per evitare di danneggiarlo.
• Spegnere e accendere il PM5D utilizzando esclusivamente l'interuttutore
POWER dell'alimentatore PW800W. L'accensione e lo spegnimento del PM5D
mediante l'inserimento o la rimozione del cavo di alimentazione, mediante
l'interruttore di una presa multipla, di un impianto salvavita o mezzi simili
potrebbe causare dei danni.
• Le operazioni di trasporto o di spostamento del dispositivo devono essere
eseguite da almeno quattro persone (PM5D) o da almeno due persone
(DSP5D). Il sollevamento del dispositivo da parte di una sola persona potrebbe
causare lesioni alla schiena, altri tipi di lesioni o danni al dispositivo stesso.
• Prima di spostare il dispositivo, scollegare tutti i cavi.
• Durante il montaggio del DSP5D, accertarsi che l'interruttore del pannello
frontale possa essere acceso e spento in modo agevole. In caso di problemi o
malfunzionamenti, spegnere immediatamente il dispositivo e scollegare la spina
dalla presa elettrica.
• Se il DSP5D viene montato in un rack EIA standard, lasciare aperta la parte
posteriore del rack e assicurarsi che questo sia posizionato ad almeno 10 cm di
distanza dalle pareti o dalle altre superfici. Inoltre, se il DSP5D viene montato
con apparecchiature che tendono a generare calore, come ad esempio gli
amplificatori, assicurarsi che la distanza fra il DSP5D e tali apparecchiature sia
adeguata oppure installare sistemi di ventilazione per evitare lo sviluppo di alte
temperature all'interno del DSP5D.
Una ventilazione non adeguata può causare surriscaldamento, con conseguenti
danni al dispositivo o incendi.
• Non utilizzare il DSP5D in locali angusti e scarsamente ventilati. Se il DSP5D
viene utilizzato in uno spazio ristretto diverso dal rack EIA standard, assicurarsi
che la distanza fra il DSP5D e le pareti, le superfici circostanti o gli altri
dispositivi sia sufficiente: almeno 10 cm nella parte posteriore e 10 cm nella
parte superiore. Una ventilazione non adeguata può causare surriscaldamento,
con conseguenti danni al dispositivo o incendi.
Alimentazione/cavo di alimentazione
Non aprire
Esposizione all'acqua
Anomalie
Alimentazione/cavo di alimentazione
Posizionamento
(5)-4
1/2

PM5D/PM5D-RH V2/DSP5D – Manuale di istruzioni
5
• Non impostare al livello massimo tutti i controlli dell'equalizzatore e i fader. In
base alle condizioni dei dispositivi collegati, potrebbe verificarsi un ritorno del
segnale con conseguente danneggiamento degli altoparlanti.
• Per evitare di deformare il pannello o di danneggiare i componenti interni, non
esporre il dispositivo a un'eccessiva quantità di polvere, a vibrazioni o a
condizioni climatiche estreme. Ad esempio, non lasciare lo strumento sotto la
luce diretta del sole, in prossimità di una fonte di calore o all'interno di una
vettura nelle ore diurne.
• Non collocare il dispositivo in posizione instabile, per evitare che cada.
• Non ostruire le prese d'aria. Il dispositivo presenta alcuni fori di ventilazione
sulla parte anteriore e posteriore per evitare l'aumento eccessivo della
temperatura interna. In particolare, non appoggiare il dispositivo sui lati, né in
posizione capovolta. Una ventilazione non adeguata può causare
surriscaldamento, con conseguenti danni al dispositivo o incendi.
• Non utilizzare il dispositivo in prossimità di apparecchi televisivi, radio, stereo,
telefoni cellulari o altri dispositivi elettrici, per evitare la produzione di disturbi
audio nel dispositivo stesso e nell'apparecchio televisivo o nella radio.
• Prima di collegare il dispositivo ad altre apparecchiature, spegnere tutti i
dispositivi interessati. Prima di accendere o spegnere i dispositivi, impostare al
minimo i livelli del volume.
• Quando si accende il sistema audio, accendere sempre l'amplificatore PER
ULTIMO, per evitare danni all'altoparlante. Analogamente, quando si spegne il
sistema audio, l'amplificatore deve essere spento PER PRIMO.
• Non introdurre le dita o le mani nelle aperture del dispositivo (nelle prese d'aria
e così via).
• Non inserire né lasciare cadere corpi estranei (carta, plastica, metallo e così via)
nelle aperture del dispositivo (prese d'aria e così via). Se ciò dovesse accadere,
spegnere immediatamente il dispositivo e scollegare il cavo di alimentazione
dalla presa CA. Richiedere quindi l'assistenza di un tecnico autorizzato Yamaha.
• (Solo PM5D) Non applicare olio, grasso o detergenti direttamente sui fader. Ciò
può causare problemi ai contatti elettrici o al movimento dei fader.
• Non utilizzare le cuffie per periodi prolungati o a livelli di volume eccessivi.
Tali pratiche potrebbero causare una perdita permanente dell'udito. In caso di
perdita dell'udito o se si percepiscono fischi nelle orecchie, consultare un
medico.
• Non appoggiarsi al dispositivo, né posizionarvi sopra oggetti pesanti. Non
esercitare eccessiva forza su pulsanti, interruttori o connettori.
• Il dispositivo include una batteria per il backup. Quando si scollega il cavo di
alimentazione dalla presa CA, i dati interni della scena corrente vengono
mantenuti. Tuttavia, se la batteria di backup si dovesse scaricare
completamente, tali dati andranno persi. Quando la batteria di backup del
sistema è prossima all'esaurimento durante l'utilizzo del PM5D o di PM5D/
DSP5D Editor, ciascun display LCD riporta il messaggio "Low Battery!" durante
l'utilizzo o "NO BATTERY!" durante l'avvio del sistema (il campo BATTERY
riporta anche il messaggio "LOW" o "NO BATTERY" nella schermata
PREFERENCE2).
Durante l'utilizzo di solo il DSP5D, messaggi come "Low Battery!" non vengono
visualizzati poiché il DSP5D non dispone di un display LCD. Se il DSP5D è
collegato a cascata al PM5D o in linea r a DSP5D Editor, tali messaggi verranno
visualizzati. In questo caso rivolgersi ad un tecnico autorizzato dell'assistenza
Yamaha per la sostituzione della batteria di backup.l
Spegnere sempre il dispositivo quando non è utilizzato.
Le prestazioni dei componenti con contatti mobili, come ad esempio gli interruttori, i controlli del volume e i connettori, peggiorano con il passare del tempo. Contattare un
tecnico autorizzato dell'assistenza Yamaha per la sostituzione dei componenti difettosi.
Collegamenti
Precauzioni di utilizzo
Batteria di backup
I connettori di tipo XLR sono cablati come mostrato di seguito (standard IEC60268): pin 1: terra, pin 2: caldo (+) e pin 3: freddo (-).
Yamaha declina qualsiasi responsabilità per i danni derivanti da un utilizzo non corretto o dalle modifiche apportate al dispositivo, nonché per la perdita o la
distruzione di dati.
Accessori in dotazione
PM5D/PM5D-RH
• Manuale di istruzioni dell'unità (il presente fascicolo)
• Spie Gooseneck x 3
• Cavo di collegamento dell'alimentatore PW800W
DSP5D
• Manuale di istruzioni dell'unità (il presente fascicolo)
• Cavo di alimentazione CA
• Cavo D-SUB 68-pin da 10 m x 2
(5)-4
2/2

6
PM5D/PM5D-RH V2/DSP5D – Manuale di istruzioni
Sommario
Sommario — Sezione operativa
1
Introduzione......................................... 10
Ringraziamenti................................................................. 10
Panoramica del sistema PM5D ........................................ 10
Differenze tra il modello PM5D e il modello PM5D-RH.... 11
Informazioni sulla struttura dei canali della console PM5D....12
Informazioni sull'unità DSP5D.......................................... 12
Differenze con l'unità PM5D ......................................................12
Collegamento in cascata tra le unità PM5D e DSP5D ..............13
Informazioni su PM5D Editor e DSP5D Editor.................. 13
Versioni del firmware ....................................................... 14
Nuove funzionalità principali nel firmware PM5D V2.0.... 14
Informazioni sulla sincronizzazione del word clock .......... 15
Struttura del presente manuale........................................ 15
Convenzioni utilizzate nel manuale ...........................................15
2
Pannello superiore, frontale
e posteriore............................................... 16
Pannello superiore ........................................................... 16
Pannello posteriore.......................................................... 18
Pannello frontale.............................................................. 20
Pannello frontale DSP5D.................................................. 21
Pannello posteriore dell'unità DSP5D............................... 22
3
Funzionamento di base
della console PM5D.................................. 23
Informazioni sui vari tipi di interfaccia utente................... 23
Interfaccia utente sul display.......................................................23
Sezione DISPLAY ACCESS (ACCESSO DISPLAY) .................24
Sezione Data Entry (Immissione dati) .......................................24
Interfaccia utente esterna ............................................................25
Funzionamento di base ................................................... 26
Fare clic .........................................................................................26
Trascinare .....................................................................................26
Trascinare e rilasciare ..................................................................26
Accesso alla schermata desiderata ..............................................27
Spostamento del cursore .............................................................27
Scorrimento della schermata ......................................................28
Utilizzo dei pulsanti.....................................................................29
Regolazione dell'impostazione di una manopola o un fader ...29
Assegnazione di un nome............................................................30
4
Collegamento e configurazione .......... 31
Esempi di sistemi espansi mediante l'unità DSP5D........... 31
Esempio di espansione di input semplice (console PM5D
+ un'unità DSP5D)............................................................31
PM5D + espansione di input collegata in remoto
(PM5D + DCU5D + due unità DSP5D) .........................31
Controllo da DSP5D Editor
(un'unità DSP5D + PC) ....................................................32
Collegamenti audio ......................................................... 33
Collegamenti audio analogico ....................................................33
Collegamenti di output analogico ..............................................34
Collegamenti di input/output digitale .......................................36
Installazione di una scheda opzionale ........................................37
Collegamento e impostazioni del word clock .................. 38
Informazioni sul word clock.......................................................38
Selezione del word clock master .................................................38
Ripristino della scena corrente allo stato di default........... 40
Cambiamento della destinazione delle operazioni
da pannello (nel collegamento in cascata
con l'unità DSP5D) .............................................. 40
5
Operazioni relative ai canali
di ingresso .................................................41
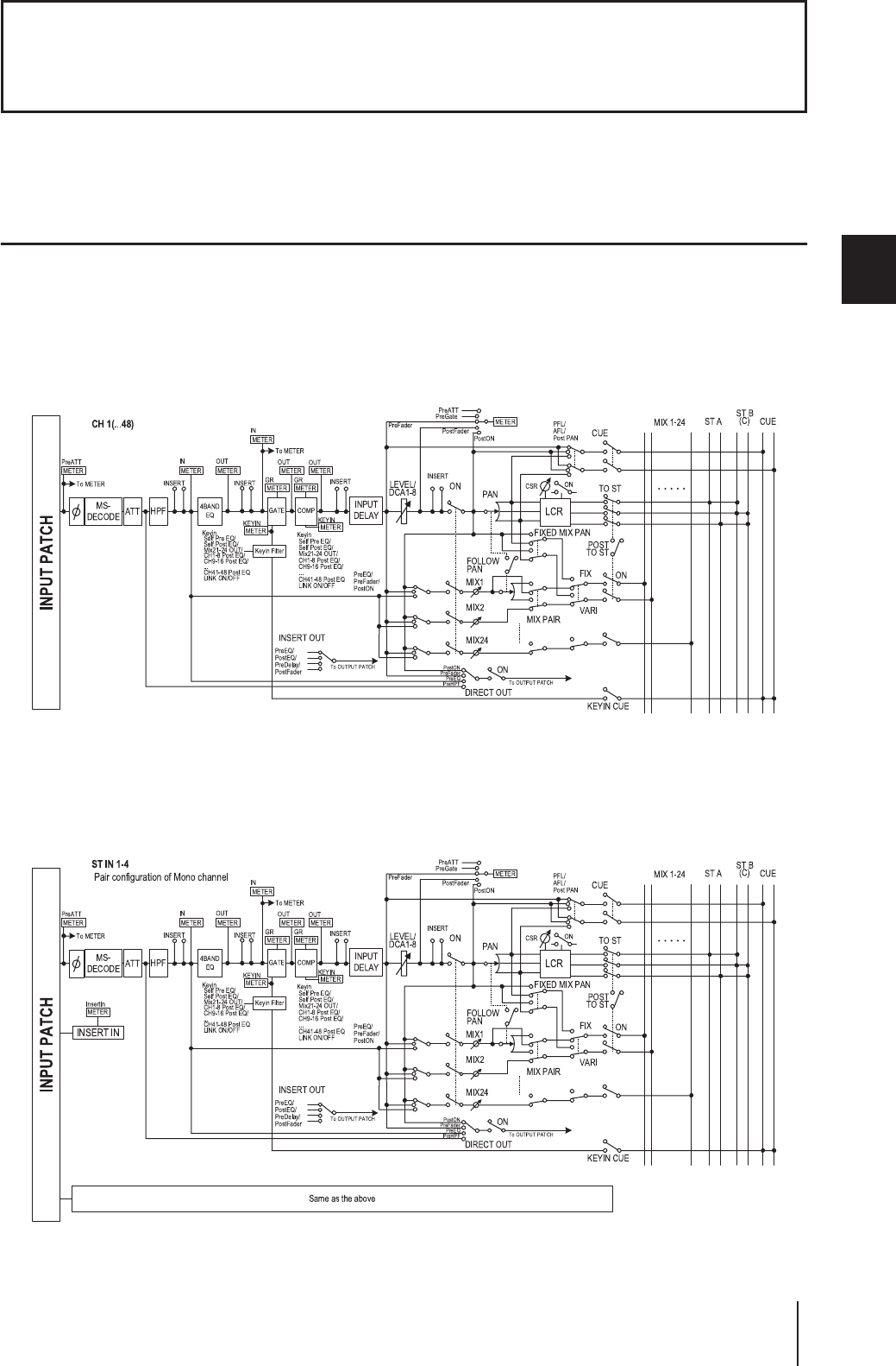
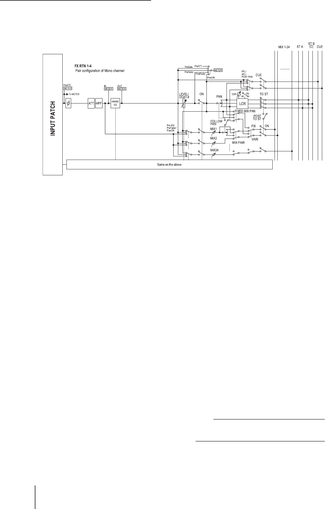
Informazioni sui canali di ingresso ................................... 41
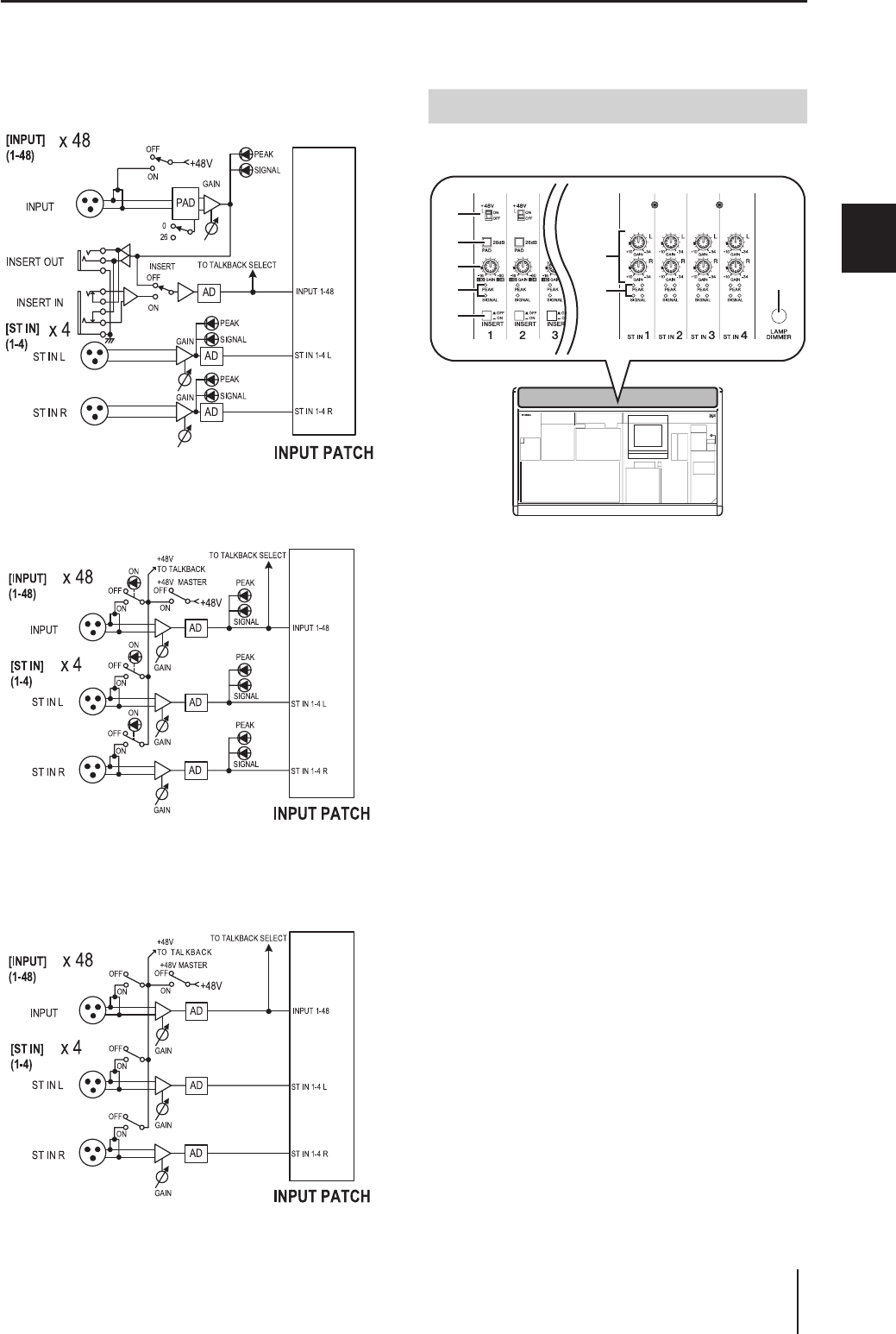
Sezione AD IN ................................................................ 43
Elementi della sezione AD IN .................................................... 43
Controllo della sensibilità di ingresso e dell'alimentazione
phantom (+48V) dell'head amplifier .............................. 44
Channel strip di INPUT ................................................... 45
Elementi del channel strip INPUT............................................. 45
Channel strip ST IN/FX RTN ............................................ 47
Elementi del channel strip ST IN/FX RTN ............................... 47
Sezione FADER FLIP/ENCODER MODE
(FLIP FADER/MODALITÀ ENCODER) ................... 48
Elementi della sezione FADER FLIP/ENCODER MODE ....... 48
Varie operazioni dei canali di ingresso ............................. 49
Selezione della funzione degli encoder ...................................... 49
Scambio delle funzioni dei fader ed encoder ............................ 49
Invio di un segnale da un canale di ingresso al bus
STEREO ............................................................................. 50
Invio del segnale dal canale di ingresso a un bus MIX ............. 51
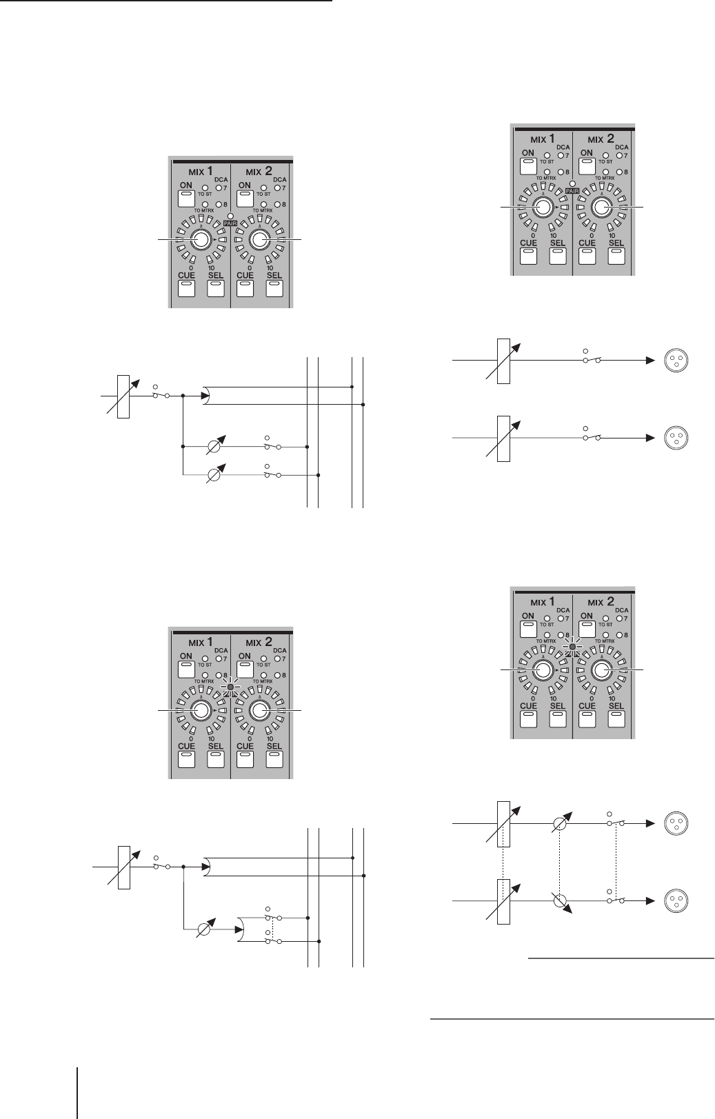
Attivazione/disattivazione dell'accoppiamento ........................ 53
6
Operazioni del canale di uscita ............55
Informazioni sui canali di uscita ....................................... 55
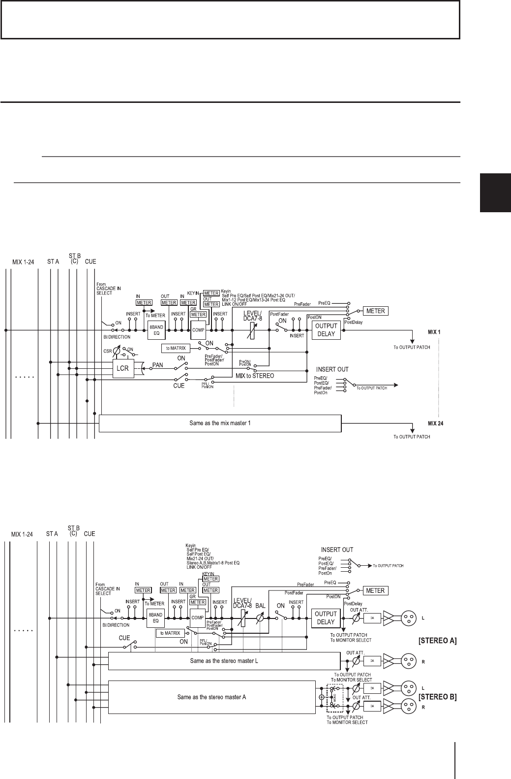
Sezione MIX (MISSAGGIO).............................................. 57
Elementi della sezione MIX........................................................ 57
Operazioni nella sezione MIX.................................................... 57
Channel strip STEREO A/B ............................................... 61
Elementi della channel strip STEREO A/B................................ 61
Operazioni della channel strip STEREO A/B............................ 62
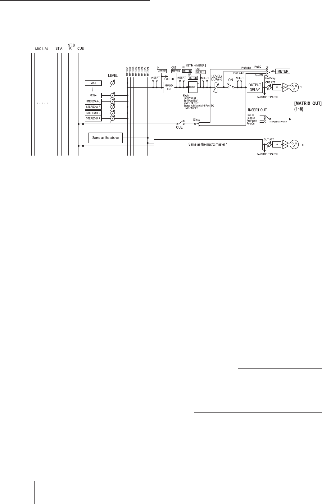
Sezione MATRIX .............................................................. 63
Elementi della sezione MATRIX................................................ 63
Operazioni nella sezione MATRIX............................................ 63
7
Utilizzo della sezione Selected Channel
(Canale selezionato) .................................65
Informazioni sulla sezione SELECTED CHANNEL.............. 65
Elementi nella sezione SELECTED CHANNEL ................... 65
GROUP (GRUPPO) ................................................................... 65
CHANNEL SELECT (SELEZIONE CANALE) ........................ 66
DELAY (RITARDO)................................................................... 66
GAIN/ATTENUATION/ø (Guadagno/Attenuazione/Fase)... 67
NOISE GATE (ESCLUSIONE RUMORE) ............................... 67
STEREO ....................................................................................... 68
COMPRESSOR (COMPRESSORE).......................................... 68
HPF (filtro passa-alto) ................................................................ 69
EQUALIZER (EQUALIZZATORE).......................................... 69
Operazioni nella sezione SELECTED CHANNEL................ 70
Selezione di un canale e modifica dei relativi parametri.......... 70
Operazioni del compressore....................................................... 71
Operazioni del gate ..................................................................... 72
Operazioni di EQ/HPF ............................................................... 73
8
Operazioni di assegnazione input
e output .....................................................74
Modifica delle impostazioni di assegnazione input .......... 74
Modifica delle impostazioni di assegnazione output........ 75
Inserimento di un dispositivo esterno in un canale .......... 77
Collegamento di un dispositivo esterno per l'inserimento ...... 77
Assegnazione di insert-out e insert-in ....................................... 78
Output diretto del segnale di un canale di ingresso......... 80

PM5D/PM5D-RH V2/DSP5D – Manuale di istruzioni
Sommario
7
9
Raggruppamento e collegamento .......81
Informazioni sui gruppi DCA e sui gruppi di esclusione ... 81
Elementi della sezione ASSIGN MODE
(MODALITÀ ASSEGNAZIONE) ............................. 81
Elementi dell'area DCA..................................................... 81
Uso dei gruppi DCA......................................................... 82
Assegnazione di canali ai gruppi DCA .......................................82
Controllo dei gruppi DCA ..........................................................83
Utilizzo dei gruppi di esclusione....................................... 83
Assegnazione di canali a gruppi di esclusione ...........................83
Controllo dei gruppi di esclusione .............................................84
Uso della funzione Mute Safe (Blocca esclusione)....................84
Utilizzo delle funzioni EQ Link e Compressor Link ............ 85
10
Memoria scene...................................87
Informazioni sulle scene................................................... 87
Elementi della sezione SCENE MEMORY
(MEMORIA SCENE).............................................. 88
Utilizzo delle memorie scene............................................ 89
Memorizzazione delle scene........................................................89
Richiamo delle scene....................................................................90
Uso della modalità PREVIEW ............................................ 90
Utilizzo della funzione Auto Store
(Salvataggio automatico)..................................... 91
Utilizzo della funzione Direct Recall.................................. 91
Utilizzo della funzione Selective Recall.............................. 92
Utilizzo della funzione Recall Safe..................................... 94
Utilizzo della funzione Fade.............................................. 95
Utilizzo della funzione Tracking Recall
(Richiamo traccia)................................................ 96
Utilizzo della funzione Global Paste
(Incolla impostazioni globali) ............................... 97
11
Funzioni Monitor (Monitoraggio)
e Cue (Segnale di attivazione)..................99
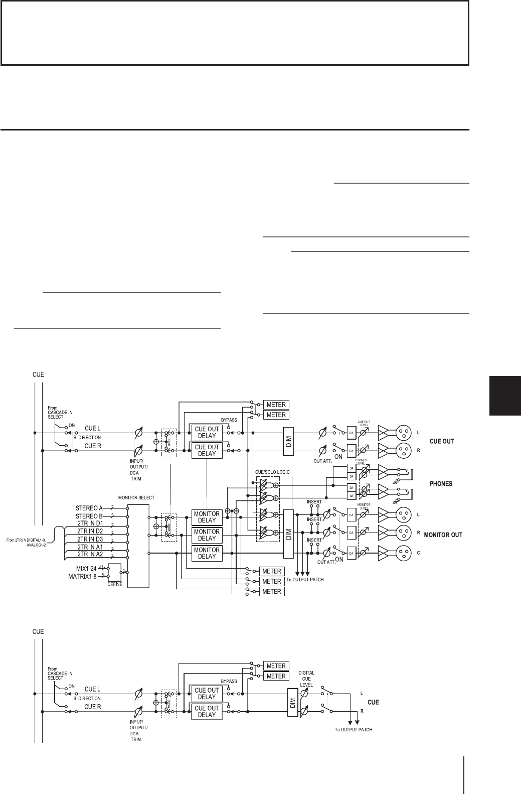
Informazioni sulle sezioni MONITOR e CUE ..................... 99
Utilizzo della funzione Monitor ......................................100
Elementi della sezione MONITOR ..........................................100
Monitoraggio di un segnale ......................................................101
Utilizzo della funzione Cue/Solo..................................... 102
Elementi della sezione CUE ......................................................102
Informazioni sulle modalità CUE e SOLO ..............................102
Gruppi di Cue e Solo .................................................................103
Utilizzo della funzione Cue.......................................................104
Utilizzo della funzione Solo ......................................................104
12
Sezioni Talkback e Oscillator ...........105
Informazioni sulle sezioni TALKBACK/OSCILLATOR........ 105
Elementi presenti nelle sezioni
TALKBACK/OSCILLATOR ...........................................105
Utilizzo del talkback ....................................................... 106
Utilizzo dell'oscillatore.................................................... 107
13
Indicatori ..........................................108
Elementi della sezione degli indicatori............................ 108
Utilizzo del display degli indicatori ................................. 108
Impostazione del punto di misurazione .........................109
Indicazione del punto di misurazione per i canali di
ingresso.............................................................................109
Indicazione del punto di misurazione per i canali di uscita...109
Visualizzazione della riduzione del guadagno dei gate
e dei compressori interni.................................... 110
Visualizzazione della riduzione del guadagno per i canali
di ingresso.........................................................................110
Visualizzazione della riduzione del guadagno per i canali
di uscita.............................................................................110
14
Effetti................................................111
Informazioni sugli effetti interni ..................................... 111
Utilizzo di un effetto interno tramite un bus MIX........... 112
Inserimento di un effetto interno in un canale ............... 113
Operazioni di base nella schermata degli effetti............. 114
Richiamo delle impostazioni dalla libreria effetti ................... 114
Modifica dei parametri degli effetti ......................................... 115
Memorizzazione delle impostazioni nella libreria effetti ....... 115
Utilizzo della funzione Tap Tempo (Battuta tempo)....... 116
Utilizzo dell'effetto Freeze (Blocco) ................................ 117
15
Equalizzatore grafico
e parametrico..........................................118
Assegnazione dei moduli dell'equalizzatore grafico........ 118
Espansione dei moduli GEQ........................................... 119
Operazioni di base con l'equalizzatore grafico ............... 119
Controllo dell'equalizzatore grafico dal display...................... 119
Controllo dell'equalizzatore grafico dalla sezione DCA......... 120
Operazioni di base con l'equalizzatore parametrico ....... 121
Controllo dell'equalizzatore parametrico dal display............. 121
Controllo dell'equalizzatore parametrico dalla sezione
SELECTED CHANNEL.................................................. 122
16
Controllo remoto.............................123
MIDI sull'unità PM5D..................................................... 123
Utilizzo di program change per il controllo di eventi ..... 123
Utilizzo di control change per controllare eventi............ 125
Utilizzo della funzione MIDI Remote .............................. 127
Assegnazione di messaggi MIDI a controller.......................... 127
Utilizzo di canali remoti MIDI................................................. 131
Trasmissione di eventi MIDI durante il cambio scene..... 132
Utilizzo dell'interfaccia GPI
(General Purpose Interface) ............................... 133
Utilizzo di GPI IN ..................................................................... 133
Calibratura delle porte GPI IN................................................. 135
Utilizzo di GPI OUT ................................................................. 136
17
Utilizzo delle schede di memoria....138
Utilizzo delle schede di memoria con l'unità PM5D ....... 138
Salvataggio dei file su una scheda di memoria............... 138
Caricamento di file da una scheda di memoria.............. 140
18
Pan surround....................................142
Informazioni sulla funzionalità di pan surround ............. 142
Configurazione e funzionamento del bus in modalità
surround............................................................ 143
Informazioni sui bus surround ................................................ 143
Funzionamento della sezione MIX.......................................... 143
Impostazioni di base per i bus surround ........................ 144
Controllo della funzionalità di pan surround.................. 145
Note relative alla funzionalità di pan surround............... 147
19
Altre funzioni ...................................148
Uso dei tasti definiti dall'utente...................................... 148
Elementi della sezione USER DEFINED ................................. 148
Assegnazione di funzioni ai tasti definiti dall'utente .............. 148
Esecuzione di funzioni assegnate ai tasti definiti
dall'utente ........................................................................ 149
Uso della sezione FADER MODE (MODALITÀ FADER) .... 149
Elementi della sezione FADER MODE ................................... 149
Assegnazione del layer della sezione FADER MODE............. 149
Passaggio al layer della sezione FADER MODE ..................... 150
Blocco dell'unità PM5D (Funzioni di sicurezza) .............. 151
Impostazione della password di sistema o della password
della console..................................................................... 151
Utilizzo della funzione Parameter Lock o Console Lock ....... 152

8
PM5D/PM5D-RH V2/DSP5D – Manuale di istruzioni
Sommario
Sommario — Sezione Riferimenti
Utilizzo dei collegamenti in cascata ............................... 153
Esempio di collegamento in cascata tra le unità PM5D
e DSP5D............................................................................153
Esempio di collegamento in cascata tra unità PM5D .............153
Indicazione del numero ID della macchina DSP5D ...............153
Impostazioni di base per il collegamento in cascata ...............154
Selezione dei bus utilizzati per il collegamento in cascata ......156
Collegamento della console PM5D a un computer
tramite USB ....................................................... 158
Precauzioni durante l'utilizzo del connettore
USB TO HOST (USB VERSO HOST)...........................158
Collegamento della console DSP5D a un computer
tramite Ethernet ................................................ 159
Inizializzazione della memoria interna
dell'unità PM5D................................................. 160
Inizializzazione della memoria interna
dell'unità DSP5D................................................ 160
Regolazione dei fader e del guadagno
di ingresso/uscita (Calibratura) .......................... 161
Calibratura dei fader..................................................................161
Regolazione del guadagno di ingresso analogico
(solo per il modello PM5D-RH) ....................................162
Regolazione del guadagno di uscita..........................................162
Informazioni visualizzate sul display ..... 163
Parte superiore del display (sempre visibile)................... 163
Area principale del display ............................................. 164
Parte inferiore del display (sempre visibile) .................... 164
Menu Function........................................ 165
Funzioni generali .................................... 166
Funzioni EFFECT (EFFETTO) ........................................... 166
Schermata EFFECT PARAM (Parametro effetti)....................166
Schermata EFFECT ASSIGN
(ASSEGNAZIONE EFFETTI) ........................................168
Schermata EFFECT LIBRARY..................................................169
Schermata PLUG-IN .................................................................170
Funzione GEQ................................................................ 170
Schermata GEQ PARAM (Parametri GEQ)............................170
Schermata GEQ ASSIGN (ASSEGNAZIONE GEQ)..............173
Schermata GEQ LIBRARY (LIBRERIA GEQ) ........................174
Funzione SCENE ............................................................ 175
Schermata SCENE .....................................................................175
Schermata EVENT LIST............................................................177
Schermata SELECTIVE RECALL .............................................180
Schermata RECALL SAFE.........................................................182
Schermata FADE TIME (DURATA FADE) ............................184
Schermata TRACKING RECALL
(RICHIAMO TRACCIA)................................................186
Schermata GLOBAL PASTE
(INCOLLA IMPOSTAZIONI GLOBALI).....................187
Funzione MIDI REMOTE ................................................ 188
Schermata MIDI SETUP...........................................................188
Schermata MIDI PGM CHANGE (Program change MIDI) .190
Schermata MIDI CTRL CHANGE (Control change MIDI)..191
Schermata MIDI REMOTE ......................................................192
Schermata GPI ...........................................................................194
Schermata FADER START........................................................196
Schermata TRANSPORT (TRASPORTO) ..............................198
Schermata DME CONTROL (CONTROLLO DME) ............199
Funzione UTILITY........................................................... 204
Schermate PREFERENCE 1/2...................................................204
Schermata USER DEFINE (DEFINIZ. UTENTE)..................208
Schermata SAVE (SALVATAGGIO) .......................................211
Schermata LOAD (CARICAMENTO) ....................................215
Schermata FADER ASSIGN (ASSEGNAZIONE FADER).....217
Schermata SECURITY (SICUREZZA) ....................................218
Funzione SYS/W.CLOCK................................................ 219
Schermata WORD CLOCK...................................................... 219
Schermata MIXER SETUP ....................................................... 221
Schermata CASCADE............................................................... 226
Schermata HA (Head Amplifier)............................................. 228
Schermata OUTPUT PORT ATT
(Attenuazione porta di uscita) ....................................... 229
Schermata DITHER .................................................................. 229
Schermata HA LIBRARY.......................................................... 230
Funzione METER (INDICATORE).................................... 231
Schermata INPUT METER (INDICATORE INPUT)........... 231
Schermata OUTPUT METER.................................................. 232
Schermata INPUT GR (Riduzione guadagno input)............. 233
Schermata OUTPUT GR (Riduzione guadagno output) ...... 234
Funzione MON/CUE ..................................................... 234
Schermata TALKBACK ............................................................ 234
Schermata OSCILLATOR (OSCILLATORE)......................... 236
Schermata 2TR I/O ................................................................... 237
Schermata MONITOR.............................................................. 238
Schermata CUE/SOLO ............................................................. 240
Funzioni di output.................................. 243
Funzione OUTPUT PATCH
(ASSEGNAZIONE OUTPUT)............................... 243
Schermata OUTPUT PATCH.................................................. 243
Schermata INSERT PATCH
(ASSEGNAZIONE INSERIMENTO) ........................... 244
Schermata INSERT POINT...................................................... 246
Schermata NAME (NOME)..................................................... 247
Schermata OUTPUT PATCH LIBRARY ................................ 247
Funzione OUTPUT INSERT (INSERIMENTO OUTPUT).... 248
Schermata INSERT IN MIX
(INSERIMENTO IN MISSAGGIO) 1-24 ..................... 248
Schermata INSERT IN MATRIX/STEREO/MONITOR
(INSERIMENTO IN MATRICE/STEREO/
MONITOR)..................................................................... 248
Schermata HA LIBRARY
(LIBRERIA HEAD AMPLIFIER) .................................. 249
Funzione OUTPUT EQ (EQ USCITA) .............................. 250
Schermata EQ PARAM (Parametri EQ) ................................. 250
Schermata MIX 1-24................................................................. 251
Schermata MATRIX/STEREO ................................................. 251
Schermata OUTPUT EQ LIBRARY
(LIBRERIA EQ DI USCITA) ......................................... 252
Funzione OUTPUT COMP (COMPRESSORE USCITA)..... 253
Schermata COMP PARAM (Parametri compressore) .......... 253
Schermata MIX 1-24................................................................. 255
Schermata MATRIX/STEREO ................................................. 255
Schermata COMP LIBRARY (Libreria compressore) ........... 256
Funzione OUTPUT DELAY (DELAY OUTPUT).................. 257
Schermata MIX 1-24................................................................. 257
Schermata MATRIX/STEREO ................................................. 257
Funzione OUTPUT DCA/GROUP
(OUTPUT DCA/GRUPPO) .................................. 258
Schermata DCA GROUP ASSIGN
(ASSEGNAZIONE GRUPPO DCA)............................. 258
Schermata MUTE GROUP ASSIGN
(ASSEGNAZIONE GRUPPO ESCLUSIONE)............. 259
Schermata EQ LINK ASSIGN
(ASSEGNAZIONE COLLEGAMENTO EQ) ............... 260
Schermata COMP LINK ASSIGN
(Assegnazione collegamento compressore) .................. 261
Funzione MATRIX/ST..................................................... 262
Schermata MATRIX/ST ROUTING
(PERCORSO MATRICE/STEREO).............................. 262
Schermata MIX to MATRIX VIEW (VISTA
DA MISSAGGIO A MATRICE) .................................... 264
Schermata LCR ......................................................................... 267
Schermata SURR SETUP
(CONFIGURAZIONE SURROUND) .......................... 268

PM5D/PM5D-RH V2/DSP5D – Manuale di istruzioni Sommario 9
Sommario — Sezione Riferimenti
Funzione OUTPUT VIEW (VISTA USCITA) ....................... 270
Schermata CH VIEW (Vista canale) ........................................270
Schermata SIGNAL FLOW (FLUSSO SEGNALE).................272
Schermata FADER VIEW (VISTA FADER)............................273
Schermata CH JOB (Operazione canale).................................274
Schermata OUTPUT CH LIBRARY ........................................275
Funzioni di input .....................................277
Funzione INPUT PATCH (ASSEGNAZIONE INPUT)......... 277
Schermata INPUT PATCH.......................................................277
Schermata DIRECT OUT PATCH
(ASSEGNAZIONE OUTPUT DIRETTO) ....................278
Schermata INSERT PATCH
(ASSEGNAZ. INSERIMENTO) .....................................279
Schermata INSERT/DIRECT OUT POINT ............................281
Schermata NAME (NOME) .....................................................282
Schermata INPUT PATCH LIBRARY.....................................283
Funzione INPUT HA/INSERT........................................... 283
Schermata CH 1-24 (canali Input 1-24) ..................................283
Schermata CH 25-48 (canali Input 25-48) ..............................283
Schermata STIN/FXRTN (INGRESSO STEREO/RITORNO
EFFETTI) (canale ST IN/FXRTN) .................................283
Schermata INSERT 1-24 ...........................................................284
Schermata INSERT 25-48 .........................................................284
Schermata INSERT STIN..........................................................284
Schermata HA LIBRARY ..........................................................285
Funzione INPUT ø/EQ (Fase/EQ INPUT)......................... 286
Schermata EQ PARAM (PARAMETRI EQ) ...........................286
Schermata EQ 1-24....................................................................287
Switch EQ 25-48.........................................................................287
Schermata EQ STIN/FXRTN....................................................287
Schermata ø/ATT 1-48 (Fase/Attenuazione 1-48)..................288
Schermata ø/ATT STIN/FXRTN
(Fase/Attenuazione STIN/FXRTN) ...............................288
Schermata INPUT EQ LIBRARY .............................................289
Funzione INPUT GATE/COMP ....................................... 289
Schermata GATE PARAM (Parametri gate) ...........................289
Schermata COMP PARAM
(PARAMETRI COMPRESSORE)..................................291
Schermata CH 1-12 (canali Input 1-12) ..................................293
Schermata CH 13-24 (canali Input 13-24) ..............................293
Schermata CH 25-36 (canali Input 25-36) ..............................293
Schermata CH 37-48 (canali Input 37-48) ..............................293
Schermata ST IN (canale ST IN) ..............................................293
Schermata GATE LIBRARY......................................................294
Schermata COMP LIBRARY (Libreria compressore) ............295
Funzione INPUT DELAY (DELAY INPUT) ......................... 295
Schermata CH 1-24 (canali Input 1-24) ..................................295
Schermata CH 25-48 (canali Input 25-48) ..............................295
Schermata ST IN (canale ST IN) ..............................................295
Funzione INPUT DCA/GROUP (INPUT DCA/GRUPPO)...296
Schermata DCA GROUP ASSIGN
(ASSEGNAZIONE GRUPPO DCA)..............................296
Schermata MUTE GROUP ASSIGN
(ASSEGNAZIONE GRUPPO ESCLUSIONE)..............297
Schermata EQ LINK ASSIGN
(ASSEGNAZIONE COLLEGAMENTO EQ)................298
Schermata COMP LINK ASSIGN
(Assegnazione collegamento compressore)...................299
Funzione PAN/ROUTING (PAN/INSTRADAMENTO) ......299
Schermata CH to MIX (Canale a missaggio) ..........................299
Schermata MIX SEND VIEW
(VISTA MANDATA MISSAGGIO)...............................305
Schermata FIX ASSIGN VIEW
(VISTA ASSEGNAZIONE FISSA).................................307
Schermata LCR ..........................................................................308
Schermata SURR PARAM (Parametri surround).................. 309
Schermata SURR VIEW (Vista surround).............................. 310
Schermata M/S .......................................................................... 311
Funzione INPUT VIEW (VISTA INPUT) ............................ 311
Schermata CH VIEW (Vista canale) ....................................... 311
Schermata SIGNAL FLOW (FLUSSO SEGNALE) ................ 313
Schermata FADER VIEW (VISTA FADER) ........................... 314
Schermata CH JOB (PROCESSO CANALE).......................... 314
INPUT CH LIBRARY (Libreria canale di ingresso)............... 316
Appendici ................................................317
Elenco libreria EQ .......................................................... 317
Elenco libreria GATE....................................................... 318
Elenco libreria compressore ........................................... 319
Parametri dinamiche...................................................... 321
Sezione GATE............................................................................ 321
Sezione COMP .......................................................................... 322
Elenco libreria effetti ...................................................... 324
Parametri degli effetti .................................................... 325
Sincronizzazione di effetti e tempo.......................................... 336
Tabella Scene Memory (Memoria scene)/Effect Library
(libreria effetti) con Program Change ................ 337
Parametri che possono essere assegnati a messaggi
Control Change................................................. 341
Assegnazione di parametri a Control Change ................ 343
Assegnazioni di parametri NRPN ................................... 360
Elenco libreria canali ...................................................... 364
Elenco di parametri disponibili per le operazioni di Pair,
Recall Safe o OUTPUT ISOLATION..................... 365
Formato dati MIDI ......................................................... 368
Messaggi di avviso......................................................... 377
Messaggi di errore......................................................... 379
Risoluzione dei problemi................................................ 380
Specifiche generali......................................................... 381
PM5D/PM5D-RH..................................................................... 381
DSP5D........................................................................................ 383
Caratteristiche di input/output ...................................... 384
Caratteristiche elettriche ................................................ 389
PM5D/PM5D-RH..................................................................... 389
DSP5D........................................................................................ 391
Altre funzioni ................................................................. 393
Assegnazione Pin ........................................................... 394
Dimensioni .................................................................... 395
MIDI Implementation Chart .......................................... 396
Indice ............................................................................ 397
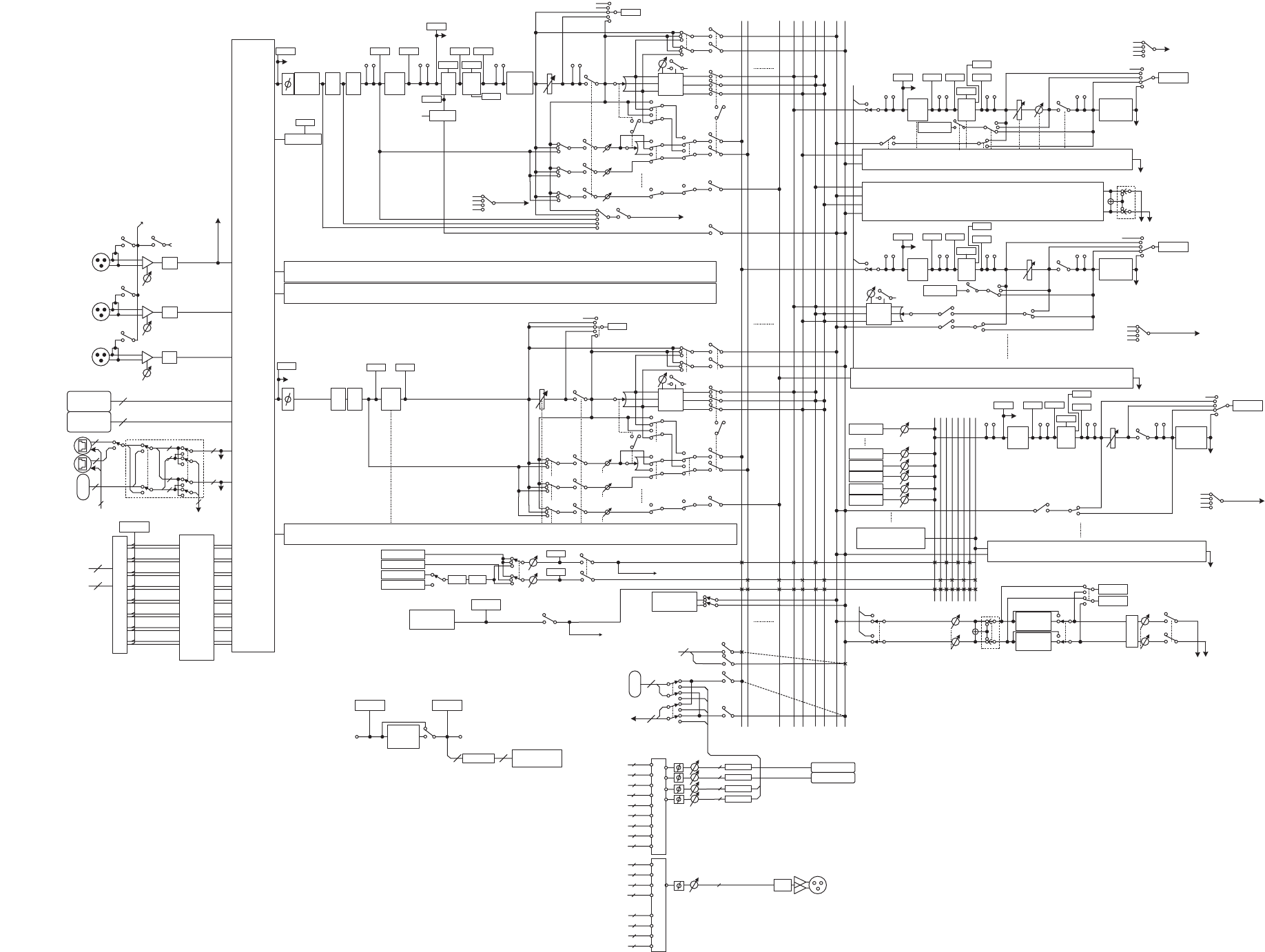
PM5D/PM5D-RH – Diagramma a blocchi..Fine del manuale
DSP5D – Diagramma a blocchi..................Fine del manuale
PM5D – Diagramma dei livelli ...................Fine del manuale
PM5D-RH – Diagramma dei livelli..............Fine del manuale
DSP5D – Diagramma dei livelli ..................Fine del manuale
• Le immagini e le schermate riportate in questo
manuale di istruzioni hanno solo scopo informativo
e potrebbero differire da quanto visualizzato sul
dispositivo.
• I nomi di società e prodotti presenti in questo
Manuale di istruzioni sono marchi o marchi registrati
delle rispettive società.

10
PM5D/PM5D-RH V2/DSP5D – Manuale di istruzioni
Sezione operazioni
Sezione operativa
Ringraziamenti
Grazie per aver acquistato la console di missaggio digitale Yamaha PM5D e/o il sistema di missaggio digitale Yamaha DSP5D.
Per sfruttare al massimo le funzionalità avanzate della console PM5D/DSP5D e per utilizzarla a lungo e senza problemi, è
opportuno leggere con attenzione il presente manuale prima di utilizzare il prodotto. Conservare il manuale, dopo averlo
letto, in un luogo sicuro.
Panoramica del sistema PM5D
L'unità PM5D è una console di missaggio digitale espandibile con le caratteristiche riportate di seguito.
❏
Sistema di missaggio SR interamente
digitale
L'unità PM5D è una console di missaggio SR interamente
digitale che utilizza la tecnologia di elaborazione audio digitale
più all'avanguardia. Per fornire ben 110 dB di gamma
dinamica e un'eccellente qualità del suono vengono utilizzati
convertitori lineari AD/DA a 24 bit. Come canali di ingresso,
offre 48 canali mono, quattro canali stereo e quattro canali
stereo per il ritorno degli effetti. Come canali di uscita è dotata
di 24 canali MIX (MISSAGGIO), otto canali MATRIX
(MATRICE) e due canali STEREO. È possibile utilizzare la
console PM5D per una vasta gamma di applicazioni. È
possibile assegnare i canali desiderati per il controllo da parte
degli otto fader DCA sul pannello e utilizzarli come fader di
gruppo.
❏
Modello PM5D e modello PM5D-RH
Oltre al modello PM5D standard che consente il controllo
manuale dell'head amplifier per ciascun ingresso, è disponibile
anche il modello PM5D-RH che consente il controllo
programmabile delle impostazioni di sensibilità di ingresso
dell'head amplifier e dell'alimentazione phantom. È possibile
selezionare il modello più adeguato alle specifiche situazioni e
al budget.
❏
Interfaccia utente all'avanguardia
Per i canali di ingresso e i canali STEREO A/B, sono
disponibili channel strip dedicate nelle quali è possibile
utilizzare fader, pan, segnale di attivazione e controlli di
attivazione/disattivazione. Per i canali MIX e i canali
MATRIX, gli encoder consentono di controllare il livello di
mandata e il livello master. La console PM5D consente un
utilizzo rapido e intuitivo, proprio come se si trattasse di un
mixer analogico. Inoltre, è possibile utilizzare la sezione
SELECTED CHANNEL (CANALE SELEZIONATO) per
controllare manualmente i parametri principali (ritardo,
equalizzatore, gate, compressore) del canale desiderato.
❏
Otto moduli effetto/dodici moduli
dell'equalizzatore grafico
Sono disponibili otto moduli multi-effetto integrati ad alta
qualità. Effetti come riverbero, ritardo, compressore multi-
banda e vari effetti di modulazione possono essere instradati
tramite bus interni o inseriti nel canale desiderato. È possibile
anche inserire l'equalizzatore grafico a 31 bande (in
alternativa, equalizzatore parametrico a 8 bande) in qualsiasi
canale o uscita.
❏
Add-on Effects offerti come standard
Come tipi di effetto, il pacchetto channel strip (COMP276/
276S, COMP260/260S, EQ601), il pacchetto dell'area master
(OPEN DECK – LETTORE APERTO) e il pacchetto Reverb
(REV-X) sono standard.
❏
Memorie scene e librerie
I parametri di missaggio e le impostazioni degli effetti interni
possono essere salvati in memoria per un massimo di 500
scene da richiamare immediatamente. Gli effetti,
l'assegnazione dei segnali di input/output, le impostazioni per
i canali di ingresso/uscita, le impostazioni per l'head amplifier
interno (solo modello PM5D-RH) o per l'head amplifier
esterno possono essere salvati in diverse librerie,
indipendentemente dalle scene.
❏
Collegamento digitale in cascata
È possibile collegare in cascata fino a quattro unità PM5D, o
un'unità PM5D e un'unità Yamaha DM2000/02R96, per la
condivisione dei bus nel dominio digitale. In particolare
quando si collegano in cascata unità PM5D, è possibile
collegare anche operazioni come il salvataggio e il richiamo di
una scena. È inoltre possibile utilizzare l'unità DME64N come
inserto o come processore di segnale esteso tramite un
collegamento in cascata.
❏
Pan surround
La funzionalità di pan surround consente di utilizzare sistemi
di playback multi-canale, posizionando il segnale di un canale
di ingresso in uno spazio bidimensionale o spostando
l'immagine audio in avanti/indietro e a sinistra/destra. Sono
disponibili le modalità surround 3-1ch, 5.1ch e 6.1ch.
❏
Espansione scheda I/O
Il pannello posteriore è dotato di quattro slot in cui è possibile
installare schede mini-YGDAI acquistabili separatamente. È
possibile installare in questi slot schede AD, DA o di I/O
digitali per aggiungere ingressi e uscite.
❏
Espansione tramite l'unità DSP5D
È possibile collegare in cascata fino a due sistemi di missaggio
digitale DSP5D a un'unità PM5D per espandere gli ingressi e
le uscite. È anche possibile collegare un'unità di cablaggio
digitale Yamaha DCU5D tra le console PM5D e DSP5D,
posizionando la console DSP5D in remoto.
1Introduzione

PM5D/PM5D-RH V2/DSP5D – Manuale di istruzioni Sezione operazioni 11
1
Introduzione
Differenze tra il modello PM5D e il modello PM5D-RH
L'unità PM5D è disponibile come modello PM5D standard o come modello PM5D-RH che consente di programmare le
impostazioni dell'head amplifier interno. Di seguito sono riportate le differenze tra i due modelli.
❏Modello PM5D
• Le regolazioni dell'head amplifier (impostazioni di
sensibilità di ingresso, attivazione/disattivazione
dell'alimentazione phantom, +48V) per gli ingressi
analogici, come i jack INPUT (INGRESSO) 1–48 e i
jack ST IN 1–4 (INGRESSO STEREO), vengono gestite
manualmente utilizzando i controlli del pannello
superiore.
• I jack di inserimento (jack INSERT IN/OUT –
INGRESSO/USCITA INSERIMENTO) per gli ingressi
analogici mono (jack INPUT 1–48) si trovano sul
pannello posteriore e consentono di inserire i processori
di effetti esterni nel dominio analogico.
• I jack ST IN 1–4 sono solo a livello di linea.
• Non è presente alcuno switch +48V MASTER.
❏Modello PM5D-RH
• Le regolazioni dell'head amplifier (impostazioni di
sensibilità di ingresso, attivazione/disattivazione
dell'alimentazione phantom, +48V) per gli ingressi
analogici vengono gestite dall'interno dello schermo
tramite software. Per questo motivo, sul pannello
superiore non sono presenti controlli dell'head
amplifier, ma sono presenti dei LED che indicano la
presenza o l'assenza di un segnale. È possibile
memorizzare le impostazioni dell'head amplifier in una
libreria per richiamarle in qualsiasi momento.
• I jack di inserimento per gli ingressi analogici non sono
forniti.
• I jack ST IN 1–4 supportano i livelli dei microfoni
attraverso i livelli di linea. Inoltre è possibile fornire
l'alimentazione phantom ai jack ST IN 1–4.
• Lo switch +48V MASTER consente di attivare e
disattivare l'alimentazione phantom (+48V).
Jack INPUT 1–48Jack ST IN 1–4
Jack INSERT IN/OUT 1–48
Jack INPUT 1–48
Jack ST IN 1–4

1 Introduzione
12 PM5D/PM5D-RH V2/DSP5D – Manuale di istruzioni Sezione operazioni
Nell'unità PM5D sono disponibili i seguenti canali di
ingresso e di uscita.
❏Canali di ingresso
Questa sezione elabora i segnali di input e li invia al bus
STEREO o ai bus MIX. Esistono tre tipi di canali di ingresso,
come indicato di seguito.
• Canali di ingresso 1–48
Questi canali vengono utilizzati per elaborare i segnali
mono. Per default, i segnali di input provenienti dai jack
di ingresso mono analogici (jack INPUT 1-48) vengono
assegnati a questi canali.
• Canali ST IN 1–4
Questi canali vengono utilizzati per elaborare i segnali
stereo. Per default, i segnali di input provenienti dai jack
di ingresso stereo analogici (jack ST IN 1–4) vengono
assegnati a questi canali.
• Canali FX RTN (RITORNO EFFETTO) 1–4
Questi canali vengono utilizzati soprattutto per elaborare i
segnali di ritorno (stereo) dagli effetti interni. Per default, i
canali di uscita destro/sinistro degli effetti interni da 1 a 4
vengono assegnati a questi canali.
Suggerimento
Le assegnazioni dei segnali ai canali di ingresso possono
essere modificate secondo le esigenze.
❏Canali di uscita
In questa sezione è possibile eseguire il missaggio dei segnali
inviati dai canali di ingresso ecc. che vengono trasmessi ai jack
di uscita o ai bus di uscita corrispondenti. Esistono tre tipi di
canali di uscita, come indicato di seguito.
• Canali MIX 1–24
Questi canali elaborano i segnali inviati dai canali di
ingresso ai bus MIX. Nello stato iniziale, i segnali di
output vengono assegnati ai jack MIX OUT (USCITA
MISSAGGIO) 1-24. Questi canali vengono utilizzati
soprattutto per foldback o come mandate agli effetti
esterni. I segnali dei canali MIX 1–24 possono anche
essere inviati al bus STEREO o ai bus MATRIX.
• Canali MATRIX 1-8
Questi canali elaborano i segnali inviati dai canali MIX o
STEREO A/B ai bus MATRIX e li trasmettono dai jack
MATRIX OUT. In questo modo i canali MIX o STEREO
A/B possono essere missati al bilanciamento desiderato
per l'output.
• Canali STEREO A/B
Questi canali elaborano i segnali inviati dai canali di
ingresso o dai canali MIX e li inviano ai jack STEREO
OUT A/B. Vengono utilizzati come uscite stereo
principali. In genere, dai canali STEREO A e B viene
inviato lo stesso segnale. Tuttavia, è possibile utilizzare il
canale STEREO B anche come canale centrale per il
playback L/C/R a tre canali.
Informazioni sull'unità DSP5D
L'unità DSP5D è un sistema di elaborazione di segnali digitali
(digital signal processing, DSP) che espande gli ingressi e le
uscite della console PM5D.
• La sua capacità di elaborazione audio è equivalente a
quella dell'unità PM5D-RH. Come jack di ingresso/
uscita audio analogiche, fornisce i jack INPUT 1–48, ST
IN 1–4 e OMNI OUT (USCITA OMNI) 1–24.
• È possibile collegare in cascata fino a due unità DSP5D a
un'unità PM5D. Con il collegamento alle unità DSP5D,
è possibile espandere il sistema PM5D fino a un
massimo di 168 canali di ingresso (144 canali + 12 ST).
• Cambiando la destinazione dei controlli sull'unità
PM5D, è possibile controllare la console DSP5D stesso
modo dell'unità PM5D.
• È possibile utilizzare il software di applicazioni DSP5D
Editor per controllare e modificare in remoto i
parametri della console DSP5D. Sono supportati solo
i computer Windows.
• È possibile collegare l'unità DSP5D a un'unità di
cablaggio digitale Yamaha DCU5D, collocandola sul
palco, e gestirla in remoto dalla console PM5D.
• Il pannello frontale è dotato di due slot in cui è possibile
installare schede mini-YGDAI acquistabili
separatamente per aggiungere ingressi e uscite in una
serie di formati digitali.
❏Connettori e interfacce non presenti
sull'unità DSP5D
• Jack INSERT IN/OUT, jack MIX OUT, jack LAMP
(SPIA), jack MONITOR OUT (USCITA MONITOR),
jack CUE OUT (USCITA SEGNALE DI ATTIVAZ.),
jack STEREO OUT A/B, jack MATRIX OUT, jack 2TR
IN ANALOG, jack TIME CODE INPUT (INGRESSO
TIME CODE), connettore USB TO HOST (USB A
HOST), connettore GPI, connettore RS422 REMOTE,
connettore HA REMOTE (REMOTO HA), connettori
MIDI IN/THRU/OUT (INGRESSO/PASSANTE/
USCITA MIDI), jack 2TR OUT DIGITAL, jack 2TR IN
DIGITAL, SLOT 3–4, slot MEMORY CARD (SCHEDA
DI MEMORIA), connettore MOUSE, connettore
KEYBOARD (TASTIERA), jack PHONES (CUFFIE)
• Controller come i fader, dispositivi di visualizzazione
come gli indicatori. Display LCD, switch MASTER
+48V (PM5D-RH), switch ON/OFF 75Ω
❏Connettori e interfacce presenti solo
sull'unità DSP5D
• Jack OMNI OUT, connettori CASCADE IN/OUT
(INGRESSO/USCITA IN CASCATA) RJ-45, connettore
NETWORK (RETE), connettore AC IN
• Switch POWER, switch modalità, switch FAN
(VENTOLA)
Informazioni sui connettori: poiché l'unità DSP5D non
dispone di funzionalità per i connettori di cui non è
fornita, queste funzioni e questi connettori non vengono
illustrati nella schermata dell'unità PM5D o di DSP5D
Editor.
Informazioni sulla struttura
dei canali della console PM5D
Differenze con l'unità PM5D

PM5D/PM5D-RH V2/DSP5D – Manuale di istruzioni Sezione operazioni 13
1
Introduzione
Informazioni sull'interfaccia: poiché l'unità DSP5D non
dispone di controller come i fader o il display LCD, viene
utilizzata tramite PM5D o DSP5D Editor.
Nota
• Le spiegazioni contenute nel capitolo 5 e successivi del
presente Manuale di istruzioni si basano sulle funzionalità e
le procedure operative dell'unità PM5D. Ulteriori spiegazioni
sulla console DSP5D vengono aggiunte solo nei casi in cui
esiste una differenza significativa nelle funzionalità o nelle
procedure operative. Tuttavia, nei casi in cui è ovvio che le
differenze sopra descritte comportino delle chiare diversità di
funzionamento o nel display visualizzato, le spiegazioni per
l'unità DSP5D saranno omesse.
• Esistono alcune differenze tra le unità PM5D e DSP5D in
termini di schede I/O supportate. Per informazioni più
aggiornate sulle schede di I/O, visitare il seguente sito Web
Yamaha.
http://www.yamahaproaudio.com/
❏Collegamento a un computer
È possibile collegare la console PM5D a un computer tramite
un cavo USB tramite il connettore USB TO HOST, mentre
l'unità DSP5D può essere collegata a un computer tramite un
cavo Ethernet CAT5 tramite il connettore NETWORK.
Collegando in cascata in modo bidirezionale le unità PM5D e
DSP5D, è possibile condividere i bus MIX 1–24, i bus
STEREO A/B e i bus CUE (SEGNALE DI ATTIVAZIONE).
Per ulteriori informazioni sui collegamenti in cascata, fare
riferimento alla sezione p. 153.
Nota
• Il collegamento in cascata con l'unità DSP5D è possibile
solo con la console PM5D V2.0 o successive. Se si utilizza
una versione precedente alla V2.0, sarà necessario
aggiornarla a PM5D V2.0 o successiva. È possibile
scaricare la versione più recente del firmware dal seguente
sito Web di Yamaha.
http://www.yamahaproaudio.com/
• I connettori e le interfacce non presenti sull'unità DSP5D
non possono essere controllati dall'unità PM5D. Ad
esempio, le manopole MONITOR [LEVEL] (LIVELLO) e
MONITOR [PHONES] (CUFFIE) presenti sul pannello
superiore dell'unità PM5D vengono sempre utilizzate a
livello dell'unità PM5D.
❏Controllo dell'unità DSP5D
• Come destinazione del controllo dal pannello e dallo
schermo dell'unità PM5D, è possibile richiamare la
macchina 1 (PM5D), la macchina 2 (prima DSP5D) o la
macchina 3 (seconda DSP5D) secondo le esigenze. Per
ulteriori informazioni sul funzionamento, fare
riferimento alla sezione p. 153.
• È possibile utilizzare le funzioni assegnate ai tasti
definiti dall'utente o la sezione FADER MODE
(MODALITÀ FADER) per selezionare la console
DSP5D come macchina di destinazione (➥ p. 148, 149).
È possibile eseguire operazioni dal pannello dell'unità
PM5D o da DSP5D Editor collegato all'unità DSP5D.
❏Funzionamento durante il collegamento
in cascata
• Canali di uscita
In generale, le operazioni per i canali di uscita dei bus
collegati in cascata saranno collegate tra le macchine.
È anche possibile scegliere di non collegarle. Ciò significa
che il sistema può essere utilizzato come una console
singola con un numero ampliato di ingressi. Tuttavia, dal
momento che anche gli inserimenti sui canali di uscita
saranno duplicati, i moduli GEQ e gli effetti inseriti
potranno essere utilizzati come duplicati o triplicati
(i moduli GEQ o gli effetti separati vengono inseriti nei
bus collegati su ciascuna macchina).
• Memorie scene e librerie
I dati della memoria scene e della libreria vengono salvati
su ciascuna macchina. Quando una scena o una libreria
viene salvata o richiamata, lo stesso numero di scena/
libreria viene salvato/richiamato su tutte le macchine.
Se il collegamento in cascata diventa attivo, i dati della
libreria PM5D verranno inviati a ciascuna unità DSP5D
per sincronizzare le librerie. I dati presenti sulle macchine
collegate in cascata vengono salvati anche su una scheda di
memoria.
• Effetti
La console DSP5D è dotata di moduli GEQ ed effetti
equivalenti a quelli della console PM5D, ma poiché i
collegamenti tra le macchine sono collegamenti in cascata
ai bus, gli inserimenti nei canali di ingresso sono limitati a
ogni singola macchina.
• Gruppi DCA/Gruppi di esclusione
Funzionano insieme alle macchine PM5D/DSP5D
collegate in cascata (➥ p. 156)
• Funzione CH JOB (PROCESSO CANALE)
Le operazioni di copia canale tra le unità PM5D/DSP5D
possono essere effettuare dal pannello frontale dell'unità
PM5D. Tuttavia, è possibile spostare i canali utilizzando la
funzione INPUT VIEW (VISTA INPUT) solo all'interno
di ciascuna macchina (➥ p. 274, 314)
Informazioni su PM5D Editor e DSP5D Editor
Questi programmi sono software applicativi per l'utilizzo delle
funzionalità di PM5D/DSP5D da un computer. È possibile
utilizzare questi programmi software per controllare e
modificare in remoto i parametri della console PM5D/
DSP5D.
Il driver USB-MIDI (per la console PM5D) o il driver DME-N
Network (per la console DSP5D) necessari per la connessione
a un computer, così come l'editor di PM5D/DSP5D, possono
essere scaricati dal seguente sito Web di Yamaha.
http://www.yamahaproaudio.com/
Nota
DSP5D Editor supporta solo computer Windows.
Collegamento in cascata tra le unità
PM5D e DSP5D

1 Introduzione
14 PM5D/PM5D-RH V2/DSP5D – Manuale di istruzioni Sezione operazioni
Versioni del firmware
È possibile scaricare la versione più recente del firmware dal seguente sito Web di Yamaha.
http://www.yamahaproaudio.com/
Per l'unità PM5D o DSP5D, è possibile controllare la versione del firmware nella schermata PREFERENCE 2
(PREFERENZA 2) della funzione UTILITY (➥ p. 207).
Nuove funzionalità principali nel firmware PM5D V2.0
Le nuove funzionalità e i miglioramenti principali aggiunti insieme all'aggiornamento alla versione firmware V2.0 sono
illustrati di seguito.
❏Funzionalità di base e operazioni con
i pannelli
• È ora possibile controllare la console DSP5D dal
pannello dell'unità PM5D (➥ p. 153)
• Le operazioni di attivazione/disattivazione del canale
selezionato nella sezione FADER MODE possono essere
ora effettuate mediante il tasto DCA [MUTE]
(ESCLUSIONE).
• Anche se il tasto FADER [FLIP] è attivo, è possibile
utilizzare gli encoder per controllare il pan del segnale
inviato ai bus MIX, il guadagno dell'head amplifier o gli
attenuatori (➥ p. 49)
• Se non esiste alcun numero di libreria vuota quando si
desidera memorizzare la scena selezionata NEW
(NUOVA), sarà ora impossibile salvare la scena, per
evitare che l'elemento di una libreria esistente venga
sovrascritto.
• Il controllo remoto dell'unità DME64N/24N
(firmware V2.0 e successivi) è ora più veloce. In
particolare, il funzionamento è più rapido quando il
collegamento viene effettuato tramite una scheda
MY16-C o MY16-CII (supportata da V1.2).
• Come parametri da utilizzare sullo schermo, sono stati
aggiunti MONITOR LEVEL (LIVELLO
MONITORAGGIO) e CUE LEVEL (LIVELLO
SEGNALE DI ATTIVAZIONE). È ora possibile
assegnare questi parametri ai fader dell'area DCA per
poter regolare i livelli di monitoraggio o del segnale di
attivazione (➥ p. 149)
❏Funzioni EFFECT (EFFETTO)
• Sono stati aggiunti ulteriori effetti (COMP276/276S,
COMP260/260S, EQ601, OPEN DECK) e DE-ESSER.
• Un'opzione DSP CONFIGURATION
(CONFIGURAZIONE DSP) è stata aggiunta alla
schermata EFFECT ASSIGN (ASSEGNAZ. EFFETTI) e
alla schermata GEQ ASSIGN (ASSEGNAZ. EQ
GRAFICO) della funzione GEQ (EQ GRAFICO), in
modo che sia possibile utilizzare gli effetti interni 1–8
come equalizzatore grafico o parametrico.
(➥ p. 168, 173)
• Quando si preme il tasto [SEL] (SELEZIONA) del
pannello nella schermata EFFECT PARAM
(PARAMETRO EFFETTI) o quando si attiva un tasto
[SEL] mediante un'impostazione di collegamento, il
modulo effetti inserito in quel canale verrà selezionato
automaticamente.
• Se si è utilizzata la funzione Tap Tempo (Battuta
tempo) per specificare il tempo nella schermata
EFFECT PARAM ed è stato poi modificato il parametro
DELAY (RITARDO), il tempo resterà invariato.
❏Funzioni GEQ
• Sono state aggiunte delle opzioni alla schermata GEQ
PARAM, che consentono di passare da un equalizzatore
grafico a uno parametrico (➥ p. 170)
• Non solo quando si preme il tasto [SEL] del pannello
nella schermata GEQ PARAM ma anche quando si
attiva un tasto [SEL] mediante un'impostazione di
collegamento, il modulo GEQ inserito in quel canale
verrà selezionato automaticamente.
• Quando si inserisce un GEQ nella schermata GEQ
PARAM, l'inserimento verrà automaticamente attivato
per quel canale e verrà automaticamente disattivato con
la rimozione del GEQ.
❏Funzioni SCENE (SCENA)
• Nella schermata SCENE, è ora possibile indicare le
scene di "sola lettura" che non verranno sovrascritte
quando si caricano delle scene da una scheda di
memoria (➥ p. 175)
• Nella schermata SCENE, è stato aggiunto un campo
DELAY in cui è possibile indicare i tempi degli eventi
program change o MIDI trasmessi quando la scena
viene richiamata (➥ p. 175)
• Nella schermata SELECTIVE RECALL (RICHIAMO
SELETTIVO) e nella schermata RECALL SAFE
(BLOCCO RICHIAMO), il parametro ON è stato
aggiunto come parametro di canale da includere o
escludere dalle operazioni di richiamo (➥ p. 180, 182)
•
Nelle schermate SELECTIVE RECALL e RECALL SAFE,
a parte la funzionalità Recall Safe tipica, è stato aggiunto
il campo OUTPUT ISOLATION (ISOLAMENTO
OUTPUT), che consente di salvare i canali di uscita e i
parametri esclusi dalle operazioni di richiamo nella
memoria SETUP (CONFIGURAZIONE) (non
interessata dalle operazioni di caricamento dalla scheda
di memoria
) (➥ p. 180, 182)
❏Funzione SYS/W.CLOCK
(SISTEMA/W.CLOCK)
• Nella schermata MIXER SETUP (CONFIGURAZIONE
MIXER), è stato aggiunto un pulsante VIRTUAL
SOUNDCHECK (CONTROLLO AUDIO VIRTUALE)
che consente di modificare temporaneamente
l'assegnazione di input per una prova.
• Nella schermata OUTPUT ATT PORT (PORTA DI
USCITA ATTENUATORE), è stato aggiunto un
pulsante ø (fase) che consente di alternare la fase tra
normale e inversa per ciascun canale di uscita o porta di
uscita del canale I/O.
❏Funzione UTILITY
• Nella schermata PREFERENCE 1, è stata aggiunta
un'opzione DCA MUTE TARGET (DESTINAZ.
ESCLUSIONE DCA) con cui è possibile specificare che
il tasto DCA [MUTE] escluderà la mandata al bus MIX.
(➥ p. 205)
• Nella schermata PREFERENCE 1, è stata aggiunta
un'opzione ATT OPERATION ON PANEL (ATTIVAZ.
ATTENUATORE SU PANNELLO) con cui è possibile
evitare che gli attenuatori vengano comandati dagli
encoder del pannello (➥ p. 206)

PM5D/PM5D-RH V2/DSP5D – Manuale di istruzioni Sezione operazioni 15
1
Introduzione
• Nella schermata PREFERENCE 1, è stata aggiunta
un'opzione MIX SEL/ENCODER MODE LINK
(COLLEGAM. MODALITÀ SELEZ MISSAGGIO/
ENCODER) che consente di collegare la selezione dei
canali MIX con la selezione dei tasti MIX SEND
SELECT (SELEZIONE MANDATA MIX) (➥ p. 206)
• Nella schermata USER DEFINE (DEFINIZ. UTENTE),
funzioni come DSP5D CONTROL e ENCODER
MODE KEY (TASTO MODALITÀ ENCODER) sono
state aggiunte alle funzioni che è possibile assegnare ai
tasti definiti dall'utente (➥ p. 208)
• Nella schermata FADER ASSIGN (ASSEGNAZ.
FADER), sono state aggiunte delle opzioni che
consentono di utilizzare la sezione dell'area STEREO/
DCA per controllare il livello di monitoraggio/segnale
di attivazione e lo stato di attivazione/disattivazione
(➥ p. 217)
• Nella schermata FADER ASSIGN, è ora possibile
assegnare anche i canali desiderati dell'unità DSP5D
(➥ p. 217)
• Nella schermata SECURITY (SICUREZZA), è stata
aggiunta una funzione LOAD LOCK (BLOCCO
CARICAM.) che consente di disabilitare il caricamento
per ciascun tipo di file (➥ p. 218)
• Nella schermata SECUTIRY, è stata aggiunta
un'opzione RECALL LOCK (BLOCCO RICHIAMO)
con cui è possibile bloccare i parametri in modo che
non vengano modificati quando viene richiamata una
scena o una libreria (➥ p. 218)
❏Funzioni di input/output
• Nella schermata OUTPUT PATCH (ASSEGNAZ.
OUTPUT) della funzione OUTPUT PATCH, è ora
possibile modificare l'assegnazione dei canali di uscita ai
jack MIX OUT 1–24 (➥ p. 243)
• Nella schermata INSERT POINT (PUNTO DI
INSERIMENTO) della funzione OUTPUT PATCH e
nella schermata INSERT/DIRECT OUT POINT
(PUNTO DI INSERIMENTO/OUTPUT DIRETTO)
della funzione INPUT PATCH (ASSEGNAZ. INPUT),
sono stati aggiunti i pulsanti SET ALL (IMPOSTA
TUTTO) e CLEAR ALL (DESELEZIONA TUTTO) che
consentono di attivare/disattivare tutti i canali in una
sola operazione. (➥ p. 246, 281)
• Nella funzione OUTPUT PATCH, è stata aggiunta una
schermata NAME (NOME), che consente di assegnare
dei nomi ai canali di uscita per la visualizzazione in più
schermate (supportata da V1.2) (➥ p. 247)
• Nella schermata CH JOB della funzione INPUT VIEW,
è ora possibile spostare e anche copiare le impostazioni
dei canali (➥ p. 314)
• Nella schermata INSERT/DIRECT OUT POINT della
funzione INPUT PATCH, è stato aggiunto PRE ATT
come posizione di trasmissione output diretto (➥ p.
282)
• Nella schermata MIX SEND VIEW (VISTA
MANDATA MIX) della funzione PAN/ROUTING
(PAN/INSTRADAMENTO), la posizione di mandata
(PRE/POST) del segnale inviato al bus MIX è ora
indicata dal colore del grafico a barre (➥ p. 306)
• È possibile impostare la Q (larghezza banda) fino a un
massimo di 16 per l'equalizzatore parametrico nei canali
di ingresso, nei canali di uscita e nei moduli GEQ.
• È ora possibile impostare un livello di soglia fino a
–72 dB per il GATE di un canale di ingresso.
Informazioni sulla sincronizzazione del word clock
Il segnale utilizzato per sincronizzare l'elaborazione del
segnale audio digitale è chiamato "word clock". In genere un
dispositivo trasmette un segnale word clock di riferimento,
mentre un altro dispositivo riceve il segnale e si sincronizza su
di esso.
Per trasmettere o ricevere segnali audio digitali a/da un
dispositivo esterno tramite i jack di ingresso/uscita digitale
dell'unità PM5D/DSP5D o tramite una scheda I/O digitale
installata in uno slot, è necessario che il word clock sia
sincronizzato tra i dispositivi. Se il word clock non è
sincronizzato, i segnali non verranno trasmessi in modo
corretto e si potrebbero sentire spiacevoli rumori.
Suggerimento
• Per ulteriori informazioni sulla sincronizzazione del word
clock delle unità PM5D/DSP5D e dei dispositivi esterni, fare
riferimento alla spiegazione di word clock nella sezione
operativa "Capitolo 4. Collegamento e configurazione"
(
➥
p. 38), e alla sezione di riferimento "Schermata WORD
CLOCK" (
➥
p. 219).
• Come eccezione, i segnali digitali che non sono sincronizzati
con l'unità PM5D/DSP5D possono essere immessi tramite
una scheda digitale I/O che contiene un convertitore della
frequenza di campionamento o tramite i jack 2TR IN/OUT
DIGITAL.
Struttura del presente manuale
Questo manuale di istruzioni è suddiviso nelle tre sezioni
seguenti.
❏Sezione operativa
In questa sezione sono illustrati gli elementi dei pannelli
frontale e posteriore, i collegamenti e la configurazione e come
utilizzare le funzionalità di base della console PM5D. In
particolare se si tratta del primo utilizzo di una console
digitale, si consiglia di leggere prima i capitoli da 2 a 7.
❏Sezione di riferimento
In questa sezione sono illustrate le funzionalità e l'utilizzo di
tutte le schermate dell'unità PM5D. Fare riferimento a questa
sezione se si desiderano informazioni sugli elementi presenti
nelle schermate.
❏Appendici
Contengono diverse informazioni come gli elenchi delle
librerie, gli elenchi dei parametri per gli effetti interni, il
formato dati MIDI e gli elenchi dei messaggi di avviso e di
errore.
In questo manuale, gli switch del pannello che è possibile
premere e che non hanno funzione di blocco vengono
denominati "tasti" mentre quelli dei quali si modifica lo stato di
attivazione/disattivazione quando li si preme (con funzione di
blocco) sono denominati "switch". Le manopole di controllo del
pannello che ruotano da un valore minimo a uno massimo
vengono definite "manopole" mentre quelle che ruotano senza
interruzioni sono denominate "encoder".
I controlli posizionati sul pannello sono racchiusi in parentesi
quadre [ ] (ad esempio, tasto [CUE], switch [PAD]) in modo
da distinguerli dai pulsanti e dalle manopole visualizzati sullo
schermo. Nel caso di alcuni controlli, il nome della sezione viene
riportato prima delle [ ] (ad esempio tasto CH [ON], encoder
EQ [FREQUENCY]).
A meno che non sia diversamente indicato, i riferimenti alla
console PM5D si applicano sia al modello PM5D che al modello
PM5D-RH. Se le specifiche cambiano per i modelli PM5D e
PM5D-RH, le differenze verranno indicate di volta in volta.
Convenzioni utilizzate nel manuale

2 Pannello superiore, frontale e posteriore
16 PM5D/PM5D-RH V2/DSP5D – Manuale di istruzioni Sezione operazioni
In questo capitolo sono illustrati i nomi e le funzioni delle parti dell'unità PM5D/DSP5D. I dettagli
di ogni sezione del pannello superiore sono riportati nei capitoli successivi di questa sezione
operativa; per ulteriori informazioni consultare il capitolo specifico.
Pannello superiore
ASezione AD IN (INGRESSO AD)
(modello PM5D)
In questa sezione è possibile regolare la sensibilità dei
segnali analogici trasmessi dai jack INPUT (INGRESSO)
1–48 e ST IN (INGRESSO STEREO) 1–4 del pannello
posteriore, e attivare o disattivare pad, inserimento e
alimentazione phantom (+48 V) (➥ p. 43).
BSezione AD IN (modello PM5D-RH)
In questa area vengono visualizzati la presenza, il livello
di picco e lo stato di attivazione o disattivazione
dell'alimentazione phantom (+48V) del segnale di
input proveniente dai jack INPUT 1-48 e dai jack
ST IN 1-4.
Suggerimento
Per il modello PM5D-RH, la sensibilità di ingresso e
l'attivazione/disattivazione dell'alimentazione phantom sono
controllate da operazioni sul display (
➥
p. 44).
CSezione area canali INPUT
Questa sezione consente di controllare i parametri
principali dei canali di ingresso 1–48 (➥ p. 45).
DSezione FADER FLIP/ENCODER MODE
(FLIP FADER/ MODALITÀ ENCODER)
In questa sezione è possibile selezionare i parametri
controllati dai fader/encoder dell'are dei canali INPUT
(3) (➥ p. 48).
ESezione MIX (MISSAGGIO)
Questa sezione consente di controllare lo stato di
attivazione/disattivazione e il livello di mandata dei
segnali inviati dai canali di ingresso ai bus MIX, in più
è possibile regolare il livello principale dei canali MIX
(➥ p. 57).
FSezione MATRIX (MATRICE)
Questa sezione consente di controllare il livello di
mandata dei segnali inviati dai canali MIX ai bus
MATRIX e di regolare il livello principale dei canali
MATRIX (➥ p. 63).
2Pannello superiore, frontale
e posteriore
1
(Modello PM5D)
2
(Modello PM5D-RH)
4 5
3
6 8
7

PM5D/PM5D-RH V2/DSP5D – Manuale di istruzioni Sezione operazioni 17
2
Pannello superiore, frontale e posteriore
GSezione SELECTED CHANNEL
(CANALE SELEZIONATO)
In questa sezione è possibile visualizzare e controllare i
parametri di missaggio dei canali di ingresso o di uscita
correntemente selezionati ➥ p. 65).
HSezione Meter (Indicatore)
In questa sezione sono riportati gli indicatori del livello
di picco che illustrano i livelli di input dei canali di
ingresso e i livelli di output dei canali di uscita e il
monitoraggio del segnale di attivazione, secondo
quanto selezionato tramite i tasti (➥ p. 108).
IDisplay
In questo display sono visualizzate le informazioni
necessarie per utilizzare l'unità PM5D ed è possibile
configurare impostazioni a livello di sistema e
controllare i parametri di missaggio per i canali di
ingresso e di uscita (➥ p. 23).
Suggerimento
È possibile regolare l'angolazione del display spostando in
avanti o indietro la parte superiore della cornice del display.
Nota
Prima di spostare l'unità PM5D, è necessario spingere
all'indietro il display fino a quando è fissato in posizione.
JSezione FADER MODE (MODALITÀ FADER)
È possibile selezionare la combinazione di canali o
gruppi DCA che saranno controllati dai fader della
sezione dell'area DCA (K) (➥ p. 149).
KSezione area DCA
Da questa sezione è possibile controllare i canali
assegnati ai gruppi DCA 1–8 (➥ p. 81).
LSezione area canale ST IN/FX RTN
(INGRESSO STEREO/RITORNO EFFETTI)
Questa sezione consente di controllare i parametri
principali dei canali ST IN 1–4 o dei canali FX RTN 1-4
(➥ p. 47).
MSezione area STEREO
Questa sezione consente di controllare i parametri
principali dei canali STEREO A/B (➥ p. 61).
NSezione SCENE MEMORY
(MEMORIA SCENE)
Questa sezione consente di memorizzare/richiamare i
parametri di missaggio come memorie scene (➥ p. 88).
In questa sezione vengono inoltre eseguite operazioni
di esclusione per i gruppi di esclusione 1–8 (➥ p. 83).
OSezione CUE/MONITOR (SEGNALE DI
ATTIVAZIONE/MONITORAGGIO)
Questa sezione consente di selezionare la sorgente di
monitoraggio che viene emessa dai jack MONITOR
OUT e di regolare i livelli. Questa sezione consente
inoltre di determinare il punto del segnale di
attivazione e il metodo di monitoraggio che verrà
utilizzato quando si preme un tasto [CUE] per un
canale (➥ p. 99).
PSezione OSCILLATOR/TALKBACK
(OSCILLATORE/TALLBACK)
In questa sezione è possibile attivare o disattivare
l'oscillatore o il talkback, oltre che regolare il livello di
talkback (➥ p. 105).
QSezione DISPLAY ACCESS
(ACCESSO AL DISPLAY)
Questa sezione consente di selezionare le funzioni o la
schermata visualizzata sul display (➥ p. 24).
RSezioni USER DEFINED KEYS
(TASTI DEFINITI DALL'UTENTE)
Questa sezione consente di eseguire le funzioni
assegnate ai tasti definiti dall'utente [1]–[25]
(➥ p. 148).
SSezione Data entry (Immissione dati)
Questa sezione consente di spostare il puntatore (la
freccia visualizzata sullo schermo) o il cursore (il
riquadro rosso che indica una selezione) sul display e
modificare il valore di un parametro (➥ p. 24).
TSezione ASSIGN MODE
(MODALITÀ ASSEGNAZIONE)
Questa sezione consente di assegnare gruppi di
esclusione e gruppi DCA per il controllo dal pannello
(➥ p. 81).
R
9
Q
R
ST
N O P
8
J
K M L

2 Pannello superiore, frontale e posteriore
18 PM5D/PM5D-RH V2/DSP5D – Manuale di istruzioni Sezione operazioni
Pannello posteriore
AJack INPUT 1–48 (modello PM5D)
Jack di ingresso XLR-3-31 bilanciati per l'immissione
di segnali audio analogici provenienti dai dispositivi a
livello di linea o dai microfoni. Il livello di input
nominale è –60 dBu - +10 dBu.
BJack INSERT IN/OUT 1–48
(solo modello PM5D)
Jack di ingresso/uscita bilanciati di tipo presa cuffie
TRS per l'inserimento di effetti esterni o processori
dinamici e così via, nei jack INPUT 1-48. Il livello di
input/output nominale è pari a +4 dBu.
CJack ST IN 1–4 (modello PM5D)
Jack di ingresso XLR-3-31 bilanciati per l'immissione
di segnali audio analogici provenienti dai dispositivi a
livello di linea. Il livello di input nominale è compreso
nell'intervallo –34 dBu - +10 dBu.
DSwitch MASTER +48V
(solo modello PM5D-RH)
Switch principale per l'alimentazione phantom (+48V)
per i jack INPUT 1–48 e ST IN 1–4. Se lo switch è
disattivato, i pulsanti +48V indicati sul display non
sono disponibili.
EJack INPUT 1–48 (modello PM5D-RH)
Jack di ingresso XLR-3-31 bilanciati per l'immissione
di segnali audio analogici provenienti dai dispositivi a
livello di linea o dai microfoni. Il livello di input
nominale è –62 dBu - +10 dBu.
FJack ST IN 1–4 (modello PM5D-RH)
Jack di ingresso XLR-3-31 bilanciati per l'immissione
di segnali audio analogici provenienti dai dispositivi a
livello di linea o dai microfoni. Il livello di input
nominale è
–62 dBu - +10 dBu.
3 1
2
(Modello PM5D)
Spina XLR
maschio
1 (messa a terra)
2 (caldo)
3 (freddo)
Presa cuffie
TRS da 1/4"
Punta (caldo)
Anello (freddo)
Manicotto (messa a terra)
Spina XLR
maschio
1 (messa a terra)
2 (caldo)
3 (freddo)
46
5
(Modello
PM5D-RH)
Spina XLR
maschio
1 (messa a terra)
2 (caldo)
3 (freddo)
Spina XLR
maschio
1 (messa a terra)
2 (caldo)
3 (freddo)

PM5D/PM5D-RH V2/DSP5D – Manuale di istruzioni Sezione operazioni 19
2
Pannello superiore, frontale e posteriore
GJack MIX OUT (USCITA MISSAGGIO)
Jack bilanciati XLR-3-32 che trasmettono segnali
analogici come quelli inseriti dai canali MIX 1-24. Il
livello di output nominale è pari a +4 dBu.
HConnettore LAMP
Jack di uscita XLR femmina a quattro pin per
l'alimentazione di una spia a collo d'oca (questi jack
sono disponibili in tre posizioni). La posizione dei jack
è diversa a seconda che si tratti del modello PM5D o
del modello PM5D-RH.
IJack MONITOR OUT
Jack bilanciati XLR-3-32 che emettono il segnale di
monitoraggio selezionato nella sezione MONITOR del
pannello superiore. Il livello di output nominale è pari
a +4 dBu.
Nota
Anche se i vari jack di uscita e i jack 2TR IN ANALOG
(INGRESSO ANALOGICO 2TR) hanno un livello di input/
output nominale pari a +4 dBu (il livello massimo è +24 dBu),
uno switch interno consente di modificare questo valore su
–2 dBu (livello massimo +18 dBu) se necessario. Per ulteriori
informazioni, rivolgersi al rivenditore Yamaha.
JJack CUE OUT
(USCITA SEGNALE DI ATTIVAZ.)
Jack bilanciati XLR-3-32 che emettono il segnale di
monitoraggio del segnale di attivazione dal canale
selezionato dal relativo tasto [CUE]. Il livello di output
nominale è pari a +4 dBu.
KJack STEREO OUT A/B (USCITA STEREO)
Jack bilanciati XLR-3-32 che emettono i segnali
analogici dei canali STEREO A/B. Il livello di output
nominale è pari a +4 dBu.
LJack MATRIX OUT (USCITA MATRICE)
Jack bilanciati XLR-3-32 che emettono i segnali
analogici dei canali MATRIX 1-8. Il livello di output
nominale è pari a +4 dBu.
MConnettore DC POWER INPUT
(INGRESSO ALIMENTAZ. CC)
Connettore che collega l'alimentatore PW800W.
Utilizzare il cavo dedicato fornito con l'unità PM5D
per effettuare il collegamento.
NJack 2TR IN ANALOG 1/2
Jack bilanciati XLR-3-31 che immettono segnali stereo
analogici provenienti da una sorgente esterna. Il livello
di input nominale è pari a +4 dBu.
OJack TIME CODE INPUT
(INGRESSO TIME CODE)
Jack bilanciato XLR-3-31 che riceve un time code
SMPTE (LTC) da una sorgente esterna.
PConnettore TO HOST (VERSO HOST)
Connettore USB (di tipo B) che consente la
comunicazione con un computer.
Nota
PM5D Editor e il driver USB-MIDI necessari per la
connessione al computer sono scaricabili dal sito Web
Yamaha riportato di seguito.
http://www.yamahaproaudio.com/
78
Spina XLR
femmina
2 (caldo)
1 (messa a terra)
3 (freddo)
CRLRL
RLRL
87654321
MJ9KL
Spina XLR
femmina
2 (caldo)
1 (messa a terra)
3 (freddo)
Spina XLR
femmina
2 (caldo)
1 (messa a terra)
3 (freddo)
Spina XLR
femmina
2 (caldo)
1 (messa a terra)
3 (freddo)
Spina XLR
femmina
2 (caldo)
1 (messa a terra)
3 (freddo)
IN
RLRL
SMPTE USB
OUT IN
75
ON OFF
21
COAXIAL COAXIALAES/EBU AES/EBU AES/EBU AES/EBU
3
21
3
THRU OUT IN
N X YVUT
Q R S Z aWPO
Spina XLR
maschio
1 (messa a terra)
2 (caldo)
3 (freddo)
Spina XLR
maschio
1 (messa a terra)
2 (caldo)
3 (freddo)

2 Pannello superiore, frontale e posteriore
20 PM5D/PM5D-RH V2/DSP5D – Manuale di istruzioni Sezione operazioni
QConnettore GPI
Connettore femmina D-sub a 25 pin che consente la
comunicazione con un dispositivo esterno provvisto
di GPI.
RConnettore RS422 REMOTE
Connettore femmina D-sub a 9 pin che consente di
controllare in remoto un dispositivo esterno che
supporta il protocollo RS422.
SConnettore HA REMOTE
(Head Amplifier remoto)
Connettore maschio D-sub a 9 pin che consente di
controllare in remoto un dispositivo head amplifier
esterno (ad esempio, Yamaha AD8HR o AD824) che
supporta un protocollo speciale.
TConnettore WORD CLOCK IN
(INGRESSO WORD CLOCK)
Connettore BNC in grado di trasmettere un word clock
proveniente da un dispositivo esterno all'unità PM5D.
USwitch 75Ω ON/OFF
Questo switch consente di terminare il collegamento
del word clock. In genere resta su ON (ATTIVATO). Se
viene connesso un dispositivo di un altro produttore e
il word clock non viene ricevuto correttamente, provare
a spostare questo switch su OFF (DISATTIVATO).
VConnettore WORD CLOCK OUT
(USCITA WORD CLOCK)
Connettore BNC in grado di trasmettere un word clock
dall'unità PM5D a un dispositivo esterno.
WConnettori MIDI IN/THRU/OUT
(INGRESSO/PASSANTE/USCITA MIDI)
Connettori utilizzati per trasmettere e ricevere
messaggi MIDI a/da dispositivi MIDI esterni. Il
connettore MIDI IN riceve messaggi da un dispositivo
esterno mentre il connettore MIDI OUT li trasmette
dall'unità PM5D. I messaggi ricevuti sul connettore
MIDI IN vengono ritrasmessi senza modifiche dal
connettore MIDI THRU.
XJack 2TR OUT DIGITAL
(uscite digitali a 2 tracce) 1-3
Questi jack emettono in digitale i segnali dei canali
STEREO A/B. Sono disponibili due tipi, jack AES/EBU
(XLR-3-32) (1/2) che emettono segnali in formato
AES/EBU e un jack COAXIAL (COASSIALE, RCA
phono) (3) che emette segnali in formato IEC60958.
YJack 2TR IN DIGITAL
(ingressi digitali a 2 tracce) 1-3
Questi jack immettono l'audio digitale da dispositivi
esterni come lettori CD. Sono disponibili due tipi, jack
AES/EBU (XLR-3-31) (1/2) che ricevono segnali in
formato AES/EBU e un jack COAXIAL (RCA phono)
(3) che riceve segnali in formato IEC60958.
ZConnettore CASCADE OUT
(USCITA IN CASCATA)
Connettore femmina D-sub half-pitch a 68 pin che
può essere collegato a un'altra console PM5D, DSP5D,
DCU5D o DME64N per trasmettere/ricevere segnali di
controllo e per la trasmissione di segnali audio.
aConnettore CASCADE IN
(INGRESSO IN CASCATA)
Connettore femmina D-sub half-pitch a 68 pin che
può essere collegato a un'altra console PM5D, DSP5D,
DCU5D per trasmettere/ricevere segnali di controllo e
per la ricezione di segnali audio.
bVentola di raffreddamento
Apertura per la ventola di raffreddamento interna alla
console (due posizioni). Quando si posiziona la
console, prestare attenzione a non ostruire questa
apertura.
cSLOT 1–4
In questi slot è possibile installare schede I/O mini-
YGDAI acquistabili separatamente per espandere le
porte di ingresso e di uscita.
Pannello frontale
ASlot MEMORY CARD
(SCHEDA DI MEMORIA)
Una scheda di memoria inserita in questo slot può
essere utilizzata per salvare o caricare memorie scene o
dati della libreria. È possibile utilizzare le schede ATA
flash PCMCIA Type II o le schede CompactFlash
inserite in un adattatore schede PC.
BConnettore MOUSE
È possibile collegare un mouse PS/2 a questo
connettore e utilizzarlo per eseguire operazioni sul
display.
CConnettore KEYBOARD (TASTIERA)
È possibile collegare una tastiera PS/2 a questo
connettore e utilizzarla per inserire del testo o per
eseguire operazioni sul display.
DJack PHONES (Cuffia)
Questo jack per cuffie consente di monitorare i segnali
MONITOR OUT o CUE.
cb
PHONES
KEYBOARD
MOUSE
MEMORY CARD
PHONES
KEYBOARD
MOUSE
MEMORY CARD
12
43
56
12
43
56
1 2 3 4

PM5D/PM5D-RH V2/DSP5D – Manuale di istruzioni
Sezione operazioni
21
2
Pannello superiore, frontale e posteriore
Pannello frontale DSP5D
A
Jack INPUT 1–48 / ST IN 1–4
Jack di ingresso XLR-3-31 bilanciati per l'immissione
di segnali audio analogici provenienti dai dispositivi a
livello di linea o dai microfoni. Il livello di input
nominale è compreso nell'intervallo –62 dBu e +10Bu.
Tutti i jack sono dotati di head amplifier reimpostabili
e la configurazione di questi ultimi può essere
memorizzata nella memoria scene.
B
Jack OMNI OUT 1–24
Jack bilanciati XLR-3-32 per l'emissione di segnali
audio analogici. Vengono utilizzati principalmente per
l'emissione di segnali di canali A/B di tipo MIX/
MATRIX/STEREO. Il livello di output nominale è pari
a +4 dBu.
Nota
Il livello di output nominale dei jack OMNI OUT 1-24 è pari a
+4 dBu (il livello massimo è +24 dBu) tuttavia in caso di
necessità è possibile portarlo, mediante uno switch interno, su
-2 dBu mentre il livello massimo è +18 dBu (questa modifica
comporta dei costi). Per ulteriori informazioni, rivolgersi al
rivenditore Yamaha.
C
Connettori CASCADE IN/OUT
Connettori femmina D-sub half-pitch a 68 pin che
consentono la connessione di unità DSP5D, PM5D,
DCU5D e DME64N in modo che sia possibile
trasmette e ricevere segnali audio e segnali di controllo.
D
Connettore NETWORK (RETE)
Questo connettore consente di collegare l'unità DSP5D
a un computer Windows tramite un cavo Ethernet
CAT5.
Si utilizza principalmente per il controllo o la modifica
in remoto dell'unità DSP5D dall'applicazione dedicata
"DSP5D Editor".
Nota
• Utilizzare un cavo CAT5 STP (Shielded Twisted Pair,
doppino ritorto schermato di categoria 5) per evitare
interferenze elettromagnetiche.
• DSP5D Editor e il driver DME-N di rete necessari per la
connessione al computer sono scaricabili dal sito Web
Yamaha riportato di seguito.
http://www.yamahaproaudio.com/
E
Connettori WORD CLOCK IN/OUT
Connettori BNC utilizzati per trasmettere e ricevere
segnali di word clock da e verso un dispositivo esterno.
Il connettore di ingresso viene terminato su un valore
di 75 ohms.
F
Connettori CASCADE IN/OUT
Connettori RJ-45 che possono essere collegati tramite
un cavo Ethernet CAT5 a un'unità DSP5D o DCU5D
in modo che sia possibile trasmettere e ricevere segnali
audio e segnali di controllo.
Nota
• Come connettori utilizzare connettori di tipo RJ-45
compatibili con Neutrik’s EtherCon
®
.
• Come cavi, utilizzare cavi CAT5 STP (doppino ritorto
schermato di categoria 5).
• Per evitare interferenze elettromagnetiche, utilizzare nastro
conduttore e così via per fissare saldamente la parte in
metallo del connettore all'esterno del cavo.
• Questi connettori utilizzano la tecnologia Ethernet, ma
vengono impiegati solo per il sistema PM5D e non possono
essere connessi ad altri strumenti EtherSound. Per ulteriori
informazioni sulla lunghezza dei cavi che è possibile
utilizzare, consultare il seguente sito Web:
http://www.ethersound.com/technology/compatibility.php
G
LED IN/OUT[TX]/[RX] (LED INGRESSO/
USCITA RICEZIONE/TRASMISSIONE)
Quando i segnali vengono trasmessi (TX) o ricevuti
(RX) attraverso i connettori [CASCADE IN]/
[CASCADE OUT], il LED corrispondente si illumina.
Quando si utilizza lo switch della modalità del pannello
posteriore per impostare l'ID della macchina, il
numero di LED corrispondenti all'ID della macchina si
illuminano per cinque secondi (
➥
p. 153).
H
SLOT 1–2
È possibile espandere le porte di ingresso e uscita
installando in questi slot delle schede mini-YGDAI I/O
acquistabili separatamente.
I
Connettore DC POWER INPUT
È possibile collegare alla console un alimentatore
PW800W acquistabile separatamente come
alimentatore di backup esterno. Utilizzare un cavo di
collegamento per l'alimentatore (PSL360) per
effettuare questa operazione.
J
LED POWER (ALIMENTAZIONE)
Si illumina quando viene fornita alimentazione
all'unità DSP5D.
K
Switch POWER (ALIMENTAZIONE)
Consente di attivare e disattivare l'alimentazione.
L
Connettore AC IN
Utilizzare il cavo di alimentazione in dotazione per
fornire alimentazione a questo connettore.
M
Vite di messa a terra
Per un funzionamento sicuro, verificare che l'unità
DSP5D abbia una corretta messa a terra. Il cavo di
alimentazione in dotazione dispone di una spina a tre
pin, pertanto se la presa CA è collegata a terra, anche la
messa a terra dell'unità DSP5D risulterà idonea. Se la
presa CA utilizzata non ha la messa a terra, è necessario
collegare questa vite per ottenere una messa a terra
valida. Una messa a terra corretta eliminerà
efficacemente rumori e interferenze.
CASCADE IN
OUT OUT
OUT
TX RX TX RX
IN
ININ 75Ω
TERMINATED
OUT OUT
OUT
TX RX TX RX
IN
ININ 75Ω
TERMINATED
1 2
5 64
8 9 L M
7 KJ
3

2 Pannello superiore, frontale e posteriore
22 PM5D/PM5D-RH V2/DSP5D – Manuale di istruzioni Sezione operazioni
Pannello posteriore dell'unità DSP5D
AAperture per ventole di raffreddamento
Aperture per le ventole di raffreddamento interne
dell'unità DSP5D (due posizioni). Quando si posiziona
la console, prestare attenzione a non ostruire queste
aperture.
BSwitch FAN (VENTOLA)
Consente di passare la velocità di rotazione delle
ventole di raffreddamento interne della console DSP5D
da HIGH (ALTA) a LOW (BASSA) e viceversa.
Per un utilizzo normale, impostare su LOW. Tuttavia,
se la console DSP5D si trova in una postazione con
temperatura elevata o all'esterno, alla luce solare
diretta, impostare su HIGH. Impostare lo switch su
HIGH anche se il pannello risulta più caldo del
normale.
CSwitch Mode (Modalità)
Questo switch viene utilizzato quando si inizializzano
le impostazioni della memoria interna, durante gli
aggiornamenti successivi del firmware e quando si
imposta il numero ID della macchina.
DLED POWER
Si illumina quando viene fornita alimentazione
all'unità DSP5D.
EVite di messa a terra
Per un funzionamento sicuro, verificare che l'unità
DSP5D abbia una corretta messa a terra. Il cavo di
alimentazione in dotazione dispone di una spina a tre
pin, pertanto se la presa CA è collegata a terra, anche la
messa a terra dell'unità DSP5D risulterà idonea. Se la
presa CA utilizzata non ha la messa a terra, è necessario
collegare questa vite per ottenere una messa a terra
valida. Una messa a terra corretta eliminerà
efficacemente rumori e interferenze.
FAN
HIGH LOW
POWER
FAN
HIGH LOW
POWER
1
2 3 4
5

PM5D/PM5D-RH V2/DSP5D – Manuale di istruzioni Sezione operazioni 23
3
Funzionamento di base della console PM5D
In questo capitolo vengono descritti i vari tipi di interfaccia utente utilizzati per il funzionamento
dell'unità PM5D.
Informazioni sui vari tipi di interfaccia utente
I parametri di base come il missaggio e la modifica dell'audio di ciascun canale possono essere controllati tramite i fader e gli
encoder del pannello superiore. Tuttavia per effettuare impostazioni più dettagliate, sarà necessario accedere alla "funzione"
appropriata e modificare i valori dei parametri sul display. Nella sezione riportata di seguito vengono descritti i vari
componenti dell'interfaccia utente visualizzati sul display e le relative modalità di utilizzo.
L'interfaccia utente sul display dell'unità PM5D utilizza i
seguenti componenti.
❏Puntatore
La freccia visualizzata sul display viene chiamata
"puntatore". Utilizzare il puntatore per selezionare il
parametro successivo da controllare.
❏Cursore
Il riquadro rosso visualizzato sul display è
denominato "cursore". Se il cursore
racchiude un parametro a video, quel
parametro è selezionato per un'operazione.
❏Tab
I nomi delle schermate
riportati nella parte
superiore sinistra del display
vengono definiti "tab". I tab
si utilizzano per passare da
una schermata all'altra
nell'ambito della stessa funzione.
❏Pulsanti
I pulsanti sullo schermo
vengono utilizzati per
attivare o disattivare
parametri o per selezionare
una delle varie opzioni. I
pulsanti correntemente
attivati vengono visualizzati
in verde (alcuni in rosso o in
blu); i pulsanti disattivati
vengono visualizzati in
grigio.
❏Manopole/fader/caselle
Le manopole e i fader presenti sul display vengono
utilizzati per modificare i valori dei parametri. Il valore
corrente viene riportato nella casella. Nelle caselle per le
quali sono visualizzati i pulsanti / a sinistra e a destra
è possibile modificare i parametri utilizzando questi
pulsanti. Se la modifica non è possibile, i pulsanti saranno
grigi.
Se si desidera assegnare un nome a un canale o una scena,
immettere caratteri, numeri e simboli all'interno della
casella.
❏Tavolozza dei caratteri
In questa tastiera "virtuale" è possibile inserire caratteri,
numeri e simboli in una casella di immissione testo.
3Funzionamento di base
della console PM5D
Interfaccia utente sul display
C
ursore
Tab
Pulsanti
disattivati (grigio)
Pulsanti
attivati (verde)
Fader
Casella
Casella
Manopola
Pulsanti / per la
modifica del valore

3 Funzionamento di base della console PM5D
24 PM5D/PM5D-RH V2/DSP5D – Manuale di istruzioni Sezione operazioni
❏Barra di scorrimento
Se gli elementi visualizzati sono troppo numerosi per
adattarli a una sola schermata, è possibile utilizzare la barra
di scorrimento per vedere la parte che al momento non è
visualizzata.
La sezione DISPLAY ACCESS contiene i tasti con cui è
possibile accedere alla funzione o alla schermata desiderata
sul display.
AFunzioni generali
Questi tasti consentono di accedere alle funzioni che
riguardano l'intera console PM5D.
BFunzioni di output
Questi tasti consentono di accedere alle funzioni che
riguardano i canali di uscita.
CFunzioni di input
Questi tasti consentono di accedere alle funzioni che
riguardano i canali di ingresso.
Quando si preme il tasto per la funzione desiderata, viene
visualizzata sul display la schermata per quella funzione.
Premendo più volte un tasto è possibile scorrere tutte le
schermate comprese in quella funzione.
Suggerimento
Se si tiene premuto il tasto [SHIFT] (MAIUSC) e si preme un
tasto della sezione DISPLAY ACCESS, le schermate
comprese in quella funzione verranno visualizzate nell'ordine
inverso (funzione Page Back – Pagina precedente).
È possibile utilizzare la funzione Page Back anche tenendo
premuto un tasto nella sezione DISPLAY ACCESS. Se si
preme un tasto due volte di seguito in rapida successione,
si tornerà alla prima schermata della funzione.
I controller utilizzati per modificare impostazioni e valori
sul display sono raccolti nella sezione Data Entry.
ATasti [DEC/CANCEL] (RIDUCI/ANNULLA) /
[INC/OK] (AUMENTA/OK)
Utilizzare questi tasti per aumentare o ridurre il valore
del parametro nel punto in cui è posizionato il cursore.
Se nell'unità PM5D viene visualizzata una finestra in
cui si richiede di confermare operazioni come il
richiamo o il salvataggio, questi pulsanti potranno
essere utilizzati al posto del pulsante CANCEL e del
pulsante OK riportati nella finestra.
B
Tasti CURSOR (CURSORE) [√]/[®]/[π]/[†]
Si utilizzano per spostare il cursore sul valore del
parametro desiderato.
CTasto [SHIFT]
Questo tasto può essere utilizzato insieme ai tasti
CURSOR [√]/[®]/[π]/[†] per spostare
rapidamente il cursore o insieme all'encoder [DATA]
(DATI) o ai tasti [DEC]/[INC] per modificare
rapidamente il valore di un parametro.
Se si tiene premuto il tasto [SHIFT] e si preme il tasto
[ENTER], verrà visualizzata la finestra JOB SELECT
(SELEZIONE PROCESSO) che consente di impostare
più parametri con una sola operazione. Quando si
sposta il cursore su un parametro per cui esiste una
finestra JOB SELECT, viene visualizzata l'indicazione
"Job Select = [SHIFT] + [ENTER]".
DTasto [ENTER] (INVIO)
Utilizzare questo tasto per attivare o disattivare un
pulsante nella posizione del cursore o per aprire una
finestra.
EEncoder [DATA]
Si utilizza per aumentare o ridurre il valore del
parametro nel punto in cui è posizionato il cursore.
Il valore del parametro cambia più rapidamente se si
attiva l'encoder [DATA] tenendo premuto il tasto
[SHIFT].
Barra di scorrimento
Sezione DISPLAY ACCESS
(ACCESSO DISPLAY)
1
2
3
Sezione Data Entry (Immissione dati)
2
1
6
3
7
45

PM5D/PM5D-RH V2/DSP5D – Manuale di istruzioni Sezione operazioni 25
3
Funzionamento di base della console PM5D
FTrack pad e pulsanti destro/sinistro
Si utilizzano per spostare il puntatore o per selezionare
il parametro desiderato. Per regolare un parametro di
tipo manopola sul display, tenere premuto il pulsante
sinistro o destro del track pad mentre si utilizza il track
pad.
GJack PHONES (Cuffia)
Si tratta di un jack stereo per il collegamento di una
cuffia.
Se necessario, è possibile aggiungere i seguenti componenti
per l'interfaccia utente esterna.
❏Mouse
È possibile collegare un mouse PS/2 compatibile al
connettore MOUSE situato sul pannello frontale dell'unità
PM5D e utilizzarlo allo stesso modo del track pad.
❏Tastiera
È possibile collegare una tastiera PS/2 compatibile al
connettore KEYBOARD (TASTIERA) situato sul pannello
frontale dell'unità PM5D e utilizzarla come la tavolozza
caratteri sul display per inserire caratteri, numeri e simboli.
Il tastierino numerico della tastiera può essere utilizzato
per inserire valori numerici o per richiamare delle scene.
Ad ogni tasto (o combinazione di tasti) corrisponde la
funzione indicata di seguito.
Tastiera completa
Tastierino numerico
Interfaccia utente esterna
Tasto Funzioni
<PageUp
(PgSu)> Stessa funzione del tasto [INS/OK] della
sezione Data Entry
<PageDown
(PgGiù)> Stessa funzione del tasto [DEC/CANCEL]
della sezione Data Entry
<←>, <→>,
<↑>, <↓>Stessa funzione dei tasti CURSOR [√]/[®]/
[π]/[†]
<Alt> +
<PageUp> Stessa funzione della rotazione dell'encoder
[DATA] in senso orario
<Alt> +
<PageDown> Stessa funzione della rotazione dell'encoder
[DATA] in senso antiorario
<Enter> Stessa funzione del tasto [ENTER]
<Shift> Stessa funzione del tasto [SHIFT]
<Ctrl> + <←>,
<Ctrl> + <→>Stessa funzione dei pulsanti della
tavolozza caratteri
<Ctrl> + <x> Consente di copiare la stringa di testo nella
casella eliminando la stringa di carattere
origine della copia (Cut)
<Ctrl> + <c> Stessa funzione del pulsante COPY (COPIA)
della tavolozza caratteri
<Ctrl> + <v> Stessa funzione del pulsante PASTE
(INCOLLA) della tavolozza caratteri
<Insert
(Inserisci)> Stessa funzione del pulsante INS
(INSERISCI) della tavolozza caratteri
<Delete
(Elimina)> Stessa funzione del pulsante DEL (ELIMINA)
della tavolozza caratteri
<Home> Consente di spostare il punto di inserimento
nella casella all'inizio della stessa
<End (Fine)> Consente di spostare il punto di inserimento
nella casella subito dopo l'ultimo carattere
inserito
<BackSpace> Consente di eliminare il carattere precedente
immesso nella casella (Backspace)
<Tab> Consente di passare alla schermata
successiva nell'ambito della stessa funzione
<Shift> + <Tab> Consente di passare alla schermata
precedente nell'ambito della stessa funzione
<Esc> Consente di accedere al menu delle funzioni
(se questo menu è già visualizzato, richiama
l'ultima schermata visualizzata)
<Alt> +
<0>–<9> Consente di alternare fra le schermate della
stessa funzione
Tasto Funzioni
<0>–<9>
Consentono di inserire un numero di scena,
se l'elemento USE NUMERIC-KEYPAD
(UTILIZZA TAST. NUMER.) della schermata
PREFERENCE 1 è attivato, o di inserire valori
numerici (se è disattivato)
<.> Consente di riportare il numero di selezione
scena al numero dell'ultima scena richiamata
o salvata
<+> Stessa funzione del tasto [π] della sezione
SCENE MEMORY (MEMORIA SCENE)
<-> Stessa funzione del tasto [†] della sezione
SCENE MEMORY
</>, <*> Non utilizzati
<Enter>
Stessa funzione del tasto [RECALL]
(RICHIAMO) della sezione SCENE MEMORY
(se l'elemento USE NUMERIC-KEYPAD nella
schermata PREFERENCE 1 è attivato),
stessa funzione del tasto [ENTER] (se è
disattivato)
Tasto Funzioni

3 Funzionamento di base della console PM5D
26 PM5D/PM5D-RH V2/DSP5D – Manuale di istruzioni Sezione operazioni
Funzionamento di base
In questa sezione sono illustrate le procedure di base che è possibile eseguire sul display dell'unità PM5D. In generale, è
possibile eseguire operazioni sul display dell'unità PM5D combinando le azioni descritte di seguito.
Spostare il puntatore su un parametro specifico nella
schermata e premere il pulsante sinistro o destro del track
pad (o il pulsante sinistro/destro del mouse), è
un'operazione cui viene fatto riferimento come "fare clic".
Fare clic è un'operazione eseguita soprattutto per attivare/
disattivare un pulsante della schermata, per spostare il
cursore o per regolazioni fini di un valore.
Utilizzare i tasti CURSOR [√]/[®]/[π]/[†] della
sezione Data Entry per spostare il cursore su un parametro
desiderato e premere il tasto [ENTER] equivale a fare clic.
Se si utilizza una tastiera PS/2, è possibile eseguire la stessa
operazione utilizzando i tasti freccia e il tasto <Enter>.
Più avanti in questo manuale, l'operazione verrà chiamata
anche "selezione".
Suggerimento
Quando si utilizza il track pad, è
possibile spostare il puntatore sul
parametro desiderato, quindi battere
leggermente sul track pad per avere lo
stesso risultato ottenuto premendo il
pulsante sinistro del mouse. Questa
funzione viene chiamata "tocco". Se si
desidera utilizzare la funzione di tocco
è necessario abilitarla nella schermata
PREFERENCE 2 (funzione UTILITY)
(
➥
p. 206).
Spostare il puntatore su un parametro specifico nella
schermata e si tiene premuto il pulsante sinistro o destro
del track pad (o del mouse) mentre ci si sposta verso l'alto,
il basso, a destra o a sinistra è un'operazione chiamata
"trascinamento". Il trascinamento si utilizza soprattutto per
regolare il valore di una manopola o di un fader.
Utilizzare i tasti CURSOR [√]/[®]/[π]/[†] della
sezione Data Entry per spostare il cursore su un parametro
desiderato e ruotare l'encoder [DATA] (o premere i tasti
[DEC/CANCEL]/[INC/OK]) equivale all'operazione di
trascinamento. Se si utilizza una tastiera PS/2, è possibile
eseguire la stessa operazione utilizzando i tasti freccia e i
tasti <PageUp>/<PageDown> (o altri tasti con la stessa
funzione).
Più avanti in questo manuale, l'operazione verrà chiamata
semplicemente "trascinamento".
Spostare il puntatore del mouse su un parametro specifico
nella schermata, trascinando verso un'altra posizione sullo
schermo e rilasciare la pressione è un'operazione chiamata
"trascinamento e rilascio". Il trascinamento e rilascio si
utilizza per copiare impostazioni dell'equalizzatore o del
compressore su un altro canale. Non è possibile trascinare
e rilasciare utilizzando i tasti CURSOR o la tastiera.
Più avanti in questo manuale, l'operazione verrà chiamata
semplicemente "trascinamento e rilascio".
Fare clic
Fare clic
Fare clic
• Track pad • Mouse
• Track pad
Tocco
Trascinare
Trascinare Trascinare
Tenendo
premuto
• Track pad • Mouse
Trascinare e rilasciare

PM5D/PM5D-RH V2/DSP5D – Manuale di istruzioni Sezione operazioni 27
3
Funzionamento di base della console PM5D
È possibile accedere alla funzione/schermata desiderata sul
display utilizzando uno dei due metodi seguenti.
❏Utilizzo dei tasti della sezione DISPLAY
ACCESS
1Utilizzando i tasti della sezione DISPLAY
ACCESS, premere il tasto corrispondente alla
funzione desiderata.
Verrà visualizzata l'ultima schermata utilizzata per
quella funzione.
2Per passare a un'altra schermata all'interno
della funzione, premere lo stesso tasto
utilizzato al punto 1.
Se si preme più volte un tasto nella sezione DISPLAY
ACCESS o si tiene premuto il tasto [SHIFT] della
sezione Data Entry e si preme lo stesso tasto del punto
1, si tornerà alla schermata precedente della stessa
funzione.
❏Utilizzo dei pulsanti sul display
1In qualsiasi schermata, fare clic sull'area del
nome della funzione nella parte superiore
sinistra della schermata.
Facendo clic sull'area del nome della funzione, verrà
visualizzata la schermata con il menu della funzione.
Questa schermata costituisce il punto di partenza da
cui è possibile accedere alla schermata desiderata
utilizzando il display.
2Nella schermata del menu della funzione, fare
clic sul pulsante corrispondente alla funzione
desiderata.
Verrà visualizzata l'ultima schermata utilizzata per
quella funzione.
3Fare clic su un tab nella schermata per
selezionare la finestra desiderata.
Suggerimento
Scegliendo i pulsanti sotto l'area del
nome della funzione, è possibile tornare alle schermate
visualizzate in precedenza per almeno due secondi (senza
considerare il menu della funzione). Restano in memoria le
ultime otto schermate visualizzate.
Per selezionare un parametro, utilizzare i controller della
sezione Data Entry oppure una tastiera PS/2 per spostare il
cursore (riquadro rosso).
Suggerimento
Se si utilizza un mouse o il track pad, il cursore si sposta
quando si fa clic su un pulsante o una manopola del
parametro desiderato.
1Utilizzare i tasti CURSOR [√]/[®]/[π]/[†] per
spostare il cursore.
Il cursore sul display si sposterà nella direzione del
tasto premuto. Ma non si sposterà se non è presente
alcun parametro nella direzione di quel tasto.
Accesso alla schermata desiderata
Fare clic nell'area del nome della funzione
Fare clic su un tab
Spostamento del cursore
Spostamento nella
griglia adiacente

3 Funzionamento di base della console PM5D
28 PM5D/PM5D-RH V2/DSP5D – Manuale di istruzioni Sezione operazioni
2Per spostarsi rapidamente al margine esterno
della finestra corrente o in una finestra
diversa, tenere premuto il tasto [SHIFT] e
utilizzare i tasti CURSOR [√]/[®]/[π]/[†].
Il cursore si sposterà dalla finestra di scorrimento in cui
si trova correntemente, nella direzione del tasto
premuto.
Suggerimento
Se il cursore si trova su una griglia come nella schermata
PATCH (ASSEGNAZIONE), ruotando l'encoder [DATA] in
senso orario il cursore si sposterà verso destra e ruotandolo in
senso antiorario si sposterà verso sinistra. Se si tiene premuto
il tasto [SHIFT], ruotando l'encoder [DATA] in senso orario il
cursore si sposterà verso il basso mentre ruotandolo in senso
antiorario si sposterà verso l'alto.
Viene visualizzata una barra di scorrimento se sono
presenti più elementi che è possibile visualizzare in una
sola schermata. Per scorrere all'interno della schermata,
trascinare la casella riportata sulla barra.
È possibile scorrere la schermata anche facendo clic sulla
parte vuota della barra di scorrimento o sui pulsanti /
o / alle estremità della barra.
Se si sposta il cursore sulla barra di
scorrimento e si preme il tasto [DEC/
CANCEL] o si ruota l'encoder [DATA]
in senso antiorario, la schermata scorrerà
verso sinistra (o verso l'alto in caso di
scorrimento verticale). Se si preme il
tasto [INC/OK] o si ruota l'encoder [DATA] in senso
orario, la schermata scorrerà verso destra (o verso il basso
in caso di scorrimento verticale).
Suggerimento
Se il cursore si trova sulla casella della barra di scorrimento,
tenendo premuto il tasto [SHIFT] e ruotando l'encoder [DATA]
si avrà lo stesso risultato ottenuto selezionando i pulsanti
o , a seconda della direzione in cui si ruota l'encoder.
Tasto [SHIFT]
+
Tasto CURSOR [®]
Scorrimento della schermata
➠
Trascinare
Fare clic su questi pulsanti per
spostare di piccoli passi la barra di
scorrimento nella direzione
indicata. Facendo clic sui pulsanti
/ è possibile effettuare uno
spostamento maggiore rispetto ai
pulsanti / .
Fare clic in queste aree per
ottenere uno spostamento
maggiore della casella
della barra di scorrimento
nella direzione
corrispondente; la
schermata scorrerà di
conseguenza.

PM5D/PM5D-RH V2/DSP5D – Manuale di istruzioni Sezione operazioni 29
3
Funzionamento di base della console PM5D
I pulsanti sullo schermo vengono utilizzati per attivare o
disattivare parametri o per selezionare una delle varie
opzioni.
1Spostare il puntatore sul pulsante desiderato e
utilizzare i pulsanti sinistro/destro del track
pad (o del mouse) per fare clic sul pulsante.
Il pulsante verrà attivato/disattivato (o verrà
selezionato il pulsante corrispondente).
Suggerimento
È possibile utilizzare i tasti CURSOR [
√
]/[
®
]/[
π
]/[
†
] e il tasto
[ENTER] (oppure i tasti freccia e il tasto <Enter> di una
tastiera PS/2) per effettuare l'operazione equivalente.
Suggerimento
Se si utilizza la tastiera, è possibile anche fare clic battendo
leggermente sul track pad se è stato abilitato il tocco nella
schermata PREFERENCE 2 (funzione UTILITY
➥
p. 206). In
questo caso, il risultato sarà uguale alla pressione del
pulsante sinistro del track pad (o del mouse).
Le manopole e i fader presenti sul display vengono
utilizzati per regolare il valore di parametri specifici.
1Spostare il puntatore sulla manopola/fader
desiderato e utilizzare i pulsanti sinistro/destro
del track pad (o del mouse) per fare clic sulla
manopola o sul fader.
Il cursore si sposterà nella posizione specificata.
2Per aumentare o ridurre il valore in incrementi
di 1, fare clic sul pulsante sinistro o destro del
track pad (o del mouse).
Facendo clic sul pulsante destro il valore aumenterà di
un numero e facendo clic sul pulsante sinistro il valore
diminuirà di un numero.
3Per aumentare o ridurre il valore in modo
continuativo, utilizzare il track pad (o il
mouse) per trascinare la manopola o il fader.
Il valore verrà modificato mentre si trascina la
manopola o il fader verso sinistra/destra o verso l'alto/il
basso. Se la manopola di un parametro dispone di
un'ampia gamma di regolazioni, tenendo premuto il
pulsante destro del track pad (o del mouse) durante il
trascinamento sarà possibile effettuare una serie
maggiore di modifiche rispetto a quando si utilizza il
pulsante sinistro.
Suggerimento
Per regolare il valore è possibile anche utilizzare i tasti
[DEC/CANCEL]/[INC/OK], l'encoder [DATA] o i tasti
<PageUp>/<PageDown> di una tastiera PS/2 Quando si
modifica un parametro che dispone di un'ampia gamma di
regolazioni, è possibile aumentare la velocità della modifica
tenendo premuto il tasto [SHIFT] mentre si premono i tasti
[DEC/CANCEL]/[INC/OK] (o si ruota l'encoder [DATA]).
Utilizzo dei pulsanti
➠
Fare clic
Disattivato Attivato
Regolazione dell'impostazione di
una manopola o un fader
Regolazione
del valore della
manopola
Regolazione
del valore
del fader

3 Funzionamento di base della console PM5D
30 PM5D/PM5D-RH V2/DSP5D – Manuale di istruzioni Sezione operazioni
Nell'unità PM5D, è possibile assegnare un nome di quattro
caratteri a ciascun canale di ingresso o gruppo DCA,
nonché assegnare un titolo ai dati di una scena o di una
libreria quando li si salva.
Ad esempio, la schermata riportata di seguito è la finestra
LIBRARY STORE (ARCHIVIO LIBRERIA) visualizzata
quando si assegna un nome alla libreria INPUT EQ (EQ DI
INGRESSO). Per inserire dei caratteri in questa schermata,
utilizzare la procedura riportata di seguito.
1Utilizzare la tavolozza caratteri (o una tastiera
PS/2) per inserire un carattere.
Quando si seleziona la tavolozza dei caratteri, nella
casella viene immesso un carattere e l'area evidenziata
si sposta a destra.
2Immettere i successivi caratteri allo stesso
modo.
Durante l'immissione di caratteri, è possibile utilizzare
i seguenti pulsanti della tavolozza caratteri.
Nota
Le operazioni di copia/incolla non sono possibili in alcune
schermate. Esistono casi in cui l'operazione Incolla non può
essere effettuata a causa del tipo di stringa di caratteri copiata
nella memoria buffer.
3Dopo aver inserito il nome, fare clic sul
pulsante STORE (MEMORIZZA).
Il nome immesso verrà memorizzato.
Suggerimento
• In generale, la stessa procedura si applica per le schermate
in cui vengono specificati nomi per scene o altri elementi
delle librerie.
• Se è collegata una tastiera PS/2, sarà possibile utilizzarla
per inserire i caratteri.
• Se si sposta il cursore sulla casella di immissione testo e
si preme il tasto [ENTER] (o si fa clic), la posizione di
inserimento si sposterà in quel punto. Se il cursore è
posizionato nella casella di immissione testo, sarà possibile
visualizzare i caratteri disponibili ruotando l'encoder [DATA].
Se il cursore si trova in una posizione diversa, ruotando
l'encoder [DATA] la posizione selezionata si sposterà.
Con i tasti [INC]/[DEC] è possibile spostare la posizione
selezionata a prescindere dalla posizione del cursore.
Nota
Il numero di caratteri che è possibile inserire dipende dal tipo
di dati (scena/libreria) che si intende salvare. Non è possibile
inserire più del numero specificato di caratteri o spostare
l'area evidenziata oltre quell'intervallo.
Pulsante INS
Consente di inserire uno spazio
(vuoto) nel punto evidenziato.
Premendo il tasto <Insert> su una
tastiera PS/2 si otterrà lo stesso
risultato.
Pulsante DEL
Consente di cancellare il carattere
nella posizione evidenziata.
Premendo il tasto <Delete> su una
tastiera PS/2 si otterrà lo stesso
risultato.
Pulsante CLEAR
(CANCELLA)
Consente di eliminare tutti i caratteri
immessi nella casella di immissione
testo.
Pulsanti Consentono di spostare l'area
evidenziata a sinistra o a destra.
Pulsante PASTE
Consente di incollare la stringa di
caratteri copiata nella memoria buffer
dal pulsante COPY. Tenendo
premuto il tasto <Ctrl> e premendo il
tasto <V> su una tastiera PS/2 si
otterrà lo stesso risultato.
Pulsante COPY
Consente di copiare la stringa di
caratteri della casella in una memoria
buffer temporanea. Tenendo premuto
il tasto <Ctrl> e premendo il tasto
<C> su una tastiera PS/2 si otterrà lo
stesso risultato.
Pulsante CAPS
LOCK (BLOCCO
MAIUSC.)
Consente il passaggio dai caratteri
alfabetici minuscoli a quelli maiuscoli
e viceversa. Quando il pulsante è
attivato, vengono immessi caratteri
maiuscoli.
Assegnazione di un nome

PM5D/PM5D-RH V2/DSP5D – Manuale di istruzioni
Sezione operazioni
31
4
Collegamento e configurazione
In questo capitolo vengono illustrati esempi di sistemi espansi mediante la console DSP5D,
collegamenti di input/output audio e la configurazione necessaria per l'avvio dell'unità PM5D/
DSP5D per la prima volta.
Esempi di sistemi espansi mediante l'unità DSP5D
• Per utilizzare "collegamenti in cascata" per l'espansione, è necessario innanzitutto specificare l'ID macchina (
➥
p. 153) e
configurare le impostazioni dei collegamenti in cascata (
➥
p. 154). Se le unità PM5D e DSP5D sono collegate in cascata,
sarà possibile selezionare l'unità PM5D/DSP5D di destinazione del controllo dal pannello dell'unità PM5D (
➥
p. 40).
• Questo sistema consente di espandere il numero di
canali di ingresso portandoli a 96 mono + 8 stereo.
• Per effettuare collegamenti in cascata, utilizzare un
cavo D-sub half-pitch a 68 pin per collegare il
connettore CASCADE IN (INGRESSO IN CASCATA)
al connettore OUT (USCITA) di ciascuna unità PM5D
e DSP5D rispettivamente.
• Il collegamento tra la console PM5D su FoH e l'unità
DSP5D sul palco viene effettuato attraverso l'unità
DCU5D tramite un cavo CAT5 Ethernet e i connettori
CASCADE IN e OUT.
• Utilizzando due unità DSP5D, il numero di canali di
ingresso passa a 144 mono + 12 stereo.
• Per effettuare collegamenti in cascata tra le unità
PM5D e DCU5D, utilizzare un cavo D-sub half-pitch a
68 pin per collegare il connettore CASCADE IN ai
connettori OUT di ciascuna unità rispettivamente.
• I collegamenti tra le due unità DSP5D vengono
effettuati tramite un cavo CAT5 Ethernet e un cavo
D-sub half-pitch a 68 pin, collegati ciascuno dal
connettore CASCADE IN al connettore OUT delle due
unità.
4Collegamento e configurazione
Esempio di espansione di input
semplice (console PM5D + un'unità
DSP5D)
FoH CASCADE
PM5D
OUTINOUTIN
DSP5D
CASCADE IN
PM5D + espansione di input
collegata in remoto
(PM5D + DCU5D + due unità DSP5D)
Stage
FoH
DSP5D DSP5D
DCU5D
POWER
CASCADE
CASCADE
OUT
OUT
OUT
IN
IN
IN
IN
OUT
IN
CASCADE IN CASCADE IN
Ethernet CAT5
Ethernet
CAT5
OUT
PM5D

4
Collegamento e configurazione
32
PM5D/PM5D-RH V2/DSP5D – Manuale di istruzioni
Sezione operazioni
• Un'unità DSP5D è collegata a un PC tramite un cavo
CAT5 Ethernet, che consente di controllare l'unità
DSP5D attraverso DSP5D Editor.
Controllo da DSP5D Editor
(un'unità DSP5D + PC)
DSP5D PC
CASCADE IN Ethernet CAT5

PM5D/PM5D-RH V2/DSP5D – Manuale di istruzioni Sezione operazioni 33
4
Collegamento e configurazione
Collegamenti audio
Modello PM5D
I jack INPUT (INGRESSO) 1–48 vengono utilizzati
principalmente per collegare microfoni o dispositivi a
livello di linea mono. I jack ST IN (INGRESSO STEREO)
1–4 vengono utilizzati principalmente per collegare
dispositivi a livello di linea stereo.
La sensibilità del segnale di input, l'attivazione/
disattivazione del pad e dell'alimentazione phantom
(+48V) sono controllate dalla sezione AD IN
(INGRESSO AD) del pannello superiore (➥ p. 44).
Modello PM5D-RH
I jack INPUT 1–48 e i jack ST IN 1–4 possono essere
utilizzati entrambi per collegare microfoni o dispositivi a
livello di linea.
La sensibilità del segnale di input e l'attivazione/
disattivazione dell'alimentazione phantom (+48V) sono
controllati dal display (➥ p. 44). Tuttavia, è possibile
attivare/disattivare l'insieme dell'alimentazione phantom
tramite lo switch [+48V MASTER] sul pannello posteriore.
DSP5D
I jack INPUT 1–48 e ST IN 1–4 sono destinati al
collegamento di microfoni e dispositivi a livello di linea.
Ogni connettore dispone di alimentazione phantom
(+48V) e la sensibilità del segnale di input e l'attivazione/
disattivazione dell'alimentazione phantom possono essere
controllati sia dal display che dall'unità PM5D-RH
(➥ p. 44). È possibile attivare o disattivare lo switch
MASTER +48V nella schermata MIXER SETUP
(CONFIGURAZIONE MIXER) della funzione SYS/
W.CLOCK (SISTEMA/W.CLOCK) (➥ p. 221).
Collegamenti audio analogico
Sintetizzatore Microfono
Processore di effetti
Sintetizzatore
MicrofonoMicrofono
Quando le unità PM5D, PM5D-RH o DSP5D sono
nello stato di default, il segnale di input proveniente
dai jack INPUT 1–48 viene inserito nei canali di
ingresso 1–48 e il segnale di input proveniente dai jack
ST IN 1–4 viene inserito nei canali ST IN. Tuttavia, se si
desidera è possibile modificare questa configurazione
(per ulteriori informazioni su come ripristinare
l'assegnazione di default ➥ p. 40).
SintetizzatoreMicrofono

4 Collegamento e configurazione
34 PM5D/PM5D-RH V2/DSP5D – Manuale di istruzioni Sezione operazioni
PM5D/PM5D-RH
I jack MIX OUT (USCITA MIX) 1–24, MATRIX OUT (USCITA MATRICE) 1–8 e STEREO OUT A/B (USCITA STEREO A/
B) emettono il segnale rispettivamente dai canali MIX 1–24, MATRIX 1–8 e STEREO A/B.
I jack MONITOR OUT emettono il segnale di monitoraggio selezionato nella sezione MONITOR del pannello superiore.
I jack CUE OUT (USCITA SEGNALE DI ATTIVAZIONE) emettono il segnale di monitoraggio del segnale di attivazione del
canale selezionato tramite il rispettivo tasto [CUE] (SEGNALE DI ATTIVAZIONE).
Collegamenti di output analogico
L
A
CRLRL
RLRL
87654321
MIX OUT MATRIX OUT
MONITOR OUT DC POWER INPUTCUE OUT
STEREO OUT
Altoparlanti di monitoraggio Altoparlanti di monitoraggio
Alimentatore PW800W
Altoparlanti di monitoraggio
(foldback) Altoparlanti principali
Registratore,
trasporto relé, ecc.

PM5D/PM5D-RH V2/DSP5D – Manuale di istruzioni Sezione operazioni 35
4
Collegamento e configurazione
DSP5D
Con le impostazioni di default, i segnali dei canali MIX 1–22 vengono emessi dai jack OMNI OUT 1–22 e i segnali del canale
STEREO A vengono emessi dai jack OMNI OUT 23–24. Il segnale di output può essere assegnato a ciascun jack; i segnali dei
canali MIX 1–24, MATRIX 1–8, STEREO A/B o i segnali di attivazione possono essere emessi dai jack OMNI OUT 1–24.
CASCADE IN
OUT OUT
OUT
TX RX TX RX
IN
ININ 75Ω
TERMINATED
Altoparlanti principali
Altoparlanti di monitoraggio
(foldback)
Alimentatore PW800W
(per l'alimentazione esterna di backup)

4
Collegamento e configurazione
36
PM5D/PM5D-RH V2/DSP5D – Manuale di istruzioni
Sezione operazioni
PM5D/PM5D-RH
Utilizzare i jack 2TR IN DIGITAL (INGRESSO DIGITALE
2TR) 1–3 per collegare le sorgenti digitali come i lettori CD
o i registratori DAT (per inserire i segnali di output
analogico provenienti da un lettore CD o da un
registratore DAT, utilizzare i jack 2TR IN ANALOG 1/2).
Utilizzare i jack 2TR OUT DIGITAL (USCITA DIGITALE
2TR) 1–3 per inviare i segnali del canale STEREO A/B a un
registratore DAT o a un altro dispositivo digitale.
Installando delle schede mini-YGDAI I/O acquistabili
separatamente negli slot 1–4 (1–2 sull'unità DSP5D) è
possibile aggiungere jack di ingresso/uscita analogici
all'unità PM5D/DSP5D oppure consentire il collegamento
di dispositivi digitali come le unità MTR o HDR digitali.
È possibile utilizzare i seguenti tipi di schede I/O. Per informazioni più aggiornate sulle schede di I/O,
visitare il seguente sito Web Yamaha.
http://www.yamahaproaudio.com/
Nota
• Per inviare o ricevere segnali audio digitali tramite i jack 2TR
IN DIGITAL, 2TR OUT DIGITAL o gli slot 1–4, è necessario
che i dati del word clock dei rispettivi segnali siano
sincronizzati (
➥
p. 38).
• Per assegnare i segnali di input dai jack 2TR IN DIGITAL,
2TR IN ANALOG o dagli slot 1–4 ai canali di ingresso o ai
canali ST IN, è necessario modificare l'assegnazione
dell'input (
➥
p. 74).
Collegamenti di input/output
digitale
N
RLRL
SMPTE USB
OUT IN
75
ON OFF
21
COAXIAL COAXIALAES/EBU AES/EBU AES/EBU AES/EBU
3
21
3
THRU OUT IN
DAT
00.00.00.00
2TR IN
ANALOG 2TR OUT
DIGITAL 2TR IN
DIGITAL SLOT
Lettore CD Registratore DAT
MTR/HDR digitale
Scheda I/O digitale
Tipo di
scheda Modello
Numero
di canali
Formato
digitale
Profon-
dità
di bit
Scheda AD
MY4-AD 4
— 24 bit
MY8-AD*
8MY8-AD24
MY8-AD96
Scheda DA MY4-DA 4 —20 bit
MY8-DA96 8 24 bit
Scheda
AD/DA MY8-ADDA96 8 — 24 bit
Scheda I/O
digitale
MY8-AE
8AES/EBU
24 bit
MY8-AEB
MY8-AE96
MY8-AE96S
MY16-AE 16
MY8-AT 8 ADAT
MY16-AT 16
MY8-TD 8 TASCAM
MY16-TD 16
Scheda
CobraNet
MY16-C* 16 CobraNet 24 bit
MY16-CII
Scheda di
output AVIOM
Yamaha
AVIOM16/o-
Y1 16 A-NET 24 bit
Scheda MADI
AudioService MY16MADI64 16 MADI 24 bit
Scheda
EtherSound
AuviTran AVY16-ES 16 EtherSoun
d 24 bit
Scheda DSP
plug-in Waves Y96K* 8 ADAT 24 bit
* supportato unicamente dall'unità PM5D.
Tipo di
scheda Modello
Numero
di canali
Formato
digitale
Profon-
dità
di bit

PM5D/PM5D-RH V2/DSP5D – Manuale di istruzioni Sezione operazioni 37
4
Collegamento e configurazione
Prima di installare una scheda, visitare il sito Web Yamaha
per accertarsi che il dispositivo sia compatibile con la
scheda e per controllare il numero di schede che è possibile
installare insieme ad altre schede Yamaha o di terze parti.
Sito Web Yamaha: http:www.yamahaproaudio.com
Per installare una scheda opzionale mini-YGDAI,
procedere nel seguente modo:
1Accertarsi che l'unità sia spenta.
2Allentare le viti che fissano il coperchio dello
slot, quindi rimuovere il coperchio.
Conservare le viti in un luogo sicuro.
3Allineare i bordi della scheda ai binari
all'interno dello slot, quindi inserire la scheda
nello slot.
Spingere completamente la scheda nello slot in modo
che i connettori posti all'estremità della scheda si
inseriscano in modo corretto nel connettore che si
trova all'interno dello slot.
4Utilizzare le viti fornite per fissare la scheda in
posizione.
Se non si fissa la scheda, si potrebbero verificare
problemi o guasti.
Installazione di una scheda
opzionale
21
COAXIAL
UAES/EBU AES/EBU AES/EBU
21
3
21
COAXIAL
UAES/EBU AES/EBU AES/EBU
21
3

4 Collegamento e configurazione
38 PM5D/PM5D-RH V2/DSP5D – Manuale di istruzioni Sezione operazioni
Collegamento e impostazioni del word clock
In questa sezione vengono illustrate le impostazioni del word clock necessarie per inviare o ricevere segnali audio digitali tra
l'unità PM5D/DSP5D e un dispositivo digitale esterno.
Quando vengono ricevuti o inviati segnali audio digitali tra
più dispositivi, questi ultimi devono elaborare i segnali
audio durante il periodo di sincronizzazione. Se ad
esempio l'elaborazione del segnale audio non viene
sincronizzata, i segnali non saranno trasmessi
correttamente e si potrebbero sentire spiacevoli rumori
anche se i due dispositivi sono impostati sulla stessa
frequenza di campionamento.
Il segnale utilizzato per sincronizzare l'elaborazione del
segnale audio digitale è chiamato "word clock". In genere,
un dispositivo trasmette un segnale word clock di
riferimento, mentre un altro dispositivo riceve il segnale e
si sincronizza su di esso (il dispositivo di trasmissione è
detto "word clock master" mentre quelli di ricezione sono i
"word clock slave").
Il word clock può essere sincronizzato tra l'unità PM5D/
DSP5D e i dispositivi esterni in due modi: è possibile
inviare/ricevere un segnale di word clock oppure utilizzare
i dati del clock inclusi in un segnale audio digitale.
I connettori WORD CLOCK IN/OUT (INGRESSO/
USCITA WORD CLOCK) del pannello posteriore
dell'unità PM5D (pannello frontale per l'unità DSP5D)
vengono utilizzati per inviare/ricevere un segnale di word
clock autonomamente. In genere, i collegamenti di word
clock possono essere effettuati in due modi:
Tramite connessioni a margherita
Con questo metodo, il segnale viene distribuito in modo
sequenziale; il connettore WORD CLOCK OUT del primo
dispositivo viene collegato al connettore WORD CLOCK
IN del secondo dispositivo e così via. Posizionare tutti gli
switch 75Ω ON/OFF dell'unità PM5D su ON. Sull'unità
DSP5D ciò corrisponde a 75Ω ON. Questo metodo non è
consigliato per sistemi di grandi dimensioni.
Utilizzo di una scatola di distribuzione
del word clock
Con questo metodo, viene utilizzata una speciale scatola di
distribuzione del word clock per distribuire il segnale dal
word clock master a più word clock slave. Posizionare tutti
gli interruttori 75Ω ON/OFF su ON.
Se un dispositivo esterno non dispone di connettori
WORD CLOCK IN/OUT, verranno utilizzati i dati di
clock inclusi nel segnale audio digitale. In questo caso, sia il
segnale audio digitale che i dati di clock vengono inviati dal
jack DIGITAL OUT (USCITA DIGITALE) del word clock
master al jack DIGITAL IN (INGRESSO DIGITALE) del
word clock slave.
Quando si effettua il collegamento digitale dell'unità
PM5D/DSP5D a un dispositivo esterno, è necessario
selezionare la sorgente che sarà il word clock master del
sistema.
1Premere più volte il tasto [SYS/W.CLOCK]
(SISTEMA/W.CLOCK) della sezione DISPLAY
ACCESS (ACCESSO DISPLAY) finché viene
visualizzata la schermata WORD CLOCK.
Informazioni sul word clock
WC IN
(BNC) WC OUT
(BNC)
WC OUT (BNC)
WC IN
(BNC) WC IN
(BNC)
WC OUT
(BNC)
75Ω ON/OFF= ON
75Ω ON/OFF= ON 75Ω ON/OFF= ON 75Ω ON/OFF= ON
Word clock
master
Dispositivo A
Word clock
slave
Dispositivo B
Word clock
slave
Dispositivo C
Word clock
slave
WC OUT
(BNC)
WC IN (BNC) WC IN (BNC) WC IN (BNC) WC IN (BNC)
75Ω ON/OFF= ON
75Ω ON/OFF= ON 75Ω ON/OFF= ON75Ω ON/OFF= ON 75Ω ON/OFF= ON
Word clock
master
Dispositivo A
Word clock
slave
Scatola di
distribuzione
del word clock
Dispositivo B
Word clock
slave
Dispositivo C
Word clock
slave
Dispositivo D
Word clock
slave
DIGITAL
OUT DIGITAL
IN
Segnale audio digitale
+
Dati di clock
Dispositivo A
Word clock
master
Dispositivo B
Word clock
slave
Selezione del word clock master
WORD CLOCK
Area MASTER CLOCK SELECT
(SELEZIONE CLOCK MASTER)

PM5D/PM5D-RH V2/DSP5D – Manuale di istruzioni Sezione operazioni 39
4
Collegamento e configurazione
In questa schermata è possibile selezionare il clock
master e controllare lo stato di sincronizzazione del
segnale di input di ogni slot o jack.
Nota
Quando si attiva la sorgente del word clock possono verificarsi
dei disturbi a causa della perdita di sincronizzazione. Prima di
eseguire l'operazione seguente è necessario abbassare il
livello dell'apparecchiatura di controllo.
Utilizzare l'area MASTER CLOCK SELECT situata
nella parte superiore della schermata per selezionare la
sorgente del clock master. È possibile scegliere una
delle seguenti sorgenti.
PM5D
DSP5D
Nota
• Non è possibile selezionare le sorgenti il cui simbolo a
sinistra del pulsante è rosso, vale a dire UNLOCK (NON
BLOCCATO) o giallo, UNKNOWN (SCONOSCIUTO) finché
non viene inserito un clock valido o se non è possibile
rilevare il clock.
• Nel caso di un sistema con le unità PM5D e DSP5D
collegate in cascata, il dispositivo CASCADE IN (connettore
RJ-45) non può fornire il word clock al dispositivo CASCADE
OUT (connettore RJ-45).
2Nell'area MASTER CLOCK SELECT situata nella
parte superiore della schermata, fare clic su un
pulsante per selezionare la sorgente del clock
master desiderata.
Verrà visualizzata una finestra in cui viene richiesto di
confermare l'attivazione del clock master.
3Fare clic sul pulsante OK.
Il word clock master selezionato verrà attivato. Il word
clock master selezionato permane anche una volta
spento lo strumento e finché non vengono modificati i
collegamenti non è necessario eseguire nuovamente
questa impostazione.
Nota
• Se una scheda I/O digitale (come la MY8-AE96S)
contenente un SRC (Sampling Rate Converter) incorporato
viene installata in uno slot, è possibile attivare/disattivare il
convertitore SRC in gruppi di due canali. Non è necessario
che i segnali di input provenienti dai canali per i quali l'SRC
è attivato siano sincronizzati con il word clock dell'unità
PM5D/DSP5D.
• Se si trasferiscono segnali con elevata frequenza di
campionamento (88.2 kHz/96 kHz) tra l'unità PM5D/DSP5D
e un dispositivo esterno, è necessario selezionare il metodo
di trasmissione (per ulteriori informazioni, vedere a p. 220).
INT 96, INT 88.2,
INT 48, INT 44.1
Queste impostazioni consentono di
selezionare il clock interno dell'unità
PM5D. Se si seleziona una di queste
impostazioni, l'unità PM5D funzionerà
come word clock master. Impostare i
dispositivi esterni a seconda delle
necessità in modo da farli funzionare
come word clock slave.
W.CLOCK IN
L'unità PM5D seguirà l'immissione del
segnale di word clock dal connettore
WORD CLOCK IN del pannello
posteriore.
CASCADE IN L'unità PM5D seguirà l'invio dei dati di
clock da un'altra unità PM5D collegata
al connettore CASCADE IN.
2TR IN D1–D3 L'unità PM5D seguirà l'inclusione dei
dati di clock nel segnale di input dai
jack 2TR IN DIGITAL 1–3.
SLOT 1–4
L'unità PM5D seguirà l'inclusione dei
dati di clock nel segnale di input da una
scheda I/O digitale installata negli slot
1–4. È possibile selezionare una
specifica coppia di canali adiacenti con
numerazione pari/dispari.
INT 96, INT 88.2,
INT 48, INT 44.1
Queste impostazioni consentono di
selezionare il clock interno dell'unità
DSP5D. Se si seleziona una di queste
impostazioni, l'unità DSP5D funzionerà
come word clock master. Impostare i
dispositivi esterni a seconda delle
necessità in modo da farli funzionare
come word clock slave.
W.CLOCK IN
L'unità DSP5D seguirà l'immissione
del segnale di word clock dal
connettore WORD CLOCK IN del
pannello posteriore.
CASCADE IN
(connettore D-
sub half-pitch a
68 pin)
L'unità DSP5D seguirà l'invio dei dati di
clock dall'altra unità DSP5D, PM5D o
DME64N.
CASCADE IN
(connettore
RJ-45)
L'unità DSP5D seguirà l'invio dei dati di
clock dall'altra unità DSP5D o DCU5D.
SLOT 1–2
L'unità DSP5D seguirà l'inclusione dei
dati di clock nel segnale di input da una
scheda I/O digitale installata negli slot
1–2. È possibile selezionare una
determinata coppia di canali adiacenti
con numerazione pari/dispari.

4 Collegamento e configurazione
40 PM5D/PM5D-RH V2/DSP5D – Manuale di istruzioni Sezione operazioni
Ripristino della scena corrente allo stato di default.
Quando l'unità PM5D/DSP5D è nello stato di default, i
segnali di input provenienti dai jack INPUT 1–48 vengono
assegnati ai canali di ingresso 1–48 e i segnali di input
provenienti dai jack 1–4 vengono assegnati ai canali ST IN
e possono quindi essere emessi attraverso il bus STEREO o
i bus MIX.
Tuttavia, se sono state modificate le impostazioni dei
parametri di missaggio interni dell'unità PM5D/DSP5D
(indicati come "scena corrente"), il segnale di un
determinato input non potrà essere inviato a un canale di
ingresso oppure l'equalizzatore o i processori dinamici
possono essere impostati in modo da produrre effetti
estremi.
Per inizializzare i parametri di missaggio da questo stato,
procedere come indicato di seguito.
1Utilizzare i tasti [π]/[†] della sezione SCENE
MEMORY (MEMORIA SCENE) per visualizzare
come numero di scena "000".
Il numero di scena "000" è una memoria scene che
contiene le impostazioni di default.
Suggerimento
Se le unità PM5D e DSP5D sono collegate in cascata, i dati
della scena vengono memorizzati sia nell'unità PM5D che
nell'unità DSP5D.
Quando si richiama una scena, verrà richiamato lo stesso
numero di scena su tutte le unità PM5D/DSP5D.
2Premere il tasto [RECALL] (RICHIAMA) della
sezione SCENE MEMORY.
Verrà caricato il numero di scena "000" mentre la scena
corrente tornerà allo stato di default.
Nota
Si noti che quando viene caricato il numero della scena "000",
anche le impostazioni relative ad assegnazione input,
assegnazione output, effetto interno ed head amplifier
ritornano allo stato di default mentre la selezione del word
clock master non verrà influenzata.
Cambiamento della destinazione delle operazioni da pannello
(nel collegamento in cascata con l'unità DSP5D)
Quando l'unità DSP5D è collegata in cascata, è possibile
cambiare la destinazione delle operazioni eseguite dal
pannello dell'unità PM5D e utilizzare queste unità
passando agevolmente dall'unità PM5D all'unità DSP5D.
Per cambiare la destinazione delle operazioni da pannello
procedere come segue. Per informazioni dettagliate, vedere
la pagina indicata per ogni passaggio.
1Impostare l'ID macchina delle unità PM5D e
DSP5D (➥ p. 153).
2Nella schermata MIXER SETUP della funzione
SYS/W.CLOCK, configurare le impostazioni per
i collegamenti in cascata (➥ p. 154).
3Utilizzare uno dei tre metodi seguenti per
cambiare la destinazione delle operazioni da
pannello.
• Uso della visualizzazione costante della schermata
Nella visualizzazione costante della schermata,
selezionare l'ID macchina e modificarlo (➥ p. 164).
• Uso di un tasto definito dall'utente
Nella schermata USER DEFINE (DEFINIZ. UTENTE)
della funzione UTILITY (UTILITÀ), assegnare la
funzione DSP5D CONTROL (CONTROLLO DSP5D)
(➥ p. 148) e utilizzare il tasto definito dall'utente per
cambiare la destinazione del controllo (➥ p. 149).
• Uso del tasto FADER MODE (MODALITÀ FADER)
Nella schermata FADER ASSIGN (ASSEGNAZ.
FADER) della funzione UTILITY, assegnare un livello
DSP5D (➥ p. 149) e utilizzare il tasto FADER MODE
per cambiare la destinazione del controllo (➥ p. 150).
Indicatore
del numero
di scena
Tasti [π]/[†]
della sezione
SCENE

PM5D/PM5D-RH V2/DSP5D – Manuale di istruzioni Sezione operazioni 41
5
Operazioni relative ai canali di ingresso
In questo capitolo vengono illustrate le funzioni e le operazioni di ciascuna sezione dei canali di
ingresso.
Informazioni sui canali di ingresso
La sezione del canale di ingresso elabora i segnali immessi tramite la sezione di assegnazione dell'input e li trasmette ai bus
STEREO o ai bus MIX. Esistono tre tipi di canali di ingresso, come indicato di seguito.
Canali di ingresso 1–48
Questi canali vengono utilizzati per elaborare i segnali mono. Quando l'assegnazione dell'input è nello stato di default,
i segnali di input provenienti dai jack INPUT 1–48 vengono assegnati a questi canali.
Canali ST IN (INGRESSO STEREO) 1–4
Questi canali vengono utilizzati per elaborare i segnali stereo. Quando l'assegnazione dell'input è nello stato di default, i
segnali di input provenienti dai jack ST IN 1-4 vengono assegnati a questi canali.
5Operazioni relative ai canali
di ingresso

5 Operazioni relative ai canali di ingresso
42 PM5D/PM5D-RH V2/DSP5D – Manuale di istruzioni Sezione operazioni
Canali FX RTN (RITORNO EFFETTO) 1–4
Questi canali vengono utilizzati soprattutto per elaborare i segnali di ritorno (stereo) dagli effetti interni. Quando
l'assegnazione dell'input è nello stato di default, i canali sinistro/destro degli effetti interni 1-4 vengono assegnati a questi
canali.
• INPUT PATCH (ASSEGNAZIONE INPUT)
Consente di assegnare un segnale di input al canale di
ingresso.
• ø (fase)
Consente di commutare la fase del segnale di input.
• MS DECODE (DECODIFICA MS)
(solo canali di ingresso/canali ST IN)
Consente di attivare/disattivare l'elaborazione MS
decode quando viene collegato un microfono MS.
• ATT (attenuatore)
Consente di attenuare/amplificare il livello del segnale
di input.
• HPF (High Pass Filter, filtro passa-alto)
Filtro passa-alto che taglia la parte al di sotto della
frequenza specificata.
• 4 BAND EQ (equalizzatore a 4 bande)
EQ parametrico a quattro bande: HIGH (ALTA),
HIGH MID (MEDIO ALTA), LOW MID (MEDIO
BASSA) e LOW (BASSA).
• GATE (solo canali di ingresso e ST IN)
Processore di dinamiche utilizzabile come gate o
ducking.
• COMP (compressore)
(solo canali di ingresso e ST IN)
Processore di dinamiche utilizzabile come
compressore, expander o limiter.
• INPUT DELAY (DELAY DELL'INPUT)
(solo canali di ingresso e ST IN)
Consente di applicare un certo ritardo al segnale di
input. Può essere utilizzato per regolare con precisione
la sincronia tra i canali.
• LEVEL/DCA (LIVELLO/DCA) 1-8
Consente di regolare il livello di input dell'effetto.
• ON (On/off) (Attivato/Disattivato)
Consente di attivare/disattivare il canale di ingresso. Se
è disattivato il canale viene escluso.
• PAN (POSIZIONE STEREO)
Consente di regolare il pan del segnale inviato dal
canale di ingresso al bus STEREO. Se necessario,
l'impostazione del pan è applicabile anche ai segnali
inviati a due bus MIX accoppiati.
• LCR (Sinistra/Centro/Destra)
Invia il segnale a tre canali (canali sinistro/destro e
canale centrale) al bus STEREO.
• MIX 1-24 (livello di mandata MIX 1–24)
Consente di regolare il livello di mandata del segnale
inviato dal canale di ingresso ai bus MIX 1–24. Come
posizione di invio del segnale al bus MIX è possibile
scegliere tra: subito prima dell'equalizzatore a 4 bande,
prima del fader o dopo il fader.
• INSERT (INSERIMENTO)
(solo canali di ingresso e canali ST IN)
In questa sezione è possibile assegnare la porta di uscita
e di ingresso per le funzioni di insert-out/insert-in,
consentendo l'inserimento nel flusso audio di un
processore di effetti esterno o di un altro tipo di
dispositivo. È possibile scambiare le posizioni di insert-
out e insert-in.
• DIRECT OUT (OUTPUT DIRETTO)
(solo canali di ingresso e ST IN)
Consente l'assegnazione a una porta di uscita e la
trasmissione del segnale di input direttamente da
quella porta di uscita.
• METER (INDICATORE)
Indica il livello del canale di ingresso. Il punto di
rilevamento del livello può essere modificato.
Nota
Le assegnazioni del segnale dall'input al canale di ingresso
possono essere modificate nella funzione INPUT PATCH
(ASSEGNAZIONE INPUT) della schermata INPUT PATCH.
Per modificare i parametri di un canale di ingresso è
possibile utilizzare i controller del pannello (ad es. channel
strip INPUT, channel strip ST IN/FX RTN, sezione
SELECTED CHANNEL) oppure accedere alla relativa
schermata sul display e modificare i parametri nella stessa.

PM5D/PM5D-RH V2/DSP5D – Manuale di istruzioni Sezione operazioni 43
5
Operazioni relative ai canali di ingresso
Sezione AD IN
Nella sezione AD IN è possibile convertire da analogico in digitale i segnali immessi dai jack INPUT 1–48 e ST IN 1–4 del
pannello posteriore e inviarli alla sezione di assegnazione input. La struttura di questa sezione è diversa a seconda che si tratti
del modello PM5D o del modello PM5D-RH.
Modello PM5D
ASwitch [+48V ON/OFF]
(ACCESO/SPENTO +48V)
Se lo switch è attivato vengono erogati +48V al
microfono a condensatore o alla direct box collegata ai
jack INPUT 1–48.
BSwitch [PAD]
Se questo switch è attivato, il livello di input viene
attenuato di 26 dB.
CManopola [GAIN] (GUADAGNO)
Consente di regolare la sensibilità di ingresso del canale
di ingresso. L'intervallo di regolazione va da -34 dBu
a +10 dBu (quando lo switch PAD è attivato) o da
-60 dBu a -16 dBu (quando lo switch PAD è
disattivato).
DLED [PEAK]/[SIGNAL] (PICCO/SEGNALE)
Il LED [SIGNAL] si accende quando il livello di input
raggiunge i 14 dB al di sotto del livello nominale (ad es.
34 dB al di sotto del livello di saturazione). L'indicatore
[PEAK] si accende quando il segnale raggiunge i 3 dB
al di sotto del livello di saturazione.
ESwitch [INSERT ON/OFF]
(ATTIVA/DISATTIVA INSERIMENTO)
Questo switch consente di attivare/disattivare il jack
INSERT IN/OUT (INGRESSO/USCITA
INSERIMENTO) situato sul pannello posteriore.
FManopola ST IN [GAIN]
Consente di regolare la sensibilità di ingresso del canale
ST IN. L'intervallo di regolazione va da -34 dBu a
+10Bu.
GLED ST IN [PEAK]/ST IN [SIGNAL]
(INGRESSO ST [PICCO]/INGRESSO ST
[SEGNALE])
Il LED ST IN [SIGNAL] si accende quando il livello di
input del canale ST IN raggiunge i 14 dB al di sotto del
Modello PM5D
Modello PM5D-RH
DSP5D
Elementi della sezione AD IN
5
3
2
1
478
6

5 Operazioni relative ai canali di ingresso
44 PM5D/PM5D-RH V2/DSP5D – Manuale di istruzioni Sezione operazioni
livello nominale (34 dB al di sotto del livello di
saturazione). L'indicatore ST IN [PEAK] si accende
quando il segnale raggiunge i 3 dB al di sotto del livello
di saturazione.
HManopola [LAMP DIMMER]
(ATTENUATORE LAMPADA)
Consente di regolare la luminosità della lampada
collegata al connettore LAMP.
Modello PM5D-RH
ALED [+48V ON/OFF]
Questo LED si accende se viene erogata alimentazione
phantom (+48V) ai jack INPUT 1–48 o ST IN 1–4
corrispondenti. Tuttavia, non viene fornita
alimentazione a +48V se non è stato attivato lo switch
[+48V MASTER] del pannello posteriore.
BLED [PEAK]/[SIGNAL]
Il LED [SIGNAL] si accende quando il livello di input
raggiunge i 14 dB al di sotto del livello nominale (ad es.
34 dB al di sotto del livello di saturazione). L'indicatore
[PEAK] si accende quando il segnale raggiunge i 3 dB
al di sotto del livello di saturazione.
CManopola [LAMP DIMMER]
Consente di regolare la luminosità della lampada
collegata al connettore LAMP.
Nel modello PM5D-RH le impostazioni della sensibilità
del segnale di ingresso AD IN e dell'attivazione/disattiva-
zione dell'alimentazione phantom (+48V) di ciascun
canale sono controllate attraverso il display. Tuttavia, lo
switch [+48V MASTER] del pannello posteriore è lo switch
principale dell'alimentazione phantom.
È possibile regolare la sensibilità di ingresso e attivare/
disattivare l'alimentazione phantom (+48V) per i segnali
immessi dai jack INPUT 1–48 e ST IN 1–4. Queste
operazioni vengono eseguite in modo diverso sul modello
PM5D e PM5D-RH.
Suggerimento
Anche se i canali di ingresso sono accoppiati, le impostazioni
dell'head amplifier devono essere eseguite singolarmente.
Modello PM5D
Per il modello PM5D, le impostazioni dell'head amplifier
vengono eseguite tramite i controlli della sezione AD IN
del pannello (➥ p. 43).
• La sensibilità di ingresso viene regolata attraverso la
combinazione dell'impostazione della manopola
[GAIN] e dell'impostazione di attivazione/
disattivazione dello switch [PAN] per quel jack.
• Per erogare alimentazione phantom (+48V) a un jack
INPUT 1–48, attivare lo switch [+48V] corrispondente.
• Per abilitare un dispositivo esterno inserito nei jack
INSERT IN/OUT, attivare lo switch [INSERT]
corrispondente.
Modello PM5D-RH/DSP5D
Nel modello PM5D-RH/DSP5D le impostazioni dell'head
amplifier vengono effettuate tramite operazioni eseguite
attraverso il display.
1Premere più volte il tasto [SYS/W.CLOCK]
(SISTEMA/W.CLOCK) della sezione DISPLAY
ACCESS (ACCESSO DISPLAY) finché viene
visualizzata la schermata HA.
2All'interno della schermata, fare clic sul
pulsante INTERNAL HA (HA INTERNO)
Verranno visualizzate le impostazioni dell'head
amplifier interno per i jack INPUT 1–48 e ST IN 1–4.
3Per modificare le impostazioni dell'head
amplifier utilizzare i pulsanti e le manopole
presenti nella schermata.
APulsante +48V
Fare clic su questo pulsante per attivare/disattivare
l'alimentazione phantom (+48V) per quel jack.
BManopola GAIN
Trascinare questa manopola per regolare la sensibilità
di ingresso del jack in un intervallo compreso tra
+10 dB e –62 dB.
1
23
Controllo della sensibilità di ingresso e
dell'alimentazione phantom (+48V)
dell'head amplifier
HA (Head amplifier)
1
2
3

PM5D/PM5D-RH V2/DSP5D – Manuale di istruzioni Sezione operazioni 45
5
Operazioni relative ai canali di ingresso
CPulsante GANG (GRUPPO)
Se questo pulsante è attivato, la sensibilità di ingresso
di due canali adiacenti con numeri dispari/pari viene
modificata in contemporanea, mantenendo il valore
di offset corrente.
Quando si configurano queste impostazioni, i LED
della sezione AD IN del pannello indicano il livello del
segnale di input e lo stato di attivazione/disattivazione
dell'alimentazione phantom (+48V).
Nota
• Nel modello PM5D-RH e DSP5D, è possibile configurare le
impostazioni dell'head amplifier anche dalla funzione HA/
INSERT delle schermate CH 1-24, CH 25-48 o ST IN/FX
RTN (
➥
p. 283).
• È possibile configurare le impostazioni di un dispositivo
head amplifier esterno (AD8HR) anche dalla schermata, allo
stesso modo degli head amplifier interni.
Channel strip di INPUT
Il channel strip INPUT è la sezione nella quale è possibile controllare i parametri principali dei canali di ingresso.
Questa sezione è strutturata in layer, come indicato nel diagramma seguente; scegliere il layer CH 1-24 per controllare i canali
di ingresso 1–24 o il layer CH 25-48 per controllare i canali di ingresso 25–48.
Nota
Se la console è collegata in cascata a un'unità DSP5D, è possibile utilizzare alcuni tasti definiti dall'utente (
➥
p. 148) o il tasto FADER
MODE (MODALITÀ FADER) (
➥
p. 149) per selezionare un layer della console DSP5D.
ATasti [CH 1-24]/[CH 25-48]
Questi tasti consentono di selezionare il layer (CH 1-24
o CH 25-48) controllato dal channel strip INPUT. Il
LED del layer selezionato si illuminerà.
BTasto [PRE]
Consente di selezionare la posizione di output del
segnale quando viene selezionato il livello di mandata
al bus 1–24 MIX come funzione dell'encoder. Viene
inviato al bus MIX corrispondente il segnale pre-fader
se questo tasto è attivato e il segnale post-fader se
questo tasto è disattivato.
CTasto ENCODER [ON]
Consente di attivare o disattivare la funzione
correntemente assegnata all'encoder. Per default attiva
o disattiva il segnale inviato dal canale di ingresso ai
bus MIX 1–24.
DEncoder
In base alla selezione effettuata nelle sezioni
ENCODER MODE / FADER FLIP (MODALITÀ
ENCODER/FLIP FADER) (➥ p. 48), questo encoder
consente di regolare il livello di mandata dal canale di
ingresso ai bus MIX 1–24, il pan del canale di ingresso
o il livello del canale di ingresso nel layer non
selezionato. Per default, regola il livello di mandata ai
bus MIX 1–24.
ETasto [SEL]
Consente di selezionare il canale di ingresso che verrà
controllato dalla sezione SELECTED CHANNEL
(CANALE SELEZIONATO) oppure attraverso il
display.
Layer CH 1-24
Layer CH 25-48
Elementi del channel strip INPUT
4
3
2
5
6
7
8
9
1
J
K
L
M
P
N
O

5 Operazioni relative ai canali di ingresso
46 PM5D/PM5D-RH V2/DSP5D – Manuale di istruzioni Sezione operazioni
FIndicatore del nome
Visualizza il nome assegnato al canale di ingresso.
GTasto CH [ON]
Consente di attivare/disattivare il canale di ingresso.
Quando il tasto è disattivato (LED spento), quel canale
di ingresso non trasmetterà alcun segnale al bus
STEREO o ai bus MIX.
HFader
Fader da 100 mm che consente di regolare il livello di
input del canale di ingresso.
ITasto [CUE] (SEGNALE DI ATTIVAZIONE)
Questo tasto consente di monitorare il segnale di
attivazione del canale di ingresso.
JLED [TO ST] (A STEREO)
Questo LED si illumina per indicare che il segnale
inviato dal canale di ingresso al bus STEREO è attivo.
KLED [COMP] (COMPRESSORE)
Questo LED indica lo stato operativo del compressore
per il canale di ingresso. Il LED rimane spento quando
la quantità di riduzione del guadagno è pari a 0dB, si
illumina debolmente per un intervallo compreso tra
0 e 10 dB, e si illumina normalmente per valori
superiori a 10 dB.
LLED [GATE]
Questo LED indica lo stato operativo del gate per il
canale di ingresso. Il LED rimane spento quando la
quantità di riduzione del guadagno è pari a 0dB, si
illumina debolmente per un intervallo compreso tra
0 e 30 dB (o 0–10 dB in fase di ducking) e si illumina
normalmente per valori superiori.
MLED indicatori
Si tratta di indicatori LED a sei punti che indicano il
livello di input del canale di ingresso. OVER indica il
livello di saturazione e da –6 a –60 indica il livello del
segnale rispetto al livello di saturazione (0 dB). Il punto
di rilevamento del livello può essere modificato.
NLED di assegnazione DCA
Il LED illuminato indica il gruppo DCA al quale è
assegnato il canale di ingresso selezionato.
OLED di assegnazione ESCLUSIONE
Il LED illuminato indica il gruppo esclusione al quale è
assegnato il canale di ingresso selezionato.
PLED [RCL SAFE]/[MUTE SAFE]
(BLOCCO RCL/BLOCCO ESCLUSIONE)
Il LED corrispondente illuminato indica che è stato
attivato il blocco richiamo o il blocco esclusione per il
canale di ingresso.

PM5D/PM5D-RH V2/DSP5D – Manuale di istruzioni Sezione operazioni 47
5
Operazioni relative ai canali di ingresso
Channel strip ST IN/FX RTN
Questa sezione consente di controllare i canali ST IN e i canali FX RTN.
Questa sezione è strutturata in layer come indicato nel diagramma riportato di seguito; scegliere il layer ST IN per controllare i
canali ST IN o il layer FX RTN per controllare i canali FX RTN.
Nota
Se la console è collegata in cascata a un'unità DSP5D, è
possibile utilizzare alcuni tasti definiti dall'utente (
➥
p. 148) o
il tasto FADER MODE (MODALITÀ FADER) (
➥
p. 149) per
selezionare un layer della console DSP5D.
ATasti [ST IN 1-4]/[FX RTN 1-4]
Questi tasti consentono di selezionare il layer che verrà
controllato dal channel strip ST IN/FX RTN. Premere
il tasto [ST IN 1-4] per controllare i canali ST IN 1–4 o
premere il tasto [FX RTN 1-4] per controllare i canali
FX RTN 1–4.
Gli elementi 2–P riportati di seguito sono uguali a quelli
del channel strip INPUT (➥ p. 45). Tuttavia, poiché i
canali FX RTN non dispongono di un gate o compressore,
non vengono utilizzati i LED [GATE] (L) e [COMP]
(K).
BTasto [PRE]
CTasto ENCODER [ON]
DEncoder
ETasto [SEL]
FIndicatore del nome
GTasto CH [ON]
HFader
ITasto [CUE]
JLED [TO ST]
KLED [COMP]
LLED [GATE]
MLED indicatori
NLED di assegnazione DCA
OLED di assegnazione ESCLUSIONE
PLED [RCL SAFE]/[MUTE SAFE]
Layer FX RTN 1-4
Layer ST IN 1-4
Elementi del channel strip ST IN/FX
RTN
8
7
6
5
1
9
4
2
3
M
P
O
N
J
K
L

5 Operazioni relative ai canali di ingresso
48 PM5D/PM5D-RH V2/DSP5D – Manuale di istruzioni Sezione operazioni
Sezione FADER FLIP/ENCODER MODE
(FLIP FADER/MODALITÀ ENCODER)
Nella sezione FADER FLIP/ENCODER MODE è possibile modificare il parametro assegnato agli encoder e scambiare i
parametri assegnati ai fader e agli encoder.
ATasto FADER [FLIP]
Se il tasto è attivato, verranno scambiati i parametri
controllati dai fader e dagli encoder.
BIndicatore della modalità fader
Indica il numero del bus MIX (1–24) selezionato
tramite i tasti MIX SEND SELECT (SELEZIONE
MANDATA MIX) (6) o la funzione dell'encoder
selezionata tramite i tasti 3–5.
CTasto [PAN]
Questo tasto consente di selezionare il pan
(bilanciamento) quale parametro controllato dagli
encoder. Quando questo tasto è attivato l'indicatore
della modalità encoder indica "Pn".
DTasto [GAIN/ATT]
Questo tasto consente di selezionare la sensibilità di
ingresso per il dispositivo head amplifier interno (solo
modello PM5D-RH) o il dispositivo head amplifier
esterno (AD8HR o AD824) oppure per l'attenuazione
subito dopo la conversione AD quale parametro
controllato dagli encoder. Quando questo tasto è
attivato, l'indicatore della modalità encoder indicherà
"HA" (se è stata selezionata la sensibilità di ingresso per
l'head amplifier) o "At" (se è stato selezionato
l'attenuatore).
Nota
Se si desidera impedire la selezione degli attenuatori,
accedere alla schermata PREFERENCE 1 (PREFERENZA 1)
della funzione UTILITY e disattivare il parametro ATT
OPERATION ON PANEL (ATTIVAZ. ATTENUATORE SU
PANNELLO) (
➥
p. 206).
ETasto [ALT LAYER]
Il tasto consente di selezionare "il livello di input del
canale non incluso nel layer selezionato" quale
parametro controllato dagli encoder. Quando questo
tasto è attivato l'indicatore della modalità encoder
indica "AL".
FTasti MIX SEND SELECT [1]–[24]
Questi tasti consentono di selezionare il bus MIX
(1–24) il cui livello di mandata verrà controllato dagli
encoder. Premendo uno di questi tasti, il LED
corrispondente si illuminerà e l'indicatore di modalità
encoder visualizzerà il numero del bus MIX.
Suggerimento
Se si attiva uno dei tasti
3
–
6
, i rimanenti tasti verranno
automaticamente disattivati.
Elementi della sezione FADER FLIP/
ENCODER MODE
6
1
5432

PM5D/PM5D-RH V2/DSP5D – Manuale di istruzioni Sezione operazioni 49
5
Operazioni relative ai canali di ingresso
Varie operazioni dei canali di ingresso
Quando l'unità PM5D è nello stato di default, gli encoder
del channel strip INPUT e del channel strip ST IN/FX RTN
vengono assegnati a livelli di mandata di controllo sui bus
MIX 1–24. Tuttavia è possibile utilizzare i vari tasti
ENCODER MODE per selezionare una delle seguenti
funzioni degli encoder.
La funzione selezionata è indicata dal tasto illuminato e
dall'indicatore della modalità encoder.
Premendo più volte il tasto [PAN] o [ALT LAYER] sarà
possibile passare alternativamente alla funzione selezionata
dal tasto e al livello di mandata del bus MIX. Premendo
ripetutamente il tasto [GAIN/ATT] sarà possibile passare
alternativamente alle tre opzioni seguenti: sensibilità di
ingresso all'head amplifier interno → attenuatore → livello
di mandata al bus MIX.
Suggerimento
Se il tasto [FLIP] della sezione FADER è attivato, verranno
scambiate le funzioni controllate dagli encoder e dai fader.
È possibile utilizzare il tasto FADER [FLIP] per scambiare
le funzioni assegnate ai fader e agli encoder della channel
strip.
Ad esempio, con l'impostazione di default (tasto FADER
[FLIP] disattivato), i fader controllano i livelli di input del
canale di ingresso e gli encoder controllano i livelli di
mandata ai bus MIX. Premendo successivamente il tasto
FADER [FLIP] per far illuminare il LED, i fader
controlleranno i livelli di mandata ai bus MIX e gli encoder
controlleranno i livelli di input del canale di ingresso.
La funzione assegnata ai controlli quando il tasto [FLIP] è attivato (LED illuminato) dipende dalla modalità corrente
dell'encoder, come indicato di seguito.
Nota
Le channel strip DCA e STEREO A/B non sono influenzate dallo stato di attivazione/disattivazione del tasto [FLIP].
Tasto Funzione encoder Display
Tasti MIX SEND
SELECT [1]–[24] Livelli di mandata ai bus MIX
1-24 1–24
Tasto [PAN] Pan (bilanciamento) Pn
Tasto [GAIN/ATT] Sensibilità di ingresso
dell'head amplifier
HA
(Head
amplifier
)
Tasto [GAIN/ATT] Attenuatore At
Tasto [ALT LAYER] Livello di input del layer
deselezionato*1
*1. Nel channel strip INPUT, il layer CH 1-24 e il layer CH 25-48
sono in relazione "frontale/posteriore". Nel channel strip ST
IN/FX RTN, il layer ST IN 1-4 e il layer FX RTN 1-4 sono in
relazione "frontale/posteriore".
AL
Selezione della funzione degli encoder
Scambio delle funzioni dei fader
ed encoder
➠
Controllo del livello di input
e dello stato di attivazione/
disattivazione del canale
Controllo del livello di input
e dello stato di attivazione/
disattivazione del canale
Controllo del livello di mandata e
dello stato di attivazione/
disattivazione del segnale
inviato dal canale ai bus MIX
Controllo del livello di mandata e
dello stato di attivazione/
disattivazione del segnale
inviato dal canale ai bus MIX
Tasto
[FLIP] Modalità
encoder
Funzione di ciascun controllo
Encoder Tasto ENCODER [ON] Fader Tasto CH [ON]
Disatti-
vato
MIX SEND Livello di mandata dal canale
al bus MIX
Stato di attivaz/disattivaz. del
segnale inviato dal canale al
bus MIX
Livello di input del canale
(layer selezionato) Attivazione/disattivazione del
canale (layer selezionato)
PAN Pan (bilanciamento) Stato di attivaz/disattivaz. del
segnale inviato dal canale al
bus STEREO
GAIN/ATT Sensibilità di ingresso
dell'head amplifier/
attenuatore Nessuna funzione
ALT
LAYER Livello di input del canale
(layer deselezionato) Attivazione/disattivazione del
canale (layer deselezionato)
Attivato
MIX SEND Livello di input del canale
(layer selezionato) Attivazione/disattivazione del
canale (layer selezionato)
Livello di mandata dal canale
al bus MIX (layer
selezionato)
Stato di attivaz/disattivaz. del
segnale inviato dal canale al
bus MIX (layer selezionato)
PAN
Pan del segnale inviato dai
canali (del layer selezionato)
ai bus MIX accoppiati (non
valido se i canali MIX non
sono accoppiati)
Attivazione/disattivazione del
canale (layer selezionato)
GAIN/ATT Sensibilità di ingresso
dell'head amplifier/
attenuatore Nessuna funzione
ALT
LAYER
Livello di mandata dal canale
al bus MIX (layer
deselezionato)
Stato di attivaz/disattivaz. del
segnale inviato dal canale al
bus MIX (layer
deselezionato)

5 Operazioni relative ai canali di ingresso
50 PM5D/PM5D-RH V2/DSP5D – Manuale di istruzioni Sezione operazioni
Di seguito viene illustrato come utilizzare la channel strip
INPUT o ST IN/FX RTN per inviare un segnale del canale
di ingresso al bus STEREO. La spiegazione utilizza
l'esempio di un canale di ingresso, ma la procedura è
praticamente identica se si utilizza un canale ST IN o FR
RTN.
1Verificare che sia stata assegnata
correttamente una sorgente di input al canale
di ingresso e che il guadagno dell'head
amplifier sia impostato in maniera adeguata.
2Controllare che sia stato attivato il tasto CH
[ON] adeguato nella channel strip INPUT e
premere il tasto [SEL] di quel canale per
illuminarlo.
I tasti [SEL] vengono utilizzati per selezionare il canale
da controllare.
3Nella sezione SELECTED CHANNEL premere il
tasto [TO STEREO] perché si illumini.
Nella sezione SELECTED CHANNEL è possibile
configurare impostazioni dettagliate dei parametri per
il canale selezionato attraverso il rispettivo tasto [SEL]
(per informazioni dettagliate sulla sezione SELECTED
CHANNEL ➥ p. 65).
Quando si attiva il tasto [TO STEREO] verrà attivato il
segnale inviato da quel canale di ingresso al bus
STEREO. A questo punto si illuminerà il LED [TO ST]
della channel strip INPUT.
4Alzare il fader corrispondente della channel
strip INPUT.
Il livello del segnale di input viene visualizzato
dall'indicatore di livello situato a destra del tasto CH
[ON].
5Attivare il tasto [PAN] della sezione ENCODER
MODE.
6Per regolare il pan del canale di ingresso
utilizzare l'encoder della channel strip INPUT.
Nota
Se si invia il segnale da un canale ST IN/FX RTN al bus
STEREO, è possibile premere più volte il tasto [SEL] per
commutare i canali L/R e configurare le impostazioni del pan
di ciascun canale.
7Nella channel strip STEREO A/B, attivare i tasti
STEREO A [ON] e STEREO B [ON] (LED accesi).
8Nella channel strip STEREO A/B, alzare i fader
[STEREO A]/[STEREO B].
Il segnale inviato al bus stereo verrà instradato
attraverso i canali STEREO A/B ed emesso dai jack
STEREO OUT A/B.
Invio di un segnale da un canale
di ingresso al bus STEREO
Tasto CH [ON]
Tasto [SEL]
Indicatore
di livello
Encoder STEREO [PAN]
Tasto [TO STEREO]
Tasto
STEREO B
[ON]
Tasto
STEREO A
[ON]
Fader
STEREO A Fader
STEREO B

PM5D/PM5D-RH V2/DSP5D – Manuale di istruzioni Sezione operazioni 51
5
Operazioni relative ai canali di ingresso
È possibile inviare i segnali provenienti dai canali di
ingresso o ST IN/FX RTN al bus MIX desiderato
specificando il livello di mandata trasmesso da tutti i canali
di ingresso a un determinato bus MIX oppure indicando il
livello di mandata trasmesso da un determinato canale di
ingresso a tutti i bus MIX.
Nella spiegazione riportata di seguito viene utilizzato un
canale di ingresso come sorgente di mandata, tuttavia la
procedura è la stessa se si utilizza un canale ST IN o FX
RTN.
Per inviare i segnali di tutti i canali di
ingresso a un determinato bus MIX
1Utilizzare i tasti MIX SEND SELECT [1]–[24]
della sezione ENCODER MODE per selezionare
il bus MIX di destinazione.
Il tasto selezionato si illuminerà e l'indicatore della
modalità encoder indicherà il numero del bus MIX di
destinazione. In questo stato, gli encoder della channel
strip regolano il livello di mandata sul bus MIX.
Controllare che il tasto FADER [FLIP] non sia
illuminato.
2Ruotare gli encoder della channel strip INPUT.
Quando viene selezionato MIX SEND come modalità
di encoder è possibile utilizzare gli encoder della
channel strip INPUT per regolare il livello del segnale
inviato al bus MIX selezionato dal canale di ingresso
corrispondente.
I LED intorno a ciascun encoder si illumineranno per
indicare approssimativamente il livello di mandata.
3Per disattivare il segnale inviato da uno
specifico canale al bus MIX premere il tasto
ENCODER [ON] corrispondente a quel canale
per disattivarlo.
Per riattivarlo, premere nuovamente lo stesso tasto.
Nota
Se il bus MIX di destinazione della mandata è impostato sulla
modalità FIXED (
➥
p. 299), gli encoder non hanno alcun
effetto; il segnale può essere attivato/disattivato solo tramite il
tasto ENCODER [ON].
4Analogamente, selezionare un altro bus MIX
di destinazione della mandata e utilizzare gli
encoder della channel strip INPUT per regolare
i livelli di mandata sullo stesso.
Per inviare i segnali da un determinato
canale di ingresso a tutti i bus MIX
1Premere un tasto [SEL] della channel strip
INPUT per selezionare il canale di origine della
mandata.
2Nella sezione MIX premere il tasto [MIX SEND]
per farlo illuminare.
La sezione MIX consente di controllare i segnali inviati
ai bus MIX 1–24 e i segnali inviati dai canali MIX 1–24
(per ulteriori dettagli, vedere a ➥ p. 57)
Quando il tasto [MIX SEND] è illuminato, è possibile
utilizzare gli encoder della sezione MIX per controllare
i livelli di mandata dal canale di ingresso selezionato ai
bus MIX 1–24.
Suggerimento
Quando il tasto [MIX MASTER] della sezione MIX è illuminato,
è possibile tenere premuto il tasto [SEL] di un canale di
ingresso per fare illuminare il tasto [MIX SEND] (il tasto [MIX
MASTER] si spegnerà). In questo stato è possibile utilizzare
gli encoder della sezione MIX per regolare i livelli di mandata
dal canale selezionato ai bus MIX 1–24.
3Ruotare gli encoder MIX per regolare i livelli di
mandata ai bus MIX.
I LED intorno a ciascun encoder si illumineranno per
indicare approssimativamente il livello di mandata.
Invio del segnale dal canale
di ingresso a un bus MIX
Attiva/disattiva il
segnale inviato
dal canale di
ingresso al bus
MIX.
Regola il livello di
mandata del
segnale inviato
dal canale di
ingresso al bus
MIX.
Bus MIX
Canali di ingresso
Tasto [MIX SEND] Tasto [MIX MASTER]
Tasto MIX [ON]
Encoder MIX

5 Operazioni relative ai canali di ingresso
52 PM5D/PM5D-RH V2/DSP5D – Manuale di istruzioni Sezione operazioni
4Per disattivare il segnale inviato da quel canale
a un bus MIX, premere il tasto MIX [ON] per
disattivarlo.
Per riattivarlo, premere nuovamente il tasto MIX
[ON].
Nota
È possibile commutare i bus MIX (in unità composte da due
bus adiacenti MIX con numeri pari/dispari) tra il tipo VARI
(livelli di mandata variabili) e FIXED (livelli di mandata fissi)
Per ulteriori informazioni su come commutare il tipo,
➥
p. 299).
Se il bus MIX di destinazione della mandata è impostato sulla
modalità FIXED, gli encoder MIX non hanno alcun effetto; il
Bus MIX
Canali di ingresso
Attiva/disattiva il
segnale inviato
dal canale di
ingresso al bus
MIX.
Regola il livello di
mandata del
segnale inviato
dal canale di
ingresso al bus
MIX.
MIX1
MIX2
STEREO L
STEREO R
……
……
FADER
INPUT CHANNEL 1
ON
ON
ON
PAN
MIX1 (VARI)
LEVEL
MIX2 (VARI)
LEVEL
FADER
INPUT CHANNEL 2
ON
ON
ON
PAN
MIX1 (VARI)
LEVEL
MIX2 (VARI)
LEVEL
❏Invio di un segnale da un canale di ingresso a un
bus MIX di tipo VARI
MIX1
MIX2
STEREO L
STEREO R
……
……
FADER
INPUT CHANNEL 1
ON
ON
ON
PAN
MIX1 (FIX)
MIX2 (FIX)
FADER
INPUT CHANNEL 2
ON
ON
ON
PAN
MIX1 (FIX)
MIX2 (FIX)
❏Invio di un segnale da un canale di ingresso a un
bus MIX di tipo FIXED

PM5D/PM5D-RH V2/DSP5D – Manuale di istruzioni Sezione operazioni 53
5
Operazioni relative ai canali di ingresso
segnale può essere attivato/disattivato solo tramite il tasto
MIX [ON].
È possibile accoppiare i canali di ingresso mono per
collegare i relativi parametri principali. Esistono due tipi
di accoppiamento, tuttavia è possibile utilizzarne uno
soltanto.
• Modalità di accoppiamento orizzontale
Questa modalità consente di accoppiare i canali
adiacenti con numerazione pari/dispari (impostazione
di default).
• Modalità di accoppiamento verticale
Questa modalità consente di accoppiare i canali di layer
diversi che condividono lo stesso fader.
Suggerimento
Vengono collegati i parametri dei canali di ingresso accoppiati,
ad eccezione di head amp, delay, pan, attenuazione e fase.
Nota
Se all'unità DSP5D viene collegata in cascata la console
PM5D, l'accoppiamento può essere specificato solo da ogni
singola macchina.
Attivazione/disattivazione
dell'accoppiamento
Accoppiamento
orizzontale
Accoppiamento
verticale

5 Operazioni relative ai canali di ingresso
54 PM5D/PM5D-RH V2/DSP5D – Manuale di istruzioni Sezione operazioni
❏Uso dell'accoppiamento orizzontale
Di seguito viene illustrato come abilitare o disabilitare
l'accoppiamento dei canali adiacenti con numerazione
pari/dispari.
1Per abilitare l'accoppiamento, tenere premuto
il tasto [SEL] di uno dei due canali adiacenti
con numerazione pari/dispari e premere il
tasto [SEL] dell'altro canale.
I parametri del canale premuto per primo verranno
copiati sul canale premuto successivamente.
Suggerimento
Il canale di origine della copia viene stabilito dall'ordine con cui
si premono i tasti [SEL]. Ad esempio, se si tiene premuto il
tasto [SEL] del canale 1 mentre si preme il tasto [SEL] del
canale 2, i parametri del canale 1 verranno copiati sul
canale 2.
2Per annullare l'accoppiamento, tenere
premuto il tasto [SEL] di uno dei canali
accoppiati e premere il tasto [SEL] dell'altro
canale.
Nota
Se non si riesce ad attivare/disattivare l'accoppiamento
tramite la procedura riportata sopra, controllare che sia
attivata l'opzione MAKE PAIR ON PANEL (CREA COPPIA
SUL PANNELLO) nella schermata PREFERENCE 1 della
funzione UTILITY (
➥
p. 206).
❏Uso dell'accoppiamento verticale
Di seguito viene illustrato come attivare o disattivare
l'accoppiamento dei canali di layer diversi che condividono
lo stesso fader.
1Premere più volte il tasto [SYS/W.CLOCK] della
sezione DISPLAY ACCESS finché viene
visualizzata la schermata MIXER SETUP
(CONFIGURAZIONE MIXER).
2Fare clic sul pulsante VERTICAL PAIR nell'area
PAIR MODE per attivarlo.
Verrà visualizzata una finestra in cui viene richiesto di
confermare la modifica della modalità di
accoppiamento.
3Fare clic sul pulsante OK.
A questo punto è possibile utilizzare la modalità di
"accoppiamento verticale".
Passando alla modalità "accoppiamento verticale"
verranno assegnati nuovi numeri ai canali di ingresso.
Per ulteriori informazioni, vedere a p. 221.
È possibile tornare alla "modalità di accoppiamento
orizzontale" facendo clic sul pulsante HORIZONTAL
PAIR per attivarlo.
Suggerimento
Passando alternativamente dalla modalità di accoppiamento
verticale a quella di accoppiamento orizzontale vengono
modificati i numeri dei canali di ingresso, ma non i nomi del
canale e i valori dei parametri.
4Tenere premuto il tasto [SHIFT] (MAIUSC)
della sezione Data Entry e premere il tasto
[SEL] di uno dei canali da accoppiare.
Verrà visualizzata una finestra nella quale sarà possibile
scegliere la modalità di gestione dell'accoppiamento.
5Fare clic sul pulsante adeguato per scegliere la
sorgente/destinazione dei parametri da
copiare.
I canali verranno accoppiati nel modo indicato.
Suggerimento
Facendo clic sul pulsante RESET BOTH (AZZERA
ENTRAMBI), viene ripristinato il valore di default dei parametri
di entrambi i canali
6Per disattivare l'accoppiamento, tenere
premuto il tasto [SHIFT] e premere il tasto
[SEL] di uno dei canali.
Verrà visualizzata una finestra a comparsa in cui si
chiede conferma della disattivazione
dell'accoppiamento. Fare clic sul pulsante OK per
disattivare l'accoppiamento.
Area PAIR MODE (MODALITÀ ACCOPPIAMENTO)
Pulsante VERTICAL PAIR
(ACCOPPIAMENTO VERTICALE)
MIXER SETUP

PM5D/PM5D-RH V2/DSP5D – Manuale di istruzioni Sezione operazioni 55
6
Operazioni del canale di uscita
In questo capitolo vengono illustrate le funzioni e le operazioni di ciascuna sezione dei canali di uscita.
Informazioni sui canali di uscita
I canali di uscita eseguono il missaggio dei segnali inviati dai canali di ingresso ecc. e li trasmettono ai jack di uscita o ai bus
di uscita corrispondenti.
Esistono tre tipi di canali di uscita, come indicato di seguito.
Nota
L'unità DSP5D non dispone di jack MIX OUT (USCITA MIX), MATRIX OUT (USCITA MATRICE) o STEREO OUT (USCITA STEREO).
I canali di uscita sono assegnati ai soli jack OMNI OUT (USCITA OMNI).
Canali MIX 1–24
I segnali inviati dai canali di ingresso ai bus MIX passano attraverso questi canali fino ai jack MIX OUT 1–24 oppure ai bus
STEREO/MATRIX. Quando l'assegnazione dei segnali di output è in condizioni di default, l'unità PM5D assegna i canali MIX
1–24 ai jack MIX OUT 1–24, mentre l'unità DSP5D assegna i canali MIX 1–22 ai jack OMNI OUT 1–22.
Canali STEREO A/B
I segnali dei canali di ingresso o dei canali MIX passano attraverso questi canali, e sono quindi inviati ai jack STEREO OUT A/
B (USCITA STEREO A/B).
Quando l'assegnazione dei segnali di output dell'unità DSP5D è in condizioni di default, il canale STEREO A è assegnato ai
jack OMNI OUT 23–24.
6Operazioni del canale di uscita

6 Operazioni del canale di uscita
56 PM5D/PM5D-RH V2/DSP5D – Manuale di istruzioni Sezione operazioni
Canali MATRIX (MATRICE) 1-8
I segnali dei canali MIX o dei canali STEREO A/B assegnati ai bus MATRIX, passano attraverso questi canali e sono quindi
inviati ai jack MATRIX OUT.
• 8 BAND EQ (equalizzatore a 8 bande)
(canali MIX e canali STEREO A/B)
EQ parametrico a otto bande (quattro bande superiori
+ quattro bande inferiori).
• 4 BAND EQ (equalizzatore a 4 bande)
(canali MATRIX)
EQ parametrico a quattro bande: HIGH (ALTA),
HIGH MID (MEDIO ALTA), LOW MID (MEDIO
BASSA) e LOW (BASSA).
• COMP (Compressore)
Processore di dinamiche utilizzabile come
compressore, expander o limiter.
• LEVEL (LIVELLO)
Consente di regolare il livello di output del canale.
• ON (On/off) (Attivato/Disattivato)
Consente di attivare e disattivare il canale. Se è
disattivato, il canale corrispondente verrà escluso.
• OUTPUT DELAY (RITARDO OUTPUT)
Consente di applicare un certo ritardo al segnale di
output. Può essere utilizzato per regolare con
precisione la sincronia tra i canali.
• OUT ATT. (Attenuatore output)
Consente di attenuare o amplificare il livello di output
del canale.
• METER (INDICATORE)
Mostra il livello di output del canale di uscita. Il punto
di rilevamento del livello può essere modificato.
• MIX to STEREO (MIX a STEREO) (canali MIX)
Consente di attivare e disattivare il segnale inviato dal
canale MIX al bus STEREO.
• to MATRIX (alla MATRICE)
(canali MIX e canali STEREO A/B)
Consente di attivare e disattivare il segnale inviato dal
canale MIX al bus MATRIX.
• PAN (canali MIX)
Consente di regolare il pan per il segnale del canale
MIX inviato al bus STEREO.
• BAL (Balance) (Bilanciamento) (canali STEREO)
Consente di regolare il bilanciamento di volume dei
canali L/R (Sinistro/Destro) per il canale STEREO.
• LCR (Sinistra/Centro/Destra) (canali MIX)
Invia il segnale a tre canali (canali sinistro/destro e
canale centrale) al bus STEREO.
• INSERT (INSERIMENTO)
In questa sezione è possibile assegnare la porta di uscita
e di ingresso per le funzioni di insert-out/insert-in,
consentendo l'inserimento nel flusso audio di un
processore di effetti esterno o di un altro tipo di
dispositivo. È possibile scambiare le posizioni di insert-
out e insert-in.
• OUTPUT PATCH (ASSEGNAZIONE OUTPUT)
In questa sezione è possibile assegnare i canali di uscita
ai jack di uscita.
Suggerimento
I canali STEREO A/B e i canali MATRIX 1–8 sono
permanentemente collegati, rispettivamente, ai jack STEREO
OUT A/B e ai jack MATRIX 1–8. È comunque possibile
modificare le impostazioni di assegnazione dell'output per
inviare i segnali di questi canali di uscita e dei canali MIX 1–24
agli slot 1–4, ai jack 2TR OUT DIGITAL (USCITA DIGITALE
2TR) oppure ai jack MIX OUT.

PM5D/PM5D-RH V2/DSP5D – Manuale di istruzioni Sezione operazioni 57
6
Operazioni del canale di uscita
Sezione MIX (MISSAGGIO)
Nella sezione MIX è possibile impostare i livelli di mandata dei segnali inviati dai canali di ingresso ai bus MIX, e regolare i
livelli di output dei canali MIX.
ALED [TO ST] (A STEREO)
Questo LED si illumina per indicare che il segnale
inviato dal canale MIX al bus STEREO è attivo.
BLED [TO MTRX] (A MATRICE)
Questo LED si illumina per indicare che il segnale
inviato dal canale MIX al bus MATRIX è attivo.
CLED gruppi DCA
Il LED illuminato indica il gruppo DCA al quale è
assegnato il canale MIX selezionato.
DLED MIX [PAIR] (ACCOPPIAMENTO)
Questo LED si illumina per indicare che due canali
MIX adiacenti (uno pari e uno dispari) sono accoppiati.
ETasto MIX [ON] (ATTIVATO)
Quando il tasto [MIX SEND] (MANDATA MIX) (9)
è attivato, con questo tasto è possibile attivare e
disattivare l'invio del segnale dal canale di ingresso al
bus MIX. Quando il tasto [MIX MASTER] (MASTER
MIX) (J) è attivato, con questo tasto è possibile
attivare e disattivare il canale MIX.
FEncoder MIX
Quando il tasto [MIX SEND] (9) è attivato, questo
encoder consente di regolare il livello di mandata al bus
MIX. Quando il tasto [MIX MASTER] (J) è attivato,
l'encoder permette di regolare il livello di output del
canale MIX.
G
Tasto MIX [CUE] (SEGNALE DI ATTIVAZIONE)
Questo tasto consente di monitorare il canale MIX
mediante la funzione Cue Monitor/Solo (Monitoraggio
segnale di attivazione/Isolamento).
HTasto MIX [SEL] (SELEZIONE)
Con questo tasto è possibile selezionare il canale MIX
al quale verranno applicate le operazioni effettuate
nella sezione SELECTED CHANNEL (CANALE
SELEZIONATO) oppure sul display.
ITasto [MIX SEND]
JTasto [MIX MASTER]
Questi tasti consentono di modificare il
funzionamento della sezione MIX. Quando il tasto
[MIX SEND] è attivato, è possibile utilizzare i
controlli della sezione MIX per modificare il livello di
mandata e lo stato di attivazione/disattivazione del
segnale inviato dal canale di ingresso selezionato ai
bus MIX. In questo caso, i controlli diversi da 4–6
saranno temporaneamente disattivati.
Quando il tasto [MIX MASTER] è attivato, è possibile
utilizzare i controlli della sezione MIX per modificare
il livello di output e lo stato di attivazione/
disattivazione dei canali MIX.
❏Invio dei segnali dai canali MIX ai jack
di uscita
Di seguito viene illustrata la procedura per trasmettere il
segnale inviato da un canale di ingresso a un bus MIX, al
corrispondente jack MIX OUT.
1Accertarsi innanzitutto che il segnale
appropriato venga trasmesso da un canale di
ingresso al bus MIX.
2Premere il tasto [MIX MASTER] nella sezione
MIX.
Quando questo tasto è attivato, è possibile utilizzare la
sezione MIX per controllare i segnali inviati dai canali
MIX ai jack MIX OUT.
3Attivare il tasto MIX [ON] per il canale MIX del
quale si desidera trasmettere il segnale.
4Utilizzare l'encoder MIX per regolare il livello
di output del corrispondente canale MIX.
Il segnale del canale MIX corrispondente sarà in questo
modo inviato dal jack MIX OUT corrispondente.
5Se si desidera utilizzare gli indicatori di livello
del pannello per controllare il livello di output
dei canali MIX, premere il tasto [MIX/MATRIX]
della sezione Meter.
Il livello di output dei canali MIX sarà mostrato dagli
indicatori [INPUT/MIX].
Elementi della sezione MIX
9
124
J
7
5
8
6
3
Operazioni nella sezione MIX
MIX
PEAK
HOLD
CH 1 -24
24
OVER
-3
-6
-9
-12
-15
-18
-24
-30
-40
-50
-60
OVER
-3
-6
-9
-12
-15
-18
-24
-30
-40
-50
-60
2322212019181716151413121110987654321
ST IN/
/ST IN
MATRIX
Indicatori di livello INPUT/MIX
Tasto [MIX/MATRIX]

6 Operazioni del canale di uscita
58 PM5D/PM5D-RH V2/DSP5D – Manuale di istruzioni Sezione operazioni
Suggerimento
Se necessario, è anche possibile modificare il punto di
rilevamento (punto di misurazione) del livello di segnale per gli
indicatori di livello. Per ulteriori informazioni, vedere a p. 109.
❏Invio dei segnali dai canali MIX ai bus
MATRIX
Di seguito viene illustrato come trasmettere al bus
MATRIX il segnale inviato da un canale di ingresso al bus
MIX. L'operazione può essere effettuata specificando sia il
livello di mandata a uno specifico bus MATRIX per tutti i
canali MIX, sia specificando il livello di mandata a tutti i
bus MATRIX per un solo canale MIX.
Per inviare i segnali di tutti i canali MIX a
uno specifico bus MATRIX
1Accertarsi innanzitutto che i segnali
appropriati vengano trasmessi dai canali di
ingresso ai bus MIX.
2Premere ripetutamente il tasto [MATRIX/ST]
della sezione DISPLAY ACCESS (ACCESSO
DISPLAY) per accedere alla schermata
MATRIX/ST ROUTING (PERCORSO MATRICE/
STEREO) riportata di seguito.
3Utilizzare la barra di scorrimento sinistra/
destra per visualizzare il canale MIX che si
desidera inviare al bus MATRIX e fare clic sul
pulsante MIX TO MATRIX ON/OFF per
attivarlo.
Il segnale del canale MIX corrispondente sarà inviato al
bus MATRIX.
Suggerimento
È possibile utilizzare i pulsanti PRE FADER/POST FADER
dell'area MIX TO MATRIX per modificare il punto di mandata
(pre fader/post fader) del segnale inviato dal canale MIX al
bus MATRIX.
4Premere il tasto [MIX MASTER] nella sezione
MIX.
5Tenere premuto il tasto MATRIX [SEL] per
selezionare il bus MATRIX di destinazione della
mandata.
Tutti i tasti MIX [SEL] lampeggeranno. Fin tanto che si
manterrà premuto il tasto MATRIX [SEL], gli encoder
MIX 1–24 potranno essere usati per regolare i livelli di
mandata dai canali MIX al bus MATRIX selezionato.
6Continuando a tenere premuto il tasto
MATRIX [SEL], ruotare gli encoder MIX 1–24
per regolare il livello del segnale inviato da
ciascun canale MIX al bus MATRIX selezionato.
I LED intorno a ciascun encoder MIX si illumineranno
per indicare approssimativamente il livello di mandata.
Rilasciato il tasto MATRIX [SEL], gli encoder
torneranno ad operare in base alla precedente funzione
assegnata.
Suggerimento
Per assegnare stabilmente agli encoder la funzione appena
descritta, premere due volte in rapida successione il tasto
MATRIX [SEL]. Per ripristinare la funzione precedentemente
assegnata, premere uno dei tasti MIX [SEL] oppure MATRIX
[SEL].
Per inviare uno specifico canale MIX a tutti
i bus MATRIX
1Configurare le impostazioni in modo da
inviare il segnale dal canale MIX desiderato a
un bus MATRIX, come descritto ai punti 1–3
della sezione "Per inviare i segnali di tutti i
canali MIX a uno specifico bus MATRIX".
2Premere il tasto [MIX MASTER] nella sezione
MIX.
3Tenere premuto il tasto MIX [SEL] del canale
MIX di origine della mandata.
Tutti i tasti MATRIX [SEL] lampeggeranno. Fin tanto
che si manterrà premuto il tasto MIX [SEL], gli
encoder MATRIX 1–8 potranno essere usati per
regolare i livelli di mandata del canale MIX selezionato
per ciascun bus MATRIX.
4Continuando a tenere premuto il tasto MIX
[SEL], ruotare gli encoder MIX 1–8 per
regolare il livello di mandata del canale MIX
selezionato per i bus MATRIX.
I LED intorno a ciascun encoder MATRIX si
illumineranno per indicare approssimativamente il
livello di mandata. Rilasciato il tasto MIX [SEL], gli
encoder torneranno ad operare in base alla precedente
funzione assegnata.
Canali MIXPulsanti MIX TO
MATRIX ON/OFF
MATRIX/ST ROUTING
Utilizzare gli encoder della sezione MIX
per regolare i livelli di mandata

PM5D/PM5D-RH V2/DSP5D – Manuale di istruzioni Sezione operazioni 59
6
Operazioni del canale di uscita
Suggerimento
Per assegnare stabilmente agli encoder la funzione appena
descritta, premere due volte in rapida successione il tasto MIX
[SEL]. Per ripristinare la funzione precedentemente
assegnata, premere uno dei tasti MIX [SEL] oppure MATRIX
[SEL].
5Se si desidera utilizzare gli indicatori di livello
del pannello per controllare il livello di output
dei canali MIX, premere il tasto [MIX/MATRIX]
della sezione Meter.
Suggerimento
È possibile modificare i livelli di mandata dai canali MIX ai bus
MATRIX anche sul display. Per ulteriori informazioni, vedere a
p. 262.
❏Invio di segnali dai canali MIX al bus
STEREO
Di seguito viene descritto come trasmettere al bus STEREO
i segnali inviati dai canali di ingresso ai bus MIX.
1Accertarsi innanzitutto che i segnali
appropriati vengano trasmessi dai canali di
ingresso ai bus MIX.
2Premere il tasto [MIX MASTER] nella sezione
MIX.
3Attivare il tasto MIX [ON] per i canali MIX dei
quali si desidera inviare i segnali al bus
STEREO.
4Premere il tasto MIX [SEL] del canale di cui si
desidera inviare il segnale al bus STEREO e
attivare il tasto [TO STEREO] nella sezione
SELECTED CHANNEL.
5Per regolare il pan del segnale inviato dal
canale MIX al bus STEREO, premere il tasto
MIX [SEL] del canale MIX desiderato e ruotare
l'encoder STEREO [PAN] nella sezione
SELECTED CHANNEL.
6Ruotare l'encoder MIX per regolare il livello
del segnale da inviare al bus STEREO.
Suggerimento
Per attivare o disattivare l'invio al bus STEREO e regolare il
pan, è anche possibile utilizzare la schermata MATRIX/ST
ROUTING. In questa schermata è possibile inoltre modificare
il punto di mandata (tasto post fader o post ON) per il segnale
inviato dal canale MIX al bus STEREO (
➥
p. 264).
7Nella channel strip STEREO A/B, attivare i tasti
STEREO A [ON] e STEREO B [ON] (LED accesi).
8Nella channel strip STEREO A/B, alzare i fader
[STEREO A]/[STEREO B].
Il segnale inviato dal canale MIX al bus STEREO sarà
trasmesso dai jack STEREO OUT A/B.
Il livello di output del segnale dei canali STEREO A/B è
mostrato dagli indicatori di livello [MASTER] nella
sezione Meter.
❏Accoppiamento dei canali MIX
È possibile accoppiare due canali MIX adiacenti con
numerazione pari/dispari. Quando si accoppiano due
canali MIX, i parametri di entrambi i canali (a eccezione di
pan e delay) saranno collegati.
1Attivare il tasto [MIX MASTER] nella sezione
MIX.
2Individuare i canali MIX adiacenti che si
desidera accoppiare, tenere premuto il tasto
MIX [SEL] del primo canale e premere il tasto
MIX [SEL] del secondo.
Il LED [PAIR] (ACCOPPIAMENTO) si illuminerà, e i
due canali MIX saranno accoppiati. A questo punto, i
parametri del primo canale di cui si è premuto il tasto
MIX [SEL] saranno copiati sul secondo canale del
quale si è premuto il tasto MIX [SEL].
Se ad esempio si sono premuti i tasti nell'ordine: canale
MIX 1 → canale MIX 2, i parametri del canale MIX 1
saranno copiati su quelli del canale MIX 2.
3Per annullare l'accoppiamento, tenere
premuto il tasto MIX [SEL] di uno dei canali
accoppiati e premere il tasto MIX [SEL]
dell'altro canale.
Quando i canali MIX sono accoppiati, il flusso del
segnale cambia come descritto di seguito.
Utilizzare gli encoder della sezione MATRIX
per regolare il livello di mandata
Encoder STEREO [PAN]
Tasto [TO STEREO]

6 Operazioni del canale di uscita
60 PM5D/PM5D-RH V2/DSP5D – Manuale di istruzioni Sezione operazioni
Segnali inviati da un canale di ingresso
al bus MIX di tipo VARI
• Con il bus MIX di tipo VARI non accoppiato
Quando il tasto [MIX SEND] è attivato, gli encoder
MIX consentono di regolare il livello di mandata dei
segnali inviati al bus MIX corrispondente dal canale di
ingresso selezionato.
• Con il bus MIX di tipo VARI accoppiato
Quando il tasto [MIX SEND] è attivato, gli encoder
MIX dei canali dispari consentono di regolare il pan del
segnale inviato ai due bus MIX. Gli encoder MIX dei
canali pari consentono di regolare il livello di mandata
condiviso per i due bus MIX.
Segnali di output del canale MIX
• Con i canali MIX non accoppiati
Quando il tasto [MIX MASTER] è attivato, gli encoder
MIX consentono di regolare il livello di output dei
canali MIX corrispondenti.
• Con i canali MIX accoppiati
Quando il tasto [MIX MASTER] è attivato, gli encoder
MIX dei canali dispari consentono di regolare il
bilanciamento di volume dei canali MIX accoppiati. Gli
encoder MIX dei canali pari consentono di regolare il
livello di mandata condiviso per i due canali accoppiati.
Suggerimento
È possibile modificare lo stato di accoppiamento dei canali
MIX e le impostazioni del livello di output/bilanciamento anche
nella schermata CH to MIX (CANALE A MISSAGGIO)
(
➥
p. 299) o MATRIX/ST (
➥
p. 262).
SEND LEVEL
del bus MIX 1 SEND LEVEL
del bus MIX 2
MIX1
MIX2
STEREO L
STEREO R
……
……
FADER
INPUT CHANNEL
ON
ON
ON
PAN
MIX1 (VARI)
LEVEL
MIX2 (VARI)
LEVEL
LEVEL
SEND PAN
per i bus MIX
1/2
SEND LEVEL
per i bus MIX
1/2
MIX1
MIX2
STEREO L
STEREO R
……
……
FADER
INPUT CHANNEL
ON
ON
PAN
PAN
MIX1/2 (VARI)
LEVEL
OUTPUT
LEVEL canale
MIX 1
OUTPUT
LEVEL
canale MIX 2
OUTPUT LEVEL
MIX OUT 1
MIX 1
MIX CHANNEL
ON
OUTPUT LEVEL
MIX OUT 2
MIX 2
ON
BALANCE
canali MIX 1/2 OUTPUT
LEVEL
canali MIX 1/2
OUTPUT LEVEL
MIX OUT 1BALANCE
MIX 1
MIX CHANNEL
ON
MIX OUT 2
MIX 2

PM5D/PM5D-RH V2/DSP5D – Manuale di istruzioni Sezione operazioni 61
6
Operazioni del canale di uscita
Channel strip STEREO A/B
La channel strip STEREO A/B consente l'invio dei segnali dai canali STEREO A/B al bus MATRIX, e la regolazione dei
rispettivi livelli di output.
ALED [TO MATRIX]
Questo LED si illumina per indicare che il segnale
inviato dal canale STEREO al bus MATRIX è attivo.
BLED [COMP] (COMPRESSORE)
Questo LED indica lo stato operativo del compressore
per il canale STEREO. Il LED rimane spento quando la
quantità di riduzione del guadagno è pari a 0dB, si
illumina debolmente per un intervallo compreso tra 0 e
10 dB, e si illumina normalmente per valori superiori a
10 dB.
CTasto STEREO A/B [SEL] (SELEZIONE)
Questo tasto consente di selezionare il canale L o R per
STEREO A oppure STEREO B, per la relativa modifica
nella sezione SELECTED CHANNEL o sul display.
Ogni volta che si preme il tasto [SEL], verranno
selezionati alternativamente i canali L e R.
DTasto STEREO [MONO]
Questo tasto consente di commutare il canale STEREO
B in un canale mono. Ogni volta che si preme il tasto si
passerà dalla modalità mono a quella stereo e viceversa.
ETasto STEREO [ON]
Consente di attivare e disattivare il canale STEREO.
Quando il tasto è disattivato (LED spento), il canale
STEREO non trasmetterà alcun segnale.
FFader STEREO
Fader da 100 mm che consente di regolare il livello di
output del canale STEREO.
GTasto STEREO [CUE]
Consente di monitorare il canale STEREO A/B
attraverso la funzione Cue Monitor/Solo.
Elementi della channel strip
STEREO A/B
7
4
6
5
3
2
1

6 Operazioni del canale di uscita
62 PM5D/PM5D-RH V2/DSP5D – Manuale di istruzioni Sezione operazioni
❏Invio di segnali dai canali STEREO A/B ai
jack di uscita
Di seguito viene descritto come i segnali inviati dai canali
di ingresso o dai canali MIX al bus STEREO possono essere
trasmessi dai jack STEREO OUT A/B.
1Accertarsi innanzitutto che i segnali
appropriati vengano trasmessi dai canali
desiderati al bus STEREO.
2Attivare il tasto STEREO [ON] della channel
strip STEREO A/B.
3Alzare i fader [STEREO A] e [STEREO B].
Il segnale dei canali STEREO A/B verrà trasmesso dai
jack STEREO OUT A/B e il livello di output dei canali
STEREO A/B sarà mostrato dagli indicatori di livello
[MASTER] nella sezione Meter.
Suggerimento
In genere, dai canali STEREO A e B viene trasmesso lo
stesso segnale. Tuttavia, è anche possibile utilizzare il canale
STEREO B come canale centrale per il playback a tre canali
di tipo L/C/R (Sinistro/Centrale/Destro) (
➥
p. 222, 267).
❏Invio di segnali dai canali STEREO A/B ai
bus MATRIX
Di seguito viene descritto come inviare ai bus MATRIX i
segnali dei canali STEREO A/B.
1Accertarsi innanzitutto che il segnale
appropriato venga trasmesso al bus STEREO.
2Premere ripetutamente il tasto [MATRIX/ST]
della sezione DISPLAY ACCESS per accedere
alla schermata MATRIX/ST ROUTING.
3Utilizzare la barra di scorrimento sinistra/
destra per visualizzare i canali STEREO A/B e
fare clic sul pulsante MIX TO MATRIX ON/OFF
per attivarlo.
Così facendo, il segnale dei canali STEREO A/B sarà
inviato ai canali MATRIX.
4Accertarsi che i tasti STEREO A/B [ON] siano
stati attivati nella channel strip STEREO A/B;
tenere quindi premuto il tasto STEREO A [SEL]
oppure il tasto STEREO B [SEL].
Mentre si tiene premuto il tasto, tutti i LED dei tasti
MATRIX [SEL] lampeggeranno. In questo stato, è
possibile utilizzare gli encoder MATRIX per regolare il
livello dei segnali inviati dai canali STEREO A o B ai
bus MATRIX.
5Tenendo sempre premuto il tasto STEREO A
[SEL] oppure STEREO B [SEL], ruotare gli
encoder MATRIX 1–8 per regolare il livello del
segnale inviato ai bus MATRIX.
I LED intorno a ciascun encoder MATRIX si
illumineranno per indicare approssimativamente il
livello di mandata. Una volta rilasciato il tasto STEREO
A [SEL] o STEREO B [SEL], gli encoder MATRIX
torneranno ad operare in base alla precedente funzione
loro assegnata.
Suggerimento
• Per richiamare velocemente lo stato sopra descritto,
premere due volte in rapida successione il tasto STEREO A
[SEL] o STEREO B [SEL]. Per tornare allo stato operativo
precedente, premere un qualsiasi tasto [SEL].
• I livelli di mandata dai canali STEREO A/B ai bus MATRIX
possono anche essere regolati direttamente dal display
(
➥
p. 262).
Operazioni della channel strip
STEREO A/B
Indicatori di livello MASTER
Pulsanti MIX TO
MATRIX ON/OFF
MATRIX/ST ROUTING

PM5D/PM5D-RH V2/DSP5D – Manuale di istruzioni Sezione operazioni 63
6
Operazioni del canale di uscita
Sezione MATRIX
La sezione MATRIX consente di regolare i livelli di mandata dai canali MIX ai bus MATRIX e di regolare i livelli di output dei
canali MATRIX.
ALED gruppi DCA
Il LED illuminato indica il gruppo DCA al quale è
assegnato il canale MATRIX selezionato.
BLED MATRIX [PAIR]
Questo LED si illumina per indicare che due canali
MATRIX adiacenti (uno pari e uno dispari) sono
accoppiati.
CTasto MATRIX [ON]
Consente di attivare e disattivare il canale MATRIX.
DEncoder MATRIX
Consente di regolare il livello di output del canale
MATRIX.
ETasto MATRIX [CUE]
Consente di monitorare il canale MATRIX attraverso la
funzione Cue Monitor/Solo.
FTasto MATRIX [SEL]
Con questo tasto è possibile selezionare il canale
MATRIX al quale verranno applicate le operazioni
effettuate nella sezione SELECTED CHANNEL
(CANALE SELEZIONATO) oppure sul display.
❏Invio di segnali dalla sezione MATRIX ai
jack di uscita
Di seguito viene descritto come i segnali inviati dai canali
MIX o STEREO A/B ai bus MATRIX possono essere
trasmessi ai jack MATRIX OUT.
1Accertarsi innanzitutto che i segnali
appropriati vengano inviati dai canali MIX o
STEREO A/B ai bus MATRIX.
2Nella sezione MATRIX, premere i tasti MATRIX
[ON] per attivare i canali MATRIX desiderati.
3Ruotare gli encoder della sezione MATRIX per
regolare i livelli di output dei canali MATRIX.
I segnali inviati ai bus MATRIX saranno così trasmessi
ai corrispondenti jack MATRIX.
4Per verificare il livello di output dei canali
MATRIX, premere il tasto [MIX/MATRIX] nella
sezione Meter.
Gli indicatori di livello [ST IN/MATRIX] (INGRESSO
STEREO/MATRICE) mostreranno i livelli di output.
Suggerimento
Se necessario, è anche possibile modificare il punto di
rilevamento (punto di misurazione) del livello di segnale
riportato dagli indicatori di livello (
➥
p. 109).
❏Accoppiamento della sezione MATRIX
Se si desidera, è possibile accoppiare due canali MATRIX
adiacenti con numerazione pari/dispari. Quando si
accoppiano due canali, i parametri di entrambi i canali
(a eccezione di pan e delay) saranno collegati.
1Nella sezione MATRIX, tenere premuto il tasto
MATRIX [SEL] di uno dei due canali adiacenti
con numerazione pari/dispari e premere il
tasto MATRIX [SEL] dell'altro canale.
Il LED [PAIR] si illuminerà, e i due canali MATRIX
saranno accoppiati. A questo punto, i parametri del
primo canale di cui si è premuto il tasto MATRIX
[SEL] saranno copiati sul secondo canale del quale si è
premuto il tasto MATRIX [SEL].
Se ad esempio si sono premuti i tasti nell'ordine: canale
MATRIX 1 → canale MATRIX 2, i parametri del canale
MATRIX 1 saranno copiati su quelli del canale
MATRIX 2.
2Per annullare l'accoppiamento, tenere
premuto il tasto [SEL] di uno dei canali
MATRIX accoppiati e premere il tasto [SEL]
dell'altro canale.
Quando i canali MATRIX sono accoppiati, il flusso del
segnale cambia come descritto nei paragrafi che
seguono.
Elementi della sezione MATRIX
5
3
6
4
12
Operazioni nella sezione MATRIX
OVER
-3
-6
-9
-12
-15
-18
-24
-30
-40
-50
-60
OVER
-3
-6
-9
-12
-15
-18
-24
-30
-40
-50
-60
1L 1R 2L 2R 3L 3R 4L 4R
MATRIX
ST IN / /
1 2 3 4 5 6 7 8
MIX
PEAK
HOLD
CH 1-24
ST IN/
/ST IN
MATRIX
Indicatori di livello ST IN/MATRIX
Tasto [MIX/MATRIX]

6 Operazioni del canale di uscita
64 PM5D/PM5D-RH V2/DSP5D – Manuale di istruzioni Sezione operazioni
Segnali inviati dai canali MIX e STEREO
A/B ai bus MATRIX
• Con i canali MATRIX non accoppiati
Quando si tiene premuto il tasto [SEL] di uno specifico
canale MIX o STEREO A/B per la regolazione dei livelli
di mandata di quel canale a tutti i bus MATRIX, gli
encoder MATRIX controlleranno il livello di mandata
al bus MATRIX corrispondente.
• Con i canali MATRIX accoppiati
Quando si tiene premuto il tasto [SEL] di un certo
canale MIX o STEREO A/B per la regolazione dei livelli
di mandata di quel canale a tutti i bus MATRIX,
l'encoder MATRIX del canale dispari controllerà il pan
del segnale inviato ai due bus MATRIX. In questo caso,
l'encoder del canale pari controllerà il livello di
mandata condiviso dai due bus MATRIX.
Suggerimento
Per ulteriori informazioni su come inviare il segnale di uno
specifico canale MIX a tutti i bus MATRIX, vedere a p. 58.
Per ulteriori informazioni su come inviare il segnale del canale
STEREO A o B a tutti i bus MATRIX, vedere a p. 62.
Segnali di output dei canali MATRIX
• Con i canali MATRIX non accoppiati
Gli encoder MATRIX consentono di regolare il livello
di output del canale MATRIX corrispondente.
• Con i canali MATRIX accoppiati
Gli encoder dei canali dispari consentono di regolare il
bilanciamento di volume dei canali MATRIX
accoppiati. Gli encoder MATRIX dei canali pari
consentono di controllare il livello di output condiviso
per i due canali accoppiati.
Suggerimento
È possibile accedere alla schermata MATRIX/ST ROUTING
(funzione MATRIX/ST) per visualizzare sul display un elenco
dei canali MATRIX e modificare le relative impostazioni di
accoppiamento e di altri parametri. Per ulteriori informazioni,
vedere a p. 262 della sezione Riferimenti.
……
MATRIX1
MATRIX2
FADER
MIX CHANNEL
ON
ON
ON
to
MATRIX1
LEVEL
to
MATRIX2
LEVEL
Encoder
LEVEL
MATRIX 1
Encoder
LEVEL
MATRIX 2
ON
ON
ON PAN
to MATRIX 1/2
LEVEL
……
MATRIX1
MATRIX2
FADER
MIX CHANNEL
Encoder PAN
MATRIX 1/2 Encoder
LEVEL
MATRIX 1/2
Encoder
OUTPUT LEVEL
del canale
MATRIX 1
Encoder
OUTPUT
LEVEL del
canale
MATRIX 2
OUTPUT LEVEL
OUTPUT PATCH
MATRIX 1
MATRIX CHANNEL
ON
OUTPUT LEVEL
MATRIX 2
ON
Encoder
BALANCE
canali
MATRIX 1/2
Encoder
OUTPUT
LEVEL
canali
MATRIX 1/2
OUTPUT PATCH
MATRIX 1
MATRIX CHANNEL
MATRIX 2
OUTPUT LEVEL
BALANCE ON

PM5D/PM5D-RH V2/DSP5D – Manuale di istruzioni Sezione operazioni 65
7
Utilizzo della sezione Selected Channel (Canale selezionato)
In questo capitolo viene descritto come è possibile utilizzare la sezione SELECTED CHANNEL per il
controllo dei canali di ingresso e di uscita.
Informazioni sulla sezione SELECTED CHANNEL
La sezione SELECTED CHANNEL consente di modificare i parametri di missaggio per il canale di ingresso o di uscita
selezionato; corrisponde al modulo di canale di un mixer analogico convenzionale.
La sezione consente di controllare l'ultimo canale selezionato con il corrispondente tasto [SEL] (SELEZIONE). Nel caso di un
canale ST IN (INGRESSO STEREO), FX RTN (RITORNO EFFETTI) o STEREO A/B, sarà possibile selezionare solo uno tra i
canali L (sinistro) ed R (destro). Sarà comunque possibile utilizzare i controlli del pannello per modificare praticamente tutti i
principali parametri di missaggio, come le impostazioni relative a head amp, EQ/compressore/gate, output verso il bus
STEREO, assegnazione ai gruppi DCA e ai gruppi di esclusione e cosi via.
Elementi nella sezione SELECTED CHANNEL
In quest'area è possibile assegnare il canale selezionato ai
gruppi DCA e ai gruppi di esclusione. Per ulteriori
informazioni sui gruppi DCA e sui gruppi di esclusione
➥ p. 82, 83
ATasti DCA [1]–[8]
Questi tasti consentono di assegnare il canale
selezionato ai gruppi DCA 1–8. Il LED del tasto relativo
al gruppo (o ai gruppi) DCA a cui il canale è stato
assegnato si illuminerà.
I canali di ingresso possono utilizzare i gruppi
DCA 1–8, mentre i canali di uscita utilizzeranno i
gruppi DCA 7/8. Per i gruppi DCA 7/8 i canali di
ingresso e i canali di uscita possono appartenere a un
gruppo con lo stesso numero.
BTasti MUTE (ESCLUSIONE) [1]–[8]
Questi tasti consentono di assegnare il canale
selezionato ai gruppi di esclusione 1–8. Il LED del tasto
relativo al gruppo (o ai gruppi) di esclusione a cui il
canale è stato assegnato si illuminerà.
I gruppi di esclusione 1–8 possono includere sia canali
di ingresso che canali di uscita.
CTasto [RECALL SAFE] (BLOCCA RICHIAMO)
Consente di attivare o disattivare la funzione Recall
Safe per il canale selezionato. Quando il tasto è attivato,
i parametri del canale corrispondente non verranno
modificati quando si richiamerà una scena. I parametri
applicabili possono essere specificati nella schermata
RECALL SAFE della funzione SCENE (SCENA)
(➥ p. 182).
DTasto [MUTE SAFE] (BLOCCA ESCLUSIONE)
Consente di attivare o disattivare la funzione Mute Safe
per il canale selezionato. Quando il tasto è attivato, il
canale corrispondente sarà temporaneamente rimosso
dai gruppi di esclusione.
EIndicatore di livello
Indica il livello di input o output del canale selezionato.
7
Utilizzo della sezione Selected
Channel (Canale selezionato)
GROUP (GRUPPO)
3
4
5
1 2

7 Utilizzo della sezione Selected Channel (Canale selezionato)
66 PM5D/PM5D-RH V2/DSP5D – Manuale di istruzioni Sezione operazioni
In quest'area è possibile selezionare o copiare i canali.
AIndicatori INPUT/OUTPUT
(INGRESSO/USCITA)
Indicano se è selezionato un canale di ingresso o un
canale di uscita.
BIndicatore del nome
Indica il nome del canale selezionato.
CIndicatore del numero
Indica il numero del canale selezionato. Per i canali
stereo ST IN, FX RTN e STEREO A/B, sul display
saranno visualizzati il numero e il carattere "L" o "r", a
seconda che sia selezionato il canale L (sinistro) o R
(destro). Se un canale è accoppiato, accanto all'ultimo
carattere si illuminerà un punto decimale. Per il canale
FX RTN, si illuminerà il LED accanto alla prima cifra.
DTasto [PASTE] (INCOLLA)
ETasto [COPY] (COPIA)
Questi tasti consentono di copiare e incollare i dati di
un canale. Quando si preme il tasto [COPY], i dati del
canale selezionato verranno copiati nel buffer della
memoria; quando si preme il tasto [PASTE], i dati
presenti nel buffer saranno incollati nel canale
selezionato. È possibile specificare i parametri da
copiare nella schermata CH JOB (PROCESSO
CANALE) della funzione INPUT VIEW (VISTA
INGRESSO) per i canali di ingresso, oppure nella
schermata CH JOB della funzione OUTPUT VIEW
(VISTA USCITE) per i canali di uscita.
Nota
• Se la memoria buffer non contiene alcun dato, oppure nel
caso in cui i dati contenuti fossero di tipo diverso rispetto a
quelli del canale selezionato, sul display verrà visualizzato
un messaggio di avviso e l'operazione Paste sarà annullata.
• I dati presenti nella memoria buffer sono automaticamente
cancellati quando si spegne l'unità.
FTasto CH [DEC] (RIDUCI)
GTasto CH [INC] (AUMENTA)
Il tasto CH [DEC] consente di ridurre il numero del
canale correntemente selezionato, mentre il tasto CH
[INC] consente di aumentarlo.
• Canali di ingresso 1–48
• Canali ST IN 1L/1R–4L/4R
• Canali FX RTN 1L/1R–4L/4R
• Canali MIX (MISSAGGIO) 1–24
• Canali MATRIX (MATRICE) 1-8
• Canale STEREO A L/R
• Canale STEREO B L/R
In quest'area è possibile modificare i parametri relativi al
delay per il canale selezionato.
AIndicatore DELAY [TIME] (TEMPO)
Indica il tempo di delay specificato per il canale
selezionato, in unità di millisecondi. Per un tempo di
delay pari a un secondo, l'indicatore mostrerà "1...".
BEncoder DELAY [TIME]
Controlla il tempo di delay per il canale selezionato.
CTasto DELAY [ON]
Consente di attivare o disattivare il delay per il canale
selezionato.
Canale Display
Canale ST IN 1L./1r. – 4L./4r.
Canale FX RTN 1.L./1.r. – 4.L./4.r.
Canale STEREO A AL./Ar.
Canale STEREO B BL./Br.
CHANNEL SELECT (SELEZIONE CANALE)
4
57
6
1
23
DELAY (RITARDO)
2
3
1

PM5D/PM5D-RH V2/DSP5D – Manuale di istruzioni Sezione operazioni 67
7
Utilizzo della sezione Selected Channel (Canale selezionato)
In questa sezione è possibile modificare i parametri relativi
a head amp, attenuatore post-conversione AD (analogica-
digitale) e fase per il canale selezionato. Questa sezione è
disponibile solo se è stato selezionato un canale di ingresso.
ATasto [GAIN/ATT]
(GUADAGNO/ATTENUAZIONE)
Consente la selezione del parametro controllato
dall'encoder [GAIN/ATT] (2).
• Tasto [GAIN/ATT] acceso (Guadagno)
L'encoder regola la sensibilità di ingresso dell'head amp
interno assegnato al canale di ingresso (solo unità
PM5D-RH e DSP5D) o di un head amp esterno che
supporti il protocollo di comunicazione dedicato
(unità Yamaha AD8HR, AD824, e così via). L'intervallo
di regolazione è compreso tra +10 e –62.
• Tasto [GAIN/ATT] spento (Attenuatore)
L'encoder controlla l'attenuatore post-conversione AD
per il canale di ingresso. L'intervallo di regolazione è
compreso tra –96 e +24.
Nota
• L'opzione Gain non può essere selezionata per i canali ai
quali non è stato assegnato un head amp interno o esterno.
• Se si desidera impedire la selezione degli attenuatori,
accedere alla schermata PREFERENCE 1 (PREFERENZA
1) della funzione UTILITY e disattivare il parametro ATT
OPERATION ON PANEL (ATTIVAZ. ATTENUATORE SU
PANNELLO) (
➥
p. 206).
BEncoder [GAIN/ATT]
In base all'impostazione del tasto [GAIN/ATT] (1),
questo encoder controlla sia la sensibilità di ingresso
dell'head amp interno o esterno assegnato al canale di
ingresso, che l'attenuatore posto dopo la conversione
AD.
I LED intorno all'encoder si illumineranno come
indicato di seguito.
• Tasto [GAIN/ATT] acceso (Guadagno)
• Tasto [GAIN/ATT] spento (Attenuatore)
CTasto [ø]
Consente di regolare la fase del canale di ingresso
selezionato. Quando il tasto è attivato, la fase sarà
invertita.
In questa sezione è possibile modificare i parametri del
noise gate per il canale selezionato. La sezione è valida solo
se è stato selezionato un canale di ingresso o un canale
ST IN.
AIndicatore GATE GR
(RIDUZIONE GUADAGNO ESCLUSIONE)
Indica la quantità di riduzione prodotta dal gate per il
canale selezionato.
BTasto GATE [ON]
Consente di attivare o disattivare il gate per il canale
selezionato.
CIndicatore GATE [ATTACK] (ATTACCO)
Indica il tempo di attacco del gate, in unità di
millisecondi.
DEncoder GATE [ATTACK]
Specifica il tempo di attacco del gate (il tempo
necessario perché il gate si apra dal momento in cui il
segnale supera la soglia prestabilita).
EIndicatore GATE [HOLD] (ATTESA)
Indica il tempo di attesa del gate, in unità di
millisecondi o secondi (l'unità di tempo selezionata è
indicata dal LED corrispondente).
GAIN/ATTENUATION/ø
(Guadagno/Attenuazione/Fase)
1
2
3
➠
➠
➠
–
(attenuazione) +
(incremento)
0
NOISE GATE (ESCLUSIONE RUMORE)
9
2
J
8
6
4
3
5
7
1

7 Utilizzo della sezione Selected Channel (Canale selezionato)
68 PM5D/PM5D-RH V2/DSP5D – Manuale di istruzioni Sezione operazioni
FEncoder GATE [HOLD]
Specifica il tempo di attesa del gate (il tempo necessario
perché il gate si chiuda dal momento in cui il segnale
ricade al di sotto della soglia prestabilita).
GIndicatore GATE [DECAY]
Indica il tempo di decay del gate, in unità di
millisecondi o secondi.
HEncoder GATE [DECAY]
Specifica il tempo di attesa del gate (il tempo necessario
perché il gate si chiuda una volta esaurito il tempo di
attesa).
IEncoder GATE [THRESHOLD] (SOGLIA)
Specifica il livello di soglia del gate (il livello al quale il
gate si apre o si chiude). Il gate si aprirà quando il
segnale supererà il livello specificato e si chiuderà una
volta che questo è tornato al di sotto della soglia.
JEncoder GATE [RANGE] (INTERVALLO)
Specifica la quantità di attenuazione durante la fase di
chiusura del gate.
In questa sezione è possibile attivare o disattivare il segnale
inviato dal canale selezionato al bus STEREO e regolare il
pan (panorama stereo).
AEncoder STEREO [PAN]
La funzione di questo encoder dipende dal canale
selezionato, come indicato di seguito.
BTasto [TO STEREO] (A STEREO)
La funzione di questo tasto dipende dal canale
selezionato, come indicato di seguito.
In questa sezione è possibile modificare i parametri del
compressore per il canale selezionato. La sezione è
disponibile solo se si è selezionato un canale diverso da un
canale FX RTN.
AIndicatore COMP GR
(RIDUZIONE GUADAGNO COMPRESSORE)
Indica la quantità di riduzione prodotta dal
compressore per il canale selezionato.
BTasto COMP [ON]
Consente di attivare o disattivare il compressore per il
canale selezionato.
CIndicatore COMP [ATTACK]
Indica il tempo di attacco del compressore, in unità di
millisecondi.
DEncoder COMP [ATTACK]
Specifica il tempo di attacco del compressore (il tempo
necessario per l'attivazione del compressore dal
momento in cui il segnale supera la soglia prestabilita).
EIndicatore COMP [RELEASE] (RILASCIO)
Indica il tempo di rilascio del compressore, in unità di
millisecondi o secondi (l'unità di tempo selezionata è
indicata dal LED corrispondente).
FEncoder COMP [RELEASE]
Specifica il tempo di rilascio del compressore (il tempo
necessario per la disattivazione del compressore dal
momento in cui il segnale ricade al di sotto della soglia
prestabilita).
GIndicatore COMP [RATIO] (RAPPORTO)
Indica il valore del rapporto di compressione.
HEncoder COMP [RATIO]
Specifica il rapporto di compressione (il rapporto in
base al quale il segnale di input verrà compresso dopo
aver superato la soglia prestabilita).
IEncoder COMP [THRESHOLD]
Specifica il livello di soglia del compressore (il livello al
quale il compressore viene attivato). Il segnale di
ingresso sarà compresso una volta superato il livello
stabilito; la compressione terminerà non appena il
segnale ricadrà al di sotto del livello.
Canale selezionato Funzione
Canale di ingresso Consente di regolare il pan per il
segnale inviato dal canale
selezionato al bus STEREO.
Canale ST IN
Canale FX RTN
Canale MIX
Canali STEREO A/B
Consente di regolare il
bilanciamento sinistro/destro del
segnale inviato dai canali
STEREO A/B.
Canale MATRIX Nessuna funzione.
Canale selezionato Funzione
Canale di ingresso Consente di attivare e disattivare il
segnale inviato dal canale
selezionato al bus STEREO.
Canale ST IN
Canale FX RTN
Canale MIX
Canali STEREO A/B Nessuna funzione.
Canale MATRIX
STEREO
1
2
COMPRESSOR (COMPRESSORE)
9
2
J
8
6
4
3
5
7
1

PM5D/PM5D-RH V2/DSP5D – Manuale di istruzioni Sezione operazioni 69
7
Utilizzo della sezione Selected Channel (Canale selezionato)
JEncoder COMP [GAIN]
Consente di specificare il guadagno del segnale dopo il
passaggio attraverso il compressore.
In questa sezione è possibile modificare i parametri del
filtro passa-alto per il canale selezionato. Questa sezione è
disponibile solo se è stato selezionato un canale di ingresso.
AEncoder HPF [FREQUENCY] (FREQUENZA)
Specifica la frequenza di taglio del filtro passa-alto.
BIndicatore HPF [FREQUENCY]
Indica la frequenza di taglio specificata per il filtro
passa-alto, in unità di Hz.
CTasto HPF [ON]
Consente di attivare o disattivare il filtro passa-alto.
In questa sezione è possibile modificare i parametri
dell'equalizzatore per il canale selezionato. La struttura
dell'equalizzatore per i canali di ingresso differisce da
quella per i canali di uscita, come illustrato di seguito.
❏Canali di ingresso
È possibile utilizzare un EQ a quattro bande di tipo peak/
dip (con picco in entrambe le direzioni) (HIGH, HIGH
MID, LOW MID, LOW) (ALTA, MEDIO-ALTA, MEDIO-
BASSA, BASSA). La banda HIGH può essere modificata
anche in LPF (FILTRO PASSA-BASSO) o con risposta di
tipo shelving; la banda LOW può essere modificata in con
risposta di tipo shelving.
❏Canali di uscita
Per i canali MIX o STEREO A/B, è possibile utilizzare un
EQ a otto bande di tipo peak/dip. Le operazioni sono
divise in gruppi UPPER (SUPERIORE) e LOWER
(INFERIORE), ognuno dei quali composto da quattro
bande. Per i canali MATRIX è possibile utilizzare un EQ a
quattro bande di tipo peak/dip.
Per tutti i canali di uscita, la banda HIGH può essere
modificata in con risposta di tipo shelving o LPF (FILTRO
PASSA-BASSO). La banda LOW può essere modificata in
con risposta di tipo shelving o HPF (FILTRO PASSA-
ALTO). Per i canali MIX e STEREO A/B, è possibile
specificare il tipo di risposta sia per il gruppo UPPER che
per il gruppo LOWER, il che consente raddoppiare
l'intervento del filtro o della risposta shelving.
Suggerimento
• I canali di ingresso sono dotati inoltre di un filtro HPF
indipendente dall'equalizzatore a quattro bande.
• I canali di uscita non dispongono di un filtro HPF
indipendente, ma consentono di utilizzare la banda LOW
come filtro HPF.
• La selezione del tipo di equalizzatore (HPF o LPF) può
essere effettuata nella schermata EQ PARAM
(PARAMETRI EQ) (
➥
p. 250).
ATasto EQ [ON]
Consente di attivare o disattivare l'equalizzatore per il
canale selezionato.
BTasto EQ [UPPER]
CTasto EQ [LOWER]
Per i canali MIX o STEREO A/B, questi tasti
consentono la selezione del gruppo a quattro bande
(UPPER o LOWER) per le operazioni di modifica. Il
LED del tasto selezionato si illuminerà.
Se si seleziona un canale diverso da quelli sopra
indicati, entrambi i tasti rimarranno spenti.
Suggerimento
Per riportare il parametro EQ GAIN (GUADAGNO EQ) del
canale selezionato in uno stato neutro, tenere premuti
entrambi i tasti EQ [UPPER] ed EQ [LOWER].
HPF (filtro passa-alto)
13
2
EQUALIZER (EQUALIZZATORE)
2
1
3
9
8
7
45 6

7 Utilizzo della sezione Selected Channel (Canale selezionato)
70 PM5D/PM5D-RH V2/DSP5D – Manuale di istruzioni Sezione operazioni
DTasto EQ [ ]
Quando si attiva questo tasto, il tipo di EQ con banda
HIGH sarà modificato in con risposta di tipo shelving.
In questo caso, la manopola EQ [Q] (AMPIEZZA DI
BANDA) della banda HIGH non avrà alcuna funzione.
EEncoder EQ [Q]
Consente di regolare il valore Q (gradualità) di
ciascuna banda. Questo encoder rimane inattivo per le
bande il cui tipo di EQ è impostato su shelving, LPF o
HPF.
FEncoder EQ [FREQUENCY]
Consente di regolare la frequenza centrale (o frequenza
di taglio) di ciascuna banda per le operazioni di
incremento o taglio.
GIndicatore EQ [FREQUENCY]
Indica la frequenza centrale (o frequenza di taglio)
per l'incremento o il taglio, in unità di kHz o Hz.
L'indicatore dell'unità di misura visualizzata si
illuminerà.
HEncoder EQ [GAIN]
Consente di regolare la quantità di taglio/incremento
per ciascuna banda.
ITasto [ ]
Quando si attiva questo tasto, l'EQ con banda LOW
sarà modificato in con risposta di tipo shelving. In
questo caso, la manopola EQ [Q] della banda LOW
non avrà alcuna funzione.
Operazioni nella sezione SELECTED CHANNEL
La sezione SELECTED CHANNEL consente il controllo
sempre dell'ultimo canale selezionato con il corrispondente
tasto [SEL].
Per selezionare un canale di ingresso, premere un tasto
[SEL] nella channel strip dei canali INPUT (INGRESSO) o
ST IN/FX RTN. Se necessario, cambiare il layer prima di
premere il tasto [SEL]. Per selezionare un canale di uscita,
premere un tasto [SEL] nella sezione MIX, MATRIX
oppure nella channel strip STEREO A/B.
1Premere il tasto [SEL] per selezionare il canale
che si desidera controllare.
Il numero e il nome del canale selezionato saranno
visualizzati nell'area SELECTED CH nella parte
inferiore sinistra del display e mostrati dagli indicatori
del nome e del numero nella sezione SELECTED
CHANNEL.
Nota
Se la console è stata collegata in cascata con l'unità DSP5D,
il campo MACHINE ID (ID MACCHINA) indicherà il numero di
ID del modulo connesso.
Il numero visualizzato nell'indicatore seguirà i seguenti
criteri: Se un canale è accoppiato, accanto all'ultimo
carattere si illuminerà un punto decimale. Per un
canale FX RTN, il punto decimale si illuminerà accanto
alla prima cifra.
Suggerimento
• Per i canali stereo (ST IN/FX RTN e STEREO A/B), è
possibile premere lo stesso tasto [SEL] per passare dal
canale L (sinistro) e R (destro) e viceversa.
• È inoltre possibile cambiare il canale desiderato mediante i
tasti CH [DEC] / CH [INC] della sezione SELECTED
CHANNEL.
2Utilizzare i controlli della sezione SELECTED
CHANNEL per modificare i parametri del
canale selezionato.
Quando si seleziona un canale al punto 1 della
procedura, i valori dei parametri del canale saranno
mostrati dai LED e dagli indicatori della sezione
SELECTED CHANNEL. I parametri possono essere
modificati mediante i controlli della sezione
SELECTED CHANNEL.
Suggerimento
• Per informazioni relative all'utilizzo di gate, compressore,
EQ e filtro HPF, fare riferimento alle rispettive sezioni nella
seconda parte del presente capitolo.
• Per ulteriori informazioni relative ai gruppi DCA e ai gruppi di
esclusione, vedere a p. 82, 83.
• Quando si utilizza un parametro per il quale si è selezionata
la funzione AUTO DISPLAY (VISUALIZZAZIONE
AUTOMATICA) nella schermata PREFERENCE 1, sul
display verrà visualizzata automaticamente la schermata
associata al parametro.
3Allo stesso modo, selezionare altri canali e
modificare i rispettivi parametri.
Selezione di un canale e modifica
dei relativi parametri
CH 1
Numero del canale selezionato
Nome del canale selezionato
Indicatore
nome
Nome del
canale
selezionato
Indicatore
numero
Numero del
canale
selezionato
Canale selezionato Indicatore numero
Canali di ingresso 1–48 1–48
Canali ST IN/FX RTN 1–4 (L/R) 1L./1r. – 4L./4r.
Canali MIX 1–24 1–24
Canali MATRIX 1-8 1–8
Canali STEREO A (L/R) AL., Ar., BL., Br.

PM5D/PM5D-RH V2/DSP5D – Manuale di istruzioni Sezione operazioni 71
7
Utilizzo della sezione Selected Channel (Canale selezionato)
Di seguito viene descritto come utilizzare la sezione
SELECTED CHANNEL per l'impiego del compressore
interno.
Nota
L'unità PM5D dispone di quattro tipi di compressore integrati;
COMP (compressore), EXPANDER (expander),
COMPANDER H (compander hard) e COMPANDER S
(compander soft). I quattro tipi di compressore funzionano in
modalità diverse. Questo significa che se si desidera utilizzare
un compressore, sarà necessario caricare le impostazioni del
compressore del tipo desiderato dalla relativa libreria e quindi
modificare i rispettivi parametri secondo le proprie esigenze.
1Premere il tasto [SEL] per selezionare il canale
che si desidera controllare.
È possibile selezionare un compressore per tutti i
canali, a eccezione dei canali FX RTN.
2Nella sezione DISPLAY ACCESS (ACCESSO
DISPLAY), premere più volte il tasto INPUT
[GATE/COMP] (GATE/COMPRESSORE) per un
canale di ingresso, oppure OUTPUT [COMP]
per un canale di uscita per accedere alla
schermata COMP LIBRARY (LIBRERIA
COMPRESSORI).
Nella schermata COMP LIBRARY è possibile
memorizzare le impostazioni del compressore in una
libreria, oppure richiamare da questa i dati già esistenti.
Le operazioni illustrate di seguito per la schermata
COMP LIBRARY sono valide sia per i canali di uscita
che per i canali di ingresso.
3Spostare il cursore sulla barra di scorrimento
dell'elenco della libreria nella parte inferiore
destra della schermata e ruotare l'encoder
[DATA] per selezionare l'elemento della
libreria che si desidera caricare. (L'elemento
della libreria selezionato dall'elenco verrà
evidenziato.)
I numeri 001–036 dell'elenco distinti da una "R" sulla
destra contengono preset della libreria di sola lettura,
ossia non sovrascrivibili. I numeri 001–004 contengono
preset della libreria di diversi tipi. Questi elementi della
libreria consentono di selezionare rapidamente il
compressore più adatto allo scopo specifico. Di seguito
vengono descritti i tipi di elementi preset 001–004 della
libreria.
Suggerimento
• Il tipo di compressore selezionato è indicato nella schermata
COMP PARAM (PARAMETRI COMPRESSORE) (
➥
p. 253,
291).
• Nella schermata COMP LIBRARY è possibile configurare
altre impostazioni della libreria, utilizzabili per una vasta
gamma di strumenti o applicazioni. Nella libreria è anche
possibile memorizzare le impostazioni modificate.
• Per informazioni dettagliate su ciascun tipo di compressore,
fare riferimento al capitolo Appendici (
➥
p. 322).
4Dopo aver selezionato un elemento della
libreria, fare clic sul pulsante RECALL, nella
parte inferiore sinistra dell'elenco della libreria.
L'elemento della libreria selezionato al punto 3 sarà
richiamato per il canale selezionato al punto 1.
5Nella sezione SELECTED CHANNEL, premere il
tasto COMP [ON] perché il LED si illumini.
Il compressore del canale selezionato verrà quindi
attivato.
6Utilizzare i controlli del compressore della
sezione SELECTED CHANNEL per modificare
i parametri corrispondenti.
La quantità di riduzione del guadagno prodotta dal
compressore è mostrata dall'indicatore COMP GR
nella sezione SELECTED CHANNEL.
Suggerimento
• Per ulteriori informazioni sui controlli del compressore, fare
riferimento a p. 68.
• È possibile modificare ulteriori e più dettagliati parametri del
compressore, come la selezione del segnale di key-in,
l'attivazione o la disattivazione del collegamento stereo e
l'assegnazione a un gruppo di collegamento, nella
schermata COMP PARAM della funzione INPUT GATE/
COMP o della funzione OUTPUT COMP (
➥
p. 253, 291).
• È anche possibile scegliere di visualizzare automaticamente
sul display la schermata COMP PARAM quando si utilizza
un controllo del compressore. Questa opzione può essere
impostata nella schermata PREFERENCE 1 della funzione
UTILITY (
➥
p. 204).
Operazioni del compressore
COMP LIBRARY
Barra di scorrimentoPulsante RECALL (RICHIAMA)
Numero Nome Tipo
001 Comp COMP (Compressore)
002 Expand EXPANDER
003 Compander (H) COMPANDER H
(compander hard)
004 Compander (S) COMPANDER S
(compander soft)
Tasto
COMP [ON]
Indicatore
COMP GR

7 Utilizzo della sezione Selected Channel (Canale selezionato)
72 PM5D/PM5D-RH V2/DSP5D – Manuale di istruzioni Sezione operazioni
In questa sezione viene descritto come utilizzare la sezione
SELECTED CHANNEL per l'impiego del gate interno.
Nota
L'unità PM5D dispone di due tipi di gate integrati: GATE e
DUCKING (RIDUZIONE AUTOM. LIVELLO SEGNALE). I due
tipi di gate funzionano in modalità diverse. Ciò significa che se
si desidera utilizzare un gate, sarà necessario caricare le
impostazioni del gate del tipo desiderato dalla relativa libreria
e quindi modificare i rispettivi parametri secondo le proprie
esigenze.
1Premere il tasto [SEL] per selezionare il canale
che si desidera controllare.
Il gate è disponibile solo per i canali di ingresso o per i
canali ST IN.
2Nella sezione DISPLAY ACCESS, premere più
volte il tasto INPUT [GATE/COMP] per
accedere alla schermata GATE LIBRARY
(LIBRERIA GATE).
Nella schermata GATE LIBRARY è possibile
memorizzare le impostazioni del gate nella libreria,
oppure richiamare da questa i dati già esistenti.
3Spostare il cursore sulla barra di scorrimento
dell'elenco della libreria nella parte inferiore
destra della schermata e ruotare l'encoder
[DATA] per selezionare l'elemento della
libreria che si desidera caricare. L'elemento
della libreria selezionato dall'elenco verrà
evidenziato.
I numeri 001–004 dell'elenco distinti da una "R" sulla
destra contengono preset della libreria di sola lettura,
ossia non sovrascrivibili. I numeri 001–002 contengono
preset della libreria di diversi tipi. Questi elementi della
libreria consentono di selezionare rapidamente il tipo
più adatto allo scopo specifico. Di seguito vengono
descritti i tipi di preset corrispondenti ai numeri
indicati.
Suggerimento
• Il tipo di gate selezionato è indicato nella schermata
GATE PARAM (PARAMETRI GATE) (
➥
p. 289).
• Nella schermata GATE LIBRARY è possibile configurare
altre impostazioni della libreria, utilizzabili per una vasta
gamma di strumenti o applicazioni. Nella libreria è anche
possibile salvare le proprie impostazioni.
• Per informazioni dettagliate su ciascun tipo di gate, fare
riferimento al capitolo Appendici (
➥
p. 321).
4Dopo aver selezionato un elemento della
libreria, fare clic sul pulsante RECALL, nella
parte inferiore sinistra dell'elenco della libreria.
L'elemento della libreria selezionato al punto 3 sarà
richiamato per il canale selezionato al punto 1.
5Nella sezione SELECTED CHANNEL, premere il
tasto GATE [ON] perché il LED si illumini.
Il gate DEL canale selezionato verrà quindi attivato.
6Utilizzare i controlli del gate della sezione
SELECTED CHANNEL per modificare i
parametri corrispondenti.
La quantità di riduzione del guadagno prodotta dal
gate è mostrata dall'indicatore GATE GR
(RIDUZIONE GUADAGNO GATE) nella sezione
SELECTED CHANNEL.
Nota
Il LED THRESHOLD rimarrà spento se il livello di soglia è
compreso tra –55 dB e –72 dB.
Suggerimento
• Per ulteriori informazioni sui controlli del gate, fare
riferimento a p. 67.
• È possibile modificare ulteriori e più dettagliati parametri del
gate, come la selezione del segnale di key-in e l'attivazione
o disattivazione del collegamento stereo, nella schermata
GATE PARAM (PARAMETRI GATE) della funzione INPUT
GATE/COMP (
➥
p. 289).
• È anche possibile scegliere di visualizzare automaticamente
sul display la schermata GATE PARAM quando si utilizza
un controllo del gate. Questa opzione può essere impostata
nella schermata PREFERENCE 1 della funzione UTILITY
(
➥
p. 204).
Numero Nome Tipo
001 Gate GATE
002 Ducking DUCKING
Operazioni del gate
GATE LIBRARY
Barra di scorrimentoPulsante RECALL
Tasto
GATE [ON]
Indicatore
GATE GR

PM5D/PM5D-RH V2/DSP5D – Manuale di istruzioni Sezione operazioni 73
7
Utilizzo della sezione Selected Channel (Canale selezionato)
Di seguito viene descritto come utilizzare la sezione
SELECTED CHANNEL per regolare l'EQ (equalizzatore) e
il filtro HPF (passa-alto).
È possibile utilizzare l'EQ su tutti i canali di ingresso e di
uscita. Un filtro HPF indipendente dall'EQ è disponibile
solo per i canali di ingresso. Per i canali di uscita, è tuttavia
possibile cambiare il tipo di banda LOW in filtro HPF.
1Premere il tasto [SEL] per selezionare il canale
che si desidera controllare.
Tutti i canali di ingresso e i canali MATRIX
dispongono di EQ a quattro bande (HIGH, HIGH
MID, LOW MID, LOW).
I canali MIX e i canali STEREO A/B dispongono invece
di EQ a otto bande. Le possibilità di controllo sono
divise in gruppi UPPER e LOWER, ognuno dei quali
composto da quattro bande.
2
Nella sezione
SELECTED CHANNEL,
accertarsi che il tasto
EQ [ON] sia attivato.
Se al punto 1 della
procedura si è
selezionato un canale
MIX o STEREO A/B,
utilizzare il tasto EQ
[UPPER] o EQ [LOWER] della sezione SELECTED
CHANNEL per selezionare il gruppo di quattro bande
UPPER o LOWER.
3Per ciascuna banda, utilizzare gli encoder EQ
[Q], EQ [FREQUENCY] e [GAIN] per regolare
rispettivamente larghezza di banda, frequenza
centrale e guadagno.
Suggerimento
Se il segnale di input di un canale di ingresso risulta distorto a
causa di un'eccessiva amplificazione dell'EQ, spegnere il
tasto [GAIN/ATT] della sezione SELECTED CHANNEL e
utilizzare l'encoder [GAIN/ATT] per ridurre il livello.
4Se si desidera riportare l'EQ per il canale
selezionato in condizioni neutre, tenere
premuti contemporaneamente i tasti EQ
[UPPER] e EQ [LOWER] della sezione SELECTED
CHANNEL.
Quest'operazione consentirà di riportare a 0 dB la
quantità di incremento o taglio per tutte le bande.
5Se di desidera utilizzare le bande HIGH o LOW
come EQ di tipo shelving, attivare i tasti [ ] o
[ ] per la banda corrispondente.
6Se si desidera utilizzare un filtro HPF su un
canale di ingresso, attivare il tasto HPF [ON]
nella sezione SELECTED CHANNEL.
I canali di ingresso sono dotati di un filtro HPF
indipendente dall'equalizzatore a quattro bande.
Utilizzare il pulsante HPF [ON] per attivare o
disattivare il filtro passa-alto e utilizzare la manopola
HPF [FREQUENCY] per specificare la frequenza di
taglio.
Suggerimento
• I canali di uscita non dispongono di un filtro HPF
indipendente dall'EQ, ma è tuttavia possibile modificare il
tipo di banda LOW in filtro HPF e la banda HIGH in filtro
LPF. Questa modifica può essere effettuata nella schermata
EQ PARAM della funzione OUTPUT EQ (EQ USCITA)
(
➥
p. 250).
• Per i canali di ingresso, è possibile modificare la banda
HIGH in filtro LPF (passa-basso). Questa modifica può
essere effettuata nella schermata EQ PARAM della funzione
INPUT ø/EQ (FASE/EQ) (
➥
p. 286).
Suggerimento
• È anche possibile visualizzare automaticamente sul display
la schermata associata quando si utilizza uno dei parametri
di EQ o HPF nella sezione SELECTED CHANNEL. Questa
opzione può essere impostata nella schermata
PREFERENCE 1 della funzione UTILITY (
➥
p. 204).
• Così come descritto per il compressore e il gate, le
impostazioni di EQ possono essere memorizzate o
richiamate dall'apposita libreria EQ. La libreria dispone di
una serie di preset utilizzabili per diversi tipi di strumenti o
applicazioni.
Operazioni di EQ/HPF
Tasto EQ
[UPPER]
Tasto EQ
[LOWER]
Tasto EQ
[ON]
Encoder
EQ
[FREQUENCY]
Tasto EQ [ ]
Encoder EQ [Q]
Encoder EQ
[GAIN]
Tasto EQ [ ]
Encoder HPF
[FREQUENCY] Tasto
HPF [ON]

8 Operazioni di assegnazione input e output
74 PM5D/PM5D-RH V2/DSP5D – Manuale di istruzioni Sezione operazioni
In questo capitolo viene illustrata la procedura per modificare le impostazioni di assegnazione
input e output, come utilizzare i collegamenti di inserimento e l'output diretto.
Modifica delle impostazioni di assegnazione input
La sezione di assegnazione input consente di assegnare le
porte di ingresso ai canali di ingresso. Con l'unità PM5D
nello stato di default, l'assegnazione input dei canali di
ingresso è la seguente:
Sarà tuttavia necessario modificare le impostazioni di
assegnazione input se si desidera assegnare a un canale di
ingresso i segnali di input di una scheda I/O installata negli
slot 1–4 oppure i segnali di input del jack 2TR IN
DIGITAL (INGRESSO DIGITALE 2TR). Di seguito viene
descritto come effettuare queste regolazioni.
1Nella sezione DISPLAY ACCESS (ACCESSO
DISPLAY), premere più volte il tasto INPUT
[PATCH] (ASSEGNAZIONE) per accedere alla
schermata INPUT PATCH (ASSEGNAZIONE
INPUT).
La schermata INPUT PATCH consente l'assegnazione
delle porte di ingresso (i jack di ingresso del pannello
posteriore o i canali di ingresso delle schede di I/O) ai
canali di ingresso.
Nella schermata sono riportate in orizzontale le porte
di ingresso (le sorgenti di assegnazione), e in verticale i
canali di ingresso (le destinazioni di assegnazione).
Quando si assegna una porta di ingresso a un canale di
ingresso, all'intersezione tra i due assi viene visualizzato
il simbolo .
2Utilizzare la barra di scorrimento verso
sinistra/destra per visualizzare la porta di
ingresso sorgente di assegnazione.
In orizzontale nella schermata è riportato il tipo di
porta di ingresso sorgente di assegnazione, l'ID, il
numero della porta e il numero dei canali di ingresso
corrispondenti assegnati. Per visualizzare le porte di
ingresso non visibili nella schermata, utilizzare la barra
di scorrimento orizzontale o l'encoder [DATA]
(DATI).
Di seguito sono elencate le porte di ingresso che è
possibile selezionare.
3Utilizzare la barra di scorrimento verticale per
visualizzare il canale di ingresso destinazione
dell'assegnazione.
In verticale nella schermata sono riportati i canali di
ingresso destinazione dell'assegnazione. Per
visualizzare i canali di ingresso non visibili nella
schermata, utilizzare la barra di scorrimento verticale.
In alternativa, tenere premuto il tasto [SHIFT]
(MAIUSC) e ruotare l'encoder [DATA].
Di seguito sono elencati i canali di ingresso
selezionabili.
8Operazioni di assegnazione
input e output
Canali di ingresso 1–48 Segnali di input dai jack INPUT 1–48
Canali ST IN
(INGRESSO STEREO)
1–4
Segnali di input dai jack ST IN 1–4
(L/R)
Canali FX RTN
(RITORNO EFFETTI)
1–4
Segnali di output degli effetti interni
1–4 (L/R)
INPUT PATCH
AD IN 1–48 Jack INPUT 1–48
AD ST IN 1–4Jack ST IN 1–4 (L/R)
SLOT IN 1–4 Canali di ingresso (1–16) degli slot
1–4
FX OUT 1–8 Uscite (L/R) degli effetti interni 1–8
2TR IN D1–D3 Jack 2TR IN DIGITAL 1–3 (L/R)
2TR IN A1/A2 Jack 2TR IN ANALOG 1/2
Indica il numero del canale di ingresso.
Indica il nome del canale di ingresso.
Indica il numero delle porte di ingresso
assegnate al canale di ingresso.
Per assegnare una porta di ingresso a
un canale di ingresso, fare clic sulla
griglia per visualizzare il simbolo " ".
Dall'alto sono indicati: tipo della porta di
ingresso e ID, numero della porta e numero dei
canali di ingresso correntemente assegnati.

PM5D/PM5D-RH V2/DSP5D – Manuale di istruzioni Sezione operazioni 75
8
Operazioni di assegnazione input e output
4Fare clic sulla griglia nel punto di intersezione
tra la sorgente e la destinazione di
assegnazione desiderata.
Le linee rosse orizzontali e verticali indicano la
posizione del cursore sulla griglia. L'area SELECTED
PATCH (ASSEGNAZIONE SELEZIONATA) nella
parte superiore sinistra della schermata indica la
corrispondenza tra porta e canale di ingresso in base
alla posizione corrente del cursore sulla griglia.
Quando si fa clic sulla griglia, sul display verrà
visualizzata una finestra in cui si chiede conferma della
modifica dell'assegnazione.
5Fare clic sul pulsante OK della finestra.
L'assegnazione sarà completata, e il simbolo " " verrà
visualizzato sulla griglia corrispondente.
Per annullare l'assegnazione, fare di nuovo clic sul
simbolo " ".
Suggerimento
• Se si desidera modificare l'assegnazione direttamente
senza attendere la finestra con la richiesta di conferma,
passare alla schermata PREFERENCE 1
(PREFERENZA 1) della funzione UTILITY e disattivare il
parametro PATCH CONFIRMATION (CONFERMA
ASSEGNAZIONE) (
➥
p. 204).
• Per spostare rapidamente la posizione del cursore all'interno
o all'esterno della griglia, tenere premuto il tasto [SHIFT]
(MAIUSC) e premere i tasti CURSOR (CURSORE) [
√
]/[
®
]/
[
π
]/[
†
].
Nota
È possibile assegnare una singola porta di ingresso a più
canali di ingresso, ma non è consentito assegnare più porte di
ingresso a un singolo canale di ingresso.
Modifica delle impostazioni di assegnazione output
Nella sezione di assegnazione output è possibile assegnare i
canali di uscita alle porte di uscita. Quando l'unità PM5D è
nello stato iniziale, i canali MIX (MISSAGGIO) 1–24
vengono assegnati ai jack MIX OUT (USCITA
MISSAGGIO) 1–24; i restanti canali di uscita sono sempre
assegnati ai jack di uscita come descritto di seguito.
È tuttavia possibile modificare le impostazioni di
assegnazione output in modo che i segnali dei canali di
uscita vengano trasmessi anche da altre porte di uscita. Di
seguito viene descritto come effettuare queste regolazioni.
1Nella sezione DISPLAY ACCESS, premere più
volte il tasto OUTPUT [PATCH] per accedere
alla schermata OUTPUT PATCH
(ASSEGNAZIONE OUTPUT).
Nella schermata OUTPUT PATCH è possibile
assegnare i canali di uscita alle porte di uscita. Nella
schermata sono riportate in orizzontale le porte di
uscita (le destinazioni di assegnazione), e in verticale i
canali di uscita (le sorgenti di assegnazione).
Con l'unità PM5D nello stato di default, i canali MIX
1–24, MATRIX 1–8 e STEREO A sono assegnati ai
canali di uscita degli slot 1–4 e ai jack 2TR OUT
DIGITAL, oltre che essere sempre connessi ai rispettivi
jack di uscita. È possibile tuttavia modificare
l'assegnazione in base alle proprie esigenze.
2Utilizzare la barra di scorrimento orizzontale
per visualizzare le porte di uscita di
destinazione dell'assegnazione.
In orizzontale nella schermata è riportato il tipo di
porta di uscita destinazione di assegnazione, l'ID, il
numero della porta e il numero dei canali di uscita
corrispondenti assegnati.
Di seguito sono elencate le porte di uscita che è
possibile selezionare.
CH 1–48 Canali di ingresso 1–48
STIN1L/1R–STIN4L/4R Canali ST IN 1–4 (L/R)
FXRTN1L/1R–FXRTN4L/4R Canali FX RTN 1–4 (L/R)
Porta di
ingresso
Numero canale
di ingresso Nome canale
di ingresso
Canali MIX 1–24 Jack MIX OUT 1–24
Canali STEREO A/B Jack STEREO OUT A/B
Canali MATRIX 1-8 Jack MATRIX OUT 1–8
Uscita monitor L/R/C Jack MONITOR OUT L/R/C
OUTPUT PATCH
MIX OUT Jack MIX OUT 1–24
SLOT OUT 1–4Canali di uscita (1–16) di una scheda
di I/O installata negli slot 1–4
FX IN 1–8Ingressi (L/R) degli effetti interni 1–8
2TR OUT D1/D2 Jack 2TR OUT DIGITAL 1–2 (L/R)
Indica il numero del canale di uscita.
Indica il numero delle porte di uscita
assegnate al canale di uscita.
Per assegnare una porta di uscita a un
canale di uscita, fare clic sulla griglia per
visualizzare il simbolo " ".
Dall'alto sono indicati: tipo della porta
di uscita, ID, numero della porta e
numero dei canali di uscita assegnati.

8 Operazioni di assegnazione input e output
76 PM5D/PM5D-RH V2/DSP5D – Manuale di istruzioni Sezione operazioni
3Utilizzare la barra di scorrimento verticale per
visualizzare il canale di uscita sorgente
dell'assegnazione.
In verticale nella schermata sono riportati i canali di
uscita sorgenti dell'assegnazione.
Di seguito sono elencati i canali di uscita che è possibile
selezionare.
Nota
Per l'unità PM5D non sono disponibili i canali CUE
(SEGNALE DI ATTIVAZIONE) L/R; per l'unità DSP5D non
sono disponibili i canali MONITOR L/R/C.
4Fare clic sulla griglia nel punto di intersezione
tra la sorgente e la destinazione di
assegnazione desiderata.
L'area SELECTED PATCH nella parte superiore
sinistra della schermata indica la corrispondenza tra
porta e canale di uscita in base alla posizione del
cursore sulla griglia.
Quando si fa clic sulla griglia, sul display verrà
visualizzata una finestra in cui si chiede conferma della
modifica dell'assegnazione.
Suggerimento
Se si desidera modificare l'assegnazione direttamente senza
attendere la finestra con la richiesta di conferma, passare alla
schermata PREFERENCE 1 della funzione UTILITY e
disattivare il parametro PATCH CONFIRMATION (
➥
p. 204).
5Fare clic sul pulsante OK della finestra.
L'assegnazione sarà completata, e il simbolo " " verrà
visualizzato sulla griglia corrispondente. Per annullare
l'assegnazione, fare di nuovo clic sul simbolo " ".
Nota
È possibile assegnare un canale di uscita a più di una porta di
uscita, ma non è consentito assegnare più canali di uscita a
una singola porta.
MIX 1–24 Canali MIX 1–24
MATRIX 1–8Canali MATRIX 1-8
ST AL/AR Canale STEREO A (L/R)
ST BL/BR Canale STEREO B (L/R)
MONITOR L/R/C
(PM5D) Uscita monitor (L/R/C)
CUE L/R (DSP5D) Uscita segnale di attivazione
(monitoraggio) (L/R)
TALKBACK OUT Uscita talkback
OSC OUT Uscita oscillatore
Porta di uscita
Numero canale
di uscita Nome canale
di uscita

PM5D/PM5D-RH V2/DSP5D – Manuale di istruzioni Sezione operazioni 77
8
Operazioni di assegnazione input e output
Inserimento di un dispositivo esterno in un canale
È possibile inserire un processore di effetti o un altro tipo di dispositivo esterno nel flusso di segnale di un canale di ingresso o
di uscita. Durante questa operazione, per ciascun canale è possibile specificare la porta di ingresso o di uscita e il punto di I/O
che si desidera utilizzare per l'inserimento.
Per l'inserimento di un dispositivo esterno nel canale
desiderato è possibile utilizzare i jack di ingresso e uscita
del pannello posteriore, oppure i jack di ingresso e uscita di
una scheda di I/O installata in uno slot come jack insert-
out/insert-in.
Nei diagrammi riportati di seguito sono illustrati alcuni
esempi di collegamento degli inserimenti.
Esempio di collegamento dell'inserimento
1
Esempio di collegamento dell'inserimento
2
Esempio di collegamento dell'inserimento
3
Se si desidera inserire un dispositivo digitale esterno
attraverso le schede di I/O digitali, come illustrato in
"Esempio di collegamento dell'inserimento 3", sarà
necessario sincronizzare il word clock dell'unità PM5D e
quello del dispositivo esterno. In genere, è consigliabile
regolare il dispositivo esterno come word clock slave (unità
ricevente), in modo che segua il word clock dell'unità
PM5D. Per ulteriori informazioni su come impostare il
dispositivo esterno come word clock slave, consultare il
relativo manuale.
Suggerimento
Come alternativa al metodo sopra illustrato, per l'unità PM5D
è anche possibile utilizzare i jack INSERT IN/OUT del
pannello posteriore per inserire un dispositivo esterno in un
segnale di input. In questo caso, il punto di inserimento I/O è
fissato immediatamente prima della conversione AD
(analogico-digitale). Inoltre, non sarà necessario eseguire i
punti della procedura descritta a p. 78.
Collegamento di un dispositivo
esterno per l'inserimento
21
COAXIAL COAXIALAES/EBU AES/EBU AES/EBU AES/EBU
3
21
3
DIGITAL IN
(AES/EBU)
DIGITAL OUT
(AES/EBU)
Processore di effetti
MY8-DA96MY8-AD96
ANALOG OUT ANALOG IN
Processore di effetti
AES/EBU
MY8-AE
DIGITAL OUT
(AES/EBU)
INPUT 1/2 OUTPUT 1/2
DIGITAL IN
(AES/EBU)
Processore di effetti
(femmina) (maschio)
Cavo speciale AES/
EBU per MY8-AE

8 Operazioni di assegnazione input e output
78 PM5D/PM5D-RH V2/DSP5D – Manuale di istruzioni Sezione operazioni
Di seguito viene illustrato come effettuare i collegamenti di
inserimento, utilizzando un esempio in cui un dispositivo
esterno connesso a una scheda AD/DA in uno slot è
inserito in un canale di ingresso.
La procedura per l'inserimento in un canale di uscita è
identica; l'unica differenza riguarda la schermata, che in
questo caso sarà quella relativa ai canali di uscita.
1Nella sezione DISPLAY ACCESS, premere più
volte il tasto INPUT [PATCH] per accedere alla
schermata INSERT PATCH (ASSEGNAZIONE
INSERIMENTO) (funzione INPUT PATCH),
riportata di seguito.
Sul lato sinistro di questa schermata è possibile
selezionare la porta di uscita da utilizzare come insert-
out, mentre sul lato destro è possibile selezionare una
porta di ingresso da utilizzare come insert-in.
Se si desidera effettuare l'inserimento in un canale di
uscita, premere più volte il tasto OUTPUT [PATCH]
per accedere alla schermata INSERT PATCH della
funzione OUTPUT PATCH.
2Sul lato sinistro della schermata, fare clic sulla
griglia nel punto in cui la porta di uscita
collegata al dispositivo esterno interseca il
canale desiderato.
La procedura è identica a quella descritta per le
schermate INPUT PATCH e OUTPUT PATCH. Di
seguito sono elencate le porte di uscita che è possibile
selezionare.
Suggerimento
Se si seleziona GEQ IN (INGRESSO EQ GRAFICO) sul lato
sinistro della schermata, sul lato destro verrà selezionato
automaticamente lo stesso numero per GEQ OUT (USCITA
EQ GRAFICO), per l'inserimento del numero di modulo GEQ
corrispondente nel canale selezionato. (Per ulteriori
informazioni sull'utilizzo dell'equalizzatore grafico
➥
p. 118.)
3Sul lato sinistro della schermata, fare clic sulla
griglia nel punto in cui la porta di ingresso
collegata al dispositivo esterno interseca il
canale desiderato.
Di seguito sono elencate le porte di ingresso che è
possibile selezionare.
L'area SELECTED PATCH indica il canale
corrispondente alla posizione del cursore sulla griglia.
Sulla destra sono visualizzatele porte di ingresso e
uscita assegnate agli insert-out e insert-in per il canale
selezionato.
Suggerimento
Per spostare rapidamente il cursore tra le griglie sul lato
sinistro e destro della schermata, tenere premuto il tasto
[SHIFT] e premere i tasti CURSOR [
√
]/[
®
].
Nota
Con la procedura descritta il dispositivo esterno è stato
assegnato agli insert-out e insert-in del canale selezionato. Il
collegamento dell'inserimento risulterà completato solo
quando si attiverà il pulsante INSERT I/O ON/OFF nella
schermata INSERT/DIRECT OUT, come descritto di seguito.
Ciò non sarà necessario se si è assegnato un GEQ
(equalizzatore grafico), dato che in questo caso il pulsante
verrà automaticamente attivato.
4Premere più volte il tasto INPUT [PATCH] per
accedere alla schermata INSERT/DIRECT OUT
POINT (PUNTO DI INSERIMENTO/OUTPUT
DIRETTO) (funzione INPUT PATCH) riportata
di seguito.
Nella schermata INSERT/DIRECT OUT POINT
(funzione INPUT PATCH) è possibile attivare o
disattivare l'inserimento per ciascun canale di ingresso.
In questa schermata è inoltre possibile selezionare il
punto di inserimento I/O (ossia la posizione di
inserimento del dispositivo esterno).
MIX OUT 1–24 Jack MIX OUT 1–24
SLOT OUT 1–4Canali di uscita di una scheda di I/O
installata negli slot 1–4
FX IN 1–8Ingressi L/R degli effetti interni 1–8
GEQ IN 1–12 Ingressi dei moduli GEQ 1–12
2TR OUT 1–3Jack 2TR OUT DIGITAL 1–3 (L/R)
Assegnazione di insert-out e insert-in
INSERT PATCH
AD IN 1–48 Jack INPUT 1–48
AD ST IN 1–4Jack ST IN 1–4 (L/R)
SLOT IN 1–4 Canali di ingresso di una scheda
di I/O installata negli slot 1–4
FX OUT 1–8 Uscite (L/R) degli effetti interni 1–8
GEQ OUT 1–12 Uscite dei moduli GEQ 1–12
2TR IN D1–D3 Jack 2TR IN DIGITAL 1–3 (L/R)
2TR IN A1/A2 Jack 2TR IN ANALOG 1/2 (L/R)
Canale corrispondente
alla posizione del
cursore
Porta assegnata
all'insert-out Porta
assegnata
all'insert-in
INSERT/DIRECT OUT POINT

PM5D/PM5D-RH V2/DSP5D – Manuale di istruzioni Sezione operazioni 79
8
Operazioni di assegnazione input e output
Se si desidera effettuare l'inserimento in un canale di
uscita, premere più volte il tasto OUTPUT [PATCH]
per accedere alla schermata INSERT PATCH della
funzione OUTPUT PATCH.
5Selezionare uno dei seguenti punti di
inserimento I/O per ciascun canale e attivare il
pulsante corrispondente.
Il punto selezionato è indicato dalla grafica nella parte
superiore della schermata.
6Fare clic sul pulsante INSERT I/O ON/OFF del
canale desiderato per attivarlo.
Ciò consente di attivare il collegamento
dell'inserimento per il canale corrispondente.
Se si è selezionato AD IN come insert-in, oppure uno
slot al quale è stato collegato un head amp esterno
compatibile con lo speciale protocollo di
comunicazione (Yamaha AD8HR, AD824), regolare i
parametri dell'head amp secondo le proprie esigenze
(➥ p. 44).
PRE EQ Subito prima dell'EQ
POST EQ Subito dopo l'EQ
PRE DELAY Subito prima del delay
POST FADER Subito dopo il fader
Selezionare il punto di inserimento
I/O di ciascun canale.
Il simbolo INS indica il punto di inserimento I/O per il canale,
corrispondente alla posizione attuale del cursore.
Pulsanti INSERT I/O ON/OFF per l'attivazione o
disattivazione dell'inserimento per ciascun canale.
Numeri dei canali.
Nomi dei canali di ingresso.

8 Operazioni di assegnazione input e output
80 PM5D/PM5D-RH V2/DSP5D – Manuale di istruzioni Sezione operazioni
Output diretto del segnale di un canale di ingresso
Di seguito viene illustrato come il segnale inviato a un canale di ingresso o un canale ST IN possa essere emesso direttamente
dal jack di uscita desiderato.
1Nella sezione DISPLAY ACCESS, premere più
volte il tasto INPUT [PATCH] per accedere alla
schermata DIRECT OUT PATCH
(ASSEGNAZIONE OUTPUT DIRETTO) (funzione
INPUT PATCH) riportata di seguito.
In questa schermata è possibile selezionare la porta di
uscita per l'output diretto del segnale di input di un
canale di ingresso o di un canale ST IN. Di seguito sono
elencate le porte di uscita che è possibile selezionare.
2Fare clic sulla griglia nel punto di intersezione
tra il canale e la porta di uscita desiderati.
La procedura è identica a quella descritta per le
schermate INPUT PATCH e OUTPUT PATCH. L'area
SELECTED PATCH nella parte superiore sinistra della
schermata indica il canale e la porta di uscita
corrispondente, in base alla posizione del cursore sulla
griglia.
Nota
In questo modo è stata completata l'assegnazione del canale
selezionato alla porta di uscita. Per confermare l'attivazione
dell'output diretto, sarà tuttavia necessario attivare il pulsante
DIRECT OUT ON/OFF nella schermata INSERT/DIRECT
OUT, come di seguito descritto.
3Premere più volte il tasto INPUT [PATCH] per
accedere alla schermata INSERT/DIRECT OUT
POINT (funzione INPUT PATCH) riportata di
seguito.
Nella schermata INSERT/DIRECT OUT POINT
(funzione INPUT PATCH) è possibile attivare o
disattivare l'output diretto e selezionare il punto di
uscita diretta (ossia il punto dal quale il segnale viene
prelevato per l'output diretto).
4Scegliere il punto di uscita diretta per ciascun
canale tra le seguenti opzioni e attivare il
pulsante corrispondente.
Il punto selezionato è indicato dalla grafica nella parte
superiore della schermata.
5Fare clic sul pulsante DIRECT OUT ON/OFF del
canale desiderato per attivarlo.
In questo modo verrà attivato l'output diretto per il
canale corrispondente.
SLOT OUT 1–4Canali di uscita di una scheda di I/O
installata negli slot 1–4
2TR OUT D1–D3 Jack 2TR OUT DIGITAL 1–3 (L/R)
DIRECT OUT PATCH
PRE ATT Subito prima dell'attenuatore
PRE HPF Subito prima del filtro HPF
PRE EQ Subito prima dell'EQ (ma subito
dopo il PRE EQ di INSERT I/O)
PRE FADER Subito prima del fader
POST ON Subito dopo il tasto [ON]
INSERT/DIRECT OUT POINT
Selezionare il punto di uscita
diretta per ciascun canale.
Il simbolo "D" indica il punto di uscita diretta per il canale
corrispondente alla posizione del cursore sulla griglia.
Consente di attivare o disattivare
l'output diretto per ciascun canale.
Numeri dei canali di ingresso.
Nomi dei canali di ingresso.

PM5D/PM5D-RH V2/DSP5D – Manuale di istruzioni Sezione operazioni 81
9
Raggruppamento e collegamento
In questo capitolo sono illustrati i gruppi DCA e i gruppi di esclusione che consentono di controllare il livello
o l'esclusione di più canali simultaneamente ed EQ Link (Collegamento equalizzatore) e Compressor Link
(Collegamento compressore) che consente di collegare parametri dell'EQ o del compressore di più canali.
Informazioni sui gruppi DCA
e sui gruppi di esclusione
È possibile utilizzare otto gruppi DCA e otto gruppi di
esclusione per controllare contemporaneamente più canali.
I gruppi DCA consentono di controllare il livello di più
canali insieme ai fader DCA 1–8 dell'area DCA del
pannello superiore. Un singolo fader DCA controlla il
livello dei canali che appartengono allo stesso gruppo DCA
mantenendo allo stesso tempo la differenza di livelli tra i
canali. Offre un comodo metodo per il raggruppamento di
microfoni di batteria.
I gruppi DCA 1–6 sono riservati ai canali di ingresso, ma i
gruppi DCA 7/8 possono essere utilizzati sia con i canali di
ingresso che con i canali di uscita. Entrambi i tipi di canali
possono esistere in un gruppo con numerazione identica.
I gruppi di esclusione consentono di attivare/disattivare
contemporaneamente più canali tramite i tasti SCENE
MEMORY (MEMORIA SCENE) [1]–[8] della sezione
SCENE MEMORY del pannello superiore. È possibile
utilizzare questa funzione per escludere
contemporaneamente più canali.
I gruppi di esclusione 1-8 possono essere utilizzati sia con i
canali di ingresso che con quelli di uscita. Entrambi i tipi di
canali possono esistere in un gruppo con numerazione
identica.
Elementi della sezione
ASSIGN MODE (MODALITÀ
ASSEGNAZIONE)
La sezione ASSIGN MODE consente di utilizzare il
pannello per assegnare i canali ai gruppi DCA o ai gruppi
di esclusione.
ATasto ASSIGN MODE [DCA]
Questo tasto consente di assegnare i canali ai gruppi
DCA 1–8. Quando questo tasto lampeggia, è possibile
utilizzare il tasto [CUE] (SEGNALE DI
ATTIVAZIONE) di ciascun canale per assegnare il
canale al gruppo DCA correntemente selezionato.
BTasto ASSIGN MODE [MUTE]
(ESCLUSIONE)
Questo tasto consente di assegnare i canali ai gruppi di
esclusione 1–8. Quando questo tasto lampeggia, è
possibile utilizzare il tasto [CUE] di ciascun canale per
assegnare il canale al gruppo di esclusione
correntemente selezionato.
Elementi dell'area DCA
L'area DCA consente di controllare i gruppi DCA 1–8.
AIndicatore del nome
Consente di visualizzare il nome assegnato a ciascun
gruppo DCA.
BTasto DCA [MUTE]
Consente di attivare o disattivare l'esclusione del
gruppo DCA. Se si attiva questo tasto (LED
illuminato), i canali assegnati a quel gruppo DCA
verranno esclusi.
9Raggruppamento e collegamento
1
2
1
2
4
6
5
3

9 Elementi dell'area DCA
82 PM5D/PM5D-RH V2/DSP5D – Manuale di istruzioni Sezione operazioni
CLED DCA [NOMINAL] (NOMINALE)
Questo LED si illumina quando il fader DCA
corrispondente si trova nella posizione 0 dB.
DFader DCA
Questo fader consente di regolare il livello del gruppo
DCA.
ELED DCA [RCL SAFE] (BLOCCO RCL)
Se la funzione Recall Safe (Blocco richiamo) è attivata
per un gruppo DCA, il LED corrispondente si
illuminerà.
FTasto DCA [CUE]
Questo tasto è utilizzato per monitorare il segnale di
attivazione di tutti i canali assegnati al gruppo DCA.
Uso dei gruppi DCA
In questa sezione viene illustrato come assegnare canali ai gruppi DCA e utilizzare i fader per controllarli.
Dal pannello è possibile assegnare canali ai gruppi DCA
selezionando un canale specifico e specificando il gruppo
DCA al quale apparterranno, oppure selezionando uno
specifico gruppo DCA e specificando i canali che
apparterranno al gruppo DCA.
❏Per selezionare i gruppi DCA ai quali
apparterrà uno specifico canale
1Premere un tasto [SEL] per selezionare il
canale per cui si desidera configurare le
assegnazioni.
2Nella sezione SELECTED CHANNEL (CANALE
SELEZIONATO), premere un tasto DCA [1]–[8]
per selezionare il gruppo DCA al quale verrà
assegnato il canale (è possibile selezionare più
di un gruppo DCA).
Si illumineranno i LED per i tasti DCA [1]–[8] attivati.
Se è selezionato un canale di ingresso, si illuminerà
anche il LED di assegnazione DCA corrispondente
nella channel strip.
3Selezionare i gruppi DCA per altri canali allo
stesso modo.
❏Per selezionare i canali che apparter-
ranno a uno specifico gruppo DCA
1Nella sezione ASSIGN MODE, premere il tasto
ASSIGN MODE [DCA].
Il tasto ASSIGN MODE [DCA] lampeggerà.
Lampeggerà anche il tasto [DCA] della sezione FADER
MODE (MODALITÀ FADER). Quando questo tasto
lampeggia, è possibile utilizzare il tasto [CUE] di
ciascun canale per assegnare il canale a un gruppo DCA.
2Premere un tasto DCA [CUE] nell'area DCA per
selezionare il gruppo DCA (1–8) al quale si
desidera assegnare i canali.
3Premere il tasto [CUE] dei canali di ingresso o
di uscita (è possibile selezionarne più di uno)
per assegnarli al gruppo DCA selezionato.
Se è selezionato un gruppo DCA 1–6, sarà possibile
selezionare solo i canali di ingresso. Se è selezionato un
gruppo DCA 7/8, sarà possibile selezionare canali di
ingresso e canali di uscita. Se è selezionato un canale di
ingresso, si illuminerà anche il LED di assegnazione
DCA corrispondente nella channel strip.
4Assegnare nello stesso modo i canali agli altri
gruppi DCA.
5Una volta completate le assegnazioni, premere
il tasto ASSIGN MODE [DCA] della sezione
ASSIGN MODE perché il LED si spenga.
Anche il tasto [DCA] della sezione FADER MODE
smetterà di lampeggiare e tornerà allo stato precedente.
Suggerimento
• È anche possibile assegnare canali ai gruppi DCA
dall'interno del display. Le assegnazioni DCA dei canali di
ingresso possono essere eseguite nella schermata DCA
GROUP ASSIGN (ASSEGNAZIONE GRUPPO DCA) della
funzione INPUT DCA/GROUP (INPUT DCA/GRUPPO)
(
➥
p. 296), e le assegnazioni DCA dei canali di uscita
possono essere eseguite nella schermata DCA GROUP
ASSIGN della funzione OUTPUT DCA/GROUP (OUTPUT
DCA/GRUPPO) (
➥
p. 258).
• Le impostazioni per il gruppo DCA vengono salvate come
parte della scena.
Assegnazione di canali ai gruppi DCA
Tasto DCA [1]–[8]
LED di assegnazione
DCA

PM5D/PM5D-RH V2/DSP5D – Manuale di istruzioni Sezione operazioni 83
9
Raggruppamento e collegamento
Di seguito viene illustrato come utilizzare l'area DCA per
controllare i gruppi DCA.
1Nella sezione FADER MODE, controllare che il
tasto FADER MODE [DCA] sia illuminato.
La sezione FADER MODE consente di selezionare la
funzione dei fader dell'area DCA. Quando il LED del
tasto FADER MODE [DCA] è illuminato, è possibile
utilizzare i fader dell'area DCA per controllare i gruppi
DCA 1–8.
2Utilizzare i fader dell'area canali per regolare i
livelli relativi tra i canali appartenenti al
gruppo DCA che si desidera utilizzare.
3Azionare il fader DCA per il gruppo DCA che si
desidera utilizzare.
Il livello dei canali assegnati al fader DCA cambierà
pur conservando le differenze di livelli impostate al
punto 2.
4Se si desidera escludere un gruppo DCA,
premere il tasto [MUTE] per il gruppo DCA
nell'area DCA.
Il tasto [MUTE] si illuminerà e verrà attivata
l'esclusione per i canali che appartengono al gruppo
DCA (lo stesso stato attivato qualora i fader fossero
abbassati a –∞ dB). A questo punto verrà disattivato
l'indicatore del nome per il gruppo DCA.
Suggerimento
Se si desidera è possibile fare in modo che i LED di
assegnazione DCA dei canali di ingresso corrispondenti
lampeggino mentre il gruppo DCA viene escluso. A tal fine,
attivare l'impostazione DCA/MUTE FLASH INDICATE
(LAMPEGGIAMENTO INDICA DCA/ESCLUSIONE) nella
schermata PREFERENCE 1 (PREFERENZA 1) (schermata
UTILITY).
5Per annullare l'esclusione di un gruppo DCA,
premere il tasto [MUTE] illuminato nell'area
DCA.
Utilizzo dei gruppi di esclusione
In questa sezione viene illustrato come assegnare canali ai gruppi di esclusione e utilizzare i tasti del pannello per controllarli.
Dal pannello è possibile assegnare canali ai gruppi di
esclusione selezionando un canale specifico e specificando
il gruppo di esclusione al quale apparterranno, oppure
selezionando uno specifico gruppo di esclusione e
specificando i canali che apparterranno al gruppo di
esclusione.
❏Per selezionare i gruppi di esclusione ai
quali apparterrà uno specifico canale
1Premere un tasto [SEL] per selezionare il
canale per cui si desidera configurare le
assegnazioni.
2Nella sezione SELECTED CHANNEL premere un
tasto MUTE [1]–[8] per selezionare il gruppo di
esclusione al quale verrà assegnato il canale
(è possibile selezionare più di un gruppo di
esclusione).
Si illumineranno i LED per i tasti MUTE [1]–[8]
attivati. Se è selezionato un canale di ingresso, si
illuminerà anche il LED di assegnazione esclusione
corrispondente nella channel strip.
3Allo stesso modo, selezionare i gruppi di
esclusione per altri canali.
Controllo dei gruppi DCA
Tasto FADER MODE [DCA]
Assegnazione di canali a gruppi
di esclusione
Tasti MUTE [1]–[8]
LED di assegnazione
esclusione

9 Elementi dell'area DCA
84 PM5D/PM5D-RH V2/DSP5D – Manuale di istruzioni Sezione operazioni
❏
Per selezionare i canali che apparterranno
a uno specifico gruppo di esclusione
1Nella sezione ASSIGN MODE, premere il tasto
ASSIGN MODE [MUTE].
Il tasto ASSIGN MODE [MUTE] lampeggerà. Nella
sezione SCENE MEMORY lampeggerà anche il LED
MUTE MASTER (ESCLUSIONE MASTER). Quando
questo tasto lampeggia, è possibile utilizzare il tasto
[CUE] di ciascun canale per assegnare il canale a un
gruppo di esclusione.
2Nella sezione SCENE MEMORY utilizzare i tasti
SCENE MEMORY [1]–[8] per selezionare il
gruppo di esclusione (1-8) per il quale si
desidera configurare le assegnazioni.
Quando il tasto ASSIGN MODE [MUTE] lampeggia, è
possibile utilizzare i tasti SCENE MEMORY [1]–[8]
per selezionare il gruppo di esclusione per il quale si
desidera configurare le assegnazioni. Premere uno di
questi tasti; il LED corrispondente si illuminerà.
3Premere il tasto [CUE] dei canali di ingresso o
di uscita (è possibile selezionarne più di uno)
per assegnarli al gruppo di esclusione
selezionato.
Il tasto [CUE] si illuminerà e il canale verrà assegnato
al gruppo di esclusione selezionato.
Ai gruppi di esclusione 1-8 possono essere assegnati sia
canali di ingresso che canali di uscita.
4Assegnare nello stesso modo i canali agli altri
gruppi di esclusione.
5Una volta completate le assegnazioni, premere
il tasto ASSIGN MODE [MUTE] della sezione
ASSIGN MODE perché il LED si spenga.
Anche il LED MUTE MASTER/DIRECT RECALL
(ESCLUSIONE MASTER/RICHIAMO DIRETTO)
della sezione SCENE MEMORY tornerà allo stato
precedente.
Suggerimento
• È anche possibile assegnare canali ai gruppi di esclusione
dall'interno del display. Le assegnazioni dei canali di
ingresso possono essere eseguite nella schermata MUTE
GROUP ASSIGN (ASSEGNAZIONE GRUPPO
ESCLUSIONE) della funzione INPUT DCA/GROUP
(
➥
p. 297), e le assegnazioni dei canali di uscita possono
essere eseguite nella schermata MUTE GROUP ASSIGN
della funzione OUTPUT DCA/GROUP (
➥
p. 259).
• Le assegnazioni dei gruppi di esclusione vengono salvate
come parte della scena.
Di seguito viene illustrato come utilizzare i tasti SCENE
MEMORY [1]–[8] della sezione SCENE MEMORY per
attivare o disattivare l'esclusione per i gruppi di
esclusione 1–8.
1Attivare il pulsante MUTE MASTER nella parte
inferiore destra del display.
I pulsanti DIRECT RECALL e MUTE MASTER nella
parte inferiore destra del display consentono di
selezionare la funzione dei tasti SCENE MEMORY
[1]–[8].
• Quando il pulsante DIRECT RECALL è attivato
I tasti SCENE MEMORY [1]–[8] consentiranno di
richiamare direttamente la scena assegnata a ciascun
tasto.
• Quando il pulsante MUTE MASTER è attivato
I tasti SCENE MEMORY [1]–[8] consentiranno di
attivare o disattivare l'esclusione per i gruppi di
esclusione 1–8.
2Premere il tasto SCENE MEMORY [1]–[8] per il
gruppo di esclusione che si desidera escludere.
Il LED del tasto si illuminerà e tutti i canali che
appartengono al gruppo di esclusione selezionato
verranno esclusi (assumeranno lo stesso stato di
quando il tasto [ON] viene disattivato). È possibile
attivare più di un tasto per escludere più gruppi di
esclusione.
3Per annullare l'esclusione di un gruppo di
esclusione, premere un tasto SCENE MEMORY
[1]–[8] illuminato.
Suggerimento
• Lo stato di attivazione/disattivazione del gruppo di
esclusione viene salvato nella scena. È in ogni caso
possibile utilizzare anche la funzione Recall Safe per
escludere lo stato del gruppo di esclusione dal richiamo
della scena.
• Se si desidera è possibile fare in modo che i LED di
assegnazione MUTE dei canali di ingresso corrispondenti
lampeggino mentre il gruppo di esclusione viene escluso.
A tal fine, attivare l'impostazione DCA/MUTE FLASH
INDICATE nella schermata PREFERENCE 1 (schermata
UTILITY).
Se necessario, i canali appartenenti a un gruppo di
esclusione possono essere esclusi temporaneamente dal
funzionamento dei gruppi di esclusione (Mute Safe).
1Premere un tasto [SEL] per selezionare i canali
che si desidera escludere dai gruppi di
esclusione.
2Nella sezione SELECTED CHANNEL premere il
tasto [MUTE SAFE] perché il LED si illumini.
La funzione Mute Safe verrà attivata per il canale
corrispondente. Nel caso di un canale di ingresso, si
illuminerà il LED [MUTE SAFE] dell'area canali. In
questo stato, l'esclusione di un gruppo di esclusione
applicabile non influirà sul canale stesso.
3Per annullare la funzione Mute Safe premere
ancora una volta il tasto [MUTE SAFE] della
sezione SELECTED CHANNEL perché il LED si
spenga.
Suggerimento
Le impostazioni di Mute Safe non vengono salvate nella
scena. Restano valide fino a quando non le si annulla
manualmente.
Controllo dei gruppi di esclusione
Pulsante DIRECT RECALL
Pulsante MUTE MASTER
Uso della funzione Mute Safe
(Blocca esclusione)

PM5D/PM5D-RH V2/DSP5D – Manuale di istruzioni Sezione operazioni 85
9
Raggruppamento e collegamento
Utilizzo delle funzioni EQ Link e Compressor Link
Le funzioni EQ Link e Compressor Link consentono di collegare rispettivamente i parametri dell'equalizzatore o del
compressore di più canali. Se si modificano i parametri dell'EQ o del compressore di un canale che appartiene a un gruppo di
collegamento, verranno modificati allo stesso modo anche i canali di quel gruppo di collegamento.
1Nella sezione DISPLAY ACCESS premere il
tasto INPUT [DCA/GROUP] per un canale di
ingresso o OUTPUT [GROUP] per un canale di
uscita per accedere a una delle schermate
riportate di seguito.
• Schermata EQ LINK ASSIGN (ASSEGNAZIONE
COLLEGAMENTO EQ) della funzione INPUT
DCA/GROUP
Consente di assegnare i gruppi di collegamento dell'EQ
(1–8) per i canali di ingresso
• Schermata COMP LINK ASSIGN (ASSEGNAZIONE
COLLEGAMENTO COMPRESSORE) della funzione
INPUT DCA/GROUP
Consente di assegnare i gruppi di collegamento del
compressore (1–8) per i canali di ingresso
• Schermata EQ LINK ASSIGN della funzione
OUTPUT DCA/GROUP
Consente di assegnare i gruppi di collegamento dell'EQ
(A–F) per i canali di uscita
• Schermata COMP LINK ASSIGN della funzione
OUTPUT DCA/GROUP
Consente di assegnare i gruppi di collegamento del
compressore (A–F) per i canali di uscita
In ciascuna schermata, i canali (origine
dell'assegnazione) sono riportati orizzontalmente, e il
numero o il carattere alfabetico del gruppo di
collegamento (destinazione dell'assegnazione) è
elencato verticalmente.
Suggerimento
I gruppi di collegamento dell'equalizzatore e del compressore
sono indipendenti per i canali di ingresso e quelli di uscita.
EQ LINK ASSIGN
COMP LINK ASSIGN
EQ LINK ASSIGN
COMP LINK ASSIGN

9 Elementi dell'area DCA
86 PM5D/PM5D-RH V2/DSP5D – Manuale di istruzioni Sezione operazioni
2Fare clic sulla griglia nel punto in cui il canale
desiderato (origine dell'assegnazione)
interseca il gruppo di collegamento desiderato
(destinazione dell'assegnazione).
Un simbolo " " verrà visualizzato sulla griglia
corrispondente. Per annullare l'assegnazione, fare di
nuovo clic sul simbolo " ".
Nel caso di gruppi di collegamento dell'EQ del canale
di uscita, è possibile assegnare i canali MIX e STEREO
A/B solo ai gruppi A–F, e i canali MATRIX ai gruppi
G/H. Le griglie non disponibili sono visualizzate in
grigio.
Se un altro canale è già assegnato al gruppo di
destinazione dell'assegnazione, i parametri dell'EQ e
del compressore del canale precedentemente assegnato
saranno copiati sul canale aggiunto in seguito e in
questo modo le impostazioni saranno le stesse.
3Se si desidera utilizzare il tasto [CUE] di
ciascun canale per assegnarlo a un gruppo di
collegamento, fare clic sul pulsante SET BY
CUE (IMPOSTA CON TASTO SEGNALE DI
ATTIVAZIONE) per il gruppo di collegamento
corrispondente nella schermata per attivarlo.
Quando il pulsante SET BY CUE è attivato, è possibile
utilizzare i tasti [CUE] del canale per impostare o
annullare le assegnazioni del gruppo di collegamento.
Nota
• Il pulsante SET BY CUE può essere attivato solo per un
gruppo di collegamento.
• Quando si passa a una schermata diversa, il tasto SET BY
CUE che era stato attivato verrà disattivato
automaticamente.
4Una volta configurate le assegnazioni dei
gruppi di collegamento, utilizzare i parametri
dell'EQ o del compressore di un canale che
appartiene a un gruppo di collegamento.
I parametri dell'EQ o del compressore di canali che
appartengono allo stesso gruppo di collegamento
seguiranno le modifiche apportate.
Suggerimento
Le impostazioni per il gruppo di collegamento vengono salvate
come parte della scena.
Nota
Il pulsante STEREO LINK (COLLEGAMENTO STEREO) e le
impostazioni KEY IN SOURCE (SORGENTE KEY IN) non
vengono collegati nemmeno per i canali appartenenti allo
stesso gruppo di collegamento del compressore.
Pulsante SET BY CUE

PM5D/PM5D-RH V2/DSP5D – Manuale di istruzioni Sezione operazioni 87
10
Memoria scene
In questo capitolo viene illustrato come memorizzare e richiamare i parametri di missaggio dell'unità PM5D come "scene".
Informazioni sulle scene
L'unità PM5D consente di memorizzare e richiamare lo stato corrente dei parametri di missaggio come se si trattasse di una
"scena". A ciascuna scena viene assegnato un numero di scena compreso tra 000 e 500. La scena 000 è di sola lettura e non è
possibile sovrascriverla. Gli altri numeri di scena possono essere sovrascritti liberamente.
Una scena contiene le impostazioni dei controlli del pannello,
con l'eccezione della sezione TALKBACK, della sezione CUE/
MONITOR (MONITORAGGIO/SEGNALE DI
ATTIVAZIONE) e della sezione AD IN (INGRESSO AD) per
il modello PM5D, oltre che le impostazioni delle funzioni e
delle schermate riportate di seguito.
• Impostazioni delle funzioni INPUT
• Impostazioni delle funzioni OUTPUT
• Impostazioni della schermata EFFECT PARAM
(PARAM EFFETTI)
• Impostazioni della schermata GEQ PARAM
(PARAM EQ GRAFICO)
• Impostazioni della schermata SELECTIVE RECALL
(RICHIAMO SELETTIVO) (funzione SCENE)
• Impostazioni della schermata FADE TIME (TEMPI DI
FADE) (funzione SCENE)
• Impostazioni della schermata MIXER SETUP
(CONFIGURAZIONE MIXER) (funzione SYS/
W.CLOCK)
• Impostazioni della schermata HA (Head Amplifier)
(funzione SYS/W.CLOCK)
In ogni caso, le impostazioni di assegnazione input,
assegnazione output ed head amplifier vengono salvate nella
libreria corrispondente e la scena contiene solo un numero di
libreria che consente il collegamento alle impostazioni salvate.
Se ad esempio le impostazioni di assegnazione input,
assegnazione output ed head amplifier sono state modificate
quando si memorizza una scena, le modifiche verranno
memorizzate nella libreria corrispondente e il numero di
libreria degli elementi della libreria memorizzati verrà
memorizzato nella scena.
Suggerimento
È possibile scegliere in che modo le modifiche saranno
memorizzate nella libreria:in un nuovo numero di libreria
non utilizzato o sovrascritte sul numero di libreria esistente
(
➥
p. 89).
Quando si richiama una scena, saranno richiamati
contemporaneamente i numeri di libreria di assegnazione
input, assegnazione output e HA (head amp) collegati alla
scena.
Per ciascuna scena, è possibile specificare se consentire il
collegamento a queste librerie (➥ p. 175). Se ad esempio si
disattiva il collegamento alla libreria HA per una
determinata scena, il richiamo di quella scena non
comporterà l'aggiornamento delle impostazioni di HA.
Nota
Per "impostazioni dell'head amp" si intendono le impostazioni
dell'head amplifier interno del modello PM5D-RH e del
dispositivo di head amplifier esterno che supporta il protocollo
speciale (vale a dire Yamaha AD8HR o AD824). Le
impostazioni della sezione AD IN del modello PM5D non sono
incluse.
Suggerimento
Se le unità PM5D e DSP5D sono collegate in cascata, la
memorizzazione di una scena farà sì che i dati della scena
siano memorizzati sia nella PM5D che nella DSP5D.
Quando si richiama una scena, verrà richiamato lo stesso
numero di scena su tutte le unità PM5D/DSP5D.
10 Memoria scene
00 Initial Data
10 InPatch #1
00 Initial Data
10 OutPatch #1
00 Initial Data
10 HA #1
000 Initial Data
010 Music #1
Scena corrente
Memoria scene
Impostazioni asse-
gnazione input
Impostazioni asse-
gnazione output
Impostazioni head
amplifier interno/esterno
Libreria assegnazione
input
Libreria assegnazione
output
Libreria Head
Amplifier
• Memorizzazione
delle scene
000 Initial Data
010 Music #1
00 Initial Data
10 InPatch #1
00 Initial Data
10 OutPatch #1
00 Initial Data
10 HA #1
• Richiamo delle scene
Scena corrente
Memoria scene
Impostazioni asse-
gnazione input
Impostazioni asse-
gnazione output
Impostazioni head
amplifier interno/esterno
Libreria assegnazione
input
Libreria assegnazione
output
Libreria Head
Amplifier

10 Memoria scene
88 PM5D/PM5D-RH V2/DSP5D – Manuale di istruzioni Sezione operazioni
Elementi della sezione SCENE MEMORY (MEMORIA SCENE)
La sezione SCENE MEMORY consente di memorizzare e richiamare i parametri di missaggio come memorie scene. In questa
sezione vengono inoltre eseguite operazioni di esclusione per i gruppi di esclusione 1–8.
ATasti SCENE MEMORY [1]–[8]
La funzione di questi tasti dipende dalla selezione del
pulsante DIRECT RECALL (RICHIAMO DIRETTO) e
del pulsante MUTE MASTER (ESCLUSIONE
MASTER) nella parte inferiore destra del display.
• Quando il pulsante DIRECT RECALL è attivato
I tasti SCENE MEMORY [1]–[8] funzionano come
tasti di Direct Recall che consentono di richiamare
direttamente le otto scene assegnate a questi tasti.
• Quando il pulsante MUTE MASTER è attivato
I tasti SCENE MEMORY [1]–[8] funzionano come
tasti Mute Master che consentono di attivare o
disattivare l'esclusione per i gruppi di esclusione 1–8.
BIndicatori [DIRECT RECALL]/
[MUTE MASTER]
Indicano la funzione correntemente selezionata dei
tasti SCENE MEMORY [1]–[8] (1).
CTasto SCENE MEMORY [PREVIEW]
(ANTEPRIMA)
Questo tasto consente di selezionare la modalità di
funzionamento NORMAL (NORMALE) o PREVIEW
(ANTEPRIMA) quando si richiama una scena. È
selezionata la modalità PREVIEW se il LED di questo
tasto è illuminato, la modalità NORMAL se non è
illuminato. Il funzionamento sarà diverso in base alla
modalità selezionata, come riportato di seguito.
• Modalità NORMAL
Questa modalità consente di memorizzare e richiamare
le scene come di solito. Quando si richiama una scena
in questa modalità, la scena corrente verrà sovrascritta
dalle impostazioni della nuova scena richiamata.
• Modalità PREVIEW
Questa modalità consente di visualizzare in anteprima
le impostazioni di una scena memorizzata senza
influire sull'elaborazione del segnale della scena
corrente. Quando si richiama una scena in questa
modalità, i valori dei parametri di missaggio della scena
saranno visualizzati nel pannello dell'unità PM5D, ma
l'elaborazione del segnale interno resterà com'era
prima del richiamo.
Quando si utilizzano i tasti del pannello o gli encoder a
questo punto, la visualizzazione presente sul pannello
cambierà ma l'elaborazione del segnale interno non
verrà influenzata. Se si desidera, è possibile salvare il
contenuto modificato con il numero di scena o il
numero di libreria desiderato.
DIndicatore del numero di scena
Consente di visualizzare il numero (000–500) della
scena selezionata per le operazioni di memorizzazione/
richiamo.
ETasto [UNDO] (ANNULLA) della sezione
SCENE MEMORY
Questo tasto consente di annullare l'operazione di
richiamo scena eseguita più di recente. Se si richiama
per errore una scena non desiderata, è possibile
premere questo tasto per tornare allo stato precedente
al richiamo della scena.
FTasto [RECALL] (RICHIAMO) della sezione
SCENE MEMORY
Questo tasto consente di richiamare la scena il cui
numero è visualizzato nell'indicatore del numero di
scena (4).
GTasti [π]/[†] della sezione SCENE
MEMORY
Questi tasti consentono di aumentare o diminuire il
numero visualizzato nell'indicatore del numero di
scena (4). Se tuttavia il pulsante BLANK SKIP
(SALTA VUOTO) della schermata SCENE è attivato,
sarà possibile selezionare solo i numeri nei quali è
effettivamente memorizzata una scena.
HTasto [STORE] (MEMORIZZA) della sezione
SCENE MEMORY
Questo tasto consente di memorizzare la scena
corrente con il numero è visualizzato nell'indicatore del
numero di scena (4).
4
5
6
3
1
2
8
7
Pulsante DIRECT RECALL
Pulsante MUTE MASTER

PM5D/PM5D-RH V2/DSP5D – Manuale di istruzioni Sezione operazioni 89
10
Memoria scene
Utilizzo delle memorie scene
In questa sezione viene illustrato come memorizzare le
impostazioni correnti di missaggio (la scena corrente) in
una memoria scene.
Nota
Prima di continuare con la procedura riportata di seguito,
assicurarsi che il tasto [PREVIEW] (ANTEPRIMA) della
sezione SCENE MEMORY sia disattivato (spento).
Qualora sia acceso, spegnerlo.
1Utilizzare i controlli del pannello dell'unità
PM5D per impostare i parametri di missaggio
come si desidera.
2Utilizzare i tasti [π]/[†] della sezione SCENE
MEMORY per selezionare il numero di scena
di destinazione della memorizzazione.
Quando si seleziona un nuovo numero di scena, il
numero di scena e il nome visualizzati nella parte
superiore del display e il numero di scena riportato
nell'indicatore del numero di scena della sezione
SCENE MEMORY lampeggeranno. Ciò indica che le
impostazioni della scena indicata differiscono dai
parametri di missaggio correntemente impostati.
3Premere il tasto [STORE] della sezione SCENE
MEMORY.
Verrà visualizzata la finestra SCENE STORE
(ARCHIVIO SCENE) che consente di assegnare un
titolo alla scena e di memorizzarla. In questa finestra
vengono visualizzate le informazioni riportate di
seguito.
4Utilizzare l'area SCENE TITLE per assegnare un
nome alla scena. Per i dettagli su come
immettere testo ➥ p. 30).
5Specificare i numeri di libreria con i quali
memorizzare le impostazioni di assegnazione
input, assegnazione output e HA.
Per specificare un numero di libreria di destinazione
della memorizzazione, scorrere l'elenco della libreria di
assegnazione input, assegnazione output o HA e fare
clic sul numero desiderato. Il numero selezionato
correntemente come destinazione della
memorizzazione è evidenziato. Il numero di libreria
selezionato viene salvato come parte della scena.
La selezione di default della destinazione della
memorizzazione dipenderà dall'impostazione dell'area
DEFAULT EDIT LIBRARY NO. (MODIFICA NUM.
DEFAULT LIBRERIA).
• Se il pulsante NEW è attivo
Verrà selezionato il più basso dei numeri di libreria
non utilizzati.
• Se il pulsante OVERWRITE è attivo
Verrà selezionato il numero con il quale è stata
richiamata la libreria in origine. Se si trattava di un
elemento della libreria di sola lettura, verrà selezionato
il più basso dei numeri di libreria non utilizzati.
6Fare clic sul pulsante STORE della finestra.
Verrà visualizzato un messaggio che richiede di
confermare l'operazione di memorizzazione.
7Fare clic sul pulsante OK.
Le impostazioni correnti saranno memorizzate con il
numero di scena selezionato al punto 2 e la parte
superiore della schermata e l'indicatore del numero di
scena smetteranno di lampeggiare. Se sono state
apportate modifiche alle impostazioni di assegnazione
input, assegnazione output e HA utilizzate dalla scena,
le modifiche saranno memorizzate con il numero di
libreria corrispondente.
Memorizzazione delle scene
Il nome e il numero di scena lampeggeranno
Il numero di scena
lampeggerà
In quest'area viene visualizzato un indicatore "EDIT"
(MODIFICA) se le impostazioni della libreria sono state
modificate rispetto allo stato dell'ultima memorizzazione.
Area SCENE TITLE (TITOLO SCENA), nella quale è
possibile rinominare la scena.
Come scelta predefinita per la libreria nella quale verranno
memorizzate le impostazioni della libreria modificate
quando si salva una scena, scegliere NEW (NUOVA)
per selezionare una libreria non utilizzata o OVERWRITE
(SOVRASCRIVI) per selezionare la libreria originale.
Elenco della
libreria HA
Elenco della libreria di
assegnazione input Elenco della libreria di
assegnazione output

10 Memoria scene
90 PM5D/PM5D-RH V2/DSP5D – Manuale di istruzioni Sezione operazioni
In questa sezione viene illustrato come richiamare una
scena memorizzata dalla memoria.
Nota
Prima di continuare con la procedura riportata di seguito,
assicurarsi che il tasto [PREVIEW] (ANTEPRIMA) della
sezione SCENE MEMORY sia disattivato (spento). Qualora
sia acceso, spegnerlo.
1Utilizzare i tasti [π]/[†] della sezione SCENE
MEMORY per selezionare il numero di scena
che si desidera richiamare.
Quando si seleziona un nuovo numero di scena, il
numero di scena e il nome visualizzati nella parte
superiore del display e il numero di scena riportato
nell'indicatore del numero di scena della sezione
SCENE MEMORY lampeggeranno.
2Premere il tasto [RECALL] della sezione SCENE
MEMORY.
Verrà visualizzato un messaggio in cui si chiede di
confermare l'operazione di richiamo. Quando si fa clic
sul pulsante OK, verrà richiamato il numero di scena
selezionato al punto 1.
Se alla scena sono collegate librerie di assegnazione
input, assegnazione output e HA, saranno richiamate
anche le librerie con i numeri corrispondenti.
Suggerimento
Se si desidera, è possibile disattivare il collegamento tra la
scena e le librerie, in modo che quando si richiama la scena
non vengano aggiornate librerie specifiche.
Uso della modalità PREVIEW
La modalità Preview consente di controllare o modificare le impostazioni di una scena memorizzata senza influire
sull'elaborazione del segnale della scena corrente. Quando si richiama una scena in questa modalità, le impostazioni della
scena appena richiamata saranno visualizzate nel pannello dell'unità PM5D, ma l'elaborazione del segnale interno resterà
com'era prima del richiamo.
Durante un'esecuzione, può essere comodo utilizzare questa modalità per controllare il contenuto della scena successiva che si
intende richiamare oppure per apportare modifiche minori a una scena e quindi memorizzarla.
1Nella sezione SCENE MEMORY, attivare il tasto
[PREVIEW].
Il LED del tasto si illuminerà e la sezione SCENE
MEMORY funzionerà in modalità PREVIEW.
A questo punto l'indicatore della scena nella parte
superiore del display diventerà rosso e sarà visualizzato
l'indicatore "PREVIEW".
Quando si è in modalità PREVIEW, l'utilizzo di
manopole, encoder e altri controlli (con l'eccezione
delle sezioni TALKBACK, CUE/MONITOR e AD IN
per il modello PM5D) non influirà sull'elaborazione
del segnale audio.
2Utilizzare i tasti [π]/[†] della sezione SCENE
MEMORY per selezionare il numero di scena
che si desidera richiamare.
Il numero di scena lampeggerà nell'indicatore del
numero di scena.
3Premere il tasto [RECALL] della sezione SCENE
MEMORY.
Saranno caricati e visualizzati nei LED del pannello e
sul display dell'unità PM5D solo i valori di
impostazione della scena selezionata al punto 2.
Tuttavia l'elaborazione del segnale interno del sistema
resterà immutata rispetto a prima dell'operazione di
richiamo.
Se si desidera, è possibile accedere a un canale specifico
nella sezione SELECTED CHANNEL (CANALE
SELEZIONATO), oppure accedere a una schermata
specifica del display per esaminare in dettaglio i valori.
4Se si desidera, utilizzare i controlli della
console per modificare le impostazioni.
L'utilizzo di un controllo del pannello in modalità
PREVIEW comporterà la modifica delle impostazioni
della scena richiamata al punto 3 ma non influirà
sull'elaborazione del segnale interno dell'unità PM5D.
5Se si desidera memorizzare le modifiche
apportate al punto 4, selezionare il numero di
scena con il quale si desidera memorizzare la
scena e premere il pulsante [STORE] della
sezione SCENE MEMORY.
Le impostazioni modificate al punto 4 saranno
archiviate in memoria.
6Per riportare la sezione SCENE MEMORY alla
modalità di funzionamento NORMAL, premere
il tasto [PREVIEW] della sezione SCENE
MEMORY perché il LED del tasto si spenga.
Nota
• La modalità PREVIEW si applica a tutti i parametri inclusi
nella memoria scene, tutti i parametri inclusi nelle funzioni
INPUT PATCH (ASSEGNAZIONE INPUT) e OUTPUT
PATCH (ASSEGNAZIONE OUTPUT) e ai parametri
dell'Head Amplifier. La modalità PREVIEW non si applica ad
altri parametri.
• Anche quando si è in modalità PREVIEW, le operazioni di
richiamo eseguite nella schermata EVENT LIST o tramite i
messaggi MIDI si applicheranno alla scena corrente.
Quando si è in modalità PREVIEW, il funzionamento dei
parametri che è possibile modificare nella schermata USER
DEFINED (DEFINITO DALL'UTENTE) si applicherà in
genere alla modalità PREVIEW, non alla scena corrente.
Richiamo delle scene
Indicatore "PREVIEW"

PM5D/PM5D-RH V2/DSP5D – Manuale di istruzioni Sezione operazioni 91
10
Memoria scene
Utilizzo della funzione Auto Store (Salvataggio automatico)
Con le impostazioni di default dell'unità PM5D, premendo il tasto [STORE] della sezione SCENE MEMORY verrà
visualizzata la finestra SCENE STORE nella quale è possibile assegnare un nome alla scena e memorizzarla. Se si attiva la
funzione Auto Store, sarà possibile eseguire l'operazione di memorizzazione semplicemente premendo due volte il tasto
[STORE] della sezione SCENE MEMORY. Di seguito è illustrata la procedura.
1Nella sezione DISPLAY ACCESS (ACCESSO
DISPLAY) premere più volte il tasto [UTILITY]
per accedere alla schermata PREFERENCE 1
(PREFERENZA 1).
Nella schermata PREFERENCE 1 è possibile
configurare diverse impostazioni di default per l'unità
PM5D.
2Nell'area STORE/RECALL (MEMORIZZA/
RICHIAMA) nella parte superiore destra della
schermata, attivare il pulsante AUTO STORE.
Verrà quindi attivata la funzione Auto Store. Quando
si preme una volta il tasto [STORE] della sezione
SCENE MEMORY, viene visualizzata la finestra
SCENE STORE come al solito; premere ancora una
volta il tasto per eseguire l'operazione di
memorizzazione. Se si preme il tasto due volte di
seguito in rapida successione, l'operazione di
memorizzazione verrà eseguita prima che venga
visualizzata la finestra SCENE STORE.
Nota
Se il pulsante STORE CONFIRMATION (CONFERMA
MEMORIZZAZIONE) è attivato nell'area STORE/RECALL
della schermata PREFERENCE 1, verrà visualizzata una
finestra con la richiesta di confermare l'operazione di
memorizzazione anche se Auto Store è attivato. Se non si
desidera che venga visualizzata la finestra, disattivare anche
il pulsante STORE CONFIRMATION.
Utilizzo della funzione Direct Recall
Se si assegnano scene utilizzate di frequente ai tasti SCENE MEMORY [1]–[8] della sezione SCENE MEMORY, sarà possibile
richiamare queste scene utilizzando un singolo tasto.
1Nella sezione DISPLAY ACCESS premere più
volte il tasto [SCENE] per accedere alla
schermata SCENE riportata di seguito.
Nella schermata SCENE è possibile utilizzare l'elenco
DIRECT RECALL ASSIGN visualizzati nella parte
centrale inferiore della schermata per assegnare i
numero di scena ai tasti SCENE MEMORY [1]–[8].
2Utilizzare l'elenco DIRECT RECALL ASSIGN per
assegnare un numero di scena a un tasto
SCENE MEMORY [1]–[8].
Spostare il cursore sul campo a sinistra dell'elenco
DIRECT RECALL ASSIGN e attivare l'encoder
[DATA] (DATI) o fare clic sui pulsanti / per
selezionare un numero di scena; il nome della scena
sarà visualizzato nel campo sulla destra.
3Assegnare nello stesso modo i numeri delle
scene agli altri tasti.
4Nell'area KEY MODE (MODALITÀ TASTI) sul
lato destro o inferiore destro della schermata,
controllare che il pulsnte DIRECT RECALL sia
attivato. In caso contrario, attivarlo.
Quando il pulsante DIRECT RECALL è attivato, il LED
[DIRECT RECALL] della sezione SCENE MEMORY si
illuminerà e i tasti SCENE MEMORY [1]–[8]
funzioneranno come tasti Direct Recall.
PREFERENCE 1 Pulsante AUTO STORE
SCENE
Pulsante DIRECT
RECALL
Elenco DIRECT RECALL ASSIGN
(ASSEGNAZIONE RICHIAMO
DIRETTO)
Viene
visualizzato
il nome
della scena

10 Memoria scene
92 PM5D/PM5D-RH V2/DSP5D – Manuale di istruzioni Sezione operazioni
5Nella sezione SCENE MEMORY della console,
premere uno dei tasti SCENE MEMORY [1]–[8].
Il LED del tasto corrispondente si illuminerà e verrà
richiamata la scena assegnata al tasto.
Utilizzo della funzione Selective Recall
"Selective Recall" è una funzione che consente di limitare i parametri o i canali che verranno aggiornati quando si richiama
una scena specifica oppure, al contrario, di specificare per ciascuna scena i parametri o i canali che verranno esclusi dalle
operazioni di richiamo.
Suggerimento
È inoltre disponibile una funzione definita "Recall Safe"
(Blocca richiamo), simile a Selective Recall, che consente di
selezionare canali e parametri che verranno esclusi dalle
operazioni di richiamo (
➥
p. 94). Tuttavia questa funzione è
diversa da Selective Recall perché le impostazioni di Recall
Safe vengono applicate a tutte le scene.
1Nella sezione DISPLAY ACCESS premere più
volte il tasto [SCENE] per accedere alla scher-
mata SELECTIVE RECALL riportata di seguito.
2Nell'area SELECTION MODE nella parte
centrale superiore della schermata, scegliere
una delle due seguenti modalità di selezione
per specificare il modo in cui funzionerà la
schermata SELECTIVE RECALL.
• Modalità SAFE PARAMETER
(BLOCCA PARAMETRO)
Consente di specificare i canali o i parametri che
verranno esclusi dalle operazioni di richiamo.
• Modalità RECALL PARAMETER
(RICHIAMA PARAMETRO)
Consente di specificare i canali o i parametri che
verranno interessati dalle operazioni di richiamo.
Quando si fa clic su un pulsante per cambiare
modalità, verrà visualizzata una finestra con la richiesta
di conferma. Subito dopo aver cambiato modalità, tutti
i canali/parametri saranno interessati dalle operazioni
di richiamo.
3Utilizzare i pulsanti presenti nella schermata
per selezionare i parametri/canali che saranno
interessati o esclusi dalle operazioni di
richiamo.
La schermata SELECTIVE RECALL è suddivisa in tre
aree. Da sinistra, queste aree consentono di configurare
le impostazioni per i canali di ingresso, i canali di uscita
e altri parametri. I pulsanti della schermata
corrispondono ai parametri e ai canali riportati di
seguito.
❏Canali di ingresso/Canali di uscita
ASAFE ON/OFF (ATTIVAZIONE/
DISATTIVAZIONE BLOCCO)
RECALL ON/OFF (ATTIVAZIONE/
DISATTIVAZIONE RICHIAMO)
Le funzioni e i nomi di questi pulsanti dipendono dalla
modalità di selezione correntemente selezionata.
• Modalità SAFE PARAMETER
I pulsanti funzioneranno come pulsanti SAFE ON/OFF
per selezionare i canali che saranno esclusi dalle
operazioni di richiamo.
• Modalità RECALL PARAMETER
I pulsanti funzioneranno come pulsanti RECALL ON/
OFF per selezionare i canali che saranno interessati
dalle operazioni di richiamo.
BGriglia matrice parametri
In questa posizione è possibile selezionare i parametri
che saranno esclusi (o interessati) dalle operazioni di
richiamo. Se il pulsante ALL (TUTTI) è attivato, tutti i
parametri saranno esclusi (o interessati) dalle
operazioni di richiamo.
CSET ALL (IMPOSTA TUTTO)
Consente di attivare tutti i pulsanti per tutti i canali di
ingresso/uscita o per il parametro corrispondente.
DCLEAR ALL (CANCELLA TUTTO)
Consente di disattivare tutti i pulsanti per tutti i canali
di ingresso/uscita o per il parametro corrispondente.
SELECTIVE RECALL
Area SELECTION MODE
(MODALITÀ SELEZIONE)
3
4
12

PM5D/PM5D-RH V2/DSP5D – Manuale di istruzioni
Sezione operazioni
93
10
Memoria scene
❏
Altri parametri
A
DCA/GEQ/EFFECT
(DCA/EQ GRAFICO/EFFETTO)
Questi pulsanti consentono di specificare se i gruppi
DCA, i moduli dell'equalizzatore grafico e gli effetti
interni saranno esclusi (o interessati) dalle operazioni
di richiamo.
Nota
Per i gruppi DCA è presente un pulsante WITH NAME
(CON NOME). Questo pulsante consente di escludere il nome
del gruppo DCA dalle operazioni di richiamo (o di selezionarlo
come oggetto del richiamo).
B
MUTE MASTER
Questo pulsante consente di specificare se lo stato di
attivazione/disattivazione del tasto Mute Master sarà
escluso (o interessato) dalle operazioni di richiamo.
C
MIDI REMOTE (MIDI REMOTO)
(solo PM5D)
Questi pulsanti consentono di specificare se i layer
remoti MIDI A-D saranno esclusi (o interessati) dalle
operazioni di richiamo.
D
PLUG-IN (solo PM5D)
Questi pulsanti consentono di specificare se le schede
DSP del plug-in Waves Y96K installate negli slot 1-4
saranno escluse (o interessate) dalle operazioni di
richiamo.
E
SET ALL
Questo pulsante consente di attivare tutti i pulsanti
per i parametri
1
–
4
.
F
CLEAR ALL
Questo pulsante consente di disattivare tutti i pulsanti
per i parametri
1
–
4
.
4
Nella parte superiore sinistra della schermata,
impostare il pulsante SELECTIVE RECALL
ENABLE/DISABLE (ATTIVA/DISATTIVA
RICHIAMO SELETTIVO) su ENABLE (ATTIVA).
Quando questo pulsante è impostato su ENABLE, la
funzione Selective Recall verrà applicata alle scene
memorizzate successivamente.
5
Memorizzare la scena corrente.
Le impostazioni della schermata SELECTIVE RECALL
verranno salvate come parte della scena. Quando si
richiama questa scena, solo i canali/parametri
selezionati saranno esclusi (o interessati) dalle
operazioni di richiamo.
Nota
• Se si modificano le impostazioni della schermata
SELECTIVE RECALL, sarà necessario memorizzare la
scena per rendere effettive le modifiche.
• È possibile utilizzare insieme le funzioni Recall Safe e
Selective Recall. I canali o i parametri esclusi dalle
operazioni di richiamo da Recall Safe o Selective Recall
(o da entrambe le funzioni) non verranno richiamati.
5
6
2
3
4
1

10 Memoria scene
94 PM5D/PM5D-RH V2/DSP5D – Manuale di istruzioni Sezione operazioni
Utilizzo della funzione Recall Safe
"Recall Safe" è una funzione che esclude solo specifici parametri/canali dalle operazioni di richiamo. Diversamente dalle
impostazioni della funzione Selective Recall (➥ p. 92) valide per singole scene, le impostazioni per Recall Safe sono uguali per
tutte le scene.
1Nella sezione DISPLAY ACCESS premere più
volte il tasto [SCENE] per accedere alla
schermata RECALL SAFE riportata di seguito.
2Utilizzare i pulsanti presenti nella schermata
per selezionare i parametri/canali che saranno
esclusi dalle operazioni di richiamo.
La funzione dei pulsanti nella schermata e le procedure
sono le stesse della schermata SELECTIVE RECALL
(quando è selezionata la modalità SAFE
PARAMETER), con l'eccezione del pulsante SAFE ON/
OFF dell'Head Amp, che viene aggiunto come
parametro nell'area INPUT SAFE PARAMETER
(BLOCCO PARAMETRI DI INPUT).
L'indicatore [RCL SAFE] della striscia di canali si
illuminerà per i canali di ingresso, per i canali STEREO
A/B e per i gruppi DCA per i quali la funzione Recall
Safe è stata attivata.
Suggerimento
• Nella schermata RECALL SAFE, facendo clic sulla griglia
della matrice del parametro verrà visualizzato un simbolo
" " con un carattere "G" al centro. La "G" indica che
l'impostazione è globale e si applica a tutte le scene.
• Se si desidera, è possibile copiare e incollare le impostazioni
di Selective Recall dalla scena correntemente selezionata
alla schermata RECALL SAFE (
➥
p. 183).
• Se si utilizza la barra di scorrimento per scorrere verso il
basso, si vedrà che la colonna CH (CANALE) dell'area
SAFE PARAMETERS (PARAMETRI DI BLOCCO) riporta
non solo i canali di ingresso ma anche le porte di ingresso.
Se si imposta l'HA di una determinata porta di ingresso su
Recall Safe, anche l'HA del canale corrispondente verrà
impostato su Recall Safe. Anche se assegnate a più canali,
le impostazioni HA Recall Safe per le porte o i canali di
ingresso corrispondenti saranno collegate.
• Se necessario, è possibile attivare il pulsante HA+CH
nell'area SAFE KEY MODE SELECT (SELEZIONE
MODALITÀ BLOCCO TASTI), in modo che quando la
funzione Recall Safe è attivata o disattivata mediante il tasto
del pannello [RECALL SAFE] o il pulsante RECALL SAFE
della schermata CH VIEW (VISTA CANALE) (funzione
INPUT VIEW) (VISTA INPUT), la funzione Recall Safe sarà
attivata/disattivata anche per l'HA assegnato al canale
corrispondente.
• Indipendentemente dalla normale funzionalità Recall Safe,
il campo OUTPUT ISOLATION consente di specificare
i canali di uscita e i parametri esclusi dalle operazioni
di richiamo perché siano memorizzati nella memoria
di SETUP, che non è interessata dalle operazioni
di caricamento dalla scheda di memoria) (
➥
p. 182).
3Se si desidera utilizzare il pannello per attivare
o disattivare la funzione Recall Safe per un
canale, utilizzare il tasto [SEL] per selezionare
un canale e quindi premere il tasto [RECALL
SAFE] della sezione SELECTED CHANNEL
(CANALE SELEZIONATO) perché il LED del
tasto si illumini.
La funzione Recall Safe verrà attivata per il canale
corrispondente.
Nota
Per default, è selezionato ALL per i parametri che saranno
esclusi dalle operazioni di richiamo. Ciò significa che se si
attiva Recall Safe dal pannello, l'impostazione di Recall Safe
avrà effetto su tutti i parametri del canale o dei canali per i
quali è attivata.
Una volta configurate le impostazioni di Recall Safe e
dopo aver richiamato una scena, solo i canali/
parametri selezionati saranno esclusi dalle operazioni
di richiamo.
Nota
È possibile utilizzare insieme le funzioni Recall Safe e
Selective Recall. I canali o i parametri esclusi dalle operazioni
di richiamo da Recall Safe o Selective Recall (o da entrambe
le funzioni) non verranno richiamati.
RECALL SAFE
Tasto [RECALL SAFE]

PM5D/PM5D-RH V2/DSP5D – Manuale di istruzioni Sezione operazioni 95
10
Memoria scene
Utilizzo della funzione Fade
La funzione "Fade" consente di modificare progressivamente fader e pan con nuovi valori per una durata specificata quando si
richiama una scena. Le impostazioni della funzione Fade vengono eseguite in modo indipendente per ogni scena.
1Nella sezione DISPLAY ACCESS premere più
volte il tasto [SCENE] per accedere alla
schermata FADE TIME (DURATA FADE)
riportata di seguito.
In questa schermata è possibile selezionare i canali che
utilizzeranno la funzione Fade e specificare la durata e il
tempo di offset dell'avvio.
2Nella parte superiore sinistra della schermata,
fare clic sul pulsante FADING ENABLE/DISABLE
per selezionare ENABLE.
Quando il pulsante FADING ENABLE/DISABLE è
impostato su ENABLE, la funzione Fade verrà attivata per
i fader nella scena corrente.
3Nella parte superiore destra della schermata,
verificare che il pulsante FADE TIME sia
attivato.
I pulsanti FADE TIME/START OFFSET (DURATA
FADE/OFFSET AVVIO) nella parte superiore destra della
schermata consentono di selezionare i parametri che
saranno modificati nella parte inferiore della schermata
FADE TIME.
Quando questo pulsante è attivato, è possibile specificare
la durata di fade (il tempo necessario perché i parametri di
fader e pan raggiungano il nuovo valore) per ciascun
canale.
4Nelle righe dei pulsanti della parte inferiore
della schermata, fare clic per attivare i pulsanti
dei canali per i quali si desidera attivare la
funzione Fade.
Facendo clic sul pulsante SET ALL presente sulla destra
della schermata, è possibile attivare i pulsanti di tutti i
canali di ingresso e di tutti gruppi DCA, oppure i pulsanti
di tutti i canali di uscita.
Facendo clic sul pulsante CLEAR ALL presente sulla
destra della schermata, è possibile disattivare i pulsanti di
tutti i canali di ingresso e di tutti gruppi DCA, oppure i
pulsanti di tutti i canali di uscita.
5Spostare il cursore sulla casella situata
immediatamente al di sotto di ciascun
pulsante e attivare l'encoder [DATA] per
specificare la durata di fade per il canale
specifico. In alternativa fare clic sui pulsanti
/ a destra e a sinistra della casella.
Suggerimento
Se il valore numerico è visualizzato in azzurro quando si ese-
guono le operazioni sopra riportate, ciò significa che è stato
specificato un tempo di offset per il canale corrispondente.
6Allo stesso modo, specificare la durata di fade
anche per gli altri canali.
Se si desidera, è possibile copiare facilmente l'impostazione
della durata di fade da un canale a un altro (➥ p. 185).
7
Nella parte superiore destra della schermata,
fare clic sul pulsante START OFFSET per attivarlo.
Quando il pulsante START OFFSET è attivato, è possibile
specificare un tempo di offset per ciascun canale (il tempo
necessario da quando viene richiamata una scena fino a
quando i parametri di fader e iniziano a cambiare).
8Come già fatto per i punti 4–6, specificare un
tempo di offset per ciascun canale.
9Se si desidera attivare la funzione Fade non
solo per i parametri dei fader ma anche per i
parametri PAN (BALANCE) (BILANCIAMENTO)
dei canali di ingresso, impostare il pulsante
INPUT CH PANNING ENABLE/DISABLE
(ATTIVAZIONE/DISATTIVAZIONE PAN CANALE
DI INGRESSO), situato nella parte centrale
superiore della schermata, su ENABLE.
Il pulsante FADING ENABLE/DISABLE e il pulsante
INPUT CH PANNING ENABLE/DISABLE possono
essere impostati in modo indipendente. Utilizzare i due
pulsanti seguenti per selezionare i canali di ingresso ai
quali verrà applicata l'impostazione.
• Quando il pulsante ALL INPUT
(TUTTI GLI INGRESSI) è attivato
La funzione Fade verrà applicata ai parametri Pan
(Balance) di tutti i canali di ingresso.
• Quando il pulsante SAME AS FADING
(COME FADE) è attivato
La funzione Fade verrà applicata ai parametri Pan
(Balance) dei soli canali di ingresso selezionati al punto 4.
10 Dopo aver configurato le impostazioni,
memorizzare la scena.
Le impostazioni della schermata FADE TIME vengono
salvate in modo indipendente per ogni scena. La fun-
zione Fade verrà applicata quando si richiama una scena
per la quale questo pulsante è impostato su ENABLE.
Dopo il richiamo, i parametri di fader e pan (balance)
inizieranno a cambiare non appena trascorso il tempo
specificato in Start Offset Time e raggiungeranno i
nuovi valori nel tempo specificato in Fade Time.
FADE TIME
Pulsante FADING
ENABLE/DISABLE
(ATTIVA/DISATTIVA FADE) Pulsante FADE TIME
Durata Fade

10 Memoria scene
96 PM5D/PM5D-RH V2/DSP5D – Manuale di istruzioni Sezione operazioni
Utilizzo della funzione Tracking Recall (Richiamo traccia)
"Tracking Recall" è una funzione che aggiunge uno specifico valore di offset al valore di ogni fader o livello quando viene
richiamata una scena. Le impostazioni di Tracking Recall sono uguali per tutte le scene. Se ad esempio il livello originale di
una determinata sorgente sonora cambia, o se un attore viene sostituito, questa funzione offre un comodo metodo per
regolare il livello del canale specifico per tutte le scene.
1Nella sezione DISPLAY ACCESS premere più
volte il tasto [SCENE] per accedere alla
schermata TRACKING RECALL riportata di
seguito.
In questa schermata è possibile selezionare i canali che
utilizzeranno la funzione Tracking Recall e specificare il
valore di offset per ciascun canale.
2Nella parte superiore sinistra della schermata,
fare clic sul pulsante TRACKING RECALL
ENABLE/DISABLE per impostarlo su ENABLE.
Quando il pulsante TRACKING RECALL ENABLE/
DISABLE è impostato su ENABLE, la funzione
Tracking Recall verrà attivata per tutte le scene.
3Utilizzando i pulsanti dell'area DISPLAY
SELECT nella parte centrale superiore della
schermata, selezionare il tipo di canali per i
quali si desidera configurare le impostazioni.
• Se il pulsante INPUT è attivo
La schermata riporterà i fader dei canali di ingresso
1–48, dei canali ST IN (INGRESSO STEREO) 1–4,
dei canali FX RTN (RITORNO FX) 1–4, dei gruppi
DCA 1–8 e dei canali STEREO A/B.
• Se il pulsante OUTPUT è attivo
La schermata riporterà i fader dei canali MIX 1–24, dei
canali MATRIX (MATRICE) 1–8, dei gruppi DCA 7/8
e dei canali STEREO A/B.
4Nella riga dei pulsanti posizionati sopra i fader
nella schermata, fare clic per attivare i pulsanti
dei canali per i quali si desidera attivare la
funzione Tracking Recall.
Se si fa clic sul pulsante SET ALL nella parte superiore
destra della schermata si attiveranno i pulsanti di tutti i
canali e gruppi DCA.
Se si fa clic sul pulsante CLEAR ALL nella parte
superiore destra della schermata si disattiveranno i
pulsanti di tutti i canali e gruppi DCA.
5Per impostare il valore di offset per ciascun
canale, trascinare verso l'alto o verso il basso il
fader di un canale del quale si è attivato il
pulsante.
Quando si attiva l'impostazione per un canale al punto
4, il valore di offset viene impostato su 0. Il valore di
offset può essere regolato nell'intervallo compreso tra
–15 dB e +15 dB. Il valore corrente viene indicato nella
casella immediatamente al di sotto del fader.
6Allo stesso modo, specificare il valore di offset
anche per gli altri canali.
7Una volta completata la configurazione delle
impostazioni, attivare il pulsante OFFSET LOCK
nella parte superiore destra della finestra.
Quando questo pulsante è attivato, i valori di offset
correntemente specificati per i canali saranno fissi,
impedendo in tal modo modifiche non intenzionali.
Quando si richiama una nuova scena in questo stato, il
valore di offset verrà aggiunto al livello di ciascun
canale quando viene caricata la scena. In ogni caso, i
limiti del livello superiore e inferiore non saranno
superati.
Nota
I canali esclusi dalle operazioni di richiamo dalle funzioni
Recall Safe o Selective Recall non verranno modificati, anche
se la funzione Tracking Recall è attivata.
TRACKING RECALL
Pulsante TRACKING RECALL
ENABLE/DISABLE (ATTIVA/
DISATTIVA RICHIAMO TRACCIA)
Area DISPLAY SELECT
(SELEZIONE DISPLAY)
Pulsante OFFSET
LOCK (BLOCCO
OFFSET)
Valore di offset

PM5D/PM5D-RH V2/DSP5D – Manuale di istruzioni Sezione operazioni 97
10
Memoria scene
Utilizzo della funzione Global Paste
(Incolla impostazioni globali)
"Global Paste" è una funzione che consente di copiare eincollare le impostazioni del canale o parametro desiderato dalla scena
corrente ai dati della scena in memoria (sono consentite selezioni multiple). Si tratta di un metodo comodo per applicare le
modifiche della scena corrente alle scene già memorizzate.
1Nella sezione DISPLAY ACCESS premere più
volte il tasto [SCENE] per accedere alla
schermata GLOBAL PASTE riportata di seguito.
In questa schermata è possibile selezionare i canali/
parametri di origine della copia e specificare i dati della
scena di destinazione dell'operazione Incolla.
2Utilizzare i pulsanti dell'area PASTE MODE per
selezionare uno dei tipi di elementi da
incollare riportati di seguito.
3Nell'area CURRENT SCENE selezionare i canali
o i parametri di origine della copia.
Il contenuto riportato nell'area CURRENT SCENE
dipenderà da quanto selezionato nell'area PASTE
MODE.
• Quando PASTE MODE = INPUT
Selezionare i canali di ingresso nell'area di sinistra e
selezionare i parametri nell'area di destra. (Per ulteriori
informazioni sui parametri, ➥ p. 187).
• Quando PASTE MODE = OUTPUT
Selezionare i canali di uscita nell'area di sinistra e
selezionare i parametri nell'area di destra. (Per ulteriori
informazioni sui parametri, ➥ p. 187).
INPUT Parametri canale di ingresso
OUTPUT Parametri canale di uscita
DCA, GEQ, EFFECT
Livello DCA o stato di attivazione/
disattivazione esclusione,
impostazioni GEQ, impostazioni
effetti interni
GLOBAL PASTE
Area PASTE MODE
(MODALITÀ INCOLLA)
Area CURRENT SCENE
(SCENA CORRENTE)
Area DESTINATION SCENE
(SCENA DESTINAZIONE)
Pulsante PASTE
(INCOLLA)

10 Memoria scene
98 PM5D/PM5D-RH V2/DSP5D – Manuale di istruzioni Sezione operazioni
• Quando PASTE MODE = DCA, GEQ, EFFECT
Selezionare i gruppi DCA, i moduli GEQ e gli effetti
interni.
Suggerimento
In ognuna di queste modalità, è possibile fare clic sul pulsante
SET ALL per attivare tutti i canali oppure fare clic sul pulsante
CLEAR ALL per disattivare tutti i canali.
4Nell'area DESTINATION SCENE selezionare la
scena o le scene di destinazione.
Per selezionare una singola scena, fare clic sulla riga
desiderata nella metà superiore dell'elenco.
Per selezionare più scene consecutive, utilizzare la metà
superiore dell'elenco per selezionare il numero di scena
sulla quale si desidera iniziare a incollare i dati e
utilizzare la metà inferiore dell'elenco per selezionare il
numero di scena alla quale si desidera interrompere
l'operazione di Incolla.
L'ordine in cui le scene sono elencate può essere
modificato facendo clic su uno dei pulsanti in cima
all'elenco; il pulsante (ordinamento per numero),
il pulsante SCENE TITLE (TITOLO SCENA)
(ordinamento in base al titolo della scena), o il pulsante
TIME STAMP (DATA/ORA) (ordinamento in base
alla data in cui è stata salvata la scena).
5Fare clic sul pulsante PASTE (INCOLLA).
Gli elementi selezionati della scena corrente saranno
incollati nella scena o nelle scene in memoria.
Nota
• Se le impostazioni dei parametri differiscono tra l'origine e
la destinazione, può essere applicata la gestione delle
eccezioni quando si incollano i dati (
➥
p. 188).
• Saranno incollati solo i parametri selezionati tramite PASTE
MODE. Anche se si sono selezionati dei parametri nell'area
CURRENT SCENE, questi saranno esclusi dall'operazione
Incolla se si attiva PASTE MODE.

PM5D/PM5D-RH V2/DSP5D – Manuale di istruzioni Sezione operazioni 99
11
Funzioni Monitor (Monitoraggio) e Cue (Segnale di attivazione)
In questo capitolo vengono descritte le funzioni di monitoraggio e segnale di attivazione dell'unità PM5D.
Informazioni sulle sezioni MONITOR e CUE
La sezione MONITOR trasmette il segnale selezionato
come sorgente di monitoraggio ai jack MONITOR OUT
(USCITA MONITOR). È possibile selezionare come
sorgente di monitoraggio i segnali riportati di seguito.
• Segnale di input dai jack 2TR IN ANALOG 1/2
(INGRESSO ANALOGICO 2TR)
• Segnale di input dai jack 2TR IN DIGITAL 1/3
(INGRESSO DIGITALE 2TR)
• Segnale di output dei canali STEREO A/B
• Segnale di output dei canali LCR (SCD)
• Segnale di output di un canale MIX 1–24 o MATRIX
(MATRICE) 1–8 pre-selezionato
Nota
Se l'unità PM5D è collegata in cascata con un'unità DSP5D, le
operazioni del segnale di attivazione della DSP5D verranno
eseguite in combinazione.
La sezione CUE trasmette il segnale di attivazione del canale/
gruppo selezionato tramite un tasto [CUE] del pannello ai
jack CUE OUT (USCITA SEGNALE DI ATTIVAZ.).
Suggerimento
Se il pulsante CUE INTERRUPTION (INTERRUZIONE
SEGNALE DI ATTIVAZIONE) è attivato nella schermata
MONITOR (funzione MON/CUE), il segnale Cue/Solo
(Segnale di attivazione/Isolamento) verrà trasmesso anche
dai jack MONITOR OUT quando Cue/Solo è attivo.
Nota
Poiché l'unità DSP5D non dispone della funzionalità di
monitoraggio, i tasti e le manopole della sezione MONITOR
consentiranno sempre di agire sulle impostazioni della
macchina 1 (PM5D). Allo stesso modo, la manopola CUE
[LEVEL] (LIVELLO) consentirà di agire sempre sulle
impostazioni della macchina 1 (PM5D).
11 Funzioni Monitor (Monitoraggio)
e Cue (Segnale di attivazione)
DSP5D
ON
PM5D

11
Funzioni Monitor (Monitoraggio) e Cue (Segnale di attivazione)
100
PM5D/PM5D-RH V2/DSP5D – Manuale di istruzioni
Sezione operazioni
• MONITOR SELECT (SELEZIONE MONITOR)
Consente di selezionare la sorgente di monitoraggio.
• MONITOR DELAY (RITARDO MONITOR)
Consente di ritardare il segnale di monitoraggio.
• CUE OUT DELAY (RITARDO OUTPUT SEGNALE
DI ATTIVAZIONE)
Consente di ritardare il segnale di attivazione.
• METER (INDICATORE)
Consente di alternare la visualizzazione del segnale
della sezione Meter o del display.
• DIM (Dimmer) (Attenuatore)
Consente di attenuare il segnale di monitoraggio o di
attivazione in base a un valore fisso.
• OUT ATT. (Attenuatore output)
Consente di attenuare/amplificare il segnale di
monitoraggio/attivazione.
• ON (On/off) (Attivato/Disattivato)
Consente di attivare/disattivare il segnale di
monitoraggio.
• PHONES LEVEL (LIVELLO CUFFIE)
Consente di regolare il livello di output dei jack
PHONES (CUFFIE) del pannello superiore e del
pannello frontale.
• MONITOR LEVEL (LIVELLO MONITOR)
Consente di regolare il livello di monitoraggio.
• CUE OUT LEVEL (LIVELLO OUTPUT SEGNALE
DI ATTIVAZIONE)
Consente di regolare il livello di output del segnale di
attivazione.
Utilizzo della funzione Monitor
A
Tasto [2TR IN A1]
B
Tasto [2TR IN A2]
Questi tasti consentono di selezionare i segnali di input
dei jack 2TR IN ANALOG 1/2 come sorgente di
monitoraggio.
C
Tasto [2TR IN D1]
D
Tasto [2TR IN D2]
E
Tasto [2TR IN D3]
Questi tasti consentono di selezionare i segnali di input
dei jack 2TR IN DIGITAL 1/3 come sorgente di
monitoraggio.
F
Tasto [STEREO A]
G
Tasto [STEREO B]
Questi tasti consentono di selezionare i segnali di
output dei canali STEREO A/B come sorgente di
monitoraggio. Premendo contemporaneamente i tasti
[STEREO A] e [STEREO B] è possibile selezionare i
canali LCR come sorgente di monitoraggio.
H
Tasto [DEFINE] (DEFINIZIONE)
Questo tasto consente di selezionare il segnale di
output di un canale MIX 1–24 o MATRIX 1–8 pre-
selezionato come sorgente di monitoraggio. La
sorgente di monitoraggio selezionata da questo tasto
può essere specificata nella schermata MONITOR
(funzione MON/CUE).
Suggerimento
La sorgente correntemente selezionata è indicata dallo stato
illuminato/spento dei tasti
1
–
8
.
I
Manopola MONITOR [LEVEL]
Questa manopola consente di regolare il livello di
output del segnale emesso dai jack MONITOR OUT
L/R/C.
J
Tasto MONITOR [ON]
Questo tasto consente di attivare/disattivare l'uscita
di monitoraggio.
K
Manopola MONITOR [PHONES]
Consente di regolare il livello di output dei jack
PHONES.
L
Tasto [MONO]
Se questo tasto è attivato, i canali L/R di uscita
monitoraggio verranno missati ed emessi come segnale
mono. Il segnale tornerà ad essere stereo quando si
disattiva questo tasto.
Elementi della sezione MONITOR
1
3
4
5
9
J L
2
6
7
8
K

PM5D/PM5D-RH V2/DSP5D – Manuale di istruzioni
Sezione operazioni
101
11
Funzioni Monitor (Monitoraggio) e Cue (Segnale di attivazione)
Di seguito viene illustrato come utilizzare la sezione
MONITOR per monitorare la sorgente desiderata.
1
Accertarsi che il sistema di monitoraggio sia
collegato ai jack L/R/C MONITOR OUT del
pannello posteriore.
Se si desidera eseguire il monitoraggio tramite le cuffie,
assicurarsi che le cuffie siano collegate al jack PHONES
del pannello frontale.
Nota
• Poiché l'unità DSP5D non dispone della funzionalità di
monitoraggio, i tasti e le manopole della sezione MONITOR
dell'unità consentiranno sempre l'utilizzo della macchina 1
(PM5D).
• Il jack MONITOR OUT C è un jack speciale utilizzato per
monitorare il canale centrale quando è attiva la modalità
LCR. Si noti che verrà emesso il segnale appropriato dal
jack MONITOR OUT C solo se è selezionato il canale LCR
come sorgente di monitoraggio e il pulsante USE AS
CENTER BUS (USA COME BUS CENTRALE) è attivato
nella schermata MIXER SETUP (CONFIGURAZIONE
MIXER) (funzione SYS/W.CLOCK) (
➥
p. 222).
• Se si attiva il tasto [CUE] anche di un solo canale di
ingresso, di uscita o di un gruppo DCA, le impostazioni della
sezione MONITOR saranno ignorate e il segnale di
attivazione verrà emesso dai jack MONITOR OUT.
Accertarsi che i LED [INPUT]/[DCA]/[OUTPUT] della
sezione CUE non siano illuminati.
2
Per specificare il canale che verrà selezionato
dal tasto [DEFINE], premere ripetutamente il
tasto [MON/CUE] della sezione DISPLAY
ACCESS (ACCESSO DISPLAY) per accedere alla
schermata MONITOR riportata di seguito.
3
Fare clic su un pulsante nell'area DEFINE per
selezionare il canale che verrà monitorato
quando si preme il tasto [DEFINE].
È possibile assegnare più di un canale al tasto
[DEFINE], selezionando una delle sorgenti riportate di
seguito.
Suggerimento
La schermata MONITOR consente inoltre di configurare le
impostazioni per il ritardo del segnale di monitoraggio, insert-
out/in e attenuatore (
➥
p. 238).
4
Utilizzare i tasti della sezione MONITOR
riportati di seguito per selezionare la sorgente
di monitoraggio.
Suggerimento
• È possibile selezionare contemporaneamente un tasto 2TR
A1–2TR D3 o DEFINE e uno STEREO A/STEREO B
(incluso LCR) (per un massimo di due tasti). Per effettuare
la selezione dal pannello, premere contemporaneamente i
due tasti corrispondenti sul pannello.
• La sorgente di monitoraggio può essere anche selezionata
nella schermata MONITOR (funzione MON/CUE).
5
Premere il tasto MONITOR [ON] per attivarlo.
Suggerimento
Dai jack PHONES viene sempre emesso un segnale
indipendentemente dallo stato di attivazione/disattivazione del
tasto MONITOR [ON].
6
Ruotare la manopola MONITOR [LEVEL] per
regolare il livello di monitoraggio. Se si esegue
il monitoraggio tramite le cuffie, ruotare la
manopola PHONES [LEVEL] per regolare il
livello di monitoraggio.
Suggerimento
È inoltre possibile impostare il livello di monitoraggio e lo stato
di attivazione/disattivazione del monitoraggio dalla sezione
dell'area STEREO/DCA (
➥
p. 149).
7
Se si desidera monitorare il segnale in
modalità mono, attivare il tasto [MONO]
della sezione MONITOR.
MIX 1–MIX 24
Segnali di output dei canali MIX 1–24
MATRIX 1–
MATRIX 8
Segnali di output dei bus MATRIX 1–8
Monitoraggio di un segnale
MONITOR
Area DEFINE
Tasti [2TR IN A1]/
[2TR IN A2]
Segnale di input dai jack 2TR IN
ANALOG 1/2
Tasti [2TR IN D1]/
[2TR IN D2]/[2TR IN
D3]
Segnale di input dai jack 2TR IN
DIGITAL 1/3
Tasti [STEREO A]/
[STEREO B]
Segnale di output dei canali
STEREO A/B
Tasto [STEREO A] +
tasto [STEREO B]
Output del canale LCR
Tasto [DEFINE]
Segnale pre-selezionato nella
schermata MONITOR (funzione
MON/CUE)

11 Funzioni Monitor (Monitoraggio) e Cue (Segnale di attivazione)
102 PM5D/PM5D-RH V2/DSP5D – Manuale di istruzioni Sezione operazioni
Utilizzo della funzione Cue/Solo
ALED [INPUT]/[DCA]/[OUTPUT]
Questi LED indicano lo stato di monitoraggio.
Se anche un solo tasto [CUE] è attivato, il LED del
gruppo al quale il tasto appartiene sarà illuminato.
Se è attivato un segnale di attivazione speciale come
KEY IN CUE (SEGNALE DI ATTIVAZIONE KEY IN)
o EFFECT CUE (SEGNALE DI ATTIVAZIONE
EFFETTO), si illumineranno tutti e tre i LED.
BTasto [SOLO]
Consente di selezionare come verrà eseguito il
monitoraggio quando si utilizano i tasti [CUE].
Se questo tasto è attivato, il monitoraggio verrà
eseguito in modalità SOLO. Se il tasto è disattivato,
il monitoraggio verrà eseguito in modalità CUE.
CTasto [LAST CUE]
(ULTIMO SEGNALE DI ATTIVAZIONE)
Consente di selezionare la modalità di funzionamento
quando è attivo più di un tasto [CUE]. Se si attiva il
tasto si selezionerà la modalità LAST CUE; se si
disattiva il tasto si selezionerà la modalità MIX CUE.
Quando si attiva questa modalità, il segnale di
attivazione verrà disattivato per tutti i canali.
DManopola CUE [LEVEL]
Questa manopola consente di regolare il livello del
segnale emesso dai jack CUE OUT.
ETasto [OUTPUT PFL]
(Pre-Fader Listen output)
Consente di modificare la posizione dalla quale il
segnale viene trasmesso al bus CUE quando si attiva
il tasto [CUE] di un canale di uscita (canale MIX,
MATRIX o STEREO A/B). Se il tasto è attivato, verrà
inviato il segnale PFL (pre-fader). Se il tasto è
disattivato, verrà inviato il segnale POST ON
(immediatamente dopo il tasto [ON]).
L'unità PM5D consente di selezionare la modalità SOLO o
CUE quando si utilizza il tasto [CUE] per monitorare i
segnali. Utilizzare il tasto [SOLO] nella sezione CUE per
pannello per attivare la modalità.
In modalità CUE, tenendo premuto il tasto [SOLO] si
attiverà la modalità SOLO; i tasti [CUE] di tutti i canali si
spegneranno. Al contrario, in modalità SOLO, premendo il
tasto [SOLO] si passerà subito alla modalità CUE.
Di seguito sono riportate le differenze tra le due modalità.
• Modalità CUE
I segnali di attivazione dei canali/gruppi DCA per i
quali il tasto [CUE] è attivato saranno trasmessi
tramite il bus CUE ed emessi dai jack CUE OUT
(funzione Cue). Selezionare questo metodo quando si
desidera monitorare un segnale senza influire sugli altri
canali. Quando l'unità PM5D è nello stato di default, il
segnale di attivazione può essere monitorato anche dai
jack MONITOR OUT.
• Modalità SOLO
Saranno trasmessi dai bus MIX/MATRIX/STEREO
solo i canali/gruppi DCA per i quali il tasto [CUE] è
attivato, mentre gli altri canali o gli altri gruppi DCA
saranno esclusi (funzione Solo). Anche il jack
MONITOR OUT trasmetterà il segnale solo da questi
stessi canali/gruppi DCA.
Nota
• Se viene isolato un canale di ingresso, le impostazioni di
attivazione/disattivazione dei canali di uscita resteranno
immutate; solo il segnale del canale di ingresso
corrispondente sarà trasmesso ai bus. Se viene isolato un
canale di uscita, le impostazioni di attivazione/disattivazione
dei canali di ingresso resteranno immutate; solo il segnale
del canale di ingresso corrispondente sarà trasmesso al bus
corrispondente.
• Se viene isolato un gruppo DCA, verranno emessi ai bus
corrispondenti solo i segnali dei canali di ingresso dei canali
di ingresso appartenenti al gruppo DCA. Se i canali di uscita
vengono assegnati ai gruppi DCA 7/8i segnali verranno
trasmessi solo ai bus che appartengono a quel gruppo DCA.
Suggerimento
Se si desidera, è possibile escludere canali specifici dalle
operazioni di isolamento (
➥
p. 241).
Elementi della sezione CUE
2
3
4
5
1
Informazioni sulle modalità CUE
e SOLO

PM5D/PM5D-RH V2/DSP5D – Manuale di istruzioni Sezione operazioni 103
11
Funzioni Monitor (Monitoraggio) e Cue (Segnale di attivazione)
I segnali di attivazione e di isolamento dell'unità PM5D
possono essere suddivisi nei quattro gruppi riportati di
seguito.
• Gruppo INPUT CUE
Questo gruppo è costituito dai segnali di attivazione/
isolamento dei canali di ingresso. Questo gruppo viene
attivato quando si preme il tasto [CUE] di un canale di
ingresso, ST IN (INGRESSO STEREO) o FX RTN
(RITORNO EFFETTO) per attivarlo.
• Gruppo DCA CUE
Questo gruppo è costituito dai segnali di attivazione/
isolamento dei gruppi DCA. Questo gruppo viene
attivato quando si preme il tasto [CUE] nell'area DCA
per attivarlo.
• Gruppo OUTPUT CUE
Questo gruppo è costituito dai segnali di attivazione/
isolamento dei canali di uscita. Questo gruppo viene
attivato quando si preme il tasto [CUE] di un canale
MIX, MATRIX o STEREO A/B per attivarlo.
• Altro gruppo CUE
Questo gruppo è costituito dai segnali di attivazione/
isolamento azionati dai pulsanti CUE sul display.
Questo gruppo viene attivato quando si fa clic su un
pulsante CUE nella schermata EFFECT PARAM
(PARAMETRI EFFETTO) per la funzione EFFECT
(EFFETTO) o nella schermata GATE PARAM
(PARAMETRI GATE) per la funzione INPUT GATE/
COMP (COMP/GATE INGRESSO).
Non è possibile attivare contemporaneamente la
funzione Cue tra gruppi differenti. In genere, ha la
priorità il gruppo a cui appartiene il tasto [CUE]
premuto per ultimo (o il pulsante CUE) mentre i tasti
[CUE] del gruppo selezionato in precedenza vengono
ignorati.
Tuttavia, se si sono attivati i gruppi di segnali di
attivazione /isolamento secondo un certo ordine, lo
stato del tasto [CUE] del gruppo selezionato in
precedenza verrà ripristinato quando si disattiva il tasto
[CUE] (pulsante CUE) per annullare la selezione del
segnale di attivazione/isolamento.
Lo stato del tasto [CUE] può essere ripristinato per le
seguenti combinazioni di gruppi:
• Gruppo OUTPUT CUE → Gruppo DCA CUE
• Gruppo OUTPUT CUE → Gruppo INPUT CUE
• Gruppo DCA CUE → Gruppo INPUT CUE
• Gruppo INPUT CUE/OUTPUT CUE/DCA CUE
→ Altro gruppo CUE
Se, ad esempio, si cambia gruppo nell'ordine gruppo
OUTPUT CUE → gruppo DCA CUE → gruppo
INPUT CUE → Altro gruppo CUE, sarà possibile
disattivare i tasti [CUE] (pulsanti CUE) per ripristinare
successivamente lo stato del tasto [CUE] del gruppo
selezionato in precedenza.
Gruppi di Cue e Solo
Tasto [CUE] canale
di ingresso
Tasto [CUE] canale
ST IN/FX RTN
Tasto [CUE] area DCA
Tasto [CUE] canale
MIX/MATRIX
Tasto [CUE] canale
STEREO A/B
Pulsante CUE sul display

11 Funzioni Monitor (Monitoraggio) e Cue (Segnale di attivazione)
104 PM5D/PM5D-RH V2/DSP5D – Manuale di istruzioni Sezione operazioni
In questa sezione viene illustrato come utilizzare il tasto
[CUE] del canale o del gruppo DCA desiderato per
monitorare il segnale di attivazione.
Nota
Se si desidera che il segnale di attivazione/isolamento venga
emesso anche dai jack MONITOR OUT, accedere alla
schermata MONITOR (funzione MON/CUE) e accertarsi che
il pulsante di attivazione /disattivazione CUE INTERRUPTION
sia attivato prima di continuare con la procedura seguente
(
➥
p. 239).
1Utilizzando il tasto [OUTPUT PFL] della sezione
CUE, selezionare una delle seguenti come
posizione di output del segnale trasmesso al
bus CUE quando viene premuto il tasto [CUE]
di un canale di uscita.
• PFL (il tasto [OUTPUT PFL] è attivato)
Verrà inviato al bus CUE il segnale subito prima del
fader.
• POST ON (il tasto [OUTPUT PFL] è disattivato)
Verrà inviato al bus CUE il segnale subito dopo il tasto
[ON].
Suggerimento
L'impostazione sopra indicata può essere anche configurata
nella schermata CUE (funzione MON/CUE) (
➥
p. 240).
In questa schermata è inoltre possibile specificare la
posizione di output del segnale trasmesso dai canali di
ingresso e gruppi DCA al bus CUE.
2Nella sezione CUE, utilizzare il tasto [LAST
CUE] per specificare la modalità di
funzionamento quando si attiva più di un tasto
[CUE] nello stesso gruppo.
• Modalità LAST CUE (il tasto [LAST CUE] è attivato)
Verrà monitorato solo il canale o il gruppo il cui tasto
[CUE] è stato attivato per ultimo.
• Modalità MIX CUE (il tasto [LAST CUE] è
disattivato)
Verranno monitorati i canali/gruppi all'interno dello
stesso gruppo il cui tasto [CUE] è attivato.
Nota
• I tasti [CUE] appartenenti a gruppi differenti non possono
essere attivati contemporaneamente. Verrà attivato il gruppo
a cui appartiene il tasto [CUE] premuto per ultimo, il che
consente di monitorare i segnali di tale gruppo.
• Se si preme il tasto [CUE] di un canale accoppiato, saranno
attivati entrambi i canali.
3Accertarsi che il tasto [SOLO] nella sezione
CUE sia disattivato.
4Premere il tasto [CUE] del canale o del gruppo
DCA desiderato per attivarlo.
Il segnale di attivazione del canale corrispondente verrà
emesso dai jack CUE OUT e MONITOR OUT.
5Per disattivare la funzione Cue, premere
ancora una volta il tasto [CUE] correntemente
attivo.
Suggerimento
Se si preme il tasto [LAST CUE] per passare dalla modalità
LAST CUE alla modalità MIX CUE (o viceversa), tutti i segnali
di attivazione/isolamento precedentemente attivati saranno
annullati. Se ad esempio si sono attivati più tasti [CUE] in
modalità MIX CUE, sarà possibile disattivarli tutti rapidamente
premendo due volte il tasto [LAST CUE].
In questa sezione viene illustrato come utilizzare la
funzione Solo.
1Utilizzare il tasto [LAST CUE] della sezione CUE
per specificare la modalità di funzionamento
quando si attiva un tasto [CUE] (modalità LAST
CUE o MIX CUE).
2Nella sezione CUE, tenere premuto il tasto
[SOLO].
Se si tiene premuto il tasto [SOLO], il LED del tasto
lampeggerà e verrà attivata la modalità SOLO. In
modalità SOLO, verrà inviato ai bus MIX, MATRIX e
STEREO solo il segnale del canale o del gruppo DCA
del quale si è attivato il tasto [CUE]. Lo stesso segnale
può inoltre essere monitorato dai jack MONITOR
OUT e CUE OUT.
Suggerimento
Se si desidera, è possibile escludere canali o gruppi specifici
dalle operazioni di isolamento (per ulteriori informazioni,
vedere a
➥
p. 241).
3Attivare il tasto [CUE] del canale o del gruppo
DCA desiderato.
Verrà trasmesso ai bus e ai jack di uscita il segnale solo
del canale o del gruppo DCA corrispondente mentre
gli altri canali e gruppi DCA verranno esclusi. Lo stesso
segnale sarà inoltre emesso dai jack MONITOR OUT e
CUE OUT.
Nota
Se si attiva il tasto [CUE] di un canale di uscita, il segnale
verrà trasmesso solo al bus corrispondente.
4Per disattivare la funzione Solo, premere il
tasto [SOLO].
Se si preme il tasto [SOLO] mentre si è in modalità
SOLO, si tornerà subito alla modalità CUE.
Suggerimento
In genere le funzioni Cue/Solo possono essere utilizzate
indipendentemente dalle memorie scene.
Utilizzo della funzione Cue
MONITOR CUE INTERRUPTION
Utilizzo della funzione Solo

PM5D/PM5D-RH V2/DSP5D – Manuale di istruzioni Sezione operazioni 105
12
Sezioni Talkback e Oscillator
In questo capitolo vengono illustrate le modalità di utilizzo delle sezioni Talkback e Oscillator.
Informazioni sulle sezioni TALKBACK/OSCILLATOR
Le sezioni TALKBACK e OSCILLATOR consentono di inviare il segnale di un microfono collegato al jack TALKBACK o il
segnale di un oscillatore di prova ai jack di uscita desiderati.
Il flusso del segnale nella sezione TALKBACK/OSCILLATOR è il seguente.
AJack TALKBACK
Jack XLR-3-31 bilanciato a cui è possibile collegare un
microfono talkback. È possibile configurare le
impostazioni sul display per fornire l'alimentazione
phantom +48V a questo jack.
BManopola TALKBACK [LEVEL]
Consente di regolare il livello di input del microfono
collegato al jack TALKBACK.
CTasto TALKBACK [ON]
Consente di attivare o disattivare il segnale talkback.
Il talkback resta attivato per tutto il tempo in cui si
tiene premuto questo tasto. Se si preme e si rilascia
subito il tasto, il talkback resta attivato fino a quando
il tasto viene premuto di nuovo.
Tuttavia, se il pulsante NEVER LATCH (NON
BLOCCARE) è attivato nella schermata TALKBACK,
il talkback resta attivo solo mentre si tiene premuto il
tasto e viene disattivato quando si rilascia il tasto; il
talkback quindi non viene "bloccato" (attivato) se il
tasto viene premuto e subito rilasciato.
DTasto OSCILLATOR [ON]
Switch che consente di attivare e disattivare il segnale
inviato dall'oscillatore interno al bus specificato.
Nota
Se il tasto OSCILLATOR [ON] è disattivato, e viene
visualizzata una schermata diversa da OSCILLATOR
(funzione TALKBACK), premendo questo tasto verrà
visualizzata solo la schermata OSCILLATOR e il tasto non
verrà attivato. Premendo nuovamente il tasto, questo verrà
attivato. Se il tasto è attivato, premendolo di nuovo verrà
disattivato, a prescindere dalla schermata visualizzata.
12 Sezioni Talkback e Oscillator
PM5D
DSP5D
Elementi presenti nelle sezioni
TALKBACK/OSCILLATOR
2
4
1
3

12 Sezioni Talkback e Oscillator
106 PM5D/PM5D-RH V2/DSP5D – Manuale di istruzioni Sezione operazioni
Utilizzo del talkback
Di seguito viene descritto come trasmettere il segnale talkback dal relativo jack TALKBACK ai bus desiderati.
1Premere più volte il tasto [MON/CUE]
(MONITOR/SEGNALE ATTIVAZ.) nella sezione
DISPLAY ACCESS (ACCESSO DISPLAY) fino a
quando verrà visualizzata la schermata
TALKBACK.
Nota
Se si seleziona l'unità PM5D quando è collegata in cascata
con l'unità DSP5D, il campo TALKBACK IN non verrà
visualizzato.
2Ruotare la manopola TALKBACK [LEVEL] per
regolare la sensibilità di input del microfono
talkback.
L'indicatore nell'area TALKBACK IN riporta il livello
di input del microfono collegato al jack TALKBACK.
Se si desidera fornire alimentazione phantom (+48V)
al jack TALKBACK, attivare il pulsante +48V nell'area
TALKBACK IN.
Suggerimento
Nell'area INPUT TO TALKBACK è possibile utilizzare
qualsiasi jack INPUT 1–48 come ingresso supplementare
per il talkback.
3Fare clic su un pulsante nell'area BUS ASSIGN
per indicare i bus a cui si desidera inviare il
segnale di talkback (sono consentite selezioni
multiple).
Questi pulsanti corrispondono ai bus riportati di
seguito.
Suggerimento
Se necessario, è possibile trasmettere il segnale di talkback
direttamente da un canale di uscita degli slot 1–4 o dai jack
2TR OUT DIGITAL (USCITA DIGITALE 2TR) 1–3. Per questa
operazione, fare clic sul pulsante PATCH (ASSEGNA)
nell'area TALKBACK OUT per accedere alla schermata
OUTPUT PATCH (ASSEGNAZIONE OUTPUT) e assegnare il
talkback al jack che si desidera utilizzare per l'output diretto.
4Per attivare il talkback, premere il tasto
TALKBACK [ON] nella sezione TALKBACK del
pannello.
È possibile utilizzare il tasto TALKBACK [ON] in uno
dei due modi seguenti, a seconda dell'impostazione del
pulsante NEVER LATCH nell'area TALKBACK.
• Se il pulsante NEVER LATCH è disattivato
Il talkback viene attivato o disattivato ogni volta che si
preme il tasto TALKBACK [ON] (Bloccato). Se si tiene
invece premuto il tasto TALKBACK [ON], il talkback
resta attivato e viene disattivato solo quando si rilascia
il tasto (Sbloccato).
• Se il pulsante NEVER LATCH è attivato
Il talkback resterà attivato solo mentre si tiene premuto
il tasto TALKBACK [ON], quindi si disattiverà quando
il tasto viene rilasciato (Sbloccato).
Suggerimento
• Il tasto TALKBACK [ON] del pannello e il pulsante
TALKBACK ON/OFF della schermata sono collegati.
L'impostazione del pulsante NEVER LATCH quindi riguarda
entrambi. Tuttavia se il pulsante NEVER LATCH è
disattivato, tenendo premuto il pulsante a video TALKBACK
ON/OFF si attiverà l'operazione di blocco.
• Quando il talkback è attivato, è possibile utilizzare
l'attenuatore talkback per diminuire i livelli di monitoraggio
che non riguardano il talkback (
➥
p. 239).
• È inoltre possibile assegnare la funzione di talkback a un
tasto definito dall'utente (
➥
p. 208).
Pulsanti MIX
(MISSAGGIO) 1–24 Bus MIX 1–24
Pulsanti MATRIX
(MATRICE) 1-8 Bus MATRIX 1-8
STEREO AL/R Canali L/R bus STEREO A
STEREO BL/R Canali L/R bus STEREO B
TALKBACK Area BUS ASSIGN
(ASSEGNAZ. BUS)
Area TALKBACK
Area INPUT TO TALKBACK
(INPUT TALKBACK) Area TALKBACK OUT
(OUTPUT TALKBACK)

PM5D/PM5D-RH V2/DSP5D – Manuale di istruzioni Sezione operazioni 107
12
Sezioni Talkback e Oscillator
Utilizzo dell'oscillatore
L'unità PM5D è dotata di un oscillatore di prova. Trasmettendo il segnale dell'oscillatore al bus desiderato è possibile
controllare il funzionamento dei dispositivi collegati o verificare l'acustica di una sala.
1Premere più volte il tasto [MON/CUE] nella
sezione DISPLAY ACCESS fino a quando verrà
aperta la schermata OSCILLATOR.
2Fare clic su un pulsante nella sezione OSC
MODE per selezionare il tipo di oscillatore per
l'output tra le voci seguenti.
3Utilizzare le manopole e i pulsanti nell'area
PARAMETERS per regolare i parametri
dell'oscillatore.
I parametri regolabili dipendono dal tipo di oscillatore
selezionato al punto 2. Ad esempio, se è stato
selezionato SINE WAVE 1CH, nell'area
PARAMETERS saranno disponibili i parametri
seguenti.
4Fare clic su un pulsante nell'area BUS ASSIGN
per selezionare la destinazione di uscita del
segnale dell'oscillatore tra le voci seguenti.
Suggerimento
• Se è stato selezionato SINE WAVE 2CH come tipo di
oscillatore, il segnale del canale sinistro dell'oscillatore verrà
inviato ai bus con numeri dispari (o al jack di uscita sinistro)
e il segnale del canale destro dell'oscillatore verrà inviato ai
bus con numeri pari (o al jack di uscita destro).
• È possibile utilizzare l'area OSC OUT per trasmettere
direttamente il segnale dell'oscillatore da un jack o uno slot
di uscita (
➥
p. 237).
5Premere il tasto OSCILLATOR [ON] nella
sezione OSCILLATOR.
Il segnale dell'oscillatore verrà inviato ai bus selezionati
al punto 4. Se si preme di nuovo il tasto, l'oscillatore
verrà disattivato.
Suggerimento
Il tasto OSCILLATOR [ON] del pannello e il pulsante OSC
ON/OFF della schermata sono collegati.
Nota
Se il tasto OSCILLATOR [ON] è disattivato, e viene
visualizzata una schermata diversa da OSCILLATOR
(funzione TALKBACK), premendo questo tasto verrà
visualizzata solo la schermata OSCILLATOR e il tasto non
verrà attivato. Premendo nuovamente il tasto, questo verrà
attivato.
Pulsante SINE WAVE 1CH
(ONDA SINUSOIDALE
1 CANALE) Onda sinusoidale per 1 canale
Pulsante SINE WAVE 2CH Onda sinusoidale per 2 canali
Pulsante PINK NOISE Rumore rosa
Pulsante BURST NOISE Rumore (rumore rosa
trasmesso ripetutamente)
OSCILLATOR Area BUS ASSIGN
Area OSC MODE
(MODALITÀ
OSCILLATORE)
Area PARAMETERS
(PARAMETRI)
Area OSC OUT
(OUTPUT
OSCILLATORE)
Manopola FREQ
(FREQUENZA)
Consente di regolare la
frequenza dell'onda
sinusoidale prodotta
dall'oscillatore. Per
selezionare le frequenze
preset, fare clic sui
pulsanti riportati di
seguito.
Manopola LEVEL
Consente di regolare
il livello di output
dell'oscillatore.
MIX 1–24 Bus MIX 1–24
MATRIX 1–8Bus MATRIX 1-8
STEREO AL/R Canali L/R bus STEREO A
STEREO BL/R Canali L/R bus STEREO B

13 Indicatori
108 PM5D/PM5D-RH V2/DSP5D – Manuale di istruzioni Sezione operazioni
In questo capitolo vengono illustrate le operazioni relative agli indicatori.
Elementi della sezione degli indicatori
Nella sezione degli indicatori sono riportati i livelli di input dei canali di ingresso e i livelli di output dei canali di uscita.
AIndicatori INPUT/MIX (INPUT/MISSAGGIO)
A seconda del tasto premuto, gli indicatori riportano i
livelli di input dei canali di ingresso 1–24 o 25–48 o i
livelli di output dei canali MIX 1–24.
BTasto [CH 1-24/ST IN/FX RTN] (CANALI 1-
24/INGR. STEREO/RIT. EFFETTO)
Quando questo tasto è attivato, gli indicatori INPUT/
MIX riportano i livelli di input dei canali di ingresso
1–24 e gli indicatori ST IN/FX RTN/MATRIX
(MATRICE) riportano il livello di output dei canali ST
IN o dei canali FX RTN 1–4, a seconda
dell'impostazione FOLLOW INPUT LAYER – SEGUI
LAYER INPUT.
CTasto [CH 25-48/FX RTN/ST IN]
Quando questo tasto è attivato, gli indicatori INPUT/
MIX riportano i livelli di input dei canali di ingresso
25–48 e gli indicatori ST IN/FX RTN/MATRIX
riportano il livello di output dei canali FX RTN o dei
canali ST IN 1–4, a seconda dell'impostazione
FOLLOW INPUT LAYER.
DTasto [MIX/MASTER]
Quando questo tasto è attivato, gli indicatori INPUT/
MIX riportano i livelli di output dei canali MIX 1–24 e
gli indicatori ST IN/FX RTN/MATRIX riportano i
livelli di output dei canali MATRIX 1–8.
ETasto [PEAK HOLD] (MEMORIZZA PICCO)
Consente di attivare e disattivare la funzione di
memorizzazione picco per il display dell'indicatore.
FIndicatori ST IN/FX RTN/MATRIX
A seconda del tasto premuto, questi indicatori
riportano i livelli di output dei canali ST IN 1–4 o dei
canali MATRIX 1–8.
GIndicatori di livello MASTER
Questi indicatori riportano sempre i livelli di output
dei canali STEREO A/B e del bus CUE (SEGNALE DI
ATTIVAZ.).
Utilizzo del display degli indicatori
È possibile utilizzare i tasti della sezione degli indicatori per
specificare i canali dei quali verranno riportati i livelli negli
indicatori INPUT/MIX e ST IN/MATRIX. A ciascun tasto
corrispondono i canali riportati di seguito.
Suggerimento
• Il tipo dei canali riportati nella sezione degli indicatori è
illustrato anche nell'area METER SECTION (SEZIONE
INDICATORI) nella parte superiore destra del display.
• Gli indicatori MASTER riportano sempre i livelli di output
dei canali STEREO A/B e del bus CUE.
13 Indicatori
MIX
PEAK
HOLD
CH 1 -24
24
OVER
-3
-6
-9
-12
-15
-18
-24
-30
-40
-50
-60
OVER
-3
-6
-9
-12
-15
-18
-24
-30
-40
-50
-60
2322212019181716151413121110987654321
ST IN/
/ST IN
MATRIX
OVER
-3
-6
-9
-12
-15
-18
-24
-30
-40
-50
-60
OVER
-3
-6
-9
-12
-15
-18
-24
-30
-40
-50
-60
OVER
-3
-6
-9
-12
-15
-18
-24
-30
-40
-50
-60
OVER
-3
-6
-9
-12
-15
-18
-24
-30
-40
-50
-60
STEREO
A
STEREO
B CUE
LR LR LR
1L 1R 2L 2R 3L 3R 4L 4R
MATRIX
ST IN / /
1 2 3 4 5 6 7 8
1
32 54
6 7
Tasto Indicatori
[INPUT/MIX] Indicatori
[ST IN/MATRIX]
Tasto [CH 1-24/
ST IN/FX RTN] Canali di
ingresso 1–24 Canali ST
(o canali FX RTN) 1–4
Tasto [CH 25-48/
FX RTN/ST IN] Canali di
ingresso 25–48 Canali FX RTN
(o canali ST IN) 1–4
Tasto [MIX/MATRIX] Canali MIX 1–24 Canali MATRIX 1–8

PM5D/PM5D-RH V2/DSP5D – Manuale di istruzioni Sezione operazioni 109
13
Indicatori
Impostazione del punto di misurazione
Il punto di misurazione per gli indicatori di livello (ovvero la posizione in cui è rilevato il livello) può essere specificato in
modo indipendente per i canali di ingresso e di uscita.
Di seguito viene indicato come specificare il punto di
misurazione per i canali di ingresso e per i canali ST IN/FX
RTN.
1Nella sezione DISPLAY ACCESS (ACCESSO
DISPLAY) premere più volte il tasto [METER]
(INDICATORE) per accedere alla schermata
INPUT METER (INDICATORE INPUT).
2Fare clic sui pulsanti / a destra e a sinistra
della casella METERING POINT per scegliere
uno dei seguenti punti di misurazione.
Di seguito viene indicato come specificare il punto di
misurazione per i canali di uscita, i canali MONITOR e il
bus CUE.
Suggerimento
L'impostazione del punto di misurazione per il bus CUE è
indipendente dagli altri canali di uscita.
1Nella sezione DISPLAY ACCESS premere più
volte il tasto [METER] per accedere alla
schermata OUTPUT METER (INDICATORE
OUTPUT).
2Per indicare il punto di misurazione dei canali
di uscita e dei canali MONITOR, fare clic sui
pulsanti / a destra e a sinistra della casella
METERING POINT per scegliere una delle voci
seguenti.
3Per indicare il punto di misurazione per i bus
CUE, fare clic sui pulsanti / a destra e a
sinistra della casella CUE METERING POINT per
scegliere una delle voci seguenti.
PRE ATT Subito prima dell'attenuatore
PRE GATE Subito prima del gate interno
PRE FADER Subito prima del fader
POST FADER Subito dopo il fader
POST ON Subito dopo il tasto [ON]
Indicazione del punto di misurazione
per i canali di ingresso
INPUT METER
Casella METERING POINT
(PUNTO DI MISURAZ.)
PRE EQ Subito prima dell'equalizzatore
PRE FADER Subito prima del fader
POST FADER Subito dopo il fader
POST ON Subito dopo il tasto [ON]
POST DELAY Subito dopo il delay interno
PRE DELAY Subito prima del delay interno
POST DELAY Subito dopo il delay interno
Indicazione del punto di misurazione
per i canali di uscita
OUTPUT METER
Casella
METERING POINT Casella CUE
METERING POINT

13 Indicatori
110 PM5D/PM5D-RH V2/DSP5D – Manuale di istruzioni Sezione operazioni
Visualizzazione della riduzione del guadagno dei gate e
dei compressori interni
È possibile visualizzare sul display la quantità di riduzione del guadagno prodotto dai gate/compressori dei canali di ingresso e
la quantità di riduzione del guadagno prodotto dai compressori dei canali di uscita.
Di seguito viene indicato come visualizzare la quantità
della riduzione del guadagno prodotto dai gate/
compressori per i canali di ingresso 1–48 e per i canali
ST IN 1–4.
1Nella sezione DISPLAY ACCESS premere più
volte il tasto [METER] per accedere alla
schermata INPUT GR (RIDUZ. GUADAGNO
INPUT).
2Fare clic sul pulsante GATE o sul pulsante
COMP per selezionare il parametro che verrà
visualizzato.
Per una spiegazione degli elementi riportati nella
schermata, fare riferimento alla spiegazione della
schermata INPUT GR (➥ p. 233) nella sezione
Riferimenti.
Per visualizzare la quantità di riduzione del guadagno
prodotto dai compressori per i canali di uscita, premere
più volte il tasto [METER] della sezione DISPLAY
ACCESS per accedere alla schermata OUTPUT GR
(RIDUZIONE GUADAGNO OUTPUT).
Per una spiegazione degli elementi riportati nella
schermata, fare riferimento alla spiegazione della
schermata OUTPUT GR (➥ p. 234) nella sezione
Riferimenti.
Visualizzazione della riduzione
del guadagno per i canali di ingresso
INPUT GR
Pulsante GATE Pulsante COMP (COMPRESSORE)
Visualizzazione della riduzione
del guadagno per i canali di uscita
OUTPUT GR

PM5D/PM5D-RH V2/DSP5D – Manuale di istruzioni Sezione operazioni 111
14
Effetti
In questo capitolo sono illustrate le funzionalità e l'utilizzo degli effetti interni dell'unità PM5D.
Informazioni sugli effetti interni
L'unità PM5D è dotata di otto moduli di effetti interni. Per ciascun modulo, è possibile selezionare uno dei 55 tipi di effetti
disponibili.
Nota
È possibile utilizzare gli otto effetti anche come moduli per
l'equalizzatore grafico (GEQ) (
➥
p. 119).
Per utilizzare un effetto interno mediante mandata/ritorno,
assegnare l'output di un canale MIX all'input dell'effetto e
l'output dell'effetto a un canale di ingresso. In questo caso,
viene utilizzato il bus MIX corrispondente come bus AUX
della mandata effetti, mentre il canale di ingresso viene
utilizzato come canale di ritorno effetti.
Per default, i canali di uscita destro/sinistro degli effetti 1-4
vengono assegnati ai canali destro e sinistro FX RTN (RIT.
EFFETTI) 1-4.
In alternativa, è possibile inserire un effetto interno in un
canale assegnando l'input/output dell'effetto interno
all'insert-out/insert-in del canale desiderato.
I tipi di effetti della console PM5D rientrano in due
categorie, "tipi di effetto stereo" che elaborano i segnali di
input del canale di sinistra e di destra in modo
indipendente e "tipi di effetto mix" che combinano i due
canali prima di elaborarne il segnale.
Se i segnali vengono assegnati a entrambi gli input (L/R)
di un effetto, il modo in cui i canali L/R vengono elaborati
dipenderà dal fatto che venga selezionato un tipo di effetto
Stereo oppure Mix, come riportato di seguito.
Se un segnale viene assegnato a un solo input di un effetto,
verrà elaborato come mono-in/stereo-out
indipendentemente dalla selezione di un tipo di effetto
Stereo o Mix.
14 Effetti
OUTPUT PATCH
INPUT PATCH
EFFECT 1
EFFECT 2
EFFECT 3
EFFECT 8
Ingressi canali
INPUT 1-48
Ingressi canali ST
IN (INGRESSO
Ingressi canali FX
RTN 1–4
Uscite
canali MIX
1–24
EFFECT
Insert-out del
canale desiderato Insert-in del canale
desiderato
INPUT L EFFECT L L RETURN
INPUT R EFFECT R R RETURN
INPUT L L RETURN
INPUT R
EFFECT
R RETURN
• Tipi di effetto stereo
• Tipi di effetto mix
L RETURN
EFFECT
R RETURN
INPUT L
o R

14 Effetti
112 PM5D/PM5D-RH V2/DSP5D – Manuale di istruzioni Sezione operazioni
Utilizzo di un effetto interno tramite un bus MIX
In questa sezione viene illustrato come utilizzare un effetto
interno tramite un bus MIX. Come esempio, si selezionerà
l'effetto 1, si assegnerà il bus MIX 1 all'input dell'effetto e si
assegnerà l'output dell'effetto ai canali FX RTN 1/2.
1Nella sezione DISPLAY ACCESS (ACCESSO
DISPLAY) premere più volte il tasto INPUT
[PAN/ROUTING] (PAN/INSTRADAMENTO) per
accedere alla schermata CH to MIX (CANALE A
MISSAGGIO).
2Verificare che nella casella di selezione del tipo
di bus MIX 1 sia indicato "VARI" (VARIAZIONE).
Se la casella riporta "FIXED" (FISSO), fare clic sui
pulsanti / a sinistra e a destra per modificare
l'indicazione in "VARI", quindi premere il tasto
[ENTER] (o fare clic all'interno della casella) per
applicare la modifica.
In questa casella è possibile impostare l'utilizzo del bus
MIX (VARI o FIXED). Se viene selezionato VARI, i
livelli di mandata al bus saranno regolabili.
Suggerimento
La selezione VARI/FIXED riguarda due bus MIX adiacenti con
numerazione pari/dispari. Se l'input dell'effetto è stereo, è
opportuno accoppiare questi due bus MIX.
3Nella sezione DISPLAY ACCESS, premere più
volte il tasto [EFFECT] per accedere alla
schermata EFFECT PARAM (PARAM. EFFETTI).
4Verificare che nella casella nella parte
superiore sinistra della schermata sia indicato
EFFECT 1.
In questa casella è possibile selezionare il modulo effetti
da controllare. Se è selezionato un modulo diverso, fare
clic sui pulsanti / a sinistra e a destra per scegliere
EFFECT 1.
Suggerimento
È possibile accedere alla schermata EFFECT ASSIGN
(ASSEGNAZ. EFFETTI) della funzione EFFECT per
visualizzare gli otto moduli di effetti tutti insieme quando si
assegnano i percorsi dei segnali agli input e output degli
effetti, oppure utilizzare le funzioni Bypass e Cue (
➥
p. 168).
5Nell'area INPUT, fare clic sui pulsanti / a
sinistra e a destra della casella L CH (CANALE
SINISTRO) per selezionare MIX 1 (canale
MIX 1) quindi premere il tasto [ENTER] o
fare clic all'interno della casella.
L'output del canale MIX 1 verrà assegnato all'input
sinistro dell'effetto.
Se il percorso del segnale è già assegnato, quando si
preme [ENTER] verrà visualizzata una finestra con la
richiesta di conferma dell'assegnazione. Per confermare
l'assegnazione, fare clic sul pulsante OK.
Se si desidera utilizzare l'input come effetto stereo,
assegnare il canale MIX 2 alla casella R CH (CANALE
DESTRO) seguendo la stessa procedura.
6Nell'area OUTPUT, verificare che nella casella
L CH sia indicato FX RTN1L e che nella casella
R CH sia indicato FX RTN1R.
Le caselle L CH/R CH nell'area OUTPUT consentono
di selezionare i canali di ingresso assegnati alle uscite
destra e sinistra dell'effetto.
Per default, i canali di uscita destro/sinistro dell'effetto
1 vengono assegnati al canale FX RTN 1 (L/R). Se sono
selezionati dei canali diversi, utilizzare i pulsanti /
a sinistra e a destra delle caselle per selezionare
rispettivamente FX RTN1L e FX RTN1R.
7Impostare la manopola MIX BALANCE su 100.
La manopola MIX BALANCE consente di regolare il
bilanciamento tra il suono originale e quello degli
effetti inclusi nel segnale di uscita dall'effetto. Se la
manopola è sulla posizione 100 (%), verrà trasmesso
solo l'audio dell'effetto.
8Nella sezione ENCODER MODE (MODALITÀ
ENCODER) premere il tasto MIX SEND LEVEL
[1] (LIVELLO MANDATA MISSAGGIO) per
visualizzare "1" nell'indicatore della modalità
dell'encoder.
In questo modo è possibile utilizzare gli encoder dei
canali di ingresso per regolare il livello di mandata da
ciascun canale al bus MIX 1.
9Utilizzare gli encoder della channel strip
INPUT e della channel strip ST IN per regolare
il livello di mandata del segnale inviato da
ciascun canale al bus MIX 1.
Non alzare l'encoder del canale FX RTN che si sta utilizzando
come ritorno degli effetti. In tal modo l'uscita dell'effetto viene
infatti reinviata all'ingresso, causando una possibile
oscillazione.
CH to MIX Casella di selezione del tipo
EFFECT PARAM Area OUTPUT
Area INPUT
Manopola MIX BALANCE
(BILANCIAM.
MISSAGGIO)
Il modulo effetti
utilizzato

PM5D/PM5D-RH V2/DSP5D – Manuale di istruzioni Sezione operazioni 113
14
Effetti
Suggerimento
• La posizione di mandata dei segnali inviati dai canali di
ingresso al bus MIX può essere specificata per ciascun
canale (
➥
p. 51).
• In alternativa, per regolare il livello di mandata, è possibile
attivare il tasto [MIX SEND] della sezione MIX, quindi
utilizzare un tasto [SEL] per selezionare un canale di
ingresso e ruotare l'encoder MIX corrispondente (
➥
p. 51).
10 Nella sezione MIX, premere il tasto [MIX
MASTER] per attivarlo (LED acceso).
Quando il tasto [MIX MASTER] è attivato, è
possibile utilizzare i controlli della sezione MIX per
gestire i canali MIX 1-24.
11 Premere il tasto MIX [ON] del canale MIX
per attivarlo. Utilizzare l'encoder MIX del
canale MIX per regolare il livello di mandata
master del segnale inviato all'effetto.
12 Nella channel strip FX RTN, premere il tasto
[ON] del canale FX RTN 1 per attivarlo.
13 Per regolare il livello del ritorno effetti
utilizzare il fader del canale FX RTN 1.
Suggerimento
È possibile visualizzare i livelli di input/output dell'effetto negli
indicatori riportati nella schermata EFFECT PARAM o nella
schermata EFFECT ASSIGN.
Inserimento di un effetto interno in un canale
È possibile inserire un effetto interno in un canale assegnando l'input/output dell'effetto interno all'insert-out/insert-in del
canale desiderato. Di seguito è riportato un esempio di inserimento di un effetto in un canale di ingresso.
1Nella sezione DISPLAY ACCESS, premere più
volte il tasto [EFFECT] per accedere alla
schermata EFFECT PARAM.
2Per selezionare il modulo effetti da utilizzare,
fare clic sui pulsanti / a sinistra e a destra
della casella nella parte superiore sinistra della
schermata.
3Nell'area INPUT, utilizzare i pulsanti / a
sinistra e a destra della casella L CH per
selezionare l'insert-out del canale in cui si
desidera inserire l'effetto, quindi premere il
tasto [ENTER]. Se il percorso del segnale è
stato già assegnato, verrà visualizzata una
finestra con la richiesta di conferma
dell'assegnazione.
Se si desidera inserire l'effetto in un canale stereo (o in
due canali accoppiati), utilizzare la casella R CH per
assegnare l'insert-out dell'altro canale seguendo la
stessa procedura.
4Nell'area OUTPUT, utilizzare i pulsanti / a
sinistra e a destra della casella L CH per
selezionare l'insert-in assegnato all'uscita
sinistra dell'effetto.
Se si desidera inserire l'effetto in un canale stereo (o in
due canali accoppiati), utilizzare la casella R CH per
assegnare l'insert-in dell'altro canale seguendo la stessa
procedura.
5Nella sezione DISPLAY ACCESS premere più
volte il tasto INPUT [PATCH] (ASSEGNAZIONE)
per accedere alla schermata INSERT/DIRECT
OUT POINT (PUNTO DI INSERIMENTO/
OUTPUT DIRETTO).
6Attivare il pulsante INSERT ON/OFF per il
canale in cui è stato inserito l'effetto.
Viene quindi abilitato l'inserimento dell'effetto per il
canale corrispondente.
7Utilizzare i pulsanti dell'area INSERT I/O per
specificare il punto di insert-out/in.
Suggerimento
Per ulteriori informazioni sull'area INSERT I/O, fare riferimento
alla schermata INSERT/DIRECT OUT POINT (
➥
p. 281) nella
sezione Riferimenti.
8Attivare il pulsante [ON] per il canale in cui è
stato inserito l'effetto e utilizzare il fader per
regolare il livello di input.
9Accedere alla schermata EFFECT PARAM e
utilizzare la manopola MIX BALANCE per
regolare il bilanciamento del suono dell'effetto
e del suono originale.
È possibile visualizzare i livelli di input/output
dell'effetto negli indicatori riportati nella schermata
EFFECT PARAM o nella schermata EFFECT ASSIGN.
EFFECT PARAM
Area OUTPUT
Area INPUT Manopola MIX
BALANCE
Il modulo effetti utilizzato
Area INSERT
I/O INSERT/DIRECT OUT POINT
Pulsante INSERT ON/OFF
(ATTIVA/DISATTIVA INSERIMENTO)

14 Effetti
114 PM5D/PM5D-RH V2/DSP5D – Manuale di istruzioni Sezione operazioni
Operazioni di base nella schermata degli effetti
In questa sezione viene illustrato come memorizzare o richiamare i dati della libreria effetti e come modificare i parametri
degli effetti.
Nota
I dati creati con versioni precedenti della console PM5D V2.0
possono essere caricati nell'unità PM5D V2.0 o DSP5D.
Tuttavia è necessario spostare il numero 55 della libreria sul
numero 56 o successivo prima di eseguire il caricamento.
Nella console PM5D versione 2.0 o successiva, il numero di
libreria 55 verrà infatti eliminato.
In questa sezione viene illustrato come richiamare le
impostazioni esistenti dalla libreria effetti.
1Nella sezione DISPLAY ACCESS, premere più
volte il tasto [EFFECT] per accedere alla
schermata EFFECT PARAM.
Nota
Non è possibile modificare il tipo di effetto correntemente
selezionato nella schermata EFFECT PARAM. Per modificare
il tipo di effetto, è necessario richiamare (caricare) un
elemento della libreria che utilizza il tipo di effetto desiderato.
2Per selezionare il modulo effetti che si desidera
utilizzare, fare clic sui pulsanti / a sinistra
e a destra della casella sul lato sinistro della
schermata e fare clic sul pulsante LIBRARY.
Verrà visualizzata la schermata EFFECT LIBRARY
(LIBRERIA EFFETTI) che consente di richiamare o
memorizzare le impostazioni nella libreria effetti.
Suggerimento
È possibile accedere a questa schermata anche premendo
più volte il tasto [EFFECT]. In questa schermata è inoltre
possibile selezionare il modulo effetti da controllare.
3Nell'elenco della libreria sulla destra della
schermata, fare clic per selezionare l'elemento
della libreria che si desidera richiamare
Quando si seleziona un elemento della libreria dal
relativo elenco, la riga verrà evidenziata e spostata al
centro dell'elenco. Il tipo di effetto dell'elemento
correntemente selezionato verrà visualizzato sopra
l'elenco della libreria.
4Fare clic sul pulsante RECALL.
Verrà caricato l'elemento della libreria selezionato nel
modulo effetti prescelto.
Suggerimento
Fare clic sul pulsante EDIT (MODIFICA) nella parte superiore
destra della schermata per accedere alla schermata EFFECT
PARAM per l'effetto correntemente selezionato.
Richiamo delle impostazioni
dalla libreria effetti
EFFECT PARAM
Il modulo effetti utilizzato
Pulsante LIBRARY
(Libreria)
EFFECT LIBRARY Pulsante RECALL (RICHIAMA)
Elenco della libreriaTipo di effetto corrente

PM5D/PM5D-RH V2/DSP5D – Manuale di istruzioni Sezione operazioni 115
14
Effetti
Di seguito viene indicato come modificare i parametri di
un effetto interno.
1Nella sezione DISPLAY ACCESS, premere più
volte il tasto [EFFECT] per accedere alla
schermata EFFECT PARAM.
Nella parte inferiore della schermata verranno
visualizzati manopole e pulsanti per la modifica dei
parametri dell'effetto correntemente selezionato. Il
contenuto dei parametri dipende dal tipo di effetto
correntemente selezionato.
2Nella casella nella parte superiore sinistra della
schermata, è possibile selezionare il modulo
effetti da controllare.
3Utilizzare le manopole e i pulsanti nella parte
inferiore della schermata per modificare i
parametri degli effetti.
Per ulteriori informazioni sui parametri degli effetti,
fare riferimento alle Appendici alla fine del presente
manuale.
Suggerimento
Le impostazioni dei parametri per i moduli degli effetti interni
1-8 vengono salvate nella scena. È inoltre possibile
memorizzare le impostazioni dei singoli effetti nella libreria
effetti indipendentemente dalla memoria scene.
Di seguito viene illustrato come memorizzare le
impostazioni dei parametri degli effetti nella libreria effetti.
1Nella sezione DISPLAY ACCESS, premere più
volte il tasto [EFFECT] per accedere alla
schermata EFFECT PARAM.
2Utilizzare la casella nella parte superiore
sinistra della schermata per selezionare il
modulo effetti di cui si desidera salvare le
impostazioni, quindi scegliere il pulsante
LIBRARY.
Verrà visualizzata la schermata EFFECT LIBRARY che
consente di richiamare o memorizzare le impostazioni
nella libreria effetti.
3Nell'elenco della libreria, scegliere il numero
per la destinazione della memorizzazione e
fare clic sulla riga corrispondente.
Nota
Gli elementi della libreria per i quali viene visualizzata una "R"
(sola lettura) nella colonna destra dell'elenco sono elementi
preset della libreria. Questi numeri non possono essere
sovrascritti.
Modifica dei parametri degli effetti
EFFECT PARAM
Il modulo effetti utilizzato
Parametri degli effetti
Memorizzazione delle impostazioni
EFFECT PARAM
Il modulo effetti di cui si
desidera memorizzare i dati
Pulsante LIBRARY
EFFECT LIBRARY
"R" (sola lettura)

14 Effetti
116 PM5D/PM5D-RH V2/DSP5D – Manuale di istruzioni Sezione operazioni
4Fare clic sul pulsante STORE (MEMORIZZA).
Verrà visualizzata la finestra EFFECT LIBRARY
STORE (MEMORIZZ. LIBRERIA EFFETTI) che
consente di assegnare un nome all'elemento della
libreria da salvare.
5Utilizzare la tavolozza dei caratteri per
assegnare un nome all'elemento della libreria.
Per ulteriori informazioni sull'utilizzo della tavolozza
caratteri, vedere a p. 30.
6Fare clic sul pulsante STORE.
Verrà visualizzata una finestra in cui viene richiesto di
confermare l'operazione di memorizzazione.
7Per eseguire l'operazione di memorizzazione
fare clic sul pulsante OK.
I dati verranno memorizzati e si tornerà alla schermata
precedente.
Se si fa clic sul pulsante CANCEL (ANNULLA) invece
che sul pulsante OK, l'operazione di memorizzazione
verrà annullata e si tornerà alla schermata precedente.
Utilizzo della funzione Tap Tempo (Battuta tempo)
In questa sezione viene illustrato come utilizzare la funzione Tap Tempo. "Tap tempo" è una funzione che consente di
specificare la durata di un effetto delay o la velocità di modulazione di un effetto modulazione battendo su un tasto
all'intervallo desiderato.
1Dalla libreria effetti, richiamare un elemento
della libreria il cui effetto utilizza un parametro
TEMPO (ad esempio, Delay+ER, Echo, Chorus).
TEMPO è un parametro che indica un parametro di
effetto relativo al tempo (il parametro DELAY di
Delay+ER. o Echo, oppure il parametro FREQ. di
Chorus e così via) in termini di un valore a BPM o
un'impostazione manuale. È incluso negli effetti di tipo
delay e modulazione e viene riportato nella parte
inferiore sinistra della schermata EFFECT PARAM.
Suggerimento
Per ulteriori informazioni sui parametri di ciascun tipo di
effetto, fare riferimento alle Appendici alla fine del presente
manuale (
➥
p. 325).
2Nella sezione DISPLAY ACCESS, premere più
volte il tasto [EFFECT] per accedere alla
schermata EFFECT PARAM.
Nell'illustrazione riportata di seguito viene mostrata la
schermata dopo la selezione del tipo di effetto
"Delay→ER.".
3Spostare il cursore sul pulsante TAP TEMPO,
quindi premere più volte il tasto [ENTER] al
tempo desiderato. In alternativa, fare più volte
clic sul pulsante TAP TEMPO.
Verrà calcolato l'intervallo medio (BPM) di pressione
del tasto e tale valore sarà utilizzato per il parametro
TEMPO.
Suggerimento
• La funzione Tap Tempo è valida solo per l'effetto interno
correntemente visualizzato, ma viene ignorata se il tipo di
effetto selezionato non comprende un parametro TEMPO.
• Se il valore medio è al di fuori dell'intervallo 20–300 BPM,
verrà ignorato.
• Se necessario, è possibile utilizzare uno switch esterno
collegato al connettore GPI per utilizzare la funzione Tap
Tempo della pagina corrente (
➥
p. 133).
EFFECT PARAM
Pulsante TAP TEMPO
ab c
Prima
battuta Seconda
battuta Terza
battuta Quarta
battuta
Verrà utilizzato l'intervallo medio
(la media di a, b e c)

PM5D/PM5D-RH V2/DSP5D – Manuale di istruzioni Sezione operazioni 117
14
Effetti
Utilizzo dell'effetto Freeze (Blocco)
In questa sezione viene illustrato come utilizzare il tipo di effetto "FREEZE", che offre la funzionalità di un campionatore
semplice. Quando viene selezionato questo tipo di effetto, è possibile effettuare operazioni nella schermata per registrare
(campionare) ed eseguire il playback di un suono.
1Nella schermata EFFECT LIBRARY, richiamare
un elemento della libreria che utilizza il tipo di
effetto FREEZE.
2Nella sezione DISPLAY ACCESS, premere più
volte il tasto [EFFECT] per accedere alla
schermata EFFECT PARAM.
Se è selezionato il tipo di effetto FREEZE, nella parte
inferiore sinistra della schermata EFFECT PARAM
verrà visualizzato un pulsante REC (REGISTRA), un
pulsante PLAY (PLAYBACK) e una barra di
avanzamento.
3Per iniziare a registrare (campionamento), fare
clic sul pulsante REC, quindi sul pulsante PLAY.
Verrà registrato il segnale in ingresso nell'effetto. La
barra di avanzamento visualizza la posizione di
registrazione corrente. Trascorso il tempo prestabilito,
i pulsanti si disattivano automaticamente.
Suggerimento
È possibile regolare i parametri nella schermata allo scopo
di configurare impostazioni dettagliate relative al tempo di
registrazione, al modo in cui avrà inizio la registrazione e al
modo in cui verrà eseguito il playback del campione.
Per ulteriori informazioni sui parametri, fare riferimento alle
Appendici alla fine del presente manuale (
➥
p. 332).
4Per eseguire il playback del campione
registrato, premere il pulsante PLAY.
Nota
Al termine, il contenuto campionato verrà cancellato.
EFFECT PARAM
Barra di avanzamento
Pulsante PLAY
Pulsante REC

15 Equalizzatore grafico e parametrico
118 PM5D/PM5D-RH V2/DSP5D – Manuale di istruzioni Sezione operazioni
La console PM5D è dotata di dodici unità di EQ grafico a 31 bande oppure di EQ parametrico a
8 bande (espandibili fino a un massimo di 20 unità). In questo capitolo viene illustrato l'utilizzo
dell'equalizzatore grafico e parametrico.
Assegnazione dei moduli dell'equalizzatore grafico
Il modulo dell'EQ grafico integrato nell'unità PM5D può essere inserito nei punti insert-out/in del canale desiderato. Come
esempio, in questa sezione viene illustrato come inserire un modulo GEQ nel canale STEREO A.
1Nella sezione DISPLAY ACCESS (ACCESSO
DISPLAY), premere più volte il tasto [GEQ] per
accedere alla schermata GEQ PARAM (PARAM.
EQ grafico).
In questa schermata è possibile selezionare un modulo
GEQ, specificare il canale in cui andrà inserito e
modificarne i parametri.
2Per selezionare il modulo GEQ da utilizzare,
fare clic sui pulsanti / a sinistra e a destra
della casella MODULE nella parte superiore
sinistra della schermata.
3Fare clic sul pulsante GEQ/PEQ nella parte
superiore centrale della schermata per passare
alternativamente da EQ grafico a 31 bande a
EQ parametrico a 8 bande.
4Utilizzare i pulsanti / a sinistra e a destra
della casella INSERT per selezionare ST AL
[INS] (insert-in/out del canale STEREO A L)
come canale in cui verrà inserito il modulo
GEQ, quindi premere il tasto [ENTER] (o fare
clic all'interno della casella).
È possibile scegliere una delle seguenti destinazioni per
l'inserimento.
Se una destinazione per l'inserimento è già assegnata,
quando si fa clic nella casella verrà visualizzata una
finestra con la richiesta di conferma della modifica.
Fare clic sul pulsante OK per eseguirla.
5Nella parte superiore sinistra della schermata,
fare clic sui pulsanti / a sinistra e a destra
della casella MODULE per selezionare un altro
modulo GEQ e assegnarlo a ST AR [INS]
(insert-in canale STEREO A R) seguendo la
stessa procedura.
6Fare clic sul pulsante GEQ ON/OFF (ATTIVA/
DISATTIVA GEQ) per attivarlo.
Nota
Se si inserisce un modulo GEQ, verrà automaticamente
abilitato l'insert-in per il canale.
7Nella sezione DISPLAY ACCESS premere più
volte il tasto OUTPUT [PATCH]
(ASSEGNAZIONE) per accedere alla schermata
INSERT POINT (PUNTO INSERIMENTO).
8Se necessario, modificare il punto di
inserimento per il canale STEREO A in cui è
stato inserito il modulo GEQ.
Se si inserisce un modulo GEQ, verrà automaticamente
abilitato il punto di insert-in per quel canale.
15
Equalizzatore grafico e parametrico
INS CH 1–INS CH 48 Insert in/out canali INPUT 1–48
INS STIN1L–INS
STIN4R Insert in/out canale ST IN
(INGRESSO STEREO) 1–4 (L/R)
INS MIX 1–INS MIX 24 Insert in/out canale MIX
(MISSAGGIO) 1–24
INS MTRX1–INS
MTRX8 Insert in/out canale MATRIX
(MATRICE) 1–8
Casella MODULE
(MODULO) Pulsante GEQ/PEQ (EQ
GRAF./EQ PARAM.)
GEQ PARAM Casella INSERT (INSERIMENTO)
INS ST AL/INS ST AR Insert in/out canale STEREO A
(L/R)
INS ST BL–INS ST BR Insert in/out canale STEREO B
INS MON L–INS MON C
(solo PM5D) Insert in/out canale MONITOR
(L/R/C)
INSERT POINT
Pulsante ON/OFF Punto di inserimento

PM5D/PM5D-RH V2/DSP5D – Manuale di istruzioni Sezione operazioni 119
15
Equalizzatore grafico e parametrico
Nota
• Se è stato inserito un modulo GEQ in un canale di ingresso,
premere più volte il tasto INPUT [PATCH] per accedere alla
schermata INSERT/DIRECT OUT POINT (PUNTO DI
INSERIMENTO/OUTPUT DIRETTO) della funzione INPUT
PATCH (ASSEGNAZ. INPUT) e modificare le impostazioni
seguendo la stessa procedura.
• È inoltre possibile inserire un modulo GEQ nei punti insert-
in/out del canale desiderato mediante la schermata INSERT
PATCH (ASSEGNAZ. INSERIMENTO), della funzione
INPUT PATCH e della funzione OUTPUT PATCH.
Espansione dei moduli GEQ
I moduli GEQ forniti dall'unità PM5D possono essere ampliati fino a un massimo di 20, riorganizzando gli 8 effetti interni.
1
Nella sezione DISPLAY ACCESS, premere più
volte il tasto [GEQ] per accedere alla schermata
GEQ ASSIGN (ASSEGNAZIONE GEQ).
In questa schermata, è possibile visualizzare le
impostazioni generali e i livelli di input e output dei
moduli GEQ, specificare il percorso del segnale e
attivare o disattivare il modulo.
2Nella casella DSP CONFIGURATION nella parte
inferiore destra della schermata, fare clic sui
pulsanti destro/sinistro / per modificare il
numero di effetti interni e moduli GEQ che
verranno assegnati.
Se si utilizzano dodici moduli GEQ, saranno
disponibili otto effetti interni. Se si utilizzano venti
moduli GEQ, non sarà disponibile alcun effetto
interno.
Operazioni di base con l'equalizzatore grafico
Sono disponibili due metodi per controllare un equalizzatore grafico: i fader virtuali e i pulsanti del display o i fader DCA del
pannello.
Di seguito viene illustrato come controllare l'equalizzatore
grafico desiderato utilizzando i fader e i pulsanti presenti
nella schermata GEQ PARAM (funzione GEQ).
1Nella sezione DISPLAY ACCESS, premere più
volte il tasto [GEQ] per accedere alla
schermata GEQ PARAM.
GEQ ASSIGN
Casella DSP CONFIGURATION (CONFIGURAZ. DSP)
Controllo dell'equalizzatore grafico
dal display
Casella MODULE Analizzatore di spettro
GEQ PARAM
Fader Area LIMIT
Pulsante GEQ/PEQ

15 Equalizzatore grafico e parametrico
120 PM5D/PM5D-RH V2/DSP5D – Manuale di istruzioni Sezione operazioni
2Per selezionare il modulo GEQ da utilizzare,
fare clic sui pulsanti / a sinistra e a destra
della casella MODULE.
A questo punto, verificare che il pulsante GEQ ON/
OFF sia stato attivato. Verificare inoltre che il modulo
corrispondente sia inserito in un canale adeguato e che
il punto di insert-in/out sia abilitato per quel canale.
Suggerimento
• La parte superiore della schermata GEQ PARAM può
essere utilizzata come un analizzatore di spettro. Se un
segnale viene immesso nel canale corrispondente, il livello
di ciascuna banda di frequenza viene visualizzato in tempo
reale.
• In alternativa, per selezionare il modulo GEQ desiderato, è
possibile utilizzare la schermata GEQ ASSIGN (funzione
GEQ) (
➥
p. 173).
3Fare clic sul pulsante GEQ nella parte superiore
centrale della schermata per selezionare l'EQ
grafico a 31 bande.
4Se necessario, utilizzare i pulsanti dell'area
LIMIT per specificare la gamma variabile dei
fader.
Nell'area LIMIT è possibile selezionare la quantità
massima e la direzione della modifica controllata dai
fader. È possibile scegliere ±15 dB/±12 dB/±6 dB
(direzione di amplificazione e di taglio) o –24 dB
(solo taglio).
5Trascinare i fader nella parte inferiore della
schermata per regolare la quantità di
amplificazione/taglio.
Il valore di ciascun fader viene indicato nella casella
al di sotto del fader.
Suggerimento
Scegliendo il pulsante EQ FLAT (AZZERA EQ) sotto l'area
LIMIT tutti i fader verranno riportati al valore di 0 dB.
Di seguito viene illustrato come controllare un
equalizzatore grafico utilizzando i tasti e i fader della strip
DCA del pannello. In questo caso, l'EQ grafico
corrispondente è diviso in sei aree per il controllo.
1Nella sezione DISPLAY ACCESS, premere più
volte il tasto [GEQ] per accedere alla
schermata GEQ PARAM.
2Per selezionare il modulo GEQ da utilizzare,
fare clic sui pulsanti / a sinistra e a destra
della casella MODULE.
A questo punto, verificare che il pulsante GEQ ON/
OFF sia stato attivato. Verificare inoltre che il modulo
corrispondente sia inserito in un canale adeguato e che
l'inserimento sia abilitato per quel canale.
Suggerimento
Quando viene aperta la schermata GEQ PARAM, premendo il
tasto [SEL] di un canale in cui viene inserito un modulo GEQ
si richiamerà il modulo GEQ corrispondente nella schermata.
3Fare clic sul pulsante GEQ nella parte superiore
centrale della schermata per selezionare l'EQ
grafico a 31 bande.
4Utilizzare i pulsanti dell'area LIMIT per
selezionare la quantità massima e la direzione
della modifica controllata dai fader.
5Nella parte inferiore della schermata, fare clic
su un pulsante nell'area ASSIGN TO FADERS
per selezionare l'area da controllare con i fader
DCA.
I pulsanti dell'area ASSIGN TO FADERS
corrispondono alle aree di frequenza riportate di
seguito.
Quando si seleziona un pulsante, è possibile utilizzare i
fader DCA per controllare i fader di quell'area di
frequenza. I fader dell'area selezionata sono indicati da
una linea rossa al centro del fader.
Se uno dei pulsanti dell'area ASSIGN TO FADERS è
attivato, sarà possibile utilizzare i tasti FADER MODE
[A]–[F] della sezione FADER MODE (MODALITÀ
FADER) per selezionare l'area di frequenza
corrispondente a questi pulsanti.
Anche se tutti i pulsanti dell'area ASSIGN TO FADERS
sono disattivati, tenendo premuto il tasto [SHIFT]
(MAIUSC) e premendo uno dei tasti FADER MODE
[A]–[F] è possibile selezionare l'area da controllare con
i fader DCA.
Controllo dell'equalizzatore grafico
dalla sezione DCA
Casella MODULE Pulsante EQ ON/OFF
GEQ PARAM
Area LIMITArea ASSIGN TO FADERS
(ASSEGNA AI FADER)
Pulsante GEQ/PEQ
APulsante
20.0-100 Le otto bande 20.0 Hz–100 Hz
BPulsante
63.0-315 Le otto bande 63.0 Hz–315 Hz
CPulsante
200-1.00k Le otto bande 200 Hz–1.00 kHz
DPulsante
630-3.15k Le otto bande 630 Hz–3.15 kHz
E
Pulsante
2.00k-10.0k
Le otto bande 2.00 kHz–10.0 kHz
F
Pulsante
4.00k-20.0k
Le otto bande 4.00 kHz–20.0 kHz
20,0 Hz–100 Hz 630 Hz–3,15 kHz
63,0 Hz–315 Hz 200 Hz–1,00 kHz
2,00 kHz–10,0 kHz
4,00 kHz–20,0 kHz

PM5D/PM5D-RH V2/DSP5D – Manuale di istruzioni Sezione operazioni 121
15
Equalizzatore grafico e parametrico
6Utilizzare i fader DCA 1–8.
L'area di frequenza corrispondente verrà enfatizzata o
tagliata.
Suggerimento
Se il fader di un equalizzatore grafico è sulla posizione 0 dB, il
LED [NOMINAL] (NOMINALE) del fader DCA si illuminerà. Se
si trova su una posizione diversa da 0 db, si illuminerà il tasto
DCA [MUTE] (ESCLUSIONE). Se il tasto DCA [MUTE] è
illuminato, premendo il tasto DCA [MUTE] la banda
corrispondente verrà riportata sul valore 0 dB.
7Se si desidera utilizzare i fader DCA
per controllare un'area diversa, ripetere
i punti 5 e 6.
8Una volta terminato l'utilizzo dei fader DCA
per controllare l'equalizzatore grafico,
premere il tasto FADER MODE [DCA] o fare clic
sul pulsante OFF nell'area ASSIGN TO FADERS.
Se il pulsante [DCA] è attivato, i tasti FADER MODE e
i fader DCA torneranno allo stato normale. Se si
desidera assegnare di nuovo l'equalizzatore grafico ai
fader DCA, fare clic su un pulsante nell'area ASSIGN
TO FADERS o tenere premuto il tasto [SHIFT] e
premere un tasto FADER MODE [A]–[F].
Suggerimento
• Le impostazioni del modulo GEQ vengono salvate come
parte della scena. Le impostazioni di un modulo GEQ
possono inoltre essere salvate anche nella libreria GEQ.
Per ulteriori informazioni, vedere la schermata GEQ
LIBRARY (
➥
p. 174) nella sezione Riferimenti.
• Se si passa alla visualizzazione di un'altra schermata, le
assegnazioni dei fader DCA verranno annullate e non
funzioneranno più, anche se si torna alla schermata GEQ.
Tuttavia, se viene attivato il pulsante AUTO ASSIGN
(ASSEGNAZIONE AUTOM.) nella schermata GEQ PARAM,
quando si accede alla schermata GEQ PARAM i fader DCA
verranno assegnati automaticamente all'area utilizzata più
di recente.
Operazioni di base con l'equalizzatore parametrico
Esistono due modi per utilizzare l'equalizzatore parametrico: mediante le manopole e i pulsanti presenti sul display oppure
mediante la sezione SELECTED CHANNEL (CANALE SELEZIONATO) del pannello.
Di seguito viene illustrato come utilizzare le manopole e i
pulsanti presenti nella schermata GEQ PARAM (funzione
GEQ) per controllare l'EQ parametrico desiderato.
1Nella sezione DISPLAY ACCESS, premere più
volte i tasti [GEQ] per accedere alla schermata
GEQ PARAM.
2Nella casella MODULE, fare clic sui pulsanti /
sinistro e destro per selezionare il modulo
GEQ da utilizzare.
Accertarsi che il pulsante EQ ON/OFF sia attivato.
Verificare inoltre che il modulo corrispondente sia
inserito nel canale adeguato e che il punto di insert-in/
out sia abilitato per quel canale.
Suggerimento
In alternativa, per selezionare il modulo GEQ desiderato, è
possibile utilizzare la schermata GEQ ASSIGN (funzione
GEQ) (
➥
p. 173).
3Fare clic sul pulsante PEQ nella parte superiore
centrale della schermata per selezionare l'EQ
parametrico a 8 bande.
4Per utilizzare la banda LOW (BASSA) o HIGH
(ALTA) come equalizzatore di tipo shelving o
come filtro passa-alto o passa-basso, fare clic
sul pulsante / di quella banda o sul
pulsante HPF/LPF (FILTRO PASSA-ALTO/
FILTRO PASSA-BASSO) per attivarlo.
Se si passa a un tipo shelving, la manopola Q (larghezza
di banda) non verrà più visualizzata. Se si passa a un
filtro passa-alto o passa-basso, la manopola Q non
verrà più visualizzata e la manopola GAIN
(GUADAGNO) funzionerà come switch per attivare o
disattivare HPF/LPF.
5Utilizzando le manopole Q, GAIN e FREQ di
ciascuna banda, specificare la gradualità, il
guadagno e la frequenza centrale di ciascuna
banda.
Il valore di ciascuna impostazione viene indicato nella
casella sottostante
Suggerimento
Scegliendo il pulsante EQ FLAT, la quantità di amplificazione/
taglio di tutte le bande verrà riportata al valore di 0 dB.
Controllo dell'equalizzatore
parametrico dal display
Casella MODULE Pulsante EQ ON/OFF
GEQ PARAM Pulsante GEQ/PEQ

15 Equalizzatore grafico e parametrico
122 PM5D/PM5D-RH V2/DSP5D – Manuale di istruzioni Sezione operazioni
Per regolare l'EQ parametrico è possibile utilizzare i tasti e
gli encoder della sezione SELECTED CHANNEL del
pannello.
1Nella sezione DISPLAY ACCESS, premere più
volte i tasti [GEQ] per accedere alla schermata
GEQ PARAM.
2Nella casella MODULE, fare clic sui pulsanti /
sinistro e destro per selezionare il modulo
GEQ da utilizzare.
Accertarsi che il pulsante EQ ON/OFF sia attivato.
Verificare inoltre che il modulo corrispondente sia
inserito nel canale adeguato e che il punto di insert-in/
out sia abilitato per quel canale.
Suggerimento
Quando viene aperta la schermata GEQ PARAM, premendo il
tasto [SEL] del canale in cui viene inserito il modulo GEQ si
richiamerà il modulo GEQ corrispondente nella schermata.
3Fare clic sul pulsante PEQ nella parte superiore
centrale della schermata per selezionare l'EQ
parametrico a 8 bande.
4Fare clic sul pulsante ON nel campo ASSIGN
TO SELECTED CH (ASSEGNA AL CANALE
SELEZ.) per attivarlo.
5Utilizzare i controlli EQUALIZER
(EQUALIZZATORE) della sezione SELECTED
CHANNEL per controllare l'equalizzatore
parametrico.
A questo punto, non sarà più possibile utilizzare la
sezione SELECTED CHANNEL se non con
EQUALIZER. Per ulteriori informazioni sull'utilizzo
della sezione SELECTED CHANNEL, vedere a p. 65.
Suggerimento
• Le impostazioni del modulo GEQ vengono salvate come
parte della scena. È possibile anche salvare le impostazioni
per il modulo GEQ in una libreria. Per ulteriori informazioni,
fare riferimento alla schermata GEQ LIBRARY nella sezione
Riferimenti
(
➥
p. 174)
.
• Quando viene visualizzata un'altra schermata, le
assegnazioni UPPER o LOWER verranno annullate e non
potranno essere più utilizzate anche se si accede di nuovo
alla schermata GEQ PARAM. Tuttavia, se si lascia attivato il
pulsante AUTO ASSIGN del campo ASSIGN TO
SELECTED CH, la banda utilizzata in precedenza verrà
assegnata automaticamente alla sezione SELECTED
CHANNEL quando si accede alla schermata GEQ PARAM.
Controllo dell'equalizzatore parame-
trico dalla sezione SELECTED CHANNEL
Casella MODULE Pulsante EQ ON/OFF
GEQ PARAM Pulsante GEQ/PEQ
Sezione SELECTED CHANNEL

PM5D/PM5D-RH V2/DSP5D – Manuale di istruzioni Sezione operazioni 123
16
Controllo remoto
In questo capitolo viene illustrato come utilizzare MIDI o GPI per controllare i parametri di PM5D
da un dispositivo esterno o, al contrario, il modo in cui è possibile utilizzare l'unità PM5D per
controllare i dispositivi esterni.
MIDI sull'unità PM5D
L'unità PM5D può utilizzare MIDI per eseguire le operazioni riportate di seguito.
• Trasmissione e ricezione di program change
Quando si esegue un evento specifico (richiamo
libreria scene/effetti) sull'unità PM5D, è possibile
trasmettere un messaggio di program change del
numero corrispondente a un dispositivo esterno.
Al contrario, è possibile eseguire gli eventi
corrispondenti quando si ricevono messaggi di
program change da un dispositivo esterno.
• Trasmissione e ricezione di control change
Quando si esegue un evento specifico (operazioni con
fader/encoder o tasti) sull'unità PM5D, è possibile
trasmettere il messaggio di control change del numero
corrispondente a un dispositivo esterno. Al contrario,
è possibile eseguire eventi quando si ricevono messaggi
di control change da un dispositivo esterno. Questa
funzionalità consente di registrare operazioni con fader
e tasti su un sequencer MIDI o su un altro dispositivo
esterno ed eseguire il playback di questi dati in seguito.
I messaggi System exclusive (esclusivi di sistema)
possono essere anche utilizzati per trasmettere o
ricevere dati bulk (contenuto scena o libreria) o
parametri.
• Funzione MIDI Remote
È possibile assegnare messaggi MIDI ai controlli della
channel strip INPUT/ST IN (INPUT/INGRESSO
STEREO) e quindi trasmetterli utilizzando i controlli.
Questa funzionalità può essere utilizzata per il
controllo remoto di dispositivi MIDI esterni, ad
esempio i sintetizzatori, o per controllare i parametri
del software DAW o di un'unità HDR.
• Trasmissione eventi MIDI
È possibile registrare in messaggi MIDI in modo
indipendente per ciascuna scena della relativa memoria
e trasmetterli nel momento in cui tale scena viene
richiamata.
Nota
Per ciascuna delle funzioni suddette, è possibile selezionare
la porta MIDI utilizzata per trasmettere/ricevere messaggi
MIDI dai connettori MIDI IN/OUT (INGRESSO/USCITA MIDI)
e dal connettore USB del pannello posteriore nonché da una
scheda I/O installata negli slot 1-4 (nel caso in cui sia
selezionato il connettore USB o una scheda I/O, sarà inoltre
possibile effettuare la scelta dalla porta 1 alla porta 8). In ogni
caso la trasmissione di eventi MIDI è fissata sul connettore
MIDI OUT.
Utilizzo di program change per il controllo di eventi
Con l'unità PM5D è possibile assegnare eventi specifici (richiamo di una scena o di una libreria effetti) a ogni numero di
programma MIDI, in modo che quando si esegue l'evento sull'unità PM5D, verrà trasmesso un messaggio di program change
con il numero corrispondente a un dispositivo esterno. Al contrario, è possibile eseguire l'evento corrispondente quando si
riceve un messaggio di program change da un dispositivo esterno.
1Collegare il connettore MIDI OUT del
dispositivo esterno al connettore MIDI IN
dell'unità PM5D. Collegare il connettore MIDI
OUT dell'unità PM5D al connettore MIDI IN
del dispositivo esterno.
2Nella sezione DISPLAY ACCESS (ACCESSO
DISPLAY), premere più volte il tasto [MIDI/
REMOTE] per accedere alla schermata MIDI
PGM CHANGE (PROGRAM CHANGE MIDI)
riportata di seguito.
Nella schermata MIDI PGM CHANGE è possibile
assegnare eventi a ciascun numero di programma,
selezionare la porta su cui verranno trasmessi e ricevuti
i messaggi MIDI nonché scegliere la modalità di
trasmissione/ricezione dei program change.
16 Controllo remoto
MIDI IN MIDI OUT MIDI OUTMIDI IN
PM5D
Dispositivo
esterno
MIDI PGM CHANGE

16 Controllo remoto
124 PM5D/PM5D-RH V2/DSP5D – Manuale di istruzioni Sezione operazioni
3Nell'area PROGRAM CHANGE SETUP
(CONFIGURAZIONE PROGRAM CHANGE) alla
sinistra della schermata è possibile selezionare
il modo in cui verranno trasmessi e ricevuti i
program change nonché attivare/disattivare
ricezione e trasmissione.
L'area MODE (MODALITÀ) di PROGRAM CHANGE
SETUP consente di scegliere una delle modalità di
trasmissione e ricezione dei program change riportate
di seguito.
• SINGLE (SINGOLA)
Se questo pulsante è attivato, i program change
verranno trasmessi e ricevuti su un singolo canale
MIDI (modalità Single).
• OMNI ON/OFF (ATT./DISATT. OMNI)
Se questo pulsante è attivato, i program change di tutti
i canali MIDI verranno ricevuti in modalità Single
(non disponibile in modalità Multi).
• BANK ON/OFF (ATT./DISATT. BANCO)
Se questo pulsante è attivato, i messaggi di selezione
banco verranno trasmessi e ricevuti in modalità Single
(non disponibile in modalità Multi).
• MULTI
Se questo pulsante è attivato, i program change
vengono trasmessi e ricevuti su più canali MIDI
(modalità Multi).
È possibile utilizzare i pulsanti Tx (trasmissione) e Rx
(ricezione) per attivare/disattivare separatamente la
trasmissione e la ricezione di program change.
4Nell'area MIDI SETUP (CONFIGURAZIONE
MIDI) nella parte superiore sinistra della
schermata, selezionare la porta su cui verranno
trasmessi/ricevuti i program change, nonché il
canale MIDI che verrà utilizzato per
trasmissione e ricezione. Le opzioni disponibili
sono le seguenti.
Fare clic sui pulsanti / a sinistra e a destra della
casella Tx (trasmissione) o Rx (ricezione) per
modificare l'impostazione, quindi premere il tasto
[ENTER] (INVIO) (in alternativa fare clic all'interno
della casella) per completare l'impostazione. Se si
seleziona USB o SLOT 1–4, utilizzare la casella di destra
per specificare anche il numero della porta (1–8).
Se si seleziona SINGLE (modalità singola) come
modalità di ricezione/trasmissione di program change,
utilizzare il campo MIDI CH (CANALE MIDI) per
selezionare il canale di trasmissione e il canale di
ricezione MIDI.
Suggerimento
È possibile specificare la porta MIDI e il canale MIDI utilizzati
per la trasmissione/ricezione di program change anche dalla
schermata MIDI SETUP (
➥
p. 188).
5Nell'elenco alla destra della schermata,
visualizzare il canale MIDI (banco) e il numero
di programma a cui si desidera assegnare un
evento e fare clic su quella riga.
Questo elenco consente di selezionare l'evento
(richiamo scena/richiamo libreria effetti) assegnato a
ciascun numero di programma.
L'elenco di file contiene le colonne riportate di seguito.
• CH/BANK (Canale/banco)
In modalità Multi, o Single nel caso in cui il pulsante
BANK ON/OFF sia disattivato, il valore di questa
colonna indica il canale MIDI su cui vengono trasmessi
e ricevuti i program change.
In modalità Single quando il pulsante BANK ON/OFF
è attivato, il valore di questa colonna indica il numero
di banco.
• PGM No. (numero programma)
Indica il numero di programma da 1 a 128.
• LIBRARY NAME (NOME LIBRERIA)
In questa colonna è possibile visualizzare/selezionare il
tipo e il numero dell'evento assegnato a ciascun
numero di canale (banco)/programma.
Utilizzare la barra di scorrimento sulla destra per
visualizzare il canale (banco) e il numero di
programma desiderati, quindi fare clic su quella riga; la
riga in questione si sposterà al centro e risulterà
evidenziata.
6Fare clic sul pulsante nella colonna LIBRARY
NAME della riga correntemente selezionata
per aprire la finestra MIDI PGM CHANGE.
In questa finestra è possibile selezionare il tipo di
evento (elemento della scena o della libreria per gli
effetti 1–8) e il relativo numero.
MIDI Connettori MIDI IN/OUT del pannello
posteriore
USB Connettore USB del pannello posteriore
SLOT 1-4 Scheda I/O installata negli slot 1–4 del
pannello posteriore

PM5D/PM5D-RH V2/DSP5D – Manuale di istruzioni Sezione operazioni 125
16
Controllo remoto
Nell'elenco, sulla sinistra, selezionare il tipo di evento.
Nell'elenco, sulla destra, selezionare il numero di scena/
libreria che verrà richiamato. Nella parte sinistra
dell'elenco è possibile selezionare i seguenti tipi di
evento.
7Dopo aver configurato tutte le impostazioni
necessarie, fare clic sul pulsante OK della
finestra MIDI PGM CHANGE.
8Assegnare nello stesso modo gli eventi agli
altri numeri di programma.
Con queste impostazioni, eseguendo l'evento
specificato sull'unità PM5D, il messaggio program
change (o selezione banco + program change) verrà
trasmesso al dispositivo esterno.
Quando un dispositivo esterno trasmette un messaggio
program change (o selezione banco + program change)
sul canale adeguato, verrà eseguito l'evento assegnato a
quel numero di programma.
Suggerimento
• È possibile utilizzare il pulsante CLEAR (CANCELLA) sopra
l'elenco per cancellare tutte le assegnazioni ai numeri di
programma. Il pulsante PRESET consente di ripristinare
tutte le assegnazioni dei numeri di programma al relativo
stato di default.
• Il contenuto della tabella di program change non viene
salvato nella scena. Se si desidera, è possibile salvare
questi dati su una scheda di memoria come MIDI PGM
TABLE.
Nota
Se a una singola scena vengono assegnati più numeri di
programma, soltanto il program change con il numero più
basso verrà trasmesso in modalità Single, mentre in modalità
Multi verrà trasmesso il program change di ciascun canale.
Utilizzo di control change per controllare eventi
È possibile utilizzare i messaggi control change MIDI per controllare eventi specifici (operazioni con fader/encoder,
operazioni di attivazione/disattivazione tasti e così via) sull'unità PM5D. Questa funzionalità consente di registrare operazioni
con fader e tasti su un sequencer MIDI o su un altro dispositivo esterno ed eseguire il playback di questi dati in seguito.
È possibile utilizzare i control change per controllare gli
eventi nei due modi riportati di seguito.
• Utilizzando i numeri 1–119 di control change
Questo metodo utilizza il tipo comune di messaggi
control change. È possibile assegnare liberamente un
evento a ciascun numero di controllo.
• Utilizzando NRPN (Non Registered Parameter
Number)
Questo metodo utilizza un tipo particolare di messaggi
control change denominato NRPN. NRPN utilizza i
numeri di control change 99 e 98 per specificare i valori
MSB (Most Significant Byte – byte più significativo) e
LSB (Least Significant Byte – byte meno significativo)
del numero di parametro e i messaggi control change
del numero di controllo 6 (o 6 e 38) trasmessi successi-
vamente per indicare il valore di quel parametro.
L'evento specificato da ciascuna combinazione di MSB
e LSB è fisso.
1Collegare il connettore MIDI OUT del
dispositivo esterno al connettore MIDI IN
dell'unità PM5D. Collegare il connettore MIDI
OUT dell'unità PM5D al connettore MIDI IN
del dispositivo esterno.
2Nella sezione DISPLAY ACCESS, premere più
volte il tasto [MIDI/REMOTE] per accedere alla
schermata MIDI CTRL CHANGE (CONTROL
CHANGE MIDI) riportata di seguito.
Nella schermata MIDI CTRL CHANGE è possibile
selezionare la porta utilizzata per trasmettere/ricevere
messaggi MIDI e scegliere il modo in cui i control
change verranno trasmessi e ricevuti. Se come metodo
d trasmissione/ricezione vengono selezionati i numeri
1–119 di control change, sarà possibile assegnare
l'evento desiderato a ciascun numero di controllo.
NO ASSIGN
(NESSUNA
ASSEGNAZIONE) Nessun evento assegnato
SCENE (SCENA) Richiamo memoria scene
EFFECT 1–8Consente di richiamare un elemento
della libreria effetti in un modulo effetti
interni 1–8
Tipo di evento Numero scena/libreria
MIDI CTRL CHANGE

16 Controllo remoto
126 PM5D/PM5D-RH V2/DSP5D – Manuale di istruzioni Sezione operazioni
3Nell'area CONTROL CHANGE SETUP
(CONFIGURAZIONE CONTROL CHANGE) alla
sinistra della schermata è possibile selezionare
il modo in cui verranno trasmessi e ricevuti i
control change nonché attivare/disattivare
ricezione e trasmissione.
L'area MODE di CONTROL CHANGE SETUP
consente di scegliere una delle modalità riportate di
seguito per trasmettere/ricevere control change.
È possibile utilizzare i pulsanti delle aree Tx
(trasmissione) e Rx (ricezione) per attivare/disattivare
la trasmissione/ricezione di control change.
4Nell'area MIDI SETUP nella parte superiore
sinistra della schermata, selezionare la porta
utilizzata per trasmettere/ricevere control
change e il canale MIDI utilizzato per
trasmissione e ricezione.
In MIDI SETUP, le impostazioni MIDI PORT
(PORTA MIDI) consentono di selezionare la porta
utilizzata per trasmissione/ricezione di control change
MIDI. Sono disponibili le seguenti opzioni.
Fare clic sui pulsanti / a sinistra e a destra della
casella Tx (trasmissione) o Rx (ricezione) per
modificare l'impostazione, quindi premere il tasto
[ENTER] per completare l'impostazione. Se si
seleziona USB o SLOT 1–4, utilizzare la casella di destra
per specificare anche il numero della porta (1–8).
Se si seleziona TABLE [SINGLE] o NRPN come
metodo di ricezione/trasmissione di control change,
utilizzare il campo MIDI CH per selezionare il canale
MIDI di trasmissione e ricezione.
Suggerimento
È possibile specificare la porta MIDI e il canale MIDI utilizzati
per trasmissione/ricezione di control change anche dalla
schermata MIDI SETUP (
➥
p. 188).
5Se come metodo di trasmissione/ricezione di
control change vengono selezionati TABLE
[SINGLE] o TABLE [MULTI], utilizzare l'elenco
alla destra della schermata per visualizzare il
canale MIDI e il numero di controllo a cui si
desidera assegnare un evento, quindi fare clic
su quella riga.
In questo elenco è possibile selezionare l'evento
(operazioni con fader/encoder, tasti e così via) che
verrà assegnato a ciascun numero di controllo. L'elenco
di file contiene le colonne riportate di seguito.
• CH (Canale)
Indica il canale MIDI su cui il control change viene
trasmesso/ricevuto.
Nota
È possibile utilizzare questa colonna per specificare più canali
MIDI anche nel caso in cui venga selezionato TABLE
[SINGLE] come metodo di trasmissione/ricezione. Tuttavia, in
realtà sarà valido solo il canale di trasmissione/ricezione MIDI
selezionato nel campo MIDI SETUP.
• CTRL No. (Numero di controllo)
Indica i numeri di controllo 1–119. Non è possibile
eseguire impostazioni per i numeri 0, 32 o 96–101.
• CTRL CHANGE EVENT (Nome libreria)
Indica o consente di selezionare il tipo di evento
assegnato al canale/ numero di controllo
corrispondente.
Utilizzare la barra di scorrimento sulla destra per
visualizzare il canale e il numero di controllo
desiderati, quindi fare clic su quella riga; la riga in
questione si sposterà verso il centro e risulterà
evidenziata.
6Fare clic sul pulsante nella colonna CTRL
CHANGE EVENT (EVENTO CONTROL
CHANGE) della riga correntemente selezionata
per aprire la finestra MIDI CTRL CHANGE e
specificare il parametro che si desidera
assegnare.
In questa finestra è possibile specificare il parametro in
tre livelli (modalità, parametri 1/2).
NRPN Se il pulsante è attivato, i parametri
dell'unità PM5D verranno trasmessi/
ricevuti come messaggi NRPN.
TABLE [SINGLE]
(TABELLA
[SINGLE])
Se questo pulsante è attivato, i
parametri dell'unità PM5D verranno
trasmessi/ricevuti come messaggi
control change su un singolo canale
MIDI in base alle assegnazioni
dell'elenco sul lato destro della
schermata.
TABLE [MULTI]
(TABELLA
[MULTI])
Se questo pulsante è attivato, i
parametri dell'unità PM5D verranno
trasmessi/ricevuti come messaggi
control change su più canali MIDI in
base alle assegnazioni dell'elenco sul
lato destro della schermata.
MIDI Connettori MIDI IN/OUT del pannello
posteriore
USB Connettore USB del pannello posteriore
SLOT 1-4 Scheda I/O installata negli slot 1–4 del
pannello posteriore

PM5D/PM5D-RH V2/DSP5D – Manuale di istruzioni Sezione operazioni 127
16
Controllo remoto
7Dopo aver configurato tutte le impostazioni
necessarie, fare clic sul pulsante OK nella
finestra MIDI CTRL CHANGE.
8Assegnare nello stesso modo gli eventi agli
altri numeri di controllo.
Quando si utilizzano i parametri assegnati sull'unità
PMD5, i messaggi control change vengono trasmessi ai
dispositivi esterni.
Allo stesso modo, se i messaggi control change
corrispondenti vengono inviati da un dispositivo
esterno al canale appropriato, i parametri assegnati a
quei numeri di controllo cambieranno.
Suggerimento
• È possibile utilizzare il pulsante CLEAR sopra l'elenco
per cancellare tutte le assegnazioni ai numeri di controllo.
Il pulsante PRESET consente di ripristinare tutte le
assegnazioni dei numeri di controllo al relativo stato
di default.
• Il contenuto della tabella di control change non viene salvato
nella scena. Se si desidera, è possibile salvare questi dati su
una scheda di memoria come MIDI CTRL TABLE.
Utilizzo della funzione MIDI Remote
"MIDI Remote" consente di assegnare messaggi MIDI ai controller (fader, encoder, tasti CH [ON], tasti ENCODER [ON])
delle channel strip INPUT/ST IN in modo da trasmettere quei messaggi MIDI quando vengono utilizzati quei controller.
Questa funzionalità può essere utilizzata per il controllo remoto di dispositivi MIDI esterni, ad esempio i sintetizzatori, o per
controllare i parametri del software DAW o di un'unità HDR.
Mentre la funzione MIDI Remote è attiva, è possibile
utilizzare le funzioni 1–24 della channel strip INPUT come
canali remoti MIDI 1–24 e le funzioni 1–4 della channel
strip ST IN come canali remoti MIDI 25–28.
È possibile assegnare a ciascun controller un messaggio
MIDI contenente un massimo di sedici byte di dati
esadecimali. Se si desidera, è possibile specificare che il
valore inserito nel messaggio cambi in base al movimento
del controller.
In questa sezione viene illustrato come specificare la porta
MIDI utilizzata dalla funzione MIDI Remote e come
assegnare un messaggio MIDI al canale remoto MIDI
desiderato.
1Nella sezione DISPLAY ACCESS, premere più
volte il tasto [MIDI/REMOTE] per accedere alla
schermata MIDI SETUP riportata di seguito.
2Nell'area MIDI REMOTE alla destra della
schermata, selezionare una delle seguenti
come porta da cui verranno trasmessi i
messaggi MIDI per ciascuno dei quattro
banchi MIDI Remote (BANK A–D).
Canali remoti MIDI 1–24 Canali remoti MIDI 25–28
Assegnazione di messaggi MIDI
a controller
MIDI SETUP

16 Controllo remoto
128 PM5D/PM5D-RH V2/DSP5D – Manuale di istruzioni Sezione operazioni
Fare clic sui pulsanti / a sinistra e a destra di
ciascuna casella per modificare l'impostazione, quindi
premere il tasto [ENTER] (in alternativa fare clic
all'interno della casella) per completare l'impostazione.
Se si seleziona USB o SLOT 1–4, utilizzare la casella di
destra per specificare anche il numero della porta (1–8).
3Nella sezione DISPLAY ACCESS, premere più
volte il tasto [MIDI/REMOTE] per accedere alla
schermata MIDI REMOTE riportata di seguito.
4Nell'area BANK SELECT (SELEZIONE BANCO)
nella parte superiore destra della schermata,
utilizzare i pulsanti A–D per selezionare il
banco desiderato.
Il nome del banco viene visualizzato sopra i pulsanti
A–D. È possibile modificarlo facendo clic sul pulsante
a sinistra del nome del banco.
5Nella parte superiore sinistra della schermata,
impostare il pulsante TRANSMIT ENABLE/
DISABLE (ATT./DISATT. TRASMISSIONE) su
ENABLE.
La trasmissione verrà attivata per il banco selezionato
(è possibile attivare/disattivare la trasmissione di
ciascuno dei quattro banchi).
6Utilizzare l'area di selezione dei canali alla
sinistra della schermata per selezionare il
canale remoto MIDI a cui si desidera assegnare
un messaggio MIDI.
Questi pulsanti corrispondono alle channel strip
riportate di seguito.
Quando si fa clic sui pulsanti / a destra e a sinistra
della casella, il nome corrispondente viene visualizzato
sulla destra della casella. È possibile modificare il nome
del canale remoto MIDI facendo clic sul pulsante
della casella, sulla destra.
7Utilizzare le finestre di messaggio MIDI nella
parte inferiore della schermata per specificare
un messaggio MIDI per ciascun controller del
canale.
Nella parte inferiore della schermata MIDI REMOTE
sono presenti le finestre di messaggio MIDI che
consentono di assegnare un messaggio MIDI a: tasto
ENCODER [ON], encoder, tasto CH [ON] e fader.
È possibile assegnare un messaggio MIDI a un
controller utilizzando uno dei seguenti tre metodi.
AImmettendo direttamente valori
esadecimali
Questo metodo prevede l'immissione diretta di
messaggi come valori esadecimali Per utilizzare questo
metodo fare clic sul pulsante sul margine sinistro
della finestra di messaggio MIDI desiderata per aprire
la finestra MIDI REMOTE SETUP
(CONFIGURAZIONE MIDI REMOTO).
In questa finestra è possibile immettere un messaggio
facendo clic sulla casella desiderata per selezionarla
(la casella risulterà evidenziata) e ruotando l'encoder
[DATA] (DATI). È possibile utilizzare i tasti [ INC]/
[DEC] (AUMENTA/RIDUCI) per cambiare la posi-
zione selezionata. È possibile immettere i seguenti valori.
MIDI Connettore MIDI OUT del pannello
posteriore
USB Connettore USB del pannello posteriore
SLOT 1-4 Scheda I/O installata negli slot 1–4 del
pannello posteriore
REMOTE CH 1–24 Channel strip INPUT 1–24
REMOTE CH 25–28 Channel strip ST IN 1–4
MIDI REMOTE
Area BANK SELECT
Area di selezione dei canali
Pulsante TRANSMITENABLE/
DISABLE (ATTIVA/DISATTIVA
TRASMISSIONE)
Valore Assegnazioni
disponibili Contenuto
00(H)–
FF(H) Tutti Messaggio MIDI trasmesso (esadeci-
male).
END Tutti
Indica la fine del messaggio MIDI.
Quando si utilizza il controller corri-
spondente, verrà trasmesso il mes-
saggio MIDI dall'inizio fino a
immediatamente prima di END.
SW Tutti
Indica lo stato di attivazione o disatti-
vazione del tasto ENCODER [ON] o
del tasto CH [ON]. Quando il tasto è
attivato viene trasmesso il valore
7F(H) mentre quando è disattivato il
valore trasmesso è 00(H). Se è asse-
gnato a un encoder o a un fader, il
valore corrente del tasto verrà tra-
smesso quando si utilizzano l'encoder
o il fader.
ENC ENCODER
ON/
ENCODER
Indica la posizione corrente dell'enco-
der. Se il messaggio è assegnato a un
encoder, quando si utilizza l'encoder
verrà trasmesso un valore pari a 00–
7F(H). Se è assegnato a un tasto
ENCODER [ON], il valore corrente
dell'encoder verrà trasmesso quando
il tasto è attivato.
Pulsante LEARNPulsante LATCH Finestra di
messaggio MIDI

PM5D/PM5D-RH V2/DSP5D – Manuale di istruzioni Sezione operazioni 129
16
Controllo remoto
Se si imposta un valore su SW, ENC o FAD, tale valore
sarà collegato allo stato del controller. Ad esempio se
sono state configurate delle impostazioni come
indicato nella schermata riportata di seguito, l'ultimo
valore verrà collegato alla posizione del fader e
cambierà nell'intervallo 0–127.
Quando si fa clic su una casella in cui è stato immesso
un valore esadecimale, l'intervallo dei valori che è
possibile interpretare come messaggio MIDI valido
(casella inclusa) diventerà di colore rosso. Nella parte
inferiore della schermata viene visualizzato il canale
MIDI (MIDI CH), il tipo di messaggio (TYPE) e i
valori dei dati (DATA 1, DATA 2) relativi al messaggio
MIDI, il che consente di verificare che sia stato
immesso il messaggio MIDI appropriato.
È possibile utilizzare i seguenti pulsanti per immettere
o modificare il messaggio in questa finestra.
Dopo aver terminato di immettere i dati nella finestra
MIDI REMOTE SETUP, fare clic sul pulsante OK.
I valori esadecimali verranno immessi nella finestra di
messaggio MIDI della schermata MIDI REMOTE.
BSpecificando il tipo di messaggio
Questo metodo consente di specificare il canale MIDI
desiderato, il tipo di messaggio e il valore dati che
verranno convertiti nei valori esadecimali appropriati.
Accedere alla finestra MIDI REMOTE SETUP
esattamente come per il metodo 1 quindi fare clic
sulla prima casella in cui si desidera immettere dati.
Successivamente fare clic sui pulsanti / a destra e a
sinistra della casella TYPE (TIPO) per selezionare il
tipo di messaggio.
Utilizzare le caselle MIDI CH, DATA 1 e DATA 2 per
specificare il canale MIDI e altri valori. I valori
selezionabili nelle caselle MIDI CH, DATA 1 e DATA 2
dipenderanno dal tipo di messaggio che è stato
selezionato per primo.
FAD CH ON/
FADER
Indica la posizione corrente del fader.
Se il messaggio è assegnato a un
fader, quando si utilizza il fader verrà
trasmesso un valore pari a 00–7F(H).
Se è assegnato a un tasto CH [ON], il
valore corrente del fader verrà tra-
smesso quando il tasto è attivato.
Pulsanti
Consentono di evidenziare l'area a sinistra
o a destra.
Pulsante INS
Consente di inserire uno spazio (vuoto)
nella posizione evidenziata. Premendo il
tasto <Insert> su una tastiera PS/2 si
otterrà lo stesso risultato.
Pulsante DEL
Consente di eliminare il carattere che si
trova nella posizione evidenziata.
Premendo il tasto <Delete> su una tastiera
PS/2 si otterrà lo stesso risultato.
Pulsante
CLEAR Consente di cancellare l'intero messaggio
immesso nelle finestre di messaggio MIDI.
Pulsante
PASTE
Consente di incollare il messaggio copiato
nella memoria buffer mediante il pulsante
COPY (COPIA).
Pulsante
COPY
Consente di copiare il messaggio dalla
casella di immissione (MIDI) in una
memoria buffer temporanea. Utilizzare
questo pulsante unitamente al pulsante
PASTE per copiare un messaggio da un
controller a un altro banco o controller.
Valore Assegnazioni
disponibili Contenuto
TYPE MIDI CH DATA 1 DATA 2
NOTE OFF
(DISATTIVA-
ZIONE NOTA)
1–16
Numero nota
(0–127)
Velocità di
disattivazione
nota (0–127)
NOTE ON
(ATTIVA-
ZIONE NOTA)
Velocità di
attivazione nota
(0–127)
KEY PRES-
SURE (PRES-
SIONE TASTI)
Valore pressione
(0–127)
CONTROL
CHANGE
Numero
di controllo
(0–127)
Valore controller
(0–127)
PROGRAM
CHANGE Numero di
programma
—
CHANNEL
PRESSURE
(PRESSIONE
CANALE)
Valore
pressione
(0–127)
PITCH BEND MSB pitch
bend (0–127) LSB pitch bend
(0–127)
EXCLUSIVE
MESSAGE
(MESSAG-
GIO ESCLU-
SIVO)
—
Valori esadecimali immessi
Tipo di messaggio

16 Controllo remoto
130 PM5D/PM5D-RH V2/DSP5D – Manuale di istruzioni Sezione operazioni
Se un valore DATA 1 o DATA 2 è impostato su
SWITCH, ENCODER (disponibile solo per encoder) o
FADER (disponibile solo per fader), tale valore verrà
collegato allo stato del controller.
Dopo aver specificato tutti i valori, fare clic sul pulsante
" " della schermata; i valori esadecimali del
messaggio verranno immessi nella relativa casella della
finestra MIDI REMOTE SETUP. In base alle necessità
è possibile modificare il messaggio facendo clic su una
casella di immissione e ruotando l'encoder [DATA].
CUtilizzando il pulsante LEARN
(APPRENDIMENTO)
Il pulsante LEARN consente di assegnare un messaggio
MIDI a un controller ricevendo quel messaggio da un
dispositivo esterno. Per utilizzare la funzione Learn,
andare alla schermata MIDI REMOTE e fare clic sul
pulsante LEARN del controller a cui si desidera
assegnare un messaggio.
Nota
• Contemporaneamente è possibile attivare solo un pulsante
LEARN.
• Il pulsante LEARN è valido solo per il canale remoto MIDI
correntemente selezionato. Inoltre non è possibile cambiare
il canale remoto MIDI mentre il pulsante è attivo.
• Il pulsante LEARN verrà disattivato automaticamente
quando si passa a una schermata diversa.
Se si riceve un messaggio MIDI su una porta MIDI
disponibile per il banco corrente mentre il pulsante
LEARN è attivo, il messaggio ricevuto verrà immesso
nella casella MIDI. Nella schermata riportata di seguito
è visualizzato un esempio di quando viene utilizzata la
rotella MODULATION (control change n.1) di un
sintetizzatore.
Suggerimento
• La lunghezza dei messaggi MIDI assegnati utilizzando il
pulsante LEARN non può superare i 16 byte (il 17˚ byte e
i byte successivi vengono scartati). Se la lunghezza del
messaggio è inferiore ai 16 byte, END verrà posizionato
immediatamente dopo l'ultimo valore dati.
• In caso di ricezione di un control change, il terzo byte verrà
automaticamente sostituito da FAD (se la destinazione
dell'assegnazione è un fader), ENC (se la destinazione
dell'assegnazione è un encoder) o SW (se la destinazione
dell'assegnazione è un tasto ENCODER [ON] o CH [ON]).
• Se si ricevono più messaggi MIDI mentre il pulsante LEARN
è attivo, verrà utilizzato l'ultimo messaggio MIDI ricevuto.
Se nell'ultimo messaggio è omesso il byte di stato, ne verrà
fornito uno appropriato.
8Assegnare nello stesso modo i messaggi ad
altri canali remoti MIDI o ad altri banchi.
Se un byte specifico viene impostato su "SW" per il
tasto ENCODER [ON] o CH [ON], utilizzare il tasto
LATCH (BLOCCO) per selezionare uno dei seguenti
comportamenti.
• Se il pulsante LATCH è attivato
Lo stato di attivazione/disattivazione cambierà ogni
volta che si preme il tasto (bloccato). Se si preme il
tasto dallo stato Off, verrà trasmesso un messaggio
MIDI con valore SW pari a 7F(H), mentre se si preme
lo stesso tasto ancora una volta verrà trasmesso un
messaggio MIDI con valore SW pari a 00(H).
• Se il pulsante LATCH è disattivato
Lo switch risulterà attivo solo quando lo si tiene
premuto e verrà disattivato quando lo si rilascia
(sbloccato). Nel momento in cui si preme il tasto, verrà
trasmesso un messaggio MIDI con valore SW pari a
7F(H), mentre quando lo si rilascia verrà trasmesso un
messaggio MIDI con valore SW pari a 00(H).
Se un byte specifico viene impostato su "ENC" (o su
"FAD") per il tasto ENCODER [ON] o per il tasto CH
[ON], utilizzare il tasto LATCH per selezionare uno dei
seguenti comportamenti.
• Se il pulsante LATCH è attivato
Se si preme il tasto dallo stato Off, verrà trasmesso un
messaggio MIDI con valore ENC (o FAD) come valore
corrente dell'encoder (o del fader), e se si preme lo
stesso tasto ancora una volta verrà trasmesso un
messaggio MIDI con valore 00(H) come valore ENC
(o FAD).
• Se il pulsante LATCH è disattivato
Nel momento in cui si preme il tasto, verrà trasmesso
un messaggio MIDI con valore ENC (o FAD) come
valore corrente dell'encoder (o del fader), e quando lo
si rilascia verrà trasmesso un messaggio MIDI con
valore 00(H) come valore ENC (o FAD).
Nota
Se SW/ENC/FAD non vengono specificati come ultimo byte
del messaggio MIDI, lo stesso messaggio MIDI verrà
trasmesso quando il tasto è attivato o disattivato (lo stesso
messaggio verrà trasmesso quando il tasto è disattivato).
Valori esadecimali immessi

PM5D/PM5D-RH V2/DSP5D – Manuale di istruzioni Sezione operazioni 131
16
Controllo remoto
In questa sezione viene illustrato come richiamare i banchi
A–D a cui sono stati assegnati messaggi MIDI nonché
come utilizzare i canali MIDI remoti.
1Nella sezione DISPLAY ACCESS, premere più
volte il tasto [MIDI/REMOTE] per accedere alla
schermata MIDI REMOTE riportata di seguito.
2Nell'area BANK SELECT nella parte superiore
destra della schermata, utilizzare i pulsanti
A–D per selezionare il banco desiderato.
3Nella parte superiore centrale della schermata,
utilizzare i pulsanti ASSIGN TO CH STRIP
SECTION (ASSEGNA A SEZIONE CHANNEL
STRIP) per selezionare il canale remoto MIDI
che si desidera controllare (sono consentite
più selezioni contemporanee).
Questa impostazione si applica a tutti e quattro i
banchi.
L'attivazione di un pulsante attiverà la funzione MIDI
Remote e la channel strip corrispondente funzionerà
come un canale remoto MIDI (la funzione consueta
dei controller verrà disattivata).
In questa fase, la parte inferiore del display indicherà
"REMOTE" nell'area della modalità encoder/fader.
Le indicazioni dei layer INPUT CH e ST IN/FX RTN
verranno sostituite dal canale remoto MIDI
corrispondente.
4Utilizzare la channel strip appropriata.
I messaggi MIDI verranno trasmessi dalla porta MIDI
corrispondente.
5Per disattivare la funzione MIDI Remote,
disattivare i pulsanti ASSIGN TO CH STRIP
SECTION.
Nota
• Quando la funzione MIDI Remote è attivata, i controller
ritorneranno allo stato normale quando si passa a un'altra
schermata. In ogni caso, non appena si torna alla schermata
MIDI REMOTE, verrà attivata la funzione remota dei
controller.
• I valori dei controller durante il funzionamento MIDI Remote
vengono inclusi nei dati della scena il che significa che
quando si richiama una scena, i valori dei controller
cambieranno e i messaggi MIDI saranno trasmessi.
È possibile applicare le impostazioni Recall Safe
(Blocca richiamo) anche alla funzione MIDI Remote
INPUT CH
(CANALE DI
INGRESSO) Channel strip INPUT 1–24
STIN/FXRTN
(INGRESSO
STEREO/
RITORNO
EFFETTI)
Channel strip ST IN/FX RTN 1–4
Utilizzo di canali remoti MIDI
MIDI REMOTE Area BANK SELECT
Layer ST IN/
FX RTN
Layer
INPUT CH
Area della modalità
encoder/fader

16 Controllo remoto
132 PM5D/PM5D-RH V2/DSP5D – Manuale di istruzioni Sezione operazioni
Trasmissione di eventi MIDI durante il cambio scene
È possibile registrare il messaggio MIDI desiderato per ciascuna scena in memoria in modo che venga trasmesso dal
connettore MIDI OUT (USCITA MIDI) quando si richiama la scena. Ad esempio lo si potrà utilizzare per cambiare i
programmi su un processore di effetti esterno, MIDI compatibile, durante il cambio di scena.
1Collegare il connettore MIDI OUT dell'unità
PM5D al connettore MIDI IN del dispositivo
esterno.
2Nella sezione DISPLAY ACCESS premere più
volte il tasto [SCENE] per accedere alla
schermata SCENE riportata di seguito.
3Scorrere l'elenco scene verso l'alto o verso il
basso per selezionare il numero scena a cui si
desidera assegnare un evento MIDI.
4Per visualizzare la colonna MIDI EVENT,
scorrere l'elenco scene verso destra.
Nella colonna MIDI EVENT dovranno essere immessi
i messaggi MIDI che verranno trasmessi quando si
richiama la scena.
5Fare clic sul pulsante sul margine sinistro
della colonna MIDI EVENT per aprire la
finestra MIDI EVENT SETUP
(CONFIGURAZIONE EVENTI MIDI).
6Utilizzare la finestra MIDI EVENT SETUP per
specificare il messaggio MIDI che verrà
collegato a quella scena.
La procedura che consente di specificare un messaggio
MIDI nella finestra MIDI EVENT SETUP è uguale a
quella della finestra MIDI REMOTE SETUP della
schermata MIDI REMOTE, tranne per il fatto che non
è possibile selezionare FAD, ENC o SW per le caselle
DATA 1/DATA 2 e per l'assenza del pulsante LEARN
(per ulteriori informazioni vedere a p. 128). Dopo aver
terminato di configurare le impostazioni, fare clic sul
pulsante OK della finestra MIDI EVENT SETUP.
7Fare clic sulla colonna
ON/OFF di Tx
posizionata alla destra
della colonna MIDI
EVENT per attivarla.
L'evento MIDI collegato alla
scena corrispondente risulta
ora attivato.
Nota
Se necessario, è possibile
regolare i tempi di trasmissione
degli eventi MIDI collegati alla
scena (
➥
p. 176).
8Allo stesso modo, specificare gli eventi MIDI
per gli altri numeri di scena.
9Richiamare una scena a cui è collegato un
evento MIDI.
Il messaggio MIDI verrà trasmesso dalla porta MIDI
specificata.
SCENE
Colonna MIDI EVENT

PM5D/PM5D-RH V2/DSP5D – Manuale di istruzioni Sezione operazioni 133
16
Controllo remoto
Utilizzo dell'interfaccia GPI (General Purpose Interface)
È possibile utilizzare il connettore GPI del pannello posteriore come connettore di ingresso/uscita GPI (General Purpose
Interface). Questo connettore è dotato di quattro porte GPI IN (INGRESSO GPI) e dodici porte GPI OUT (USCITA GPI). Ad
esempio è possibile utilizzare uno switch esterno o un joystick per controllare i parametri dell'unità PM5D o, al contrario,
utilizzare i tasti e i fader della PM5D per inviare segnali di controllo a un dispositivo esterno.
Il diagramma riportato di seguito rappresenta un circuito
esterno in grado di utilizzare GPI tramite il connettore GPI
(per le specifiche dei pin del connettore GPI, fare
riferimento alle Appendici p. 388 e p. 394 alla fine del
presente manuale).
Questo circuito utilizza quattro switch (GPI 1–GPI 4) per
attivare e disattivare le porte GPI IN. Se la polarità di una
porta GPI OUT è impostata su Low Active (Attivo basso)
e si utilizza l'unità PM5D per rendere attiva la porta GPI
OUT, si illuminerà il LED corrispondente nel circuito
soprastante (GPO 1–GPO 12) mentre se la polarità della
porta GPI OUT è impostata su High Active (Attivo alto),
il LED si spegnerà.
È possibile utilizzare le porte GPI IN del connettore GPI
per controllare i parametri dell'unità PM5D da un
dispositivo esterno. Ad esempio è possibile utilizzare un
dispositivo esterno per attivare/disattivare il talkback della
PM5D o per attivare la funzione Tap Tempo (Battuta
tempo), o ancora è possibile utilizzare un joystick per
controllare il pan surround.
1Collegare un dispositivo esterno al connettore
GPI dell'unità PM5D.
2Nella sezione DISPLAY ACCESS, premere più
volte il tasto [MIDI/REMOTE] per accedere alla
schermata GPI riportata di seguito.
In questa schermata, l'elenco superiore viene utilizzato
per configurare le impostazioni GPI IN mentre quello
inferiore per le impostazioni GPI OUT.
3Nella colonna POLARITY dell'elenco GPI IN,
selezionare la polarità di ciascuna porta
GPI IN.
È possibile selezionare una delle seguenti come polarità
della porta GPI IN:
• (Low active)
Quando si controlla un parametro di tipo switch (on/
off), la porta diventerà attiva quando lo switch viene
collegato a terra.
Quando si controlla un parametro a variazione
continua, tale parametro raggiungerà il valore massimo
nel momento in cui la tensione è a basso livello (per
default, 0V) e il valore minimo quando la tensione è ad
alto livello (per default, circa 5V).
• (High active)
Quando si controlla un parametro di tipo switch (on/
off), la porta diventerà attiva quando lo switch è aperto
oppure se la tensione immessa è a livello alto.
9 1 21 14 9 2 21 15
GPO 1 GPO 2 GPO 3 GPO 4
9 3 21 16 9 4 21 17
GPO 5 GPO 6 GPO 7 GPO 8
21 24 912 21 25 913
GPO 9 GPO 10 GPO 11 GPO 12
14
15
16
17
18
19
20
21
22
23
24
25
2
3
4
5
6
7
8
9
10
11
12
13
1
GPI 1 GPI 2 GPI 3 GPI 4
22 18 10 623 19 11 7
Utilizzo di GPI IN
GPIElenco GPI IN
Elenco GPI OUT

16 Controllo remoto
134 PM5D/PM5D-RH V2/DSP5D – Manuale di istruzioni Sezione operazioni
Quando si controlla un parametro a variazione
continua, tale parametro raggiungerà il valore minimo
nel momento in cui la tensione è a livello basso e il
valore massimo quando la tensione è ad alto livello.
Durante la visualizzazione della schermata GPI, la
colonna dello stato GPI IN nell'area GPI IN mostrerà
un grafico a barre giallo per indicare il valore
approssimativo della tensione in ingresso in ciascuna
porta (se la barra non è visualizzata, la tensione è
abbassata al minimo, mentre la visualizzazione tutta a
destra indica che il livello della tensione è alto).
Suggerimento
Il valore di tensione su cui l'unità PM5D rileva il livello High
(Alto) o Low (Basso) può essere regolato in base al controller
esterno in uso (fatta eccezione per gli switch esterni)
(
➥
p. 135).
4Sul lato sinistro della colonna FUNCTION, fare
clic sul pulsante per aprire la finestra GPI IN
PORT ASSIGN (ASSEGNAZIONE PORTA
INGRESSO GPI).
Nella finestra GPI IN PORT ASSIGN è possibile
selezionare la funzione dell'unità PM5D che verrà
controllata da ciascuna porta GPI IN.
Utilizzare la colonna FUNCTION per selezionare il
tipo di funzione e la colonna PARAMETER per
selezionare i parametri opzionali. È possibile
selezionare le funzioni e i parametri riportati di seguito.
Dopo aver specificato la funzione e il parametro, fare
clic sul pulsante OK.
Nota
• Se viene selezionata l'operazione di blocco, la porta passerà
da attiva a inattiva ogni volta che viene immesso un trigger
da uno switch esterno. In tal caso è consigliabile utilizzare
un tipo di switch esterno senza blocco.
• Se viene selezionata l'operazione di sblocco, la porta
diventerà attiva solo nel momento in cui il segnale
proveniente dal dispositivo esterno si trova a livello basso
o alto. In tal caso è consigliabile utilizzare un tipo di switch
esterno senza blocco oppure con blocco a seconda delle
esigenze.
FUNCTION PARAMETER Funzionamento unità PM5D
NO ASSIGN — Nessuna assegnazione
MONITOR
DIMMER ON Consente di attivare o
disattivare la funzione Dimmer
(Attenuatore)
SOURCE =
[nome
sorgente di
monitoraggio]
Consente di cambiare la
sorgente di monitoraggio
MONO ON Consente di attivare il tasto
[MONO] della sezione Monitor
Colonna
PARAMETER
Colonna FUNCTIONStato
GPI IN Colonna POLARITY
TALKBACK
ON
LATCH Consente di attivare o
disattivare la funzione Talkback
(operazione di blocco)
UNLATCH Consente di attivare o
disattivare la funzione Talkback
(operazione di sblocco)
CH ON-
LATCH [nome canale] Consente di attivare o
disattivare il canale (operazione
di blocco)
CH ON-
UNLATCH [nome canale] Consente di attivare o
disattivare il canale (operazione
di sblocco)
FADER
LEVEL [nome canale] Consente di modificare il valore
del fader (parametro LEVEL) in
base alla tensione
SUR-
ROUND
PAN
FRONT-REAR
PAN [SEL]
Consente di modificare il pan
surround (anteriore/posteriore)
del canale selezionato in base
alla tensione
LEFT-RIGHT
PAN [SEL]
Consente di modificare il pan
surround (sinistra/destra) del
canale selezionato in base alla
tensione
FRONT-REAR
PAN [ODD]
Consente di modificare il pan
surround (anteriore/posteriore)
del canale con numeri dispari in
base alla tensione
LEFT-RIGHT
PAN [ODD]
Consente di modificare il pan
surround (sinistra/destra) del
canale con numeri dispari in
base alla tensione
FRONT-REAR
PAN [EVEN]
Consente di modificare il pan
surround (anteriore/posteriore)
del canale con numeri pari in
base alla tensione
LEFT-RIGHT
PAN [EVEN]
Consente di modificare il pan
surround (sinistra/destra) del
canale con numeri pari in base
alla tensione
USER
DEFINED
KEY
FUNCTION
[Numero tasto/
banco User
Defined Key]
Mentre l'ingresso esterno è
attivo, esegue la stessa
operazione di quando viene
premuto il tasto definito
dall'utente
USER
DEFINED
KEY LED
[Numero tasto/
banco User
Defined Key]
Mentre l'ingresso esterno è
attivo, il LED del tasto definito
dall'utente selezionato si
illumina
PEAK
HOLD ON
—
Consente di attivare o
disattivare la funzione Peak
Hold (Mantenimento picco)
OSCILLA-
TOR ON Consente di attivare o
disattivare l'oscillatore.
SOLO ON Consente di attivare o
disattivare la funzione Solo
(Isolamento)
FUNCTION PARAMETER Funzionamento unità PM5D

PM5D/PM5D-RH V2/DSP5D – Manuale di istruzioni Sezione operazioni 135
16
Controllo remoto
5Allo stesso modo, specificare la funzione e il
parametro di altre porte GPI IN.
Con queste impostazioni quando si utilizza un
dispositivo esterno per attivare la porta GPI IN, verrà
eseguita la funzione dell'unità PM5D corrispondente
(se viene assegnato un parametro a variazione
continua, il valore del parametro verrà modificato in
base al cambiamento di tensione).
Suggerimento
Le impostazioni della schermata GPI vengono applicate a
tutte le scene e possono essere salvate su una scheda di
memoria come dati SETUP.
Se necessario, è possibile regolare i valori della tensione su
cui l'unità PM5D rileva i livelli basso e alto in modo
adeguato alla tensione dei segnali in ingresso dalla porta
GPI IN.
È possibile utilizzare questa funzione per impostare la
gamma variabile di un parametro della PM5D in modo da
far corrispondere la gamma del cambiamento di tensione
prodotto da un controller a variazione continua (ad
esempio un joystick).
1Collegare un dispositivo esterno al connettore
GPI dell'unità PM5D.
2Nella sezione DISPLAY ACCESS, premere più
volte il tasto [MIDI/REMOTE] per accedere alla
schermata GPI.
3Nell'area GPI IN MONITOR nella parte
superiore destra della schermata, selezionare
la porta GPI IN di cui si desidera eseguire la
calibratura.
Se viene eseguita la calibratura di un controller
bidimensionale, ad esempio un joystick, fare clic sui
pulsanti / a sinistra e a destra dei campi X-AXIS
(ASSE X) e Y-AXIS (ASSE Y) per specificare le due
porte GPI IN.
Se viene calibrata una sola porta GPI IN, impostarne
una su "----" (nessuna assegnazione).
Quando viene specificata una porta GPI IN, la tensione
proveniente dalla porta GPI IN è indicata da un
simbolo giallo nell'area di monitoraggio GPI IN.
In questo caso, la posizione orizzontale (asse X)
corrisponde alla tensione della porta GPI IN
selezionata nel campo X-AXIS mentre quella verticale
(asse Y) corrisponde alla tensione della porta GPI IN
selezionata nel campo Y-AXIS.
La riga rossa (o il quadrato rosso) visualizzato nell'area
di monitoraggio GPI IN indica l'intervallo compreso
tra il livello alto e il livello basso delle porte GPI IN
corrispondenti all'asse Y e all'asse X.
Suggerimento
Se necessario, è possibile fare clic sul pulsante REVERSE
(INVERTI) per invertire i livelli (alto e basso) del segnale di
input (il risultato sarà uguale a quello ottenuto quando si
cambia l'impostazione POLARITY della porta GPI IN).
4Attivare il pulsante CALIBRATION
(CALIBRATURA).
La riga rossa (o il quadrato rosso) dell'area di
monitoraggio GPI IN sparirà temporaneamente e
rimarrà solo il simbolo giallo .
5Se la calibratura viene eseguita solo su una
porta GPI IN, portare la tensione del segnale in
ingresso nella porta GPI IN specificata al punto
3 dal valore massimo al valore minimo.
Quando si verifica il cambiamento di tensione, il
simbolo giallo si sposterà in diverse direzioni (in
alto, in basso, a sinistra, a destra). La riga rossa si
allungherà in base a tale variazione e verranno
memorizzati i valori massimi e minimi della tensione
della porta GPI IN corrispondente.
6Se si sta eseguendo la calibratura di un
joystick, spostarlo di 360 gradi.
Il simbolo giallo ruoterà. Il quadrato rosso si
allargherà di conseguenza e verranno memorizzati i
valori massimi e minimi della tensione delle porte GPI
IN corrispondenti all'asse delle X e all'asse delle Y.
7Disattivare il pulsante CALIBRATION.
I valori massimo e minimo della tensione rilevati
verranno considerati valori di riferimento per i livelli
alto e basso (quando si controlla un parametro a
variazione continua, i valori massimo e minimo di quel
parametro verranno allineati con questi valori di
riferimento).
Suggerimento
I risultati della calibratura vengono applicati a tutte le scene e
permangono anche quando si spegne l'unità PM5D.
Calibratura delle porte GPI IN

16 Controllo remoto
136 PM5D/PM5D-RH V2/DSP5D – Manuale di istruzioni Sezione operazioni
In questa sezione viene illustrato come utilizzare le porte
GPI OUT del connettore GPI per controllare un
dispositivo esterno dai fader o dai tasti dell'unità PM5D.
1Collegare al connettore GPI dell'unità PM5D il
dispositivo esterno che si desidera controllare
dalla PM5D.
2Nella sezione DISPLAY ACCESS, premere più
volte il tasto [MIDI/REMOTE] per accedere alla
schermata GPI.
3Nella colonna POLARITY dell'area GPI OUT,
selezionare la polarità del segnale in uscita
proveniente da ciascuna porta GPI OUT.
La colonna POLARITY dell'area GPI OUT consente di
selezionare una delle due impostazioni come polarità
del segnale in uscita nel momento in cui la porta GPI
OUT diventa attiva.
• (Low active)
Collegato a terra quando la porta GPI OUT è attiva.
• (High active)
Aperto quando la porta GPI OUT è attiva.
4Nell'area GPI OUT, utilizzare le colonne FADER
START, USER DEFINED KEYS e TALLY per
selezionare la funzione dell'unità PM5D per le
porte GPI OUT 1–12.
Quando un'operazione qui selezionata viene eseguita
sull'unità PM5D, si attiverà la porta GPI OUT
corrispondente e verrà emesso un segnale di controllo.
Per ciascuna porta GPI OUT è possibile selezionare le
tre funzioni seguenti (sono consentite più selezioni).
❏FADER START
Un'operazione con i fader sull'unità PM5D rappresenterà il
trigger per l'emissione di un segnale dalla porta GPI OUT.
Per modificare l'impostazione, fare clic sul pulsante
sulla sinistra per aprire la finestra GPI OUT PORT
ASSIGN e selezionare la modalità fader (metodo di
rilevamento trigger) e il canale. È possibile selezionare le
seguenti modalità fader.
• FADER START
Un segnale di controllo (segnale trigger) di 250 msec
verrà emesso quando il fader del canale selezionato si
sposta da –60 dB (o inferiore) a –60 dB e oltre.
• FADER STOP (ARRESTO FADER)
Un segnale di controllo (segnale trigger) di 250 msec
verrà emesso quando il fader del canale selezionato
raggiunge –∞ dB.
• FADER TALLY (SENSORE DI LIVELLO FADER)
Un segnale di controllo verrà emesso quando il fader
del canale selezionato si sposta da –60 dB (o inferiore)
a –60 dB e oltre. Questo segnale di controllo verrà
mantenuto fino a quando il fader raggiunge –∞ dB
(o finché la porta GPI OUT non riceve un altro
trigger).
L'illustrazione che segue mostra come cambia il segnale
di output dalla porta GPI OUT quando viene utilizzato
un fader in ciascuna delle modalità fader (il
funzionamento illustrato si riferisce a quando
viene selezionato come POLARITY della porta GPI
OUT. Se POLARITY è , la polarità del segnale di
output sarà opposta).
Nota
Quando la tensione è ad alto livello, il segnale di output della
porta verrà aperto. Se il dispositivo di ricezione richiede un
livello alto, sarà possibile ottenerlo dal pin di alimentazione +5.
Tuttavia ciò implica una limitazione sul flusso corrente; per
ulteriori informazioni fare riferimento alle Appendici alla fine
del presente manuale.
Utilizzo di GPI OUT
Colonna TALLY
(SENSORE DI
LIVELLO)
Colonna FADER START
(AVVIO FADER)
Stato GPI
OUT
Colonna POLARITY
Pulsante TEST Colonna USER
DEFINED KEYS
FADER
START
FADER
STOP
FADER
TALLY
➪
➠
➠
➠
➠
➪➪➪➪
250 msec
250 msec

PM5D/PM5D-RH V2/DSP5D – Manuale di istruzioni Sezione operazioni 137
16
Controllo remoto
❏USER DEFINED KEYS
L'utilizzo di un tasto definito dall'utente sull'unità PM5D
rappresenterà il trigger per l'emissione di un segnale dalla
porta GPI OUT.
Per modificare l'impostazione, fare clic sul pulsante
sulla sinistra per aprire la finestra GPI OUT PORT
ASSIGN; dall'elenco selezionare il banco (A–D) e il
numero (1–25) del tasto definito dall'utente e scegliere la
modalità trigger (ovvero il funzionamento del trigger
quando viene premuto il tasto). È possibile scegliere una
delle seguenti modalità trigger.
• LATCH
Consente di alternare attivazione e disattivazione ogni
volta che viene premuto il tasto.
• UNLATCH
Attivo solo quando il tasto continua ad essere premuto.
L'illustrazione che segue mostra come cambia il segnale
di output dalla porta GPI OUT quando viene utilizzato
un tasto definito dall'utente in ciascuna delle modalità
trigger (il funzionamento illustrato si riferisce a quando
viene selezionato come POLARITY della porta GPI
OUT. Se POLARITY è , la polarità del segnale di
output sarà opposta).
❏TALLY (altro)
Altre operazioni sull'unità PM5D rappresenteranno il
trigger per l'emissione di un segnale dalla porta GPI OUT.
Quando l'operazione corrispondente viene eseguita
sull'unità PM5D, verrà emesso un segnale di controllo.
Tale segnale verrà mantenuto fino all'annullamento della
suddetta operazione (o finché la porta GPI OUT non
riceve un altro trigger).
Per modificare le impostazioni, fare clic sul pulsante
sulla sinistra per aprire la finestra GPI OUT PORT
ASSIGN, quindi selezionare una delle seguenti funzioni.
5Configurare le impostazioni delle altre porte
GPI OUT nello stesso modo.
Con queste impostazioni, quando si esegue
un'operazione assegnata alla porta GPI OUT verrà
emesso un segnale di controllo in base all'impostazione
POLARITY.
È possibile utilizzare i pulsanti TEST dell'area GPI
OUT per verificare il funzionamento delle porte GPI
OUT. Quando un pulsante TEST è attivato, diventerà
attiva anche la porta GPI OUT corrispondente e verrà
emesso un segnale di controllo.
La colonna dello stato GPI OUT indica lo stato del
segnale di output della porta corrispondente. I caratteri
L/H indicano il livello Low (basso) o High (alto) del
segnale. Il colore dello sfondo è giallo se attivato, verde
se disattivato.
LATCH
UNLATCH
Funzione Funzionamento unità PM5D
NO ASSIGN Nessuna assegnazione
POWER ON L'unità PM5D viene accesa
SOLO ON Tasto [SOLO] attivato
GPI IN 1
FUNCTION Funzione assegnata alla porta 1 GPI IN attivata
GPI IN 2
FUNCTION Funzione assegnata alla porta 2 GPI IN attivata
GPI IN 3
FUNCTION Funzione assegnata alla porta 3 GPI IN attivata
GPI IN 4
FUNCTION Funzione assegnata alla porta 4 GPI IN attivata
PREVIEW ON Tasto [PREVIEW] (ANTEPRIMA) della sezione
SCENE MEMORY (MEMORIA SCENE) attivato
CUE ON
[INPUT ONLY] Tasto [CUE] (SEGNALE DI ATTIVAZIONE) del
canale di ingresso attivato
CUE ON
[DCA ONLY] Tasto DCA [CUE] attivato
CUE ON
[OUTPUT
ONLY] Tasto [CUE] del canale di uscita attivato
CUE ON Qualsiasi tasto [CUE] attivato

17 Utilizzo delle schede di memoria
138 PM5D/PM5D-RH V2/DSP5D – Manuale di istruzioni Sezione operazioni
In questo capitolo viene illustrato come salvare/caricare i dati interni dell'unità PM5D/DSP5D
mediante una scheda di memoria.
Utilizzo delle schede di memoria con l'unità PM5D
È possibile inserire una scheda di memoria disponibile in
commercio nell'apposito slot del pannello frontale
dell'unità PM5D e utilizzarla per salvare o caricare diversi
tipi di dati.
È possibile utilizzare le schede ATA flash PCMCIA Type II
o i supporti CompactFlash inseriti in un adattatore schede
PC. In entrambi i casi sono supportate schede con
voltaggio di 3.3 V o 5 V. In genere queste schede sono già
formattate dal produttore, il che significa che non sarà
necessario formattarle prima di utilizzarle con l'unità
PM5D. Se è necessario formattare una scheda, utilizzare un
computer o un altro dispositivo esterno per formattare la
scheda in formato FAT16.
Nota
Il funzionamento non è garantito per tipi di supporto diversi da
quelli sopra riportati.
Salvataggio dei file su una scheda di memoria
Di seguito viene riportata la procedura per salvare singoli elementi di dati o tutti i dati dall'unità PM5D/DSP5D su una scheda
di memoria. Se le unità PM5D e DSP5D sono collegate in cascata, le impostazioni di ciascuna macchina possono essere salvate
in modo consecutivo con un'unica operazione.
1Inserire la scheda di memoria nell'apposito slot
posizionato sul pannello frontale dell'unità
PM5D.
È possibile inserire o rimuovere le schede mentre
l'unità PM5D è accesa.
2Nella sezione DISPLAY ACCESS (ACCESSO
DISPLAY) premere più volte il tasto [UTILITY]
per accedere alla schermata SAVE (SALVA).
Sul lato sinistro della schermata SAVE è possibile
selezionare la modalità di salvataggio e gli elementi da
salvare. L'elenco dei file sul lato sinistro della schermata
contiene quattro colonne; FILE NAME (NOME FILE),
TYPE (TIPO), DATE/SIZE (DATA/DIMENSIONI) e
COMMENT (COMMENTO). Nell'elenco sono
visualizzati i file e le directory memorizzate sulla scheda
di memoria. Per visualizzare la colonna COMMENT,
scorrere l'elenco verso destra.
3Nell'area MODE, fare clic sul pulsante BASIC
(BASE) per selezionare BASIC come modalità
di salvataggio.
Se è selezionata la modalità BASIC, è possibile scegliere
l'elemento desiderato o tutti gli elementi e salvarli su
una scheda di memoria.
Suggerimento
Le altre modalità di salvataggio sono ADVANCED
(AVANZATA) che consente di salvare memorie scene o
librerie con numeri diversi e la modalità CSV EXPORT
(ESPORTAZIONE CSV) che consente di salvare i nomi delle
memorie scene o librerie in formato CSV. Per ulteriori
informazioni, vedere la sezione Riferimenti (
➥
p. 212).
4Utilizzare i pulsanti posti al di sotto dell'area
MODE per selezionare l'elemento che si
desidera salvare.
Viene selezionato per il salvataggio l'elemento il cui
pulsante è stato attivato. È possibile attivare un solo
pulsante. Se si fa clic sul pulsante ALL DATA (TUTTI I
DATI) sarà possibile selezionare contemporaneamente
tutti i dati. Questi pulsanti corrispondono agli elementi
riportati di seguito.
17 Utilizzo delle schede di memoria
PHONES
KEYBOARD
MOUSE
MEMORY CARD
MEMORY CARD
SAVE
Pulsante SAVE
Area MODE
(MODALITÀ)
Elenco dei file

PM5D/PM5D-RH V2/DSP5D – Manuale di istruzioni Sezione operazioni 139
17
Utilizzo delle schede di memoria
Se si selezionano gli elementi SCENE MEMORY, HA,
INPUT PATCH o OUTPUT PATCH, sarà possibile
specificare il numero iniziale e finale in modo che
venga salvato solo l'intervallo di scene o librerie
desiderato. Il pulsante LINKED LIBRARY è disponibile
solo se il pulsante SCENE MEMORY è attivato.
Suggerimento
Il campo TOTAL SIZE (DIMENSIONI TOTALI) dell'area
MODE indica le dimensioni del file per gli elementi selezionati.
La capacità disponibile della scheda di memoria inserita è
visualizzata sotto l'elenco dei file.
5Se si sono selezionate scene o librerie da
salvare, utilizzare le caselle a destra del
pulsante per specificare il numero iniziale e
quello finale.
6A seconda delle necessità, utilizzare l'elenco di
file per selezionare la directory (cartella) nella
quale si desidera salvare i dati.
Se l'elenco di file contiene una sottodirectory, nella
colonna TYPE sarà indicato "[DIR]".
Per spostarsi in una sottodirectory, fare clic sulla riga
della directory per selezionarla (la riga verrà spostata al
centro dell'elenco) e fare clic sul nome della directory
riportata nella colonna FILE NAME.
Se l'elenco di file contiene una directory al di sopra del
livello corrente, verrà indicata da ". ." nella colonna
FILE NAME e da "[DIR]" nella colonna TYPE.
Per spostarsi in una directory a un livello più alto, fare
clic sulla riga della directory per selezionarla (la riga
verrà spostata al centro dell'elenco) e fare clic sul ". ."
riportato nella colonna FILE NAME.
Suggerimento
• La directory correntemente selezionata come destinazione
del salvataggio viene indicata anche nel campo FILE PATH
(PERCORSO FILE) sopra l'elenco
• Se si desidera creare una nuova directory nella posizione
corrente, fare clic sul pulsante MAKE DIR (CREA DIR) sotto
l'elenco di file.
Pulsante Contenuto
ALL DATA Tutti gli elementi e il contenuto della
scena corrente
SCENE MEMORY
(MEMORIA
SCENE) Contenuto della memoria scene
LINKED LIBRARY
(LIBRERIA
COLLEGATA)
Librerie collegate alla scena
(disponibile solo se il pulsante SCENE
MEMORY è attivato)
HA Contenuto della libreria dell'head
amplifier
INPUT PATCH
(ASSEGNAZIONE
INPUT)
Contenuto della libreria di
assegnazione input
OUTPUT PATCH
(ASSEGNAZIONE
OUTPUT)
Contenuto della libreria di
assegnazione output
INPUT CH
(CANALE DI
INGRESSO)
Contenuto della libreria del canale di
ingresso
OUTPUT CH
(CANALE DI
USCITA)
Contenuto della libreria del canale di
uscita
INPUT EQ (EQ
DI INGRESSO) Contenuto della libreria dell'EQ di
ingresso
OUTPUT EQ
(EQ DI USCITA) Contenuto della libreria dell'EQ di
uscita
GATE Contenuto della libreria del gate
COMP Contenuto della libreria del
compressore
EFFECT
(EFFETTO) Contenuto della libreria di effetti
GEQ Contenuto della libreria
dell'equalizzatore grafico
SETUP (CONFI-
GURAZIONE) Varie impostazioni non salvate nelle
scene
USER DEFINED
KEY (TASTO
DEFINITO
DALL'UTENTE)
Impostazioni del tasto definito
dall'utente
DCA FADER
MODE
(MODALITÀ
FADER DCA)
Impostazioni della modalità fader DCA
MIDI REMOTE
(MIDI REMOTO) Impostazioni MIDI remote
MIDI PGM TABLE
(TABELLA
PROGRAMMA
MIDI)
Contenuto dell'elenco della schermata
MIDI PGM CHANGE (PROGRAM
CHANGE MIDI)
MIDI CTR TABLE
(TABELLA
CONTROLLO
MIDI)
Contenuto dell'elenco della schermata
MIDI CTRL CHANGE (CONTROL
CHANGE MIDI)
EVENT LIST
(ELENCO
EVENTI)
Contenuto dell'elenco della schermata
EVENT LIST
Numero iniziale Numero finale
Nome scena o libreria
Una directory sotto il livello corrente
Una directory sopra il livello corrente

17
Utilizzo delle schede di memoria
140
PM5D/PM5D-RH V2/DSP5D – Manuale di istruzioni
Sezione operazioni
Nota
• L'elenco di file può visualizzare un massimo di cento
elementi.
• Il salvataggio non è possibile se il campo FILE PATH supera
i 60 caratteri (inclusa l'estensione del nome file).
7
Dopo aver specificato l'elemento da salvare e
la directory di destinazione del salvataggio,
fare clic sul pulsante SAVE.
Sarà visualizzata la finestra FILE SAVE
(SALVATAGGIO FILE) che consente di assegnare un
nome ai dati da salvare.
8
Utilizzare la tavolozza dei caratteri per
specificare un nume file e fare clic sul pulsante
OK.
Verrà visualizzata una finestra in cui viene richiesto
di confermare l'operazione di salvataggio.
Nota
• Quando si assegna un nome a un file su una scheda di
memoria, non è possibile utilizzare caratteri alfabetici in
minuscolo e alcuni simboli della tavolozza dei caratteri.
• Se si incolla del testo copiato da un'altra tavolozza di
caratteri quando si specifica il nome file, tutti i caratteri
alfabetici in minuscolo saranno convertiti in maiuscolo.
9
Per eseguire l'operazione di salvataggio fare
clic sul pulsante OK.
Verrà visualizzata una finestra che indicherà
l'avanzamento dell'operazione. Se si fa clic sul pulsante
CANCEL (ANNULLA) invece che sul pulsante OK,
l'operazione di salvataggio verrà annullata.
Non inserire o rimuovere la scheda di memoria in fase di
accesso alla stessa. Durante l'accesso alla scheda si
illuminerà l'indicatore BUSY (OCCUPATO) nella parte
superiore destra del display.
10
Se le unità PM5D e DSP5D sono collegate in
cascata, verrà visualizzata una finestra nella
quale è possibile salvare le impostazioni
della seconda e delle successive macchine
(DSP5D).
In base alle necessità, ripetere i punti 7–9 per salvare
le impostazioni singolarmente per ciascuna
macchina. Se non si desidera salvare le impostazioni
per la seconda e le successive macchine, fare clic sul
pulsante CANCEL per interrompere l'operazione di
salvataggio. Al termine dell'operazione, si tornerà
alla schermata precedente.
Suggerimento
Per evitare il caricamento di dati nella macchina non corretta,
nella finestra FILE SAVE visualizzata l'ID della macchina
(2 o 3) verrà automaticamente aggiunto alla fine del nome file
della seconda e delle successive unità.
Caricamento di file da una scheda di memoria
In questa sezione viene illustrato come caricare dati da una scheda di memoria nell'unità PM5D/PM5D.
1
Inserire la scheda di memoria contenente i dati
che si desidera caricare nell'apposito slot
posizionato sul pannello frontale dell'unità
PM5D.
2
Se le unità PM5D e DSP5D sono collegate in
cascata, attivare la macchina nella quale si
desidera caricare le impostazioni.
Per ulteriori informazioni su come attivare la macchina
destinazione del pannello di controllo, vedere a p. 40.
3
Nella sezione DISPLAY ACCESS premere più
volte il tasto [UTILITY] per accedere alla
schermata LOAD (CARICA).
LOAD
Pulsante LOAD
Area MODE
Elenco dei file

PM5D/PM5D-RH V2/DSP5D – Manuale di istruzioni Sezione operazioni 141
17
Utilizzo delle schede di memoria
4Utilizzare l'elenco di file per specificare la
directory di origine del caricamento.
La navigazione tra directory è la stessa di quella
illustrata per l'elenco di file della schermata SAVE
(➥ p. 139). La directory correntemente selezionata
viene indicata anche nel campo FILE PATH sopra
l'elenco
5Nell'elenco di file, fare clic sulla riga che indica
il file che si desidera caricare.
Il file verrà spostato al centro dell'elenco e sarà
evidenziato.
Nell'elenco sono presenti le informazioni indicate di
seguito.
• Colonna FILE NAME
Questa colonna riporta i nomi dei file salvati sulla
scheda di memoria. Se è selezionata una directory, è
visualizzato il nome della directory.
• Colonna TYPE
Questa colonna indica il contenuto salvato. Nella
colonna TYPE sarà riportata una delle indicazioni
seguenti:
Suggerimento
Per i dati della memoria scene, il tipo può essere "SCENE"
(vengono salvati solo i dati della memoria scene) e
"SCENE+LIB" (vengono inclusi anche i dati delle librerie
collegate).
• Colonna DATE/TIME
Vengono riportate la data in cui il file è stato salvato
per l'ultima volta e la relativa dimensione. Se è
selezionata una directory, è visualizzata solo la data.
• Colonna COMMENT
Riporta il comment o assegnato al momento del
salvataggio del file. Per immettere un commento,
scorrere l'elenco di file orizzontalmente e fare clic nella
colonna COMMENT per il file correntemente
selezionato.
Suggerimento
Facendo clic sulle intestazioni nella parte superiore dell'elenco
sarà possibile ordinare l'elenco secondo un ordine crescente o
decrescente. Il testo del pulsante correntemente selezionato
diventerà rosso e sarà visualizzata una freccia che indica
l'ordinamento crescente (
↑
) o decrescente (
↓
).
6Nell'area MODE, fare clic sul pulsante BASIC
per selezionare BASIC come modalità di
caricamento.
In modo simile alla modalità Save della schermata
SAVE, è possibile scegliere tra BASIC, ADVANCED o
CSV IMPORT (IMPORTAZIONE CSV) come
modalità di caricamento. Se è selezionata la modalità
BASIC, verranno attivati i pulsanti degli elementi
appropriati per il file correntemente selezionato.
Suggerimento
• Se è selezionata la modalità ADVANCED, sarà possibile
specificare l'intervallo di numeri di scene o librerie da
caricare da una memoria scene e/o file di libreria salvato in
modalità BASIC o ADVANCED.
• Se si seleziona CSV IMPORT, sarà possibile caricare file
CSV salvati con la modalità CSV EXPORT. Per ulteriori
informazioni su ciascuna modalità, vedere la sezione
Riferimenti (
➥
p. 212).
Nota
• Se si seleziona una directory nell'elenco file, la modalità di
caricamento passerà direttamente a CSV IMPORT e sulla
schermata verrà indicato se la directory contiene file CSV.
Se si seleziona quindi un file leggibile dall'unità PM5D ma
diverso da un file CSV, la modalità passerà
automaticamente a quella BASIC.
• Se il tipo di file da caricare è ALL DATA, tutto il contenuto
delle librerie e memorie scene dell'unità PM5D/DSP5D verrà
riscritto. Prima di eseguire il caricamento, accertarsi di non
sovrascrivere accidentalmente scene o dati di librerie
importanti.
7Quando si caricano scene o librerie, è possibile
fare clic sui pulsanti / a sinistra e a destra
delle caselle di fianco a ciascun pulsante per
selezionare i numeri di scena o libreria che
saranno caricati.
8Fare clic sul pulsante LOAD.
Verrà visualizzata una finestra in cui viene richiesto
di confermare l'operazione di caricamento.
9Per eseguire l'operazione di caricamento fare
clic sul pulsante OK.
Verrà visualizzata una finestra che indicherà
l'avanzamento dell'operazione. Al termine del
completamento, verrà nuovamente visualizzata la
finestra precedente.
Se si fa clic sul pulsante CANCEL invece che sul
pulsante OK, l'operazione di caricamento verrà
annullata e si tornerà alla schermata precedente.
Non inserire o rimuovere la scheda di memoria in fase di
accesso alla stessa. Durante l'accesso alla scheda si
illuminerà l'indicatore BUSY nella parte superiore destra del
display.
Nota
• Se il pulsante LOAD LOCK (BLOCCO CARICAMENTO)
della schermata SECURITY (SICUREZZA) è attivato, i
parametri selezionati nel campo LOCK PARAMETER
SELECT (SELEZIONE BLOCCO PARAMETRI) non
verranno caricati.
• Le memorie scene per le quali è indicato "R" (read only, sola
lettura) nella schermata SCENE della funzione SCENE non
verranno caricate, mentre verranno caricate le librerie
collegate.
ALL (TUTTI) Un file nel quale sono stati salvati tutti i dati
[DIR] Una directory
UNKNOWN
(SCONO-
SCIUTO)
Un file che non può essere caricato
dall'unità PM5D
Other (Altro) Un file nel quale è stato salvato un
elemento specifico
Colonna FILE
NAME Colonna DATE/TIMEColonna TYPE

18 Pan surround
142 PM5D/PM5D-RH V2/DSP5D – Manuale di istruzioni Sezione operazioni
In questo capitolo viene illustrato come utilizzare la funzionalità di pan surround.
Informazioni sulla funzionalità di pan surround
La funzionalità di "pan surround", quando utilizzata in un sistema di playback multi-canale, consente di posizionare il segnale
di un canale di ingresso in uno spazio bidimensionale o di spostare l'immagine audio in avanti/indietro e a sinistra/destra.
Per spostare l'immagine di pan surround, è possibile utilizzare il mouse, i tasti cursore [√]/[®]/[π]/[†] o gli encoder MIX
e così via.
L'unità PM5D consente di scegliere tra le tre seguenti modalità surround, a seconda del numero di canali presenti
nell'ambiente surround.
• 3-1ch
Questa modalità utilizza quattro canali; sinistro e
destro anteriore, anteriore centrale e posteriore
(surround).
• 5.1ch
Questa modalità utilizza sei canali; sinistro e destro
anteriore, sinistro e destro posteriore, anteriore
centrale e subwoofer.
• 6.1ch
Questa modalità utilizza sette canali; 5.1ch con
l'aggiunta del canale posteriore centrale.
Suggerimento
La modalità surround può essere selezionata nella schermata
MIXER SETUP (CONFIGURAZIONE MIXER) (funzione SYS/
W.CLOCK) o nella schermata SURR SETUP
(CONFIGURAZIONE SURROUND) (funzione MATRIX/ST).
18 Pan surround
Sinistro anteriore Centrale Destro anteriore
Posteriore (surround)
Subwoofer
Sinistro
posteriore Destro
posteriore
Sinistro
anteriore Centrale Destro
anteriore
Subwoofer
Sinistro
posteriore Destro
posteriore
Sinistro anteriore Centrale Destro anteriore
Posteriore
centrale

PM5D/PM5D-RH V2/DSP5D – Manuale di istruzioni Sezione operazioni 143
18
Pan surround
Configurazione e funzionamento del bus in modalità surround
Quando è selezionata una delle tre modalità surround (3-1ch, 5.1ch, 6.1ch), la configurazione e il funzionamento del bus
dell'unità PM5D cambia come indicato di seguito.
Quando è selezionata una modalità surround, i bus MIX
1–8 o i bus MIX 9–16 possono essere utilizzati come bus
surround. La scelta tra l'utilizzo dei bus MIX 1–8 o MIX
9–16 può essere effettuata nella schermata SURR SETUP
della funzione MATRIX/ST.
Quando si attiva la modalità surround, i canali surround
seguenti saranno assegnati per default a ciascuno dei bus
MIX. Sarà possibile modificare tali assegnazioni in un
secondo momento.
Nota
I bus MIX riportati in grigio nella tabella possono essere
utilizzati come bus MIX convenzionali. Tuttavia in modalità
6.1ch i bus MIX 8/16 bus funzioneranno solo come tipo FIXED
(FISSO).
Ad esempio quando la modalità surround è 6.1ch e si è
scelto di utilizzare i bus MIX 1–8 come bus surround, il
flusso del segnale di pan surround sarà il seguente:.
Quando è selezionata una modalità surround, gli encoder
MIX allocati ai bus surround funzioneranno in modo
diverso dal normale. Se ad esempio vengono utilizzati i bus
MIX 1–8 come bus surround, sarà possibile utilizzare gli
encoder MIX 1–8 della sezione MIX per modificare i
parametri riportati di seguito.
❏Se il tasto [MIX SEND] (MANDATA MIX)
della sezione MIX è attivato
AL ↔ R
Consente di spostare il pan surround del canale
selezionato tra sinistra e destra.
BF ↔ R
Consente di spostare il pan surround del canale
selezionato tra anteriore e posteriore.
CDivergenza anteriore
(solo modalità 5.1ch e 6.1ch)
Consente di regolare la divergenza anteriore
(la proporzione in base alla quale un segnale distribuito
al centro verrà inviato al bus anteriore centrale e ai bus
anteriori destro e sinistro) del canale selezionato.
La divergenza anteriore (parametro DIV F) può essere
regolata nel caso in cui venga utilizzata la modalità
6.1ch.
DDivergenza posteriore
(solo modalità 6.1ch)
Consente di regolare la divergenza posteriore (la
proporzione in base alla quale un segnale distribuito
posteriormente verrà inviato al bus posteriore centrale
e ai bus posteriori destro e sinistro) del canale
selezionato.
ELFE (solo modalità 5.1ch e 6.1ch)
Consente di regolare il livello di mandata del segnale
inviato dal canale selezionato al bus LFE (Low
Frequency Effects, Effetti a bassa frequenza).
Suggerimento
• Per ulteriori informazioni su ciascuno dei parametri di pan
surround, vedere la schermata SURR PARAM
(PARAMETRI SURROUND) (
➥
p. 309) nella sezione
Riferimenti.
• Se vengono utilizzati i bus MIX 9–16 come bus surround,
sarà possibile utilizzare gli encoder MIX 9–16 per eseguire
le operazioni sopra indicate.
Modalità
Surround
Bus MIX 3-1ch 5.1ch 6.1ch
Bus MIX 1/9 L
(Sinistro anteriore)
Bus MIX 2/10 R
(Destro anteriore)
Bus MIX 3/11 C
(Centrale) Ls
(Sinistro posteriore)
Bus MIX 4/12 S
(Surround) Rs
(Destro posteriore)
Bus MIX 5/13 C
(Centrale)
Bus MIX 6/14 LFE
(Subwoofer)
Bs
(Posteriore
centrale)
Bus MIX 7/15 LFE
(Subwoofer)
Bus MIX 8/16
Informazioni sui bus surround
Canale di ingresso 1
Canale di ingresso 2
Funzionamento della sezione MIX
1 2 3 4 5

18 Pan surround
144 PM5D/PM5D-RH V2/DSP5D – Manuale di istruzioni Sezione operazioni
❏Se il tasto [MIX MASTER] della sezione MIX è attivato
ALivello di output
Con questi encoder è possibile regolare il livello
di output di ciascun canale surround.
Impostazioni di base per i bus surround
Di seguito viene illustrato come selezionare la modalità surround 3.1ch, 5.1ch o 6.1ch e configurare le impostazioni per i bus
MIX che verranno utilizzati come bus surround.
1In base alla modalità surround che si intende
utilizzare, collegare un appropriato sistema
di playback ai jack MIX OUT 1–8 o MIX OUT
9–16.
2Nella sezione DISPLAY ACCESS (ACCESSO
DISPLAY) premere più volte il tasto [SETUP]
(CONFIGURAZIONE) per accedere alla
schermata SYSTEM SETUP (CONFIGURAZIONE
SISTEMA).
Per utilizzare una modalità surround, sarà necessario
scegliere innanzitutto la modalità surround e
specificare quindi i bus MIX di destinazione
dell'output surround.
3Fare clic su un pulsante nell'area SURROUND
MODE per selezionare la modalità surround
desiderata.
Quando si fa clic su un pulsante verrà visualizzata una
finestra in cui si chiede conferma del passaggio alla
modalità surround.
Fare clic sul pulsante OK per attivare la modalità
surround selezionata. Se ad esempio si passa alla
modalità 6.1ch, la visualizzazione sulla schermata
cambierà come indicato di seguito.
4Nell'area SURROUND BUS ALLOCATION
premere i pulsanti MIX 1-o MIX 9-16 per
selezionare i bus MIX che si desidera utilizzare
come bus surround.
È possibile selezionare i bus MIX 1–8 o MIX 9–16.
Quando si fa clic su un pulsante verrà visualizzata una
finestra in cui si chiede conferma della modifica
dell'allocazione del bus MIX.
Quando si fa clic sul pulsante OK, i bus MIX
selezionati verranno allocati come bus surround e
saranno assegnati ai canali surround in base alla
modalità surround corrente.
5Se si modifica cambiare le assegnazioni dei
canali surround, fare clic sui pulsanti / a
sinistra e a destra di ciascun campo nell'area
di assegnazione dei bus e premere il tasto
[ENTER] (o fare clic all'interno della casella)
per confermare l'impostazione.
Una volta confermata l'impostazione, il bus selezionato
in precedenza e il bus appena assegnato saranno
scambiati.
Suggerimento
È possibile inizializzare le assegnazioni dei canali surround
facendo clic sul pulsante INIT (INIZIALIZZA) a destra dell'area
di assegnazione dei bus.
1
SURR SETUP
Area SURROUND MODE
(MODALITÀ SURROUND)
Area SURROUND BUS
ALLOCATION
(ALLOCAZIONE BUS
SURROUND)
Area di assegnazione
dei bus
SURR SETUP

PM5D/PM5D-RH V2/DSP5D – Manuale di istruzioni Sezione operazioni 145
18
Pan surround
6Utilizzare le manopole e i pulsanti nella parte
inferiore della schermata per regolare volume,
delay, stato di attivazione/disattivazione e
segnale di attivazione per ciascun canale
surround.
Per ulteriori informazioni su queste manopole e sui
pulsanti, vedere la schermata SURR PARAM
(➥ p. 309) nella sezione Riferimenti.
7Nella sezione MIX, attivare il tasto [MIX
MASTER] in modo che si illumini e attivare i
tasti MIX [ON] di tutti i bus MIX che si intende
utilizzare come bus surround.
Il segnale di ciascun bus surround sarà in questo modo
inviato dal jack MIX OUT corrispondente.
Controllo della funzionalità di pan surround
Di seguito viene illustrato come controllare la funzione di pan surround per due canali di ingresso adiacenti (o per i canali
ST IN/FX RTN sinistro e destro).
Nota
• Prima di continuare con la procedura riportata di seguito, è
necessario selezionare la modalità surround desiderata e
collegare i jack MIX OUT 1–8 o MIX OUT 9–16 a un
appropriato sistema di playback, come descritto nella
sezione "Impostazioni di base per i bus surround"
(
➥
p. 144).
• Se si utilizza la modalità surround 5.1ch o 6.1ch, collegare
il segnale del canale LFE (Low Frequency Effects) a un
subwoofer dedicato per le basse frequenze. In ogni caso, la
semplice attivazione di una modalità surround non comporta
la modifica delle impostazioni dell'equalizzatore (filtro).
A seconda delle necessità, utilizzare l'EQ (LPF) del canale
MIX assegnato al canale LFE per tagliare la parte ad alta
frequenza del segnale in base alla risposta di frequenza
del subwoofer utilizzato.
1Nella sezione DISPLAY ACCESS premere più
volte il tasto [PAN/ROUTING] per accedere alla
schermata SURR PARAM (funzione PAN/
ROUTING).
Nella schermata SURR PARAM sono riportate sempre
le impostazioni di pan surround per i due canali.
2Utilizzare l'area di selezione del canale per
selezionare i canali di ingresso per i quali si
desidera modificare le impostazioni di pan.
Saranno visualizzati due canali adiacenti con
numerazione dispari/pari (oppure i canali ST IN/
FX RTN sinistro e destro).
3Utilizzare i pulsanti SURROUND BUS ON/OFF
posizionati sulla griglia pan surround per
selezionare i bus surround ai quali verrà
trasmesso il segnale del canale di ingresso.
I pulsanti SURROUND BUS ON/OFF consentono
di attivare/disattivare il segnale inviato dal canale di
ingresso a ciascun bus surround.
Suggerimento
È possibile ottenere lo stesso premendo il tasto [SEL] per
selezionare un canale di ingresso, in modo che il tasto
[MIX SEND] della sezione MIX si illumini, e attivando quindi
il tasto MIX [ON] per i bus surround desiderati.
4Utilizzare uno dei metodi seguenti per
regolare il pan surround del canale
selezionato.
• Mediante il mouse o il track pad
Spostare il puntatore sulla griglia pan surround del
canale che si desidera controllare e trascinare in avanti/
indietro/a sinistra/a destra il simbolo di O gialla.
Il simbolo diventerà rosso mentre lo si trascina.
In alternativa, è possibile fare clic sulla posizione
desiderata nella griglia pan surround per spostare il pan
surround in quella posizione.
• Mediante i pulsanti Pan nella relativa area
Se si desidera spostare rapidamente il segnale di un
canale nella posizione di un altoparlante, fare clic su
uno dei pulsanti pan (L, R, C) riportati ai bordi della
griglia pan surround.
• Mediante i tasti cursore [√]/[®]/[π]/[†]
Spostare il cursore sulla griglia pan surround e premere
il tasto [ENTER]. Il simbolo O diventerà rosso.
In questa condizione, è possibile utilizzare i tasti
cursore [√]/[®] per spostare il pan surround a
sinistra/destra, oppure i tasti cursore [π]/[†] per
spostarlo in avanti/all'indietro, in un intervallo di otto
unità. Se si esegue questa operazione tenendo premuto
il tasto [SHIFT] (MAIUSC) è possibile spostare
rapidamente il pan surround in un intervallo di
32 unità. Per completare la regolazione del pan
surround, premere ancora una volta il tasto [ENTER].
• Mediante gli encoder MIX
Se si attiva il tasto [MIX SEND] della sezione MIX, sarà
possibile utilizzare gli encoder MIX 1 o 9 per regolare la
posizione di sinistra/destra del canale di ingresso e gli
encoder MIX 2 o 10 per regolare la posizione anteriore/
posteriore. Nell'area MIX SECTION ASSIGNMENT
(ASSEGNAZIONE SEZIONE MISSAGGIO) della
schermata SURR PARAM sono visualizzati i parametri
assegnati a ciascun encoder MIX.
SURR PARAM
Pulsanti PAN Pulsanti SURROUND
BUS ON/OFF
Selezione del canale
Pulsante STEREO
LINK
Griglia pan surround

18 Pan surround
146 PM5D/PM5D-RH V2/DSP5D – Manuale di istruzioni Sezione operazioni
• Mediante i control change MIDI o GPI
Se si assegnano i parametri del pan surround a control
change MIDI o al GPI, sarà possibile utilizzare un
dispositivo esterno per controllare il pan surround. Per
ulteriori informazioni fare riferimento alla schermata
MIDI CTRL CHANGE (➥ p. 191) e alla schermata
GPI (➥ p. 194) nella sezione Riferimenti.
5Se si desidera che le operazioni di pan
surround siano collegate per due canali
adiacenti, attivare il pulsante STEREO LINK
(COLLEGAMENTO STEREO) e utilizzare la
casella sulla destra per selezionare il pattern
del collegamento.
Quando si attiva il pulsante STEREO LINK, il pan
surround verrà collegato per i due canali riportati nella
schermata SURR PARAM. Per specificare la modalità
di collegamento, selezionare uno dei seguenti pattern
di collegamento mediante i pulsanti / a destra e a
sinistra della casella a destra del pulsante STEREO
LINK.
6Se necessario, modificare altri parametri.
Nella schermata SURR PARAM è inoltre possibile
modificare i parametri seguenti.
• Divergence (Divergenza)
Questi controlli specificano la proporzione in base alla
quale i segnali vengono inviati a ciascun bus surround
quando il canale di ingresso è posizionato al centro.
I parametri visualizzati dipenderanno dalla modalità
surround correntemente selezionata. Per ulteriori
informazioni, vedere a p. 309.
•LFE
Consente di regolare il livello di output del segnale
inviato dal canale di ingresso al bus LFE (Low
Frequency Effects, Effetti a bassa frequenza) per un
subwoofer. È inoltre possibile utilizzare il pulsante ON/
OFF per attivare o disattivare il segnale inviato dal
canale di ingresso al bus LFE.
Suggerimento
• Il livello master di ciascun bus surround è riportato nella
parte superiore destra della schermata.
• È possibile utilizzare la schermata SURR VIEW
(VISTA SURR) per visualizzare contemporaneamente
le impostazioni di pan surround di tutti i canali.
Pattern 1
I canali si sposteranno nella stessa
direzione sia per l'asse anteriore/
posteriore che per l'asse di sinistra/
destra.
Pattern 2
I canali si sposteranno in direzioni
opposte per l'asse anteriore/
posteriore e nella stessa direzione per
l'asse di sinistra/destra.
Pattern 3
I canali si sposteranno nella stessa
direzione per l'asse anteriore/
posteriore e in direzioni opposte per
l'asse di sinistra/destra.
Pattern 4
Lo spostamento sinistra↔destra del
canale con numerazione dispari sarà
collegato con lo spostamento
posteriore↔anteriore del canale con
numerazione pari. Lo spostamento
anteriore↔posteriore del canale con
numerazione dispari sarà collegato
con lo spostamento sinistra↔destra
del canale con numerazione pari.
Pattern 5
Lo spostamento sinistra↔destra del
canale con numerazione dispari sarà
collegato con lo spostamento
anteriore↔posteriore del canale con
numerazione pari. Lo spostamento
anteriore↔posteriore del canale con
numerazione dispari sarà collegato
con lo spostamento sinistra↔destra
del canale con numerazione pari.
Pattern 6
Sia lo spostamento anteriore/
posteriore che lo spostamento
sinistra/destra saranno collegati nella
direzione opposta.
Pattern 7
Lo spostamento sinistra↔destra del
canale con numerazione dispari sarà
collegato con lo spostamento
anteriore↔posteriore del canale con
numerazione pari. Lo spostamento
anteriore↔posteriore del canale con
numerazione dispari sarà collegato
con lo spostamento destra↔sinistra
del canale con numerazione pari.
Pattern 8
Lo spostamento sinistra↔destra del
canale con numerazione dispari sarà
collegato con lo spostamento
posteriore↔anteriore del canale con
numerazione pari. Lo spostamento
anteriore↔posteriore del canale con
numerazione dispari sarà collegato
con lo spostamento sinistra↔destra
del canale con numerazione pari.

PM5D/PM5D-RH V2/DSP5D – Manuale di istruzioni Sezione operazioni 147
18
Pan surround
Note relative alla funzionalità di pan surround
Di seguito sono riportate alcune note e limitazioni da tenere in considerazione quando si utilizza la funzionalità di pan
surround.
❏Operazioni per il richiamo di una scena
• La selezione della modalità surround e le impostazioni
di pan surround di ciascun canale sono memorizzate
come parte della scena.
• Se si richiama una scena per la quale la modalità
surround differisce dalla scena corrente, la schermata
e il display del pannello cambieranno di conseguenza.
La modalità surround viene richiamata
indipendentemente dalle impostazioni di Selective
Recall (Richiamo selettivo) o Recall Safe (Blocca
richiamo).
• Se un canale o una coppia di canali è esclusa dal
richiamo e si richiama una scena nella quale il pulsante
STEREO LINK è attivato, il pulsante STEREO LINK
resterà attivato ma solo l'altro canale (della coppia)
verrà richiamato.
• Le impostazioni SURROUND BUS SETUP
(CONFIGURAZIONE BUS SURROUND) (selezione
del bus MIX 1-8/9-16 e assegnazione a ciascun canale
surround) non vengono incluse nei dati della scena.
❏Operazioni di richiamo della libreria
canali
• I parametri relativi al pan surround per gli input sono
memorizzati nella libreria dei canali di ingresso.
• Se il pulsante STEREO LINK è attivato e si richiamano
le impostazioni della libreria dei canali di ingresso, il
pulsante STEREO LINK resterà attivto, ma verrà
richiamato un solo canale. Le operazioni successive
dipenderanno dall'impostazione di STEREO LINK.
❏Copia di canali
• Quando si copia un canale di ingresso utilizzando le
operazioni del pannello, verranno copiati anche i
parametri relativi al surround.
• Per copiare i parametri relativi al surround mediante
la schermata CH JOB (PROCESSO CANALE) della
funzione INPUT VIEW (VISTA INPUT), è necessario
che il pulsante ALL (TUTTI) sia attivato nell'area
DESTINATION (DESTINAZIONE).
❏Global Paste
• Per incollare i parametri relativi al surround, è
necessario che il pulsante ALL sia attivato nell'area
CURRENT SCENE (SCENA CORRENTE) della
schermata GLOBAL PASTE (INCOLLA
IMPOSTAZIONI GLOBALI) della funzione SCENE
(SCENA). Le impostazioni dell'area STEREO LINK
verranno incollate anche se sono selezionati due canali
adiacenti.

19 Altre funzioni
148 PM5D/PM5D-RH V2/DSP5D – Manuale di istruzioni Sezione operazioni
In questo capitolo vengono illustrate altre funzionalità dell'unità PM5D non ancora trattate nel
presente manuale.
Uso dei tasti definiti dall'utente
È possibile assegnare le funzioni desiderate ai tasti definiti dall'utente nella sezione USER DEFINED (DEFINITO
DALL'UTENTE) del pannello superiore e utilizzare questi tasti per eseguire la funzione definita.
ATasti USER DEFINED [1]–[24]
BTasto USER DEFINED [25]
Questi sono i tasti definiti dall'utente che eseguono la
funzione assegnata.
In questa sezione viene illustrato come assegnare le
funzioni che verranno eseguite quando si premono i tasti
USER DEFINED [1]–[25].
1Nella sezione DISPLAY ACCESS (ACCESSO
DISPLAY) premere più volte il tasto [UTILITY]
per accedere alla schermata USER DEFINE
(DEFINIZIONE UTENTE) riportata di seguito.
In questa schermata è possibile assegnare tasti definiti
dall'utente per ciascuno dei quattro banchi; A–D.
2Nell'area BANK SELECT nella parte superiore
sinistra della schermata, utilizzare i pulsanti
A-D per selezionare il banco da utilizzare.
Per annullare le assegnazioni del banco corrente, fare
clic sul pulsante CLEAR BANK (ANNULLA BANCO)
nella parte inferiore dell'area BANK SELECT.
3Fare clic sul pulsante che si trova sulla riga
del tasto definito dall'utente che si desidera
assegnare.
Verrà visualizzata la finestra USER DEFINED KEY
ASSIGN (ASSEGNAZ. TASTI DEFINITI
DALL'UTENTE). In questa finestra è possibile
selezionare una funzione da assegnare a un tasto
definito dall'utente e scegliere dei parametri di opzioni.
19 Altre funzioni
Elementi della sezione USER DEFINED
1
2
Assegnazione di funzioni ai tasti
definiti dall'utente
USER DEFINE
Area BANK SELECT (SELEZIONE BANCO)

PM5D/PM5D-RH V2/DSP5D – Manuale di istruzioni Sezione operazioni 149
19
Altre funzioni
4Selezionare la funzione desiderata nella
colonna FUNCTION (FUNZIONE), selezionare
i parametri nella colonna PARAMETER 1/2
(PARAMETRO 1/2) e fare clic sul pulsante OK.
Per ulteriori informazioni su funzioni e parametri
disponibili, vedere la sezione Riferimenti (➥ p. 208).
5Assegnare nello stesso modo le funzioni ad
altri tasti e banchi.
Suggerimento
Le assegnazioni dei tasti definiti dall'utente non vengono
salvate nella scena. Se si desidera, è possibile salvare le
assegnazioni su una scheda di memoria come dati USER
DEFINED KEY.
In questa sezione viene illustrato come utilizzare i tasti
USER DEFINED [1]–[25] per eseguire le funzioni
assegnate.
1Nella sezione DISPLAY ACCESS premere più
volte il tasto [UTILITY] per accedere alla
schermata USER DEFINE.
2Nell'area BANK SELECT nella parte superiore
sinistra della schermata, utilizzare i pulsanti
A-D per selezionare il banco (A-D) da
utilizzare.
3Premere un tasto USER DEFINED [1]–[25].
Verrà eseguita la funzione assegnata a quel tasto.
Uso della sezione FADER MODE (MODALITÀ FADER)
Nella sezione FADER MODE, è possibile cambiare i canali assegnati ai fader DCA 1-8 della panel strip DCA. Per ciascuno dei
sei layer A–F, è possibile specificare il canale assegnato a ciascun fader. Ad esempio, può essere utilizzata per controllare
contemporaneamente il livello di mandata e il livello di ritorno di un effetto interno o per utilizzare un fader come master di
un bus MIX (MISSAGGIO) o MATRIX (MATRICE).
Insieme al passaggio al layer della sezione FADER MODE, è possibile anche impostare la macchina perché sia controllata
tramite pannello, channel strip INPUT, channel strip ST IN/FX RTN (INGRESSO STEREO/RIT. EFFETTI) e layer della
channel strip STEREO A/B.
Per ogni layer è possibile specificare il canale, la macchina o il layer assegnato a ciascun fader e utilizzare la sezione FADER
MODE per cambiare layer mentre si utilizzano i fader.
Nella sezione FADER MODE, è possibile selezionare i layer
o i gruppi DCA che verranno controllati.
ATasti FADER MODE [A]–[F]
Consentono di passare da layer dei fader DCA 1-8, alla
macchina controllata tramite pannello, alla channel
strip INPUT, alla channel strip ST IN/FX RTN e alla
channel strip STEREO A/B.
BTasto FADER MODE [DCA]
Se questo pulsante è attivato, i fader DCA 1-8
controlleranno i gruppi DCA 1-8.
In questa sezione viene illustrato come assegnare il canale,
la macchina o il layer desiderato ai layer della sezione
FADER MODE.
1Nella sezione DISPLAY ACCESS premere più
volte il tasto [UTILITY] per accedere alla
schermata FADER ASSIGN (ASSEGNAZIONE
FADER).
In questa schermata, è possibile selezionare il canale, la
macchina o il layer desiderato per ciascun layer A-F.
Esecuzione di funzioni assegnate
ai tasti definiti dall'utente
Elementi della sezione FADER MODE
21
Assegnazione del layer della sezione
FADER MODE
FADER ASSIGN

19 Altre funzioni
150 PM5D/PM5D-RH V2/DSP5D – Manuale di istruzioni Sezione operazioni
2Utilizzare le caselle di selezione canale per il
layer desiderato (A-F) per selezionare il canale
assegnato a ciascun fader 1-8.
Per selezionare un canale, spostare il cursore sulla
casella e ruotare il dial. Il canale lampeggerà, premere
il tasto [ENTER] (INVIO) per confermare. È possibile
selezionare uno dei canali riportati di seguito.
Suggerimento
• Se si seleziona un canale di ingresso o un fader DCA 1–8,
il nome del canale viene visualizzato subito sotto la casella
di selezione del canale.
• I canali di impresso e di uscita possono coesistere sullo
stesso layer.
• I canali di ciascuna macchina collegata in cascata con l'unità
DSP5D vengono assegnati ai canali che indicano l'ID
macchina corrispondente (#1–#3). I canali della macchina
correntemente selezionata vengono assegnati ai canali per
cui non viene riportato un ID macchina. Tuttavia, MONITOR
e CUE sono fissi sulla console PM5D (#1).
3Se si desidera, utilizzare la casella
MACHINE ID (ID MACCHINA)
corrispondente al layer (A-F) che si
desidera utilizzare per selezionare
la macchina che verrà gestita dal
pannello.
Per selezionare una macchina, spostare il
cursore e ruotare l'encoder [DATA]
(DATI), quindi premere il tasto [ENTER]
per confermare. Le macchine che è
possibile selezionare sono "#1" (PM5D),
"#2" (DSP5D), "#3" (DSP5D) oppure
"STAY" (nessuna modifica).
4Se si desidera, utilizzare la casella INPUT
(INGRESSO) e la casella ST IN/FX RTN per
il layer (A-F) che si desidera utilizzare per
selezionare rispettivamente i layer della
channel strip INPUT e ST/FX RTN.
Per selezionare un layer, spostare il cursore e ruotare
l'encoder [DATA], quindi premere il tasto [ENTER]
per confermare.
5Se si desidera, modificare
l'assegnazione della channel
strip STEREO A/B (fader e tasto
[ON]).
Per modificare l'assegnazione, spo-
stare il cursore e ruotare l'encoder
[DATA], quindi premere il tasto [ENTER] per confer-
mare. È possibile selezionare le seguenti assegnazioni.
• ST A/B
Canali STEREO A/B
• MONITOR
Livello di output per i jack MONITOR OUT L/R/C
• CUE
Livello di output per i jack MONITOR OUT L/R/C
6Allo stesso modo, assegnare il canale, la
macchina o il layer per altri layer.
Suggerimento
Le impostazioni della sezione FADER MODE non vengono
salvate nella scena. Se si desidera, è possibile salvare queste
impostazioni su una scheda di memoria come dati DCA
FADER MODE.
1Nella sezione FADER MODE, utilizzare i tasti
FADER MODE [A]–[F] per selezionare il layer da
utilizzare.
Il LED del tasto si illuminerà e il layer corrispondente
diventerà attivo. Se si assegnano i canali di ingresso ai
fader DCA, i nomi dei canali verranno visualizzati negli
indicatori dei nomi della strip DCA.
Suggerimento
È anche possibile cambiare i layer dalla schermata FADER
ASSIGN. In questa schermata sono riportati anche i valori dei
fader DCA e le relative posizioni approssimative.
2Utilizzare i fader della strip DCA.
Il livello dei canali corrispondenti verrà modificato. Se
un canale assegnato a un fader DCA viene accoppiato
(o se viene assegnato un solo lato di un canale stereo),
il livello dell'altro canale accoppiato (o dell'altro lato
del canale stereo) seguirà la medesima impostazione.
Nota
Se un tasto FADER MODE [A]–[F] è attivato, i tasti [MUTE]
della channel strip DCA possono essere utilizzati come tasti
[ON] dei canali corrispondenti. È possibile utilizzare anche
i tasti [CUE] come tasti [CUE] per i canali corrispondenti.
Elemento Canale selezionato
CH 1–CH 48 Canali di ingresso 1–48
STIN1L/STIN1R–STIN4L/
STIN4R Canali ST IN 1–4 L o R
(S o D)
FXRTN1L/FXRTN1R–
FXRTN4L/FXRTN4R Canali FX RTN 1–4 L o R
MIX 1–MIX 24 Canali MIX 1–24
MTRX1–MTRX8 Canali MATRIX 1-8
DCA1–8Fader DCA 1–8
MONITOR Livello di output per i jack
MONITOR OUT L/R/C
(USCITA MONITOR S/D/C)
CUE
Livello di output per i jack
CUE OUT (USCITA
SEGNALE DI
ATTIVAZIONE)
---- Fader disattivato
STAY Nessuna modifica
Casella di selezione
dei canali
Passaggio al layer della sezione
FADER MODE

PM5D/PM5D-RH V2/DSP5D – Manuale di istruzioni Sezione operazioni 151
19
Altre funzioni
Blocco dell'unità PM5D (Funzioni di sicurezza)
Con l'unità PM5D è possibile impedire modifiche di alcuni parametri (Parameter Lock), disabilitare il caricamento di file
(Load Lock) o impedire l'utilizzo della console (Console Lock). Ad esempio, è possibile impedire che una persona non
autorizzata utilizzi la console mentre il tecnico fa una pausa.
È possibile anche applicare la protezione tramite password alla funzione di blocco utilizzando una "password di sistema" che
viene memorizzata anche dopo aver spento il sistema, oppure una "password della console" che viene cancellata allo
spegnimento dell'unità. Sarà possibile utilizzare le funzioni Parameter Lock (Blocco parametri), Load Lock (Blocco
caricamento) e Console Lock (Blocco console) se viene specificata una password di sistema; se viene specificata una password
della console, sarà possibile utilizzare solo Console Lock.
In questa sezione viene indicato come impostare la
password utilizzata per le funzioni Parameter Lock e
Console Lock. Tuttavia, è possibile applicare la funzione
di blocco anche se non è stata specificata una password.
1Nella sezione DISPLAY ACCESS premere più
volte il tasto [UTILITY] per accedere alla
schermata SECURITY (SICUREZZA).
In questa schermata è possibile utilizzare i campi
SYSTEM PASSWORD e CONSOLE PASSWORD
posizionati sulla sinistra per specificare le relative
password. Se non si è specificata alcuna password, nella
casella corrispondente verrà indicato "--FREE--".
2Per impostare la password di sistema, fare clic
sul pulsante per il campo SYSTEM
PASSWORD. Per impostare la password della
console, fare clic sul pulsante per il campo
CONSOLE PASSWORD.
Verrà visualizzata una finestra con la richiesta di
immettere la nuova password. Nella parte superiore
sinistra della schermata viene indicato "NEW
PASSWORD" (NUOVA PASSWORD).
Come esempio, l'illustrazione riportata di seguito
mostra la finestra SYSTEM PASSWORD CHANGE
(MODIFICA PASSWORD DI SISTEMA) in cui è
possibile specificare la password di sistema.
Nota
• Se è stata già assegnata una password, verrà richiesto di
immettere la vecchia password. Nella parte superiore
sinistra della schermata viene indicato "OLD PASSWORD"
(VECCHIA PASSWORD). In questo caso, inserire la
password esistente e fare clic su OK prima di procedere
con il punto 3.
• Per riportare il sistema alla condizione in cui non è
specificata alcuna password, immettere la password
esistente, fare clic sul pulsante OK e lasciare vuoto il campo
per la nuova password quando si eseguono i punti da 3 a 5.
3Utilizzare la tavolozza dei caratteri per
specificare una password di massimo otto
caratteri nella casella di testo NEW
PASSWORD.
I caratteri immessi vengono visualizzati come "*"
(asterischi).
In una password è possibile utilizzare tutti i caratteri
presenti nella tavolozza ad eccezione dello spazio. Per
la password viene fatta distinzione tra i caratteri
maiuscoli e minuscoli. Quando si specifica una
password, non è possibile utilizzare i tasti COPY,
PASTE, SPACE, INS, ← e → della tavolozza caratteri.
4Fare clic sul pulsante OK.
Nella parte superiore sinistra della finestra verrà
indicato "RE-ENTER PASSWORD" (CONFERMA
PASSWORD)).
5Immettere la stessa password una seconda
volta e fare clic sul pulsante OK.
La password verrà applicata e si tornerà alla schermata
SECURITY.
Nota
La password della console verrà annullata allo spegnimento
dell'unità PM5D. La password di sistema resta invece
memorizzata anche dopo lo spegnimento del sistema. Quindi
se si dimentica la password di sistema, non sarà possibile
disattivare le funzioni Parameter Lock o Console Lock, a
meno che non venga inizializzata l'intera memoria dell'unità
PM5D (
➥
p. 160). Prestare quindi attenzione a non perdere la
password di sistema.
Impostazione della password di
sistema o della password della console
SECURITY
Area SYSTEM PASSWORD
Area CONSOLE PASSWORD

19 Altre funzioni
152 PM5D/PM5D-RH V2/DSP5D – Manuale di istruzioni Sezione operazioni
Di seguito viene descritto come bloccare i parametri o la
console. È anche possibile eseguire un blocco utilizzando la
password specificata.
1Nella sezione DISPLAY ACCESS premere più
volte il tasto [UTILITY] per accedere alla
schermata SECURITY.
2Per bloccare solo
determinati
parametri, utilizzare
i pulsanti dell'area
LOCK PARAMETER
SELECT (SELEZIONE
PARAMETRI BLOCCO)
per selezionare i
parametri dei quali si
desidera impedire
eventuali modifiche.
Quando si fa clic su un
pulsante, viene visualizzato un segno di spunta per
l'elemento selezionato. È possibile selezionare i
seguenti elementi (sono consentite selezioni multiple).
Nota
• Se il pulsante PARAMETER LOCK è attivato, non è
possibile modificare le impostazioni riportate sopra. Sarà
necessario disattivare la funzione di blocco prima di poterle
modificare.
• Se si attiva il pulsante RECALL LOCK, i parametri specificati
non saranno interessati da operazioni di richiamo librerie o
scene. Oltre alla sincronizzazione con PM5D Editor, sarà
possibile sincronizzare solo da PM5D a PM5D Editor.
3A seconda degli elementi che si desidera
bloccare, fare clic sul pulsante PARAMETER
LOCK, LOAD LOCK o CONSOLE LOCK.
Se è stata specificata una password, verrà visualizzata
una finestra in cui si richiede di immettere la password.
Facendo clic sul pulsante CANCEL (ANNULLA) senza
inserire una password in questa finestra, si tornerà alla
schermata precedente.
4Immettere la password assegnata
precedentemente e fare clic sul pulsante OK.
Se al punto 3 è stato scelto il pulsante PARAMETER
LOCK, verrà visualizzato un messaggio di "Parameter
Locked" (Parametro bloccato) e non sarà possibile
modificare i parametri selezionati.
Se al punto 3 è stato scelto il pulsante CONSOLE
LOCK, verrà visualizzata l'indicazione "CONSOLE
LOCKED" (Console bloccata) e verranno disabilitate
tutte le operazioni ad eccezione del pulsante UNLOCK
(SBLOCCA).
5Per disattivare il blocco dei parametri, fare clic
sul pulsante PARAMETER LOCK. Per disattivare
il blocco della console, fare clic sul pulsante
UNLOCK.
Se è stata specificata una password, verrà visualizzata
una finestra in cui si richiede di immettere la password.
Immettere la password e fare clic sul pulsante OK per
disattivare la funzione di blocco. Si tornerà alla
schermata precedente all'applicazione
dell'impostazione di sicurezza.
Nota
La password della console verrà annullata allo spegnimento
dell'unità PM5D. La password di sistema resta invece
memorizzata anche dopo lo spegnimento del sistema. Quindi
se si dimentica la password di sistema, non sarà possibile
disattivare le funzioni Parameter Lock o Console Lock, a
meno che non venga inizializzata l'intera memoria dell'unità
PM5D (
➥
p. 160). Prestare quindi attenzione a non perdere la
password di sistema.
Elemento Contenuto
SYSTEM
CONFIGURATION
Modifica delle impostazioni delle
schermate MIXER SETUP (IMPOSTAZ.
MIXER) e CASCADE (COLLEGAMENTO
IN CASCATA)
WORD CLOCK
SETUP Modifica dell'impostazione del word clock
DITHER Modifica delle impostazioni relative
al dithering
INPUT PATCH Modifica delle impostazioni (e nomi)
di assegnazione input
OUTPUT PATCH Modifiche delle impostazioni di
assegnazione output
INPUT CH ON/OFF Operazioni di attivazione/disattivazione
dei canali di ingresso
OUTPUT CH
ON/OFF Operazioni di attivazione/disattivazione
dei canali di uscita
MIX TO ST ON/OFF Operazioni di attivazione/disattivazione
del pulsante MIX TO STEREO
(DA MISSAGGIO A STEREO)
DCA MUTE ON
Operazioni di attivazione tasto DCA
[MUTE]
Le operazioni di disattivazione non sono
riportate.
Utilizzo della funzione Parameter
Lock o Console Lock
SECURITY
Area LOCK PARAMETER SELECT

PM5D/PM5D-RH V2/DSP5D – Manuale di istruzioni Sezione operazioni 153
19
Altre funzioni
Utilizzo dei collegamenti in cascata
È possibile condividere i bus tramite un collegamento in cascata delle unità PM5D e DSP5D, di più unità PM5D (fino a quattro unità)
oppure di un'unità PM5D con un mixer esterno (Yamaha DM2000/02R96 e così via). Se si collegano in cascata più unità PM5D/
DSP5D, è possibile collegare anche operazioni come salvataggio o richiamo di una scena, attivazione/isolamento e attenuatore.
È possibile collegare in cascata fino a due unità DSP5D a
un'unità PM5D. Con un'unità di cablaggio digitale
DCU5D, è possibile anche utilizzare l'instradamento a
lunga distanza tramite cavo Ethernet. Per ulteriori
informazioni, vedere a p. 31.
In questa sezione vengono illustrati i collegamenti in
cascata e il relativo funzionamento, utilizzando un esempio
che prevede due console PM5D collegate in cascata.
Per collegare in cascata due unità PM5D, collegare fra loro
i connettori CASCADE IN (INGRESSO CASCATA) e
CASCADE OUT (USCITA CASCATA) delle due unità.
In questo modo il bus MIX, il bus STEREO e i segnali di
uscita del bus CUE possono essere trasmessi e ricevuti
tra le due unità.
Se si desidera collegare tra le due unità PM5D operazioni
come il salvataggio/richiamo di una scena e l'attivazione/
isolamento, specificare un'unità come master cascata e
l'altra come slave cascata. Questa impostazione può essere
configurata nella schermata MIXER SETUP della funzione
SYS/W.CLOCK (SISTEMA/W.CLOCK). L'unità PM5D
assegnata come master cascata trasmetterà i segnali di
controllo uscita (segnali operativi) tramite il relativo
connettore CASCADE IN, mentre l'unità PM5D assegnata
come slave cascata riceverà questi segnali tramite il relativo
connettore CASCADE OUT.
Suggerimento
• Se si desidera utilizzare un collegamento a margherita per
due-quattro unità PM5D (ovvero collegare i connettori
CASCADE OUT della prima unità
✇
CASCADE IN della
seconda unità e CASCADE OUT della seconda unità
→
CASCADE IN della terza unità, collegando massimo quattro
unità.), assegnare l'unità PM5D all'ultimo posto della catena
(l'unità PM5D connessa solo tramite il connettore CASCADE
IN) come master cascata e le restanti unità PM5D come
slave (
➥
p. 225).
• Se si desidera collegare in cascata un'unità PM5D con una
console Yamaha DM2000 o 02R96, collegare il connettore
CASCADE OUT della console DM2000/02R96 al connettore
CASCADE IN dell'unità PM5D. In questo caso però non è
possibile collegare le relative operazioni.
• Se si desidera collegare in cascata l'unità PM5D con un
altro mixer esterno, utilizzare le schede I/O installate negli
slot 1–4 per inviare e ricevere i segnali audio (
➥
p. 224).
Quando si collegano in cascata le unità PM5D e DSP5D, è
necessario specificare un numero ID unico per ciascuna
macchina (PM5D e DSP5D). Specificare gli ID macchina
come #1 (PM5D), #2 (prima unità DSP5D) e #3 (seconda
unità DSP5D).
Nota
• L'ID macchina dell'unità PM5D è fissato su #1, quindi non è
necessario impostarlo.
• La possibilità di impostare l'unità DSP5D con l'ID macchina
#1 è relativa a sistemi che non comprendono un'unità
PM5D.
❏Configurazione delle impostazioni
direttamente nell'unità DSP5D
1Accendere l'unità PM5D e premere lo switch
della modalità situato sul pannello posteriore.
2Da uno a tre dei LED IN/OUT [TX]/[RX]
(LED INGRESSO/USCITA RICEZIONE/
TRASMISSIONE) del pannello anteriore si
illumineranno, in corrispondenza del numero
ID della macchina (1–3).
Un LED (OUT [TX]) si illumina per indicare la
macchina #1 (un sistema che consiste solo nell'unità
DSP5D), due LED (OUT [TX]/[RX]) si illuminano per
indicare la macchina #2 (la prima unità DSP5D) e tre
LED (OUT [TX][RX] IN[TX]) si illuminano per
indicare che la macchina #3 (la seconda unità DSP5D)
è selezionata.
Esempio di collegamento in cascata
tra le unità PM5D e DSP5D
Stage
FoH
DSP5D DSP5D
DCU5D
POWER
CASCADE
CASCADE
OUT
OUT
OUT
IN
IN
IN
IN
OUT
IN
CASCADE IN CASCADE IN
Ethernet CAT5
Ethernet
CAT5
OUT
PM5D
Esempio di collegamento in cascata
tra unità PM5D
PM5D A
CASCADE
IN
CASCADE
OUT
CASCADE
IN
CASCADE
OUT
PM5D B
Segnali
audio delle
unità A+B
Segnali
audio delle
unità A+B
(master cascata) (slave cascata)
Indicazione del numero ID
della macchina DSP5D
FAN
HIGH LOW
POWER
FAN
HIGH LOW
POWER
Switch Mode

19 Altre funzioni
154 PM5D/PM5D-RH V2/DSP5D – Manuale di istruzioni Sezione operazioni
• Per l'ID macchina #1
• Per l'ID macchina #2
• Per l'ID macchina #3
3Quando i LED dell'ID macchina si illuminano
(entro 5 secondi), è possibile premere più
volte lo switch della modalità per passare l'ID
macchina da #1 → #2 → #3 → #1 → #2 → #3.
Nota
L'indicazione del LED dell'ID macchina tornerà alla
visualizzazione normale se non tiene premuto lo switch
della modalità per cinque secondi o oltre.
❏Configurazione delle impostazioni
da DSP5D Editor
1Sincronizzare DSP5D Editor con l'unità DSP5D.
2Nella finestra di impostazione mixer, utilizzare
l'opzione di collegamento in cascata per
indicare l'ID macchina.
Per ulteriori informazioni, fare riferimento al Manuale
di istruzioni di DSP5D Editor.
In questa sezione vengono illustrate le impostazioni di base
necessarie per il collegamento in cascata delle unità PM5D
e DSP5D e per il collegamento in cascata di due unità
PM5D in modo bidirezionale.
❏Collegamento in cascata delle unità
PM5D e DSP5D
1Nella sezione DISPLAY ACCESS premere più
volte il tasto [SYS/W.CLOCK] finché viene
visualizzata la schermata MIXER SETUP.
2Nell'area CASCADE CONNECTION nella parte
inferiore della schermata, fare clic sul pulsante
TYPE SELECT per accedere alla finestra
CASCADE TYPE SELECT (SELEZIONE TIPO
DI CASCATA).
3In base alla console DSP5D o DCU5D collegata,
selezionare il tipo di collegamento appropriato
e fare clic sul pulsante OK per chiudere la
finestra.
In base al tipo selezionato, nel campo CASCADE
CONNECTION verrà visualizzato un diagramma a
cascata e verranno automaticamente configurate le
impostazioni di cascata, ad esempio le porte.
Suggerimento
Per ulteriori informazioni sui vari tipi di collegamento, vedere a
p. 223.
OUT
OUT
TX RX TX RX
IN
IN
OUT
OUT
TX RX TX RX
IN
IN
OUT
OUT
TX RX TX RX
IN
IN
Impostazioni di base per il
collegamento in cascata
MIXER SETUP
Area CASCADE CONNECTION
(COLLEGAMENTO IN CASCATA)
TYPE SELECT
(SELEZIONE TIPO)

PM5D/PM5D-RH V2/DSP5D – Manuale di istruzioni Sezione operazioni 155
19
Altre funzioni
❏Master cascata (collegamento in cascata
bidirezionale tra unità PM5D)
1Nella sezione DISPLAY ACCESS premere più
volte il tasto [SYS/W.CLOCK] finché viene
visualizzata la schermata MIXER SETUP.
2Nell'area CASCADE CONNECTION nella parte
inferiore della schermata, fare clic sul pulsante
TYPE SELECT per accedere alla finestra
CASCADE TYPE SELECT.
3Selezionare "PM5D – PM5D" come tipo di
collegamento e fare clic sul pulsante OK per
chiudere la finestra.
4Nell'area CASCADE MODE (MODALITÀ
CASCATA) nella parte inferiore della
schermata, selezionare "MASTER". Attivare
quindi il pulsante BI-DIRECTION (BIDIREZ.)
subito sotto.
Quando più unità PM5D sono collegate in cascata, le
impostazioni per l'area CASCADE MODE indicano se
l'unità funzionerà come master cascata (se si seleziona
"MASTER") o come slave cascata (se si seleziona
"SLAVE").
Se si attiva il pulsante BI-DIRECTION, i segnali audio
missati di entrambe le unità PM5D collegate in cascata
verranno trasmessi da tutte e due le unità.
5Selezionare "PM5D" nel campo CASCADE
FROM (IN CASCATA DA) e nel campo
CASCADE TO (IN CASCATA A).
Nel campo CASCADE FROM, selezionare una delle
voci seguenti come tipo di dispositivo esterno che invia
segnali all'unità PM5D tramite il collegamento in
cascata.
Nel campo CASCADE TO, selezionare "PM5D" o "----"
(trasmissione disabilitata) come dispositivo esterno a
cui viene inviato il segnale dall'unità PM5D tramite il
collegamento in cascata.
6Verificare che sia selezionato "CASCADE IN"
per il campo CASCADE IN PORT SELECT
(SELEZ. PORTA INGRESSO CASCATA) e che sia
selezionato "CASCADE OUT" per il campo
CASCADE OUT PORT SOURCE SELECT
(SELEZ. SORGENTE PORTA USCITA CASCATA).
MIXER SETUP
Area CASCADE CONNECTION
Area CASCADE MODE Pulsante BI-DIRECTION
Display Dispositivo
sorgente
Porta di ingresso
per cascata
selezionabile
Collegament
o parametri
—Collegamento in
cascata
disabilitato
CASCADE IN, SLOT
4, SLOT 3/4, SLOT1-
4 [CH1-8], SLOT 1-4
[CH9-16]
Non
eseguibile
PM5D Altra unità PM5D CASCADE IN Eseguibile*1
*1. I parametri collegati vengono specificati nella schermata
CASCADE.
DM2000/
02R96 Yamaha DM2000
o 02R96 CASCADE IN
Non
eseguibile
MIXER
[30BUS]
Un mixer diverso
da quello
riportato sopra
(fino a 30 bus)
SLOT 3/4,
SLOT 1-4 [CH1-8],
SLOT 1-4 [CH9-16]
MIXER
[16BUS]
Un mixer diverso
da quello
riportato sopra
(fino a 16 bus)
SLOT 4
Campo CASCADE
FROM
Campo
CASCADE TO
Campo CASCADE IN
PORT SELECT Campo CASCADE OUT
PORT SOURCE SELECT

19 Altre funzioni
156 PM5D/PM5D-RH V2/DSP5D – Manuale di istruzioni Sezione operazioni
Nei campi CASCADE IN PORT SELECT e CASCADE
OUT PORT SOURCE SELECT vengono selezionate le
porte attraverso cui i segnali audio saranno trasmessi e
ricevuti dal dispositivo esterno collegato in cascata.
Se si seleziona "PM5D" o "DM2000/02R96" per l'altro
dispositivo collegato in cascata, sarà possibile
selezionare solo "CASCADE IN" per il campo
CASCADE IN PORT SELECT. Nel campo CASCADE
OUT PORT SOURCE SELECT, è possibile scegliere dai
canali di uscita degli slot 1–4, insieme a "CASCADE
OUT" (➥ p. 225).
Suggerimento
Se si sceglie un'impostazione diversa da "CASCADE OUT"
nel campo CASCADE OUT PORT SOURCE SELECT, lo
stesso segnale verrà trasmesso sia dallo slot/canale
specificato che dal connettore CASCADE OUT.
❏Slave cascata (collegamento in cascata
bidirezionale tra unità PM5D)
1Nella sezione DISPLAY ACCESS premere più
volte il tasto [SYS/W.CLOCK] per accedere alla
schermata MIXER SETUP.
2Nell'area CASCADE CONNECTION nella parte
inferiore della schermata, fare clic sul pulsante
TYPE SELECT per accedere alla finestra
CASCADE TYPE SELECT.
3Selezionare "PM5D – PM5D" come tipo di
collegamento e fare clic sul pulsante OK per
chiudere la finestra.
4Nell'area CASCADE MODE nella parte inferiore
della schermata, selezionare "SLAVE". Attivare
quindi il pulsante BI-DIRECTION (BIDIREZ.)
subito sotto.
5Selezionare "PM5D" nel campo CASCADE
FROM e nel campo CASCADE TO.
6Verificare che sia selezionato "CASCADE IN"
per il campo CASCADE IN PORT SELECT e che
sia selezionato "CASCADE OUT" per il campo
CASCADE OUT PORT SOURCE SELECT.
In questa sezione viene illustrato come selezionare i bus
utilizzati per il collegamento in cascata, come specificare gli
elementi da collegare e come abilitare il collegamento in
cascata. Eseguire la procedura riportata di seguito sia sulle
unità master cascata che sulle unità slave cascata.
1Nella sezione DISPLAY ACCESS premere più
volte il tasto [SYS/W.CLOCK] finché viene
visualizzata la schermata CASCADE riportata
di seguito.
In questa combinazione è possibile abilitare e
disabilitare i bus utilizzati per la trasmissione e la
ricezione nel collegamento in cascata e selezionare le
operazioni che verranno collegate quando più unità
PM5D sono collegate in cascata.
Nota
Nel caso di un sistema collegato in cascata all'unità DSP5D,
il sistema funzionerà sempre come se il pulsante LINK
(COLLEGAMENTO) dell'area CASCADE LINK
(COLLEGAMENTO IN CASCATA) fosse attivato; questa
impostazione non può essere modificata.
2Nell'area CASCADE LINK nella parte sinistra
della schermata, attivare i pulsanti per le
operazioni che si desidera collegare.
Selezione dei bus utilizzati
per il collegamento in cascata
CASCADE

PM5D/PM5D-RH V2/DSP5D – Manuale di istruzioni Sezione operazioni 157
19
Altre funzioni
Le impostazioni dell'area CASCADE LINK consentono
di selezionare le operazioni che verranno collegate
quando più unità PM5D sono collegate in cascata.
È possibile selezionare gli elementi seguenti.
• SCENE RECALL (RICHIAMO SCENA)
Operazioni di richiamo di una scena/Operazioni
di annullamento richiamo
• SCENE STORE/EDIT (MEMORIZZAZIONE/
MODIFICA SCENA)
Operazioni di memorizzazione di una scena,
operazioni di annullamento memorizzazione, modifica
titolo, ordinamento
• CUE/SOLO LOGIC (LOGICA DI ATTIVAZIONE/
ISOLAMENTO)
Operazioni di attivazione/isolamento
• DIMMER ON/OFF (ATTIVAZ/DISATTIVAZ
ATTENUATORE)
Effetto attenuatore (compreso l'attenuatore talkback)
• PAGE CHANGE (CAMBIO PAGINA)
Cambio della schermata del display
• DCA FADER MODE (MODALITÀ FADER DCA)
Cambio della modalità della sezione FADER MODE
del pannello superiore
• ENCODER MODE (MODALITÀ ENCODER)
Cambio della modalità della sezione ENCODER
MODE del pannello superiore
• PANEL/LCD BRIGHTNESS (LUMINOSITÀ
PANNELLO/LCD)
Impostazioni di luminosità nella schermata
PREFERENCE 2 (funzione UTILITY)
• INPUT METER POINT/OUTPUT METER POINT/
PEAK HOLD (PUNTO DI MISURAZIONE
INGRESSO/PUNTO DI MISURAZIONE USCITA/
MEMORIZZA PICCO)
Selezione del punto di misurazione per il canale di
ingresso e di uscita, attivazione/disattivazione della
funzione di memorizzazione picco
• DCA LEVEL/MUTE (LIVELLO DCA/ESCLUSIONE)
Livello 1-8 del gruppo DCA, nome, operazioni di
attivazione/disattivazione dei tasti [CUE] e [MUTE]
• MUTE MASTER (MASTER ESCLUSIONE)
Attivazione/disattivazione dei gruppi di esclusione 1-8
Nota
• Il collegamento è abilitato solo se i pulsanti LINK per lo
stesso elemento sono attivati sia per l'unità master cascata
che per l'unità slave cascata.
• Se si sono collegate in cascata tre o più unità PM5D con
una configurazione a margherita, è possibile anche
disattivare il collegamento per l'unità master e attivarlo per
le unità slave.
Suggerimento
I valori dei parametri DCA e MUTE saranno collegati non
appena viene attivato il collegamento. La funzione CUE/
SOLO verrà inizializzata non appena viene attivato il
collegamento. Altri parametri verranno collegati solo nel
momento in cui si utilizza quel parametro per la prima volta
dopo aver attivato il pulsante Link.
3Nell'area CASCADE I/O ASSIGN VIEW (VISTA
ASSEGNAZIONE I/O CASCATA), utilizzare i
pulsanti CASCADE IN e CASCADE OUT ON/
OFF per indicare se ciascun bus trasmetterà o
riceverà segnali audio al e dal dispositivo
esterno collegato in cascata.
I pulsanti CASCADE IN e CASCADE OUT ON/OFF
indicano se i segnali di ciascun bus verranno trasmessi
a o ricevuti dal dispositivo esterno collegato in cascata.
Queste impostazioni vengono configurate in modo
indipendente per ciascun bus; bus MIX 1–24, bus
STEREO A L/R, bus STEREO B L/R e bus CUE L/R.
I bus con il pulsante CASCADE IN attivato
riceveranno i segnali dal dispositivo esterno; i bus con
il pulsante CASCADE OUT attivato invieranno i
segnali al dispositivo esterno.
Nei campi CASCADE IN SOURCE vengono indicati i
bus sorgenti. Se l'altro dispositivo collegato in cascata è
una console PM5D o DSP5D, queste assegnazioni sono
fisse e non possono essere modificate.
Nota
• Quando due unità PM5D sono collegate in cascata, la
trasmissione e la ricezione segnali è abilitata se il pulsante
CASCADE OUT dell'unità che trasmette e il pulsante
CASCADE IN dell'unità che riceve sono entrambi attivati per
lo stesso bus.
• Se si seleziona un dispositivo diverso dall'unità PM5D come
altro dispositivo collegato in cascata, l'indicazione della
sorgente della trasmissione riportata nel campo CASCADE
IN SOURCE cambierà (
➥
p. 227).
4Utilizzando il pulsante PARAM LINK ON/OFF
nell'area CASCADE I/O ASSIGN VIEW,
specificare se i parametri dei canali saranno
collegati tra le macchine.
Questa opzione può essere specificata per ogni coppia
di canali adiacenti con numerazione dispari/pari.
Attivare questo pulsante se si desidera che ogni
macchina trasmetta lo stesso segnale.
5Impostare il pulsante CASCADE ENABLE/
DISABLE (ABILITA/DISABILITA CASCATA) su
ENABLE.
Il collegamento in cascata sarà abilitato quando il
pulsante CASCADE ENABLE/DISABLE è impostato su
ENABLE sia per l'unità master che per l'unità slave.
Area CASCADE IN SOURCE
(SORGENTE INGRESSO CASCATA)
Pulsanti CASCADE IN ON/OFF
(ATTIVAZ./DISATTIVAZ. INGRESSO CASCATA)
Pulsanti PARAM LINK
(COLLEGAMENTO PARAM.)
Pulsanti CASCADE OUT ON/OFF
(ATTIVAZ./DISATTIVAZ. USCITA CASCATA)

19 Altre funzioni
158 PM5D/PM5D-RH V2/DSP5D – Manuale di istruzioni Sezione operazioni
Collegamento della console PM5D a un computer tramite USB
È possibile installare l'applicazione PM5D Editor in un computer e utilizzarla per controllare i parametri dell'unità PM5D o
per eseguire operazioni di backup e ripristino del contenuto della memoria dell'unità PM5D.
In questa sezione vengono illustrate le operazioni necessarie per stabilire un collegamento USB tra la console PM5D e un
computer.
Nota
Nella procedura seguente si presuppone che il programma
PM5D Editor e il driver USB-MIDI siano stati già correttamente
installati nel computer. Prima di continuare, scaricare il
programma e il driver dal sito Web di Yamaha e procedere
all'installazione. http://www.yamahaproaudio.com/
1Nella sezione DISPLAY ACCESS premere più
volte il tasto [MIDI/REMOTE] (MIDI/REMOTO)
fino a quando verrà visualizzata la schermata
MIDI SETUP (IMPOSTAZ. MIDI).
2Nell'area PM5D EDITOR nella parte inferiore
destra della schermata, selezionare la porta a
cui è collegato il computer e selezionare l'ID
dell'unità PM5D.
Utilizzare prima il campo PORT (PORTA) per
selezionare la porta che verrà utilizzata per comunicare
con il computer. Fare clic sui pulsanti / a sinistra e
a destra della casella sinistra per selezionare il tipo di
porta, quindi premere il tasto [ENTER] (o fare clic
all'interno della casella) per applicare la selezione. Se si
seleziona USB o SLOT 1–4, utilizzare la casella a destra
per selezionare un numero di porta da 1 a 8.
Utilizzare quindi il campo ID per selezionare un ID da
1 a 8 per la console PM5D da controllare. Questo
numero viene utilizzato per distinguere le singole unità
PM5D quando si utilizzano più unità
contemporaneamente.
Nota
Impostare il numero di porta USB e il numero di ID dell'unità
PM5D in modo che corrispondano alle impostazioni di PM5D
Editor. Per ulteriori informazioni, fare riferimento al Manuale
di istruzioni di PM5D Editor.
3Avviare PM5D Editor nel computer e utilizzare
un cavo USB per collegare il computer alla
console PM5D.
Ciò consente la comunicazione tra il computer e la
console PM5D. Per ulteriori informazioni sull'utilizzo,
fare riferimento al Manuale di istruzioni di PM5D
Editor.
Nota
• Se si scollega o si ricollega il cavo USB, o si spegne e si
riaccende l'unità PM5D, è necessario chiudere PM5D Editor
e spegnere il computer. In alcuni casi, potrebbe non essere
possibile effettuare un nuovo collegamento con la console
PM5D fino al riavvio del computer.
• Utilizzare un cavo USB non più lungo di 3 metri. Collegare
quindi la console PM5D direttamente al connettore USB del
computer; non utilizzare un hub USB.
Quando si collega l'unità PM5D al computer tramite il
connettore USB TO HOST, è necessario attenersi alla
procedura riportata di seguito. La mancata osservanza delle
indicazioni riportate potrebbe causare il blocco del
computer o dell'unità PM5D ("hang up") con conseguente
danneggiamento o perdita dei dati. Se il computer o l'unità
PM5D si blocca, spegnere e riaccendere, quindi riavviare il
computer.
• Prima di collegare il computer tramite il connettore
USB TO HOST, disattivare la modalità di risparmio
energetico (sospensione/inattività/standby) sul
computer.
• Collegare il connettore USB TO HOST al computer
prima di accendere l'unità PM5D.
• Chiudere tutti i programmi (ad esempio PM5D
Editor) prima di spegnere o accendere l'unità PM5D
o prima di collegare o scollegare il cavo USB.
• Lasciar passare almeno tre secondi tra l'accensione
e lo spegnimento dell'unità PM5D o tra lo
scollegamento e il collegamento del cavo USB.
MIDI SETUP
Area PM5D Editor
Precauzioni durante l'utilizzo
del connettore USB TO HOST
(USB VERSO HOST)

PM5D/PM5D-RH V2/DSP5D – Manuale di istruzioni Sezione operazioni 159
19
Altre funzioni
Collegamento della console DSP5D a un computer tramite
Ethernet
È possibile utilizzare il programma DSP5D Editor installato nel computer per controllare i parametri dell'unità DSP5D e
per eseguire operazioni di backup e ripristino del contenuto della memoria.
In questa sezione viene descritta la procedura necessaria per l'utilizzo di un cavo Ethernet per collegare l'unità DSP5D al
computer.
Nota
• Nella procedura seguente si presuppone che il programma
DSP5D Editor e il driver di rete DME-N siano stati già
correttamente installati nel computer. Prima di continuare,
scaricare il programma e il driver dal sito Web di Yamaha e
procedere all'installazione.
http://www.yamahaproaudio.com/
• Per ulteriori informazioni sulle impostazioni durante l'utilizzo
dell'unità DSP5D, consultare il Manuale di istruzioni di
DSP5D Editor. Se non si conoscono le impostazioni di rete,
sarà possibile inizializzare la memoria interna (
➥
p. 160)
per riportare le impostazioni ai valori di default elencati al
punto 3.
1Nella sezione DISPLAY ACCESS premere più
volte il tasto [UTILITY] per accedere alla
schermata PREFERENCE 2.
2Nell'area NETWORK (RETE) nella parte
inferiore destra della schermata, fare clic sul
pulsante SET per accedere alla finestra
NETWORK.
AIP ADDRESS (INDIRIZZO IP)
Consente di specificare il numero (indirizzo IP)
assegnato per identificare i singoli dispositivi in
Internet o in una rete LAN (Local Area Network).
Impostare questo valore in modo da non creare
conflitto con altri dispositivi sulla rete.
BGATEWAY ADDRESS
(INDIRIZZO GATEWAY)
Consente di specificare un numero (indirizzo gateway)
che identifica i dispositivi (gateway) che convertono i
dati tra diversi supporti o protocolli per consentire la
comunicazione all'interno della rete. Impostare questo
valore in modo da non creare conflitto con l'indirizzo
IP di altri dispositivi sulla rete.
CSUBNET MASK
All'interno dell'indirizzo IP utilizzato nella rete,
consente di definire i bit utilizzati per l'indirizzo di rete
che contraddistingue la rete.
3Specificare l'indirizzo IP, l'indirizzo gateway e
la subnet mask facendo clic sui pulsanti /
a sinistra e a destra di ciascuna casella.
Se viene effettuato il collegamento dell'unità DSP5D al
computer con una connessione uno-a-uno, si consiglia
di utilizzare i valori di default riportati di seguito.
• Indirizzo IP
192.168.0.129
• Indirizzo gateway
192.168.0.1
• Subnet mask
255.255.255.0
4Fare clic sul pulsante OK per chiudere la
finestra NETWORK.
5Configurare le impostazioni di rete sul
computer.
Nel caso dell'esempio sopra riportato, impostare
l'indirizzo IP nella gamma 192.168.0.2–127 e impostare
l'indirizzo gateway e la subnet mask sullo stesso valore
dell'unità DSP5D.
6Utilizzare un cavo Ethernet per collegare il
computer all'unità DSP5D e avviare DSP5D
Editor sul computer.
Ciò consente la comunicazione tra il computer e la
console DSP5D. Per procedure operative specifiche,
fare riferimento al Manuale di istruzioni di DSP5D
Editor.
PREFERENCE 2
Pulsante SET (IMPOSTA)
1
2
3

19 Altre funzioni
160 PM5D/PM5D-RH V2/DSP5D – Manuale di istruzioni Sezione operazioni
Inizializzazione della memoria interna dell'unità PM5D
Se si verifica un errore nella memoria interna dell'unità PM5D o se non è possibile tornare al funzionamento normale perché
è stata dimenticata la password di sistema, utilizzare la procedura riportata di seguito per inizializzare la memoria interna.
Se la memoria interna viene inizializzata, tutto il contenuto
salvato nella memoria andrà perduto. È necessario prestare
particolare attenzione durante questa operazione.
1Tenendo premuto il tasto SCENE MEMORY
[STORE] (MEMORIA SCENE – MEMORIZZA) del
pannello, accendere l'alimentatore PW800W.
Dopo la schermata iniziale, viene visualizzata la
seguente schermata del menu di inizializzazione.
2Fare clic su uno dei pulsanti indicati di seguito
per selezionare il tipo prescelto di
inizializzazione.
• INITIALIZE ALL MEMORIES
(INIZIALIZZA TUTTE LE MEMORIE)
Verranno ripristinate le impostazioni di fabbrica di
tutte le memorie, memorie scene e librerie incluse.
• INITIALIZE CURRENT MEMORIES
(INIZIALIZZA MEMORIE CORRENTI)
Verranno ripristinate le impostazioni di fabbrica di
tutte le memorie, ad eccezione di memorie scene e
librerie.
• CANCEL
La procedura di inizializzazione verrà interrotta e la
console PM5D verrà avviata con la normale modalità
operativa.
Nota
Se la tensione della batteria di backup è bassa o se si verifica
un errore nella memoria interna, verrà visualizzato un
messaggio di avviso nella parte inferiore della schermata e
il menu di inizializzazione verrà visualizzato "forzatamente".
Se viene visualizzato il messaggio di avviso e si fa clic sul
pulsante CANCEL per eseguire l'avvio nella normale modalità
operativa, Yamaha non è in grado di garantire il
funzionamento corretto dell'unità.
3Verrà visualizzato un messaggio in cui viene
richiesto di confermare l'inizializzazione; fare
clic sul pulsante OK.
Una volta inizializzata la memoria interna, la console
PM5D verrà avviata con la normale modalità operativa.
Inizializzazione della memoria interna dell'unità DSP5D
Se si verifica un errore nella memoria interna dell'unità
DSP5D o se non è possibile stabilire il collegamento dal
computer perché si sono dimenticate le impostazioni di
rete, sarà possibile utilizzare la procedura riportata di
seguito per inizializzare l'intera memoria dell'unità DSP5D
(comprese memorie scene, librerie e impostazioni di rete)
alle impostazioni di fabbrica.
Se la memoria interna viene inizializzata, tutto il contenuto
salvato nella memoria andrà perduto. È necessario prestare
particolare attenzione durante questa operazione.
1Tenendo premuto lo switch Mode del pannello
posteriore, accendere l'unità.
I quattro LED IN/OUT[TX]/[RX] del pannello frontale
si illumineranno.
2Quando i quattro LED si illuminano, rilasciare
lo switch Mode, quindi premere di nuovo e
tenere premuto lo switch Mode per circa
cinque secondi.
I quattro LED torneranno allo stato di illuminazione
normale.
3Quando i LED tornano allo stato normale,
rilasciare lo switch Mode e attendere circa
venti secondi.
4Dopo che i LED si sono illuminati in modo
consecutivo da sinistra, tutti e quattro i LED
saranno illuminati; verificare che solo il LED
OUT [TX] lampeggi.
5Spegnere e riaccendere l'unità.
Tutto il contenuto della memoria (comprese memorie
scene, librerie e impostazioni di rete) è stato riportato
ai valori di fabbrica indicati al punto 4, ma è necessario
verificare che l'unità venga spenta e poi riaccesa per
tornare allo stato normale.
FAN
HIGH LOW
POWER
FAN
HIGH LOW
POWER
Switch Mode
CASCADE IN
OUT OUT
OUT
TX RX TX RX
IN
ININ 75Ω
TERMINATED
OUT OUT
OUT
TX RX TX RX
IN
ININ 75Ω
TERMINATED
LED IN/OUT[TX]/[RX]

PM5D/PM5D-RH V2/DSP5D – Manuale di istruzioni Sezione operazioni 161
19
Altre funzioni
Regolazione dei fader e del guadagno di ingresso/uscita
(Calibratura)
A seconda delle condizioni di utilizzo, è possibile che si verifichino discordanze nel funzionamento dei fader del motore. Con
la funzione di calibratura è possibile correggere tali discordanze. Se necessario, è possibile effettuare anche regolazioni fini del
guadagno di ingresso/uscita analogici.
1Tenendo premuto il tasto [ENTER] del
pannello, accendere l'alimentatore PW800W.
Dopo la schermata iniziale, viene visualizzata la
seguente schermata del menu di calibratura.
2Fare clic su uno dei pulsanti indicati di seguito
per selezionare cosa calibrare.
Verrà visualizzata una finestra in cui viene riportato
l'elemento selezionato per la calibratura.
3Configurare le impostazioni di calibratura
seguendo le istruzioni riportate nella finestra.
4Fare clic sul pulsante OK della finestra.
Le impostazioni di calibratura verranno applicate e la
console PM5D verrà avviata con la normale modalità
operativa.
In questa sezione è possibile eseguire una procedura semi-
automatica per la calibratura dei fader della channel strip
specificata (INPUT, DCA, STEREO A/B, ST IN/FX RTN).
Questa finestra viene visualizzata anche se viene rilevato un
problema nelle impostazioni del fader durante l'avvio
dell'unità PM5D.
1Fare clic su un pulsante di selezione fader per
aggiungere un segno di spunta ai fader da
calibrare.
Se durante l'avvio vengono rilevati problemi con alcuni
fader, questi pulsanti saranno attivati (in verde) e
verranno visualizzati di fianco dei segni di spunta.
2Fare clic sul pulsante START CALIBRATION
(AVVIA CALIBRATURA); la calibratura inizierà
automaticamente.
Una barra di avanzamento indicherà l'avanzamento
dell'operazione.
3L'operazione automatica terminerà quando la
barra di avanzamento arriva al 60%. Spostare
manualmente tutti i fader specificati per la
calibratura sulle posizioni riportate sotto
nell'ordine seguente:
1 –∞
2 –20 dB
3 0 dB
4 +10 dB
4Una volta impostati i fader sulla posizione
corretta, premere il tasto [ENTER].
L'operazione continuerà con la posizione successiva del
fader.
5Ripetere i punti 3–4 per ciascuna posizione dei
fader da 1 a 4.
6Verificare che la calibratura sia terminata e che
tutti i pulsanti di selezione fader siano ora
disattivati. Fare clic sul pulsante OK.
Le impostazioni di calibratura verranno salvate nella
memoria interna. Se il pulsante di selezione fader resta
attivato (in verde), l'operazione non è riuscita. Provare
a ripetere l'operazione di calibratura.
Nota
La barra di avanzamento indicherà "Writing..." (Scrittura in
corso) durante la scrittura delle impostazioni nella memoria
interna; non spegnere il sistema fino a quando è presente
questa indicazione.
CALIBRATE FADER
POSITION (CALIBRAT.
POSIZIONE FADER)
Verrà visualizzata la finestra
FADER CALIBRATION
(CALIBRATURA FADER), in cui
è possibile calibrare i fader
specificati.
CALIBRATE AD INPUT
GAIN (CALIBRAT.
GUADAGNO INGRESSO
AD) (consente di
effettuare regolazioni
fini del guadagno di
ingresso analogico;
solo per il modello
PM5D-RH).
Verrà visualizzata la finestra AD
INPUT TRIM (TRIM INGRESSO
AD), in cui è possibile effettuare
regolazioni fini del guadagno
della porta di ingresso analogico
specificata.
CALIBRATE OUTPUT
GAIN (CALIBRAT.
GUADAGNO USCITA)
(consente di effettuare
regolazioni fini delle
porte di uscita)
Verrà visualizzata la finestra
OUTPUT TRIM (TRIM USCITA),
in cui è possibile effettuare
regolazioni fini del guadagno
della porta di uscita specificata.
Calibratura dei fader

19 Altre funzioni
162 PM5D/PM5D-RH V2/DSP5D – Manuale di istruzioni Sezione operazioni
Se necessario, è possibile effettuare regolazioni fini in passi
di 0.1 dB sul guadagno della porta di ingresso analogica
specificata. Poiché i livelli di input di tutte le porte sono
impostati affinché corrispondano tra loro quando l'unità
PM5D viene spedita dalla fabbrica, in genere non è
necessario modificare queste impostazioni.
Nota
• Dal momento che vengono impostati sui valori ottimali
di fabbrica, i valori di default saranno diversi tra le porte
di ingresso. Con l'inizializzazione della memoria interna,
questi valori vengono riportati alle impostazioni di fabbrica.
• È possibile effettuare regolazioni fini del guadagno di
ingresso/uscita dell'unità DSP5D tramite DSP5D Editor.
Per regolare il guadagno, fare clic sui pulsanti / a
destra e a sinistra di ciascuna casella per specificare il
guadagno di ciascuna porta di ingresso in unità di 0.1 dB.
Per riportare tutte le porte di ingresso alle impostazioni
di fabbrica, fare clic sul pulsante FACTORY PRESET
(PRESET DI FABBRICA). Per applicare le modifiche, fare
clic sul pulsante OK.
Se necessario, è possibile effettuare regolazioni fini in passi
di 0.01dB sul guadagno della porta di uscita specificata.
L'impostazione di fabbrica è 0.00 dB.
Per regolare il guadagno, fare clic sui pulsanti / a
destra e a sinistra di ciascuna casella per specificare il
guadagno di ciascuna porta di uscita in unità di 0.01 dB.
Per riportare tutte le porte di uscita a 0.00 dB, fare clic sul
pulsante FACTORY PRESET. Per applicare le modifiche,
fare clic sul pulsante OK.
Regolazione del guadagno
di ingresso analogico
(solo per il modello PM5D-RH)
Regolazione del guadagno di uscita

PM5D/PM5D-RH V2/DSP5D – Manuale di istruzioni Sezione riferimenti 163
Sezione Riferimenti
Nella sezione Riferimenti vengono illustrate la funzionalità e le operazioni relative a ciascuna
schermata dell'unità PM5D, secondo quattro aree principali: menu delle funzioni, funzioni
generali, funzioni di output e funzioni di input.
L'illustrazione che segue rappresenta una tipica schermata
dell'unità PM5D.
In questa schermata vengono visualizzate le informazioni
riportate di seguito.
Parte superiore del display
(sempre visibile)
AIndicazione del nome della funzione
Visualizza il nome della funzione correntemente
selezionata nella schermata. Facendo clic sui pulsanti
BACK/FORWARD (AVANTI/INDIETRO), è possibile
spostarsi nelle otto schermate più recenti visualizzate
per almeno due secondi (ad eccezione del menu delle
funzioni). È anche possibile accedere al menu Function
(Funzione) facendo clic sull'indicazione del nome della
funzione. Quando il menu Function viene visualizzato,
fare clic ancora una volta per ritornare alla schermata
precedente.
BSCENE MEMORY (MEMORIA SCENE)
Indica il numero e il titolo dell'ultima memoria scene
memorizzata o richiamata. Se si seleziona una scena
diversa, il numero e il titolo lampeggeranno. Se si
modifica il contenuto di una scena dopo averlo
memorizzato, l'indicatore EDIT (MODIFICA) nella
parte superiore destra lampeggerà. Se la scena è protetta
da scrittura, verrà visualizzata l'icona di un lucchetto
alla destra del titolo mentre le scene di sola lettura
verranno indicate con una "R".
Nota
• Per selezionare una scena è possibile spostare il cursore sul
numero della scena e ruotare l'encoder [DATA] (DATI).
• Se si fa clic in quest'area mentre il numero e il titolo
lampeggiano, verrà visualizzata la scena memorizzata o
richiamata più di recente.
CNEXT SCENE/NEXT EVENT (SCENA
SUCCESSIVA/EVENTO SUCCESSIVO)
Indica la scena o l'evento che verrà richiamato
successivamente mediante i tasti definiti dall'utente o la
funzione Event List (Elenco eventi). Le informazioni
visualizzate in quest'area presenteranno le seguenti
differenze, in base alle impostazioni nella schermata
EVENT LIST della funzione SCENE.
• Se il pulsante DISABLE (DISATTIVA) è attivato
nella schermata EVENT LIST
Indica il numero e il nome della scena successiva,
ovvero quella che verrà richiamata quando si preme un
tasto definito dall'utente assegnato alla funzione "INC
RECALL" (RICHIAMA SUCC.). In genere si tratta
della scena con il numero che segue la scena richiamata
o memorizzata più di recente.
• Se il pulsante ENABLE [ALL MANUAL] (ATTIVA
[TUTTO MANUALE]) o il pulsante [ENABLE]
(ATTIVA) è attivato nella schermata EVENT LIST
Indica il numero e il nome dell'evento successivo,
ovvero quello che verrà richiamato successivamente
mediante la funzione Event List). Sulla destra viene
visualizzata l'ora di richiamo dell'evento successivo (o la
condizione in base alla quale l'evento verrà richiamato).
Nota
• "MANUAL" (MANUALE) indica che l'utente dovrà eseguire
l'operazione Next Event per richiamare l'evento successivo.
Premere un tasto definito dall'utente assegnato alla funzione
"NEXT EVENT RECALL" (RICHIAMO EVENTO
SUCCESSIVO) oppure fare clic sul pulsante NEXT
(SUCCESSIVO) nella schermata EVENT LIST.
• L'orario, se visualizzato, indica il tempo restante fino al
successivo richiamo automatico dell'evento.
• "--------" indica che non sono presenti altri eventi da
richiamare.
DPRESENT TIME, TIME CODE, CASCADE/Fs
(ORA ATTUALE, TIME CODE; CASCATA/
FREQUENZA DI CAMPIONAMENTO)
Fare clic in quest'area per scorrere i tre elementi di
informazione riportati di seguito. È collegata
all'impostazione UPPER PART DISPLAY (DISPLAY
Informazioni visualizzate sul display
2
3
1
6 7 8 9 J K
4 5
Informazioni visua-
lizzate sul display
Menu Function
(Funzioni)
Funzioni
generali
Funzioni
di output
Funzioni
di input
Appendici

Area principale del display
164 PM5D/PM5D-RH V2/DSP5D – Manuale di istruzioni Sezione riferimenti
PARTE SUPERIORE) nella schermata PREFERENCE 2
(PREFERENZA 2) (funzione UTILITY).
• PRESENT TIME
Indica l'ora corrente. L'ora può essere specificata nella
schermata PREFERENCE 1 della funzione UTILITY.
• TIME CODE
Indica il time code interno generato dall'unità PM5D
(macchina n. 1) o il codice interno ricevuto da un
dispositivo esterno. Si tratta dello stesso time code
visualizzato nella schermata EVENT LIST della
funzione SCENE.
• CASCADE/Fs
Indica lo stato master/slave quando viene utilizzato un
collegamento in cascata e la frequenza di
campionamento corrente del sistema PM5D.
EMETER SECTION (SEZIONE INDICATORI)
Indica il tipo di canali correntemente visualizzato
dagli indicatori presenti nella parte superiore destra e
sinistra del pannello. È anche possibile fare clic sui
pulsanti / per cambiare direttamente il tipo.
FIndicatore EVENT (EVENTO)
L'indicatore EVENT viene visualizzato in quest'area se
il pulsante ENABLE [ALL MANUAL] o il pulsante
[ENABLE] è attivato nella schermata EVENT LIST
della funzione SCENE.
GIndicatore FADING/TRACKING
(FADE/TRACCIA)
In quest'area viene visualizzato l'indicatore FADING
per la durata del fade oppure l'indicatore TRACKING
se è disponibile la funzione Tracking Recall (Richiamo
traccia). Se attivate entrambe, la priorità spetta a
FADING.
HIndicatore LCR/LCR [B]
Se esiste almeno un canale per il quale è attivato LCR,
l'indicatore LCR verrà visualizzato in quest'area.
Se nella schermata MIXER SETUP
(CONFIGURAZIONE MIXER) della funzione SYS/
W.CLOCK (SISTEMA/W.CLOCK), il canale STEREO
B di BUS SETUP (CONFIGURAZIONE BUS) è
impostato su USE AS CENTER BUS (USA COME BUS
CENTRALE), in quest'area verrà visualizzato
l'indicatore LCR [B].
IIndicatore TB/OSC/DIMM (TALKBACK/
OSCILLATORE/ATTENUATORE)
Se talkback, oscillatore o attenuatore sono attivati, il
rispettivo indicatore TB/OSC/DIMM verrà visualizzato
in quest'area. Se vengono attivati più indicatori, la
priorità di visualizzazione sarà la seguente:
TB>OSC>DIMM.
JIndicatore SOLO/INPUT CUE/DCA CUE/
OUTPUT CUE/KEY IN CUE/EFFECT CUE/
EXTERNAL CUE (ISOLAMENTO/SEGN.
ATTIVAZ. INGRESSO/ISOLAMENTO/SEGN.
ATTIV. DCA/SEGN. ATTIV. USCITA/SEGN.
ATT: KEY IN/ SEGN. ATTIV. EFFETTO/
SEGN. ATTIV. ESTERNO)
Se Solo o Cue Monitor è attivato, l'indicatore corrispon-
dente viene visualizzato in quest'area. Se sono selezionati
più segnali di attivazione, verrà visualizzato solo l'indica-
tore del segnale di attivazione valido in quel momento.
KIndicatore BUSY/RS422/HA/GPI/MIDI
L'indicatore BUSY viene visualizzato in quest'area
durante l'accesso alla memoria interna o a una scheda
PC nel relativo slot. Quando si ricevono segnali RS422/
HA/GPI/MIDI (nel caso di RS422, quando si riceve un
messaggio Status ad indicare una modifica dello stato
su un dispositivo connesso), l'indicatore appropriato
verrà visualizzato brevemente. Se si verificano più
condizioni di questo tipo nello stesso momento, la
priorità di visualizzazione sarà la seguente:
BUSY>RS422>HA>GPI>MIDI.
Nota
Nel caso dei segnali MIDI, l'indicatore lampeggerà qualora i
segnali vengano ricevuti sui connettori MIDI o USB o negli slot
1–4. Tuttavia nel caso di segnali di active sensing, clock MIDI
e time code non si verificherà alcun lampeggiamento.
Area principale del display
ATab
Fare clic su quest'area per cambiare schermata
nell'ambito della funzione selezionata.
BParametri della funzione
In quest'area vengono visualizzati i parametri relativi alla
funzione o alla schermata correntemente selezionata.
Parte inferiore del display
(sempre visibile)
ASELECTED CH (Canale selezionato)
Indica il tipo e il nome del canale correntemente
selezionato dal tasto [SEL]. È anche possibile spostare il
cursore e ruotare l'encoder [DATA] per effettuare
direttamente la modifica.
BMACHINE ID (ID MACCHINA)
Se l'unità DSP5 è collegata in cascata, indica la
macchina (PM5D o DSP5D) #1–#3 controllata dal
pannello. È anche possibile spostare il cursore e ruotare
l'encoder [DATA] per effettuare direttamente la
modifica. Quando si passa da una macchina all'altra,
anche il colore di sfondo della schermata e la parte di
schermata costantemente visualizzata (time code
escluso) cambieranno acquisendo le impostazioni della
macchina controllata in quel momento. È possibile
specificare il colore di sfondo di ciascuna macchina
nella schermata PREFERENCE 2 della funzione
UTILITY. L'indicatore nella parte superiore si
illuminerà solo per il numero ID della macchina
collegata in cascata.
CMIX SECTION (SEZIONE MISSAGGIO)
Indica la modalità di encoder correntemente
selezionata nella sezione MIX. In modalità MIX SEND
(MANDATA MISSAGGIO) indica "SEND" mentre in
modalità MIX MASTER (MISSAGGIO MASTER)
1
2
5 6 7 9
1 32 4
8

PM5D/PM5D-RH V2/DSP5D – Manuale di istruzioni Sezione riferimenti 165
indica "MASTER"; nel caso in cui la selezione della
modalità TO MATRIX (A MATRICE) sia stata eseguita
tramite un'operazione di scelta rapida, indicherà
"TO MATRIX". È anche possibile spostare il cursore e
ruotare l'encoder [DATA] per passare direttamente da
"SEND" a "MASTER".
DModalità encoder/fader
Indica i parametri assegnati agli encoder/fader della
channel strip di ingresso.
Gli encoder possono essere assegnati a MIX SEND
1–24, GAIN (GUADAGNO), ATT (ATTENUATORE),
PAN/BAL (PAN/BIL), LEVEL (LIVELLO) o REMOTE
(REMOTE). I fader possono essere assegnati a LEVEL,
MIX SEND 1–24 o REMOTE. Sia per gli encoder che
per i fader, se si tratta di parametri diversi da REMOTE,
è possibile spostare il cursore e ruotare l'encoder
[DATA] per cambiarli direttamente.
Se si seleziona LEVEL per gli encoder, si agirà sui fader e
ad essi verranno assegnati i parametri MIX SEND 1–24
selezionati più di recente. Allo stesso modo, si agirà sui
fader anche se viene selezionato MIX SEND 1–24 per i
fader e agli encoder verrà assegnato il parametro LEVEL.
ELayer INPUT CH (Canale di ingresso)
Indica il layer selezionato per la channel strip di
ingresso in combinazione con i tasti [CH 1-24]/[CH
25-48] posizionati nella channel strip di ingresso del
pannello o con i tasti FADER MODE [A]–[F] della
sezione FADER MODE (se è selezionato il fader MIDI
REMOTE (MIDI REMOTO), quest'area indicherà
REMOTE 1-24). Per i layer diversi da MIDI REMOTE,
è possibile spostare il cursore e ruotare l'encoder
[DATA] per selezionarli direttamente.
FFADER MODE
Quest'area è collegata con la sezione FADER MODE
del pannello e indica la funzione assegnata ai fader
della strip DCA. È anche possibile spostare il cursore e
ruotare l'encoder [DATA] per effettuare direttamente
la modifica.
GLayer ST IN/FX RTN
(Canale ST IN/Ritorno effetti)
Indica il layer selezionato per la channel strip ST IN in
combinazione con il tasto [ST IN]/[FX RTN 1-4]
posizionato nella channel strip ST IN del pannello o
con i tasti FADER MODE [A]–[F] della sezione FADER
MODE (se è selezionato il layer MIDI REMOTE,
quest'area indicherà REMOTE 25-28. Se invece è
selezionato il layer di una macchina diversa dal layer del
canale di ingresso, verrà visualizzato anche il relativo
ID). Per i layer diversi da MIDI REMOTE, è possibile
spostare il cursore e ruotare l'encoder [DATA] per
selezionarli direttamente.
HDIRECT RECALL/MUTE MASTER (RICHIAMO
DIRETTO/ESCLUSIONE MASTER)
Consente di attivare alternativamente una delle due
opzioni indicate di seguito come funzione dei tasti
[1]–[8] nella sezione SCENE MEMORY del pannello.
• DIRECT RECALL
I tasti [1]–[8] della sezione SCENE MEMORY
consentiranno di richiamare direttamente la scena
assegnata nella schermata SCENE.
• MUTE MASTER
I tasti [1]–[8] della sezione SCENE MEMORY
consentiranno di attivare o disattivare i gruppi di
esclusione 1–8.
IBanco USER DEFINED KEY
(TASTI DEFINITI DALL'UTENTE)
Indica il banco correntemente selezionato dei tasti
definiti dall'utente. È anche possibile spostare il cursore
e ruotare l'encoder [DATA] per effettuare direttamente
la modifica.
In quest'area è possibile selezionare la funzione che si
desidera visualizzare nel display. Il funzionamento è
analogo a quello dei tasti della sezione DISPLAY ACCESS
(ACCESSO DISPLAY).
Suggerimento
Per accedere a questa schermata da un'altra funzione, fare
clic sull'area del nome della funzione nella parte superiore del
display.
AFunzioni generali
Questi pulsanti consentono di accedere alle funzioni
che riguardano l'intera console PM5D.
BFunzioni correlate all'output
Questi pulsanti consentono di accedere alle funzioni
correlate ai canali di uscita (canali MIX, MATRIX e
STEREO A/B).
CFunzioni correlate all'input
Questi pulsanti consentono di accedere alle funzioni
correlate ai canali di ingresso (canali di ingresso, canali
ST IN e canali FX RTN).
Menu Function
1
2
3
Informazioni visua-
lizzate sul display
Menu Function
(Funzioni)
Funzioni
generali
Funzioni
di output
Funzioni
di input
Appendici

Funzioni generali
166 PM5D/PM5D-RH V2/DSP5D – Manuale di istruzioni Sezione riferimenti
Funzioni EFFECT (EFFETTO)
In questa schermata è possibile selezionare il tipo di effetto
interno, modificarne i parametri ed effettuare le
assegnazioni di input/output.
ASelezione effetti
Selezionare l'effetto interno (1–8), per il quale si
desidera configurare le impostazioni. Per cambiare
effetto, posizionare il cursore in questo punto e ruotare
l'encoder [DATA] oppure fare clic sui pulsanti / di
sinistra o di destra.
BTipo di effetto
Indica il tipo di effetto correntemente selezionato, sia
per nome che come grafico. Il numero dei canali di
ingresso/uscita (1 IN/2 OUT o 2 IN/2 OUT) dell'effetto
verrà anche visualizzato nella parte inferiore dell'area.
Nota
Non è possibile cambiare il tipo di effetto in questa schermata.
Se si desidera passare a un altro tipo di effetto, è necessario
richiamarne uno che utilizzi il tipo prescelto dalla libreria effetti.
CAssegnazione input
Questa casella consente di selezionare il percorso del
segnale che verrà assegnato ai canali di ingresso L/R
(sinistra/destra) dell'effetto interno. Spostare il cursore
su questa casella e ruotare l'encoder [DATA] oppure
fare clic sui pulsanti / di destra e di sinistra per
visualizzare il percorso del segnale desiderato, quindi
premere il tasto [ENTER] (INVIO) per finalizzare la
modifica.
È possibile scegliere i percorsi di segnali riportati di
seguito.
Nota
• Se il cursore viene spostato senza premere il tasto
[ENTER], l'impostazione ritornerà allo stato originale.
• Se un segnale viene assegnato a entrambi i canali di
ingresso per un tipo di effetto 1 IN/2 OUT, i due saranno
missati in mono e quindi immessi.
• Se un segnale viene assegnato a un solo canale di ingresso
per un tipo di effetto 2 IN/2 OUT, lo stesso segnale verrà
inviato a entrambi i canali dell'effetto.
• Se STEAL PATCH CONFIRMATION (CONFERMA
SOTTRAZIONE ASSEGNAZIONE) è attivato nella
schermata PREFERENCE 1 (funzione UTILITY) e si tenta
di configurare impostazioni di assegnazione che prevedono
la modifica di un'assegnazione esistente, verrà visualizzato
un messaggio di richiesta di conferma.
DIndicatore input
Indica il livello del segnale in ingresso nell'effetto.
Funzioni generali
Schermata EFFECT PARAM
(Parametro effetti)
EFFECT PARAM
1
2 3 4
MIX1–MIX24 Uscita canali MIX 1–24
INS CH1–INS CH48 Insert-out canali di ingresso
1–48
INS STIN1 (L/R)–INS STIN4
(L/R) Insert-out canali ST IN 1–4
(L/R)
INS MIX1–INS MIX24 Insert-out canali MIX 1–24
INS MTRX1–INS MTRX8 Insert-out canali MATRIX 1–8
INS ST A (L/R) Insert-out canale STEREO A
(L/R)
INS ST B (L/R) Insert-out canale STEREO B
(L/R)
INS MON (L/R/C)
(solo PM5D) Insert-out canale MONITOR
(L/R/C)

PM5D/PM5D-RH V2/DSP5D – Manuale di istruzioni Sezione riferimenti 167
Informazioni visua-
lizzate sul display
Menu Function
(Funzioni)
Funzioni
generali
Funzioni
di output
Funzioni
di input
Appendici
EMIX BALANCE
(BILANCIAMENTO MISSAGGIO)
Consente di regolare il bilanciamento del suono
dell'effetto in relazione al suono originale.
0 (%) emette solo il suono originale mentre 100 (%)
solo quello dell'effetto.
FBYPASS (IGNORA)
Consente di ignorare temporaneamente l'effetto.
GCUE (SEGNALE DI ATTIVAZIONE)
Pulsante che consente di monitorare il segnale di
attivazione per l'output dell'effetto visualizzato nella
schermata. Il segnale di attivazione viene annullato
automaticamente quando si passa a una schermata
diversa ma verrà invece mantenuto qualora si passi
alla schermata EFFECT ASSIGN (ASSEGNAZIONE
EFFETTI).
HIndicatore output
Indica il livello del segnale in uscita dall'effetto.
IAssegnazione output
Questa casella consente di selezionare il percorso del
segnale che verrà assegnato ai canali di uscita di sinistra/
destra dell'effetto interno. Il metodo di selezione è
uguale a quello di Input Patch (Assegnazione input).
È possibile scegliere i percorsi di segnali riportati di
seguito.
Nota
Anche se sono stati assegnati più canali nella schermata
PATCH della funzione INPUT PATCH/OUTPUT PATCH,
cambiando l'assegnazione di input/output di questa
schermata, verrà disattivata l'assegnazione ad altri canali.
JLIBRARY (LIBRERIA)
Questo pulsante consente di accedere alla schermata
EFFECT LIBRARY (LIBRERIA EFFETTI) relativa
all'effetto correntemente selezionato.
KParametro TEMPO
Se è selezionato un effetto di tipo delay o di tipo
modulazione, in quest'area verrà visualizzato il
parametro Tempo. Il parametro TEMPO specifica i
parametri correlati al tempo in unità di BPM (Beats Per
Minute; beat al minuto). Il parametro è impostato su
DELAY (tempo di delay) se l'effetto è di tipo delay,
mentre è impostato su FREQ (frequenza di
modulazione) se l'effetto è di tipo modulazione.
Nota
È possibile che per alcuni tipi di effetto venga visualizzato un
parametro unico per quell'effetto invece del parametro
TEMPO. Ad esempio, se come tipo di effetto è selezionato
FREEZE (BLOCCA), verrà visualizzato un pulsante per la
registrazione/esecuzione del segnale di ingresso.
Il valore BPM può essere modificato mediante la
manopola su schermo oppure facendo più volte clic sul
pulsante TAP TEMPO (TEMPO DI BATTUTA) in
questo caso, verrà rilevato l'intervallo medio tra un clic
e l'altro. Se il valore medio è al di fuori dell'intervallo
20–300 BPM, verrà ignorato.
Se il pulsante MIDI CLK (CLOCK MIDI) è attivato, il
parametro TEMPO si sincronizzerà sul timing clock
MIDI ricevuto dalla porta MIDI.
LParametri degli effetti
In quest'area vengono visualizzati i parametri relativi al
tipo di effetto correntemente selezionato.
CH1–CH48 Input canali di ingresso 1-48
STIN1–STIN4 (L/R) Input canale ST IN 1–4 (L/R)
FXRTN1–FXRTN4 (L/R) Input canale FX RTN 1–4
INS CH1–INS CH48 Insert-in canali di ingresso 1
–48
INS ST1 (L/R)–INS ST4
(L/R) Insert-in canali ST IN 1–4
(L/R)
INS MIX1–INS MIX24 Insert-in canali MIX 1–24
INS MTRX1–INS MTRX8 Insert-in canali MATRIX 1–8
INS ST A (L/R) Insert-in canale STEREO A
(L/R)
INS ST B (L/R) Insert-in canale STEREO B
(L/R)
INS MON (L/R/C)
(solo PM5D) Insert-in canale MONITOR
(L/R/C)
J8 9
5
6
7
K L
ab c
Prima
battuta Seconda
battuta Terza
battuta Quarta
battuta
Come valore di parametro verrà immesso quello
medio tra gli intervalli (la media di a, b e c)

Funzioni EFFECT (EFFETTO)
168 PM5D/PM5D-RH V2/DSP5D – Manuale di istruzioni Sezione riferimenti
In questa schermata vengono elencati i tipi di effetti
utilizzati dagli effetti interni 1–8 e visualizzati i relativi
livelli di input. In quest'are è inoltre possibile assegnare
segnali ai canali di ingresso/uscita e configurare le
impostazioni relative a bypass e segnale di attivazione.
AIndicatore di livello
Indica il livello di input per l'effetto.
BTipo di effetto
Indica il tipo di effetto selezionato, sia per nome che
come grafico. Quando si fa clic in quest'area, viene
visualizzata la schermata EFFECT PARAM. È anche
possibile trascinare l'area su un altro effetto della
schermata per copiare le impostazioni dell'effetto.
CBYPASS
Consente di ignorare temporaneamente l'effetto.
DCUE
Questo pulsante consente di monitorare il segnale di
attivazione dell'output effetti. Il segnale di attivazione
viene annullato automaticamente quando si passa a una
schermata diversa ma verrà invece mantenuto qualora
si passi alla schermata EFFECT PARAM dell'effetto
corrispondente.
EAssegnazione input
Questa casella indica il percorso del segnale assegnato ai
canali di ingresso di sinistra/destra dell'effetto interno e
in essa è anche possibile assegnare direttamente tale
percorso.
FAssegnazione output
Questa casella indica il percorso del segnale assegnato ai
canali di uscita di sinistra/destra dell'effetto interno e in
essa è anche possibile assegnare direttamente tale
percorso.
Nota
Anche se sono stati assegnati più canali nella schermata
PATCH della funzione INPUT PATCH/OUTPUT PATCH,
cambiando l'assegnazione di input/output di questa
schermata, verrà disattivata l'assegnazione ad altri canali.
GDSP CONFIGURATION
(CONFIGURAZIONE DSP)
In questa casella è possibile modificare il numero di
assegnazioni per gli effetti interni e i moduli GEQ
(equalizzatore grafico). Se il numero di effetti interni
viene ridotto, i moduli GEQ disponibili aumenteranno
di un'unità. Il numero di effetti interni può variare tra
otto unità (dodici moduli GEQ) fino a zero effetti
interni disponibili (venti moduli GEQ).
Nota
Se l'impostazione DSP CONFIGURATION viene modificata, si
potrebbe verificare una breve esclusione degli effetti interni o
dei moduli GEQ.
Schermata EFFECT ASSIGN
(ASSEGNAZIONE EFFETTI)
EFFECT ASSIGN
1
3
5
4
6
2
7

PM5D/PM5D-RH V2/DSP5D – Manuale di istruzioni Sezione riferimenti 169
Informazioni visua-
lizzate sul display
Menu Function
(Funzioni)
Funzioni
generali
Funzioni
di output
Funzioni
di input
Appendici
In questa schermata è possibile richiamare, memorizzare,
rinominare o eliminare elementi della libreria degli effetti.
AEDIT
Quando si fa clic su questo pulsante, viene visualizzata
la schermata EFFECT PARAM dell'effetto
correntemente selezionato.
BSelezione effetti
Selezionare l'effetto, compreso tra gli effetti interni 1–8,
per il quale si desidera configurare le impostazioni.
CIndicatore input
Indica il livello di input dell'effetto.
DTipo di effetto corrente
Indica il tipo di effetto correntemente selezionato.
EIndicatore output
Indica il livello di output dell'effetto.
FTipo di effetto della libreria
Indica il tipo di effetto dell'elemento della libreria
selezionato nell'elenco.
GRECALL (RICHIAMA)
Consente di richiamare l'elemento della libreria
visualizzato nell'elenco nell'effetto correntemente
selezionato.
Nota
Quando si richiama un effetto aggiuntivo, gli altri effetti
potrebbero essere esclusi per un breve periodo di tempo.
HSTORE (MEMORIZZA)
Consente di memorizzare l'effetto correntemente
selezionato nella posizione prescelta dell'elenco.
Quando si fa clic su questo pulsante viene visualizzata
una finestra che consente di assegnare un nome
all'effetto e di salvarlo.
ITITLE EDIT (MODIFICA TITOLO)
Consente di modificare il titolo dell'elemento della
libreria selezionato nell'elenco. Quando si fa clic su
questo pulsante, viene visualizzata una finestra che
consente di modificare il titolo.
JCLEAR (CANCELLA)
Consente di eliminare l'elemento della libreria
selezionato nell'elenco. Quando si fa clic su questo
pulsante viene visualizzato un messaggio con la
richiesta di conferma.
Nota
Gli elementi della libreria per i quali viene visualizzata una "R"
nella colonna destra dell'elenco sono di sola lettura. Gli
elementi di sola lettura non possono essere memorizzati,
rinominati o eliminati.
KElenco della libreria
Utilizzare la barra di scorrimento per selezionare
l'elemento della libreria sul quale si desidera eseguire
un'operazione. L'elemento della libreria selezionato
verrà spostato al centro dell'elenco e sarà evidenziato.
Nota
Se l'elemento della libreria selezionata per le operazioni è
diverso dall'ultimo elemento richiamato/memorizzato, questo
verrà visualizzato con uno sfondo blu.
Schermata EFFECT LIBRARY
EFFECT LIBRARY
3 54
1 2
7
8
9
J
K
6

Funzione GEQ
170 PM5D/PM5D-RH V2/DSP5D – Manuale di istruzioni Sezione riferimenti
In questa schermata è possibile configurare le impostazioni
per le schede DSP del plug-in Waves Y96K installate negli
slot 1–4. Per ulteriori informazioni sull'operazione, fare
riferimento al manuale di istruzioni Y96K.
Di seguito vengono fornite alcune indicazioni sul
funzionamento delle schede Y96K.
• Le impostazioni saranno memorizzate/richiamate
come dati di scena, tuttavia la funzione Undo
(Annulla) non è supportata.
• Se si spegne e riaccende l'unità PM5D, i dati normali
della scena torneranno nello stato che avevano al
momento dello spegnimento mentre la scheda Y96K
riacquisirà lo stato dell'ultima memorizzazione o
richiamo.
• Se si richiama una scena che produce una modifica
sostanziale nelle impostazioni di Y96K, queste ultime
cambieranno alcuni secondi dopo l'operazione di
richiamo sull'unità PM5D. Se si desidera creare una
sincronizzazione, impostare lo START OFFSET
(OFFSET AVVIO) appropriato nella schermata FADE
TIME (DURATA FADE).
• Non eseguire le operazioni di memorizzazione o
richiamo della scena quando la schermata indica che
Y96K è in attesa di aggiornamento per evitare che la
schermata diventi inutilizzabile per un massimo di
30 secondi.
• Le impostazioni della Y96K vengono salvate nell'unità
PM5D quando si memorizza la scena. Se in passato una
scena era stata memorizzata con la scheda Y96K
installata, quando si tenta di salvare la stessa scena
senza la Y96K installata, le impostazioni della scheda
resteranno valide. Se è presente una scena per la quale
non era mai stata installata una Y96K e questa ora
viene installata e la scena richiamata, non ci sarà alcuna
conseguenza sulla scheda Y96K.
• In modalità PREVIEW (ANTEPRIMA) la schermata
PLUG-IN non consentirà di visualizzare lo stato della
scheda Y96K.
Nota
L'unità DSP5D non supporta la scheda Y96K.
Funzione GEQ
In questa schermata è possibile regolare enfasi/taglio di un
EQ grafico a 31 bande o di un EQ parametrico a 8 bande,
nonché specificare l'assegnazione di input/output e
assegnare un GEQ ai fader.
ASelezione modulo
Quest'area consente di selezionare il modulo GEQ da
utilizzare. Per cambiare modulo, posizionare il cursore
in questo punto e ruotare l'encoder [DATA] oppure
fare clic sui pulsanti / di sinistra o di destra.
BPulsante LINK (COLLEGAMENTO)
Consente di collegare i moduli dell'EQ grafico adiacenti
con numerazione dispari
→
pari. Quando si attiva il
pulsante viene visualizzata una finestra che consente di
scegliere se copiare i parametri da un modulo all'altro
oppure se inizializzare entrambi i moduli.
Schermata PLUG-IN
PLUG-IN
Schermata GEQ PARAM
(Parametri GEQ)
GEQ PARAM
GEQ PARAM
1 5 6 72 43

PM5D/PM5D-RH V2/DSP5D – Manuale di istruzioni Sezione riferimenti 171
Informazioni visua-
lizzate sul display
Menu Function
(Funzioni)
Funzioni
generali
Funzioni
di output
Funzioni
di input
Appendici
CINSERT (Destinazione di inserimento)
Consente di selezionare la posizione in cui inserire il
modulo GEQ. Spostare il cursore su questa casella e
ruotare l'encoder [DATA] oppure fare clic sui pulsanti
/ di destra e di sinistra per visualizzare la
destinazione di inserimento desiderata, quindi premere
il tasto [ENTER] per finalizzare la modifica.
È possibile scegliere le destinazioni di inserimento
riportate di seguito.
• INS CH1–INS CH48
Insert-in/out canali INPUT 1–48
• INS STIN1 (L/R)–INS STIN4 (L/R)
Insert-in/out canale ST IN (INGRESSO STEREO) 1–4
(L/R)
• INS MIX1–INS MIX24
Insert-in/out canale MIX (MISSAGGIO) 1–24
• INS MTRX1–INS MTRX8
Insert-in/out canale MATRIX (MATRICE) 1–8
• INS ST A (L/R)
Insert-in/out canale STEREO A (L/R)
• INS ST B (L/R)
Insert-in/out canale STEREO B (L/R)
• INS MON (L/R/C) (solo PM5D)
Insert-in/out canale MONITOR (L/R/C)
Nota
• Quando si seleziona la destinazione di inserimento in
quest'area, verrà assegnato contemporaneamente l'insert-
in/out e verrà attivato in modo automatico l'inserimento per il
canale in cui era stato inserito il modulo EQ grafico.
• Se il cursore viene spostato senza premere il tasto
[ENTER], l'impostazione ritornerà allo stato originale.
DPulsante GEQ/PEQ
Questo pulsante consente di passare dall'EQ grafico
(GEQ) a 31 bande all'EQ parametrico a 8 bande (PEQ).
Nota
Anche se si passa da GEQ a PEQ, i parametri dell'EQ grafico
e di quello parametrico manterranno le impostazioni
precedenti la modifica.
EPulsante EQ ON/OFF
Consente di attivare/disattivare il modulo GEQ
correntemente selezionato.
FLIBRARY
Questo pulsante consente di accedere alla schermata
GEQ LIBRARY.
GIndicatore di livello
Indica il livello di picco prima e dopo il modulo GEQ.
❏Quando viene selezionato l'EQ grafico
HSLOW/FAST (LENTO/RAPIDO)
Consente di cambiare la velocità di diminuzione (da
lenta a rapida e viceversa) dell'analizzatore di spettro.
Questa impostazione non influisce sugli indicatori delle
altre schermate o su quelli del pannello.
IPEAK HOLD (MEMORIZZA PICCO)
Consente di attivare/disattivare la funzione di
memorizzazione picco per l'analizzatore di spettro.
Il livello di picco di ciascuna banda permane mentre il
pulsante è attivato (per reimpostare il display del livello
di picco, disattivare il pulsante e quindi riattivarlo).
Questa impostazione non influisce sugli indicatori delle
altre schermate o su quelli del pannello.
JAnalizzatore di spettro
Si tratta di un analizzatore che visualizza in tempo reale
il livello per ciascuna banda del segnale di input.
KGrafico EQ
Indica la risposta di frequenza corrente dell'EQ grafico.
LFader
Consentono di tagliare/enfatizzare le bande di
frequenza dell'EQ grafico. I valori effettivi vengono
riportati nelle caselle numeriche sottostanti.
MASSIGN TO FADERS (ASSEGNA AI FADER)
Questi pulsanti dividono le 31 bande dell'EQ grafico in
sei gruppi in modo che sia possibile utilizzare i fader
DCA per regolare l'intensità di enfasi/taglio di ciascuna
banda. Fare clic su uno dei sei pulsanti A (20.0-100),
B (63.0-315), C (200-1.00k), D (630-3.15k), E (2.00k-
10.0k), F (4.00k-20.0k). I fader DCA 1–8 verranno
assegnati all'area corrispondente delle bande di
frequenza, che potranno così essere controllate
mediante i fader DCA stessi. A questo punto, le
divisioni dei fader corrispondenti e il valore nella
schermata della casella numerica diventeranno di
colore rosso. Per tornare allo stato originale, premere
il pulsante DCA (OFF) della schermata o il pulsante
[DCA] sul pannello.
Nota
• Se i pulsanti ASSIGN TO FADERS A–F sono disattivati, è
possibile tenere premuto il tasto [SHIFT] (MAIUSC) del
pannello e premere un pulsante [A]–[F] della sezione
FADER MODE, quindi utilizzare i fader DCA per controllare
l'area corrispondente dell'EQ grafico come se fosse stato
premuto un pulsante A–F della schermata.
• La modalità fader correntemente selezionata (DCA, A–F)
viene disattivata mentre uno dei pulsanti ASSIGN TO
FADERS A–F è attivato. A questo punto è anche possibile
utilizzare i pulsanti [A]–[F] della sezione FADER MODE per
passare da un'area all'altra dell'EQ grafico; il pulsante
dell'area selezionata lampeggerà mentre gli altri pulsanti si
illumineranno.
• Se il pulsante AUTO ASSIGN è disattivato, il valore nel
campo ASSIGN TO FADERS viene automaticamente
annullato quando si cambia schermata e la modalità fader
DCA correntemente selezionata sarà di nuovo attiva.
8 9
J
K
L
M
NOP

Funzione GEQ
172 PM5D/PM5D-RH V2/DSP5D – Manuale di istruzioni Sezione riferimenti
NLIMIT (LIMITE)
L'intervallo e la direzione di regolazione controllati dai
fader possono essere selezionati tra ±15 dB, ±12 dB,
±6 dB (validi sia in direzione di enfasi che di taglio) o
–24 dB (valido solo in quella di taglio).
OEQ FLAT (AZZERA EQ)
Consente di reimpostare i fader sulla posizione 0 dB.
Quando si fa clic su questo pulsante viene visualizzato
un messaggio con la richiesta di conferma.
PAUTO ASSIGN
(ASSEGNAZIONE AUTOMATICA)
Questo pulsante consente di automatizzare le
assegnazioni ai fader DCA. Se è attivato, l'area delle
bande del GEQ selezionata per ultima verrà assegnata
ai fader DCA quando si accede alla schermata GEQ
PARAM.
❏Quando viene selezionato l'EQ
parametrico
QPulsante ASSIGN TO SELECTED CH ON/OFF
(ATTIV./DISATT. ASSEGNAZIONE A
CANALE SELEZIONATO)
Consente di attivare/disattivare l'assegnazione alla
sezione SELECTED CHANNEL.
Nota
Se il pulsante AUTO ASSIGN è disattivato, cambiando
schermata il pulsante ASSIGN TO SELECTED CH ON/OFF
verrà disattivato e sarà possibile passare alla sezione
SELECTED CHANNEL per utilizzare i parametri del canale
correntemente selezionato.
RAUTO ASSIGN
Questo pulsante consente di automatizzare
l'assegnazione alla sezione SELECTED CHANNEL.
Tuttavia, se si lascia attivato questo pulsante, la banda
di frequenza selezionata verrà assegnata alla sezione
SELECTED CHANNEL quando si accede alla
schermata GEQ PARAM se il pulsante ASSIGN TO
SELECTED CH ON/OFF è attivato.
SEQ TYPE (TIPO EQ)
Consente di selezionare il tipo di equalizzatore. Attivare
il pulsante TYPE I (TIPO I) per scegliere l'algoritmo
utilizzato nei tradizionali mixer digitali Yamaha oppure
attivare il pulsante TYPE II (TIPO II) per scegliere il
nuovo algoritmo sviluppato da Yamaha. L'utilizzo di
TYPE II consentirà di ridurre l'interferenza tra bande.
TGrafico EQ
Questo grafico mostra la risposta approssimata dei
parametri di equalizzazione. La riga verticale colorata
indica la FREQ (frequenza centrale) della banda su cui
è posizionato il cursore (il colore di ogni riga
corrisponde ai contrassegni che circondano la
manopola di ciascuna banda). Quando si modifica Q
(larghezza della banda) o GAIN (guadagno) di ciascuna
banda, la curva di risposta viene modificata di
conseguenza.
UEQ FLAT
Consente di reimpostare il parametro GAIN di tutte le
bande sul valore iniziale (±0,0 dB). Quando si fa clic su
questo pulsante viene visualizzato un messaggio con la
richiesta di conferma.
VLOWER/UPPER (INFERIORE/SUPERIORE)
Gli indicatori mostrano le quattro bande (LOWER o
UPPER) selezionate nella sezione SELECTED
CHANNEL del pannello. Il testo viene visualizzato in
giallo per indicare la serie di bande selezionata.
WManopole
Consentono di regolare Q, FREQ (frequenza centrale)
e GAIN (intensità di enfasi/taglio) di ciascuna banda.
XBYPASS
Questo pulsante consente di bypassare ciascuna banda
dell'EQ.
Y (Shelving LOW (BASSO))
Se questo pulsante è attivato, il LOW EQ (EQ BASSO)
verrà cambiato in un tipo shelving. La manopola Q non
sarà più visualizzata.
ZHPF (High Pass Filter, Filtro passa-alto)
Se questo pulsante è attivato, LOW EQ verrà utilizzato
come filtro passa-alto. La manopola Q non verrà più
visualizzata mentre la manopola GAIN sarà utilizzata
per attivare/disattivare l'HPF.
aLPF (Low Pass Filter, Filtro passa-basso)
Se questo pulsante è attivato, HIGH EQ verrà utilizzato
come filtro passa-basso. La manopola Q non verrà più
visualizzata mentre la manopola GAIN sarà utilizzata
per attivare/disattivare l'LPF.
b (Shelving HIGH (ALTO))
Se questo pulsante è attivato, HIGH EQ verrà cambiato
in un tipo shelving. La manopola Q non sarà più
visualizzata.
UT
V
W
Q
R
S
Y
Z
a
b
X

PM5D/PM5D-RH V2/DSP5D – Manuale di istruzioni Sezione riferimenti 173
Informazioni visua-
lizzate sul display
Menu Function
(Funzioni)
Funzioni
generali
Funzioni
di output
Funzioni
di input
Appendici
In questa schermata vengono elencati i valori approssimati
delle impostazioni del modulo GEQ e vengono visualizzati
i livelli di input/output. In essa è anche possibile
modificare le assegnazioni del percorso del segnale e lo
stato di attivazione/disattivazione.
AIndicatore di livello
Indica il livello di picco prima e dopo il modulo GEQ.
BGrafico dei fader
Indica la posizione approssimata dei fader per ciascuna
banda. Quando si fa clic in quest'area viene visualizzata
la schermata GEQ PARAM per il modulo GEQ
corrispondente. È anche possibile trascinare l'area su un
altro modulo GEQ per copiare le relative impostazioni.
CPulsante GEQ ON/OFF
Consente di attivare/disattivare il modulo GEQ.
DDestinazione di inserimento
Indica la posizione in cui viene inserito il modulo GEQ.
Da questa schermata è anche possibile specificare la
posizione di inserimento.
EPulsante LINK
Indica lo stato di collegamento dei moduli GEQ
adiacenti con numerazione dispari
→
pari. Quando si
attiva il pulsante viene visualizzata una finestra che
consente di scegliere se copiare i parametri da un
modulo all'altro oppure se inizializzare entrambi i
moduli.
FDSP CONFIGURATION
In questa casella è possibile modificare il numero di
assegnazioni per gli effetti interni e i moduli GEQ
(equalizzatore grafico). Se il numero di effetti interni
viene ridotto, i moduli GEQ disponibili aumenteranno
di un'unità. Il numero di effetti interni può variare tra
otto unità (dodici moduli GEQ) fino a zero effetti
interni disponibili (venti moduli GEQ).
Nota
Se l'impostazione DSP CONFIGURATION viene modificata, si
potrebbe verificare una breve esclusione degli effetti interni o
dei moduli GEQ.
Schermata GEQ ASSIGN
(ASSEGNAZIONE GEQ)
GEQ ASSIGN
5
1 2 3
4
6

Funzione GEQ
174 PM5D/PM5D-RH V2/DSP5D – Manuale di istruzioni Sezione riferimenti
In questa schermata è possibile richiamare, memorizzare,
rinominare o eliminare elementi della libreria GEQ.
AEDIT
Quando si fa clic su questo pulsante viene visualizzata la
schermata GEQ PARAM del modulo GEQ
correntemente selezionato.
BSelezione modulo GEQ
Consente di selezionare il modulo GEQ per il quale si
desidera configurare le impostazioni.
CGEQ/PEQ
Indica il tipo di GEQ selezionato. Nell'elenco della
libreria verranno indicati GEQ LIBRARY o OUTPUT
EQ LIBRARY (LIBRERIA EQ DI USCITA), in base al
tipo corrente.
DGrafico EQ corrente
Indica la risposta approssimata del modulo GEQ
correntemente selezionato.
EIndicatore di livello
Indica il livello di picco prima e dopo il modulo GEQ.
FRECALL
Consente di richiamare l'elemento della libreria
selezionato nell'elenco nel modulo GEQ correntemente
selezionato.
GSTORE
Consente di memorizzare le impostazioni del modulo
GEQ correntemente selezionato nella posizione
selezionata nell'elenco. Quando si fa clic su questo
pulsante viene visualizzata una finestra che consente di
assegnare un nome alle impostazioni dell'EQ grafico e
di salvarle.
HTITLE EDIT
Consente di modificare il titolo dell'elemento della
libreria selezionato nell'elenco. Quando si fa clic su
questo pulsante, viene visualizzata una finestra che
consente di modificare il titolo.
ICLEAR
Consente di eliminare l'elemento della libreria
selezionato nell'elenco. Quando si fa clic su questo
pulsante viene visualizzato un messaggio con la
richiesta di conferma.
Nota
Gli elementi della libreria per i quali viene visualizzata una "R"
nella colonna destra dell'elenco sono di sola lettura. Gli
elementi di sola lettura non possono essere memorizzati,
rinominati o eliminati.
JGrafico EQ della libreria
Consente di visualizzare la curva di risposta della
libreria selezionata nell'elenco.
KElenco della libreria
Utilizzare la barra di scorrimento per selezionare
l'elemento della libreria sul quale si desidera eseguire
un'operazione. L'elemento della libreria selezionato
verrà spostato al centro dell'elenco e sarà evidenziato.
Schermata GEQ LIBRARY
(LIBRERIA GEQ)
GEQ LIBRARY
1 2 43
5
J
6
7
8
9
K

PM5D/PM5D-RH V2/DSP5D – Manuale di istruzioni Sezione riferimenti 175
Informazioni visua-
lizzate sul display
Menu Function
(Funzioni)
Funzioni
generali
Funzioni
di output
Funzioni
di input
Appendici
Funzione SCENE
In questa schermata è possibile memorizzare/richiamare
le scene.
AElenco scene
Elenco delle scene memorizzate. Per ciascuna scena
vengono visualizzati i seguenti elementi (per
visualizzare
7
COMMENT (COMMENTI) e gli
elementi successivi, scorrere l'elenco verso destra).
B (Numero scena)
Numero di scena compreso tra 0 e 500. È possibile fare
clic su questa icona per invertire l'ordinamento delle
scene.
CTITLE
Nome assegnato a ciascuna scena. È possibile fare clic
sul pulsante TITLE per ordinare le scene in base ai
titoli. Quando si fa clic sul pulsante di sinistra viene
visualizzata una finestra che consente di modificare il
titolo.
D (Protezione)
Per ciascuna scena, questo pulsante indica se la scena
sarà protetta e di sola lettura.
• Simbolo di protezione (lucchetto)
La scena non può essere sovrascritta.
• Simbolo R (sola lettura)
Oltre all'impostazione Protect precedentemente
descritta, risulterà impossibile sovrascrivere la scena
caricando un file e così via. Questa impostazione è
configurabile solo per i numeri di scena consecutivi a
partire da 000.
Nota
Se si attiva LINKED LIBRARY PROTECTION nella schermata
PREFERENCE 1 della funzione UTILITY, anche le librerie
collegate alle scene READ ONLY saranno protette, ma
verranno sovrascritte se si carica un file.
• Nessun simbolo
La scena non è protetta in alcun modo.
ESEL.RECALL (Richiamo selettivo)
È possibile specificare per ciascuna scena se la funzione
Selective Recall verrà utilizzata quando si richiama la
scena. Se la funzione Selective Recall è attivata
(
➥
p. 180), le scene per le quali viene attivato il
pulsante possono richiamare solo parametri specifici
(in alternativa, è possibile escludere dal richiamo solo
parametri specifici).
Se le scene sono ordinate in base a TITLE, accanto a
quelle per cui il pulsante è attivato verrà visualizzato un
segno di spunta. Se invece sono ordinate
numericamente, accanto alle scene per cui il pulsante è
attivato verrà visualizzata una freccia verso l'alto o verso
il basso, il che semplifica l'individuazione della scena
originale prima del richiamo selettivo.
FCollegamento della libreria
In quest'area viene visualizzato il numero e il titolo
delle librerie INPUT PATCH, OUTPUT PATCH e HA
(HEAD AMPLIFIER) utilizzate da ciascuna scena.
È possibile fare clic sul pulsante di sinistra per
accedere a una finestra che consenta di modificare il
numero della libreria collegata. Il pulsante LINK di
ciascuna libreria determina se le operazioni di richiamo
della libreria saranno collegate a quelle della scena.
Se il pulsante LINK è attivato (la colonna indica
"LINK"), quando si richiama la scena verrà richiamata
anche la libreria del numero corrispondente. Una
libreria con il pulsante LINK disattivato non cambierà
quando la scena viene richiamata.
GCOMMENT
In questa colonna è possibile immettere o visualizzare
un commento relativo alla scena. Quando si sposta il
cursore sul campo COMMENT e si preme il tasto
[ENTER] oppure quando si fa clic sul pulsante di
sinistra viene visualizzata una finestra di immissione
testo.
HTIME STAMP (DATA/ORA)
Indica l'ora in cui la scena è stata memorizzata per
l'ultima volta nel formato mese/giorno/anno/ore/
minuti/secondi.
IMIDI EVENT (EVENTO MIDI)
Indica il messaggio MIDI che verrà trasmesso dal
connettore MIDI OUT (USCITA MIDI) al richiamo
della scena. Quando si fa clic sul pulsante di sinistra
viene visualizzata una finestra che consente di
immettere un evento MIDI in forma esadecimale
(
➥
p. 128).
Schermata SCENE
SCENE
1
2 3 45 6
7 8
9 K
J

Funzione SCENE
176 PM5D/PM5D-RH V2/DSP5D – Manuale di istruzioni Sezione riferimenti
JTX ON/OFF (Attivazione/disattivazione
trasmissione eventi MIDI)
Indica se l'evento MIDI assegnato verrà trasmesso.
KDELAY
Specifica i tempi dell'evento program change o MIDI
che verrà trasmesso al momento del richiamo della
scena. Quando si fa clic sul pulsante di sinistra viene
visualizzata la finestra MIDI EVENT DELAY (DELAY
EVENTO MIDI) riportata di seguito.
• POST
L'evento program change o MIDI verrà trasmesso una
volta completata l'elaborazione di richiamo della scena
(uguale all'operazione precedente alla versione V1.2).
• INTERVAL (INTERVALLO)
L'evento program change o MIDI verrà trasmesso
seguendo l'intervallo di tempo specificato dopo che ha
avuto inizio l'elaborazione di richiamo della scena.
È possibile specificare l'ora di inizio della trasmissione
in un intervallo compreso tra 0,0 secondi e 9,9 secondi.
LGPI OUT CONTROL 1–12
(CONTROLLO 1–12 USCITA GPI)
Indica la polarità e il metodo di trasmissione (sensore
di livello/trigger) del segnale inviato dalle porte GPI
OUT 1–12 quando la scena viene richiamata. Quando
si fa clic su un pulsante corrispondente a una porta
1–12, l'impostazione cambierà nel seguente ordine.
Nota
• Le impostazioni GPI OUT CONTROL sono indipendenti da
quelle della schermata GPI della funzione MIDI/REMOTE.
• Nel caso di un'impostazione di tipo Trigger, l'intervallo di
tempo dal momento dell'attivazione al ritorno allo stato di
inattività è di 250 millisecondi.
MREMOTE TRANSPORT
(TRASPORTO REMOTO)
Consente di selezionare il comando di trasporto
(protocollo MMC o RS422) che verrà trasmesso al
richiamo della scena. Se si fa clic sul pulsante di
sinistra verrà visualizzata una finestra che consente
di selezionare la destinazione di output e il tipo di
comando.
NSCENE FUNCTION (funzione Recall)
In questa schermata è possibile memorizzare/
richiamare le scene.
• RECALL
Consente di caricare la scena correntemente selezionata
nell'elenco scene dell'unità PM5D.
• STORE
Consente di salvare le impostazioni correnti dell'unità
PM5D nella scena correntemente selezionata in elenco
(il pulsante non è attivo se la scena selezionata è di sola
lettura o protetta).
• UNDO
Consente di annullare le precedenti operazioni di
richiamo e memorizzazione. È possibile fare
nuovamente clic su questo pulsante (Redo) per
ritornare allo stato precedente l'annullamento.
• PREVIEW
Se questo pulsante è attivato, l'unità PM5D sarà in
modalità PREVIEW e sarà quindi possibile visualizzare
o modificare le impostazioni di una scena archiviata in
memoria o quelle di un elemento della libreria senza
influire sull'elaborazione del segnale interno. Questo
pulsante è collegato con il tasto [PREVIEW] nella
sezione SCENE MEMORY del pannello (
➥
p. 88).
Nota
• Le impostazioni di monitoraggio verranno applicate
all'elaborazione del segnale interno anche durante la
modalità Preview. In fase di anteprima è possibile eseguire
operazioni correlate a segnale di attivazione e monitoraggio.
• Le operazioni EVENT LIST, MIDI e GPI verranno applicate
all'elaborazione del segnale interno ma non all'anteprima.
• La scheda di memoria consente di salvare/caricare le
operazioni che non possono essere eseguite durante
l'anteprima.
• Durante l'anteprima le operazioni definite dall'utente che
influenzano l'elaborazione del segnale interno sono
disattivate ed includono: EVENT LIST (ELENCO EVENTI),
TALKBACK ASSIGN (ASSEGNAZIONE TALKBACK),
MONITOR, MIDI DIRECT OUT (USCITA DIRETTA MIDI),
MACHINE CONTROL (CONTROLLO MACCHINA) e GPI
OUT CONTROL (CONTROLLO USCITA GPI).
Display PolaritàMetodo
di trasmissione
None (Nessuna) Disattivato
Attiva alta Sensore di livello
Attiva bassa Sensore di livello
Attiva alta Trigger
Attiva bassa Trigger
L M
N P Q
OR

PM5D/PM5D-RH V2/DSP5D – Manuale di istruzioni Sezione riferimenti 177
Informazioni visua-
lizzate sul display
Menu Function
(Funzioni)
Funzioni
generali
Funzioni
di output
Funzioni
di input
Appendici
OBLANK SKIP (SALTA VUOTO)
Indica il modo in cui è possibile selezionare i numeri di
scena. Se il pulsante BLANK SKIP è disattivato, tutti i
numeri di scena potranno essere selezionati in sequenza
indipendentemente dal fatto che contengano dati della
scena o meno. Al contrario, se il pulsante BLANK SKIP
è attivato, sarà possibile selezionare solo i numeri in cui
è effettivamente memorizzata la scena. Questa
impostazione si applica quando si cambia scena
mediante i tasti SCENE MEMORY [
π
]/[
†
] nella
sezione SCENE MEMORY del pannello, l'encoder
[DATA] o i pulsanti / presenti nella schermata.
PEDIT
Questi pulsanti consentono di modificare l'ordine delle
scene in memoria.
• CUT (TAGLIA)
Consente di tagliare la scena selezionata nell'elenco e di
conservarla in un buffer della memoria temporaneo.
Le scene successive verranno spostate in avanti di una
posizione.
• COPY (COPIA)
Consente di copiare la scena selezionata nell'elenco
all'interno del buffer della memoria. La sorgente della
copia e altre scene non verranno influenzate.
• INSERT (INSERISCI)
Consente di inserire la scena proveniente dal buffer
della memoria nella posizione numerica selezionata
nell'elenco. Le scene che seguono il numero in cui è
avvenuto l'inserimento verranno spostate indietro di
una posizione.
• PASTE (INCOLLA)
Consente di sovrascrivere la scena proveniente dal
buffer della memoria nella posizione numerica vuota
selezionata nell'elenco. Le altre scene non verranno
influenzate.
• CLEAR
Consente di eliminare la scena selezionata nell'elenco.
• UNDO
Consente di annullare l'ultima operazione eseguita
nell'area EDIT.
Nota
• Quando si fa clic su uno di questi pulsanti viene visualizzato
un messaggio con la richiesta di conferma.
• Se nell'elenco è selezionata una scena di sola lettura o
protetta, i pulsanti CUT, INSERT e CLEAR saranno
visualizzati in grigio e non saranno utilizzabili.
• Se nell'elenco è selezionata una scena esistente, il pulsante
PASTE sarà visualizzato in grigio e non sarà utilizzabile.
• Se l'elenco è ordinato per titolo, i pulsanti CUT, INSERT e
UNDO saranno visualizzati in grigio.
• Se il contenuto di una scena viene modificato con operazioni
esterne alla sezione EDIT, il pulsante UNDO sarà
visualizzato in grigio.
QDIRECT RECALL ASSIGN
(ASSEGNAZIONE RICHIAMO DIRETTO)
Consente di selezionare le scene che verranno
richiamate direttamente dai tasti SCENE MEMORY
[1]–[8] del pannello. Questa funzione è disponibile se il
pulsante DIRECT RECALL è attivato
Quando si sposta il cursore sul campo di sinistra e si
ruota l'encoder [DATA] oppure quando si fa clic sui
pulsanti / per selezionare un numero di scena; il
nome della scena viene visualizzato nel campo sulla
destra.
R
DIRECT RECALL/MUTE MASTER
(RICHIAMO DIRETTO/ESCLUSIONE MASTER)
Sono collegati ai pulsanti DIRECT RECALL/MUTE
MASTER visualizzati nella parte inferiore del display
(
➥
p. 165)
La funzione Event List consente di registrare le scene in
ordine di utilizzo, in modo che sia possibile richiamarle
manualmente o automaticamente in base al time code o
intervallo specificato.
Nota
La schermata delle impostazioni relative all'unità PM5D viene
sempre visualizzata anche se la console DSP5D è collegata
in cascata.
AEVENT LIST ENABLE/DISABILE
(ATTIVAZIONE/DISATTIVAZIONE ELENCO
EVENTI)
Utilizzare i tre pulsanti riportati di seguito per attivare/
disattivare la funzione Event List.
• DISABLE
La funzione Event List non richiamerà le scene
registrate nell'elenco eventi.
• ENABLE [ALL MANUAL]
Le scene registrate nell'elenco eventi verranno
richiamate solo con operazione manuale. Se nell'elenco
sono presenti eventi per i quali è stato specificato un
time code, l'evento candidato al richiamo cambierà con
l'avanzamento del codice, tuttavia gli eventi non
verranno effettivamente richiamati a meno che
l'operazione di richiamo non venga eseguita
manualmente.
• ENABLE
Le scene registrate nell'elenco eventi verranno
richiamate in base alla condizione specificata (time
code, intervallo o operazione manuale).
Schermata EVENT LIST
EVENT LIST
1
3
2

Funzione SCENE
178 PM5D/PM5D-RH V2/DSP5D – Manuale di istruzioni Sezione riferimenti
BElenco eventi
Nell'elenco è possibile registrare le scene da richiamare
e le condizioni in base alle quali verranno richiamate.
Fare clic su una riga per selezionare l'evento
corrispondente per la modifica; tale evento verrà
evidenziato al centro dell'elenco.
• No.
Indica il numero dell'evento.
• EVENT TRIGGER (TRIGGER EVENTO)
In questa colonna viene specificata la condizione che
richiamerà ciascun evento. Fare clic sul pulsante e
nella finestra visualizzata utilizzare i seguenti tre
pulsanti per selezionare la condizione.
MANUAL
L'evento può essere richiamato dal pulsante
DIRECT (DIRETTO) nell'area EVENT
RECALL (RICHIAMO EVENTO) (3) o da un
tasto definito dall'utente. Il campo EVENT
TRIGGER indicherà "[MANUAL]".
INTERVAL
La scena verrà richiamata una volta trascorso
un determinato lasso di tempo dopo il
richiamo della scena precedente. Se si seleziona
questo pulsante, specificare il tempo di attesa
nella parte inferiore della finestra. Nel campo
EVENT TRIGGER dell'elenco viene
visualizzato un simbolo " " e il tempo di
attesa.
TIME CODE
La scena verrà richiamata quando il time code
(LTC, MTC e time code interno) raggiunge
l'ora specificata. Se si seleziona questo pulsante,
specificare la posizione del time code (ore/
minuti/secondi/frame) nella parte inferiore
della finestra. Nel campo EVENT TRIGGER
dell'elenco viene visualizzato il time code.
Suggerimento
• Finché nell'elenco è selezionato un evento per il quale viene
specificato MANUAL, la scena non cambierà fino al
momento in cui non viene eseguito un richiamo manuale.
• Tuttavia, se un evento per il quale è specificato TIME CODE
viene registrato successivamente nell'elenco, gli eventi
impostati su MANUAL saranno ignorati quando appare il
time code e la scena corrispondente verrà richiamata.
• La condizione per il richiamo della scena successiva viene
visualizzata nei campi NEXT SCENE/NEXT EVENT nella
parte superiore del display.
Nota
• Se la sorgente del time code è disattivata, gli eventi il cui
EVENT TRIGGER è impostato su TIME CODE non
verranno richiamati a meno che il richiamo non sia eseguito
manualmente.
• Al contrario, gli eventi il cui EVENT TRIGGER è impostato
su INTERVAL verranno richiamati automaticamente una
volta trascorso l'intervallo specificato dall'operazione di
richiamo precedente, anche se la sorgente del time code è
disattivata.
• Nell'intervallo di due secondi dopo l'avvio del time code, è
possibile che gli eventi non vengano eseguiti mentre viene
stabilita la sincronizzazione. Sarà necessario avviare il time
code almeno due secondi prima dell'esecuzione dell'evento
desiderato.
• SCENE TITLE (TITOLO SCENA)
Numero e titolo della scena da richiamare. Fare clic sul
pulsante e, nella finestra visualizzata, fare clic sul
numero di una scena per selezionarla.
CEVENT RECALL
In quest'area è possibile richiamare gli eventi. Sono
disponibili i seguenti tre pulsanti.
• PREV (PRECEDENTE)
Quando si fa clic su questo pulsante, verrà richiamato e
selezionato l'evento della riga che precede l'evento
richiamato per ultimo.
• DIRECT
Quando si fa clic su questo pulsante, verrà richiamato
l'evento correntemente selezionato nel relativo elenco.
Questo pulsante viene utilizzato principalmente per
richiamare un evento il cui campo EVENT TRIGGER è
impostato su "[MANUAL]".
• NEXT (SUCCESSIVO)
Quando si fa clic su questo pulsante, verrà richiamato e
selezionato l'evento della riga che segue l'evento
richiamato per ultimo.
DAUTO CAPTURE
(ACQUISIZIONE AUTOMATICA)
Questo pulsante consente di registrare
automaticamente gli eventi in tempo reale mentre il
time code è in esecuzione. Se il time code è in
esecuzione e il pulsante è attivato, l'utilizzo dei pulsanti
del pannello SCENE MEMORY per richiamare una
scena consentirà l'acquisizione del numero di scena
corrispondente e della posizione del codice mentre
questo verrà aggiunto come nuovo evento.
Nota
• Se nell'elenco sono presenti eventi registrati in precedenza,
verranno disposti in ordine decrescente in base al relativo
time code.
• Se un evento è già presente nella stessa posizione del time
code, verrà sovrascritto dal nuovo evento.
• Anche se la sorgente del time code è "OFF", eseguendo
un'operazione di richiamo mentre il pulsante è attivato,
nell'elenco verrà registrato un nuovo evento. In questo caso,
il campo EVENT TRIGGER verrà registrato come
"[MANUAL]".
• Se viene specificato un valore di offset, la somma di tale
valore e del time code visualizzato verrà acquisita come
time code.
Evento che verrà richiamato manualmente
Evento che verrà richiamato quando il time code
raggiunge la posizione specificata
Evento che verrà richiamato una volta trascorso l'intervallo
specificato dopo l'operazione di richiamo precedente
4
9
J
Q
5
6
7
8
K
L
M
N
O
P

PM5D/PM5D-RH V2/DSP5D – Manuale di istruzioni Sezione riferimenti 179
Informazioni visua-
lizzate sul display
Menu Function
(Funzioni)
Funzioni
generali
Funzioni
di output
Funzioni
di input
Appendici
EMOVE UP (SPOSTA SU)
Questo pulsante consente di spostare l'evento
correntemente selezionato una posizione più in alto
nell'elenco eventi.
FMOVE DOWN (SPOSTA GIÙ)
Questo pulsante consente di spostare l'evento
correntemente selezionato una posizione più in basso
nell'elenco eventi.
Nota
• I pulsanti MOVE UP/DOWN sono disponibili solo per gli
eventi il cui campo EVENT TRIGGER viene visualizzato
come "[MANUAL]" o con il simbolo " ".
• Se nel campo EVENT TRIGGER dell'evento selezionato
viene visualizzato un time code, questi pulsanti diventeranno
di colore grigio e non saranno disponibili.
GMANUAL INSERT
(INSERIMENTO MANUALE)
Questo pulsante consente di inserire un nuovo evento
nella posizione selezionata nell'elenco eventi. Il campo
EVENT TRIGGER del nuovo evento sarà impostato su
"[MANUAL]" mentre il relativo campo SCENE TITLE
su "no assignment". È possibile apportare modifiche nel
modo desiderato.
HMANUAL OVERWRITE
(SOVRASCRITTURA MANUALE)
Questo pulsante consente di sovrascrivere un nuovo
evento nella posizione correntemente selezionata
nell'elenco eventi (se la riga nella posizione corrente è
vuota, il pulsante verrà visualizzato in grigio e non sarà
disponibile). Il campo EVENT TRIGGER del nuovo
evento indicherà "[MANUAL]".
ITIME CODE SETUP
(CONFIGURAZIONE TIME CODE)
In questo campo è possibile configurare le impostazioni
per il time code ricevuto dall'unità PM5D.
• TC SOURCE (Sorgente del time code)
Selezionare la sorgente del time code da utilizzare tra
quelle riportate di seguito.
OFF . . . . . . . . . . Il time code non sarà ricevuto.
INTERNAL . . . . Verrà utilizzato il time code
generato nell'unità PM5D.
TIME CODE . . . Verrà utilizzato il time code (LTC)
ricevuto tramite il connettore TIME
CODE del pannello posteriore.
MIDI . . . . . . . . . Verrà utilizzato il time code MIDI
(MTC) ricevuto tramite il
connettore MIDI IN del pannello
posteriore.
USB . . . . . . . . . . Verrà utilizzato il time code MIDI
ricevuto dalla porta specificata
tramite il connettore USB del
pannello posteriore.
SLOT 1–4 . . . . . Se una scheda che supporta l'input
MIDI è installata in uno degli slot
del pannello posteriore, verrà
utilizzato il time code MIDI
ricevuto dalla porta specificata.
Nota
• Questa impostazione non influisce sulla schermata MIDI
SETUP (CONFIGURAZIONE MIDI) della funzione MIDI
REMOTE.
• Se si seleziona USB o SLOT 1–4, sarà necessario
specificare il numero di porta (1–8) nel campo di destra (a
seconda della scheda installata è possibile che alcuni slot
presentino un'unica porta).
• Se si passa a INTERNAL, il time code verrà impostato sul
valore Start Time (Ora inizio).
• FRAME RATE
Selezionare un frame rate per il time code (LTC, MTC e
time code interno) in uso tra quelli riportati di seguito.
30 . . . . . . . . . . 30 frame al secondo (non-drop)
30D . . . . . . . . . 30 frame al secondo (drop)
29.97 . . . . . . . . 29.97 frame al secondo (non-drop)
29.97D . . . . . . 29.97 frame al secondo (drop)
25 . . . . . . . . . . 25 frame al secondo
24 . . . . . . . . . . 24 frame al secondo
• OFFSET TIME/START TIME
(TEMPO DI OFFSET/ORA DI AVVIO)
Se INTERNAL viene selezionato come sorgente del
time code, utilizzare questo campo per specificare l'ora
di avvio del time code interno (START TIME).
Nel caso venga selezionata una qualsiasi altra sorgente,
utilizzare questo campo per specificare l'offset (OFFSET
TIME). L'offset è l'intervallo con cui vengono regolati i
tempi di richiamo delle scene, in avanti o indietro in
base al time code in ingresso (LTC o MTC).
In entrambi i casi è possibile modificare il valore
facendo clic sul pulsante e specificando nella finestra
visualizzata il valore in ore/minuti/secondi/unità frame.
JArea di visualizzazione time code
In quest'area viene visualizzato il valore del time code in
ingresso (LTC o MTC) o del time code interno. Se
come sorgente del time code è selezionato INTERNAL,
i pulsanti di trasposizione verranno visualizzati
immediatamente sotto il valore del codice e sarà
possibile utilizzarli per reimpostare, per arrestare o
avviare il time code interno.
Inoltre, se è selezionato INTERNAL, è possibile fare clic
sul pulsante per accedere alla finestra TIME CODE e
specificare direttamente il time code.
Nota
Al time code visualizzato non viene aggiunto alcun valore
di offset.
KTIME CODE INSERT
(INSERIMENTO TIME CODE)
Questo pulsante consente di registrare in tempo reale i
dati del time code nell'elenco. Quando la sorgente del
time code è in esecuzione, facendo clic su questo
pulsante verrà acquisito il valore del codice e aggiunto
come nuovo evento. Il time code acquisito viene
immesso nel campo EVENT TRIGGER del nuovo
evento e il campo SCENE TITLE è impostato su "no
assignment". A questo punto gli eventi in elenco
verranno disposti in ordine decrescente in base al time
code (se un evento è già presente nella stessa posizione
temporale, verrà sovrascritto dal nuovo evento).
Nota
Se la sorgente del time code è OFF, la colonna EVENT
TRIGGER indicherà "[MANUAL]". Se invece la sorgente è
TIME CODE, MIDI, USB o SLOT 1–4, il valore di offset è stato
aggiunto al valore del time code dell'evento appena inserito.
RETURN TO START TIME
(reimposta il time code
sull'ora di avvio)
START
(avvia il time code
dalla posizione
corrente)
STOP
(arresta il time code)

Funzione SCENE
180 PM5D/PM5D-RH V2/DSP5D – Manuale di istruzioni Sezione riferimenti
LTIME CODE OVERWRITE
(SOVRASCRITTURA TIME CODE)
Questo pulsante consente di sostituire in tempo reale il
time code dell'evento selezionato nell'elenco. Quando la
sorgente del time code è in esecuzione, facendo clic su
questo pulsante la posizione temporale corrente verrà
scritta come valore del time code dell'evento
correntemente selezionato (il campo SCENE TITLE
resterà invariato). A questo punto gli eventi in elenco
verranno disposti in ordine decrescente in base al time
code
Se è selezionata una riga vuota, il pulsante sarà
visualizzato in grigio (disattivato).
Nota
Se la sorgente del time code è OFF, la colonna EVENT
TRIGGER indicherà "[MANUAL]". Se invece la sorgente è
TIME CODE, MIDI, USB o SLOT 1–4, il valore di offset è stato
aggiunto al valore del time code riscritto.
MSCENE INSERT (INSERIMENTO SCENA)
Questo pulsante consente di inserire una o più scene
consecutive dalla memoria scene nell'elenco eventi.
Utilizzare i campi FROM/TO (DA/A) posizionati a
destra per specificare i numeri di scena iniziali e finali,
quindi fare clic su questo pulsante. Le scene specificate
verranno inserite come nuovi eventi per il richiamo
immediatamente prima dell'evento correntemente
selezionato. Il campo EVENT TRIGGER è impostato su
"[MANUAL]" per tutti i nuovi eventi.
NSCENE OVERWRITE (SOVRASCRITTURA
SCENA)
Questo pulsante consente di sovrascrivere le
assegnazioni di scene di eventi consecutivi nell'elenco
eventi con più scene consecutive dalla memoria scene.
Utilizzare i campi FROM/TO posizionati a destra per
specificare i numeri di scena iniziali e finali, quindi fare
clic su questo pulsante; a partire dalla riga
correntemente selezionata dell'elenco eventi, il campo
SCENE TITLE del numero corrispondente degli eventi
successivi verrà riscritto in base alle scene specificate
(il campo EVENT TRIGGER resterà invariato). Se è
selezionata una riga vuota, il pulsante sarà visualizzato
in grigio (disattivato).
ODELETE
Questo pulsante consente di eliminare l'evento
selezionato nell'elenco. Se è selezionata una riga vuota,
il pulsante sarà visualizzato in grigio (disattivato).
PUNDO
Questo pulsante consente di riportare l'elenco eventi
allo stato precedente l'ultima operazione di modifica. Se
è impossibile eseguire l'annullamento, il pulsante sarà
visualizzato in grigio.
QALL DELETE (ELIMINA TUTTO)
Questo pulsante consente di eliminare tutti gli eventi
dall'elenco. Quando si fa clic su questo pulsante viene
visualizzato un messaggio con la richiesta di conferma.
Nota
Se si modifica l'elenco (
4
–
8
,
K
–
Q
) o il time code, il
pulsante NEXT EVENT nell'area costantemente visualizzata
effettuerà la ricerca dal time code corrente. Tuttavia se la
sorgente del time code è OFF o se non esiste alcuna
impostazione del codice nel campo EVENT TRIGGER (solo
per [MANUAL] e [INTERVAL]), NEXT EVENT sarà collocato a
inizio elenco.
In questa schermata è possibile configurare impostazioni
per la funzione Selective Recall che, in modo indipendente
per ciascuna scena, consente di escludere parametri/canali
specifici dal richiamo o, al contrario, di richiamare solo
specifici parametri/canali.
ASELECTIVE RECALL ENABLE/DISABILE
(ATTIVAZIONE/DISATTIVAZIONE
RICHIAMO SELETTIVO)
Consente di attivare/disattivare Selective Recall per la
scena correntemente selezionata. Se il pulsante è
impostato su DISABLE, la funzione Selective Recall
risulterà disattivata.
Nota
• A differenza della schermata RECALL SAFE (
➥
p. 182)
comune a tutte le scene, le impostazioni della schermata
SELECTIVE RECALL sono indipendenti per ciascuna
scena.
• Se si modificano le impostazioni della schermata
SELECTIVE RECALL, sarà necessario memorizzare la
scena per rendere effettive le modifiche.
BSELECTION MODE (MODALITÀ SELEZIONE)
Utilizzare i due pulsanti seguenti per scegliere come
utilizzare la schermata SELECTIVE RECALL.
• Pulsante SAFE PARAMETER
(PARAMETRO DI BLOCCO)
Se questo pulsante è attivato, sarà possibile specificare i
canali/parametri che verranno esclusi dalle operazioni
di richiamo.
• Pulsante RECALL CONFIRMATION
(CONFERMA RICHIAMO)
Se questo pulsante è attivato, sarà possibile specificare
i canali/parametri che verranno richiamati.
Subito dopo aver cambiato pulsante, tutti i canali/
parametri saranno interessati dalle operazioni di
richiamo.
Schermata SELECTIVE RECALL
SELECTIVE RECALL
1 32

PM5D/PM5D-RH V2/DSP5D – Manuale di istruzioni Sezione riferimenti 181
Informazioni visua-
lizzate sul display
Menu Function
(Funzioni)
Funzioni
generali
Funzioni
di output
Funzioni
di input
Appendici
COUTPUT ISOLATION
(ISOLAMENTO OUTPUT)
Se il pulsante ON è attivato, è possibile memorizzare i
canali di uscita e i canali esclusi dalle operazioni di
richiamo nella memoria SETUP (non inclusa nelle
operazioni di caricamento dalla scheda di memoria)
separatamente rispetto alla funzione Recall Safe
. Per
specificare i canali di uscita e i parametri che saranno
esclusi dal richiamo, configurare le impostazioni nella
finestra OUTPUT ISOLATION SETUP
(CONFIGURAZIONE ISOLAMENTO OUTPUT) che
verrà visualizzata quando si fa clic sul pulsante .
DPulsanti SAFE ON/OFF (ATTIVAZIONE/
DISATTIVAZIONE BLOCCO)
Pulsanti RECALL ON/OFF (ATTIVAZIONE/
DISATTIVAZIONE RICHIAMO)
La funzione di questi pulsanti dipenderà
dall'impostazione SELECTION MODE (
2
).
Se il pulsante SAFE PARAMETER è attivato
I pulsanti funzioneranno come pulsanti SAFE ON/OFF
che specificano i canali esclusi dalle operazioni di
richiamo.
Se il pulsante RECALL PARAMETER è attivato
I pulsanti funzioneranno come pulsanti RECALL ON/
OFF che specificano i canali che verranno richiamati.
EGriglia matrice parametri
In questa posizione è possibile selezionare i parametri
che saranno richiamati (o esclusi dal richiamo). Le
selezioni SAFE PARAMETER vengono visualizzate in
verde mentre le selezioni RECALL PARAMETER in
blu. Se il pulsante ALL (TUTTI) è attivato, tutti i
parametri, eccetto CH to MIX, saranno richiamati
(o esclusi dal richiamo).
Nota
• Le griglie della matrice corrispondenti alle combinazioni non
selezionabili sono visualizzate in grigio.
• Le impostazioni nella griglia matrice del parametro vengono
ignorate per i canali con il pulsante SAFE ON/OFF o
RECALL ON/OFF disattivato.
FASSIGN (ASSEGNAZIONE)
Quest'area indica il numero di canali assegnati per
ciascun parametro.
GSET ALL (IMPOSTA TUTTI)
Consentono di attivare i pulsanti di tutti i canali o tutti i
pulsanti del parametro corrispondente.
HCLEAR ALL (CANCELLA TUTTI)
Consentono di disattivare i pulsanti di tutti i canali o
tutti i pulsanti del parametro corrispondente.
IOTHER SAFE/RECALL PARAMETERS (ALTRI
PARAMETRI DI BLOCCO/RICHIAMO)
Questi pulsanti consentono di escludere dalle
operazioni di richiamo i parametri diversi da quelli
precedentemente descritti.
Se il pulsante SAFE PARAMETER è attivato nell'area
SELECTION MODE (
2
), indicheranno i parametri
che verranno esclusi dal richiamo. Se invece è attivato il
pulsante RECALL PARAMETER indicheranno i
parametri che verranno richiamati.
Nell'area DCA è presente un pulsante WITH NAME
(CON NOME) che consente di specificare se il nome
del gruppo DCA sarà interessato dalle operazioni di
richiamo.
JSET ALL
Consente di attivare tutti i pulsanti dell'area OTHER
SAFE PARAMETERS (ALTRI PARAMETRI DI
BLOCCO).
KCLEAR ALL
Consente di disattivare tutti i pulsanti dell'area OTHER
SAFE PARAMETERS.
4 5
7
6
8
9
J
K

Funzione SCENE
182 PM5D/PM5D-RH V2/DSP5D – Manuale di istruzioni Sezione riferimenti
Quando si utilizza la funzione Selective Recall, i parametri
contenenti una sola istanza ogni due canali o moduli
adiacenti con numerazione pari/dispari verranno gestiti
come riportato di seguito, se solo uno dei canali o moduli è
impostato su Selective Recall.
• PAIR (ACCOPPIAMENTO)
Questi parametri non verranno richiamati.
• GATE STEREO LINK (COLLEGAMENTO STEREO
GATE)
• COMP STEREO LINK (COLLEGAMENTO STEREO
COMPRESSORE)
• GEQ LINK (COLLEGAMENTO EQ GRAFICO)
Il parametro LINK verrà disattivato, come pure il
collegamento.
• DELAY GANG (GRUPPO DELAY)
• ATT GANG (GRUPPO ATTENUATORE)
Il parametro GANG verrà richiamato. Se GANG è
attivato per il richiamo, l'operazione manterrà la
differenza nei valori del parametro DELAY/ATT che
seguono il richiamo.
• MS DECODE (DECODIFICA MS)
• FIXED/VARI (FISSO/VARIABILE)
Questi parametri non verranno richiamati.
• PAN MODE (MODALITÀ PAN)
Il parametro PAN MODE verrà richiamato. Tuttavia se
la modalità PAN MODE, in seguito al richiamo, da
BALANCE venisse modificata in qualsiasi altra
impostazione, i parametri PAN MODE e PAN non
verrebbero richiamati. Se in seguito al richiamo PAN
MODE è impostato su GANG PAN, la differenza nei
valori del parametro PAN verrà mantenuta per
l'operazione che segue il richiamo.
Nota
• È possibile utilizzare insieme le funzioni Recall Safe e
Selective Recall. I canali o i parametri esclusi dalle
operazioni di richiamo da Recall Safe o Selective Recall (o
da entrambe le funzioni) non verranno richiamati.
• La funzione Selective Recall si utilizza quando una scena
viene richiamata in modalità PREVIEW.
• Al richiamo di una scena, è possibile che un conflitto nelle
impostazioni di accoppiamento tra Recall Safe e Selective
Recall sia causa di differenza delle impostazioni di un
parametro tra i canali di destra e di sinistra. In questi casi, il
parametro verrà collegato al successivo utilizzo.
In questa schermata è possibile specificare i canali/
parametri che verranno esclusi dalle operazioni di
richiamo per tutte le scene.
ASAFE KEY MODE SELECT
(Selezione modalità Blocco tasti)
Se il pulsante HA+CH è attivato, anche la funzione
Recall Safe verrà attivata/disattivata per l'HA (Head
amplifier) assegnato al canale corrispondente quando si
utilizza il tasto [RECALL SAFE] o il pulsante RECALL
SAFE del pannello (schermata CH VIEW della funzione
INPUT VIEW) per attivare/disattivare Recall Safe. Se il
pulsante CH è attivato, non sarà collegato.
BOUTPUT ISOLATION
Se il pulsante ON è attivato, i canali di uscita e i
parametri da escludere dalle operazioni di richiamo
potranno essere archiviati nella memoria SETUP
(non inclusa nelle operazioni di caricamento dalla
scheda di memoria) separatamente rispetto alla
funzione Recall Safe
(
➥
p. 181).
Schermata RECALL SAFE
RECALL SAFE
1 2

PM5D/PM5D-RH V2/DSP5D – Manuale di istruzioni Sezione riferimenti 183
Informazioni visua-
lizzate sul display
Menu Function
(Funzioni)
Funzioni
generali
Funzioni
di output
Funzioni
di input
Appendici
CPulsanti HA SAFE ON/OFF
(Attivazione/disattivazione blocco HA)
Questi pulsanti consentono di selezionare i canali il cui
HA assegnato verrà escluso dalle operazioni di
richiamo.
Nota
Se si utilizza la barra di scorrimento per scorrere verso il
basso, si vedrà che la colonna CH dell'area SAFE
PARAMETERS riporta non solo i canali di ingresso ma anche
le seguenti porte di ingresso.
AD1-AD48 . . . .Jack INPUT1-48
AD1L-AD4R . . .Canali L/R (sinistro/destro) dei jack ST IN 1-4
ExHA1-1–ExHA8-8. . . . .Canali 1-8 degli HA esterni 1-8
(AD8HR o AD824)
DPulsanti CH SAFE ON/OFF
(Attivazione/disattivazione blocco canali)
Questi pulsanti consentono di selezionare i canali che
verranno esclusi dalle operazioni di richiamo. Sono
collegati al tasto [RECALL SAFE] del pannello.
EGriglia matrice parametri
In questa posizione è possibile selezionare i parametri
del canale che saranno esclusi dalle operazioni di
richiamo. Se il pulsante ALL è attivato, tutti i parametri,
eccetto CH to MIX, saranno esclusi.
È possibile utilizzare insieme le funzioni Recall Safe e
Selective Recall. I canali o i parametri esclusi dalle
operazioni di richiamo da Recall Safe o Selective Recall
(o da entrambe le funzioni) non verranno richiamati.
Nota
Le impostazioni nella griglia matrice del parametro vengono
ignorate per i canali con il pulsante CH SAFE ON/OFF
disattivato.
FASSIGN
Quest'area indica il numero di canali assegnati per
ciascun parametro.
GSET ALL
Consentono di attivare i pulsanti di tutti i canali o tutti i
pulsanti del parametro corrispondente.
HCLEAR ALL
Consentono di disattivare i pulsanti di tutti i canali o
tutti i pulsanti del parametro corrispondente.
ISELECTIVE RECALL PARAMETERS PASTE
(OPERAZ. INCOLLA PARAMETRI RICHIAMO
SELETTIVO)
Questo pulsante consente di copiare le impostazioni dei
parametri dalla schermata SELECTIVE RECALL e di
incollarle nella schermata RECALL SAFE. Quando si fa
clic su questo pulsante viene visualizzato un messaggio
con la richiesta di conferma.
JOTHER SAFE PARAMETERS
Questi pulsanti consentono di escludere dalle
operazioni di richiamo i parametri diversi da quelli
precedentemente descritti.
Nell'area DCA è presente un pulsante WITH NAME
(CON NOME) Se questo pulsante è attivato, la
funzione Recall Safe verrà applicata al nome del gruppo
DCA incluso nei gruppi DCA attivati. Se il pulsante
WITH NAME è disattivato, il nome del gruppo DCA
verrà escluso dalla funzione Recall Safe.
KSET ALL
Consente di attivare tutti i pulsanti dell'area OTHER
SAFE PARAMETERS.
LCLEAR ALL
Consente di disattivare tutti i pulsanti dell'area OTHER
SAFE PARAMETERS.
3 4 5
7
6
8
J
K
9
L

Funzione SCENE
184 PM5D/PM5D-RH V2/DSP5D – Manuale di istruzioni Sezione riferimenti
Quando si utilizza la funzione Recall Safe, i parametri
contenenti una sola istanza ogni due canali o moduli
adiacenti con numerazione pari/dispari verranno gestiti
come riportato di seguito, se solo uno dei canali o moduli è
impostato su Recall Safe.
• PAIR
L'impostazione verrà disattivata, come pure
l'accoppiamento.
• GATE STEREO LINK
• COMP STEREO LINK
• GEQ LINK
Il parametro LINK verrà disattivato, come pure il
collegamento.
• DELAY GANG
• ATT GANG
Il parametro GANG verrà richiamato. Se GANG è
attivato per il richiamo, l'operazione manterrà la
differenza nei valori del parametro DELAY/ATT che
seguono il richiamo.
• MS DECODE
• FIXED/VARI
Questi parametri non verranno richiamati.
• PAN MODE
Il parametro PAN MODE verrà richiamato. Tuttavia se
la modalità PAN MODE, in seguito al richiamo, da
BALANCE venisse modificata in qualsiasi altra
impostazione, i parametri PAN MODE e PAN non
verrebbero richiamati. Se in seguito al richiamo PAN
MODE è impostato su GANG PAN, la differenza nei
valori del parametro PAN verrà mantenuta per
l'operazione che segue il richiamo.
Suggerimento
• La funzione Selective Recall si utilizza quando una scena
viene richiamata in modalità PREVIEW.
• Al richiamo di una scena, è possibile che un conflitto nelle
impostazioni di accoppiamento tra Recall Safe e Selective
Recall sia causa di differenza delle impostazioni di un
parametro tra i canali di destra e di sinistra. In questi casi, il
parametro verrà collegato al successivo utilizzo.
In questa schermata è possibile specificare il modo in cui
fader e pan passeranno ai nuovi valori, nell'intervallo di
tempo specificato, quando viene richiamata una scena.
AFADING ENABLE/DISABLE
(ATTIVA/DISATTIVA FADE)
Consente di attivare/disattivare la funzione Fade per i
livelli del fader.
Nota
• Le impostazioni della schermata FADE TIME sono
indipendenti per ciascuna scena. Se vengono modificate,
sarà necessario memorizzare la scena per rendere effettive
le modifiche.
• La funzione Fade verrà applicata quando si richiama una
scena per la quale è selezionato il pulsante ENABLE.
BINPUT CH PANNING ENABLE/DISABLE
(Attivazione/disattivazione pan canale
di ingresso)
Se è selezionato il pulsante ENABLE, la funzione Fade
verrà applicata anche al parametro PAN (BALANCE)
dei canali di ingresso. Questo pulsante è indipendente
dall'impostazione FADING ENABLE/DISABLE (
1
).
Utilizzare i due pulsanti seguenti per selezionare i canali
di ingresso ai quali verrà applicata l'impostazione.
• Quando il pulsante ALL INPUT (TUTTI GLI
INGRESSI) è attivato
La funzione Fade verrà applicata ai parametri PAN
(BALANCE) di tutti i canali di ingresso.
• Quando il pulsante SAME AS FADING
(COME FADE) è attivato
La funzione Fade verrà applicata al parametro PAN
(BALANCE) solo dei canali di ingresso selezionati al
punto
4
.
CFADE TIME/START OFFSET
(OFFSET DURATA/AVVIO FADE)
Utilizzare i seguenti due pulsanti per selezionare i
parametri che è possibile visualizzare/modificare nella
schermata FADE TIME. L'indicazione sulla destra
mostra i pulsanti correntemente selezionati.
• Quando il pulsante FADE TIME è attivato
Modificare il tempo necessario (durata del fade) perché
il parametro del fader o pan del canale corrispondente
raggiunga il nuovo valore quando si richiama una scena
per la quale è attivata la funzione Fade.
Schermata FADE TIME (DURATA FADE)
FADE TIME
1 2 3

PM5D/PM5D-RH V2/DSP5D – Manuale di istruzioni Sezione riferimenti 185
Informazioni visua-
lizzate sul display
Menu Function
(Funzioni)
Funzioni
generali
Funzioni
di output
Funzioni
di input
Appendici
• Quando il pulsante START OFFSET è attivato
Modificare il periodo di tempo (tempo di offset
dell'avvio) al termine della quale il parametro del fader
o pan del canale corrispondente inizierà a cambiare
quando si richiama una scena per la quale è attivata la
funzione Fade.
DImpostazioni dei canali
In quest'area è possibile attivare/disattivare la funzione
Fade e specificare la relativa durata (o tempo di offset
dell'avvio) per ciascun canale di ingresso/uscita.
Utilizzare i pulsanti dei nomi dei canali per attivare/
disattivare la funzione Fade. La casella sotto ciascun
pulsante consente di specificare la durata di fade o il
tempi di offset dell'avvio. Spostare il cursore su una
casella e ruotare l'encoder [DATA] o fare clic sui
pulsanti / di sinistra e di destra per modificare il
valore.
Il colore del valore numerico visualizzato nella casella
cambierà come segue.
• Quando il pulsante FADE TIME è attivato
Il valore viene visualizzato in bianco per i canali il cui
tempo di offset dell'avvio è "----" (non impostato) e in
azzurro per i canali impostati su 0.1 o valore superiore.
• Quando il pulsante START OFFSET è attivato
Il valore viene visualizzato in rosso per i canali il cui
tempo di offset dell'avvio è "----" (non impostato) e in
giallo per i canali impostati su 0.1 o valore superiore.
Se si desidera, è possibile copiare il valore della durata
di fade e del tempo di offset da un canale a un altro nel
modo seguente. Spostare il cursore sulla casella in cui
viene visualizzato il valore che si desidera copiare,
tenere premuto il tasto [SHIFT] e premere il tasto
[ENTER] per accedere alla finestra JOB SELECT
(SELEZIONE PROCESSO).
In questa finestra, selezionare l'elemento di
destinazione della copia e fare clic sul pulsante OK; il
valore del canale selezionato verrà copiato.
ESET ALL
Questo pulsante attiva la funzione Fade per tutti i canali
di ingresso o di uscita.
FCLEAR ALL
Questo pulsante disattiva la funzione Fade per tutti i
canali di ingresso o di uscita.
4 65

Funzione SCENE
186 PM5D/PM5D-RH V2/DSP5D – Manuale di istruzioni Sezione riferimenti
In questa schermata è possibile configurare le impostazioni
per la funzione Tracking Recall che consente di aggiungere
un valore di offset specificato al valore di ciascun fader
quando si richiama una scena.
ATRACKING RECALL ENABLE/DISABILE
(ATTIVAZIONE/DISATTIVAZIONE
RICHIAMO TRACCIA)
Consente di attivare/disattivare la funzione Tracking
Recall.
Suggerimento
Le impostazioni della schermata TRACKING RECALL
vengono applicate a tutte le scene.
BDISPLAY SELECT (SELEZIONE DISPLAY)
Questi pulsanti consentono di selezionare il tipo di
canali visualizzati nella schermata TRACKING
RECALL: INPUT (canali di ingresso) o OUTPUT
(canali di uscita).
CSET ALL
Questo pulsante consente di attivare la funzione
Tracking Recall per tutti i canali (inclusi quelli non
visualizzati nella schermata).
DCLEAR ALL
Questo pulsante consente di disattivare la funzione
Tracking Recall per tutti i canali (inclusi quelli non
visualizzati nella schermata).
EOFFSET LOCK (BLOCCO OFFSET)
Se questo pulsante è attivato, gli slider di tutti i canali
(compresi quelli non visualizzati nella schermata)
diventeranno grigi e risulterà impossibile modificare il
valore di offset.
FON (Traccia attivata)
Questi pulsanti consentono di attivare/disattivare la
traccia per ciascun canale. Se il pulsante TRACKING
RECALL ENABLE/DISABLE è impostato su ENABLE,
la traccia verrà attivata sui canali per i quali questo
pulsante è ON.
Nota
Se OFFSET LOCK (
5
) è disattivato, l'attivazione di questo
pulsante reimposterà l'offset della traccia del canale
corrispondente su 0 dB. Se in questo stato viene utilizzato il
fader del canale corrispondente, la quantità relativa di
movimento del fader dal punto in cui il pulsante era stato
attivato verrà memorizzata come offset della traccia. A questo
punto sarà possibile attivare OFFSET LOCK per bloccare
l'offset. Tale valore di offset sarà aggiunto ad ogni successivo
richiamo di scena.
GOffset della traccia
In quest'area è possibile specificare il valore di offset
applicato a ciascun canale se la traccia è attivata.
L'intervallo è ±15 dB. Quando OFFSET LOCK (
5
) è
disattivato, l'utilizzo dei fader del pannello causerà la
modifica dei valori, tuttavia, la regolazione dei valori di
offset della schermata impedirà lo spostamento dei
fader del pannello.
Schermata TRACKING RECALL
(RICHIAMO TRACCIA)
TRACKING RECALL
34
21 5
7
6

PM5D/PM5D-RH V2/DSP5D – Manuale di istruzioni Sezione riferimenti 187
Informazioni visua-
lizzate sul display
Menu Function
(Funzioni)
Funzioni
generali
Funzioni
di output
Funzioni
di input
Appendici
In questa schermata è possibile copiare le impostazioni dei
parametri di qualsiasi canale o del parametro della scena
corrente e quindi incollarle in una o più scene nella relativa
memoria.
APASTE MODE
Selezionare il tipo di parametro di origine della copia
tra queste opzioni. Non è possibile selezionare più di un
tipo contemporaneamente.
INPUT . . . . . . Parametri canale di ingresso
OUTPUT . . . . Parametri canale di uscita
DCA, GEQ, EFFECT . . . . Livello DCA o stato di
attivazione/disattivazione
esclusione, impostazioni
GEQ, impostazioni effetti
interni
BCURRENT SCENE (SCENA CORRENTE)
In quest'area è possibile selezionare i canali e i
parametri che verranno copiati dalla scena
correntemente selezionata. Il contenuto visualizzato in
quest'area dipenderà dalla modalità prescelta per
l'operazione Incolla (
1
).
• Se Paste Mode= INPUT
Selezionare i canali di ingresso nell'area di sinistra e
selezionare i parametri nell'area di destra. È possibile
selezionare i seguenti parametri.
• Se Paste Mode= OUTPUT
Selezionare i canali di uscita nell'area di sinistra e
selezionare i parametri nell'area di destra. È possibile
selezionare i seguenti parametri.
Nota
• Se Paste Mode= INPUT e il parametro da incollare è NAME,
la libreria dei nomi collegata alla scena selezionata verrà
automaticamente cercata e incollata.
• Si noti che se altre scene sono collegate a questa libreria,
l'operazione Incolla sovrascriverà la libreria con possibili
conseguenze su altre scene.
Schermata GLOBAL PASTE
(INCOLLA IMPOSTAZIONI GLOBALI)
GLOBAL PASTE
1
2
ALL Tutti i parametri tranne HA, PATCH e NAME
ATT Attenuatore
EQ Impostazioni della funzione EQ
GATE Impostazioni della funzione GATE
COMP Impostazioni della funzione COMP
DELAY Impostazioni della funzione DELAY
FADER Livello fader
ON Stato di attivazione/disattivazione del tasto
CH [ON]
PAN/BAL Impostazioni pan/bilanciamento
INSERT Stato di attivazione/disattivazione
dell'inserimento e punto di inserimento
SEND*1
*1. Se il pulsante SEND (MANDATA) è attivato, utilizzare i
pulsanti MIX (1–24) per selezionare il bus MIX
applicabile. Se quest'ultimo è accoppiato, SEND PAN
verrà incluso in PAN/BAL purché sia attivato il pulsante
"VARI" dell'area FOLLOW PAN oppure in SEND se è
invece disattivato.
Livello di mandata al/ai bus MIX desiderato/i
DCA Gruppo DCA associato
MUTE Gruppo di esclusione associato
LCR Impostazioni schermata LCR
HA (Head
amplifier)
Impostazioni relative all'head amplifier
assegnato al canale di ingresso
corrispondente
PATCH Impostazioni relative all'assegnazione
dell'input al canale di ingresso
corrispondente
NAME Nome assegnato al canale di ingresso
corrispondente
EQ Impostazioni della funzione EQ
COMP Impostazioni della funzione COMP
DELAY Impostazioni della funzione DELAY
FADER Livello fader
ON Stato di attivazione/disattivazione del tasto
CH [ON]
BAL Impostazioni di bilanciamento
INSERT Stato di attivazione/disattivazione
dell'inserimento e punto di inserimento
TO MTRX*1
*1. Se il pulsante TO MTRX è attivato, utilizzare i pulsanti
MATRIX (1–8) per selezionare i bus MATRIX applicabili.
Livello di mandata al/ai bus MATRIX
desiderato/i
DCA Gruppo DCA associato
MUTE Gruppo di esclusione associato
LCR Impostazioni schermata LCR
WITHOUT
MIX SEND/
WITH MIX
SEND
Consente di scegliere se il livello di mandata
inviato dai canali di ingresso al bus MIX
selezionato verrà incluso (WITH...) o escluso
(WITHOUT...) nei dati incollati.

Funzione MIDI REMOTE
188 PM5D/PM5D-RH V2/DSP5D – Manuale di istruzioni Sezione riferimenti
CDESTINATION SCENE (Scena di
destinazione dell'operazione Incolla)
In questo elenco è possibile selezionare le scene in cui
verranno incollati i dati. Se si desidera selezionare più
scene consecutive come destinazione dell'operazione
Incolla, selezionare il numero iniziale nell'elenco
superiore e quello finale nell'elenco inferiore (se viene
incollata una sola scena, selezionare la stessa scena negli
elenchi inferiore e superiore).
È possibile modificare l'ordine di disposizione
dell'elenco facendo clic sui pulsanti visualizzati al di
sopra delle colonne: numero di scena, SCENE TITLE,
TIME STAMP o COMMENT.
DPASTE
Questo pulsante consente di eseguire la funzione Global
Paste. Quando si fa clic su questo pulsante viene
visualizzato un messaggio con la richiesta di conferma.
Nel caso di parametri come quelli elencati di seguito
(uno solo per ogni due canali o moduli adiacenti con
numerazione pari/dispari), il parametro verrà incollato
solo se sono specificati sia i canali che i moduli per
l'operazione Incolla.
• GATE STEREO LINK
• COMP STEREO LINK
• DELAY GANG
• PAN MODE
• GEQ LINK
• ATT GANG
• MS DECODE
• FIXED/VARI
Nota
• L'operazione Incolla è valida anche in modalità PREVIEW.
• Quando si esegue l'operazione Incolla in una scena, è
possibile che un conflitto nelle impostazioni di
accoppiamento sia causa di differenza delle impostazioni di
un parametro tra i canali di destra e di sinistra. In questi casi,
il parametro verrà richiamato con quelle impostazioni e
collegato al successivo utilizzo.
Funzione MIDI REMOTE
Nota
Le diverse schermate della funzione MIDI REMOTE, eccetto
DME CONTROL, non sono valide se è selezionata l'unità
DSP5D.
In questa schermata è possibile selezionare i tipi di
messaggi MIDI trasmessi e ricevuti dall'unità PM5D
nonché scegliere la porta MIDI che sarà utilizzata.
AMODE
Consente di selezionare la modalità di trasmissione/
ricezione di program change e control change.
• PROGRAM CHANGE MODE (MODALITÀ
PROGRAM CHANGE)
In quest'area è possibile selezionare il metodo di
trasmissione/ricezione di program change.
SINGLE (SINGOLA)
Se questo pulsante è attivato, i program change
verranno trasmessi e ricevuti su un singolo canale
MIDI (modalità Single).
OMNI ON/OFF (ATT./DISATT. OMNI)
Se questo pulsante è attivato, i program change di
tutti i canali MIDI verranno ricevuti in modalità
Single (non disponibile in modalità Multi).
34
Schermata MIDI SETUP
MIDI SETUP
1 2 3 4

PM5D/PM5D-RH V2/DSP5D – Manuale di istruzioni Sezione riferimenti 189
Informazioni visua-
lizzate sul display
Menu Function
(Funzioni)
Funzioni
generali
Funzioni
di output
Funzioni
di input
Appendici
BANK ON/OFF (ATT./DISATT. BANCO)
Se questo pulsante è attivato, i messaggi di selezione
banco verranno trasmessi e ricevuti in modalità
Single (non disponibile in modalità Multi).
MULTI
Se questo pulsante è attivato, i program change
vengono trasmessi e ricevuti su più canali MIDI
(modalità Multi).
Suggerimento
• Se la ricezione di program change è attivata, le scene o gli
effetti dell'unità PM5D cambieranno in seguito alla ricezione
del program change appropriato da un dispositivo esterno.
Inoltre, se la trasmissione è attivata, i program change
verranno trasmessi a un dispositivo esterno al cambio scene
o effetti sull'unità PM5D.
• L'assegnazione di scena/effetto per ciascun numero di
program change viene eseguita nella schermata MIDI PGM
CHANGE (PROGRAM CHANGE MIDI) (
➥
p. 190).
• CONTROL CHANGE MODE
(MODALITÀ CONTROL CHANGE)
In quest'area è possibile selezionare il metodo di
trasmissione/ricezione di control change.
NRPN
Se il pulsante è attivato, i parametri di missaggio
dell'unità PM5D verranno trasmessi/ricevuti come
messaggi NRPN.
TABLE [SINGLE] (TABELLA [SINGLE])
Se questo pulsante è attivato, i parametri di missaggio
della console PM5D verranno trasmessi e ricevuti
come messaggi control change su un solo canale
MIDI.
TABLE [MULTI] (TABELLA [MULTI])
Se questo pulsante è attivato, i parametri di missaggio
della console PM5D verranno trasmessi e ricevuti
come messaggi control change su più canali MIDI.
Suggerimento
• Se la ricezione di control change è attivata, i parametri
dell'unità PM5D cambieranno in seguito alla ricezione del
control change appropriato da un dispositivo esterno. Se la
trasmissione è attivata, un control change verrà trasmesso a
un dispositivo esterno quando si modifica un parametro
sull'unità PM5D.
• Se NRPN è selezionata come modalità di control change,
l'assegnazione di parametri a NRPN sarà predefinita e non
modificabile.
• Se come modalità di control change viene selezionata
TABLE [SINGLE] o TABLE [MULTI], l'assegnazione dei
parametri per ciascun numero di controllo potrà essere
modificata nella schermata MIDI CTRL CHANGE
(
➥
p. 191).
BTx (Trasmissione MIDI)
In quest'area è possibile configurare diverse
impostazioni per la trasmissione di messaggi MIDI.
• MIDI PORT Tx (Porta di trasmissione MIDI)
Selezionare la porta a cui l'unità PM5D trasmetterà
messaggi MIDI. È possibile selezionare le seguenti
impostazioni:
MIDI . . . . . . . Connettore MIDI IN del pannello
posteriore
USB . . . . . . . . Connettore USB del pannello
posteriore
SLOT 1–4 . . . Scheda che supporta la trasmissione
seriale e viene installata negli slot del
pannello posteriore 1–4
Spostare il cursore su questa casella e ruotare l'encoder
[DATA] oppure fare clic sui pulsanti / di destra e
di sinistra per modificare l'impostazione, quindi
premere il tasto [ENTER] per finalizzare la modifica.
Se si seleziona USB o SLOT 1–4, sarà necessario
specificare il numero di porta (1–8) nel campo di destra
(a seconda della scheda installata è possibile che alcuni
slot presentino un'unica porta).
• SINGLE MODE MIDI CH Tx (Canale di
trasmissione MIDI per la modalità Single)
Selezionare il canale MIDI su cui l'unità PM5D
trasmetterà program change, control change, parameter
change e dati bulk (questa impostazione è valida solo in
modalità Single). Spostare il cursore su questa casella e
ruotare l'encoder [DATA] oppure fare clic sui pulsanti
/ di destra e di sinistra per modificare
l'impostazione, quindi premere il tasto [ENTER] per
finalizzare la modifica.
• PROGRAM CHANGE Tx
(Trasmissione di program change)
• CONTROL CHANGE Tx
(Trasmissione di control change)
• PARAMETER CHANGE Tx
(Trasmissione di parameter change)
Questi pulsanti consentono di attivare/disattivare la
trasmissione rispettivamente per program change,
control change e parameter change.
Suggerimento
I parameter change rappresentano il metodo di trasmissione
dei parametri dell'unità PM5D sotto forma di messaggi System
exclusive (esclusivi di sistema).
• MIDI THRU Tx (Uscita Thru)
Selezionare la porta di emissione dell'input di messaggi
a MIDI THRU Rx. Il metodo di selezione è uguale a
quello di MIDI PORT Tx.
CRx (Ricezione MIDI)
In quest'area è possibile configurare diverse
impostazioni per la ricezione di messaggi MIDI.
• MIDI PORT Rx (Porta di ricezione MIDI)
Selezionare la porta da cui l'unità PM5D riceverà
messaggi MIDI.
• SINGLE MODE MIDI CH Rx
(Canale di ricezione MIDI per la modalità Single)
Selezionare il canale MIDI su cui l'unità PM5D riceverà
program change, control change, parameter change e
dati bulk (questa impostazione è valida solo in modalità
Single).
• PROGRAM CHANGE Rx
(Ricezione di program change)
• CONTROL CHANGE Rx
(Ricezione di control change)
• PARAMETER CHANGE Rx
(Ricezione di parameter change)
Questi pulsanti consentono di attivare/disattivare la
trasmissione rispettivamente per program change,
control change e parameter change.
• MIDI THRU Rx (Ingresso Thru)
In quest'area è possibile selezionare la porta di "ingresso
thru" per la ricezione di messaggi MIDI.
DECHO (Uscita eco messaggi MIDI)
In quest'area è possibile selezionare se program change,
control change, parameter change e altri messaggi
MIDI ricevuti verranno emessi con effetto eco dalla
porta di trasmissione MIDI.

Funzione MIDI REMOTE
190 PM5D/PM5D-RH V2/DSP5D – Manuale di istruzioni Sezione riferimenti
EMMC OUTPUT PORT
(PORTA USCITA MMC)
Consente di selezionare la porta che trasmetterà MMC
(MIDI Machine Control).
FMIDI REMOTE OUTPUT PORT
(Porta uscita remota MIDI)
In quest'area è possibile selezionare la porta da cui
verranno trasmessi i messaggi MIDI dalla funzione
MIDI Remote, per ciascuno dei quattro banchi. Anche
la ricezione dei messaggi di ingresso utilizzati dalla
funzione LEARN (APPRENDIMENTO) della
schermata MIDI REMOTE avviene su questa porta.
GPM5D EDITOR
(Porta di connessione PM5D EDITOR)
In quest'area è possibile selezionare la porta e l'ID (1–8)
utilizzato per comunicare con l'applicazione PM5D
Editor che consente il controllo dell'unità PM5D da un
computer.
In questa schermata è possibile selezionare la libreria scene
o effetti assegnata a ciascun numero di programma MIDI.
AMIDI SETUP
Consente di selezionare le porte che l'unità PM5D
utilizzerà per trasmettere e ricevere messaggi MIDI e i
canali MIDI. Questo elemento è collegato alle
impostazioni della schermata MIDI SETUP.
BPROGRAM CHANGE SETUP
(CONFIGURAZIONE PROGRAM CHANGE)
In quest'area è possibile specificare il modo in cui i
program change verranno trasmessi e ricevuti e come
attivare/disattivare ricezione e trasmissione Questo
elemento è collegato alle impostazioni della schermata
MIDI SETUP.
CECHO ON/OFF
(ATTIVAZIONE/DISATTIVAZIONE ECO)
Consente di scegliere se i program change ricevuti da
un dispositivo esterno vadano emessi con effetto eco
dalla porta di trasmissione MIDI. Questo elemento è
collegato alle impostazioni della schermata MIDI
SETUP.
5
6
7
Schermata MIDI PGM CHANGE
(Program change MIDI)
MIDI PGM CHANGE
1
2
3

PM5D/PM5D-RH V2/DSP5D – Manuale di istruzioni Sezione riferimenti 191
Informazioni visua-
lizzate sul display
Menu Function
(Funzioni)
Funzioni
generali
Funzioni
di output
Funzioni
di input
Appendici
DList
In questo elenco è possibile visualizzare e selezionare
l'evento (richiamo scena/richiamo libreria effetti)
assegnato a ciascun numero di programma.
• CH/BANK (Canale/banco)
Indica il canale MIDI su cui il program change viene
trasmesso/ricevuto. In modalità Single quando il
pulsante BANK ON/OFF è attivato, la colonna viene
visualizzata come BANK e il valore indicato
corrisponde al numero di banco.
• PGM No. (numero programma)
Indica il numero di programma da 1 a 128.
• LIBRARY NAME (NOME LIBRERIA)
In questa colonna è possibile visualizzare/selezionare il
tipo e il numero dell'evento (scena o effetto) assegnato
a ciascun numero di canale/programma.
Per eseguire un'assegnazione fare clic sulla riga
desiderata per selezionarla (la riga verrà evidenziata al
centro dell'elenco). Fare clic sul pulsante a sinistra
del campo LIBRARY NAME; verrà visualizzata la
finestra MIDI PGM CHANGE SETUP
(CONFIGURAZIONE PROGRAM CHANGE MIDI).
In questa finestra è possibile selezionare il tipo di
evento (elemento della scena o della libreria per gli
effetti 1–8) e il relativo numero.
Quando si riceve un messaggio program change sul
canale MIDI corrispondente, verrà richiamato l'evento
assegnato a quel numero di programma. Inoltre, verrà
trasmesso il program change corrispondente quando
l'evento viene richiamato sull'unità PM5D.
EPRESET
Questo pulsante consente di ripristinare tutte le
assegnazioni degli eventi presenti nell'elenco al relativo
stato di default.
FCLEAR ALL
Questo pulsante consente di eliminare tutte le
assegnazioni degli eventi presenti nell'elenco.
In questa schermata è possibile selezionare il parametro
dell'unità PM5D (operazioni con fader, tasti [ON] e così
via) assegnato a ciascun numero di controllo.
AMIDI SETUP
Consente di selezionare le porte che l'unità PM5D
utilizzerà per trasmettere e ricevere messaggi MIDI e i
canali MIDI. Questo elemento è collegato alle
impostazioni della schermata MIDI SETUP.
BCONTROL CHANGE SETUP
(CONFIGURAZIONE CONTROL CHANGE)
In quest'area è possibile specificare il modo in cui i
control change verranno trasmessi e ricevuti e come
attivare/disattivare ricezione e trasmissione. Questo
elemento è collegato alle impostazioni della schermata
MIDI SETUP. È possibile scegliere tra i metodi di
trasmissione/ricezione riportati di seguito.
• NRPN
Se il pulsante è attivato, i parametri di missaggio
dell'unità PM5D verranno trasmessi/ricevuti come
messaggi NRPN.
• TABLE [SINGLE]
Se questo pulsante è attivato, i parametri di missaggio
dell'unità PM5D verranno trasmessi/ricevuti come
messaggi control change su un singolo canale MIDI in
base alle assegnazioni dell'elenco (
4
).
564
Schermata MIDI CTRL CHANGE
(Control change MIDI)
MIDI CTRL CHANGE
1
2
3

Funzione MIDI REMOTE
192 PM5D/PM5D-RH V2/DSP5D – Manuale di istruzioni Sezione riferimenti
• TABLE [MULTI]
Se questo pulsante è attivato, i parametri di missaggio
dell'unità PM5D verranno trasmessi/ricevuti come
messaggi control change su più canali MIDI in base alle
assegnazioni dell'elenco (
4
).
CECHO ON/OFF
Consente di scegliere se i control change ricevuti da un
dispositivo esterno vadano emessi con effetto eco dalla
porta di trasmissione MIDI. Questo elemento è
collegato alle impostazioni della schermata MIDI
SETUP.
DList
In questo elenco è possibile visualizzare/selezionare gli
eventi assegnati a ciascun numero di controllo.
• CH (Canale)
Indica il canale MIDI su cui il control change viene
trasmesso/ricevuto.
• CTRL No. (Numero di controllo)
Indica i numeri di controllo 0–119. Non è possibile
utilizzare i numeri 0, 32 e 96–110.
• CTRL CHANGE EVENT (Evento control change)
Indica o consente di selezionare il tipo di evento
assegnato al canale/ numero di controllo
corrispondente.
Per eseguire un'assegnazione, fare clic sulla riga
desiderata (evidenziata al centro dell'elenco); quindi sul
pulsante a sinistra del campo CTRL CHANGE
EVENT per aprire la finestra MIDI CTRL CHANGE
SETUP. In questa finestra è possibile specificare il
parametro in tre livelli (modalità, parametri 1/2).
Quando si riceve un messaggio control change sul
canale MIDI corrispondente, verrà modificato l'evento
assegnato a quel numero di controllo. Inoltre, verrà
trasmesso il control change corrispondente quando
l'evento viene modificato sull'unità PM5D.
Nota
Se la modalità control change è impostata su NRPN, l'elenco
sarà ignorato.
EPRESET
Questo pulsante consente di ripristinare tutte le
assegnazioni degli eventi presenti nell'elenco al relativo
stato di default.
FCLEAR ALL
Questo pulsante consente di eliminare tutte le
assegnazioni degli eventi presenti nell'elenco.
In questa schermata è possibile assegnare messaggi MIDI a
fader del pannello, tasti CH [ON], encoder e tasti
ENCODER [ON] nonché configurare impostazioni per la
funzione MIDI Remote utilizzata per controllare i
dispositivi esterni.
ATRANSMIT ENABLE/DISABLE
(Attivazione/disattivazione trasmissione)
Consente di attivare/disattivare la funzione MIDI
Remote. È possibile attivare/disattivare questa funzione
per ciascuno dei quattro banchi (memorie in cui sono
archiviate le impostazioni MIDI Remote).
BASSIGN TO CH STRIP SECTION
(Assegnazione a channel strip)
È possibile scegliere le due seguenti channel strip a cui è
assegnata la funzione MIDI Remote (entrambe possono
essere selezionate simultaneamente se si desidera).
INPUT CH . . . . . . . Channel strip INPUT 1–24
STIN/FXRTN . . . . . Channel strip FT IN/
FX RTN 1–4
Questa impostazione si applica a tutti e quattro i
banchi.
CSelezione del canale
Consente di selezionare il canale MIDI Remote per il
quale si desidera configurare le impostazioni. Quando
si fa clic sui pulsanti / a destra e a sinistra della
casella, il nome corrispondente viene visualizzato sulla
destra della casella. È possibile modificare il nome
facendo clic sul pulsante della casella di destra.
Nota
Non è possibile cambiare il canale MIDI Remote che si sta
modificando mentre i pulsanti LEARN (
7
) sono attivi. È
innanzitutto necessario disattivare il pulsante LEARN.
4
5 6
Schermata MIDI REMOTE
MIDI REMOTE
1 2
3

PM5D/PM5D-RH V2/DSP5D – Manuale di istruzioni Sezione riferimenti 193
Informazioni visua-
lizzate sul display
Menu Function
(Funzioni)
Funzioni
generali
Funzioni
di output
Funzioni
di input
Appendici
DBANK SELECT (SELEZIONE BANCO)
Selezionare tra i quattro banchi quello di cui si desidera
configurare le impostazioni. Quando si utilizzano i
pulsanti A–D per selezionare un banco, il nome di quel
banco verrà visualizzato nel campo immediatamente
sopra. È possibile fare clic sul pulsante di sinistra per
modificare il nome del banco.
ECLEAR BANK (CANCELLA BANCO)
Questo pulsante consente di cancellare il banco
correntemente selezionato (tutti i messaggi MIDI
verranno eliminati).
FMessaggio MIDI
A partire dall'alto, questi campi assegnano messaggi
MIDI ai tasti ENCODER [ON], CH [ON] e ai fader.
Fare clic su per aprire la finestra MIDI REMOTE
SETUP e immettere il messaggio inserendo valori
esadecimali. È possibile immettere i seguenti valori.
Suggerimento
Quando si fa clic su un valore esadecimale, l'area interpretata
come messaggio MIDI che contiene quel valore verrà
visualizzata in rosso.
GLEARN
Utilizzare questo pulsante per assegnare un messaggio
MIDI ricevuto a un controller. Quando si attiva uno dei
quattro pulsanti LEARN, i messaggi MIDI ricevuti
dall'unità PM5D verranno assegnati al controller
corrispondente. La funzione LEARN utilizza i messaggi
MIDI ricevuti sulla porta di ingresso specificata da
MIDI REMOTE OUTPUT PORT nella schermata
MIDI SETUP.
Suggerimento
• La lunghezza dei messaggi MIDI assegnati utilizzando il
pulsante LEARN non può superare i 16 byte (il 17˚ byte e i
byte successivi vengono scartati). Se la lunghezza del
messaggio è inferiore ai 16 byte, END verrà posizionato
immediatamente dopo l'ultimo valore dati.
• In caso di ricezione di un control change, il terzo byte verrà
automaticamente sostituito da FAD (se la destinazione
dell'assegnazione è FADER), ENC (se la destinazione
dell'assegnazione è ENCODER) o SW (se la destinazione
dell'assegnazione è ENCODER ON o CH ON).
• Se si ricevono più messaggi mentre il pulsante LEARN è
attivo, verrà utilizzato l'ultimo messaggio (se nell'ultimo
messaggio è stato omesso il byte di stato, ne verrà aggiunto
uno appropriato).
HLATCH (BLOCCO)
Se un byte specifico è impostato su "SW" in un
messaggio assegnato a un tasto ENCODER [ON] o CH
[ON], utilizzare il pulsante LATCH per selezionare uno
dei seguenti comportamenti.
• Se il pulsante LATCH è attivato
Lo stato di attivazione/disattivazione cambierà ogni
volta che si preme il tasto (bloccato). Se si preme il tasto
dallo stato Off, verrà trasmesso un messaggio MIDI con
valore SW pari a 7F(H), mentre se si preme lo stesso
tasto ancora una volta verrà trasmesso un messaggio
MIDI con valore SW pari a 00(H).
• Se il pulsante LATCH è disattivato
Lo switch risulterà attivo solo quando lo si tiene
premuto e verrà disattivato quando lo si rilascia
(sbloccato). Subito dopo aver premuto il tasto, verrà
trasmesso un messaggio MIDI con valore SW pari a
7F(H), mentre immediatamente dopo il rilascio verrà
trasmesso un messaggio MIDI con valore SW pari a
00(H).
Se un byte specifico è impostato su "ENC" (o "FAD") in
un messaggio assegnato a un tasto ENCODER [ON] o
CH [ON], utilizzare il pulsante LATCH per selezionare
uno dei seguenti comportamenti.
• Se il pulsante LATCH è attivato
Se si preme il tasto dallo stato Off, verrà trasmesso un
messaggio MIDI con valore ENC (o FAD) come
impostazione corrente dell'encoder (o del fader), e se si
preme lo stesso tasto ancora una volta verrà trasmesso
un messaggio MIDI con valore 00(H) come valore ENC
(o FAD).
• Se il pulsante LATCH è disattivato
Nel momento in cui si preme il tasto, verrà trasmesso
un messaggio MIDI con valore ENC (o FAD) come
impostazione corrente dell'encoder (o del fader), e
quando lo si rilascia verrà trasmesso un messaggio
MIDI con valore 00(H) come valore ENC (o FAD).
Nota
Se SW/ENC/FAD non è specificato come ultimo byte del
messaggio MIDI, attivando/disattivando il tasto verrà
trasmesso lo stesso messaggio MIDI, ovvero il messaggio
trasmesso rimane invariato quando il tasto è disattivato.
Valore Assegnazioni
disponibili Contenuto
00(H)–
FF(H) Tutti Messaggio MIDI trasmesso
(esadecimale).
END Tutti
Indica la fine del messaggio
MIDI. Quando si utilizza il
controller corrispondente, verrà
trasmesso il messaggio MIDI
dall'inizio fino a immediatamente
prima di END.
SW Tutti
Indica lo stato di attivazione o
disattivazione del tasto
ENCODER [ON] o del tasto CH
[ON]. Quando il tasto è attivato
viene trasmesso il valore 7F(H)
mentre quando è disattivato il
valore trasmesso è 00(H). Se è
assegnato a un ENCODER o a
un FADER, il valore corrente del
tasto verrà trasmesso quando si
utilizzano l'encoder o il fader.
ENC ENCODER
ON/
ENCODER
Indica la posizione corrente
dell'encoder. Se il messaggio è
assegnato a un ENCODER,
quando si utilizza l'encoder verrà
trasmesso un valore pari a 00–
7F(H). Se è assegnato a un
tasto ENCODER [ON], il valore
corrente dell'encoder verrà
trasmesso quando il tasto è
attivato.
FAD CH ON/
FADER
Indica la posizione corrente del
fader. Se il messaggio è
assegnato a un FADER, quando
si utilizza il fader verrà trasmesso
un valore pari a 00–7F(H). Se è
assegnato a un tasto CH [ON], il
valore corrente del fader verrà
trasmesso quando il tasto è
attivato.
45
8
6 7

Funzione MIDI REMOTE
194 PM5D/PM5D-RH V2/DSP5D – Manuale di istruzioni Sezione riferimenti
In questa schermata è possibile configurare impostazioni
per l'input/output di GPI (General Purpose Interface),
utilizzato per trasferire segnali di controllo tra l'unità
PM5D e un dispositivo esterno.
APorta GPI IN
Numeri delle porte GPI IN (INGRESSO GPI) per le
quali è possibile configurare le impostazioni.
BStato GPI IN
La barra gialla indica lo stato di tensione del segnale di
input della porta corrispondente. Se la barra non è
visualizzata, il segnale sarà nello stato di basso livello,
mentre se la barra è visualizzata tutta a destra, il segnale
si troverà sullo stato di alto livello. Utilizzare il campo
POLARITY (POLARITÀ) (
3
) per selezionare se il
segnale è attivo quando è alto o basso.
CPOLARITY
Consente di scegliere il modo in cui verrà rilevata
l'attivazione e la disattivazione di GPI IN. È possibile
optare per Low Active (GPI IN attivo quando il tasto è
abbassato) o per High Active (attivo quando il tasto è
alzato o quando viene immesso il segnale di livello
alto).
DFUNCTION
EPARAMETER
Questi campi indicano la funzione eseguita quando la
porta GPI IN corrispondente diventa attiva (oppure la
funzione controllata dal valore di tensione in ingresso
dalla porta GPI IN) come pure i parametri delle opzioni
relativi a quella funzione.
Per modificare le impostazioni, fare clic sul pulsante
sulla sinistra per aprire la finestra GPI IN PORT
ASSIGN (ASSEGNAZIONE PORTA DI INGRESSO
GPI), quindi selezionare funzione e parametro dalla
seguente tabella.
Schermata GPI
GPI
1 2
3 4 5
FUNCTION PARAMETER Funzionamento unità
PM5D
NO ASSIGN — Nessuna assegnazione
MONITOR
DIMMER ON Consente di attivare o
disattivare la funzione
Dimmer (Attenuatore)
SOURCE =
[nome
sorgente di
monitoraggio]
Consente di cambiare la
sorgente di monitoraggio
MONO ON Consente di attivare il
tasto [MONO] della
sezione Monitor
TALKBACK
ON
LATCH
Consente di attivare o
disattivare la funzione
Talkback (operazione di
blocco)
UNLATCH
Consente di attivare o
disattivare la funzione
Talkback (operazione di
sblocco)
CH ON-
LATCH [nome canale] Consente di attivare o
disattivare il canale
(operazione di blocco)
CH ON-
UNLATCH [nome canale] Consente di attivare o
disattivare il canale
(operazione di sblocco)
FADER
LEVEL [nome canale]
Consente di modificare il
valore del fader
(parametro LEVEL) in
base alla tensione
SURROUND
PAN
FRONT-REAR
PAN [SEL] in base alla tensione.
LEFT-RIGHT
PAN [SEL]
Consente di modificare il
pan surround (sinistra/
destra) del canale
selezionato in base alla
tensione.
FRONT-REAR
PAN [ODD]
Consente di modificare il
pan surround (anteriore/
posteriore) del canale con
numeri dispari selezionato
in base alla tensione.
LEFT-RIGHT
PAN [ODD]
Consente di modificare il
pan surround (sinistra/
destra) del canale con
numeri dispari selezionato
in base alla tensione.
FRONT-REAR
PAN [EVEN]
Consente di modificare il
pan surround (anteriore/
posteriore) del canale con
numeri pari selezionato in
base alla tensione.
LEFT-RIGHT
PAN [EVEN]
Consente di modificare il
pan surround (sinistra/
destra) del canale con
numeri pari selezionato in
base alla tensione.
USER
DEFINED
KEY
FUNCTION
[Numero tasto/
banco User
Defined Key]
Mentre l'ingresso esterno
è attivo, esegue la stessa
operazione di quando
viene premuto il tasto
definito dall'utente
USER
DEFINED
KEY LED
[Numero tasto/
banco User
Defined Key]
Mentre l'ingresso esterno
è attivo, il LED del tasto
definito dall'utente
selezionato si illumina
PEAK HOLD
ON
—
Consente di attivare o
disattivare la funzione
Peak Hold (Mantenimento
picco)
OSCILLA-
TOR ON Consente di attivare o
disattivare l'oscillatore.
SOLO ON Consente di attivare o
disattivare la funzione Solo
(Isolamento)

PM5D/PM5D-RH V2/DSP5D – Manuale di istruzioni Sezione riferimenti 195
Informazioni visua-
lizzate sul display
Menu Function
(Funzioni)
Funzioni
generali
Funzioni
di output
Funzioni
di input
Appendici
❏GPI IN MONITOR
(MONITORAGGIO INGRESSO GPI)
FMonitoraggio GPI IN
La tensione proveniente dalla porta GPI IN selezionata
dai campi X-AXIS (ASSE X) (
8
) e Y-AXIS (ASSE Y)
(
9
) viene indicata rispettivamente da un giallo nelle
dimensioni del grafico relativo all'asse delle X
(orizzontale) e all'asse delle Y (verticale).
L'intervallo di variazione della tensione utilizzato per
determinare lo stato di attivazione/disattivazione è
rappresentato da un rettangolo rosso.
GCALIBRATION (CALIBRATURA)
Questo pulsante consente di calibrare l'intervallo di
variazione della tensione utilizzato dall'unità PM5D
per determinare lo stato di attivazione/disattivazione
in modo da renderlo adeguato alle tensioni in ingresso
dalla porta GPI PORT (per ulteriori informazioni
sull'utilizzo della calibratura vedere
➥
p. 135).
Quando si attiva questo pulsante, la gamma di
variazione della tensione verrà temporaneamente
cancellata e l'intervallo aggiornato ad ogni modifica
della tensione GPI IN. Quando invece lo si disattiva,
l'intervallo di variazione verrà memorizzato e in seguito
utilizzato per determinare lo stato di attivazione/
disattivazione.
HX-AXIS
IY-AXIS
Questi campi consentono di selezionare la porta GPI IN
per la quale verrà eseguita la calibratura. È possibile fare
clic sui pulsanti / di sinistra e di destra per
cambiare la porta.
Se si utilizza un controller bidimensionale, ad esempio
un joystick, specificare una porta sia per l'asse X che per
l'asse Y. Se si desidera eseguire la calibratura per
un'unica direzione, impostare una delle porte su "----".
JREVERSE (INVERSO)
Questo pulsante consente di invertire il livello alto/
basso dell'input, modificando la direzione visualizzata
del grafico. Ciò equivale a cambiare la POLARITY (
3
)
della porta GPI IN selezionata.
❏GPI OUT (USCITA GPI)
KPorta GPI OUT
Numeri delle porte GPI OUT per le quali è possibile
configurare le impostazioni.
LStato GPI OUT
Indica lo stato del segnale di output per la porta
corrispondente. Il carattere L/H indica se il livello del
segnale è Low (livello di uscita basso) o High (livello di
uscita alto). Il colore dello sfondo è giallo se attivato,
verde se disattivato. Utilizzare il campo POLARITY
(
M
) per selezionare se il segnale è attivo quando è alto
o basso.
MPOLARITY
Consente di selezionare la polarità del segnale emesso
quando la porta GPI OUT diventa attiva. È possibile
selezionare Low Active (livello basso quando
attivo) o High Active (livello alto quando attivo).
NTEST
Questo pulsante consente di testare il funzionamento di
ciascuna porta GPI OUT. Quando è attivato, la porta
GPI OUT corrispondente diventerà temporaneamente
attiva e verrà emesso un segnale in base
all'impostazione di POLARITY (
M
).
OFADER START
Indica il canale del fader assegnato come trigger a
ciascuna porta GPI OUT e la modalità fader (metodo
di rilevamento trigger) di quel fader.
Per modificare le impostazioni, fare clic sul pulsante
sulla sinistra per aprire la finestra GPI OUT PORT
ASSIGN (ASSEGNAZIONE PORTA USCITA GPI) e
selezionare la modalità fader e il canale. È possibile
selezionare le seguenti modalità fader.
• FADER START
Un segnale di controllo (segnale trigger) di 250 msec
verrà emesso quando il fader del canale selezionato si
sposta da –60 dB (o inferiore) a –60 dB e oltre.
• FADER STOP (ARRESTO FADER)
Un segnale di controllo (segnale trigger) di 250 msec
verrà emesso quando il fader del canale selezionato
raggiunge –∞ dB.
• FADER TALLY (SENSORE DI LIVELLO FADER)
Un segnale di controllo verrà emesso quando il fader
del canale selezionato si sposta da –60 dB (o inferiore)
a –60 dB e oltre. Questo segnale di controllo verrà
mantenuto fino a quando il fader raggiunge –∞ dB
(o finché la porta GPI OUT non riceve un altro trigger).
L'impostazione del campo FADER START della
schermata GPI è collegata alle impostazioni correlate
a GPI della schermata FADER START (
➥
p. 196).
8
9
J
7
6
K L
M N O P Q

Funzione MIDI REMOTE
196 PM5D/PM5D-RH V2/DSP5D – Manuale di istruzioni Sezione riferimenti
PUSER DEFINED KEYS
(TASTI DEFINITI DALL'UTENTE)
Quest'area indica i tasti definiti dall'utente assegnati
come trigger a ciascuna porta GPI OUT e relativo
funzionamento.
Per modificare l'impostazione, fare clic sul pulsante
sulla sinistra per aprire la finestra GPI OUT PORT
ASSIGN; dall'elenco selezionare il banco (A–D) e il
numero (1–25) del tasto definito dall'utente e scegliere
la modalità di trasmissione del segnale trigger. Come
metodo di trasmissione di tale segnale è possibile
selezionare Latch (da attivo diventa disattivo ogni volta
che si preme il tasto) oppure Unlatch (è attivo solo
mentre si preme il tasto).
QTALLY (SENSORE DI LIVELLO)
Quest'area indica lo stato di altre funzioni di output
Tally assegnate come trigger a ciascuna porta. Quando
si esegue l'operazione corrispondente sull'unità PM5D,
verrà emesso un segnale di controllo dalla porta GPI
OUT corrispondente. Tale segnale verrà mantenuto
fino all'annullamento della suddetta operazione (o
finché la porta GPI OUT non riceve un altro trigger).
Per modificare le impostazioni, fare clic sul pulsante
sulla sinistra per aprire la finestra GPI OUT PORT
ASSIGN, quindi selezionare una delle seguenti
funzioni.
In questa schermata è possibile configurare le impostazioni
per la funzione Fader Start che consente di utilizzare i fader
del canale di ingresso per controllare le porte GPI OUT o i
dispositivi esterni.
AINPUT CH (canale di ingresso)
Quest'area indica il numero e il nome dei canali (canali
di ingresso e ST IN) per i quali è possibile configurare le
impostazioni. Quando si fa clic su una riga per
selezionarla, la riga verrà evidenziata al centro
dell'elenco.
BOUTPUT TYPE (TIPO OUTPUT)
CPARAMETERS
Indica il tipo di segnale che verrà emesso quando si
utilizza il fader corrispondente e i relativi parametri
delle opzioni. Per modificare l'impostazione, fare clic
sul pulsante alla sinistra del campo OUTPUT TYPE
per aprire la finestra FADER START ASSIGN
(ASSEGNAZIONE AVVIO FADER). È possibile
selezionare i tipi di output e i parametri riportati di
seguito.
• NO ASSIGN
Nessuna assegnazione
• GPI
Un trigger sarà inviato alla porta GPI OUT specificata
in base all'utilizzo del fader del canale corrispondente e
verrà emesso un segnale di controllo (la polarità del
segnale di controllo sarà quella indicata dalle
impostazioni della schermata GPI IN). Se è selezionato
questo tipo di output, sarà possibile scegliere tra i
seguenti due parametri delle opzioni.
FADER START . . . Porta GPI OUT da cui viene
inviato il trigger quando il
fader passa da –60 dB (o
inferiore) a –60 dB e oltre.
Funzione Funzionamento unità PM5D
NO ASSIGN Nessuna assegnazione
POWER ON L'unità PM5D viene accesa
SOLO ON Tasto [SOLO] attivato
GPI IN 1
FUNCTION Funzione assegnata alla porta 1 GPI IN
attivata
GPI IN 2
FUNCTION Funzione assegnata alla porta 2 GPI IN
attivata
GPI IN 3
FUNCTION Funzione assegnata alla porta 3 GPI IN
attivata
GPI IN 4
FUNCTION Funzione assegnata alla porta 4 GPI IN
attivata
PREVIEW ON Tasto [PREVIEW] (ANTEPRIMA) della
sezione SCENE MEMORY (MEMORIA
SCENE) attivato
CUE ON
[INPUT ONLY]
Tasto [CUE] (SEGNALE DI
ATTIVAZIONE) del canale di ingresso
attivato
CUE ON
[DCA ONLY] Tasto DCA [CUE] attivato
CUE ON
[OUTPUT ONLY] Tasto [CUE] del canale di uscita attivato
CUE ON Qualsiasi tasto [CUE] attivato
Schermata FADER START
FADER START
1 2 3 4

PM5D/PM5D-RH V2/DSP5D – Manuale di istruzioni Sezione riferimenti 197
Informazioni visua-
lizzate sul display
Menu Function
(Funzioni)
Funzioni
generali
Funzioni
di output
Funzioni
di input
Appendici
FADER STOP . . . . . Porta GPI OUT da cui viene
inviato il trigger quando il fader
raggiunge –∞ dB.
Si noti che le impostazioni correlate a GPI configurate
nella schermata FADER START sono collegate al
campo FADER START della schermata GPI.
Ad esempio, se nella schermata FADER START
vengono specificate porte diverse per il parametro
FADER START e il parametro FADER STOP di un
determinato canale, il campo FADER START della
schermata GPI verrà assegnato al canale corrispondente
(Fader Mode= FADER START/FADER STOP) di
quelle porte (vale anche l'inverso).
Se la stessa porta è specificata per il parametro FADER
START e il parametro FADER STOP, il campo FADER
START della schermata GPI verrà assegnato al canale
corrispondente a quella porta (Fader Mode= FADER
TALLY) (vale anche l'inverso).
•MMC
Un comando MMC verrà inviato dalla porta MIDI
abilitata in base all'utilizzo del fader del canale
corrispondente (la porta di trasmissione MIDI è
selezionata nella schermata MIDI SETUP).
La trasmissione del commando MMC PLAY avviene
quando il fader passa da –60 dB a –60 dB (o superiore)
mentre quella del comando MMC STOP si verifica
quando il fader raggiunge –∞ dB.
Se è selezionato questo tipo di output, sarà possibile
utilizzare un parametro opzionale per specificare l'ID
del dispositivo MMC (1–127 o ALL).
• RS422
Un comando di protocollo RS422 verrà inviato dal
connettore RS422 REMOTE in base all'utilizzo del
fader del canale corrispondente
La trasmissione del comando PLAY del protocollo
RS422 avviene quando il fader passa da –60 dB a
–60 dB (o superiore) mentre quella del comando STOP
dello stesso protocollo si verifica quando il fader
raggiunge –∞ dB.
DCLEAR ALL
Consente di cancellare le assegnazioni del campo
Output Type di tutti i canali.
⇔
⇔

Funzione MIDI REMOTE
198 PM5D/PM5D-RH V2/DSP5D – Manuale di istruzioni Sezione riferimenti
In questa schermata è possibile utilizzare i comandi del
protocollo MMC/RS422 per controllare in remoto le
operazioni di trasporto/posizionamento su un registratore
o su altro dispositivo esterno dall'unità PM5D.
AMMC DEVICE No.
(NUMERO DISPOSITIVO
MMC)
Indica l'ID del dispositivo
esterno da controllare tramite
MMC. Per modificare questa
impostazione, fare clic sui
pulsanti / di destra e di
sinistra per effettuare la scelta
dall'intervallo 1–127 o ALL
(valido per tutti gli ID dei dispositivi).
BRS422 DATA FORMAT
(FORMATO DATI RS422)
Selezionare il formato (P2 o
DENON) del comando RS422
inviato dal connettore RS422
REMOTE. Quando si fa clic su
questo pulsante viene
visualizzato un messaggio con la
richiesta di conferma.
Nota
Il comando RS422 specificato in
questa schermata è valido anche
per i comandi RS422 emessi dalla
funzione Fader Start o dai tasti
definiti dall'utente.
Nota
Il formato DENON comprende una serie di comandi utilizzati
in dispositivi quali i lettori CD professionali Denon (DN-C680)
e i lettori MD (DN-M1050R). Su lettore CD o MD, configurare
le impostazioni su 9600 bps e RS422. Se si utilizza il formato
DENON, facendo clic sul pulsante durante la
riproduzione si attiverà la modalità di pausa mentre per
l'arresto sarà necessario fare clic sul pulsante durante lo
standby. In fase di arresto, fare nuovamente clic sul pulsante
se si desidera tornare alla modalità di standby. Facendo
clic sul pulsante si tornerà alla traccia precedente
mentre per avanzare a quella successiva sarà necessario fare
clic sul pulsante . Utilizzare un cavo lineare D-Sub a 9
pin per collegare il connettore REMOTE RS422 al dispositivo
che si desidera controllare utilizzando il formato P2 o DENON.
CTrasporto
Questi pulsanti consentono di gestire il trasporto di un
dispositivo esterno. Quando si fa clic su un pulsante,
verrà trasmesso il comando MMC/RS422 (da sinistra:
REWIND, FAST FORWARD STOP, PLAY, REC).
È presente un indicatore su ciascun pulsante di
trasporto RS422 che si illuminerà come riportato di
seguito in base allo stato del dispositivo esterno da
controllare.
•P2
• DENON
Schermata TRANSPORT (TRASPORTO)
TRANSPORT
1
2
Riproduzione in corso illuminato
Avanzamento rapido
in corso illuminato
Rewind in corso illuminato
Arrestato illuminato
Registrazione in
corso e illuminati
Riproduzione in corso illuminato
In pausa lampeggia
Standby illuminato
Arrestato Completamente spento
Registrazione in
corso e illuminati
Pausa registrazione illuminato, lampeggia
5 64
3

PM5D/PM5D-RH V2/DSP5D – Manuale di istruzioni Sezione riferimenti 199
Informazioni visua-
lizzate sul display
Menu Function
(Funzioni)
Funzioni
generali
Funzioni
di output
Funzioni
di input
Appendici
DLOCATE POINT (PUNTO DI
INDIVIDUAZIONE)
Questi pulsanti corrispondono a ciascun punto di
individuazione. È possibile specificare venti punti di
individuazione per dispositivi compatibili con MMC
più altri venti, separatamente, per dispositivi
compatibili con RS422. Quando si fa clic sui pulsanti
1–20, verrà trasmesso un comando MMC o RS422 per
lo spostamento verso il punto di individuazione.
ETime code
In questo campo viene indicato il time code specificato
per ciascun punto di individuazione. Per modificare
tale codice, fare clic sul pulsante posizionato a
sinistra per aprire la finestra MMC/RS422 LOCATE
POINT, quindi specificare il nuovo time code in ore/
minuti/secondi/frame (se il formato è DENON per
specificare il valore utilizzare le unità traccia/minuto/
secondo/frame). È anche possibile utilizzare il pulsante
CAPTURE (ACQUISISCI) sulla destra per acquisire il
time code ricevuto dall'unità PM5D.
FCAPTURE
Questo pulsante consente di acquisire il time code
correntemente ricevuto dall'unità PM5D e di inserirlo
nel campo del time code. Nel caso di MMC, la sorgente
il frame rate, la frame rate e il tempo di offset possono
essere specificati nella schermata EVENT LIST
(funzione SCENE). (
➥
p. 177) Nel caso di RS422,
verranno acquisiti i dati temporali correnti relativi al
dispositivo esterno da controllare.
In questa schermata è possibile controllare in modalità
remota diverse funzioni della console di missaggio digitale
Yamaha serie DME.
Suggerimento
Attualmente (aprile 2007) questa funzione è utilizzabile con i
modelli serie DME DME64N, DME24N, DME8i-C, DME8o-C,
DME4io-C, DME8i-ES, DME8o-ES e DME4io-ES ma non con
il modello DME32.
AArea di selezione del tipo di componente
In quest'area è possibile selezionare il tipo di
componente della unità serie DME che si desidera
controllare dall'unità PM5D. Quando si fa clic sui
pulsanti / di destra e di sinistra per selezionare il
tipo di componente, il display nell'area centrale della
schermata cambierà di conseguenza. Di seguito sono
elencati i tipi di componente selezionabili.
• SETUP (CONFIGURAZIONE)
Selezionare la porta che collega la console PM5D e
l'unità serie DME, quindi avviare o terminare la
comunicazione.
• GEQ
Consente di controllare l'EQ grafico dell'unità serie
DME dalla console PM5D.
• PEQ
Consente di controllare l'EQ parametrico dell'unità
serie DME dalla console PM5D.
• CROSS OVER (INCROCIO)
Un segnale interno all'unità serie DME è suddiviso in
sei bande, per ciascuna banda è possibile controllare:
livello di output, slope e tipo di filtro, frequenza di
taglio e così via. Questa schermata consente anche di
specificare la frequenza di crossover nella quale sono
suddivise le bande.
• LONG DELAY (DELAY LUNGO)
• SHORT DELAY (DELAY BREVE)
Consentono di controllare le funzioni di delay (lungo e
breve) dell'unità serie DME dalla console PM5D.
• MATRIX
Consente di specificare il livello dei segnali inviati da un
input specifico dell'unità serie DME a tutte le uscite o
da tutti gli ingressi a un'uscita specifica.
• SLOT OUTPUT (USCITA SLOT)
Per ciascuno slot dell'unità serie DME, specificare
livello di output, tempo di delay e impostazione di fase
di ciascuna porta.
Schermata DME CONTROL
(CONTROLLO DME)
6
7
541 2 3

Funzione MIDI REMOTE
200 PM5D/PM5D-RH V2/DSP5D – Manuale di istruzioni Sezione riferimenti
BArea di selezione dei componenti
Dal tipo di componente selezionato in
1
, selezionare il
componente che si desidera controllare.
CMONITOR
Quando si fa clic sul pulsante di selezione della sorgente
di monitoraggio (@), viene visualizzata la finestra
MONITOR POINT SELECT (SELEZIONE PUNTO DI
MONITORAGGIO) che consente di selezionare la
sorgente di monitoraggio per l'unità serie DME.
Quando si attiva il pulsante MONITOR, verrà attivato
l'indicatore EXTERNAL CUE (SEGNALE
ATTIVAZIONE ESTERNO) nella parte superiore del
display mentre il segnale di monitoraggio della unità
serie DME sarà inviato al bus CUE della console PM5D.
Nota
Se si desidera attivare il pulsante MONITOR, sarà necessario
innanzitutto selezionare la stessa porta per l'uscita monitor
della unità serie DME e l'ingresso monitor dell'unità PM5D.
L'uscita monitor dell'unità serie DME può essere specificata
nella finestra di dialogo "Monitor Out" cui si accede da DME
Designer tramite il menu [Tools] (Strumenti)
→
[Monitor].
L'ingresso monitor dell'unità PM5D è specificato da MONITOR
PORT nell'area SETUP della schermata DME CONTROL
(CONTROLLO DME).
DSCENE
Quest'area indica e consente di selezionare la scena che
verrà memorizzata/richiamata sull'unità serie DME.
Quando si fa clic sui pulsanti / di destra e di sinistra
per selezionare un numero, il nome della scena
corrispondente viene visualizzato nel campo di destra.
ESTORE/RECALL (MEMORIZZZA/RICHIAMA)
Questi pulsanti consentono di salvare (sovrascrivere) le
impostazioni dell'unità serie DME modificate nella
schermata dell'unità PM5D all'interno della scena
selezionata nell'area SCENE, oppure di richiamare la
scena selezionata nell'area SCENE all'interno dell'unità
DME.
Nota
• Quando si memorizza una scena DME dalla schermata
dell'unità PM5D, è possibile solo memorizzare mediante
sovrascrittura una scena esistente sull'unità DME ma non
memorizzare le impostazioni come nuova scena o
modificare il nome della scena.
• Se SETUP è selezionato, gli elementi
3
,
4
e
6
non
verranno visualizzati.
FArea di visualizzazione dei parametri
In quest'area vengono visualizzati i parametri del
componente correntemente selezionato. Il contenuto
visualizzato dipenderà dal componente.
GASSIGN TO FADERS
(Assegnazioni fader DCA)
È possibile utilizzare i fader DCA 1–8 per controllare i
parametri del componente correntemente visualizzato
nella schermata.
Nota
I parametri che è possibile assegnare ai fader DCA
dipenderanno dal componente. Tale funzione potrebbe non
essere disponibile per alcuni componenti.
❏Collegamento della console PM5D
all'unità serie DME
Di seguito vengono illustrati diversi metodi per collegare la
console PM5D all'unità serie DME in modo da trasmettere
e ricevere segnali audio e segnali di controllo.
Nota
Se si utilizzano caratteri non alfabetici e simboli (ad esempio
caratteri a doppio byte come per la lingua giapponese)
nell'unità della serie DME per il nome di un componente o di
una scena, la visualizzazione potrebbe non essere corretta.
1Connessione bidirezionale tramite CobraNet
Questo metodo di connessione utilizza CobraNet, ovvero
un formato per la trasmissione di segnali audio e segnali di
controllo multicanale su Ethernet. Installare una scheda
MY-16CII CobraNet nello slot dell'unità PM5D e utilizzare
un cavo Ethernet per il collegamento all'unità serie DME.
Questo metodo consente il trasferimento bidirezionale di
segnali audio su un singolo cavo. Ad esempio, è possibile
inviare segnali all'unità DME tramite il bus MIX dell'unità
PM5D per l'elaborazione e quindi restituirli a un canale di
ingresso della PM5D.
Nota
Non è possibile utilizzare la scheda AVY16-ES EtherSound
di AuviTran per controllare l'unità serie DME dalla console
PM5D.
2Collegamento bidirezionale mediante i connettori
CASCADE IN/OUT (INGRESSO/USCITA IN
CASCATA) (solo DME64N)
Questo metodo di collegamento prevede che i connettori
CASCADE IN e CASCADE OUT delle unità PM5D e
DME64N siano collegati l'uno all'altro, il che consente il
trasferimento bidirezionale dei segnali audio.
PM5D
Connettore
CobraNet
Unità serie
DME
Scheda
CobraNet
Slot
DME64N
PM5D
Connettore
CASCADE
OUT
Connettore
CASCADE
OUT
Connettore
CASCADE
IN
Connettore
CASCADE
IN

PM5D/PM5D-RH V2/DSP5D – Manuale di istruzioni Sezione riferimenti 201
Informazioni visua-
lizzate sul display
Menu Function
(Funzioni)
Funzioni
generali
Funzioni
di output
Funzioni
di input
Appendici
3Collegamento unidirezionale mediante i connettori
CASCADE IN/OUT — 1 (solo DME64N)
Questo metodo consiste in un collegamento unidirezionale
che consente di inviare segnali audio dall'unità DME64N
alla PM5D tramite il relativo connettore CASCADE IN.
4Collegamento unidirezionale mediante i connettori
CASCADE IN/OUT — 2 (solo DME64N)
Questo metodo consiste in un collegamento unidirezionale
che consente di inviare segnali audio dall'unità PM5D alla
DME64N tramite il relativo connettore CASCADE OUT.
Nota
Quando, si utilizzano i connettori CASCADE IN/OUT per
effettuare i collegamenti, questi ultimi fungono da connettori
ma le impostazioni resteranno uguali a quando si utilizzano gli
ingressi o le uscite degli slot. Nell'area CASCADE
CONNECTION della schermata MIXER SETUP (funzione
SYS/W.CLOCK), sarà necessario configurare le impostazioni
affinché il connettore CASCADE IN venga assegnato alla
porta SLOT IN (se si utilizza il connettore CASCADE IN) o la
porta SLOT OUT venga assegnata al connettore CASCADE
OUT (se si utilizza il connettore CASCADE OUT).
Suggerimento
Se si desidera, è possibile controllare l'unità serie DME dalla
console PM5D senza trasmettere o ricevere segnali audio.
In questo caso, eseguire uno dei collegamenti visualizzati
negli esempi
2
–
4
; i segnali di controllo verranno inviati
dall'unità PM5D all'unità DME.
5Collegamenti mediante l'unità DSP5D
Se le unità PM5D e DSP5D sono collegate in cascata,
installare una scheda MY-16CII CobraNet in unoslot
dell'unità DSP5D (macchina #2) e utilizzare un cavo
Ethernet per collegarla all'unità serie DME.
Nota
Non è possibile utilizzare la scheda AVY16-ES EtherSound
di AuviTran per controllare l'unità serie DME dalla console
PM5D.
❏Procedura per il collegamento delle
unità DSP5D e serie DME
1Collegamento bidirezionale tramite i connettori
CASCADE IN/OUT (solo DME64N)
Di seguito è riportato un esempio di collegamento dei
connettori CASCADE IN e CASCADE OUT
rispettivamente delle unità DSP5D e DME64N, che
consenta il trasferimento bidirezionale dei segnali audio.
DME64N
PM5D
Connettore
CASCADE
IN
Connettore
CASCADE
OUT
DME64N
PM5D
Connettore
CASCADE
OUT
Connettore
CASCADE
IN
PM5D
DSP5D
CASCADE IN
Unità serie
DME
Connettore CobraNet
Connettore
CASCADE
OUT
Connettore
CASCADE
OUT
Connettore
CASCADE
IN
verso connettore CASCADE IN
DME64N
DSP5D
CASCADE IN
HUB
Connettore
CASCADE
OUT
Connettore
CASCADE IN
verso connettore
CASCADE IN (D-SUB)
Connettore
CASCADE OUT (D-SUB)

Funzione MIDI REMOTE
202 PM5D/PM5D-RH V2/DSP5D – Manuale di istruzioni Sezione riferimenti
2Collegamento mediante un'unità DCU5D
È possibile utilizzare un cavo Ethernet per collegare le unità
DSP5D e serie DME tramite un'unità di cablaggio digitale
DCU5D.
Nota
L'unità DSP5D deve essere collegata tramite il connettore
CASCADE OUT (RJ-45).
❏Avvio della comunicazione tra la console
PM5D e l'unità serie DMEt
Per selezionare la porta utilizzata per la trasmissione/
ricezione dei segnali audio tra la console PM5D e l'unità
serie DME e avviare la comunicazione, procedere come
segue.
1Collegare la console PM5D e l'unità serie DME.
2Nella sezione DISPLAY ACCESS, premere più
volte il tasto [MIDI/REMOTE] per accedere alla
schermata DME CONTROL.
3Nell'area di selezione dei componenti nella
parte superiore sinistra della schermata,
selezionare SETUP.
Verrà visualizzata una schermata come quella riportata
di seguito.
La schermata SETUP contiene gli elementi indicati di
seguito.
ACONNECT (CONNETTI)
Questo pulsante consente di avviare o terminare la
connessione tra la console PM5D e l'unità serie DME.
BMIDI PGM CHANGE
(Program change MIDI)
Se questo pulsante è attivato, un messaggio program
change verrà trasmesso all'unità DME tramite la scheda
I/O o i connettori CASCADE IN/OUT al richiamo di
una scena sulla console PM5D. In questo modo il
richiamo delle scene sull'unità DME avverrà
contemporaneamente alle operazioni di richiamo delle
scene sulla console PM5D.
CINPUT PORT (PORTA DI INGRESSO)
In quest'area è possibile selezionare la porta dell'unità
PM5D che riceverà i segnali audio dall'unità DME.
DMONITOR PORT (PORTA MONITORAGGIO)
In quest'area è possibile selezionare la porta dell'unità
PM5D che riceverà i segnali di monitoraggio dall'unità
DME. Dato che tale segnale viene inviato al bus CUE
dell'unità PM5D, sarà possibile controllare la funzione
Monitor di DME dalla console PM5D esattamente
come avviene per la funzione del segnale di attivazione
di tale unità (funzione EXTERNAL CUE).
EMIXER SETUP (consente di visualizzare la
schermata MIXER SETUP)
Questo pulsante consente di visualizzare la schermata
MIXER SETUP della funzione SYS/W.CLOCK.
FOUTPUT PORT (PORTA DI USCITA)
In quest'area è possibile selezionare la porta dell'unità
PM5D che trasmetterà i segnali audio all'unità DME.
4Nell'area INPUT PORT
nella parte inferiore
sinistra della schermata,
selezionare la porta
dell'unità PM5D che
riceverà segnali audio
dall'unità serie DME.
I tipi di porta selezionabili in
quest'area dipenderanno dalla porta correntemente
selezionata per l'ingresso in cascata (campo CASCADE
IN PORT SELECT della schermata MIXER SETUP)
come indicato di seguito.
Nota
• Non è possibile cambiare l'impostazione della porta di
ingresso in cascata dalla schermata DME CONTROL. Se
necessario, fare clic sul pulsante MIXER SETUP per
accedere alla schermata MIXER SETUP (funzione SYS/
W.CLOCK) e cambiare la porta da utilizzare per l'ingresso in
cascata.
• In base al tipo di collegamento in cascata, la porta dell'unità
DSP5D indicherà solo gli elementi selezionabili: ---, SLOT1-
2, CASCADE IN (D-SUB) o CASCADE OUT (RJ-45).
5Nel campo MONITOR PORT selezionare la
porta dell'unità PM5D che riceverà segnali di
monitoraggio dall'unità serie DME.
È possibile selezionare le seguenti porte.
---- . . . . . . . . . . . . . . . . . .Nessuna assegnazione
SLOT1-1–SLOT4-16 . . .Porta desiderata degli slot
1–4
CASCADE 1–32 . . . . . . .Porte CASCADE IN 1–32
DSP5D
CASCADE IN HUB
DCU5D
POWER Unità serie
DME
Connettore
CASCADE
OUT
Connettore
CASCADE IN
verso connettore
CASCADE IN (D-SUB)
Connettore CASCADE
OUT (D-SUB)
Connettore CASCADE
OUT (RJ-45)
Connettore
CASCADE
IN (RJ-45)
1 5
4 6
2
3
Impostazione nel
campo CASCADE IN
PORT SELECT
(schermata MIXER
SETUP)
Elementi disponibili nel campo
INPUT PORT
CASCADE IN ----, SLOT1–SLOT4
SLOT4 ----, CASCADE IN, SLOT1–SLOT3
SLOT3/4 ----, CASCADE IN, SLOT1–SLOT2
SLOT1-4 [CH1-8] ----, CASCADE IN
SLOT1-4 [CH9-16] ----, CASCADE IN

PM5D/PM5D-RH V2/DSP5D – Manuale di istruzioni Sezione riferimenti 203
Informazioni visua-
lizzate sul display
Menu Function
(Funzioni)
Funzioni
generali
Funzioni
di output
Funzioni
di input
Appendici
6Nel campo OUTPUT PORT
nella parte inferiore
destra della schermata,
selezionare la porta
dell'unità PM5D che
trasmetterà segnali audio
all'unità DME.
I tipi di porta selezionabili in
quest'area dipenderanno dalla porta correntemente
selezionata per l'uscita in cascata (campo CASCADE
OUT PORT SELECT della schermata MIXER SETUP)
come indicato di seguito.
Nota
• Non è possibile cambiare l'impostazione della porta di uscita
in cascata dalla schermata DME CONTROL. Se necessario,
fare clic sul pulsante MIXER SETUP per accedere alla
schermata MIXER SETUP (funzione SYS/W.CLOCK) e
cambiare la porta da utilizzare per l'uscita in cascata.
• In base al tipo di collegamento in cascata, la porta dell'unità
DSP5D indicherà solo gli elementi selezionabili: ---, SLOT1-
2, CASCADE OUT (D-SUB) o CASCADE OUT (RJ-45).
7Se si desidera che i cambi di scena sulla
console PM5D siano collegati con quelli
dell'unità serie DME, attivare il pulsante MIDI
PGM CHANGE al centro della schermata.
Se il pulsante MIDI PGM CHANGE è attivato, il
cambio di scena sulla console PM5D originerà l'invio
all'unità DME di un messaggio program change di un
numero corrispondente alla scena.
Suggerimento
• Il messaggio program change suddetto viene sempre
trasmesso tramite la scheda I/O o il connettore CASCADE
IN/OUT. Non viene influenzato da MIDI PGM CHANGE,
dalla porta di trasmissione di program change MIDI o
dall'impostazione di attivazione/disattivazione della
trasmissione selezionata nella schermata MIDI SETUP.
• L'assegnazione del numero di programma per ciascuna
scena può essere specificata nella schermata MIDI PGM
CHANGE.
8Per avviare la comunicazione tra la console
PM5D e l'unità serie DME, fare clic sul pulsante
CONNECT per attivarlo.
Mentre il pulsante CONNECT è attivato, è possibile
controllare in remoto dalla console PM5D le operazioni
dei parametri e le operazioni di memorizzazione/
richiamo sull'unità DME. Per terminare la
comunicazione, fare nuovamente clic sul pulsante
CONNECT per disattivarlo.
❏Controllo dei parametri dell'unità DME
In questa sezione viene descritto in che modo è possibile
controllare i parametri dell'unità serie DME dalla console
PM5D. Se si desidera, è possibile salvare le modifiche
apportate nella scena dell'unità serie DME.
1Nella schermata DME CONTROL, scegliere
SETUP e attivare il pulsante CONNECT per
iniziare la comunicazione.
2Nella parte superiore sinistra della schermata,
utilizzare le aree di selezione dei componenti e
dei relativi tipi per selezionare il componente
che si desidera controllare.
Se è selezionato un componente diverso da SETUP, sarà
possibile controllare i parametri interni dell'unità DME
dalla schermata dell'unità PM5D. L'esempio visualizzato
nell'illustrazione che segue si riferisce a quando viene
selezionato il componente SLOT OUTPUT.
3Utilizzare manopole, slider e pulsanti della
schermata per controllare i parametri
dell'unità serie DME.
I metodi di utilizzo dei suddetti elementi sono uguali a
quelli dei parametri interni della console PM5D. Per
ulteriori informazioni sui parametri che è possibile
utilizzare per ciascun componente, fare riferimento al
manuale di istruzioni dell'unità serie DME.
4Se si desidera utilizzare i fader DCA 1–8 per
controllare i parametri del componente, fare
clic su un pulsante A–F dell'area ASSIGN TO
FADERS.
Quando si fa clic su un pulsante A–F, i parametri
corrispondenti vengono assegnati ai fader DCA 1–8, e
possono essere controllati dai fader. Per tornare allo
stato precedente, fare clic sul pulsante DCA.
Suggerimento
Anziché fare clic sui pulsanti A–F è possibile ottenere lo stesso
risultato tenendo premuto il tasto [SHIFT] del pannello superiore
e premendo i tasti [A]–[F] della sezione FADER MODE.
5Se si desidera memorizzare le modifiche in una
scena dell'unità serie DME, utilizzare il campo
SCENE nella parte superiore destra della
schermata per selezionare la destinazione di
memorizzazione, quindi fare clic sul pulsante
STORE.
Le impostazioni modificate verranno memorizzate
come scena nell'unità DME. Per richiamare questa
scena, utilizzare il campo SCENE nella parte superiore
destra della schermata per selezionare la scena e fare clic
sul pulsante RECALL.
Nota
Quando si memorizza una scena DME dalla schermata
dell'unità PM5D, è possibile solo memorizzare mediante
sovrascrittura una scena esistente sull'unità DME ma non
memorizzare le impostazioni come nuova scena o modificare
il nome della scena.
Suggerimento
Nel caso di un sistema in cui sono collegati solo le unità
DSP5D e DME, utilizzare DSP5D Editor per specificare la
porta DSP5D che verrà collegata all'unità DME. È possibile
selezionare i seguenti connettori/slot per ciascuna porta.
• INPUT PORT
CASCADE IN (D-SUB), SLOT1, SLOT2, CASCADE OUT
(RJ-45)
• OUTPUT PORT
CASCADE OUT (D-SUB), SLOT1, SLOT2, CASCADE OUT
(RJ-45)
Impostazione nel
campo CASCADE
OUT PORT SELECT
(schermata MIXER
SETUP)
Elementi disponibili nel campo
OUTPUT PORT
CASCADE OUT ----, SLOT1–SLOT4
SLOT3/4
----, SLOT1–SLOT4, CASCADE
OUT
SLOT1-4 [CH1-8]
SLOT1-4 [CH9-16]

Funzione UTILITY
204 PM5D/PM5D-RH V2/DSP5D – Manuale di istruzioni Sezione riferimenti
Funzione UTILITY
Le impostazioni relative alle preferenze per la console
PM5D sono suddivise in due schermate.
Per l'unità DSP5D
ASTORE/RECALL
Questi pulsanti consentono di attivare/disattivare le
opzioni correlate alle operazioni di memorizzazione/
richiamo della scena. È possibile selezionare le seguenti
opzioni.
• AUTO STORE
(MEMORIZZAZIONE AUTOMATICA)
Consente di attivare/disattivare la funzione Auto Store.
Se questo pulsante è attivato, premendo per due volte
consecutive il pulsante [STORE] (sezione SCENE
MEMORY) del pannello, sarà possibile memorizzare la
scena attuale con il numero di scena correntemente
selezionato.
• LINKED LIBRARY PROTECTION
(PROTEZIONE LIBRERIA COLLEGATA)
Se questo pulsante è attivato, non sarà possibile
sovrascrivere o eliminare gli elementi della libreria
collegati a una scena protetta. Questa opzione
impedisce modifiche della scena protetta mediante la
modifica di un elemento della libreria associato.
• USE NUMERIC-KEYPAD
(UTILIZZA TASTIERINO NUMERICO)
Se questo pulsante è attivato, è possibile utilizzare il
tastierino numerico di una tastiera PS/2 collegata al
connettore KEYBOARD (TASTIERA) (o un qualsiasi
tastierino collegato a tale connettore) per specificare
direttamente il numero di scena.
• STORE CONFIRMATION
(CONFERMA MEMORIZZAZIONE)
• RECALL CONFIRMATION
(CONFERMA RICHIAMO)
Se questi pulsanti sono attivati, verrà visualizzato un
messaggio di richiesta di conferma quando si esegue
rispettivamente un'operazione di memorizzazione o di
richiamo.
BPATCH (ASSEGNAZIONE)
Questi pulsanti consentono di attivare/disattivare le
opzioni correlate alle operazioni di assegnazione. È
possibile selezionare le seguenti opzioni.
• PATCH CONFIRMATION
(CONFERMA ASSEGNAZIONE)
Se questo pulsante è attivato, verrà visualizzato un
messaggio di richiesta di conferma quando si modifica
un'assegnazione di input o output.
• STEAL PATCH CONFIRMATION
(CONFERMA SOTTRAZIONE ASSEGNAZIONE)
Se questo pulsante è attivato, verrà visualizzato un
messaggio di richiesta di conferma quando si modifica
un'assegnazione di input o output che è stata già
assegnata.
Schermate PREFERENCE 1/2
P
REFERENCE 1
PREFERENCE 2
PREFERENCE 2
1
2
5
3
4

PM5D/PM5D-RH V2/DSP5D – Manuale di istruzioni Sezione riferimenti 205
Informazioni visua-
lizzate sul display
Menu Function
(Funzioni)
Funzioni
generali
Funzioni
di output
Funzioni
di input
Appendici
CGATE/COMP (Gate/compressore)
Questi pulsanti consentono di attivare/disattivare le
opzioni correlate a gate e compressori.
• GR METER ON/OFF LINK (COLLEGAM.
ATTIVAZ./DISATTIVAZ. INDICATORE
RIDUZIONE GUADAGNO)
Se questo pulsante è attivato, l'indicatore GR non
mostrerà il livello di riduzione del guadagno dei gate/
compressori correntemente disattivati.
DDCA MUTE TARGET (DESTINAZ.
ESCLUSIONE DCA)
Consente di specificare se il tasto DCA [MUTE]
escluderà la mandata al bus MIX quando l'origine di
mandata al bus MIX è PRE FADER. Se si specifica
"POST ONLY" (SOLO POST), il segnale PRE FADER
non sarà escluso. Se invece l'indicazione è "PRE &
POST", verrà escluso indipendentemente dalla
posizione dell'origine della mandata.
EMETER SECTION (SEZIONE INDICATORI)
In quest'area è possibile impostare le opzioni seguenti
correlate agli indicatori.
• FOLLOW INPUT LAYER (SEGUI LAYER INPUT)
Questa opzione consente di specificare il modo in cui i
tasti [CH 1-24]/[CH 25-48] (channel strip INPUT) e i
tasti [STIN 1-4]/[FXRTN 1-4] selezioneranno il layer
visualizzato dagli indicatori al centro e nella parte
superiore destra del pannello. Fare clic sui pulsanti /
di destra e di sinistra per effettuare la scelta.
OFF
. . . . . L'utilizzo dei tasti [CH 1-24]/[CH 25-48] non
influirà sul contenuto mostrato dagli indicatori
al centro del pannello mentre quello dei tasti
[STIN 1-4]/[FXRTN 1-4] non influirà sul
contenuto indicato nella parte superiore destra
del pannello.
SAME (UGUALE)
. . . . . Quando si preme il tasto [CH 1-24] o [CH 25-
48], il layer corrispondente verrà visualizzato
dagli indicatori al centro del pannello (qualora
nella sezione degli indicatori sia selezionato un
canale di ingresso) mentre quando si preme il
tasto [STIN 1-4]/[FXRTN 1-4], il layer
corrispondente verrà indicato nella parte
superiore destra del pannello.
ALTERNATIVE (ALTERNATIVO)
. . . . . Quando si preme il tasto [CH 1-24] o [CH 25-
48], il layer opposto verrà visualizzato dagli
indicatori al centro del pannello (qualora nella
sezione degli indicatori sia selezionato un
canale di ingresso) mentre quando si preme il
tasto [STIN 1-4]/[FXRTN 1-4], il layer opposto
verrà indicato dagli indicatori nella parte
superiore destra del pannello.
Nota
• Se le impostazioni di quest'area sono SAME o
ALTERNATIVE, sarà possibile utilizzare in modo
indipendente gli indicatori al centro del pannello e quelli nella
parte superiore destra.
• Se si passa al layer selezionato dal pannello, anche il layer
mostrato dagli indicatori cambierà di conseguenza. Tuttavia,
se si passa al campo METER SECTION dell'area
costantemente visualizzata nella parte superiore della
schermata, il layer selezionato sul pannello non cambierà.
• FOLLOW MIX MASTER MODE (SEGUI
MODALITÀ MISSAGGIO MASTER)
Se questo pulsante è attivato, quando si preme il tasto
[MIX MASTER] della sezione MIX, gli indicatori al
centro del pannello e quelli della parte superiore destra
mostreranno i livelli del canale MIX/MATRIX. Premere
il tasto [MIX SEND] della sezione MIX per ritornare
alla visualizzazione del livello del canale di ingresso
originale.
FPANEL OPERATION
(OPERAZIONI SUL PANNELLO)
In quest'area è possibile impostare le opzioni riportate
di seguito per le operazioni sul pannello.
• AUTO CHANNEL SELECT
(SELEZIONE AUTOMATICA CANALE)
Consente di specificare se verrà selezionato il canale
corrispondente quando si utilizza il tasto, il fader o
l'encoder [ON] di un canale. È possibile attivare/
disattivare separatamente INPUT CH (canali di
ingresso) e OUTPUT CH (canali di uscita).
• AUTO DISPLAY
(VISUALIZZAZIONE AUTOMATICA)
Per ciascuno dei seguenti elementi, è possibile
specificare singolarmente se la schermata correlata
verrà visualizzata in automatico quando si utilizza la
sezione SELECTED CHANNEL per mettere in
funzione un determinato parametro. Nella tabella che
segue sono riportati i parametri corrispondenti a
ciascun pulsante e la schermata che verrà visualizzata.
Nome
pulsante Parametri
corrispondenti Schermata
visualizzata
HA Guadagno dell'head
amplifier del canale
di ingresso
Schermate della
funzione INPUT HA/
INSERT
PHASE/ATT Fase/attenuatore del
canale di ingresso
Schermata ø/ATT
(Fase/Atten.) della
funzione INPUT EQ
EQUALIZER Parametri correlati
all'EQ
Schermata EQ PARAM
della funzione INPUT
EQ/OUTPUT EQ
DYNAMICS Parametri correlati a
gate/compressore
Schermata GATE
PARAM o COMP
PARAM della funzione
INPUT GATE/COMP o
della funzione OUTPUT
COMP
DELAY Parametri correlati al
delay
Schermate della
funzione INPUT
DELAY/OUTPUT
DELAY
DCA/MUTE/
SAFE
Parametri correlati a:
gruppo DCA/gruppo
di esclusione/
funzione Recall safe
Schermata DCA
GROUP ASSIGN,
MUTE GROUP
ASSIGN o RECALL
SAFE della funzione
INPUT DCA/GROUP o
della funzione OUTPUT
DCA/GROUP
TO MIX/
STEREO
Parametri correlati a
TO MIX/TO
STEREO
Schermata CH to MIX o
schermata SURR
PARAM della funzione
PAN/ROUTINE (PAN/
INSTRADAMENTO)
oppure schermata
MATRIX/ST ROUTING
(PERCORSO
MATRICE/STEREO)
della funzione MATRIX/
ST
6

Funzione UTILITY
206 PM5D/PM5D-RH V2/DSP5D – Manuale di istruzioni Sezione riferimenti
• MAKE PAIR ON PANEL
(CREA COPPIA SUL PANNELLO)
Se questo pulsante è attivo, è possibile utilizzare i tasti
[SEL] per attivare/disattivare l'accoppiamento. In
modalità di accoppiamento orizzontale, è possibile
attivare/disattivare l'accoppiamento premendo
contemporaneamente i tasti [SEL] dei due canali
accoppiati. In modalità di accoppiamento verticale lo
stesso risultato si può ottenere tenendo premuto il tasto
[SHIFT] e premendo il tasto [SEL] di uno dei canali
(per ulteriori informazioni sulle modalità di
accoppiamento
➥
p. 53).
• USE ENCODER-ON AS +48V
Se questo pulsante è attivato, il tasto ENCODER [ON]
posizionato sopra l'encoder attiverà/disattiverà
l'alimentazione phantom (+48V) quando HA
(sensibilità di ingresso dell'head amplifier) è selezionato
come modalità encoder.
• DCA/MUTE FLASH INDICATE (INDICAZIONE
INTERMITTENTE DCA/ESCLUSIONE)
Se questo pulsante è attivato, il LED del tasto DCA
[MUTE] e il LED di assegnazione DCA dei canali
appartenenti al gruppo DCA lampeggeranno quando
viene attivato il tasto DCA [MUTE] (sezione DCA).
• MIX MINUS CONFIRMATION
(CONFERMA MISSAGGIO MENO)
Se questo pulsante è attivato, verrà visualizzato un
messaggio di conferma quando si esegue l'impostazione
Mix Minus (tenendo premuto il tasto [SEL] di un
canale di ingresso e premendo il tasto [SEL] di un
canale MIX) dal pannello.
• SCENE UP/DOWN KEY (TASTO SCENA SU/GIÙ)
Consente di specificare il comportamento dei tasti
SCENE MEMORY [
π
]/[
†
] quando vengono utilizzati
nella schermata SCENE. È possibile scegliere una delle
due operazioni riportate di seguito.
SCENE +1/–1
. . . . . Se si preme il tasto SCENE MEMORY [π]
verrà selezionata la scena con il numero più
alto, invece premendo il tasto SCENE
MEMORY [†] verrà selezionata la scena con il
numero più basso (la pressione del tasto
consente di incrementare/diminuire il numero
della scena).
LIST UP/DOWN (ELENCO SU/GIÙ)
. . . . . Premendo il tasto SCENE MEMORY [π] sarà
possibile scorrere l'elenco verso l'alto, invece se
si preme il tasto SCENE MEMORY [†] lo
scorrimento sarà verso il basso
(le pressioni dei tasti consentono di scorrere
l'elenco verso l'alto o verso il basso).
• LIST ORDER (ORDINE ELENCO)
Consente di specificare l'ordine in cui vengono
visualizzati le memorie scene e gli elementi della libreria
nella schermata.
NORMAL (NORMALE)
. . . . . L'elenco viene visualizzato in ordine numerico
crescente.
REVERSE (INVERSO)
. . . . . L'elenco viene visualizzato in ordine numerico
decrescente.
• ATT OPERATION ON PANEL
(ATTIV. ATTENUATORE SU PANNELLO)
Se questo pulsante è attivato, non sarà possibile
utilizzare gli encoder del pannello per azionare
l'attenuatore.
• MIX SEL/ENCODER MODE LINK (COLLEGAM.
MODALITÀ SELEZ. MISSAGGIO/ENCODER)
Se questo pulsante è attivato, l'utilizzo dei tasti [SEL]
del pannello o le operazioni su schermo per selezionare
i canali MIX 1–24 consentiranno di selezionare i tasti
MIX SEND SELECT (SELEZIONE MANDATA MIX)
[1]–[24] della sezione FADER FLIP ENCODER MODE
(FLIP FADER/MODALITÀ ENCODER) insieme. Allo
stesso modo, premendo i tasti MIX SEND SELECT
[1]–[24] sarà possibile selezionare i canali MIX 1–24.
❏Schermata PREFERENCE 2
GBRIGHTNESS (LUMINOSITÀ)
In quest'area è possibile configurare impostazioni per la
luminosità del LED del pannello e dei display LCD.
• PANEL UNITY POINT
(PUNTO UNITÀ PANNELLO)
Se questo pulsante è attivato, l'illuminazione dei LED
corrispondenti a un valore di riferimento specifico (ad
esempio, 0 dB o CENTER) sarà più accentuata del
consueto. Ciò tuttavia si verifica solo se PANEL
BRIGHTNESS è impostato sul valore 5 o inferiore.
• PANEL ASSISTANCE (ASSISTENZA PANNELLO)
Se questo pulsante è attivato, anche i LED che
dovrebbero essere spenti saranno debolmente
illuminati in modo che sia possibile individuarli anche
al buio. Ciò tuttavia si verifica solo se PANEL
BRIGHTNESS è impostato sul valore 5 o inferiore.
• PANEL BRIGHTNESS (LUMINOSITÀ PANNELLO)
Consente di regolare la luminosità di tutti i LED del
pannello nell'intervallo 1–8.
• LCD BRIGHTNESS (LUMINOSITÀ LCD)
È possibile regolare la luminosità del display LCD
secondo tre opzioni: HIGH, MID o LOW (ALTA/
MEDIA/BASSA).
• LCD BACK LIGHT (RETROLLUMINAZIONE LCD)
È possibile regolare la luminosità della
retroilluminazione del display LCD secondo due
opzioni: HIGH o LOW.
HTRACK PAD/MOUSE
In quest'area è possibile configurare le impostazioni per
il track pad incorporato o per un mouse PS/2 collegato
al connettore MOUSE.
• TRACK PAD TAPPING (TOCCO TRACK PAD)
Consente di attivare/disattivare la funzione Tapping
(funzione di tocco), ovvero quella che consente di fare
clic con il pulsante sinistro battendo rapidamente sul
track pad.
TO MATRIX Livello di mandata al
bus MATRIX
Schermata MATRIX/ST
ROUTING della
funzione MATRIX/ST
OUTPUT
MASTER Livello di output del
canale MIX/MATRIX
Schermata FADER
VIEW della funzione
OUTPUT VIEW
Nome
pulsante Parametri
corrispondenti Schermata
visualizzata
7
8
9

PM5D/PM5D-RH V2/DSP5D – Manuale di istruzioni Sezione riferimenti 207
Informazioni visua-
lizzate sul display
Menu Function
(Funzioni)
Funzioni
generali
Funzioni
di output
Funzioni
di input
Appendici
• MOVING SPEED (RAPIDITÀ SPOSTAMENTO)
Consente di selezionare la velocità di spostamento del
cursore sullo schermo quando viene utilizzato il track
pad incorporato o un mouse PS/2 collegato al
connettore MOUSE. Scegliere una delle tre velocità:
FAST, MID o SLOW (RAPIDA/MEDIA/LENTA).
ISCREEN TIPS
(SUGGERIMENTI SU SCHERMO)
• SHOW SCREEN TIPS
(MOSTRA SUGGERIMENTI SU SCHERMO)
Se questo pulsante è attivato, spostando il cursore su un
elemento della schermata e attendendo qualche
secondo (in alcuni casi) verrà visualizzato un
"suggerimento su schermo" come promemoria
dell'operazione. Il suggerimento viene visualizzato
quando si apre la finestra JOB SELECT tenendo
premuto il tasto [SHIFT] e premendo il tasto [ENTER]
oppure quando è necessario premere il tasto [ENTER]
per finalizzare un valore modificato.
JUPPER PART DISPLAY
(DISPLAY PARTE SUPERIORE)
Questi pulsanti consentono di selezionare l'elemento
visualizzato nella parte centrale destra (a destra
dell'indicazione relativa alla memoria scene) della parte
superiore del display (area costantemente visualizzata).
• PRESENT TIME (ORA CORRENTE)
Indica l'ora corrente.
• TIME CODE
Indica il time code interno generato dall'unità PM5D o
il time code ricevuto da un dispositivo esterno. Si tratta
dello stesso time code visualizzato nella schermata
EVENT LIST della funzione SCENE.
• CASCADE/Fs
Indica lo stato master/slave quando viene utilizzato un
collegamento in cascata e la frequenza di
campionamento corrente del sistema PM5D.
Suggerimento
È inoltre possibile passare alternativamente da un'opzione
all'altra facendo clic in questa sezione del display.
KNAME DISPLAY
(Visualizzazione indicatore [NAME])
Selezionare una delle opzioni seguenti come contenuto
degli indicatori [NAME] della channel strip INPUT e
della strip DCA.
• NAME
Gli indicatori consentiranno di visualizzare i nomi
assegnati ai canali di ingresso/gruppi DCA nella
schermata NAME della funzione INPUT PATCH
(ASSEGNAZIONE INPUT) (
➥
p. 282)
• PORT (PORTA)
Per i canali di ingresso, gli indicatori mostreranno il
nome della porta correntemente assegnata, mentre per i
gruppi DCA, verrà visualizzato l'ID.
•ID
Sia che si tratti di canali di ingresso che di gruppi DCA,
verrà indicato l'ID fisso.
LWARNING DISPLAY
(VISUALIZZAZIONE AVVISI)
In quest'area è possibile selezionare se verrà visualizzato o
meno un avviso quando si verificano i seguenti problemi.
• TIME CODE DROP
(ELIMINAZIONE TIME CODE)
Quando il time coderale (LTC, MTC) ricevuto da un
dispositivo esterno viene eliminato.
• DIGITAL I/O ERROR (ERRORE I/O DIGITALE)
Quando viene rilevato un errore DIO.
• MIDI I/O ERROR (ERRORE I/O MIDI)
Quando viene rilevato un errore MIDI.
M
CHANNEL NAME NUMERIC DISPLAY (VISUA-
LIZZAZIONE NUMERICA NOME CANALE)
• ENCODER VALUE (VALORE ENCODER)
Quando si utilizza un encoder (impostazione pan),
il display del nome indicherà quel valore.
• FADER VALUE (VALORE FADER)
Quando si utilizza un fader, il display del nome
indicherà quel valore.
N
SOFTWARE VERSION (VERSIONE SOFTWARE)
Indica la versione del software operativo dell'unità
(firmware).
OBATTERY (BATTERIA)
Indica la tensione della batteria interna.
P
POWER SUPPLY (ALIMENTATORE, solo DSP5D)
Indica lo stato dell'alimentatore dell'unità DSP5D.
Segnalerà "INTERNAL" se l'unità DSP5D utilizza il
relativo alimentatore interno, oppure "EXTERNAL"
qualora utilizzi l'alimentatore esterno PW800W.
QINTERNAL CLOCK (CLOCK INTERNO)
Indica anno/mese/giorno (DATE) e ora (TIME) del
clock interno.
Se si desidera modificare l'impostazione, fare clic sul
pulsante SET (IMPOSTA).
R
BACKGROUND COLOR (COLORE DI SFONDO)
Indica il colore di sfondo dello schermo relativo a
ciascuna macchina. Se le unità PM5D e DSP5D sono
collegate in cascata, il colore diverso dello sfondo
consentirà di distinguere le macchine con maggiore
facilità quando si passa da un all'altra per il controllo.
SNETWORK (RETE, solo DSP5D)
In quest'area è possibile configurare le impostazioni di
rete utilizzate quando il connettore [NETWORK]
dell'unità DSP5D è collegato al computer tramite un
cavo Ethernet (
➥
p. 159).
J
K
L
M
N
O
P
Q R S

Funzione UTILITY
208 PM5D/PM5D-RH V2/DSP5D – Manuale di istruzioni Sezione riferimenti
In questa schermata è possibile assegnare funzioni ai tasti
definiti dall'utente (tasti USER DEFINED [1]–[25]).
ABANK (BANCO)
Consente di selezionare un banco A–D (gruppi di
funzioni assegnate ai tasti definiti dall'utente).
BCLEAR BANK (CANCELLA BANCO)
Consente di cancellare il banco correntemente
selezionato.
CElenco
In quest'area vengono elencate le funzioni e i parametri
delle opzioni assegnati ai tasti definiti dall'utente nel
banco correntemente selezionato.
Per modificare le impostazioni, fare clic sul pulsante
sulla sinistra per aprire la finestra USER DEFINED KEY
ASSIGN, quindi selezionare funzione e parametro dalla
seguente tabella.
Schermata USER DEFINE
(DEFINIZ. UTENTE)
USER DEFINE
2
31
FUNZIONE PARAMETRO 1 PARAMETRO 2 Spiegazione
NO ASSIGN — — Nessuna assegnazione
SCENE
INC RECALL — Consente di richiamare la scena con il numero successivo.
DEC RECALL — Consente di richiamare la scena con il numero precedente.
DIRECT RECALL SCENE #000–#500 Consente di richiamare direttamente la scena con il numero
specificato
EVENT LIST
TIME CODE [RTN TO START]
—
Stesse funzioni dei pulsanti RETURN TO START TIME,
STOP e PLAY (RITORNA A ORA DI AVVIO/ARRESTO/
ESECUZIONE) visualizzati quando è selezionato
INTERNAL come sorgente del time code nella schermata
EVENT LIST
TIME CODE [STOP]
TIME CODE [PLAY]
TIME CODE [INSERT] Stessa funzione del pulsante TIME CODE INSERT
(INSERIMENTO TIME CODE) della schermata EVENT
LIST
AUTO CAPTURE ON Stessa funzione del pulsante AUTO CAPTURE
(ACQUISIZIONE AUTOMATICA) della schermata EVENT
LIST
DIRECT EVENT RECALL EVENT #000–#999 Consente di richiamare l'evento specificato registrato nella
schermata EVENT LIST
NEXT EVENT RECALL
—
Consente di richiamare l'evento con il numero successivo
PREV EVENT RECALL Consente di richiamare l'evento con il numero precedente
ENABLE/DISABLE Consente di passare dal pulsante ENABLE al pulsante
DISABLE e viceversa nella schermata EVENT LIST
ENABLE [ALL MANUAL]/
DISABLE
Consente di passare dal pulsante ENABLE [ALL MANUAL]
al pulsante DISABLE e viceversa nella schermata EVENT
LIST
EFFECT LIBRARY DIRECT RECALL → EFFECT
1–8
INC RECALL Consente di richiamare l'elemento della libreria con il
numero successivo negli effetti 1–8
DEC RECALL Consente di richiamare l'elemento della libreria con il
numero precedente negli effetti 1–8
LIBRARY #001–#199 Consente di richiamare l'elemento della libreria con il
numero specificato negli effetti 1–8
EFFECT BYPASS EFFECT 1–EFFECT 8 BYPASS ON Consente di bypassare l'effetto specificato
INPUT CH LIBRARY
DIRECT RECALL
LIBRARY #000–#199
Consente di richiamare l'elemento della libreria con il
numero specificato nel canale/modulo GEQ selezionato
OUTPUT CH
LIBRARY
GATE LIBRARY
LIBRARY #001–#199
COMP LIBRARY
INPUT EQ LIBRARY
OUTPUT EQ
LIBRARY
INPUT PATCH
LIBRARY LIBRARY #00–#99
OUTPUT PATCH
LIBRARY
HA LIBRARY LIBRARY #000–#199
GEQ LIBRARY DIRECT RECALL → GEQ 1–20

PM5D/PM5D-RH V2/DSP5D – Manuale di istruzioni Sezione riferimenti 209
Informazioni visua-
lizzate sul display
Menu Function
(Funzioni)
Funzioni
generali
Funzioni
di output
Funzioni
di input
Appendici
TRACKING RECALL
ENABLE/DISABLE
—
Stessa funzione del pulsante ENABLE/DISABLE (ATTIVA/
DISATTIVA) nella schermata TRACKING RECALL
(RICHIAMO TRACCIA)
OFFSET LOCK Stessa funzione del pulsante OFFSET LOCK (BLOCCO
OFFSET) nella schermata TRACKING RECALL
SELECTED CH ON Consente di attivare/disattivare la funzione Tracking Recall
per il canale correntemente selezionato
TALKBACK ASSIGN
SELECTED CH ASSIGN — Quando è selezionato un canale di uscita, consente di
attivare/disattivare la trasmissione talkback per quel canale
DIRECT ASSIGN MIX 1–24, MATRIX 1–8,
STEREO A L/R,
STEREO B L/R
Consente di inviare il segnale talkback al canale di uscita
specificato
MONITOR DIRECT ASSIGN MIX 1–24, MATRIX 1–8 Consente di monitorare il canale MIX/MATRIX desiderato *1
DIMMER ON — Consente di attivare la funzione di attenuazione del monitor
TAP TEMPO
CURRENT PAGE
—
Consente di controllare la funzione Tap Tempo (Battuta
tempo) nella schermata visualizzata
EFFECT 1–EFFECT 8 Consente il controllo della funzione Tap Tempo per l'effetto
specificato
ALL EFFECTS Consente il controllo della funzione Tap Tempo per tutti gli
effetti dotati di un parametro TEMPO
SURROUND PAN GRAB SELECTED CH, ODD
CH, EVEN CH
Consente di utilizzare un joystick assegnato al GPI per
iniziare a controllare il pan surround del canale
corrispondente
NAME DISPLAY
NAME → PORT → ID — Ogni volta che si preme un tasto, l'indicatore [NAME] di
ciascun fader passerà alternativamente da nome del canale
→ nome della porta → ID (numero del canale)
ID
UNLATCH
L'indicatore [NAME] di ciascun fader mostrerà l'ID (numero
del canale) solo mentre si tiene premuto il tasto
PORT L'indicatore [NAME] di ciascun fader mostrerà il nome della
porta solo mentre si tiene premuto il tasto
NAME L'indicatore [NAME] di ciascun fader mostrerà il nome del
canale solo mentre si tiene premuto il tasto
PAGE CHANGE
PAGE BACK
—
Consente di visualizzare la schermata utilizzata subito prima
della schermata corrente
PAGE FORWARD Consente di visualizzare la schermata utilizzata subito dopo
la schermata corrente
PAGE BOOKMARK
Consente di memorizzare la schermata correntemente
visualizzata (tenere premuto il tasto per due secondi o più),
o di visualizzare la schermata memorizzata per ultima
(premere e rilasciare il tasto entro due secondi)*2
GEQ PARAM PAGE GEQ 1–20 Consente di visualizzare la schermata GEQ PARAM
EFFECT PARAM PAGE EFFECT 1–8 Consente di visualizzare la schermata EFFECT PARAM
NEXT TAB
—
Consente di visualizzare la schermata successiva per la
funzione selezionata
PREVIOUS TAB Consente di visualizzare la schermata precedente per la
funzione selezionata
LAYER SNAPSHOT — —
Consente di memorizzare lo stato del layer assegnato al
pannello (tenere premuto il tasto per due secondi o più), o di
visualizzare il layer memorizzato per ultimo (premere e
rilasciare il tasto entro due secondi)*3
DIRECT RECALL/
MUTE MASTER MODE CHANGE
LATCH Consente di cambiare la funzione dei tasti SCENE
MEMORY [1]–[8] (DIRECT RECALL/MUTE MASTER) ogni
volta che si preme il tasto User Defined
UNLATCH I tasti SCENE MEMORY [1]–[8] funzioneranno come
DIRECT RECALL mentre si tiene premuto il tasto User
Defined
USER DEFINED KEY
BANK
NEXT BANK
—
Consente di passare al banco successivo dell'assegnazione
del tasto User Defined
PREVIOUS BANK Consente di passare al banco precedente dell'assegnazione
del tasto User Defined
DIRECT SELECT BANK A–D Consente di passare al banco desiderato dell'assegnazione
del tasto User Defined
MIDI DIRECT OUT
MIDI NOTE C-2–G 8
Quando si preme il tasto, trasmette un messaggio Note-on
con il numero di nota specificato e una velocità pari a 127.
Quando si rilascia il tasto, trasmette un messaggio Note-on
con lo stesso numero di nota e una velocità pari a 0 (= note-
off)*4
MIDI PGM CHANGE 1–128 Quando si preme il tasto, trasmette un messaggio program
change con il numero specificato*4
MIDI CTRL CHANGE 0–119
Quando si preme il tasto, trasmette un messaggio control
change con il numero di controllo specificato e un valore pari
a 127. Quando si rilascia il tasto, trasmette un messaggio
control change con lo stesso numero di controllo e un valore
pari a 0*4
FUNZIONE PARAMETRO 1 PARAMETRO 2 Spiegazione

Funzione UTILITY
210 PM5D/PM5D-RH V2/DSP5D – Manuale di istruzioni Sezione riferimenti
Nota
In modalità PREVIEW, le seguenti funzioni USER DEFINE relative all'elaborazione del segnale interno sono disattivate:
EVENT LIST, TALKBACK ASSIGN, MONITOR, MIDI DIRECT OUT, MACHINE CONTROL e GPI OUT CONTROL.
MACHINE CONTROL
SET LOCATION, RS-422 REC,
RS-422 PLAY, RS-422 STOP,
RS-422 FF, RS-422 REW, RS-
422 LOCATE 1–20
—Trasmette il comando RS422/MMC specificato dal
connettore RS422 REMOTE o dalla porta MIDI valida (il
comando SET LOCATION è comune sia a RS422 che a
MMC)
MMC REC, MMC PLAY, MMC
STOP, MMC FF, MMC REW,
MMC LOCATE 1–20 MMC ID= 1–127, ALL
GPI OUT CONTROL PORT 1–12
LATCH Ogni volta che si preme il tasto, lo stato della porta GPI OUT
specificata passa da attivo a inattivo e viceversa
UNLATCH Mentre si tiene premuto il tasto, lo stato della porta GPI OUT
passa da attivo a inattivo
PM5D EDITOR
CONTROL *5 *5 Consente di passare da una finestra all'altra in PM5D Editor
su un PC
SET NOMINAL
LEVEL ——
Se si tiene premuto questo tasto e si preme un tasto [SEL], il
fader del canale verrà impostato sul livello nominale (mentre
si tiene premuto il tasto, si illumineranno solo i tasti [SEL] dei
canali non impostati sul livello nominale). In alternativa è
possibile impostare il livello su nominale spostando il
cursore sulla manopola presente nella schermata (livello,
guadagno EQ) o fader e premendo il tasto [ENTER] mentre
si tiene premuto questo tasto.
SET DEFAULT
VALUE ——
Se si sposta il cursore su una manopola o su un fader
presente nella schermata, e si preme quindi il tasto [ENTER]
mentre si tiene premuto questo tasto, il controllo tornerà allo
stato di default
ENCODER MODE
KEY
PAN
—
Stessa funzione del tasto [PAN] nella sezione ENCODER
MODE del pannello superiore
GAIN/ATT Stessa funzione del tasto [GAIN/ATT] nella sezione
ENCODER MODE del pannello superiore
ALT LAYER Stessa funzione del tasto [ALT LAYER] nella sezione
ENCODER MODE del pannello superiore
MIX SEND 1–24 Stessa funzione dei tasti MIX SEND SELECT [1]--[24] nella
sezione ENCODER MODE del pannello superiore
FADER FLIP — Stessa funzione del tasto [FLIP] nella sezione FADER FLIP
del pannello superiore
SELECTED CH INSERT ON/OFF — Consente di attivare o disattivare l'inserimento per il canale
selezionato
STEREO STRIP
SECTION STEREO A, STEREO B MONITOR, CUE
Consente di selezionare i canali STEREO A/B, Monitor o
Cue come funzione controllata dal fader STEREO e dal
tasto [ON] della channel strip STEREO A/B
Spento: è attivato Monitor o CUE
Illuminato: sono attivati i canali STEREO A/B
DSP5D CONTROL
MACHINE SELECT #1(PM5D), #2(DSP5D),
#3(DSP5D)
Consente di selezionare l'unità PM5D o DSP5D (#2 o #3)
come macchina che verrà controllata dalle operazioni del
pannello (illuminato se è selezionata la macchina
specificata)
CH STRIP LAYER DIRECT
#1(PM5D) CH1-24,
#1(PM5D) CH25-48,
#2(DSP5D) CH1-24,
#2(DSP5D) CH25-48,
#3(DSP5D) CH1-24,
#3(DSP5D) CH24-48,
#1(PM5D) STIN1-4,
#1(PM5D) FX RTN1-4,
#2(DSP5D) STIN1-4,
#2(DSP5D) FX RTN1-4,
#3(DSP5D) STIN1-4,
#3(DSP5D) FX RTN1-4
Consente di passare le channel strip INPUT o ST IN/FX
RTN a un layer della macchina desiderata (illuminato se è
selezionato il layer specificato)
*1. Il canale corrispondente verrà selezionato nel campo DEFINE (DEFINIZIONE) della schermata MONITOR e la sorgente di
monitoraggio passerà a DEFINE.
*2. Il LED dei tasti User Defined per i quali è stata memorizzata una schermata si illuminerà. La colonna a destra dell'elenco nella
schermata USER DEFINE riporterà il nome della schermata memorizzata.
*3. I layer che è possibile memorizzare comprendono i seguenti elementi.
- Il layer selezionato nella channel strip INPUT (CH 1-24, CH 25-48, MIDI REMOTE)
- Il layer selezionato nella channel strip ST IN/FX RTN (ST IN 1-4, FX RTN 1-4, MIDI REMOTE)
- Il layer mostrato dalla channel strip DCA (DCA, A–F, GEQ)
- Se la channel strip DCA controlla il modulo GEQ, il numero del modulo GEQ e la banda
- La modalità dell'encoder selezionata da ENCODER MODE (SEND, PAN, HA, ATT, ALT)
- Stato della sezione FADER FLIP
- La mandata a MIX correntemente selezionata
- La modalità selezionata nella sezione MIX (MIX SEND, MIX MASTER)
- La sorgente selezionata nella sezione METER (CH 1-24 ST IN, CH 25-48 ST IN, MIX/MATRIX)
*4. La porta di uscita e il canale MIDI possono essere specificati nella schermata MIDI SETUP.
*5. Questo parametro consente di specificare la finestra di PM5D Editor che si desidera controllare. Se la finestra specificata è chiusa o
inattiva, verrà aperta e attivata. Se la finestra specificata è già aperta e attiva, verrà chiusa.
FUNZIONE PARAMETRO 1 PARAMETRO 2 Spiegazione

PM5D/PM5D-RH V2/DSP5D – Manuale di istruzioni Sezione riferimenti 211
Informazioni visua-
lizzate sul display
Menu Function
(Funzioni)
Funzioni
generali
Funzioni
di output
Funzioni
di input
Appendici
In questa schermata è possibile salvare dati di scene e
librerie dell'unità PM5D su una scheda di memoria inserita
nello slot MEMORY CARD. Non è possibile utilizzare
questa schermata in modalità PREVIEW.
Suggerimento
Se le unità PM5D e DSP5D sono collegate in cascata, le
impostazioni di ciascuna macchina possono essere salvate
in modo consecutivo con un'unica operazione.
AMODE
Selezionare una delle seguenti modalità per il
salvataggio dei file: BASIC, ADVANCED, CSV
EXPORT. Il lato sinistro della schermata cambierà in
base alla modalità selezionata.
❏Modalità BASIC (BASE)
In modalità BASIC è possibile salvare tutti i dati della
memoria scene e della libreria (o solo una parte selezionata
dei dati) su una scheda. Se è selezionato BASIC, sul lato
sinistro della schermata saranno visualizzati gli elementi
riportati nella tabella seguente.
BSelezione degli elementi da salvare
Selezionare uno dei seguenti pulsanti per specificare i
dati dai salvare.
Schermata SAVE (SALVATAGGIO)
SAVE
1
Pulsante Contenuto
ALL DATA Tutti gli elementi di ciascun tipo e il
contenuto della scena corrente
SCENE MEMORY Contenuto della memoria scene
LINKED LIBRARY Librerie collegate alla scena
(disponibile solo se il pulsante
SCENE MEMORY è attivato)
HA Contenuto della libreria dell'head
amplifier
INPUT PATCH Contenuto della libreria di
assegnazione input
OUTPUT PATCH Contenuto della libreria di
assegnazione output
INPUT CH Contenuto della libreria del canale di
ingresso
OUTPUT CH Contenuto della libreria del canale di
uscita
INPUT EQ Contenuto della libreria dell'EQ di
ingresso
OUTPUT EQ Contenuto della libreria dell'EQ di
uscita
GATE Contenuto della libreria del gate
COMP Contenuto della libreria del
compressore
EFFECT Contenuto della libreria di effetti
GEQ Contenuto della libreria
dell'equalizzatore grafico
SETUP Varie impostazioni non salvate nelle
scene
USER DEFINED
KEY Impostazioni del tasto definito
dall'utente
DCA FADER MODE Impostazioni della modalità fader
MIDI REMOTE Impostazioni MIDI remote
MIDI PGM TABLE Contenuto dell'elenco della
schermata MIDI PGM CHANGE
(PROGRAM CHANGE MIDI)
2
3
Pulsante BASIC

Funzione UTILITY
212 PM5D/PM5D-RH V2/DSP5D – Manuale di istruzioni Sezione riferimenti
Se è attivato il pulsante SCENE MEMORY, HA, INPUT
PATCH o OUTPUT PATCH, sarà possibile utilizzare la
casella sulla destra per specificare il numero iniziale e
finale delle scene o degli elementi della libreria che si
desidera salvare.
Suggerimento
Se l'intervallo numerico specificato comprende scene o
elementi della libreria vuoti, le scene o gli elementi della
libreria con la numerazione corrispondente saranno vuoti al
caricamento dei dati.
CTOTAL SIZE (DIMENSIONI TOTALI)
Indica la dimensione del file degli elementi
correntemente selezionati (comune a tutte le modalità).
❏Modalità ADVANCED (AVANZATA)
In questa modalità è possibile selezionare una memoria
scene o una libreria, specificare un numero iniziale e un
numero finale e salvare l'intervallo di dati specificato su
una scheda. Se si desidera, è inoltre possibile specificare che
il numero iniziale venga spostato in avanti o indietro
quando si salvano i dati. Se è selezionato ADVANCED, sul
lato sinistro della schermata saranno visualizzati gli
elementi seguenti.
DCATEGORY (Categoria)
Indica la categoria dei dati selezionati per il salvataggio:
memorie scene o dati della libreria. Fare clic sui
pulsanti / a sinistra e a destra per modificare la
categoria.
ESOURCE (numeri sorgente da salvare)
In quest'area sono visualizzati i numeri iniziale e finale
(e i nomi delle scene o i titoli della libreria
corrispondenti) delle memorie scene o degli elementi
della libreria che saranno salvati sulla scheda. Fare clic
sui pulsanti / a sinistra e a destra di ciascuna
casella per modificare il numero.
FDESTINATION
(numeri destinazione da salvare)
In quest'area sono visualizzati i numeri iniziale e finale
(e i nomi delle scene o i titoli della libreria
corrispondenti) con i quali i dati saranno salvati sulla
scheda. Se si desidera salvare i dati sulla scheda con un
diverso intervallo numerico, fare clic sui pulsanti /
a sinistra e a destra della casella del numero iniziale.
Il valore nella casella del numero finale cambierà
automaticamente quando il numero iniziale viene
modificato.
❏Modalità CSV EXPORT
(ESPORTAZIONE CSV)
In questa modalità è possibile selezionare elementi quali
memorie scene o titoli delle librerie o nomi di canali e
memorizzarli su una scheda come file in formato CSV
separato per ciascun elemento. Se è selezionato CSV
EXPORT, sul lato sinistro della schermata saranno
visualizzati gli elementi riportati nella tabella seguente.
MIDI CTRL TABLE Contenuto dell'elenco della
schermata MIDI CTRL CHANGE
(CONTROL CHANGE MIDI)
EVENT LIST Contenuto dell'elenco della
schermata EVENT LIST
Pulsante Contenuto
Numero iniziale Numero finale
4
5
6
Pulsante ADVANCED
PM
5
D
011
012
013
014
015
AAA
BBB
CCC
DDD
EEE
001
002
003
004
005
006
AAA
BBB
CCC
DDD
EEE
FFF
➠
Scheda di memoria
Numero
iniziale
Numero
finale
8
9
J
7
Pulsante CSV EXPORT

PM5D/PM5D-RH V2/DSP5D – Manuale di istruzioni Sezione riferimenti 213
Informazioni visua-
lizzate sul display
Menu Function
(Funzioni)
Funzioni
generali
Funzioni
di output
Funzioni
di input
Appendici
GLIBRARY TITLE (TITOLO LIBRERIA)
HCHANNEL NAME (NOME CANALE)
Dalla tabella seguente, selezionare i parametri che
saranno memorizzati (titolo libreria, nome del canale).
Suggerimento
File salvati in formato CSV che è possibile modificare
mediante un elaboratore testi o un foglio di calcolo su un
computer, e ricaricare quindi nell'unità PM5D. Si ricordi
comunque che non sarà possibile ricaricare il file nell'unità
PM5D se si modifica sintassi, formato o nome del file.
Se si utilizza Microsoft Excel per modificare i file, utilizzare il
menu Data per importare il file CSV e Text File Wizard per
eliminare le virgolette delle stringhe di caratteri ("). In caso
contrario, simboli quali "–" e "+" non saranno visualizzati
correttamente.
ISET ALL
Consente di selezionare tutti gli elementi LIBRARY
TITLE/CHANNEL NAME.
JCLEAR ALL
Consente di deselezionare tutti gli elementi.
KFILE PATH (PERCORSO FILE)
Indica la directory (cartella) correntemente selezionata
sulla scheda di memoria inserita nello slot MEMORY
CARD e la posizione del file. Il nome della directory è
delimitato dai caratteri "\".
LSCAN (SCANSIONE)
Consente di eseguire la scansione della directory
correntemente selezionata sulla scheda di memoria e di
visualizzarne il contenuto nell'elenco dei file (
M
).
MElenco dei file
In quest'area vengono visualizzati i file/le directory
presenti nella directory corrente, visualizzata sempre
nella riga centrale con i campi TYPE e DATE SIZE
evidenziati.
L'elenco è suddiviso in quattro colonne; FILE NAME,
TYPE, DATE/SIZE e COMMENT. Per visualizzare il
campo COMMENT, utilizzare la barra di scorrimento
per scorrere l'elenco verso destra.
Le intestazioni nella parte superiore di ciascuna colonna
dell'elenco funzionano anche come pulsanti per
ordinare l'elenco. Quando si fa clic su questi pulsanti,
l'elenco viene visualizzato in ordine crescente o
decrescente in base all'elemento selezionato. Il testo del
pulsante correntemente selezionato diventerà rosso e
sarà visualizzata una freccia che indica l'ordinamento
crescente (
↑
) o decrescente (
↓
).
Il contenuto delle colonne visualizzato è il seguente.
• FILE NAME (NOME FILE)
Nomi dei file/directory salvati nella directory
correntemente selezionata. Se è selezionata una
directory di livello inferiore, sarà possibile passare a
quella directory facendo clic sul nome di directory
visualizzato in questa colonna.
Pulsante Contenuto
LIBRARY
TITLE
SCENE MEMORY Nomi delle memoria
scene
HA Titoli della libreria
dell'Head Amplifier
INPUT PATCH Titoli della libreria di
assegnazione input
OUTPUT PATCH Titoli della libreria di
assegnazione output
INPUT CH Titoli della libreria del
canale di ingresso
OUTPUT CH Titoli della libreria del
canale di uscita
INPUT EQ Titoli della libreria
dell'EQ di ingresso
OUTPUT EQ Titoli della libreria
dell'EQ di uscita
GATE Titoli della libreria del
gate
COMP Titoli della libreria del
compressore
EFFECT Titoli della libreria di
effetti
GEQ Titoli della libreria GEQ
CHANNEL
NAME
INPUT 1-48 Nomi dei canali di
ingresso
ST IN Nomi dei canali ST IN
FX RTN Nomi dei canali FX RTN
DCA Nomi dei DCA
PATCH
INPUT PATCH Stato della connessione
di assegnazione input
OUTPUT PATCH Stato della connessione
di assegnazione output
O
M
LK
PQ R N

Funzione UTILITY
214 PM5D/PM5D-RH V2/DSP5D – Manuale di istruzioni Sezione riferimenti
Se è selezionata una directory di livello superiore, nella
colonna sarà visualizzato il simbolo ". ." e sarà possibile
fare clic sul simbolo per tornare a quella directory.
• TYPE (TIPO)
Indica il tipo di dati salvati. Nel caso di una directory,
nella colonna sarà indicato [DIR]. I dati non potranno
essere utilizzati sull'unità PM5D se classificati come
UNKNOWN (SCONOSCIUTI).
• DATE/SIZE (DATA/DIMENSIONI)
Vengono riportate la data in cui il file è stato salvato per
l'ultima volta e la relativa dimensione. Nel caso di una
directory, sarà visualizzata solo la data di creazione.
• COMMENT (COMMENTI)
Sono visualizzati i commenti (massimo 32 caratteri)
memorizzai per i file sulla scheda di memoria. Per
creare o modificare un commento, fare clic sul campo
COMMENT del file selezionato nell'elenco per aprire la
finestra FILE COMMENT EDIT (MODIFICA
COMMENTO FILE).
NNumero di file/area libera
In quest'area sono visualizzati numero di file e directory
presenti nella directory corrente e area disponibile sulla
scheda di memoria.
Nota
Nell'elenco dei file è possibile visualizzare un massimo di
99 file e directory. Se il numero di file è superiore a 99, verrà
visualizzato il messaggio "Too Many Files" (Troppi file)
lampeggiante. In questo caso, eliminare i file non necessari
o spostarli in un'altra directory.
OSAVE (SALVATAGGIO)
Consente di salvare i dati selezionati sul lato sinistro
della schermata nella directory correntemente
selezionata. Quando si fa clic su questo pulsante, viene
visualizzata la finestra FILE NAME EDIT (MODIFICA
NOME FILE) che consente di assegnare al file un nome
di massimo otto caratteri e di salvarlo.
Nota
• Se nella directory esiste un file con lo stesso nome, un
messaggio avviserà l'utente che il file verrà sovrascritto.
Se non si desidera sovrascrivere il file esistente, sarà
possibile modificare il nome file o selezionare una directory
diversa nella quale salvare il file.
• Quando si esegue l'operazione di salvataggio in modalità
CSV EXPORT, viene creata una nuova directory nella
directory corrente della scheda di memoria, e all'interno
della nuova directory viene creato un file CSV per ciascun
elemento selezionato.
• Il nome del file CSV è fisso per ciascun tipo di dati e non è
possibile modificarlo. La directory appena creata avrà il
nome specificato al momento del salvataggio.
PRENAME (RINOMINA)
Questo pulsante consente di rinominare il file o la
directory correntemente selezionata. Quando si fa clic
su questo pulsante, viene visualizzata la finestra FILE
NAME EDIT che consente di modificare il nome.
QMAKE DIR (Crea directory)
Questo pulsante consente di creare una nuova
sottodirectory all'interno della directory correntemente
selezionata. Quando si fa clic su questo pulsante, viene
visualizzata la finestra DIR NAME EDIT (MODIFICA
NOME DIR) che consente di specificare un nome per la
nuova directory.
RDELETE
Questo pulsante consente di eliminare il file o la
directory selezionata. Quando si fa clic su questo
pulsante, viene visualizzata la finestra FILE DELETE
che chiede di confermare l'eliminazione.
Nota
• I file eliminati non possono essere recuperati.
• Se si tenta di eliminare una directory che contiene file, verrà
visualizzato un messaggio di avviso e non sarà possibile
eseguire l'operazione. Prima di eliminare una directory, è
necessario eliminare tutti i file in essa contenuti.
Nota
• Come schede di memoria, l'unità PM5D può utilizzare
schede ATA flash PCMCIA di tipo II o supporti
CompactFlash inseriti in un adattatore per schede per PC
(tensione di alimentazione pari a 3.3V/5V in entrambi i casi).
Il funzionamento non è garantito per altri tipi di supporto.
• In genere queste schede sono già formattate dal produttore,
e non è quindi necessario formattarle. Se è necessario
formattare una scheda, utilizzare un computer o un altro
dispositivo esterno per formattare la scheda in formato
FAT16.
➠ ➠

PM5D/PM5D-RH V2/DSP5D – Manuale di istruzioni Sezione riferimenti 215
Informazioni visua-
lizzate sul display
Menu Function
(Funzioni)
Funzioni
generali
Funzioni
di output
Funzioni
di input
Appendici
In questa schermata è possibile caricare nell'unità PM5D
dati di scene e librerie da una scheda di memoria inserita
nello slot MEMORY CARD. Non è possibile utilizzare
questa schermata in modalità PREVIEW.
AFILE PATH
Indica la posizione della directory (cartella) o del file
correntemente selezionato sulla scheda di memoria.
Il nome della directory è delimitato dai caratteri "\".
BSCAN
Consente di eseguire la scansione della directory
correntemente selezionata sulla scheda di memoria e
di visualizzarne il contenuto nell'elenco dei file (
3
).
CElenco dei file
In quest'area vengono visualizzati i file/le directory
presenti nella directory corrente, visualizzata sempre
nella riga centrale con i campi TYPE e DATE SIZE
evidenziati.
L'elenco è suddiviso in quattro colonne; FILE NAME,
TYPE, DATE/SIZE e COMMENT. Per visualizzare il
campo COMMENT, utilizzare la barra di scorrimento
per scorrere l'elenco verso destra. Il contenuto di
ciascuna colonna è lo stesso di quello della schermata
SAVE (
➥
p. 213).
DMode
In quest'area è possibile selezionare la modalità di
caricamento dei file. Se nell'elenco dei file è selezionato
un file non in formato CSV, sarà possibile selezionare la
modalità BASIC o ADVANCED. Il pulsante CSV sarà
visualizzato in grigio e non sarà disponibile.
Se nell'elenco dei file è selezionato un file CSV o una
directory, verrà selezionata automaticamente la
modalità CSV IMPORT. I pulsanti BASIC e
ADVANCED saranno visualizzati in grigio e non
saranno disponibili.
Il lato destro della schermata cambierà come segue in
base alla modalità selezionata.
❏Modalità BASIC
In modalità BASIC è possibile caricare tutti i dati della
memoria scene e della libreria (o solo una parte
selezionata dei dati) da una scheda. Se è selezionato
BASIC, sul lato destro della schermata saranno
visualizzati gli elementi seguenti.
ESelezione dei dati da caricare
In quest'area è possibile selezionare i dati che verranno
caricati. Il contenuto di ciascun elemento è lo stesso
di quello modalità BASIC della schermata SAVE
(
➥
p. 211). In ogni caso, gli elementi che è possibile
selezionare dipenderanno dal file correntemente
selezionato. I pulsanti per gli elementi che non è
possibile caricare saranno visualizzati in grigio e non
saranno disponibili.
Se è attivato il pulsante SCENE MEMORY, HA, INPUT
PATCH o OUTPUT PATCH, sarà possibile limitare le
scene o gli elementi della libreria da caricare utilizzando
la casella sulla destra per specificare il numero iniziale e
quello finale.
Suggerimento
Se i dati salvati sulla scheda comprendono scene o elementi
della libreria vuoti, le scene o gli elementi della libreria
corrispondenti saranno vuoti al caricamento dei dati.
Schermata LOAD (CARICAMENTO)
LOAD
3
1 2
4
6
5
Pulsante BASIC

Funzione UTILITY
216 PM5D/PM5D-RH V2/DSP5D – Manuale di istruzioni Sezione riferimenti
FLOAD
Consente di caricare i dati selezionati sul lato sinistro
della schermata nei parametri specificati. Quando si fa
clic su questo pulsante viene visualizzato un messaggio
con la richiesta di conferma dell'operazione di
caricamento. Questa impostazione è comune a tutte le
modalità.
❏Modalità ADVANCED
In questa modalità è possibile selezionare una memoria
scene o una libreria, specificare un numero iniziale e un
numero finale e caricare l'intervallo di dati specificato dalla
scheda.
GCATEGORY
Indica il tipo di dati (memoria scene o libreria) salvati
nel file correntemente selezionato.
HSOURCE (sorgente caricamento)
In quest'area sono visualizzati i numeri iniziale e finale
(e i nomi delle scene o i titoli della libreria
corrispondenti) delle memorie scene o degli elementi
della libreria che saranno caricati dalla scheda. Fare clic
sui pulsanti / a sinistra e a destra di ciascuna
casella per modificare il numero.
IDESTINATION (destinazione caricamento)
Se si è modificato il numero iniziale della destinazione
di caricamento, in quest'area sono visualizzati il
numero iniziale e il numero finale (e i nomi delle scene
o i titoli delle librerie corrispondenti) delle memorie
scene o elementi della libreria interna dell'unità PM5D
nei quali verranno caricati i dati selezionati nell'area
SOURCE. Per modificare l'impostazione, fare clic sui
pulsanti / a destra e a sinistra della casella del
numero iniziale. Il valore del numero finale cambierà
automaticamente quando il numero iniziale viene
modificato.
Suggerimento
• Anche se si sono selezionati dati salvati in modalità BASIC,
sarà possibile passare alla modalità ADVANCED e caricare
solo specifici numeri.
• Un'eccezione è costituita dal caso in cui i dati selezionati
siano stati salvati come ALL DATA o SCENE
MEMORY+LINKED LIBRARY in modalità BASIC: in questo
caso il pulsante ADVANCED sarà di colore grigio e non sarà
possibile passare alla relativa modalità.
Nota
Non è possibile eseguire il caricamento da una scheda di
memoria se l'opzione LOAD LOCK (BLOCCO CARICAM.) è
attivata nella schermata SECURITY della funzione UTILITY.
❏Modalità CSV IMPORT
Se è selezionato un file CSV o una directory, verrà
selezionata automaticamente la modalità CSV
IMPORT. Sarà eseguita una ricerca del file CSV
selezionato (o dei file CSV presenti nella directory
selezionata) e sulla destra della schermata saranno
visualizzati i seguenti elementi.
JLIBRARY TITLE
KCHANNEL NAME
Utilizzare questi pulsanti per selezionare i dati che si
desidera caricare (titoli della libreria o nomi di canali).
Il contenuto di ciascuna elemento è lo stesso di quello
della schermata SAVE.
In ogni caso sarà possibile selezionare solo elementi
corrispondenti al file CSV (o ai file CSV della directory)
selezionato nell'elenco per il caricamento. I pulsanti
degli altri elementi saranno visualizzati in grigio e non
saranno disponibili.
LSET ALL
Questo pulsante consente di selezionare tutti gli
elementi disponibili per il caricamento.
MCLEAR ALL
Consente di deselezionare tutti gli elementi.
Nota
La schermata passerà automaticamente alla modalità CSV
IMPORT anche se la directory selezionata nell'elenco non
contiene un file CSV appropriato. In questo caso tutti i pulsanti
saranno visualizzati in grigio.
7
8
9
Pulsante ADVANCED
PM
5
D
002
003
004
005
006
BBB
CCC
DDD
EEE
FFF
011
012
013
014
BBB
CCC
DDD
EEE
➠
Scheda di memoria
Numero
iniziale
Numero
finale
L
M
K
J

PM5D/PM5D-RH V2/DSP5D – Manuale di istruzioni Sezione riferimenti 217
Informazioni visua-
lizzate sul display
Menu Function
(Funzioni)
Funzioni
generali
Funzioni
di output
Funzioni
di input
Appendici
In questa schermata è possibile assegnare i canali di
ingresso/uscita desiderati agli otto fader nella sezione DCA
del pannello. È inoltre possibile assegnare la macchina, il
layer del canale INPUT e il layer ST IN/FX RTN che verrà
attivato contemporaneamente alla modalità FADER.
AMACHINE ID (ID MACCHINA)
Consente di assegnare un numero ID della macchina
(#1–#3) che sarà la destinazione delle operazioni del
pannello. Se si seleziona "STAY", la macchina non
cambierà.
BINPUT
Consente di assegnare il layer utilizzato dalla channel
strip INPUT. È possibile selezionare 1–24 or 25–48.
Se si seleziona "STAY", il layer non cambierà.
C1–8 (fader DCA 1–8)
In questa sezione è possibile assegnare il canale che sarà
utilizzato da ciascun fader. È possibile selezionare CH
1–48, STIN1L–STIN4R, FXRTN1L–FXRTN4R, MIX1–
24, MATRIX1–8, DCA1–8, MONITOR LEVEL o CUE
LEVEL per ciascuna macchina. Se si seleziona "STAY",
i fader non cambieranno. Se si seleziona "----", i fader
saranno disattivati.
DST IN/FX RTN
Consente di assegnare il layer che verrà utilizzato dalla
channel strip ST IN/FX RTN. È possibile selezionare
ST IN o FX RTN per ciascuna macchina. Se si seleziona
"STAY", la macchina non cambierà.
EFADER MODE
Indica la modalità fader correntemente selezionata
(layer A–F, DCA). È anche possibile fare clic sui
pulsanti per cambiare direttamente la modalità fader.
La macchina, la channel strip INPUT, i fader DCA e
la channel strip ST IN/FX RTN cambieranno.
FFader 1-8
Il parametro assegnato a ciascun fader della sezione dei
fader DCA è visualizzato in questa sezione e dipenderà
dalla modalità fader correntemente selezionata. È
inoltre possibile utilizzare direttamente il fader
trascinandolo verso l'alto o verso il basso.
GSTEREO A/STEREO B
Consente di selezionare la funzione utilizzata dai fader
STEREO e dai tasti STEREO [ON] della channel strip
STEREO A/B. È possibile selezionare ST A/B,
MONITOR o CUE.
Suggerimento
Le impostazioni
1
–
4
e
7
non cambieranno finché non si
preme il tasto ENTER per confermare.
Schermata FADER ASSIGN
(ASSEGNAZIONE FADER)
FADER ASSIGN
1 2 4 53
6
7

Funzione UTILITY
218 PM5D/PM5D-RH V2/DSP5D – Manuale di istruzioni Sezione riferimenti
In questa schermata è possibile impedire l'utilizzo della
console (Console Lock), modifiche di parametri specifici
(Parameter Lock) o disabilitare il caricamento di file (Load
Lock). È possibile specificare due password di diverso
livello per consentire il blocco e lo sblocco.
ASYSTEM PASSWORD
(PASSWORD DI SISTEMA)
Password permanente (di massimo otto caratteri) per
l'intero sistema. La password specificata è valida per il
pulsante PARAMETER LOCK (BLOCCO
PARAMETRI) (
2
) e per il pulsante CONSOLE LOCK
(BLOCCO CONSOLE) (
4
). In ogni caso è possibile
eseguire l'operazione di blocco anche senza specificare
una password.
Se non si è specificata alcuna password, nella casella
verrà indicato "--FREE--". Se è stata specificata una
password, saranno visualizzati degli asterischi (*) che
rappresentano i caratteri della password.
Per impostare o modificare la password, fare clic sul
pulsante per visualizzare la finestra SYSTEM
PASSWORD CHANGE (MODIFICA PASSWORD
DI SISTEMA).
Quando si imposta la password per la prima volta, sarà
necessario immettere la stessa password due volte per
confermarla. Per modificare la password, sarà
necessario specificare la vecchia password e la nuova
password. Specificando una password vuota come
nuova password sarà possibile ripristinare lo stato in cui
non è stata impostata alcuna password.
Nota
La password di sistema resta memorizzata anche dopo lo
spegnimento del sistema. Quindi se si dimentica la password
di sistema, non sarà possibile disattivare le funzioni
Parameter Lock o Console Lock, a meno che non venga
inizializzata l'intera memoria dell'unità PM5D (
➥
p. 160).
Prestare quindi attenzione a non perdere la password di
sistema.
BPARAMETER LOCK
Questo pulsante consente di attivare o disattivare il
blocco dei parametri selezionati nell'area LOCK
PARAMETER SELECT (SELEZIONE BLOCCO
PARAMETRI) (
5
). Se non è selezionato alcun
parametro, questi pulsanti saranno visualizzati in grigio
e non sarà possibile attivarli. Se è stata impostata la
password di sistema, facendo clic su questo pulsante
verrà visualizzata la finestra SYSTEM PASSWORD
CHECK (VERIFICA PASSWORD DI SISTEMA) nella
quale sarà necessario immettere la password di sistema.
CLOAD LOCK
Questo pulsante consente di disattivare le operazioni di
blocco dei file. Se è stata impostata la password di
sistema, facendo clic su questo pulsante verrà
visualizzata la finestra SYSTEM PASSWORD CHECK
nella quale sarà necessario immettere la password di
sistema.
DCONSOLE LOCK
Questo pulsante consente di bloccare il funzionamento
della console. Se è stata impostata la password di
sistema, facendo clic su questo pulsante verrà
visualizzata la finestra SYSTEM PASSWORD CHECK
nella quale sarà necessario immettere la password di
sistema.
ELOCK PARAMETER SELECT
Se il pulsante PARAMETER LOCK (
2
) è attivato, sarà
possibile selezionare dalla tabella riportata di seguito i
parametri per i quali sarà disattivata la possibilità di
modifica. Finché il pulsante PARAMETER LOCK (
2
)
è attivato, non sarà possibile modificare questi
parametri.
Schermata SECURITY (SICUREZZA)
SECURITY
1
3
4
2
SYSTEM
CONFIGURATION
(CONFIGURAZIONE
DEL SISTEMA)
Modifica delle impostazioni delle
schermate MIXER SETUP
(IMPOSTAZ. MIXER) e CASCADE
(COLLEGAMENTO IN CASCATA)
WORD CLOCK
SETUP
(CONFIGURAZIONE
WORD CLOCK)
Modifica dell'impostazione del word
clock
DITHER Modifica delle impostazioni relative
al dithering
INPUT PATCH Modifica delle impostazioni (e nomi)
di assegnazione input
OUTPUT PATCH Modifiche delle impostazioni di
assegnazione output
INPUT CH ON/OFF Operazioni di attivazione/
disattivazione dei canali di ingresso
OUTPUT CH ON/
OFF Operazioni di attivazione/
disattivazione dei canali di uscita
MIX TO ST ON/OFF Operazioni del tasto [TO STEREO]
del canale MIX
DCA MUTE ON
Operazioni di attivazione tasto DCA
[MUTE]
Le operazioni di disattivazione non
sono riportate.
5

PM5D/PM5D-RH V2/DSP5D – Manuale di istruzioni Sezione riferimenti 219
Informazioni visua-
lizzate sul display
Menu Function
(Funzioni)
Funzioni
generali
Funzioni
di output
Funzioni
di input
Appendici
Nota
Se si attiva il pulsante RECALL LOCK (BLOCCO RICHIAMO),
i parametri specificati non saranno interessati da operazioni di
richiamo librerie o scene. Durante la sincronizzazione con
PM5D Editor/DSP5D Editor, sarà possibile eseguire la
sincronizzazione solo dall'unità stessa a PM5D Editor/DSP5D
Editor (e non in direzione opposta).
FCONSOLE PASSWORD
(PASSWORD CONSOLE)
Password temporanea (di massimo otto caratteri)
separata dalla password di sistema. La password
specificata è valida per il pulsante CONSOLE LOCK
(
7
). Il metodo per impostare o modificare la password
è identico a quello per la password di sistema.
Suggerimento
La password della console viene cancellata quando l'unità
PM5D viene spenta e tornerà allo stato in cui non è impostata
(nella casella sarà indicato "--FREE--").
GCONSOLE LOCK
Questo pulsante consente di bloccare il funzionamento
della console. Se è stata impostata la password della
console, facendo clic su questo pulsante verrà
visualizzata la finestra CONSOLE PASSWORD
CHECK nella quale sarà necessario immettere la
password della console.
Funzione SYS/W.CLOCK
In questa schermata è possibile selezionare il word clock in
base al quale funzionerà l'unità PM5D. È inoltre possibile
visualizzare e modificare le impostazioni per le schede
installate negli slot 1–4.
AMASTER CLOCK SELECT
(SELEZIONE CLOCK MASTER)
Come clock master da utilizzare, è possibile selezionare
il clock interno o l'input di un clock esterno
proveniente da un connettore o da uno slot.
Questa impostazione determina la frequenza di
campionamento per il funzionamento dell'unità.
È possibile selezionare gli elementi seguenti.
6 7
Display Contenuto
INT 96k Clock interno dell'unità PM5D
(frequenza di campionamento = 96 kHz)
INT 88.2k Clock interno dell'unità PM5D
(frequenza di campionamento = 88.2 kHz)
INT 48 k Clock interno dell'unità PM5D
(frequenza di campionamento = 48 kHz)
INT 44.1 k Clock interno dell'unità PM5D
(frequenza di campionamento = 44.1 kHz)
W.CLOCK IN Word clock fornito dal connettore WORD
CLOCK IN del pannello posteriore
CASCADE IN Word clock fornito tramite il connettore
CASCADE IN da un'altra unità PM5D
collegata in cascata
2TR IN D1 Dati di clock del segnale audio digitale
fornito dal connettore 2TR IN DIGITAL 1
2TR IN D2 Dati di clock del segnale audio digitale
fornito dal connettore 2TR IN DIGITAL 2
2TR IN D3 Dati di clock del segnale audio digitale
fornito dal connettore 2TR IN DIGITAL 3
SLOT 1–4Dati di clock del segnale audio digitale
fornito tramite una scheda I/O digitale negli
slot 1-4 (selezionabile in unità a due canali).
Schermata WORD CLOCK
WORD CLOCK
2
1

Funzione SYS/W.CLOCK
220 PM5D/PM5D-RH V2/DSP5D – Manuale di istruzioni Sezione riferimenti
Nota
Per la console DSP5D, non è possibile selezionare 2TR IN
D1–D3 o SLOT 3–4. Per CASCADE IN, è possibile scegliere
il connettore D-sub a 68 pin o il connettore RJ-45.
Lo stato operativo di ciascun clock viene indicato dal
colore del simbolo a sinistra di ogni pulsante.
Ciascun colore ha il seguente significato.
• LOCK (BLOCCO) (blu)
Indica l'input di un clock sincronizzato con la sorgente
selezionata al punto (
2
). Se al connettore o allo slot
corrispondente viene collegato un dispositivo esterno,
l'input/output tra il dispositivo e l'unità PM5D
funzionerà normalmente. Se la frequenza di
campionamento è chiusa, lo stato potrà essere
visualizzato anche in assenza di sincronia.
• UNLOCK (NON BLOCCATO) (rosso)
Nessun clock valido in ingresso. Se al connettore
corrispondente viene collegato un dispositivo esterno,
l'input/output tra il dispositivo e l'unità PM5D non
avverrà in modo corretto.
• LOCK, BUT NOT SYNC’ED
(BLOCCO; SENZA SINCRONIA) (arancione)
Un clock valido è in fase di ingresso, ma non è
sincronizzato con la sorgente clock selezionata al punto
(
2
). Se al connettore corrispondente viene collegato
un dispositivo esterno, l'input/output tra il dispositivo
e l'unità PM5D non avverrà in modo corretto.
• UNKNOWN (SCONOSCIUTO) (giallo)
Indica che non è possibile rilevare lo stato del clock
perché non è collegato alcun dispositivo esterno o
perché manca un input clock valido. Il connettore/slot
sarà selezionabile ma la sincronizzazione non riuscirà
fino a quando non verrà stabilita una connessione
valida.
• SRC ON (SRC ATTIVO) (verde)
Si tratta di uno stato speciale limitato solo a SLOT 1–4
e 2TR IN 2TR IN D1–3, che indica che la funzionalità
SRC (Sampling Rate Converter, Convertitore frequenza
di campionamento) del canale corrispondente è
abilitata. Ciò significa quindi che con l'unità PM5D si
avrà un normale input/output anche se il segnale non
è sincronizzato.
Nota
• La modifica delle impostazioni del word clock potrebbe
produrre dei disturbi sui jack di uscita. Per proteggere il
sistema di altoparlanti, accertarsi di aver disattivato l'output
degli amplificatori prima di modificare l'impostazione del
word clock.
• Se si tenta di selezionare un canale con il convertitore SRC
attivato come master word clock, verrà visualizzato un
messaggio che informa della disattivazione del convertitore
della frequenza di campionamento.
BFs (Frequenza di campionamento)
Indica la frequenza di campionamento per il
funzionamento della console PM5D. In questo campo,
durante la perdita di sincronizzazione, verrà
visualizzata l'indicazione "UNLOCKED" (NON
BLOCCATO), ad esempio subito dopo l'attivazione
del clock master.
CNumero slot/tipo scheda
In quest'area viene visualizzato il tipo di scheda I/O
digitale installata negli slot 1–4.
DINPUT FORMAT (Formato segnale di input)
EOUTPUT FORMAT
(Formato segnale di output)
Selezionare uno dei metodi riportati di seguito per lo
scambio di segnali con una scheda I/O digitale installata
nello slot quando la console PM5D funziona con una
frequenza di campionamento alta (88.2/96 kHz).
• SINGLE (SINGOLA)
Questa impostazione consente la trasmissione e la
ricezione del numero normale di canali quando
l'apparecchiatura esistente che funziona a 44.1/48 kHz
risulta collegata. La frequenza di campionamento verrà
convertita per ciascun canale della scheda I/O digitale e
verrà trasmessa/ricevuta alla metà della frequenza di
campionamento (44.1/48 kHz) della console PM5D.
Questa impostazione può essere selezionata solo per gli
slot in cui è installata una scheda I/O digitale che non
supporta 96 kHz.
• DOUBLE SPEED (DOPPIA VELOCITÀ)
Questa impostazione consente la trasmissione e la
ricezione, senza modifiche, dei segnali audio con
frequenza di campionamento alta quando
l'apparecchiatura che funziona a una frequenza di
campionamento alta (88.2/96 kHz) risulta collegata.
Questa impostazione può essere selezionata solo per gli
slot in cui è installata una scheda I/O digitale che
supporta 96 kHz.
• DOUBLE CHANNEL (CANALE DOPPIO)
Questa impostazione consente la gestione dei segnali
audio con frequenza di campionamento alta (88.2/
96 kHz) quando l'apparecchiatura esistente che
funziona a 44.1/48 kHz risulta collegata. Due canali di
segnali a metà della frequenza di campionamento della
console PM5D (44.1/48 kHz) vengono trasmessi/
ricevuti insieme come un segnale mono con frequenza
di campionamento alta. Il numero di canali utilizzabili
sarà la metà.
FFREQUENCY
(Frequenza di campionamento)
Indica la frequenza di campionamento del segnale in
ingresso in ciascun canale di una scheda I/O digitale, in
gruppi di due canali.
GSRC (Sampling Rate Converter)
Questo pulsante consente di attivare o disattivare il
convertitore della frequenza di campionamento, in
gruppi di due canali. Questa impostazione è disponibile
solo per gli slot in cui è installata una scheda I/O
digitale con un SRC integrato.
HEMPHASIS STATUS (STATO ENFASI)
Indica se l'enfasi viene applicata al segnale di input, in
gruppi di due canali. Questa impostazione è disponibile
solo per gli slot in cui è installata una scheda I/O
digitale.
4
8
53
76

PM5D/PM5D-RH V2/DSP5D – Manuale di istruzioni Sezione riferimenti 221
Informazioni visua-
lizzate sul display
Menu Function
(Funzioni)
Funzioni
generali
Funzioni
di output
Funzioni
di input
Appendici
In quest'area è possibile configurare impostazioni
applicabili all'intero sistema dell'unità PM5D.
A+48V MASTER (solo DSP5D)
Switch principale per l'alimentazione phantom (+48V)
per i jack INPUT 1–48 e ST IN 1–4. Se lo switch è
disattivato, il pulsante +48V indicato sul display sarà
disattivato.
BVIRTUAL SOUNDCHECK
(CONTROLLO AUDIO VIRTUALE)
In questa sezione è possibile configurare le
impostazioni per la funzione di controllo audio
virtuale, che modifica temporaneamente le assegnazioni
dell'input. Quando si fa clic sul pulsante di sinistra,
viene visualizzata la finestra VIRTUAL
SOUNDCHECK SETUP (CONFIGURAZ.
CONTROLLO AUDIO VIRTUALE) che consente di
assegnare una porta sostitutiva per ciascuna porta. Per
attivare queste impostazioni, fare clic sul pulsante ON/
OFF a destra.
Per ciascuna porta, è possibile specificare una porta che
verrà sostituita in modo virtuale. Non è possibile
assegnare la stessa porta a più porte. Se una porta già
assegnata in precedenza viene assegnata a una porta
diversa, l'assegnazione verrà disattivata (visualizzata in
grigio) per la porta a cui è stata sottratta l'assegnazione.
Se uno slot viene scambiato con il connettore
CASCADE IN, il numero di bus in cascata verrà
visualizzato in nero su sfondo giallo nell'area di
visualizzazione del numero di porta dello slot.
Nell'esempio riportato sopra, AD IN1–16 e SLOT 1
vengono scambiati, lo SLOT 2 è assegnato ad AD IN
17–32, quindi l'assegnazione per lo SLOT 2 viene
disattivata e lo SLOT 3/4 viene scambiato con il
connettore CASCADE IN.
CPAIR MODE
(MODALITÀ ACCOPPIAMENTO)
Selezionare uno dei due metodi riportati di seguito per
l'accoppiamento dei canali di ingresso.
• HORIZONTAL PAIR
(ACCOPPIAMENTO ORIZZONTALE)
Se questo pulsante è attivato, saranno accoppiati i
canali di ingresso con numeri adiacenti (1/2, 3/4 ...).
• VERTICAL PAIR
(ACCOPPIAMENTO VERTICALE)
Se questo pulsante è attivato, saranno accoppiati i
canali di ingresso di layer diversi che condividono lo
stesso fader (1/25, 2/26 ...). Con questa impostazione è
possibile utilizzare i fader della channel strip INPUT
per controllare fino a 24 coppie (48 canali).
Suggerimento
Il grafico visualizzato sotto i pulsanti cambierà in base alla
modalità di accoppiamento selezionata.
Quando si passa dalla modalità di accoppiamento
orizzontale a quella di accoppiamento verticale,
verranno assegnati nuovi numeri ai canali di ingresso
come riportato di seguito.
Canale 1 → nessuna modifica
Canale 2 → Canale 25
Canale 3 → Canale 2
Canale 4 → Canale 26
:
Canale 47 → Canale 24
Canale 48 → nessuna modifica
Tornando di nuovo alla modalità di accoppiamento
orizzontale, i canali torneranno alla numerazione
precedente. Ciò significa semplicemente che il canale di
ingresso denominato in precedenza "canale 2" viene ora
denominato "canale 25", ma le impostazioni di nomi e
parametri per quel canale restano invariate.
Nelle varie schermate del display (tranne che per le
schermate TRACKING RECALL e FADER VIEW),
cambiando la modalità di accoppiamento verranno
modificati solo i numeri visualizzati e non la
disposizione dei canali di ingresso.
DPAN NOMINAL POSITION
(POSIZ. NOMINALE PAN)
In quest'area è possibile specificare se un segnale sarà a
livello nominale quando è distribuito al centro, oppure
a livello nominale quando è distribuito sull'estrema
sinistra o estrema destra. Selezionare una delle due
impostazioni indicate di seguito. È possibile scegliere in
modo indipendente canali mono e canali accoppiati.
• CENTER (CENTRALE)
Il segnale sarà a livello nominale (+0 dB) quando è
distribuito al centro e salirà a +3 dB quando è
distribuito sull'estrema sinistra o estrema destra.
Schermata MIXER SETUP
MIXER SETUP
1
3
2
4

Funzione SYS/W.CLOCK
222 PM5D/PM5D-RH V2/DSP5D – Manuale di istruzioni Sezione riferimenti
•L ↔ R
Il segnale sarà a livello nominale (+0 dB) quando è
distribuito all'estrema destra o estrema sinistra e
scenderà a –3 dB quando è distribuito al centro.
Suggerimento
L'impostazione corrente viene illustrata anche nel grafico sotto
i pulsanti.
EBUS SETUP (CONFIGURAZIONE BUS)
In quest'area viene indicata la modalità bus MIX
(VARI/FIXED) (VARIABILE/FISSA) per due bus MIX
adiacenti con numerazione pari/dispari. È possibile
modificare questa impostazione facendo clic sui
pulsanti / di destra e di sinistra.
FSTEREO B
Selezionare una delle due voci riportate di seguito per
specificare in che modo funzionerà il bus STEREO.
• USE AS STEREO BUS
(UTILIZZA COME BUS STEREO)
Se questo pulsante è attivato, il bus STEREO B funziona
come un bus stereo normale: gli viene inviato lo stesso
segnale del bus STEREO A.
• USE AS CENTER BUS
(UTILIZZA COME BUS CENTRALE)
Se questo pulsante è attivato, il bus STEREO B funziona
come bus CENTER della modalità LCR. Attivando
questo pulsante, il segnale di uscita del bus CENTER
verrà aggiunto ai canali L/R del bus STEREO A,
rendendo possibile il playback LCR (playback a tre
canali). Il playback del segnale di monitoraggio verrà
eseguito anche dai tre connettori MONITOR OUT
(USCITA MONITOR) L/R/C.
Nota
Se il pulsante USE AS STEREO BUS è attivato, la modalità
LCR è disabilitata.
GSURROUND BUS ALLOCATION
(ALLOCAZIONE BUS SURROUND)
Selezionare una delle due serie di bus MIX che verrà
utilizzata come bus surround.
MIX 1-8 . . . . . bus MIX 1–8
MIX 9-16 . . . . bus MIX 9–16
HSURROUND MODE
(MODALITÀ SURROUND)
Scegliere una delle modalità seguenti come modalità
surround quando si utilizza la funzione di Pan
surround (
➥
p. 142).
• STEREO
Modalità stereo normale.
• 3-1ch
Modalità che utilizza quattro canali: L (anteriore
sinistro), C (anteriore centrale), R (anteriore destro) e
S (surround).
• 5.1ch
Modalità che utilizza sei canali: L (anteriore sinistro),
C (anteriore centrale), R (anteriore destro),
Ls (posteriore sinistro) e LFE (subwoofer).
• 6.1ch
Modalità che utilizza sette canali: 5.1ch con l'aggiunta
di Bs (posteriore centrale).
Suggerimento
Il grafico visualizzato sotto i pulsanti cambierà in base alla
modalità selezionata.
6
58
7
L (anteriore
sinistro) C
(anteriore centrale) R (anteriore
destro)
S
(surround)
LFE
(subwoofer)
Ls (posteriore
sinistro) Rs (posteriore
destro)
L (anteriore
sinistro) C
(anteriore centrale) R (anteriore
destro)
LFE
(subwoofer)
Ls (posteriore
sinistro) Rs (posteriore
destro)
L (anteriore
sinistro) C
(anteriore centrale) R (anteriore
destro)
Bs
(posteriore centrale)

PM5D/PM5D-RH V2/DSP5D – Manuale di istruzioni Sezione riferimenti 223
Informazioni visua-
lizzate sul display
Menu Function
(Funzioni)
Funzioni
generali
Funzioni
di output
Funzioni
di input
Appendici
ITYPE SELECT (SELEZIONE TIPO)
Fare clic su questa finestra per accedere alla finestra
CASCADE TYPE SELECT (SELEZIONE TIPO
CASCATA), in cui è possibile selezionare il tipo di
collegamento in cascata.
Nota
• Impostare il tipo di collegamento in cascata affinché
corrisponda all'effettivo collegamento. Se il tipo non
corrisponde, il sistema non funzionerà correttamente.
• Il margine superiore dei bus può essere collegato in cascata
secondo il tipo di collegamento selezionato.
Nell'area CASCADE CONNECTION della schermata
MIXER SETUP, il colore del percorso (freccia spessa)
tra le macchine indica il tipo o lo stato del percorso nel
modo seguente.
Blu: percorso che somma i bus di ciascuna
macchina
Giallo: percorso che riporta il segnale finale dei bus
collegati in cascata
Rosso: percorso non collegato correttamente
Grigio: percorso per cui non è possibile stabilire se
il collegamento è corretto
Ciò significa che per far funzionare correttamente il
collegamento in cascata, è necessario configurare
collegamenti e impostazioni in modo che nessun
percorso venga visualizzato in rosso o in grigio. I
numeri riportati sopra o sotto ogni percorso indicano il
numero di ciascuna macchina compresa nei segnali che
passano per i percorsi.
• PM5D-PM5D
Questo sistema consente di collegare direttamente in
cascata le unità PM5D. È possibile collegare fino a
quattro unità PM5D. Utilizzare
L
–
Q
per indicare i
dettagli del collegamento in cascata.
• PM5D-DCU5D — DCU5D-PM5D
Questo sistema consente di collegare in cascata due
unità DCU5D e due unità PM5D per estendere la
distanza del collegamento in cascata. È possibile
collegare fino a due unità PM5D. Utilizzare
L
–
Q
per
indicare i dettagli del collegamento in cascata.
• PM5D-DSP5D
Questo sistema consente di collegare in cascata un'unità
DSP5D alla console PM5D, portando il numero di
canali a 96 canali di ingresso mono.
• PM5D-DCU5D — DSP5D
Questo sistema consente di collegare in cascata una
console DCU5D e una console DSP5D all'unità PM5D,
aggiungendo 48 ingressi mono remoti.
• PM5D-DSP5D-DSP5D
Questo sistema consente di collegare in cascata due
unità DSP5D alla console PM5D, portando il numero
di canali a 144 canali di ingresso mono.
• PM5D-DCU5D — DSP5D-DSP5D
Questo sistema consente di collegare in cascata una
console DCU5D e due unità DSP5D alla console
PM5D, aggiungendo 96 ingressi mono remoti.
9

Funzione SYS/W.CLOCK
224 PM5D/PM5D-RH V2/DSP5D – Manuale di istruzioni Sezione riferimenti
• PM5D-DCU5D — DSP5D-DCU5D — DSP5D
Questo sistema consente di collegare in cascata due
unità DCU5D e due unità DSP5D alla console PM5D,
aggiungendo due set di 48 ingressi mono remoti.
J
CASCADE ENABLE/DISABLE (ATTIVAZIONE/
DISATTIVAZIONE CASCATA)
Consente di attivare/disattivare la funzione di
collegamento in cascata.
Nota
Se si modificano le impostazioni dei parametri CASCADE
CONNECTION (COLLEGAMENTO IN CASCATA) (
9
–
Q
), la
funzione di collegamento in cascata verrà temporaneamente
disattivata.
KDME CONTROL (COTROLLO DME)
Questo pulsante consente di accedere alla schermata
DME CONTROL (
➥
p. 199).
Le voci seguenti L–Q sono visualizzate solo se si
seleziona "PM5D-PM5D" o "PM5D-DCU5D — DCU5D-
PM5D" come tipo di collegamento in cascata. Se si
seleziona un collegamento in cascata che comprende una
console DSP5D, le stesse impostazioni vengono
configurate automaticamente e saranno di sola
visualizzazione.
LCASCADE FROM
(Sorgente del collegamento in cascata)
Selezionare una delle voci seguenti come dispositivo
esterno che invia segnali audio all'unità PM5D tramite
un collegamento in cascata.
MCASCADE IN PORT SELECT
(SELEZ. PORTA INGRESSO CASCATA)
Selezionare una delle voci seguenti come porta che
dovrà ricevere i segnali audio dal dispositivo collegato
in cascata.
Suggerimento
• Se si seleziona una voce diversa da CASCADE IN, il
segnale proveniente dallo slot verrà assegnato all'ingresso
in cascata e il segnale proveniente dal connettore
CASCADE IN verrà assegnato all'ingresso slot
corrispondente.
• Il segnale assegnato dal connettore CASCADE IN
all'ingresso slot può essere utilizzato come sorgente di
assegnazione nella schermata IN PATCH
(ASSEGNAZIONE INGRESSO).
• CASCADE IN
È possibile ricevere fino a 30 canali di segnali audio da
un'altra unità PM5D tramite il connettore CASCADE
IN del pannello posteriore. Se si seleziona PM5D come
sorgente cascata (
L
), sarà possibile anche trasmettere e
ricevere i segnali di controllo per il collegamento
parametri.
• SLOT 4
È possibile ricevere fino a 16 canali di segnali audio
tramite i canali di ingresso 1–16 di una scheda I/O
installata nello slot 4 del pannello posteriore. Se si
seleziona questa impostazione, i segnali provenienti dal
connettore CASCADE IN (canali 1–16) verranno
invece assegnati ai canali 1–16 della porta SLOT IN
(INGRESSO SLOT) 4.
• SLOT 3/4
È possibile ricevere fino a 30 canali di segnali audio
tramite i canali di ingresso 1–16 delle schede I/O
installate negli slot 3 e 4 (i canali 15/16 dello SLOT 4
non vengono utilizzati, quindi sono realmente
disponibili solo 30 canali). Se si seleziona questa
impostazione, i segnali provenienti dal connettore
CASCADE IN (canali 1–32) verranno invece assegnati
ai canali 1–16 delle porte SLOT IN 3/4.
• SLOT 1-4 [CH1-8]
È possibile ricevere fino a 30 canali di segnali audio
tramite i canali di ingresso 1–8 delle schede I/O
installate negli slot 1–4 (i canali 7/8 dello SLOT 4 non
vengono utilizzati, quindi sono realmente disponibili
solo 30 canali). Se si seleziona questa impostazione, i
segnali provenienti dal connettore CASCADE IN
Display Dispositivo
sorgente
Porta di
ingresso per
cascata
disponibile
Collegame
nto
parametri
—Collegamento in
cascata disabilitato
CASCADE IN,
SLOT 3/4, SLOT
1-4 [CH1-8],
SLOT 1-4 [CH9-
16]
Non
eseguibile
PM5D o
PM5D+D
CU5D Altra unità PM5D CASCADE IN Eseguibile*1
*1. I parametri collegati vengono specificati nella schermata
CASCADE.
DM2000/
02R96 Yamaha DM2000 o
02R96 CASCADE IN
Non
eseguibile
MIXER
[30BUS]
Un mixer diverso
da quello riportato
sopra (massimo 30
bus)
SLOT 3/4,
SLOT 1-4 [CH1-
8], SLOT 1-4
[CH9-16]
MIXER
[16BUS]
Un mixer diverso
da quello riportato
sopra (massimo 16
bus)
SLOT 4
J
NL QP
M O K
CASCADE IN
CH 1-16
SLOT 4
SLOT IN 1 (CH 1–16)
SLOT IN 2 (CH 1–16)
SLOT IN 3 (CH 1–16)
CH 1-16
SLOT 1-3
SLOT IN 4 (CH 1–16)
CASCADE IN
CH 1-16
16 canali
16 canali
CASCADE IN
CH 1-16
SLOT 3/4
CH 1-16
SLOT 1/2
CASCADE IN
CH 1-32
SLOT IN 1 (CH 1–16)
SLOT IN 2 (CH 1–16)
SLOT IN 3 (CH 1–16)
SLOT IN 4 (CH 1–16)
30 canali
32 canali

PM5D/PM5D-RH V2/DSP5D – Manuale di istruzioni Sezione riferimenti 225
Informazioni visua-
lizzate sul display
Menu Function
(Funzioni)
Funzioni
generali
Funzioni
di output
Funzioni
di input
Appendici
(canali 1–32) verranno invece assegnati ai canali 1–8
delle porte SLOT IN 1–4.
• SLOT 1-4 [CH9-16]
È possibile ricevere fino a 30 canali di segnali audio
tramite i canali di ingresso 9–16 delle schede I/O
installate negli slot 1–4 (i canali 15/16 dello SLOT 4 non
vengono utilizzati, quindi sono realmente disponibili
solo 30 canali). Se si seleziona questa impostazione, i
segnali provenienti dal connettore CASCADE IN
(canali 1–32) verranno invece assegnati ai canali 9–16
delle porte SLOT IN 1–4.
NCASCADE TO (Destinazione della
trasmissione del collegamento in cascata)
Come dispositivo esterno a cui verranno trasmessi i
segnali audio e verranno scambiati i segnali di controllo
sul collegamento in cascata, è possibile selezionare
PM5D/PM5D+DCU5D (quindi un'unità PM5D
diversa) oppure "----" (trasmissione disabilitata).
OCASCADE OUT PORT SOURCE SELECT
(SELEZ. SORGENTE PORTA USCITA
CASCATA)
Selezionare una delle voci riportate di seguito come
sorgente del segnale che verrà emesso dal connettore
CASCADE OUT (USCITA CASCATA).
Suggerimento
Se si seleziona un'impostazione diversa da CASCADE OUT,
gli stessi segnali verranno trasmessi sia agli slot
corrispondenti che al connettore CASCADE OUT.
• CASCADE OUT
I segnali audio inviati dalla funzione di collegamento in
cascata verranno trasmessi dal connettore CASCADE
OUT. Se si seleziona l'unità PM5D come destinazione
della trasmissione (
N
), sarà possibile anche trasmettere
e ricevere i segnali di controllo per il collegamento
parametri. Nella schermata CASCADE è possibile
selezionare il tipo di segnali che verranno trasmessi.
• SLOT 3/4
Gli stessi segnali audio (fino a 32 canali) trasmessi dai
canali di uscita 1–16 degli slot 3/4 verranno trasmessi in
parallelo dal connettore CASCADE OUT.
• SLOT 1-4 [CH1-8]
Gli stessi segnali audio (fino a 32 canali) trasmessi dai
canali di uscita 1–8 degli slot 1–4 verranno anche
trasmessi in parallelo dal connettore CASCADE OUT.
• SLOT 1-4 [CH9-16]
Gli stessi segnali audio (fino a 32 canali) trasmessi dai
canali di uscita 9–16 degli slot 1–4 verranno anche
trasmessi in parallelo dal connettore CASCADE OUT.
PCASCADE MODE (MODALITÀ CASCATA)
Selezionare una delle due modalità di funzionamento
nel caso di un collegamento in cascata di più unità
PM5D.
• MASTER
Se la funzione Cascade è abilitata, i segnali di controllo
verranno inviati a una console PM5D esterna.
• SLAVE
Se la funzione Cascade è abilitata, i segnali di controllo
verranno ricevuti da una console PM5D esterna.
QBI-DIRECTION
(Comunicazione bidirezionale)
Quando sono collegate più unità PM5D, questo
pulsante consente di selezionare se i segnali audio
verranno missati tra un'unità e l'altra.
Impostare la modalità Cascade e il pulsante BI-
DIRECTION in base al tipo di collegamento in cascata,
come indicato di seguito.
Se vengono collegate in cascata due unità PM5D in una
tipologia ad "anello" (ovvero, collegare il connettore
CASCADE IN di ciascuna unità al connettore OUT
dell'altra unità), impostare la modalità di cascata su
MASTER per un'unità e su SLAVE per l'altra unità.
Attivare il pulsante BI-DIRECTION per entrambe le
unità.
In questo stato, l'unità SLAVE seguirà quando si
utilizza l'unità MASTER. Verrà trasmesso lo stesso
missaggio da entrambe le unità PM5D.
Se si utilizza un collegamento a margherita per due-
quattro unità PM5D (ovvero collegare CASCADE OUT
della prima unità
→
CASCADE IN della seconda unità
e CASCADE OUT della seconda unità
→
CASCADE IN
della terza unità, collegando massimo quattro unità),
impostare l'unità PM5D all'ultimo posto della catena
come MASTER e le restanti unità PM5D come SLAVE.
Disattivare il pulsante BI-DIRECTION per tutte le
unità.
CASCADE IN
CH 1-8
SLOT 1-4
CH 9-16
SLOT 1-4
SLOT IN 1–4 (CH 9–16)
SLOT IN 1–4 (CH 1–8)
CASCADE IN
CH 1-32
30 canali
32 canali
CASCADE IN
CH 9-16
SLOT 1-4
CH 1-8
SLOT 1-4
SLOT IN 1–4 (CH 1–8)
SLOT IN 1–4 (CH 9–16)
CASCADE IN
CH 1-32
30 canali
32 canali
PM5D A
CASCADE
IN
CASCADE
OUT
CASCADE
IN
CASCADE
OUT
PM5D B
CASCADE MODE= MASTER
BI-DIRECTION= ON
CASCADE MODE= SLAVE
BI-DIRECTION= ON
Segnali audio
A+B
Segnali audio
A+B
(master cascata) (slave cascata)

Funzione SYS/W.CLOCK
226 PM5D/PM5D-RH V2/DSP5D – Manuale di istruzioni Sezione riferimenti
In questo stato, le unità SLAVE seguiranno quando si
utilizza l'unità MASTER. Il missaggio finale di tutti i
segnali verrà emesso dall'unità PM5D collegata
all'ultimo posto della catena.
In questa sezione è possibile configurare diverse
impostazioni relative al collegamento in cascata.
A
CASCADE ENABLE/DISABLE (ATTIVAZIONE/
DISATTIVAZIONE CASCATA)
Consente di attivare o disattivare il collegamento in
cascata.
BCASCADE LINK
(COLLEGAMENTO IN CASCATA)
In quest'area è possibile selezionare le operazioni e i
parametri che verranno collegati quando più unità
PM5D sono collegate in cascata. È possibile selezionare
gli elementi seguenti.
• SCENE RECALL (RICHIAMO SCENA)
Operazioni di richiamo di una scena/Operazioni di
annullamento richiamo
• SCENE STORE/EDIT
(MEMORIZZAZIONE/MODIFICA SCENA)
Operazioni di memorizzazione di una scena, operazioni
di annullamento memorizzazione, modifica titolo,
ordinamento
• CUE/SOLO LOGIC
(LOGICA DI ATTIVAZIONE/ISOLAMENTO)
Operazioni di attivazione/isolamento (tuttavia, tutte le
impostazioni Cue vengono annullate quando si effettua
il collegamento)
CASCADE MODE= SLAVE
BI-DIRECTION= OFF
PM5D C
CASCADE MODE= MASTER
BI-DIRECTION= OFF
PM5D D
CASCADE MODE= SLAVE
BI-DIRECTION= OFF
PM5D A
CASCADE
IN
CASCADE
OUT
CASCADE
IN
CASCADE
OUT
CASCADE
IN
CASCADE
OUT
CASCADE
IN
CASCADE
OUT
CASCADE MODE= SLAVE
BI-DIRECTION= OFF
PM5D B
(slave cascata)
(slave cascata)
Segnali audio di
A+B+C+D
(slave cascata)
(master cascata)
Segnali audio di
A+B+C
Segnali audio A+B
Segnali audio A
Schermata CASCADE
CASCADE
1
2

PM5D/PM5D-RH V2/DSP5D – Manuale di istruzioni Sezione riferimenti 227
Informazioni visua-
lizzate sul display
Menu Function
(Funzioni)
Funzioni
generali
Funzioni
di output
Funzioni
di input
Appendici
• DIMMER ON/OFF
(ATTIVAZ/DISATTIVAZ ATTENUATORE)
Effetto attenuatore (compreso l'attenuatore talkback)
• PAGE CHANGE
Cambio della schermata del display
• DCA FADER MODE (MODALITÀ FADER DCA)
Cambio della modalità della sezione FADER MODE del
pannello superiore
• ENCODER MODE (MODALITÀ ENCODER)
Cambio della modalità della sezione ENCODER
MODE del pannello superiore
• PANEL/LCD BRIGHTNESS
(LUMINOSITÀ PANNELLO/LCD)
Impostazioni di luminosità nella schermata
PREFERENCE 2 (funzione UTILITY)
• INPUT METER POINT/OUTPUT METER POINT/
PEAK HOLD (PUNTO DI MISURAZIONE
INGRESSO/PUNTO DI MISURAZIONE USCITA/
MEMORIZZA PICCO)
Selezione del punto di misurazione per il canale di
ingresso e di uscita, attivazione/disattivazione della
funzione di memorizzazione picco
• DCA LEVEL/MUTE (LIVELLO DCA/ESCLUSIONE)
Livello 1-8 del gruppo DCA, nome, operazioni di
attivazione/disattivazione dei tasti [CUE] e [MUTE]
Suggerimento
I valori dei parametri DCA e MUTE saranno collegati non
appena viene attivato il pulsante Link. Altri parametri verranno
collegati solo nel momento in cui si utilizza quel parametro per
la prima volta dopo aver attivato il pulsante Link.
• MUTE MASTER
Attivazione/disattivazione dei gruppi di esclusione 1-8
Suggerimento
• Per ulteriori informazioni sulla procedura effettiva del
collegamento in cascata di più unità PM5D/DSP5D, vedere
a p. 153.
• Nel caso di un sistema collegato in cascata all'unità DSP5D,
il sistema funzionerà sempre come se il pulsante LINK
(COLLEGAMENTO) dell'area CASCADE LINK
(COLLEGAMENTO IN CASCATA) fosse attivato; questa
impostazione non può essere modificata. Ciò potrebbe
riguardare anche altre operazioni.
• Per abilitare il collegamento in cascata, è necessario attivare
il collegamento per i parametri corrispondenti anche sulle
altre unità PM5D collegate in cascata.
• È anche possibile disattivare il collegamento dell'unità PM5D
master. Ad esempio, se più unità PM5D sono collegate in
cascata, è possibile configurare le impostazioni in modo che
DCA 1 sia collegato solo tra l'unità master e la seconda
unità, DCA 2 sia collegato per tutte le unità PM5D e DCA 3
sia collegato solo tra la seconda e la terza unità.
C
CASCADE IN SOURCE (Vista di assegnazione
I/O sorgente ingresso cascata)
In quest'area è possibile visualizzare e selezionare i
segnali inviati ai bus interni delle unità PM5D/DSP5D
dal dispositivo esterno collegato in cascata. Il tipo di
segnale ricevuto dipenderà dalla selezione nel campo
CASCADE FROM (CASCATA DA) della schermata
MIXER SETUP (CONFIGURAZIONE MIXER)
(funzione SYS/W.CLOCK).
DCASCADE IN ON/OFF (ATTIVAZ./
DISATTIVAZ. INGRESSO CASCATA)
Per ciascuno dei bus interni delle unità PM5D/DSP5D,
è possibile indicare se i segnali dal master cascata
verranno immessi.
EPARAM LINK (collegamento parametro)
Consente di indicare se i parametri di due canali MIX
adiacenti (uno pari e uno dispari) o i canali STEREO A/
B verranno accoppiati.
FCASCADE OUT ON/OFF (ATTIVAZ./
DISATTIVAZ. USCITA CASCATA)
Per ciascuno dei bus interni delle unità PM5D/DSP5D,
è possibile indicare se i segnali verranno trasmessi allo
slave cascata.
43 5 6
Dispositivo esterno selezionato nel
campo CASCADE FROM Bus di
destina-
zione
PM5D/
DSP5D*1
*1. Il segnale assegnato a ciascun bus è fisso e non può
essere modificato.
DM2000/
02R96*1 MIXER
[30BUS] MIXER
[16BUS]*2
*2. È possibile attivare o disattivare l'assegnazione per ciascun
bus; non è possibile però inviare il segnale dello stesso slot
o dello stesso canale di ingresso a più bus. Se un segnale
già assegnato a un bus viene selezionato per un altro bus,
l'assegnazione precedente verrà annullata.
MIX 1 BUS 1
*3
*3. Assegnazione a partire dall'alto in ordine numerico
crescente del numero di slot/numero di canale, secondo le
impostazioni dell'area CASCADE IN PORT SELECT
(SELEZIONE PORTA INGRESSO CASCATA) della
schermata MIXER SETUP (funzione SYS/W.CLOCK).
L'assegnazione non può essere modificata.
SLOT4- 1 MIX 1
MIX 2 BUS 2 SLOT4-2 MIX 2
MIX 3 BUS 3 SLOT4-3 MIX 3
MIX 4 BUS 4 SLOT4-4 MIX 4
MIX 5 BUS 5 SLOT4-5 MIX 5
MIX 6 BUS 6 SLOT4-6 MIX 6
MIX 7 BUS 7 SLOT4-7 MIX 7
MIX 8 BUS 8 SLOT4-8 MIX 8
MIX 9 AUX 1 SLOT4-9 MIX 9
MIX10 AUX 2 SLOT4-10 MIX10
MIX11 AUX 3 SLOT4-11 MIX11
MIX12 AUX 4 SLOT4-12 MIX12
MIX13 AUX 5 SLOT4- 1 MIX13
MIX14 AUX 6 SLOT4- 2 MIX14
MIX15 AUX 7 SLOT4- 3 MIX15
MIX16 AUX 8 SLOT4- 4 MIX16
MIX17 AUX 9 SLOT4- 5 MIX17
MIX18 AUX10 SLOT4- 6 MIX18
MIX19 AUX11 SLOT4- 7 MIX19
MIX20 AUX12 SLOT4- 8 MIX20
MIX21 — SLOT4- 9 MIX21
MIX22 — SLOT4-10 MIX22
MIX23 — SLOT4-11 MIX23
MIX24 — SLOT4-12 MIX24
ST AL ST L SLOT4-13 ST AL
ST AR ST R SLOT4-14 ST AR
ST BL — SLOT4- 9 ST BL
ST BR — SLOT4-10 ST BR
CUE L CUE L SLOT4-15 CUE L
CUE R CUE R SLOT4-16 CUE R

Funzione SYS/W.CLOCK
228 PM5D/PM5D-RH V2/DSP5D – Manuale di istruzioni Sezione riferimenti
In questa schermata è possibile configurare impostazioni
come il guadagno dell'alimentazione phantom (+48V) e
HPF per ciascun head amplifier interno (solo modello
PM5D-RH e DSP5D) o per ciascun canale di un
dispositivo di head amplifier esterno che supporti il
controllo remoto tramite il protocollo dedicato (ovvero,
Yamaha AD8HR o AD824).
ADISPLAY MODE (MODALITÀ DISPLAY)
Selezionare una delle voci riportate di seguito come
tipo di head amplifier visualizzato nella schermata.
• INTERNAL HA (HA INTERNO)
(PM5D-RH/DSP5D)
Verranno visualizzati i canali dell'head amplifier
interno (AD IN 1–48, AD STIN 1–4).
• EXTERNAL HA (HA ESTERNO) 1-4
• EXTERNAL HA 5-8
Verranno visualizzati i canali di un dispositivo head
amplifier esterno (ID = 1–4 o ID = 5–8) collegati con il
connettore [HA REMOTE] (HA REMOTO).
Suggerimento
È possibile collegare a margherita fino a otto dispositivi esterni
al connettore [HA REMOTE] dell'unità PM5D. In questo caso,
a ciascun dispositivo viene assegnato automaticamente un ID
(1–8), a partire dal dispositivo collegato direttamente al
connettore [HA REMOTE] dell'unità PM5D.
BNome del modello
Per ciascun ID, indica il numero del modello del
dispositivo head amplifier esterno che viene collegato.
Se non è collegato alcun dispositivo, sarà riportato
"-----". Tuttavia, anche in questo caso, sarà possibile
configurare le stesse impostazioni di quando è collegata
una console Yamaha AD8HR.
CSlot/canale
In questa sezione è possibile visualizzare/selezionare lo
slot e i canali a cui è collegato l'output audio del
dispositivo head amplifier esterno.
Nota
Se un dispositivo head amplifier esterno è collegato a uno slot
dell'unità PM5D, è necessario specificare manualmente lo slot
o i canali appropriati. Se viene indicata un'impostazione non
corretta, l'indicazione HA del canale di ingresso in schermate
come IN HA potrebbe essere diversa dallo stato effettivo.
D+48V MASTER
Se un'unità AD8HR è collegata tramite il connettore
[HA REMOTE], in questo punto viene indicato lo stato
di attivazione/disattivazione dell'alimentazione
phantom. In caso contrario, viene riportato "---".
E+48V
Consente di attivare/disattivare l'alimentazione
phantom (+48V) di ciascun canale.
FHPF (High Pass Filter, Filtro passa-alto)
Consente di attivare o disattivare l'HPF per ciascun
canale.
GFrequenza di taglio
Specifica la frequenza di taglio del filtro passa-alto per
ciascun canale dell'unità AD8HR. Spostare il cursore
sulla casella e ruotare l'encoder [DATA] per regolare la
frequenza di taglio nell'intervallo 20–600 Hz.
HGUADAGNO
Consente di regolare il guadagno per ciascun canale.
Spostare il cursore sulla manopola e ruotare l'encoder
[DATA] per regolare il guadagno nell'intervallo
compreso tra –62 dB e + 10 dB. Il valore corrente viene
riportato nella casella sottostante.
IGANG
Se questo pulsante è attivato, le impostazioni di
guadagno dei due canali adiacenti con numerazione
dispari/pari viene modificata contemporaneamente,
mantenendo il valore di offset corrente.
JLIBRARY
Questo pulsante consente di visualizzare la schermata
HA LIBRARY (LIBRERIA HA) (
➥
p. 230).
Nota
Quando un dispositivo head amp esterno viene collegato
per la prima volta, vengono utilizzate le relative impostazioni.
Se successivamente si richiama un elemento della libreria HA,
vengono utilizzate le impostazioni della libreria HA.
Schermata HA (Head Amplifier)
HA
1
2
5
6
9
7
8
3
4
J

PM5D/PM5D-RH V2/DSP5D – Manuale di istruzioni Sezione riferimenti 229
Informazioni visua-
lizzate sul display
Menu Function
(Funzioni)
Funzioni
generali
Funzioni
di output
Funzioni
di input
Appendici
In questa schermata è possibile specificare la quantità di
attenuazione per ciascun canale di uscita e per ciascun
canale di uscita di una scheda I/O.
ADISPLAY MODE
Selezionare i canali che verranno visualizzati sul display
tra le possibilità riportate di seguito.
• OUTPUT
Nella schermata verrà riportata la quantità di
attenuazione per i canali di uscita (canali MIX 1-24,
MATRIX 1-8, STEREO A L/R, STEREO B L/R) i canali
CUE L/R, MONITOR L/R/C e i canali 2TR OUT
DIGITAL 1–3 L/R.
• SLOT 1-4
Nella schermata verrà riportata la quantità di
attenuazione per ciascun canale di uscita delle schede
di I/O installate negli slot 1–4.
Bø (fase)
Se questo pulsante è attivato, la fase della porta di uscita
sarà invertita.
CATT (Attenuazione)
Consente di regolare la quantità di attenuazione per
ciascun canale. Spostare il cursore sulla casella e ruotare
l'encoder [DATA] per regolare il valore nell'intervallo
compreso tra -9 e 0 dB.
In questa schermata è possibile attivare o disattivare il
dithering e specificare la profondità di bit per il dithering.
Queste impostazioni vengono effettuate singolarmente per
ciascun jack di uscita digitale e per ciascun canale di uscita
delle schede di I/O digitali.
AImpostazioni dithering
dei jack di uscita digitale
Specificare il numero di bit (16,
20, 24) utilizzati per il dithering
dei segnali di uscita dai jack 2TR
DIGITAL OUT 1–3. Se si
seleziona OFF, il dithering non
verrà eseguito.
BSlot 1–4
In quest'area viene visualizzato il tipo di scheda I/O
digitale installata in ciascuno slot.
CImpostazioni dithering della scheda I/O
digitale
Per ciascun canale di uscita delle schede I/O digitali
installate negli slot, specificare il numero di bit utilizzati
per il dithering.
Schermata OUTPUT PORT ATT
(Attenuazione porta di uscita)
OUTPUT PORT ATT
1 2 3
Schermata DITHER
DITHER
1
2 3

Funzione SYS/W.CLOCK
230 PM5D/PM5D-RH V2/DSP5D – Manuale di istruzioni Sezione riferimenti
In questa schermata è possibile richiamare, memorizzare,
rinominare o eliminare elementi della libreria HA.
AEDIT (MODIFICA)
Quando si fa clic su questo pulsante, viene visualizzata
la schermata HA.
BDATA FORMAT (FORMATO DATI)
Indica il nome del modello (PM5D o PM5D-RH).
Nota
Nel caso dell'unità DSP5D, verrà indicato "PM5D-RH".
CEXTERNAL HA TYPE INFORMATION
(INFORMAZIONI TIPO HA ESTERNO)
In quest'area vengono riportati i nomi dei modelli
(AD8HR/AD824) dei dispositivi head amp esterni
(ID = 1-8) collegati al connettore [HA REMOTE]
dell'unità PM5D.
DRECALL (RICHIAMA)
Consente di richiamare in memoria l'elemento della
libreria HA selezionato nell'elenco.
ESTORE (MEMORIZZA)
Consente di memorizzare le impostazioni correnti della
schermata HA nella posizione selezionata dell'elenco.
Quando si fa clic su questo pulsante viene visualizzata
una finestra che consente di assegnare un nome alle
impostazioni e di salvarle.
FTITLE EDIT (MODIFICA TITOLO)
Consente di modificare il titolo dell'elemento della
libreria selezionato nell'elenco. Quando si fa clic su
questo pulsante, viene visualizzata una finestra che
consente di modificare il titolo.
GCLEAR
Consente di eliminare l'elemento della libreria
selezionato nell'elenco. Quando si fa clic su questo
pulsante viene visualizzato un messaggio con la
richiesta di conferma.
Nota
Gli elementi della libreria per i quali viene visualizzata una "R"
nella colonna destra dell'elenco sono di sola lettura. Gli
elementi di sola lettura non possono essere memorizzati,
rinominati o eliminati.
HDATA FORMAT
Indica il formato dei dati (PM5D-RH o PM5D) per
l'elemento della libreria selezionato nell'elenco.
Nota
I dati memorizzati dall'unità DSP5D verranno indicati come
"PM5D-RH".
IEXTERNAL HA TYPE INFORMATION
In quest'area viene indicato il nome del modello
(AD8HR/AD824) degli head amplifier esterni
(ID = 1-8) i dati dei quali sono memorizzati nella
libreria.
JElenco della libreria
Utilizzare la barra di scorrimento per selezionare
l'elemento della libreria sul quale si desidera eseguire
un'operazione. L'elemento della libreria selezionato
verrà spostato al centro dell'elenco e sarà evidenziato.
Schermata HA LIBRARY
HA LIBRARY
3
1
2
9
J
8
4
5
6
7

PM5D/PM5D-RH V2/DSP5D – Manuale di istruzioni Sezione riferimenti 231
Informazioni visua-
lizzate sul display
Menu Function
(Funzioni)
Funzioni
generali
Funzioni
di output
Funzioni
di input
Appendici
Nota
• Se i dati in formato PM5D vengono richiamati nell'unità
PM5D-RH, le impostazioni degli head amp interni non
saranno modificate. Se i dati in formato PM5D-RH vengono
richiamati nell'unità PM5D, le impostazioni degli head amp
interni saranno ignorate.
• Se i dispositivi head amp sorgente del richiamo e
destinazione del richiamo hanno lo stesso ID ma sono
assegnati a canali/slot diversi, i dati non verranno richiamati
negli head amp di quegli ID.
• I dati AD8HR possono essere richiamati su un'unità AD824,
mentre i dati AD824 possono essere richiamati su un'unità
AD8HR. Tuttavia, quando i dati AD8HR vengono richiamati
su un'unità AD824, le impostazioni di guadagno di ciascun
canale verranno convertite in unità da 6 dB per
corrispondere alle specifiche dell'unità AD824.
Funzione METER
(INDICATORE)
In questa schermata sono riportati gli indicatori che
mostrano il livello di input dei canali di ingresso (canali
INPUT 1–48, canali ST IN 1–4, canali FXTRN 1–4).
AMETERING POINT (PUNTO DI
MISURAZIONE)
Selezionare una delle voci riportate di seguito come
punto in cui verrà rilevato il livello di input. Questa
impostazione viene applicata anche agli indicatori sul
pannello.
PRE ATT . . . . . . . . . Subito prima dell'attenuatore
PRE GATE . . . . . . . Subito prima del gate interno
PRE FADER . . . . . . Subito prima del fader
POST FADER . . . . . Subito dopo il fader
POST ON . . . . . . . . Subito dopo il tasto [ON]
BCH METER ALWAYS PRE ATT
(INDICATORE CANALE SEMPRE PRIMA
DELL'ATTENUATORE)
Se questo pulsante è attivato, gli indicatori dei canali di
ingresso sul pannello riporteranno sempre i livelli
prima dell'attenuatore.
CPEAK HOLD (MEMORIZZA PICCO)
Se questo pulsante è attivato, il livello di picco di
ciascun indicatore verrà memorizzato. Se il pulsante
viene disattivato, l'indicazione del livello di picco
memorizzata verrà cancellata. La memorizzazione del
picco viene cancellata quando si modifica il punto di
misurazione (
1
). Questo pulsante è collegato al tasto
[PEAK HOLD] nella sezione METER del pannello
superiore.
Schermata INPUT METER
(INDICATORE INPUT)
INPUT METER
1 2 3

Funzione METER (INDICATORE)
232 PM5D/PM5D-RH V2/DSP5D – Manuale di istruzioni Sezione riferimenti
DIndicatori
Gli indicatori del livello di picco riportano il livello di
input di ciascun canale. Il valore del fader corrente
viene riportato nella casella sottostante.
Se si raggiunge la saturazione in un qualsiasi punto PRE
ATT, POST EQ, POST GATE, POST COMP, INSERT
IN o POST FADER, il segmento ∑ si illuminerà.
EIcona di coppia
Indica lo stato di accoppiamento di due canali adiacenti
con numerazione pari/dispari.
In questa schermata vengono visualizzati gli indicatori che
mostrano il livello di output dei canali di uscita (canali
MIX 1-24, MATRIX 1-8, STEREO A/B), MONITOR (L/R/
C) e CUE (L/R).
AMETERING POINT
Selezionare una delle voci riportate di seguito come
punto in cui verrà rilevato il livello di output.
PRE EQ . . . . . . . . . . Subito prima dell'equalizzatore
PRE FADER . . . . . . Subito prima del fader
POST FADER . . . . . Subito dopo il fader
POST ON . . . . . . . . Subito dopo il tasto [ON]
POST DELAY . . . . . Subito dopo il delay interno
(di un canale di uscita)
BCUE METERING POINT (PUNTO DI
MISURAZ. SEGNALE DI ATTIVAZIONE)
Selezionare una delle voci riportate di seguito come
punto in cui verrà rilevato il livello di output del segnale
di attivazione.
PRE DELAY . . . . . . Subito prima del delay interno
(di un canale di monitoraggio/
segnale di attivazione)
POST DELAY . . . . . Subito dopo il delay interno
(di un canale di monitoraggio/
segnale di attivazione)
CPEAK HOLD
Se questo pulsante è attivato, il livello di picco di
ciascun indicatore verrà memorizzato. Se il pulsante
viene disattivato, l'indicazione del livello di picco
memorizzata verrà cancellata. La memorizzazione del
picco viene cancellata quando si modifica il punto di
misurazione (
1
). Questo pulsante è collegato al tasto
[PEAK HOLD] nella sezione METER del pannello
superiore.
4
5
Schermata OUTPUT METER
OUTPUT METER
1 2 3

PM5D/PM5D-RH V2/DSP5D – Manuale di istruzioni Sezione riferimenti 233
Informazioni visua-
lizzate sul display
Menu Function
(Funzioni)
Funzioni
generali
Funzioni
di output
Funzioni
di input
Appendici
DIndicatori
Gli indicatori del livello di picco riportano il livello di
output di ciascun canale. Il valore del livello master
corrente viene riportato nella casella sottostante.
Se si raggiunge la saturazione in un qualsiasi punto
POST EQ, POST COMP, POST ON, POST FADER o
INSERT IN, il segmento ∑ si illuminerà.
EIcona di coppia
Indica lo stato di accoppiamento di due canali adiacenti
con numerazione pari/dispari.
In questa schermata vengono riportati gli indicatori che
mostrano la quantità della riduzione del guadagno
prodotto dal gate/compressore di ciascun canale di
ingresso (canali INPUT 1–48 e canali ST IN 1–4).
AGATE/COMP (Gate/Compressore)
Questi pulsanti consentono di selezionare il gate o il
compressore come processore per il quale la quantità di
riduzione guadagno viene riportata dagli indicatori. Il
display sulla sinistra cambierà in base alla selezione
effettuata.
BIndicatori
Gli indicatori del livello di picco riportano la quantità
di riduzione del guadagno per ciascun canale. Il valore
del fader corrente viene riportato nella casella
sottostante.
CIcona di coppia
Indica lo stato di accoppiamento di due canali adiacenti
con numerazione pari/dispari.
4
5
Schermata INPUT GR
(Riduzione guadagno input)
INPUT GR
1
2
3

Funzione MON/CUE
234 PM5D/PM5D-RH V2/DSP5D – Manuale di istruzioni Sezione riferimenti
In questa schermata vengono riportati gli indicatori che
mostrano la quantità della riduzione del guadagno
prodotto dal compressore di ciascun canale di uscita
(canali MIX 1-24, MATRIX 1–8 e STEREO A/B).
AIndicatori
Gli indicatori del livello di picco riportano la quantità
di riduzione del guadagno per ciascun canale. Il valore
del livello master corrente viene riportato nella casella
sottostante.
BIcona di coppia
Indica lo stato di accoppiamento di due canali adiacenti
con numerazione pari/dispari.
Funzione MON/CUE
In questa schermata è possibile attivare o disattivare il
talkback e selezionare la relativa destinazione.
AIndicatore di livello (indicatore di livello del
jack TALKBACK)
Questo indicatore di livello mostra il livello di picco del
segnale in ingresso dal jack TALKBACK del pannello
superiore.
B+48V (alimentazione phantom del jack
TALKBACK)
Con questo pulsante è possibile attivare/disattivare
l'alimentazione phantom del jack TALKBACK.
Nota
• L'icona WITH ANALOG VOLUME (CON VOLUME
ANALOGICO) riportata sotto il pulsante indica che il volume
LEVEL (LIVELLO) della sezione TALKBACK del pannello
avrà effetto solo sul segnale immesso dal jack TALKBACK.
• Se è selezionata l'unità DSP5D, il campo TALKBACK IN
non sarà visualizzato.
Schermata OUTPUT GR
(Riduzione guadagno output)
OUTPUT GR
1
2
Schermata TALKBACK
TALKBACK
1
2

PM5D/PM5D-RH V2/DSP5D – Manuale di istruzioni Sezione riferimenti 235
Informazioni visua-
lizzate sul display
Menu Function
(Funzioni)
Funzioni
generali
Funzioni
di output
Funzioni
di input
Appendici
CSelezione ingresso talkback
Per utilizzare un jack di ingresso diverso dal jack
TALKBACK per il talkback, è possibile selezionarlo
dagli ingressi analogici AD IN 1–48. La selezione
dell'ingresso talkback non è compresa nella libreria di
assegnazione input.
DHA (solo modello PM5D-RH)
È possibile attivare o disattivare l'alimentazione
phantom e regolare il guadagno dell'ingresso analogico
selezionato al punto (
3
). Il volume LEVEL nella
sezione TALKBACK del pannello non influisce
sull'ingresso talkback dal canale di ingresso analogico.
L'impostazione HA è compresa nella libreria HA.
EIndicatore di livello (Indicatore livello di
ingresso analogico)
Questo indicatore di livello mostra il livello di picco del
segnale immesso dall'ingresso analogico selezionato al
punto (
3
).
FON/OFF (Attivaz./Disattivaz. ingresso
analogico)
Questo pulsante consente di attivare o disattivare
l'ingresso talkback selezionato al punto (
3
).
GON/OFF (Attivaz./Disattivaz. talkback)
Questo pulsante consente di attivare/disattivare il
talkback. È collegato al tasto TALKBACK [ON] nella
sezione TALKBACK del pannello.
HNEVER LATCH (NON BLOCCARE)
Questo pulsante consente di selezionare una delle voci
riportate di seguito come modalità per il
funzionamento del pulsante TALKBACK ON/OFF e
del tasto TALKBACK [ON] del pannello.
• Se il pulsante NEVER LATCH è disattivato
Il talkback viene attivato o disattivato (Operazione di
blocco) ogni volta che si fa clic sul pulsante ON/OFF o
si preme il tasto TALKBACK [ON]. Se si tiene invece
premuto il tasto TALKBACK [ON], il talkback resta
attivato solo mentre si tiene premuto il tasto e viene
disattivato quando si rilascia il tasto (Operazione di
sblocco).
• Se il pulsante NEVER LATCH è attivato
Il talkback resterà attivato solo mentre si tiene premuto
il pulsante ON/OFF o il pulsante TALKBACK [ON];
quindi si disattiverà quando il tasto o il pulsante viene
rilasciato (Operazione di sblocco).
IBUS ASSIGN (ASSEGNAZIONE BUS)
In quest'area è possibile selezionare i bus o i jack di
uscita da cui verrà inviato il segnale di talkback (sono
consentite più selezioni contemporanee).
MIX 1–24 . . . . . . . . bus MIX 1–24
MATRIX 1–8 . . . . . bus MATRIX 1–8
ST A L/R . . . . . . . . . Canali L/R bus STEREO A
ST B L/R . . . . . . . . . Canali L/R bus STEREO B
JTALKBACK OUT (Output diretto talkback)
Indica il canale dello slot/jack di uscita che viene
selezionato come destinazione per l'output diretto del
segnale di talkback. Se viene assegnata più di una
destinazione di output, verrà visualizzato "..." dopo il
nome della destinazione di output trovata per prima.
Se si desidera modificare la destinazione di output, fare
clic sul pulsante PATCH per accedere alla schermata
OUTPUT PATCH (ASSEGNAZIONE OUTPUT).
6
5
3
4
7
8
9
J

Funzione MON/CUE
236 PM5D/PM5D-RH V2/DSP5D – Manuale di istruzioni Sezione riferimenti
’In quest'area è possibile configurare le impostazioni ed
eseguire operazioni relative all'oscillatore interno.
AOSC ON/OFF
(Attivaz./(Disattivazione oscillatore)
Consente di attivare/disattivare l'oscillatore. È collegato
con lo switch OSCILLATOR [ON] del pannello
superiore.
BOSC MODE (Modalità oscillatore)
Questi pulsanti consentono di selezionare la forma
d'onda o il tipo di rumore prodotto dall'oscillatore.
SINE WAVE 1CH . . . . Onda sinusoidale per 1
canale
SINE WAVE 2CH . . . . Onda sinusoidale per 2
canali
PINK NOISE . . . . . . . . Rumore rosa
BURST NOISE . . . . . . . Rumore (rumore rosa
trasmesso ripetutamente)
CPARAMETERS (PARAMETRI)
In quest'area è possibile impostare diversi elementi a
seconda della selezione effettuata al punto (
2
).
• Se è stato selezionato SINE WAVE 1CH
• Se è stato selezionato SINE WAVE 2CH
• Se è stato selezionato PINK NOISE
• Se è stato selezionato BURST NOISE
DLEVEL
Questa manopola consente di regolare il livello di
output dell'oscillatore. L'intervallo è compreso tra
-96 db e 0dB. L'indicatore di livello accanto alla
manopola riporta il livello di output.
EFREQ (Frequenza)
Questa manopola consente di specificare la frequenza
dell'onda sinusoidale prodotta dall'oscillatore. La
gamma è di 20 Hz–20 kHz (l'impostazione corrente
viene indicata nella casella numerica sottostante).
È possibile utilizzare i pulsanti 10 kHz/1 kHz/100 Hz
per selezionare una frequenza preset.
Suggerimento
Se è selezionato SINE WAVE 2CH , è possibile specificare il
livello e la frequenza di ciascun canale in modo indipendente.
FHPF (High Pass Filter, Filtro passa-alto)
GLPF (Low Pass Filter, Filtro passa-basso)
In queste aree è possibile configurare le impostazioni
per i filtri HPF/LPF attraverso i quali viene inviato il
rumore rosa o il rumore. La manopola riportata in alto
consente di impostare la frequenza di taglio (20 Hz–
20 kHz) mentre il pulsante riportato in basso consente
di attivare o disattivare il filtro.
Schermata OSCILLATOR (OSCILLATORE)
OSCILLATOR
1
3
2
54
54 54
6 74
6 74 98

PM5D/PM5D-RH V2/DSP5D – Manuale di istruzioni Sezione riferimenti 237
Informazioni visua-
lizzate sul display
Menu Function
(Funzioni)
Funzioni
generali
Funzioni
di output
Funzioni
di input
Appendici
HWIDTH (AMPIEZZA)
IINTERVAL (INTERVALLO)
Se è selezionato BURST NOISE, queste manopole
consentono di selezionare la durata del rumore
(WIDTH) e la durata del silenzio tra i rumori
(INTERVAL).
L'intervallo è compreso tra 0.1 e 10 secondi per
WIDTH e tra 1 e 30 secondi per INTERVAL.
L'impostazione corrente viene riportato nella casella
sotto ciascuna manopola.
JOSC OUT (Output diretto oscillatore)
Indica il canale dello slot/jack di uscita che emette
direttamente il segnale dell'oscillatore. Se si desidera
modificare la destinazione di output, fare clic sul
pulsante PATCH per accedere alla schermata OUTPUT
PATCH.
Se è selezionato SINE WAVE 2CH, il canale sinistro
dell'oscillatore viene inviato all'output diretto
dell'oscillatore.
KBUS ASSIGN
In quest'area è possibile selezionare i bus o i jack di
uscita da cui verrà inviata l'onda sinusoidale o il rumore
(sono consentite più selezioni contemporanee).
MIX 1–24 . . . . . . . . bus MIX 1–24
MATRIX 1–8. . . . . . Bus MATRIX 1–8
AL/AR . . . . . . . . . . . Canali L/R bus STEREO A
BL/BR . . . . . . . . . . . Canali L/R bus STEREO B
Se è stato selezionato SINE WAVE 2CH, il canale
sinistro dell'oscillatore viene inviato al bus con numero
dispari o al jack sinistro e il canale destro dell'oscillatore
viene inviato al bus con numero pari o al jack destro.
In questa schermata sono visualizzate diverse impostazioni
e indicazioni per 2TR IN/2TR OUT.
Nota
La schermata 2TR I/O è disattivata se è selezionata l'unità
DSP5D.
AIndicatori del livello di input
Indicano il livello di input dei jack 2TR IN DIGITAL
1–3 e 2TR IN ANALOG 1–2.
BFREQUENCY (Frequenza di
campionamento)
Indica la frequenza di campionamento del segnale
di input dai jack 2TR IN DIGITAL 1-3.
CSRC (Sampling Rate Converter)
Switch di attivazione disattivazione dei convertitori
della frequenza di campionamento incorporati nei jack
2TR IN DIGITAL 1–3.
Se disattivato, è indicato "THROUGH".
DEMPHASIS STATUS (STATO ENFASI)
Indica se l'elaborazione dell'enfasi viene applicata al
segnale di input dai jack 2TR IN DIGITAL 1-3.
INTERVAL
WIDTH
Livello
Durata
Output rumore rosa
Il pulsante BURST NOISE è attivo
J
K
Schermata 2TR I/O
2TR I/O
1
2
3
4

Funzione MON/CUE
238 PM5D/PM5D-RH V2/DSP5D – Manuale di istruzioni Sezione riferimenti
EIndicatore del livello di output
Indica il livello di output dei jack 2TR OUT DIGITAL
1–3.
FSRC (Sampling Rate Converter)
Si tratta di switch di attivazione/disattivazione e di
selezione della frequenza di output per i convertitori
della frequenza di campionamento incorporati nei jack
2TR OUT DIGITAL 1–3. Come frequenza di output è
possibile selezionare 44.1 kHz o 48 kHz. Il pulsante di
attivazione/disattivazione consente di selezionare ON o
THROUGH (off).
GFs (Frequenza di campionamento)
Indica la frequenza di campionamento per il
funzionamento della console PM5D.
In quest'area è possibile configurare le impostazioni ed
eseguire operazioni relative al monitoraggio.
AMONITOR SOURCE
(SORGENTE MONITORAGGIO)
Consente di selezionare la sorgente che verrà
monitorata dai jack L/R/C MONITOR OUT (USCITA
MONITOR L/R/C). È possibile selezionare una voce da
2TR IN A1/A2, 2TR IN D1–D3 o DEFINE (DEFINIZ.)
e al tempo stesso selezionare una voce da STEREO A/B
o LCR. Questi pulsanti sono collegati con alcuni tasti
della sezione MONITOR del pannello superiore.
5
67
2TR IN A1 Segnale di input jack 1 2TR IN ANALOG
2TR IN A2 Segnale di input jack 2 2TR IN ANALOG
2TR IN D1 Segnale di input jack 1 2TR IN DIGITAL
2TR IN D2 Segnale di input jack 2 2TR IN DIGITAL
2TR IN D3 Segnale di input jack 3 2TR IN DIGITAL
STEREO A Segnale di output canale STEREO A (*)
STEREO B Segnale di output canale STEREO B (*)
LCR Segnale di output canale LCR (*)
DEFINE Il segnale indicato nella sezione DEFINE
(2) della schermata
Schermata MONITOR
MONITOR
1
2

PM5D/PM5D-RH V2/DSP5D – Manuale di istruzioni Sezione riferimenti 239
Informazioni visua-
lizzate sul display
Menu Function
(Funzioni)
Funzioni
generali
Funzioni
di output
Funzioni
di input
Appendici
Se viene selezionata una sorgente di monitoraggio
indicata da (*), il segnale trasmesso verrà modificato a
seconda che venga attivato il pulsante USE AS STEREO
BUS (UTILIZZA COME BUS STEREO) o il pulsante
USE AS CENTER BUS (UTILIZZA COME BUS
CENTRALE) nella sezione STEREO B della schermata
MIXER SETUP (
➥
p. 222).
❏ Se il pulsante USE AS STEREO BUS è attivato
❏ Se il pulsante USE AS CENTER BUS è attivato
BDEFINE
Se si sceglie "DEFINE" nella sezione MONITOR
SOURCE, è possibile selezionare il segnale che verrà
monitorato tra gli elementi riportati di seguito.
MIX 1–24 . . . . . . . . Segnale di output bus MIX 1–24
MATRIX 1–8. . . . . . Segnale di output bus MATRIX
1–8
CDIMMER (ATTENUATORE)
Quando questo pulsante viene attivato, il livello del
segnale monitorato viene temporaneamente attenuato.
La manopola consente di regolare la quantità di
attenuazione che si ottiene quando il pulsante viene
attivato. L'intervallo di regolazione è compreso tra
–96 dB e 0 dB Se questo pulsante è attivato, l'indicatore
DIMM verrà visualizzato nell'angolo superiore destro
del display.
Suggerimento
È possibile utilizzare anche uno switch esterno collegato al
connettore GPI IN per attivare o disattivare l'attenuatore.
Assegnare a tal fine la funzione MONITOR DIMMER ON
(ATTIVAZ. ATTENUATORE MONITOR) alla porta GPI IN a
cui è collegato lo switch (
➥
p. 194).
DTALKBACK DIMMER
(ATTENUATORE TALKBACK)
In quest'area è possibile regolare il livello di
attenuazione del segnale di monitoraggio quando è
attivato il talkback. L'intervallo di regolazione è
compreso tra –96 dB e 0 dB. Lo stato di attivazione/
disattivazione del talkback viene indicato nella casella
sottostante.
ECUE INTERRUPTION (INTERRUZIONE
SEGNALE DI ATTIVAZIONE)
Se questo pulsante è attivato, verrà emesso anche il
segnale cue/solo dai jack MONITOR OUT mentre la
funzione Cue/Solo è attiva. Durante questa operazione,
la sorgente di monitoraggio selezionata nella sezione
MONITOR SOURCE verrà disattivata.
Se questo pulsante è disattivato, il segnale cue/solo non
verrà mai emesso dai jack MONITOR OUT.
FMONITOR MODE (MODALITÀ MONITOR)
In quest'area è possibile selezionare uno dei due modi
di seguito in cui il segnale verrà emesso dai jack
MONITOR OUT.
STEREO . . . . I canali L/R verranno trasmessi in
stereo.
MONO . . . . . I canali L/R verranno missati e
trasmessi in mono.
Lo stato di questi due pulsanti è collegato alle
operazioni di attivazione/disattivazione del tasto
[MONO] nella sezione MONITOR del pannello.
GMONITOR INSERT
(INSERIMENTO MONITOR)
In quest'area vengono visualizzati i jack di ingresso (e i
canali di ingresso della scheda digitale I/O) che vengono
inseriti nei canali MONITOR OUT L/R/C. Il livello di
input del segnale inserito viene visualizzato
dall'indicatore di livello sulla destra. Se è inserito un
GEQ (Equalizzatore grafico) o un EFFECT
(EFFETTO), le informazioni corrispondenti vengono
riportate in questa area.
HINSERT ON/OFF
Questo pulsante consente di attivare e disattivare
l'inserimento.
IPATCH
Consente di visualizzare la schermata INSERT PATCH
(ASSEGNAZIONE INSERIMENTO).
Sor-
gente di
monito-
raggio
LRC
ST A STEREO A L STEREO A R
—ST B STEREO B L STEREO B R
LCR — —
Sor-
gente di
monito-
raggio
LRC
ST A STEREO A L STEREO A R —
ST B — — STEREO B L
LCR STEREO A L STEREO A R
3 4
5
6
7
8
9

Funzione MON/CUE
240 PM5D/PM5D-RH V2/DSP5D – Manuale di istruzioni Sezione riferimenti
JIndicatore di livello
Questi indicatori del livello di picco visualizzano il
livello del segnale di output dai jack MONITOR OUT.
È possibile selezionare il punto di rilevamento livello
subito prima del delay fornito dall'uscita bus
MONITOR/CUE (quando il pulsante PRE DELAY è
attivato) o subito dopo il delay (quando il pulsante
POST DELAY è attivato).
KMONITOR/CUE DELAY (DELAY MONITOR/
SEGNALE DI ATTIVAZIONE)
In quest'area è possibile configurare le impostazioni per
la funzione di delay fornita dall'uscita bus MONITOR/
CUE. Utilizzare la manopola per indicare il tempo di
delay (0–1000 msec) e utilizzare il pulsante ON/OFF
per attivare o disattivare il delay. Se il pulsante ON/OFF
è attivato, il segnale di monitoraggio e il segnale di
attivazione verranno ritardati per il tempo specificato.
Le unità del tempo di delay possono essere modificate
nel campo DELAY SCALE (SCALA DELAY) presente
in ciascuna schermata della funzione INPUT DELAY/
OUTPUT DELAY.
LMONITOR LEVEL (LIVELLO MONITOR)
Il livello del segnale inviato dai jack MONITOR OUT è
impostato dal livello (digitale) regolato in quest'area
insieme al livello (analogico) regolato dalla manopola
MONITOR [LEVEL] nel pannello superiore dell'unità
PM5D.
MMONITOR OUT
Consente di attivare/disattivare il segnale inviato dai
jack MONITOR OUT.
In quest'area è possibile configurare le impostazioni ed
eseguire operazioni relative alla funzione Cue/Solo.
ASOLO ON/OFF
(ATTIVAZ./
DISATTIVAZ.
ISOLAMENTO)
Questo pulsante consente di
selezionare la modalità
SOLO o CUE come tipo di
monitoraggio eseguito
mediante il tasto [CUE].
Quando si attiva questo
pulsante viene visualizzato
un messaggio con la richiesta
di conferma. Ogni modalità
funziona nel modo riportato
di seguito.
• Modalità CUE (pulsante
SOLO ON/OFF disattivato)
Il segnale del canale per il
quale si preme il tasto [CUE] verrà inviato al bus CUE
dedicato e monitorato tramite il bus CUE dai jack CUE
OUT (USCITA SEGNALE DI ATTIVAZ.), dai jack
MONITOR OUT (se CUE INTERRUPTION è attivo) e
dal jack PHONE (CUFFIE). Con questa modalità è
possibile monitorare il segnale di un canale specifico
senza influire sugli altri bus.
• Modalità SOLO (pulsante SOLO ON/OFF attivato)
Se si utilizza Input Solo (Isolamento input), la funzione
di isolamento viene abilitata; verrà inviato ai bus MIX,
MATRIX e STEREO A/B solo il segnale del canale di cui
viene premuto il tasto [CUE], gli altri canali saranno
esclusi. Se si utilizza Output Solo (Isolamento output),
verrà attivato solo quel canale. Il segnale del canale di
cui viene premuto il tasto [CUE] può essere monitorato
anche dai jack CUE OUT, MONITOR OUT e
PHONES.
BCUE MODE
(MODALITÀ SEGNALE ATTIVAZIONE)
Questo pulsante consente di selezionare una delle due
possibilità riportate di seguito quando si preme il tasto
[CUE] di più canali.
• Modalità MIX CUE
(SEGNALE DI ATTIVAZ. MISSAGGIO)
Tutti i canali/gruppi DCA il cui tasto [CUE] è attivato
verranno missati per il monitoraggio.
K
J
L
M
Schermata CUE/SOLO
CUE/SOLO
1
2
3

PM5D/PM5D-RH V2/DSP5D – Manuale di istruzioni Sezione riferimenti 241
Informazioni visua-
lizzate sul display
Menu Function
(Funzioni)
Funzioni
generali
Funzioni
di output
Funzioni
di input
Appendici
Nota
Come eccezione a MIX CUE, attivando un pulsante CUE nella
schermata EFFECT PARAM (PARAM. EFFETTI) o GATE
PARAM (PARAM. GATE), oppure attivando un pulsante CUE
nella schermata DME CONTROL (EXTERNAL CUE) verrà
data priorità al monitoraggio solo per il segnale corrispondente
(i tasti [CUE] attivati fino a quel momento verranno
forzatamente ignorati).
• Modalità LAST CUE
(ULTIMO SEGNALE DI ATTIVAZ.)
Verrà monitorato solo il canale/gruppo DCA il cui tasto
[CUE] è stato premuto per ultimo.
CCUE FUNCTION
(FUNZIONE SEGNALE ATTIVAZ.)
Questi pulsanti consentono di attivare e disattivare
diverse funzioni relative a Cue. È possibile selezionare le
seguenti funzioni.
• MIX CUE LINK (COLLEGAMENTO SEGNALE DI
ATTIVAZ. MISSAGGIO)
Consente di specificare se le operazioni del segnale di
attivazione saranno collegate alla selezione del canale
MIX. Se questo pulsante è attivato, premendo di nuovo
il tasto MIX nella sezione ENCODER MODE del
pannello, verrà attivato contemporaneamente il tasto
[CUE] di quel canale.
• CUE/SEL LINK
(COLLEGAMENTO SEGNALE ATTIVAZ./SEL)
Consente di specificare se la selezione del canale deve
essere collegata alle operazioni del segnale di
attivazione. Se questo pulsante è attivato, premendo il
tasto [CUE] di un canale si selezionerà quel canale e
contemporaneamente si illuminerà il tasto [SEL].
• FADER/CUE RELEASE
(RILASCIO FADER/SEGNALE ATTIVAZ.)
Consente di specificare se le operazioni del segnale di
attivazione saranno limitate in base alla posizione del
fader. Se questo pulsante è attivato, il segnale di
attivazione verrà ignorato se il fader viene alzato dalla
posizione –∞ dB per un canale il cui tasto [CUE] è
illuminato. Per un canale col tasto fader al di sopra
della posizione –∞ dB, l'operazione del segnale di
attivazione non sarà possibile. La pressione del tasto
[CUE] non produrrà alcun effetto. Quindi il segnale di
attivazione può essere abilitato solo quando il fader si
trova nella posizione –∞ dB.
DINPUT
Consente di selezionare la posizione da cui verrà
attivato un canale di ingresso.
PFL (Pre-Fader Listen)
. . . . . . . Subito prima del fader
AFL (After-Fader Listen)
. . . . . . . Subito dopo il fader
POST PAN . . . . . . . Subito dopo il pan
Se si seleziona PFL, è possibile utilizzare la manopola
situata a sinistra anche per regolare il livello di output
nell'intervallo –20 dB - +10 dB.
EDCA
In quest'area è possibile configurare le impostazioni di
output del segnale di attivazione per i gruppi DCA.
• DCA TRIM
Consente di regolare il livello dell'output del segnale di
attivazione da un gruppo DCA nell'intervallo compreso
tra –20 dB e +10 dB.
• DCA UNITY (UNITÀ DCA)
Se questo pulsante è attivato, premendo un tasto DCA
[CUE] verrà sempre monitorato il gruppo DCA
corrispondente per il guadagno unità (lo stesso livello
in cui il fader DCA corrisponde a 0 dB).
Suggerimento
• Se il pulsante DCA UNITY resta attivato, sarà possibile
monitorare il gruppo DCA desiderato anche se quel gruppo
viene escluso se o il fader viene abbassato.
• Anche quando il pulsante DCA UNITY è attivato, il valore
specificato dalla manopola DCA TRIM è ancora valido. In
questo caso, con la manopola DCA TRIM viene indicato un
valore di offset relativo al guadagno unità.
• PRE PAN/POST PAN
Consente di indicare se il segnale pre-pan (pulsante
PRE PAN attivato) o il segnale post-pan (pulsante
POST PAN attivato) verrà monitorato quando viene
attivato il pulsante DCA [CUE].
FOUTPUT
In quest'area è possibile selezionare la posizione da cui
verrà attivato un canale di uscita.
PFL (Pre-Fader Listen)
. . . . . . . . Subito prima del fader
POST ON . . . Subito dopo il tasto [ON]
Se si seleziona PFL, è possibile utilizzare la manopola
situata a sinistra anche per regolare il livello di output
nell'intervallo compreso tra –20 dB e +10 dB
GINPUT SOLO SAFE
(BLOCCO ISOLAMENTO INPUT)
In quest'area è possibile specificare i canali di ingresso
che verranno esclusi dalle operazioni di isolamento (è
possibile selezionare più canali). I pulsanti
corrispondono ai canali di ingresso riportati di seguito.
4 5 6
INPUT 1–48 Canali di ingresso 1–48
ST IN 1–4 Canali ST IN 1–4
FX RTN 1–4 Canali FX RTN 1–4
SET ALL (IMPOSTA
TUTTI)
Consente di impostare tutti i canali
di ingresso sulla condizione Solo
Safe
CLEAR ALL
(CANCELLA TUTTI)
Consente di disattivare
l'impostazione Solo Safe per tutti i
canali di ingresso
7

Funzione MON/CUE
242 PM5D/PM5D-RH V2/DSP5D – Manuale di istruzioni Sezione riferimenti
HOUTPUT SOLO SAFE
(BLOCCO ISOLAMENTO OUTPUT)
In quest'area è possibile specificare i canali di uscita che
verranno esclusi dalle operazioni di isolamento (è
possibile selezionare più canali). I pulsanti
corrispondono ai canali di uscita riportati di seguito.
Suggerimento
Le impostazioni Solo Safe e le operazioni di attivazione/
disattivazione Cue sono collegate per i canali accoppiati.
È possibile effettuare operazioni Solo Safe indipendentemente
dalla memoria scene.
IIndicatore di livello
Indicatore del livello di picco che mostra il livello dei
segnali emessi dai jack CUE OUT. È possibile
selezionare il punto di rilevamento livello subito prima
del delay fornito dall'uscita bus MONITOR/CUE
(quando il pulsante PRE DELAY è attivato) o subito
dopo il delay (quando il pulsante POST DELAY è
attivato).
JMONITOR/CUE DELAY
In quest'area è possibile configurare le impostazioni per
la funzione di delay fornita dall'uscita bus MONITOR/
CUE. Utilizzare la manopola per indicare il tempo di
delay (0–1000 msec) e utilizzare il pulsante DELAY per
attivare o disattivare il delay. In generale, questa
impostazione è collegata all'impostazione MONITOR/
CUE DELAY nella schermata MONITOR. Tuttavia,
la differenza sta nel fatto che in questa schermata,
attivando il pulsante AUTO BYPASS (BYPASS
AUTOMATICO) è possibile ignorare manualmente il
delay quando si esegue la funzione Cue in qualsiasi
canale di ingresso.
KCUE LEVEL
(LIVELLO SEGNALE DI ATTIVAZIONE)
Il livello del segnale inviato dai jack CUE OUT è
impostato dal livello (digitale) regolato in quest'area
insieme al livello (analogico) regolato dalla manopola
CUE [LEVEL] nel pannello superiore dell'unità PM5D.
LCUE OUT
Consente di attivare/disattivare l'uscita del segnale di
attivazione.
MIX 1–24 Canali MIX 1–24
MATRIX 1–8Canali MATRIX 1-8
STEREO A/B Canali STEREO A/B
SET ALL Consente di impostare tutti i canali
di uscita sulla condizione Solo
Safe
CLEAR ALL Consente di disattivare
l'impostazione Solo Safe per tutti i
canali di uscita
8
J
9
K
L

PM5D/PM5D-RH V2/DSP5D – Manuale di istruzioni Sezione riferimenti 243
Informazioni visua-
lizzate sul display
Menu Function
(Funzioni)
Funzioni
generali
Funzioni
di output
Funzioni
di input
Appendici
Funzione OUTPUT PATCH
(ASSEGNAZIONE OUTPUT)
In questa schermata è possibile configurare le impostazioni
di assegnazione per inviare i segnali del canale di uscita agli
output di schede I/O installate in jack e slot MIX OUT
(USCITA MISSAGGIO), all'input degli effetti interni e ai
jack 2TR OUT DIGITAL (USCITA DIGITALE 2TR).
ASELECTED PATCH
(ASSEGNAZIONE SELEZIONATA)
Indica il numero del canale di uscita, il nome e la porta
di uscita della griglia nel punto in cui è posizionato il
cursore.
BCH (Canale di uscita)
Numero e nome del canale di uscita (canali MIX
(MISSAGGIO), MATRIX (MATRICE), STEREO A/B,
MONITOR L/R/C (MONITOR S/D/C), CUE L/R
(SEGNALE DI ATTIVAZIONE S/D), TALKBACK
OUT (USCITA TALKBACK), OSC OUT (USCITA
OSCILLATORE)) a cui verrà assegnata la destinazione
di output. Il numero del canale sul quale è posizionato
il cursore sraà evidenziato. Se si fa clic sull'area del
nome, verrà visualizzata una finestra che consente di
assegnare un nome al canale.
Nota
Non è disponibile sull'unità PM5D per i canali CUE L/R e
sull'unità DSP5D per i canali MONITOR L/R/C.
CASSIGN (ASSEGNAZIONE)
Per ciascun canale di uscita indica il numero di porte di
uscita correntemente assegnate.
DGriglia
Questa griglia consente di assegnare le porte di uscita
(righe orizzontali) ai canali di uscita (colonne verticali).
Le griglie correntemente assegnate sono indicate dal
simbolo . Facendo clic su un punto della griglia è
possibile impostare o annullare un'assegnazione.
Le righe rosse a sinistra e in alto indicano il punto della
riga sul quale si sposta il cursore.
Suggerimento
• Se PATCH CONFIRMATION (CONFERMA
ASSEGNAZIONE) è attivato nella schermata
PREFERENCE 1 (PREFERENZA 1) (funzione UTILITY),
verrà visualizzato un messaggio di richiesta di conferma
ogni volta che si tenta di modificare l'impostazione di
un'assegnazione. Se STEAL PATCH CONFIRMATION
(CONFERMA SOTTRAZIONE ASSEGNAZIONE) è attivato,
verrà visualizzato un messaggio di richiesta di conferma
anche se si tenta di configurare delle impostazioni di
assegnazione che prevedono la modifica di
un'assegnazione esistente.
• Per spostare rapidamente la posizione del cursore all'interno
o all'esterno della griglia, tenere premuto il tasto [SHIFT]
(MAIUSC) e premere i tasti CURSOR (CURSORE) [
√
]/[
®
]/
[
π
]/[
†
].
• Per spostarsi rapidamente a sinistra o a destra nella griglia,
ruotare l'encoder [DATA]. Per spostarsi verso l'alto o verso il
basso, tenere premuto il tasto [SHIFT] e ruotare l'encoder
[DATA].
Nota
È possibile assegnare un canale di uscita a più di una porta di
uscita, ma non è consentito assegnare più canali di uscita a
una singola porta.
EPorta di uscita
Dall'alto in quest'area sono indicati: tipo della porta di
uscita, ID, numero del canale di uscita e numero di
canali di uscita assegnati. Di seguito sono elencati i tipi
di porte di uscita selezionabili.
Nota
Sull'unità DSP5D, è possibile effettuare la scelta tra OMNI
OUT 1-24, SLOT OUT 1-4 (SLOT OUT 3-4 è il connettore
CASCADE OUT) e FX IN 1-8.
Funzioni di output
Schermata OUTPUT PATCH
OUTPUT PATCH
5
1
2
34
MIX OUT Jack MIX OUT 1–24
SLOT OUT Canali di uscita di una scheda di I/O installata
negli slot 1–4
FX IN Ingressi L/R degli effetti interni 1–8 (i canali
MIX sono gli unici canali di uscita selezionabili)
2TR OUT Canali L/R dei jack 2TR OUT DIGITAL 1–3

Funzione OUTPUT PATCH (ASSEGNAZIONE OUTPUT)
244 PM5D/PM5D-RH V2/DSP5D – Manuale di istruzioni Sezione riferimenti
FPulsante LIBRARY (LIBRERIA)
Questo pulsante consente di accedere alla schermata
OUTPUT PATCH LIBRARY (LIBRERIA
ASSEGNAZIONE OUTPUT) (➥ p. 247), nella quale è
possibile memorizzare/richiamare le impostazioni della
libreria di assegnazione per i canali di uscita.
Suggerimento
• Il segnale immediatamente dopo il ritardo e immediatamente
prima dell'attenuazione della porta di uscita verrà inviato alle
porte di uscita assegnate in questa schermata. Quindi, nel
caso di SLOT OUT e 2TR OUT, verrà applicata
rispettivamente l'attenuazione della porta di uscita
specificata.
• I jack 1–8 MATRIX OUT e i jack A/B STEREO OUT del
pannello posteriore emettono sempre il segnale del canale
di uscita corrispondente e non vengono influenzati dalle
impostazioni di questa schermata.
In questa schermata è possibile assegnare le porte di
ingresso/uscita in cui verranno inseriti i dispositivi esterni.
Selezionare la porta di uscita sul lato sinistro della
schermata e la porta di ingresso sul lato destro.
ASELECTED PATCH
Indica il numero e il nome del canale di uscita sul quale
è posizionato il cursore nella griglia.
BInsert in/out
Indica le porte di ingresso/uscita assegnate come insert-
in/out per il canale di uscita sul quale è posizionato il
cursore. Qualora si assegnino più porte per l'insert-out,
verrà visualizzata solo la prima.
CCH (Canale di uscita)
In quest'area vengono visualizzati i numeri e i nomi dei
canali di uscita (canali MIX, MATRIX, STEREO A/B,
MONITOR L/R/C). Il numero del canale sul quale è
posizionato il cursore sarà evidenziato. Se si fa clic
sull'area del nome, verrà visualizzata una finestra che
consente di assegnare un nome al canale.
Nota
Non disponibile sull'unità DSP5D per i canali MONITOR L/R/C.
6Schermata INSERT PATCH
(ASSEGNAZIONE INSERIMENTO)
INSERT PATCH
21
6
3
45

PM5D/PM5D-RH V2/DSP5D – Manuale di istruzioni Sezione riferimenti 245
Informazioni visua-
lizzate sul display
Menu Function
(Funzioni)
Funzioni
generali
Funzioni
di output
Funzioni
di input
Appendici
DASSIGN
Per ciascun canale di uscita indica il numero di porte di
uscita correntemente assegnate come insert-out.
EGriglia
Per ciascun canale di uscita (colonna verticale), questa
griglia consente di assegnare una o più porte di uscita
(riga orizzontale) da utilizzare come insert-out. Le
griglie correntemente assegnate sono indicate dal
simbolo .
Facendo clic su un punto della griglia è possibile
impostare o annullare un'assegnazione. Le righe rosse a
sinistra e in alto indicano il punto della riga sul quale si
sposta il cursore.
Suggerimento
Le operazioni sulla griglia sono le stesse per tutte le
schermate di assegnazione. Per ulteriori informazioni, fare
riferimento al suggerimento a p. 243.
FPorta di uscita
Dall'alto in quest'area sono indicati: tipo della porta di
uscita, ID, numero del canale di uscita e numero di
canali di uscita assegnati. Di seguito sono elencati i tipi
di porte di uscita che è possibile assegnare come insert-
out.
Nota
Sull'unità DSP5D, è possibile effettuare la scelta tra OMNI
OUT 1-24, SLOT OUT 1-4 (SLOT OUT 3-4 è il connettore
CASCADE OUT), FX IN 1-8 e GEQ IN 1-20.
Suggerimento
Se si seleziona FX IN come insert-out, l'uscita dello stesso
effetto interno verrà automaticamente selezionata come
insert-in. Se si seleziona GEQ IN, l'uscita dello stesso modulo
GEQ verrà automaticamente selezionata come insert-in.
GASSIGN
Per ciascun canale di ingresso indica il numero di porte
di ingresso correntemente assegnate come insert-in.
HPorta di ingresso
Dall'alto in quest'area sono indicati: tipo della porta di
ingresso, ID, numero del canale di ingresso e numero
di canali di ingresso assegnati. Di seguito sono elencati i
tipi di porte di ingresso selezionabili.
Nota
Sull'unità DSP5D, è possibile effettuare la scelta tra OMNI
OUT 1-24, SLOT OUT 1-4 (SLOT OUT 3-4 è il connettore
CASCADE OUT), FX IN 1-8 e GEQ IN 1-20.
IPulsante LIBRARY
Questo pulsante consente di accedere alla schermata
OUTPUT PATCH LIBRARY (LIBRERIA
ASSEGNAZIONE OUTPUT) (➥ p. 247), nella quale è
possibile memorizzare/richiamare le impostazioni della
libreria di assegnazione per i canali di uscita.
❏Utilizzo del tasto [SHIFT] + CURSOR
[√]/[®] per spostare il cursore
Quando si utilizza il pannello è possibile spostare
rapidamente il cursore dal lato destro al lato sinistro
della schermata (o viceversa) tenendo premuto il tasto
[SHIFT] e premendo i tasti CURSOR [√]/[®].
Per spostare rapidamente il cursore all'interno o
all'esterno della griglia, tenere premuto il tasto [SHIFT]
e premere i tasti CURSOR [√]/[®]/[π]/[†].
Nota
Per attivare un insert-in assegnato a un canale di uscita della
schermata è necessario attivare il pulsante ON/OFF del
canale di uscita corrispondente nella schermata INSERT
POINT (PUNTO DI INSERIMENTO) (funzione OUTPUT
PATCH) (
➥
p. 246). Tuttavia, l'insert-out sarà sempre attivo
indipendentemente dallo stato del pulsante ON/OFF.
L'inserimento di un equalizzatore grafico rappresenta
un'eccezione in quanto il relativo insert-in sarà
automaticamente attivo.
MIX OUT Jack MIX OUT 1–24
SLOT OUT Canali di uscita di una scheda di I/O installata
negli slot 1–4
FX IN Ingressi L/R degli effetti interni 1–8
GEQ IN Ingressi dei moduli GEQ (EQ grafico) interni
1–20
2TR OUT Canali L/R dei jack 2TR OUT DIGITAL 1–3
AD IN Jack INPUT 1–48
AD ST IN Jack ST IN 1–4 L/R
SLOT IN Canali di ingresso di una scheda di I/O
installata negli slot 1–4
8
7
FX OUT Uscite L/R degli effetti interni 1–8
GEQ OUT Uscite dei moduli GEQ 1–20
2TR IN Canali L/R dei jack 2TR IN DIGITAL 1–3 e 2TR
IN ANALOG 1/2
9
➠
Tasto [SHIFT]
+
Tasto CURSOR [®]
Cursore
Il cursore si sposterà

Funzione OUTPUT PATCH (ASSEGNAZIONE OUTPUT)
246 PM5D/PM5D-RH V2/DSP5D – Manuale di istruzioni Sezione riferimenti
In questa schermata è possibile selezionare la posizione in
cui verrà assegnato l'insert-in/out di ciascun canale di
uscita, nonché attivare/disattivare l'insert-in.
AVisualizzazione dell'inserimento
Quando si sposta il cursore nel punto I/O di
inserimento (4), il punto di inserimento di quel
canale di uscita verrà visualizzato graficamente.
BOUTPUT CH (Canale di uscita)
Numero e nome del canale di uscita che si sta
modificando. Due canali accoppiati sono indicati da un
simbolo di cuore sulla sinistra; per questi canali le
impostazioni 3–4 saranno collegate. È possibile fare
clic sul simbolo per attivare o disattivare
l'accoppiamento.
CON/OFF (Attivazione/disattivazione
inserimento)
Questo pulsante consente di attivare o disattivare
l'inserimento per ciascun canale. Viene collegato per
canali accoppiati.
Nota
Se si attiva questo pulsante quando gli insert-in o insert-out
non sono assegnati, il segnale non verrà più emesso dal
canale di uscita corrispondente.
DINSERT I/O (punto di inserimento I/O)
In quest'area è possibile selezionare una delle seguenti
posizioni di insert-in/out per ciascun canale di uscita.
ESET ALL (IMPOSTA TUTTO)
Attiva l'elemento corrispondente (inserimento o punto
di inserimento) per tutti i canali (inclusi quelli non
visualizzati nella schermata).
FCLEAR ALL (CANCELLA TUTTO)
Disattiva l'inserimento per tutti i canali (inclusi quelli
non visualizzati nella schermata).
Schermata INSERT POINT
INSERT POINT
1
PRE EQ Subito prima dell'equalizzatore
POST EQ Subito dopo l'EQ
PRE FADER Subito prima del fader
POST ON Subito dopo il tasto [ON]
2
56
3 4

PM5D/PM5D-RH V2/DSP5D – Manuale di istruzioni Sezione riferimenti 247
Informazioni visua-
lizzate sul display
Menu Function
(Funzioni)
Funzioni
generali
Funzioni
di output
Funzioni
di input
Appendici
In questa schermata è possibile assegnare nomi ai canali di
uscita. Tuttavia, la visualizzazione nelle funzioni CH COPY
(COPIA CANALE), GLOBAL PASTE (INCOLLA
IMPOSTAZIONI GLOBALI) e CSV IMPORT/EXPORT
(IMPORTAZIONE/ESPORTAZIONE CSV) non è
supportata.
ACanale
Numero del canale di uscita (canali MIX, MATRIX o
STEREO A/B).
BNome
Nome correntemente assegnato al canale di uscita. Se si
fa clic sull'area del nome, verrà visualizzata una finestra
che consente di assegnare un nome al canale.
CLIBRARY
Pulsante che consente di visualizzare la schermata
OUTPUT PATCH LIBRARY (➥ p. 247) in cui è
possibile memorizzare o richiamare lo stato
dell'assegnazione (e i nomi) dei canali di uscita come
dati della libreria.
In questa schermata è possibile richiamare, memorizzare,
rinominare o eliminare elementi della libreria di
assegnazione output.
AEDIT (MODIFICA)
Quando si fa clic su questo pulsante, viene visualizzata
la schermata OUTPUT PATCH.
BInformazioni sulle assegnazioni della scena
corrente
In quest'area vengono visualizzate le impostazioni delle
assegnazioni di output della scena corrente.
Schermata NAME (NOME)
NAME
1 2 3
Schermata OUTPUT PATCH LIBRARY
OUTPUT PATCH LIBRARY
1
2

Funzione OUTPUT INSERT (INSERIMENTO OUTPUT)
248 PM5D/PM5D-RH V2/DSP5D – Manuale di istruzioni Sezione riferimenti
CRECALL (RICHIAMA)
Consente di richiamare in memoria l'elemento della
libreria di assegnazione output selezionato nell'elenco.
DSTORE (MEMORIZZA)
Consente di memorizzare le impostazioni correnti
della schermata OUTPUT PATCH nella posizione
selezionata dell'elenco. Quando si fa clic su questo
pulsante viene visualizzata una finestra che consente
di assegnare un nome alle impostazioni e di salvarle.
ETITLE EDIT (MODIFICA TITOLO)
Consente di modificare il titolo dell'elemento della
libreria selezionato nell'elenco. Quando si fa clic su
questo pulsante viene visualizzata una finestra che
consente di modificare il titolo.
FCLEAR (CANCELLA)
Consente di eliminare l'elemento della libreria
selezionato nell'elenco. Quando si fa clic su questo
pulsante viene visualizzato un messaggio con la
richiesta di conferma.
Nota
Gli elementi della libreria per i quali viene visualizzata una "R"
nella colonna destra dell'elenco sono di sola lettura. Gli
elementi di sola lettura non possono essere memorizzati,
rinominati o eliminati.
GImpostazioni di assegnazione degli
elementi della libreria
Consente di visualizzare le impostazioni dell'elemento
della libreria selezionato nell'elenco.
HElenco della libreria
Utilizzare la barra di scorrimento per selezionare
l'elemento della libreria sul quale si desidera eseguire
un'operazione. L'elemento della libreria selezionato
verrà spostato al centro dell'elenco e sarà evidenziato.
Funzione OUTPUT INSERT
(INSERIMENTO OUTPUT)
In questa schermata è possibile configurare impostazioni
per l'HA (Head Amplifier) interno (solo modello PM5D-
RH) o per l'HA esterno assegnato all'insert-in di un canale
di uscita o di un canale MONITOR L/C/R.
3
4
5
6
8
7
Schermata INSERT IN MIX
(INSERIMENTO IN MISSAGGIO) 1-24
Schermata INSERT IN MATRIX/
STEREO/MONITOR (INSERIMENTO IN
MATRICE/STEREO/MONITOR)
INSERT IN MIX 1-24
INSERT IN MATRIX/STEREO/MONITOR

PM5D/PM5D-RH V2/DSP5D – Manuale di istruzioni Sezione riferimenti 249
Informazioni visua-
lizzate sul display
Menu Function
(Funzioni)
Funzioni
generali
Funzioni
di output
Funzioni
di input
Appendici
A+48V
Consente di attivare/disattivare l'alimentazione
phantom (+48V) di ciascun canale.
BHPF (High Pass Filter, Filtro passa-alto)
Consente di attivare o disattivare l'HPF per ciascun
canale.
CFrequenza di taglio
Indica la frequenza di taglio del filtro HPF per ciascun
canale. Spostare il cursore sulla casella e ruotare
l'encoder [DATA] per regolare la frequenza di taglio
nell'intervallo 20–600 Hz.
DGUADAGNO
Consente di regolare il guadagno per ciascun canale.
Spostare il cursore sulla manopola e ruotare l'encoder
[DATA] per regolare l'attenuazione nell'intervallo
compreso tra +10dB e –62dB. Il valore corrente viene
riportato nella casella sotto ciascuna manopola.
Nota
Poiché le impostazioni
1
–
4
si riferiscono alla porta di
ingresso assegnata, vengono collegate per i canali assegnati
alla stessa porta.
EPorta di ingresso
Indica il tipo e il numero della porta di ingresso
assegnata all'insert-in di quel canale.
Nota
• Gli elementi
1
–
4
non sono visualizzati per i canali il cui
insert-in non ha assegnazioni o per i canali assegnati a una
porta di ingresso che non dispone di un HA. Gli elementi
2
e
3
non sono visualizzati per i canali assegnati a una porta
non dotata di filtro passa-alto.
• Utilizzare la schermata INSERT PATCH (funzione OUTPUT
PATCH) per assegnare una porta di ingresso a un insert-in.
FCanale
Numero e nome del canale che si sta modificando. Due
canali accoppiati sono indicati dal simbolo di un cuore
visualizzato tra i due.
Nota
Le impostazioni dell'HA non sono collegate anche se due
canali sono accoppiati. Invece l'impostazione della manopola
GAIN è collegata per gli HA per i quali il pulsante GANG
(GRUPPO) è attivato nella schermata HA (funzione SYS/
W.CLOCK).
Suggerimento
Le impostazioni dell'HA modificate in questa schermata sono
riflesse anche nella schermata HA (funzione SYS/W.CLOCK).
Questa schermata viene condivisa con HA LIBRARY nella
funzione SYS/W.CLOCK (➥ p. 230).
1
2
3
5
4
6
Schermata HA LIBRARY
(LIBRERIA HEAD AMPLIFIER)
HA LIBRARY

Funzione OUTPUT EQ (EQ USCITA)
250 PM5D/PM5D-RH V2/DSP5D – Manuale di istruzioni Sezione riferimenti
Funzione OUTPUT EQ
(EQ USCITA)
In questa schermata è possibile modificare i parametri
dell'EQ per il canale di uscita selezionato.
(se è selezionato un canale MIX o STEREO A/B)
(se è selezionato un canale MATRIX)
ASelezione del canale
Selezionare il canale di uscita che si desidera
modificare. È possibile utilizzare EQ a otto bande,
quattro bande UPPER (SUPERIORI) + quattro bande
LOWER (INFERIORI), per i canali MIX e STEREO A/
B, ed EQ a quattro bande per i canali MATRIX.
Quando il canale è accoppiato (o se si seleziona un
canale STEREO A/B), viene visualizzato il simbolo di
un cuore sulla destra. Per i canali MIX e MATRIX è
possibile fare clic su questo simbolo per attivare/
disattivare l'accoppiamento.
BEQ ON/OFF (Attivazione/disattivazione EQ)
Consente di attivare o disattivare l'EQ per quel canale.
CEQ LINK GROUP (GRUPPO COLLEGAM. EQ)
Consente di selezionare il gruppo di collegamento EQ
(A–H) al quale appartiene l'EQ del canale. I parametri
dell'EQ sono collegati per i canali di uscita appartenenti
allo stesso gruppo.
Nota
L'EQ dei canali MIX e STEREO A/B può essere assegnato
solo a gruppi A–F, mentre quello dei canali MATRIX è
assegnabile solo a gruppi G/H.
DLIBRARY
Questo pulsante consente di accedere alla schermata
OUTPUT EQ LIBRARY (➥ p. 252), nella quale è
possibile memorizzare/richiamare le impostazioni della
libreria EQ per i canali di uscita.
EEQ TYPE (TIPO EQ)
Consente di selezionare il tipo di EQ. Attivando il
pulsante TYPE I è possibile selezionare l'algoritmo
utilizzato nella serie 02R mentre attivando il pulsante
TYPE II si selezionerà un nuovo algoritmo. L'uso di
TYPE II consentirà di ridurre l'interferenza tra le
bande.
FGrafico EQ
Questo grafico mostra la risposta approssimata dei
parametri di equalizzazione. Le righe verticali colorate
indicano la FREQ (frequenza centrale) della banda per
il parametro sul quale è posizionato il cursore. Il colore
di ciascuna riga corrisponde al contrassegno della
manopola per ciascuna banda. La curva di risposta
cambierà quando si modifica Q (larghezza della banda)
o GAIN di ciascuna banda.
GIndicatore di livello
Questi indicatori mostrano i livelli di picco prima
dell'EQ e dopo l'EQ. Se si verifica una distorsione del
segnale prima dell'EQ, il segmento OVER
(SOVRIMPRESSIONE) si illuminerà.
Schermata EQ PARAM
(Parametri EQ)
EQ PARAM
EQ PARAM
5
12 4
8 7
36
9

PM5D/PM5D-RH V2/DSP5D – Manuale di istruzioni Sezione riferimenti 251
Informazioni visua-
lizzate sul display
Menu Function
(Funzioni)
Funzioni
generali
Funzioni
di output
Funzioni
di input
Appendici
HEQ FLAT (AZZERA EQ)
Questo pulsante consente di reimpostare i parametri
GAIN di tutte le bande sul valore di default (±0.0 dB).
Quando si fa clic su questo pulsante viene visualizzato
un messaggio con la richiesta di conferma.
ILOWER/UPPER (solo per canali MIX e
STEREO A/B)
L'indicatore mostra le quattro bande (LOWER o
UPPER) selezionate nella sezione SELECTED
CHANNEL (CANALE SELEZIONATO) del pannello.
L'etichetta di testo del gruppo selezionato viene
visualizzata in giallo.
JManopole
Queste manopole consentono di regolare Q, FREQ e
GAIN (intensità di enfasi/taglio) per ciascuna banda.
KBYPASS
Questi pulsanti consentono di bypassare ciascuna
banda dell'EQ.
L (Shelving LOW (BASSO))
Se questo pulsante è attivato, l'EQ LOW funzionerà
come un EQ di tipo shelving. La manopola Q non sarà
più visualizzata.
MHPF (High Pass Filter, Filtro passa-alto)
Se questo pulsante è attivato, l'EQ LOW funzionerà
come filtro passa-alto. La manopola Q non sarà più
visualizzata e si utilizzerà la manopola GAIN per
attivare/disattivare il filtro HPF.
N (Shelving HIGH (ALTO))
Se questo pulsante è attivato, l'EQ HIGH funzionerà
come un EQ di tipo shelving. La manopola Q non sarà
più visualizzata.
OLPF (Low Pass Filter, Filtro passa-basso)
Se questo pulsante è attivato, L'EQ HIGH funzionerà
come filtro passa-basso. La manopola Q non sarà più
visualizzata e si utilizzerà la manopola GAIN per
attivare o disattivare il filtro passa-basso.
In queste schermate vengono elencate le impostazioni
dell'EQ per tutti i canali di uscita e consentono anche di
copiare le impostazioni dell'EQ tra i canali di uscita.
K
J
L M N O
Schermata MIX 1-24
Schermata MATRIX/STEREO
MIX 1-24
MATRIX/STEREO

Funzione OUTPUT EQ (EQ USCITA)
252 PM5D/PM5D-RH V2/DSP5D – Manuale di istruzioni Sezione riferimenti
AGrafico EQ
Questo mini-grafico mostra la risposta approssimata
dell'EQ per ciascun canale di uscita.
Se si fa clic sul grafico sul quale è correntemente
posizionato il cursore verrà visualizzata la schermata
EQ PARAM per il canale.
In questa schermata è possibile trascinare il mini-
grafico dal canale desiderato per copiare le relative
impostazioni dell'EQ. Quando si trascina il mini-
grafico verrà visualizzato un messaggio in cui viene
richiesto di confermare l'operazione di copia.
È inoltre possibile copiare le impostazioni dell'EQ tra le
schermate MIX 1-24 e MATRIX/STEREO. Trascinare
prima il mini-grafico sul tab MIX 1-24 o MATRIX/
STEREO della schermata (la schermata cambierà) e
quindi trascinarlo e rilasciarlo sul canale desiderato; un
messaggio chiederà all'utente di confermare
l'operazione di copia.
È anche possibile copiare le impostazioni tra l'EQ a
otto bande di un canale MIX o STEREO A/B e l'EQ a
quattro bande di un canale MATRIX. In questo caso,
solo le quattro bande LOWER verranno copiate per
canali MIX o STEREO A/B.
BEQ ON/OFF
Consente di attivare o disattivare l'EQ per quel canale.
Viene collegato per canali accoppiati.
CCanale
Numero e nome del canale che si sta modificando. Due
canali accoppiati sono indicati dal simbolo di un cuore
visualizzato tra i due.
DIndicatore di livello
Questo indicatore mostra il livello di picco dopo l'EQ.
Se si verifica una distorsione del segnale, il segmento
OVER si illuminerà.
In questa schermata è possibile richiamare, memorizzare,
rinominare o eliminare elementi nella libreria dell'EQ di
uscita.
AEDIT
Quando si fa clic su questo pulsante viene visualizzata
la schermata EQ PARAM del canale di uscita
correntemente selezionato.
BSelezione del canale
Selezionare il canale che si desidera modificare.
CGrafico EQ del canale selezionato
Questo grafico mostra la risposta approssimata dell'EQ
del canale correntemente selezionato.
DIndicatore di livello
Questi indicatori mostrano i livelli di picco prima
dell'EQ e dopo l'EQ. Se si verifica una distorsione del
segnale prima dell'EQ, il segmento OVER
(SOVRIMPRESSIONE) si illuminerà.
4 1 2
3
Schermata OUTPUT EQ LIBRARY
(LIBRERIA EQ DI USCITA)
OUTPUT EQ LIBRARY
1
2
3
4

PM5D/PM5D-RH V2/DSP5D – Manuale di istruzioni Sezione riferimenti 253
Informazioni visua-
lizzate sul display
Menu Function
(Funzioni)
Funzioni
generali
Funzioni
di output
Funzioni
di input
Appendici
ERECALL
Consente di richiamare in memoria l'elemento della
libreria EQ selezionato nell'elenco.
FSTORE
Consente di memorizzare le impostazioni dell'EQ del
canale selezionato nella posizione selezionata
nell'elenco. Quando si fa clic su questo pulsante viene
visualizzata una finestra che consente di assegnare un
nome alle impostazioni e di salvarle.
GTITLE EDIT
Consente di modificare il titolo dell'elemento della
libreria selezionato nell'elenco. Quando si fa clic su
questo pulsante viene visualizzata una finestra che
consente di modificare il titolo.
HCLEAR
Consente di eliminare l'elemento della libreria
selezionato nell'elenco. Quando si fa clic su questo
pulsante viene visualizzato un messaggio con la
richiesta di conferma.
Nota
Gli elementi della libreria per i quali viene visualizzata una "R"
nella colonna destra dell'elenco sono di sola lettura. Gli
elementi di sola lettura non possono essere memorizzati,
rinominati o eliminati.
IGrafico EQ della libreria
Questo grafico indica la risposta approssimata
dell'elemento della libreria EQ selezionato nell'elenco.
L'indicazione LIBRARY TYPE (TIPO LIBRERIA)
mostra se l'elemento contiene impostazioni EQ a otto
bande (MIX, STEREO A/B o GEQ) oppure a quattro
bande (MATRIX).
JElenco della libreria
Utilizzare la barra di scorrimento per selezionare
l'elemento della libreria sul quale si desidera eseguire
un'operazione. L'elemento della libreria selezionato
verrà spostato al centro dell'elenco e sarà evidenziato.
Funzione OUTPUT COMP
(COMPRESSORE USCITA)
In questa schermata è possibile modificare i parametri del
compressore del canale di uscita selezionato.
ASelezione del canale
Selezionare il canale che si desidera modificare. Se il
canale MIX o MATRIX corrispondente è accoppiato
(o se si seleziona un canale STEREO A/B), verrà
visualizzato il simbolo di un cuore sulla destra. Per i
canali MIX e MATRIX è possibile fare clic su questo
simbolo per attivare/disattivare l'accoppiamento.
BCOMP ON/OFF (Attivaz./
Disattivaz.compressore)
Consente di attivare o disattivare il compressore per il
canale.
CCOMP LINK GROUP (Gruppo di
collegamento compressore)
Consente di selezionare il gruppo di collegamento del
compressore (A–H) al quale appartiene il canale. I
parametri del compressore sono collegati per i canali
di uscita appartenenti allo stesso gruppo.
DLIBRARY
Questo pulsante consente di accedere alla schermata
COMP LIBRARY (➥ p. 256), nella quale è possibile
memorizzare/richiamare le impostazioni della libreria
del compressore per i canali di uscita.
5
6
7
8
J
9
Schermata COMP PARAM
(Parametri compressore)
COMP PARAM
1 2 43

Funzione OUTPUT COMP (COMPRESSORE USCITA)
254 PM5D/PM5D-RH V2/DSP5D – Manuale di istruzioni Sezione riferimenti
EIndicatori di livello
Questi indicatori mostrano il livello di riduzione del
guadagno (GR, Gain Reduction), e i livelli di picco
prima (PRE) del compressore e dopo (POST) il
compressore e il livello di picco del segnale key-in
(KEY-IN) che consente il funzionamento del
compressore. Se si verifica una distorsione del segnale,
il segmento OVER si illuminerà.
Se il collegamento stereo è attivato per il canale MIX o
MATRIX corrispondente (o se si seleziona un canale
STEREO A/B), verranno visualizzati gli indicatori dei
due canali.
Suggerimento
Se GR METER ON/OFF LINK (COLLEGAM. ATTIVAZ./
DISATTIV. INDICATORE RIDUZIONE GUADAGNO) è
attivato nella schermata PREFERENCE 1 (funzione UTILITY),
l'indicatore della riduzione del guadagno non verrà
visualizzato quando il compressore è disattivato.
FTipo
Il tipo del compressore correntemente selezionato.
Suggerimento
Per modificare il tipo di compressore, utilizzare la schermata
OUTPUT COMP LIBRARY per richiamare un elemento della
libreria di tipo diverso. Non è possibile modificare il tipo di
compressore in questa schermata.
GSTEREO LINK (COLLEGAMENTO STEREO)
Consente di specificare se le impostazioni dei
parametri e il funzionamento del compressore ad
opera di un segnale key-in saranno collegati (pulsante
STEREO LINK attivato) per i canali MIX/MATRIX
adiacenti con numerazione dispari/pari o per i canali
L/R del canali STEREO A/B o meno (pulsante STEREO
LINK disattivato).
❏ Flusso del segnale key-in quando il pulsante
Link è attivato
❏ Flusso del segnale key-in quando il pulsante
Link è disattivato
Nota
Il pulsante Stereo Link è sempre attivato per i canali
accoppiati e per i canali STEREO A/B.
HGrafico del compressore
Questo grafico indica la risposta approssimata del
compressore.
IKEY IN SOURCE (SORGENTE KEY IN)
Selezionare il segnale key-in desiderato tra le possibilità
riportate di seguito.
5
6 97 8
SELF PRE EQ Il segnale pre-EQ del canale di
uscita selezionato
SELF POST EQ Il segnale post-EQ del canale di
uscita selezionato
MIX1–24 POST EQ Il segnale post-EQ del canale di
uscita corrispondente (è
comunque possibile effettuare la
selezione solo dal gruppo al quale
il canale appartiene, dai tre gruppi
MIX 1–12, MIX 13–24 e da
MATRIX/ST)
MATRIX1–8 POST EQ
ST AL/AR POST EQ
ST BL/BR POST EQ
MIX21–24 OUT
Il segnale di output del canale MIX
corrispondente immediatamente
prima dell'attenuazione della porta
di uscita
GR
THR
THR
LINK= ON
GR
Segnale key-in del
canale con numerazione
dispari
Segnale key-in del canale
con numerazione pari
Elaborazione
ATTACK
Elaborazione
ATTACK
Rilevaz.
livello
massimo
GR
THR
THR
LINK= OFF
GR
Segnale key-in del canale
con numerazione dispari
Segnale key-in del canale
con numerazione pari
Elaborazione
ATTACK
Elaborazione
ATTACK
Rilevaz. livello
massimo
Rilevaz. livello
massimo

PM5D/PM5D-RH V2/DSP5D – Manuale di istruzioni Sezione riferimenti 255
Informazioni visua-
lizzate sul display
Menu Function
(Funzioni)
Funzioni
generali
Funzioni
di output
Funzioni
di input
Appendici
JTHRESHOLD (livello di soglia)
Indica il livello di soglia per il funzionamento del
compressore. Il segnale di input sarà compresso una
volta superato il livello stabilito del segnale key-in; la
compressione terminerà non appena il segnale ricadrà
al di sotto del livello.
KRATIO (RAPPORTO)
Specifica il rapporto in base al quale il segnale di input
verrà compresso dopo che il segnale key-in ha superato
la soglia prestabilita.
LATTACK (Tempo di attacco)
Specifica il tempo necessario per l'inizio della
compressione da quando il segnale key-in supera il
livello di soglia.
MRELEASE (Tempo di rilascio)
Specifica il tempo necessario per la rimozione della
compressione dal momento in cui il segnale key-in
ricade al di sotto della soglia prestabilita.
NGAIN
Specifica il guadagno del livello di output.
OKNEE
Consente di selezionare la modalità di modifica del
livello di output; l'intervallo è HARD oppure 1–5.
HARD produce il cambiamento più netto, mentre 5
quello più graduale.
In queste schermate vengono visualizzate le impostazioni
del compressore per tutti i canali di uscita ed è inoltre
possibile copiare le impostazioni del compressore tra i
canali di uscita.
AGrafico del compressore
Questo mini-grafico mostra la risposta approssimata
del compressore per ciascun canale di uscita.
Se si fa clic sul grafico sul quale è correntemente
posizionato il cursore, verrà visualizzata la schermata
COMP PARAM di quel canale.
In questa schermata è possibile trascinare il mini-
grafico dal canale desiderato per copiare le relative
impostazioni del compressore (in fase di trascinamento
J K L M N O
Schermata MIX 1-24
Schermata MATRIX/STEREO
MIX 1-24
MATRIX/STEREO
2 1 3
4

Funzione OUTPUT COMP (COMPRESSORE USCITA)
256 PM5D/PM5D-RH V2/DSP5D – Manuale di istruzioni Sezione riferimenti
e rilascio una finestra a comparsa chiederà all'utente di
confermare l'operazione di copia).
È inoltre possibile copiare le impostazioni del
compressore tra le schermate MIX 1-24 e MATRIX/
STEREO. Trascinare prima il mini-grafico sul tab MIX
1-24 o MATRIX/STEREO della schermata (la
schermata cambierà) e quindi trascinarlo e rilasciarlo
sul canale desiderato; un messaggio chiederà all'utente
di confermare l'operazione di copia.
BIndicatori di livello
Questi indicatori mostrano il livello di riduzione del
guadagno prodotto dal compressore (a sinistra) e i
livelli di picco del segnale dopo il passaggio attraverso il
compressore (a destra). Se si verifica una distorsione
del segnale, il segmento OVER si illuminerà.
CCOMP ON/OFF (Attivaz./
Disattivaz.compressore)
Consente di attivare o disattivare il compressore per il
canale.
DCanale
Numero e nome del canale che si sta modificando. Due
canali accoppiati sono indicati dal simbolo di un cuore
visualizzato tra i due.
In questa schermata è possibile richiamare, memorizzare,
rinominare o eliminare elementi della libreria del
compressore. Il contenuto è in comune con quello della
schermata COMP LIBRARY della funzione INPUT GATE/
COMP (COMPRESSORE/GATE DI INGRESSO).
AEDIT
Se si fa clic su questo pulsante, sarà visualizzata la
schermata COMP PARAM per il canale selezionato.
BSelezione del canale
Selezionare il canale che si desidera modificare.
CGrafico del compressore del canale
selezionato
Questo grafico mostra la risposta approssimata del
compressore per il canale selezionato.
DIndicatori di livello
Questi indicatori mostrano il livello di riduzione del
guadagno (GR, Gain Reduction) e i livelli di picco
prima del compressore (PRE) e dopo il compressore
(POST). Se si verifica una distorsione del segnale, il
segmento OVER si illuminerà.
Schermata COMP LIBRARY
(Libreria compressore)
COMP LIBRARY
1
2
3
4

PM5D/PM5D-RH V2/DSP5D – Manuale di istruzioni Sezione riferimenti 257
Informazioni visua-
lizzate sul display
Menu Function
(Funzioni)
Funzioni
generali
Funzioni
di output
Funzioni
di input
Appendici
ERECALL
Consente di richiamare in memoria l'elemento della
libreria del compressore selezionato nell'elenco.
FSTORE
Consente di memorizzare le impostazioni del
compressore del canale selezionato nella posizione
selezionata nell'elenco. Quando si fa clic su questo
pulsante viene visualizzata una finestra che consente
di assegnare un nome alle impostazioni e di salvarle.
GTITLE EDIT
Consente di modificare il titolo dell'elemento della
libreria selezionato nell'elenco. Quando si fa clic su
questo pulsante, viene visualizzata una finestra che
consente di modificare il titolo.
HCLEAR
Consente di eliminare l'elemento della libreria
selezionato nell'elenco. Quando si fa clic su questo
pulsante viene visualizzato un messaggio con la
richiesta di conferma.
Nota
Gli elementi della libreria per i quali viene visualizzata una "R"
nella colonna destra dell'elenco sono di sola lettura. Gli
elementi di sola lettura non possono essere memorizzati,
rinominati o eliminati.
IGrafico del compressore dell'elemento
della libreria
Questo grafico indica la risposta approssimata
dell'elemento della libreria del compressore selezionato
nell'elenco.
JElenco della libreria
Utilizzare la barra di scorrimento per selezionare
l'elemento della libreria sul quale si desidera eseguire
un'operazione. L'elemento della libreria selezionato
verrà spostato al centro dell'elenco e sarà evidenziato.
Funzione OUTPUT DELAY
(DELAY OUTPUT)
In questa schermata è possibile modificare i parametri di
delay per il canale di uscita selezionato.
ADELAY SCALE (SCALA DELAY)
L'unità selezionata in quest'area viene utilizzata per
indicare il tempo di delay nella casella sottostante la
relativa manopola (3) e nelle altre schermate. È
possibile scegliere una delle seguenti unità.
• METER (METRI)
Distanza in metri, calcolata come la velocità del suono
a una temperatura dell'aria di 20°C (343,59 m/s) x il
tempo di delay (in secondi).
• FEET (PIEDI)
Distanza in piedi, calcolata come la velocità del suono
a una temperatura dell'aria di 20°C (68°F)
(1127,26 piedi/s) x il tempo di delay (in secondi).
• SAMPLE (CAMPIONE)
Il tempo di delay viene indicato come numero di
campioni. Se si modifica la frequenza di
5
6
7
8
J
9
Schermata MIX 1-24
Schermata MATRIX/STEREO
MIX1-24
MATRIX/STEREO
1

Funzione OUTPUT DCA/GROUP (OUTPUT DCA/GRUPPO)
258 PM5D/PM5D-RH V2/DSP5D – Manuale di istruzioni Sezione riferimenti
campionamento a cui opera l'unità PM5D, il numero
di campioni cambierà di conseguenza.
• msec (millisecondi)
Il tempo di delay viene visualizzato in unità di
millisecondi. Se questo pulsante è attivato, nelle caselle
sopra e sotto la manopola del tempo di delay (3)
verranno visualizzati gli stessi valori.
• BEAT
Il tempo di delay viene indicato in unità relative alla
lunghezza della nota (considerata come 1.0) e specificato
mediante i valori del tempo (BPM) e della nota (NOTE).
Per specificare il tempo, è possibile utilizzare i pulsanti
/ immediatamente sotto il pulsante BEAT oppure
battere più volte il pulsante TAP (BATTUTA) o fare
più volte clic sul tasto definito dall'utente assegnato a
[TAP TEMPO]-[CURRENT PAGE] (TEMPO DI
BATTUTA - PAGINA CORRENTE).
• FRAME
Il tempo di delay viene visualizzato in unità di frame.
Utilizzare i sei pulsanti posti sotto il pulsante FRAME
per selezionare il numero di frame al secondo.
Suggerimento
• Se l'impostazione DELAY SCALE della schermata OUTPUT
DELAY viene modificata, anche l'impostazione DELAY SCALE
della funzione INPUT DELAY cambierà di conseguenza.
• Il pulsante TAP della funzione OUTPUT DELAY è indipendente
dal pulsante TAP TEMPO dell'effetto interno.
• Il numero di frame al secondo è collegato al campo TIME CODE
SETUP (CONFIGURAZIONE TIME CODE) nella schermata
EVENT LIST (ELENCO EVENTI) (funzione SCENE).
BGANG
Questo pulsante consente di specificare se i parametri di
delay verranno collegati per i canali adiacenti con nume-
razione dispari/pari. L'indicazione è possibile
indipendentemente dall'accoppiamento. Se il pulsante
GANG viene attivato per canali con tempi di delay
diversi, ruotando la relativa manopola (
3
) verranno
modificati i tempi di delay di entrambi i canali mante-
nendo tuttavia la differenza nel rispettivo tempo di delay.
CManopola del tempo di delay
Questa manopola consente di impostare il tempo di
delay di ciascun canale. Il tempo di delay è indicato
nella casella sotto la manopola, nelle unità selezionate
in (1). Nella casella sopra la manopola viene sempre
visualizzato il tempo di delay in unità di millisecondi.
DDELAY ON/OFF (ATT./DISATT. DELAY)
Questo pulsante consente di attivare/disattivare il
delay. Viene collegato per canali accoppiati.
ECanale
Numero e nome del canale che si sta modificando. Due
canali accoppiati sono indicati dal simbolo di un cuore
visualizzato tra i due. È possibile fare clic sul simbolo
per attivare o disattivare l'accoppiamento.
Funzione OUTPUT DCA/
GROUP (OUTPUT DCA/
GRUPPO)
In questa schermata è possibile specificare i canali di uscita
che verranno assegnati ai gruppi DCA 7/8. I fader DCA 7/8
possono essere utilizzati per regolare in modo uniforme i
livelli dei canali di uscita appartenenti allo stesso gruppo
DCA.
AGruppo DCA
Numero del gruppo DCA. Il numero corrispondente
alla griglia sulla quale è posizionato il cursore viene
evidenziato.
BNome
Nome del gruppo DCA. È anche possibile fare clic su
quest'area per modificare il nome.
CGriglia
La griglia consente di assegnare canali di uscita (righe
orizzontali) a gruppi DCA (colonne verticali). Le
griglie correntemente assegnate sono indicate dal
simbolo . Spostare il cursore sulla griglia desiderata,
quindi premere il tasto [ENTER] (INVIO) o fare clic
per impostare/disattivare l'assegnazione.
Suggerimento
• È anche possibile assegnare un canale di uscita a entrambi
i gruppi DCA per il controllo di più DCA.
• I gruppi DCA 1–6 sono riservati ai canali di ingresso, ma
i gruppi DCA 7/8 possono essere utilizzati sia con i canali
di ingresso che con i canali di uscita. I gruppi DCA 7/8
consentono di utilizzare entrambi i tipi di canali nel gruppo
con numerazione identica.
2
3
4
5
Schermata DCA GROUP ASSIGN
(ASSEGNAZIONE GRUPPO DCA)
DCA GROUP ASSIGN
213

PM5D/PM5D-RH V2/DSP5D – Manuale di istruzioni Sezione riferimenti 259
Informazioni visua-
lizzate sul display
Menu Function
(Funzioni)
Funzioni
generali
Funzioni
di output
Funzioni
di input
Appendici
D
SET BY CUE (Assegna mediante tasto [CUE])
Specifica se il tasto [CUE] (SEGNALE DI
ATTIVAZIONE) verrà utilizzato per eseguire/
annullare le assegnazioni del gruppo DCA. Quando il
pulsante SET BY CUE del tasto DCA è attivato, se si
preme il tasto [CUE] di un canale che può essere
assegnato al gruppo corrispondente, il canale verrà
assegnato al gruppo (premere il tasto [CUE] ancora
una volta per annullare l'assegnazione).
Suggerimento
• Il pulsante SET BY CUE può essere attivato per un solo
gruppo DCA. La disattivazione è automatica quando si
cambia schermata o si spegne l'unità.
• Per attivare SET BY CUE dal pannello, premere il tasto
ASSIGN MODE [DCA] (ASSEGNA MODALITÀ [DCA]) e
attivare il tasto [CUE] del gruppo DCA 7/8.
ECLEAR
Questo pulsante consente di cancellare tutti i canali di
uscita assegnati al gruppo DCA.
FMUTE (ESCLUSIONE)
Questi pulsanti consentono di attivare/disattivare
l'esclusione dei gruppi DCA 7/8. Sono collegati con i
tasti DCA [MUTE] 7/8 nella strip DCA del pannello.
GFader DCA
Fader che consentono di regolare i livelli dei gruppi
DCA 7/8. Sono collegati con i fader DCA 7/8 nella strip
DCA.
HCUE
Questi pulsanti consentono di monitorare il segnale di
attivazione dei gruppi DCA 7/8. Sono collegati con i
tasti DCA [CUE] 7/8 nella strip DCA del pannello.
IDCA LEVEL SET (IMPOSTAZIONE LIVELLO
DCA)
Utilizzare i seguenti due pulsanti per azionare insieme
i gruppi DCA 7/8.
• ALL NOMINAL (TUTTO NOMINALE)
Facendo clic su questo pulsante tutti i fader DCA 7/8
si sposteranno sul livello nominale (0 dB).
• ALL MINIMUM (TUTTO MINIMO)
Facendo clic su questo pulsante tutti i fader DCA 7/8
si sposteranno in
posizione –∞ dB.
In questa schermata è possibile specificare i canali di uscita
che verranno assegnati ai gruppi di esclusione 1–8.
L'esclusione può essere attivata/disattivata insieme per i
canali assegnati allo stesso gruppo di esclusione.
AGruppo di esclusione
In quest'area viene visualizzato il numero del gruppo
di esclusione. Il numero corrispondente alla griglia
sulla quale è posizionato il cursore viene evidenziato.
BMUTE (Esclusione master)
Questi pulsanti consentono di attivare/disattivare
l'esclusione di ciascun gruppo di esclusione. I pulsanti
sono collegati ai tasti SCENE MEMORY (MEMORIA
SCENE) [1]–[8] del pannello (se il pulsante MUTE
MASTER è attivato nell'area visualizzata nella parte
inferiore del display).
Suggerimento
Quando si attiva l'esclusione, i canali appartenenti a quel
gruppo di esclusione si comporteranno come se il tasto [ON]
del pannello fosse stato disattivato: nessuna emissione di
segnale. In questa fase lampeggerà il LED del tasto [ON]
del pannello.
CGriglia
La griglia consente di assegnare canali di uscita (righe
orizzontali) a gruppi di esclusione (colonne verticali).
Le griglie correntemente assegnate sono indicate dal
simbolo . Spostare il cursore sulla griglia desiderata,
quindi premere il tasto [ENTER] o fare clic per
impostare/annullare l'assegnazione.
54
6
8
7
9
Schermata MUTE GROUP ASSIGN
(ASSEGNAZIONE GRUPPO ESCLUSIONE)
MUTE GROUP ASSIGN
321
4

Funzione OUTPUT DCA/GROUP (OUTPUT DCA/GRUPPO)
260 PM5D/PM5D-RH V2/DSP5D – Manuale di istruzioni Sezione riferimenti
DMUTE SAFE (BLOCCA ESCLUSIONE)
Questi pulsanti annullano temporaneamente lo stato di
esclusione di un canale. Quando un pulsante viene
visualizzato come "–" facendo clic su di esso diventerà
"ON" mentre il canale di uscita corrispondente verrà
escluso dai gruppi di esclusione. Facendo nuovamente
clic sul pulsante verrà ripristinato lo stato originale.
Nota
In genere le operazioni relative al blocco dell'esclusione
possono essere eseguite indipendentemente dalla memoria
scene.
Suggerimento
I gruppi di esclusione 1-8 possono essere utilizzati sia con
i canali di ingresso che con quelli di uscita. Entrambi i tipi
di canali possono esistere nel gruppo di esclusione con
numerazione identica.
E
SET BY CUE (Assegna mediante tasto [CUE])
Specifica se il tasto [CUE] verrà utilizzato per eseguire/
annullare le assegnazioni del gruppo di esclusione.
Quando il pulsante SET BY CUE del gruppo di
esclusione è attivato, se si preme il tasto [CUE] di un
canale che può essere assegnato al gruppo
corrispondente, il canale verrà assegnato al gruppo
(premere il tasto [CUE] ancora una volta per annullare
l'assegnazione).
Suggerimento
Il pulsante SET BY CUE può essere attivato per un solo
gruppo di esclusione. La disattivazione è automatica quando
si cambia schermata o si spegne l'unità.
FCLEAR
Questo pulsante consente di cancellare tutti i canali
di uscita assegnati al gruppo di esclusione.
GDIRECT RECALL/MUTE MASTER
(RICHIAMO DIRETTO/ESCLUSIONE
MASTER)
Rivestono la stessa funzione dei pulsanti DIRECT
RECALL/MUTE MASTER posizionati nella parte
inferiore del display (➥ p. 165).
In questa schermata è possibile specificare i canali di uscita
che verranno assegnati ai gruppi A–H di collegamento
dell'EQ. I parametri dell'EQ sono collegati per i canali
appartenenti allo stesso gruppo.
AGruppo di collegamento EQ
Numeri del gruppo di collegamento dell'EQ. Il numero
corrispondente alla griglia sulla quale è posizionato il
cursore viene evidenziato.
BGriglia
La griglia consente di assegnare canali di uscita (righe
orizzontali) a gruppi di collegamento dell'EQ (colonne
verticali). Le griglie correntemente assegnate sono
indicate dal simbolo . Spostare il cursore sulla griglia
desiderata, quindi premere il tasto [ENTER] o fare clic
per impostare/annullare l'assegnazione.
Suggerimento
• I canali MIX e STEREO A/B possono essere assegnati solo
a gruppi A–F di collegamento dell'EQ, mentre i canali
MATRIX sono assegnabili solo a gruppi G/H di
collegamento dell'EQ.
• Le aree di colore grigio indicano le combinazioni che non
possono essere assegnate.
• I canali di ingresso e quelli di uscita utilizzano gruppi di
collegamento dell'EQ separati. I canali di uscita utilizzano
gruppi A–H mentre quelli di ingresso gruppi 1–8.
65
7
Schermata EQ LINK ASSIGN
(ASSEGNAZIONE COLLEGAMENTO EQ)
EQ LINK ASSIGN
12

PM5D/PM5D-RH V2/DSP5D – Manuale di istruzioni Sezione riferimenti 261
Informazioni visua-
lizzate sul display
Menu Function
(Funzioni)
Funzioni
generali
Funzioni
di output
Funzioni
di input
Appendici
C
SET BY CUE (Assegna mediante tasto [CUE])
Specifica se il tasto [CUE] verrà utilizzato per eseguire/
annullare le assegnazioni del gruppo di collegamento
dell'EQ. Quando il pulsante SET BY CUE del gruppo
di collegamento dell'EQ è attivato, se si preme il tasto
[CUE] di un canale che può essere assegnato al gruppo
corrispondente, il canale verrà assegnato al gruppo
(premere il tasto [CUE] ancora una volta per annullare
l'assegnazione).
Suggerimento
Il pulsante SET BY CUE può essere attivato per un solo
gruppo di collegamento dell'EQ. La disattivazione è
automatica quando si cambia schermata o si spegne l'unità.
DCLEAR
Questo pulsante consente di cancellare tutti i canali di
uscita assegnati al gruppo di collegamento dell'EQ.
In questa schermata è possibile specificare i canali di uscita
che verranno assegnati ai gruppi di collegamento del
compressore A–H. I parametri del compressore sono
collegati per i canali appartenenti allo stesso gruppo.
AGruppo di collegamento del compressore
In quest'area viene visualizzato il numero del gruppo
di collegamento del compressore. Il numero
corrispondente alla griglia sulla quale è posizionato
il cursore viene evidenziato.
BGriglia
La griglia consente di assegnare canali di uscita (righe
orizzontali) a gruppi di collegamento del compressore
(colonne verticali). Le griglie correntemente assegnate
sono indicate dal simbolo . Spostare il cursore sulla
griglia desiderata, quindi premere il tasto [ENTER] o
fare clic per impostare/annullare l'assegnazione.
Suggerimento
I canali di ingresso e quelli di uscita utilizzano gruppi di
collegamento del compressore separati. I canali di uscita
utilizzano gruppi A–H mentre quelli di ingresso gruppi 1–8.
43
Schermata COMP LINK ASSIGN (Asse-
gnazione collegamento compressore)
COMP LINK ASSIGN
12

Funzione MATRIX/ST
262 PM5D/PM5D-RH V2/DSP5D – Manuale di istruzioni Sezione riferimenti
C
SET BY CUE (Assegna mediante tasto [CUE])
Specifica se il tasto [CUE] verrà utilizzato per eseguire/
annullare le assegnazioni del gruppo di collegamento
del compressore. Quando il pulsante SET BY CUE del
gruppo di collegamento del compressore è attivato, se
si preme il tasto [CUE] di un canale che può essere
assegnato al gruppo corrispondente, il canale verrà
assegnato al gruppo (premere il tasto [CUE] ancora
una volta per annullare l'assegnazione).
Suggerimento
Il pulsante SET BY CUE può essere attivato per un solo
gruppo di collegamento del compressore. La disattivazione è
automatica quando si cambia schermata o si spegne l'unità.
DCLEAR
Questo pulsante consente di cancellare tutti i canali di
uscita assegnati al gruppo di collegamento del
compressore.
Funzione MATRIX/ST
In questa schermata è possibile inviare il segnale
proveniente dai canali MIX e STEREO A/B al bus STEREO
o al bus MATRIX desiderato.
ABus MATRIX
Numero del bus MATRIX a cui viene inviato il segnale.
I canali MATRIX accoppiati sono indicati dal simbolo
di un cuore visualizzato tra i due. È possibile fare clic
sul simbolo per attivare o disattivare l'accoppiamento.
BLivello di mandata
Queste manopole consentono di specificare il livello di
mandata di ciascun segnale inviato dal canale MIX o
STEREO A/B (colonna verticale) ai bus MATRIX (riga
orizzontale).
Le manopole visualizzate in quest'area dipendono dal
modo in cui sono accoppiati i canali MATRIX.
43
Schermata MATRIX/ST ROUTING
(PERCORSO MATRICE/STEREO)
MATRIX/ST ROUTING
21
Canale MIX
Canale STEREO A/B

PM5D/PM5D-RH V2/DSP5D – Manuale di istruzioni Sezione riferimenti 263
Informazioni visua-
lizzate sul display
Menu Function
(Funzioni)
Funzioni
generali
Funzioni
di output
Funzioni
di input
Appendici
❏ Se i canali MATRIX vengono utilizzati
singolarmente
❏ Se i canali MATRIX sono accoppiati
Manopole LEVEL
Consentono di regolare il livello di
mandata dei segnali inviati dai canali MIX
e STEREO A/B a ciascun bus MATRIX.
Canale MIX 2
↓
Bus MATRIX 2
Canale MIX 2
↓
Bus MATRIX 1
Canale MIX 1
↓
Bus MATRIX 1
Canale MIX 1
↓
Bus MATRIX 2
……
MATRIX 1
MATRIX 2
FADER
MIX CHANNEL 1
ON
ON
ON
to
MATRIX1
LEVEL
to
MATRIX2
LEVEL
FADER
MIX CHANNEL 2
ON
ON
ON
to
MATRIX1
LEVEL
to
MATRIX2
LEVEL
Manopole PAN
Consentono di regolare il pan dei
segnali inviati dai canali MIX e
STEREO A/B a ciascuna coppia
di bus MATRIX adiacenti con
numerazione pari/dispari.
Canale MIX 2
↓
Bus MATRIX 1/2
Canale MIX 1
↓
Bus MATRIX 1/2
Manopole LEVEL
Consentono di regolare
il livello di mandata dei
segnali inviati dai canali
MIX e STEREO A/B a
ciascun bus MATRIX.
ON
ON
ON
ON
PAN
to MATRIX 1/2
LEVEL
……
MATRIX 1
MATRIX 2
FADER
MIX CHANNEL 1
ON
PAN
to MATRIX 1/2
LEVEL
FADER
MIX CHANNEL 2
ON

Funzione MATRIX/ST
264 PM5D/PM5D-RH V2/DSP5D – Manuale di istruzioni Sezione riferimenti
CMIX TO MATRIX ON/OFF
Questo pulsante consente di attivare/disattivare il
segnale inviato da ciascun canale MIX o STEREO A/B
ai bus MATRIX. Se è disattivato, nessun segnale verrà
inviato da quel canale ai bus MATRIX.
DPRE FADER/POST FADER/POST ON
Questi pulsanti consentono di selezionare, tra le
opzioni riportate di seguito, la posizione di invio del
segnale dal canale MIX o STEREO A/B ai bus
MATRIX.
Questo parametro viene applicato al segnale inviato dal
canale corrispondente a tutti i bus MATRIX.
EMIX TO STEREO ON/OFF
(ATT./DISATT. DA MISSAGGIO A STEREO)
Questo pulsante consente di attivare/disattivare il
segnale inviato da ciascun canale MIX al bus STEREO.
Se questo pulsante è disattivato, non verrà inviato
alcun segnale da quel canale al bus STEREO.
FPRE/POST (Attivazione prima/dopo)
Questo pulsante consente di selezionare, tra le opzioni
riportate di seguito, la posizione di invio del segnale dal
canale MIX al bus STEREO.
GPAN (pan MIX→STEREO)
Questa manopola consente di specificare il pan del
segnale inviato dal canale MIX al bus STEREO. Se un
canale MIX è selezionato nella sezione SELECTED
CHANNEL (CANALE SELEZIONATO), l'encoder
STEREO [PAN] verrà collegato a questa manopola.
Suggerimento
Se la sorgente è un canale STEREO A/B, i parametri
5
–
7
non verranno visualizzati.
HCanale MIX, canale STEREO A/B
Quest'area indica il canale MIX o il canale STEREO A/
B da cui viene inviato il segnale. I canali MIX
accoppiati sono indicati dal simbolo di un cuore
visualizzato tra i due. È possibile fare clic sul simbolo
per attivare o disattivare l'accoppiamento.
In questa schermata sono riportati i segnali inviati dai
canali MIX ai bus MATRIX ed è inoltre possibile
modificare le impostazioni.
AMIX to MTRX/MTRX from MIX
Selezionare uno dei seguenti due tipi di visualizzazione
del display.
❏ Quando è attivato il pulsante MIX to MTRX
È possibile visualizzare lo stato dei segnali inviati da
uno specifico canale MIX o STEREO A/B a tutti i bus
MATRIX.
PRE FADER Subito prima del fader
POST FADER Subito dopo il fader
POST ON Subito dopo il tasto MIX [ON]/STEREO [ON]
PRE Subito prima del tasto MIX [ON]
(immediatamente dopo il fader)
POST Subito dopo il tasto MIX [ON]
4
8
3
7
5
6
Schermata MIX to MATRIX VIEW
(VISTA DA MISSAGGIO A MATRICE)
MIX to MATRIX VIEW
1 2

PM5D/PM5D-RH V2/DSP5D – Manuale di istruzioni Sezione riferimenti 265
Informazioni visua-
lizzate sul display
Menu Function
(Funzioni)
Funzioni
generali
Funzioni
di output
Funzioni
di input
Appendici
❏ Quando è attivato il pulsante MTRX from MIX
È possibile visualizzare lo stato dei segnali inviati da
tutti i canali MIX o STEREO A/B a uno specifico bus
MATRIX.
BSEND LEVEL/SEND POINT (LIVELLO DI
MANDATA/PUNTO DI MANDATA)
Selezionare uno dei seguenti due parametri da
visualizzare nella griglia.
❏ Quando è attivato il pulsante SEND LEVEL
Il livelli di mandata inviati dai canali MIX o STEREO
A/B ai bus MATRIX verranno visualizzati sotto forma
di grafico a barre in ciascuna griglia. I canali per i quali
il segnale inviato al bus MATRIX è disattivato vengono
indicati da barre di colore grigio, mentre i canali per il
quali il segnale è attivato vengono indicati da barre di
colore blu.
Per modificare il livello di mandata, spostare il cursore
sulla griglia nel punto in cui il canale MIX o STEREO
A/B (colonna verticale) interseca il bus MATRIX (riga
orizzontale), quindi ruotare l'encoder [DATA].
Per attivare/disattivare il segnale inviato da un canale
MIX o STEREO A/B specifico ai bus MATRIX,
spostare il cursore sulla colonna verticale di quel
canale, quindi premere il tasto [ENTER].
Suggerimento
• Se il livello di mandata è impostato su nominale (0 dB),
verrà visualizzata una riga rossa indicante il livello nominale.
• Se il canale MATRIX di destinazione della mandata è
accoppiato, la griglia del bus MATRIX con numerazione
dispari mostrerà una riga arancione indicante il valore pan
invece di un grafico a barre (in modalità MTRX from MIX, la
parte superiore indica R (destra) mentre quella inferiore
indica L (sinistra).
Se il pulsante SEND LEVEL è attivato, sarà possibile
selezionare la griglia desiderata e copiare il relativo
valore del livello di mandata (pan) in altri canali
(direzione orizzontale), in altri bus MATRIX
(direzione verticale) oppure attivare/disattivare
contemporaneamente tutte le griglie.
A questo scopo spostare il cursore sulla griglia
desiderata, quindi tenere premuto il tasto [SHIFT] e
premere il tasto [ENTER] (in alternativa, tenere
premuto il tasto [SHIFT] e fare clic sulla griglia
desiderata). Quando viene visualizzata la finestra JOB
SELECT (SELEZIONE PROCESSO), selezionare una
delle seguenti opzioni e fare clic sul pulsante OK.
LEVEL COPY [ALL MATRIX ]
(COPIA LIVELLO [TUTTO MATRICE])
Consente di copiare il valore del livello di mandata
(pan) della griglia selezionata in tutte le impostazioni
del livello di mandata (pan) del canale MIX
(o STEREO A/B) corrispondente nella direzione
verticale della griglia.
Nota
Se la griglia selezionata è un livello di mandata, verranno
copiati solo i livelli di mandata. Se la griglia selezionata è un
valore pan, verranno copiati solo i valori pan.
LEVEL COPY [ALL MIX ]
(COPIA LIVELLO [TUTTO MISSAGGIO])
Consente di copiare il valore del livello di mandata
(pan) della griglia selezionata in tutte le impostazioni
del livello di mandata (pan) del bus MATRIX corri-
spondente nella direzione orizzontale della griglia.
LEVEL COPY [ALL MIX x ALL MATRIX]
(COPIA LIVELLO [TUTTO MISSAGGIO x
TUTTO MATRICE])
Consente di copiare il valore del livello di mandata
(pan) della griglia selezionata nelle impostazioni
del livello di mandata (pan) di tutti i canali MIX
(e STEREO A/B) e i bus MATRIX.
ALL ON [ALL MIX ]
(TUTTO ATTIVATO [TUTTO MISSAGGIO]
Consente di attivare i segnali inviati da tutti i canali
(MIX, STEREO A/B) al bus MATRIX
corrispondente.
ALL OFF [ALL MIX ]
(TUTTO DISATTIVATO [TUTTO MISSAGGIO]
Consente di disattivare i segnali inviati da tutti i canali
(MIX, STEREO A/B) al bus MATRIX
corrispondente.
❏ Quando è attivato il pulsante SEND POINT
La griglia indicherà la posizione di invio del segnale dai
canali MIX o STEREO A/B ai bus MATRIX.
Canali per i quali il
segnale inviato al bus
MATRIX è attivato
(grafico a barre blu)
Canali per i quali il
segnale inviato al bus
MATRIX è disattivato
(grafico a barre grigie)
Valore pan (riga arancione)

Funzione MATRIX/ST
266 PM5D/PM5D-RH V2/DSP5D – Manuale di istruzioni Sezione riferimenti
Di seguito viene riportato il significato di ciascuna
indicazione.
(giallo) . . . PRE FADER (subito prima del
fader)
(grigio) . . POST FADER (subito dopo il
fader)
(rosso) . . . POST ON (subito dopo il tasto
[ON])
Per cambiare la posizione di invio del segnale, spostare
il cursore sulla colonna verticale del canale desiderato,
quindi premere il tasto [ENTER], fare clic o ruotare
l'encoder [DATA] (la posizione di tutti i segnali inviati
da quel canale a tutti i bus MATRIX cambierà
contemporaneamente).
Se il pulsante SEND POINT è attivato, sarà possibile
cambiare contemporaneamente la posizione di
mandata di tutti i punti della griglia. Per eseguire
questa operazione, tenere premuto il tasto [SHIFT] e
fare clic sulla griglia desiderata (in alternativa spostare
il cursore sulla griglia desiderata, quindi tenere
premuto il tasto [SHIFT] e premere il tasto [ENTER]).
Quando viene visualizzata la finestra JOB SELECT,
selezionare una delle seguenti opzioni e fare clic sul
pulsante OK.
ALL PRE FADER [ALL MIX ]
(TUTTO PRIMA DEL FADER [TUTTO
MISSAGGIO])
Tutte le griglie verranno impostate su PRE FADER.
ALL POST FADER [ALL MIX ]
(TUTTO DOPO IL FADER [TUTTO
MISSAGGIO])
Tutte le griglie verranno impostate su POST FADER.
ALL POST ON [ALL MIX ]
(TUTTO DOPO IL TASTO ON [TUTTO
MISSAGGIO])
Tutte le griglie verranno impostate su POST ON.
CGriglia
Nella griglia vengono visualizzate diverse impostazioni
relative ai segnali inviati dai canali MIX o STEREO A/B
(colonne verticali) ai bus MATRIX (righe orizzontali).
Le righe rosse visibili nella parte superiore, in quella
inferiore, a sinistra e a destra indicano il canale (MIX o
STEREO A/B) e il bus MATRIX corrispondente alla
griglia sulla quale è posizionato il cursore.
DSELECTED PARAMETER
(parametro correntemente selezionato)
In quest'area vengono indicati il canale (MIX o
STEREO A/B) e il bus MATRIX corrispondente alla
griglia sulla quale è correntemente posizionato il
cursore. Le quattro caselle a destra indicano i valori
della griglia sulla quale è correntemente posizionato il
cursore.
PRE FADER POST FADER POST ON
3
4
Livello di mandata Pan (visualizzato
se il canale MATRIX
di destinazione è
accoppiato)
Posizione di invio
del segnale Switch di attivazione/
disattivazione del segnale
inviato al bus MATRIX

PM5D/PM5D-RH V2/DSP5D – Manuale di istruzioni Sezione riferimenti 267
Informazioni visua-
lizzate sul display
Menu Function
(Funzioni)
Funzioni
generali
Funzioni
di output
Funzioni
di input
Appendici
In questa schermata è possibile configurare le impostazioni
per la modalità LCR che consente il playback a tre canali
mediante l'aggiunta di un canale CENTER (CENTRALE)
ai canali di destra e di sinistra (L/R) del bus STEREO.
Questa funzione può essere utilizzata solo con canali MIX.
AGrafico delle risposte
Questi grafici indicano la risposta LCR approssimata
per ciascun canale MIX. Il grafico cambierà quando
viene utilizzata la manopola CSR (2).
BCSR (Rapporto centro-laterale)
Manopola che consente di regolare il livello
proporzionale del canale CENTER relativo ai canali
L/R. L'intervallo è 0–100%.
Se la manopola CSR è impostata su 0%, ruotando la
manopola PAN nell'area MIX TO STEREO della
schermata MATRIX/ST ROUTING (o l'encoder
[PAN] nella sezione SELECTED CHANNEL) verranno
modificati i livelli di segnale dei canali L/R come
indicato di seguito.
In questo caso, MIX TO STEREO PAN sarà utilizzato
come un normale controllo PAN e al canale CENTER
non verrà inviato alcun segnale.
Se CSR è impostato su 100%, ruotando la manopola
PAN (encoder [PAN]) i livelli di segnale dei canali di
sinistra e destra cambieranno come indicato di seguito.
Quando la manopola PAN (encoder [PAN]) si trova in
posizione centrale, il livello di segnale del canale
CENTER raggiungerà il massimo e ai canali di sinistra
e destra non verrà inviato alcun segnale.
CLCR (attivazione /disattivazione della
modalità LCR)
Consente di attivare/disattivare la modalità LCR di
ciascun canale MIX
Per i canali con modalità LCR attivata, è possibile
utilizzare la manopola PAN nell'area MIX TO STEREO
della schermata MATRIX/ST ROUTING per
controllare simultaneamente i livelli dei canali L/R e del
canale CENTER.
Se si è selezionato un canale MIX per il quale è attivata
la modalità LCR, sarà anche possibile utilizzare
l'encoder [PAN] della sezione SELECTED CHANNEL
del pannello superiore. In questo caso, i LED periferici
cambieranno nel modo che segue, quando viene
utilizzato l'encoder [PAN].
• Quando LCR è disattivato
• Quando LCR è attivato
Nota
Per utilizzare la funzione LCR è necessario attivare il pulsante
USE AS CENTER BUS (USA COME BUS CENTRALE) nella
schermata MIXER SETUP (CONFIGURAZIONE MIXER)
(funzione SYS/W.CLOCK) (
➥
p. 222). Quando questo
pulsante è attivato, il segnale del canale CENTER non viene
inviato al bus STEREO B e non viene riprodotto in modo
adeguato (in questo caso al bus STEREO B viene inviato lo
stesso segnale del bus STEREO A).
Schermata LCR
LCR
3
1
2
4
CRL
Segnale inviato al
canale di destra
Encoder [PAN]
Segnale inviato al
canale di sinistra
Livello segnale
CRL
Encoder [PAN]
Segnale inviato al
canale di destra
Segnale inviato al
canale centrale
Segnale inviato al
canale di sinistra
Livello segnale
RLRL RL
RLRL RL

Funzione MATRIX/ST
268 PM5D/PM5D-RH V2/DSP5D – Manuale di istruzioni Sezione riferimenti
DCanale MIX
Numero e nome del canale MIX che si sta
modificando. I canali MIX accoppiati sono indicati dal
simbolo di un cuore visualizzato sulla destra. È
possibile fare clic sul simbolo per attivare o disattivare
l'accoppiamento. I valori dei parametri 2–3 sono
collegati per i canali accoppiati.
Suggerimento
• Il livello master del canale CENTER è controllato dal fader
del canale STEREO B. Per l'elaborazione del segnale è
anche possibile utilizzare l'EQ del canale STEREO B e il
compressore.
• Utilizzare uno dei jack di uscita assegnati al canale
STEREO B come jack di uscita del canale CENTER
(quando il pulsante USE AS CENTER BUS è attivato nella
schermata MIXER SETUP, i canali di sinistra e destra del
bus STEREO B emettono lo stesso segnale).
• La selezione di LCR come sorgente di monitoraggio
consente di monitorare il segnale LCR dai jack di sinistra/
centro/destra di MONITOR OUT (USCITA MONITOR).
In questa schermata è possibile configurare diverse
impostazioni correlate alla funzionalità di surround, ad
esempio selezionare la modalità surround e assegnare bus
MIX ai canali surround.
ASURROUND MODE
(MODALITÀ
SURROUND)
Scegliere una delle modalità
seguenti come modalità
surround quando si utilizza la
funzione di pan surround
(➥ p. 142). È uguale alla
SURROUND MODE della
schermata MIXER SETUP
(funzione SYS/W.CLOCK).
Il grafico visualizzato sotto i
pulsanti cambierà in base alla
modalità selezionata.
• STEREO
Modalità stereo normale.
• 3-1ch
Modalità che utilizza quattro
canali: L (anteriore sinistro),
C (anteriore centrale), R
(anteriore destro) e S (surround).
• 5.1ch
Modalità che utilizza sei canali: L (anteriore sinistro),
C (anteriore centrale), R (anteriore destro),
Ls (posteriore sinistro) e LFE (subwoofer).
• 6.1ch
Modalità che utilizza sette canali: 5.1ch con l'aggiunta
di Bs (posteriore centrale).
Suggerimento
Se è selezionata come modalità surround 3-1ch, 5.1ch o
6.1ch, i bus MIX 1–8 o 9–16 verranno utilizzati come bus
surround, a partire dai bus con numerazione inferiore (i bus
che non fungono da bus surround possono essere utilizzati
come bus normali). Finché non viene ripristinata la modalità
stereo, non sarà possibile utilizzare i bus MIX come uscite di
bus normali.
Schermata SURR SETUP
(CONFIGURAZIONE SURROUND)
SURR SETUP
1

PM5D/PM5D-RH V2/DSP5D – Manuale di istruzioni Sezione riferimenti 269
Informazioni visua-
lizzate sul display
Menu Function
(Funzioni)
Funzioni
generali
Funzioni
di output
Funzioni
di input
Appendici
BAssegnazioni bus
In quest'area vengono indicati i canali surround
assegnati ai bus MIX utilizzati come bus surround.
È possibile configurare queste impostazioni facendo
clic sui pulsanti / di destra e di sinistra.
Quando si cambia l'assegnazione del canale surround,
il bus MIX con assegnazione di canali modificata, verrà
scambiato con il bus MIX precedentemente assegnato a
quel canale.
Nota
I bus MIX utilizzati sono fissi per ciascuna modalità surround.
Per la modalità surround 3-1 è possibile utilizzare i bus MIX
1–4 o 9–13. Per la modalità surround 5.1 è possibile utilizzare
i bus MIX 1–6 o 9–14. Per la modalità surround 6.1 è possibile
utilizzare i bus MIX 1–7 o 9–15. Altri bus MIX sono utilizzabili
come bus MIX tipici. Tuttavia, nel caso della modalità 6.1,
i bus MIX 8 o 16 vengono sempre gestiti come bus FIXED
(FISSI).
CINIT (Inizializza)
Per ciascuna modalità surround, consente di riportare
allo stato iniziale le assegnazioni di canali surround ai
bus MIX.
DSURROUND BUS ALLOCATION
(ALLOCAZIONE BUS SURROUND)
Selezionare i bus MIX 1–8 o 9–16 come intervallo di
bus MIX utilizzati come bus surround.
EDELAY
Indica il tempo di delay di ciascun canale surround
nell'intervallo di 0–1000 msec. Il valore corrente viene
indicato dalle due caselle poste sotto la manopola (la
casella superiore indica il tempo di delay in unità di
millisecondi, mentre quella inferiore il tempo di delay
nell'unità selezionata nella schermata MIX 1-24 della
funzione OUT DELAY).
FDELAY ON/OFF
Consente di attivare o disattivare il delay di ciascun
canale surround.
GFADER (Livello fader)
Consente di regolare il livello del segnale inviato dal
canale surround al bus MIX corrispondente in un
intervallo da –∞ a +10 dB. Il valore corrente viene
riportato nella casella sottostante.
HCUE
Questo pulsante consente di monitorare l'attivazione
del segnale del canale surround. È collegato al tasto
[CUE] del canale MIX corrispondente.
ION/OFF (Attivazione/disattivazione canale)
Consente di attivare/disattivare il canale surround.
È collegato al tasto MIX [ON] del canale MIX
corrispondente.
JIndicatore di livello
Indica il livello di output del canale surround.
KCanale surround
Indica il nome del canale surround.
2 3 4
5 7 8 J
K
6
9

Funzione OUTPUT VIEW (VISTA USCITA)
270 PM5D/PM5D-RH V2/DSP5D – Manuale di istruzioni Sezione riferimenti
Funzione OUTPUT VIEW
(VISTA USCITA)
In questa schermata vengono visualizzati i parametri di
missaggio dei canali MIX, MATRIX o STEREO A/B
correntemente selezionati. È inoltre possibile modificare i
parametri principali e accedere ad altre schermate.
ACanale
Indica il numero del canale che si sta modificando.
Se il canale MIX /MATRIX corrispondente è
accoppiato (o se si seleziona un canale STEREO A/B),
verrà visualizzato il simbolo di un cuore sulla destra.
È possibile fare clic sul simbolo per attivare/disattivare
l'accoppiamento del canale MIX/MATRIX.
Nota
La schermata mostrata sopra si riferisce alla selezione di un
canale accoppiato. Se il canale selezionato non è accoppiato,
verranno visualizzati i parametri di un solo canale ma non le
impostazioni correlate all'accoppiamento.
BEQ
In quest'area vengono visualizzati il livello post-EQ, la
risposta approssimata dell'EQ e lo stato di attivazione/
disattivazione dell'equalizzatore. È possibile fare clic sul
pulsante EQ ON/OFF per attivare/disattivare l'EQ in
questa schermata. Se si fa clic sul mini-grafico verrà
visualizzata la schermata EQ PARAM per il canale
specifico.
CCompressore
In quest'area vengono visualizzati il livello di riduzione
del guadagno e il livello di output del compressore,
nonché un mini-grafico che mostra la risposta
approssimata del compressore e lo stato di attivazione/
disattivazione del compressore. È possibile fare clic sul
pulsante COMP ON/OFF per attivare/disattivare il
compressore in questa schermata. Se si fa clic sul mini
grafico, sarà visualizzata la schermata COMP PARAM
per il canale specifico.
DInsert in
In quest'area vengono indicati il punto di inserimento,
lo stato di attivazione/disattivazione dell'inserimento
nonché il tipo e il livello di ingresso della porta
assegnata all'insert-in. È possibile fare clic sul pulsante
INSERT ON/OFF per attivare/disattivare l'inserimento
in questa schermata.
Se si assegna un effetto interno, verranno visualizzati il
tipo di effetto e il pulsante BYPASS mentre se si assegna
un modulo GEQ, verranno visualizzati il pulsante GEQ
ON/OFF e un mini-grafico che mostra la risposta
GEQ.
EDELAY
In quest'area è possibile visualizzare e modificare il
tempo di delay (delay interno) e il relativo stato di
attivazione/disattivazione.
FTO MATRIX (solo per canali MIX e STEREO
A/B)
In quest'area vengono visualizzati livello/posizione di
mandata e lo stato di attivazione/disattivazione dei
segnali inviati dai canali MIX o STEREO A/B ai bus
MATRIX 1–8. Nella schermata è anche possibile
modificare livello/posizione di mandata e stato di
attivazione/disattivazione. Di seguito viene descritto
come effettuare queste regolazioni.
Schermata CH VIEW (Vista canale)
CH VIEW
1
2
3
4
5
6

PM5D/PM5D-RH V2/DSP5D – Manuale di istruzioni Sezione riferimenti 271
Informazioni visua-
lizzate sul display
Menu Function
(Funzioni)
Funzioni
generali
Funzioni
di output
Funzioni
di input
Appendici
• Per modificare il livello di mandata dei segnali
inviati al bus MATRIX
Spostare il cursore sul grafico a barre desiderato
dell'elenco e ruotare l'encoder [DATA].
• Per modificare la posizione di mandata dei segnali
inviati al bus MATRIX
Fare clic sul pulsante PRE FADER, POST FADER o
POST ON sottostanti.
In alternativa, è possibile modificare l'impostazione
spostando il cursore sull'indicazione PRE o POST
nell'elenco e premendo il tasto [ENTER] o ruotando
l'encoder [DATA].
• Per attivare/disattivare il segnale inviato al bus
MATRIX
Fare clic sul pulsante ON/OFF sottostante.
È anche possibile attivarlo/disattivarlo spostando il
cursore su un grafico a barre dell'elenco e premendo il
tasto [ENTER].
Il grafico a barre è di colore blu quando attivato e di
colore grigio se disattivato.
GGruppo DCA/gruppo di esclusione
In quest'area è possibile assegnare o annullare le
assegnazioni dei gruppi DCA e di esclusione.
HRECALL SAFE/MUTE SAFE(BLOCCA
RICHIAMO/BLOCCA ESCLUSIONE)
In quest'area è possibile attivare o disattivare le
impostazioni Recall Safe e Mute Safe.
ITO STEREO (solo canali MIX)
In quest'area è possibile attivare/disattivare il segnale
inviato da un canale MIX al bus STEREO, modificare il
relativo pan e la posizione di mandata (pre-on / post-
on) (➥ p. 264).
JBALANCE (BILANCIAMENTO) (solo per
canali MIX/MATRIX e STEREO A/B)
Consente di regolare il bilanciamento del volume
sinistro/destro dei segnali emessi da canali MIX o
STEREO A/B accoppiati.
KLCR (solo canali MIX)
In quest'area è possibile attivare/disattivare la modalità
LCR e regolare il CSR (livello del canale CENTER
relativo ai canali di sinistra e di destra) (➥ p. 267).
LLIBRARY
Questo pulsante consente di accedere alla schermata
OUTPUT CH LIBRARY (LIBRERIA CANALE DI
USCITA) (➥ p. 275), nella quale è possibile
memorizzare/richiamare le impostazioni della libreria
per i canali di uscita.
MIndicatore di livello
Indica il livello di output del canale.
NPunto di rilevamento del segnale
Punto di rilevamento del livello di segnale mostrato nel
relativo indicatore (M) (PRE EQ, PRE FADER, POST
FADER, POST DELAY o POST ON). È possibile
modificare questa impostazione facendo clic sui
pulsanti / di destra e di sinistra.
OFader
Consente di controllare il livello di output del canale.
PCUE
Questo pulsante consente di monitorare il segnale di
attivazione del canale. È collegato al tasto [CUE] del
canale corrispondente.
QON/OFF (Attivazione/disattivazione canale)
È uno switch di attivazione/disattivazione del segnale
emesso dal canale ed è collegato al tasto [ON] di quel
canale.
7
L
M
O
N
P
Q
8
9
J
K

Funzione OUTPUT VIEW (VISTA USCITA)
272 PM5D/PM5D-RH V2/DSP5D – Manuale di istruzioni Sezione riferimenti
In questa schermata viene visualizzato il flusso di segnale
per i canali MIX/MATRIX adiacenti con numerazione
pari/dispari o per i canali STEREO A/B ed è inoltre
possibile modificare alcuni parametri e accedere ad altre
schermate nonché stabilire in che punto del flusso il
segnale raggiunge la saturazione.
ACanali
Numeri e i nomi dei canali che si stanno modificando.
Facendo clic sui pulsanti / di destra e di sinistra, è
possibile cambiare il display in unità di due canali.
Se i canali MIX /MATRIX corrispondenti sono
accoppiati (o se si seleziona un canale STEREO A/B),
verrà visualizzato il simbolo di un cuore sulla destra.
È possibile fare clic sul simbolo per attivare/disattivare
l'accoppiamento dei canali MIX/MATRIX.
BInsert (Inserisci)
In quest'area vengono visualizzate le informazioni
correlate all'inserimento per i due canali selezionati
(punto di inserimento, porte assegnate a insert-in/out
e stato di attivazione/disattivazione dell'inserimento).
È inoltre possibile selezionare il punto di inserimento
(utilizzare i pulsanti / di destra e di sinistra) o
attivare/disattivare l'inserimento (utilizzare il pulsante
ON/OFF).
CIndicatori di livello
Indicano i livelli all'interno del flusso di segnale. I livelli
vengono rilevati nelle posizioni riportate di seguito.
• EQ (subito prima e dopo l'EQ)
• COMP (subito prima e dopo il compressore)
• FADER (subito prima e dopo il fader)
• DELAY (subito prima e dopo il delay)
• INSERT IN (subito dopo il punto di inserimento)
DFlusso del segnale
Quest'area indica il flusso del segnale del canale
selezionato. Vengono visualizzati i seguenti parametri.
• EQ (Equalizer)
Indica lo stato di attivazione/disattivazione dell'EQ e la
curva di risposta approssimata. È possibile fare clic sul
pulsante EQ per attivare/disattivare l'EQ oppure sul
mini-grafico per accedere alla schermata EQ PARAM
del canale corrispondente.
• COMP (Compressore)
Indica lo stato di attivazione/disattivazione del
compressore e la curva di risposta approssimata. È
possibile fare clic sul pulsante COMP per attivare/
disattivare il compressore oppure sul mini-grafico per
accedere alla schermata COMP PARAM del canale
corrispondente.
• FADER
Indica il livello di output del canale. È collegato
all'encoder o al fader del canale corrispondente.
• ON/OFF (Attivato/disattivato)
Consente di attivare/disattivare il canale. È collegato al
tasto [ON] del canale corrispondente.
• DELAY
In quest'area è possibile attivare/disattivare il delay
interno e modificare il tempo di delay
Suggerimento
• Se è attivato l'inserimento, i punti di inserimento attualmente
selezionati vengono visualizzati in questo flusso di segnale.
• Se si verifica una distorsione del segnale, il flusso (riga
orizzontale) dopo il raggiungimento della saturazione verrà
visualizzato in rosso. Se un'uscita viene disattivata per
arrestare il flusso del segnale, il flusso successivo verrà
visualizzato in grigio. Se PEAK HOLD (MEMORIZZA
PICCO) è attivato, il flusso continuerà ad essere indicato in
rosso anche se la saturazione viene raggiunta una sola
volta, il che rende più semplice la verifica.
Schermata SIGNAL FLOW
(FLUSSO SEGNALE)
SIGNAL FLOW
1 2
3
4

PM5D/PM5D-RH V2/DSP5D – Manuale di istruzioni Sezione riferimenti 273
Informazioni visua-
lizzate sul display
Menu Function
(Funzioni)
Funzioni
generali
Funzioni
di output
Funzioni
di input
Appendici
ETO MATRIX (solo per canali MIX e STEREO
A/B)
In quest'area vengono visualizzati lo stato di
attivazione/disattivazione del segnale inviato dai canali
MIX o STEREO A/B ai bus MATRIX e il punto dal
quale il segnale viene inviato.
FTO STEREO (solo canali MIX)
In quest'area vengono visualizzati il pan, la posizione di
mandata e lo stato di attivazione/disattivazione del
segnale inviato dal canale MIX al bus STEREO.
In questa schermata vengono visualizzati lo stato di
attivazione/disattivazione, il livello e lo stato di
monitoraggio del segnale di attivazione dei canali di uscita
e dei gruppi DCA.
AON/OFF (Attivato/disattivato)
In quest'area è possibile attivare/disattivare i canali di
uscita e l'esclusione dei gruppi DCA. Le impostazioni
sono collegate ai tasti [ON] dei canali corrispondenti e
ai tasti [MUTE] dei gruppi DCA.
BLivello
Consente di regolare il livello dei canali di uscita e dei
gruppi DCA. Il valore corrente viene riportato nella
casella sottostante. Questi elementi sono collegati
all'encoder o al fader del canale o del gruppo DCA
corrispondente.
CCue
Consente di attivare/disattivare il monitoraggio del
segnale di attivazione per canali di uscita e gruppi
DCA. Questi elementi sono collegati al tasto [CUE] del
canale o del gruppo DCA corrispondente.
65
Schermata FADER VIEW
(VISTA FADER)
FADER VIEW
1
3
2

Funzione OUTPUT VIEW (VISTA USCITA)
274 PM5D/PM5D-RH V2/DSP5D – Manuale di istruzioni Sezione riferimenti
In questa schermata è possibile copiare i parametri
desiderati dal canale di uscita selezionato in un buffer della
memoria e incollare lo stesso tipo di canale (possono essere
selezionate più destinazioni per l'operazione Incolla).
AJOB SELECT
• COPY (COPIA)
Il canale di origine della copia resta immutato mentre i
relativi parametri verranno copiati in un altro canale.
Nota
Non è possibile disattivare il pulsante COPY.
BCAPTURE (ACQUISISCI)
Quando si fa clic su questo pulsante, le impostazioni
del canale correntemente selezionato verranno copiate
in un buffer temporaneo della memoria.
Se il canale MIX /MATRIX corrispondente è
accoppiato (o se si seleziona un canale STEREO A/B),
verrà visualizzato il simbolo di un cuore sulla destra.
CBUFFERED CH (Canale nel buffer)
Consente di visualizzare il canale correntemente
copiato nella memoria buffer.
Nota
• La stessa memoria buffer viene utilizzata per copiare le
impostazioni sia per i canali di uscita che per quelli di
ingresso.
• Se le impostazioni del canale di ingresso sono state copiate
nella memoria buffer, nella parte sottostante verrà
visualizzato un messaggio "TYPE CONFLICT!"
(CONFLITTO DI TIPI!) e non sarà possibile incollare le
impostazioni in un canale di uscita.
• Il contenuto della memoria buffer viene cancellato quando si
spegne l'unità PM5D.
DEXECUTE (ESEGUI)
Quando si fa clic su questo pulsante, i parametri
specificati vengono copiati dalla memoria buffer nel
canale di destinazione dell'operazione Incolla
specificato.
Se un canale di ingresso viene copiato nelle memoria
buffer oppure se non è stata specificata alcuna
destinazione dell'operazione Incolla, il pulsante
diventerà grigio e l'operazione non sarà più
disponibile.
EPARAMETER SELECT
(SELEZIONE PARAMETRO)
In quest'area è possibile selezionare i parametri che
verranno incollati. È possibile selezionare i seguenti
parametri.
Se il pulsante TO MTRX è attivato, sarà possibile
utilizzare i pulsanti MATRIX (1–8) per selezionare i
bus MATRIX applicabili.
Schermata CH JOB
(Operazione canale)
CH JOB
1
3
2
ALL Tutti i parametri
EQ Impostazioni della funzione EQ
COMP Impostazioni della funzione COMP
DELAY Impostazioni della funzione DELAY
FADER Livello fader
ON Stato di attivazione/disattivazione del tasto
CH [ON]
BAL Impostazioni di bilanciamento
INSERT Stato di attivazione/disattivazione
dell'inserimento e punto di inserimento
TO MTRX Livello di mandata al/ai bus MATRIX
desiderato/i
DCA Gruppo DCA associato
MUTE Gruppo di esclusione associato
LCR Impostazioni schermata LCR
WITHOUT
MIX SEND/
WITH MIX
SEND
Consente di scegliere se il livello di
mandata inviato dai canali di ingresso al
bus MIX selezionato verrà incluso (WITH...)
o escluso (WITHOUT...) nei dati incollati.
6
5
4
7
8

PM5D/PM5D-RH V2/DSP5D – Manuale di istruzioni Sezione riferimenti 275
Informazioni visua-
lizzate sul display
Menu Function
(Funzioni)
Funzioni
generali
Funzioni
di output
Funzioni
di input
Appendici
FCH SELECT (Selezione del canale)
In quest'area è possibile selezionare i canali di
destinazione dell'operazione Incolla. Come origine
della copia possono essere selezionati solo canali dello
stesso tipo.
Suggerimento
Se il canale MIX/MATRIX di origine della copia è accoppiato, il
canale con numerazione dispari verrà copiato nei canali con
numerazione dispari, mentre il canale con numerazione pari
verrà copiato in quelli con numerazione pari.
GSET ALL
Indica come destinazione dell'operazione Incolla tutti i
canali dello stesso tipo dell'origine della copia.
HCLEAR ALL
Consente di deselezionare tutti i canali.
In questa schermata è possibile richiamare, memorizzare,
rinominare o eliminare elementi della libreria del canale di
uscita.
AEDIT
Quando si fa clic su questo pulsante, verrà visualizzata
la schermata CH VIEW (schermata OUTPUT CH
VIEW) del canale di uscita correntemente selezionato.
BCanale
Numero e nome del canale da memorizzare o
richiamare.
Nota
• Le operazioni di memorizzazione/richiamo della libreria del
canale vengono eseguite in unità di un canale.
• Se il canale selezionato mediante il tasto [SEL] è accoppiato
(o se è selezionato un canale STEREO A/B), l'operazione
verrà applicata a uno solo dei canali correntemente
selezionati (nel caso di STEREO A/B, solo il canale di
sinistra o di destra).
• Quando viene richiamato un elemento della libreria in uno
dei due canali MIX/MATRIX accoppiati (o nella parte destra
o sinistra del canale STEREO A/B), gli eventuali parametri
collegati verranno copiati nell'altro canale.
CLIBRARY TYPE (Tipo di canale)
Indica il tipo di canale correntemente selezionato. Se si
seleziona un canale MIX o STEREO A/B, la
configurazione dell'accoppiamento dei bus MATRIX
1–8 verrà visualizzata immediatamente al di sotto.
Schermata OUTPUT CH LIBRARY
OUTPUT CH LIBRARY
1
2
3

Funzione OUTPUT VIEW (VISTA USCITA)
276 PM5D/PM5D-RH V2/DSP5D – Manuale di istruzioni Sezione riferimenti
DRECALL
Consente di richiamare in memoria l'elemento della
libreria del canale selezionato nell'elenco.
Se il tipo di canale selezionato in (1) è diverso da
quello selezionato nell'elenco, questo pulsante
diventerà grigio e l'operazione di richiamo non sarà più
disponibile (sarà tuttavia possibile richiamare i dati
iniziali in qualsiasi canale di uscita).
ESTORE
Consente di memorizzare le impostazioni del canale
di uscita correntemente selezionato nella posizione
selezionata dell'elenco. Quando si fa clic su questo
pulsante viene visualizzata una finestra che consente
di assegnare un nome alle impostazioni e di salvarle.
FTITLE EDIT
Consente di modificare il titolo dell'elemento della
libreria selezionato nell'elenco. Quando si fa clic su
questo pulsante, viene visualizzata una finestra che
consente di modificare il titolo.
GCLEAR
Consente di eliminare l'elemento della libreria
selezionato nell'elenco. Quando si fa clic su questo
pulsante viene visualizzato un messaggio con la
richiesta di conferma.
Nota
Gli elementi della libreria per i quali viene visualizzata una "R"
nella colonna destra dell'elenco sono di sola lettura. Gli
elementi di sola lettura non possono essere memorizzati,
rinominati o eliminati.
HLIBRARY TYPE
Consente di visualizzare il tipo di canale per l'elemento
della libreria selezionato nell'elenco. Se il tipo di canale
selezionato in (1) è diverso da quello selezionato
nell'elenco, verrà visualizzato un messaggio
"CONFLICT!" (CONFLITTO!) sulla destra e
l'operazione di richiamo non sarà più disponibile.
Se si seleziona un canale MIX o STEREO A/B, la
configurazione dell'accoppiamento dei bus MATRIX
1–8 verrà visualizzata immediatamente al di sotto.
IElenco della libreria
Utilizzare la barra di scorrimento per selezionare
l'elemento della libreria sul quale si desidera eseguire
un'operazione. L'elemento della libreria selezionato
verrà spostato al centro dell'elenco e sarà evidenziato.
4
5
6
7
9
8

PM5D/PM5D-RH V2/DSP5D – Manuale di istruzioni Sezione riferimenti 277
Informazioni visua-
lizzate sul display
Menu Function
(Funzioni)
Funzioni
generali
Funzioni
di output
Funzioni
di input
Appendici
Funzione INPUT PATCH
(ASSEGNAZIONE INPUT)
In questa schermata è possibile assegnare le porte di
ingresso (jack INPUT, jack ST IN, jack 2TR IN DIGITAL/
ANALOG, canali di ingresso degli slot, uscite di effetti
interni) ai canali di ingresso.
ASELECTED PATCH
(ASSEGNAZIONE SELEZIONATA)
Indica il nome e il numero del canale di ingresso sul
quale è posizionato il cursore e la porta di ingresso.
BCH (canale di ingresso)
Numero e nome del canale di ingresso (canale INPUT,
ST IN, FX RTN) assegnato alla porta di ingresso. Il
numero del canale sul quale è posizionato il cursore
sarà evidenziato. Se si fa clic sul nome, verrà
visualizzata una finestra che consente di assegnare un
nome al canale.
CASSIGN (ASSEGNAZIONE)
Per ciascun canale, indica il numero (1 o 0) delle porte
di ingresso correntemente assegnate.
DGriglia
La griglia consente di assegnare le porte di ingresso
(righe orizzontali) ai canali di ingresso (colonne
verticali). Le griglie correntemente assegnate sono
indicate dal simbolo . Facendo clic su un punto della
griglia è possibile impostare o annullare
un'assegnazione.
Le righe rosse a sinistra e in alto indicano il punto della
riga sul quale si sposta il cursore.
Suggerimento
• Se PATCH CONFIRMATION (CONFERMA
ASSEGNAZIONE) è attivato nella schermata
PREFERENCE 1 (PREFERENZA) della funzione UTILITY,
verrà visualizzato un messaggio di richiesta di conferma
ogni volta che si tenta di modificare l'impostazione di
un'assegnazione. Se STEAL PATCH CONFIRMATION
(CONFERMA SOTTRAZIONE ASSEGNAZIONE) è attivato,
verrà visualizzato un messaggio di richiesta di conferma
anche se si tenta di configurare delle impostazioni di
assegnazione che prevedono la modifica di
un'assegnazione esistente.
• Per spostare rapidamente la posizione del cursore all'interno
o all'esterno della griglia, tenere premuto il tasto [SHIFT]
(MAIUSC) e premere i tasti CURSOR (CURSORE) [
√
]/[
®
]/
[
π
]/[
†
].
• Per spostarsi rapidamente a sinistra o a destra nella griglia,
ruotare l'encoder [DATA]. Per spostarsi verso l'alto o verso il
basso, tenere premuto il tasto [SHIFT] e ruotare l'encoder
[DATA].
Nota
È possibile assegnare più canali di ingresso a una singola
porta di ingresso, ma non è consentito assegnare più porte di
ingresso a un singolo canale di ingresso.
EPorta di ingresso
Dall'alto in quest'area sono indicati: tipo della porta di
ingresso, ID, numero del canale di ingresso e numero
di canali di ingresso assegnati. Di seguito sono elencati i
tipi di porte di ingresso selezionabili.
Suggerimento
• Il numero delle porte non disponibili è visualizzato in grigio.
• Se si utilizza come porta SLOT IN il connettore CASCADE,
viene visualizzato in giallo il numero di porta del connettore
CASCADE anziché il numero di porta SLOT IN.
Funzioni di input
Schermata INPUT PATCH
INPUT PATCH
5
1
2
3 4
AD IN Jack INPUT 1–48
AD STIN Canali L/R dei jack ST IN 1–4
SLOT IN Canali di ingresso di una scheda di I/O
installata negli slot 1–4
FX OUT Uscite L/R degli effetti interni 1–8
2TR IN Canali L/R dei jack 2TR IN DIGITAL 1–3 e
2TR IN ANALOG 1/2

Funzione INPUT PATCH (ASSEGNAZIONE INPUT)
278 PM5D/PM5D-RH V2/DSP5D – Manuale di istruzioni Sezione riferimenti
FPRESET
Questo pulsante consente di ripristinare le assegnazioni
porta di ingresso → canale di ingresso sulle seguenti
impostazioni di default.
GCLEAR ALL (CANCELLA TUTTI)
Questo pulsante consente di cancellare tutte le
assegnazioni delle porte di ingresso ai canali di
ingresso.
HVIRTUAL SOUNDCHECK
(CONTROLLO AUDIO VIRTUALE)
In questa sezione è possibile configurare le
impostazioni per la funzione di controllo audio
virtuale, che modifica temporaneamente le
assegnazioni dell'input. Per ulteriori informazioni, fare
riferimento alla spiegazione della schermata MIXER
SETUP (CONFIGURAZIONE MIXER) della funzione
SYS/W.CLOCK (SISTEMA/W.CLOCK) (➥ p. 221).
ILIBRARY (LIBRERIA)
Questo pulsante consente di accedere alla schermata
INPUT PATCH LIBRARY (LIBRERIA
ASSEGNAZIONE INPUT) (➥ p. 283), nella quale è
possibile memorizzare/richiamare le impostazioni della
libreria di assegnazione dei canali di ingresso.
In questa schermata è possibile assegnare un canale di
ingresso a una porta di uscita in modo che il segnale di
input venga emesso direttamente da quella porta.
ASELECTED PATCH
Indica il nome e il numero del canale di ingresso sul
quale è posizionato il cursore e la porta di uscita.
BCH (canale di ingresso)
Numero e nome del canale di ingresso (canale INPUT,
ST IN) per l'assegnazione a una porta di uscita. Il
numero del canale sul quale è posizionato il cursore
sarà evidenziato. Se si fa clic sul nome, verrà
visualizzata una finestra che consente di assegnare un
nome al canale.
CASSIGN (ASSEGNAZIONE)
Per ciascun canale, indica il numero delle porte di
uscita correntemente assegnate.
DGriglia
La griglia consente di assegnare i canali di ingresso
(colonne verticali) alle porte di uscita (righe
orizzontali). Le griglie correntemente assegnate sono
indicate dal simbolo . Facendo clic su un punto della
griglia è possibile impostare o annullare
un'assegnazione.
Canale Porta di ingresso
Canali di ingresso 1–48 AD IN 1–48
Canali ST IN 1–4 L/R AD STIN L/R
Canali FX RTN 1–4 L/R FX OUT 1–4 L/R
6 7 98
Schermata DIRECT OUT PATCH
(ASSEGNAZIONE OUTPUT DIRETTO)
DIRECT OUT PATCH
5
1
2
3 4

PM5D/PM5D-RH V2/DSP5D – Manuale di istruzioni Sezione riferimenti 279
Informazioni visua-
lizzate sul display
Menu Function
(Funzioni)
Funzioni
generali
Funzioni
di output
Funzioni
di input
Appendici
Le righe rosse a sinistra e in alto indicano il punto della
riga sul quale si sposta il cursore.
Suggerimento
Le operazioni sulla griglia sono le stesse per tutte le
schermate di assegnazione. Per ulteriori informazioni, fare
riferimento al suggerimento a p. 277.
EPorta di uscita
Dall'alto in quest'area sono indicati: tipo della porta di
uscita, ID, numero del canale di uscita e numero di
canali di ingresso assegnati. Di seguito sono elencati i
tipi di porte di uscita selezionabili.
Suggerimento
• Il numero delle porte non disponibili è visualizzato in grigio.
• Per le porte SLOT OUT con output anche sul connettore
CASCADE, viene visualizzato in giallo il numero di porta
del connettore CASCADE anziché il numero di porta
SLOT OUT.
FPulsante LIBRARY
Questo pulsante consente di accedere alla schermata
INPUT PATCH LIBRARY (➥ p. 283), nella quale è
possibile memorizzare/richiamare le impostazioni della
libreria di assegnazione dei canali di ingresso.
Nota
Per consentire l'output diretto dalla porta selezionata, sarà
necessario configurare le impostazioni della schermata
INSERT/DIRECT OUT POINT (PUNTO DI INSERIMENTO/
OUTPUT DIRETTO) (funzione INPUT PATCH) per attivare
l'output diretto per il canale di ingresso corrispondente
(
➥
p. 281).
In questa schermata è possibile assegnare le porte di
ingresso/uscita tramite le quali i dispositivi esterni saranno
inseriti in ciascun canale di ingresso. Selezionare la porta di
uscita sul lato sinistro della schermata e la porta di ingresso
sul lato destro.
ASELECTED PATCH
Indica il numero e il nome del canale di ingresso sul
quale è posizionato il cursore nella griglia.
BInsert in/out
Indica le porte di ingresso/uscita assegnate come insert-
in/out per il canale di ingresso sul quale è posizionato il
cursore.
CCH (canale di ingresso)
In quest'area sono riportati numero e nome di ciascun
canale di ingresso (canale INPUT, ST IN L/R). Il
numero del canale sul quale è posizionato il cursore
sarà evidenziato. Se si fa clic sul nome, verrà
visualizzata una finestra che consente di assegnare un
nome al canale.
SLOT OUT Canali di uscita di una scheda di I/O
installata negli slot 1–4
2TR OUT Canali L/R dei jack 2TR OUT DIGITAL 1–3
6
Schermata INSERT PATCH
(ASSEGNAZ. INSERIMENTO)
INSERT PATCH
21
6
3
4 5

Funzione INPUT PATCH (ASSEGNAZIONE INPUT)
280 PM5D/PM5D-RH V2/DSP5D – Manuale di istruzioni Sezione riferimenti
DASSIGN
Per ciascun canale di ingresso, indica il numero delle
porte di uscita correntemente assegnate come insert-
out.
EGriglia
Per ciascun canale di ingresso (colonna verticale),
questa griglia consente di assegnare una o più porte di
uscita (riga orizzontale) da utilizzare come insert-out.
Le griglie correntemente assegnate sono indicate dal
simbolo .
Facendo clic su un punto della griglia è possibile
impostare o annullare un'assegnazione. Le righe rosse a
sinistra e in alto indicano il punto della riga sul quale si
sposta il cursore.
Suggerimento
Le operazioni sulla griglia sono le stesse per tutte le
schermate di assegnazione. Per ulteriori informazioni, fare
riferimento al suggerimento a p. 277.
FPorta di uscita
Dall'alto in quest'area sono indicati: tipo della porta di
uscita, ID, numero del canale di uscita e numero di
canali di ingresso assegnati. Di seguito sono elencati i
tipi di porte di uscita che è possibile assegnare come
insert-out.
Suggerimento
• Il numero delle porte non disponibili è visualizzato in grigio.
• Per le porte SLOT OUT con output anche sul connettore
CASCADE, viene visualizzato in giallo il numero di porta del
connettore CASCADE anziché il numero di porta SLOT
OUT.
• Se si seleziona GEQ IN come insert-out, l'uscita dello stesso
modulo GEQ verrà selezionata automaticamente come
insert-in.
GPorta di ingresso
Dall'alto in quest'area sono indicati: tipo della porta di
ingresso, ID, L/R, numero del canale di ingresso e
numero totale di canali di ingresso (inclusi gli insert-
in) assegnati a ciascuna pota di ingresso. Di seguito
sono elencate le porte di ingresso che è possibile
selezionare.
HPulsante LIBRARY
Questo pulsante consente di accedere alla schermata
INPUT PATCH LIBRARY (➥ p. 283), nella quale è
possibile memorizzare/richiamare le impostazioni della
libreria di assegnazione dei canali di ingresso.
Nota
Per consentire gli insert in/out assegnati ai canali di ingresso
in questa schermata, sarà necessario attivare Insert per il
canale di ingresso corrispondente nella schermata INSERT/
DIRECT OUT POINT (funzione INPUT PATCH) (
➥
p. 281). In
ogni caso l'inserimento viene abilitato automaticamente se si
sono assegnati insert-in/out a un EQ grafico.
Suggerimento
Quando si utilizza il pannello è possibile spostare rapidamente
il cursore dal lato destro al lato sinistro della schermata
(o viceversa) tenendo premuto il tasto [SHIFT] e premendo
i tasti CURSOR [
√
]/[
®
].
MIX OUT Jack MIX OUT 1–24
SLOT OUT Canali di uscita di una scheda di I/O
installata negli slot 1–4
FX IN Ingressi L/R degli effetti interni 1–8
GEQ IN Ingressi dei moduli GEQ 1–20
2TR OUT Canali L/R dei jack 2TR OUT DIGITAL 1–3
7
AD IN Jack INPUT 1–48
AD ST IN Jack ST IN 1–4 L/R
SLOT IN Canali di ingresso di una scheda di I/O
installata negli slot 1–4
FX OUT Uscite L/R degli effetti interni 1–8
GEQ OUT Uscite dei moduli GEQ 1–20
2TR IN Canali L/R dei jack 2TR IN DIGITAL 1–3 o
2TR IN ANALOG 1/2
8

PM5D/PM5D-RH V2/DSP5D – Manuale di istruzioni Sezione riferimenti 281
Informazioni visua-
lizzate sul display
Menu Function
(Funzioni)
Funzioni
generali
Funzioni
di output
Funzioni
di input
Appendici
Per ciascun canale di ingresso, è possibile specificare il
punto in cui saranno assegnati gli insert in/out e il punto
dal quale verrà preso l'output diretto. È inoltre possibile
attivare o disattivare Insert o Direct Output.
AVisualizzazione dell'inserimento
Quando si sposta il cursore su un punto di inserimento
I/O (4), saranno rappresentate graficamente le
posizioni di inserimento e dell'output diretto per il
canale di ingresso.
BINPUT CH (canale di ingresso)
Indica il numero del canale di ingresso che si sta
modificando. Due canali accoppiati sono indicati da un
simbolo di cuore sulla sinistra; per questi canali le
impostazioni 3–6 saranno collegate. È possibile fare
clic sul simbolo per attivare o disattivare
l'accoppiamento.
CINSERT ON/OFF
Questo pulsante consente di attivare o disattivare
l'inserimento per ciascun canale. Collegato per due
canali accoppiati.
Nota
Se si attiva questo pulsante quando gli insert-in o insert-out
non sono assegnati, il segnale non verrà più emesso dal
canale di ingresso corrispondente.
DINSERT I/O (punto di inserimento I/O)
In questa sezione è possibile selezionare una delle
posizioni di insert-in/out seguenti per ciascun canale.
ESET ALL (IMPOSTA TUTTI)
Attiva l'elemento corrispondente (inserimento o punto
di inserimento) per tutti i canali (inclusi quelli non
visualizzati nella schermata).
FCLEAR ALL
Disattiva l'inserimento per tutti i canali (inclusi quelli
non visualizzati nella schermata).
Schermata INSERT/DIRECT OUT
POINT
INSERT/DIRECT OUT POINT
1
PRE EQ Subito prima dell'equalizzatore
POST EQ Subito dopo l'EQ
PRE DELAY Subito prima del delay
POST FADER Subito dopo il fader
2
56
43

Funzione INPUT PATCH (ASSEGNAZIONE INPUT)
282 PM5D/PM5D-RH V2/DSP5D – Manuale di istruzioni Sezione riferimenti
GDIRECT OUT ON/OFF
(ATT./DISATT. OUTPUT DIRETTO)
Questi pulsanti consentono di attivare o disattivare
l'output diretto per ciascun canale.
HDIRECT OUT
In questa sezione è possibile selezionare una delle
posizioni di output diretto seguenti per ciascun canale.
ISET ALL
Attiva l'elemento corrispondente (output diretto o
punto di output diretto) per tutti i canali (inclusi quelli
non visualizzati nella schermata).
JCLEAR ALL
Disattiva l'output diretto per tutti i canali (inclusi quelli
non visualizzati nella schermata).
In questa schermata è possibile assegnare un nome a
ciascun canale di ingresso e gruppo DCA.
ACanale
Quest'area indica i numeri del canale di ingresso
(canale INPUT, ST IN) e del gruppo DCA.
BNome
Quest'area indica i nomi correntemente assegnati a
ciascun canale di ingresso e gruppo DCA. Se si fa clic
sul nome, verrà visualizzata una finestra che consente
di assegnare un nome al canale.
CLIBRARY
Questo pulsante consente di accedere alla schermata
INPUT PATCH LIBRARY (➥ p. 283), nella quale è
possibile memorizzare/richiamare le impostazioni
(e il nome) della libreria di assegnazione dei canali di
ingresso.
PRE ATT Subito prima dell'attenuatore
PRE HPF Subito prima del filtro passa-alto
PRE EQ Subito prima dell'EQ (ma subito dopo il
PRE EQ di INSERT I/O)
PRE FADER Subito prima del fader
POST ON Subito dopo il tasto CH [ON]
87
9
J
Schermata NAME (NOME)
NAME
1 2 3

PM5D/PM5D-RH V2/DSP5D – Manuale di istruzioni Sezione riferimenti 283
Informazioni visua-
lizzate sul display
Menu Function
(Funzioni)
Funzioni
generali
Funzioni
di output
Funzioni
di input
Appendici
In questa schermata è possibile richiamare, memorizzare,
rinominare o eliminare elementi della libreria di
assegnazione input.
Ad eccezione del fatto che si tratta di impostazioni di
assegnazione per i canali di ingresso, il display e le
operazioni sono gli stessi della schermata OUTPUT
PATCH LIBRARY (LIBRERIA ASSEGNAZIONE
OUTPUT) della funzione OUTPUT PATCH
(ASSEGNAZIONE OUTPUT). Vedere a p. 247.
Funzione INPUT HA/INSERT
In queste schermate è possibile configurare le impostazioni
per gli HA interni (solo per i modelli PM5D-RH) o per gli
HA esterni assegnati ai canali di ingresso.
Schermata INPUT PATCH LIBRARY
INPUT PATCH LIBRARY
Schermata CH 1-24 (canali Input 1-24)
Schermata CH 25-48
(canali Input 25-48)
Schermata STIN/FXRTN
(INGRESSO STEREO/RITORNO
EFFETTI) (canale ST IN/FXRTN)
CH 1-24
STIN/FXRTN

Funzione INPUT HA/INSERT
284 PM5D/PM5D-RH V2/DSP5D – Manuale di istruzioni Sezione riferimenti
A+48V
BHPF (High Pass Filter, filtro passa-alto)
CFrequenza di taglio
DGUADAGNO
EPorta di ingresso
Questi elementi sono gli stessi della schermata INSERT
IN MIX1-24 della funzione OUTPUT INSERT e della
schermata INSERT IN MATRIX/STEREO/MONITOR
(➥ p. 248).
FCanale
Quest'area indica il numero e il nome del canale che si
sta modificando. Due canali accoppiati sono indicati
dal simbolo di un cuore visualizzato tra i due.
Nota
• Gli elementi
1
–
4
non sono visualizzati per i canali ai quali
non è assegnato niente o per i canali assegnati a una porta
di ingresso che non dispone di un HA. Gli elementi
2
e
3
non sono visualizzati per i canali assegnati a una porta non
dotata di filtro passa-alto.
• Per assegnare le porte di ingresso ai canali di ingresso,
utilizzare la schermata INPUT PATCH (funzione INPUT
PATCH).
• Le impostazioni dell'HA non sono collegate anche se due
canali sono accoppiati. Invece l'impostazione della
manopola GAIN è collegata per gli HA per i quali il pulsante
GANG (GRUPPO) è attivato nella schermata HA (funzione
SYS/W.CLOCK).
GPulsante LIBRARY
Questo pulsante consente di visualizzare la schermata
HA LIBRARY (➥ p. 230), nella quale è possibile
memorizzare/richiamare le impostazioni dell'HA
esterno o interno come elementi della libreria.
Suggerimento
Le impostazioni dell'HA modificate in questa schermata sono
riflesse anche nella schermata HA (funzione SYS/W.CLOCK).
In queste schermate è possibile configurare le impostazioni
per gli HA interni (solo per i modelli PM5D-RH) o per gli
HA esterni assegnati agli insert-in dei canali di ingresso.
1
2
3
5
6
4
7
Schermata INSERT 1-24
Schermata INSERT 25-48
Schermata INSERT STIN
INSERT 1-24
INSERT STIN

PM5D/PM5D-RH V2/DSP5D – Manuale di istruzioni Sezione riferimenti 285
Informazioni visua-
lizzate sul display
Menu Function
(Funzioni)
Funzioni
generali
Funzioni
di output
Funzioni
di input
Appendici
A+48V
BHPF (High Pass Filter, filtro passa-alto)
CFrequenza di taglio
DGUADAGNO
EPorta di ingresso
Questi elementi sono gli stessi della schermata INSERT
IN MIX1-24 della funzione OUTPUT INSERT e della
schermata INSERT IN MATRIX/STEREO/MONITOR
(➥ p. 248).
FCanale
Quest'area indica il numero e il nome del canale che si
sta modificando. Due canali accoppiati sono indicati
dal simbolo di un cuore visualizzato tra i due.
Nota
• Gli elementi
1
–
4
non sono visualizzati per i canali agli
insert-in dei quali non è assegnato niente o per i canali
assegnati a una porta di ingresso il cui insert-in non dispone
di un HA. Gli elementi
2
e
3
non sono visualizzati per i
canali assegnati a una porta non dotata di filtro passa-alto.
• Per assegnare una porta di ingresso a un insert-in, utilizzare
la schermata INPUT PATCH (funzione INPUT PATCH).
• Le impostazioni dell'HA non sono collegate anche se due
canali sono accoppiati. Invece l'impostazione della
manopola GAIN è collegata per gli HA per i quali il pulsante
GANG (GRUPPO) è attivato nella schermata HA (funzione
SYS/W.CLOCK).
GPulsante LIBRARY
Questo pulsante consente di visualizzare la schermata
HA LIBRARY (➥ p. 230), nella quale è possibile
memorizzare/richiamare le impostazioni dell'HA
esterno o interno come elementi della libreria.
Suggerimento
Le impostazioni dell'HA modificate in questa schermata sono
riflesse anche nella schermata HA (funzione SYS/W.CLOCK).
Questa schermata è identica alla schermata HA LIBRARY
della funzione SYS/W.CLOCK (➥ p. 230).
1
2
3
5
6
4
7
Schermata HA LIBRARY
HA LIBRARY

Funzione INPUT ø/EQ (Fase/EQ INPUT)
286 PM5D/PM5D-RH V2/DSP5D – Manuale di istruzioni Sezione riferimenti
Funzione INPUT ø/EQ
(Fase/EQ INPUT)
In questa schermata è possibile modificare i parametri
dell'EQ per il canale di ingresso selezionato.
ASelezione del canale
Consente di selezionare il canale di ingresso (canali
INPUT 1–48, STIN 1–4 L/R, FXRTN 1–4 L/R).
BNome
Indica il nome del canale di ingresso correntemente
selezionato. Se il canale di ingresso è accoppiato (o se è
selezionato un canale ST IN o FX RTN), sulla destra
viene visualizzato il simbolo di un cuore. Per un canale
di ingresso è possibile fare clic sul simbolo per attivare
o disattivare l'accoppiamento.
CEQ ON/OFF (ATTIVAZ./DISATTIVAZ. EQ)
Consente di attivare o disattivare l'EQ per quel canale.
DEQ LINK GROUP (GRUPPO COLLEGAM. EQ)
Consente di selezionare il gruppo di collegamento
dell'EQ (1–8) al quale appartiene l'EQ del canale. I
parametri dell'EQ sono collegati per i canali di ingresso
che appartengono allo stesso gruppo.
Nota
I gruppi di collegamento dell'EQ del canale di ingresso sono
indipendenti dai gruppi di collegamento dell'EQ dei canali di
uscita.
ELIBRARY
Questo pulsante consente di accedere alla schermata
INPUT EQ LIBRARY (LIBRERIA EQ INGRESSO)
(➥ p. 289), nella quale è possibile memorizzare/
richiamare le impostazioni della libreria dell'EQ dei
canali di ingresso.
FATT (Attenuazione)
Questa manopola consente di regolare la quantità di
attenuazione/guadagno subito dopo la conversione
AD (Analogigo-Digitale) in un intervallo di –96 dB e
+24 dB È collegata alla manopola ATT nella schermata
ø/ATT 1-48 e nella schermata ø/ATT STIN/FXRTN.
Il valore corrente viene indicato nella casella al di sotto
della manopola.
GEQ TYPE (TIPO EQ)
Consente di selezionare il tipo di EQ. Attivando il
pulsante TYPE I è possibile selezionare l'algoritmo
utilizzato nella serie 02R mentre attivando il pulsante
TYPE II si selezionarà un nuovo algoritmo. L'uso di
TYPE II consentirà di ridurre l'interferenza tra le bande.
HGrafico EQ
Questo grafico mostra la risposta approssimata dei
parametri di equalizzazione. Le righe verticali colorate
indicano la FREQ (frequenza centrale) della banda per
il parametro sul quale è posizionato il cursore. Il colore
di ciascuna riga corrisponde al contrassegno della
manopola per ciascuna banda. La curva di risposta
cambierà quando si modifica Q (larghezza della banda)
o GAIN di ciascuna banda.
IIndicatori di livello
Questi indicatori mostrano i livelli di picco prima
dell'EQ e dopo l'EQ. Se si verifica una distorsione del
segnale prima o dopo l'EQ, il segmento OVER si
illuminerà.
JEQ FLAT (AZZERA EQ)
Questo pulsante consente di reimpostare i parametri
GAIN di tutte le bande sul valore di default (±0,0 dB).
Quando si fa clic su questo pulsante viene visualizzato
un messaggio con la richiesta di conferma.
KHPF (High Pass Filter, filtro passa-alto)
Il filtro passa-alto collocato dopo l'attenuatore e prima
dell'equalizzatore può essere attivato o disattivato ed è
possibile regolarne la frequenza di taglio. È possibile
regolare la frequenza di taglio su valori compresi tra
20 e 600 Hz.
LManopole
Queste manopole consentono di regolare Q, FREQ e
GAIN (intensità di enfasi/taglio) per ciascuna banda.
M (shelving LOW)
Se questo pulsante è attivato, l'EQ LOW funzionerà
come un EQ di tipo shelving. La manopola Q non sarà
più visualizzata.
N (shelving HIGH)
Se questo pulsante è attivato, l'EQ HIGH funzionerà
come un EQ di tipo shelving. La manopola Q non sarà
più visualizzata.
OLPF (Low Pass Filter, Filtro passa-basso)
Se questo pulsante è attivato, L'EQ HIGH funzionerà
come filtro passa-basso. La manopola Q non sarà più
visualizzata e si utilizzerà la manopola GAIN per
attivare o disattivare il filtro passa-basso.
Schermata EQ PARAM
(PARAMETRI EQ)
EQ PARAM
1 2 3 54
987 6 J
MK NOL

PM5D/PM5D-RH V2/DSP5D – Manuale di istruzioni Sezione riferimenti 287
Informazioni visua-
lizzate sul display
Menu Function
(Funzioni)
Funzioni
generali
Funzioni
di output
Funzioni
di input
Appendici
Queste schermate consentono di visualizzare le
impostazioni dell'EQ per i canali di ingresso. In quest'area
è inoltre possibile copiare le impostazioni dell'EQ tra i
canali di ingresso.
Nota
In alcune schermate che comprendono i numeri dei canali
come parte del nome della schermata, la modifica di Pair
Mode (Modalità di accoppiamento) in Vertical Pairing
(Accoppiamento verticale) nella schermata MIXER SETUP
comporterà la modifica del nome della schermata.
Esempio: Schermata EQ 1-24 → schermata EQ 1,25-
AGrafico EQ
Questo mini-grafico mostra la risposta approssimata
dell'EQ per ciascun canale di ingresso.
Se si fa clic sul grafico sul quale è correntemente
posizionato il cursore verrà visualizzata la schermata
EQ PARAM per il canale.
In questa schermata è possibile trascinare il mini-
grafico dal canale desiderato per copiare le relative
impostazioni dell'EQ. Quando si trascina il mini-
grafico verrà visualizzata una finestra in cui viene
richiesto di confermare l'operazione di copia.
È inoltre possibile copiare le impostazioni dell'EQ tra le
tre schermate EQ 1-24, EQ 25-48 ed EQ STIN/FXRTN.
Trascinare prima il mini-grafico sui tab EQ 1-24, EQ
25-48 o EQ STIN/FXRTN della schermata (la
schermata cambierà). Trascinare quindi il mini-grafico
sul canale desiderato e verrà visualizzata una finestra in
cui viene richiesto di confermare l'operazione di copia.
BEQ ON/OFF
Consente di attivare o disattivare l'EQ per quel canale.
Collegato per due canali accoppiati.
CCanale
Indica il numero del canale che si sta modificando. Due
canali accoppiati sono indicati dal simbolo di un cuore
visualizzato tra i due.
DIndicatore di livello
Questo indicatore mostra il livello di picco dopo l'EQ.
Se si verifica una distorsione del segnale, il segmento
OVER si illuminerà.
Schermata EQ 1-24
Switch EQ 25-48
Schermata EQ STIN/FXRTN
EQ 1-24
EQ STIN/FXRTN
4 1 2
3

Funzione INPUT ø/EQ (Fase/EQ INPUT)
288 PM5D/PM5D-RH V2/DSP5D – Manuale di istruzioni Sezione riferimenti
In questa schermata è possibile regolare la quantità di
attenuazione/guadagno subito dopo la conversione AD e
di invertire la fase.
AGANG
Quando si attiva questo pulsante, le impostazioni di
attenuazione/guadagno verranno collegate per i canali
adiacenti con numerazione dispari/pari (o sui lati
sinistro/destro di un canale STIN/FXRTN).
Se le impostazioni sono diverse quando si attiva il
pulsante, conserveranno la relativa differenza mentre
sono collegate.
Bø (fase)
Questo pulsante consente di invertire la fase del segnale
di ciascun canale dopo la conversione AD.
CAttenuazione/guadagno
Per ciascun canale è possibile regolare la quantità di
attenuazione/guadagno subito dopo la conversione
AD in un intervallo compreso tra –96 dB e +24 dB.
È collegato alla manopola ATT della schermata EQ
PARAM. Il valore corrente viene indicato nella casella
al di sotto della manopola.
DCanale
Indica il numero e il nome del canale. Se si accoppiano
due canali adiacenti con numerazione dispari/pari (o se
è visualizzato un canale STIN o FXRTN), tra i due
canali viene visualizzato il simbolo di un cuore.
Schermata ø/ATT 1-48
(Fase/Attenuazione 1-48)
Schermata ø/ATT STIN/FXRTN
(Fase/Attenuazione STIN/FXRTN)
ø/ATT 1-48
ø/ATT STIN/FXRTN
1
2
3
4

PM5D/PM5D-RH V2/DSP5D – Manuale di istruzioni Sezione riferimenti 289
Informazioni visua-
lizzate sul display
Menu Function
(Funzioni)
Funzioni
generali
Funzioni
di output
Funzioni
di input
Appendici
In questa schermata è possibile richiamare, memorizzare,
rinominare o eliminare elementi della libreria dell'EQ di
ingresso.
Ad eccezione del fatto che si tratta di impostazioni dell'EQ
per i canali di ingresso, il display e le operazioni sono gli
stessi della schermata OUTPUT EQ LIBRARY (LIBRERIA
EQ USCITA) della funzione OUTPUT EQ (EQ
OUTPUT). Vedere a p. 252.
Funzione INPUT GATE/COMP
In questa schermata è possibile modificare i parametri del
gate per il canale di ingresso selezionato.
ASelezione del canale
Consente di selezionare il canale di ingresso (canale
INPUT, ST IN) che si desidera modificare.
BNome
Indica il nome del canale di ingresso correntemente
selezionato. Se il canale di ingresso è accoppiato (o se è
selezionato un canale ST IN), sulla destra viene
visualizzato il simbolo di un cuore. Per un canale di
ingresso è possibile fare clic sul simbolo per attivare o
disattivare l'accoppiamento.
CGATE ON/OFF (ATTIVAZ./DISATTIVAZ.
GATE)
Consente di attivare o disattivare il gate per il canale.
DLIBRARY
Questo pulsante consente di accedere alla schermata
GATE LIBRARY (➥ p. 294), nella quale è possibile
memorizzare/richiamare le impostazioni della libreria
del gate per i canali di ingresso.
Schermata INPUT EQ LIBRARY
INPUT EQ LIBRARY
Schermata GATE PARAM
(Parametri gate)
GATE PARAM
1 2 3 4

Funzione INPUT GATE/COMP
290 PM5D/PM5D-RH V2/DSP5D – Manuale di istruzioni Sezione riferimenti
EIndicatori di livello
Questi indicatori
mostrano il livello di
riduzione del guadagno
(GR, Gain Reduction), e i
livelli di picco prima
(PRE) del gate e dopo
(POST) il gate e il livello di
picco del segnale key-in
(KEY-IN) che consente il
funzionamento del gate. Se
si verifica una distorsione
del segnale, il segmento
OVER si illuminerà.
Se il collegamento stereo è
attivato per il canale di
ingresso (o se è selezionato
un canale ST IN), sono
visualizzati gli indicatori di livello di due canali.
Suggerimento
Se GR METER ON/OFF LINK (COLLEGAM. ATTIVAZ./
DISATTIVAZ. INDICATORE RIDUZIONE GUADAGNO) è
attivato nella schermata PREFERENCE 1 (funzione UTILITY),
l'indicatore della riduzione del guadagno non verrà
visualizzato quando il gate è disattivato.
FTipo
Indica il tipo del gate correntemente selezionato.
Suggerimento
Per modificare il tipo di gate, utilizzare la schermata INPUT
GATE LIBRARY (LIBRERIA GATE INGRESSO) per
richiamare un elemento della libreria di tipo diverso. Non è
possibile modificare solo il tipo di gate in questa schermata.
GSTEREO LINK (COLLEGAMENTO STEREO)
Consente di specificare se se le impostazioni dei
parametri e il funzionamento del gate ad opera di un
segnale key-in saranno collegati (pulsante STEREO
LINK attivato) per i canali di ingresso adiacenti con
numerazione dispari/pari e per i canali L/R dei canali
ST IN, o meno (pulsante STEREO LINK disattivato).
❏ Flusso del segnale key-in quando il pulsante
Link è attivato
❏ Flusso del segnale key-in quando il pulsante
Link è disattivato
Nota
Il pulsante Stereo Link è sempre attivato per i canali
accoppiati.
HGrafico Gate
Questo grafico visualizza la risposta approssimata del
gate.
IKEY IN SOURCE (SORGENTE KEY IN)
In quest'area è possibile selezionare uno dei segnali
seguenti come segnale key-in: Se è selezionato un
canale di ingresso, il relativo nome sarà visualizzato
sulla destra.
JFILTER (FILTRO)
Selezionare il tipo di filtro da applicare al segnale key-
in selezionato tra i seguenti tipi.
• HPF (High Pass Filter, Filtro passa-alto)
Consente il passaggio della parte di segnale al di sopra
della frequenza specificata (la frequenza di taglio) e
taglia la parte al di sotto. Se si seleziona questo filtro,
utilizzare la manopola sulla destra per regolare la
frequenza di taglio (20 Hz–20 kHz).
• BPF (Band Pass Filter, Filtro passa banda)
Consente il passaggio solo della parte di segnale con
la frequenza specificata (la frequenza della banda
passante) e taglia il resto del segnale. Se si seleziona
questo filtro, utilizzare le manopole sulla destra
per regolare la frequenza della banda passante
(20 Hz–20 kHz) e la larghezza di banda (10.0–0.10).
5
76
8
GR
THR
THR
LINK= ON
GR
Segnale key-in canale
con numerazione dispari
Segnale key-in canale
con numerazione pari
Elaborazione
ATTAC K
Elaborazione
ATTAC K
Rilevaz.
livello
max
SELF PRE EQ Il segnale pre-EQ del canale di
ingresso selezionato
SELF POST EQ Il segnale post-EQ del canale di
ingresso selezionato
CH 1–48 POST EQ Il segnale post-EQ del canale di
ingresso corrispondente. In ogni
caso, è possibile selezionare solo
canali appartenenti allo stesso
gruppo, all'interno dei sette gruppi
CH1–8, CH9–16, CH17–24,
CH25–32, CH33–40, CH41–48 e
ST IN 1L/1R–4L/4R)
ST IN 1L/1R–4L/4R
POST EQ
MIX 21–24 OUT Il segnale di output del canale MIX
corrispondente immediatamente
prima dell'attenuazione dell'output
GR
THR
THR
LINK= OFF
GR
Segnale key-in canale
con numerazione dispari
Segnale key-in canale
con numerazione pari
Elaborazione
ATTAC K
Elaborazione
ATTAC K
Rilevaz.
livello max
Rilevaz.
livello max
L
J
9
K

PM5D/PM5D-RH V2/DSP5D – Manuale di istruzioni Sezione riferimenti 291
Informazioni visua-
lizzate sul display
Menu Function
(Funzioni)
Funzioni
generali
Funzioni
di output
Funzioni
di input
Appendici
• LPF (Low Pass Filter, Filtro passa-basso)
Consente il passaggio della parte di segnale al di sotto
della frequenza specificata (la frequenza di taglio) e
taglia la parte al di sopra. Se si seleziona questo filtro,
utilizzare la manopola sulla destra per regolare la
frequenza di taglio (20 Hz–20 kHz).
KFILTER ON/OFF
(ATTIVA/DISATTIVA FILTRO)
È uno switch on/off per il filtro applicato al segnale
key-in.
LCUE (SEGNALE DI ATTIVAZIONE)
Questo pulsante consente di monitorare l'attivazione
del segnale key-in correntemente selezionato.
Nota
Anche se la modalità del segnale di attivazione è impostata su
MIX CUE (SEGNALE DI ATTIVAZIONE MIX), modalità che
consente di monitorare il missaggio di tutti i canali il cui tasto
[CUE] è attivato, solo il segnale corrispondente assumerà la
priorità per il monitoraggio quando si attiva il pulsante CUE
nella schermata GATE PARAM. Eventuali tasti [CUE] attivati
in precedenza verranno disattivati.
MTHRESHOLD (livello di soglia)
Specifica il livello al quale il gate si apre e si chiude. Il
gate si aprirà quando il segnale key-in supererà il livello
specificato e si chiuderà una volta che questo è tornato
al di sotto della soglia.
NATTACK (Tempo di attacco)
Specifica il tempo necessario perché il gate si apra dal
momento in cui il segnale supera la soglia prestabilita.
OHOLD (tempo di attesa)
Specifica per quanto tempo il gate resterà aperto dopo
che il segnale key-in si abbassa sotto la soglia
specificata.
PDECAY (tempo decay)
Specifica il tempo necessario perché il gate si chiuda
una volta esaurito il tempo di attesa.
QRANGE (INTERVALLO)
Specifica la quantità di attenuazione durante la fase
di chiusura del gate.
In questa schermata è possibile modificare i parametri del
compressore per il canale di ingresso selezionato.
ASelezione del canale
Consente di selezionare il canale di ingresso (canale
INPUT, ST IN) che si desidera modificare.
BNome
Indica il nome del canale di ingresso correntemente
selezionato. Se il canale di ingresso è accoppiato (o se è
selezionato un canale ST IN), sulla destra viene
visualizzato il simbolo di un cuore. Per un canale di
ingresso è possibile fare clic sul simbolo per attivare o
disattivare l'accoppiamento.
CCOMP ON/OFF
(Attivaz./Disattivaz.compressore)
Consente di attivare o disattivare il compressore per il
canale.
DCOMP LINK GROUP
(Gruppo di collegamento compressore)
Consente di selezionare il gruppo di collegamento del
compressore EQ (1–8) al quale appartiene il canale.
I parametri del compressore sono collegati per i canali
di ingresso che appartengono allo stesso gruppo.
Nota
I gruppi di collegamento del compressore del canale di
ingresso sono indipendenti dai gruppi di collegamento del
compressore dei canali di uscita.
ELIBRARY
Questo pulsante consente di accedere alla schermata
COMP LIBRARY (LIBRERIA COMPRESSORE)
(➥ p. 256), nella quale è possibile memorizzare/
richiamare le impostazioni della libreria del
compressore per i canali di ingresso.
M N O P Q
Schermata COMP PARAM
(PARAMETRI COMPRESSORE)
COMP PARAM
1 2 3 54

Funzione INPUT GATE/COMP
292 PM5D/PM5D-RH V2/DSP5D – Manuale di istruzioni Sezione riferimenti
FIndicatori di livello
Questi indicatori
mostrano il livello di
riduzione del guadagno
(GR, Gain Reduction), e i
livelli di picco prima
(PRE) del compressore e
dopo (POST) il
compressore e il livello di
picco del segnale key-in
(KEY IN) che consente il
funzionamento del
compressore. Se si verifica
una distorsione del
segnale, il segmento OVER
si illuminerà.
GTipo
Il tipo del compressore correntemente selezionato.
HSTEREO LINK
Consente di specificare se se le impostazioni dei
parametri e il funzionamento del segnale key-in del
compressore saranno collegati per i canali di ingresso
adiacenti con numerazione dispari/pari (pulsante
STEREO LINK attivato) o saranno indipendenti
(pulsante STEREO LINK disattivato). (Per ulteriori
informazioni sul collegamento stereo del compressore
➥ p. 254.)
IGrafico del compressore
Questo grafico indica la risposta approssimata del
compressore.
JKEY IN SOURCE
Selezionare il segnale key-in desiderato tra le possibilità
riportate di seguito.
KTHRESHOLD (livello di soglia)
LRATIO (RAPPORTO)
MATTACK (Tempo di attacco)
NRELEASE (Tempo di rilascio)
OGAIN
PKNEE
Questi parametri sono gli stessi della schermata COMP
PARAM della funzione OUTPUT COMP (➥ p. 255).
6
87
9
SELF PRE EQ Il segnale pre-EQ del canale di
ingresso selezionato
SELF POST EQ Il segnale post-EQ del canale di
ingresso selezionato
CH 1–48 POST EQ Il segnale post-EQ del canale di
ingresso corrispondente. In ogni
caso, è possibile selezionare solo
canali appartenenti allo stesso
gruppo, all'interno dei sette gruppi
CH1–8, CH9–16, CH17–24,
CH25–32, CH33–40, CH41–48 e
ST IN 1L/1R–4L/4R)
ST IN 1L/1R–4L/4R
POST EQ
MIX 21–24 OUT Il segnale di output del canale MIX
corrispondente immediatamente
prima dell'attenuazione dell'output
J
K L M N O P

PM5D/PM5D-RH V2/DSP5D – Manuale di istruzioni Sezione riferimenti 293
Informazioni visua-
lizzate sul display
Menu Function
(Funzioni)
Funzioni
generali
Funzioni
di output
Funzioni
di input
Appendici
Queste schermate consentono di visualizzare le
impostazioni di gate/compressore per i canali di ingresso.
In quest'area è inoltre possibile copiare le impostazioni di
gate/compressore tra i canali di ingresso.
AGrafico Gate
Questo mini-grafico mostra la risposta approssimata
del gate per ciascun canale di ingresso. Se si fa clic sul
mini grafico, sarà visualizzata la schermata GATE
PARAM per il canale specifico.
BIndicatori di livello
Questi indicatori mostrano il livello di riduzione del
guadagno prodotto dal gate (a sinistra) e i livelli di
picco del segnale dopo il passaggio attraverso il gate
(a destra). Se si verifica una distorsione del segnale, il
segmento OVER si illuminerà.
CGATE ON/OFF
Consente di attivare o disattivare il gate per il canale.
DGrafico del compressore
Questo mini-grafico mostra la risposta approssimata
del compressore per ciascun canale di ingresso. Se si fa
clic sul mini grafico, sarà visualizzata la schermata
COMP PARAM per il canale specifico.
EIndicatori di livello
Questi indicatori mostrano il livello di riduzione del
guadagno prodotto dal compressore (a sinistra) e i
livelli di picco del segnale dopo il passaggio attraverso il
compressore (a destra). Se si verifica una distorsione
del segnale, il segmento OVER si illuminerà.
FPulsante COMP ON/OFF
Consente di attivare o disattivare il compressore per il
canale.
GCanale
Quest'area indica il numero e il nome del canale che si
sta modificando. Due canali accoppiati sono indicati
dal simbolo di un cuore visualizzato tra i due.
In questa schermata è possibile copiare le impostazioni
di gte/compressore trascinando il mini-grafico del
canale desiderato su un altro canale. È inoltre possibile
copiare le impostazioni di gate/compressore tra
schermate diverse (per la procedura ➥ p. 255).
Schermata CH 1-12 (canali Input 1-12)
Schermata CH 13-24
(canali Input 13-24)
Schermata CH 25-36
(canali Input 25-36)
Schermata CH 37-48
(canali Input 37-48)
Schermata ST IN (canale ST IN)
CH 1-12
ST IN
3
6
5
7
2 1 4

Funzione INPUT GATE/COMP
294 PM5D/PM5D-RH V2/DSP5D – Manuale di istruzioni Sezione riferimenti
In questa schermata è possibile richiamare, memorizzare,
rinominare o eliminare elementi della libreria del gate.
AEDIT (MODIFICA)
Se si fa clic su questo pulsante, sarà visualizzata la
schermata GATE PARAM per il canale di ingresso
selezionato.
BSelezione del canale
Selezionare il canale di ingresso che si desidera
modificare. Il nome del canale viene visualizzato sulla
destra.
CGrafico del gate del canale desiderato
Questo grafico mostra la risposta approssimata del gate
per il canale selezionato.
DIndicatori di livello
Questi indicatori mostrano il livello di riduzione del
guadagno (GR, Gain Reduction), e i livelli di picco
prima del gate (PRE) e dopo il gate (POST). Se si
verifica una distorsione del segnale, il segmento OVER
si illuminerà.
ERECALL (RICHIAMA)
Consente di richiamare in memoria l'elemento della
libreria selezionato nell'elenco.
FSTORE (MEMORIZZA)
Consente di memorizzare le impostazioni del gate del
canale selezionato nella posizione selezionata
nell'elenco. Quando si fa clic su questo pulsante viene
visualizzata una finestra che consente di assegnare un
nome alle impostazioni e di salvarle.
GTITLE EDIT (MODIFICA TITOLO)
Consente di modificare il titolo dell'elemento della
libreria selezionato nell'elenco. Quando si fa clic su
questo pulsante, viene visualizzata una finestra che
consente di modificare il titolo.
HCLEAR (CANCELLA)
Consente di eliminare l'elemento della libreria
selezionato nell'elenco. Quando si fa clic su questo
pulsante viene visualizzato un messaggio con la
richiesta di conferma.
Nota
Gli elementi della libreria per i quali viene visualizzata una "R"
nella colonna destra dell'elenco sono di sola lettura. Gli
elementi di sola lettura non possono essere memorizzati,
rinominati o eliminati.
IGrafico libreria gate
Questo grafico mostra la risposta approssimata
dell'elemento della libreria del gate selezionato
nell'elenco.
JElenco della libreria
Utilizzare la barra di scorrimento per selezionare
l'elemento della libreria sul quale si desidera eseguire
un'operazione. L'elemento della libreria selezionato
verrà spostato al centro dell'elenco e sarà evidenziato.
Schermata GATE LIBRARY
GATE LIBRARY
1
2
3
4
5
6
7
8
J
9

PM5D/PM5D-RH V2/DSP5D – Manuale di istruzioni Sezione riferimenti 295
Informazioni visua-
lizzate sul display
Menu Function
(Funzioni)
Funzioni
generali
Funzioni
di output
Funzioni
di input
Appendici
In questa schermata è possibile richiamare, memorizzare,
rinominare o eliminare elementi della libreria del
compressore.
Ad eccezione del fatto che si tratta di impostazioni di
assegnazione per i canali di ingresso, si tratta della stessa
schermata COMP LIBRARY della funzione OUTPUT
COMP. Vedere a p. 256.
Funzione INPUT DELAY
(DELAY INPUT)
In questa schermata è possibile modificare i parametri di
delay per il canale di ingresso selezionato.
ADELAY SCALE (SCALA DELAY)
È possibile selezionare le unità per la visualizzazione del
tempo di delay. Le unità che è possibile selezionare
sono le stesse di DELAY SCALE della funzione
OUTPUT DELAY (DELAY OUTPUT) (➥ p. 257).
Quando si modifica la scala di delay nella funzione
INPUT DELAY viene modificata di conseguenza anche
la scala di delay della funzione OUTPUT DELAY.
Schermata COMP LIBRARY
(Libreria compressore)
COMP LIBRARY
Schermata CH 1-24 (canali Input 1-24)
Schermata CH 25-48
(canali Input 25-48)
Schermata ST IN (canale ST IN)
CH 1-24
ST IN
1

Funzione INPUT DCA/GROUP (INPUT DCA/GRUPPO)
296 PM5D/PM5D-RH V2/DSP5D – Manuale di istruzioni Sezione riferimenti
BGANG
CManopola del tempo di delay
DDELAY ON/OFF (ATTIV./DISATTIV. DELAY)
I parametri sono identici a quelli della funzione
OUTPUT DELAY (➥ p. 258).
ECanale
Quest'area indica il numero e il nome del canale di
ingresso che si sta modificando. Due canali accoppiati
(o un canale ST IN) sono indicati dal simbolo di un
cuore visualizzato tra i due. È possibile fare clic sul
simbolo per attivare o disattivare l'accoppiamento.
Funzione INPUT DCA/
GROUP (INPUT DCA/
GRUPPO)
In quest'area è possibile specificare i canali di ingresso che
verranno assegnati ai gruppi DCA 1–8. Il livello dei canali di
ingresso che appartengono allo stesso gruppo DCA può
essere regolato complessivamente mediante i fader DCA 1–8.
AGruppo DCA
Numero del gruppo DCA. Il numero corrispondente
alla griglia sulla quale è posizionato il cursore viene
evidenziato.
BNome
Nome del gruppo DCA. È anche possibile fare clic su
quest'area per modificare il nome.
CGriglia
La griglia consente di assegnare canali di ingresso
(righe orizzontali) a gruppi DCA (colonne verticali).
Le griglie correntemente assegnate sono indicate dal
simbolo . Spostare il cursore sulla griglia desiderata,
quindi premere il tasto [ENTER] (INVIO) o fare clic
per impostare/disattivare l'assegnazione.
Suggerimento
È anche possibile assegnare un singolo canale di ingresso a
più gruppi DCA per il controllo di più DCA.
Suggerimento
I gruppi DCA 1–6 sono riservati ai canali di ingresso, ma i
gruppi DCA 7/8 possono essere utilizzati sia con i canali di
ingresso che con i canali di uscita. Entrambi i tipi di canali
possono esistere in un gruppo con numerazione identica.
2
4
3
5
Schermata DCA GROUP ASSIGN
(ASSEGNAZIONE GRUPPO DCA)
DCA GROUP ASSIGN
21 3

PM5D/PM5D-RH V2/DSP5D – Manuale di istruzioni Sezione riferimenti 297
Informazioni visua-
lizzate sul display
Menu Function
(Funzioni)
Funzioni
generali
Funzioni
di output
Funzioni
di input
Appendici
D
SET BY CUE (Assegna mediante tasto [CUE])
Specifica se il tasto [CUE] (SEGNALE DI
ATTIVAZIONE) verrà utilizzato per eseguire/
annullare le assegnazioni del gruppo DCA. Quando il
pulsante SET BY CUE del tasto DCA è attivato, se si
preme il tasto [CUE] di un canale di ingresso che può
essere assegnato al gruppo corrispondente, il canale
verrà assegnato al gruppo (premere il tasto [CUE]
ancora una volta per annullare l'assegnazione).
Suggerimento
Il pulsante SET BY CUE può essere attivato per un solo
gruppo DCA. La disattivazione è automatica quando si
cambia schermata o si spegne l'unità.
ECLEAR
Questo pulsante consente di cancellare tutti i canali di
ingresso assegnati al gruppo DCA.
FMUTE (ESCLUSIONE)
Questi pulsanti consentono di attivare/disattivare
l'esclusione dei gruppi DCA 1-8. Sono collegati con i
tasti DCA [MUTE] 1-8 nella strip DCA del pannello.
GFader DCA
Fader che consentono di regolare i livelli dei gruppi
DCA 1-8. Sono collegati con i fader DCA 1-8 nella strip
DCA.
HCUE
Questi pulsanti consentono di monitorare il segnale di
attivazione dei gruppi DCA 1-8. Sono collegati con i
tasti DCA [CUE] 1-8 nella strip DCA del pannello.
IDCA LEVEL SET (IMPOSTAZIONE LIVELLO
DCA)
Utilizzare i seguenti due pulsanti per azionare insieme i
gruppi DCA 1-8.
• ALL NOMINAL (TUTTO NOMINALE)
Facendo clic su questo pulsante tutti i fader DCA 1-8 si
sposteranno sul livello nominale (0 dB).
• ALL MINIMUM (TUTTO MINIMO)
Facendo clic su questo pulsante tutti i fader DCA 1-8 si
sposteranno in posizione –∞ dB.
In questa schermata è possibile specificare i canali di
ingresso che verranno assegnati ai gruppi di esclusione 1–8.
L'esclusione può essere attivata/disattivata insieme per i
canali assegnati allo stesso gruppo di esclusione.
Ad eccezione del fatto che queste impostazioni si applicano
ai canali di ingresso, il display e le operazioni sono gli stessi
della schermata MUTE GROUP ASSIGN
(ASSEGNAZIONE GRUPPO ESCLUSIONE) della
funzione OUTPUT DCA/GROUP (OUTPUT DCA/
GRUPPO). Vedere a p. 259.
Suggerimento
I gruppi di esclusione 1-8 possono essere utilizzati sia con i
canali di ingresso che con quelli di uscita. Entrambi i tipi di
canali possono esistere nel gruppo di esclusione con
numerazione identica.
54
8
6
7
9
Schermata MUTE GROUP ASSIGN
(ASSEGNAZIONE GRUPPO ESCLUSIONE)
MUTE GROUP ASSIGN

Funzione INPUT DCA/GROUP (INPUT DCA/GRUPPO)
298 PM5D/PM5D-RH V2/DSP5D – Manuale di istruzioni Sezione riferimenti
In questa schermata è possibile specificare i canali di
ingresso che verranno assegnati ai gruppi 1–8 di
collegamento dell'EQ. I parametri dell'EQ sono collegati
per i canali appartenenti allo stesso gruppo.
AGruppo di collegamento EQ
Numeri del gruppo di collegamento dell'EQ. Il numero
corrispondente alla griglia sulla quale è posizionato il
cursore viene evidenziato.
BGriglia
La griglia consente di assegnare canali di ingresso
(righe orizzontali) a gruppi di collegamento dell'EQ
(colonne verticali). Le griglie correntemente assegnate
sono indicate dal simbolo . Spostare il cursore sulla
griglia desiderata, quindi premere il tasto [ENTER] o
fare clic per impostare/disattivare l'assegnazione.
Suggerimento
I canali di ingresso e quelli di uscita utilizzano gruppi di
collegamento dell'EQ separati. I canali di ingresso utilizzano
gruppi A–H mentre quelli di uscita gruppi 1–8.
CSET BY CUE
(Assegna mediante tasto [CUE])
Specifica se il tasto [CUE] verrà utilizzato per eseguire/
annullare le assegnazioni del gruppo di collegamento
dell'EQ. Quando il pulsante SET BY CUE del gruppo
di collegamento dell'EQ è attivato, se si preme il tasto
[CUE] di un canale che può essere assegnato al gruppo
corrispondente, il canale verrà assegnato al gruppo
(premere il tasto [CUE] ancora una volta per annullare
l'assegnazione).
Suggerimento
Il pulsante SET BY CUE può essere attivato per un solo
gruppo di collegamento dell'EQ. La disattivazione è
automatica quando si cambia schermata o si spegne l'unità.
DCLEAR
Questo pulsante consente di cancellare tutti i canali di
ingresso assegnati al gruppo di collegamento dell'EQ.
Schermata EQ LINK ASSIGN
(ASSEGNAZIONE COLLEGAMENTO EQ)
EQ LINK ASSIGN
1 2
43

PM5D/PM5D-RH V2/DSP5D – Manuale di istruzioni Sezione riferimenti 299
Informazioni visua-
lizzate sul display
Menu Function
(Funzioni)
Funzioni
generali
Funzioni
di output
Funzioni
di input
Appendici
In questa schermata è possibile specificare i canali di
ingresso che verranno assegnati ai gruppi di collegamento
del compressore A–H. I parametri del compressore sono
collegati per i canali appartenenti allo stesso gruppo.
Ad eccezione del fatto che queste impostazioni si applicano
ai canali di ingresso, il display e le operazioni sono gli stessi
della schermata COMP LINK ASSIGN della funzione
OUTPUT DCA/GROUP. Vedere a p. 261.
Suggerimento
I canali di ingresso e quelli di uscita utilizzano gruppi di
collegamento del compressore separati. I canali di ingresso
utilizzano gruppi A–H mentre quelli di uscita gruppi 1–8.
Funzione PAN/ROUTING
(PAN/INSTRADAMENTO)
In questa schermata è possibile inviare segnali dai canali di
ingresso al bus MIX desiderato. È inoltre possibile
cambiare il tipo (VARI o FIXED) di ciascun bus MIX bus e
specificare la posizione dalla quale verrà inviato il segnale.
ASelezione del tipo
In questa casella è possibile selezionare il tipo di bus
MIX per due bus adiacenti con numerazione pari/
dispari. È possibile scegliere uno dei tipi riportati di
seguito.
• FIXED (FISSO)
Il livello di mandata del bus MIX sarà fisso sul livello
nominale (0.0 dB). Scegliere questo tipo se si desidera
utilizzare il bus MIX come uscita di gruppo o come
uscita del bus per la registrazione su registratore multi-
traccia.
• VARI (Variabile)
Il livello di mandata del bus MIX è regolabile. Scegliere
questo tipo se si desidera utilizzare il bus MIX come
mandata di effetti esterni o come output foldback.
Suggerimento
Se è attivata la modalità surround, l'indicazione del tipo
cambierà in "SURROUND" per i bus MIX utilizzati come bus
surround. Non è possibile modificare il tipo di bus MIX in
questo caso.
BBus MIX
Numero e nome del bus MIX a cui viene inviato il
segnale. I bus MIX accoppiati sono indicati dal simbolo
di un cuore visualizzato tra i due. È possibile fare clic
sul simbolo per attivare o disattivare l'accoppiamento.
Schermata COMP LINK ASSIGN
(Assegnazione collegamento
compressore)
COMP LINK ASSIGN
Schermata CH to MIX
(Canale a missaggio)
CH to MIX
43
1 2

Funzione PAN/ROUTING (PAN/INSTRADAMENTO)
300 PM5D/PM5D-RH V2/DSP5D – Manuale di istruzioni Sezione riferimenti
CPOST ON/POST TO ST
(Dopo il tasto ON/Dopo il tasto STEREO)
Questo pulsante consente di specificare in maggiore
dettaglio la posizione dalla quale i segnali post-fader
verranno trasmessi dai canali di ingresso ai bus MIX. È
possibile scegliere una delle due posizioni seguenti.
❏ POST ON
Il segnale verrà inviato subito dopo il tasto [ON].
POST ON/POST TO ST=
❏ POST TO ST
Il segnale verrà inviato subito dopo il tasto
[TO STEREO].
POST ON/POST TO ST=
Suggerimento
Questa impostazione viene applicata al segnale inviato da tutti
i canali di ingresso al bus MIX corrispondente.
DCH to MIX
In quest'area, i segnali inviati dai canali INPUT/ST IN
(colonne verticali) ai bus MIX (righe orizzontali)
possono essere attivati o disattivati e i relativi livelli
possono essere regolati.
I pulsanti e le manopole visualizzati sono diversi, a
seconda del tipo (FIXED o VARI) del bus MIX di
destinazione della mandata e a seconda che i bus MIX
siano accoppiati o meno.
❏ Tipo = FIXED, Accoppiamento = disattivato
MIX1
MIX2
STEREO L
STEREO R
……
……
FADER
INPUT CHANNEL 1
ON TO ST
ON
ON
PAN
MIX1 (VARI)
LEVEL
MIX2 (VARI)
LEVEL
MIX1
MIX2
STEREO L
STEREO R
……
……
FADER
INPUT CHANNEL 1
ON TO ST
ON
ON
PAN
MIX1 (VARI)
LEVEL
MIX2 (VARI)
LEVEL
Canale di ingresso 1
↓
Bus MIX 1
Canale di ingresso 1
↓
Bus MIX 2
Canale di ingresso 2
↓
Bus MIX 1
Canale di ingresso 2
↓
Bus MIX 2
Pulsante SEND ON/OFF
Switch on/off per il segnale inviato
dai canali di ingresso a ciascun bus
MIX.
MIX1
MIX2
STEREO L
STEREO R
……
……
FADER
INPUT CHANNEL 1
ON
ON
ON
PAN
MIX1 (FIX)
MIX2 (FIX)
FADER
INPUT CHANNEL 2
ON
ON
ON
PAN
MIX1 (FIX)
MIX2 (FIX)

PM5D/PM5D-RH V2/DSP5D – Manuale di istruzioni Sezione riferimenti 301
Informazioni visua-
lizzate sul display
Menu Function
(Funzioni)
Funzioni
generali
Funzioni
di output
Funzioni
di input
Appendici
❏ Tipo = FIXED, Accoppiamento = attivato ❏ Tipo = VARI, Accoppiamento = disattivato
Canale di ingresso 1
↓
Bus MIX 1/2
Canale di ingresso 2
↓
Bus MIX 1/2
Pulsante SEND ON/OFF
Switch on/off per il segnale inviato dai
canali di ingresso ai due bus MIX.
MIX1
MIX2
STEREO L
STEREO R
……
……
FADER
INPUT CHANNEL 1
ON
ON
PAN
MIX1/2 (FIX)
FADER
INPUT CHANNEL 2
ON
ON
PAN
MIX1/2 (FIX)
Pulsante SEND ON/OFF
Switch on/off per il segnale inviato dai
canali di ingresso a ciascun bus MIX.
Pulsante PRE/POST
Consente di selezionare PRE (pre-EQ o
pre-fader) o POST (post ON o post TO ST)
come posizione dalla quale il segnale verrà
inviato dai canali di ingresso a ciascun bus
MIX.
Manopola SEND LEVEL
Consente di regolare il livello del
segnale inviato dai canali di ingresso
a ciascun bus MIX.
Canale di ingresso 1
↓
Bus MIX 1
Canale di ingresso 1
↓
Bus MIX 2
Canale di ingresso 2
↓
Bus MIX 1
Canale di ingresso 2
↓
Bus MIX 2
MIX1
MIX2
STEREO L
STEREO R
……
……
ON
ON
ON
PAN
MIX1 (VARI)
LEVEL
MIX2 (VARI)
LEVEL
MIX1
MIX2
STEREO L
STEREO R
……
……
FADER
ON
ON
ON
PAN
MIX1 (VARI)
LEVEL
MIX2 (VARI)
LEVEL
FADER
INPUT CHANNEL 1
INPUT CHANNEL 1
• Pulsante PRE/POST = PRE
• Pulsante PRE/POST = POST

Funzione PAN/ROUTING (PAN/INSTRADAMENTO)
302 PM5D/PM5D-RH V2/DSP5D – Manuale di istruzioni Sezione riferimenti
❏ Tipo = VARI, Accoppiamento = attivato
EPRE EQ/PRE FADER
Questi pulsanti consentono di specificare in maggiore
dettaglio la posizione dalla quale il segnale pre-fader
verrà trasmesso da un canale di ingresso ai bus MIX.
È possibile scegliere una delle due posizioni di mandata
riportate di seguito.
Suggerimento
Questa impostazione viene applicata al segnale inviato dal
canale di ingresso corrispondente a tutti i bus MIX.
FFOLLOW PAN (SEGUI PAN)
Questi pulsanti consentono di specificare il modo in
cui la manopola TO ST PAN (8) influirà sul segnale
inviato dal canale di ingresso ai bus MIX.
• VARI
Se questo pulsante è attivato, la manopola PAN
visualizzata nell'area CH to MIX (4) verrà collegata
alla manopola TO ST PAN (8) se i bus MIX di tipo
VARI sono accoppiati.
• FIXED
Se questo pulsante è attivato il segnale dalla posizione
dopo la manopola TO ST PAN (8) verrà inviato ai
bus MIX di tipo FIXED.
GTO ST (A stereo)
Questo pulsante consente di specificare se il canale
INPUT/ST IN invierà il segnale al bus STEREO.
È collegato con lo switch [TO STEREO] nella sezione
SELECTED CHANNEL (CANALE SELEZIONATO).
HTO ST PAN (A pan stereo)
In questa sezione è possibile regolare il pan del segnale
inviato dal canale INPUT/ST IN al bus STEREO. Il
valore corrente è visualizzato nelle caselle sottostanti.
È collegato con l'encoder se è selezionato PAN come
modalità dell'encoder e con l'encoder [PAN] della
sezione SELECTED CHANNEL.
IPAN MODE
In questa casella è possibile selezionare uno dei modi
seguenti in cui le impostazioni di pan saranno collegate
tra canali di ingresso adiacenti con numerazione pari/
dispari (o tra i canali destro/sinistro di un canale ST IN).
• INDIVIDUAL (INDIVIDUALI)
Le due impostazioni di pan saranno indipendenti.
• GANG PAN (PAN GRUPPO)
Le due impostazioni di pan saranno collegate nella
stessa direzione. Se i due valori di pan sono diversi
quando si attiva questo pulsante, il pan verrà collegato
pur conservando le differenze esistenti nei valori.
Canale di ingresso 1
↓
Bus MIX 1/2
Canale di ingresso 2
↓
Bus MIX 1/2
Pulsante SEND
ON/OFF
Switch on/off per
il segnale inviato
dai canali di
ingresso ai due
bus MIX.
Pulsante PRE/POST
Consente di selezionare PRE (pre-EQ o pre-fader) o
POST (post ON o post TO ST) come posizione dalla
quale il segnale verrà inviato dai canali di ingresso a
ciascun bus MIX.
Manopola MIX PAN/BALANCE
Consente di specificare il pan del
segnale inviato dai canali di ingresso
ai due bus MIX. Se PAN MODE
(MODALITÀ PAN) (9) del canale di
ingresso è impostata su BALANCE,
funzionerà come manopola BALANCE
che consente di regolare il volume del
bilanciamento tra i due canali.
Manopola SEND LEVEL
Consente di regolare il livello del
segnale inviato dai canali di
ingresso ai due bus MIX.
MIX1
MIX2
STEREO L
STEREO R
……
……
MIX1
MIX2
STEREO L
STEREO R
……
……
INPUT CHANNEL 1
FADER
INPUT CHANNEL 1
ON
ON
PAN
PAN
MIX1/2 (VARI)
LEVEL
FADER
ON
ON
PAN
PAN
MIX1/2 (VARI)
LEVEL
• Pulsante PRE/POST = PRE
• Pulsante PRE/POST = POST
PRE FADER Subito prima del fader
PRE EQ Subito prima dell'equalizzatore
59
J7 K
8
6

PM5D/PM5D-RH V2/DSP5D – Manuale di istruzioni Sezione riferimenti 303
Informazioni visua-
lizzate sul display
Menu Function
(Funzioni)
Funzioni
generali
Funzioni
di output
Funzioni
di input
Appendici
• INV. GANG (Gruppo invertito)
Le due impostazioni di pan funzioneranno in direzioni
opposte.
• BALANCE
Le due manopole PAN funzioneranno come manopole
BALANCE per regolare il bilnciamento del segnale
inviato dai canali con numerazione pari/dispari (o dai
canali L/R del canale ST IN) al bus STEREO L/R. Se si
seleziona questa impostazione, le due manopole
saranno reimpostate sulla poszione centrale e saranno
collegate nella stessa direzione. Inoltre i contrassegni
delle manopole cambieranno da rosso in bianco.
Nota
• La modalità Pan è sempre valida, anche se i canali di
ingresso origine della mandata non sono accoppiati.
• Non sarà possibile utilizzare le manopole TO ST PAN se si
è selezionata la modalità GANG PAN quando le due
manopole sono impostate sull'estrema sinistra e destra o se
si è selezionato INV.GANG quando entrambe le manopole
pan sono ruotate completamente nella stessa direzione.
JMIX MINUS (MISSAGGIO MENO)
Questa funzione consente di inviare lo stesso missaggio
del bus STEREO — ma con l'esclusione di uno
specifico canale di ingresso che viene rimosso — al bus
MIX desiderato. Se si desidera inviare un missaggio di
monitoraggio a un musicista o un annunciatore, in
questo modo è possibile trasmettere rapidamente lo
stesso missaggio del bus STEREO senza la loro voce.
Accedere al canale di ingresso sorgente desiderato nella
schermata e fare clic sul pulsante MIX MINUS per quel
canale; verrà visualizzata una finestra che consente di
selezionare il bus MIX per il quale configurare le
impostazioni Mix Minus.
Suggerimento
Come scorciatoia per accedere alla finestra sopra indicata, è
possibile premere contemporaneamente il tasto [SEL] della
channel strip INPUT/ST IN e il tasto [SEL] della sezione MIX.
Si ricordi però che tenendo premuto uno solo di questi tasti si
accederà a scelte diverse.
Nella finestra sopra indicata, selezionare il bus MIX di
destinazione della mandata e fare clic sul pulsante OK;
nella schermata CH to MIX cambieranno i seguenti
parametri.
• Nell'area CH to MIX del bus MIX di destinazione
della mandata, tutti i pulsanti ON/OFF verranno
attivati.
• Nell'area CH to MIX del bus MIX di destinazione
della mandata, tutti i pulsanti PRE/POST verranno
impostati su POST.
• Il livello di mandata dei segnali inviati dal canale di
ingresso sorgente al bus MIX di destinazione sarà
impostato su –∞ dB.
• Il livello di mandata dei segnali inviati dai canali di
ingresso diversi da quello sopra indicato al bus MIX
di destinazione saranno impostati sul livello
nominale (0.0 dB).
• Il pulsante POST ON/POST TO ST sarà impostato
su POST TO ST per il bus MIX di destinazione.
Nota
• Con Mix Minus non si cambia semplicemente modalità, si
tratta invece di un metodo rapido per configurare
determinate impostazioni. Ciò significa che anche dopo aver
eseguito Mix Minus, sarà possibile modificare liberamente i
parametri della schermata CH to MIX.
• Quando si esegue l'operazione Mix Minus, verrà rimosso dal
missaggio solo il canale di ingresso selezionato come
sorgente. Se si desidera rimuovere più di un canale di
ingresso dal segnale inviato a uno specifico bus MIX,
eseguire l'operazione Mix Minus e modificare manualmente
le impostazioni degli altri canali.
• Se il canale di ingresso è accoppiato (o se è selezionato un
canale ST IN), il livello di mandata del segnale inviato da
entrambi i canali al bus MIX di destinazione verrà impostato
su –∞.
• L'operazione Mix Minus è valida anche se il bus MIX di
destinazione è accoppiato. In questo caso, l'impostazione
PAN del canale di ingresso verrà riflessa dalle impostazioni
PAN dei bus MIX accoppiati.
KCanale di ingresso
Canale (o canali) di ingresso sorgente. I canali di
ingresso accoppiati (o un canale ST IN) sono indicati
dal simbolo di un cuore visualizzato tra i due. Per un
canale di ingresso è possibile fare clic sul simbolo per
attivare o disattivare l'accoppiamento.
È possibile spostare il cursore su un parametro nell'area
CH to COPY, tenere quindi premuto il tasto [SHIFT] e
fare clic (oppure premere [SHIFT] + [ENTER]) per
copiare il valore del parametro in un altro canale (in
direzione orizzontale) o in un altro bus MIX (in
direzione verticale), o per attivare/disattivare tutti i
parametri. È possibile utilizzare questo metodo per
impostare i seguenti parametri.
• Attivazione/Disattivazione mandata missaggio
Spostare il cursore sul pulsante SEND ON/OFF
dell'area CH to COPY; tenere quindi premuto il tasto
[SHIFT] e fare clic (oppure premere [SHIFT] +
[ENTER]) per accedere alla finestra seguente.

Funzione PAN/ROUTING (PAN/INSTRADAMENTO)
304 PM5D/PM5D-RH V2/DSP5D – Manuale di istruzioni Sezione riferimenti
Per impostare contemporaneamente più parametri,
utilizzare l'encoder [DATA] per selezionare uno dei
seguenti elementi e fare clic sul pulsante OK.
ALL OFF [ALL MIX ]
(TUTTO DISATTIVATO [TUTTO MISSAGGIO])
ALL ON [ALL MIX ]
(TUTTO ATTIVATO [TUTTO MISSAGGIO])
Consente di attivare/disattivare i segnali inviati dal
canale di ingresso selezionato a tutti i bus MIX
insieme.
ALL OFF [ALL CH ]
(TUTTO DISATTIVATO [TUTTI I CANALI])
ALL ON [ALL CH ]
(TUTTO ATTIVATO [TUTTI I CANALI])
Consente di attivare/disattivare i segnali inviati da
tutti i canali di ingresso al bus MIX selezionato.
ALL OFF [ALL CH x ALL MIX]
(TUTTO DISATTIVATO [TUTTI I CANALI x
TUTTO MISSAGGIO])
ALL ON [ALL CH x ALL MIX]
(TUTTO ATTIVATO [TUTTI I CANALI x
TUTTO MISSAGGIO])
Consente di attivare/disattivare i segnali inviati da
tutti i canali di ingresso a tutti i bus MIX insieme.
• Posizione mandata missaggio
Spostare il cursore su un pulsante PRE/POST dell'area
CH to COPY; tenere quindi premuto il tasto [SHIFT] e
fare clic (oppure premere [SHIFT] + [ENTER]) per
accedere alla finestra seguente.
Per impostare contemporaneamente più parametri,
utilizzare l'encoder [DATA] per selezionare uno dei
seguenti elementi e fare clic sul pulsante OK.
ALL POST [ALL MIX ]
(TUTTO POST [TUTTO MISSAGGIO])
ALL PRE [ALL MIX ]
(TUTTO PRE [TUTTO MISSAGGIO])
Consente di passare la posizione di mandata del
segnale inviato dal canale di ingresso selezionato a
tutti i bus MIX da post-fader a pre-fader o viceversa.
ALL POST [ALL CH ]
(TUTTO POST [TUTTI I CANALI])
ALL PRE [ALL CH ]
(TUTTO PRE [TUTTI I CANALI])
Consente di passare la posizione di mandata del
segnale inviato da tutti i canali di ingresso al bus MIX
selezionato da post-fader a pre-fader o viceversa.
ALL POST [ALL CH x ALL MIX]
(TUTTO POST [TUTTI I CANALI x TUTTO
MISSAGGIO])
ALL PRE [ALL CH x ALL MIX]
(TUTTO PRE [TUTTI I CANALI x TUTTO
MISSAGGIO])
Consente di passare la posizione di mandata del
segnale inviato da tutti i canali di ingresso a tutti i bus
MIX da post-fader a pre-fader o viceversa.
Nota
Queste operazioni "complessive" sono ignorate per i bus MIX
di tipo FIXED.
• Livello di mandata missaggio
Spostare il cursore su una manopola SEND LEVEL
dell'area CH to COPY; tenere quindi premuto il tasto
[SHIFT] e fare clic (oppure premere [SHIFT] +
[ENTER]) per accedere alla finestra seguente.
Per impostare contemporaneamente più parametri,
utilizzare l'encoder [DATA] per selezionare uno dei
seguenti elementi e fare clic sul pulsante OK.
LEVEL COPY [ALL MIX ]
(COPIA LIVELLO [TUTTO MISSAGGIO])
Il valore della manopola SEND LEVEL selezionata
verrà copiato nel livello di mandata dei segnali inviati
dal canale di ingresso a tutti i bus MIX.
LEVEL COPY [ALL MIX ]
(COPIA LIVELLO [TUTTO MISSAGGIO])
Il valore della manopola SEND LEVEL selezionata
verrà copiato nel livello di mandata dei segnali inviati
da tutti i canali di ingresso al bus MIX.
LEVEL COPY [ALL CH x ALL MIX]
(COPIA LIVELLO [TUTTI I CANALI x TUTTO
MISSAGGIO])
Il valore della manopola SEND LEVEL selezionata
verrà copiato nel livello di mandata dei segnali inviati
da tutti i canali di ingresso a tutti i bus MIX.
Nota
Queste operazioni "complessive" sono ignorate per i bus MIX
di tipo FIXED.

PM5D/PM5D-RH V2/DSP5D – Manuale di istruzioni Sezione riferimenti 305
Informazioni visua-
lizzate sul display
Menu Function
(Funzioni)
Funzioni
generali
Funzioni
di output
Funzioni
di input
Appendici
• Pan/bilanciamento missaggio
Quando il bus MIX di destinazione è accoppiato,
spostare il cursore su una manopola MIX PAN/
BALANCE dell'area CH to COPY; tenere quindi
premuto il tasto [SHIFT] e fare clic (oppure premere
[SHIFT] + [ENTER]) per accedere alla finestra
seguente.
Per impostare contemporaneamente più parametri,
utilizzare l'encoder [DATA] per selezionare uno dei
seguenti elementi e fare clic sul pulsante OK.
PAN (BAL) COPY [ALL MIX ] (COPIA PAN
(BILANCIAMENTO) [TUTTO MISSAGGIO])
Il valore della manopola MIX PAN/BALANCE
selezionata verrà copiato nel pan (bilanciamento) dei
segnali inviati dal canale a tutti i bus MIX accoppiati.
PAN (BAL) COPY [ALL MIX ]
Il valore della manopola MIX PAN/BALANCE
selezionata verrà copiato nel pan (bilanciamento) dei
segnali inviati da tutti i canali al bus MIX.
PAN (BAL) COPY [ALL CH x ALL MIX] (COPIA
PAN (BILANCIAMENTO) [TUTTI I CANALI x
TUTTO MISSAGGIO]
Il valore del parametro selezionato verrà copiato nel
pan (bilanciamento) dei segnali inviati da tutti i
canali a tutti i bus MIX accoppiati.
Nota
• Questa operazione viene ignorata dai bus MIX non
accoppiati e dai bus MIX di tipo FIXED.
• Non è possibile copiare i parametri PAN nei parametri
BALANCE o viceversa.
• La copia non è valida per i canali il cui pulsante VARI
(nell'area FOLLOW PAN) è attivato.
In questa schermata sono riportati i segnali inviati dai
canali di ingresso ai bus MIX ed è inoltre possibile
modificare le impostazioni.
ACH to MIX/MIX from CH (CANALE A
MISSAGGIO/MISSAGGIO A CANALE)
Selezionare uno dei seguenti due tipi di visualizzazione
del display.
❏ Quando è attivato il pulsante CH to MIX
Nella schermata è visualizzato lo stato dei segnali
inviati da uno specifico canale di ingresso (INPUT o
ST IN) a tutti i bus MIX. Utilizzare la barra di
scorrimento per visualizzare i canali di ingresso non
visibili nella schermata.
❏ Quando è attivato il pulsante MIX from CH
Nella schermata è visualizzato lo stato dei segnali inviati
da tutti i canali di ingresso a uno specifico bus MIX.
Schermata MIX SEND VIEW
(VISTA MANDATA MISSAGGIO)
MIX SEND VIEW
1 2
3

Funzione PAN/ROUTING (PAN/INSTRADAMENTO)
306 PM5D/PM5D-RH V2/DSP5D – Manuale di istruzioni Sezione riferimenti
BSEND LEVEL, PRE/POST
(Livello mandata/Punto mandata)
Selezionare uno dei seguenti due parametri da
visualizzare nella griglia.
❏ Quando è attivato il pulsante SEND LEVEL
I livelli di mandata dei segnli inviati dai canali di
ingresso ai bus MIX sono visualizati nella griglia come
grafici a barre. Ad eccezione del fatto che le origini di
mandata sono canali di ingresso e le destinazioni di
mandata sono bus MIX, la visualizzazione del grafico a
barre è la stessa della schermata MIX to MATRIX
VIEW (VISTA DA MISSAGGIO A MATRICE)
(funzione MATRIX/ST) (➥ p. 264).
A seconda della posizione di mandata del segnale
inviato al bus MIX, il colore del grafico a barre differirà
secondo quanto indicato di seguito.
(verde) . . . . PRE EQ (subito prima dell'EQ)
(giallo) . . . . PRE FADER (subito prima del
fader)
(blu) . . . . . . POST ON (subito dopo il tasto
[ON]) o POST TO ST (subito
dopo il tasto [TO ST])
Per modificare il livello di mandata di un segnale,
spostare il cursore sulla griglia nel punto in cui il canale
desiderato e il bus MIX si intersecano, quindi ruotare
l'encoder [DATA]. Per attivare o disattivare una
mandata MIX, fare clic sulla griglia nel punto il cui il
canale desiderato e il bus MIX si intersecano.
Se il pulsante SEND LEVEL è attivato, sarà possibile
selezionare la griglia desiderata e copiare il relativo
valore del livello di mandata (pan) in altri canali
(direzione orizzontale), in altri bus MIX (direzione
verticale) oppure attivare/disattivare
contemporaneamente tutte le griglie.
A questo scopo spostare il cursore sulla griglia
desiderata, quindi tenere premuto il tasto [SHIFT] e
premere il tasto [ENTER] (in alternativa, tenere
premuto il tasto [SHIFT] e fare clic sulla griglia
desiderata). Quando viene visualizzata la finestra
seguente, selezionare una delle seguenti opzioni e fare
clic sul pulsante OK.
LEVEL COPY [ALL MIX ]
Il valore (pan) del livello di mandata della griglia
selezionata viene copiato in tutti i bus MIX.
LEVEL COPY [ALL MIX ]
Il valore (pan) del livello di mandata della griglia
selezionata viene copiato in tutti i canali di ingresso.
LEVEL COPY [ALL CH x ALL MIX]
Il valore (pan) del livello di mandata della griglia
selezionata viene copiato in tutti i canali di ingresso o
in tutti i bus MIX.
ALL OFF [ALL MIX ]
Consente di disattivare i segnali inviati dal canale di
ingresso specificato a tutti i bus MIX.
ALL ON [ALL MIX ]
Consente di attivare i segnali inviati dal canale di
ingresso specificato a tutti i bus MIX.
ALL OFF [ALL CH ]
Consente di disattivare i segnali inviati da tutti i canali
di ingresso al bus MIX specificato.
ALL ON [ALL CH ]
Consente di attivare i segnali inviati da tutti i canali di
ingresso al bus MIX specificato.
ALL OFF [ALL CH x ALL MIX]
Consente di disattivare i segnali inviati da tutti i canali
di ingresso a tutti i bus MIX.
ALL ON [ALL CH x ALL MIX]
Consente di attivare i segnali inviati da tutti i canali di
ingresso a tutti i bus MIX.
❏ Quando è attivato il pulsante PRE/POST
In questa schermata sono riportate le posizioni di
mandata dei segnali inviati dai canali di ingresso ai bus
MIX.
Di seguito viene riportato il significato di ciascuna
indicazione.
(v’erede) . PRE EQ (subito prima dell'EQ)
(giallo) . . . PRE FADER (subito prima del
fader)
(grigio) . . POST ON (subito dopo il tasto
[ON])
(rosso) . . . POST TO ST (subito dopo il
tasto [TO ST])
Per modificare il livello di mandata di un segnale,
spostare il cursore sulla griglia nel punto in cui il canale
desiderato e il bus MIX si intersecano e premere il tasto
[ENTER], o fare clic o ruotare l'encoder [DATA].
Se il pulsante PRE/POST è attivato, sarà possibile
cambiare contemporaneamente la posizione di
mandata di tutti i punti della griglia. Per eseguire
questa operazione, tenere premuto il tasto [SHIFT] e
fare clic sulla griglia desiderata (in alternativa spostare
il cursore sulla griglia desiderata, quindi tenere
premuto il tasto [SHIFT] e premere il tasto [ENTER]).
Quando viene visualizzata la finestra seguente,
selezionare una delle seguenti opzioni e fare clic sul
pulsante OK.

PM5D/PM5D-RH V2/DSP5D – Manuale di istruzioni Sezione riferimenti 307
Informazioni visua-
lizzate sul display
Menu Function
(Funzioni)
Funzioni
generali
Funzioni
di output
Funzioni
di input
Appendici
ALL PRE [ALL MIX ]
Specificare pre-fader come posizione di mandata per i
segnali inviati dal canale di ingresso specificato a tutti
i bus MIX.
ALL POST [ALL MIX ]
Specificare post-fader come posizione di mandata per
i segnali inviati dal canale di ingresso specificato a
tutti i bus MIX.
ALL PRE [ALL CH ]
Specificare pre-fader come posizione di mandata per i
segnali inviati da tutti i canali di ingresso al bus MIX
specificato.
ALL POST [ALL CH ]
Specificare post-fader come posizione di mandata per
i segnali inviati da tutti i canali di ingresso al bus MIX
specificato.
ALL PRE [ALL CH x ALL MIX]
Specificare pre-fader come posizione di mandata per i
segnali inviati da tutti i canali di ingresso a tutti i bus
MIX.
ALL POST [ALL CH x ALL MIX]
Specificare post-fader come posizione di mandata per
i segnali inviati da tutti i canali di ingresso a tutti i bus
MIX.
CGriglia
In quest'area vengono visualizzate diverse impostazioni
relative ai segnali inviati dai canali di ingresso (righe
orizzontali) ai bus MIX (colonne verticali). Le righe
rosse che si estendono a sinistra e verso l'alto indicano
il canale di ingresso corrispondente e il bus MIX per la
griglia sulla quale è posizionato il cursore.
DSELECTED PARAMETER
(parametro correntemente selezionato)
Indica il canale di ingresso e il bus MIX per la griglia
sulla quale è correntemente posizionato il cursore. Le
quattro caselle a destra indicano i valori della griglia
sulla quale è correntemente posizionato il cursore.
In questa schermata sono riportati i segnali inviati dai
canali di ingresso ai bus e agli output diretti e nella
schermata è inoltre possibile impostare o annullare le
assegnazioni.
ACanale di ingresso
Quest'area indica il numero e il nome del canale di
ingresso che si sta modificando.
BPAN
Se questo pulsante è attivato, l'impostazione TO
STEREO PAN verrà applicata anche al segnale inviato
ai bus MIX di tipo FIXED. È collegato al pulsante
FOLLOW PAN FIXED della schermata CH to MIX
(funzione PAN/ROUTING).
CAssegnazioni bus
Questi pulsanti consentono i assegnare il
corrispondente canale di ingresso ai bus MIX di tipo
FIXED. Sono collegati ai pulsanti SEND ON/OFF della
schermata CH to MIX (funzione PAN/ROUTING).
Per i bus MIX di tipo VARI, i pulsanti sono di colore
grigio (disattivati) e non utilizzabili.
Nota
Se è selezionata una modalità surround diversa da STEREO,
i pulsanti dei bus MIX utilizzati come bus surround saranno
denominati in base al relativo canale surround (L, C, R)
anziché in base al numero.
4
Schermata FIX ASSIGN VIEW
(VISTA ASSEGNAZIONE FISSA)
FIX ASSIGN VIEW
2
4
5
6
3
1

Funzione PAN/ROUTING (PAN/INSTRADAMENTO)
308 PM5D/PM5D-RH V2/DSP5D – Manuale di istruzioni Sezione riferimenti
DTO ST (A stereo)
Se questo pulsante è attivato, il canale di ingresso
corrispondente viene assegnato al bus STEREO.
È collegato al pulsante TO ST della schermata CH to
MIX (funzione PAN/ROUTING).
EDIRECT
Se questo pulsante è attivato, il segnale del canale di
ingresso corrispondente verrà inviato alla porta di
uscita selezionata come output diretto. È collegato al
pulsante DIRECT OUT ON/OFF della schermata
INSERT/DIRECT OUT POINT (funzione IN
PATCH).
FPorta di uscita
Quest'area indica la porta di uscita assegnata nella
schermata DIRECT OUT PATCH (funzione INPUT
PATCH) all'output diretto di questo canale di ingresso
GALL STEREO (TUTTI STEREO)
Questo pulsante consente di assegnare tutti i canali di
ingresso ai bus STEREO.
HALL BUS (TUTTI BUS)
Questo pulsante consente di assegnare tutti i canali di
ingresso ai bus MIX di tipo FIXED.
IALL CLEAR (CANCELLA TUTTO)
Questo pulsante consente di annullare tutte le
assegnazioni nella schermata FIX ASSIGN VIEW.
JSURROUND MODE
(MODALITÀ SURROUND)
Indica la modalità surround correntemente selezionata.
In questa schermata è possibile configurare le impostazioni
per la modalità LCR che consente il playback a tre canali
mediante l'aggiunta di un canale CENTER (CENTRALE)
ai canali di destra e di sinistra (L/R) del bus STEREO.
Ad eccezione del fatto che le sorgenti di mandata sono
canali di ingresso, il display e le operazioni sono gli stessi
della schermata LCR della funzione MATRIX/ST. Vedere a
p. 267.
8 9
J
7
Schermata LCR
LCR

PM5D/PM5D-RH V2/DSP5D – Manuale di istruzioni Sezione riferimenti 309
Informazioni visua-
lizzate sul display
Menu Function
(Funzioni)
Funzioni
generali
Funzioni
di output
Funzioni
di input
Appendici
In questa schermata è possibile eseguire il controllo in
tempo reale del pan surround per i due canali di ingresso
correntemente selezionati.
ASelezione del canale
Selezionare i due canali di ingresso adiacenti con
numerazione dispari/pari (oppure i canali ST IN L/R)
che si desidera controllare. I nomi dei canali sono
visualizzati sulla destra.
BDIVERGENCE (DIVERGENZA)
Questi controlli specificano la proporzione in base alla
quale i segnali vengono inviati a ciascun bus surround
quando il canale di ingresso è posizionato al centro.
A seconda della modalità surround correntemente
selezionata, i parametri visualizzati differiranno, come
indicato di seguito.
❏ Se Surround Mode = 3-1ch/5.1ch
Sarà visualizzata una manopola
per il controllo della divergenza
anteriore. Utilizzare la manopola
per specificare la proporzione (0–
100) in base alla quale un segnale
posizionato al centro sarà inviato
al bus centrale (C) e ai bus
sinistro/destro (L, R). Con
un'impostazioni pari a 0 il segnale
verrà inviato solo ai bus sinistro/destro, e con
un'impostazione di 100 sarà inviato solo al bus
centrale. Con un'impostazione pari a 50, il segnale
verrà inviato allo stesso livello ai bus sinistro/destro e
centrale.
❏ Se Surround Mode = 6.1ch
Saranno visualizzate una manopola F per il controllo
della divergenza anteriore (Front) e una manopola R
per il controllo della divergenza posteriore (Rear).
Utilizzare le due manopole per specificare la
proporzione (0–100) in base alla quale un segnale
posizionato al centro sarà inviato ai bus centrale (C, S,
Bs) e ai bus sinistro/destro (L, R, Ls, Rs).
In modalità 6.1ch, tra la manopola
F e la manopola R viene
visualizzato un pulsante LINK che
consente il collegamento tra la
divergenza anteriore e quella
posteriore. Quando si attiva il
pulsante LINK, il valore della
manopola F verrà copiato sulla
manopola R e i due valori saranno
collegati.
CLFE (Low Frequency Effect, Effetti a bassa
frequenza)
Consente di regolare il livello di output del segnale
inviato dal canale di ingresso al bus LFE per un
subwoofer. È possibile utilizzare il pulsante ON/OFF
per attivare o disattivare il segnale inviato dal canale di
ingresso al bus LFE.
La manopola LFE e il pulsante ON/OFF sono
visualizzati solo quando la modalità surround è 5.1ch o
6.1ch.
DGriglia pan surround
Questa griglia consente di controllare il pan surround,
con il punto di ascolto al centro. L'impostazione
corrente è indicata dal simbolo O.
EPulsanti di posizione
Questi pulsanti corrispondono a ciascun bus surround.
Quando si fa clic su un pulsante, il pan surround si
sposterà in quella posizione.
FPulsanti SURROUND BUS ON/OFF
Consentono di attivare/disattivare il segnale inviato dal
canale di ingresso al bus surround corrispondente.
GPosizione pan surround
Indica le posizioni delle coordinate del simbolo O nella
direzione sinistra/destra e anteriore/posteriore.
Schermata SURR PARAM
(Parametri surround)
SURR PARAM
1
2
34
5 6 7

Funzione PAN/ROUTING (PAN/INSTRADAMENTO)
310 PM5D/PM5D-RH V2/DSP5D – Manuale di istruzioni Sezione riferimenti
HSTEREO LINK
Specifica se il movimento dell'immagine audio sarà
collegato tra i due canali riportati nella schermata.
Per collegare il movimento dei due canali, utilizzare i
pulsanti / a sinistra e a destra per selezionare uno
degli otto pattern di collegamento. Per ulteriori
informazioni sul funzionamento di ciascun pattern,
vedere a p. 146.
ISURROUND MODE
Indica la modalità surround correntemente selezionata.
JIndicatori di livello
Indicano i livelli master dei bus surround.
KMIX SEND ASSIGNMENT
Se si seleziona MIX SEND come operazione della
sezione MIX, in questa area vengono indicati i
parametri surround che è possibile utilizzare con il
tasto MIX [ON] e l'encoder MIX del bus surround
corrispondente.
Questa schermata consente di visualizzare le impostazioni
surround per ciascun canale di ingresso. Da questa
schermata è inoltre possibile passare alla schermata SURR
PARAM per il canale desiderato.
AGriglia pan surround
Per ciascun canale di ingresso, la posizione
approssimata di pan surround è indicata dal simbolo
O. Se si fa clic su quest'area, sarà visualizzata la
schermata SURR PARAM per il canale specifico.
BPosizione pan surround
Indica le posizioni delle coordinate del pan surround
nella direzione sinistra/destra (L/R) e anteriore/
posteriore (F/R).
CCanale
Indica il numero e il nome del canale di ingresso.
8 9 J
K
Schermata SURR VIEW
(Vista surround)
SURR VIEW
1
2
3

PM5D/PM5D-RH V2/DSP5D – Manuale di istruzioni Sezione riferimenti 311
Informazioni visua-
lizzate sul display
Menu Function
(Funzioni)
Funzioni
generali
Funzioni
di output
Funzioni
di input
Appendici
Per i due canali di ingresso adiacenti con numerazione
dispari/pari (oppure per i canali ST IN L/R) queste
impostazioni consentono di convertire il segnale a due
canali da microfono MS a segnali L/R.
AManopola S-GAIN
Questa manopola consente di regolare il livello
proporzionale del microfono S in relazione al livello del
microfono M. Il valore corrente viene indicato nella
casella numerica sulla destra.
In posizione MONO, il livello del microfono S sarà –∞,
in posizione STEREO il microfono M e il microfono S
saranno allo stesso livello e in posizione EXP.ST il
livello del microfono S sarà +10 dB.
BM/S DECODE ON/OFF (ATTIVAZ./
DISATTIVAZ DECODIFICA M/S)
Questo pulsante consente di attivare o disattivare la
decodifica M/S per due canali di ingresso adiacenti
con numerazione dispari/pari (oppure per i canali
ST IN L/R). La decodifica M/può essere attivata anche
per i canali non assegnati come coppia stereo.
CCanale
Indica il numero e il nome del canale di ingresso.
Suggerimento
M/S è una tecnica di registrazione stereo nella quale vengono
utilizzati due microfoni; un microfono unidirezionale M (Medio)
e un microfono bidirezionale S (Side, laterale). Il microfono M
cattura il segnale principale e il microfono S il segnale
direzionale. La somma (M+S) e la differenza (M-S) dei due
segnali (procedura chiamata "decodifica") vengono registrate
rispettivamente sui canali L e R.
Funzione INPUT VIEW
(VISTA INPUT)
In questa schermata sono elencati i parametri di missaggio
del canale di ingresso correntemente selezionato. È inoltre
possibile modificare i parametri principali e accedere ad
altre schermate.
ACanale
Indica il numero del canale di ingresso che si sta
modificando. Se il canale di ingresso è accoppiato (o se
è selezionato un canale ST IN), sulla destra viene
visualizzato il simbolo di un cuore. È possibile fare clic
sul simbolo per attivare/disattivare l'accoppiamento del
canale di ingresso.
BHA (Head Amp)
Quest'area indica la porta di ingresso assegnata al
canale di ingresso, l'impostazione dell'head amp
interno (solo modello PM5D-RH) o dell'head amp
esterno e il livello di input. In questa schermata è
inoltre possibile regolare il guadagno dell'head amp e
attivare o disattivare l'alimentazione phantom (+48V).
Schermata M/S
M/S
1
2
3
Schermata CH VIEW (Vista canale)
CH VIEW
2
3
4
5
6
1

Funzione INPUT VIEW (VISTA INPUT)
312 PM5D/PM5D-RH V2/DSP5D – Manuale di istruzioni Sezione riferimenti
CATT (Attenuazione)
In quest'area sono visualizate le impostazioni di
attenuazione e ø (fase) ed è inoltre possibile regolare
l'attenuazione a attivare la fase.
DEQ
Fare riferimento alla spiegazione della schermata CH
VIEW della funzione OUTPUT VIEW (➥ p. 270).
EGATE
In quest'area vengono visualizzati il livello di riduzione
del guadagno e il livello di output del gate, nonché un
mini-grafico che mostra la risposta approssimata del
gate e lo stato di attivazione/disattivazione del gate ed è
inoltre possibile attivare o disattivare il gate. Se si fa clic
sul mini grafico, sarà visualizzata la schermata GATE
PARAM per il canale specifico.
FCOMP (Compressore)
Fare riferimento alla spiegazione della schermata CH
VIEW della funzione OUTPUT VIEW (➥ p. 270).
GDELAY
In quest'area è possibile visualizzare e modificare il
tempo di delay (delay interno) e il relativo stato di
attivazione/disattivazione.
HTO MIX
In quest'area è possibile specificare il livello di
mandata, la posizione di output e lo stato di
attivazione/disattivzione del segnale inviato dal canale
di ingresso corrispondente ai bus MIX 1–24.
Il funzionamento è lo stesso dell'area TO MATRIX
della schermata CH VIEW della funzione OUTPUT
VIEW. Vedere a p. 270.
ITO STEREO
In questa sezione è possibile specificare lo stato di
attivazione/disattivazione, il pan e le impostazioni
FOLLOW PAN del segnale inviato dal canale di
ingresso selezionato al bus STEREO.
JGruppo DCA/gruppo di esclusione
KRecall safe/Mute safe
Fare riferimento alla spiegazione della schermata CH
VIEW della funzione OUTPUT VIEW (➥ p. 271).
LDIRECT
Attiva/disattiva l'output diretto per il canale di ingresso
corrispondente.
MINSERT
Attiva/disattiva l'inserimento per il canale di ingresso
corrispondente.
NSURROUND (Pan surround)
Se è attivata la modalità surround, la posizione di pan
surround del canale di ingresso corrispondente è
indicata dal simbolo O nella griglia pan surround e
anche come posizione delle coordinate anteriore/
posteriore/sinistra/destra. Se si fa clic sulla griglia di
pan surround, sarà visualizzata la schermata SURR
PARAM per il canale specifico.
OLCR
In quest'area è possibile attivare/disattivare la modalità
LCR e regolare il CSR (livello del canale CENTER
relativo ai canali di sinistra e di destra) (➥ p. 267).
PLIBRARY
Questo pulsante consente di accedere alla schermata
INPUT CH LIBRARY (LIBRERIA CANALE DI
INGRESSO) (➥ p. 316), nella quale è possibile
memorizzare/richiamare le impostazioni della libreria
del canale di ingresso.
QIndicatore di livello
Indica il livello di input del canale.
RPunto di rilevamento del segnale
Punto di rilevamento del livello di segnale mostrato nel
relativo indicatore (Q) (PRE ATT, PRE GATE, PRE
FADER, POST FADER o POST ON). È possibile
modificare questa impostazione facendo clic sui
pulsanti / di destra e di sinistra.
SFader
Consente di controllare il livello di input del canale.
TCUE
UON/OFF (Attivazione/disattivazione canale)
Fare riferimento alla spiegazione della schermata CH
VIEW della funzione OUTPUT VIEW (➥ p. 271).
7
9
8
K
J
L
M
N
O
P
Q
R
S
T
U

PM5D/PM5D-RH V2/DSP5D – Manuale di istruzioni Sezione riferimenti 313
Informazioni visua-
lizzate sul display
Menu Function
(Funzioni)
Funzioni
generali
Funzioni
di output
Funzioni
di input
Appendici
In questa schermata viene visualizzato il flusso di segnale
per due canali di ingresso adiacenti con numerazione pari/
dispari o per i canali ST IN ed è inoltre possibile modificare
alcuni parametri e accedere ad altre schermate nonché
stabilire in che punto del flusso il segnale raggiunge la
saturazione.
ACanale
BInsert (Inserisci)
Ad eccezione del fatto che questa schermata è riferita ai
canali di ingresso, il contenuto è lo stesso della
schermata SIGNAL FLOW della funzione OUTPUT
VIEW. Vedere a p. 272.
CDirect out
In quest'area vengono visualizzate le informazioni
sull'output diretto dei due canali selezionati (posizione
del segnale di output, porta assegnata all'output diretto
e stato di attivazione/disattivazione dell'output diretto).
È inoltre possibile selezionare la posizione di output del
segnale (utilizzare i pulsanti / di destra e di sinistra)
o attivare/disattivare l'output diretto (utilizzare il
pulsante ON/OFF).
DIndicatori di livello
Indicano i livelli in vari punti all'interno del flusso di
segnale. I livelli vengono rilevati nelle posizioni
riportate di seguito.
• PRE ATT (subito prima dell'attenuatore)
• EQ (subito prima e dopo l'EQ)
• GATE (subito prima e dopo il gate)
• COMP (subito prima e dopo il compressore)
• FADER (subito prima e dopo il fader)
• POST ON (subito dopo il tasto CH [ON])
• INSERT IN (subito dopo il punto di inserimento)
EFlusso del segnale
Quest'area indica il flusso del segnale del canale
selezionato. Vengono visualizzati i seguenti parametri.
• ATT (Attenuazione)
Specifica la quantità di attenuazione subito dopo la
conversione per il canale corrispondente.
• HPF (High Pass Filter, Filtro passa-alto)
Specifica lo stato di attivazione/disattivazione del filtro
passa-alto e la frequenza di taglio per il canale
corrispondente.
• EQ (Equalizer)
• GATE
• COMP (Compressore)
Queste aree mostrano la risposta approssimata di
equalizzatore, gate e compressore per il canale
corrispondente. In queste schermate è inoltre possibile
attivarli o disattivarli o fare clic su un mini-grafico per
accedere alla schermata dei singoli parametri.
• DELAY
In quest'area è possibile attivare/disattivare il delay
interno e modificare il tempo di delay
• FADER
Indica il livello di input del canale. È collegato
all'encoder o al fader del canale corrispondente.
• ON/OFF (Attivato/disattivato)
Consente di attivare/disattivare il canale. È collegato al
tasto [ON] del canale corrispondente.
• TO STEREO
In questa sezione è possibile specificare lo stato di
attivazione/disattivazione e le impostazioni del pan del
segnale inviato dal canale corrispondente al bus
STEREO. Sono collegati al tasto [TO STEREO] e
all'encoder STEREO [PAN] del canale corrispondente.
Suggerimento
• Se è attivato l'inserimento o l'output diretto, viene indicato il
punto di inserimento corrente o il punto di output diretto
all'interno del flusso di segnale.
• Se si verifica una distorsione del segnale, il flusso (riga
orizzontale) dopo il raggiungimento della saturazione verrà
visualizzato in rosso. Se un'uscita viene disattivata per
arrestare il flusso del segnale, il flusso successivo verrà
visualizzato in grigio. Se PEAK HOLD (MEMORIZZA
PICCO) è attivato, il flusso continuerà ad essere indicato in
rosso anche se la saturazione viene raggiunta una sola
volta, il che rende più semplice la verifica.
Schermata SIGNAL FLOW
(FLUSSO SEGNALE)
SIGNAL FLOW
1 32
4
5

Funzione INPUT VIEW (VISTA INPUT)
314 PM5D/PM5D-RH V2/DSP5D – Manuale di istruzioni Sezione riferimenti
In questa schermata vengono visualizzati lo stato di
attivazione/disattivazione, il livello e lo stato di
monitoraggio del segnale di attivazione dei canali di
ingresso e dei gruppi DCA.
Ad eccezione del fatto che questa schermata è riferita ai
canali di ingresso, ai gruppi DCA e ai canali STEREO A/B,
il contenuto è lo stesso della schermata FADER VIEW della
funzione OUTPUT VIEW. Vedere a p. 273.
In questa schermata è possibile copiare i parametri
desiderati dal canale di ingresso selezionato in un buffer
della memoria e incollare lo stesso tipo di canale (possono
essere selezionate più destinazioni per l'operazione
Incolla).
AJOB SELECT
È possibile selezionare l'operazione Copy o Move.
• COPY (COPIA)
Il canale di origine della copia resta immutato mentre i
relativi parametri verranno copiati in un altro canale.
• MOVE (SPOSTA)
I parametri saranno spostati su un altro canale.
Nota
Quando si esegue un'operazione di spostamento del canale,
anche i canali tra il canale selezionato e il canale di
destinazione dello spostamento si sposteranno in avanti o
all'indietro.
Schermata FADER VIEW
(VISTA FADER)
FADER VIEW
Schermata CH JOB
(PROCESSO CANALE)
CH JOB
CH JOB
1

PM5D/PM5D-RH V2/DSP5D – Manuale di istruzioni Sezione riferimenti 315
Informazioni visua-
lizzate sul display
Menu Function
(Funzioni)
Funzioni
generali
Funzioni
di output
Funzioni
di input
Appendici
BCAPTURE (ACQUISISCI)
Quando si fa clic su questo pulsante, le impostazioni
del canale correntemente selezionato verranno copiate
in un buffer temporaneo della memoria. Se si è
selezionata l'operazione MOVE, questo pulsante sarà
disattivato e la copia non sarà possibile.
Se il canale INPUT corrispondente è accoppiato (o se è
selezionato un canale ST IN o FX RTN), sulla destra
viene visualizzato il simbolo di un cuore.
CBUFFERED CH (Canale nel buffer)
Consente di visualizzare il canale correntemente
copiato nella memoria buffer. Se si è selezionata
l'operazione MOVE, questo pulsante sarà disattivato.
Nota
• La stessa memoria buffer viene utilizzata per copiare le
impostazioni sia per i canali di uscita che per quelli di
ingresso.
• Se le impostazioni del canale di uscita sono state copiate
nella memoria buffer, nella parte sottostante verrà
visualizzato un messaggio "TYPE CONFLICT!"
(CONFLITTO DI TIPI!) e non sarà possibile incollare le
impostazioni in un canale di ingresso.
• Il contenuto della memoria buffer viene cancellato quando
si spegne l'unità PM5D.
DEXECUTE (ESEGUI)
Quando si fa clic su questo pulsante, i parametri
specificati vengono copiati dalla memoria buffer nel
canale di destinazione dell'operazione Incolla
specificato. Se si fa clic su questo pulsante quando si
esegue un'operazione MOVE, i parametri del canale
selezionato saranno spostati nel canale specificato
come destinazione dello spostamento.
Se un canale di uscita viene copiato nella memoria
buffer oppure se non è stata specificata alcuna
destinazione dell'operazione Incolla, il pulsante
diventerà grigio e l'operazione non sarà più
disponibile.
Nota
• Un singolo canale può essere spostato solo se vengono
soddisfatte le due condizioni seguenti.
- Non esistono canali accoppiati tra sorgente e
destinazione dello spostamento.
- Non è stato selezionato un parametro del quale esiste
un'unica occorrenza per due canali adiacenti con
numerazione pari/dispari, come DELAY GANG
(GRUPPO DELAY).
• I canali possono essere spostati solo all'interno delle
seguenti sezioni di canali (su ciascuna macchina)
- Canali INPUT 1–48
- Canali ST IN 1–4
- Canali FX RTN 1-4
EPARAMETER SELECT (SELEZIONE
PARAMETRO)
In quest'area è possibile selezionare i parametri che
verranno incollati. Non è possibile selezionare questa
opzione per l'operazione MOVE. È possibile
selezionare i seguenti parametri.
Se il pulsante SEND è attivato, utilizzare i pulsanti MIX
(1–24) per selezionare il bus MIX di destinazione.
FCH SELECT (Selezione del canale)
In quest'area è possibile selezionare i canali di
destinazione dell'operazione Sposta/Incolla. Come
origine della copia o dello spostamento possono essere
selezionati solo canali dello stesso tipo.
Suggerimento
Se il canale INPUT di origine della copia è accoppiato, il
canale con numerazione dispari verrà copiato nei canali con
numerazione dispari, mentre il canale con numerazione pari
verrà copiato in quelli con numerazione pari.
2
3
6
5
4
7
8
ALL (TUTTI) Tutti i parametri
ATT Impostazioni dell'attenuatore
EQ Impostazioni della funzione EQ
COMP Impostazioni della funzione COMP
DELAY Impostazioni della funzione DELAY
FADER Livello fader
ON Stato di attivazione/disattivazione del tasto
CH [ON]
PAN/BAL Impostazioni pan/bilanciamento
INSERT Stato di attivazione/disattivazione
dell'inserimento e punto di inserimento
SEND
(MANDATA) Livello di mandata al/ai bus MIX
desiderato/i
DCA Gruppo DCA associato
MUTE
(ESCLUSIONE) Gruppo di esclusione associato
LCR Impostazioni schermata LCR
HA Impostazioni della libreria HA
PATCH Impostazioni assegnazione input
NAME Nome canale

Funzione INPUT VIEW (VISTA INPUT)
316 PM5D/PM5D-RH V2/DSP5D – Manuale di istruzioni Sezione riferimenti
GSET ALL
Indica come destinazione dell'operazione Incolla tutti i
canali dello stesso tipo dell'origine della copia. Non è
possibile selezionare questa opzione per l'operazione
MOVE.
HCLEAR ALL
Consente di deselezionare tutti i canali. Non è possibile
selezionare questa opzione per l'operazione MOVE.
In questa schermata è possibile richiamare, memorizzare,
rinominare o eliminare elementi della libreria del canale di
ingresso.
Ad eccezione del fatto che si tratta di impostazioni per i
canali di ingresso, si tratta della stessa schermata CH
LIBRARY della funzione OUTPUT VIEW. Vedere a p. 275.
INPUT CH LIBRARY
(Libreria canale di ingresso)
INPUT CH LIBRARY

PM5D/PM5D-RH V2/DSP5D – Manuale di istruzioni Sezione riferimenti 317
Informazioni visua-
lizzate sul display
Menu Function
(Funzioni)
Funzioni
generali
Funzioni
di output
Funzioni
di input
Appendici
Elenco libreria EQ
Appendici
# Title Parameter
LOW L-MID H-MID HIGH
01 Bass Drum
1
PEAKING PEAKING PEAKING H.SHELF
G+3.5 dB –3.5 dB 0.0 dB +4.0 dB
F100 Hz 265 Hz 1.06 kHz 5.30 kHz
Q1.25 10.0 0.90 —
02 Bass Drum
2
PEAKING PEAKING PEAKING LPF
G+8.0 dB –7.0 dB +6.0 dB ON
F80.0 Hz 400 Hz 2.50 kHz 12.5 kHz
Q1.4 4.5 2.2 —
03 Snare
Drum 1
PEAKING PEAKING PEAKING H.SHELF
G–0.5 dB 0.0 dB +3.0 dB +4.5 dB
F132 Hz 1.00 kHz 3.15 kHz 5.00 kHz
Q1.25 4.5 0.11 —
04 Snare
Drum 2
L.SHELF PEAKING PEAKING PEAKING
G+1.5 dB –8.5 dB +2.5 dB +4.0 dB
F180 Hz 335 Hz 2.36 kHz 4.00 kHz
Q—10.0 0.70 0.10
05 Tom-tom 1
PEAKING PEAKING PEAKING PEAKING
G+2.0 dB –7.5 dB +2.0 dB +1.0 dB
F212 Hz 670 Hz 4.50 kHz 6.30 kHz
Q1.4 10.0 1.25 0.28
06 Cymbal
L.SHELF PEAKING PEAKING H.SHELF
G–2.0 dB 0.0 dB 0.0 dB +3.0 dB
F106 Hz 425 Hz 1.06 kHz 13.2 kHz
Q—8.0 0.90 —
07 High Hat
L.SHELF PEAKING PEAKING H.SHELF
G–4.0 dB –2.5 dB +1.0 dB +0.5 dB
F95 Hz 425 Hz 2.80 kHz 7.50 kHz
Q—0.50 1.0 —
08 Percussion
L.SHELF PEAKING PEAKING H.SHELF
G–4.5 dB 0.0 dB +2.0 dB 0.0 dB
F100 Hz 400 Hz 2.80 kHz 17.0 kHz
Q—4.5 0.56 —
09 E. Bass 1
L.SHELF PEAKING PEAKING H.SHELF
G–7.5 dB +4.5 dB +2.5 dB 0.0 dB
F35.5 Hz 112 Hz 2.00 kHz 4.00 kHz
Q—5.0 4.5 —
10 E. Bass 2
PEAKING PEAKING PEAKING H.SHELF
G+3.0 dB 0.0 dB +2.5 dB +0.5 dB
F112 Hz 112 Hz 2.24 kHz 4.00 kHz
Q0.10 5.0 6.3 —
11 Syn. Bass 1
PEAKING PEAKING PEAKING H.SHELF
G+3.5 dB +8.5 dB 0.0 dB 0.0 dB
F85 Hz 950 Hz 4.00 kHz 12.5 kHz
Q0.10 8.0 4.5 —
12 Syn. Bass 2
PEAKING PEAKING PEAKING H.SHELF
G+2.5 dB 0.0 dB +1.5 dB 0.0 dB
F125 Hz 180 Hz 1.12 kHz 12.5 kHz
Q1.6 8.0 2.2 —
13 Piano 1
L.SHELF PEAKING PEAKING H.SHELF
G–6.0 dB 0.0 dB +2.0 dB +4.0 dB
F95 Hz 950 Hz 3.15 kHz 7.50 kHz
Q—8.0 0.90 —
14 Piano 2
PEAKING PEAKING PEAKING H.SHELF
G+3.5 dB –8.5 dB +1.5 dB +3.0 dB
F224 Hz 600 Hz 3.15 kHz 5.30 kHz
Q5.6 10.0 0.70 —
15 E. G. Clean
PEAKING PEAKING PEAKING H.SHELF
G+2.0 dB –5.5 dB +0.5 dB +2.5 dB
F265 Hz 400 Hz 1.32 kHz 4.50 kHz
Q0.18 10.0 6.3 —
16 E. G.
Crunch 1
PEAKING PEAKING PEAKING PEAKING
G+4.5 dB 0.0 dB +4.0 dB +2.0 dB
F140 Hz 1.00 kHz 1.90 kHz 5.60 kHz
Q8.0 4.5 0.63 9.0
17 E. G.
Crunch 2
PEAKING PEAKING PEAKING H.SHELF
G+2.5 dB +1.5 dB +2.5 dB 0.0 dB
F125 Hz 450 Hz 3.35 kHz 19.0 kHz
Q8.0 0.40 0.16 —
18 E. G. Dist. 1
L.SHELF PEAKING PEAKING H.SHELF
G+5.0 dB 0.0 dB +3.5 dB 0.0 dB
F355 Hz 950 Hz 3.35 kHz 12.5 kHz
Q—9.0 10.0 —
19 E. G. Dist. 2
L.SHELF PEAKING PEAKING H.SHELF
G+6.0 dB –8.5 dB +4.5 dB +4.0 dB
F315 Hz 1.06 kHz 4.25 kHz 12.5 kHz
Q—10.0 4.0 —
20 A. G.
Stroke 1
PEAKING PEAKING PEAKING H.SHELF
G–2.0 dB 0.0 dB +1.0 dB +4.0 dB
F106 Hz 1.00 kHz 1.90 kHz 5.30 kHz
Q0.9 4.5 3.5 —
21 A. G.
Stroke 2
L.SHELF PEAKING PEAKING H.SHELF
G–3.5 dB –2.0 dB 0.0 dB +2.0 dB
F300 Hz 750 Hz 2.00 kHz 3.55 kHz
Q—9.0 4.5 —
22 A. G.
Arpeg. 1
L.SHELF PEAKING PEAKING PEAKING
G–0.5 dB 0.0 dB 0.0 dB +2.0 dB
F224 Hz 1.00 kHz 4.00 kHz 6.70 kHz
Q—4.5 4.5 0.125
23 A. G.
Arpeg. 2
L.SHELF PEAKING PEAKING H.SHELF
G0.0 dB –5.5 dB 0.0 dB +4.0 dB
F180 Hz 355 Hz 4.00 kHz 4.25 kHz
Q—7.0 4.5 —
24 Brass Sec.
PEAKING PEAKING PEAKING PEAKING
G–2.0 dB –1.0 dB +1.5 dB +3.0 dB
F90 Hz 850 Hz 2.12 kHz 4.50 kHz
Q2.8 2.0 0.70 7.0
25 Male Vocal
1
PEAKING PEAKING PEAKING PEAKING
G–0.5 dB 0.0 dB +2.0 dB +3.5 dB
F190 Hz 1.00 kHz 2.00 kHz 6.70 kHz
Q0.11 4.5 0.56 0.11
26 Male Vocal
2
PEAKING PEAKING PEAKING H.SHELF
G+2.0 dB –5.0 dB –2.5 dB +4.0 dB
F170 Hz 236 Hz 2.65 kHz 6.70 kHz
Q0.11 10.0 5.6 —
# Title Parameter
LOW L-MID H-MID HIGH

Elenco libreria GATE
318 PM5D/PM5D-RH V2/DSP5D – Manuale di istruzioni Sezione riferimenti
Elenco libreria GATE
27 Female Vo.
1
PEAKING PEAKING PEAKING PEAKING
G–1.0 dB +1.0 dB +1.5 dB +2.0 dB
F118 Hz 400 Hz 2.65 kHz 6.00 kHz
Q0.18 0.45 0.56 0.14
28 Female Vo.
2
L.SHELF PEAKING PEAKING H.SHELF
G–7.0 dB +1.5 dB +1.5 dB +2.5 dB
F112 Hz 335 Hz 2.00 kHz 6.70 kHz
Q—0.16 0.20 —
29 Chorus &
Harmo
PEAKING PEAKING PEAKING PEAKING
G–2.0 dB –1.0 dB +1.5 dB +3.0 dB
F90.0 Hz 850 Hz 2.12 kHz 4.50 kHz
Q2.8 2.0 0.70 7.0
30 Total EQ 1
PEAKING PEAKING PEAKING H.SHELF
G–0.5 dB 0.0 dB +3.0 dB +6.5 dB
F95.0 Hz 950 Hz 2.12 kHz 16.0 kHz
Q7.0 2.2 5.6 —
31 Total EQ 2
PEAKING PEAKING PEAKING H.SHELF
G+4.0 dB +1.5 dB +2.0 dB +6.0 dB
F95 Hz 750 Hz 1.80 kHz 18.0 kHz
Q7.0 2.8 5.6 —
32 Total EQ 3
L.SHELF PEAKING PEAKING H.SHELF
G+1.5 dB +0.5 dB +2.0 dB +4.0 dB
F67.0 Hz 850 Hz 1.90 kHz 15.0 kHz
Q—0.28 0.70 —
33 Bass Drum
3
PEAKING PEAKING PEAKING PEAKING
G+3.5 dB –10.0 dB +3.5 dB 0.0 dB
F118 Hz 315 Hz 4.25 kHz 20.0 kHz
Q2.0 10.0 0.40 0.40
34 Snare
Drum 3
L.SHELF PEAKING PEAKING PEAKING
G0.0 dB +2.0 dB +3.5 dB 0.0 dB
F224 Hz 560 Hz 4.25 kHz 4.00 kHz
Q—4.5 2.8 0.10
35 Tom-tom 2
L.SHELF PEAKING PEAKING H.SHELF
G–9.0 dB +1.5 dB +2.0 dB 0.0 dB
F90.0 Hz 212 Hz 5.30 kHz 17.0 kHz
Q—4.5 1.25 —
36 Piano 3
PEAKING PEAKING PEAKING H.SHELF
G+4.5 dB –13.0 dB +4.5 dB +2.5 dB
F100 Hz 475 Hz 2.36 kHz 10.0 kHz
Q8.0 10.0 9.0 —
37 Piano Low
PEAKING PEAKING PEAKING H.SHELF
G–5.5 dB +1.5 dB +6.0 dB 0.0 dB
F190 Hz 400 Hz 6.70 kHz 12.5 kHz
Q10.0 6.3 2.2 —
38 Piano High
PEAKING PEAKING PEAKING PEAKING
G–5.5 dB +1.5 dB +5.0 dB +3.0 dB
F190 Hz 400 Hz 6.70 kHz 5.60 kHz
Q10.0 6.3 2.2 0.10
39 Fine-EQ
Cass
L.SHELF PEAKING PEAKING H.SHELF
G–1.5 dB 0.0 dB +1.0 dB +3.0 dB
F75.0 Hz 1.00 kHz 4.00 kHz 12.5 kHz
Q—4.5 1.8 —
40 Narrator
PEAKING PEAKING PEAKING H.SHELF
G–4.0 dB –1.0 dB +2.0 dB 0.0 dB
F106 Hz 710 Hz 2.50 kHz 10.0 kHz
Q4.0 7.0 0.63 —
# Title Parameter
LOW L-MID H-MID HIGH
# Title Type Parameter Value
1 Gate GATE
Threshold (dB) –26
Range (dB) –56
Attack (ms) 0
Hold (ms) 2.56
Decay (ms) 331
2 Ducking DUCKING
Threshold (dB) –19
Range (dB) –22
Attack (ms) 93
Hold (ms) 1.20 S
Decay (ms) 6.32 S
3 A. Dr. BD GATE
Threshold (dB) –11
Range (dB) –53
Attack (ms) 0
Hold (ms) 1.93
Decay (ms) 400
4 A. Dr. SN GATE
Threshold (dB) –8
Range (dB) –23
Attack (ms) 1
Hold (ms) 0.63
Decay (ms) 238

PM5D/PM5D-RH V2/DSP5D – Manuale di istruzioni Sezione riferimenti 319
Informazioni visua-
lizzate sul display
Menu Function
(Funzioni)
Funzioni
generali
Funzioni
di output
Funzioni
di input
Appendici
Elenco libreria compressore
# Title Type Parameter Value
1 Comp COMP
Threshold (dB) –8
Ratio ( :1) 2.5
Attack (ms) 30
Out gain (dB) 0.0
Knee 2
Release (ms) 250
2 Expand EXPAND
Threshold (dB) –23
Ratio ( :1) 1.7
Attack (ms) 1
Out gain (dB) 3.5
Knee 2
Release (ms) 70
3Compander
(H) COMPAND-H
Threshold (dB) –10
Ratio ( :1) 3.5
Attack (ms) 1
Out gain (dB) 0.0
Width (dB) 6
Release (ms) 250
4Compander
(S) COMPAND-S
Threshold (dB) –8
Ratio ( :1) 4
Attack (ms) 25
Out gain (dB) 0.0
Width (dB) 24
Release (ms) 180
5 A. Dr. BD COMP
Threshold (dB) –24
Ratio ( :1) 3
Attack (ms) 9
Out gain (dB) 5.5
Knee 2
Release (ms) 58
6 A. Dr. BD COMPAND-H
Threshold (dB) –11
Ratio ( :1) 3.5
Attack (ms) 1
Out gain (dB) –1.5
Width (dB) 7
Release (ms) 192
7 A. Dr. SN COMP
Threshold (dB) –17
Ratio ( :1) 2.5
Attack (ms) 8
Out gain (dB) 3.5
Knee 2
Release (ms) 12
8 A. Dr. SN EXPAND
Threshold (dB) –23
Ratio ( :1) 2
Attack (ms) 0
Out gain (dB) 0.5
Knee 2
Release (ms) 151
9 A. Dr. SN COMPAND-S
Threshold (dB) –8
Ratio ( :1) 1.7
Attack (ms) 11
Out gain (dB) 0.0
Width (dB) 10
Release (ms) 128
10 A. Dr. Tom EXPAND
Threshold (dB) –20
Ratio ( :1) 2
Attack (ms) 2
Out gain (dB) 5.0
Knee 2
Release (ms) 749
11 A. Dr.
OverTop COMPAND-S
Threshold (dB) –24
Ratio ( :1) 2
Attack (ms) 38
Out gain (dB) –3.5
Width (dB) 54
Release (ms) 842
12 E. B. Finger COMP
Threshold (dB) –12
Ratio ( :1) 2
Attack (ms) 15
Out gain (dB) 4.5
Knee 2
Release (ms) 470
13 E. B. Slap COMP
Threshold (dB) –12
Ratio ( :1) 1.7
Attack (ms) 6
Out gain (dB) 4.0
Knee hard
Release (ms) 133
14 Syn. Bass COMP
Threshold (dB) –10
Ratio ( :1) 3.5
Attack (ms) 9
Out gain (dB) 3.0
Knee hard
Release (ms) 250
15 Piano1 COMP
Threshold (dB) –9
Ratio ( :1) 2.5
Attack (ms) 17
Out gain (dB) 1.0
Knee hard
Release (ms) 238
16 Piano2 COMP
Threshold (dB) –18
Ratio ( :1) 3.5
Attack (ms) 7
Out gain (dB) 6.0
Knee 2
Release (ms) 174
17 E. Guitar COMP
Threshold (dB) –8
Ratio ( :1) 3.5
Attack (ms) 7
Out gain (dB) 2.5
Knee 4
Release (ms) 261
18 A. Guitar COMP
Threshold (dB) –10
Ratio ( :1) 2.5
Attack (ms) 5
Out gain (dB) 1.5
Knee 2
Release (ms) 238
19 Strings1 COMP
Threshold (dB) –11
Ratio ( :1) 2
Attack (ms) 33
Out gain (dB) 1.5
Knee 2
Release (ms) 749
20 Strings2 COMP
Threshold (dB) –12
Ratio ( :1) 1.5
Attack (ms) 93
Out gain (dB) 1.5
Knee 4
Release (ms) 1.35 S
# Title Type Parameter Value

Elenco libreria compressore
320 PM5D/PM5D-RH V2/DSP5D – Manuale di istruzioni Sezione riferimenti
* Quando fs=44.1 kHz
21 Strings3 COMP
Threshold (dB) –17
Ratio ( :1) 1.5
Attack (ms) 76
Out gain (dB) 2.5
Knee 2
Release (ms) 186
22 BrassSection COMP
Threshold (dB) –18
Ratio ( :1) 1.7
Attack (ms) 18
Out gain (dB) 4.0
Knee 1
Release (ms) 226
23 Syn. Pad COMP
Threshold (dB) –13
Ratio ( :1) 2
Attack (ms) 58
Out gain (dB) 2.0
Knee 1
Release (ms) 238
24 SamplingPerc COMPAND-S
Threshold (dB) –18
Ratio ( :1) 1.7
Attack (ms) 8
Out gain (dB) –2.5
Width (dB) 18
Release (ms) 238
25 Sampling BD COMP
Threshold (dB) –14
Ratio ( :1) 2
Attack (ms) 2
Out gain (dB) 3.5
Knee 4
Release (ms) 35
26 Sampling SN COMP
Threshold (dB) –18
Ratio ( :1) 4
Attack (ms) 8
Out gain (dB) 8.0
Knee hard
Release (ms) 354
27 Hip Comp COMPAND-S
Threshold (dB) –23
Ratio ( :1) 20
Attack (ms) 15
Out gain (dB) 0.0
Width (dB) 15
Release (ms) 163
28 Solo Vocal1 COMP
Threshold (dB) –20
Ratio ( :1) 2.5
Attack (ms) 31
Out gain (dB) 2.0
Knee 1
Release (ms) 342
29 Solo Vocal2 COMP
Threshold (dB) –8
Ratio ( :1) 2.5
Attack (ms) 26
Out gain (dB) 1.5
Knee 3
Release (ms) 331
30 Chorus COMP
Threshold (dB) –9
Ratio ( :1) 1.7
Attack (ms) 39
Out gain (dB) 2.5
Knee 2
Release (ms) 226
# Title Type Parameter Value
31 Click Erase EXPAND
Threshold (dB) –33
Ratio ( :1) 2
Attack (ms) 1
Out gain (dB) 2.0
Knee 2
Release (ms) 284
32 Announcer COMPAND-H
Threshold (dB) –14
Ratio ( :1) 2.5
Attack (ms) 1
Out gain (dB) –2.5
Width (dB) 18
Release (ms) 180
33 Limiter1 COMPAND-S
Threshold (dB) –9
Ratio ( :1) 3
Attack (ms) 20
Out gain (dB) –3.0
Width (dB) 90
Release (ms) 3.91 s
34 Limiter2 COMP
Threshold (dB) 0
Ratio ( :1) ∞
Attack (ms) 0
Out gain (dB) 0.0
Knee hard
Release (ms) 319
35 Total Comp1 COMP
Threshold (dB) –18
Ratio ( :1) 3.5
Attack (ms) 94
Out gain (dB) 2.5
Knee hard
Release (ms) 447
36 Total Comp2 COMP
Threshold (dB) –16
Ratio ( :1) 6
Attack (ms) 11
Out gain (dB) 6.0
Knee 1
Release (ms) 180
# Title Type Parameter Value

PM5D/PM5D-RH V2/DSP5D – Manuale di istruzioni Sezione riferimenti 321
Informazioni visua-
lizzate sul display
Menu Function
(Funzioni)
Funzioni
generali
Funzioni
di output
Funzioni
di input
Appendici
Parametri dinamiche
Ciascun canale dispone di una sezione GATE (solo canali di ingresso e canali ST IN) e di una sezione COMP. Nella sezione
Gate sono compresi i tipi Gate e Ducking. Nella sezione Comp sono compresi i tipi Compressor, Expander, Compander Hard
(COMP. (H)) e Compander Soft (COMP. (S)).
❏GATE
Un processore di tipo gate attenua i segnali al di sotto di un livello THRESHOLD (SOGLIA) impostato in base a una quantità
specificata (RANGE, INTERVALLO).
❏DUCKING
Il processore Ducking viene comunemente utilizzato per le applicazioni voice-over in cui il livello della musica di sottofondo
viene ridotto automaticamente quando parla un annunciatore. Quando il segnale sorgente KEY IN supera la soglia specificata,
il livello di output viene attenuato in base alla quantità specificata (RANGE).
Sezione GATE
Parametro Intervallo Descrizione
THRESHOLD (dB) Da –72 a 0 (73 punti) Determina il livello al quale viene applicato l'effetto gate.
RANGE (dB) –∞, da –69 a 0 (71 punti) Determina la quantità di attenuazione quando si chiude il gate.
ATTACK (ms) Da 0 a 120 (121 punti) Determina la rapidità con cui il gate si apre quando il segnale supera il livello di soglia.
HOLD (ms)
44.1 kHz: da 0.02 ms a 2.13 sec
48 kHz: da 0.02 ms a 1.96 sec
88.2 kHz: da 0.01 ms a 1.06 sec
96 kHz: da 0.01 ms a 981 ms (160
punti)
Determina il periodo di tempo in cui il gate resta aperto dopo che il segnale trigger è
sceso sotto il livello di soglia.
DECAY (ms)
44.1 kHz: da 6 ms a 46.0 sec
48 kHz: da 5 ms a 42.3 sec
88.2 kHz: da 3 ms a 23.0 sec
96 kHz: da 3 ms a 21.1 sec (160 punti)
Determina la rapidità con cui il gate si chiude dopo la scadenza del periodo di hold
(attesa). Il valore è espresso come il tempo necessario perché il livello cambi di 6 dB.
Parametro Intervallo Descrizione
THRESHOLD (dB) Da –54 a 0 (55 punti) Determina il livello del segnale di trigger (KEY IN) necessario per attivare il ducking.
RANGE (dB) Da –70 a 0 (71 punti) Determina la quantità di attenuazione quando viene attivato il ducking.
ATTACK (ms) Da 0 a 120 (121 punti) Determina la rapidità di riduzione del livello del segnale una volta attivato il ducking.
HOLD (ms)
44.1 kHz: da 0.02 ms a 2.13 sec
48 kHz: da 0.02 ms a 1.96 sec
88.2 kHz: da 0.01 ms a 1.06 sec
96 kHz: da 0.01 ms a 981 ms (160
punti)
Determina il periodo di tempo in cui il ducking resta attivo dopo che il segnale trigger
è sceso sotto il livello di soglia.
DECAY (ms)
44.1 kHz: da 6 ms a 46.0 sec
48 kHz: da 5 ms a 42.3 sec
88.2 kHz: da 3 ms a 23.0 sec
96 kHz: da 3 ms a 21.1 sec (160 punti)
Determina la rapidità con cui viene ripristinato il guadagno normale del ducker
quando il livello del segnale trigger scende sotto la soglia. Il valore è espresso come il
tempo necessario perché il livello cambi di 6 dB.
Livello di input Time Time
Livello di output
Livello di input
Livello di output
• Caratteristiche I/O • Analisi serie temporale
RANGE
THRESHOLD
THRESHOLD
RANGE
Segnale di input Segnale di output
ATTACK DECAY
HOLD
Livello di input Time Time
Livello di output
Livello di input
Livello di output
• Caratteristiche I/O • Analisi serie temporale
RANGE
THRESHOLD
THRESHOLD
RANGE
Segnale di input Segnale di output
ATTACK DECAY
HOLD

Parametri dinamiche
322 PM5D/PM5D-RH V2/DSP5D – Manuale di istruzioni Sezione riferimenti
❏Compressore (COMP)
Il processore COMP attenua i segnali al di sopra una soglia specificata in base al rapporto (RATIO) specificato. Il processore
COMP può essere inoltre utilizzato come limiter, che, con un rapporto di ∞:1, riduce il livello alla soglia, il che significa che il
livello di output del limiter non supera mai in realtà la soglia.
❏Expander (EXPAND)
L'expander attenua i segnali al di sotto di una soglia specificata in base al rapporto (RATIO) specificato.
Sezione COMP
Parametro Intervallo Descrizione
THRESHOLD (dB) Da –54 a 0 (55 punti) Determina il livello del segnale di input necessario per l'attivazione del compressore.
RATIO 1.0:1, 1.1:1, 1.3:1, 1.5:1, 1.7:1, 2.0:1,
2.5:1, 3.0:1, 3.5:1, 4.0:1, 5.0:1, 6.0:1,
8.0:1, 10:1, 20:1, ∞:1 (16 punti)
Determina la quantità di compressione, ovvero il cambiamento di livello del segnale
di output rispetto al cambiamento di livello del segnale di input.
ATTACK (ms) Da 0 a 120 (121 punti) Determina la rapidità di compressione del segnale una volta attivato il compressore.
RELEASE (ms)
44.1 kHz: da 6 ms a 46,0 sec
48 kHz: da 5 ms a 42.3 sec
88.2 kHz: da 3 ms a 23.0 sec
96 kHz: da 3 ms a 21.1 sec (160 punti)
Determina la rapidità con cui viene ripristinato il guadagno normale del compressore
quando il livello del segnale trigger scende sotto la soglia. Il valore è espresso come il
tempo necessario perché il livello cambi di 6 dB.
OUT GAIN (dB) Da 0 a +18.0 (181 punti) Consente di impostare il livello del segnale di output del compressore.
KNEE Hard, da 1 a 5 (6 punti) Determina la modalità di applicazione della compressione alla soglia. Per le
impostazioni di Knee più alte, la compressione viene applicata gradualmente quando
il segnale supera la soglia specificata, creando un suono più naturale.
Livello di input Time Time
Livello di output
Livello di input
Livello di output
• Analisi serie temporale (RATIO= ∞:1)
RATIO
THRESHOLD
THRESHOLD
Segnale di input Segnale di output
ATTACK RELEASE
• Caratteristiche I/O
(KNEE= hard, OUT GAIN=0.0 dB)
Parametro Intervallo Descrizione
THRESHOLD (dB) Da –54 a 0 (55 punti) Determina il livello del segnale di input necessario per l'attivazione dell'expander.
RATIO 1.0:1, 1.1:1, 1.3:1, 1.5:1, 1.7:1, 2.0:1,
2.5:1, 3.0:1, 3.5:1, 4.0:1, 5.0:1, 6.0:1,
8.0:1, 10:1, 20:1, ∞:1 (16 punti) Consente di determinare la velocità del cambio di pitch.
ATTACK (ms) Da 0 a 120 (121 punti) Determina la rapidità con cui viene ripristinato il guadagno normale dell'expander
quando il livello del segnale trigger supera la soglia.
RELEASE (ms)
44.1 kHz: da 6 ms a 46,0 sec
48 kHz: da 5 ms a 42.3 sec
88.2 kHz: da 3 ms a 23.0 sec
96 kHz: da 3 ms a 21.1 sec (160 punti)
Determina la rapidità con cui viene espanso il segnale quando il livello del segnale
trigger scende sotto la soglia. Il valore è espresso come il tempo necessario perché il
livello cambi di 6 dB.
OUT GAIN (dB) Da 0.0 a 18.0 (181 punti) Consente di impostare il livello del segnale di output dell'expander.
KNEE Hard, da 1 a 5 (6 punti) Determina la modalità di applicazione dell'espansione alla soglia. Per le impostazioni
di Knee più alte, l'espansione viene applicata gradualmente quando il segnale si
abbassa al di sotto della soglia specificata, creando un suono più naturale.
Livello di input Time Time
Livello di output
Livello di input
Livello di output
• Caratteristiche I/O
(KNEE= hard, OUT GAIN= 0.0 dB)
• Analisi serie temporale (RATIO= ∞:1)
RATIO
THRESHOLD
THRESHOLD
Segnale di input Segnale di output
ATTACK RELEASE

PM5D/PM5D-RH V2/DSP5D – Manuale di istruzioni Sezione riferimenti 323
Informazioni visua-
lizzate sul display
Menu Function
(Funzioni)
Funzioni
generali
Funzioni
di output
Funzioni
di input
Appendici
❏COMPANDER HARD (COMP. (H))
❏COMPANDER SOFT (COMP.(S))
I compander hard e soft combinano gli effetti di compressore, expander e limiter.
I compander funzionano in modo diverso ai seguenti livelli:
1 0 dB e superiori . . . . . . . . . . . . . . . . . . . . . .Il compander funziona come limiter.
2 Superamento della soglia . . . . . . . . . . . . .Il compander funziona come compressore.
3 Al di sotto della soglia e dell'ampiezza . .Il compander funziona come expander.
Il compander hard presenta un rapporto di espansione di 5:1, mentre il compander soft presenta un rapporto di espansione
di 1.5:1. L'expander è in pratica disattivato quando l'ampiezza è impostata sul valore massimo. Il compressore presenta
un'impostazione fissa del parametro Knee su 2.
* Il guadagno viene regolato automaticamente in base ai valori di rapporto e di soglia, e può essere aumentato fino a 18 dB.
* Il parametro OUT GAIN consente di compensare la modifica di livello globale causata dai processi di compressione ed
espansione.
Parametro Intervallo Descrizione
THRESHOLD (dB) Da –54 a 0 (55 punti) Determina il livello al quale viene applicata la compressione.
RATIO 1.0:1, 1.1:1, 1.3:1, 1.5:1, 1.7:1, 2.0:1,
2.5:1, 3.0:1, 3.5:1, 4.0:1, 5.0:1, 6.0:1,
8.0:1, 10:1, 20:1, (15 punti) Consente di determinare la quantità di compressione.
ATTACK (ms) Da 0 a 120 (121 punti) Determina la rapidità di compressione o espansione del segnale una volta attivato il
compander.
RELEASE (ms)
44.1 kHz: da 6 ms a 46.0 sec
48 kHz: da 5 ms a 42.3 sec
88.2 kHz: da 3 ms a 23.0 sec
96 kHz: da 3 ms a 21.1 sec (160 punti)
Determina la rapidità con cui viene ripristinato il guadagno normale del compressore
o dell'expander quando il livello del segnale trigger scende al di sotto della soglia o la
supera. Il valore è espresso come il tempo necessario perché il livello cambi di 6 dB.
OUT GAIN (dB) Da –18 a 0.0 (181 punti) Consente di impostare il livello del segnale di output del compander.
WIDTH (dB) Da 1 a 90 (90 punti) Determina quanto al di sotto della soglia verrà applicata l'espansione. L'expander
viene attivato quando il livello si abbassa al di sotto della soglia e dell'ampiezza.
0dB Livello di input
Livello di output
THRESHOLD
AMPIEZZA

Elenco libreria effetti
324 PM5D/PM5D-RH V2/DSP5D – Manuale di istruzioni Sezione riferimenti
Elenco libreria effetti
Di seguito è riportato un elenco degli effetti integrati.
N. Titolo Tipo Descrizione
001 Reverb Hall REVERB HALL Simulazione di riverbero di
una sala da concerti con
gate
002 Reverb Room REVERB ROOM Simulazione di riverbero di
una stanza con gate
003 Reverb Stage REVERB STAGE Riverbero progettato per
voci, con gate
004 Reverb Plate REVERB PLATE Simulazione di riverbero
prodotto da una lastra con
gate
005 Early Ref. EARLY REF. Riflessioni iniziali con
successivo riverbero
006 Gate Reverb GATE REVERB Riflessioni iniziali con gate
007 Reverse Gate REVERSE GATE Riflessioni iniziali con gate
inverso
008 Mono Delay MONO DELAY Delay mono semplice
009 Stereo Delay STEREO DELAY Delay stereo semplice
010 Mod.Delay MOD.DELAY Delay ripetuto semplice con
modulazione
011 Delay LCR DELAY LCR Delay 3-tap (sinistra, centro,
destra)
012 Echo ECHO Delay stereo con feedback
incrociato sinistra/destra
013 Chorus CHORUS Coro
014 Flange FLANGE Flanger
015 Symphonic SYMPHONIC
Effetto di proprietà Yamaha
che produce una
modulazione più ricca e
complessa rispetto al
normale effetto chorus
016 Phaser PHASER Shifter di fase stereo a 16
fasi
017 Auto Pan AUTO PAN Panner automatico
018 Tremolo TREMOLO Tremolo
019 HQ. Pitch HQ.PITCH Shifter di pitch mono,
produce risultati stabili
020 Dual Pitch DUAL PITCH Shifter di pitch stereo
021 Rotary ROTARY Simulazione di altoparlante
rotante
022 Ring Mod. RING MOD. Modulatore ring
023 Mod.Filter MOD.FILTER Filtro di modulazione
024 Distortion DISTORTION Distorsione
025 Amp Simulate AMP SIMULATE Simulatore di amplificatore
per chitarra
026 Dyna.Filter DYNA.FILTER Filtro controllato in modo
dinamico
027 Dyna.Flange DYNA.FLANGE Flanger controllato in modo
dinamico
028 Dyna.Phaser DYNA.PHASER Shifter di fase controllato in
modo dinamico
029 Rev+Chorus REV+CHORUS Riverbero e chorus in
parallelo
030 Rev→Chorus REV→CHORUS Riverbero e chorus in serie
031 Rev+Flange REV+FLANGE Riverbero e flanger in
parallelo
032 Rev→Flange REV→FLANGE Riverbero e flanger in serie
033 Rev+Sympho. REV+SYMPHO. Riverbero e sinfonico in
parallelo
034 Rev→Sympho. REV→SYMPHO. Riverbero e sinfonico in serie
035 Rev→Pan REV→PAN Riverbero e pan automatico
in serie
036 Delay+Er. DELAY+ER. Delay e riflessioni iniziali in
parallelo
037 Delay+Er. DELAY→ER. Delay e riflessioni iniziali in
serie
038 Delay+Rev DELAY+REV Delay e riverbero in
parallelo
039 Delay→Rev DELAY→REV Delay e riverbero in serie
040 Dist→Delay DIST→DELAY Distorsione e delay in serie
041 Multi.Filter MULTI.FILTER Filtro parallelo a tre bande
(24 dB/ottava).
042 Freeze FREEZE Campionatore semplice
043 Stereo Reverb ST REVERB Riverbero stereo
044 M.Band Dyna. M.BAND DYNA. Processore di dinamiche
multi-banda
045 M.Band Comp M.BAND COMP Compressore multi-banda
046 REV-X Hall REV-X HALL
Nuovo algoritmo di
riverbero che offre un
riverbero denso e ricco, un
decay morbido e offre
un'ampiezza e una
profondità che potenziano
il suono originale. È
possibile scegliere tra tre
tipi, a seconda della
posizione e delle esigenze;
REV-X HALL, REV-X
ROOM e REV-X PLATE.
047 REV-X Room REV-X ROOM
048 REV-X Plate REV-X PLATE
049 Comp276 COMP276
Questo compressore emula
le caratteristiche di un
compressore analogo, che è
diventato un classico assai
ricercato negli studi di
registrazione.
050 Comp276S COMP276S Si tratta di un modello
stereo del COMP276.
051 Comp260 COMP260
Questo compressore emula
le caratteristiche di un
compressore/limiter della
fine degli anni 70, che è
diventato un classico assai
ricercato negli studi di
registrazione dal vivo.
052 Comp260S COMP260S Si tratta di un modello
stereo del COMP260.
053 Equalizer601 EQUALIZER601
Questo equalizzatore emula
le caratteristiche di un
equalizzatore analogo degli
anni 70. Può essere
utilizzato per ottenere un
senso di movimento.
054 OpenDeck OPENDECK
È un effetto di saturazione
nastro che emula la
compressione nastro
prodotta da due registratori
a nastro a bobina aperta:
una piastra di registrazione
e una piastra di
riproduzione.
055 De-Esser DE-ESSER
Rileva e comprime solo le
consonanti ad alta
frequenza come le sibilanti
di una voce.
N. Titolo Tipo Descrizione

PM5D/PM5D-RH V2/DSP5D – Manuale di istruzioni Sezione riferimenti 325
Informazioni visua-
lizzate sul display
Menu Function
(Funzioni)
Funzioni
generali
Funzioni
di output
Funzioni
di input
Appendici
Parametri degli effetti
❏REVERB HALL, REVERB ROOM, REVERB
STAGE, REVERB PLATE
Simulazioni di riverbero in una sala da concerto, in una
stanza, su un palco e di una piastra a un input e due
output, tutte con gate.
❏EARLY REF.
Riflessioni iniziali a un input e due output.
❏GATE REVERB, REVERSE GATE
Riflessioni iniziali a un input e due output con gate e
riflessioni iniziali con reverse gate.
❏MONO DELAY
Delay ripetuto di base a un input e un output.
❏STEREO DELAY
Delay stereo di base a due input e due output.
Parametro Intervallo Descrizione
REV TIME Da 0.3 a 99.0 s Tempo di riverbero
INI. DLY Da 0.05 a 500.0 ms Delay iniziale prima
dell'avvio del riverbero
HI. RATIO 0.1–1.0 Rapporto del tempo di
riverbero ad alta frequenza
LO. RATIO 0.1–2.4 Rapporto del tempo di
riverbero a bassa frequenza
DIFF. 0–10 Diffusione del riverbero
(diffusione da sinistra a
destra)
DENSITY 0–100% Densità del riverbero
E/R DLY Da 0.0 a 100.0 ms Delay tra riflessioni iniziali e
riverbero
E/R BAL. 0–100%
Bilanciamento tra riflessioni
iniziali e riverbero
(0% = tutto riverbero,
100% = tutte riflessioni
iniziali)
HPF THRU, 21.2 Hz –
8.00 kHz Frequenza di taglio del filtro
passa-alto
LPF 50,0 Hz - 16,0 kHz, THRU Frequenza di taglio del filtro
passa-basso
GATE LVL OFF, da -60 a 0 dB Livello a cui il gate entra in
azione
ATTACK 0 - 120 ms Velocità di apertura del gate
HOLD *1
*1. 0.02 ms – 2.13 s (fs=44.1 kHz), 0.02 ms – 1.96 s (fs=48 kHz),
0.01 ms – 1.06 s (fs=88.2 kHz), 0.01 ms – 981 ms (fs=96 kHz)
Tempo di apertura del gate
DECAY *2
*2. 6.0 ms – 46.0 s (fs=44.1 kHz), 5.0 ms – 42.3 s (fs=48 kHz)
3 ms – 23.0 s (fs=88.2 kHz), 3 ms – 21.1 s (fs=96 kHz)
Velocità di chiusura del gate
Parametro Intervallo Descrizione
TYPE S-Hall, L-Hall, Random,
Revers, Plate, Spring Tipo di simulazione delle
riflessioni iniziali
ROOMSIZE 0.1–20.0 Spaziatura delle riflessioni
LIVENESS 0–10 Caratteristiche di decay
delle riflessioni iniziali (0 =
assenza, 10 = presenza)
INI. DLY Da 0.05 a 500.0 ms Delay iniziale prima
dell'avvio del riverbero
DIFF. 0–10 Diffusione della riflessione
(riflessione da sinistra a
destra)
DENSITY 0–100% Densità della riflessione
ER NUM. 1–19 Numero di riflessioni iniziali
FB GAIN Da -99 a +99% Guadagno di feedback
HI. RATIO 0.1–1.0 Rapporto del feedback in
alta frequenza
HPF THRU, 21.2 Hz –
8.00 kHz Frequenza di taglio del filtro
passa-alto
LPF 50.0 Hz – 16.0 kHz,
THRU Frequenza di taglio del filtro
passa-basso
Parametro Intervallo Descrizione
TYPE Tipo A, tipo B Tipo di simulazione delle riflessioni
iniziali
ROOMSIZE 0.1–20.0 Spaziatura delle riflessioni
LIVENESS 0–10 Caratteristiche di decay delle
riflessioni iniziali (0 = assenza,
10 = presenza)
INI. DLY Da 0.05
a 500.0 ms Delay iniziale prima dell'avvio del
riverbero
DIFF. 0–10 Diffusione della riflessione
(riflessione da sinistra a destra)
DENSITY 0–100% Densità della riflessione
HI. RATIO 0.1–1.0 Rapporto del feedback in alta
frequenza
ER NUM. 1–19 Numero di riflessioni iniziali
FB GAIN Da -99 a +99% Guadagno di feedback
HPF THRU, 21.2 Hz –
8.00 kHz Frequenza di taglio del filtro
passa-alto
LPF 50.0 Hz –
16.0 kHz, THRU Frequenza di taglio del filtro
passa-basso
Parametro Intervallo Descrizione
DELAY
Da 0.0 a 2730.0 ms
Tempo di delay
FB. GAIN Da -99 a +99%
Guadagno di feedback (valori
positivi per il feedback della fase
normale, valori negativi per il
feedback della fase inversa)
HI. RATIO 0.1–1.0 Rapporto del feedback in alta
frequenza
HPF THRU, 21.2 Hz –
8.00 kHz Frequenza di taglio del filtro
passa-alto
LPF 50.0 Hz – 16.0 kHz,
THRU Frequenza di taglio del filtro
passa-basso
SYNC OFF/ON Attivazione/disattivazione
sincronia parametro tempo
NOTE *1
*1.
(il valore massimo dipende dall'impostazione del tempo)
Utilizzato insieme a TEMPO per
determinare il DELAY
Parametro Intervallo Descrizione
DELAY L
Da 0.0 a 1350.0 ms
Tempo di delay del canale sinistro
DELAY R
Da 0.0 a 1350.0 ms
Tempo di delay del canale destro
FB. G L Da -99 a +99%
Feedback del canale sinistro (valori
positivi per il feedback della fase
normale, valori negativi per il
feedback della fase inversa)
FB. G R Da -99 a +99%
Feedback del canale destro (valori
positivi per il feedback della fase
normale, valori negativi per il
feedback della fase inversa)
HI. RATIO 0.1–1.0 Rapporto del feedback in alta
frequenza
HPF THRU, 21.2 Hz –
8.00 kHz Frequenza di taglio del filtro
passa-alto
LPF 50.0 Hz – 16.0 kHz,
THRU Frequenza di taglio del filtro
passa-basso
SYNC OFF/ON Attivazione/disattivazione
sincronia parametro tempo
NOTE L *1
*1.
(il valore massimo dipende dall'impostazione del tempo)
Utilizzato insieme a TEMPO per
determinare il DELAY del canale
sinistro
NOTE R 1 Utilizzato insieme a TEMPO per
determinare il DELAY del canale
destro

Parametri degli effetti
326 PM5D/PM5D-RH V2/DSP5D – Manuale di istruzioni Sezione riferimenti
❏MOD. DELAY
Delay ripetuto di base con modulazione a un input e due
output.
❏DELAY LCR
Delay a tre uscite (sinistra, centro, destra) a un input e due
output.
❏ECHO
Delay stereo con loop di feedback incrociato a due input e
due output.
❏CHORUS
Effetto chorus a due input e due output.
Parametro Intervallo Descrizione
DELAY Da 0.0
a 2725.0 ms Tempo di delay
FB. GAIN Da -99 a +99%
Guadagno di feedback (valori
positivi per il feedback della fase
normale, valori negativi per il
feedback della fase inversa)
HI. RATIO 0.1–1.0 Rapporto del feedback in alta
frequenza
FREQ. Da 0.05
a 40.00 Hz Velocità di modulazione
DEPTH 0–100% Profondità di modulazione
WAVE Sinusoidale/
triangolare Waveform della modulazione
HPF THRU, 21.2 Hz –
8.00 kHz Frequenza di taglio del filtro
passa-alto
LPF 50.0 Hz –
16.0 kHz, THRU Frequenza di taglio del filtro
passa-basso
SYNC OFF/ON Attivazione/disattivazione
sincronia parametro tempo
DLY.NOTE *1
*1.
(il valore massimo dipende dall'impostazione del tempo)
Utilizzato insieme a TEMPO per
determinare il DELAY
MOD.NOTE *2
*2.
Utilizzato insieme a TEMPO per
determinare la FREQ.
Parametro Intervallo Descrizione
DELAY L Da 0.0
a 2730.0 ms Tempo di delay del canale sinistro
DELAY C Da 0.0
a 2730.0 ms Tempo di delay del canale centrale
DELAY R Da 0.0
a 2730.0 ms Tempo di delay del canale destro
FB. DLY Da 0.0
a 2730.0 ms Tempo di delay con feedback
LEVEL L Da -100 a +100% Livello di delay del canale sinistro
LEVEL C Da -100 a +100% Livello di delay del canale centrale
LEVEL R Da -100 a +100% Livello di delay del canale destro
FB. GAIN Da -99 a +99%
Guadagno di feedback (valori
positivi per il feedback della fase
normale, valori negativi per il
feedback della fase inversa)
HI. RATIO 0.1–1.0 Rapporto del feedback in alta
frequenza
HPF THRU, 21.2 Hz –
8.00 kHz Frequenza di taglio del filtro
passa-alto
LPF 50.0 Hz –
16.0 kHz, THRU Frequenza di taglio del filtro
passa-basso
SYNC OFF/ON Attivazione/disattivazione
sincronia parametro tempo
NOTE L *1
*1.
(il valore massimo dipende dall'impostazione del tempo)
Utilizzato insieme a TEMPO per
determinare il DELAY L
NOTE C 1Utilizzato insieme a TEMPO per
determinare il DELAY C
NOTE R 1Utilizzato insieme a TEMPO per
determinare il DELAY R
NOTE FB 1Utilizzato insieme a TEMPO per
determinare l'FB DLY
Parametro Intervallo Descrizione
DELAY L Da 0.0
a 1350.0 ms Tempo di delay del canale sinistro
DELAY R Da 0.0
a 1350.0 ms Tempo di delay del canale destro
FB.DLY L Da 0.0
a 1350.0 ms Tempo di delay con feedback del
canale sinistro
FB.DLY R Da 0.0
a 1350.0 ms Tempo di delay con feedback del
canale destro
FB. G L Da -99 a +99%
Guadagno di feedback del canale
sinistro (valori positivi per il
feedback della fase normale, valori
negativi per il feedback della fase
inversa)
FB. G R Da -99 a +99%
Guadagno di feedback del canale
destro (valori positivi per il
feedback della fase normale, valori
negativi per il feedback della fase
inversa)
L→R FBG Da -99 a +99%
Guadagno di feedback dei canali
da sinistra a destra (valori positivi
per il feedback della fase normale,
valori negativi per il feedback della
fase inversa)
R→L FBG Da -99 a +99%
Guadagno di feedback dei canali
da destra a sinistra (valori positivi
per il feedback della fase normale,
valori negativi per il feedback della
fase inversa)
HI. RATIO 0.1–1.0 Rapporto del feedback in alta
frequenza
HPF THRU, 21.2 Hz –
8.00 kHz Frequenza di taglio del filtro
passa-alto
LPF 50.0 Hz –
16.0 kHz, THRU Frequenza di taglio del filtro
passa-basso
SYNC OFF/ON Attivazione/disattivazione
sincronia parametro tempo
NOTE L *1
*1.
(il valore massimo dipende dall'impostazione del tempo)
Utilizzato insieme a TEMPO per
determinare il DELAY L
NOTE R 1Utilizzato insieme a TEMPO per
determinare il DELAY R
NOTE FBL 1Utilizzato insieme a TEMPO per
determinare l'FB D L
NOTE FBR 1Utilizzato insieme a TEMPO per
determinare l'FB D R
Parametro Intervallo Descrizione
FREQ. Da 0.05 a 40.00 Hz Velocità di modulazione
AM DEPTH 0–100% Profondità modulazione
dell'ampiezza
PM DEPTH 0–100% Profondità di modulazione del
pitch
MOD. DLY Da 0.05 a 500.0
ms Tempo di delay della modulazione
WAVE Sinusoidale,
triangolare Waveform della modulazione
LSH F Da 21.2 Hz
a 8.00 kHz Frequenza del filtro shelving basso
LSH G –12.0 - +12.0 dB Guadagno del filtro shelving basso
EQ F 100 Hz – 8.00 kHz Frequenza EQ (tipo peaking)
EQ G –12.0 - +12.0 dB Guadagno EQ (tipo peaking)
EQ Q 10.0–0.10 Larghezza di banda EQ (tipo
peaking)
HSH F 50.0 Hz – 16.0 kHz Frequenza del filtro shelving alto
HSH G –12.0 a +12.0 dB Guadagno del filtro shelving alto
SYNC OFF/ON Attivazione/disattivazione
sincronia parametro tempo
NOTE *1
*1.
Utilizzato insieme a TEMPO per
determinare la FREQ.

PM5D/PM5D-RH V2/DSP5D – Manuale di istruzioni Sezione riferimenti 327
Informazioni visua-
lizzate sul display
Menu Function
(Funzioni)
Funzioni
generali
Funzioni
di output
Funzioni
di input
Appendici
❏FLANGE
Effetto flange a due input e due output.
❏SYMPHONIC
Effetto sinfonico a due input e due output.
❏PHASER
Phaser con 16 stadi a due input e due output.
❏AUTOPAN
Autopanner a due input e due output.
❏TREMOLO
Effetto tremolo a due input e due output.
❏HQ. PITCH
Cambio di pitch di alta qualità, a due input e due output.
Parametro Intervallo Descrizione
FREQ. Da 0.05 a 40.00 Hz Velocità di modulazione
DEPTH 0–100% Profondità di modulazione
MOD. DLY Da 0.05
a 500.0 ms Tempo di delay della modulazione
FB. GAIN Da -99 a +99%
Guadagno di feedback (valori
positivi per il feedback della fase
normale, valori negativi per il
feedback della fase inversa)
WAVE Sinusoidale,
triangolare Waveform della modulazione
LSH F Da 21.2 Hz
a 8.00 kHz Frequenza del filtro shelving basso
LSH G –12.0 - +12.0 dB Guadagno del filtro shelving basso
EQ F 100 Hz – 8.00 kHz Frequenza EQ (tipo peaking)
EQ G –12.0 - +12.0 dB Guadagno EQ (tipo peaking)
EQ Q 10.0–0.10 Larghezza di banda EQ (tipo
peaking)
HSH F 50.0 Hz – 16.0 kHz Frequenza del filtro shelving alto
HSH G –12.0 - +12.0 dB Guadagno del filtro shelving alto
SYNC OFF/ON Attivazione/disattivazione
sincronia parametro tempo
NOTE *1
*1.
Utilizzato insieme a TEMPO per
determinare la FREQ.
Parametro Intervallo Descrizione
FREQ. Da 0.05 a 40.00 Hz Velocità di modulazione
DEPTH 0–100% Profondità di modulazione
MOD. DLY Da 0.05
a 500.0 ms Tempo di delay della modulazione
WAVE Sinusoidale,
triangolare Waveform della modulazione
LSH F Da 21.2 Hz
a 8.00 kHz Frequenza del filtro shelving basso
LSH G –12.0 - +12.0 dB Guadagno del filtro shelving basso
EQ F 100 Hz – 8.00 kHz Frequenza EQ (tipo peaking)
EQ G –12.0 - +12.0 dB Guadagno EQ (tipo peaking)
EQ Q 10.0–0.10 Larghezza di banda EQ (tipo
peaking)
HSH F 50.0 Hz – 16.0 kHz Frequenza del filtro shelving alto
HSH G –12.0 - +12.0 dB Guadagno del filtro shelving alto
SYNC OFF/ON Attivazione/disattivazione
sincronia parametro tempo
NOTE *1
*1.
Utilizzato insieme a TEMPO per
determinare la FREQ.
Parametro Intervallo Descrizione
FREQ. Da 0.05 a 40.00 Hz Velocità di modulazione
DEPTH 0–100% Profondità di modulazione
FB. GAIN Da -99 a +99%
Guadagno di feedback (valori
positivi per il feedback della fase
normale, valori negativi per il
feedback della fase inversa)
OFFSET 0–100 Offset delle frequenze con
cambiamento di fase più basse
PHASE 0.00 –
354.38 gradi Bilanciamento tra le fasi della
modulazione sinistra e destra
STAGE 2, 4, 6, 8, 10, 12,
14, 16 Numero di stadi del cambiamento
di fase
LSH F Da 21.2 Hz
a 8.00 kHz Frequenza del filtro shelving basso
LSH G –12.0 - +12.0 dB Guadagno del filtro shelving basso
HSH F 50.0 Hz – 16.0 kHz Frequenza del filtro shelving alto
HSH G –12.0 - +12.0 dB Guadagno del filtro shelving alto
SYNC OFF/ON Attivazione/disattivazione
sincronia parametro tempo
NOTE *1
*1.
Utilizzato insieme a TEMPO per
determinare la FREQ.
Parametro Intervallo Descrizione
FREQ. Da 0.05 a 40.00 Hz Velocità di modulazione
DEPTH 0–100% Profondità di modulazione
DIR. *1
*1. L↔R, L→R, L←R, Turn L, Turn R
Direzione del panning
WAVE Sinusoidale,
triangolare,
quadrata Waveform della modulazione
LSH F Da 21.2 Hz
a 8.00 kHz Frequenza del filtro shelving basso
LSH G –12.0 - +12.0 dB Guadagno del filtro shelving basso
EQ F 100 Hz – 8.00 kHz Frequenza EQ (tipo peaking)
EQ G –12.0 - +12.0 dB Guadagno EQ (tipo peaking)
EQ Q 10.0–0.10 Larghezza di banda EQ (tipo
peaking)
HSH F 50.0 Hz – 16.0 kHz Frequenza del filtro shelving alto
HSH G –12.0 - +12.0 dB Guadagno del filtro shelving alto
SYNC OFF/ON Attivazione/disattivazione
sincronia parametro tempo
NOTE *2
*2.
Utilizzato insieme a TEMPO per
determinare la FREQ.
Parametro Intervallo Descrizione
FREQ. Da 0.05 a 40.00 Hz Velocità di modulazione
DEPTH 0–100% Profondità di modulazione
WAVE Sinusoidale,
triangolare,
quadrata Waveform della modulazione
LSH F Da 21.2 Hz
a 8.00 kHz Frequenza del filtro shelving basso
LSH G –12.0 - +12.0 dB Guadagno del filtro shelving basso
EQ F 100 Hz – 8.00 kHz Frequenza EQ (tipo peaking)
EQ G –12.0 - +12.0 dB Guadagno EQ (tipo peaking)
EQ Q 10.0–0.10 Larghezza di banda EQ (tipo
peaking)
HSH F 50.0 Hz – 16.0 kHz Frequenza del filtro shelving alto
HSH G –12.0 - +12.0 dB Guadagno del filtro shelving alto
SYNC OFF/ON Attivazione/disattivazione
sincronia parametro tempo
NOTE *1
*1.
Utilizzato insieme a TEMPO per
determinare la FREQ.
Parametro Intervallo Descrizione
PITCH Da -12 a +12 semitoni Cambio di pitch
FINE Da –50
a +50 centesimi Accordatura fine cambio pitch
DELAY Da 0.0 a 1000.0 ms Tempo di delay
FB. GAIN Da -99 a +99%
Guadagno di feedback (valori
positivi per il feedback della fase
normale, valori negativi per il
feedback della fase inversa)
MODE 1–10 Precisione del cambio di pitch
SYNC OFF/ON Attivazione/disattivazione
sincronia parametro tempo
NOTE *1
*1.
(il valore massimo dipende dall'impostazione del tempo)
Utilizzato insieme a TEMPO per
determinare il DELAY

Parametri degli effetti
328 PM5D/PM5D-RH V2/DSP5D – Manuale di istruzioni Sezione riferimenti
❏DUAL PITCH
Cambio di pitch a due input e due output.
❏ROTARY
Simulatore altoparlante rotante a un input e due output.
❏RING MOD.
Modulatore ring a due input e due output.
❏MOD. FILTER
Filtro di modulazione a due input e due output.
❏DISTORTION
Effetto distorsione a due input e due output.
❏AMP SIMULATE
Simulatore amplificatore chitarra a un input e due output.
❏DYNA. FILTER
Filtro controllato in modo dinamico a due input e due
output.
Parametro Intervallo Descrizione
PITCH 1 Da -24 a +24 semitoni Cambio pitch canale n. 1
FINE 1 Da –50
a +50 centesimi Accordatura fine cambio pitch
canale n. 1
LEVEL 1 Da -100 a +100%
Livello canale n. 1 (valori
positivi per la fase normale,
valori negativi per la fase
inversa)
PAN 1 Da L63 a R63 Pan canale n. 1
DELAY 1 Da 0.0 a 1000.0 ms Tempo di delay canale n. 1
FB. G 1 Da -99 a +99%
Guadagno di feedback del
canale n. 1 (valori positivi per il
feedback della fase normale,
valori negativi per il feedback
della fase inversa)
PITCH 2 Da -24 a +24 semitoni Cambio pitch canale n. 2
FINE 2 Da –50 a +50
centesimi Accordatura fine cambio pitch
canale n. 2
LEVEL 2 Da -100 a +100%
Livello canale n. 2 (valori
positivi per la fase normale,
valori negativi per la fase
inversa)
PAN 2 Da L63 a R63 Pan canale n. 2
DELAY 2 Da 0.0 a 1000.0 ms Tempo di delay canale n. 2
FB. G 2 Da -99 a +99%
Guadagno di feedback del
canale n. 2 (valori positivi per il
feedback della fase normale,
valori negativi per il feedback
della fase inversa)
MODE 1–10 Precisione del cambio di pitch
SYNC OFF/ON Attivazione/disattivazione
sincronia parametro tempo
NOTE 1 *1
*1.
(il valore massimo dipende dall'impostazione del tempo)
Utilizzato insieme a TEMPO
per determinare il delay del
canale 1
NOTE 2 1Utilizzato insieme a TEMPO
per determinare il delay del
canale 2
Parametro Intervallo Descrizione
ROTATE STOP, START Arresto, avvio rotazione
SPEED SLOW, FAST Velocità di rotazione (vedere i
parametri SLOW e FAST)
SLOW Da 0.05 a 10.00 Hz Velocità di rotazione SLOW
FAST Da 0.05 a 10.00 Hz Velocità di rotazione FAST
DRIVE 0–100 Livello di overdrive
ACCEL 0–10 Accelerazione in base alle
variazioni di velocità
LOW 0–100 Filtro a bassa frequenza
HIGH 0–100 Filtro ad alta frequenza
Parametro Intervallo Descrizione
SOURCE OSC, SELF Sorgente di modulazione:
oscillatore o segnale di input
OSC FREQ Da 0.0 a 5000.0 Hz Frequenza dell'oscillatore
FM FREQ. Da 0.05 a 40.00 Hz Velocità di modulazione della
frequenza dell'oscillatore
FM DEPTH 0–100% Profondità della modulazione della
frequenza dell'oscillatore
SYNC OFF/ON Attivazione/disattivazione
sincronia parametro tempo
NOTE FM *1
*1.
Utilizzato insieme a TEMPO per
determinare la FREQ FM.
Parametro Intervallo Descrizione
FREQ. Da 0.05 a 40.00 Hz Velocità di modulazione
DEPTH 0–100% Profondità di modulazione
PHASE 0.00 – 354.38 gradi
Differenza tra le fasi della
modulazione del canale sinistro
e della modulazione del canale
destro
TYPE LPF, HPF, BPF Tipo di filtro: passa-basso,
passa-alto, passa banda
OFFSET 0–100 Offset della frequenza del filtro
RESO. 0–20 Risonanza del filtro
LEVEL 0–100 Livello di output
SYNC OFF/ON Attivazione/disattivazione
sincronia parametro tempo
NOTE *1
*1.
Utilizzato insieme a TEMPO per
determinare la FREQ.
Parametro Intervallo Descrizione
DST TYPE DST1, DST2, OVD1,
OVD2, CRUNCH Tipo di distorsione (DST =
distorsione, OVD = overdrive)
DRIVE 0–100 Intensità della distorsione
MASTER 0–100 Volume master
TONE Da -10 a +10 Suono
N. GATE 0–20 Riduzione dei disturbi
Parametro Intervallo Descrizione
AMP TYPE *1
*1. STK-M1, STK-M2, THRASH, MIDBST, CMB-PG, CMB-VR,
CMB-DX, CMB-TW, MINI, FLAT
Tipo di simulazione di
amplificatore per chitarra
DST TYPE DST1, DST2, OVD1,
OVD2, CRUNCH Tipo di distorsione (DST =
distorsione, OVD = overdrive)
DRIVE 0–100 Intensità della distorsione
MASTER 0–100 Volume master
BASS 0–100 Controllo del suono dei bassi
MIDDLE 0–100 Controllo del suono dei medi
TREBLE 0–100 Controllo del suono degli alti
CAB DEP 0–100% Profondità di simulazione della
cassa dell'altoparlante
EQ F 100 – 8.00 kHz Frequenza EQ (tipo peaking)
EQ G Da –12 a +12,0 dB Guadagno EQ (tipo peaking)
EQ Q 10.0–0.10 Larghezza di banda EQ
(tipo peaking)
N. GATE 0–20 Riduzione dei disturbi
Parametro Intervallo Descrizione
SOURCE INPUT, MIDI Sorgente di controllo: segnale di
input o velocità di attivazione delle
note MIDI
SENSE 0–100 Sensibilità
DIR. UP, DOWN Cambiamento della frequenza
verso l'alto o verso il basso
DECAY *1
*1. 6.0 ms – 46.0 s (fs=44.1 kHz), 5.0 ms – 42.3 s (fs=48 kHz)
3 ms – 23.0 s (fs=88.2 kHz), 3 ms – 21.1 s (fs=96 kHz)
Velocità di decay del
cambiamento della frequenza del
filtro
TYPE LPF, HPF, BPF Tipo di filtro
OFFSET 0–100 Offset della frequenza del filtro
RESO. 0–20 Risonanza del filtro
LEVEL 0–100 Livello di output

PM5D/PM5D-RH V2/DSP5D – Manuale di istruzioni Sezione riferimenti 329
Informazioni visua-
lizzate sul display
Menu Function
(Funzioni)
Funzioni
generali
Funzioni
di output
Funzioni
di input
Appendici
❏DYNA. FLANGE
Flanger controllato in modo dinamico a due input e due
output.
❏DYNA. PHASER
Phaser controllato in modo dinamico a due input e due
output.
❏REV+CHORUS
Effetti riverbero e chorus in parallelo a un input e due
output.
❏REV→CHORUS
Effetti riverbero e chorus in serie a un input e due output.
Parametro Intervallo Descrizione
SOURCE INPUT, MIDI Sorgente di controllo: segnale di
input o velocità di attivazione delle
note MIDI
SENSE 0–100 Sensibilità
DIR. UP, DOWN Cambiamento della frequenza
verso l'alto o verso il basso
DECAY *1
*1. 6.0 ms – 46.0 s (fs=44.1 kHz), 5.0 ms – 42.3 s (fs=48 kHz)
3 ms – 23.0 s (fs=88.2 kHz), 3 ms – 21.1 s (fs=96 kHz)
Velocità di decay
OFFSET 0–100 Offset del tempo di delay
FB.GAIN Da -99 a +99%
Guadagno di feedback (valori
positivi per il feedback della fase
normale, valori negativi per il
feedback della fase inversa)
LSH F Da 21.2 Hz
a 8.00 kHz Frequenza del filtro shelving basso
LSH G –12.0 - +12.0 dB Guadagno del filtro shelving basso
EQ F 100 Hz – 8.00 kHz Frequenza EQ (tipo peaking)
EQ G –12.0 - +12.0 dB Guadagno EQ (tipo peaking)
EQ Q 10.0–0.10 Larghezza di banda EQ (tipo
peaking)
HSH F 50.0 Hz – 16.0 kHz Frequenza del filtro shelving alto
HSH G –12.0 - +12.0 dB Guadagno del filtro shelving alto
Parametro Intervallo Descrizione
SOURCE INPUT, MIDI Sorgente di controllo: segnale di
input o velocità di attivazione delle
note MIDI
SENSE 0–100 Sensibilità
DIR. UP, DOWN Cambiamento della frequenza
verso l'alto o verso il basso
DECAY *1
*1. 6.0 ms – 46.0 s (fs=44.1 kHz), 5.0 ms – 42.3 s (fs=48 kHz)
3 ms – 23.0 s (fs=88.2 kHz), 3 ms – 21.1 s (fs=96 kHz)
Velocità di decay
OFFSET 0–100 Offset delle frequenze con
cambiamento di fase più basse
FB.GAIN Da -99 a +99%
Guadagno di feedback (valori
positivi per il feedback della fase
normale, valori negativi per il
feedback della fase inversa)
STAGE 2, 4, 6, 8, 10, 12,
14, 16 Numero di stadi del cambiamento
di fase
LSH F Da 21.2 Hz
a 8.00 kHz Frequenza del filtro shelving basso
LSH G –12.0 - +12.0 dB Guadagno del filtro shelving basso
HSH F 50.0 Hz – 16.0 kHz Frequenza del filtro shelving alto
HSH G –12.0 - +12.0 dB Guadagno del filtro shelving alto
Parametro Intervallo Descrizione
REV TIME Da 0.3 a 99.0 s Tempo di riverbero
INI. DLY Da 0.05
a 500.0 ms Delay iniziale prima dell'avvio del
riverbero
HI. RATIO 0.1–1.0 Rapporto del tempo di riverbero
ad alta frequenza
DIFF. 0–10 Diffusione
DENSITY 0–100% Densità del riverbero
HPF THRU, 21.2 Hz –
8.00 kHz Frequenza di taglio del filtro
passa-alto
LPF 50.0 Hz –
16.0 kHz, THRU Frequenza di taglio del filtro
passa-basso
REV/CHO 0–100% Bilanciamento degli effetti
riverbero e chorus (0% = tutto
riverbero, 100% = tutto chorus)
FREQ. Da 0.05 a 40.00 Hz Velocità di modulazione
AM DEPTH 0–100% Profondità modulazione
dell'ampiezza
PM DEPTH 0–100% Profondità di modulazione del
pitch
MOD. DLY Da 0.05
a 500.0 ms Tempo di delay della modulazione
WAVE Sinusoidale,
triangolare Waveform della modulazione
SYNC OFF/ON Attivazione/disattivazione
sincronia parametro tempo
NOTE *1
*1.
Utilizzato insieme a TEMPO per
determinare la FREQ.
Parametro Intervallo Descrizione
REV TIME Da 0.3 a 99.0 s Tempo di riverbero
INI. DLY Da 0.05
a 500.0 ms Delay iniziale prima dell'avvio del
riverbero
HI. RATIO 0.1–1.0 Rapporto del tempo di riverbero
ad alta frequenza
DIFF. 0–10 Diffusione
DENSITY 0–100% Densità del riverbero
HPF THRU, 21.2 Hz –
8.00 kHz Frequenza di taglio del filtro
passa-alto
LPF 50.0 Hz –
16.0 kHz, THRU Frequenza di taglio del filtro
passa-basso
REV.BAL 0–100%
Bilanciamento degli effetti
riverbero e riverbero con chorus
(0% = tutto riverbero con chorus,
100% = tutto riverbero)
FREQ. Da 0.05 a 40.00 Hz Velocità di modulazione
AM DEPTH 0–100% Profondità modulazione
dell'ampiezza
PM DEPTH 0–100% Profondità di modulazione del
pitch
MOD. DLY Da 0.05
a 500.0 ms Tempo di delay della modulazione
WAVE Sinusoidale,
triangolare Waveform della modulazione
SYNC OFF/ON Attivazione/disattivazione
sincronia parametro tempo
NOTE *1
*1.
Utilizzato insieme a TEMPO per
determinare la FREQ.

Parametri degli effetti
330 PM5D/PM5D-RH V2/DSP5D – Manuale di istruzioni Sezione riferimenti
❏REV+FLANGE
Effetti riverbero e flanger in parallelo a un input e due
output.
❏REV→FLANGE
Effetti riverbero e flanger in serie a un input e due output.
❏REV+SYMPHO.
Effetti riverbero e sinfonico in parallelo a un input e due
output.
❏REV→SYMPHO.
Effetti riverbero e sinfonico in serie a un input e due
output.
Parametro Intervallo Descrizione
REV TIME Da 0.3 a 99.0 s Tempo di riverbero
INI. DLY Da 0.05
a 500.0 ms Delay iniziale prima dell'avvio del
riverbero
HI. RATIO 0.1–1.0 Rapporto del tempo di riverbero
ad alta frequenza
DIFF. 0–10 Diffusione
DENSITY 0–100% Densità del riverbero
HPF THRU, 21.2 Hz –
8.00 kHz Frequenza di taglio del filtro
passa-alto
LPF 50.0 Hz –
16.0 kHz, THRU Frequenza di taglio del filtro
passa-basso
REV/FLG 0–100% Bilanciamento degli effetti
riverbero e flange (0% = tutto
riverbero, 100% = tutto flange)
FREQ. Da 0.05 a 40.00 Hz Velocità di modulazione
DEPTH 0–100% Profondità di modulazione
MOD. DLY Da 0.05
a 500.0 ms Tempo di delay della modulazione
FB. GAIN Da -99 a +99%
Guadagno di feedback (valori
positivi per il feedback della fase
normale, valori negativi per il
feedback della fase inversa)
WAVE Sinusoidale,
triangolare Waveform della modulazione
SYNC OFF/ON Attivazione/disattivazione
sincronia parametro tempo
NOTE *1
*1.
Utilizzato insieme a TEMPO per
determinare la FREQ.
Parametro Intervallo Descrizione
REV TIME Da 0.3 a 99.0 s Tempo di riverbero
INI. DLY Da 0.05
a 500.0 ms Delay iniziale prima dell'avvio del
riverbero
HI. RATIO 0.1–1.0 Rapporto del tempo di riverbero
ad alta frequenza
DIFF. 0–10 Diffusione
DENSITY 0–100% Densità del riverbero
HPF THRU, 21.2 Hz –
8.00 kHz Frequenza di taglio del filtro
passa-alto
LPF 50.0 Hz –
16.0 kHz, THRU Frequenza di taglio del filtro
passa-basso
REV.BAL 0–100%
Bilanciamento degli effetti
riverbero e riverbero con flanger
(0% = tutto riverbero con flanger,
100% = tutto riverbero)
FREQ. Da 0.05 a 40.00 Hz Velocità di modulazione
DEPTH 0–100% Profondità di modulazione
MOD. DLY Da 0.05
a 500.0 ms Tempo di delay della modulazione
FB. GAIN Da -99 a +99%
Guadagno di feedback (valori
positivi per il feedback della fase
normale, valori negativi per il
feedback della fase inversa)
WAVE Sinusoidale,
triangolare Waveform della modulazione
SYNC OFF/ON Attivazione/disattivazione
sincronia parametro tempo
NOTE *1
*1.
Utilizzato insieme a TEMPO per
determinare la FREQ.
Parametro Intervallo Descrizione
REV TIME Da 0.3 a 99.0 s Tempo di riverbero
INI. DLY Da 0.05
a 500.0 ms Delay iniziale prima dell'avvio del
riverbero
HI. RATIO 0.1–1.0 Rapporto del tempo di riverbero
ad alta frequenza
DIFF. 0–10 Diffusione
DENSITY 0–100% Densità del riverbero
HPF THRU, 21.2 Hz –
8.00 kHz Frequenza di taglio del filtro
passa-alto
LPF 50.0 Hz –
16.0 kHz, THRU Frequenza di taglio del filtro
passa-basso
REV/SYM 0–100% Bilanciamento degli effetti
riverbero e sinfonico (0% = tutto
riverbero, 100% = tutto sinfonico)
FREQ. Da 0.05 a 40.00 Hz Velocità di modulazione
DEPTH 0–100% Profondità di modulazione
MOD. DLY Da 0.05
a 500.0 ms Tempo di delay della modulazione
WAVE Sinusoidale,
triangolare Waveform della modulazione
SYNC OFF/ON Attivazione/disattivazione
sincronia parametro tempo
NOTE *1
*1.
Utilizzato insieme a TEMPO per
determinare la FREQ.
Parametro Intervallo Descrizione
REV TIME Da 0.3 a 99.0 s Tempo di riverbero
INI. DLY Da 0.05
a 500.0 ms Delay iniziale prima dell'avvio del
riverbero
HI. RATIO 0.1–1.0 Rapporto del tempo di riverbero
ad alta frequenza
DIFF. 0–10 Diffusione
DENSITY 0–100% Densità del riverbero
HPF THRU, 21.2 Hz –
8.00 kHz Frequenza di taglio del filtro
passa-alto
LPF 50.0 Hz –
16.0 kHz, THRU Frequenza di taglio del filtro
passa-basso
REV.BAL 0–100%
Bilanciamento degli effetti
riverbero e riverbero sinfonico (0%
= tutto riverbero sinfonico, 100%
= tutto riverbero)
FREQ. Da 0.05 a 40.00 Hz Velocità di modulazione
DEPTH 0–100% Profondità di modulazione
MOD. DLY Da 0.05
a 500.0 ms Tempo di delay della modulazione
WAVE Sinusoidale,
triangolare Waveform della modulazione
SYNC OFF/ON Attivazione/disattivazione
sincronia parametro tempo
NOTE *1
*1.
Utilizzato insieme a TEMPO per
determinare la FREQ.

PM5D/PM5D-RH V2/DSP5D – Manuale di istruzioni Sezione riferimenti 331
Informazioni visua-
lizzate sul display
Menu Function
(Funzioni)
Funzioni
generali
Funzioni
di output
Funzioni
di input
Appendici
❏REV→PAN
Effetti riverbero e pan automatico in parallelo a un input e
due output.
❏DELAY+ER.
Effetti delay e riflessioni iniziali in parallelo a un input e
due output.
❏DELAY→ER.
Effetti delay e riflessioni iniziali in serie a un input e due
output.
❏DELAY+REV
Effetti delay e riverbero in parallelo a un input e due output.
Parametro Intervallo Descrizione
REV TIME Da 0.3 a 99.0 s Tempo di riverbero
INI. DLY Da 0.05 a 500.0 ms Delay iniziale prima dell'avvio del
riverbero
HI. RATIO 0.1–1.0 Rapporto del tempo di riverbero
ad alta frequenza
DIFF. 0–10 Diffusione
DENSITY 0–100% Densità del riverbero
HPF THRU, 21.2 Hz –
8.00 kHz Frequenza di taglio del filtro
passa-alto
LPF 50.0 Hz – 16.0 kHz,
THRU Frequenza di taglio del filtro
passa-basso
REV.BAL 0–100%
Bilanciamento degli effetti
riverbero e riverbero con pan (0%
= tutto riverbero con pan, 100% =
tutto riverbero)
FREQ. Da 0.05 a 40.00 Hz Velocità di modulazione
DEPTH 0–100% Profondità di modulazione
DIR. *1
*1. L↔R, L→R, L←R, Turn L, Turn R
Direzione del panning
WAVE Sinusoidale,
triangolare,
quadrata Waveform della modulazione
SYNC OFF/ON Attivazione/disattivazione
sincronia parametro tempo
NOTE *2
*2.
Utilizzato insieme a TEMPO per
determinare la FREQ.
Parametro Intervallo Descrizione
DELAY L Da 0.0 a 1000.0 ms Tempo di delay del canale sinistro
DELAY R Da 0.0 a 1000.0 ms Tempo di delay del canale destro
FB. DLY Da 0.0 a 1000.0 ms Tempo di delay con feedback
FB. GAIN Da -99 a +99%
Guadagno di feedback (valori
positivi per il feedback della fase
normale, valori negativi per il
feedback della fase inversa)
HI. RATIO 0.1–1.0 Rapporto del feedback in alta
frequenza
HPF THRU, 21.2 Hz –
8.00 kHz Frequenza di taglio del filtro
passa-alto
LPF 50.0 Hz – 16.0 kHz,
THRU Frequenza di taglio del filtro
passa-basso
DLY/ER 0–100% Bilanciamento degli effetti delay e
riflessioni iniziali (0% = tutto delay,
100% = tutto riflessioni iniziali)
TYPE S-Hall, L-Hall,
Random, Revers,
Plate, Spring
Tipo di simulazione delle riflessioni
iniziali
ROOMSIZE 0.1–20.0 Spaziatura delle riflessioni
LIVENESS 0–10 Caratteristiche di decay delle
riflessioni iniziali (0 = assenza, 10 =
presenza)
INI. DLY Da 0.05 a 500.0 ms Delay iniziale prima dell'avvio del
riverbero
DIFF. 0–10 Diffusione
DENSITY 0–100% Densità del riverbero
ER NUM. 1–19 Numero di riflessioni iniziali
SYNC OFF/ON Attivazione/disattivazione
sincronia parametro tempo
NOTE L *1
*1.
(il valore massimo dipende dall'impostazione del tempo)
Utilizzato insieme a TEMPO per
determinare il DELAY L del canale
sinistro
NOTE R 1Utilizzato insieme a TEMPO per
determinare il DELAY R del canale
destro
NOTE FB 1Utilizzato insieme a TEMPO per
determinare l'FB DLY
Parametro Intervallo Descrizione
DELAY L Da 0.0 a 1000.0 ms Tempo di delay del canale sinistro
DELAY R Da 0.0 a 1000.0 ms Tempo di delay del canale destro
FB. DLY Da 0.0 a 1000.0 ms Tempo di delay con feedback
FB. GAIN Da -99 a +99%
Guadagno di feedback (valori
positivi per il feedback della fase
normale, valori negativi per il
feedback della fase inversa)
HI. RATIO 0.1–1.0 Rapporto del feedback in alta
frequenza
HPF THRU, 21.2 Hz –
8.00 kHz Frequenza di taglio del filtro
passa-alto
LPF 50.0 Hz – 16.0 kHz,
THRU Frequenza di taglio del filtro
passa-basso
DLY.BAL 0–100%
Bilanciamento degli effetti delay e
delay con riflessioni iniziali (0% =
tutto delay con riflessioni iniziali,
100% = tutto delay)
TYPE S-Hall, L-Hall,
Random, Revers,
Plate, Spring
Tipo di simulazione delle riflessioni
iniziali
ROOMSIZE 0.1–20.0 Spaziatura delle riflessioni
LIVENESS 0–10 Caratteristiche di decay delle
riflessioni iniziali (0 = assenza, 10 =
presenza)
INI. DLY Da 0.05 a 500.0 ms Delay iniziale prima dell'avvio del
riverbero
DIFF. 0–10 Diffusione
DENSITY 0–100% Densità del riverbero
ER NUM. 1–19 Numero di riflessioni iniziali
SYNC OFF/ON Attivazione/disattivazione
sincronia parametro tempo
NOTE L *1
*1.
(il valore massimo dipende dall'impostazione del tempo)
Utilizzato insieme a TEMPO per
determinare il DELAY L del canale
sinistro
NOTE R 1Utilizzato insieme a TEMPO per
determinare il DELAY R del canale
destro
NOTE FB 1Utilizzato insieme a TEMPO per
determinare l'FB DLY
Parametro Intervallo Descrizione
DELAY L Da 0.0 a 1000.0 ms Tempo di delay del canale sinistro
DELAY R Da 0.0 a 1000.0 ms Tempo di delay del canale destro
FB. DLY Da 0.0 a 1000.0 ms Tempo di delay con feedback
FB. GAIN Da -99 a +99%
Guadagno di feedback (valori
positivi per il feedback della fase
normale, valori negativi per il
feedback della fase inversa)
DELAY HI 0.1–1.0 Rapporto del feedback in alta
frequenza del delay
HPF THRU, 21.2 Hz –
8.00 kHz Frequenza di taglio del filtro
passa-alto
LPF 50.0 Hz – 16.0 kHz,
THRU Frequenza di taglio del filtro
passa-basso
DLY/REV 0–100% Bilanciamento degli effetti delay e
riverbero (0% = tutto delay, 100%
= tutto riverbero)
REV TIME Da 0.3 a 99.0 s Tempo di riverbero
INI. DLY Da 0.05 a 500.0 ms Delay iniziale prima dell'avvio del
riverbero
REV HI 0.1–1.0 Rapporto del tempo di riverbero
ad alta frequenza
DIFF. 0–10 Diffusione
DENSITY 0–100% Densità del riverbero
SYNC OFF/ON Attivazione/disattivazione
sincronia parametro tempo
NOTE L *1
*1.
(il valore massimo dipende dall'impostazione del tempo)
Utilizzato insieme a TEMPO per
determinare il DELAY L del canale
sinistro
NOTE R 1Utilizzato insieme a TEMPO per
determinare il DELAY R del canale
destro
NOTE FB 1Utilizzato insieme a TEMPO per
determinare l'FB DLY

Parametri degli effetti
332 PM5D/PM5D-RH V2/DSP5D – Manuale di istruzioni Sezione riferimenti
❏DELAY→REV
Effetti delay e riverbero in serie a un input e due output.
❏DIST→DELAY
Effetti distorsione e delay in serie a un input e due output.
❏MULTI FILTER
Filtro multiplo a tre bande (24 dB/ottava) a due input e
due output.
❏FREEZE
Campionatore di base a un input e un output.
Parametro Intervallo Descrizione
DELAY L Da 0.0 a 1000.0 ms Tempo di delay del canale sinistro
DELAY R Da 0.0 a 1000.0 ms Tempo di delay del canale destro
FB. DLY Da 0.0 a 1000.0 ms Tempo di delay con feedback
FB. GAIN Da -99 a +99%
Guadagno di feedback (valori
positivi per il feedback della fase
normale, valori negativi per il
feedback della fase inversa)
DELAY HI 0.1–1.0 Rapporto del feedback in alta
frequenza del delay
HPF THRU, 21.2 Hz –
8.00 kHz Frequenza di taglio del filtro
passa-alto
LPF 50.0 Hz – 16.0 kHz,
THRU Frequenza di taglio del filtro
passa-basso
DLY.BAL 0–100%
Bilanciamento degli effetti delay e
riverbero con delay (0% = tutto
riverbero con delay, 100% = tutto
delay)
REV TIME Da 0.3 a 99.0 s Tempo di riverbero
INI. DLY Da 0.05 a 500.0 ms Delay iniziale prima dell'avvio del
riverbero
REV HI 0.1–1.0 Rapporto del tempo di riverbero
ad alta frequenza
DIFF. 0–10 Diffusione
DENSITY 0–100% Densità del riverbero
SYNC OFF/ON Attivazione/disattivazione
sincronia parametro tempo
NOTE L *1
*1.
(il valore massimo dipende dall'impostazione del tempo)
Utilizzato insieme a TEMPO per
determinare il DELAY L del canale
sinistro
NOTE R *1 Utilizzato insieme a TEMPO per
determinare il DELAY R del canale
destro
NOTE FB *1 Utilizzato insieme a TEMPO per
determinare l'FB DLY
Parametro Intervallo Descrizione
DST TYPE DST1, DST2, OVD1,
OVD2, CRUNCH Tipo di distorsione (DST =
distorsione, OVD = overdrive)
DRIVE 0–100 Intensità della distorsione
MASTER 0–100 Volume master
TONE Da -10 a +10 Controllo del suono
N. GATE 0–20 Riduzione dei disturbi
DELAY Da 0.0 a 2725.0 ms Tempo di delay
FB. GAIN Da -99 a +99%
Guadagno di feedback (valori
positivi per il feedback della fase
normale, valori negativi per il
feedback della fase inversa)
HI. RATIO 0.1–1.0 Rapporto del feedback in alta
frequenza
FREQ. Da 0.05 a 40.00 Hz Velocità di modulazione
DEPTH 0–100% Profondità di modulazione
DLY.BAL 0–100%
Bilanciamento degli effetti
distorsione e delay (0% = tutta
distorsione, 100% = tutta
distorsione con delay)
SYNC OFF/ON Attivazione/disattivazione
sincronia parametro tempo
DLY.NOTE *1
*1.
(il valore massimo dipende dall'impostazione del tempo)
Utilizzato insieme a TEMPO per
determinare il DELAY
MOD.NOTE
*2
*2.
Utilizzato insieme a TEMPO per
determinare la FREQ.
Parametro Intervallo Descrizione
TYPE 1 HPF, LPF, BPF Tipo di filtro 1: passa-alto, passa-
basso, passa banda
TYPE 2 HPF, LPF, BPF Tipo di filtro 2: passa-alto, passa-
basso, passa banda
TYPE 3 HPF, LPF, BPF Tipo di filtro 3: passa-alto, passa-
basso, passa banda
FREQ. 1 Da 28.0 Hz a – 16.0
kHz Frequenza filtro 1
FREQ. 2 Da 28.0 Hz a – 16.0
kHz Frequenza filtro 2
FREQ. 3 Da 28.0 Hz a – 16.0
kHz Frequenza filtro 3
LEVEL 1 0–100 Livello filtro 1
LEVEL 2 0–100 Livello filtro 2
LEVEL 3 0–100 Livello filtro 3
RESO. 1 0–20 Risonanza filtro 1
RESO. 2 0–20 Risonanza filtro 2
RESO. 3 0–20 Risonanza filtro 3
Parametro Intervallo Descrizione
REC MODE MANUAL, INPUT
In modalità MANUAL, la registra-
zione viene avviata premendo i pul-
santi REC e PLAY. In modalità
INPUT, la modalità Record-Ready
viene attivata premendo il pulsante
REC e l'effettiva registrazione viene
attivata dal segnale di input.
REC DLY Da -1000.0 a
+1000.0 ms
Delay di registrazione. Per i valori
positivi, la registrazione inizia dopo
la ricezione del segnale di
attivazione. Per i valori negativi, la
registrazione inizia prima della
ricezione del segnale di attivazione.
TRG LVL Da -60 a 0 dB
Livello di trigger dell'input (vale a
dire il livello di segnale necessario
per attivare la registrazione o il
playback)
TRG MASK da 0 a 1000 ms
Una volta attivato il playback, i
successivi segnali di attivazione
vengono ignorati per la durata
impostata in TRG MASK.
PLY MODE MOMENT,
CONTI., INPUT
In modalità MOMENT, viene ese-
guito il playback del campione solo
mentre si tiene premuto il pulsante
PLAY. In modalità CONT, il playback
continua dopo che è stato premuto
il pulsante PLAY. Il numero di ripeti-
zioni del playback del campione
viene impostato mediante il para-
metro LOOP NUM. In modalità
INPUT, il playback è attivato dal
segnale di input.
START *1
*1. 0.0 – 5941.0 ms (fs=44.1 kHz), 0.0 ms – 5458.3 ms (fs=48 kHz),
0.0 – 2970.5 ms (fs=88.2 kHz), 0.0 ms – 2729.2 ms (fs=96 kHz)
Punto di inizio del playback in
millisecondi
END 1Punto di fine del playback in
millisecondi
LOOP 1Punto di inizio del loop in
millisecondi
LOOP NUM 0–100 Numero di volte per cui viene
ripetuto il playback del campione
START
[SAMPLE] 0–262000 Punto di inizio del playback dei
campioni
END
[SAMPLE] 0–262000 Punto di fine del playback dei
campioni
LOOP
[SAMPLE] 0–262000 Punto di inizio del loop dei
campioni
PITCH Da -12 a +12
semitoni Cambio di pitch del playback
FINE Da –50 a +50
centesimi Accordatura fine cambio di pitch
del playback
MIDI TRG OFF, C1–C6, ALL Il pulsante PLAY può essere attivato
mediante messaggi MIDI Note on/
off.

PM5D/PM5D-RH V2/DSP5D – Manuale di istruzioni Sezione riferimenti 333
Informazioni visua-
lizzate sul display
Menu Function
(Funzioni)
Funzioni
generali
Funzioni
di output
Funzioni
di input
Appendici
❏ST REVERB
Riverbero stereo a due input e due output.
❏M. BAND DYNA.
Processore dinamiche a 3 bande, due input e due output,
con misurazione di assolo singoli e riduzione del guadagno
per ciascuna banda.
❏M.BAND COMP
Compressore a 3 bande, due input e due output, con
misurazione di assolo singoli e riduzione del guadagno per
ciascuna banda.
❏REV-X HALL, REV-X ROOM, REV-X PLATE
Nuovo algoritmo di riverbero output a due input e due
output. Offre un riverbero denso e ricco, un decay
morbido e offre un'ampiezza e una profondità che
potenziano il suono originale. È possibile scegliere tra tre
tipi, a seconda della posizione e delle esigenze; REV-X
HALL, REV-X ROOM e REV-X PLATE.
Parametro Intervallo Descrizione
REV TIME Da 0.3 a 99.0 s Tempo di riverbero
REV TYPE Hall, Room, Stage,
Plate Tipo di riverbero
INI. DLY Da 0.0 a 100.0 ms Delay iniziale prima dell'avvio del
riverbero
HI. RATIO 0.1–1.0 Rapporto del tempo di riverbero
ad alta frequenza
LO. RATIO 0.1–2.4 Rapporto del tempo di riverbero a
bassa frequenza
DIFF. 0–10 Diffusione del riverbero (diffusione
da sinistra a destra)
DENSITY 0–100% Densità del riverbero
E/R BAL. 0–100%
Bilanciamento delle riflessioni
iniziali e del riverbero (0% = tutto
il riverbero, 100% = tutte le
riflessioni iniziali)
HPF THRU, 21.2 Hz –
8.00 kHz Frequenza di taglio del filtro
passa-alto
LPF 50.0 Hz –
16.0 kHz, THRU Frequenza di taglio del filtro
passa-basso
Parametro Intervallo Descrizione
LOW GAIN Da -96.0 a +12.0 dB Livello banda dei bassi
MID GAIN Da -96.0 a +12.0 dB Livello banda dei medi
HI. GAIN Da -96.0 a +12.0 dB Livello banda degli alti
PRESENCE Da -10 a +10
Quando si indicano valori
positivi, la soglia della banda
degli alti viene abbassata
mentre la soglia della banda
dei bassi viene alzata. Quando
si specificano valori negativi, si
verifica il contrario. Quando si
imposta 0, le tre bande
subiscono tutte le medesime
modifiche.
CMP. THRE –24.0 dB – 0.0 dB Soglia del compressore
CMP. RAT Da 1:1 a 20:1 Rapporto del compressore
CMP. ATK 0–120 ms Attacco del compressore
CMP. REL 1Tempo di rilascio del
compressore
CMP. KNEE 0–5 Curva del compressore
LOOKUP 0.0–100.0 ms Delay di lookup
CMP. BYP ON/OFF Bypass del compressore
L–M XOVR 21.2 Hz – 8.00 kHz Frequenza di crossover bassi/
medi
M–H XOVR 21.2 Hz – 8.00 kHz Frequenza di crossover medi/
alti
SLOPE –6 dB, –12 dB Slope del filtro
CEILING –6.0 dB - 0.0 dB, OFF Specifica il livello massimo di
output
EXP. THRE –54.0 dB - –24.0 dB Soglia expander
EXP. RAT Da 1:1 a ∞:1 Rapporto expander
EXP. REL *1
*1. 6.0 ms – 46.0 s (fs=44.1 kHz), 5.0 ms – 42.3 s (fs=48 kHz)
3 ms – 23.0 s (fs=88.2 kHz), 3 ms – 21.1 s (fs=96 kHz)
Tempo di rilascio expander
EXP. BYP ON/OFF Bypass expander
LIM. THRE –12.0 dB – 0.0 dB Soglia limiter
LIM. ATK 0–120 ms Attacco limiter
LIM. REL 1 Tempo di rilascio limiter
LIM. BYP ON/OFF Bypass limiter
LIM. KNEE 0–5 Curva limiter
Parametro Intervallo Descrizione
LOW GAIN Da -96.0 a +12.0 dB Livello banda dei bassi
MID GAIN Da -96.0 a +12.0 dB Livello banda dei medi
HI. GAIN Da -96.0 a +12.0 dB Livello banda degli alti
L-M XOVR Da 21.2 Hz a 8.00 kHz Frequenza di crossover bassi/
medi
M-H XOVR Da 21.2 Hz a 8.00 kHz Frequenza di crossover medi/
alti
SLOPE –6 dB, –12 dB Slope del filtro
CEILING –6.0 dB - 0.0 dB, OFF Specifica il livello massimo di
output
LOOKUP Da 0.0 a 100.0 ms Delay di lookup
LOW THRE Da –54.0 dB a 0.0 dB Livello soglia banda dei bassi
MID THRE Da –54.0 dB a 0.0 dB Livello soglia banda dei medi
HI. THRE Da –54.0 dB a 0.0 dB Livello soglia banda degli alti
RATIO Da 1:1 a 20:1 Rapporto di compressione
ATTACK 0 - 120 ms Tempo di attacco del
compressore
CMP. REL *1
*1. 6.0 ms – 46.0 s (fs=44.1 kHz), 5.0 ms – 42.3 s (fs=48 kHz)
3 ms – 23.0 s (fs=88.2 kHz), 3 ms – 21.1 s (fs=96 kHz)
Tempo di rilascio del
compressore
KNEE 0–5 Curva del compressore
BYPASS ON/OFF Bypassa il compressore
Parametro Intervallo Descrizione
REV TIME 0.47 – 46.92 s*1
*1. Questi valori sono relativi a quando il tipo di effetto è REV-X HALL e
ROOM SIZE=28. L'intervallo differirà a seconda del tipo di effetto e
dell'impostazione di ROOM SIZE.
Tempo di riverbero
INI. DLY Da 0.0 a 120.0 ms Delay iniziale prima dell'avvio del
riverbero
HI. RATIO 0.1–1.0 Rapporto del tempo di riverbero
ad alta frequenza
LO. RATIO 0.1–2.4 Rapporto del tempo di riverbero
a bassa frequenza
LO.FREQ Da 22.0 Hz
a 18.0 kHz Punto frequenza per
l'impostazione LO.RATIO
DIFF. 0–10 Diffusione del riverbero
(diffusione da sinistra a destra)
ROOM
SIZE 0–28 Dimensione della stanza
DECAY 0–53 Velocità di chiusura del gate
HPF THRU, 22.0 Hz –
8.00 kHz Frequenza di taglio del filtro
passa-alto
LPF 1.00 Hz – 18.0 kHz,
THRU Frequenza di taglio del filtro
passa-basso

Parametri degli effetti
334 PM5D/PM5D-RH V2/DSP5D – Manuale di istruzioni Sezione riferimenti
❏COMP276
Questo effetto emula le caratteristiche dei compressori
analogici ampiamente utilizzati negli studi di registrazione.
Viene prodotto un suono corposo e forte, adatto a batteria
e basso. È possibile controllare due canali mono in modo
indipendente.
❏COMP276S
Questo effetto emula le caratteristiche dei compressori
analogici ampiamente utilizzati negli studi di registrazione.
Viene prodotto un suono corposo e forte, adatto a batteria
e basso. È possibile collegare e controllare i parametri dei
canali destro e sinistro.
❏COMP260
Questo effetto emula le caratteristiche dei compressori/
limiter della metà degli anni 70, che sono diventati uno
standard per gli studi di registrazione dal vivo. È possibile
controllare due canali mono in modo indipendente. È
anche possibile collegare più parametri tramite
collegamenti di tipo stereo.
❏COMP260S
Questo effetto emula le caratteristiche dei compressori/
limiter della metà degli anni 70, che sono diventati uno
standard per gli studi di registrazione dal vivo. È possibile
collegare e controllare i parametri dei canali destro e
sinistro.
Parametro Intervallo Descrizione
INPUT 1 Da –180.0 a 0 dB Regola il livello di input per il
canale 1
OUTPUT 1 Da –180.0 a 0 dB Regola il guadagno di output del
canale 1
RATIO 1 2:1, 4:1, 8:1, 12:1,
20:1 Rapporto per il compressore del
canale 1
ATTACK 1 0.022–50.4 ms Tempo di attacco del compressore
del canale 1
RELEASE1 10.88–544.22 ms Tempo di rilascio del compressore
del canale 1
MAKE UP1 OFF, ON
Corregge automaticamente la
riduzione del guadagno di output
quando viene applicato il
compressore del canale 1
SIDEHPF1 OFF, ON
Se il filtro passa-alto sulla catena
laterale del compressore del
canale 1 è attivato, la
compressione applicata alla
gamma dei bassi sarà debole,
quindi la gamma dei bassi verrà
enfatizzata.
INPUT 2 Da –180.0 a 0 dB Regola il livello di input del
canale 2
OUTPUT 2 Da –180.0 a 0 dB Regola il guadagno di output del
canale 2
RATIO 2 2:1, 4:1, 8:1, 12:1,
20:1 Rapporto del compressore del
canale 2
ATTACK 2 0.022–50.40 ms Tempo di attacco del compressore
del canale 2
RELEASE2 10.88–544.22 ms Tempo di rilascio del compressore
del canale 2
MAKE UP2 OFF, ON
Corregge automaticamente la
riduzione di guadagno di output
quando viene applicato il
compressore del canale 2
SIDEHPF2 OFF, ON
Se il filtro passa-alto sulla catena
laterale del compressore canale 2
è attivato, la compressione
applicata alla gamma dei bassi
sarà debole, quindi la gamma dei
bassi verrà enfatizzata.
Parametro Intervallo Descrizione
INPUT Da –180.0 a 0 dB Regola il livello di input
OUTPUT Da –180.0 a 0 dB Regola il guadagno di output
RATIO 1:2, 4:1, 8:1, 12:1,
20:1 Rapporto del compressore
ATTACK 0.022–50.40 ms Tempo di attacco del compressore
RELEASE 10.88–544.22 ms Tempo di rilascio del compressore
MAKE UP OFF, ON
Corregge automaticamente la
riduzione del guadagno di output
quando viene applicato il
compressore
SIDE HPF OFF, ON
Se il filtro passa-alto sulla catena
laterale del compressore è
attivato, la compressione
applicata alla gamma dei bassi
sarà debole, quindi la gamma dei
bassi verrà enfatizzata.
Parametro Intervallo Descrizione
THRE.1 Da –60.0 a 0.0 dB Soglia del compressore del
canale 1
KNEE1 SOFT, MEDIUM,
HARD Knee del compressore del
canale 1
ATTACK1 0.010–80.0 ms Tempo di attacco del compressore
del canale 1
RELEASE1 6.2–999.0 ms Tempo di rilascio del compressore
del canale 1
RATIO1 1.00–500, ∞Rapporto del compressore del
canale 1
OUTPUT1 Da –20.0
a 40.0 dB Regola il guadagno di output del
canale 1
THRE.2 Da –60.0 a 0.0 dB Soglia del compressore del
canale 2
KNEE2 SOFT, MEDIUM,
HARD Knee del compressore del
canale 2
ATTACK2 0.010–80.0 ms Tempo di attacco del compressore
del canale 2
RELEASE2 6.2–999.0 ms Tempo di rilascio del compressore
del canale 2
RATIO2 1.00–500, ∞Rapporto del compressore del
canale 2
OUTPUT2 Da –20.0 a
40.0 dB Regola il guadagno di output del
canale 2
ST LINK OFF, ON
Collega i canali 1 e 2 come coppia
stereo. I parametri THRE., KNEE,
ATTACK, RELEASE e RATIO sono
collegati; il parametro OUTPUT
non è collegato
Parametro Intervallo Descrizione
THRE. Da –60.0 a 0.0 dB Soglia del compressore
KNEE SOFT, MEDIUM,
HARD Knee del compressore
ATTACK 0.010–80.0 ms Tempo di attacco del compressore
RELEASE 6.2–999.0 ms Tempo di rilascio del compressore
RATIO 1.00–500, ∞Rapporto del compressore
OUTPUT Da –20.0 a
40.0 dB Regola il guadagno di output

PM5D/PM5D-RH V2/DSP5D – Manuale di istruzioni Sezione riferimenti 335
Informazioni visua-
lizzate sul display
Menu Function
(Funzioni)
Funzioni
generali
Funzioni
di output
Funzioni
di input
Appendici
❏EQUALIZER601
Questo effetto emula le caratteristiche degli equalizzatori
analogici degli anni 70. Ricreando la distorsione di circuiti
analogici tipici, si aggiunge movimento al suono.
❏OPENDECK
Emula la compressione del nastro creata da due registratori
a nastro a bobina aperta (una piastra di registrazione e una
piastra di playback.) È possibile modificare la qualità del
suono regolando diversi elementi, come il tipo di piastra, la
qualità del nastro, la velocità di playback e così via.
❏DE-ESSER
Rileva e comprime solo le consonanti ad alta frequenza
come le sibilanti di una voce. È possibile controllare in
modo indipendente due canali mono.
Parametro Intervallo Descrizione
LO TYPE HPF-2/1, LSH-1/2 Tipo di EQ1
LO F Da 16.0 Hz a
20.00 kHz Frequenza di taglio di EQ1
LO G Da -18.0 a +18.0 dB Guadagno di EQ1
MID1 Q 0.50–16.00 Q di EQ2
MID1 F Da 16.0 Hz a
20.00 kHz Frequenza centrale di EQ2
MID1 G Da -18.0 a +18.0 dB Guadagno di EQ2
MID2 Q 0.50–16.00 Q di EQ3
MID2 F Da 16.0 Hz a
20.00 kHz Frequenza centrale di EQ3
MID2 G Da -18.0 a +18.0 dB Guadagno di EQ3
INPUT Da -18.0 a +18.0 dB Guadagno di input
OUTPUT Da -18.0 a +18.0 dB Guadagno di output
MID3 Q 0.50–16.00 Q di EQ4
MID3 F Da 16.0 Hz a
20.00 kHz Frequenza centrale di EQ4
MID3 G Da -18.0 a +18.0 dB Guadagno di EQ4
MID4 Q 0.50–16.00 Q di EQ5
MID4 F Da 16.0 Hz a
20.00 kHz Frequenza centrale di EQ5
MID4 G Da -18.0 a +18.0 dB Guadagno di EQ5
HI TYPE LPF-2/1, HSH-1/2 Tipo di EQ6
HI F 16.0 Hz – 20.00 kHz*1
*1. Da 16.0 Hz a 20.0 kHz (LPF-1, LPF-2), da 1.0 kHz a 20.0 kHz
(HSH-1, HSH-2)
Frequenza di taglio di EQ6
HI G Da -18.0 a +18.0 dB Guadagno di EQ6
LO SW OFF, ON Consente di attivare e
disattivare EQ1
MID1 SW OFF, ON Consente di attivare e
disattivare EQ2
MID2 SW OFF, ON Consente di attivare e
disattivare EQ3
MID3 SW OFF, ON Consente di attivare e
disattivare EQ4
MID4 SW OFF, ON Consente di attivare e
disattivare EQ5
HI SW OFF, ON Consente di attivare e
disattivare EQ6
TYPE CLEAN, DRIVE
Consente di selezionare il tipo
di equalizzatore.
L'equalizzatore CLEAN fornisce
un suono digitale tipico non
distorto, chiaro, che emula le
variazioni nella risposta di
frequenza nei circuiti
analogici. L'equalizzatore
DRIVE fornisce un suono
distorto che potenzia la
sensazione di analogico ed
emula le modifiche nella
risposta di frequenza nei
circuiti analogici.
Parametro Intervallo Descrizione
REC DEC Swss70, Swss78,
Swss85, Amer70 Consente di selezionare il tipo di
piastra di registrazione
REC LVL Da -96.0 a
+18.0 dB
Consente di regolare il livello di
input della piastra di registrazione.
Aumentando il livello, viene
generata una compressione del
nastro, che riduce la gamma
dinamica e rende il suono distorto
REC HI Da –60.0 a
+6.0 dB
Consente di regolare il guadagno
della gamma alta della piastra di
registrazione
REC BIAS Da -1.00 a +1.00 Consente di regolare il bias della
piastra di registrazione.
REPR DEC Swss70, Swss78,
Swss85, Amer70 Consente di selezionare il tipo di
piastra per il playback
REPR LVL Da -96.0
a +18.0 dB Consente di regolare il livello di
output della piastra di playback
REPR HI Da –60.0
a +6.0 dB
Consente di regolare il guadagno
della gamma alta della piastra di
playback
REPR LO Da –60.0
a +6.0 dB
Consente di regolare il guadagno
della gamma bassa della piastra di
playback
MAKE UP Off, On
Quando si regola il livello di
registrazione (REC LVL), la
modifica si riflette anche sul livello
di riproduzione (REPR LVL),
conservando il relativo livello di
output. È possibile modificare la
quantità di distorsione senza
modificare il livello di output.
TP SPEED 15ips, 30ips Consente di selezionare la velocità
del nastro
TP KIND Old, New Consente di selezionare il tipo di
nastro
Parametro Intervallo Descrizione
THRE. 1 Da -54.0 a 0.0
(541 punti)
Livello di soglia oltre il quale
viene applicato l'effetto de-esser
sul canale 1.
FREQ. 1 Da 1.00 kHz a
12.5 kHz
(45 punti)
Frequenza di taglio del filtro
passa-alto utilizzata per il
rilevamento delle alte frequenze
per il canale 1.
THRE. 2 Da -54.0 a 0.0
(541 punti)
Livello di soglia oltre il quale
viene applicato l'effetto de-esser
sul canale 2.
FREQ. 2 Da 1.00 kHz a
12.5 kHz
(45 punti)
Frequenza di taglio del filtro
passa-alto utilizzata per il
rilevamento delle alte frequenze
per il canale 2.

Parametri degli effetti
336 PM5D/PM5D-RH V2/DSP5D – Manuale di istruzioni Sezione riferimenti
Per alcuni degli effetti della console PM5D è possibile sincronizzare l'effetto con il tempo. I tipi di effetti per i quali è possibile
eseguire la sincronizzazione sono gli effetti di tipo delay e gli effetti di tipo modulazione. Per gli effetti di tipo delay, la durata
del delay cambierà in base al tempo. Per gli effetti di tipo modulazione, la frequenza del segnale di modulazione cambierà in
base al tempo.
•Parametri relativi alla sincronizzazione del tempo
I cinque parametri riportati di seguito sono correlati alla sincronizzazione del tempo.
1) SYNC 2) NOTE 3) TEMPO 4) DELAY 5) FREQ.
SYNC:.............................Consente l'attivazione o la disattivazione della sincronizzazione del tempo.
NOTE e TEMPO:..........Parametri di base per la sincronizzazione del tempo.
DELAY e FREQ.: ...........DELAY è la durata del delay e FREQ. è la frequenza del segnale di modulazione. Influiscono
direttamente sul modo in cui il suono dell'effetto cambierà. DELAY è relativo solo agli effetti di tipo
delay e FREQ. è relativo solo agli effetti di tipo modulazione.
•Modalità di correlazione dei parametri
La sincronizzazione del tempo calcola il valore* di DELAY (o FREQ.) dai valori TEMPO e NOTE.
Se si attiva SYNC
Se si modifica NOTE → DELAY (o FREQ.) verrà impostato
In questo caso il valore di DELAY o FREQ. viene calcolato come indicato di seguito.
DELAY (o FREQ.) = NOTE x 4 x (60/TEMPO)
Se si modifica TEMPO → DELAY (o FREQ.) verrà impostato
In questo caso il valore di DELAY o FREQ. viene calcolato come indicato di seguito.
DELAY = NOTE x 4 x (60 / TEMPO) sec
FREQ. = (TEMPO / 60) / (NOTE x 4) Hz
Esempio 1: Quando SYNC=ON, DELAY=250 ms, TEMPO=120, si modifica NOTE da un ottavo a un quarto
DELAY= nuovo NOTE x 4 x (60/TEMPO)
= (1/4) x 4 x (60/120)
= 0.5 (sec)
= 500 ms
In questo modo, DELAY passerà da 250 ms a 500 ms.
Esempio 2: Quando SYNC=ON, DELAY=250 ms, NOTE=un ottavo, si modifica TEMPO da 120 a 121
DELAY = NOTE x 4 x (60 / nuovo TEMPO)
= (1/8) x 4 x (60/121)
= 0.2479 (sec)
= 247.9 (ms)
In questo modo, TEMPO passerà da 250 ms a 247.9 ms.
*Per i risultati del calcolo si utilizzano valori arrotondati.
•Caratteristiche particolari del parametro TEMPO
Il parametro TEMPO presenta le seguenti caratteristiche che lo differenziano dagli altri parametri.
• È un valore comune condiviso da tutti gli effetti
• Non è possibile memorizzarlo o richiamarlo dalla libreria degli effetti. È invece possibile memorizzarlo e richiamarlo da una scena.
Questo significa che il valore di TEMPO può non essere necessariamente lo stesso quando viene richiamato un effetto rispetto a
quando l'effetto è stato memorizzato. Di seguito è riportato un esempio.
Memorizzare l'effetto: TEMPO=120 → Modificare TEMPO in 60 → Richiamare l'effetto: TEMPO=60
In genere se si modifica TEMPO, DELAY (o FREQ.) verrà impostato di conseguenza. Tuttavia se DELAY (o FREQ.) sono stati
modificati, l'effetto avrà un suono diverso quando viene richiamato rispetto a quando è stato memorizzato. Per evitare che l'effetto
cambi in questo modo tra il momento di memorizzazione e quello del richiamo, l'unità PM5D non aggiorna il valore di DELAY
(o FREQ.) quando viene richiamato un effetto, anche se TEMPO non è più lo stesso di quando l'effetto è stato memorizzato.
*Il parametro NOTE viene calcolato in base ai seguenti valori.
Sincronizzazione di effetti e tempo
= 1/48
= 2/1
= 1/16= 1/24 = 1/12
= 3/4= 3/16 = 1/2
= 3/32 = 1/6
= 1/4
= 1/8
= 1/1= 3/8

PM5D/PM5D-RH V2/DSP5D – Manuale di istruzioni Sezione riferimenti 337
Informazioni visua-
lizzate sul display
Menu Function
(Funzioni)
Funzioni
generali
Funzioni
di output
Funzioni
di input
Appendici
Tabella Scene Memory (Memoria scene)/Effect Library
(libreria effetti) con Program Change
❏Preset Bank/Ch# 1 ❏Preset Bank/Ch# 2
Program
Change# Scene/
Effect Preset# Program
Change# Scene/
Effect Preset#
001
Scene
001 065
Scene
065
002 002 066 066
003 003 067 067
004 004 068 068
005 005 069 069
006 006 070 070
007 007 071 071
008 008 072 072
009 009 073 073
010 010 074 074
011 011 075 075
012 012 076 076
013 013 077 077
014 014 078 078
015 015 079 079
016 016 080 080
017 017 081 081
018 018 082 082
019 019 083 083
020 020 084 084
021 021 085 085
022 022 086 086
023 023 087 087
024 024 088 088
025 025 089 089
026 026 090 090
027 027 091 091
028 028 092 092
029 029 093 093
030 030 094 094
031 031 095 095
032 032 096 096
033 033 097 097
034 034 098 098
035 035 099 099
036 036 100 100
037 037 101 101
038 038 102 102
039 039 103 103
040 040 104 104
041 041 105 105
042 042 106 106
043 043 107 107
044 044 108 108
045 045 109 109
046 046 110 110
047 047 111 111
048 048 112 112
049 049 113 113
050 050 114 114
051 051 115 115
052 052 116 116
053 053 117 117
054 054 118 118
055 055 119 119
056 056 120 120
057 057 121 121
058 058 122 122
059 059 123 123
060 060 124 124
061 061 125 125
062 062 126 126
063 063 127 127
064 064 128 128
Program
Change# Scene/
Effect Preset# Program
Change# Scene/
Effect Preset#
001
Scene
129 065
Scene
193
002 130 066 194
003 131 067 195
004 132 068 196
005 133 069 197
006 134 070 198
007 135 071 199
008 136 072 200
009 137 073 201
010 138 074 202
011 139 075 203
012 140 076 204
013 141 077 205
014 142 078 206
015 143 079 207
016 144 080 208
017 145 081 209
018 146 082 210
019 147 083 211
020 148 084 212
021 149 085 213
022 150 086 214
023 151 087 215
024 152 088 216
025 153 089 217
026 154 090 218
027 155 091 219
028 156 092 220
029 157 093 221
030 158 094 222
031 159 095 223
032 160 096 224
033 161 097 225
034 162 098 226
035 163 099 227
036 164 100 228
037 165 101 229
038 166 102 230
039 167 103 231
040 168 104 232
041 169 105 233
042 170 106 234
043 171 107 235
044 172 108 236
045 173 109 237
046 174 110 238
047 175 111 239
048 176 112 240
049 177 113 241
050 178 114 242
051 179 115 243
052 180 116 244
053 181 117 245
054 182 118 246
055 183 119 247
056 184 120 248
057 185 121 249
058 186 122 250
059 187 123 251
060 188 124 252
061 189 125 253
062 190 126 254
063 191 127 255
064 192 128 256

Tabella Scene Memory (Memoria scene)/Effect Library (libreria effetti) con Program Change
338 PM5D/PM5D-RH V2/DSP5D – Manuale di istruzioni Sezione riferimenti
❏Preset Bank/Ch# 3 ❏Preset Bank/Ch# 4
Program
Change# Scene/
Effect Preset# Program
Change# Scene/
Effect Preset#
001
Scene
257 065
Scene
321
002 258 066 322
003 259 067 323
004 260 068 324
005 261 069 325
006 262 070 326
007 263 071 327
008 264 072 328
009 265 073 329
010 266 074 330
011 267 075 331
012 268 076 332
013 269 077 333
014 270 078 334
015 271 079 335
016 272 080 336
017 273 081 337
018 274 082 338
019 275 083 339
020 276 084 340
021 277 085 341
022 278 086 342
023 279 087 343
024 280 088 344
025 281 089 345
026 282 090 346
027 283 091 347
028 284 092 348
029 285 093 349
030 286 094 350
031 287 095 351
032 288 096 352
033 289 097 353
034 290 098 354
035 291 099 355
036 292 100 356
037 293 101 357
038 294 102 358
039 295 103 359
040 296 104 360
041 297 105 361
042 298 106 362
043 299 107 363
044 300 108 364
045 301 109 365
046 302 110 366
047 303 111 367
048 304 112 368
049 305 113 369
050 306 114 370
051 307 115 371
052 308 116 372
053 309 117 373
054 310 118 374
055 311 119 375
056 312 120 376
057 313 121 377
058 314 122 378
059 315 123 379
060 316 124 380
061 317 125 381
062 318 126 382
063 319 127 383
064 320 128 384
Program
Change# Scene/
Effect Preset# Program
Change# Scene/
Effect Preset#
001
Scene
385 065
Scene
449
002 386 066 450
003 387 067 451
004 388 068 452
005 389 069 453
006 390 070 454
007 391 071 455
008 392 072 456
009 393 073 457
010 394 074 458
011 395 075 459
012 396 076 460
013 397 077 461
014 398 078 462
015 399 079 463
016 400 080 464
017 401 081 465
018 402 082 466
019 403 083 467
020 404 084 468
021 405 085 469
022 406 086 470
023 407 087 471
024 408 088 472
025 409 089 473
026 410 090 474
027 411 091 475
028 412 092 476
029 413 093 477
030 414 094 478
031 415 095 479
032 416 096 480
033 417 097 481
034 418 098 482
035 419 099 483
036 420 100 484
037 421 101 485
038 422 102 486
039 423 103 487
040 424 104 488
041 425 105 489
042 426 106 490
043 427 107 491
044 428 108 492
045 429 109 493
046 430 110 494
047 431 111 495
048 432 112 496
049 433 113 497
050 434 114 498
051 435 115 499
052 436 116 500
053 437 117 000
054 438 118
No Assign
055 439 119
056 440 120
057 441 121
058 442 122
059 443 123
060 444 124
061 445 125
062 446 126
063 447 127
064 448 128

PM5D/PM5D-RH V2/DSP5D – Manuale di istruzioni Sezione riferimenti 339
Informazioni visua-
lizzate sul display
Menu Function
(Funzioni)
Funzioni
generali
Funzioni
di output
Funzioni
di input
Appendici
❏Preset Bank/Ch# 5
❏Preset Bank/Ch# 6
❏Preset Bank/Ch# 7
❏Preset Bank/Ch# 8
❏Preset Bank/Ch# 9
❏Preset Bank/Ch# 10
❏Preset Bank/Ch# 11
❏Preset Bank/Ch# 12
❏Preset Bank/Ch# 13
❏Preset Bank/Ch# 14
❏Preset Bank/Ch# 15
❏Preset Bank/Ch# 16
Program Change# Scene/Effect Preset#
001
No Assign
002
003
:
128
Program Change# Scene/Effect Preset#
001
No Assign
002
003
:
128
Program Change# Scene/Effect Preset#
001
No Assign
002
003
:
128
Program Change# Scene/Effect Preset#
001
No Assign
002
003
:
128
Program Change# Scene/Effect Preset#
001
Effect1
001
002 002
003 003
::
128 128
Program Change# Scene/Effect Preset#
001
Effect2
001
002 002
003 003
::
128 128
Program Change# Scene/Effect Preset#
001
Effect3
001
002 002
003 003
::
128 128
Program Change# Scene/Effect Preset#
001
Effect4
001
002 002
003 003
::
128 128
Program Change# Scene/Effect Preset#
001
Effect5
001
002 002
003 003
::
128 128
Program Change# Scene/Effect Preset#
001
Effect6
001
002 002
003 003
::
128 128
Program Change# Scene/Effect Preset#
001
Effect7
001
002 002
003 003
::
128 128
Program Change# Scene/Effect Preset#
001
Effect8
001
002 002
003 003
::
128 128

Tabella Scene Memory (Memoria scene)/Effect Library (libreria effetti) con Program Change
340 PM5D/PM5D-RH V2/DSP5D – Manuale di istruzioni Sezione riferimenti
❏Bank/Ch# _
Program
Change# Scene/
Effect User# Program
Change# Scene/
Effect User# Program
Change# Scene/
Effect User#
001 044 087
002 045 088
003 046 089
004 047 090
005 048 091
006 049 092
007 050 093
008 051 094
009 052 095
010 053 096
011 054 097
012 055 098
013 056 099
014 057 100
015 058 101
016 059 102
017 060 103
018 061 104
019 062 105
020 063 106
021 064 107
022 065 108
023 066 109
024 067 110
025 068 111
026 069 112
027 070 113
028 071 114
029 072 115
030 073 116
031 074 117
032 075 118
033 076 119
034 077 120
035 078 121
036 079 122
037 080 123
038 081 124
039 082 125
040 083 126
041 084 127
042 085 128
043 086

PM5D/PM5D-RH V2/DSP5D – Manuale di istruzioni Sezione riferimenti 341
Informazioni visua-
lizzate sul display
Menu Function
(Funzioni)
Funzioni
generali
Funzioni
di output
Funzioni
di input
Appendici
Parametri che possono essere assegnati a messaggi Control
Change
MODE PARAMETER 1 PARAMETER 2
NO ASSIGN ——
FADER H
INPUT CH 1–CH48
STIN1L–STIN4R
FXRTN1L–FXRTN4R
OUTPUT MIX 1–MIX24
MATRIX 1–MATRIX 8
STEREO AL–STEREO BR
FADER L
INPUT CH 1–CH48
STIN1L–STIN4R
FXRTN1L–FXRTN4R
OUTPUT MIX 1–MIX24
MATRIX 1–MATRIX 8
STEREO AL–STEREO BR
CH ON
INPUT CH 1–CH48
STIN1L–STIN4R
FXRTN1L–FXRTN4R
OUTPUT MIX 1–MIX24
MATRIX 1–MATRIX 8
STEREO AL–STEREO BR
PHASE INPUT CH 1–CH48
STIN1L–STIN4R
FXRTN1L–FXRTN4R
INSERT
INPUT CH 1–CH48
STIN1L–STIN4R
OUTPUT MIX 1–MIX24
MATRIX 1–MATRIX 8
STEREO AL–STEREO BR
DIRECT OUT ON CH 1–CH48
STIN1L–STIN4R
FXRTN1L–FXRTN4R
PAN/BALANCE INPUT CH 1–CH48
STIN1L–STIN4R
FXRTN1L–FXRTN4R
BALANCE OUTPUT MIX 1–MIX24
MATRIX 1–MATRIX 8
STEREO AL–STEREO BR
TO STEREO ON CH 1–CH48
STIN1L–STIN4R
FXRTN1L–FXRTN4R
LCR
ON CH 1–CH48
STIN1L–STIN4R
FXRTN1L–FXRTN4R
MIX 1–MIX24
CSR
MIX SEND
PRE POINT
CH 1–CH48
STIN1L–STIN4R
FXRTN1L–FXRTN4R
MIX 1 ON–
MIX24 ON
MIX 1 PRE/POST–
MIX24 PRE/POST
MIX 1 LEVEL H–
MIX24 LEVEL H
MIX 1 LEVEL L–
MIX24 LEVEL L
MIX 1/ 2 PAN–
MIX23/24 PAN
FOLLOW PAN VARI
FOLLOW PAN FIXED
POST POINT MIX 1–MIX24
MIX TO STEREO
POINT
MIX 1–MIX24ON
PAN
MIX TO MATRIX
MATRIX 1 POINT–
MATRIX 8 POINT
MIX 1–MIX24
MATRIX 1 ON–
MATRIX 8 ON
MATRIX 1 LEVEL H–
MATRIX 8 LEVEL H
MATRIX 1 LEVEL L–
MATRIX 8 LEVEL L
MATRIX 1/2 PAN–
MATRIX 7/8 PAN
ST TO MATRIX
MATRIX 1 POINT–
MATRIX 8 POINT
STEREO AL–STEREO BR
MATRIX 1 ON–
MATRIX 8 ON
MATRIX 1 LEVEL H–
MATRIX 8 LEVEL H
MATRIX 1 LEVEL L–
MATRIX 8 LEVEL L
MATRIX 1/2 PAN–
MATRIX 7/8 PAN
IN DELAY
ON
CH 1–CH48
STIN1L–STIN4R
TIME HIGH
TIME MID
TIME LOW
OUT DELAY
ON
MIX 1–MIX24
MATRIX 1–MATRIX 8
STEREO AL–STEREO BR
TIME HIGH
TIME MID
TIME LOW
INPUT EQ
ON
CH 1–CH48
STIN1L–STIN4R
FXRTN1L–FXRTN4R
LOW Q
LOW FREQ
LOW GAIN
LOW MID Q
LOW MID FREQ
LOW MID GAIN
HIGH MID Q
HIGH MID FREQ
HIGH MID GAIN
HIGH Q
HIGH FREQ
HIGH GAIN
LPF ON
LOW TYPE
HIGH TYPE
INPUT ATT INPUT CH 1–CH48
STIN1L–STIN4R
FXRTN1L–FXRTN4R
INPUT HPF ON CH 1–CH48
STIN1L–STIN4R
FXRTN1L–FXRTN4R
FREQ
MODE PARAMETER 1 PARAMETER 2

Parametri che possono essere assegnati a messaggi Control Change
342 PM5D/PM5D-RH V2/DSP5D – Manuale di istruzioni Sezione riferimenti
OUTPUT EQ
ON
MIX 1–MIX24
MATRIX 1–MATRIX 8
STEREO AL–STEREO BR
GEQ1–GEQ20
L LOW BYPASS
L LOW Q
L LOW FREQ
L LOW GAIN
L LOW MID BYPASS
L LOW MID Q
L LOW MID FREQ
L LOW MID GAIN
L HIGH MID BYPASS
L HIGH MID Q
L HIGH MID FREQ
L HIGH MID GAIN
L HIGH BYPASS
L HIGH Q
L HIGH FREQ
L HIGH GAIN
U LOW BYPASS
MIX 1–MIX24
STEREO AL–STEREO BR
GEQ1–GEQ20
U LOW Q
U LOW FREQ
U LOW GAIN
U LOW MID BYPASS
U LOW MID Q
U LOW MID FREQ
U LOW MID GAIN
U HIGH MID BYPASS
U HIGH MID Q
U HIGH MID FREQ
U HIGH MID GAIN
U HIGH BYPASS
U HIGH Q
U HIGH FREQ
U HIGH GAIN
L LOW TYPE MIX 1–MIX24
MATRIX 1–MATRIX 8
STEREO AL–STEREO BR
GEQ1–GEQ20
L HIGH TYPE
U LOW TYPE MIX 1–MIX24
STEREO AL–STEREO BR
GEQ1–GEQ20
U HIGH TYPE
L LOW HPF ON MIX 1–MIX24
MATRIX 1–MATRIX 8
STEREO AL–STEREO BR
GEQ1–GEQ20
L HIGH HPF ON
U LOW HPF ON MIX 1–MIX24
STEREO AL–STEREO BR
GEQ1–GEQ20
U HIGH HPF ON
INPUT GATE
ON
CH 1–CH48
STIN1L–STIN4R
ATTACK
THRESHOLD
RANGE
HOLD H
HOLD L
DECAY H
DECAY L
INPUT COMP
ON
CH 1–CH48
STIN1L–STIN4R
ATTACK
THRESHOLD
RELEASE H
RELEASE L
RATIO
GAIN
KNEE/WIDTH
MODE PARAMETER 1 PARAMETER 2
OUTPUT COMP
ON
MIX 1–MIX24
MATRIX 1–MATRIX 8
STEREO AL–STEREO BR
ATTACK
THRESHOLD
RELEASE H
RELEASE L
RATIO
GAIN
KNEE/WIDTH
SURROUND
LFE H
CH 1–CH48
STIN1L–STIN4R
FXRTN1L–FXRTN4R
LFE L
DIVERGENCE F
DIVERGENCE R
LEFT-RIGHT PAN CH 1–CH48
STIN1L–STIN4R
FXRTN1L–FXRTN4R
ALT SEL CH
FRONT-REAR PAN
EFFECT
BYPASS
EFFECT 1–EFFECT 8
MIX BALANCE
PARAM 1 H–
PARAM32 L
GEQ ON GEQ 1–GEQ20
GAIN 1–GAIN31
DCA
ON
DCA 1–DCA 8FADER H
FADER L
MUTE MASTER ON MASTER 1–MASTER 8
RECALL SAFE ON
CH 1–CH48
STIN1L–STIN4R
FXRTN1L–FXRTN4R
MIX 1–MIX24
MATRIX 1–MATRIX 8
STEREO AL–STEREO BR
EFFECT 1–EFFECT 8
GEQ 1–GEQ 20
DCA 1–DCA 8
MUTE MASTER
CUE DELAY
ON
L
R
TIME HIGH
TIME MID
TIME LOW
MONITOR
DELAY
ON
L
R
C
TIME HIGH
TIME MID
TIME LOW
MODE PARAMETER 1 PARAMETER 2

PM5D/PM5D-RH V2/DSP5D – Manuale di istruzioni Sezione riferimenti 343
Informazioni visua-
lizzate sul display
Menu Function
(Funzioni)
Funzioni
generali
Funzioni
di output
Funzioni
di input
Appendici
Assegnazione di parametri a Control Change
❏PRESET CHANNEL1
Control
Change# MODE PARAMETER 1 PARAMETER 2
1
FADER H
INPUT
CH 1
2 CH 2
3 CH 3
4 CH 4
5 CH 5
6 CH 6
7 CH 7
8 CH 8
9 CH 9
10 CH10
11 CH11
12 CH12
13 CH13
14 CH14
15 CH15
16 CH16
17 CH17
18 CH18
19 CH19
20 CH20
21 CH21
22 CH22
23 CH23
24 CH24
25
OUTPUT
MIX 1
26 MIX 2
27 MIX 3
28 MIX 4
29 NO ASSIGN —
30 FADER H OUTPUT STEREO AL
31 STEREO BL
33
FADER L
INPUT
CH 1
34 CH 2
35 CH 3
36 CH 4
37 CH 5
38 CH 6
39 CH 7
40 CH 8
41 CH 9
42 CH10
43 CH11
44 CH12
45 CH13
46 CH14
47 CH15
48 CH16
49 CH17
50 CH18
51 CH19
52 CH20
53 CH21
54 CH22
55 CH23
56 CH24
57
OUTPUT
MIX 1
58 MIX 2
59 MIX 3
60 MIX 4
61 NO ASSIGN —
62 FADER L OUTPUT STEREO AL
63 STEREO BL
64
CH ON INPUT
CH 1
65 CH 2
66 CH 3
67 CH 4
68 CH 5
69 CH 6
70 CH 7
71 CH 8
72 CH 9
73 CH10
74 CH11
75 CH12
76 CH13
77 CH14
78 CH15
79 CH16
80 CH17
81 CH18
82 CH19
83 CH20
84 CH21
85 CH22
86 CH23
87 CH24
88 NO ASSIGN —
89
PAN/BALANCE INPUT
CH 1
90 CH 2
91 CH 3
92 CH 4
93 CH 5
94 CH 6
95 CH 7
102 CH 8
103 CH 9
104 CH10
105 CH11
106 CH12
107 CH13
108 CH14
109 CH15
110 CH16
111 CH17
112 CH18
113 CH19
114 CH20
115 CH21
116 CH22
117 CH23
118 CH24
119 NO ASSIGN —
Control
Change# MODE PARAMETER 1 PARAMETER 2

Assegnazione di parametri a Control Change
344 PM5D/PM5D-RH V2/DSP5D – Manuale di istruzioni Sezione riferimenti
❏PRESET CHANNEL2
Control
Change# MODE PARAMETER 1 PARAMETER 2
1
FADER H
INPUT
CH25
2 CH26
3 CH27
4 CH28
5 CH29
6 CH30
7 CH31
8 CH32
9 CH33
10 CH34
11 CH35
12 CH36
13 CH37
14 CH38
15 CH39
16 CH40
17 CH41
18 CH42
19 CH43
20 CH44
21 CH45
22 CH46
23 CH47
24 CH48
25
OUTPUT
MIX 5
26 MIX 6
27 MIX 7
28 MIX 8
29 NO ASSIGN —
30 CH ON OUTPUT STEREO AL
31 STEREO BL
33
FADER L
INPUT
CH25
34 CH26
35 CH27
36 CH28
37 CH29
38 CH30
39 CH31
40 CH32
41 CH33
42 CH34
43 CH35
44 CH36
45 CH37
46 CH38
47 CH39
48 CH40
49 CH41
50 CH42
51 CH43
52 CH44
53 CH45
54 CH46
55 CH47
56 CH48
57
OUTPUT
MIX 5
58 MIX 6
59 MIX 7
60 MIX 8
61 NO ASSIGN —
62 BALANCE OUTPUT STEREO AL
63 STEREO BL
64
CH ON INPUT
CH25
65 CH26
66 CH27
67 CH28
68 CH29
69 CH30
70 CH31
71 CH32
72 CH33
73 CH34
74 CH35
75 CH36
76 CH37
77 CH38
78 CH39
79 CH40
80 CH41
81 CH42
82 CH43
83 CH44
84 CH45
85 CH46
86 CH47
87 CH48
88 NO ASSIGN —
89
PAN/BALANCE INPUT
CH25
90 CH26
91 CH27
92 CH28
93 CH29
94 CH30
95 CH31
102 CH32
103 CH33
104 CH34
105 CH35
106 CH36
107 CH37
108 CH38
109 CH39
110 CH40
111 CH41
112 CH42
113 CH43
114 CH44
115 CH45
116 CH46
117 CH47
118 CH48
119 NO ASSIGN —
Control
Change# MODE PARAMETER 1 PARAMETER 2

PM5D/PM5D-RH V2/DSP5D – Manuale di istruzioni Sezione riferimenti 345
Informazioni visua-
lizzate sul display
Menu Function
(Funzioni)
Funzioni
generali
Funzioni
di output
Funzioni
di input
Appendici
❏PRESET CHANNEL3
Control
Change# MODE PARAMETER 1 PARAMETER 2
1
INPUT EQ LOW GAIN
CH 1
2 CH 2
3 CH 3
4 CH 4
5 CH 5
6 CH 6
7 CH 7
8 CH 8
9 CH 9
10 CH10
11 CH11
12 CH12
13 CH13
14 CH14
15 CH15
16 CH16
17 CH17
18 CH18
19 CH19
20 CH20
21 CH21
22 CH22
23 CH23
24 CH24
25
FADER H OUTPUT
MIX 9
26 MIX10
27 MIX11
28 MIX12
29 NO ASSIGN —
30 BALANCE OUTPUT MIX 1
31 MIX 3
33
NO ASSIGN —
34
35
36
37
38
39
40
41
42
43
44
45
46
47
48
49
50
51
52
53
54
55
56
57
FADER L OUTPUT
MIX 9
58 MIX10
59 MIX11
60 MIX12
61 NO ASSIGN —
62 BALANCE OUTPUT MIX 5
63 MIX 7
64
INPUT EQ LOW FREQ
CH 1
65 CH 2
66 CH 3
67 CH 4
68 CH 5
69 CH 6
70 CH 7
71 CH 8
72 CH 9
73 CH10
74 CH11
75 CH12
76 CH13
77 CH14
78 CH15
79 CH16
80 CH17
81 CH18
82 CH19
83 CH20
84 CH21
85 CH22
86 CH23
87 CH24
88 NO ASSIGN —
89
INPUT EQ LOW Q
CH 1
90 CH 2
91 CH 3
92 CH 4
93 CH 5
94 CH 6
95 CH 7
102 CH 8
103 CH 9
104 CH10
105 CH11
106 CH12
107 CH13
108 CH14
109 CH15
110 CH16
111 CH17
112 CH18
113 CH19
114 CH20
115 CH21
116 CH22
117 CH23
118 CH24
119 NO ASSIGN —
Control
Change# MODE PARAMETER 1 PARAMETER 2

Assegnazione di parametri a Control Change
346 PM5D/PM5D-RH V2/DSP5D – Manuale di istruzioni Sezione riferimenti
❏PRESET CHANNEL4
Control
Change# MODE PARAMETER 1 PARAMETER 2
1
INPUT EQ LOW GAIN
CH25
2 CH26
3 CH27
4 CH28
5 CH29
6 CH30
7 CH31
8 CH32
9 CH33
10 CH34
11 CH35
12 CH36
13 CH37
14 CH38
15 CH39
16 CH40
17 CH41
18 CH42
19 CH43
20 CH44
21 CH45
22 CH46
23 CH47
24 CH48
25
FADER H OUTPUT
MIX13
26 MIX14
27 MIX15
28 MIX16
29 NO ASSIGN —
30 BALANCE OUTPUT MIX 9
31 MIX11
33
NO ASSIGN —
34
35
36
37
38
39
40
41
42
43
44
45
46
47
48
49
50
51
52
53
54
55
56
57
FADER L OUTPUT
MIX13
58 MIX14
59 MIX15
60 MIX16
61 NO ASSIGN —
62 BALANCE OUTPUT MIX13
63 MIX15
64
INPUT EQ LOW FREQ
CH25
65 CH26
66 CH27
67 CH28
68 CH29
69 CH30
70 CH31
71 CH32
72 CH33
73 CH34
74 CH35
75 CH36
76 CH37
77 CH38
78 CH39
79 CH40
80 CH41
81 CH42
82 CH43
83 CH44
84 CH45
85 CH46
86 CH47
87 CH48
88 NO ASSIGN —
89
INPUT EQ LOW Q
CH25
90 CH26
91 CH27
92 CH28
93 CH29
94 CH30
95 CH31
102 CH32
103 CH33
104 CH34
105 CH35
106 CH36
107 CH37
108 CH38
109 CH39
110 CH40
111 CH41
112 CH42
113 CH43
114 CH44
115 CH45
116 CH46
117 CH47
118 CH48
119 NO ASSIGN —
Control
Change# MODE PARAMETER 1 PARAMETER 2

PM5D/PM5D-RH V2/DSP5D – Manuale di istruzioni Sezione riferimenti 347
Informazioni visua-
lizzate sul display
Menu Function
(Funzioni)
Funzioni
generali
Funzioni
di output
Funzioni
di input
Appendici
❏PRESET CHANNEL5
Control
Change# MODE PARAMETER 1 PARAMETER 2
1
INPUT EQ LOW MID
GAIN
CH 1
2 CH 2
3 CH 3
4 CH 4
5 CH 5
6 CH 6
7 CH 7
8 CH 8
9 CH 9
10 CH10
11 CH11
12 CH12
13 CH13
14 CH14
15 CH15
16 CH16
17 CH17
18 CH18
19 CH19
20 CH20
21 CH21
22 CH22
23 CH23
24 CH24
25
CH ON OUTPUT
MIX 1
26 MIX 2
27 MIX 3
28 MIX 4
29 NO ASSIGN —
30 CH ON OUTPUT MIX17
31 MIX18
33
NO ASSIGN —
34
35
36
37
38
39
40
41
42
43
44
45
46
47
48
49
50
51
52
53
54
55
56
57
CH ON OUTPUT
MIX 5
58 MIX 6
59 MIX 7
60 MIX 8
61 NO ASSIGN —
62 CH ON OUTPUT MIX19
63 MIX20
64
INPUT EQ LOW MID FREQ
CH 1
65 CH 2
66 CH 3
67 CH 4
68 CH 5
69 CH 6
70 CH 7
71 CH 8
72 CH 9
73 CH10
74 CH11
75 CH12
76 CH13
77 CH14
78 CH15
79 CH16
80 CH17
81 CH18
82 CH19
83 CH20
84 CH21
85 CH22
86 CH23
87 CH24
88 NO ASSIGN —
89
INPUT EQ LOW MID Q
CH 1
90 CH 2
91 CH 3
92 CH 4
93 CH 5
94 CH 6
95 CH 7
102 CH 8
103 CH 9
104 CH10
105 CH11
106 CH12
107 CH13
108 CH14
109 CH15
110 CH16
111 CH17
112 CH18
113 CH19
114 CH20
115 CH21
116 CH22
117 CH23
118 CH24
119 NO ASSIGN —
Control
Change# MODE PARAMETER 1 PARAMETER 2

Assegnazione di parametri a Control Change
348 PM5D/PM5D-RH V2/DSP5D – Manuale di istruzioni Sezione riferimenti
❏PRESET CHANNEL6
Control
Change# MODE PARAMETER 1 PARAMETER 2
1
INPUT EQ LOW MID
GAIN
CH25
2 CH26
3 CH27
4 CH28
5 CH29
6 CH30
7 CH31
8 CH32
9 CH33
10 CH34
11 CH35
12 CH36
13 CH37
14 CH38
15 CH39
16 CH40
17 CH41
18 CH42
19 CH43
20 CH44
21 CH45
22 CH46
23 CH47
24 CH48
25
CH ON OUTPUT
MIX 9
26 MIX10
27 MIX11
28 MIX12
29 NO ASSIGN —
30 CH ON OUTPUT MIX21
31 MIX22
33
NO ASSIGN —
34
35
36
37
38
39
40
41
42
43
44
45
46
47
48
49
50
51
52
53
54
55
56
57
CH ON OUTPUT
MIX13
58 MIX14
59 MIX15
60 MIX16
61 NO ASSIGN —
62 CH ON OUTPUT MIX23
63 MIX24
64
INPUT EQ LOW MID FREQ
CH25
65 CH26
66 CH27
67 CH28
68 CH29
69 CH30
70 CH31
71 CH32
72 CH33
73 CH34
74 CH35
75 CH36
76 CH37
77 CH38
78 CH39
79 CH40
80 CH41
81 CH42
82 CH43
83 CH44
84 CH45
85 CH46
86 CH47
87 CH48
88 NO ASSIGN —
89
INPUT EQ LOW MID Q
CH25
90 CH26
91 CH27
92 CH28
93 CH29
94 CH30
95 CH31
102 CH32
103 CH33
104 CH34
105 CH35
106 CH36
107 CH37
108 CH38
109 CH39
110 CH40
111 CH41
112 CH42
113 CH43
114 CH44
115 CH45
116 CH46
117 CH47
118 CH48
119 NO ASSIGN —
Control
Change# MODE PARAMETER 1 PARAMETER 2

PM5D/PM5D-RH V2/DSP5D – Manuale di istruzioni Sezione riferimenti 349
Informazioni visua-
lizzate sul display
Menu Function
(Funzioni)
Funzioni
generali
Funzioni
di output
Funzioni
di input
Appendici
❏PRESET CHANNEL7
Control
Change# MODE PARAMETER 1 PARAMETER 2
1
INPUT EQ HIGH MID
GAIN
CH 1
2 CH 2
3 CH 3
4 CH 4
5 CH 5
6 CH 6
7 CH 7
8 CH 8
9 CH 9
10 CH10
11 CH11
12 CH12
13 CH13
14 CH14
15 CH15
16 CH16
17 CH17
18 CH18
19 CH19
20 CH20
21 CH21
22 CH22
23 CH23
24 CH24
25
FADER H OUTPUT
MIX17
26 MIX18
27 MIX19
28 MIX20
29 NO ASSIGN —
30 BALANCE OUTPUT MIX17
31 MIX19
33
NO ASSIGN —
34
35
36
37
38
39
40
41
42
43
44
45
46
47
48
49
50
51
52
53
54
55
56
57
FADER L OUTPUT
MIX17
58 MIX18
59 MIX19
60 MIX20
61 NO ASSIGN —
62 BALANCE OUTPUT MIX21
63 MIX23
64
INPUT EQ HIGH MID
FREQ
CH 1
65 CH 2
66 CH 3
67 CH 4
68 CH 5
69 CH 6
70 CH 7
71 CH 8
72 CH 9
73 CH10
74 CH11
75 CH12
76 CH13
77 CH14
78 CH15
79 CH16
80 CH17
81 CH18
82 CH19
83 CH20
84 CH21
85 CH22
86 CH23
87 CH24
88 NO ASSIGN —
89
INPUT EQ HIGH MID Q
CH 1
90 CH 2
91 CH 3
92 CH 4
93 CH 5
94 CH 6
95 CH 7
102 CH 8
103 CH 9
104 CH10
105 CH11
106 CH12
107 CH13
108 CH14
109 CH15
110 CH16
111 CH17
112 CH18
113 CH19
114 CH20
115 CH21
116 CH22
117 CH23
118 CH24
119 NO ASSIGN —
Control
Change# MODE PARAMETER 1 PARAMETER 2

Assegnazione di parametri a Control Change
350 PM5D/PM5D-RH V2/DSP5D – Manuale di istruzioni Sezione riferimenti
❏PRESET CHANNEL8
Control
Change# MODE PARAMETER 1 PARAMETER 2
1
INPUT EQ HIGH MID
GAIN
CH25
2 CH26
3 CH27
4 CH28
5 CH29
6 CH30
7 CH31
8 CH32
9 CH33
10 CH34
11 CH35
12 CH36
13 CH37
14 CH38
15 CH39
16 CH40
17 CH41
18 CH42
19 CH43
20 CH44
21 CH45
22 CH46
23 CH47
24 CH48
25
FADER H OUTPUT
MIX21
26 MIX22
27 MIX23
28 MIX24
29 NO ASSIGN —
30 BALANCE OUTPUT MATRIX 1
31 MATRIX 3
33
NO ASSIGN —
34
35
36
37
38
39
40
41
42
43
44
45
46
47
48
49
50
51
52
53
54
55
56
57
FADER L OUTPUT
MIX21
58 MIX22
59 MIX23
60 MIX24
61 NO ASSIGN —
62 BALANCE OUTPUT MATRIX 5
63 MATRIX 7
64
INPUT EQ HIGH MID
FREQ
CH25
65 CH26
66 CH27
67 CH28
68 CH29
69 CH30
70 CH31
71 CH32
72 CH33
73 CH34
74 CH35
75 CH36
76 CH37
77 CH38
78 CH39
79 CH40
80 CH41
81 CH42
82 CH43
83 CH44
84 CH45
85 CH46
86 CH47
87 CH48
88 NO ASSIGN —
89
INPUT EQ HIGH MID Q
CH25
90 CH26
91 CH27
92 CH28
93 CH29
94 CH30
95 CH31
102 CH32
103 CH33
104 CH34
105 CH35
106 CH36
107 CH37
108 CH38
109 CH39
110 CH40
111 CH41
112 CH42
113 CH43
114 CH44
115 CH45
116 CH46
117 CH47
118 CH48
119 NO ASSIGN —
Control
Change# MODE PARAMETER 1 PARAMETER 2

PM5D/PM5D-RH V2/DSP5D – Manuale di istruzioni Sezione riferimenti 351
Informazioni visua-
lizzate sul display
Menu Function
(Funzioni)
Funzioni
generali
Funzioni
di output
Funzioni
di input
Appendici
❏PRESET CHANNEL9
Control
Change# MODE PARAMETER 1 PARAMETER 2
1
INPUT EQ HIGH GAIN
CH 1
2 CH 2
3 CH 3
4 CH 4
5 CH 5
6 CH 6
7 CH 7
8 CH 8
9 CH 9
10 CH10
11 CH11
12 CH12
13 CH13
14 CH14
15 CH15
16 CH16
17 CH17
18 CH18
19 CH19
20 CH20
21 CH21
22 CH22
23 CH23
24 CH24
25
FADER H OUTPUT
MATRIX 1
26 MATRIX 2
27 MATRIX 3
28 MATRIX 4
29 NO ASSIGN —
30 CH ON OUTPUT MATRIX 1
31 MATRIX 2
33
NO ASSIGN —
34
35
36
37
38
39
40
41
42
43
44
45
46
47
48
49
50
51
52
53
54
55
56
57
FADER L OUTPUT
MATRIX 1
58 MATRIX 2
59 MATRIX 3
60 MATRIX 4
61 NO ASSIGN —
62 CH ON OUTPUT MATRIX 3
63 MATRIX 4
64
INPUT EQ HIGH FREQ
CH 1
65 CH 2
66 CH 3
67 CH 4
68 CH 5
69 CH 6
70 CH 7
71 CH 8
72 CH 9
73 CH10
74 CH11
75 CH12
76 CH13
77 CH14
78 CH15
79 CH16
80 CH17
81 CH18
82 CH19
83 CH20
84 CH21
85 CH22
86 CH23
87 CH24
88 NO ASSIGN —
89
INPUT EQ HIGH Q
CH 1
90 CH 2
91 CH 3
92 CH 4
93 CH 5
94 CH 6
95 CH 7
102 CH 8
103 CH 9
104 CH10
105 CH11
106 CH12
107 CH13
108 CH14
109 CH15
110 CH16
111 CH17
112 CH18
113 CH19
114 CH20
115 CH21
116 CH22
117 CH23
118 CH24
119 NO ASSIGN —
Control
Change# MODE PARAMETER 1 PARAMETER 2

Assegnazione di parametri a Control Change
352 PM5D/PM5D-RH V2/DSP5D – Manuale di istruzioni Sezione riferimenti
❏PRESET CHANNEL10
Control
Change# MODE PARAMETER 1 PARAMETER 2
1
INPUT EQ HIGH GAIN
CH25
2 CH26
3 CH27
4 CH28
5 CH29
6 CH30
7 CH31
8 CH32
9 CH33
10 CH34
11 CH35
12 CH36
13 CH37
14 CH38
15 CH39
16 CH40
17 CH41
18 CH42
19 CH43
20 CH44
21 CH45
22 CH46
23 CH47
24 CH48
25
FADER H OUTPUT
MATRIX 5
26 MATRIX 6
27 MATRIX 7
28 MATRIX 8
29 NO ASSIGN —
30 CH ON OUTPUT MATRIX 5
31 MATRIX 6
33
NO ASSIGN —
34
35
36
37
38
39
40
41
42
43
44
45
46
47
48
49
50
51
52
53
54
55
56
57
FADER L OUTPUT
MATRIX 5
58 MATRIX 6
59 MATRIX 7
60 MATRIX 8
61 NO ASSIGN —
62 CH ON OUTPUT MATRIX 7
63 MATRIX 8
64
INPUT EQ HIGH FREQ
CH25
65 CH26
66 CH27
67 CH28
68 CH29
69 CH30
70 CH31
71 CH32
72 CH33
73 CH34
74 CH35
75 CH36
76 CH37
77 CH38
78 CH39
79 CH40
80 CH41
81 CH42
82 CH43
83 CH44
84 CH45
85 CH46
86 CH47
87 CH48
88 NO ASSIGN —
89
INPUT EQ HIGH Q
CH25
90 CH26
91 CH27
92 CH28
93 CH29
94 CH30
95 CH31
102 CH32
103 CH33
104 CH34
105 CH35
106 CH36
107 CH37
108 CH38
109 CH39
110 CH40
111 CH41
112 CH42
113 CH43
114 CH44
115 CH45
116 CH46
117 CH47
118 CH48
119 NO ASSIGN —
Control
Change# MODE PARAMETER 1 PARAMETER 2

PM5D/PM5D-RH V2/DSP5D – Manuale di istruzioni Sezione riferimenti 353
Informazioni visua-
lizzate sul display
Menu Function
(Funzioni)
Funzioni
generali
Funzioni
di output
Funzioni
di input
Appendici
❏PRESET CHANNEL11
Control
Change# MODE PARAMETER 1 PARAMETER 2
1
INPUT ATT INPUT
CH 1
2 CH 2
3 CH 3
4 CH 4
5 CH 5
6 CH 6
7 CH 7
8 CH 8
9 CH 9
10 CH10
11 CH11
12 CH12
13 CH13
14 CH14
15 CH15
16 CH16
17 CH17
18 CH18
19 CH19
20 CH20
21 CH21
22 CH22
23 CH23
24 CH24
25
INPUT HPF FREQ
CH 1
26 CH 2
27 CH 3
28 CH 4
29 NO ASSIGN —
30 INPUT HPF FREQ CH 5
31 CH 6
33
NO ASSIGN —
34
35
36
37
38
39
40
41
42
43
44
45
46
47
48
49
50
51
52
53
54
55
56
57
INPUT HPF FREQ
CH 7
58 CH 8
59 CH 9
60 CH10
61 NO ASSIGN —
62 INPUT HPF FREQ CH11
63 CH12
64
INPUT HPF ON
CH 1
65 CH 2
66 CH 3
67 CH 4
68 CH 5
69 CH 6
70 CH 7
71 CH 8
72 CH 9
73 CH10
74 CH11
75 CH12
76 CH13
77 CH14
78 CH15
79 CH16
80 CH17
81 CH18
82 CH19
83 CH20
84 CH21
85 CH22
86 CH23
87 CH24
88 NO ASSIGN —
89
INPUT EQ LPF ON
CH 1
90 CH 2
91 CH 3
92 CH 4
93 CH 5
94 CH 6
95 CH 7
102 CH 8
103 CH 9
104 CH10
105 CH11
106 CH12
107 CH13
108 CH14
109 CH15
110 CH16
111 CH17
112 CH18
113 CH19
114 CH20
115 CH21
116 CH22
117 CH23
118 CH24
119 NO ASSIGN —
Control
Change# MODE PARAMETER 1 PARAMETER 2

Assegnazione di parametri a Control Change
354 PM5D/PM5D-RH V2/DSP5D – Manuale di istruzioni Sezione riferimenti
❏PRESET CHANNEL12
Control
Change# MODE PARAMETER 1 PARAMETER 2
1
INPUT ATT INPUT
CH25
2 CH26
3 CH27
4 CH28
5 CH29
6 CH30
7 CH31
8 CH32
9 CH33
10 CH34
11 CH35
12 CH36
13 CH37
14 CH38
15 CH39
16 CH40
17 CH41
18 CH42
19 CH43
20 CH44
21 CH45
22 CH46
23 CH47
24 CH48
25
INPUT HPF FREQ
CH13
26 CH14
27 CH15
28 CH16
29 NO ASSIGN —
30 INPUT HPF FREQ CH17
31 CH18
33
NO ASSIGN —
34
35
36
37
38
39
40
41
42
43
44
45
46
47
48
49
50
51
52
53
54
55
56
57
INPUT HPF FREQ
CH19
58 CH20
59 CH21
60 CH22
61 NO ASSIGN —
62 INPUT HPF FREQ CH23
63 CH24
64
INPUT HPF ON
CH25
65 CH26
66 CH27
67 CH28
68 CH29
69 CH30
70 CH31
71 CH32
72 CH33
73 CH34
74 CH35
75 CH36
76 CH37
77 CH38
78 CH39
79 CH40
80 CH41
81 CH42
82 CH43
83 CH44
84 CH45
85 CH46
86 CH47
87 CH48
88 NO ASSIGN —
89
INPUT EQ LPF ON
CH25
90 CH26
91 CH27
92 CH28
93 CH29
94 CH30
95 CH31
102 CH32
103 CH33
104 CH34
105 CH35
106 CH36
107 CH37
108 CH38
109 CH39
110 CH40
111 CH41
112 CH42
113 CH43
114 CH44
115 CH45
116 CH46
117 CH47
118 CH48
119 NO ASSIGN —
Control
Change# MODE PARAMETER 1 PARAMETER 2

PM5D/PM5D-RH V2/DSP5D – Manuale di istruzioni Sezione riferimenti 355
Informazioni visua-
lizzate sul display
Menu Function
(Funzioni)
Funzioni
generali
Funzioni
di output
Funzioni
di input
Appendici
❏PRESET CHANNEL13
Control
Change# MODE PARAMETER 1 PARAMETER 2
1
SURROUND LFE H
CH 1
2 CH 2
3 CH 3
4 CH 4
5 CH 5
6 CH 6
7 CH 7
8 CH 8
9 CH 9
10 CH10
11 CH11
12 CH12
13 CH13
14 CH14
15 CH15
16 CH16
17 CH17
18 CH18
19 CH19
20 CH20
21 CH21
22 CH22
23 CH23
24 CH24
25
INPUT HPF FREQ
CH25
26 CH26
27 CH27
28 CH28
29 NO ASSIGN —
30 INPUT HPF FREQ CH29
31 CH30
33
SURROUND LFE L
CH 1
34 CH 2
35 CH 3
36 CH 4
37 CH 5
38 CH 6
39 CH 7
40 CH 8
41 CH 9
42 CH10
43 CH11
44 CH12
45 CH13
46 CH14
47 CH15
48 CH16
49 CH17
50 CH18
51 CH19
52 CH20
53 CH21
54 CH22
55 CH23
56 CH24
57
INPUT HPF FREQ
CH31
58 CH32
59 CH33
60 CH34
61 NO ASSIGN —
62 INPUT HPF FREQ CH35
63 CH36
64
SURROUND DIVERGENCE F
CH 1
65 CH 2
66 CH 3
67 CH 4
68 CH 5
69 CH 6
70 CH 7
71 CH 8
72 CH 9
73 CH10
74 CH11
75 CH12
76 CH13
77 CH14
78 CH15
79 CH16
80 CH17
81 CH18
82 CH19
83 CH20
84 CH21
85 CH22
86 CH23
87 CH24
88 NO ASSIGN —
89
INPUT EQ ON
CH 1
90 CH 2
91 CH 3
92 CH 4
93 CH 5
94 CH 6
95 CH 7
102 CH 8
103 CH 9
104 CH10
105 CH11
106 CH12
107 CH13
108 CH14
109 CH15
110 CH16
111 CH17
112 CH18
113 CH19
114 CH20
115 CH21
116 CH22
117 CH23
118 CH24
119 NO ASSIGN —
Control
Change# MODE PARAMETER 1 PARAMETER 2

Assegnazione di parametri a Control Change
356 PM5D/PM5D-RH V2/DSP5D – Manuale di istruzioni Sezione riferimenti
❏PRESET CHANNEL14
Control
Change# MODE PARAMETER 1 PARAMETER 2
1
SURROUND LFE H
CH25
2 CH26
3 CH27
4 CH28
5 CH29
6 CH30
7 CH31
8 CH32
9 CH33
10 CH34
11 CH35
12 CH36
13 CH37
14 CH38
15 CH39
16 CH40
17 CH41
18 CH42
19 CH43
20 CH44
21 CH45
22 CH46
23 CH47
24 CH48
25
INPUT HPF FREQ
CH37
26 CH38
27 CH39
28 CH40
29 NO ASSIGN —
30 INPUT HPF FREQ CH41
31 CH42
33
SURROUND LFE L
CH25
34 CH26
35 CH27
36 CH28
37 CH29
38 CH30
39 CH31
40 CH32
41 CH33
42 CH34
43 CH35
44 CH36
45 CH37
46 CH38
47 CH39
48 CH40
49 CH41
50 CH42
51 CH43
52 CH44
53 CH45
54 CH46
55 CH47
56 CH48
57
INPUT HPF FREQ
CH43
58 CH44
59 CH45
60 CH46
61 NO ASSIGN —
62 INPUT HPF FREQ CH47
63 CH48
64
SURROUND DIVERGENCE F
CH25
65 CH26
66 CH27
67 CH28
68 CH29
69 CH30
70 CH31
71 CH32
72 CH33
73 CH34
74 CH35
75 CH36
76 CH37
77 CH38
78 CH39
79 CH40
80 CH41
81 CH42
82 CH43
83 CH44
84 CH45
85 CH46
86 CH47
87 CH48
88 NO ASSIGN —
89
INPUT EQ ON
CH25
90 CH26
91 CH27
92 CH28
93 CH29
94 CH30
95 CH31
102 CH32
103 CH33
104 CH34
105 CH35
106 CH36
107 CH37
108 CH38
109 CH39
110 CH40
111 CH41
112 CH42
113 CH43
114 CH44
115 CH45
116 CH46
117 CH47
118 CH48
119 NO ASSIGN —
Control
Change# MODE PARAMETER 1 PARAMETER 2

PM5D/PM5D-RH V2/DSP5D – Manuale di istruzioni Sezione riferimenti 357
Informazioni visua-
lizzate sul display
Menu Function
(Funzioni)
Funzioni
generali
Funzioni
di output
Funzioni
di input
Appendici
❏PRESET CHANNEL15
Control
Change# MODE PARAMETER 1 PARAMETER 2
1
SURROUND LEFT-RIGHT
PAN
CH 1
2 CH 2
3 CH 3
4 CH 4
5 CH 5
6 CH 6
7 CH 7
8 CH 8
9 CH 9
10 CH10
11 CH11
12 CH12
13 CH13
14 CH14
15 CH15
16 CH16
17 CH17
18 CH18
19 CH19
20 CH20
21 CH21
22 CH22
23 CH23
24 CH24
25
DCA FADER H
DCA 1
26 DCA 2
27 DCA 3
28 DCA 4
29 NO ASSIGN —
30 MUTE MASTER ON MASTER 1
31 MASTER 2
33
SURROUND FRONT-REAR
PAN
CH 1
34 CH 2
35 CH 3
36 CH 4
37 CH 5
38 CH 6
39 CH 7
40 CH 8
41 CH 9
42 CH10
43 CH11
44 CH12
45 CH13
46 CH14
47 CH15
48 CH16
49 CH17
50 CH18
51 CH19
52 CH20
53 CH21
54 CH22
55 CH23
56 CH24
57
DCA FADER L
DCA 1
58 DCA 2
59 DCA 3
60 DCA 4
61 NO ASSIGN —
62 MUTE MASTER ON MASTER 3
63 MASTER 4
64
NO ASSIGN —
65
66
67
68
69
70
71
72
73
74
75
76
77
78
79
80
81
82
83
84
85
86
87
88
89
90
91
92
93
94
95
102
103
104
105
106
107
108
109
110
111
112
113
114
115
116
117
118
119
Control
Change# MODE PARAMETER 1 PARAMETER 2

Assegnazione di parametri a Control Change
358 PM5D/PM5D-RH V2/DSP5D – Manuale di istruzioni Sezione riferimenti
❏PRESET CHANNEL16
Control
Change# MODE PARAMETER 1 PARAMETER 2
1
SURROUND LEFT-RIGHT
PAN
CH25
2 CH26
3 CH27
4 CH28
5 CH29
6 CH30
7 CH31
8 CH32
9 CH33
10 CH34
11 CH35
12 CH36
13 CH37
14 CH38
15 CH39
16 CH40
17 CH41
18 CH42
19 CH43
20 CH44
21 CH45
22 CH46
23 CH47
24 CH48
25
DCA FADER H
DCA5
26 DCA6
27 DCA7
28 DCA8
29 NO ASSIGN —
30 MUTE MASTER ON MASTER5
31 MASTER6
33
SURROUND FRONT-REAR
PAN
CH25
34 CH26
35 CH27
36 CH28
37 CH29
38 CH30
39 CH31
40 CH32
41 CH33
42 CH34
43 CH35
44 CH36
45 CH37
46 CH38
47 CH39
48 CH40
49 CH41
50 CH42
51 CH43
52 CH44
53 CH45
54 CH46
55 CH47
56 CH48
57
DCA FADER L
DCA 5
58 DCA 6
59 DCA 7
60 DCA 8
61 NO ASSIGN —
62 MUTE MASTER ON MASTER 7
63 MASTER 8
64
NO ASSIGN —
65
66
67
68
69
70
71
72
73
74
75
76
77
78
79
80
81
82
83
84
85
86
87
88
89
90
91
92
93
94
95
102
103
104
105
106
107
108
109
110
111
112
113
114
115
116
117
118
119
Control
Change# MODE PARAMETER 1 PARAMETER 2

PM5D/PM5D-RH V2/DSP5D – Manuale di istruzioni Sezione riferimenti 359
Informazioni visua-
lizzate sul display
Menu Function
(Funzioni)
Funzioni
generali
Funzioni
di output
Funzioni
di input
Appendici
❏CHANNEL _
Control
Change# MODE PARAMETER 1 PARAMETER 2
1
2
3
4
5
6
7
8
9
10
11
12
13
14
15
16
17
18
19
20
21
22
23
24
25
26
27
28
29
30
31
33
34
35
36
37
38
39
40
41
42
43
44
45
46
47
48
49
50
51
52
53
54
55
56
57
58
59
60
61
62
63
64
65
66
67
68
69
70
71
72
73
74
75
76
77
78
79
80
81
82
83
84
85
86
87
88
89
90
91
92
93
94
95
102
103
104
105
106
107
108
109
110
111
112
113
114
115
116
117
118
119
Control
Change# MODE PARAMETER 1 PARAMETER 2

Assegnazioni di parametri NRPN
360 PM5D/PM5D-RH V2/DSP5D – Manuale di istruzioni Sezione riferimenti
Assegnazioni di parametri NRPN
PARAMETER FROM
(HEX) TO
(HEX)
FADER CHANNEL 0000 003F
MIX1-20,MATRIX1-8,ST A LR 0060 007D
CH to Mix LEVEL
MIX9 SEND 007E 00BD
MIX10 SEND 00DE 011D
MIX11 SEND 013E 017D
MIX12 SEND 019E 01DD
MIX13 SEND 01FE 023D
MIX14 SEND 025E 029D
MIX15 SEND 02BE 02FD
MIX16 SEND 031E 035D
MIX17 SEND 037E 03BD
MIX18 SEND 03DE 041D
MIX19 SEND 043E 047D
MIX20 SEND 049E 04DD
MIX1-20, MATRIX1-
8, ST A LR to Matrix
LEVEL
MATRIX1 SEND 04FE 0513
MATRIX2 SEND 0514 0529
MATRIX3 SEND 052A 053F
MATRIX4 SEND 0540 0555
MATRIX5 SEND 0556 056B
MATRIX6 SEND 056C 0581
MATRIX7 SEND 0582 0597
MATRIX8 SEND 0598 05AD
MIX1-8 to ST LEVEL MIX TO ST 05AE 05B5
ON CHANNEL 05B6 05F5
MIX1-20,MATRIX1-8,ST A LR 0616 0633
CH to Mix ON
MIX9 SEND 0634 0673
MIX10 SEND 0694 06D3
MIX11 SEND 06F4 0733
MIX12 SEND 0754 0793
MIX13 SEND 07B4 07F3
MIX14 SEND 0814 0853
MIX15 SEND 0874 08B3
MIX16 SEND 08D4 0913
MIX17 SEND 0934 0973
MIX18 SEND 0994 09D3
MIX19 SEND 09F4 0A33
MIX20 SEND 0A54 0A93
MIX1-20, MATRIX1-
8, ST A LR to Matrix
LEVEL
MATRIX1 SEND 0AB4 0AC9
MATRIX2 SEND 0ACA 0AC9
MATRIX3 SEND 0AE0 0ADF
MATRIX4 SEND 0AF6 0AF5
MATRIX5 SEND 0B0C 0B0B
MATRIX6 SEND 0B22 0B21
MATRIX7 SEND 0B38 0B37
MATRIX8 SEND 0B4E 0B4D
MIX1-8 to ST ON MIX TO ST 0B64 0B6B
PHASE CHANNEL 0B6C 0BAB
INSERT ON CHANNEL 0BCC 0C03
MIX1-20,MATRIX1-8,ST A LR 0C2C 0C49
CH to Mix PRE/
POST
MIX9 SEND 0C4A 0C89
MIX10 SEND 0CAA 0CE9
MIX11 SEND 0D0A 0D49
MIX12 SEND 0D6A 0DA9
MIX13 SEND 0DCA 0E09
MIX14 SEND 0E2A 0E69
MIX15 SEND 0E8A 0EC9
MIX16 SEND 0EEA 0F29
MIX17 SEND 0F4A 0F89
MIX18 SEND 0FAA 0FE9
MIX19 SEND 100A 1049
MIX20 SEND 106A 10A9
INPUT DELAY
ON 10CA 1101
TIME HIGH 112A 1161
TIME LOW 118A 11C1
MIX1-20,MATRIX1-
8,ST A LR OUTPUT
DELAY
ON 12AA 12C7
TIME HIGH 12C8 12E5
TIME LOW 12E6 1303
EQ CH & MIX1-20,
MATRIX1-8, ST A LR
OUTPUT(LOWER)
*1
ON 1304 1381
Q LOW 1382 13FF
F LOW 1400 147D
G LOW 147E 14FB
Q LO-MID 14FC 1579
F LO-MID 157A 15F7
G LO-MID 15F8 1675
Q HI-MID 1676 16F3
F HI-MID 16F4 1771
G HI-MID 1772 17EF
Q HIGH 17F0 186D
F HIGH 186E 18EB
G HIGH 18EC 1969
ATT 196A 19A9
HPF ON 19E8 1A65
LPF ON 1A66 1AE3
GATE
ON 1AE4 1B1B
ATTACK 1B44 1B7B
THRESH 1BA4 1BDB
RANGE 1C04 1C3B
HOLD 1C64 1C9B
DECAY 1CC4 1CFB
COMP CH & MIX1-
20, MATRIX1-8, ST
A LR OUTPUT
*1
ON 1D24 1DA1
ATTACK 1DA2 1E1F
THRESH 1E20 1E9D
RELEASE 1E9E 1F1B
RATIO 1F1C 1F99
GAIN 1F9A 2017
KNEE 2018 2095
PAN CHANNEL 2096 20D5
CH to MIX PAN
MIX9-10 20F6 2135
MIX11-12 2156 2195
MIX13-14 21B6 21F5
MIX15-16 2216 2255
MIX17-18 2276 22B5
MIX19-20 22D6 2315
MIX1-20, ST A LR to
Matrix PAN
MATRIX1,2 2336 234B
MATRIX3,4 234C 2361
MATRIX5,6 2362 2377
MATRIX7,8 2378 238D
MIX1-8 to ST PAN MIX TO ST 238E 2395
BALANCE MIX1-20,MATRIX1-8,ST A LR 2396 23B3
SURROUND
LFE 23B4 23F3
DIV (F) 2414 2453
LR 2474 24B3
FR 24D4 2513
PARAMETER FROM
(HEX) TO
(HEX)

PM5D/PM5D-RH V2/DSP5D – Manuale di istruzioni Sezione riferimenti 361
Informazioni visua-
lizzate sul display
Menu Function
(Funzioni)
Funzioni
generali
Funzioni
di output
Funzioni
di input
Appendici
GEQ13-20
ON 2534 253B
GAIN1 253C 2543
GAIN2 2544 254B
GAIN3 254C 2553
GAIN4 2554 255B
GAIN5 255C 2563
GAIN6 2564 256B
GAIN7 256C 2573
GAIN8 2574 257B
GAIN9 257C 2583
GAIN10 2584 258B
GAIN11 258C 2593
GAIN12 2594 259B
GAIN13 259C 25A3
GAIN14 25A4 25AB
GAIN15 25AC 25B3
GAIN16 25B4 25BB
GAIN17 25BC 25C3
GAIN18 25C4 25CB
GAIN19 25CC 25D3
GAIN20 25D4 25DB
GAIN21 25DC 25E3
GAIN22 25E4 25EB
GAIN23 25EC 25F3
GAIN24 25F4 25FB
GAIN25 25FC 2603
GAIN26 2604 260B
GAIN27 260C 2613
GAIN28 2614 261B
GAIN29 261C 2623
GAIN30 2624 262B
GAIN31 262C 2633
EFFECT 1-8
BYPASS 26B4 26BB
MIX 26BC 26C3
PARAM1 26C4 26CB
PARAM2 26CC 26D3
PARAM3 26D4 26DB
PARAM4 26DC 26E3
PARAM5 26E4 26EB
PARAM6 26EC 26F3
PARAM7 26F4 26FB
PARAM8 26FC 2703
PARAM9 2704 270B
PARAM10 270C 2713
PARAM11 2714 271B
PARAM12 271C 2723
PARAM13 2724 272B
PARAM14 272C 2733
PARAM15 2734 273B
PARAM16 273C 2743
PARAM17 2744 274B
PARAM18 274C 2753
PARAM19 2754 275B
PARAM20 275C 2763
PARAM21 2764 276B
PARAM22 276C 2773
PARAM23 2774 277B
PARAM24 277C 2783
PARAM25 2784 278B
PARAM26 278C 2793
PARAM27 2794 279B
PARAM28 279C 27A3
PARAM29 27A4 27AB
PARAM30 27AC 27B3
PARAM31 27B4 27BB
PARAM32 27BC 27C3
PARAMETER FROM
(HEX) TO
(HEX)
GEQ 1-6
ON 27C4 27C9
GAIN1 27CA 27CF
GAIN2 27D0 27D5
GAIN3 27D6 27DB
GAIN4 27DC 27E1
GAIN5 27E2 27E7
GAIN6 27E8 27ED
GAIN7 27EE 27F3
GAIN8 27F4 27F9
GAIN9 27FA 27FF
GAIN10 2800 2805
GAIN11 2806 280B
GAIN12 280C 2811
GAIN13 2812 2817
GAIN14 2818 281D
GAIN15 281E 2823
GAIN16 2824 2829
GAIN17 282A 282F
GAIN18 2830 2835
GAIN19 2836 283B
GAIN20 283C 2841
GAIN21 2842 2847
GAIN22 2848 284D
GAIN23 284E 2853
GAIN24 2854 2859
GAIN25 285A 285F
GAIN26 2860 2865
GAIN27 2866 286B
GAIN28 286C 2871
GAIN29 2872 2877
GAIN30 2878 287D
GAIN31 287E 2883
SURROUND DIV R 2884 28C3
FADER MIX21-24,ST B LR 28E4 28E9
CH to Mix LEVEL
MIX1 SEND 28EA 2929
MIX2 SEND 292A 2969
MIX3 SEND 296A 29A9
MIX4 SEND 29AA 29E9
MIX5 SEND 29EA 2A29
MIX6 SEND 2A2A 2A69
MIX7 SEND 2A6A 2AA9
MIX8 SEND 2AAA 2AE9
MIX21 SEND 2AEA 2B29
MIX22 SEND 2B2A 2B69
MIX23 SEND 2B6A 2BA9
MIX24 SEND 2BAA 2BE9
MIX21-24, ST B LR
to Matrix LEVEL
MATRIX1 SEND 2BEA 2BEF
MATRIX2 SEND 2BF0 2BF5
MATRIX3 SEND 2BF6 2BFB
MATRIX4 SEND 2BFC 2C01
MATRIX5 SEND 2C02 2C07
MATRIX6 SEND 2C08 2C0D
MATRIX7 SEND 2C0E 2C13
MATRIX8 SEND 2C14 2C19
MIX21-24 to ST
LEVEL MIX TO ST 2C1A 2C29
ON MIX21-24,ST B LR 2C2A 2C2F
PARAMETER FROM
(HEX) TO
(HEX)

Assegnazioni di parametri NRPN
362 PM5D/PM5D-RH V2/DSP5D – Manuale di istruzioni Sezione riferimenti
CH to Mix ON
MIX1 SEND 2C30 2C6F
MIX2 SEND 2C70 2CAF
MIX3 SEND 2CB0 2CEF
MIX4 SEND 2CF0 2D2F
MIX5 SEND 2D30 2D6F
MIX6 SEND 2D70 2DAF
MIX7 SEND 2DB0 2DEF
MIX8 SEND 2DF0 2E2F
MIX21 SEND 2E30 2E6F
MIX22 SEND 2E70 2EAF
MIX23 SEND 2EB0 2EEF
MIX24 SEND 2EF0 2F2F
MATRIX SEND 2F30 2F35
MIX TO ST 2F36 2F45
INSERT ON MIX21-24,ST B LR 2F46 2F4B
CH to Mix PRE/
POST
MIX1 SEND 2F4C 2F8B
MIX2 SEND 2F8C 2FCB
MIX3 SEND 2FCC 300B
MIX4 SEND 300C 304B
MIX5 SEND 304C 308B
MIX6 SEND 308C 30CB
MIX7 SEND 30CC 310B
MIX8 SEND 310C 314B
MIX21 SEND 314C 318B
MIX22 SEND 318C 31CB
MIX23 SEND 31CC 320B
MIX24 SEND 320C 324B
MIX1-20, ST B LR
OUTPUT DELAY
ON 324C 3251
TIME HIGH 3252 3257
TIME LOW 3258 325D
EQ MIX21-24, ST A
LR OUT-
PUT(LOWER)
ON 325E 3263
Q LOW 3264 3269
F LOW 326A 326F
G LOW 3270 3275
Q LO-MID 3276 327B
F LO-MID 327C 3281
G LO-MID 3282 3287
Q HI-MID 3288 328D
F HI-MID 328E 3293
G HI-MID 3294 3299
Q HIGH 329A 329F
F HIGH 32A0 32A5
G HIGH 32A6 32AB
HPF ON 32AC 32B1
LPF ON 32B2 32B7
EQ OUTPUT
(HIGHER)
E Q 32B8 32D3
E F 32D4 32EF
E G 32F0 330B
F Q 330C 3327
F F 3328 3343
F G 3344 335F
G Q 3360 337B
G F 337C 3397
G G 3398 33B3
H Q 33B4 33CF
H F 33D0 33EB
H G 33EC 3407
E HPF ON/OFF 3408 3423
H LPF ON/OFF 3424 343F
INPUT EQ LOW TYPE(P/S/F) 3440 347F
INPUT EQ HIGH TYPE(P/S/F) 3480 34BF
OUTPUT EQ
A TYPE(P/S/F) 34C0 34E3
D TYPE(P/S/F) 34E4 3507
E TYPE(P/S/F) 3508 3523
H TYPE(P/S/F) 3524 353F
PARAMETER FROM
(HEX) TO
(HEX)
OUTPUT EQ
A BYPASS 3540 3563
B BYPASS 3564 3587
C BYPASS 3588 35AB
D BYPASS 35AC 35CF
E BYPASS 35D0 35EB
F BYPASS 35EC 3607
G BYPASS 3608 3623
H BYPASS 3624 363F
IN HPF F 3640 367F
COMP MIX21-24,
ST A LR OUTPUT
ON 3680 3685
ATTACK 3686 368B
THRESH 368C 3691
RELEASE 3692 3697
RATIO 3698 369D
GAIN 369E 36A3
KNEE 36A4 36A9
PAN MIX1-2 36AA 36E9
CH to MIX PAN
MIX3-4 36EA 3729
MIX5-6 372A 3769
MIX7-8 376A 37A9
MIX21-22 37AA 37E9
MIX23-24 37EA 3829
MIX21-24, ST B LR
to Matrix PAN
MATRIX1,2 382A 382F
MATRIX3,4 3830 3835
MATRIX5,6 3836 383B
MATRIX7,8 383C 3841
MIX9-24 to ST PAN MIX TO ST 3842 3851
GEQ7-12
ON 3852 3857
GAIN1 3858 385D
GAIN2 385E 3863
GAIN3 3864 3869
GAIN4 386A 386F
GAIN5 3870 3875
GAIN6 3876 387B
GAIN7 387C 3881
GAIN8 3882 3887
GAIN9 3888 388D
GAIN10 388E 3893
GAIN11 3894 3899
GAIN12 389A 389F
GAIN13 38A0 38A5
GAIN14 38A6 38AB
GAIN15 38AC 38B1
GAIN16 38B2 38B7
GAIN17 38B8 38BD
GAIN18 38BE 38C3
GAIN19 38C4 38C9
GAIN20 38CA 38CF
GAIN21 38D0 38D5
GAIN22 38D6 38DB
GAIN23 38DC 38E1
GAIN24 38E2 38E7
GAIN25 38E8 38ED
GAIN26 38EE 38F3
GAIN27 38F4 38F9
GAIN28 38FA 38FF
GAIN29 3900 3905
GAIN30 3906 390B
GAIN31 390C 3911
LCR IN, MIX ON/OFF 3912 3969
CSR 396A 39C1
DIRECT OUT ON/OFF 39C2 39F9
CH TO STEREO ON/OFF 3A02 3A41
DCA ON/OFF 3A42 3A49
LEVEL 3A4E 3A55
MUTE MASTER ON/OFF 3A5A 3A61
RECALL SAFE ON/OFF 3A66 3AE6
PARAMETER FROM
(HEX) TO
(HEX)

PM5D/PM5D-RH V2/DSP5D – Manuale di istruzioni Sezione riferimenti 363
Informazioni visua-
lizzate sul display
Menu Function
(Funzioni)
Funzioni
generali
Funzioni
di output
Funzioni
di input
Appendici
HA
GAIN1 3B06 3B14
GAIN2 3B16 3B24
GAIN3 3B26 3B34
GAIN4 3B36 3B44
GAIN5 3B46 3B54
GAIN6 3B56 3B64
GAIN7 3B66 3B74
GAIN8 3B76 3B84
+48v 1 3B86 3B94
+48v 2 3B96 3BA4
+48v 3 3BA6 3BB4
+48v 4 3BB6 3BC4
+48v 5 3BC6 3BD4
+48v 6 3BD6 3BE4
+48v 7 3BE6 3BF4
+48v 8 3BF6 3C04
HPF1 3C06 3C14
HPF2 3C16 3C24
HPF3 3C26 3C34
HPF4 3C36 3C44
HPF5 3C46 3C54
HPF6 3C56 3C64
HPF7 3C66 3C74
HPF8 3C76 3C84
GEQ
ON 3C86 3C99
L LOW BYPASS 3C9A 3CAD
L LOW Q 3CAE 3CC1
L LOW FREQ 3CC2 3CD5
L LOW GAIN 3CD6 3CE9
L LOW MID BYPASS 3CEA 3CFD
L LOW MID Q 3CFE 3D11
L LOW MID FREQ 3D12 3D25
L LOW MID GAIN 3D26 3D39
L HIGH MID BYPASS 3D3A 3D4D
L HIGH MID Q 3D4E 3D61
L HIGH MID FREQ 3D62 3D75
L HIGH MID GAIN 3D76 3D89
L HIGH BYPASS 3D8A 3D9D
L HIGH Q 3D9E 3DB1
L HIGH FREQ 3DB2 3DC5
L HIGH GAIN 3DC6 3DD9
U LOW BYPASS 3DDA 3DED
U LOW Q 3DEE 3E01
U LOW FREQ 3E02 3E15
U LOW GAIN 3E16 3E29
U LOW MID BYPASS 3E2A 3E3D
U LOW MID Q 3E3E 3E51
U LOW MID FREQ 3E52 3E65
U LOW MID GAIN 3E66 3E79
U HIGH MID BYPASS 3E7A 3E8D
U HIGH MID Q 3E8E 3EA1
U HIGH MID FREQ 3EA2 3EB5
U HIGH MID GAIN 3EB6 3EC9
U HIGH BYPASS 3ECA 3EDD
U HIGH Q 3EDE 3EF1
U HIGH FREQ 3EF2 3F05
U HIGH GAIN 3F06 3F19
L LOW TYPE 3F1A 3F2D
L HIGH TYPE 3F2E 3F41
U LOW TYPE 3F42 3F55
U HIGH TYPE 3F56 3F69
L HPF ON 3F6A 3F7D
L LPF ON 3F7E 3F91
U HPF ON 3F92 3FA5
U LPF ON 3FA6 3FB9
PARAMETER FROM
(HEX) TO
(HEX) *1. Per i parametri EQ o COMP che comprendono INPUT CH e OUT-
PUT, OUTPUT viene assegnato a partire da 96 (60h) dopo il primo
numero. Quindi i numeri subito dopo INPUT CH fino a subito prima
di OUTPUT non vengono assegnati.

Elenco libreria canali
364 PM5D/PM5D-RH V2/DSP5D – Manuale di istruzioni Sezione riferimenti
Elenco libreria canali
In questa tabella sono riportati i parametri che vengono salvati nella libreria canali per i canali INPUT/ST IN, i canali MIX, i
canali MATRIX e i canali STEREO A/B.
INPUT/ST IN MIX MATRIX STEREO A/B
LCR On/Off
LCR Center-Side Ratio
Fade Time On/Off
Fade Time Start Offset
Fade Time Fading Time
Insert In On/Off
Insert Point
Direct Out On/Off
Direct Out Point
Phase
On/Off
To Stereo Pan
Master Balance
Level Master Level
Attenuator
GATE On/Off
GATE Key In Filter
On
GATE Filter Type
GATE Filter Freq.
GATE Filter Q
GATE Type
GATE Attack
GATE Range
GATE Hold
GATE Decay
GATE Threshold
COMP LINK 1-8 COMP LINK A-H
COMP On/Off
COMP Key In Type
COMP Attack
COMP Release
COMP Ratio
COMP OutGain
COMP Knee/Width
COMP Threshold
EQ LINK 1-8 EQ LINK A-F EQ LINK G,H EQ LINK A-F
HPF On/Off EQ HPF On/
Off x2 EQ HPF On/
Off EQ HPF On/
Off x2
HPF Freq
EQ Type 1,2
EQ On/Off
EQ Filter Type x2 EQ Filter Type
x4 EQ Filter Type
x2 EQ Filter Type
x4
EQ LPF On/Off EQ LPF On/Off
x2 EQ LPF On/Off EQ LPF On/Off
x2
EQ Q x4 EQ Q x8 EQ Q x4 EQ Q x8
EQ Freq x4 EQ Freq x8 EQ Freq x4 EQ Freq x8
EQ Gain x4 EQ Gain x8 EQ Gain x4 EQ Gain x8
EQ Bypass x8 EQ Bypass x4 EQ Bypass x8
Delay On/Off
Delay Time
Surround LFE
Surround Div.
Surround Div.Rear
Surround LR Pan
Surround FR Pan
Surround Div.Link
Mute Group 1-8 On/Off
DCA Group 1-8
On/Off DCA Group
7,8 On/Off DCA Group
7,8 On/Off DCA Group
7,8 On/Off
To Stereo On/Off
To Stereo
Point
Mix Send Pre
Point Mix Send Post
Point
Mix Send Follow
Pan Vari
Mix Send Follow
Pan Fixed
Mix Send 1-24
On/Off
Mix Send 1-24
Pre/Post
Mix Send 1-24
Level
Mix Send 1-24
Pan
To Matrix On/
Off To Matrix On/
Off
To Matrix
Point To Matrix
Point
To Matrix 1-8
Level To Matrix 1-8
Level
To Matrix 1-8
Pan To Matrix 1-8
Pan
Selective Recall On
Selective Recall Parameter
INPUT/ST IN MIX MATRIX STEREO A/B

PM5D/PM5D-RH V2/DSP5D – Manuale di istruzioni Sezione riferimenti 365
Informazioni visua-
lizzate sul display
Menu Function
(Funzioni)
Funzioni
generali
Funzioni
di output
Funzioni
di input
Appendici
Elenco di parametri disponibili per le operazioni di Pair, Recall
Safe o OUTPUT ISOLATION
Nella tabella seguente sono riportati i parametri per i canali accoppiati che è possibile collegare e le impostazioni per ciascun
parametro che è possibile selezionare per l'operazione Recall Safe o OUTPUT ISOLATION.
: I parametri dei canali accoppiati vengono collegati.
– : Non soggetto a Pairing / Recall Safe / Output Isolation
❏Input channels ❏MIX channels
Parameter Pair Recall Safe
Recall Safe —
HA GANG pos-
sible on HA HA (not ALL)
NAME —
PHASE —INPUT ALL
MS DECODE —INPUT ALL
LCR INPUT ALL
Fade Time INPUT FADER, ALL
Insert INPUT ALL
Direct Out INPUT ALL
On INPUT ALL
Fader INPUT FADER, ALL
PAN GANG INPUT ALL
Att GANG INPUT ATT, ALL
Gate INPUT GATE, ALL
Comp INPUT COMP, ALL
HPF INPUT EQ, ALL
EQ INPUT EQ, ALL
Delay On INPUT DELAY, ALL
Delay TIME GANG INPUT DELAY, ALL
Surround LFE INPUT ALL
Surround Div INPUT ALL
Surround Div Rear INPUT ALL
Surround Div Link INPUT ALL
Mute Assign INPUT ALL
DCA Assign INPUT ALL
To Stereo On INPUT ALL
To Mix Follow Pan INPUT MIX SEND, ALL
To Mix ON INPUT MIX SEND, ALL
To Mix LEVEL INPUT MIX SEND, ALL
To Mix PAN INPUT MIX SEND, ALL
To Mix PRE/POST INPUT MIX SEND, ALL
PAIR INPUT ALL
Global Paste —
Solo Safe —
Cue —
Key In Cue —
Mute Safe —
Selective Recall —
Tracking Recall —
Parameter Pair Recall Safe ISOLATION
Recall Safe —
LCR MIX ALL
Fade Time MIX FADER, ALL
Insert MIX ALL MIX INSERT,
MIX ALL
On MIX ALL
Fader MIX FADER, ALL
BALANCE —MIX ALL
Comp MIX COMP, ALL
EQ MIX EQ, ALL
Delay On MIX DELAY, ALL
Delay TIME GANG MIX DELAY, ALL
Mute Assign MIX ALL
DCA Assign MIX ALL
To Mix ON CH to MIX (not ALL)
To Mix LEVEL CH to MIX (not ALL)
To Mix Pan —CH to MIX (not ALL)
To Mix PRE/POST CH to MIX (not ALL)
To Matrix ON MIX TO MTRX, ALL
To Matrix LEVEL MIX TO MTRX, ALL
To Matrix POINT MIX TO MTRX, ALL
To Matrix PAN —MIX ALL
To Stereo On MIX ALL
To Stereo Point MIX ALL
Post To ST MIX ALL
Mute Assign MIX ALL
DCA Assign MIX ALL
PAIR MIX ALL
VARI/FIX MIX ALL
Global Paste —
Solo Safe —
Cue —
Mute Safe —
Selective Recall —
Tracking Recall —
Patch —— MIX PATCH,
MIX ALL
OUTPUT ISOLA-
TION —

Elenco di parametri disponibili per le operazioni di Pair, Recall Safe o OUTPUT ISOLATION
366 PM5D/PM5D-RH V2/DSP5D – Manuale di istruzioni Sezione riferimenti
❏MATRIX channels ❏STEREO channels
❏Other
* Il parametro è utilizzabile per l'operazione Recall Safe se il
collegamento alla libreria è disattivato nella schermata SCENE.
Parameter Pair Recall Safe ISOLATION
Recall Safe —
Fade Time MATRIX FADER, ALL
Insert MATRIX ALL MATRIX INSERT,
MATRIX ALL
On MATRIX ALL
Fader MATRIX FADER, ALL
BALANCE —MATRIX ALL
Comp MATRIX COMP, ALL
EQ MATRIX EQ, ALL
Delay On MATRIX DELAY, ALL
Delay TIME GANG MATRIX DELAY, ALL
Mute Assign MATRIX ALL
DCA Assign MATRIX ALL
PAIR MATRIX ALL
Global Paste —
Solo Safe —
Cue —
Mute Safe —
Selective Recall —
Tracking Recall —
Patch —— MIX PATCH,
MIX ALL
OUTPUT ISOLA-
TION —
Parameter Pair Recall Safe ISOLATION
Recall Safe —
Fade Time ST FADER, ALL
Insert ST ALL ST INSERT, ST ALL
On ST ALL
Fader ST FADER, ALL
BALANCE —ST ALL
Comp ST COMP, ALL
EQ ST EQ ALL
Delay On ST DELAY, ALL
Delay TIME GANG ST DELAY, ALL
Mute Assign ST ALL
DCA Assign ST ALL
MONO —ST ALL
To Matrix On ST TO MTRX, ALL
To Matrix LEVEL ST TO MTRX, ALL
To Matrix POINT ST TO MTRX, ALL
To Matrix PAN —ST ALL
Global Paste —
Solo Safe —
Cue —
Mute Safe —
Selective Recall —
Tracking Recall —
Patch —— MIX PATCH,
MIX ALL
OUTPUT ISOLA-
TION —
Parameter Pair Recall Safe ISOLATION
INPUT PATCH Turn off the library link.* —
OUTPUT PATCH Turn off the library link.* —
EFF1-8 EFF1-8
GEQ 1-20 LINK GEQ 1-20
DCA FADER,MUTE DCA1-8 —
DCA FADE TIME DCA1-8 —
DCA NAME DCA1-8 (WITH NAME) —
MUTE MASTER MUTE MASTER —
MIDI REMOTE MIDI REMOTE A-D —
PLUG-IN PLUG-IN 1-4 —

PM5D/PM5D-RH V2/DSP5D – Manuale di istruzioni Sezione riferimenti 367
Informazioni visua-
lizzate sul display
Menu Function
(Funzioni)
Funzioni
generali
Funzioni
di output
Funzioni
di input
Appendici
In questa tabella è riportato il comportamento dei parametri di canale quando i canali INPUT/ST IN, MIX o MATRIX
vengono accoppiati.
❏Parametri copiati quando è abilitato
l'accoppiamento
❏Parametri attivati quando è abilitato
l'accoppiamento
❏Parametri che non vengono modificati
quando è abilitato l'accoppiamento
(ripristinati se è selezionata l'opzione
RESET BOTH)
❏Parametri che non vengono modificati
quando è abilitato l'accoppiamento
(non ripristinati anche se è selezionata
l'opzione RESET BOTH)
INPUT/ST IN MIX MATRIX
LCR On/Off
LCR Center-Side Ratio
Fade Time On/Off
Fade Time Start Offset
Fade Time Fading Time
Insert In On/Off
Insert Point
Direct Out On/Off
Direct Out Point
On/Off
Level Master Level
GATE On/Off
GATE Key In Source
GATE Key In Filter On
GATE Filter Type
GATE Filter Freq.
GATE Filter Q
GATE Type
GATE Attack
GATE Range
GATE Hold
GATE Decay
GATE Threshold
COMP LINK 1-8 COMP LINK A-H
COMP On/Off
COMP Key In Source
COMP Key In Type
COMP Attack
COMP Release
COMP Ratio
COMP OutGain
COMP Knee/Width
COMP Threshold
EQ LINK 1-8 EQ LINK A-F EQ LINK G,H
HPF On/Off EQ HPF On/Off x2 EQ HPF On/Off
HPF Freq
EQ Type 1,2
EQ On/Off
EQ Filter Type x2 EQ Filter Type x4 EQ Filter Type x2
EQ LPF On/Off EQ LPF On/Off x2 EQ LPF On/Off
EQ Q x4 EQ Q x8 EQ Q x4
EQ Freq x4 EQ Freq x8 EQ Freq x4
EQ Gain x4 EQ Gain x8 EQ Gain x4
EQ Bypass x8 EQ Bypass x4
Delay On/Off
Surround LFE
Surround Div.
Surround Div.Rear
Surround Div.Link
Mute Group 1-8 On/Off
DCA Group 1-8 On/Off DCA Group 7,8 On/Off
To Stereo On/Off
To Stereo Point
Mix Send Pre Point Mix Send Post Point
Mix Send Follow Pan Vari
Mix Send Follow Pan
Fixed
Mix Send 1-24 On/Off
Mix Send 1-24 Pre/Post
Mix Send 1-24 Level
To Matrix On/Off
To Matrix Point
Selective Recall On
Selective Recall Parameter
Recall Safe On
Recall Safe Parameter
Mute Safe On
Tracking On/Off
Tracking Level
Solo Safe On/Off
Cue/Solo On/Off
CH COPY CH SELECT
GLOBAL PASTE CH SELECT
OUTPUT ISOLATION PARAMETER
INPUT/ST IN MIX MATRIX
Attenuator Gang
Gate Stereo Link
Comp Stereo Link
Delay Gang
INPUT/ST IN MIX MATRIX
Phase
To Stereo Pan
Master Balance
Attenuator
Delay Time
Surround LR Pan
Surround FR Pan
Mix Send 1-24 Pan
To Matrix 1-8 Level
To Matrix 1-8 Pan
Input Pan Mode
Surround Link On/Off
Surround Link Pattern
M-S Encode On/Off
M-S Encode S-Gain
INPUT/ST IN MIX MATRIX
Mix Type
(VARI,FIX,SURR)
TB On/Off
OSC On/Off
MONITOR DEFINE On/Off
INPUT/ST IN MIX MATRIX

Formato dati MIDI
368 PM5D/PM5D-RH V2/DSP5D – Manuale di istruzioni Sezione riferimenti
Formato dati MIDI
This section explains the format of the data that the PM5D is able to understand, send, and receive.
In addition to the messages described here, you can use the MIDI REMOTE function or the MIDI EVENT settings of the
SCENE function to transmit any type of command.
1 CHANNEL MESSAGE
1.1 NOTE OFF (8n)
Reception
These messages are echoed to MIDI OUT if [OTHER ECHO] is ON.
They are received if [Rx CH] matches, and used to control effects.
1.2 NOTE ON (9n)
Reception
These messages are echoed to MIDI OUT if [OTHER ECHO] is ON.
They are received if [Rx CH] matches, and used to control effects.
1.3 CONTROL CHANGE (Bn)
Two types of control change can be transmitted and received; [NRPN] (Non-
Registered Parameter Numbers) and freely-assigned [TABLE] (16CH x 110)
messages. Select either [TABLE] or [NRPN].
Reception
These messages are echoed to MIDI OUT if [Control Change ECHO] is ON.
If [TABLE MULTI] is selected, these messages are received when [Control
Change Rx] is ON, and will control parameters according to the settings of the
[Control assign table]. If [TABLE SINGLE] is selected, these messages are
received when [Control Change Rx] is ON and [Rx CH] matches, and will
control parameters according to the settings of the [Control assign table]. For
the parameters that can be assigned, refer to p. 341.
If [NRPN] is selected, these messages are received when [Control Change Rx] is
ON and the [Rx CH] matches; the four messages NRPN control number (62h,
63h) and DATA ENTRY control number (06h, 26h) are used to control the
specified parameter.
Transmission
If [TABLE MULTI] is selected, and if [Control Change Tx] is ON when you
operate a parameter that is assigned in the [Control assign table], these
messages will be transmitted. If [TABLE SINGLE] is selected, and if [Control
Change Tx] is ON when you operate a parameter that is assigned in the [Control
assign table], these messages are transmitted on the [Tx CH] channel. For the
parameters that can be assigned, refer to p. 341.
If [NRPN] is selected, and if [Control Change Tx] is ON when you operate a
specified parameter, the four messages NRPN control number (62h, 63h) and
DATA ENTRY control number (06h, 26h) are transmitted on the [Tx CH]
channel.
Control Change messages are not used for transmission to PM5D Editor
because there is no guarantee that the contents of the assignment tables will
match. (Parameter Change messages are always used.)
Control Change numbers 0 and 32 are for selecting banks.
If [TABLE] is selected
Equation for converting a Control Value to parameter data
paramSteps = paramMax - paramMin + 1;
add = paramWidth / paramSteps;
mod = paramWidth - add * paramSteps;
curValue = parm * add + mod / 2;
(1) If the assigned parameter has fewer than 128 steps
paramWidth = 128; rxValue = Control value;
(2) If the assigned parameter has 128 or more but less than
16,384 steps
paramWidth = 16384;
(2-1) When High and Low data is received
rxValue = Control value(High) * 128 + Control value(Low);
(2-2) When Low data is received
rxValue = (curValue & 16256) + Control value(Low);
(2-3) When High data is received
rxValue = Control value(High) * 128 + (curValue & 127);
(3) If the assigned parameter has 16,384 or more but less than
2,097,152 steps
paramWidth = 2097152;
(3-1) When High, Middle, and Low data is received
rxValue = Control value(High) * 16384 + Control value(Middle) * 128 + Control
value(Low);
(3-2) When only Low data is received
rxValue = (curValue & 2097024) + Control value(Low);
(3-3) When only Middle data is received
rxValue = (curValue & 2080895) + Control value(Middle) * 128;
(3-4) When only High data is received
rxValue = (curValue & 16383) + Control value(High) * 16384;
(3-5) When only Middle and Low data is received
rxValue = (curValue & 2080768) + Control value(Middle) * 128 + Control
value(Low);
(3-6) When only High and Low data is received
rxValue = (curValue & 16256) + Control value(High) * 16384 + Control value(Low);
(3-7) When only High and Middle data is received
rxValue = (curValue & 127) + Control value(High) * 16384 + Control value(Middle)
* 128;
if ( rxValue > paramWidth)
rxValue = paramWidth;
param = ( rxValue - mod / 2) / add;
If [NRPN] is selected
STATUS 1000nnnn 8n Note off message
DATA 0nnnnnnn nn Note number
0vvvvvvv vv Velocity(ignored)
STATUS 1001nnnn 9n Note on message
DATA 0nnnnnnn nn Note number
0vvvvvvv vv Velocity (1-127:on, 0:off)
STATUS 1011nnnn Bn Control change
DATA 00 Control number (00)
0vvvvvvv vv Control Value (0-127)
STATUS 1011nnnn Bn Control change
DATA 20 Control number (32)
0vvvvvvv vv Control Value (0-127)
STATUS 1011nnnn Bn Control change
DATA 0nnnnnnn nn Control number (1-31,33-95,102-119) *
0vvvvvvv vv Control Value (0-127)
* Numbers 0, 32, and 96–101 cannot be used.
STATUS 1011nnnn Bn Control change
DATA 01100010 62 NRPN LSB
0vvvvvvv vv Parameter number LSB
STATUS 1011nnnn Bn Control change *
DATA 01100011 63 NRPN MSB
0vvvvvvv vv Parameter number MSB
STATUS 1011nnnn Bn Control change *
DATA 00000110 06 Data entry MSB
0vvvvvvv vv Parameter data MSB
STATUS 1011nnnn Bn Control change *
DATA 00100110 26 Data entry LSB
0vvvvvvv vv Parameter data LSB
* The STATUS byte of the second and subsequent messages need not
be added during transmission. Reception must occur correctly
whether or not the status byte is omitted.

PM5D/PM5D-RH V2/DSP5D – Manuale di istruzioni Sezione riferimenti 369
Informazioni visua-
lizzate sul display
Menu Function
(Funzioni)
Funzioni
generali
Funzioni
di output
Funzioni
di input
Appendici
1.4 PROGRAM CHANGE (Cn)
Reception
If [Program Change ECHO] is ON, bank select messages will also be echoed
from MIDI OUT.
If SINGLE CH is selected, these messages are received if [Program Change RX]
is ON and the [Rx CH] matches. However if [OMNI] is ON, these messages are
received regardless of the channel. When these messages are received, scene
memories are recalled according to the settings of the [Program Change Table].
Transmission
If [Program Change] is ON, these messages are transmitted according to the
[Program Change Table] settings when a scene memory is recalled.
If SINGLE CH is selected, these messages are transmitted on the [Tx CH]
channel.
If the recalled scene has been assigned to more than one program number, the
lowest-numbered program number for each MIDI channel will be transmitted.
Program Change messages are not used for transmission to PM5D Editor
because there is no guarantee that the contents of the assignment tables will
match. (Parameter Change messages are always used.)
You can choose either MULTI MIDI CH or SINGLE CH.
If SINGLE is selected
You can choose the RX CH, OMNI CH, and TX CH.
You can choose whether a bank select message will be added.
A bank of up to 16 can be specified.
If MULTI is selected
The RX and TX channels will be the same.
The assignment table will use the settings for each MIDI channel. Bank select
messages will not be added.
You can make settings for up to sixteen MIDI channels.
2 SYSTEM REALTIME MESSAGE
2.1 TIMING CLOCK (F8)
Reception
This message is used to control effects. This message is transmitted twenty-four
times per quarter note.
Echoing of this message depends on the OTHER item in the ECHO settings.
2.2 ACTIVE SENSING (FE)
Reception
Once this message has been received, MIDI communication will be initialized
(e.g., Running Status will be cleared) if no message is received for an interval of
400 ms.
This message is not subject to echoing.
2.3 SYSTEM RESET (FF)
Reception
When this message is received, MIDI communication will be initialized (e.g.,
Running Status will be cleared).
This message is not subject to echoing.
3 System Exclusive Message
3.1 Real Time System Exclusive
3.2 Bulk Dump
This message is used to send or receive the contents of various memories stored
within the PM5D.
The basic format is as follows.
The PM5D uses the following data types for a bulk dump.
The unique header (Model ID) identifies whether the device is a PM5D.
To calculate the check sum, add the bytes starting with the byte after BYTE
COUNT (LOW) and ending with the byte before CHECK SUM, take the binary
complement, and set bit 7 to 0.
CHECK SUM = (-sum)&0x7F
Bulk Dumps can be received at any time, and can be transmitted at any time
when a Bulk Dump Request is received.
A Bulk Dump is transmitted on the [Rx CH] channel in response to a Bulk
Dump Request.
In the data portion, seven words of 8-bit data are converted into eight words of
7-bit data.
[Conversion from actual data to bulk data]
d[0. 6]: actual data
b[0. 7]: bulk data
b[0] = 0;
for( I=0; I<7; I++){
if( d[I]&0x80){
b[0] |= 1<<(6-I);
}
b[I+1] = d[I]&0x7F;
}
STATUS 1100nnnn Cn Program change
DATA 0nnnnnnn nn Program number (0-127)
STATUS 11111000 F8 Timing clock
STATUS 11111110 FE Active sensing
STATUS 11111111 FF System reset
Command rx/tx function
F0 7F dd 06 … F7 MMC COMMAND tx MMC
command
F0 7F dd 01 … F7 MIDI TIME CODE rx Full message
Command rx/tx function
F0 43 0n 3E BB BB 0F D0 D1 D2 …
EE F7 BULK DUMP DATA
rx/tx BULK DUMP
DATA
F0 43 2n 3E 0F D0 D1 D2 … EE F7
BULK DUMP REQUEST
rx BULK DUMP
REQUEST
Data name
(D0)
Data Number
(D1,2)
tx/rx function
‘M’0-500
512 (current data) tx/rx Scene Memory & Request
‘S’512 (current data) tx/rx Setup Memory & Request
(current setup)
‘R’0–99
512 (current data) tx/rx Input patch library & Request
‘O’0–99
512 (current data) tx/rx Output patch library & Request
‘H’1–199
512– (channel
current data)
tx/rx Input Channel library & Request
‘h’1–199
768– (channel
current data)
tx/rx Output Channel library &
Request
‘G’1–199
512– (channel
current data)
tx/rx Gate library & Request
‘Y’1–199
512– (channel
current data)
tx/rx Compressor library & Request
‘Q’1–199
512– (channel
current data)
tx/rx Input Equalizer library & Request
‘q’1–199
768 - (channel
current data)
tx/rx Output Equalizer library &
Request
‘F’1–199
512– (GEQ 1-20
current data)
tx/rx GEQ Equalizer library & Request
‘E’1–199
512– (Effect 1-8
current data)
tx/rx Effect library & Request
‘W’1–199
512 (current data) tx/rx HA library & Request
‘P’512 (current data) tx/rx Program change table & Request
‘C’512 (current data) tx/rx Control change table & Request
‘N’512 (current data) tx/rx Plug-in Effect Card Data &
Request
‘A’512 (current data) tx/rx Event List & Request

Formato dati MIDI
370 PM5D/PM5D-RH V2/DSP5D – Manuale di istruzioni Sezione riferimenti
[Recovery from bulk data to actual data]
d[0. 6]: actual data
b[0. 7]: bulk data
for( I=0; I<7; I++){
b[0] <<= 1;
d[I] = b[I+1]+(0x80&b[0]);
}
3.3 PARAMTER CHANGE
Reception
This message is echoed if [Parameter change ECHO] is ON.
This message is received if [Parameter change RX] is ON and [Rx CH] matches
the Device number included in the SUB STATUS. When a parameter change is
received, the specified parameter will be controlled. When a parameter request
is received, the current value of the specified parameter will be transmitted as a
parameter change with its Device Number as the [Rx CH].
Transmission
If [Parameter change TX] is ON, and you edit a parameter for which control
change transmission has not been enabled, a parameter change will be
transmitted with the [Tx CH] as its device number.
In response to a parameter request, a parameter change will be transmitted with
[Rx CH] as its device number.
4. PARAMETER CHANGE details
4.1 Current Scene, Setup, Backup, Input Patch,
Output Patch, HA Data
– Parameter change –
4.1.1 Format
Reception
This message is received if [Parameter change RX] is ON and [Rx CH] matches
the Device number included in the SUB STATUS.
This message is echoed if [Parameter change ECHO] is ON.
When the message is received, the specified parameter will be edited.
Transmission
If [Parameter change Tx] is ON, this message is transmitted with the [Device
Number] specified by the [Tx CH] when you edit a parameter that is not
assigned in the [Control change assign table].
4.1.2 Data categories
4.2 Current Scene, Setup, Backup, Input Patch,
Output Patch, HA Data
– Parameter request –
4.2.1 Format
Reception
This message is received if [Parameter change RX] is ON and [Rx CH] matches
the Device number included in the SUB STATUS.
This message is echoed if [Parameter change ECHO] is ON.
When this is received, the value of the specified parameter is transmitted as a
Parameter Change.
4.2.2 Data categories
4.3 Function Call – Library Store/Recall –
(Parameter change)
4.3.1 Format
Reception
This message is received if [Parameter change RX] is ON and [Rx CH] matches
the Device number included in the SUB STATUS.
This message is echoed if [Parameter change ECHO] is ON.
When the message is received, the specified parameter will be edited.
Transmission
If [Parameter change Tx] is ON, this message is transmitted with a [Device
Number] of the [Tx CH].
Command rx/tx function
F0 43 1n 3E 0F … F7
RARAMETER CHANGE
rx/tx PM5D native parameter change
F0 43 3n 3E 0F … F7
PARAMETER REQUEST
rx/tx PM5D native parameter request
STATUS 11110000 F0 System exclusive message
ID No. 01000011 43 Manufacture’s ID number (YAMAHA)
SUB STATUS 0001nnnn 1n n=0-15 (Device number=MIDI Channel)
GROUP ID 00111110 3E Digital mixer
MODEL ID 00001111 0F PM5D
DATA
Category
0ccccccc cc
DATA 0eeeeeee ee Element No *1
0iiiiiii ii Index No *2
0ccccccc cc Channel No *3
0ddddddd dd data
::
EOX 11110111 F7 End of exclusive
*1 If ee is 0, the Element No. is extended by two bytes.
*2 If ii is 0, the Index No. is extended by two bytes.
*3 If cc is 0, the Channel No. is extended by two bytes.
DATA CATEGORY NAME
0x01 00000001 Current Scene Data
0x03 00000011 Setup Data
0x04 00000100 Backup Data
0x06 00000110 Input patch Data
0x07 00000111 Output patch Data
0x08 00001000 HA Data
STATUS 11110000 F0 System exclusive message
ID No. 01000011 43 Manufacture’s ID number (YAMAHA)
SUB STATUS 0001nnnn 3n n=0-15 (Device number=MIDI Channel)
GROUP ID 00111110 3E Digital mixer
MODEL ID 00001111 0F PM5D
DATA Category 0ccccccc cc
DATA 0eeeeeee ee Element No *1
0iiiiiii ii Index No *1
0ccccccc cc Channel No *1
EOX 11110111 F7 End of exclusive
*1 See 4.1.1
DATA CATEGORY NAME
0x01 00000001 Current Scene Data
0x03 00000011 Setup Data
0x04 00000100 Backup Data
0x06 00000110 Input patch Data
0x07 00000111 Output patch Data
0x08 00001000 HA Data
STATUS 11110000 F0 System exclusive message
ID No. 01000011 43 Manufacture’s ID number (YAMAHA)
SUB STATUS 0001nnnn 1n n=0-15 (Device number=MIDI Channel)
GROUP ID 00111110 3E Digital mixer
MODEL ID 00001111 0F PM5D
DATA CATEGORY 00000000 00 OTHER DATA
FUNCTION NAME 01001100 "L" (ASCII CODE) See 4.3.2
01101001 "i" (ASCII CODE)
01100010 "b" (ASCII CODE)
0fffffff ff (ASCII CODE)
0fffffff ff (ASCII CODE)
0fffffff ff (ASCII CODE)
0fffffff ff (ASCII CODE)
0fffffff ff (ASCII CODE)
MODULE NAME 0mmmmmmm mm (ASCII CODE) See 4.3.3
0mmmmmmm mm (ASCII CODE)
0mmmmmmm mm (ASCII CODE)
0mmmmmmm mm (ASCII CODE)
0mmmmmmm mm (ASCII CODE)
0mmmmmmm mm (ASCII CODE)
0mmmmmmm mm (ASCII CODE)
0mmmmmmm mm (ASCII CODE)
DATA 0mmmmmmm mh number High
0mmmmmmm ml number Low
0ccccccc ch channel High
0ccccccc cl channel Low
EOX 11110111 F7 End of exclusive

PM5D/PM5D-RH V2/DSP5D – Manuale di istruzioni Sezione riferimenti 371
Informazioni visua-
lizzate sul display
Menu Function
(Funzioni)
Funzioni
generali
Funzioni
di output
Funzioni
di input
Appendici
4.3.2 Function names
4.3.3 Module names
4.4 Function Call – Library Edit –
(Parameter change)
4.4.1 Format
Reception
This message is received if [Parameter change RX] is ON and [Rx CH] matches
the Device number included in the SUB STATUS.
This message is echoed if [Parameter change ECHO] is ON.
When the message is received, the specified memory/library will be edited.
Transmission
In response to a request, a Parameter Change message is transmitted on the [Rx
CH].
If [Parameter change ECHO] is ON, the message is transmitted without change.
4.4.2 Function names
FUNCTION NAME
Store “LibStr__”
Recall “LibRcl__”
Unknown Factor Store *1 “LibUnStr”
Unknown Factor Recall “LibUnRcl”
Store Undo (only Scene) “LibStrUd”
Recall Undo (only Scene) “LibRclUd”
*1 This indicates that the library data has been
updated due to an external cause (such as
LOAD).
MODULE NAME
Scene “SCENE___”
Input Patch “INPATCH_”
Output Patch “OUTPATCH”
Input Channel “INCHNNL_”
Output Channel “OUTCHNNL”
Input EQ “INEQ____”
Output EQ “OUTEQ___”
Gate “GATE____”
Comp “COMP____”
GEQ “GEQ_____”
Effect “EFFECT__”
HA “HA______”
Plug-in Effect Library “PLUG-IN”
Function Number Channel tx/rx
“LibStr__ ”SCENE 1- 500 *5 tx/rx
INPATCH 1- 99 *5 tx/rx
OUTPATCH LIB 1- 99 *5 tx/rx
INPUT CHANNEL LIB 1- 199 *1 tx/rx
OUTPUT CHANNEL
LIB 1- 199 *2 *3 *4 tx/rx
INPUT EQ LIB 41- 199 *1 tx/rx
OUTPUT EQ LIB 4- 199 *2 *3 *4 tx/rx
GATE LIB 5- 199 *1 tx/rx
COMP LIB 37- 199 *1 *2 *3 *4 tx/rx
GEQ LIB 1- 199 *6 tx/rx
EFFECT LIB 48- 199 *7 tx/rx
HA LIB 1- 199 *5 tx/rx
PLUG-IN EFFECT LIB *8 *5 tx
“LibUnStr”SCENE 1- 500 tx
INPATCH 1- 99 tx
OUTPATCH LIB 1- 99 tx
INPUT CHANNEL LIB 1- 199 tx
OUTPUT CHANNEL
LIB 1- 199 tx
INPUT EQ LIB 41- 199 tx
OUTPUT EQ LIB 4- 199 tx
GATE LIB 5- 199 tx
COMP LIB 37- 199 tx
GEQ LIB 1- 199 tx
EFFECT LIB 48- 199 tx
HA LIB 1- 199 tx
PLUG-IN EFFECT LIB *8 tx
“LibRcl__”SCENE 0- 500 *5 tx/rx
INPATCH 0- 99 *5 Tx/rx
OUTPATCH LIB 0- 99 *5 Tx/rx
INPUT CHANNEL LIB 0- 199 *1 Tx/rx
OUTPUT CHANNEL
LIB 0- 199 *2 *3 *4 Tx/rx
INPUT EQ LIB 1- 199 *1 tx/rx
OUTPUT EQ LIB 1- 199 *2 *3 *4 *9 tx/rx
GATE LIB 1- 199 *1 tx/rx
COMP LIB 1- 199 *1 *2 *3 *4 tx/rx
GEQ LIB 0- 199 *6 tx/rx
EFFECT LIB 1- 199 *7 tx/rx
HA LIB 0- 199 *5 tx/rx
“LibUnRcl”SCENE *5 tx
INPATCH *5 tx
OUTPATCH LIB *5 tx
INPUT CHANNEL LIB *1 tx
OUTPUT CHANNEL
LIB *2 *3 *4 tx
INPUT EQ LIB *1 tx
OUTPUT EQ LIB *2 *3 *4 *9 tx
GATE LIB *1 tx
COMP LIB *1 *2 *3 *4 tx
GEQ LIB *6 tx
EFFECT LIB *7 tx
HA LIB *5 tx
“LibStrUd”SCENE tx/rx
“LibRclUd”SCENE tx/rx
*1 0:CH1–47:CH48, 48:STIN1L–55:STIN4R, 56:FXRTN 1L–63:FXRTN
4R
*2 256:MIX1–279:MIX24
*3 512:MATRIX1–519:MATRIX8
*4 1024:STEREO1L–1027:STEREO2R
*5 Use 512 if the recall-destination or store-source data is single
*6 0:GEQ1–19:GEQ20
*7 0:Effect1–7:Effect8
*8 0-500:Slot1 0-500, 512-1012:Slot2 0-500, 1024-1524:Slot3 0-
500, 1536-2036:Slot4 0-500
*9 1280:GEQ1 – 1299:GEQ20
STATUS 11110000 F0 System exclusive message
ID No. 01000011 43 Manufacture’s ID number (YAMAHA)
SUB STATUS 0001nnnn 1n n=0-15 (Device number=MIDI Channel)
GROUP ID 00111110 3E Digital mixer
MODEL ID 00001111 0F PM5D
DATA
CATEGORY
00000000 00 OTHER DATA
FUNCTION
NAME
01001100 "L" (ASCII CODE) See 4.4.2
01101001 "i" (ASCII CODE)
01100010 "b" (ASCII CODE)
0fffffff ff (ASCII CODE)
0fffffff ff (ASCII CODE)
0fffffff ff (ASCII CODE)
0fffffff ff (ASCII CODE)
0fffffff ff (ASCII CODE)
MODULE NAME 0mmmmmmm mm (ASCII CODE) See 4.4.3
0mmmmmmm mm (ASCII CODE)
0mmmmmmm mm (ASCII CODE)
0mmmmmmm mm (ASCII CODE)
0mmmmmmm mm (ASCII CODE)
0mmmmmmm mm (ASCII CODE)
0mmmmmmm mm (ASCII CODE)
0mmmmmmm mm (ASCII CODE)
DATA 0mmmmmmm mh number -source start High
0mmmmmmm ml number -source start Low
0mmmmmmm mh number -source end High
0mmmmmmm ml number -source end Low
0mmmmmmm mh number -destination start High
0mmmmmmm ml number -destination to start Low
EOX 11110111 F7 End of exclusive
FUNCTION NAME
Copy “LibCpy__”
Paste “LibPst__”
Clear “LibClr__”
Cut “LibCut__”
Insert “LibIns__”
Edit undo “LibEdtUd”
Function Number Channel tx/rx

Formato dati MIDI
372 PM5D/PM5D-RH V2/DSP5D – Manuale di istruzioni Sezione riferimenti
4.4.3 Module names
4.5 Function Call – Library Attribute –
4.5.1 Title (Parameter change) format
Reception
This message is received if [Parameter change RX] is ON and [Rx CH] matches
the Device number included in the SUB STATUS.
This message is echoed if [Parameter change ECHO] is ON.
When the message is received, the title of the specified memory/library will be
edited.
Transmission
In response to a request, a Parameter Change message is transmitted on the [Rx
CH].
If [Parameter change ECHO] is ON, the message is transmitted without change.
4.5.2 Title (Parameter request) format
Reception
When this is received, a parameter change is transmitted with [Rx CH] as the
device number.
4.5.3 Title module names
4.5.4 Protect (Parameter change) format
4.5.5 Protect (Parameter request) format
Reception
When this is received, a parameter change is transmitted with [Rx CH] as the
device number.
MODULE NAME
SCENE LIB “SCENE___”Copy, Paste, Clear, Cut, Insert,
EditUndo
INPATCH LIB “INPATCH_”Only Clear
OUTPATCH LIB “OUTPATCH”Only Clear
INPUT CHANNEL LIB “INCHNNL_”Only Clear
OUTPUT CHANNEL LIB “OUTCHNNL”Only Clear
INPUT EQ LIB “INEQ____”Only Clear
OUTPUT EQ LIB “OUTEQ___”Only Clear
GATE LIB “GATE____”Only Clear
COMP LIB “COMP____”Only Clear
GEQ LIB “GEQ_____”Only Clear
EFFECT LIB “EFFECT__”Only Clear
HA LIB “HA______”Only Clear
STATUS 11110000 F0 System exclusive message
ID No. 01000011 43 Manufacture’s ID number (YAMAHA)
SUB STATUS 0001nnnn 1n n=0-15 (Device number=MIDI Channel)
GROUP ID 00111110 3E Digital mixer
MODEL ID 00001111 0F PM5D
DATA
CATEGORY
00000000 00 OTHER DATA
FUNCTION
NAME
01001100 "L" (ASCII CODE)
01101001 "i" (ASCII CODE)
01100010 "b" (ASCII CODE)
01010100 "T" (ASCII CODE)
01101001 "i" (ASCII CODE)
01110100 "t" (ASCII CODE)
01101100 "l" (ASCII CODE)
01011111 "_" (ASCII CODE)
MODULE NAME 0mmmmmmm mm (ASCII CODE) See 4.5.3
0mmmmmmm mm (ASCII CODE)
0mmmmmmm mm (ASCII CODE)
0mmmmmmm mm (ASCII CODE)
0mmmmmmm mm (ASCII CODE)
0mmmmmmm mm (ASCII CODE)
0mmmmmmm mm (ASCII CODE)
0mmmmmmm mm (ASCII CODE)
DATA 0mmmmmmm mh number High
0mmmmmmm ml number Low
0ddddddd dd title 1
0ddddddd dd title x
EOX 11110111 F7 End of exclusive
STATUS 11110000 F0 System exclusive message
ID No. 01000011 43 Manufacture’s ID number (YAMAHA)
SUB STATUS 0011nnnn 3n n=0-15 (Device number=MIDI Channel)
GROUP ID 00111110 3E Digital mixer
MODEL ID 00001111 0F PM5D
DATA
CATEGORY
00000000 00 OTHER DATA
FUNCTION
NAME
01001100 "L" (ASCII CODE)
01101001 "i" (ASCII CODE)
01100010 "b" (ASCII CODE)
01010100 "T" (ASCII CODE)
01101001 "i" (ASCII CODE)
01110100 "t" (ASCII CODE)
01101100 "l" (ASCII CODE)
01011111 "_" (ASCII CODE)
MODULE NAME 0mmmmmmm mm (ASCII CODE) See 4.5.3
0mmmmmmm mm (ASCII CODE)
0mmmmmmm mm (ASCII CODE)
0mmmmmmm mm (ASCII CODE)
0mmmmmmm mm (ASCII CODE)
0mmmmmmm mm (ASCII CODE)
0mmmmmmm mm (ASCII CODE)
0mmmmmmm mm (ASCII CODE)
DATA 0mmmmmmm mh number High
0mmmmmmm ml number Low
EOX 11110111 F7 End of exclusive
MODULE NAME number size
SCENE LIB “SCENE___”0-500,512 (0: response only) 16
INPATCH LIB “INPATCH_”0-99 (0: response only) 16
OUTPATCH LIB “OUTPATCH”0-99 (0: response only) 16
INPUT CHANNEL LIB “INCHNNL_”0-199 (0-1: response only) 16
OUTPUT CHANNEL
LIB “OUTCHNNL”0-199 (0-1: response only) 16
INPUT EQ LIB “INEQ____”1-199 (1-40: response only) 16
OUTPUT EQ LIB “OUTEQ___”1-199 (1-3: response only) 16
GATE LIB “GATE____”1-199 (1-4: response only) 16
COMP LIB “COMP____”1-199 (1-36: response only) 16
GEQ LIB “GEQ_____”1-199 (1-52: response only) 16
EFFECT LIB “EFFECT__”0-199 (0: response only) 16
HA LIB “HA______”0-199 (0: response only) 16
STATUS 11110000 F0 System exclusive message
ID No. 01000011 43 Manufacture’s ID number (YAMAHA)
SUB STATUS 0001nnnn 1n n=0-15 (Device number=MIDI Channel)
GROUP ID 00111110 3E Digital mixer
MODEL ID 00001111 0F PM5D
DATA
CATEGORY
00000000 00 OTHER DATA
FUNCTION
NAME
01001100 "L" (ASCII CODE)
01101001 "i" (ASCII CODE)
01100010 "b" (ASCII CODE)
01010000 "P" (ASCII CODE)
01110010 "r" (ASCII CODE)
01110100 "t" (ASCII CODE)
01100011 "c" (ASCII CODE)
01011111 "_" (ASCII CODE)
MODULE NAME 0mmmmmmm mm (ASCII CODE) See 4.5.6
0mmmmmmm mm (ASCII CODE)
0mmmmmmm mm (ASCII CODE)
0mmmmmmm mm (ASCII CODE)
0mmmmmmm mm (ASCII CODE)
0mmmmmmm mm (ASCII CODE)
0mmmmmmm mm (ASCII CODE)
0mmmmmmm mm (ASCII CODE)
DATA 0mmmmmmm mh number High
0mmmmmmm ml number Low
0ddddddd dd data (unprotected:0, protected:1, read
only:2 )
EOX 11110111 F7 End of exclusive
STATUS 11110000 F0 System exclusive message
ID No. 01000011 43 Manufacture’s ID number (YAMAHA)
SUB STATUS 0011nnnn 3n n=0-15 (Device number=MIDI Channel)
GROUP ID 00111110 3E Digital mixer
MODEL ID 00001111 0F PM5D
DATA
CATEGORY
00000000 00 OTHER DATA

PM5D/PM5D-RH V2/DSP5D – Manuale di istruzioni Sezione riferimenti 373
Informazioni visua-
lizzate sul display
Menu Function
(Funzioni)
Funzioni
generali
Funzioni
di output
Funzioni
di input
Appendici
4.5.6 Protect module names
4.5.7 Link format (Parameter change)
Reception
This message is received if [Parameter change RX] is ON and [Rx CH] matches
the Device number included in the SUB STATUS.
This message is echoed if [Parameter change ECHO] is ON.
When the message is received, the link settings of the specified memory/library
will be edited.
Transmission
In response to a request, a Parameter Change message is transmitted on the [Rx
CH].
If [Parameter change ECHO] is ON, the message is transmitted without change.
4.5.8 Link format (Parameter request)
Reception
When this is received, a parameter change is transmitted with [Rx CH] as the
device number.
For the function and number, refer to the table in 4.5.7.
4.5.9 Library module names
4.5.10 Linked library module names
FUNCTION
NAME
01001100 "L" (ASCII CODE)
01101001 "i" (ASCII CODE)
01100010 "b" (ASCII CODE)
01010000 "P" (ASCII CODE)
01110010 "r" (ASCII CODE)
01110100 "t" (ASCII CODE)
01100011 "c" (ASCII CODE)
01011111 "_" (ASCII CODE)
MODULE NAME 0mmmmmmm mm (ASCII CODE) See 4.5.6
0mmmmmmm mm (ASCII CODE)
0mmmmmmm mm (ASCII CODE)
0mmmmmmm mm (ASCII CODE)
0mmmmmmm mm (ASCII CODE)
0mmmmmmm mm (ASCII CODE)
0mmmmmmm mm (ASCII CODE)
0mmmmmmm mm (ASCII CODE)
DATA 0mmmmmmm mh number High
0mmmmmmm ml number Low
EOX 11110111 F7 End of exclusive
MODULE NAME number size
SCENE LIB “SCENE___”0-500,512 (0:response only) 16
STATUS 11110000 F0 System exclusive message
ID No. 01000011 43 Manufacture’s ID number (YAMAHA)
SUB STATUS 0001nnnn 1n n=0-15 (Device number=MIDI Channel)
GROUP ID 00111110 3E Digital mixer
MODEL ID 00001111 0F PM5D
DATA
CATEGORY
00000000 00 OTHER DATA
FUNCTION
NAME
01001100 "L" (ASCII CODE)
01101001 "i" (ASCII CODE)
01100010 "b" (ASCII CODE)
01010000 "L" (ASCII CODE)
01101001 "i" (ASCII CODE)
01101110 "n" (ASCII CODE)
01101011 "k" (ASCII CODE)
01011111 "_" (ASCII CODE)
MODULE NAME 0mmmmmmm mm (ASCII CODE) See 4.5.9
0mmmmmmm mm (ASCII CODE)
0mmmmmmm mm (ASCII CODE)
0mmmmmmm mm (ASCII CODE)
0mmmmmmm mm (ASCII CODE)
0mmmmmmm mm (ASCII CODE)
0mmmmmmm mm (ASCII CODE)
0mmmmmmm mm (ASCII CODE)
DATA 0sssssss mh library number High
0sssssss ml library number Low
0mmmmmmm mm linked library (ASCII CODE) *1 See 4.5.10
0mmmmmmm mm linked library (ASCII CODE) *1
0mmmmmmm mm linked library (ASCII CODE) *1
0mmmmmmm mm linked library (ASCII CODE) *1
0mmmmmmm mm linked library (ASCII CODE) *1
0mmmmmmm mm linked library (ASCII CODE) *1
0mmmmmmm mm linked library (ASCII CODE) *1
0mmmmmmm mm linked library (ASCII CODE) *1
0mmmmmmm mh linked library number High *1
0mmmmmmm ml linked library number Low *1
0ddddddd dd data (unlinked:0, linked:1) *1
EOX 11110111 F7 End of exclusive
*1 If this portion is repeated multiple times, this means that a single
packet contains link data for multiple libraries.
STATUS 11110000 F0 System exclusive message
ID No. 01000011 43 Manufacture’s ID number (YAMAHA)
SUB STATUS 0011nnnn 3n n=0-15 (Device number=MIDI Channel)
GROUP ID 00111110 3E Digital mixer
MODEL ID 00001111 0F PM5D
DATA
CATEGORY
00000000 00 OTHER DATA
FUNCTION
NAME
01001100 "L" (ASCII CODE)
01101001 "i" (ASCII CODE)
01100010 "b" (ASCII CODE)
01010000 "L" (ASCII CODE)
01101001 "i" (ASCII CODE)
01101110 "n" (ASCII CODE)
01101011 "k" (ASCII CODE)
01011111 "_" (ASCII CODE)
MODULE NAME 0mmmmmmm mm (ASCII CODE) See 4.5.9
0mmmmmmm mm (ASCII CODE)
0mmmmmmm mm (ASCII CODE)
0mmmmmmm mm (ASCII CODE)
0mmmmmmm mm (ASCII CODE)
0mmmmmmm mm (ASCII CODE)
0mmmmmmm mm (ASCII CODE)
0mmmmmmm mm (ASCII CODE)
DATA 0sssssss mh library number High
0sssssss ml library number Low
0mmmmmmm mm linked library (ASCII CODE) *1 See 4.5.10
0mmmmmmm mm linked library (ASCII CODE) *1
0mmmmmmm mm linked library (ASCII CODE) *1
0mmmmmmm mm linked library (ASCII CODE) *1
0mmmmmmm mm linked library (ASCII CODE) *1
0mmmmmmm mm linked library (ASCII CODE) *1
0mmmmmmm mm linked library (ASCII CODE) *1
0mmmmmmm mm linked library (ASCII CODE) *1
EOX 11110111 F7 End of exclusive
*1 If this portion does not exist, it is assumed that all information for the
specified library and number is being requested.
MODULE NAME number
SCENE LIB "SCENE___" 0-500,512 (0:response only)
MODULE NAME number
INPATCH LIB "INPATCH_" 0- 99
OUTPATCH LIB "OUTPATCH" 0- 99
HA LIB "HA______" 0-199

Formato dati MIDI
374 PM5D/PM5D-RH V2/DSP5D – Manuale di istruzioni Sezione riferimenti
4.6 Exist Library Range
4.6.1 Format (Parameter change)
Transmission
When PM5D receives Library Exist request command from outside, the answer
will be sent back with the following Parameter change.
This packet shows smallest library number range that exists and not read only.
Top number is requested number or more.
-Example-
SCENE is stored 5,6,7,10,100 and 101
Request Number: 0
Data : Valid, Top Number : 5, End Number 7
Request Number: 8
Data : Valid, Top Number : 10, End Number 10
Request Number: 11
Data : Valid, Top Number : 100, End Number 101
Request Number: 102
Data : Invalid, Top Number : 0, End Number 0
4.6.2 Format (Parameter request)
Reception
The Parameter change will be sent with Device number [Rx CH] immediately
the data is received.
4.6.3 Module name
4.7 Function Call – Collection Store –
4.7.1 Format (Parameter change)
Transmission
Data will be transmitted with the [Device Number] in [Tx CH] when
[Parameter change Tx] is on.
4.7.2 Function name
STATUS 11110000 F0 System exclusive message
ID No. 01000011 43 Manufacture’s ID number (YAMAHA)
SUB STATUS 0001nnnn 1n n=0-15 (Device number=MIDI Channel)
GROUP ID 00111110 3E Digital mixer
MODEL ID 00001111 0F PM5D
DATA
CATEGORY
00000000 00 OTHER DATA
FUNCTION
NAME
01001100 "L" (ASCII CODE)
01101001 "i" (ASCII CODE)
01100010 "b" (ASCII CODE)
01000101 "E" (ASCII CODE)
01111000 "x" (ASCII CODE)
01101001 "i" (ASCII CODE)
01110011 "s" (ASCII CODE)
01110100 "t" (ASCII CODE)
MODULE NAME 0mmmmmmm mm (ASCII CODE)
0mmmmmmm mm (ASCII CODE)
0mmmmmmm mm (ASCII CODE)
0mmmmmmm mm (ASCII CODE)
0mmmmmmm mm (ASCII CODE)
0mmmmmmm mm (ASCII CODE)
0mmmmmmm mm (ASCII CODE)
0mmmmmmm mm (ASCII CODE)
DATA 0mmmmmmm nn Data Status ( 0:Invalid data,1:Valid Data )
0nnnnnnn nh Request Number High
0nnnnnnn nl Request Number Low
0nnnnnnn nh Top Number High
0nnnnnnn nl Top Number Low
0nnnnnnn nh End Number High
0nnnnnnn nl End Number Low
EOX 11110111 F7 End of exclusive
STATUS 11110000 F0 System exclusive message
ID No. 01000011 43 Manufacture’s ID number (YAMAHA)
SUB STATUS 0011nnnn 3n n=0-15 (Device number=MIDI Channel)
GROUP ID 00111110 3E Digital mixer
MODEL ID 00001111 0F PM5D
DATA
CATEGORY
00000000 00 OTHER DATA
FUNCTION
NAME
01001100 "L" (ASCII CODE)
01101001 "i" (ASCII CODE)
01100010 "b" (ASCII CODE)
01000101 "E" (ASCII CODE)
01111000 "x" (ASCII CODE)
01101001 "i" (ASCII CODE)
01110011 "s" (ASCII CODE)
01110100 "t" (ASCII CODE)
MODULE NAME 0mmmmmmm mm (ASCII CODE)
0mmmmmmm mm (ASCII CODE)
0mmmmmmm mm (ASCII CODE)
0mmmmmmm mm (ASCII CODE)
0mmmmmmm mm (ASCII CODE)
0mmmmmmm mm (ASCII CODE)
0mmmmmmm mm (ASCII CODE)
0mmmmmmm mm (ASCII CODE)
DATA 0nnnnnnn nh Request Number High
0nnnnnnn nl Request Number Low
EOX 11110111 F7 End of exclusive
MODULE NAME number
SCENE LIB “SCENE___”1-500
INPATCH LIB “INPATCH_”1-99
OUTPATCH LIB “OUTPATCH”1-99
INPUT CHANNEL LIB “INCHNNL_”2-199
OUTPUT CHANNEL
LIB “OUTCHNNL”2-199
INPUT EQ LIB “INEQ____”41-199
OUTPUT EQ LIB “OUTEQ___”4-199
GATE LIB “GATE____”5-199
COMP LIB “COMP____”37-199
GEQ LIB “GEQ_____”53-199
EFFECT LIB “EFFECT__”1-199
HA LIB “HA______”1-199
Plug-in Effect Library “PLUGIN__”1-500
STATUS 11110000 F0 System exclusive message
ID No. 01000011 43 Manufacture’s ID number (YAMAHA)
SUB STATUS 0001nnnn 1n n=0-15 (Device number=MIDI Channel)
GROUP ID 00111110 3E Digital mixer
MODEL ID 00001111 0F PM5D/DSP5D
DATA
CATEGORY
00000000 00 OTHER DATA
FUNCTION
NAME
01001100 "C" (ASCII CODE)
01101001 "o" (ASCII CODE)
01100010 "l" (ASCII CODE)
01010101 "U" (ASCII CODE)
01101110 "n" (ASCII CODE)
01010011 "S" (ASCII CODE)
01110100 "t" (ASCII CODE)
01110010 "r" (ASCII CODE)
MODULE NAME 0mmmmmmm mm (ASCII CODE)
0mmmmmmm mm (ASCII CODE)
0mmmmmmm mm (ASCII CODE)
0mmmmmmm mm (ASCII CODE)
0mmmmmmm mm (ASCII CODE)
0mmmmmmm mm (ASCII CODE)
0mmmmmmm mm (ASCII CODE)
0mmmmmmm mm (ASCII CODE)
DATA 0mmmmmmm mh number High
0mmmmmmm ml number Low
0ccccccc ch channel High
0ccccccc cl channel Low
EOX 11110111 F7 End of exclusive
Function Number tx/rx
“ColUnStr”Setup 0 tx
User Defined Key 0-3 tx
MIDI Remote 0-3 tx
Fader Mode 0-5 tx
Program Change 0 tx
Control Change 0 tx
Event List 0 tx
In EQ 0-63 *1 tx
Mix EQ 256-279 *2 tx

PM5D/PM5D-RH V2/DSP5D – Manuale di istruzioni Sezione riferimenti 375
Informazioni visua-
lizzate sul display
Menu Function
(Funzioni)
Funzioni
generali
Funzioni
di output
Funzioni
di input
Appendici
4.7.3 Module name
4.8 Function Call – Module –
4.8.1 Effect Trigger (Parameter change) format
Reception
This message is received if [Parameter change RX] is ON and [Rx CH] matches
the Device number included in the SUB STATUS. This message is echoed if
[Parameter change ECHO] is ON.
When this message is received, the corresponding effect function will operate
(depends on the effect type).
4.8.2 Effect module names
Nothing will happen if the Effect Type is different.
4.9 Function Call – Channel –
4.9.1 Pair ON/OFF Trigger format (Parameter change)
Reception
Data will be received when [Parameter change Rx] is on and the Device number
of both [Rx CH] and SUB STATUS are matched. The data will be echoed when
[Parameter change ECHO] is on.
4.9.2 Module name – Trigger Type –
Matrix EQ 512-519 *3 tx
Stereo EQ 1024-1027 *4
1280-1299 *8 tx
Gate 0-55 *1 tx
In Comp 0-55 *1 tx
Mix Comp 256- 279 *2 tx
Matrix Comp 512- 519 *3 tx
Stereo Comp 1024-1027 *4 tx
GEQ 0-19 *6 tx
Effect 0-7 *7 tx
Surround 0 tx
*1 0:CH1–47:CH48, 48:STIN1L–55:STIN4R, 56:FXRTN 1L–
63:FXRTN 4R
*2 256:MIX1–279:MIX24
*3 512:MATRIX1–519:MATRIX8
*4 1024:STEREO1L–1027:STEREO2R
*5 Use 512 if the recall-destination or store-source data is
single
*6 0:GEQ1–19:GEQ20
*7 0:Effect1–7:Effect8
*8 1280:GEQ1 – 1299:GEQ20
MODULE NAME
Setup “SETUP___”
User Defined Key “USERDEF_”
MIDI Remote “MIDIRMT_”
Fader Mode “FADMODE_”
Program Change “PRGMCHG_”
Control Change “CTRLCHG_”
Event List “EVNTLIST”
In EQ “IN_EQ___”
Mix EQ “MIX_EQ__”
Matrix EQ “MTRX_EQ_”
Stereo EQ “ST_EQ___”
Gate “GATE____”
In Comp “IN_CMP__”
Mix Comp “MIX_CMP_”
Matrix Comp “MTRX_CMP”
Stereo Comp “ST_CMP__”
GEQ “GEQ_____”
Effect “EFFECT__”
Surround “SURROUND”
STATUS 11110000 F0 System exclusive message
ID No. 01000011 43 Manufacture’s ID number (YAMAHA)
SUB STATUS 0001nnnn 1n n=0-15 (Device number=MIDI Channel)
GROUP ID 00111110 3E Digital mixer
MODEL ID 00001111 0F PM5D
DATA
CATEGORY
00000000 00 OTHER DATA
FUNCTION
NAME
01001101 "M"
01101111 "o"
01100100 "d"
01000110 "F"
01111000 "x"
01010100 "T"
01110010 "r"
01100111 "g"
MODULE NAME 0mmmmmmm mm (ASCII CODE) See 4.6.2
0mmmmmmm mm (ASCII CODE)
0mmmmmmm mm (ASCII CODE)
0mmmmmmm mm (ASCII CODE)
0mmmmmmm mm (ASCII CODE)
0mmmmmmm mm (ASCII CODE)
0mmmmmmm mm (ASCII CODE)
Function Number tx/rx 0mmmmmmm mm (ASCII CODE)
DATA 0eeeeeee ee Effect number (0:Effect1 - 7:Effect8)
0ppppppp pp Release:0, Press:1
EOX 11110111 F7 End of exclusive
MODULE NAME channel
Freeze Play button "FRZPLAY_" 0:Effect1 - 7:Effect8
Freeze Record button "FRZREC__" 0:Effect1 - 7:Effect8
STATUS 11110000 F0 System exclusive message
ID No. 01000011 43 Manufacture’s ID number (YAMAHA)
SUB STATUS 0001nnnn 1n n=0-15 (Device number=MIDI Channel)
GROUP ID 00111110 3E Digital mixer
MODEL ID 00001111 0F PM5D/DSP5D
DATA
CATEGORY
00000000 00 OTHER DATA
FUNCTION
NAME
01000011 "C"
01101000 "h"
01101100 "l"
01010000 "P"
01101001 "i"
01110010 "r"
01000011 "C"
01110000 "p"
MODULE NAME 0mmmmmmm mm (ASCII CODE)
0mmmmmmm mm (ASCII CODE)
0mmmmmmm mm (ASCII CODE)
0mmmmmmm mm (ASCII CODE)
0mmmmmmm mm (ASCII CODE)
0mmmmmmm mm (ASCII CODE)
0mmmmmmm mm (ASCII CODE)
0mmmmmmm mm (ASCII CODE)
DATA 0sssssss ss Source Channel Number H *1
0sssssss ss Source Channel Number L *1
0ddddddd dd Destination Channel Number H *1
0ddddddd dd Destination Channel Number L *1
EOX 11110111 F7 End of exclusive
MODULE NAME
Pair On (with Copy) “PAIRONCP”
Pair On (with Reset Both) “PAIRONRS”
Pair Off “PAIROFF_”
*1 0:CH1–47:CH48
256:MIX1–279:MIX24
512:MATRIX1–519:MATRIX8

Formato dati MIDI
376 PM5D/PM5D-RH V2/DSP5D – Manuale di istruzioni Sezione riferimenti
4.10 Level Meter Data – Parameter change –
4.10.1 Format (Parameter change)
Once a Level Meter Request is received to enable transmission, the specified
meter data will be transmitted at 50 msec intervals for a duration of ten seconds.
If you want meter data to be transmitted continuously, you must transmit a
Request at intervals of no longer than ten seconds.
Reception
This message is echoed if [Parameter change ECHO] is ON.
Transmission
Once transmission is enabled by a Request, the meter data specified in the
Address will be transmitted on the [Rx CH] channel at a specific interval for a
specific duration. (The transmission interval and the duration of transmission
will differ between models of device.)
Transmission is disabled when the power is cycled, or when PORT settings are
changed.
If [Parameter change ECHO] is ON, the message is transmitted without change.
4.10.2 Format (Parameter request)
Reception
This message is received if [Parameter change RX] is ON and [Rx CH] matches
the Device number included in the SUB STATUS. This message is echoed if
[Parameter change ECHO] is ON.
When this is received, the meter data specified in the Address is transmitted on
the [Rx CH] channel at a specific interval for a specific duration.
If this is received with an Address UL = 0x7F, transmission of all meter data will
stop (will be disabled) immediately.
Transmission
If [Parameter change ECHO] is ON, the message is transmitted without change.
4.11 Time Counter Data – Time Code –
4.11.1 Format (Parameter change)
When transmission is enabled by receiving a Remote Time Counter request,
Time Counter data is transmitted at 50 ms intervals for a duration of ten
seconds. If you want counter data to be transmitted continuously, you must
transmit a Request at intervals of no longer than ten seconds.
Reception
This message is echoed if [Parameter change ECHO] is ON.
Transmission
When transmission is enabled by a request, Time Counter data is transmitted
for a specific duration.
Transmission is disabled when the power is cycled, or when PORT settings are
changed.
If [Parameter change ECHO] is ON, the message is transmitted without change.
4.11.2 Format (Parameter request)
Reception
This message is received if [Parameter change RX] is ON and [Rx CH] matches
the Device number included in the SUB STATUS. This message is echoed if
[Parameter change ECHO] is ON.
When this message is received, Time Counter data is transmitted on the [Rx
CH] channel for a specific duration.
If a message is received with 0x7F as the second byte of the Address, data
transmission will be stopped (disabled) immediately.
Transmission
If [Parameter change ECHO] is ON, the message is transmitted without change.
STATUS 11110000 F0 System exclusive message
ID No. 01000011 43 Manufacture’s ID number (YAMAHA)
SUB STATUS 0001nnnn 1n n=0-15 (Device number=MIDI Channel)
GROUP ID 00111110 3E Digital mixer
MODEL ID 00001111 0F PM5D
DATA
CATEGORY
00100001 21 REMOTE LEVEL METER
DATA 0mmmmmmm mm ADDRESS UL
0mmmmmmm mm ADDRESS LU
0mmmmmmm mm ADDRESS LL
0ddddddd dd Data1 H
0ddddddd dd Data1 L
::
EOX 11110111 F7 End of exclusive
STATUS 11110000 F0 System exclusive message
ID No. 01000011 43 Manufacture’s ID number (YAMAHA)
SUB STATUS 0011nnnn 3n n=0-15 (Device number=MIDI Channel)
GROUP ID 00111110 3E Digital mixer
MODEL ID 00001111 0F PM5D
DATA
CATEGORY
00100001 21 REMOTE LEVEL METER
DATA 0mmmmmmm mm ADDRESS UL
0mmmmmmm mm ADDRESS LU
0mmmmmmm mm ADDRESS LL
0ccccccc ch Request Ch Total Number H
0ccccccc cl Request Ch Total Number L
EOX 11110111 F7 End of exclusive
STATUS 11110000 F0 System exclusive message
ID No. 01000011 43 Manufacture’s ID number (YAMAHA)
SUB STATUS 0001nnnn 1n n=0-15 (Device number=MIDI Channel)
GROUP ID 00111110 3E Digital mixer
MODEL ID 00001111 0F PM5D
DATA
CATEGORY
00101011 2b Time Counter TC
DATA 0ddddddd dd Hour
0ddddddd dd Minute
0ddddddd dd Second
0ddddddd dd Frame
EOX 11110111 F7 End of exclusive
STATUS 11110000 F0 System exclusive message
ID No. 01000011 43 Manufacture’s ID number (YAMAHA)
SUB STATUS 0011nnnn 3n n=0-15 (Device number=MIDI Channel)
GROUP ID 00111110 3E Digital mixer
MODEL ID 00001111 0F PM5D
DATA
CATEGORY
00101011 2b Time Counter TC
DATA 0ddddddd dd 0: Request transmission
0x7F: Request stop transmission
EOX 11110111 F7 End of exclusive

PM5D/PM5D-RH V2/DSP5D – Manuale di istruzioni Sezione riferimenti 377
Informazioni visua-
lizzate sul display
Menu Function
(Funzioni)
Funzioni
generali
Funzioni
di output
Funzioni
di input
Appendici
Messaggi di avviso
Questi messaggi vengono visualizzati nella parte inferiore dello schermo. Non sono più visibili dopo un determinato periodo
di tempo.
Messaggio Significato
#xxx of Scene is Empty! Nessun dato è stato memorizzato nella scena che si è tentato di richiamare, oppure i dati sono stati
danneggiati e non è possibile richiamarla.
#xxx of Scene is Read Only! Si è tentato di sovrascrivere (memorizzare) una scena di sola lettura.
#xxx of Scene is Protected! Si è tentato di sovrascrivere (memorizzare) una scena protetta.
Cannot Undo! Si è premuto il tasto [UNDO] di SCENE MEMORY quando l'operazione Undo non era disponibile.
Cannot Assign! È stata selezionata una griglia non disponibile (visualizzata in grigio) nella schermata di assegnazione o è
stato premuto un tasto non valido sul pannello (ad esempio un tasto di assegnazione DCA/MUTE non
disponibile a causa del canale selezionato).
Cannot Drop! Si è tentato di rilasciare un mini-grafico EQ/compressore/gate/EQ/effetto in una posizione di tipo
diverso.
Pair Made. È stata eseguita un'operazione sul pannello per assegnare l'accoppiamento dei canali.
Pair Broken. È stata eseguita un'operazione sul pannello per annullare l'accoppiamento dei canali.
EFFECT CUE: Turned Off. Il segnale di attivazione (CUE) è stato ignorato perché si è passati a un'altra schermata da EQ PARAM o
EFFECT ASSIGN o perché si è passati all'effetto selezionato.
KEY IN CUE: Turned Off. Il segnale di attivazione key in è stato ignorato perché si è passati dalla schermata GATE PRM/COMP
PRM a un'altra schermata.
Overwrite Existing Event. Nella schermata EVENT LIST è stato immesso un evento contemporano a un evento già immesso in
precedenza, per cui l'evento esistente è stato sovrascritto.
Event List Full! Last Event cancelled. Nella schermata EVENT LIST, l'elenco eventi è completo; l'ultimo evento riportato viene eliminato nel
momento in cui ne viene aggiunto uno nuovo.
Interval from Previous Event is Too Short! L'evento che si sta tentando di inserire nella schermata EVENT LIST è troppo vicino a un evento esistente
precedente a quella posizione, quindi è possibile che questo non venga richiamato al momento
desiderato.
TIME CODE: Frame Jump! Il time code immesso nella schermata EVENT LIST ha subito un passaggio di frame o sta andando
indietro.
TIME CODE: Frame Mismatch! Il time code in entrata ha una frequenza di frame diversa rispetto al time code specificato nella
schermata EVENT LIST.
MIDI: Data Framing Error! Segnali non validi sono stati trasmessi al connettore MIDI IN.
MIDI: Data Overrun! Segnali non validi sono stati trasmessi al connettore MIDI IN.
MIDI: Rx Buffer Full! Sono stati ricevuti troppi dati sul connettore MIDI IN.
MIDI: Tx Buffer Full! Sono stati inviati troppi dati dal connettore MIDI OUT.
USB: Data Framing Error! Segnali non validi sono stati trasmessi dalla porta di ingresso del connettore USB.
USB: Data Overrun! Segnali non validi sono stati trasmessi dalla porta di ingresso del connettore USB.
USB: Rx Buffer Full! Sono stati ricevuti troppi dati sulla porta di ingresso del connettore USB.
USB: Tx Buffer Full! Sono stati inviati troppi dati dalla porta di uscita del connettore USB.
SLOT x: Data Framing Error! Segnali non validi sono stati trasmessi dalla porta di ingresso SLOT x.
SLOT x: Data Overrun! Segnali non validi sono stati trasmessi dalla porta di ingresso SLOT x.
SLOT x: Rx Buffer Full! Sono stati ricevuti troppi dati nella porta di ingresso SLOT x.
SLOT x: Tx Buffer Full! Sono stati inviati troppi dati dalla porta di ingresso SLOT x.
RS422: Data Framing Error! Segnali non validi sono stati ricevuti sul connettore HA REMOTE o sul connettore RS422 REMOTE.
RS422: Data Overrun! Segnali non validi sono stati ricevuti sul connettore HA REMOTE o sul connettore RS422 REMOTE.
RS422: Rx Buffer Full! Sono stati ricevuti troppi dati sul connettore HA REMOTE o sul connettore RS422 REMOTE.
RS422: Tx Buffer Full! Sono stati trasmessi troppi dati dal connettore HA REMOTE o dal connettore RS422 REMOTE.
CASCADE: Data Framing Error! Segnali non validi sono stati trasmessi al connettore CASCADE IN/OUT.
CASCADE: Data Overrun! Segnali non validi sono stati trasmessi al connettore CASCADE IN/OUT.
CASCADE: Rx Buffer Full! Sono stati ricevuti troppi dati sul connettore CASCADE IN/OUT.
CASCADE: Tx Buffer Full! Sono stati trasmessi troppi dati dal connettore CASCADE IN/OUT.
DME Control: Data Framing Error! Segnali non validi sono stati trasmessi durante la comunicazione con DME.
DME Control: Data Overrun! Segnali non validi sono stati trasmessi durante la comunicazione con DME.
DME Control: Rx Buffer Full! Sono stati ricevuti troppi dati durante la comunicazione con DME.
DME Control: Tx Buffer Full! Sono stati trasmessi troppi dati durante la comunicazione con DME.
Wrong Word Clock! La console PM5D non può eseguire la sincronizzazione perché l'origine selezionata da MASTER CLOCK
SELECT nella schermata WORD CLOCK non è appropriata.
Sync Error! [xxxx] Il segnale xxxx non è sincronizzato con l'unità PM5D.
xxxx No Signal Present! Il segnale xxxx non viene trasmesso.
Data Type Conflict! Canceled. Si è tentato di richiamare una libreria o di eseguire una copia su un tipo diverso di canale.
HA Type Conflict! Data Ignored. Si è tentato di richiamare una libreria HA di un modello diverso (modello PM5D o PM5D-RH).
Conflicting GPI OUT Cancelled. Il parametro assegnato alla funzione FADER START o a un tasto definito dall'utente corrisponde a
un'assegnazione GPI OUT esistente, quindi l'assegnazione GPI OUT è stata annullata.
Conflicting USER DEFINED KEY
Cancelled. Il parametro assegnato alla funzione GPI OUT corrisponde all'assegnazione di un tasto definito
dall'utente esistente, quindi l'assegnazione del tasto definito dall'utente è stata annullata.
Conflicting FADER START Cancelled. Il parametro assegnato alla funzione GPI OUT corrisponde a una funzione FADER START esistente, quindi
l'assegnazione FADER START è stata annullata.

Messaggi di avviso
378 PM5D/PM5D-RH V2/DSP5D – Manuale di istruzioni Sezione riferimenti
Wrong Password! La password specificata per il sistema o per la console non è corretta.
System Password Changed. La password di sistema è stata modificata.
Console Password Changed. La password della console è stata modificata.
Parameter Locked. Il blocco parametri è stato abilitato.
Parameter Unlocked. Il blocco parametri è stato annullato.
This Parameter is Locked. Il parametro che si è tentato di controllare risulta bloccato.
Channel Copied. Le impostazioni del canale selezionato sono state copiate nel buffer di memoria.
Channel Pasted. Le impostazioni del canale nel buffer di memoria sono state incollate nel canale selezionato.
Nothing to Paste! Non è possibile eseguire alcuna operazione di Incolla perché nel buffer di memoria non sono presenti
dati.
Cannot Paste to Different Channel Type. Non è possibile eseguire alcuna operazione di Incolla perché si sta tentando di incollare impostazioni di
canale di un tipo diverso.
No Card in Slot! Nessuna scheda di memoria è inserita nello slot MEMORY CARD.
File Already Exist! La scheda di memoria contiene già un file/directory con lo stesso nome di quella che si sta tentando di
salvare, rinominare o creare.
Saving Aborted. Il salvataggio nella scheda di memoria è stato interrotto.
Loading Aborted. Il caricamento dalla scheda di memoria è stato interrotto.
No Controllable Gain. Si è tentato di utilizzare una manopola Gain che attualmente disattivata sul pannello.
Tap Operation Ignored. L'operazione di battuta tempo è stata ignorata perché il pulsante TAP TEMPO non è visualizzato nella
schermata.
Cascade Unit Disconnected. Il collegamento con un dispositivo esterno collegato in cascata è stato interrotto.
Additional Cascade Unit Detected. È stato rilevato un dispositivo esterno collegato in cascata.
Incorrect Cascade Connection! La connessione non è adeguata per le impostazioni in cascata.
Couldn’t Store Scene on Slave Console! Non è stato possibile memorizzare la scena nella console slave collegata in cascata perché la scena era
protetta sulla console slave, o per altri motivi.
Couldn’t Edit Scene on Slave Console! Non è stato possibile modificare la scena nella console slave collegata in cascata perché la scena era
protetta sulla console slave, o per altri motivi.
DME Disconnected. Il collegamento con un DME esterno è stato interrotto.
No Response from External HA. Nessuna risposta da un AD8HR o AD824 esterno.
Processing Aborted. Un processo è stato interrotto.
Internal Power Supply is Turned On. (Solo DSP5D) L'alimentatore interno è stato avviato normalmente.
Illegal Address! (Solo DSP5D) L'impostazione relativa all'indirizzo IP o all'indirizzo gateway non è valida.
Load Locked. Il pulsante LOAD LOCK è attivato, quindi il caricamento dei file dalla scheda di memoria non è
consentito.
Load Unlocked. Il pulsante LOAD LOCK è disattivato, quindi è possibile eseguire il caricamento dei file dalla scheda di
memoria.
DME Unsupported Firmware Version. È stato collegato un DME che utilizza una versione firmware non supportata.
DME Unsupported Component Version. È stato collegato un DME che contiene un componente di una versione non supportata.
DME DSP Power Shortage. Le risorse DSP del DME sono insufficienti.
Corrupted data fixed! I valori dei parametri non validi che superano l'intervallo valido sono stati corretti per rientrare
nell'intervallo consentito.
Parameter out of range! Durante la lettura da una scheda di memoria, è stato rilevato un valore di parametro che superava
l'intervallo consentito.
Channel Moved. Le impostazioni dei canali sono state spostate tra i canali selezionati.
Messaggio Significato

PM5D/PM5D-RH V2/DSP5D – Manuale di istruzioni Sezione riferimenti 379
Informazioni visua-
lizzate sul display
Menu Function
(Funzioni)
Funzioni
generali
Funzioni
di output
Funzioni
di input
Appendici
Messaggi di errore
Questi messaggi vengono visualizzati come finestre a comparsa al centro della schermata. Una volta annotato il contenuto del
messaggio, fare clic sul pulsante OK nella schermata per chiudere la finestra a comparsa.
Messaggio Significato
Cannot Store! Impossibile memorizzare una memoria scene o una libreria.
Cannot Recall! Impossibile richiamare una memoria scene o una libreria.
Memory Card Full! Si è tentato di salvare un file di dimensioni maggiori della capacità disponibile della scheda di memoria.
File Not Found! Il file/directory non esiste nella scheda di memoria.
Couldn’t Read File. Impossibile leggere il file dalla scheda di memoria.
Couldn’t Write File. Impossibile scrivere il file sulla scheda di memoria.
Couldn’t Delete File. Impossibile eliminare il file dalla scheda di memoria.
Couldn’t Open File. Impossibile aprire il file dalla scheda di memoria.
Couldn’t Close File. Impossibile chiudere il file nella scheda di memoria.
Unsupported File Format! Il file che si è tentato di caricare dalla scheda di memoria è di un formato non supportato.
No Files to Upload! La memoria interna non contiene file da caricare.
Low Battery! La tensione della batteria di backup è bassa.
Power Supply has Malfunctioned! Si è verificato un problema con l'alimentatore PW800W collegato all'unità PM5D. Contattare il
rivenditore Yamaha.
Total Slot Power Capability Exceeded! Le schede di I/O installate nello slot superano la capacità di alimentazione nominale.
Internal Power Supply is Cut Off! (Solo DSP5D) L'alimentazione non viene più fornita dall'alimentatore interno oppure si è verificato un
altro tipo di problema. In caso di problemi, contattare il rivenditore Yamaha.
External Power Supply is Cut Off! (Solo DSP5D) L'alimentazione non viene più fornita dall'alimentatore PW800W collegato all'unità
DSP5D oppure si è verificato un altro tipo di problema. In caso di problemi, contattare il rivenditore
Yamaha.
Illegal MAC Address! Cannot Use
Ethernet.
(Solo DSP5D) La comunicazione tramite il connettore NETWORK (RJ-45) non è possibile perché
l'impostazione dell'indirizzo MAC è stata danneggiata per qualche motivo. Contattare il rivenditore
Yamaha.
Power Supply Fan has Malfunctioned! (Solo DSP5D) La ventola di raffreddamento dell'alimentatore interno si è fermata. Contattare il
rivenditore Yamaha.
Right Fan has Malfunctioned! (Solo DSP5D) La ventola di raffreddamento sul lato destro non funziona. Contattare il rivenditore
Yamaha.
Left Fan has Malfunctioned! (Solo DSP5D) La ventola di raffreddamento sul lato sinistro non funziona. Contattare il rivenditore
Yamaha.

Risoluzione dei problemi
380 PM5D/PM5D-RH V2/DSP5D – Manuale di istruzioni Sezione riferimenti
Risoluzione dei problemi
L'unità non si accende, i LED del
pannello e il display LCD non si
illuminano
❍Le unità PM5D/DSP5D e PW800W risultano correttamente collegate con lo speciale cavo di
alimentazione?
❍Lo switch POWER dell'unità PW800W è stato attivato?
❍È possibile che la luminosità del LED sia stata diminuita nella schermata PREFERENCE 2 della funzione
UTILITY? (➥ p. 206)
❍Se il problema persiste, contattare il rivenditore Yamaha locale.
Il suono non arriva alla console
❍La scheda I/O opzionale è installata correttamente? (➥ p. 37)
❍Il segnale proveniente dal dispositivo esterno viene ricevuto?
❍La porta di ingresso è associata a un canale di ingresso? (➥ p. 74)
❍Il guadagno dell'head amplifier interno o esterno è impostato su un livello appropriato? (➥ p. 44, 228)
❍L'attenuatore dell'EQ è stato alzato? (➥ p. 286)
❍È possibile che siano attivati erroneamente dei dispositivi insert-in? (➥ p. 78)
❍L'indicatore del tasto [ON] del canale di ingresso è illuminato?
❍Il fader del canale di ingresso è alzato?
❍In modalità SOLO, è possibile che il tasto [CUE] sia stato attivato per un canale che non ha segnale?
(➥ p. 104)
❍Il fader DCA assegnato al canale è alzato? È possibile che sia stato attivato il pulsante MUTE? (➥ p. 83)
Il suono non viene emesso
❍La scheda I/O opzionale è installata correttamente? (➥ p. 37)
❍L'indicatore del tasto [ON] del canale STEREO A/B è illuminato?
❍Una porta di uscita è associata al canale di uscita? (➥ p. 75)
❍È possibile che LCR sia attivato e il valore CSR sia impostato su 1.0? (➥ p. 267)
Non viene emesso il suono dalle
cuffie o dai jack MONITOR OUT
❍La manopola [PHONES] o [LEVEL] della sezione MONITOR è impostata su un volume appropriato?
❍Le impostazioni a video come MONITOR LEVEL e CUE LEVEL sono impostate su un volume appropriato?
Il suono non è sufficientemente alto
❍Il guadagno dell'head amplifier interno o esterno è impostato su un livello appropriato? (➥ p. 44, 228)
❍Il fader del canale di ingresso è alzato?
❍È possibile che il guadagno dell'EQ sia impostato su un valore estremamente basso? (➥ p. 73)
❍È possibile che il rapporto o la soglia GATE/COMP sia impostata su un valore estremo? (➥ p. 71, 72)
❍L'attenuatore dell'EQ è stato alzato? (➥ p. 286)
❍Il fader del canale di uscita è alzato?
❍Provare a utilizzare le diverse schermate della funzione METER per controllare i livelli. (➥ p. 231, 232)
❍Il fader DCA assegnato al canale è alzato?
Il suono è distorto
❍Il word clock è impostato in modo corretto? (➥ p. 38)
❍Il guadagno dell'head amplifier interno o esterno è impostato su un livello appropriato? (➥ p. 44, 228)
❍È possibile che il fader del canale di ingresso sia stato alzato troppo?
❍È possibile che il fader del canale STEREO A/B sia stato alzato troppo?
❍È possibile che il guadagno dell'EQ sia impostato su un valore estremamente alto? (➥ p. 73)
Il suono viene emesso anche quando
non è associato a un canale di uscita
❍È possibile che sia stato assegnato un canale di ingresso come output diretto? (➥ p. 80)
❍È possibile che sia stato assegnato un canale di uscita come insert out? (➥ p. 78)
I canali accoppiati non si sentono in
stereo ❍L'impostazione della modalità pan e il valore pan sono corretti? (➥ p. 302)
Il volume di uno specifico canale
aumenta o diminuisce ❍È possibile che GATE/COMP sia stato impostato su ducking? (➥ p. 72)
L'utilizzo di un fader non consente di
controllare il livello come previsto
❍Sono stati utilizzati i tasti di livello ([CH 1-24]/[CH 25-48] oppure [ST IN 1-4]/[FX RTN 1-4] per selezionare
il livello appropriato?
❍Il tasto FADER [FLIP] è disattivato?
È possibile sentire solo il suono di
uno specifico canale dai jack
MONITOR OUT o PHONES
❍È possibile che sia stato attivato un tasto [CUE]?
Viene emesso un disturbo da un
registratore connesso esternamente
o da un altro dispositivo
❍Il word clock è impostato in modo corretto? (➥ p. 38)
❍È possibile che il segnale di input non sia sincronizzato?
❍L'impostazione dither è corretta? (➥ p. 229)
❍È possibile che l'oscillatore o il talkback sia attivato? (➥ p. 106, 107)
La gamma di frequenze alta è
attenuata
❍È possibile che sia applicata l'enfasi? Questo problema si verifica se lo stato del segnale di input non
corrisponde ai dati di enfasi. (➥ p. 220, 237)
❍È possibile che sia applicato l'EQ? (➥ p. 73)
Viene immesso un segnale di input,
ma non è disponibile un'uscita di
monitoraggio
❍È possibile che sia stato attivato il pulsante CUE INTERRUPTION? Se questo pulsante è attivato, verrà
emesso anche il segnale cue/solo dai jack MONITOR OUT mentre la funzione Cue/Solo è attiva.
(➥ p. 239)
Alcuni canali si sentono sempre,
anche in modalità SOLO ❍È possibile che questi canali siano stati impostati su SOLO SAFE? (➥ p. 241, 242)
Non c'è abbastanza margine,
specialmente quando è applicata
l'amplificazione dell'EQ
❍Utilizzare la funzione di attenuatore dell'EQ per abbassare il livello. (➥ p. 286)
Il suono registrato tramite un jack
2TR OUT DIGITAL o una scheda
digitale I/O risulta non chiaro
❍Verificare che la funzione dither corrisponda alla lunghezza di parole del dispositivo di registrazione.
(➥ p. 229)
Il segnale è ritardato ❍Controllare che l'impostazione di delay per ciascun canale sia impostata correttamente. (➥ p. 66)
Se si utilizza un encoder MIX non si
modifica il livello di mandata al bus
MIX
❍Il tasto [MIX SEND] è attivato?
❍Il tasto MIX [ON] è attivato?
❍Il bus MIX è impostato sul tipo VARI? (➥ p. 222)
❍Se il punto di mandata è impostato su POST, è possibile che il fader sia stato abbassato?
Impossibile eseguire il salvataggio di
una memoria scene o dei dati della
libreria
❍Si sta tentando di salvare i dati in una scena/libreria di sola lettura o di una scena protetta da scrittura?
(➥ p. 175)
Impossibile eseguire il salvataggio su
una scheda di memoria
❍La scheda di memoria è protetta?
❍La scheda di memoria dispone di capacità disponibile sufficiente per salvare i dati?
❍Quando si formatta una scheda di memoria, utilizzare il formato FAT16.

PM5D/PM5D-RH V2/DSP5D – Manuale di istruzioni Sezione riferimenti 381
Informazioni visua-
lizzate sul display
Menu Function
(Funzioni)
Funzioni
generali
Funzioni
di output
Funzioni
di input
Appendici
Specifiche generali
PM5D/PM5D-RH
Impossibile trasmettere/ricevere dati
MIDI
❍La porta MIDI PORT è selezionata correttamente? (➥ p. 123, 125, 127)
❍La modalità e il canale sono selezionati correttamente sui dispositivi di trasmissione e ricezione?
(➥ p. 123, 125)
❍È stato assegnato un evento al program change? (➥ p. 123)
Con i tasti [ON] o [SEL] vengono
selezionati i canali sbagliati
❍Sono stati utilizzati i tasti di livello ([CH 1-24]/[CH 25-48] oppure [ST IN 1-4]/[FX RTN 1-4] per selezionare
il livello appropriato?
Anche se sono stati accoppiati dei
canali di ingresso, la fase del segnale
non è corretta
❍Impostare i canali di ingresso accoppiati con la stessa fase. Anche quando i canali sono accoppiati, le
impostazioni di fase non sono collegate. (➥ p. 53)
Quando si richiama una scena, alcuni
canali/parametri non vengono
aggiornati
❍È possibile che i canali/parametri siano impostati su Recall Safe o su Selective Recall? (➥ p. 92, 94)
Quando si attiva un pulsante CUE
nella schermata EFFECT PARAM
questo viene annullato
automaticamente
❍Viene annullato automaticamente quando si cambia schermata sul display. (➥ p. 167)
Non è possibile effettuare
impostazioni di amplificazione con
l'equalizzatore grafico.
❍Nella schermata GEQ PARAM, è possibile che il valore LIMIT sia impostato su –24? (➥ p. 119)
Quando si richiama una scena è
necessario del tempo prima che i
fader si arrestino
❍È possibile che si sia specificato un periodo di fade? (➥ p. 95)
I LED del pannello o il display LCD è
troppo chiaro/troppo scuro
❍Nella schermata PREFERENCE 2 della funzione UTILITY, è possibile utilizzare l'impostazione BRIGHTNESS
per regolare la luminosità. (➥ p. 206)
Non è possibile controllare l'unità
DSP5D collegata in cascata all'unità
PM5D
❍Le unità PM5D e DSP5D sono correttamente collegate in cascata?
❍Nella schermata MIXER SETUP della funzione SYS/W.CLOCK, l'opzione CASCADE CONNECTION è
impostata sul tipo corretto?
❍Il numero di ID macchina dell'unità DSP5D è impostato in modo corretto?
❍Nella schermata MIXER SETUP della funzione SYS/W.CLOCK, risulta impostata l'opzione CASCADE
ENABLE?
❍È stato utilizzato un tasto definito dall'utente o il tasto FADER MODE per selezionare la macchina che si
desidera controllare dall'unità PM5D?
Il segnale del canale MIX non
proviene dal connettore MIX OUT ❍Per il canale di uscita, un canale MIX risulta assegnato al jack MIX OUT?
Impossibile eseguire il caricamento
dalla scheda di memoria
❍La scheda di memoria è formattata come FAT16?
❍Nella schermata SECURITY della funzione UTILITY, il pulsante LOAD LOCK risulta disattivato?
Sampling Frequency Internal: 44.1 kHz, 48 kHz, 88.2 kHz, 96 kHz
External: 44.1 kHz (–10%) to 48 kHz (+6%)
88.2 kHz (–10%) to 96 kHz (+6%)
Signal Delay
PM5D: Less than 2.3 ms INPUT to STEREO A,B (@Fs = 48 kHz)
Less than 1.15 ms INPUT to STEREO A,B (@Fs = 96 kHz)
PM5D-RH: Less than 2.5 ms INPUT to STEREO A,B (@Fs = 48 kHz)
Less than 1.25 ms INPUT to STEREO A,B (@Fs = 96 kHz)
Fader 100mm motorized x38
Fader Resolution +10 to –138, –∞ dB (1024 steps/100 mm)
Maximum Voltage Gain PM5D: 84 dB INPUT1-48 to Each Output
PM5D-RH: 86 dB INPUT1-48 to Each Output
Crosstalk (@1kHz) –80 dB Adjacent Input Channels (INPUT1-48), GAIN: Min.
Dimensions 1551 x 950 x 283 mm (W x D x H)
Net Weight PM5D: 98 kg
PM5D-RH: 97 kg
Power Requirements PM5D: 480W, DC 24V, 20A (Use PW800W Only)
PM5D-RH: 528W, DC 24V, 22A (Use PW800W Only)
Operation free-air Temperature Range +10 °C to +35 °C
Storage Temperature Range –20 °C to +60 °C
Included Accessories Owner’s Manual
Gooseneck Lamps x 3
Power Supply PW800W Connection Cable
Optional Accessories mini YGDAI cards
Power Supply PW800W
Power Supply Link Cable PSL120

Specifiche generali
382 PM5D/PM5D-RH V2/DSP5D – Manuale di istruzioni Sezione riferimenti
❏Analog Input (1-48)
❏Analog Input (ST IN1-4 [L,R])
❏Analog Input (2TR IN ANALOG1,2 [L,R])
❏Digital Input (2TR IN DIGITAL1-3)
❏Talkback Input
❏Oscillator
❏STEREO A,B [L,R], MIX1-24, MATRIX1-8
❏MONITOR OUT [L,C,R], CUE OUT
❏PHONES (x2)
❏Digital Output (2TR OUT DIGITAL1-3)
Connector XLR-3-31 Type (Balanced) x48
Phantom Power PM5D: +48V DC is supplied to Input by individual mechanical switch
PM5D-RH: +48V DC is supplied to Input by individual software control
Pad Switch PM5D: 0/26 dB attenuation
Gain Control
PM5D: 44 dB detented
–60 dB to –16 dB (PAD=OFF), –34 to +10 dB (PAD=ON)
PM5D-RH: 72 dB by software control
–62 dB to 10 dB (1 dB step)
Peak Indicator Red LED is lit when post HA level reaches 3 dB below clipping
Signal Indicator Green LED is lit when post HA level reaches 14 dB below nominal
Insert (Pre AD converter) PM5D: Out, In (TRS Balanced)
Insert Switch PM5D: On/Off
AD Converter 24bit linear, 128 times oversampling
Connector XLR-3-31 Type (Balanced) x8
Phantom Power PM5D-RH: +48V DC is supplied to Input by individual software control
Gain Control
PM5D: 44 dB detented
–34 dB to +10 dB
PM5D-RH: 72 dB by software control
–62 dB to +10 dB (1 dB step)
Peak Indicator Red LED is lit when post HA level reaches 3 dB below clipping
Signal Indicator Green LED is lit when post HA level reaches 14 dB below nominal
AD Converter 24bit linear, 128 times oversampling
Connector XLR-3-31 Type (Balanced) x4
Gain Switch +24 dBu (default) / +18 dBu
AD Converter 24bit linear, 128 times oversampling
Connector AES/EBU XLR-3-31 Type (Balanced) x2 (DIGITAL
IN 1,2)
SPDIF RCA PIN (DIGITAL IN 3)
Sampling Rate
Converter On/Off by software control (1:3 and 3:1 maxi-
mum input to output sample rate ratio)
Connector XLR-3-31 Type (Balanced)
Phantom Power +48V DC is supplied by software control
Gain 50 dB fixed (pre level control)
AD Converter 24bit linear, 128 times oversampling
Talkback Select TALKBACK IN and selected INPUT1-48 can be
used simultaneously
Level 0 to –96dB (1dB step)
On/Off Dedicated switch and software control
Waveform MODE: Sine Wave 1ch, Sine Wave 2ch, Pink
Noise, Burst Noise
Sine Waveform: 100Hz, 1kHz, 10kHz
Routing MIX1-24, MATRIX1-8, STEREO A,B (L,R)
Connector XLR-3-32 Type (Balanced)
DA Converter 24bit linear, 128 times oversampling
Connector XLR-3-32 Type (Balanced)
DA Converter 24bit linear, 128 times oversampling
Level Control Analog potentiometer
Connector TRS
Level Control Analog potentiometer
Connector AES/EBU XLR-3-32 Type (Balanced) x2 (DIGITAL
OUT 1,2)
SPDIF RCA PIN (DIGITAL OUT 3)
Sampling Rate
Converter On/Off by software control (1:3 and 3:1 maxi-
mum input to output sample rate ratio)

PM5D/PM5D-RH V2/DSP5D – Manuale di istruzioni Sezione riferimenti 383
Informazioni visua-
lizzate sul display
Menu Function
(Funzioni)
Funzioni
generali
Funzioni
di output
Funzioni
di input
Appendici
DSP5D
Sampling Frequency Internal: 44.1 kHz, 48 kHz, 88.2 kHz, 96 kHz
External: 42.9975 kHz to 49.200 kHz (Normal Rate)
85.995 kHz to 98.400 kHz (Double Rate)
Signal Delay Less than 2.5 ms INPUT to OMNI OUT (@Fs=48kHz)
Less than 1.25 ms INPUT to OMNI OUT (@Fs=96kHz)
Maximum Voltage Gain 86 dB INPUT1-48/ST IN1-4 to OMNI OUT1-24
Crosstalk (@1kHz) –80 dB Adjacent Input Channels (INPUT1-48/ST IN1-4), GAIN: Min.
Dimensions 480 x 460 x 440 mm (W x D x H)
Net Weight 38 kg
Power Requirements 300W
AC Power Cord Length 250cm
Operation free-air Temperature Range +10 °C to +35 °C
Storage Temperature Range –20 °C to +60 °C
Included Accessories Owner’s Manual
AC Power Cord
D-Sub 68-pin Cable 10 m x 2
Optional Accessories mini YGDAI cards
Power Supply PW800W
Power Supply Link Cable PSL360

Caratteristiche di input/output
384 PM5D/PM5D-RH V2/DSP5D – Manuale di istruzioni Sezione riferimenti
Caratteristiche di input/output
❏Analog Input Characteristics (PM5D)
❏Analog Input Characteristics (PM5D-RH)
*1. Sensitivity is the lowest level that will produce an output of +4 dBu (1.23 V) or the nominal output level when the unit is set to maximum gain. (All faders
and level controls are maximum position.)
*2. XLR-3-31 type connectors are balanced. (1=GND, 2=HOT, 3=COLD)
*3. Phone jacks are balanced. (Tip=HOT, Ring=COLD, Sleeve=GND)
*4. There are switches inside the body to preset the maximum input level.
* In these specifications, 0 dBu = 0.775 Vrms.
* All input AD converters are 24bit linear, 128 times (@48 kHz) oversampling.
* PM5D: +48V DC (phantom power) is supplied to INPUT (1-48) XLR type connectors via each individual switch, and TALKBACK XLR type connectors via
software switch.
PM5D-RH: +48V DC (phantom power) is supplied to INPUT (1-48) and TALKBACK XLR type connectors via master mechanical switch and each individ-
ual software switch.
Input Terminals PAD GAIN Actual Load
Impedance For Use With
Nominal GAIN SW *4
Input Level
Connector
Sensitivity *1 Nominal Max. Before
Clip
INPUT 1-48
0
–60dB
3kΩ
50-600Ω Mics
&
600Ω Lines —
–80 dBu
(0.0775 mV) –60 dBu
(0.775 mV) –40 dBu
(7.75 mV)
XLR-3-31 Type
(Balanced)*2
–16dB
–36 dBu
(12.3 mV) –16 dBu
(123 mV) +4 dBu
(1.23 V)
26 –10 dBu
(245 mV) +10 dBu
(2.45 V) +30 dBu
(24.51 V)
ST IN1-4 [L,R] —
–34dB
4kΩ600Ω Lines —
–54 dBu
(1.55 mV) –34 dBu
(15.5 mV) –14 dBu
(155 mV) XLR-3-31 Type
(Balanced)*2
10dB –10 dBu
(245 mV) +10 dBu
(2.54 V) +30 dBu
(24.51 V)
INSERT IN 1-48 —10kΩ600Ω Lines —–16 dBu
(123 mV) +4 dBu
(1.23 V) +24 dBu
(12.28 V)
Phone Jack (TRS)
(Balanced)*3
2TR IN ANALOG
1,2 [L,R] —10kΩ600Ω Lines
+24 dB
(default) –6 dBu
(388 mV) +4 dBu
(1.23 V) +24 dBu
(12.28 V) XLR-3-31 Type
(Balanced)*2
+18 dB –12 dBu
(195 mV) –2 dBu
(0.616 V) +18 dBu
(6.16 V)
TALKBACK —3kΩ
50-600Ω Mics
&
600Ω Lines —–60 dBu
(0.775 mV) –50 dBu
(2.45 mV) –30 dBu
(24.5 mV)
XLR-3-31 Type
(Balanced)*2
Input Terminals GAIN Actual Load
Impedance For Use With
Nominal GAIN SW *4
Input Level
Connector
Sensitivity *1 Nominal Max. Before
Clip
INPUT 1-48
–62dB
3kΩ
50-600Ω Mics
&
600Ω Lines —
–82 dBu
(61.6 µV) –62 dBu
(0.616 mV) –42 dBu
(6.16 mV) XLR-3-31 Type
(Balanced)*2
+10dB –10 dBu
(245 mV) +10 dBu
(2.45 V) +30 dBu
(24.5 V)
ST IN1-4 [L,R]
–62dB
3kΩ
50-600Ω Mics
&
600Ω Lines —
–82dBu
(61.6 µV) –62 dBu
(0.616 mV) –42 dBu
(6.16 mV) XLR-3-31 Type
(Balanced)*2
+10dB –10 dBu
(245 mV) +10 dBu
(2.45 V) +30 dBu
(24.5 V)
2TR IN ANALOG
1,2 [L,R] —10kΩ600Ω Lines
+24 dB
(default) –6 dBu
(388 mV) +4 dBu
(1.23 V) +24 dBu
(12.28 V) XLR-3-31 Type
(Balanced)*2
+18 dB –12 dBu
(195 mV) –2 dBu
(0.616 V) +18 dBu
(6.16 V)
TALKBACK —3kΩ
50-600Ω Mics
&
600Ω Lines —–60 dBu
(0.775 mV) –50 dBu
(2.45 mV) –30 dBu
(24.5 mV)
XLR-3-31 Type
(Balanced)*2

PM5D/PM5D-RH V2/DSP5D – Manuale di istruzioni Sezione riferimenti 385
Informazioni visua-
lizzate sul display
Menu Function
(Funzioni)
Funzioni
generali
Funzioni
di output
Funzioni
di input
Appendici
❏Analog Input Characteristics (DSP5D)
*1. Sensitivity is the lowest level that will produce an output of +4 dBu (1.23 V) or the nominal output level when the unit is set to maximum gain. (all faders
and level controls are maximum position.)
*2. XLR-3-31 type connectors are balanced. (1=GND, 2=HOT, 3=COLD)
* In these specifications, 0 dBu = 0.775 Vrms.
* All input AD converters are 24bit linear, 128 times (@48 kHz) oversampling.
* +48V DC (phantom power) is supplied to INPUT (1-48) XLR type connectors via one master and each individual software switches.
❏Analog Output Characteristics (PM5D, PM5D-RH)
*1. XLR-3-32 type connectors are balanced. (1=GND, 2=HOT, 3=COLD)
*2. Phone jacks are balanced. (Tip=HOT, Ring=COLD, Sleeve=GND)
*3. PHONES stereo phone jacks are unbalanced. (Tip=LEFT, Ring=RIGHT, Sleeve=GND)
*4. There are switches inside the body to preset the maximum output level.
*5. INSERT OUTs are only provided for PM5D.
*6. The position of the level control is 10 dB lowered from Max.
* In these specifications, 0 dBu = 0.775 Vrms.
* All output DA converters are 24bit, 128 times (@48 kHz) oversampling.
❏Analog Output Characteristics (DSP5D)
*1. XLR-3-32 type connectors are balanced. (1=GND, 2=HOT, 3=COLD)
*2. There are switches inside the body to preset the maximum output level.
* In these specifications, 0 dBu = 0.775 Vrms.
* All output DA converters are 24bit, 128 times (@48 kHz) oversampling.
Input Terminals GAIN Actual Load
Impedance For Use With
Nominal
Input Level
Connector
Sensitivity *1 Nominal Max. before
clip
INPUT 1-48
–62 dB
3kΩ
50-600Ω Mics
&
600Ω Lines
–82 dBu
(61.6 µV) –62 dBu
(0.616 mV) –42 dBu
(6.16 mV) XLR-3-31 type
(Balanced) *2
+10 dB –10 dBu
(245 mV) +10 dBu
(2.45 V) +30 dBu
(24.5 V)
ST IN 1-4 [L,R]
–62 dB
3kΩ
50-600Ω Mics
&
600Ω Lines
–82 dBu
(61.6 µV) –62 dBu
(0.616 mV) –42 dBu
(6.16 mV) XLR-3-31 type
(Balanced) *2
+10 dB –10 dBu
(245 mV) +10 dBu
(2.45V) +30 dBu
(24.5 V)
Output
Terminals Actual Source
Impedance For Use With
Nominal GAIN SW*4 Output Level Connector
Nominal Max. Before Clip
STEREO A,B [L,R] 150Ω600Ω Lines +24 dB (default) +4 dBu (1.23 V) +24 dBu (12.28 V) XLR-3-32 Type
(Balanced)*1
+18 dB –2 dBu (616 mV) +18 dBu (6.16 V)
MONITOR OUT
[L,R,C] 150Ω600Ω Lines +24 dB (default) +4 dBu (1.23 V) +24 dBu (12.28 V) XLR-3-32 Type
(Balanced)*1
+18 dB –2 dBu (616 mV) +18 dBu (6.16 V)
CUE OUT [L,R] 150Ω600Ω Lines +24 dB (default) +4 dBu (1.23 V) +24 dBu (12.28 V) XLR-3-32 Type
(Balanced)*1
+18 dB –2 dBu (616 mV) +18 dBu (6.16 V)
MATRIX OUT 1-8 150Ω600Ω Lines +24 dB (default) +4 dBu (1.23 V) +24 dBu (12.28 V) XLR-3-32 Type
(Balanced)*1
+18 dB –2 dBu (616 mV) +18 dBu (6.16 V)
MIX OUT 1-24 150Ω600Ω Lines +24 dB (default) +4 dBu (1.23 V) +24 dBu (12.28 V) XLR-3-32 Type
(Balanced)*1
+18 dB –2 dBu (616 mV) +18 dBu (6.16 V)
INSERT OUT 1-48 150Ω10kΩ Lines —+4 dBu (1.23 V) +24 dBu (12.28 V) Phone Jack (TRS)
(Balanced)*2 *5
PHONES (x 2) 15Ω8Ω Phones —75 mW*6 150 mW Stereo Phone Jack
(TRS) (Unbalanced)*3
40Ω Phones 65 mW*6 150 mW
Output Terminals Actual Source
Impedance For Use With
Nominal GAIN SW *2 Output Level Connector
Nominal Max. before clip
OMNI OUT 1-24 150Ω600Ω Lines
+24 dB
(default) +4 dBu
(1.23 V) +24 dBu
(12.28 V) XLR-3-32 type (Balanced)*1
+18 dB –2 dBu
(616 mV) +18 dBu
(6.16 V)

Caratteristiche di input/output
386 PM5D/PM5D-RH V2/DSP5D – Manuale di istruzioni Sezione riferimenti
❏Digital Input Characteristics (PM5D, PM5D-RH)
❏Digital Input Characteristics (DSP5D)
*1. CASCADE (D-Sub 68pin) Max. Cable length: 200 m@48 kHz, 50 m@96 kHz
*2. CASCADE (RJ-45) Max. Cable length is based on EtherSound standard.
❏Digital Output Characteristics (PM5D, PM5D-RH)
*1. The channel status of 2TR OUT DIGITAL 1,2 is described on page 387.
*2. The channel status of 2TR OUT DIGITAL 3 is described on page 387.
*3. Dither: word length 16/20/24 bit
*4. XLR-3-32 type connectors are balanced. (1=GND, 2=HOT, 3=COLD)
Terminal Format Data Length Level Connector
2TR IN DIGITAL
1 AES/EBU AES/EBU 24bit RS422 XLR-3-31 Type (Balanced)*1
*1. XLR-3-31 type connectors are balanced. (1=GND, 2=HOT, 3=COLD)
2 AES/EBU AES/EBU 24bit RS422 XLR-3-31 Type (Balanced)*1
3 COAXIAL IEC-60958 24bit 0.5Vpp/75ΩRCA Pin Jack
CASCADE IN —RS422 D-Sub Half Pitch Connector 68P (Female)
Terminal Format Data Length Level Connector
CASCADE IN*1 ——RS422 D-Sub Half Pitch Connector 68P (Female)
CASCADE IN*2 ——100Base-TX RJ-45
Terminal Format Data Length Level Connector
2TR OUT DIGITAL
1 AES/EBU AES/EBU*1
Professional Use 24bit*3 RS422 XLR-3-32 Type (Balanced)*4
2 AES/EBU AES/EBU*1
Professional Use 24bit*3 RS422 XLR-3-32 Type (Balanced)*4
3 COAXIAL IEC-60958*2
Consumer Use 24bit*3 0.5Vpp/75ΩRCA Pin Jack
CASCADE OUT —RS422 D-Sub Half Pitch Connector 68P (Female)

PM5D/PM5D-RH V2/DSP5D – Manuale di istruzioni Sezione riferimenti 387
Informazioni visua-
lizzate sul display
Menu Function
(Funzioni)
Funzioni
generali
Funzioni
di output
Funzioni
di input
Appendici
• Channel Status of 2TR OUT DIGITAL 1,2
• Channel Status of 2TR OUT DIGITAL 3
❏Digital Output Characteristics (DSP5D)
*1. CASCADE (D-Sub 68pin) Max. Cable length: 200 m@48 KHz, 50 m@96 KHz
*2. CASCADE (RJ-45) Max. Cable length is based on EtherSound standard.
byte bit field name fixed/variable data description
0
0 Block Format
fixed
1 professional use
1 Mode 0 audio
2-4 Emphasis 0x4 off
5 Fs Lock 0 lock
6-7 Sampling Frequency variable
0x0 others
0x3 32kHz
0x2 44.1kHz
0x1 48kHz
10-3 Channel Mode fixed 0x1 2ch mode
4-7 Users Bit Management 0x0 —
20-2 Use of AUX fixed 0x1 24bits Audio Data
3-7 Source 0x00 —
3 0-7 Multi Channel fixed 0x00 —
4
0-1 Digital Audio Reference Signal fixed 0x0 —
2—0
3-6 Sampling Frequency variable
0x0 others
0x5 88.2kHz
0x4 96kHz
7 Sampling Frequency Scan Flag fixed 0 —
byte bit field name fixed/variable data description
0
0 Block Format
fixed
0consumer use
1 Mode audio
2 Copy 1 enabled
3 Emphasis
0
off
4
——
5
6
7
1 0-7 Category Code fixed 0x49 Digital Mixer (L=1:original)
20-3 Source Number fixed 0x0
4-7 Channel Number
3
0-3 Sampling Frequency variable
0xC 32kHz
0x0 44.1kHz
0x4 48kHz
0x8 —
0x1 88.2kHz
0x5 96kHz
4-5 Fs Accuracy
fixed
0x0 Level II
6—0—
7
4 0 Maximum Audio Sample word length fixed 1 24bits
1-3 Sample Word Length fixed 0x5 24bits
4-7 Original Sampling Frequency variable
0x3 32kHz
0xF 44.1kHz
0xB 48kHz
0x0 —
0xE 88.2kHz
0xA 96kHz
Terminal Format Data Length Level Connector
CASCADE OUT*1 ——RS422 D-Sub Half Pitch Connector 68P (Female)
CASCADE OUT*2 ——100Base-TX RJ-45

Caratteristiche di input/output
388 PM5D/PM5D-RH V2/DSP5D – Manuale di istruzioni Sezione riferimenti
❏Control I/O Characteristics (PM5D, PM5D-RH)
*1. XLR-3-31 type connectors are balanced. (1/Sleeve=GND, 2/Tip=HOT, 3/Ring=COLD)
*2. 4pin=HOT, 3pin=COLD, Lamp rating 5 W, Voltage control by variable volume
*3. Inputs: 4 channels, Outputs: 12 channels
Input Pin: AD Converter (7bit, 128steps, Voltage Detection Range: 0-5V, Maximum Rating: 5V)
Output Pin: Open Collector (Vmax=12V, Imax/pin=75 mA, GPO1-8: Total Imax=300 mA, GPO9-12: Total Imax=300 mA)
Power Pin: Power Supply (Vp=5V, Imax/2 pin=500 mA)
❏Control I/O Characteristics (DSP5D)
❏SLOT 1-4 (PM5D, PM5D-RH)/SLOT 1-2 (DSP5D) Characteristics
Terminal Format Level Connector
TO HOST USB USB 1.1
—
B Type USB Connector
MIDI
IN
MIDI DIN Connector 5PTHRU
OUT
TIME CODE IN SMPTE SMPTE 0.3Vpp(Min)/10.0Vpp(Max), 10kΩXLR-3-31 Type (Balanced)*1
WORD CLOCK IN —TTL/75Ω (ON/OFF) BNC Connector
OUT TTL/75Ω
GPI
—
—D-Sub Connector 25P (Female)*3
HA REMOTE RS422 D-Sub Connector 9P (Male)
RS422 REMOTE D-Sub Connector 9P (Female)
KEYBOARD PS/2 —DIN Connector 6P
MOUSE
LAMP 1,2,3 —2.5V - 11.5V XLR-4-31 Type*2
MEMORY CARD —PCMCIA (Compact Flash)
Terminal Format Level Connector
WORD CLOCK IN —TTL/75ΩBNC Connector
OUT —TTL/75ΩBNC Connector
Ethernet 10base-T /100Base-TX 10base-T /100Base-TX RJ-45
Card Name Function Input Output The Number Of Usable Cards
PM5D/PM5D-RH DSP5D
MY4-AD
ANALOG IN
4IN
—
4
2
MY8-AD
8IN
—
MY8-AD24
2
MY8-AD96
MY4-DA ANALOG OUT —4OUT
MY8-DA96 8OUT
MY8-ADDA96 ANALOG IN/OUT 8IN 8OUT
MY8-AE
AES/EBU 8IN 8OUT
MY8-AEB
MY8-AE96
MY8-AE96S
MY16-AE 16IN 16OUT
MY8-AT ADAT 8IN 8OUT
MY16-AT 16IN 16OUT
MY8-TD TASCAM 8IN 8OUT
MY16-TD 16IN 16OUT
MY16-C CobraNet 16IN 16OUT —
MY16-CII
2
AVIOM16/o-Y1 A-NET 16IN 16OUT
MY16MADI64 MADI 16IN 16OUT
AVY16-ES EtherSound 16IN 16OUT
Waves Y96K Effect & I/O 8IN 8OUT —

PM5D/PM5D-RH V2/DSP5D – Manuale di istruzioni Sezione riferimenti 389
Informazioni visua-
lizzate sul display
Menu Function
(Funzioni)
Funzioni
generali
Funzioni
di output
Funzioni
di input
Appendici
Caratteristiche elettriche
PM5D/PM5D-RH
Le misure di tutti i fader sono nominali. Impedenza di output del generatore di segnale:150 ohms
❏Frequency Response Fs= 44.1 kHz or 48 kHz @20 Hz–20 kHz, referenced to the nominal output level @1 kHz
Fs= 88.2 kHz or 96 kHz @20 Hz–40 kHz, referenced to the nominal output level @1 kHz
❏Gain Error @1 kHz
❏Total Harmonic Distortion Fs= 44.1 kHz or 48 kHz
* Total Harmonic Distortion is measured with a 18 dB/octave filter @80 kHz
❏Total Harmonic Distortion Fs=88.2 kHz or 96 kHz
* Total Harmonic Distortion is measured with a 18 dB/octave filter @80 kHz
* GAIN Max. = –60 dBu (PM5D), –62 dBu (PM5D-RH)
Input Output RL Conditions Min. Typ. Max. Unit
INPUT 1-48
STEREO A,B
600ΩPM5D: GAIN: Max., PAD: Off
PM5D-RH: GAIN: Max.
–1.5
0.0 0.5 dB
MIX OUT
MATRIX OUT
MONITOR OUT
CUE OUT
PHONES 8Ω–3.0
2TR IN ANALOG 1,2 STEREO A,B 600Ω–1.5
MONITOR OUT
Input Output RL Conditions Min. Typ. Max. Unit
INPUT 1-48 STEREO A,B 600Ω
PM5D: Input Level: –60 dBu, GAIN: Max., PAD: Off
PM5D-RH: Input Level: –62 dBu, GAIN: Max. 2.0 4.0 6.0
dBu
PM5D: Input Level: +10 dBu, GAIN: Min., PAD: On
PM5D-RH: Input Level: +10 dBu, GAIN: Min.
2TR IN ANALOG 1,2 STEREO A,B 600ΩInput Level: +4 dBu 2.0 4.0 6.0
Internal OSC
STEREO A,B
600Ω
Full Scale Output
23.5 24.0 24.5
MIX OUT
MATRIX OUT
MONITOR OUT Full Scale Output, MONITOR Level Control: Max.
CUE OUT Full Scale Output, CUE Level Control: Max.
PHONES 8Ω–30 dBFs, PHONES Level Control: Max. –0.5 0 0.5
Input Output RL Conditions Min. Typ. Max. Unit
INPUT 1-48 STEREO A,B 600Ω
PM5D: +4 dBu @20 Hz–20 kHz, GAIN: Max., PAD: Off
PM5D-RH: +4 dBu @20 Hz–20 kHz, GAIN: Max. 0.1
%
PM5D: +4 dBu @20 Hz–20 kHz, GAIN: Min., PAD: On
PM5D-RH: +4 dBu @20 Hz–20 kHz, GAIN: Min. 0.05
2TR IN ANALOG 1,2 STEREO A,B 600Ω+4 dBu @20 Hz–20 kHz 0.05
Internal OSC
STEREO A,B
600Ω
Full Scale Output @1 kHz
0.02
MIX OUT
MATRIX OUT
MONITOR OUT Full Scale Output @1 kHz, MONITOR Level Control : Max.
CUE OUT Full Scale Output @1 kHz, CUE Level Control: Max.
PHONES 8ΩFull Scale Output @1kHz, PHONES Level Control: Max. 0.2
Input Output RL Conditions Min. Typ. Max. Unit
INPUT 1-48 STEREO A,B 600Ω
PM5D: +4 dBu @20 Hz–40 kHz, GAIN: Max., PAD: Off 0.1
%
PM5D-RH: +4 dBu @20 Hz–40 kHz, GAIN: Max. 0.12
PM5D: +4 dBu @20 Hz–40 kHz, GAIN: Min., PAD: On
PM5D-RH: +4 dBu @20 Hz–40 kHz, GAIN: Min. 0.05
2TR IN ANALOG 1,2 STEREO A,B 600Ω+4 dBu @20 Hz–40 kHz 0.05
Internal OSC
STEREO A,B
600Ω
Full Scale Output @1 kHz
0.02
MIX OUT
MATRIX OUT
MONITOR OUT Full Scale Output @1 kHz, MONITOR Level Control : Max.
CUE OUT Full Scale Output @1 kHz, CUE Level Control: Max.
PHONES 8ΩFull Scale Output @1kHz, PHONES Level Control: Max. 0.2

Caratteristiche elettriche
390 PM5D/PM5D-RH V2/DSP5D – Manuale di istruzioni Sezione riferimenti
❏Hum & Noise EIN= Equivalent Input Noise
* Hum & Noise is measured with a 6 dB/octave filter @12.7 kHz; equivalent to a 20 kHz filter with infinite dB/octave attenuation.
❏Dynamic Range
* Dynamic range is measured with a 6 dB/octave filter @12.7 kHz; equivalent to a 20 kHz filter with infinite dB/octave attenuation.
❏Input Indicator Level
❏Sampling Frequency
Input Output RL Conditions Min. Typ. Max. Unit
INPUT 1-48
STEREO A,B 600Ω
Master fader at nominal level and one INPUT fader at nomi-
nal level. –128
EIN
dBu
PM5D: Rs= 150Ω, GAIN: Max., PAD: Off –64
PM5D-RH: Rs= 150Ω, GAIN: Max. –62
Master fader at nominal level and one INPUT fader at nomi-
nal level.
PM5D: Rs= 150Ω, GAIN: Min., PAD: On
PM5D-RH: Rs= 150Ω, GAIN: Min.
–81 –76
All INPUT
Master fader at nominal level and all INPUT1-48 faders at
nominal level.
PM5D: Rs= 150Ω, GAIN: Min., PAD: On
PM5D-RH: Rs= 150Ω, GAIN: Min.
–64
2TR IN ANALOG 1,2 STEREO A,B 600ΩMaster fader at nominal level.
Rs= 150Ω–81 –76
—
STEREO A,B
600Ω
Residual Output Noise, ST Master Off
–86
MIX OUT Residual Output Noise, MIX Master Off
MATRIX OUT Residual Output Noise, MATRIX Master Off
MONITOR OUT Residual Output Noise, MONITOR Level Control Min.
CUE OUT Residual Output Noise, CUE Level Control Min.
PHONES 8ΩResidual Output Noise, PHONES Level Control Min.
Input Output RL Conditions Min. Typ. Max. Unit
INPUT 1-48 STEREO A,B
600Ω
PM5D: AD + DA, GAIN: Min.,
PAD: On Fs= 44.1/48 kHz 108
dB
PM5D-RH: AD + DA, GAIN: Min. Fs= 88.2/96 kHz 106
—
STEREO A,B
DA Converter 110
MIX OUT
MATRIX OUT
MONITOR OUT
CUE OUT
Input Output Condition Min. Typ. Max. Unit
INPUT 1-48
INSERT OUT
PEAK Red LED: ON 19 21 23
dBu
SIGNAL Green LED: ON –12 –10 –8
ST IN 1-4 PEAK Red LED: ON 19 21 23
SIGNAL Green LED: ON –12 –10 –8
Parameter Conditions Min. Typ. Max. Unit
External Clock Frequency Range Normal Rate 39.69 50.88
kHz
Double Rate 79.39 101.76
Internal Clock
Frequency
Word Clock : Int 44.1kHz 44.1
Word Clock : Int 48kHz 48
Word Clock : Int 88.2kHz 88.2
Word Clock : Int 96kHz 96
Accuracy
Word Clock : Int 44.1kHz
50 ppm
Word Clock : Int 48kHz
Word Clock : Int 88.2kHz
Word Clock : Int 96kHz
Jitter
Word Clock : Int 44.1kHz
5ns
Word Clock : Int 48kHz
Word Clock : Int 88.2kHz
Word Clock : Int 96kHz

PM5D/PM5D-RH V2/DSP5D – Manuale di istruzioni Sezione riferimenti 391
Informazioni visua-
lizzate sul display
Menu Function
(Funzioni)
Funzioni
generali
Funzioni
di output
Funzioni
di input
Appendici
DSP5D
❏Frequency Response Fs= 44.1kHz or 48 kHz @20 Hz-20 kHz, referenced to the nominal output level @1 kHz
Fs= 88.2 kHz or 96 kHz @20 Hz-40 kHz, referenced to the nominal output level @1 kHz
❏Gain Error Fs= 44.1 kHz, 48 kHz, 88.2 kHz or 96 kHz@1 kHz
❏Total Harmonic Distortion Fs= 44.1 kHz or 48 kHz
* Total Harmonic Distortion is measured with a 18 dB/octave filter @80 kHz
❏Total Harmonic Distortion Fs= 88.2 kHz or 96 kHz
* Total Harmonic Distortion is measured with a 18 dB/octave filter @80 kHz
❏Hum & Noise Fs= 44.1 kHz, 48 kHz, 88.2 kHz or 96 kHz, EIN=Equivalent Input Noise
* Hum & Noise are measured with a 6 dB/octave filter @12.7 kHz; equivalent to a 20 kHz filter with infinite dB/octave attenuation.
Input Output RL Conditions Min. Typ. Max. Unit
INPUT 1-48 OMNI OUT 1-24 600ΩGAIN: Max. –1.5 0.0 0.5 dB
ST IN 1-4
Input Output RL Conditions Min. Typ. Max. Unit
INPUT 1-48
OMNI OUT 1-24 600Ω
Input level: –62 dBu, GAIN: Max. → Output level: +4.0 dBu (Typ.) –2.0 0 +2.0
dB
Input level: +10 dBu, GAIN: Min. → Output level: +4.0 dBu (Typ.) –2.0 0 +2.0
ST IN 1-4 Input level: –62 dBu, GAIN: Max. → Output level: +4.0 dBu (Typ.) –2.0 0 +2.0
Input level: +10 dBu, GAIN: Min. → Output level: +4.0 dBu (Typ.) –2.0 0 +2.0
Internal OSC Full scale output, Output level: +24.0 dBu (Typ.) –0.5 0 +0.5
Input Output RL Conditions Min. Typ. Max. Unit
INPUT 1-48
OMNI OUT 1-24 600Ω
+4 dBu @20 Hz–20 kHz, GAIN: Max 0.1
%
+4 dBu @20 Hz–20 kHz, GAIN: Min 0.05
ST IN 1-4 +4 dBu @20 Hz–20 kHz, GAIN: Max 0.1
+4 dBu @20 Hz–20 kHz, GAIN: Min 0.05
Internal OSC Full scale output @1 kHz 0.02
Input Output RL Conditions Min. Typ. Max. Units
INPUT 1-48
OMNI OUT 1-24 600Ω
+4 dBu @20 Hz–40 kHz, GAIN: Max 0.12
%
+4 dBu @20 Hz–40 kHz, GAIN: Min 0.05
ST IN 1-4 +4 dBu @20 Hz–40 kHz, GAIN: Max 0.12
+4 dBu @20 Hz–40 kHz, GAIN: Min 0.05
Internal OSC Full scale output @1 kHz 0.02
Input Output RL Conditions Min. Typ. Max. Unit
INPUT 1-48
OMNI OUT 1-24 600Ω
Rs= 150Ω, GAIN: Max
Master fader at nominal level and one Ch fader at nominal level. –128
EIN
dBu
(When controlled by PM5D or PM5D Editor) –62
Rs= 150Ω, GAIN: Min
Master fader at nominal level and one Ch fader at nominal level.
(When controlled by PM5D or PM5D Editor) –81 –76
ST IN 1-4
Rs= 150Ω, GAIN: Max
Master fader at nominal level and one Ch fader at nominal level. –128
EIN
(When controlled by PM5D or PM5D Editor) –62
Rs= 150Ω, GAIN: Min
Master fader at nominal level and one Ch fader at nominal level.
(When controlled by PM5D or PM5D Editor) –81 –76
All INPUT Rs= 150Ω, GAINs: Min
Master fader at nominal level and all ch1-48 in faders at nominal level.
(When controlled by PM5D or PM5D Editor) –62
—Residual output noise, ST master off. –86

Caratteristiche elettriche
392 PM5D/PM5D-RH V2/DSP5D – Manuale di istruzioni Sezione riferimenti
❏Dynamic Range
* Dynamic range are measured with a 6 dB/octave filter @12.7 kHz; equivalent to a 20 kHz filter with infinite dB/octave attenuation.
❏Sampling Frequency
Input Output RL Conditions Min. Typ. Max. Unit
INPUT 1-48
OMNI OUT 1-24 600ΩAD + DA, GAIN: Min Fs=44.1/48 kHz 108
dBST IN 1-4 Fs=88.2/96 kHz 106
—DA Converter 110
Parameter Conditions Min Typ Max Units
External Clock Frequency Range Normal Rate 42.9975 49.200 kHz
Double Rate 85.995 98.400
Internal Clock
Frequency
Word Clock: Int 44.1 kHz 44.1
kHz
Word Clock: Int 48 kHz 48
Word Clock: Int 88.2 kHz 88.2
Word Clock: Int 96 kHz 96
Accuracy
Word Clock: Int 44.1 kHz
50 ppm
Word Clock: Int 48 kHz
Word Clock: Int 88.2 kHz
Word Clock: Int 96 kHz
Jitter
Word Clock: Int 44.1 kHz
5ns
Word Clock: Int 48 kHz
Word Clock: Int 88.2 kHz
Word Clock: Int 96 kHz

PM5D/PM5D-RH V2/DSP5D – Manuale di istruzioni Sezione riferimenti 393
Informazioni visua-
lizzate sul display
Menu Function
(Funzioni)
Funzioni
generali
Funzioni
di output
Funzioni
di input
Appendici
Altre funzioni
❏Libraries
❏Input Function
❏Output Function
❏Processor
Name Number Total
Scene Memory Preset 1 + User 500 501
Input Patch Library Preset 1 + User 99 100
Output Patch Library Preset 1 + User 99 100
Input Channel Library Preset 1 + User 199 200
Output Channel Library Preset 1 + User 199 200
Input EQ Library Preset 40 + User 159 199
Output EQ Library Preset 3 + User 196 199
GATE Library Preset 4 + User 195 199
COMP Library Preset 36 + User 163 199
Effect Library Preset 55 + User 144 199
GEQ Library Preset 1 + User 199 200
HA Library Preset 1 + User 199 200
Function Parameter
Phase Normal/Reverse
MS Decode On, S-Gain
Attenuator –96 to +24 dB
HPF Slope= 12 dB/Oct
Frequency= 20 Hz to 600 Hz
4Band Equalizer
Frequency= 20 Hz to 20 kHz
Gain= –18 dB to +18 dB
Q= 0.10 to 16.0
Low Shelving (Low Band)
High Shelving, LPF (High Band)
Type I/Type II
Insert Insert Point: Pre EQ/Post EQ/Pre Delay/Post Fader
Direct Out Direct Out Point: Pre HPF/Pre EQ/Pre Fader/Post
On
Noise Gate
Type: Gate/Ducking
Threshold= –72 (Gate)/–54 (Ducking) dB to 0 dB
Attack= 0 msec to 120 msec
Hold= 0.02 msec to 1.96 sec
Decay= 5 msec to 42.3 sec
Range= –∞dB, –69 dB to 0 dB
Key In: Self Pre EQ/Self Post EQ/Mix21-24/
Ch1-STIN4R (8ch block)
Key In Filter: HPF/LPF/BPF
Compressor
Type: Comp/Expander/Compander H/
Compander S
Threshold= –54 dB to 0 dB
Ratio= 1:1 to ∞:1
Attack= 0 msec to 120 msec
Release= 5 msec to 42.3 sec
Gain= 0 dB to +18 dB
Knee= Hard to 5 (soft)
Input Delay Time= 0.0 msec to 1000 msec
Fader Level: 1024 steps, ∞, –138 dB to +10 dB
On On/Off
DCA Group 8 Groups
Mute Group 8 Groups
Mix Send
24 sends
Fix/Variable can be set each two mixes
Mix Send Point: Pre EQ/Pre Fader/Post On/Post
TO ST
Level: 1024 steps, ∞, –138 dB to +10 dB
LCR Pan CSR= 0% to 100%
Surround Pan 3-1, 5.1, 6.1 panning support
Function Parameter
8Band Equalizer
(Matrix: 4band)
Frequency= 20 Hz to 20 kHz
Gain= –18 dB to +18 dB
Q= 0.10 to 16.0
Low Shelving (Low Band)
High Shelving, LPF (High Band)
Type I/Type II
Insert Insert Point: Pre EQ/Post EQ/Pre Fader/Post On
Compressor
Type: Comp/Expander/Compander H/Com-
pander S
Threshold= –54 dB to 0 dB
Ratio= 1:1 to ∞:1
Attack= 0 msec to 120 msec
Release= 5 msec to 42.3 sec
Gain= 0 dB to +18 dB
Knee= Hard to 5 (soft)
Input Delay Time = 0.0 msec to 1000 msec
Fader Level: 1024 steps, ∞, –138 dB to +10 dB
On On/Off
DCA Group 2 Groups
Mute Group 8 Groups
Mix to Matrix
Stereo to Matrix
Matrix Send Point: Pre Fader/Post Fader/Post On
Level: 1024 steps, ∞, –138 dB to +10 dB
Output Port Att 0 dB to –9 dB
Function Parameter
GEQ 31 bands x 12 systems
Effects Stereo In/Stereo Out multi effector x 8 systems

Assegnazione Pin
394 PM5D/PM5D-RH V2/DSP5D – Manuale di istruzioni Sezione riferimenti
Assegnazione Pin
❏CASCADE IN ❏CASCADE OUT
❏HA REMOTE ❏RS422 REMOTE
2 1334
68 3537 36
Pin Signal Pin Signal
1 GND 35 GND
2 Input 1-2(+) 36 Input 1-2(–)
3 Input 3-4(+) 37 Input 3-4(–)
4 Input 5-6(+) 38 Input 5-6(–)
5 Input 7-8(+) 39 Input 7-8(–)
6 Input 9-10(+) 40 Input 9-10(–)
7 Input 11-12(+) 41 Input 11-12(–)
8 Input 13-14(+) 42 Input 13-14(–)
9 Input 15-16(+) 43 Input 15-16(–)
10 DTR In(+) 44 DTR In(–)
11 RTS Out(+) 45 RTS Out(–)
12 GND 46 GND
13 Word Clock In(+) 47 Word Clock In(–)
14 Word Clock Out(+) 48 Word Clock Out(–)
15 Control In(+) 49 Control In(–)
16 Control Out(+) 50 Control Out(–)
17 GND 51 ID6 In
18 GND 52 ID6 Out
19 Input 17-18(+) 53 Input 17-18(–)
20 Input 19-20(+) 54 Input 19-20(–)
21 Input 21-22(+) 55 Input 21-22(–)
22 Input 23-24(+) 56 Input 23-24(–)
23 Input 25-26(+) 57 Input 25-26(–)
24 Input 27-28(+) 58 Input 27-28(–)
25 Input 29-30(+) 59 Input 29-30(–)
26 Input 31-32(+) 60 Input 31-32(–)
27 ID0 In 61 ID1 In
28 ID2 In 62 ID3 In
29 ID4 In 63 ID5 In
30 ID0 Out 64 ID1 Out
31 ID2 Out 65 ID3 Out
32 ID4 Out 66 ID5 Out
33 MSB In 67 2Ch/Line In
34 FG 68 FG
Pin Signal Pin Signal
1 GND 35 GND
2 Output 1-2(+) 36 Output 1-2(–)
3 Output 3-4(+) 37 Output 3-4(–)
4 Output 5-6(+) 38 Output 5-6(–)
5 Output 7-8(+) 39 Output 7-8(–)
6 Output 9-10(+) 40 Output 9-10(–)
7 Output 11-12(+) 41 Output 11-12(–)
8 Output 13-14(+) 42 Output 13-14(–)
9 Output 15-16(+) 43 Output 15-16(–)
10 DTR Out(+) 44 DTR Out(–)
11 RTS In(+) 45 RTS In(–)
12 GND 46 GND
13 Word Clock Out(+) 47 Word Clock Out(–)
14 Word Clock In(+) 48 Word Clock In(–)
15 Control Out(+) 49 Control Out(–)
16 Control In(+) 50 Control In(–)
17 GND 51 ID6 Out
18 GND 52 ID6 In
19 Output 17-18(+) 53 Output 17-18(–)
20 Output 19-20(+) 54 Output 19-20(–)
21 Output 21-22(+) 55 Output 21-22(–)
22 Output 23-24(+) 56 Output 23-24(–)
23 Output 25-26(+) 57 Output 25-26(–)
24 Output 27-28(+) 58 Output 27-28(–)
25 Output 29-30(+) 59 Output 29-30(–)
26 Output 31-32(+) 60 Output 31-32(–)
27 ID0 Out 61 ID1 Out
28 ID2 Out 62 ID3 Out
29 ID4 Out 63 ID5 Out
30 ID0 In 64 ID1 In
31 ID2 In 65 ID3 In
32 ID4 In 66 ID5 in
33 MSB Out 67 2Ch/Line Out
34 FG 68 FG
5
9
1
6
1
6
5
9
Pin Signal Name Pin Signal Name
1 GND 6 RX+
2RX–7 Reserved
3TX–8 Reserved
4 TX+ 9 GND
5 N.C
Pin Signal Name Pin Signal Name
1 GND 6 GND
2RX–7 RX+
3 TX+ 8 TX–
4 GND 9 GND
5 N.C

PM5D/PM5D-RH V2/DSP5D – Manuale di istruzioni Sezione riferimenti 395
Informazioni visua-
lizzate sul display
Menu Function
(Funzioni)
Funzioni
generali
Funzioni
di output
Funzioni
di input
Appendici
❏GPI ❏DC POWER INPUT
* Per informazioni sul valore massimo attuale consentito, vedere a pagina 388.
Dimensioni
* Le specifiche e le descrizioni presenti in questo manuale sono fornite a fini puramente informativi. Yamaha Corp. si riserva
il diritto di modificare prodotti o specifiche in qualsiasi momento senza preavviso. Dato che le specifiche, le apparecchiature
o le opzioni possono essere diverse da paese a paese, verificarle con il proprio rappresentante Yamaha.
Modelli europei
Le informazioni per gli utenti/acquirenti sono specificate in EN55103-1 ed EN55103-2.
Corrente di punta di entrata: 21A (solo DSP5D)
Conformità alle seguenti specifiche ambientali: E1, E2, E3 ed E4
Pin Signal Name Pin Signal Name
1 GPO1 14 GPO2
2 GPO3 15 GPO4
3 GPO5 16 GPO6
4 GPO7 17 GPO8
5 GND 18 GND
6 GND 19 GND
7 GND 20 GND
8 GND 21 +5V
9 +5V 22 GPI1
10 GPI2 23 GPI3
11 GPI4 24 GPO9
12 GPO10 25 GPO11
13 GPO12
12313
25 1416 15
Pin Signal Name Pin Signal Name
1 +24V 13 GND
2 +24V 14 GND
3 +24V 15 GND
4 +24V 16 GND
5 +24V 17 GND
6 +24V 18 GND
7 +24V 19 CAUTION(+)
8 +24V 20 CAUTION(–)
9 +24V 21 DETECT A
10 GND 22 DETECT B
11 GND 23 DETECT GND
12 GND Frame GND
1
2
3
4
5
6789
10111213
14
15
16
17181920
21
22
23
Unità di misura: mm
283
271
260
283
271
260
1551
1450
950
865
1551
1450
950
865
PM5D-RHPM5D
430
340 35070 50
480
2 6.4
460
21.6
DSP5D
13 440

MIDI Implementation Chart
YAMAHA [Digital Mixing Console] Date: 30-Apr-2004
Model: PM5D/PM5D-RH MIDI Implementation Chart Version: 1.0
Function... Transmitted Recognized Remarks
Basic
Channel
Default
Changed
1–16
1–16
1–16
1–16 Memorized
Mode
Default
Messages
Altered
X
X
**************
1, 3
X
X
Memorized
Note
Number :True Voice X
**************
0–127
X
Velocity Note On
Note Off
X
X
O
OEffect Control
After
Touch
Key’s
Ch’s
X
X
X
X
Pitch Bend X X
Control
Change
0,32
6,38
98,99
1-31,33-98,
102-119
O
O
O
O
O
O
O
O
Bank Select
Data Entry
NRPN LSB,MSB
Assignable Cntrl
Prog
Change :True#
O 0–127
**************
O 0–127
0–500 Assignable
System Exclusive O *1 O *1
System
Common
:Song Pos
:Song Sel
:Tune
X
X
X
X
X
X
System
Real Time
:Clock
:Commands
X
X
O
XEffect Control
Aux
Messages
:All Sound Off
:Reset All Cntrls
:Local ON/OFF
:All Notes OFF
:Active Sense
:Reset
X
X
X
X
X
X
X
X
X
X
O
O
Notes
*1: Bulk Dump/Request, Parameter Change/Request, and MMC.
For MIDI remote and event, all messages can be
transmitted.
MTC quarter frame message is recognized.
Mode 1: OMNI ON, POLY
Mode 3: OMNI OFF, POLY
Mode 2: OMNI ON, MONO
Mode 4: OMNI OFF, MONO
O: Yes
X: No

PM5D/PM5D-RH V2/DSP5D – Manuale di istruzioni Sezione riferimenti 397
Informazioni visua-
lizzate sul display
Menu Function
(Funzioni)
Funzioni
generali
Funzioni
di output
Funzioni
di input
Appendici
Indice
Simboli
ø
................................................... 67
ø/ATT 1-48
.................................. 288
ø/ATT STIN/FXRTN
.................... 288
Numero
2TR I/O
....................................... 237
A
Accesso a una schermata
................. 27
Accoppiamento
Accoppiamento dei canali MIX
.. 59
Attivazione/disattivazione
.......... 53
AD IN, sezione
............................... 43
ADVANCED, modalità
.......... 212, 216
Alimentazione phantom
................. 44
Analogico, collegamenti di output
... 34
Appendici
.................................... 317
Assegnazione
................................. 74
ASSIGN MODE, sezione
............ 81
GEQ ASSIGN
.......................... 173
Insert-out e insert-in
.................. 78
Messaggi MIDI, assegnazione
... 127
Nome, assegnazione
.................. 30
Assegnazione di parametri a Control
Change
...................... 343
Assegnazione Pin
.......................... 394
Assegnazioni di parametri NRPN
.. 360
ATTENUATION
............................ 67
Audio analogico, collegamenti
......... 33
AUTO CAPTURE
........................ 178
Auto Store, funzione
....................... 91
B
Barra di scorrimento
....................... 24
BASIC, modalità
................... 211, 215
BLANK SKIP
............................... 177
BPM
............................................ 167
Bus MIX di tipo FIXED
.................. 52
Bus MIX di tipo VARI
.................... 52
BUSY, indicatore
.......................... 164
C
Calibratura
.................................. 161
Calibratura delle porte GPI IN
....... 135
Calibratura fader
.......................... 161
Canale di ingresso
............. 12, 41, 283,
.............................293, 295
Canali di ingresso 1–48
.............. 41
Canali FX RTN 1–4
................... 42
Canali ST IN 1–4
....................... 41
Channel strip
....................... 45, 47
FADER FLIP/ENCODER MODE,
sezione
........................ 48
Sezione AD IN
.......................... 43
Canale di uscita
......................... 12, 55
Canali MIX 1–24
....................... 55
Canali STEREO A/B
.................. 55
Channel strip
............................ 61
MATRIX, canali 1-8
................... 56
MATRIX, sezione
...................... 63
MIX, sezione
............................. 57
Canale selezionato
........................ 164
Caratteristiche
................................ 10
Caratteristiche di input/output
...... 384
Caratteristiche elettriche
............... 389
Caricamento
................................ 140
CASCADE FROM
........................ 227
CASCADE/Fs
............................... 163
Caselle
........................................... 23
CH 1-12
....................................... 293
CH 1-24
................................ 283, 295
CH 13-24
..................................... 293
CH 25-36
..................................... 293
CH 25-48
.............................. 283, 295
CH 37-48
..................................... 293
CH JOB
................................ 274, 314
CH to MIX
........................... 112, 299
CH VIEW
............................. 270, 311
CHANNEL SELECT
....................... 66
Channel strip
...................... 45, 47, 61
Canale INPUT
........................... 45
Canale ST IN/FX RTN
............... 47
Canale STEREO A/B
.................. 61
Collegamenti
.................................. 31
Analogico, collegamenti
di output
..................... 34
Audio analogico, collegamenti
.... 33
Collegamenti di input/output
digitale
........................ 36
Collegamenti di input/output
digitale
........................ 36
Collegamento
................................. 81
ASSIGN MODE, sezione
............ 81
Compressor Link
....................... 85
EQ Link
.................................... 85
Collegamento ad un computer
...... 158
Collegamento in cascata
................ 226
BI-DIRECTION
...................... 225
CASCADE IN PORT SELECT
.. 224
CASCADE MODE
................... 225
CASCADE OUT PORT SOURCE
SELECT
.................... 225
Collegamenti in cascata
............ 153
Sorgente del collegamento
in cascata
................... 224
COMP LIBRARY
............ 71, 256, 295
COMP LINK ASSIGN
..... 85, 261, 299
COMP PARAM
.................... 253, 291
Compressor
................................... 68
Compressor Link
............................ 85
Compressore
................................ 110
Operazioni
................................ 71
Configurazione
.............................. 31
Word clock
............................... 38
Connessioni a margherita
................ 38
Console Lock
............................... 152
Control change
............................. 125
Controllo remoto
......................... 123
Canali remoti MIDI
................. 131
Control change
........................ 125
MIDI
...................................... 123
MIDI Remote
.......................... 127
Program change
...................... 123
CSV EXPORT, modalità
............... 212
CSV IMPORT, modalità
............... 216
Cue
............................................... 99
Cue, funzione
.......................... 104
CUE, modalità
......................... 102
CUE, sezione
..................... 99, 102
Cue/Solo, funzioni
................... 102
Solo, funzione
......................... 104
CUE FUNCTION
......................... 241
CUE/SOLO
.................................. 240
CUE FUNCTION
.................... 241
INPUT SOLO SAFE
................. 241
OUTPUT SOLO SAFE
............. 242
SOLO ON/OFF
....................... 240
Cursore
.................................... 23, 27
D
Data Entry
..................................... 24
DCA
.............................................. 81
DCA CUE, indicatore
................... 164
DCA GROUP ASSIGN
.......... 258, 296
DELAY
.......................................... 66
Diagramma a blocchi
........................ 1
Diagramma dei livelli
........................ 3
Dimensioni
.................................. 395
DIMM, indicatore
........................ 164
DIRECT OUT PATCH
........... 80, 278
DIRECT RECALL
......................... 165
DIRECT RECALL ASSIGN
........... 177
Direct Recall, funzione
.................... 91
DISPLAY ACCESS
.................... 24, 27
DISPLAY ACCESS, sezione
........... 165
DITHER
...................................... 229
Divergence
................................... 146
DME CONTROL
......................... 199
DSP5D
Collegamenti in cascata con
l'unità PM5D
............... 13
Differenza con l'unità PM5D
...... 12
ID della macchina, indicazione
. 153
Informazioni sull'unità DSP5D
... 12
Inizializzazione
........................ 160
Pannello frontale
....................... 21
Pannello posteriore
.................... 22
DSP5D Editor
................................ 13
E
Effetti
........................................... 111
Bus MIX, utilizzo tramite
......... 112
Editing
.................................... 115
EFFECT ASSIGN
..................... 168
EFFECT CUE, indicatore
......... 164

Indice
398 PM5D/PM5D-RH V2/DSP5D – Manuale di istruzioni Sezione riferimenti
EFFECT LIBRARY
.................. 169
EFFECT PARAM
............. 112, 113,
.............................115, 166
EFFECT, funzioni
.................... 166
Effetti, parametri
..................... 325
Elenco libreria effetti
................ 324
Freeze, effetto
.......................... 117
Inserimento in un canale
.......... 113
Memorizzazione
...................... 115
Operazioni di base
................... 114
PLUG-IN
................................ 170
Richiamo
................................ 114
Tap Tempo, funzione
.............. 116
Encoder, modalità
........................ 165
EQ (Equalizer)
........................ 69, 287
Operazioni
................................ 73
EQ grafico
.................................... 118
Operazioni di base
................... 119
EQ grafico, modulo
Assegnazione
........................... 118
EQ Link
......................................... 85
EQ LINK ASSIGN
........... 85, 260, 298
EQ PARAM
.......................... 250, 286
EQ parametrico
Operazioni di base
................... 121
EQ STIN/FXRTN
......................... 287
Esempi di sistemi
...................... 31, 32
EVENT LIST
................................ 177
AUTO CAPTURE
................... 178
DISABLE
......................... 163, 177
ENABLE
.......................... 163, 177
EVENT RECALL
..................... 178
EVENT TRIGGER
................... 178
MOVE DOWN
....................... 179
MOVE UP
.............................. 179
EVENT, indicatore
....................... 164
Eventi
................................... 123, 125
EXTERNAL CUE, indicatore
......... 164
F
FADE TIME
............................ 95, 184
Fade, funzione
................................ 95
Fader
....................................... 23, 29
FADER ASSIGN
........................... 217
FADER FLIP/ENCODER MODE,
sezione
........................ 48
FADER MODE
............................ 165
FADER MODE, sezione
................ 149
FADER START
............................ 196
FADER VIEW
....................... 273, 314
FADING, indicatore
..................... 164
Fase
............................................... 67
FIX ASSIGN VIEW
...................... 307
Formato dati MIDI
....................... 368
FRAME RATE
.............................. 179
Freeze, effetto
............................... 117
Funzionamento di base
................... 23
Funzione encoder
........................... 49
Funzione MIDI REMOTE
............. 188
Funzione, parametri
..................... 164
Funzioni di sicurezza
.................... 151
Console Lock
.......................... 152
Parameter Lock
....................... 152
FX RTN 1–4, canali
......................... 42
FX RTN, layer
.............................. 165
G
Gain
.............................................. 67
Riduzione guadagno
................ 110
Gate
............................................. 110
Operazioni
................................ 72
GATE LIBRARY
..................... 72, 294
GATE PARAM
............................. 289
Generali
.......................... 24, 165, 166
EFFECT, funzioni
.................... 166
GEQ, funzione
........................ 170
METER, funzione
.................... 231
MIDI REMOTE, funzione
........ 188
MON/CUE, funzione
............... 234
SCENE, funzione
..................... 175
SYS/W.CLOCK, funzione
......... 219
UTILITY, funzione
.................. 204
GEQ
GEQ ASSIGN
.......................... 173
GEQ LIBRARY
........................ 174
GEQ PARAM
................... 118, 170
GEQ, funzione
........................ 170
GEQ, modulo
Espansione
.............................. 119
GLOBAL PASTE
.................... 97, 187
Global Paste, funzione
.................... 97
GPI
.............................................. 194
Calibratura
.............................. 135
General Purpose Interface
........ 133
GPI IN
.................................... 133
GPI IN MONITOR
.................. 195
GPI OUT
......................... 136, 195
GPI, indicatore
........................ 164
TALLY
............................. 137, 196
USER DEFINED KEYS
............ 137
Gruppi DCA
............................ 81, 82
Gruppi di esclusione
................. 81, 83
Gruppo
.......................................... 65
Cue e Solo
............................... 103
Guadagno
Regolazione
............................. 162
Guadagno di ingresso (PM5D-RH),
regolazione
................ 162
H
HA (Head Amp)
..................... 44, 228
HA LIBRARY
................ 230, 249, 285
HA, indicatore
.............................. 164
HORIZONTAL PAIR
............. 54, 221
HPF (High Pass Filter)
.................... 69
Operazioni
................................ 73
I
ID della macchina, indicazione
...... 153
Indicatore
.................................... 164
Indicatori
..................................... 108
Punto di misurazione
............... 109
Indicatori, sezione
................ 108, 164
Informazioni visualizzate
sul display
.................. 163
Inizializzazione
............................. 160
Inizializzazione (DSP5D)
.............. 160
Input
.............................. 24, 165, 277
ø/ATT 1-48
............................. 288
ø/ATT STIN/FXRTN
............... 288
ø/EQ, funzione
........................ 286
CH 1-12
.................................. 293
CH 1-24
.......................... 283, 295
CH 13-24
................................ 293
CH 25-36
................................ 293
CH 25-48
........................ 283, 295
CH 37-48
................................ 293
CH JOB
.................................. 314
CH LIBRARY
.......................... 316
CH to MIX
.............................. 299
CH VIEW
............................... 311
COMP LIBRARY
..................... 295
COMP LINK ASSIGN
.............. 299
COMP PARAM
....................... 291
DCA GROUP ASSIGN
............. 296
DCA/GROUP, funzione
........... 296
DELAY, funzione
..................... 295
DIRECT OUT PATCH
............ 278
EQ
.......................................... 287
EQ LIBRARY
.......................... 289
EQ LINK ASSIGN
................... 298
EQ PARAM
............................. 286
EQ STIN/FXRTN
.................... 287
FADER VIEW
......................... 314
FIX ASSIGN VIEW
.................. 307
GATE LIBRARY
...................... 294
GATE PARAM
........................ 289
GATE/COMP, funzione
........... 289
HA LIBRARY
.......................... 285
HA/INSERT, funzione
............. 283
INSERT
.................................. 284
INSERT PATCH
...................... 279
INSERT STIN
.......................... 284
INSERT/DIRECT OUT POINT
281
LCR
........................................ 308
M/S
........................................ 311
MIX SEND VIEW
.................... 305
MUTE GROUP ASSIGN
.......... 297
NAME
.................................... 282
PAN/ROUTING, funzione
....... 299
PATCH
................................... 277
PATCH LIBRARY
................... 283
PATCH, funzione
.................... 277
SIGNAL FLOW
....................... 313
ST IN
.............................. 293, 295
STIN/FXRTN
.......................... 283
SURR PARAM
........................ 309
SURR VIEW
........................... 310
VIEW, funzione
....................... 311
INPUT CH, layer
.......................... 165
INPUT CUE, indicatore
................ 164
INPUT DCA/GROUP, funzione
.... 296
COMP LINK ASSIGN
.............. 299
DCA GROUP ASSIGN
............. 296
EQ LINK ASSIGN
................... 298
MUTE GROUP ASSIGN
.......... 297

PM5D/PM5D-RH V2/DSP5D – Manuale di istruzioni Sezione riferimenti 399
Informazioni visua-
lizzate sul display
Menu Function
(Funzioni)
Funzioni
generali
Funzioni
di output
Funzioni
di input
Appendici
INPUT DELAY, funzione
............. 295
INPUT GATE/COMP, funzione
.... 289
Canale di ingresso
.................... 293
COMP LIBRARY
.................... 295
COMP PARAM
...................... 291
GATE LIBRARY
...................... 294
GATE PARAM
........................ 289
ST IN
...................................... 293
INPUT GR
............................ 110, 233
INPUT HA/INSERT, funzione
...... 283
Canale di ingresso
.................... 283
CH 1-24
.................................. 283
CH 25-48
................................ 283
HA LIBRARY
.......................... 285
INSERT
.................................. 284
STIN/FXRTN
.......................... 283
INPUT METER
........................... 231
INPUT ø/EQ, funzione
................. 286
ø/ATT 1-48
............................. 288
ø/ATT STIN/FXRTN
............... 288
EQ
......................................... 287
EQ PARAM
............................ 286
EQ STIN/FXRTN
.................... 287
INPUT EQ LIBRARY
.............. 289
INPUT PATCH, funzione
............. 277
DIRECT OUT PATCH
............ 278
INPUT PATCH LIBRARY
....... 283
INSERT PATCH
..................... 279
INSERT/DIRECT OUT POINT
281
NAME
.................................... 282
INPUT SOLO SAFE
..................... 241
INPUT VIEW, funzione
............... 311
CH JOB
.................................. 314
CH VIEW
............................... 311
FADER VIEW
......................... 314
INPUT CH LIBRARY
.............. 316
SIGNAL FLOW
....................... 313
Input, assegnazione
........................ 74
Inserimento
Dispositivo esterno
.................... 77
Effetto interno in un canale
...... 113
Inserimento di un carattere
............. 30
Nome, assegnazione
.................. 30
INSERT
....................................... 284
INSERT IN MIX 1-24
................... 248
INSERT PATCH
............. 78, 244, 279
INSERT POINT
........................... 246
INSERT STIN
.............................. 284
INSERT/DIRECT OUT POINT
..... 78,
.......................80, 113, 281
Insert-out e insert-in
Assegnazione
............................. 78
Interfaccia utente
............................ 23
Interfaccia utente esterna
................ 25
Invio dei segnali
a un bus MIX
............................ 51
ai bus MATRIX
......................... 58
al bus STEREO
..................... 50, 59
dai canali STEREO A/B ai bus
MATRIX
..................... 62
dai canali STEREO A/B ai jack
di uscita
....................... 62
dalla sezione MATRIX ai jack
di uscita
....................... 63
K
KEY IN CUE, indicatore
............... 164
L
LATCH
....................................... 193
Layer
....................................... 45, 47
[CH 1-24]/[CH 25-48], tasti
....... 45
[ST IN 1-4]/[FX RTN 1-4], tasti
. 47
INPUT CH
............................. 165
ST IN/FX RTN
........................ 165
Layer CH 1-24
................................ 45
Layer CH 25-48
.............................. 45
Layer FX RTN
................................ 47
Layer ST IN
.................................... 47
LCR
...................................... 267, 308
LCR [B], indicatore
...................... 164
LCR, indicatore
............................ 164
LEARN
........................................ 193
LFE
............................................. 146
Libreria
COMP LIBRARY
.................... 295
EFFECT LIBRARY
.................. 169
GATE LIBRARY
...................... 294
GEQ LIBRARY
........................ 174
HA LIBRARY
................... 249, 285
INPUT CH LIBRARY
.............. 316
INPUT EQ LIBRARY
.............. 289
INPUT PATCH LIBRARY
....... 283
OUTPUT CH LIBRARY
.......... 275
OUTPUT PATCH LIBRARY
.... 247
Libreria canali, elenco
................... 364
Libreria compressore, elenco
......... 319
Libreria effetti
Program Change, tabella
.......... 337
Libreria EQ, elenco
....................... 317
Libreria GATE, elenco
................... 318
LOAD
.......................................... 215
ADVANCED, modalità
............ 216
BASIC, modalità
...................... 215
CSV IMPORT, modalità
.......... 216
M
M/S
............................................. 311
Manopole
................................ 23, 29
MATRIX, canali 1-8
....................... 56
MATRIX, sezione
........................... 63
MATRIX/ST, funzione
.................. 262
LCR
........................................ 267
MATRIX/ST ROUTING
.......... 262
MIX to MATRIX VIEW
........... 264
SURR SETUP
.......................... 268
MATRIX/STEREO
........ 251, 255, 257
Memoria interna
Inizializzazione
........................ 160
Messaggi d'errore
......................... 379
Messaggi di avviso
........................ 377
METER, funzione
......................... 231
INPUT GR
.............................. 233
INPUT METER
....................... 231
OUTPUT GR
.......................... 234
OUTPUT METER
................... 232
MIDI
........................................... 123
Canali remoti MIDI
................. 131
Eventi MIDI
............................ 132
Messaggi MIDI, assegnazione
... 127
MIDI CTRL CHANGE
.......... 125, 191
MIDI EVENT
............................... 175
MIDI Implementation Chart
......... 396
MIDI PGM CHANGE
........... 123, 190
MIDI REMOTE
.................... 127, 192
MIDI REMOTE, funzione
DME CONTROL
.................... 199
FADER START
....................... 196
GPI
......................................... 194
LATCH
................................... 193
LEARN
................................... 193
MMC
.............................. 197, 198
RS422
.............................. 197, 198
TALLY
.................................... 196
TRANSPORT
.......................... 198
MIDI SETUP
............................... 188
MIDI, indicatore
.......................... 164
MIX 1-24
...................... 251, 255, 257
MIX 1–24, canali
............................ 55
MIX SEND VIEW
........................ 305
MIX to MATRIX VIEW
................ 264
MIX, sezione
.......................... 57, 164
MIXER SETUP
....................... 54, 221
PAIR MODE
........................... 221
MMC
................................... 197, 198
Modalità surround
................ 142, 143
MON/CUE, funzione
.................... 234
2TR I/O
.................................. 237
CUE/SOLO
............................. 240
MONITOR
............................. 238
OSCILLATOR
......................... 236
TALKBACK
............................ 234
Monitor
.......................... 99, 101, 238
CUE, modalità
......................... 102
SOLO, modalità
...................... 102
MONITOR, sezioni
........................ 99
Mouse
........................................... 25
MOVE DOWN
............................ 179
MOVE UP
................................... 179
MUTE GROUP ASSIGN
........ 259, 297
MUTE MASTER
.......................... 165
N
NAME
.................................. 247, 282
NEXT SCENE/NEXT EVENT
....... 163
NOISE GATE
................................. 67
Nome funzione
............................ 163
Nuove funzionalità principali
in PM5D V2.0
.............. 14
O
OFFSET TIME
............................. 179
OSC, indicatore
............................ 164
OSCILLATOR
............... 105, 107, 236
Output
............................ 24, 165, 243
CH JOB
.................................. 274
CH LIBRARY
.......................... 275

Indice
400 PM5D/PM5D-RH V2/DSP5D – Manuale di istruzioni Sezione riferimenti
CH VIEW
............................... 270
COMP LIBRARY
.................... 256
COMP LINK ASSIGN
............. 261
COMP PARAM
....................... 253
COMP, funzione
..................... 253
DCA GROUP ASSIGN
............ 258
DCA/GROUP, funzione
........... 258
DELAY, funzione
.................... 257
EQ LIBRARY
.......................... 252
EQ LINK ASSIGN
................... 260
EQ PARAM
............................ 250
EQ, funzione
........................... 250
FADER VIEW
......................... 273
HA LIBRARY
.......................... 249
INSERT IN MATRIX/STEREO/
MONITOR
............... 248
INSERT IN MIX 1-24
.............. 248
INSERT PATCH
..................... 244
INSERT POINT
...................... 246
INSERT, funzione
................... 248
LCR
........................................ 267
MATRIX/ST ROUTING
.......... 262
MATRIX/ST, funzione
............. 262
MATRIX/STEREO
... 251, 255, 257
MIX 1-24
................. 251, 255, 257
MIX to MATRIX VIEW
........... 264
MUTE GROUP ASSIGN
.......... 259
NAME
.................................... 247
PATCH
.................................. 243
PATCH LIBRARY
................... 247
PATCH, funzione
.................... 243
SIGNAL FLOW
....................... 272
SURR SETUP
.......................... 268
VIEW, funzione
...................... 270
OUTPUT COMP, funzione
........... 253
COMP LIBRARY
.................... 256
COMP PARAM
....................... 253
MATRIX/STEREO
.................. 255
MIX 1-24
................................ 255
OUTPUT CUE, indicatore
............ 164
OUTPUT DCA/GROUP, funzione
258
COMP LINK ASSIGN
............. 261
DCA GROUP ASSIGN
............ 258
EQ LINK ASSIGN
................... 260
MUTE GROUP ASSIGN
.......... 259
OUTPUT DELAY, funzioni
.......... 257
Output diretto
................................ 80
OUTPUT EQ, funzione
................ 250
EQ PARAM
............................ 250
MATRIX/STEREO
.................. 251
MIX 1-24
................................ 251
OUTPUT EQ LIBRARY
........... 252
OUTPUT GR
........................ 110, 234
OUTPUT INSERT, funzione
......... 248
HA LIBRARY
.......................... 249
INSERT IN MIX 1-24
.............. 248
OUTPUT METER
........................ 232
OUTPUT PATCH, funzione
......... 243
INSERT PATCH
..................... 244
INSERT POINT
...................... 246
NAME
.................................... 247
OUTPUT PATCH LIBRARY
.... 247
OUTPUT PORT ATT
................... 229
OUTPUT SOLO SAFE
.................. 242
OUTPUT VIEW, funzione
............ 270
CH JOB
.................................. 274
CH VIEW
............................... 270
FADER VIEW
......................... 273
OUTPUT CH LIBRARY
.......... 275
SIGNAL FLOW
....................... 272
Output, assegnazione
...................... 75
P
PAIR MODE
..................... 53, 54, 221
Pan surround
........................ 142, 222
Bus surround
.......................... 143
Divergence
.............................. 146
LFE
......................................... 146
Note
....................................... 147
Pattern
.................................... 146
PAN/ROUTING, funzione
............ 299
CH to MIX
.............................. 299
FIX ASSIGN VIEW
.................. 307
LCR
........................................ 308
M/S
........................................ 311
MIX SEND VIEW
................... 305
SURR PARAM
........................ 309
SURR VIEW
........................... 310
Pannelli
......................................... 16
Pannello frontale
............................ 20
Pannello frontale (DSP5D)
.............. 21
Pannello posteriore
......................... 18
Pannello posteriore (DSP5D)
.......... 22
Pannello superiore
.......................... 16
Panoramica del sistema PM5D
........ 10
Parameter Lock
............................ 152
Parametri che possono essere
assegnati a messaggi
Control Change
......... 341
Parametri dinamiche
.................... 321
PASTE MODE
............................... 97
Pattern
......................................... 146
PM5D Editor
................................. 13
PM5D, PM5D-RH, modello
............ 11
PREFERENCE 1/2
........................ 204
PRESENT TIME
........................... 163
PREVIEW, indicatore
..................... 90
PREVIEW, modalità
....................... 90
Program change
........................... 123
Pulsanti
................................... 23, 29
Puntatore
....................................... 23
R
Raggruppamento
............................ 81
ASSIGN MODE, sezione
............ 81
DCA
......................................... 81
RECALL SAFE
....................... 94, 182
Recall Safe, funzione
....................... 94
Regolazione del guadagno di uscita
162
Riduzione guadagno input
............ 233
Riduzione guadagno output
.......... 234
Ripristino allo stato di default
.......... 40
Risoluzione dei problemi
.............. 380
RS422
................................... 197, 198
RS422, indicatore
......................... 164
S
SAVE
................................... 138, 211
ADVANCED, modalità
............ 212
BASIC, modalità
...................... 211
CSV EXPORT, modalità
........... 212
Scambio delle funzioni dei fader
ed encoder
................... 49
Scatola di distribuzione
................... 38
Scena
..................................... 87, 175
Ripristino allo stato di default
..... 40
Scene, memoria
...................... 87, 163
Auto Store, funzione
.................. 91
BLANK SKIP
........................... 177
DIRECT RECALL ASSIGN
...... 177
Direct Recall, funzione
............... 91
EVENT LIST
........................... 177
FADE TIME
............................ 184
Fade, funzione
........................... 95
Funzionamento di base
.............. 89
GLOBAL PASTE
..................... 187
Global Paste, funzione
................ 97
GPI OUT CONTROL
.............. 176
Memorizzazione
........................ 89
MIDI EVENT
.......................... 175
PREVIEW, modalità
.................. 90
Program Change, tabella
.......... 337
RECALL SAFE
......................... 182
Recall Safe, funzione
.................. 94
REMOTE TRANSPORT
.......... 176
Richiamo
.................................. 90
SCENE
.................................... 175
SCENE FUNCTION
................ 176
SCENE MEMORY, sezione
........ 88
SCENE, funzione
..................... 175
SELECTIVE RECALL
.............. 180
Selective Recall, funzione
............ 92
TRACKING RECALL
.............. 186
Tracking Recall, funzione
........... 96
Scheda I/O
..................................... 36
Scheda opzionale
............................ 37
Tipi di schede I/O
...................... 36
Schede di memoria
....................... 138
Schede mini-YGDAI I/O
................. 36
Scorrimento
................................... 28
SECURITY
................................... 218
Segnale inviato
a un bus MIX di tipo VARI
......... 60
ai bus MATRIX
......................... 64
Segnali di output dei canali
MATRIX
..................... 64
Segnali di output del canale MIX
..... 60
Selected channel, sezione
................. 65
Modifica dei parametri
............... 70
SELECTED CHANNEL, sezione
. 65
SELECTIVE RECALL
............. 92, 180
Selective Recall, funzione
................. 92
Selezione del word clock master
....... 38
Sezione operativa
............................ 10
Sezione Riferimenti
....................... 163
SIGNAL FLOW
.................... 272, 313
Sincronizzazione
............................. 15
Sincronizzazione di effetti e tempo
. 336
SOLO ON/OFF
............................ 240

PM5D/PM5D-RH V2/DSP5D – Manuale di istruzioni Sezione riferimenti 401
Informazioni visua-
lizzate sul display
Menu Function
(Funzioni)
Funzioni
generali
Funzioni
di output
Funzioni
di input
Appendici
Solo, funzione
.............................. 104
SOLO, indicatore
......................... 164
SOLO, modalità
........................... 102
Specifiche tecniche
....................... 381
ST IN
................................... 293, 295
ST IN 1–4, canali
............................ 41
ST IN, layer
.................................. 165
START OFFSET, pulsante
............. 185
START TIME
............................... 179
STEREO
........................................ 68
STEREO A/B, canali
....................... 55
STEREO B
................................... 222
STIN/FXRTN
............................... 283
Struttura dei canali
......................... 12
Struttura del manuale
..................... 15
Surround
SURR PARAM
........................ 309
SURR SETUP
.......................... 268
SURR VIEW
........................... 310
Surround, modalità
...................... 222
SYS/W.CLOCK, funzione
............. 219
CASCADE
.............................. 226
DITHER
................................. 229
HA (Head Amp)
..................... 228
HA LIBRARY
.......................... 230
MIXER SETUP
....................... 221
OUTPUT PORT ATT
.............. 229
WORD CLOCK
...................... 219
T
Tab
........................................ 23, 164
TALKBACK
.................. 105, 106, 234
TALKBACK/OSCILLATOR,
sezioni
....................... 105
TALLY
........................................ 196
TAP TEMPO
BPM
....................................... 167
Tap Tempo, funzione
................... 116
Tastiera
.......................................... 25
Tavolozza dei caratteri
.................... 23
TB, indicatore
.............................. 164
TIME CODE
......................... 163, 179
TIME CODE SETUP
.................... 179
Tocco
............................................ 26
TRACKING RECALL
.............. 96, 186
Tracking Recall, funzione
................ 96
TRACKING, indicatore
................ 164
TRANSPORT
.............................. 198
Trascinamento e rilascio
................. 26
U
USB
USB TO HOST, connettore
...... 158
USE AS CENTER BUS
........... 222, 239
USE AS STEREO BUS
........... 222, 239
USER DEFINE
............................. 208
USER DEFINED KEY, banco
........ 165
USER DEFINED KEYS
.......... 148, 196
USER DEFINED, sezione
.............. 148
UTILITY, funzione
....................... 204
FADER ASSIGN
...................... 217
LOAD
..................................... 215
PREFERENCE 1/2
................... 204
SAVE
...................................... 211
SECURITY
.............................. 218
USER DEFINE
........................ 208
Utilizzo di un effetto interno tramite
un bus MIX
............... 112
V
Versioni del firmware
..................... 14
VERTICAL PAIR
.................... 54, 221
W
Word clock
....................... 15, 38, 219

PM5D/PM5D-RH – Diagramma a blocchi

DSP5D – Diagramma a blocchi
CH 1(...48)
ATT INPUT
DELAY
CUE
PreEQ/
PreFader/
PostON
DIRECT OUT
Keyin
Self Pre EQ/
Self Post EQ/
Mix21-24 OUT/
CH1-8 Post EQ/
CH9-16 Post EQ/
...
CH41-48 Post EQ
LINK ON/OFF
PAN
HPF
ON
TO ST
MIX1-24 ST A
LEVEL/
DCA1-8 ON
MIX1
MIX24
FIX
VARI
MIX2
Keyin
Self Pre EQ/
Self Post EQ/
Mix21-24 OUT/
CH1-8 Post EQ/
CH9-16 Post EQ/
...
CH41-48 Post EQ
LINK ON/OFF
MIX PAIR
FIXED MIX PAN
PFL/
AFL/
Post PAN
KEYIN CUE
INSERT INSERT
INSERT IN
INSERT OUT
PreEQ/
PostEQ/
PreDelay/
PostFader
CUE R
CUE L
CASCADE OUT D-SUB
To CASCADE IN/OUT RJ-45
INPUT/
OUTPUT/
DCA
TRIM
GEQ 1(...12)
INSERT OUT INSERT IN
31BAND
GEQ
METERMETER
ST IN 1-4
Pair configuration of Mono channel
METER
LEVEL/
DCA7-8 ON
BAL
INSERT INSERT INSERT
OUTPUT
DELAY
INSERT
to MATRIX To OUTPUT PATCH
MONO
To OUTPUT PATCH
INSERT
PAN
MIX to STEREO
ON
LEVEL/
DCA7-8 ON
PreFader/
PostFader/
PostON
INSERT INSERT
OUTPUT
DELAY
INSERT
Same as the mix master 1
to MATRIX To OUTPUT PATCH
METER
CUE
PAN
ON
TO ST
LEVEL/D
CA1-8 ON
MIX1
MIX24
FIX
VARI
MIX2
MIX PAIR
FIXED MIX PAN
PFL/
AFL/
POST PAN
MATRIX3
MATRIX4
MATRIX5
MATRIX6
MATRIX7
MATRIX8
MATRIX2
MATRIX1
INSERT
ON
INSERT INSERT INSERT
OUTPUT
DELAY
Same as the above
STEREO B-L
STEREO B-R
STEREO A-L
STEREO A-R
LEVEL
MIX1
MIX24
Same as the matrix master 1
To OUTPUT PATCH
Pre EQ/
PreFader/
PostON
SLOT1
DITHER
SLOT2
DITHER
OUTPUT PATCH
SLOT1 16
SLOT2 16
Same as the monaural input
Same as the stereo master A
TALKBACK ON
To OUTPUT PATCH
LEVEL ON
To OUTPUT PATCH
Same as the above
Same as the above
IN 1-48 CUE OUT
DELAY
CUE OUT
DELAY
CUE
Same as the stereo master L
To OUTPUT PATCH
MONO
METER
32
BYPASS
OSC(L)
OSC(R)
Pink Noise
MS-
DECODE
POST
TO ST
ON
ST B
(C) CUE
CUE
To OUTPUT PATCH
To OUTPUT PATCH
FOLLOW
PAN
POST
TO ST
CUE
LCR
CSR ON
LCR
CSR ON
Keyin
Self Pre EQ/
Self Post EQ/
Mix21-24 OUT/
Stereo A,B,Matrix1-8 Post EQ
LINK ON/OFF
Keyin
Self Pre EQ/Self Post EQ/Mix21-24 OUT/
Mix1-12 Post EQ/Mix13-24 Post EQ
LINK ON/OFF
Keyin
Self Pre EQ/
Self Post EQ/
Mix21-24 OUT/
Stereo A,B,Matrix1-8 Post EQ
LINK ON/OFF
FOLLOW
PAN
32
BI DIRECTION
From
CASCADE IN
SELECT
ON
BI DIRECTION
ON
BI DIRECTION
ON
From
CASCADE IN
SELECT
PreFader/
PostFader/
PostON
LCR
CSR ON
ATT
METER
METER
HPF
OUT ATT.
PreATT
METER
InsertIn
METER
4BAND
EQ
IN OUT
METERMETER
GATE COMP
Keyin Filter
OUT
IN
METER
GR
METER
METER
METER
METER
GR
METER
OUT
METER
KEYIN
KEYIN
INSERT
METER
PostFader
PostON
4BAND
EQ
IN OUT
METERMETER
PreATT
METER
METER
PostFader
PostON
TALKBACK
SELECT
SELECT SPECTRUM
ANALYZER
12
8BAND
EQ
IN OUT
METERMETER
METER
KEYIN
IN
METER
METER
GR
METER
OUT
COMP
8BAND
EQ
IN OUT
METERMETER
METER
KEYIN
IN
METER
METER
GR METER
OUT
COMP
4BAND
EQ
IN OUT
METERMETER
KEYIN
IN
METER
METER
GR METER
OUT
COMP
METER
PostFader PostON
PostDelay
PostFader PostON
PostDelay
METER
PostFader PostON
PostDelay
CASCADE
OUT
ON/OFF
Lch
METER
Rch
METER
1
INPUT
+48V
TO TALKBACK SELECT
GAIN
OFF
ON
AD
+48V MASTER
ON
OFF
INPUT 1-48
FX7 OUT L/R
FX8 OUT L/R
FX1 OUT L/R
FX4 OUT L/R
FX6 OUT L/R
FX2 OUT L/R
FX3 OUT L/R
FX5 OUT L/R
INPUT PATCH
SLOT1
SLOT2 16
16
FX7 IN L/R
FX8 IN L/R
FX1 IN L/R
FX4 IN L/R
FX6 IN L/R
FX2 IN L/R
FX3 IN L/R
FX5 IN L/R EFFECT
1-8
EFFECT
MIX 1~24
INSERT OUT
24
92
SELECT
METER
SLOT1 1-16
SLOT2 1-16
To BUS SUMMING
CASCADE IN D-SUB 32
32
CASCADE IN SELECT
GAIN
OFF
ON
AD
GAIN
OFF
ON
AD
ST IN L
ST IN R
ST IN 1-4 L
ST IN 1-4 R
[INPUT]
(1-48)
x 48
[ST IN]
(1-4)
x 4
PreFader
PreFader
PreFader
PreFader
LEVEL/
DCA7-8
PreFader
To METER
To METER
PreATT
PreGate
PreATT
To METER
To METER
PreEQ
To METER
PreEQ
To METER
PreEQ
INSERT OUT
PreEQ/
PostEQ/
PreFader/
PostOn
INSERT OUT
PreEQ/
PostEQ/
PreFader/
PostOn
INSERT OUT
PreEQ/
PostEQ/
PreFader/
PostOn
ON
ON
PreGate
TB OUT
OSC OUT
To OUTPUT PATCH
PreEQ
PreHPF
PreFader
PostON
To OUTPUT PATCH
To OUTPUT PATCH
To OUTPUT PATCH
To OUTPUT PATCH
Burst Noise HPF LPF
INSERT
PFL/
PostON
PFL/
PostON
PreON/
PostON
PFL/
PostON
CASCADE
IN
ON/OFF
FX RTN 1-4
Pair configuration of Mono channel
External CUE
SELECT
SLOT1-2(1-16)
+48V
TO TAL KB A CK PreATT
2
8
24
STEREO B
MATRIX1-8
MIX1-24
DIRECT OUT 1-STIN-4R
INSERT OUT
2
STEREO A
1
OSC OUT(Lch) 1
TB OUT
56
92
2
CUE L,R
OMNIOUT 24 DA
2
8
24
STEREO B
MATRIX1-8
MIX1-24
INSERT OUT
2
STEREO A
1
OSC OUT(Lch) 1
TB OUT
92
2
CUE L,R
CASCADE IN RJ-45
32
To External
CUE SELECT
SLOT3 1-16
SLOT4 1-16
16
16
16
16
16
DITHER
DITHER
SLOT3 16
SLOT4 16
32
CASCADE OUT RJ-45
16
From CASCADE OUT
32
32
From CASCADE IN SELECT
STEREO A-L
STEREO A-R
STEREO B-L
STEREO B-R
MIX 1
MIX 24
MATRIX 1
MAT
CUE
RIX 8
[OMNI OUT](1-24)
DIM
DI
L
R
GITA L
CUE
LEV EL
To OUTPUT PATCH
ON

PM5D – Diagramma dei livelli
DA
Max. DSP Noise Floor
PHASE GATE
AD
Digital Clipping Level Max. Output
0
1
2
3
4
5
6
7
8
9
10
11
12
13
14
15
16
17
18
19
20
21
22
23
24
25
26
27
28
29
30
31
32
33
Digital
Bit
34
35
36
0
-10
-20
-30
-40
-50
-60
-70
-80
-90
-100
-110
-120
-130
-140
-150
-160
-170
-190
-200
-210
dBu
Analog
dBFS
-180
[0dBu = 0.775Vrms]
[0dBFS = Full Scale]
+20
+10
0
-10
-20
-30
-40
-50
-60
-70
-80
-90
-100
-110
-120
-130
-140
-150
-160
+24
+4
-170
-180
-190
[+10dBu]
Nominal
Input
DigitalAnalog Digital Analog
ATT. INSERT ON
COMP DELAY PAN DELAY
BUS
Adder EQ COMP MASTER
LEVEL ON
MASTER
INSERT INSERT INSERT INSERT INSERT BAL OUTPUT
PATCH
INPUT
PATCH
[+4dBu]
HPF
DECDE
MS- LEVEL DCA
EQ INSERT INSERT
dBu
Analog
+20
+10
0
-10
-20
-30
-40
-50
-60
-70
-80
-90
-100
-110
-120
-130
-140
-150
-160
+24
+4
-170
-180
-190
Nominal Output
[+24dBu]
[+4dBu]
OUT
IN
OUT
IN
OUT
IN
DCA
OUT
IN
(x2)(x8/4)(x8)(x4)
INSERT IN INININ
OUT OUT OUT
IN
+30 +30
Nominal Output
(75mW@8 )
(150mW@8 )
Max Output
[The position of the level
control is 10dB lowered
from Max]
PHONES
MONITOR OUT[L,R,C]
STEREO A,B[L,R]
CUE OUT[L,R]
MATRIX OUT1-8
MIX OUT1-24
default setting
INSERT OUT 1-48
GAIN
PAD
INPUT 1-48 (GAIN MIN.,PAD ON)
ST IN (GAIN MIN.)
InputMax. [+30dBu]
InputMax. [+24dBu]
Nominal
Input
InputMax. [-14dBu]
[-34dBu]
Nominal Input
InputMax. [-40dBu]
[-60dBu]
Nominal
Input
INSERT IN 1-48
2TR IN ANALOG 1,2 [L,R] (default setting)
ST IN (GAIN MAX.)
INPUT 1-48 (GAIN MAX.,PAD OFF)
TALKBACK
InputMax. [-30dBu]
[-50dBu]
Nominal Input
CASCADE OUT*1CASCADE IN*1
*1 CASCADE TYPE = PM5D - PM5D,
PM5D - DSP5D
*2 CASCADE TYPE = PM5D - DCU5D --- DCU5D - PM5D,
PM5D - DCU5D --- DSP5D,
PM5D - DSP5D - DSP5D,
PM5D - DCU5D --- DSP5D - DSP5D,
PM5D - DCU5D --- DSP5D - DCU5D --- DSP5D
CASCADE OUT*2
CASCADE IN*2

PM5D-RH – Diagramma dei livelli
DA
Max. DSP Noise Floor
PHASE GATEAD
Digital Clipping Level Max. Output
0
1
2
3
4
5
6
7
8
9
10
11
12
13
14
15
16
17
18
19
20
21
22
23
24
25
26
27
28
29
30
31
32
33
Digital
Bit
34
35
36
0
-10
-20
-30
-40
-50
-60
-70
-80
-90
-100
-110
-120
-130
-140
-150
-160
-170
-190
-200
-210
GAIN
dBu
Analog
dBFS
-180
[0dBu = 0.775Vrms]
[0dBFS = Full Scale]
+20
+10
0
-10
-20
-30
-40
-50
-60
-70
-80
-90
-100
-110
-120
-130
-140
-150
-160
+24
+4
-170
-180
-190
Input
Max. [+30dBu]
[+10dBu]
[-62dBu]
[-42dBu]
Nominal
Input
Nominal
Input
DigitalAnalog
InputMax.
Digital Analog
ATT. INSERT ON
COMP DELAY PAN DELAY
BUS
Adder EQ COMP MASTER
LEVEL ON
MASTER
INSERT INSERT INSERT INSERT INSERT BAL OUTPUT
PATCH
INPUT
PATCH HPF
DECDE
MS- LEVEL DCA
EQ INSERT INSERT
dBu
Analog
+20
+10
0
-10
-20
-30
-40
-50
-60
-70
-80
-90
-100
-110
-120
-130
-140
-150
-160
+24
+4
-170
-180
-190
Nominal Output
[+24dBu]
[+4dBu]
STEREO A,B[L,R]
MONITOR OUT[L,R,C]
CUE OUT[L,R]
OUT
IN
OUT
IN
OUT
IN
DCA
OUT
IN
(x2)(x8/4)(x8)(x4)
INSERT IN INININ
OUT OUT OUT
IN
+30 +30
MATRIX OUT1-8
MIX OUT1-24
default setting
Nominal Output
(75mW@8 )
(150mW@8 )
Max Output
[The position of the level
control is 10dB lowered
from Max]
PHONES
INPUT 1-48 (GAIN MIN.)
ST IN (GAIN MIN.)
2TR IN ANALOG 1,2 [L,R] (default setting)
INPUT 1-48 (GAIN MAX.)
ST IN (GAIN MAX.)
TALKBACK
InputMax. [+24dBu]
[+4dBu]
Nominal
Input
[-50dBu]
Nominal
Input
[-30dBu]InputMax.
CASCADE OUT*1CASCADE IN*1
*1 CASCADE TYPE = PM5D - PM5D,
PM5D - DSP5D
*2 CASCADE TYPE = PM5D - DCU5D --- DCU5D - PM5D,
PM5D - DCU5D --- DSP5D,
PM5D - DSP5D - DSP5D,
PM5D - DCU5D --- DSP5D - DSP5D,
PM5D - DCU5D --- DSP5D - DCU5D --- DSP5D
CASCADE OUT*2
CASCADE IN*2

DSP5D – Diagramma dei livelli
DA
Max. DSP Noise Floor
PHASE GATEAD
Digital Clipping Level Max. Output
0
1
2
3
4
5
6
7
8
9
10
11
12
13
14
15
16
17
18
19
20
21
22
23
24
25
26
27
28
29
30
31
32
33
Digital
Bit
34
35
36
0
-10
-20
-30
-40
-50
-60
-70
-80
-90
-100
-110
-120
-130
-140
-150
-160
-170
-190
-200
-210
GAIN
dBu
Analog
dBFS
-180
[0dBu = 0.775Vrms]
[0dBFS = Full Scale]
+20
+10
0
-10
-20
-30
-40
-50
-60
-70
-80
-90
-100
-110
-120
-130
-140
-150
-160
+24
+4
-170
-180
-190
Input
Max. [+30dBu]
[+10dBu]
[-62dBu]
[-42dBu]
Nominal
Input
Nominal
Input
DigitalAnalog
InputMax.
Digital Analog
ATT. INSERT ONCOMP DELAY PAN DELAY
BUS
Adder EQ COMP MASTER
LEVEL ON
MASTER
INSERT INSERT INSERT INSERT INSERT BAL OUTPUT
PATCH
INPUT
PATCH HPF
DECDE
MS- LEVEL DCA
EQ INSERT INSERT
dBu
Analog
+20
+10
0
-10
-20
-30
-40
-50
-60
-70
-80
-90
-100
-110
-120
-130
-140
-150
-160
+24
+4
-170
-180
-190
OUT
IN
OUT
IN
OUT
IN
DCA
OUT
IN
(x2)(x8/4)(x8)(x4)
INSERT IN INININ
OUT OUT OUT
IN
+30 +30
OMNI OUT1-24
default setting
INPUT 1-48 (GAIN MIN.)
ST IN (GAIN MIN.)
INPUT 1-48 (GAIN MAX.)
ST IN (GAIN MAX.)
CASCADE OUT*1CASCADE IN*1
*1 CASCADE TYPE = PM5D - PM5D,
PM5D - DSP5D
*2 CASCADE TYPE = PM5D - DCU5D --- DCU5D - PM5D,
PM5D - DCU5D --- DSP5D,
PM5D - DSP5D - DSP5D,
PM5D - DCU5D --- DSP5D - DSP5D,
PM5D - DCU5D --- DSP5D - DCU5D --- DSP5D
CASCADE OUT*2
CASCADE IN*2
Nominal Output
[+24dBu]
[+4dBu]

For details of products, please contact your nearest Yamaha
representative or the authorized distributor listed below.
Per ulteriori dettagli sui prodotti, rivolgersi al più vicino
rappresentante Yamaha oppure a uno dei distributori autorizzati
elencati di seguito.
CANADA
Yamaha Canada Music Ltd.
135 Milner Avenue, Scarborough, Ontario,
M1S 3R1, Canada
Tel: 416-298-1311
U.S.A.
Yamaha Corporation of America
6600 Orangethorpe Ave., Buena Park, Calif. 90620,
U.S.A.
Tel: 714-522-9011
MEXICO
Yamaha de México S.A. de C.V.
Calz. Javier Rojo Gómez #1149,
Col. Guadalupe del Moral
C.P. 09300, México, D.F., México
Tel: 55-5804-0600
BRAZIL
Yamaha Musical do Brasil Ltda.
Rua Joaquim Floriano, 913 - 4' andar, Itaim Bibi,
CEP 04534-013 Sao Paulo, SP. BRAZIL
Tel: 011-3704-1377
ARGENTINA
Yamaha Music Latin America, S.A.
Sucursal de Argentina
Viamonte 1145 Piso2-B 1053,
Buenos Aires, Argentina
Tel: 1-4371-7021
PANAMA AND OTHER LATIN
AMERICAN COUNTRIES/
CARIBBEAN COUNTRIES
Yamaha Music Latin America, S.A.
Torre Banco General, Piso 7, Urbanización Marbella,
Calle 47 y Aquilino de la Guardia,
Ciudad de Panamá, Panamá
Tel: +507-269-5311
THE UNITED KINGDOM
Yamaha-Kemble Music (U.K.) Ltd.
Sherbourne Drive, Tilbrook, Milton Keynes,
MK7 8BL, England
Tel: 01908-366700
GERMANY
Yamaha Music Central Europe GmbH
Siemensstraße 22-34, 25462 Rellingen, Germany
Tel: 04101-3030
SWITZERLAND/LIECHTENSTEIN
Yamaha Music Central Europe GmbH,
Branch Switzerland
Seefeldstrasse 94, 8008 Zürich, Switzerland
Tel: 01-383 3990
AUSTRIA
Yamaha Music Central Europe GmbH,
Branch Austria
Schleiergasse 20, A-1100 Wien, Austria
Tel: 01-60203900
CZECH REPUBLIC/SLOVAKIA/
HUNGARY/SLOVENIA
Yamaha Music Central Europe GmbH,
Branch Austria, CEE Department
Schleiergasse 20, A-1100 Wien, Austria
Tel: 01-602039025
POLAND
Yamaha Music Central Europe GmbH
Sp.z. o.o. Oddzial w Polsce
ul. 17 Stycznia 56, PL-02-146 Warszawa, Poland
Tel: 022-868-07-57
THE NETHERLANDS/
BELGIUM/LUXEMBOURG
Yamaha Music Central Europe GmbH,
Branch Benelux
Clarissenhof 5-b, 4133 AB Vianen, The Netherlands
Tel: 0347-358 040
FRANCE
Yamaha Musique France
BP 70-77312 Marne-la-Vallée Cedex 2, France
Tel: 01-64-61-4000
ITALY
Yamaha Musica Italia S.P.A.
Combo Division
Viale Italia 88, 20020 Lainate (Milano), Italy
Tel: 02-935-771
SPAIN/PORTUGAL
Yamaha-Hazen Música, S.A.
Ctra. de la Coruna km. 17, 200, 28230
Las Rozas (Madrid), Spain
Tel: 91-639-8888
SWEDEN
Yamaha Scandinavia AB
J. A. Wettergrens Gata 1
Box 30053
S-400 43 Göteborg, Sweden
Tel: 031 89 34 00
DENMARK
YS Copenhagen Liaison Office
Generatorvej 6A
DK-2730 Herlev, Denmark
Tel: 44 92 49 00
NORWAY
Norsk filial av Yamaha Scandinavia AB
Grini Næringspark 1
N-1345 Østerås, Norway
Tel: 67 16 77 70
OTHER EUROPEAN COUNTRIES
Yamaha Music Central Europe GmbH
Siemensstraße 22-34, 25462 Rellingen, Germany
Tel: +49-4101-3030
Yamaha Corporation,
Asia-Pacific Music Marketing Group
Nakazawa-cho 10-1, Naka-ku, Hamamatsu,
Japan 430-8650
Tel: +81-53-460-2313
TURKEY/CYPRUS
Yamaha Music Central Europe GmbH
Siemensstraße 22-34, 25462 Rellingen, Germany
Tel: 04101-3030
OTHER COUNTRIES
Yamaha Music Gulf FZE
LOB 16-513, P.O.Box 17328, Jubel Ali,
Dubai, United Arab Emirates
Tel: +971-4-881-5868
THE PEOPLE’S REPUBLIC OF CHINA
Yamaha Music & Electronics (China) Co.,Ltd.
25/F., United Plaza, 1468 Nanjing Road (West),
Jingan, Shanghai, China
Tel: 021-6247-2211
INDONESIA
PT. Yamaha Music Indonesia (Distributor)
PT. Nusantik
Gedung Yamaha Music Center, Jalan Jend. Gatot
Subroto Kav. 4, Jakarta 12930, Indonesia
Tel: 21-520-2577
KOREA
Yamaha Music Korea Ltd.
8F, 9F, Dongsung Bldg. 158-9 Samsung-Dong,
Kangnam-Gu, Seoul, Korea
Tel: 080-004-0022
MALAYSIA
Yamaha Music Malaysia, Sdn., Bhd.
Lot 8, Jalan Perbandaran, 47301 Kelana Jaya,
Petaling Jaya, Selangor, Malaysia
Tel: 3-78030900
SINGAPORE
Yamaha Music Asia Pte., Ltd.
#03-11 A-Z Building
140 Paya Lebor Road, Singapore 409015
Tel: 747-4374
TAIWAN
Yamaha KHS Music Co., Ltd.
3F, #6, Sec.2, Nan Jing E. Rd. Taipei.
Taiwan 104, R.O.C.
Tel: 02-2511-8688
THAILAND
Siam Music Yamaha Co., Ltd.
891/1 Siam Motors Building, 15-16 floor
Rama 1 road, Wangmai, Pathumwan
Bangkok 10330, Thailand
Tel: 02-215-2626
OTHER ASIAN COUNTRIES
Yamaha Corporation,
Asia-Pacific Music Marketing Group
Nakazawa-cho 10-1, Naka-ku, Hamamatsu,
Japan 430-8650
Tel: +81-53-460-2317
AUSTRALIA
Yamaha Music Australia Pty. Ltd.
Level 1, 99 Queensbridge Street, Southbank,
Victoria 3006, Australia
Tel: 3-9693-5111
COUNTRIES AND TRUST
TERRITORIES IN PACIFIC OCEAN
Yamaha Corporation,
Asia-Pacific Music Marketing Group
Nakazawa-cho 10-1, Naka-ku, Hamamatsu,
Japan 430-8650
Tel: +81-53-460-2313
NORTH AMERICA
CENTRAL & SOUTH AMERICA
EUROPE
AFRICA
MIDDLE EAST
ASIA
OCEANIA
HEAD OFFICE Yamaha Corporation, Pro Audio & Digital Musical Instrument Division
Nakazawa-cho 10-1, Naka-ku, Hamamatsu, Japan 430-8650
Tel: +81-53-460-2441
PA17

IT
PM5D/PM5D-RH V2
DSP5D
PM5D/PM5D-RH V2
DSP5D
Manuale di istruzioni
Manuale di istruzioni
Manuale di istruzioni
PM5D/PM5D-RH V2 / DSP5D
U.R.G., Pro Audio & Digital Musical Instrument Division, Yamaha Corporation
© 2004 Yamaha Corporation
704IPD1
Yamaha Manual Library
http://www.yamaha.co.jp/manual/
Yamaha Pro Audio global web site:
http://www.yamahaproaudio.com/