f u n k e AVIONICS FSG90 VHF/AM aviation analogue voice COMM transceiver User Manual Standard Maintenance REV 1
f.u.n.k.e. AVIONICS GmbH VHF/AM aviation analogue voice COMM transceiver Standard Maintenance REV 1
Contents
- 1. FSG 90EPC Portable case manual part one
- 2. FSG 90EPC Portable case manual part two
- 3. Frontpanel Module without case part one
- 4. Frontpanel Module without case part two
- 5. Desktop case with front module part one
- 6. Desktop case with front module part two
- 7. FSG 90F ops manual part one
- 8. FSG 90 Maintenance Manual part one
- 9. FSG 90 Maintenance Manual part two
FSG 90 Maintenance Manual part one

)6*
)6*+
«0+]
1R/%$2-762
')61R % ::9+)$0
$,5%$1'75$16&(,9(56
'XDO0RGHN+]N+]RU
´RQO\N+]µFKDQQHOVSDFLQJ
,QVWDOODWLRQ2SHUDWLRQ
DSSOLHVIRU)6* DUWLFOHQR )
DSSOLHVIRU)6*+ DUWLFOHQR )
%HIRUHLQVWDOOLQJDQGRSHUDWLQJWKHWUDQVFHLYHU
SOHDVHUHDGWKLVPDQXDOWKRURXJKO\
3OHDVHREVHUYHWKH6DIHW\,QIRUPDWLRQ
.HHSIRUIXUWKHUXVH
'RFXPHQW1R ,0
$UWLFOHQR '
5HYLVLRQ1XPEHU
'DWHRI,VVXH 1RYHPEHU
$YLRQLFV'LYLVLRQ
(USIWLQJHU 6WUDVVH ' /DQGVEHUJ *HUPDQ\
7HOHSKRQH)D[
HPDLOILUPD#GLWWHOFRP,QWHUQHWKWWSZZZGLWWHOFRP

)6*6\VWHP
$LUEDQG7UDQVFHLYHU
3DJHLL 1RYHPEHU
:$55$17<&23<5,*+7±6(59,&(,1)250$7,21
:DUUDQW\
7KHGHWDLOVDQGGDWDLQWKLVRSHUDWRUVPDQXDOFRUUHVSRQGWRWKHUHVSHFWLYH
VWDWHRIWHFKQRORJ\RQWKHGD\RISULQWLQJ:HUHVHUYHRXUULJKWWRFKDQJH
ZLWKRXWSULRUQRWLFHGXHWRQHZWHFKQRORJLFDOGHVLJQRUFRUUHVSRQGLQJQHZ
SURGXFWLRQWHFKQRORJ\
:DOWHU'LWWHO*PE+WDNHVQRJXDUDQWHHIRUWKHVHGRFXPHQWVZLWKUHVSHFWWR
DSSOLFDWLRQDQGLQWHUSUHWDWLRQ
:DOWHU 'LWWHO *PE+ :DUUDQWRU ZDUUDQWV WR WKH SXUFKDVHU RI QHZ UDGLR
HTXLSPHQWRI WKHZDUUDQWRUV PDQXIDFWXUH WKDWVXFK HTXLSPHQW VKDOOEH IUHH
IURPGHIHFWVLQPDWHULDODQGZRUNPDQVKLSIRUDSHULRGRIPRQWKIURPWKH
GDWH RI GHOLYHU\ (TXLSPHQW DQG DFFHVVRU\ LWHPV QRW PDQXIDFWXUHG E\ WKH
:DUUDQWRUFDUU\WKHVWDQGDUGZDUUDQW\RIWKHPDQXIDFWXUHUWKHUHRI
7KLVZDUUDQW\GRHVQRWFRYHUHTXLSPHQWZKLFKKDVEHHQ
GDPDJHGRUQRWPDLQWDLQHGDVUHDVRQDEOHDQGQHFHVVDU\
PRGLILHGLQDQ\ZD\
LPSURSHUO\LQVWDOOHG
UHSDLUHGE\VRPHRQHRWKHUWKDQWKHZDUUDQWRURUDQDXWKRUL]HG
ZDUUDQW\DYLRQLFVVKRSRU
XVHGLQDPDQQHURUSXUSRVHIRUZKLFKWKHHTXLSPHQWZDVQRW
LQWHQGHG
7KLVZDUUDQW\VKDOOQRWH[WHQGWRLQFLGHQWDORUFRQVHTXHQWLDOGDPDJHDULVLQJ
IURPRSHUDWLRQRIWKHHTXLSPHQWRUIURPDQ\FODLPHGEUHDFKRIWKLVZDUUDQW\
&RS\ULJKW¸:DOWHU'LWWHO*PE+
$OOULJKWVUHVHUYHG7KLVGRFXPHQWFRQWDLQVSURSULHWDU\LQIRUPDWLRQDQGVXFK
LQIRUPDWLRQPD\QRWEHGLVFORVHGWRRWKHUVIRUDQ\SXUSRVHQRUXVHGIRU
PDQXIDFWXULQJSXUSRVHVZLWKRXWSULRUZULWWHQSHUPLVVLRQRIWKHPDQXIDFWXUHU
,QWKLVGRFXPHQWQRPHQWLRQLVPDGHRISDWHQWVWUDGHPDUNULJKWVRURWKHU
SURSULHWDU\ULJKWVZKLFKPD\DWWDFKWRFHUWDLQZRUGVRUHQWULHV7KHDEVHQFH
RIVXFKPHQWLRQKRZHYHULQQRZD\LPSOLHVWKDWWKHZRUGVRUHQWULHVLQ
TXHVWLRQDUHH[HPSWIURPVXFKULJKWV
6HUYLFH,QIRUPDWLRQ
6KRXOGDQ\XQXVXDOSUREOHPDULVHRUIXUWKHULQIRUPDWLRQEHGHVLUHGSOHDVH
FRQWDFW\RXUQHDUHVW:DOWHU'LWWHOUHSUHVHQWDWLYHRUWKH:DOWHU'LWWHO*PE+
$YLRQLFV'HSDUWPHQW(USIWLQJHU6WUDVVH'/DQGVEHUJ*HUPDQ\
7KHLQIRUPDWLRQLQWKLV,QVWDOODWLRQ2SHUDWLRQ0DLQWHQDQFHDQG2YHUKDXO0DQXDOGRHVQRW
SURIHVVWRLQFOXGHDOOWKHGHWDLOVRIGHVLJQSURGXFWLRQRUYDULDWLRQRIWKHHTXLSPHQWRUWRFRYHU
DOOWKHSRVVLEOHFRQWLQJHQFLHVZKLFKPD\DULVHGXULQJRSHUDWLRQRUPDLQWHQDQFH:HZHOFRPH
\RXUFRPPHQWVFRQFHUQLQJWKLV0DQXDO$OWKRXJKHYHU\HIIRUWKDVEHHQPDGHWRNHHSLWIUHHRI
HUURUVVRPHPD\RFFXU:KHQUHSRUWLQJDVSHFLILFSUREOHPSOHDVHGHVFULEHLWEULHIO\DQG
LQFOXGHWKH2SHUDWRUV0DQXDODUWLFOHQXPEHUSDUDJUDSKRUILJXUHQXPEHUDQGWKHSDJH
QXPEHU
6HQG\RXUFRPPHQWVWR 7HFKQLFDO3XEOLFDWLRQV
:DOWHU'LWWHO*PE+
(USIWLQJHU6WUDVVH
'/DQGVEHUJDP/HFK
*HUPDQ\
RUYLDHPDLOWR JXJJHQPRV#GLWWHOFRP
6XEMHFWWRWHFKQLFDOFKDQJHV 3ULQWHGLQ*HUPDQ\

)6*6\VWHP
7DEOHRI&RQWHQW
1RYHPEHU 3DJHLLL
7$%/(2)&217(17
3DJH
:DUUDQW\&RS\ULJKW6HUYLFH LL
7DEOHRI&RQWHQW LLL
/LVWRI,OOXVWUDWLRQV Y
$EEUHYLDWLRQVDQG$FURQ\PV YL
6HFWLRQ6DIHW\,QIRUPDWLRQ
8VHG6\PEROV
6HFWLRQ*HQHUDO'HVFULSWLRQ
,QWURGXFWLRQ
0RGHOVRIWKH)6*6\VWHP
$SSOLFDWLRQ
%ULHI'HVFULSWLRQ
6\VWHPDQG7\SH$SSURYDO,QIRUPDWLRQ
2SHUDWLQJ/LFHQVH
(TXLSPHQWVXSSOLHG
2SWLRQDO$FFHVVRULHV
(TXLSPHQWUHTXLUHGEXWQRWVXSSOLHG
0LFURSKRQHKLQWV
6HFWLRQ,QVWDOODWLRQ
*HQHUDO
8QSDFNLQJDQG,QVSHFWLQJ(TXLSPHQW
3UHLQVWDOODWLRQ7HVW
3DUWLFXODU5HPDUNVWR)6*;WUDQVPLWWHUPRGXODWLRQ
0HFKDQLFDO,QVWDOODWLRQ
7UDQVFHLYHULQVWDOODWLRQ
&RPSDVVGHYLDWLRQ
$QWHQQDLQVWDOODWLRQ
$LUERUQHZLULQJ
*HQHUDOUHFRPPHQGDWLRQV
0LFURSKRQH&RQQHFWLRQ
,QWHUFRP,&
/RXGVSHDNHU+HDGVHWLQWHUFRQQHFWLRQ
$)([WHUQDO2SHUDWLRQ
/LJKWLQJWKH)UHTXHQF\'LVSOD\
&RQQHFWLRQWRD9GFDLUERUQHV\VWHP
3RVWLQVWDOODWLRQ&KHFN
7HVWLQJRQWKH*URXQGZLWK(QJLQH2II
*URXQGFKHFNVZLWKHQJLQHUXQQLQJ

)6*6\VWHP
7DEOHRI&RQWHQW
3DJHLY 1RYHPEHU
7$%/(2)&217(17
3DJH
6HFWLRQ)XQFWLRQDO'HVFULSWLRQ
,QWURGXFWLRQ
2SHUDWRUV&RQWUROV
)UHTXHQF\'LVSOD\GLJLWRUGLJLW/LTXLG&U\VWDO'LVSOD\/&'
&RQQHFWRUVDWUHDUVLGH
6HFWLRQ6HWXS3URFHGXUH
&DOOLQJ6(783ZLWKRXWSDVVZRUG
&DOOLQJ6(783ZLWKSDVVZRUG
,QWHUUXSWWKH6(783SURFHGXUH
6(783SURFHGXUH
$GMXVWLQJWKHDXWRPDWLFVTXHOFKWKUHVKROG
$GMXVWLQJWKHPLFURSKRQHVHQVLWLYLW\G\QRUDPSOLILHGFDUERQPLFURSKRQHV
$GMXVWLQJWKH,QWHUFRPYROXPH
$GMXVWLQJWKH6LGHWRQHYROXPH
$GMXVWLQJWKHKHDGVHWYROXPH
6HOHFWLQJN+]RQO\RUFRPELQHGN+]FKDQQHOVSDFLQJ
'HOHWLQJRFFXSLHGFKDQQHOPHPRULHV
6HOHFWLQJ$)(;7(51$/212))
6HOHFWLQJ&+$11(/02'(21/<RU125(675,&7,21
6HOHFWLQJ7UDQVPLWWHU%ORFNLQJGXULQJUHFHLYH212))
6HUYLFH212))
2SWLRQDOPRGXOH212))
(QWHULQJDSDVVZRUG
5HVHW
6HFWLRQ2SHUDWLQJ,QVWUXFWLRQ
,QWURGXFWLRQ
7XUQLQJ216HOHFWLQJ)UHTXHQF\&KDQQHO1DPH9ROXPH
5HFHLYH/LVWHQ2SHUDWLRQ
7UDQVPLW7DON2SHUDWLRQ
6WRULQJDQHZ)UHTXHQF\&KDQQHO1DPH
5HFDOORIVWRUHG)UHTXHQF\&KDQQHO1DPH
6TXHOFK642SHUDWLRQ
,QWHUFRP
$)([WHUQDO
/LJKWLQJ
7XUQLQJ2))
&KHFNLQJWKH$&RQERDUGVXSSO\
2SHUDWLQJWLPHVZLWKUDGLRVXSSOLHGIURP9EDWWHU\RQO\
(PHUJHQF\2SHUDWLRQ

)6*6\VWHP
7DEOHRI&RQWHQW
1RYHPEHU 3DJHY
7$%/(2)&217(17
3DJH
$SSHQGL[$7HFKQLFDO6XPPDU\ $
$ *HQHUDO $
$ 'LPHQVLRQV:HLJKW)XVHV $
$ $SSURYDOV $
$ 5HFHLYHU&KDUDFWHULVWLFV $
$ 7UDQVPLWWHU&KDUDFWHULVWLFV $
$SSHQGL[%(QYLURQPHQWDO3HUIRUPDQFH&ODVVLILFDWLRQ %
$SSHQGL[&,&$2)UHTXHQF\&KDQQHOSDLULQJSODQIRUFRPELQHG
N+]N+]2SHUDWLRQ &
$SSHQGL['&HUWLILFDWHV '
/,672),//8675$7,216
)LJ 3DJH
7HVW6HWXS
'HYLDWLRQRIDFRPSDVVE\DQRSHUDWLQJ)6*;GHSHQGHQWRQ
WKHGLVWDQFHEHWZHHQFRPSDVVFHQWHUDQGFRQWRXURIWUDQVFHLYHU
)6*;'LPHQVLRQV,QVWDOODWLRQ'UDZLQJ
+RRNXS'LDJUDPXVLQJZLUHKDUQHVV)G\QDPLFPLFURSKRQHV
+RRNXS'LDJUDPXVLQJZLUHKDUQHVV)
G\QDPLFPLFURSKRQHVDQG,QWHUFRP
+RRNXS'LDJUDPDPSOLILHGFDUERQPLFURSKRQHVDQG,QWHUFRP
2SHUDWRUV&RQWUROVDQG,QGLFDWRUV

)6*6\VWHP
$EEUHYLDWLRQV
3DJHYL 1RYHPEHU
$%%5(9,$7,216$1'$&521<06
$& $LUFUDIW
$1 $UWLFOH1XPEHU:DOWHU'LWWHO
$*& $XWRPDWLF*DLQ&RQWURO
$K $PSHUHKRXU
$0 $PSOLWXGH0RGXODWLRQ
$17 $QWHQQD
$VV\ $VVHPEO\
$:* $PHULFDQ:LUH*DXJH
FFZ &RXQWHUFORFNZLVHWXUQOHIW
&+ &KDQQHO
&76 5HDG\WR7UDQVPLW
FZ &ORFNZLVHWXUQULJKW
G% 'HFLEHO
GLD 'LDPHWHU
(0) (OHFWURPRWLYH)RUFHYROWDJHRI
DQRSHQFLUFXLW
)&+ )UHTXHQF\&KDQQHO
)/ )OLJKW/HYHO
J $FFHOHUDWLRQGXHWRJUDYLW\
*1' *URXQG
+, +LJK3RZHU
+] +HUW]
,&$2 ,QWHUQDWLRQDO&LYLO$YLDWLRQ2UJDQL]DWLRQ
,) ,QWHUPHGLDWH)UHTXHQF\
N+] .LORKHUW]
/&' /LTXLG&U\VWDO'LVSOD\
/(' /LJKW(PLWWLQJ'LRGH
/2 /RZ3RZHU
/26 /LQH2I6LJKW
P 0RGXODWLRQ
P$ 0LOOLDPSHUHV
0' 0RGH
0+] 0HJDKHUW]
0,& 0LFURSKRQH
P: 0LOOLZDWW
10 1DXWLFDOPLOHV
Q: 1DQRZDWW
3(3 3HDN(QYHORSH3RZHU
3// 3KDVH/RFNHG/RRS
SSP SDUWVSHUPLOOLRQ
377 3XVK7R7DON
S: 3LFRZDWW
3:5 3RZHU
5) 5DGLR)UHTXHQF\
UPV (IIHFWLYHYDOXHURRWPHDQVTXDUH
576 ,QYLWDWLRQWRVHQG
5; 5HFHLYH
5[' 5HFHLYHGDWD
611 6LJQDOWR1RLVH5DWLR
6,1$' 5DWLR
63.5 /RXGVSHDNHU
64 6TXHOFK
67%< 6WDQGE\
672 6WRUH
6:5 6WDQGLQJ:DYH5DWLR
727 7LPHRXWWLPHU
7; 7UDQVPLW
7[' 7UDQVPLWGDWD
9&2 9ROWDJH&RQWUROOHG2VFLOODWRU
9GF 9ROWVGLUHFWFXUUHQW
9+) 9HU\+LJK)UHTXHQF\
92/ 9ROXPH
96:5 9ROWDJH6WDQGLQJ:DYH5DWLR
::DWW
2KP
& 'HJUHHV&HQWLJUDGH
) 'HJUHHV)DKUHQKHLW

)6*6\VWHP
6DIHW\,QIRUPDWLRQ
1RYHPEHU 3DJH
6(&7,216$)(7<,1)250$7,21
(YHU\UDGLRZKHQWUDQVPLWWLQJUDGLDWHVHQHUJ\LQWRWKHDWPRVSKHUHWKDWPD\XQGHU
FHUWDLQFRQGLWLRQVFDXVHWKHJHQHUDWLRQRIVSDUNV$OOXVHUVRIRXUUDGLRVVKRXOGEH
DZDUHRIWKHIROORZLQJZDUQLQJ
'RQRWRSHUDWHWKLVUDGLRLQDQH[SORVLYHDWPRVSKHUHSHWUROHXPIXHOV
VROYHQWVGXVWHWF
'XULQJQRUPDOXVHWKHUDGLRZLOOVXEMHFW\RXWRUDGLRIUHTXHQF\HQHUJ\VXEVWDQWLDOO\
EHORZWKHOHYHOZKHUHDQ\NLQGRIKDUPLVUHSRUWHG
72(1685(3(5621$/6$)(7<SOHDVHREVHUYHWKHIROORZLQJVLPSOHUXOHV
'2127WUDQVPLWZKHQWKHDQWHQQDLVYHU\FORVHWRRUWRXFKLQJH[SRVHGSDUWVRIWKH
ERG\HVSHFLDOO\WKHIDFHDQGH\HV
'2127WUDQVPLWRQDEXV\FKDQQHO
'2127SUHVVWKHWUDQVPLW377NH\ZKHQQRWDFWXDOO\GHVLULQJWRWUDQVPLW
'2127WUDQVPLWLQFORVHGDLUFUDIWRUYHKLFOHVZLWKWKHDQWHQQDLQVLGHWKHFDELQ7KLV
PD\FDXVHPDOIXQFWLRQRIWKHDYLRQLFVRUWULJJHUWKHDLUEDJ$OZD\VRSHUDWHWKHUDGLR
)6*;ZLWKDVXLWDEOHRXWVLGHH[WHUQDODQWHQQD$VVXUHDSSURSULDWHOLJKWQLQJ
SURWHFWLRQZKHUHHOHYDWHGRXWGRRUDQWHQQDVDUHXVHG
'2127RSHUDWHWKHUDGLRZKLOVWGULYLQJ,WVKRXOGDOVREHQRWLFHGWKDWWKHXVHRID
KDQGKHOGPLFURSKRQHZKLOHGULYLQJFRXOGFRQVWLWXWHDQRIIHQFHXQGHUWKH5RDG7UDIILF
5HJXODWLRQVLQFHUWDLQFRXQWULHV
'2127DOORZFKLOGUHQWRSOD\ZLWKDQ\UDGLRHTXLSPHQWFRQWDLQLQJDWUDQVPLWWHU
'2127FDOOUDGLR¶V6(783LQIOLJKWRUZKLOVWGULYLQJDYHKLFOH7UDQVPLWDQGUHFHLYH
DUHSDUWLDOO\GLVDEOHG
$IWHUHDFK6(783FKHFNDOOVHWWLQJVRIWKHUDGLRDQGFRFNSLWLQVWUXPHQWVIRUFRUUHFW
IXQFWLRQEHIRUHWKHQH[WIOLJKWRUDSSOLFDWLRQ
$OZD\VVZLWFK2))WKHUDGLRILUVWZKHQLQVWDOOLQJWKHXQLWLQWRYHKLFOHVDLUFUDIWRU
FDUULHUFDVHVRUZKHQUHPRYLQJIURPLW
$OZD\VVZLWFK2))WKHUDGLRILUVWZKHQVWDUWLQJDQHQJLQHRUYHKLFOH
:KHQRSHUDWLQJWKH)6*;RQD9GFVRXUFHDVXLWDEOH9ROWDJH&RQYHUWHU
9GF9GFRIDWOHDVW$PSVPXVWEHXVHG
7KH)6*;PD\EHXVHGH[FOXVLYHO\IRUFRPPXQLFDWLRQRQWKHDLUEDQG
IUHTXHQFLHV
8QDXWKRUL]HGPRGLILFDWLRQVDQGFKDQJHVRIWKHV\VWHPDUHIRUELGGHQ
:KHQUHSODFLQJGHIHFWLYHSDUWVXVHRQO\RULJLQDOVSDUHSDUWVRUVWDQGDUGSDUWV
UHFRPPHQGHGE\WKHPDQXIDFWXUHU
,QDLUFUDIWRUYHKLFOHVDVXLWDEOHQRLVHFDQFHOOLQJPLFURSKRQHRUKHDGVHWIRUDLUFUDIW
UDGLRVVKDOOEHXVHG
$EDFNXSPLFURSKRQHVKRXOGDOZD\VEHFDUULHGGXULQJDQ\IOLJKW(YHQQHZ
PLFURSKRQHVFDQIDLO
9ROXPHLVYHU\LPSRUWDQW,QFUHDVLQJVSHDNLQJOHYHOVZKLOHWKHOLSVDUHIDFLQJWKH
PLFURSKRQHEXWQRWVWUDLQLQJRUSXVKLQJWR\HOOLQJOHYHOVZLOOLQFUHDVHFODULW\
3ULRUWRDQ\IOLJKWYHULI\SURSHU)6*;IXQFWLRQVE\PHDQVRIDVKRUW
FRPPXQLFDWLRQVWHVW,WKDVWREHWDNHQLQWRDFFRXQWWKDWZLWKDIDXOW\DQWHQQDRU
FDEOHWKLV&20WHVWPD\DEVROXWHO\WXUQRXWSRVLWLYHDWWKHDLUILHOGRULQVKRUWGLVWDQFH

)6*6\VWHP
6DIHW\,QIRUPDWLRQ
3DJH 1RYHPEHU
WRWKHJURXQGVWDWLRQ%XWDWDGLVWDQFHRIWRPLOHVIDXOW\DQWHQQDDQGRUFDEOHV
ZLOOFDXVHFRPPXQLFDWLRQEUHDNGRZQ
3XVKWR7DONNH\VPD\VWLFNRFFDVLRQDOO\7KHUHIRUHREVHUYHZKLOHWUDQVPLWWLQJWKH
WUDQVPLW7;V\PERODWWKH)6*;GLVSOD\7KLV7;V\PEROPXVWGLVDSSHDUZKHQ
UHOHDVLQJWKH377NH\$IWHUPLQXWHVFRQWLQXRXV7;WKHEXLOWLQWUDQVPLWWLPHRXW
WLPHUGLVDEOHVWKHWUDQVPLWWHULQRUGHUWRDYRLGFRQWLQXRXVFKDQQHOEORFNLQJ7KHQ
WKHZKROHGLVSOD\ZDUQVE\FRQWLQXRXVIODVKLQJ5HIHUWRDSSURSULDWHKLQWVLQWKLV
PDQXDO
5HSODFHEORZQIXVHRQO\DJDLQVWFRUUHFWW\SHZLWKVSHFLILHGQRPLQDOYDOXH
,QYHVWLJDWHWKHFDXVH
8VHG6\PEROV
,QWKLVPDQXDOWKHIROORZLQJV\PEROVDUHXVHG
'$1*(5
GHVFULEHVDQLPPHGLDWHWKUHDWHQLQJGDQJHU)DLOLQJWRREVHUYHWKHQRWH
PD\FDXVHGHDWKRUKHDY\LQMXULHV
&$87,21
GHVFULEHVDVSHFLDOQRWHIRURSHUDWLRQ)DLOLQJWRREVHUYHWKHQRWHPD\
FDXVHGDPDJHRIWKHWUDQVFHLYHUDQGRUVWRUHGGDWDPD\EHGHOHWHG
6(783RUXVHUSURJUDPPHGPHPRU\
,03257$17
GHVFULEHVH[SODQDWLRQVDQGRWKHUXVHIXOKLQWV)DLOLQJWRREVHUYHWKHQRWH
PD\FDXVHGHJUDGHGSHUIRUPDQFHDQGRUXQVDWLVI\LQJRSHUDWLRQ

)6*6\VWHP
*HQHUDO'HVFULSWLRQ
1RYHPEHU 3DJH
6(&7,21*(1(5$/'(6&5,37,21
,QWURGXFWLRQ
7KLVLQVWDOODWLRQDQGRSHUDWLQJPDQXDO,0FRQWDLQVLQVWUXFWLRQVDQGGHVFULSWLRQV
IRUDSSOLFDWLRQLQVWDOODWLRQSUHVHWWLQJRSHUDWLRQDQGWHVWLQJDVZHOODVLQWHUFRQQHFWLQJ
GLDJUDPVRIWKHPXOWLXVH)6*9+)$07UDQVFHLYHU6\VWHPRI:DOWHU'LWWHO*PE+
/XIWIDKUWJHUDHWHEDX'/DQGVEHUJ*HUPDQ\
7KHIROORZLQJPDLQWHQDQFHPDQXDO050FRQWDLQVGHWDLOHGFLUFXLWGHVFULSWLRQ
UHSDLULQVWUXFWLRQVDOLJQPHQWSURFHGXUHVWHVWLQJLQVWUXFWLRQVDQGDQLOOXVWUDWHGSDUWV
OLVW
0RGHOVRIWKH)6*6\VWHP
7KLVPDQXDOUHIHUVWRRXWRIPRGHOVDYDLODEOHXSWRQRZ
$1)9+)$0'XDO0RGH$LUEDQG7UDQVFHLYHU)6*
)UHTXHQF\UDQJHWR0+]FKDQQHOVSDFLQJN+]N+]UHVXOWVLQ
FKDQQHOVDQGWR0+]FKDQQHOVSDFLQJN+]UHVXOWVLQ
FKDQQHOVFKDQQHOPHPRULHVIRUFRPELQHGN+]PRGHDGGLWLRQDOPHPRU\
FKDQQHOVIRUN+]RQO\PRGH:5)FDUULHURXWSXWSRZHU9GFVXSSO\
7KHUDGLRZLOOILWDVWDQGDUGPPGLDóGLDLQVWUXPHQWSDQHO
,'(17 02'(/('%&/$66&&/$66(5(&(,9(5&/$66
&/$6675$160,77(5
$1)9+)$0'XDO0RGH$LUEDQG7UDQVFHLYHU)6*+
)UHTXHQF\UDQJHWR0+]FKDQQHOVSDFLQJN+]N+]UHVXOWVLQ
FKDQQHOVDQGWR0+]FKDQQHOVSDFLQJN+]UHVXOWVLQ
FKDQQHOVFKDQQHOPHPRULHVIRUFRPELQHGN+]PRGHDGGLWLRQDOPHPRU\
FKDQQHOVIRUN+]RQO\PRGH:5)FDUULHURXWSXWSRZHU9GFVXSSO\
7KHUDGLRZLOOILWDVWDQGDUGPPGLDóGLDLQVWUXPHQWSDQHO
,'(17 02'(/+('%&/$66&&/$66(5(&(,9(5&/$66
&/$6675$160,77(5
$SSOLFDWLRQ
7KHHTXLSPHQWLVZHOOVXLWHGIRURSHUDWLRQLQSRZHUHGDLUFUDIWDQGKHOLFRSWHUZLWK
UHFLSURFDWLQJWXUERSURSDQGWXUERMHWHQJLQH
8OWUDORZSRZHUFRQVXPSWLRQLQFRQMXQFWLRQZLWKH[WUHPHO\ZLGH'&VXSSO\YROWDJH
UDQJHVPDOOGLPHQVLRQVDQGZLGHVFRSHRIDFFHVVRULHVDOORZXQLYHUVDODLUERUQH
DSSOLFDWLRQVLQDQ\SRZHUHGDLUFUDIWPRWRUJOLGHUDQG8OWUDOLJKWDQGLQJOLGHUDQG
EDOORRQIRUSULPDU\RUDOVREDWWHU\VXSSOLHGEDFNXSRSHUDWLRQ
8QLYHUVDOXVHDOVRLQJURXQGYHKLFOHDVZHOODVIRUFRPSDFWSRUWDEOHFDVHVDQGIRU
GHVNWRSRUUDFNPRXQWHGORFDORUUHPRWHFRQWUROOHGIL[HGEDVHSULPDU\RUDOVREDWWHU\
VXSSOLHGEDFNXSRSHUDWLRQVDUHIXUWKHUDSSOLFDWLRQV3OHDVHDOZD\VHQVXUHVXLWDEOH
DQWHQQDVROXWLRQV
5HWURILWLQVWDOODWLRQLVDFKLHYHGDJDLQVWIRUPHUSDQHOPRXQWHG:DOWHU'LWWHOVOLGHLQ9+)
&20WUDQVFHLYHUV)6*6)6*)6*0DQGSDQHOPRXQWHG)6*)6*0
XVLQJDGDSWHUV

)6*6\VWHP
*HQHUDO'HVFULSWLRQ
3DJH 1RYHPEHU
%ULHI'HVFULSWLRQ
7KHWZRUDGLRVRXWRIWKH)6*6\VWHPDUHPLQLDWXUL]HGOLJKWZHLJKWSDQHOPRXQWHG
VLQJOHEORFN9+)$0WUDQVFHLYHUVRSHUDWLQJLQWKHDLUEDQGIUHTXHQF\UDQJH
0+]0+]WKXVSURYLGLQJHLWKHUFKDQQHOVZLWKN+]
N+]FKDQQHOVSDFLQJSOXVFKDQQHOVZLWKN+]RQO\FKDQQHOVSDFLQJFRYHULQJD
VWDQGDUGFRPPXQLFDWLRQVGLVWDQFHRI10QDXWLFDOPLOHVDW)/
&DVHGLPHQVLRQVRIDOOPRGHOVZLOOILWLQWRDVWDQGDUGóLQPPGLDPHWHURSHQLQJ
RIWKHLQVWUXPHQWSDQHORUFRQVROHEHKLQGSDQHOLQVWDOODWLRQXVLQJVFUHZV'HSWK
LQFOXGLQJZLULQJLVPP
$OOFRQWURODQGGLVSOD\HOHPHQWVDUHORFDWHGRQWKHIURQWSDQHO&RQQHFWLRQVWRWKH
HOHFWULFDOHQYLURQPHQWDUHPDGHWKURXJKDSROH68%'FRQQHFWRUDQGD%1&IHPDOH
FRQQHFWRUDWWKHUHDUSDQHORIWKHXQLWV
7KH,&$2FKDQQHOQDPHN+]N+]VSDFLQJDQGRSHUDWLQJIUHTXHQF\N+]
VSDFLQJVXSSO\LQGLFDWRUWUDQVPLWLQGLFDWRUFKDQQHOPHPRU\QXPEHUDQG6(783
LQIRUPDWLRQDUHDOOLQGLFDWHGDWDWZROLQH/LTXLG&U\VWDO'LVSOD\/&'FDQEHEDFNOLW
7KUHHGLVSOD\PRGHVDUHXVHUVHOHFWDEOH
8VH67%<0RGH $FWLYHFKDQQHOQDPHRUIUHTXHQF\VHOHFWDEOHVWDQGE\FKDQQHO
QDPHIUHTXHQF\
&KDQQHO0RGH $FWLYHFKDQQHOQDPHRUIUHTXHQF\DVVRFLDWHGSUHVHWFKDQQHO
PHPRU\QXPEHU«
'LUHFW7XQH0RGH $FWLYHFKDQQHOQDPHRUIUHTXHQF\RQO\
:LWKWKH'XDO0RGHPRGHO)6*XSWRFKDQQHOPHPRULHVLQN+]N+]&+
VSDFLQJGLJLWGLVSOD\DQGDQRWKHUVHWRIXSWRFKDQQHOVLQWKHN+]RQO\&+
VSDFLQJGLJLWGLVSOD\FDQEHSUHVHW$IWHUFKDQJHWRWKHRWKHURSHUDWLQJPRGHIURP
N+]WRN+]RQO\RUIURPN+]WRN+]HDFKVWRUHGVHWRIXSWR
FKDQQHOPHPRULHVUHPDLQVDYDLODEOH
3UHVHWFKDQQHOPHPRULHVUHPDLQDYDLODEOHDOVRDIWHUPDQXDORUDXWRPDWLFSRZHURII
7KHQRQYRODWLOHFKDQQHOPHPRULHVRIDOO)6*FDQHDVLO\UHSURJUDPPHGDOVRGXULQJ
IOLJKWRUJURXQGRSHUDWLRQ
3URJUDPPLQJFDQEHGRQHLQWKHDFWXDOPRGH'HOHWLQJFKDQQHOPHPRULHVLVSRVVLEOH
LQHDFKPRGHRQO\GXULQJ6(783PRGH
)RUJURXQGDSSOLFDWLRQVOLPLWDWLRQWRXVHSUHVHWFKDQQHOVRQO\FDQEHGHWHUPLQHGLQ
SDVVZRUGSURWHFWHG6(783
&KDQQHOQDPHIUHTXHQF\RUSUHVHWFKDQQHOPHPRULHVDUHVHOHFWHGZLWKWKHGXDO
IXQFWLRQ)&+VZLWFK
%RWK7UDQVPLWDQG5HFHLYHXVHWKHVDPHGLJLWDOIUHTXHQF\V\QWKHVL]HUDQGRQH
WHPSHUDWXUHFDOLEUDWHGUHIHUHQFHFU\VWDODFFXUDF\SSPLQWKHWHPSHUDWXUHUDQJHIURP
&WR&)WR)
7KHGXDOVXSHUKHWUHFHLYHURIIHUVYHU\KLJKLPPXQLW\DJDLQVWLQEDQGDQGRXWRIEDQG
LQWHUIHUHQFHDQGLQWHUPRGXODWLRQ$QQH[)0LPPXQLW\
7KHDXWRPDWLF$0)06TXHOFKWKUHVKROGDGMXVWDEOHLQOHYHOV6(783DQGWKH
QRUPDOO\DFWLYHWUDQVPLWWHUEORFNLQJGXULQJ5HFHLYHDUHGLVDEOHGE\SXVKLQJWKH64
EXWWRQDQGHQDEOHGZKHQWKH64EXWWRQLVSXVKHGDJDLQ
$QDXGLRORZSDVVILOWHUIRUDUHDVXVLQJ&OLPD[RSHUDWLRQLQN+]VSDFLQJLV
LQFRUSRUDWHG
6HSDUDWH$XGLRDPSOLILHUVSRZHUWKHVSHDNHU:DWWV2KPVRU:DWWV2KPV
DQGWKHKHDGSKRQHVP:2KPV
7KHVROLGVWDWHWUDQVPLWWHULVZLGHEDQGWXQHGIURPWR0+]DQGGHOLYHUVDWOHDVW
DQ5)FDUULHUSRZHURI:DWWVRU:DWWVIRUWKH)6*+PRGHO
7UDQVPLWIUHTXHQF\FKDQQHOQDPHLVWXQHGVLPXOWDQHRXVO\ZLWK5HFHLYHIUHTXHQF\
FKDQQHOQDPH6LPSOH[RSHUDWLRQ
$NH\HGWUDQVPLWWHULVLQGLFDWHGE\DWUDQVPLWV\PERODWWKH/&GLVSOD\

)6*6\VWHP
*HQHUDO'HVFULSWLRQ
1RYHPEHU 3DJH
7ZRLQGHSHQGHQWPLFURSKRQHLQSXWVVHSDUDWHSLQVDOORZXQLYHUVDODFFHVVRU\
RSHUDWLRQ
)RUSRZHUHGDLUFUDIWXVH6WDQGDUG&DUERQDPSOLILHG'\QDPLFRU(OHFWUHW
PLFURSKRQHV
)RUJOLGHUVSRUWDEOHYHKLFOHPRELOHDQGIL[HGEDVHRSHUDWLRQXVHQRQDPSOLILHG
'\QDPLFPLFURSKRQHV
7KHPLFURSKRQHLQSXWVPD\DOVREHFRQWLQXRXVO\DFWLYDWHG7KLVDOORZVLQ5HFHLYH
FRQWLQXRXVLQWHUFRPPXQLFDWLRQQRDGGLWLRQDODFFHVVRULHVQHHGHGEHWZHHQSLORWDQG
FUHZLQWHUFRPZLULQJKDUQHVVXVLQJKHDGVHWV
$VHSDUDWH$)LQSXWDOORZVLQWHUFRQQHFWLRQRIH[WHUQDODXGLRVRXUFHVHVSHFLDOO\LQ
DLUFUDIWXVLQJRWKHU&20925/2&'0(0.5DQGRUHOHFWULFYDULRPHWHUV7KLVDOORZV
VLJQDOPRQLWRULQJGXULQJ5HFHLYHE\VSHDNHUDQGRUKHDGSKRQH
P$FXUUHQWFRQVXPSWLRQVDYLQJFDQEHDFKLHYHGLQVWDQGE\PRGH6TXHOFK21
ZKHQWKH)6*;LVXVHGHJLQSRUWDEOHFDVHVRULQVWDOODWLRQVZKHUHQRH[WHUQDO
DXGLRLVUHTXLUHGIRUVSHDNHURXWSXW/LVWHQLQJWKURXJKKHDGSKRQHUHPDLQVKRZHYHU
SRVVLEOH7KLVH[WHUQDO$)2))IXQFWLRQPD\EHVHOHFWHGLQ6(7837KLVUHGXFHVWKH
VWDQGE\FXUUHQWFRQVXPSWLRQWRRQO\P$DQGZLOOH[WHQGEDWWHU\VXSSOLHGRSHUDWLQJ
WLPHVLJQLILFDQWO\
7KHWUDQVFHLYHUFDQEHVXSSOLHGHLWKHUGLUHFWO\IURPDQ9GF$&EXVRUWKURXJK
DVXLWDEOH'&UHJXODWRUIURP9GFEXVHV
,QDLUFUDIWRUSRUWDEOHFDVHVZLWKRXWRQERDUGHOHFWULFSRZHUJHQHUDWLRQV\VWHP8/
*OLGHUHWFRSHUDWLRQIURPD9GFEDWWHU\PLQ$KLVVXLWDEOH
7KH'&VXSSO\YROWDJHLVPRQLWRUHGDXWRPDWLFDOO\:KHQVXSSO\GURSVEHORZ9GF
WKH6XSSO\,QGLFDWRUDWWKH/&GLVSOD\VWDUWVEOLQNLQJDVDORZVXSSO\ZDUQLQJ
%HORZWR9GFWKH)6*;WXUQV2))LWVHOIDXWRPDWLFDOO\DQGZLOOUHVXPH
RSHUDWLRQZLWKVXSSO\DERYHWR9GF7KHODVWXVHGVHWWLQJVUHPDLQDFWLYH
$YRLFHSURFHVVRULVLQFRUSRUDWHGWRDFKLHYHLGHQWLFDODFRXVWLFYRLFHTXDOLW\GXULQJ
7UDQVPLWDQG5HFHLYHDVZHOODV$XGLR/HYHOLQJLQ5HFHLYHDQGLQDGGLWLRQSUHYHQWV
RYHUPRGXODWLRQ8VXDOWHVWLQJHPSOR\VVLQXVRLGDOWRQHVLJQDOVRQO\WKLVIHDWXUH
HVSHFLDOO\FRQVLGHUVWKHVSHFLILFFKDUDFWHULVWLFRIWKHYRLFH,WHQVXUHVDOVR9(5<+,*+
$9(5$*('(37+2)02'8/$7,21RIVRPH$0FDXVLQJWUDQVPLVVLRQVLJQDOV
VRXQGLQJQRUPDODQGYHU\VWURQJ
7KHUDGLRVDUHHTXLSSHGZLWKDWLPHRXWWLPHU7KLVDYRLGVEORFNHGFKDQQHODIWHU
PLQXWHVFRQWLQXRXV7;VWXFNEXWWRQGRHVQRORQJHUEORFNDFKDQQHOFRQWLQXRXVO\DQG
LVLQGLFDWHGE\DFRQWLQXRXVO\EOLQNLQJGLVSOD\6KRXOGWKHPDOIXQFWLRQFRQWLQXHWKH
)6*;LVUHDG\IRUDQRWKHUPLQXWHVWUDQVPLVVLRQSHULRGZKHQWXUQLQJ2))DQG21
DJDLQHJIRUHPHUJHQF\WUDQVPLVVLRQV
7KHWUDQVPLWWHUEORFNLQJIHDWXUHDYRLGVWUDQVPLVVLRQRQDEXV\FKDQQHO7UDQVPLWWHU
EORFNLQJLVXVXDOO\DFWLYHEXWPD\EHGLVDEOHGSHUPDQHQWO\LQ6(783RUPDQXDOO\E\
SXVKLQJWKH64EXWWRQ

)6*6\VWHP
*HQHUDO'HVFULSWLRQ
3DJH 1RYHPEHU
6\VWHPDQG7\SH$SSURYDO,QIRUPDWLRQ
7KH'XDO0RGH9+)$0$LUEDQG7UDQVFHLYHUV)6*DQG)6*+FRPSO\IRUERWK
WKHFRPELQHGN+]N+]DVZHOODVN+]RQO\FKDQQHOVSDFLQJZLWKDOO
DSSOLFDEOH1DWLRQDODQG,QWHUQDWLRQDO7\SH$SSURYDOUHTXLUHPHQWVIRUDQ\DLUERUQHDQG
JURXQGRSHUDWLRQV
-762$XWKRUL]DWLRQ/%$2-762/%$/XIWIDKUWEXQGHVDPWEDVHGRQ
(852&$(('%$LUERUQHUHTXLUHPHQWLVPHWEHVLGHVN+]UHTXLUHPHQWV
DOVRIRUWKHN+]21/<FKDQQHOVSDFLQJ
7KLVDOVRLQFOXGHV,PPXQLW\DFFRUGLQJWR,&$2$11(;DJDLQVW)0%URDGFDVW
,QWHUIHUHQFH
7KLVDOVRLQFOXGHVIXOILOOPHQWRIVSHFLILFDXGLRILOWHULQJUHTXLUHGLQDUHDVZLWK&/,0$;
RSHUDWLRQLQN+]FKDQQHOVSDFLQJ
$VVRFLDWHG(852&$(('&57&$'2&(QYLURQPHQWDOUHTXLUHPHQWV
$VVRFLDWHG(852&$(('%6RIWZDUHUHTXLUHPHQWVEDVHGRQ('%
5HJ731R$-VWULQJHQW*HUPDQ7\SH$SSURYDOUHTXLUHPHQWV5HJ73
=9DLUERUQHDQG5HJ73=9JURXQG
')6'HXWVFKH)OXJVLFKHUXQJ1R%JURXQG*HUPDQ7\SH$SSURYDO
UHTXLUHPHQWV
%=71R%-&(&RQIRUPLW\
$VVRFLDWHGZLWK',1,62'&VXSSO\LQ9GFYHKLFOH
,03257$17
)RUWKHILUVWWLPHDIWHURQH\HDUWKHQHYHU\ \HDUJURXQG
DSSOLFDWLRQVXVLQJN+]FKDQQHOVSDFLQJUHTXLUHFKHFNLQJRI
WKHKLJKSUHFLVLRQUHIHUHQFHIUHTXHQF\WROHUDQFHOHVVWKDQ
SSPDQGUHFDOLEUDWLRQLIQHFHVVDU\
(YHU\ \HDUDLUERUQHDSSOLFDWLRQVXVLQJN+]FKDQQHO
VSDFLQJUHTXLUHFKHFNLQJRIWKHKLJKSUHFLVLRQUHIHUHQFHIUHTXHQF\
WROHUDQFHOHVVWKDQSSPDQGUHFDOLEUDWLRQLIQHFHVVDU\
$OODSSOLFDWLRQVLQWKHN+]FKDQQHOVSDFLQJUHTXLUHQR
UHFDOLEUDWLRQIUHTXHQF\DFFXUDF\WROHUDQFHOHVVWKDQSSP
$OOWROHUDQFHVLQFOXGHWKHIXOORSHUDWLQJWHPSHUDWXUHUDQJHRI
&&))
&KHFNLQJDQGUHFDOLEUDWLRQPXVWEHSHUIRUPHGE\WKHHTXLSPHQW
PDQXIDFWXUHURUWKURXJKDXWKRUL]HGDQGDSSURYHGDYLRQLFV
VHUYLFHV7KLVUHTXLUHVXVHRIVSHFLILHGWHVWHTXLSPHQWDVZHOODV
DSSOLFDEOHWHVWSURFHGXUHVVRIWZDUHUHOHDVHGE\WKHPDQXIDFWXUHU

)6*6\VWHP
*HQHUDO'HVFULSWLRQ
1RYHPEHU 3DJH
2SHUDWLQJ/LFHQVH
,03257$17
'HSHQGLQJRQQDWLRQDOUHJXODWLRQV9+)$0DLUERUQHDQG9+)$0
JURXQGRSHUDWLRQPD\UHTXLUHDQLQGLYLGXDOQDWLRQDORSHUDWLQJ
OLFHQVH6XFKOLFHQVHLVXVXDOO\JUDQWHGE\WKHUHVSRQVLEOH1DWLRQDO
7HOHFRPPXQLFDWLRQV$XWKRULW\XVLQJVXLWDEOHDSSOLFDWLRQIRUPV
%HVLGHVDLUFUDIWUHJLVWUDWLRQRSHUDWRUVQDPHDGGUHVVDQG
RSHUDWLQJOLFHQVHSD\PHQWGHWDLOVVWDWHUDGLRW\SH6HULDOQXPEHU
-762QXPEHU/%$2-762DQG5HJ73QXPEHU
$-
(TXLSPHQWVXSSOLHG
'HVFULSWLRQ $UWLFOHQXPEHU
'XDO0RGH:DWW9+)$07UDQVFHLYHU)6*,QVWDOODWLRQDQG
2SHUDWLRQPDQXDO2SHUDWLQJLQVWUXFWLRQVVFUHZV0[
:DUUDQW\FDUGWRFRYHUPRQWKV
)
'XDO0RGH:DWW9+)$07UDQVFHLYHU)6*+,QVWDOODWLRQDQG
2SHUDWLRQPDQXDO2SHUDWLQJLQVWUXFWLRQVVFUHZV0[
:DUUDQW\FDUGWRFRYHUPRQWKV
)

)6*6\VWHP
*HQHUDO'HVFULSWLRQ
3DJH 1RYHPEHU
2SWLRQDO$FFHVVRULHV
:LGHDFFHVVRU\VFRSHDOORZV)6*;LQVWDOODWLRQDQGRSHUDWLRQLQWRDLUFUDIWLQ
JURXQGV\VWHPVIL[HGSRUWDEOHDQGPRELOHLQWRYHKLFOHV
6OLGHLQUHSODFHPHQWDGDSWHUVDOORZHDV\)6*;UHWURILWDJDLQVWIRUPHU:DOWHU'LWWHO
WUDQVFHLYHUV)6*)6*6)6*)6*0XVLQJH[LVWLQJLQVWDOODWLRQV
'HVFULSWLRQ $UWLFOHQR
5HWURILWDGDSWHUUHDG\PRXQWHG±WRUHSODFH)6*0 )
5HWURILWDGDSWHUUHDG\PRXQWHG±WRILWLQWRPRXQWLQJWUD\RI
)6*06 )
5HWURILWDGDSWHUUHDG\PRXQWHG±WRUHSODFHPRXQWLQJWUD\RI
)6*06IL[LQJKROHVOHIWDQGULJKW )
&RQQHFWRUNLW68%'SLQLQFOPRXQWLQJKDUGZDUH )
)ROGHGWRSDQWHQQDIRUJOLGHUVDQWLVWDWLF0+]PIW
FDEOH5*&8%1&FRQQHFWRU$SSOLHVIRUZRRGRU*53WDLOILQ
QRWPHWDORUFDUERQILEHUWDLOILQ
)
5RGDQWHQQDVZLYHOW\SHPIWFDEOHZRXW5)SOXJ :
%1&DQWHQQDFRQQHFWRUVROGHUW\SH (
:LULQJKDUQHVVPIWFRPSOHWHZLWKDOOFRQQHFWRUV )
,QWHUFRPZLULQJKDUQHVVPIWFRPSOHWHZLWK,&VZLWFK )
$LUFUDIWORXGVSHDNHU:DWWVPDOOUREXVWFDVHWZRSROH
VRFNHWVWRFRQQHFWPLFURSKRQHVRUKHDGVHWVWHUPLQDOIRU377NH\
ILWVKDUQHVV)RU)
)
'\QDPLFKHDGVHWQRLVHFDQFHOOLQJFRLOHGFRUGSROHSOXJ88 :
$GDSWHUFDEOHIRUKHDGVHW:WRILW)$&VSHDNHU )
'\QDPLFJRRVHQHFNPLFURSKRQHPIWFDEOHSROH
FRQQHFWRUVSHFLDOO\IRUJOLGHUVDQGPRWRUJOLGHUV )
'\QDPLFPLFURSKRQHIRU3&SRUWDEOHDQGIRUFDUPRELOHXVHFRLOHG
FRUG377NH\SROHSOXJ )
5HWDLQLQJEUDFNHWILWVPLFURSKRQH) (
'\QDPLFILVWPLFURSKRQHFRLOHGFRUG377NH\SROHSOXJ )
0LFURSKRQHEUDFNHWWRNHHSPLFURSKRQH) :
'\QDPLFPLFURSKRQHORXGVSHDNHUFRLOHGFRUG377NH\SROHSOXJ
VHDOHG )
377NH\PIWFDEOHSHUPDQHQWLQVWDOODWLRQRQWKH\RNH )
,QOLQH377NH\8$8FRLOHGFRUGSROHSOXJPDWHV$&VSHDNHU
)RU3RUWDEOH&DVHV3&36DQGKHDGVHW$1:
FOLSDOORZVDWWDFKLQJWRFORWKLQJ
)
3RZHUVXSSO\9GF$KOHDGFDOFLXPEDWWHU\FRPSOHWHZLWK
UXJJHGVWHHODOXPLQXPFDVHFLUFXLWEUHDNHU/('WHVWVHWSROH
VRFNHWPRXQWLQJEUDFNHW
)
$XWRPDWLFEDWWHU\FKDUJHU'/9DF2XWSXW9GF
P$)RUDOODLUERUQHDQGSRUWDEOH9OHDGEDWWHULHV )
&DUPRXQWLQJEUDFNHW )

)6*6\VWHP
*HQHUDO'HVFULSWLRQ
1RYHPEHU 3DJH
(TXLSPHQWUHTXLUHGEXWQRWVXSSOLHG
D 9+)DLUFUDIWDQWHQQDZLWKFRD[FDEOH5*&8DQG%1&FRQQHFWRU0DOH
E +HDGSKRQH2KPVW\SLFDODQGRUORXGVSHDNHU2KPV
F 1RQDPSOLILHGG\QDPLFPLFURSKRQH2KP
RUDPSOLILHGFDUERQPLFURSKRQHDPSOLILHGG\QDPLFRU(OHFWUHWPLNHZLWKRUZLWKRXW
377NH\VHSDUDWHPLNHLQSXWVDPSOLILHGQRQDPSOLILHG
G $OWHUQDWLYHO\WREDQGFKHDGVHWVZLWKVLPLODUVSHFLILFDWLRQV
H %DWWHU\SRZHUVXSSO\XQLW9GFPLQLPXP$KIRUDLUFUDIWZLWKRXWHOHFWULFDOV\VWHP
I 3XVKWRWDONNH\SHUPDQHQWO\LQVWDOOHGRQ\RNHLIPLFURSKRQHZRXW377NH\LVXVHG
J SROH68%'FRQQHFWRUW\SH'$6DQGFRYHULIQRSUHPDQXIDFWXUHGZLULQJ
KDUQHVVH[LVWV
0LFURSKRQHKLQWV
,03257$17
D 5DGLRV\VWHPUHOLDELOLW\DQGSHUIRUPDQFHVLJQLILFDQWO\GHSHQGVRQTXDOLW\
DFRXVWLFDFFHVVRULHV
E([WUHPHO\KLJKSHUIRUPDQFHUHTXLUHPHQWVHVSHFLDOO\IRUN+]
7HFKQRORJ\GHPDQGDIWHULQVWDOODWLRQFRPSOHWLRQSURSHUDFRXVWLFV
OHYHOLQJWKURXJK6(783LQRUGHUWRPDLQWDLQEHVWUDGLRFDSDELOLW\
7KHUHIRUHSOHDVHGRQRWXVHORZSHUIRUPDQFHDFRXVWLFVDFFHVVRULHV
F '\QDPLFPLFURSKRQHUHTXLUHVVKLHOGHGZLULQJ(VVHQWLDOUHTXLUHPHQWLV
FRQVHTXHQWVHSDUDWLRQRIPLFURSKRQHJURXQGVKLHOGIURPDQ\RWKHU
JURXQG7KLVPHDQVG\QDPLFPLNHJURXQGVKLHOGPXVWEHVHSDUDWHG
IURPDQ\RWKHUJURXQGVIRU'&LQSXWDQG'&RXWSXW$)LQSXWDQG$)
RXWSXWOLNHVSHDNHUSKRQH377DQGH[WHUQDO$)LQSXW2WKHUJURXQGVIRU
'&LQSXWDQGRXWSXWVSHDNHUSKRQH377DQGH[WHUQDO$)PD\EH
FRQQHFWHGWRJHWKHUZLWKWKHDPSOLILHGPLNHJURXQG
G$PSOLILHGPLFURSKRQHVPD\FRQWDLQG\QDPLFRU(OHFWUHWDFRXVWLFV
WUDQVGXFHUV
H$OZD\VHQVXUH,'(17,&$/PLFURSKRQHVDUHXVHGIRUSDUDOOHORSHUDWLRQ
6LPLODUUHTXLUHPHQWVDUHDSSOLFDEOHIRUKHDGSKRQHFKDUDFWHULVWLFV
I $OZD\VHQVXUHWKDWGXULQJ6(783DOORIWKHPDQ\)6*;IXQFWLRQV
DUHDGMXVWHGWRDFKLHYHRSWLPL]HGUDGLRV\VWHPSHUIRUPDQFH
J2SHUDWLRQRIDPSOLILHGPLFURSKRQHV\VWHPVFORVHWRWKHUDGLDWLQJ
DQWHQQDSRUWDEOHFDVHRUORFDWHGULJKWEHKLQGRIWKHFRFNSLWPD\EH
LQIOXHQFHGIURPVWURQJDQWHQQD5)ILHOGVWUHQJWKDQGEHFRPHXQVWDEOH
RVFLOODWHVRUFDXVHVPRGXODWLRQGLVWRUWLRQ9HULI\WKLVHIIHFWVSRVVLEOH
FDXVHGE\E\5)UHSODFLQJWKHUDGLDWLQJDQWHQQDDJDLQVWDUWLILFLDO
DQWHQQD5)GXPP\ORDGWHPSRUDULO\

)6*6\VWHP
*HQHUDO'HVFULSWLRQ
3DJH 1RYHPEHU
7+,63$*(
,17(17,21$//<
/()7%/$1.

)6*6\VWHP
,QVWDOODWLRQ
1RYHPEHU 3DJH
6(&7,21,167$//$7,21
*HQHUDO
7KLVVHFWLRQFRQWDLQVLQVWUXFWLRQVDQGVXJJHVWLRQVWREHFRQVLGHUHGEHIRUHLQVWDOOLQJWKH
UDGLR)6*;LQWRDQDLUFUDIW&ORVHDGKHUHQFHWRWKHVHVXJJHVWLRQVZLOODVVXUHPRUH
VDWLVIDFWRU\SHUIRUPDQFHIURPWKHHTXLSPHQW
,QIRUPDWLRQLQWKLVVHFWLRQDUHLQWHQGHGIRUFHUWLILHGDYLRQLFVVKRSVRQO\:RUNVXFKDV
LQVWDOODWLRQZLULQJDQGWHVWLQJVKRXOGRQO\EHFDUULHGRXWE\DTXDOLILHGWHFKQLFLDQ
,03257$17
,ILQVWDOODWLRQLQWRDQDLUFUDIWLVPDGHE\RWKHUWKDQDFHUWLILHGDYLRQLFV
VKRS\RXKDYHWRFRQVXOW\RXUUHVSRQVLEOHDLUFUDIW$YLRQLFVLQVSHFWRU
EHIRUHWKHLQVWDOODWLRQ±WRJHWDXWKRUL]HGFHUWLILFDWLRQRI\RXUFRPSOHWHG
LQVWDOODWLRQ
7KHFRQGLWLRQVDQGWHVWVUHTXLUHGIRU)$$762DSSURYDORIWKLVDUWLFOH
DUHPLQLPXPSHUIRUPDQFHVWDQGDUGV,WLVWKHUHVSRQVLELOLW\RIWKRVH
GHVLULQJWRLQVWDOOWKLVDUWLFOHHLWKHURQRUZLWKLQDVSHFLILFW\SHRUFODVVRI
DLUFUDIWWRGHWHUPLQHWKDWWKHDLUFUDIWLQVWDOODWLRQFRQGLWLRQVDUHZLWKLQWKH
)$$762VWDQGDUGV,IQRWZLWKLQWKH)$$762VWDQGDUGVWKHDUWLFOH
PD\EHLQVWDOOHGRQO\LIIXUWKHUHYDOXDWLRQE\WKHDSSOLFDQWGRFXPHQWVDQ
DFFHSWDEOHLQVWDOODWLRQDQGLVDSSURYHGE\WKH$GPLQLVWUDWRU
8QSDFNLQJDQG,QVSHFWLQJ(TXLSPHQW
8QSDFNWKHHTXLSPHQWFDUHIXOO\DQGLQVSHFWHDFKLWHPIRUHYLGHQFHRIGDPDJHLQFXUUHG
GXULQJVKLSPHQW)6*PRGHOQXPEHUDQGVHULDOQXPEHUPXVWFRPSO\ZLWKUHOHYDQW
GHWDLOVPHQWLRQHGLQ$LUZRUWKLQHVV$SSURYDO7DJDQGGHOLYHU\QRWHGHWDLOVDWWDFKHGWR
WKHVKLSPHQW
,IDGDPDJHFODLPPXVWEHILOHGVDYHWKHVKLSSLQJFRQWDLQHUDQGDOOSDFNLQJPDWHULDOVWR
VXEVWDQWLDWH\RXUFODLP7KHFODLPVKRXOGEHILOHGZLWKWKHWUDQVSRUWDWLRQFRPSDQ\DV
VRRQDVSRVVLEOH
,IDGDPDJHLVQRWHGDIWHUWKHILUVWWHVWQRWLI\WKHWUDQVSRUWDWLRQFRPSDQ\LQZULWLQJZLWK
DGYDQFHSKRQHRUID[DGYLFHDERXWKLGGHQWUDQVSRUWGDPDJH
$FRS\RIVXFKDFODLPLQFOXGLQJDOOLQIRUPDWLRQIURPWKHW\SHODEHOLVWREHIRUZDUGHG
ZLWKRXWGHOD\DOVRWR:DOWHU'LWWHO*PE+
3UHLQVWDOODWLRQ7HVW
%HIRUHLQVWDOOLQJWKHUDGLRLQWRDQDLUFUDIWYHKLFOHRUSRUWDEOHFDUU\LQJFDVHDVKRUWEXW
FRPSUHKHQVLYHIXQFWLRQDOWHVWE\DFHUWLILHGDYLRQLFVVKRSLVUHFRPPHQGHG
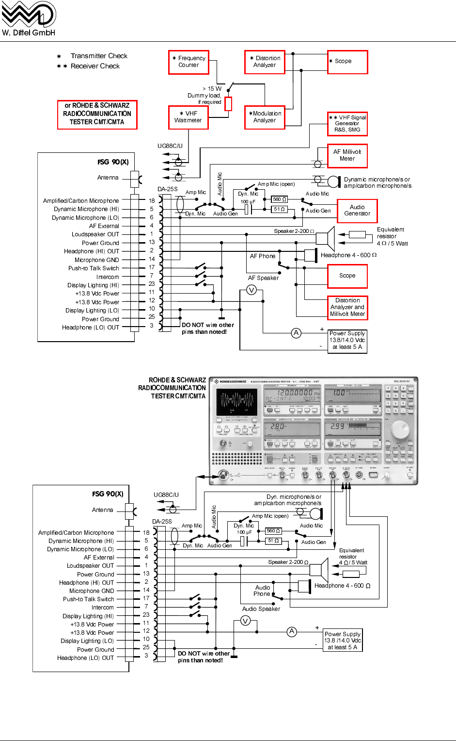
D ,QWHUFRQQHFWWKHUDGLRZLWKDWHVWZLULQJKDUQHVVDFFRUGLQJWRILJXUHWRWKHWHVW
EHQFKVHWXS)RU)6*VHWVXSSO\WR9GFDWUDGLRLQSXWWHUPLQDOV)RU
)6*+VHWVXSSO\WR9GFDWUDGLRLQSXWWHUPLQDOV7XUQ21WKHUDGLRZLWKWKH
212))92/VZLWFKRQIURQWSDQHO6ZLWFK2))WKH6TXHOFKSXVK64EXWWRQ
E ,Q5HFHLYH0RGHVHWWKH92/FRQWUROWRPLGSRVLWLRQ2QDOOFKDQQHOVZLWKLQ
0+]DOPRVWLGHQWLFDOVWURQJFRQWLQXRXVDFRXVWLFQRLVHPXVWEHDXGLEOH
F 5HFHLYHUVHQVLWLYLW\RQDOOFKDQQHOVPXVWFRPSO\ZLWKWHFKQLFDOGDWDPDNHVHQVLWLYLW\
WHVWVWRFRYHUWKHZKROHIUHTXHQF\UDQJH
G6ZLWFK21WKH6TXHOFKSXVK64EXWWRQDJDLQ7KHVTXHOFKWKUHVKROGGHSHQGLQJRQ
6(783SUHVHWWLQJVKDOOEHZLWKLQ9DQG92KPVYDU\VLJQDOJHQHUDWRU
RXWSXWOHYHO
H&RQQHFWD2KP:DWWPHWHUDQGDRUG%WKURXJKOLQH5)DWWHQXDWRUSDG.H\
WKHWUDQVPLWWHUDQGFKHFN5)RXWSXWOHYHOPRUHWKDQ:FDUULHURUPRUHWKDQ:
FDUULHUIRU)6*+PRGHO

)6*6\VWHP
,QVWDOODWLRQ
3DJH 1RYHPEHU
I $GMXVWDXGLRJHQHUDWRUWR+]YLDDWWHQXDWRUIRUG\QDPLFPLFURSKRQHRUGLUHFWO\
YLDGHFRXSOLQJFDSDFLWRUFRQQHFWHGWR
$PSOLILHG&DUERQ0LFURSKRQH,QSXW
:LWKP9UPVLQSXWWKHWUDQVPLWWHUVKDOODFKLHYHPRUHWKDQ$0,QFUHDVH
$)LQSXWWR9UPVREVHUYHPRGXODWLRQHQYHORSHQRRYHUPRGXODWLRQVKDOORFFXU
GHSWKRIPRGXODWLRQPXVWUHPDLQOHVVWKDQ$0
'\QDPLF0LFURSKRQH,QSXW
:LWKVRPHP9UPVLQSXWWKHWUDQVPLWWHUVKDOODFKLHYHPRUHWKDQ$0
GHSHQGLQJRQ6(783SUHVHWWLQJ,QFUHDVH$)LQSXWWRP9UPVDQGREVHUYH
PRGXODWLRQHQYHORSH1RRYHUPRGXODWLRQVKDOORFFXUGHSWKRIPRGXODWLRQPXVW
UHPDLQOHVVWKDQ$0
3DUWLFXODU5HPDUNVWR)6*;WUDQVPLWWHUPRGXODWLRQ
)RUWKHFRPELQHGN+]DQGN+]FKDQQHOVSDFLQJDLUEDQGUDGLRWHFKQRORJ\
KLJKO\GHPDQGLQJVSHFLILFUHTXLUHPHQWVVKDOOEHFRPSUHKHQVLYHO\FRQVLGHUHGDV
IROORZV
9RLFHPRGXODWLRQZLWKLWVW\SLFDOG\QDPLFSHDNVIDVWDQGODUJHOHYHOFKDQJHVVKDOO
PRGXODWHWKHWUDQVPLWWHUZLWKSHDN$0GHSWKRIOHVVWKDQ
)DFWRU\VHWWLQJRIWKHYHU\VSHFLILF)6*;YRLFHSURFHVVRUUHVXOWVLQD
UHPDUNDEOH$9(5$*(RIDSSUR[LPDWHO\$0GHSWKYRLFHDQG6LQH
PRGXODWLRQ7KXVRSWLPL]HGXVDJHRIWKH5)FDUULHULVDFKLHYHG
'RQRWFKDQJHWKLVVHWWLQJRWKHUZLVHWKHVWULQJHQW7UDQVPLWWHU6SHFWUXP0DVNLVQR
ORQJHUPDLQWDLQHG
7KH:DOWHU'LWWHO)6*6\VWHPLQFRUSRUDWHVDVSHFLDO',77(/92,&(
352&(6625ZKLFKLVPDWFKHGEHVWWRPHHWWKHUHTXLUHPHQWVRIWKHSDUWLFXODU
HQYLURQPHQWDOQRLVHOHYHOVLWXDWLRQ
D7KLVHQVXUHVDDOZD\VORXGDQGFOHDUWUDQVPLWWHUPRGXODWLRQXQGHU
FRQVLGHUDWLRQRIVSHFLILFWHVWUHTXLUHPHQWV
E'XHWRWKHYRLFHSURFHVVRUYRLFHVLJQDOWUDQVIHULV,'(17,&$/LQERWKWKH
N+]DQGLQWKHN+]FKDQQHOVSDFLQJPRGH
F (YHQXQGHUWKHVHYHU\VSHFLILFFRQGLWLRQVIXOILOOPHQWRIWKHFULWLFDOKLJKO\
GHPDQGLQJ6SHFWUXP0DVNLVDFKLHYHG
$OWKRXJKGXHWRWKHVSHFLILFYRLFHSURFHVVRUFRPSUHVVLRQRIPRGXODWLRQSHDNV
ZKHQWHVWHGZLWKPD[LPXPVLQHZDYHPRGXODWLRQVLJQDODFRQYHQWLRQDOWHVWLQJRI
VWDQGDUGPRGXODWLRQGLVWRUWLRQPHDVXUHPHQWVLVSRVVLEOH7KLVGRHVKRZHYHUUHIHU
RQO\WRVLQHZDYHWHVWLQJ,WZLOOEHWKHUHIRUHKLJKHUWKDQWKHXVXDOVLQXV
PRGXODWLRQGLVWRUWLRQEXWZLOOVWD\IDUEHORZWKHPD[LPXPDOORZHGPRGXODWLRQ
GLVWRUWLRQIDFWRUZLWKVLQXVPRGXODWLRQ
7KHUHIRUHMXGJHPHQWRIWKHHIIHFWLYHO\RFFXSLHGWRWDOWUDQVPLWWHUEDQGZLGWK
VSHFWUXPPDVNLVWKHRQO\WUXHUHDOPHDVXUHPHQWPHWKRG6XFKPHDVXUHPHQWV
FDQEHPDGHRQO\ZLWKVSHFLILFWHVWVHWXS
)RUWHVWVRIWKH)6*;PRGXODWLRQFDSDELOLW\DVLQHPRGXODWLRQVLJQDOLVXVHIXO
RQO\EHORZVRPH$0GHSWKDQGLVRQWKHRWKHUKDQGKHOSIXORQO\LQGHWHUPLQLQJ
RISRVVLEOHRYHUPRGXODWLRQEXWLVQRWDSSOLFDEOHWRMXGJHYRLFHGLVWRUWLRQDQ\PRUH

)6*6\VWHP
,QVWDOODWLRQ
1RYHPEHU 3DJH
25
)LJ )6*6\VWHP
7HVW6HWXS

)6*6\VWHP
,QVWDOODWLRQ
3DJH 1RYHPEHU
0HFKDQLFDO,QVWDOODWLRQ
7UDQVFHLYHULQVWDOODWLRQ
$Q\UDGLRLQVWDOODWLRQLQWRDQDLUFUDIWVKDOOEHFRRUGLQDWHGZLWKERWKWKHOLFHQVHG
LQVSHFWRUZKRFHUWLILHVWKHLQVWDOODWLRQDQGZLWKWKHDLUFUDIWPDQXIDFWXUHUVLQVWDOODWLRQ
LQVWUXFWLRQV
&HUWLI\LQJWKHDLUFUDIWLQVWDOODWLRQPD\EHVXEMHFWWRVSHFLILF1DWLRQDO5HJXODWLRQV
)6*;9+)$0WUDQVFHLYHUVDUHGHVLJQHGWREHLQVWDOOHGLQWRWKHLQVWUXPHQWSDQHORU
RSHUDWLQJFRQVROHIURPLWVUHDUVLGHLQWRDVWDQGDUGóLQPPGLDPHWHUSDQHO
RSHQLQJ'LPHQVLRQVDQGSRVLWLRQLQJRIWKHIL[LQJKROHVUHIHUWR)LJXUH
6HOHFWDUDGLRORFDWLRQGLVWDQWWRKHDWVRXUFHV$OOHTXLSPHQWFRQWUROVVKDOOEHUHDGLO\
DFFHVVLEOHIURPWKHSLORWVQRUPDOVHDWHGSRVLWLRQ7KHDSSURSULDWHRSHUDWRUFUHZ
PHPEHUVVKDOOKDYHDQXQREVWUXFWHGYLHZRIWKHGLVSOD\ZKHQLQWKHQRUPDOVHDWHG
SRVLWLRQ
6XIILFLHQWURRPDWOHDVWPPLQEHKLQGIURQWSDQHOPXVWEHOHIWIRUZLULQJ
DFFRPPRGDWLRQ)L[LQJRIWKHWUDQVFHLYHULVDFKLHYHGE\XVHRIFURVVUHFHVVHG3DQ
KHDGVFUHZV0[PPVXSSOLHG7KHVHVFUHZVDUHVXIILFLHQWIRUSDQHOWKLFNQHVV
EHWZHHQPPDQGPPLQ«LQ
&RPSDVVGHYLDWLRQ
&RPSDVVGHYLDWLRQFDXVHGE\)6*;LVOHVVWKDQFPIRUGHIOHFWLRQ
&DWHJRU\=LQDFFRUGDQFHZLWK(852&$(('&57&$'2&HQYLURQPHQWDO
WHVWFRQGLWLRQV
&RPSDVV'HYLDWLRQ 'LVWDQFH
FPLQ
FPLQ
FPLQ
FPLQ
FPLQ
FPLQ
'LVWDQFH
>FP@
&RPSDVV
'HYLDWLRQ
>@
),* '(9,$7,212)$&203$66%<$123(5$7,1*)6*;'(3(1'6217+(
',67$1&(%(7:((1&203$66&(17(5$1'&2172852)75$16&(,9(5

)6*6\VWHP
,QVWDOODWLRQ
1RYHPEHU 3DJH
),* )6*;
',0(16,216
,167$//$7,21'5$:,1*
%$&.3$1(/02817,1*

)6*6\VWHP
,QVWDOODWLRQ
3DJH 1RYHPEHU
$QWHQQDLQVWDOODWLRQ
<RXUUDGLR)6*;LVRQO\DVJRRGDVWKHDQWHQQD
)RURSHUDWLRQDYHUWLFDOSRODUL]HG2KPEURDGEDQGDLUFUDIW&20DQWHQQDLVUHTXLUHG
7KHDQWHQQDPXVWEHDEOHWRUDGLDWH5)HQHUJ\HYHQO\DQGRPQLGLUHFWLRQDO
)LUVWRIDOOORRNXSWKHDLUFUDIWVPDQXDOIRUDQWHQQDLQVWDOODWLRQLQVWUXFWLRQV
7KHDQWHQQDLQVWDOODWLRQORFDWLRQPXVWEHFDUHIXOO\SODQQHG,WZRXOGEHWKHEHVWWR
FRQVXOWWKHDLUFUDIWFHUWLI\LQJLQVSHFWRU,QRUGHUWRDFKLHYHEHVWUHVXOWVLQWRDOO
GLUHFWLRQVLQVWDOODWLRQLQVWUXFWLRQVPXVWEHIXOO\FRPSOLHGZLWK
)RUDLUFUDIWZLWKPHWDOIXVHODJHZHUHFRPPHQGRXUDQWHQQDDUWLFOH1R:
7KHDQWHQQDLVPRXQWHGYHUWLFDOO\DVSRVVLEOHRQRUXQGHUWKHIXVHODJH/RFDWLRQ
VKRXOGEHHYHQDZD\IURPKRUL]RQWDOO\VFUHHQLQJPHWDOSDUWVOLNHSURSHOOHU
XQGHUFDUULDJHYHUWLFDOPHWDOILQVHWFIRUPD[LPXPUDGLRUDQJHLQWRDOOKRUL]RQWDO
GLUHFWLRQV
'LVWDQFHWRRWKHUDLUFUDIWDQWHQQDVOLNHDQRWKHU&201$9DQWHQQDVKRXOGEHDW
OHDVWPIW:KHQXVLQJWZRUDGLRV)6*;DGLVWDQFHRIPIWEHWZHHQ
&20DQWHQQDVLVVXIILFLHQW
7KHDQWHQQDPRXQWLQJDUHDVKRXOGEHDVIODWDVSRVVLEOH
7KHPHWDOOLFFRQWDFWEHWZHHQDLUFUDIWVXUIDFHVWUXFWXUHDQGWKHDQWHQQDFDEOHRXWHU
FRQGXFWRUVKLHOGPXVWEHUREXVW7KHHOHFWULFDOFRQWDFWVKDOOUHPDLQFRQWLQXRXVO\
JRRGVDIHDJDLQVWYLEUDWLRQ
)RUZRRGDQGILEHUJODVV*53DLUFUDIWRUDOXPLQXPFRXQWHUZHLJKWVWULSVHD
FPIWORQJFPLQZLGHDUHUHFRPPHQGHGEXWVKDOOEHSODFHGPRVWO\
KRUL]RQWDOO\ZLWKDLISRVVLEOHUHFWDQJXODUVKDSHDVDVWDURUFURVV
7KHVHDVVWDURUFURVVSODFHGFRXQWHUZHLJKWVPXVWEHFHQWUDOO\VFUHZHGWRJHWKHU
ZLWKWKHDQWHQQDVRFNHWZLWKFRQWLQXRXVHOHFWULFDOO\JRRGFRQWDFW
$OWHUQDWLYHO\IRUDLUFUDIWZLWKQRQPHWDOOLFVXUIDFHVWUXFWXUHLQVLGHWKHIXVHODJHD
PHWDOIRLOPLQ[FPIW[IWFDQEHVWXFNLQ7KHDQWHQQDVRFNHWZLOOWKHQ
EHSODFHGLQWKHIRLOFHQWHUWRJHWKHUZLWKDPHWDOOLFJURXQGFRQWDFWVXSSRUWSODWH
)RUDLUFUDIWZLWKIXVHODJHDQGRUWDLOILQPDGHRIQRQFRQGXFWLYHPDWHULDORXUYHUWLFDO
IROGHGWRSDQWHQQDDUWLFOHQR)LVVXLWDEOH,QVWDOODWLRQLVPDGHSUHIHUDEO\
GXULQJPDQXIDFWXULQJWKHWDLOILQ$QLQVWDOODWLRQGUDZLQJLVDYDLODEOHRQUHTXHVW
,03257$17&DUERQILEHULVFRQGXFWLQJDQGPD\VKLHOGWKHDQWHQQD
&DUHIXOVHDOLQJRIDOORSHQLQJVRIWKHRXWHUVNLQLVPDQGDWRU\0DNHVXUHWKDW
HOHFWULFDOFRQWDFWVUHPDLQFRQWLQXRXVO\JRRGHYHQXQGHUEDGHQYLURQPHQWDO
FRQGLWLRQV
8VHRQO\KLJKTXDOLW\ FRD[FDEOHW\SH5*&8$YRLGDQ\VKDUSFDEOHEHQG
UDGLXV!PPDQGDQ\H[FHVVLYHFRD[FDEOHOHQJWK
3ODFHDOOZLULQJLQFOXGLQJDQWHQQDFDEOHGLVWDQWWRRWKHUZLULQJZKLFKFDUULHVKHDY\
$&FXUUHQWVDQGGLVWDQWWRDQ\DLUFUDIWFRQWUROV
$Q\RSHUDWLQJNLQHPDWLFVWULPPLQJDQGDOOFRQWUROKDQGOHVPXVWEHDEVROXWHO\IUHHLQ
DOOGLUHFWLRQV
(QVXUHWKH%1&DQWHQQDSOXJLVQRWVKRUWHQHGEHWZHHQLQQHUDQGRXWHUFRQQHFWRU
2KPPHWHU5HVLVWDQFH LQGLFDWHVDVKRUWLQVLGHDQWHQQDFRQQHFWRUZKLOH
VRPHWR LQGLFDWHVWKHDQWHQQDFDEOHUHVLVWDQFHZKLOHDQLQWHUQDOO\VWDWLF
SURWHFWHGDQWHQQDLVXVHG$VLPSOHURGDQWHQQDLVWHVWHGIRUORZUHVLVWLYHFRQWDFW
EHWZHHQLQQHUFDEOHFRQGXFWRUDQGUDGLDWRUDQGRXWHUFRQGXFWRUWRFRXQWHUZHLJKW
&KHFNWKHDQWHQQDPDWFKLQJXVLQJ 6:5PHWHURYHUWKHZKROHIUHTXHQF\UDQJH
IRU6:5,WPD\EHKHOSIXOQHFHVVDU\WRFKDQJHVOLJKWO\WKHOHQJWKRIWKHPLGGOH
UDGLDWRURUFRXQWHUZHLJKWOHQJWKIRURSWLPL]HGDQWHQQDHIILFLHQF\DQGPDWFKLQJ
5(0(0%(5$JRRGDQWHQQDLVWKHEHVW5)DPSOLILHU

)6*6\VWHP
,QVWDOODWLRQ
1RYHPEHU 3DJH
$LUERUQHZLULQJ
5HIHUWR)LJXUHVWRRIRQERDUGZLULQJ
*HQHUDOUHFRPPHQGDWLRQV
$OZD\VHQVXUHFRQWLQXRXVO\JRRGVWDEOHHOHFWULFDOFRQWDFWVDQGHIILFLHQW5)
LQWHUIHUHQFHVXSSUHVVLRQRIDOOHOHFWULFDOV\VWHPVOLNHJHQHUDWRUDOWHUQDWRULJQLWLRQ
HWFHVSHFLDOO\FRQVLGHUYLEUDWLRQDQGFRUURVLRQHIIHFWV&RQVXOWWKHDLUFUDIW
LQVWDOODWLRQOLFHQVLQJLQVSHFWRU
'RQRWDOORZWKHKDUQHVVWRGURRSEHWZHHQFODPSVHVSHFLDOO\LILWLVDKHDY\KDUQHVV
'RQRWDOORZWKHZLUHVLQWKHKDUQHVVWRFRPHLQFRQWDFWZLWKVKDUSVXUIDFHVRUULGH
DJDLQVWDQ\PRYDEOHVXUIDFH
'RQRWLQVWDOOZLWKRXWDOORZLQJIRUVHUYLFHORRSVWKLVZLOOKHOSWRSUHYHQWXQGXHVWUHVV
RQWKHFRQQHFWRUVDQGDOORZIRUHDVLHUUHSDLURIZLUHWHUPLQDWLRQV
'RQRWDOORZKDUQHVVWRURXWHWKURXJKKLJKKHDWDUHDVZLWKRXWDGHTXDWHWKHUPR
SURWHFWLRQ
'RQRWLQVWDOOKDUQHVVHVLQDUHDVWKDWDUHVXEMHFWWRFKHPLFDOGDPDJH
5DGLRZLULQJVKDOOEHORFDWHGPRVWGLVWDQWWRRWKHUKLJK$&FXUUHQWVFDUU\LQJOHDGV
5RXWHDOOZLULQJLQFOXGLQJDQWHQQDFDEOHGLVWDQWIURPDLUFUDIWFRQWURODQGKDQGOLQJ
FRPSRQHQWV3ODFH'&SRZHUOLQHVDWOHDVWFPDZD\IURPFRPSDVV
8VHRQO\DYLDWLRQJUDGHZLULQJPDWHULDO/1UHVS/1LQVHOIH[WLQJXLVKLQJ
TXDOLW\DQGZLWK!9ROWLVRODWLRQ
3UHVFULEHGFDEOHGLDPHWHUVPXVWEHFRPSOLHGZLWK
*URXQGORRSVPXVWEHDYRLGHG
&DEOHVDUHVROGHUHGWRWKH'$6FRQQHFWRU6ROGHUMRLQWVVKDOOEHVXSSRUWHGE\
VKULQNLQJRUUXEEHUVOHHYHV&DEOHFRQQHFWRUFDVHPRXQWLQJVKDOOQRWFODPSRU
GDPDJHWKHZLULQJ
7KH)6*;LVSURWHFWHGDJDLQVWUHYHUVHGSRODULW\RQO\ZKHQXVLQJDVXLWDEOH'&
VXSSO\SURWHFWLRQIXVH)RU:DWWPRGHOVZHVXJJHVWD$PSTXLFNDFWLQJ
IXVHRUDQDXWRPDWLF$PSFLUFXLWEUHDNHU)RU:PRGHOVVXIIL[+ZH
VXJJHVWD$PSTXLFNDFWLQJIXVHRUDQDXWRPDWLF$PSFLUFXLWEUHDNHU:LWKRXW
SURSHUIXVHSURWHFWLRQWKHUDGLRXQLWPD\EHFRPHVHYHUHO\GDPDJHGZDUUDQW\
YDOLGLW\WHUPLQDWHV
3RZHUEXVFLUFXLWEUHDNHUVDUHWREHPRXQWHGLQWKH$&EUHDNHUSDQHORULQVWUXPHQW
SDQHOVXFKWKDWWKH\ZLOOEHDFFHVVLEOHLQIOLJKWDQGVDIHIURPSK\VLFDOGDPDJH
%HIRUHILUVWFRQQHFWLRQWRWKH)6*;UDGLRLVPDGHFDUHIXOO\FURVVFKHFNDOO
ZLULQJGHWDLOVHVSHFLDOO\'&VXSSO\SRODULW\
6HFXUHWKHFRQQHFWHGDFFHVVRU\SOXJE\WKHVOLGLQJORFNWRDYRLGXQZDQWHG
FRQQHFWRUORRVHQLQJ
)RUHDVHRILQVWDOODWLRQSUHIDEULFDWHGZLULQJKDUQHVVHVIRUDOONLQGRIDLUFUDIWDUH
DYDLODEOHIURP)6*;UDGLRPDQXIDFWXUHU
(OHFWURQLFYDULRPHWHUVHOGRPFRPSO\ZLWKDLUERUQHW\SHDSSURYDOUHTXLUHPHQWV$OORI
WKHNQRZQPRGHOVDWSULQWLQJWLPHRIWKLVPDQXDOKDYHWRRXUNQRZOHGJHDWRRKLJK
UDGLDWHG5)LQWHUIHUHQFHHPLVVLRQ,QWUDQVPLWPRGHWKHRSHUDWRUPD\HYHQEHIDFHG
ZLWKUDGLRHQHUJ\EDVHGIXQFWLRQDOYDULRPHWHULQIOXHQFH6OLJKWLPSURYHPHQWPD\EH
DFKLHYHGZKHQWKHYDULRPHWHUZLULQJLVERWKVKLHOGHGDQGURXWHGQRWLQSDUDOOHOEXW
GLVWDQWWRWKHUDGLRZLULQJ(YHQWXDOO\VKRUWEXWEXON\JURXQGLQJFRQWDFWVEHWZHHQDOO
UDGLRDQGYDULRPHWHUFDVHVPD\LPSURYHWKLV(YDULRPHWHU5)VXVFHSWLELOLW\
)XUWKHUPHDVXUHVWRLPSURYH5)LPPXQLW\PD\EHREWDLQHGIURPYDULRPHWHU
PDQXIDFWXUHU

)6*6\VWHP
,QVWDOODWLRQ
3DJH 1RYHPEHU
127(6
'2127ZLUHRWKHUSLQVWKDQQRWHG
8QOHVVRWKHUZLVHQRWHGDOOZLUHVDUH$:*PPð
%XLOWLQFLUFXLWEUHDNHUZKHQXVLQJ:DOWHU'LWWHO%DWWHU\$&3RZHU6XSSO\$1)
/HQJWKRISUHIDEULFDWHGZLUHKDUQHVV)PIW
DQGFRD[DQWHQQDFDEOHDUHQRWLQFOXGHGLQZLUHKDUQHVV)
),* )6*6\VWHP
+22.83',$*5$086,1*:,5(+$51(66)
'<1$0,&0,&523+21(6

)6*6\VWHP
,QVWDOODWLRQ
1RYHPEHU 3DJH
127(6
'2127ZLUHRWKHUSLQVWKDQQRWHG
8QOHVVRWKHUZLVHQRWHGDOOZLUHVDUH$:*PPð
,QWHUFRPRSHUDWLRQUHTXLUHVDPLFURSKRQHZKLFKSURYLGHVDXGLR287ZLWKWKH377NH\
GHHQHUJL]HGQRWNH\HG
%XLOWLQFLUFXLWEUHDNHUZKHQXVLQJ:DOWHU'LWWHO%DWWHU\$&3RZHU6XSSO\$1)
/HQJWKRISUHIDEULFDWHGZLUHKDUQHVV)PIW
DQGFRD[DQWHQQDFDEOHDUHQRWLQFOXGHGLQZLUHKDUQHVV)
),* )6*6\VWHP
+22.83',$*5$086,1*:,5(+$51(66)
'<1$0,&0,&523+21(6$1',17(5&20

)6*6\VWHP
,QVWDOODWLRQ
3DJH 1RYHPEHU
127(6
'2127ZLUHRWKHUSLQVWKDQQRWHG
8QOHVVRWKHUZLVHQRWHGDOOZLUHVDUH$:*PPð
8QOHVVRWKHUZLVHQRWHGDOO3RZHU*URXQGVDUHDLUIUDPHJURXQGV
,QWHUFRPRSHUDWLRQUHTXLUHVDPLFURSKRQHZKLFKSURYLGHVDXGLR287ZLWKWKH377NH\
GHHQHUJL]HGQRWNH\HG
,QWHUFRPRSHUDWLRQUHTXLUHVDVHOHFWRUVZLWFKGRXEOHSROHGRXEOHWKURZ
7HUPLQDWHDXGLRVKLHOGVDWRQHHQGRQO\
3RZHUEXVFLUFXLWEUHDNHUVDUHWREHPRXQWHGLQWKH$&EUHDNHUSDQHORULQVWUXPHQW
SDQHOVXFKWKDWWKH\ZLOOEHDFFHVVLEOHLQIOLJKWDQGVDIHIURPSK\VLFDOGDPDJH
377.H\VHLWKHUDWKDQGKHOGPLFURSKRQHVRULQVWDOOHGRQWKH\RNH
:LULQJZLWKRXW,QWHUFRPFRQQHFW$&VSHDNHUGLUHFWWRSLQVDQG
,IPRUHWKDQRQH$)VRXUFHLVRODWLRQUHVLVWRUV2KPVKDOOEHLQVWDOOHG
:PRGHO )XVH$PSTXLFNDFWLQJRUFLUFXLWEUHDNHU$PS
:PRGHO )XVH$PSTXLFNDFWLQJRUFLUFXLWEUHDNHU$PS
),* )6*6\VWHP
+22.83',$*5$0
$03/,),('&$5%210,&523+21(6
$1',17(5&20

)6*6\VWHP
,QVWDOODWLRQ
1RYHPEHU 3DJH
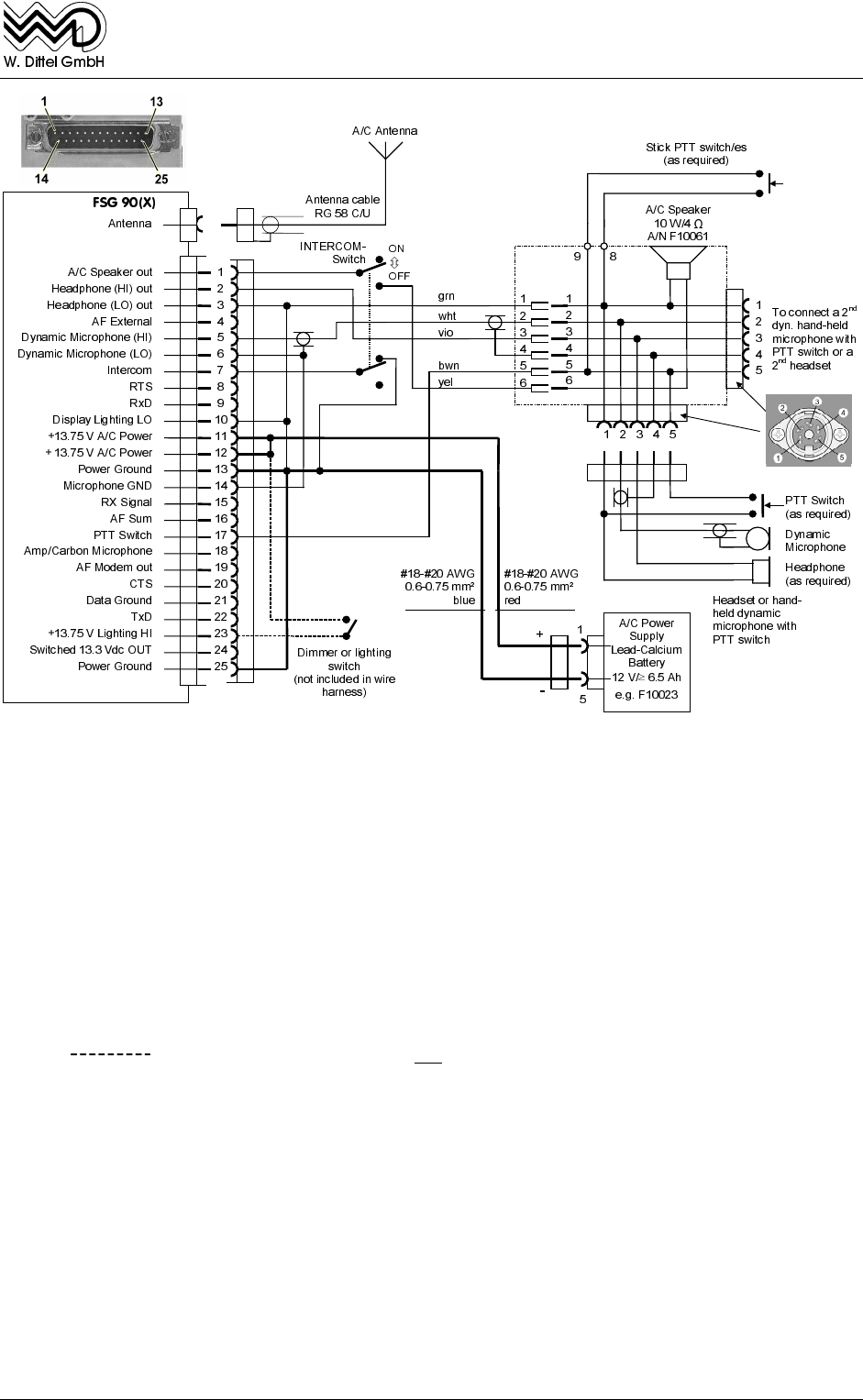
0LFURSKRQH&RQQHFWLRQ
,QGHSHQGHQWRIHDFKRWKHUDOPRVWDQ\QRQDPSOLILHGG\QDPLFPLFURSKRQHRUDPSOLILHG
(OHFWUHWRUDPSOLILHGG\QDPLFRUFDUERQVWDQGDUGPLFURSKRQHVFDQEHFRQQHFWHGWRWKH
)6*6\VWHPZLWKRXWLQWHUQDOMXPSHUVHWWLQJRUVROGHULQJ
$DPSOLILHGFDUERQPLFURSKRQHLVFRQQHFWHGWRSLQDG\QDPLFPLFURSKRQHLV
FRQQHFWHGWRSLQRIWKHSROH68%'UHFHSWDFOH$YRLGDQ\JURXQGORRSLQ
PLFURSKRQHZLULQJG\QDPLFQRQDPSOLILHGPLNHVKLHOGVKDOOQRWEHFRQQHFWHGWRDQ\
RWKHUDLUFUDIWZLULQJH[FHSWGLUHFWO\DWWKHDVVLJQHGSLQLQWKHDFFHVVRU\FRQQHFWRU
8SWRWZR,'(17,&$/PLFURSKRQHVIRUSLORWDQGFRSLORWFDQEHRSHUDWHGLQSDUDOOHO
VLPXOWDQHRXVO\(YHQWZRORZLPSHGDQFH2KPG\QDPLFPLFURSKRQHVPD\EH
FRQQHFWHGLQSDUDOOHODVZHOO+RZHYHUIRUPLFURSKRQHVZLWKOHVVWKDQ2KPVLWPD\
EHQHFHVVDU\WRXVHDVXLWDEOHPLFURSKRQHWUDQVIRUPHU
7KHDVVRFLDWHGPLFURSKRQHJURXQGVKLHOGIRUG\QDPLFPLFURSKRQHVPXVWEH
FRQVHTXHQWO\URXWHGJDOYDQLFDOO\LVRODWHGLQRUGHUWRDYRLGDQ\JURXQGORRS
7KLVPHDQVG\QDPLFPLNHJURXQGVKLHOGPXVWEHVHSDUDWHGIURPDQ\RWKHUJURXQGVIRU
'&LQSXWRU'&RXWSXW$)LQSXWDQG$)RXWSXWOLNHVSHDNHUSKRQH377DQGH[WHUQDO
$XGLR
,QWKLVFRQWH[WGXHWRWKHH[WUHPHO\ZLGHPLNHLQSXWOHYHODGMXVWPHQWUDQJHLWLV
PDQGDWRU\WRXQGHUVWDQGWKDWFRUUHFWO\PDWFKHG)6*;PLNHLQSXWVHQVLWLYLW\
6(783ZLOOEHJRRG21&()25(9(5IRUWKLVFRQILJXUDWLRQDQGWRHQVXUHVWDEOH
RSHUDWLRQZLWKRXWDXGLRIHHGEDFN
,03257$17
7KHSROHPLNHFRQQHFWRUW\SH3-08671(9(5EHXVHGZKHQ
XVLQJQRQDPSOLILHGG\QDPLFPLFURSKRQHVEHFDXVHJURXQGIRUPLNHDQG
377LVLGHQWLFDO7KLVZRXOGFUHDWHDJURXQGORRSDQGFDXVHXQVWDEOH
GLVWRUWHGPRGXODWLRQ7KLV3-LVDOORZHGRQO\IRUDPSOLILHGFDUERQ
PLNHV
+RZHYHUWKH3-3-FRQQHFWRUV\VWHPPXVWEHUHJXODUO\FOHDQHG
FRQWDFWVVKDOOKDYHVXIILFLHQWVSULQJORDGHGIRUFH7KLVLVHVSHFLDOO\
PDQGDWRU\XQGHUYLEUDWLRQRSHUDWLQJFRQGLWLRQV
,QWHUFRP,&
,QWHUFRPLVVXLWDEOHIRUWZLQVHDWHUDLUFUDIWZLWKQRLV\FRFNSLW,QWHUFRPDVZHOODVUDGLR
RSHUDWLRQVKRXOGHPSOR\VXLWDEOHDLUFUDIWKHDGVHWVZKLFKPXVWEHPDWFKHGSURSHUO\WR
WKHWUDQVFHLYHUUHIHUWR6(783
+DQGKHOGPLFURSKRQHVPD\EHXVHIXOIRULQWHUFRPLIDXGLRLVQRWVZLWFKHGNH\HG21
2))E\WKH377IXQFWLRQ.H\LQJWKHPLNHDXGLRPD\FDXVHDZIXOFUDFNVGHSHQGLQJRQ
PLNHWHFKQRORJ\
7RFRQWUROWKHLQWHUFRPFDSDELOLW\DLUFUDIWUDGLRZLULQJPXVWKDYHDWZRSROHWRJJOH
VZLWFKUHIHUWRILJXUHRU7KHLQWHUFRPVZLWFKGLVFRQQHFWVWKHORXGVSHDNHU
GXULQJ,&RSHUDWLRQLQWKH,&21SRVLWLRQ6LPXOWDQHRXVO\SLQRIWKHSROHFRQQHFWRU
LVVHWWRJURXQGWRVHOHFW,&21E\FRQWLQXRXVO\DFWLYDWLQJWKHPLFURSKRQHDPSOLILHU
LQSXWVLJQDO
:LWKWKH,&VZLWFKLQ21SRVLWLRQLWLVSRVVLEOHDQ\WLPHWRSHUIRUPQRUPDOWUDQVPLWWLQJ
ZLWKWKHQRUPDO377NH\LWDOVRDOORZVFRQWLQXRXVLQWHUFRPPXQLFDWLRQGXULQJUHFHLYH
EHWZHHQSLORWDQGFRSLORWFUHZQR377DFWLRQLVUHTXLUHGIRUDQ\,&RSHUDWLRQ
'XULQJUHFHLYHZKLOH,&LV21ERWKWKH,&ORXGQHVVDQGH[WHUQDODXGLRYROXPHDUH
WHPSRUDULO\UHGXFHGWRLPSURYHUHFHLYHLQWHOOLJLELOLW\
5HFHLYLQJYROXPHLVVHWRQWKH)6*;IURQWSDQHO92/ZKLOHLQWHUFRPYROXPHFDQ
EHRSWLPL]HGE\6(783DGMXVWPHQW

)6*6\VWHP
,QVWDOODWLRQ
3DJH 1RYHPEHU
/RXGVSHDNHU+HDGVHWLQWHUFRQQHFWLRQ
7ZRVHSDUDWH$)RXWSXWH[LVW7KHVSHDNHURXWSXWSLQFDQFRQWLQXRXVO\VXSSO\XSWR
WZRVSHDNHUVHDFKZLWK2KPVORDG!2KPVZKLOHWKHKHDGSKRQHDXGLRRXWSXW
SLQVDQGFDQDFFRPPRGDWHXSWRRUPRUHKHDGSKRQHVHDFKZLWKVRPH2KPV
RUDOOPD\EHFRQQHFWHGDOVRVLPXOWDQHRXVO\
:KHQQRVSHDNHULVLQVWDOOHGWKLV3LQPD\UHPDLQQRWFRQQHFWHGQRVSDUHORDGLV
UHTXLUHG
&$87,21
7KHPDJQHWFRPSDVVZLOOEHGHIOHFWHGE\WKHVSHDNHUVPDJQHWLF
ILHOG7KHUHIRUHZKHQXVLQJWKH:DOWHU'LWWHOFRPSDFWVSHDNHUER[
)DPLQLPXPGLVWDQFHRIPIWEHWZHHQFRPSDVVDQG
VSHDNHULVUHTXLUHG
$)([WHUQDO2SHUDWLRQ
7KH$)H[WHUQDOLQSXWSLQPD\EHFRQQHFWHGWRDQ\H[WHUQDOVHOHFWDEOHDXGLRRXWSXW
RIDQ\RWKHUDXGLRVRXUFH9ROWUPVLVQHFHVVDU\WRREWDLQPD[LPXPDXGLRYROXPH
+LJKHU$)LQSXWPD\FDXVHDXGLRGLVWRUWLRQ([WHUQDO$)ZLOOEHDXGLEOHRQO\LQ5HFHLYH
PRGHDQGLQ6WDQGE\PRGHDQGPD\EHKHDUGLQERWKVSHDNHUDQGKHDGSKRQHV
'XULQJWUDQVPLWWKHH[WHUQDO$)LQSXWLVGLVDEOHG
&RQWLQXRXVLQWHUFRQQHFWLRQRIDQH[WHUQDODXGLRVRXUFHVZLOOEHVXLWDEOHHVSHFLDOO\LQ
DLUFUDIWXVLQJMXVWRQH&20DQGRQH1$97KH1$9KHDGSKRQHRXWSXWPD\WKHQEH
FRQQHFWHGGLUHFWO\WRWKH)6*;H[WHUQDO$)LQSXW
7KLVDOORZVLQDGGLWLRQWRWKHUHFHLYLQJDQGLQWHUFRPIXQFWLRQDOVRWKHVLPXOWDQHRXV
OLVWHQLQJRI&20DQG1$9DXGLRHLWKHUE\KHDGSKRQHVRUVSHDNHU
,QWHUFRQQHFWLRQRIPRUHWKDQRQHH[WHUQDODXGLRVRXUFHUHTXLUHVDGGLWLRQDOH[WHUQDO
GHFRXSOLQJLVRODWLRQUHVLVWRUV2KPVUHIHUWRILJXUH
7KHLQGLYLGXDODXGLRYROXPHLVVHWGLUHFWO\DWWKHSDUWLFXODUH[WHUQDOHTXLSPHQW
,03257$17
,IH[WHUQDODXGLRVRXUFHVVKRXOGEHDXGLEOHYLD$&VSHDNHUWKH
H[WHUQDO$)LQSXWPXVWEHHQDEOHGLQWKH6(7837KHP$FXUUHQW
VDYLQJLQ6WDQGE\PRGHLVWKHQGLVDEOHG
7RDFKLHYHLQ([WHUQDO$XGLRRSHUDWLRQWKHPD[LPXP)6*;DXGLRRXWSXWSRZHUD
PLQLPXP$)LQSXWOHYHORI9ROWUPVLVUHTXLUHGDSSUR[N2KPLQSXWLPSHGDQFH
,QWHUFRQQHFWLQJ$)ZLULQJPXVWXVHVKLHOGHGZLUHVLQRUGHUWRDYRLGLQWHUIHUHQFHIURP
VWURQJHOHFWULFDOILHOGV$QHYHQWXDOO\PDJQHWLFLQWHUIHUHQFHFRXSOLQJVKDOOEHHVSHFLDOO\
UHJDUGHGGLVWDQFHIURPKLJKFXUUHQWFDUU\LQJZLULQJ
/LJKWLQJWKH)UHTXHQF\'LVSOD\
,03257$17
/LJKWLQJLVWXUQHGRQRURIIYLDDVHSDUDWHLQSXWEXWFDQEHFRQWUROOHGE\
WKHUDGLRLIGHVLUHG
,QRUGHUWRVDYHFXUUHQWZKLOHVXSSOLHGIURPEDWWHU\DQH[WHUQDOVXLWDEOH
LOOXPLQDWLRQVZLWFKLVVXJJHVWHG
7KH)6*;LQFOXGHVDQ/&GLVSOD\ZKLFKFDQEHEDFNOLW3LQPD\EHFRQQHFWHG
HLWKHUGLUHFWO\WRWKH9GF$&SRZHUSHUKDSVYLDDVXLWDEOHGLPPHURUWRWKH
VZLWFKHG'&RXWSXW3LQ)RUGLVSOD\OLJKWLQJIURPD9GF$&VXSSO\LQVHUWD
2KPUHVLVWRU:FRQQHFWHGLQVHULHV
&$87,21
7KLVZD\RIPDWFKLQJWR9ROWLVRQO\VXLWDEOHIRUWKHOLJKWLQJ
7KH)6*;DOZD\VUHTXLUHVDWR9ROWV'&VXSSO\

)6*6\VWHP
,QVWDOODWLRQ
1RYHPEHU 3DJH
&RQQHFWLRQWRD9GFDLUERUQHV\VWHP
,QWHUFRQQHFWLRQRIWKH)6*;WUDQVFHLYHUVWRD9GFVXSSO\UHTXLUHVDFDSDEOH
YROWDJHFRQYHUWHU,QWHUFRQQHFWLRQZLULQJVKDOOEHDFFRUGLQJWRLQVWUXFWLRQVRIWKH'&
FRQYHUWHUPDQXIDFWXUHU)RUOLJKWLQJLQWHUFRQQHFWLRQUHIHUWR6HFWLRQ
3RVWLQVWDOODWLRQ&KHFN
7HVWLQJRQWKH*URXQGZLWK(QJLQH2II
9HULILFDWLRQDIWHULQVWDOODWLRQFRPSOHWLRQ
$IWHULQVWDOOLQJWKHXQLWFKHFNDOODLUFUDIWFRQWUROPRYHPHQWVWREHVXUHQRHOHFWULFDO
FDEOHLQWHUIHUHZLWKWKHLURSHUDWLRQ$OODLUFUDIWDQGUDGLRIXQFWLRQVVKDOOEHWHVWHGDIWHU
LQVWDOODWLRQFRPSOHWLRQWRLGHQWLI\ZKHWKHUPDOIXQFWLRQVFDXVHGE\PHFKDQLFDODQGRU
HOHFWULFDOLQVWDOODWLRQZRUNRFFXUV
7KLVPXVWEHSHUIRUPHGE\DQDXWKRUL]HGDLUFUDIWHOHFWURQLFVLQVSHFWRU
7HVWLQJRIDQWHQQDPDWFKLQJEHWZHHQWKH)6*;DQWHQQDVRFNHW%1&DQGWKH
%1&DQWHQQDFDEOHFRQQHFWRULVUHTXLUHGXVLQJDVXLWDEOH2KP9+)5HIOHFWRPHWHU
96:5PHWHURUDGLUHFWLRQDO:DWWPHWHU
7KH6:5PXVWEHOHVVWKDQRYHUWKHIXOOIUHTXHQF\UDQJHWHVWHGDWOHDVWLQ0+]
VWHSVUHIOHFWHGSRZHUVKDOOEHOHVVWKDQRIWKHIRUZDUG5)SRZHURXWSXW,IWKLV
OLPLWLVH[FHHGHGWKLVLQGLFDWHVDPLVPDWFKHGDQWHQQDDQGPD\EHFDXVHGE\ZURQJ
DQWHQQDUDGLDWRURUFRXQWHUZHLJKWOHQJWKGLPHQVLRQVSRRUFRQWDFWVRUGDPDJHGRU
XQVXLWDEOHQR2KPFRD[LDOFDEOH
,QRUGHUWRRSWLPL]HUDGLRUDQJHLWLVVXJJHVWHGWRFDUHIRUDQ6:5RIOHVVWKDQ
UHIOHFWHGSRZHUVKDOOEHOHVVWKDQRIWKHIRUZDUG5)SRZHURXWSXW
,03257$17
,IWKHDQWHQQDLVEHOO\PRXQWHGSHUIRUPDQWHQQDPDWFKLQJ
PHDVXUHPHQWVLISRVVLEOHLQIOLJKWRUDWOHDVWZKLOHWKHIXVHODJHLVOLIWHG
XSZDUGVXVLQJZRRGQRQPHWDOOLFVXSSRUWLQJPDWHULDO7KLVDYRLGV
DQWHQQDPLVPDWFKFDXVHGIURPJURXQGSUR[LPLW\
8VLQJNQRZQEXWGLVWDQWORFDWHGIL[HGVWDWLRQV92/0(7$7,6ZLOODOVRKHOSLQ
GHWHUPLQLQJWKHUDGLRUDQJHHVSHFLDOO\LQFRPSDULVRQZLWKNQRZQRWKHUUDGLRUDQJH
UHVXOWVRIDQRWKHUDLUFUDIWDWWKHVDPHSRVLWLRQRQWKHJURXQGDWDNQRZQDLUILHOGORFDWLRQ
RURXWVLGHRIWKHKDQJDURUZRUNVKRS
*URXQGFKHFNVZLWKHQJLQHUXQQLQJ
,WPXVWEHHQVXUHGWKDWWKHDLUFUDIWVHOHFWULFDO'&V\VWHPYROWDJHDWWKH)6*;LQSXW
WHUPLQDOVLVZLWKLQWKHWROHUDQFHVSHUPLWWHGDW9GFRU9ZLWK'&FRQYHUWHU
%DWWHU\RQO\VXSSOLHGV\VWHPVRSHUDWHIURPWR9GF6XFKWHVWLQJUHTXLUHV
QRUPDO530UDWHGDWFUXLVLQJVSHHG
7KLVWHVWLQJHYDOXDWHVERWKWKHDXGLRQRLVHLQIOXHQFHDQG5)UDGLRUDQJHDWOHDVWIURP
WRNPGLVWDQFHWRWKHJURXQGUDGLRVWDWLRQ:LWKFUXLVLQJ530FDELQQRLVH
EDFNJURXQGFRQWHQWVKDOODOPRVWQRWH[LVW,QVWHDGORXGDQGFOHDUFRPPXQLFDWLRQVVKDOO
EHDFKLHYHG
7KHPLFURSKRQHVKDOOEHLQERWK7UDQVPLWDQG,QWHUFRPPRGHSODFHGULJKWDWWKHOLSVLQ
RUGHUWRREWDLQPD[LPXPYRLFHOHYHODWORZHVWFDELQQRLVHFRQWHQW6SHDNORXGDQG
FOHDU9HULI\SURSHUPLFURSKRQHVHQVLWLYLW\VHWWLQJGXULQJ6(783DGMXVWPHQWVSULRUWR
WKHILUVWIOLJKWRQJURXQG
,ISRVVLEOHYHULI\WKHFRPPXQLFDWLRQVFDSDELOLW\DOVRRQERWKWKHORZDQGKLJKHQGRIWKH
9+)&20EDQG
,IQRLVHERWKZLWK6TXHOFK2QDQG2IIRFFXUVRQO\ZLWKWKHHQJLQHUXQQLQJDQGLILWV
IUHTXHQF\YDULHVZLWKWKHHQJLQHUHYROXWLRQVLWPD\EHFDXVHGE\DQLQDGHTXDWH

)6*6\VWHP
,QVWDOODWLRQ
3DJH 1RYHPEHU
VXSSUHVVHGLJQLWLRQV\VWHPRUDOWHUQDWRUYROWDJHUHJXODWRUHTXLSPHQWRUE\SRRU
VWDELOL]HGRQERDUGVXSSO\
$FFRUGLQJWR('&57&$'2&UHTXLUHPHQWVWKHOLPLWVIRUULSSOHYROWDJHVDW
9GFVXSSOLHVDUH9 DWN+]RU9 DWN+]'RXEOHWKHVH
OLPLWVIRU9V\VWHPV
,WLVHDVLHUWRGHWHUPLQHLQ5HFHLYHPRGHEHWZHHQ5)DQG$)LQWHUIHUHQFHFDUULHGRQ
WKHOLQHVE\WHPSRUDU\UHPRYLQJWKHDQWHQQDSOXJDWWKHWUDQVFHLYHU5)LQWHUIHUHQFH
ZKLFKXVXDOO\FRPHVIURPWKHLJQLWLRQRUJHQHUDWRUUHJXODWRUZLOOWKHQGLVDSSHDU
5LSSOHRQWKHOLQHVFDQEHGHWHFWHGZLWKDQRVFLOORVFRSH,WVVRXUFHLVXVXDOO\WKH
JHQHUDWRUHTXLSPHQWLQFRQMXQFWLRQZLWKDSRRUEDWWHU\RUSRRUZLULQJEDGFRQWDFWV
GHIHFWLYHVZLWFKHVLQDGHTXDWHZLULQJGLPHQVLRQVJURXQGORRSVPRUHWKDQRQHJURXQG
FRQQHFWLRQWRWKHDLUIUDPH
2IWHQZLOOEDGFRQWDFWVLQWKHDQWHQQDV\VWHPRURWKHUYLEUDWLRQGHSHQGHQWPHWDOSDUWV
FRQWDFWVYDU\ZLWKWKHHQJLQH530FDXVH5)LQWHUIHULQJGLVWRUWLRQ$QRLVHDWWHQXDWLQJ
KHDGSKRQHDVVLVWVW\SLFDODFRXVWLFIDLOXUHFKDUDFWHULVWLFVLGHQWLILFDWLRQ

)6*6\VWHP
)XQFWLRQDO'HVFULSWLRQ
1RYHPEHU 3DJH
6(&7,21)81&7,21$/'(6&5,37,21
,QWURGXFWLRQ
7KLV6HFWLRQFRQWDLQVDIXQFWLRQDOGHVFULSWLRQRIHDFKVZLWFKSXVKEXWWRQNQRE
LQGLFDWRUGLVSOD\DQGVRFNHWORFDWHGRQWKHIURQWRUUHDURIWKH)6*;WRJHWKHUZLWK
RSHUDWLQJLQVWUXFWLRQV
),*23(5$7256&21752/6$1',1',&$7256
2SHUDWRUV&RQWUROV
&RQWURO 'HVFULSWLRQ)XQFWLRQ
212))92/
5RWDU\VWHSVZLWFK
7RWXUQ21WKHUDGLRURWDWHWKH212))92/NQREFORFNZLVHIURPWKH2))
SRVLWLRQGRW
:KHQSRZHULVDFWLYDWHG
DOOVHJPHQWVRIWKHGLVSOD\DUHPRPHQWDULO\YLVLEOH
WKHDXWRPDWLFVTXHOFKLVDFWLYDWHG
WKHGLVSOD\VKRZVWKHIUHTXHQF\FKDQQHOQDPHLQWKDW2SHUDWLQJ
PRGHZKLFKZDVXVHGEHIRUHODVWWXUQLQJ2))
5RWDWLQJWKH212))92/NQREFORFNZLVHLQFUHDVHVWXUQLQJFRXQWHU
FORFNZLVHGHFUHDVHVWKHDXGLRYROXPHDXGLEOHLQWKHDFORXGVSHDNHU
5HFHLYHRQO\RUFRQQHFWHGKHDGSKRQH7;6LGHWRQHDQG5HFHLYH
7RWXUQ2))WKHUDGLRURWDWHWKH212))92/NQREIXOO\FRXQWHUFORFNZLVH
FFZWRWKH2))SRVLWLRQGRW%ODQNGLVSOD\

)6*6\VWHP
)XQFWLRQDO'HVFULSWLRQ
3DJH 1RYHPEHU
64648(/&+ 3XVKEXWWRQ
$IWHUWXUQLQJ21WKHUDGLR)6*;WKHDXWRPDWLFVTXHOFKLVDOZD\V
DFWLYH
0RPHQWDULO\SXVKLQJWKH64%XWWRQ
SXWVWKHUDGLRLQWRWKH642))PRGHRYHUULGHVWKHDXWRPDWLF
VTXHOFK%DVLFUHFHLYLQJQRLVHLVDOVRDXGLEOHGXULQJVWDQGE\
0D[LPXPUHFHLYLQJUDQJH,QFUHDVHGFXUUHQWFRQVXPSWLRQ
7UDQVPLWWHU%ORFNLQJLVLQDFWLYHLHWUDQVPLWWLQJLVSRVVLEOHHYHQLIWKH
FKDQQHOLVEXV\
0RPHQWDULO\SXVKLQJWKH64%XWWRQRQFHDJDLQ
SXWVWKHUDGLRLQWRWKHVWDQGDUGRSHUDWLQJPRGHDXWRPDWLFVTXHOFKLV
DFWLYH1RUHFHLYLQJQRLVHGXULQJVWDQGE\2QO\UHFHSWLRQRIVLJQDOV
DERYH64WKUHVKROGWREHKHDUG
:KHQWKHVTXHOFKLVDFWLYH7UDQVPLWWHU%ORFNLQJLVDFWLYHLH
WUDQVPLWWLQJLVRQO\SRVVLEOHZKHQWKHFKDQQHOLVQRWEXV\
1RWH )RUFHUWDLQSXUSRVHV7UDQVPLWWHU%ORFNLQJPD\EHSHUPDQHQWO\
VZLWFKHG2))5HIHUWR6(783SURFHGXUH6HFWLRQ
0'PRGH 3XVKEXWWRQ
5HSHDWHGO\SXVKLQJWKH0'PRGHEXWWRQDOWHUVWKHGLVSOD\PRGHDQG
GLVSOD\UHVSHFWLYHO\
8VH67%<0RGH XSSHUOLQH 86(IUHTXHQF\
ORZHUOLQH 67%<IUHTXHQF\
&KDQQHO0RGH XSSHUOLQH 86(IUHTXHQF\
ORZHUOLQH FKDQQHOPHPRU\QXPEHU
'LUHFW7XQH0RGH XSSHUOLQH 86(IUHTXHQF\
ORZHUOLQH EODQN
75$16)(5 3XVKEXWWRQ
0RPHQWDULO\SXVKLQJWKH7UDQVIHUEXWWRQ
ZKLOHLQ&+$11(/RU',5(&7781(PRGHZLOOUHWXUQWKHUDGLRWR
86(67%<PRGHRU
ZKLOHLQ86(67%<PRGHWKHODVW86(IUHTXHQF\ZLOOEHFRPHWKHQHZ
67%<IUHTXHQF\DQGWKHODVW67%<IUHTXHQF\ZLOOEHFRPHWKHQHZ
86(IUHTXHQF\RU
ZKLOHLQWKH6(783PRGHZLOOUHWXUQWKHUDGLRWRWKHGLVSOD\PRGH
XVHGEHIRUHZLWKRXWSRZHUGRZQ2QO\SURJUDPPHGVHWWLQJVVWRUHG
SUHYLRXVO\E\SXVKLQJWKH672EXWWRQZLOOEHDFWLYH

)6*6\VWHP
)XQFWLRQDO'HVFULSWLRQ
1RYHPEHU 3DJH
)&+ 5RWDU\FRQWURODQGSXVKEXWWRQ GXDOIXQFWLRQ
0RPHQWDULO\SXVKLQJWKH)&+NQRE
ZKLOHLQWKH86(67%<RU',5(&7781(PRGHFKDQJHVWKHDFFHVV
IURPN+]WR0+]RUYLFHYHUVDIURP0+]WRN+]
,IWKHUHLVQRDFWLYLW\IRUVHFRQGVWKH)&+NQREZLOOUHWXUQWRWKHN+]
DFFHVV
:KLOHLQWKH&+$11(/PRGHSXVKLQJWKH)&+NQRELVZLWKRXW
IXQFWLRQ
5RWDWLQJWKH)&+NQRE
ZKLOHLQWKH86(67%<PRGHZLOOLQFUHPHQWRUGHFUHPHQWWKH0+]RU
N+]SRUWLRQRIWKH67%<IUHTXHQF\ZLWKUROORYHUDWHDFKEDQGHGJH
ZKLOHLQWKH&+$11(/PRGHFKDQJHVWKHFKDQQHOPHPRU\QXPEHU
DQGFRUUHVSRQGLQJIUHTXHQF\2QO\FKDQQHOQXPEHUVZKLFKZHUH
SURJUDPPHGEHIRUHZLOODSSHDU
ZKLOHLQWKH',5(&7781(PRGHZLOOLQFUHPHQWRUGHFUHPHQWWKH0+]
RUN+]SRUWLRQRIWKH86(IUHTXHQF\ZLWKUROORYHUDWHDFKEDQGHGJH
6726725( 3XVKEXWWRQ
8SWRIUHTXHQFLHVFKDQQHOQDPHVLQHDFK2SHUDWLQJPRGHFRPELQHG
N+]PRGHDQGN+]RQO\PRGHPD\EHVWRUHGLQDQRQ
YRODWLOHPHPRU\7KHFKDQQHOPHPRU\QXPEHUV¡DUHXVHU
SURJUDPPDEOH
3URJUDPPLQJDIUHTXHQF\
6HWWKHIUHTXHQF\RUFKDQQHOQDPHWREHVWRUHGLQWKHXSSHUOLQHDWWKH
GLVSOD\
,QLWLDOL]HVWRULQJE\SXVKLQJWKH672EXWWRQ
7KHODVWXVHGFKDQQHOPHPRU\QXPEHULVGLVSOD\HGLQWKHORZHUOLQH
$IODVKLQJ&+VKRZVUHDG\WRVWRUH
6HOHFWDSSURSULDWHQHZFKDQQHOPHPRU\QXPEHUWRE\URWDWLQJ
WKH)&+NQRE
2QDIUHHFKDQQHOPHPRU\DQDGGLWLRQDO)IUHHLVGLVSOD\HG&+
WR
7RHQWHUWKHQHZIUHTXHQF\FKDQQHOQDPHSXVKWKH672EXWWRQ7KH
IUHTXHQF\FKDQQHOQDPHZLOOEHVWRUHGXQGHUWKHDGMXVWHGFKDQQHO
PHPRU\QXPEHU
$SUHYLRXVO\VWRUHGIUHTXHQF\FKDQQHOQDPHZLOOEHRYHUZULWWHQ
7KHODVWXVHG2SHUDWLQJPRGHLVGLVSOD\HG
3URJUDPPLQJLQWKH6(783PRGH
,QWKH6(783PRGHDOOVHWWLQJVPXVWLQGLYLGXDOO\EHFRQILUPHGE\
SXVKLQJWKH672EXWWRQ2WKHUZLVHWKHVHWWLQJVDUHQRWSHUPDQHQWO\
VWRUHG

)6*6\VWHP
)XQFWLRQDO'HVFULSWLRQ
3DJH 1RYHPEHU
)UHTXHQF\'LVSOD\GLJLWRUGLJLW/LTXLG&U\VWDO'LVSOD\/&'WZROLQHVFDQ
EHEDFNOLW
,03257$17
:KHQWKH)6*RU)6*+VKRZVDGLJLWGLVSOD\WKHUDGLRLV
RSHUDWLQJLQWKHFRPELQHGN+]PRGH
:KHQWKH)6*RU)6*+VKRZVDGLJLWGLVSOD\WKHUDGLRLV
RSHUDWLQJLQWKHN+]RQO\PRGH
)UHTXHQF\DQGFKDQQHOQDPHGLVSOD\FRPSOLHVZLWK,&$2UXOHV
7KHIROORZLQJGLVSOD\VDUHH[DPSOHVRQO\
7UDQVFHLYHURSHUDWHVLQWKHN+]PRGHGLJLWGLVSOD\
8SSHUOLQH 86(FKDQQHOQDPHGLVSOD\
0+]WUDQVPLWDQGUHFHLYHIUHTXHQF\
/RZHUOLQH 67%<FKDQQHOQDPHGLVSOD\ 0+]
WUDQVPLWDQGUHFHLYHIUHTXHQF\
6XSSO\LQGLFDWRU VHJPHQWV9GFVXSSO\2.
7;LQGLFDWRU 2))UDGLRUHFHLYHV
7UDQVFHLYHURSHUDWHVLQWKHN+]RQO\PRGHGLJLWGLVSOD\
8SSHUOLQH 86(IUHTXHQF\GLVSOD\ 0+]WUDQVPLW
DQGUHFHLYHIUHTXHQF\
/RZHUOLQH 67%<IUHTXHQF\GLVSOD\ 0+]
WUDQVPLWDQGUHFHLYHIUHTXHQF\
6XSSO\LQGLFDWRU VHJPHQWV9GFVXSSO\2.
7;LQGLFDWRU 2))UDGLRUHFHLYHV
7UDQVFHLYHURSHUDWHVLQWKHN+]PRGHGLJLWGLVSOD\
8SSHUOLQH 86(FKDQQHOQDPHGLVSOD\ 0+]
WUDQVPLWDQGUHFHLYHIUHTXHQF\
/RZHUOLQH &KDQQHOPHPRU\QXPEHUDVVRFLDWHGZLWKWKH
DERYH86(FKDQQHOQDPH
6XSSO\LQGLFDWRU VHJPHQWV9GFEDWWHU\òFKDUJHG
7;LQGLFDWRU 21UDGLRWUDQVPLWV
7UDQVFHLYHURSHUDWHVLQWKHN+]RQO\PRGHGLJLWGLVSOD\
8SSHUOLQH 86(IUHTXHQF\GLVSOD\ 0+]WUDQVPLW
DQGUHFHLYHIUHTXHQF\
/RZHUOLQH &KDQQHOPHPRU\QXPEHUDVVRFLDWHGZLWKWKH
DERYH86(IUHTXHQF\
6XSSO\LQGLFDWRU VHJPHQWV9GFEDWWHU\òFKDUJHG
7;LQGLFDWRU 21UDGLRWUDQVPLWV
672EXWWRQJRWSXVKHGVDPHIXQFWLRQDWGLJLWGLVSOD\
8SSHUOLQH &KDQQHOQDPHGLJLWVWREHVWRUHG
/RZHUOLQH )UHHFKDQQHOPHPRU\QXPEHU&+LVIODVKLQJ
$IWHUSXVKLQJWKH672EXWWRQRQFHPRUHWKHFKDQQHOQDPH
0+]ZLOOEHVWRUHGLQWKHFKDQQHOPHPRU\
7KHODVWXVHG2SHUDWLQJPRGHLVGLVSOD\HG

)6*6\VWHP
)XQFWLRQDO'HVFULSWLRQ
1RYHPEHU 3DJH
672EXWWRQJRWSXVKHGVDPHIXQFWLRQDWGLJLWGLVSOD\
8SSHUOLQH &KDQQHOQDPHGLJLWVWREHVWRUHG
/RZHUOLQH &KDQQHOPHPRU\QXPEHU&+LVIODVKLQJ
$IWHUSXVKLQJWKH672EXWWRQRQFHPRUHWKHFKDQQHOQDPH
0+]ZLOOEHVWRUHGLQWKHFKDQQHOPHPRU\$SUHYLRXVO\
VWRUHGFKDQQHOQDPHZLOOEHRYHUZULWWHQ
7KHODVWXVHG2SHUDWLQJPRGHLVGLVSOD\HG
&RQQHFWRUVDWUHDUVLGH
%1&MDFN
PDWLQJSOXJ%1&SOXJ8*&8
&RQQHFWVDVXLWDEOH&20EURDGEDQGDQWHQQDZLWKDIUHTXHQF\UDQJHRI
DWOHDVW0+]
5HIHUWRVHFWLRQIRU,QVWDOODWLRQ
SROH68%'UHFHSWDFOHPDOHZLWKVOLGLQJORFNUHWDLQHU
PDWLQJSOXJSROH68%'IHPDOH'$6$1)VROGHUW\SH
LQFOXGLQJVKHOODQGPRXQWLQJKDUGZDUH
WRFRQQHFWWKHDLUFUDIWZLULQJ5HIHUWRVHFWLRQIRUZLULQJ

)6*6\VWHP
)XQFWLRQDO'HVFULSWLRQ
3DJH 1RYHPEHU
7+,63$*(
,17(17,21$//<
/()7%/$1.

)6*6\VWHP
6HWXS3URFHGXUH
1RYHPEHU 3DJH
6(&7,216(783352&('85(
7KLVVHFWLRQFRQWDLQVDGHVFULSWLRQRIWKH6HWXSSURFHGXUHWREHFDUULHGRXWE\DQ
H[SHULHQFHGDYLRQLFVWHFKQLFLDQ7RFDUU\RXWWKH6HWXSSURFHGXUHWKHUDGLRPXVWEH
FRPSOHWHO\ZLUHGDQGUHDG\WRXVH
'$1*(5
'XULQJ6(783SURFHGXUHWKHUDGLRLVSDUWO\XQDEOHWRZRUN7KH
UDGLRFDQQHLWKHUUHFHLYHQRUWUDQVPLW
1(9(5FDUU\RXWD6(783GXULQJIOLJKWRUZKLOVWGULYLQJDFDU
3HUIRUP6(783RQO\ZKLOVWVWDQGLQJVDIHO\RQWKHJURXQG
%HIRUHWKHQH[WIOLJKWRUDSSOLFDWLRQFKHFNDOOVHWWLQJVRIWKHUDGLR
DQGFRFNSLWLQVWUXPHQWVIRUFRUUHFWIXQFWLRQ
,03257$17
7KH)6*;LVIDFWRU\SUHVHWIRUFKHFNDQGWHVWLQJSXUSRVHV7R
DFKLHYHPD[LPXPSHUIRUPDQFHLWLVWKHUHIRUHDEVROXWHO\QHFHVVDU\WR
RSWLPL]HWKHUDGLRDQGWRDGDSWWKHDFFHVVRULHVXVHG
7RFDUU\RXWWKHVHWXSWKHUDGLRPXVWEHUHDG\IRURSHUDWLRQDQWHQQD
FRQQHFWHGSRZHUVXSSO\2.RSHUDWLRQDOPLFURSKRQHVKHDGVHWV
,IDKHDGVHWLVXVHGWXUQLWVYROXPHFRQWUROWRPD[LPXPLIDSSOLFDEOH
$OOIUHTXHQFLHVFKDQQHOQDPHVFKDQQHOPHPRU\QXPEHUVHWFVKRZQLQ
WKHIROORZLQJLOOXVWUDWLRQVDUHH[DPSOHV
7KHIROORZLQJVHWWLQJVFDQEHVHOHFWHGRUDGMXVWHGRUGHU
$GMXVWLQJWKHDXWRPDWLFVTXHOFKWKUHVKROG
$GMXVWLQJWKHPLFURSKRQHVHQVLWLYLW\
$GMXVWLQJWKH,QWHUFRPYROXPHKHDGVHW
$GMXVWLQJWKH7UDQVPLW6LGHWRQHYROXPHKHDGVHW
$GMXVWLQJWKHKHDGVHWYROXPHGXULQJ5HFHLYHLQGHSHQGHQWIURP
VSHDNHUYROXPH
6HOHFWLQJN+]RQO\FKDQQHOVSDFLQJRUFRPELQHGN+]N+]
FKDQQHOVSDFLQJ&RQILUPDWLRQZLWK672VWDUWVQHZPRGHDWRQFH
'HOHWLQJRFFXSLHGFKDQQHOPHPRULHVRQHDIWHUWKHRWKHU
6HOHFWLQJ$)([WHUQDOYLDORXGVSHDNHU21 RU2))
6HOHFWLQJ&+$11(/02'(RQO\ RU)5(()5(48(1&<
6(/(&7,21
6HOHFWLQJ7UDQVPLWWHU%ORFNLQJGXULQJUHFHLYH21 RU2))
6HUYLFH21 RU2))
2SWLRQDOPRGXOH21 RU2))
(QWHULQJDSDVVZRUGSURWHFWVDJDLQVWXQDXWKRUL]HGFKDQJHVRIWKH
UDGLRSDUDPHWHUV

)6*6\VWHP
6HWXS3URFHGXUH
3DJH 1RYHPEHU
&DOOLQJ6(783ZLWKRXWSDVVZRUG
&DOOLQJWKH6(783SURFHGXUHZLWKRXWSDVVZRUGLVSRVVLEOH
DWH[ZRUNVUDGLRV)6*;RU
DWUDGLRVZKLFKDUHUHVHWWRDIDFWRU\EDVLFVHWWLQJUHIHUWRFKDSWHU5(6(7RU
DWUDGLRVZKLFKDUHQRWSURWHFWHGE\DSDVVZRUGDJDLQVWXQDXWKRUL]HGFKDQJHVRI
WKHVHWXSDGMXVWPHQWV
7XUQ2))WKHUDGLR212))92/NQREIXOO\FFZ
386+$1'+2/'ERWK0'DQG672EXWWRQVWKHQWXUQ21WKHUDGLRURWDWH212))
92/NQREFORFNZLVHDSSUR[LPDWHO\PLGSRVLWLRQ
$OOVHJPHQWVRIWKHGLVSOD\DSSHDUIRUDVKRUWPRPHQWWKHQWKHGLVSOD\JHWVEODQN
5HOHDVHWKHEXWWRQV
$IWHUUHOHDVLQJWKHEXWWRQVWKHGLVSOD\VKRZVLQWKHXSSHUOLQH
DOWHUQDWHO\ª)6*©DQGª6(783©
,IWKHUHLVQRDFWLYLW\IRUVHFRQGVWKHUDGLRZLOOUHWXUQWRWKH
PRGHXVHGEHIRUH
0RPHQWDULO\SXVKLQJWKH0'EXWWRQRQFHZLOORSHQWKHVHWXS
PHQXWRDGMXVWWKHVTXHOFKWKUHVKROG
5HSHDWHGO\SXVKLQJWKH0'EXWWRQZLOORSHQDOORWKHUVHWXS
PHQXVLQWKHRUGHUGHVFULEHGEHIRUH
&DOOLQJ6(783ZLWKSDVVZRUG
&DOOLQJWKH6(783SURFHGXUHZLWKSDVVZRUGPXVWEHFDUULHGRXWDWUDGLRVZKLFKDUH
SURWHFWHGE\DSDVVZRUGDJDLQVWXQDXWKRUL]HGFKDQJHVRIWKHVHWXSDGMXVWPHQWV
7XUQ2))WKHUDGLR212))92/NQREIXOO\FFZ
386+$1'+2/'ERWK0'DQG672EXWWRQVWKHQWXUQ21WKHUDGLRURWDWH
212))92/NQREFORFNZLVHDSSUR[LPDWHO\PLGSRVLWLRQ
$OOVHJPHQWVRIWKHGLVSOD\DSSHDUIRUDVKRUWPRPHQWWKHQWKHGLVSOD\JHWVEODQN
5HOHDVHWKHEXWWRQV
$IWHUUHOHDVLQJWKHEXWWRQVWKHGLVSOD\VKRZVLQWKHXSSHUOLQH
DOWHUQDWHO\ª)6*©DQGª6(783©LQWKHORZHUOLQHGDVKHV
,IWKHUHLVQRDFWLYLW\IRUVHFRQGVWKHUDGLRZLOOUHWXUQWRWKH
PRGHXVHGEHIRUH
:LWKWKH)&+NQREVHWWKHILUVWGLJLWRI\RXUSDVVZRUGWKHILUVW
GDVKFKDQJHVWRGLJLW&RQILUPWKHILUVWGLJLWE\SXVKLQJWKH)&+
NQRE7KHVHFRQGGLJLWLVUHDG\WREHDGMXVWHG
:LWKWKH)&+NQREVHWWKHVHFRQGGLJLWRI\RXUSDVVZRUGWKH
VHFRQGGDVKFKDQJHVWRGLJLW&RQILUPWKHVHFRQGGLJLWE\
SXVKLQJWKH)&+NQRE
&RQWLQXHWLOODOOILYHGLJLWVRI\RXUSDVVZRUGDUHHQWHUHG
&RQILUPWKHODVWGLJLWLQSXWE\SXVKLQJWKH672EXWWRQ7KLVZLOO
RSHQWKHVHWXSPHQXWRDGMXVWWKHVTXHOFKWKUHVKROG5HSHDWHGO\
SXVKLQJWKH0'EXWWRQZLOORSHQDOORWKHUVHWXSPHQXVLQWKH
RUGHUGHVFULEHGEHIRUH
(QWHULQJDZURQJSDVVZRUGZLOOUHWXUQWKHVHWXSWRWKHLQLWLDO
VWDWXVGDVKHV
$IWHUWKHIRXUWKDWWHPSWWRRSHQWKHVHWXSZLWKDZURQJSDVVZRUG
WKHUDGLRUHWXUQVWRWKHRSHUDWLQJPRGHXVHGEHIRUHWU\LQJWR
RSHQWKHVHWXS7KH)6*;LVRSHUDWLRQDO

)6*6\VWHP
6HWXS3URFHGXUH
1RYHPEHU 3DJH
,QWHUUXSWWKH6(783SURFHGXUH
7KH6(783SURFHGXUHPD\EHLQWHUUXSWHGDQ\WLPH
8VXDOO\E\WXUQLQJ2))WKHSRZHU212))92/NQREIXOO\FFZ$OOFKDQJHGDQG
LQGLYLGXDOO\VWRUHGDGMXVWPHQWVE\SXVKLQJWKH672EXWWRQDUHSHUPDQHQWO\VWRUHG
DQGHIIHFWLYHDIWHUWXUQLQJ21WKHUDGLRDJDLQ
RUE\SXVKLQJWKH7UDQVIHUEXWWRQÙ7KHUDGLRUHWXUQVWRWKHRSHUDWLQJPRGHXVHG
EHIRUH$OOFKDQJHGDQGLQGLYLGXDOO\VWRUHGDGMXVWPHQWVXSWRQRZE\SXVKLQJWKH
672EXWWRQDUHSHUPDQHQWO\VWRUHGDQGHIIHFWLYH
6(783SURFHGXUH
,03257$17
7KHVHWWLQJVFDQEHGRQHLQDQ\RUGHU
5HSHDWHGO\SXVKLQJWKH0'EXWWRQRSHQVWKHPHQXVVWHSE\VWHS
2QO\VHWWLQJVFRQILUPHGE\ILQDOO\SXVKLQJWKH672NH\DUHSHUPDQHQWO\
VWRUHGDQGHIIHFWLYH
:KHQSXVKLQJWKH672EXWWRQWKHXSSHUVHJPHQWRIWKH2QERDUGVXSSO\
LQGLFDWRUZLOOOLJKWXSWRFRQILUPVWRULQJYLVXDOO\
$GMXVWLQJWKHDXWRPDWLFVTXHOFKWKUHVKROG
7KHGLVSOD\VKRZVLQWKHXSSHUOLQHDOWHUQDWHO\ª6(7©DQG
ª648(/©LQWKHORZHUOLQHª/2©ª0('©ª0('©RUª+,©
$GMXVWE\URWDWLQJWKH)&+NQREWKHVTXHOFKWKUHVKROGDVUHTXLUHG
7KHORZHUOLQHVKRZV
/2 FD9G%P6WDQGDUGVHWWLQJ
0(' FD9G%P
0(' FD9G%P
+, FD9G%PWKLVVHWWLQJH[FHHGVWKHUHTXLUHG
PLQLPXPVHQVLWLYLW\DGMXVWRQO\IRUWHVWSXUSRVHVDW
YHU\VWURQJLQWHUIHUHQFHOHYHOV
&RQILUP\RXUDGMXVWPHQWE\SXVKLQJWKH672EXWWRQ
,I\RXZDQWWRFDUU\RQZLWKWKH6(783SURFHGXUHSXVKRQFHRU
UHSHDWHGO\WKH0'EXWWRQWLOOWKHGHVLUHGPHQXDSSHDUV
$GMXVWLQJWKHPLFURSKRQHVHQVLWLYLW\'\QDPLFRUDPSOLILHGFDUERQPLFURSKRQHV
,03257$17
7KLVDGMXVWPHQWLVLPSRUWDQWSDUWLFXODUO\ZKHQ)6*;LVXVHGLQQRLV\
HQYLURQPHQWOLNHWXUERSURSDLUSODQHVRUYHKLFOHV
7XUQ\RXUUDGLR2))212))92/NQREIXOO\FFZ
7KH)6*;VKRXOGEHWXUQHG21RQO\DIWHUHQJLQHVWDUWXS
6HOHFWDIUHHIUHTXHQF\FKDQQHOQDPHQRFRPPXQLFDWLRQDXGLEOH7KHQ
FDOOWKH6(783SURFHGXUH
'XULQJWKLVDGMXVWPHQWWKHWUDQVPLWWHULVNH\HG&DUU\RXWDGMXVWPHQW
TXLFNO\
8SWRWZRPLFURSKRQHVRIWKHVDPHW\SHPD\EHFRQQHFWHGSDUDOOHOWR
WKHPLFLQSXWG\QDPLFRUDPSOLILHGFDUERQW\SH
3DUDOOHORSHUDWHGPLFURSKRQHVPXVWKDYHWKHVDPHVSHFLILFDWLRQV
7KLVDGMXVWPHQWKDVWREHUHSHDWHGZKHQFKDQJLQJPLFURSKRQHVEUDQG
W\SHRUQXPEHU

)6*6\VWHP
6HWXS3URFHGXUH
3DJH 1RYHPEHU
7KHGLVSOD\VKRZVLQWKHXSSHUOLQHDOWHUQDWHO\ª6(7©DQG
ª0,&52©
21/<)25(1*,1(32:(5('$,53/$1(6$1'9(+,&/(6
5817+((1*,1(,1,'/(
3UHVVDQGKROGWKH377NH\7DONLQDORXGFOHDUYRLFHZLWKWKH
PLFURSKRQHRQHRUWZRLQFKHVIURP\RXUOLSV
:KLOHWDONLQJWKHPLFURSKRQHOHYHOLVPHDVXUHG%\WXUQLQJWKH)&+
NQREOHIWRUULJKWVHWWKHXSSHUGDVKOLQHWRWKUHHWRIRXUVHJPHQWV
WKHORZHUGDVKOLQHVKRZVRQO\LQIRUPDWLYHWKHDFWXDOUDQJH
5HOHDVHWKH377NH\DQGVWRSWDONLQJ
5817+((1*,1(,1&58,6,1*63(('
3UHVVDQGKROGWKH377NH\IRUDWOHDVWVHFRQGVGRQRWWDON
7KHXSSHUGDVKOLQHVKRXOGVKRZQRWPRUHWKDQRQHVHJPHQW
,IWKHGLVSOD\VKRZVPRUHWKDQRQHVHJPHQWWKHPLFLQSXWLVWRR
VHQVLWLYH5HSHDWDGMXVWPHQWZLWKOHVVVHQVLWLYLW\RQO\WZRWRWKUHH
VHJPHQWVYLVLEOHZKHQWDONLQJ
&RQILUP\RXUDGMXVWPHQWE\SXVKLQJWKH672EXWWRQ
,I\RXZDQWWRFDUU\RQZLWKWKH6(783SURFHGXUHSXVKRQFHRU
UHSHDWHGO\WKH0'EXWWRQWLOOWKHGHVLUHGPHQXDSSHDUV
$GMXVWLQJWKH,QWHUFRPYROXPH
,03257$17
,QWHUFRPLVRQO\SRVVLEOHYLDKHDGVHWVPLFURSKRQHVDQGKHDGSKRQHV
7KHUDGLRPXVWEHZLUHGZLWKDQ,QWHUFRPKDUQHVV,&VZLWFKDQGWZR
KHDGVHWVFRQQHFWHG
7KHGLVSOD\VKRZVLQWKHXSSHUOLQHDOWHUQDWHO\ª6(7©DQG
ª,17&2©
(QDEOH,QWHUFRPE\VZLWFKLQJ21WKH,QWHUFRPVZLWFK
7DONLQDORXGFOHDUYRLFHZLWKRQHRIWKHPLFURSKRQHVRQHRUWZR
LQFKHVIURP\RXUOLSV
'212735(667+(377.(<
:KLOHWDONLQJDGMXVWZLWKWKH)&+NQREDFRQYHQLHQWKHDGSKRQH
YROXPH7KHVHJPHQWVVKRZWKHDFWXDOUDQJH,IPRUHWKDQIRXU
VHJPHQWVDUHVKRZQRYHUPRGXODWLRQRFFXUV
&RQILUP\RXUDGMXVWPHQWE\SXVKLQJWKH672EXWWRQ
,I\RXZDQWWRFDUU\RQZLWKWKH6(783SURFHGXUHSXVKRQFHRU
UHSHDWHGO\WKH0'EXWWRQWLOOWKHGHVLUHGPHQXDSSHDUV

)6*6\VWHP
6HWXS3URFHGXUH
1RYHPEHU 3DJH
$GMXVWLQJWKH6LGHWRQHYROXPH
,03257$17
6LGHWRQHDXGLEOHGXULQJWUDQVPLWLVRQO\SRVVLEOHYLDKHDGSKRQHVLI
DSSOLFDEOHVHWPD[LPXPYROXPHDWWKHKHDGVHW
'XULQJWKLVDGMXVWPHQWWKHWUDQVPLWWHULVDFWLYH&DUU\RXWDGMXVWPHQW
TXLFNO\
7KHPLFURSKRQHVVHQVLWLYLW\KDVWREHDGMXVWHGSURSHUO\UHIHUWR
VHFWLRQ
7KHGLVSOD\VKRZVLQWKHXSSHUOLQHDOWHUQDWHO\ª6(7©DQGª6,'(©
3UHVVDQGKROG377NH\7DONLQDORXGFOHDUYRLFHZLWKWKH
PLFURSKRQHRQHRUWZRLQFKHVIURP\RXUOLSV
:KLOHWDONLQJDGMXVWZLWKWKH)&+NQREDFRQYHQLHQWKHDGSKRQH
YROXPH7KHVHJPHQWVVKRZWKHDFWXDOUDQJH,IPRUHWKDQIRXU
VHJPHQWVDUHVKRZQRYHUPRGXODWLRQRFFXUV
5HOHDVH377NH\
&RQILUP\RXUDGMXVWPHQWE\SXVKLQJWKH672EXWWRQ
,I\RXZDQWWRFDUU\RQZLWKWKH6(783SURFHGXUHSXVKRQFHRU
UHSHDWHGO\WKH0'EXWWRQWLOOWKHGHVLUHGPHQXDSSHDUV
$GMXVWLQJWKHKHDGVHWYROXPH
,03257$17
5HFHLYLQJLVSRVVLEOHYLDEXLOWLQORXGVSHDNHUDQGKHDGSKRQH
)LUVWVHWZLWKWKH212))92/NQREORXGVSHDNHUYROXPHWRDFRQYHQLHQW
OHYHOWKHQDGMXVWZLWKWKHVHWXSSURFHGXUHDVXLWDEOHKHDGSKRQH
YROXPH
7KHGLVSOD\VKRZVLQWKHXSSHUOLQHDOWHUQDWHO\ª6(7©DQG
ª3+21(©
:LWKWKHVSHDNHUQRLVHRUFRPPXQLFDWLRQLVDXGLEOH
:LWKWKH212))92/NQREVHWVSHDNHURXWSXWWRDFRQYHQLHQWOHYHO
OHDYH212))92/NQREDVLWLV
3XWRQKHDGSKRQH
%\URWDWLQJWKH)&+NQREDGMXVWKHDGSKRQHOHYHOWRDVXLWDEOH
YROXPH7KHGDVKHVVKRZWKHUDQJH
,IWKHDGMXVWPHQWUDQJHLVQRWVXIILFLHQWLQFUHDVHRUGHFUHDVHZLWK
WKH212))92/NQRE
&RQILUP\RXUDGMXVWPHQWE\SXVKLQJWKH672EXWWRQ
,I\RXZDQWWRFDUU\RQZLWKWKH6(783SURFHGXUHSXVKRQFHRU
UHSHDWHGO\WKH0'EXWWRQWLOOWKHGHVLUHGPHQXDSSHDUV

)6*6\VWHP
6HWXS3URFHGXUH
3DJH 1RYHPEHU
6HOHFWLQJN+]RQO\RUFRPELQHGN+]FKDQQHOVSDFLQJ
,03257$17
6HOHFWLQJHLWKHUN+]RUN+]RQO\PD\EHQHFHVVDU\GXH
WR1DWLRQDO5HJXODWLRQV
7KHGLVSOD\VKRZVIODVKLQJLQWKHXSSHUOLQHª6(7©
LQWKHORZHUOLQHHLWKHUª©RUª©
%\URWDWLQJWKH)&+NQREVHOHFWWKHUHTXLUHGFKDQQHOVSDFLQJ
ª© N+]RQO\FKDQQHOVSDFLQJ
ª© FRPELQHGDQGN+]FKDQQHOVSDFLQJ
,03257$17
&RQILUPWKHQHZFKDQQHOVSDFLQJE\SXVKLQJWKH672EXWWRQ7KH
VHOHFWHGFKDQQHOVSDFLQJEHFRPHVDFWLYHDQGVLPXOWDQHRXVO\6(783
SURFHGXUHZLOODXWRPDWLFDOO\FORVHGGRZQ
7KHUDGLRUHWXUQVWRWKHODVWXVHGRSHUDWLQJPRGHDQGWKHVHWWLQJV
FRQILUPHGZLWKWKH672EXWWRQEHFDPHHIIHFWLYH
,I\RXZDQWWRFDUU\RQZLWKWKH6(783SURFHGXUHFDOODJDLQ6(783
3XVKRQFHRUUHSHDWHGO\WKH0'EXWWRQWLOOWKHUHTXLUHGPHQXDSSHDUV
'HOHWLQJRFFXSLHGFKDQQHOPHPRULHV
,03257$17
2QO\FKDQQHOPHPRU\QXPEHUVIURP¡FDQEHGHOHWHG&KDQQHO
PHPRULHVWRFDQRQO\EHRYHUZULWWHQ
2QDQRFFXSLHGFKDQQHOPHPRU\WKHFKDQQHOPHPRU\QXPEHULV
GLVSOD\HGLQWKHXSSHUOLQHWKHDVVRFLDWHGIUHTXHQF\FKDQQHOQDPHLQ
WKHORZHUOLQH
2QDIUHHFKDQQHOPHPRU\WKHFKDQQHOPHPRU\QXPEHULVGLVSOD\HGLQ
WKHXSSHUOLQHWKHORZHUOLQHVKRZVª)5((©
(;$03/(
7KHGLVSOD\VKRZVLQWKHXSSHUOLQHDOWHUQDWHO\ª&/5©DQG
ª&+©DQGLQWKHORZHUOLQHWKHDVVRFLDWHGIUHTXHQF\
(;$03/( &KDQQHOPHPRU\QXPEHUª©ZLWKWKHFKDQQHO
QDPHVKRXOGEHGHOHWHG
%\URWDWLQJWKH)&+NQREDGMXVWWKHFKDQQHOPHPRU\QXPEHUª©
DWWKHGLVSOD\
,IWKLVFKDQQHOPHPRU\VKRXOGUHDOO\EHGHOHWHGFRQILUPE\SXVKLQJ
WKH672EXWWRQ,QWKHORZHUOLQHWKHIUHTXHQF\FKDQQHOQDPH
GLVDSSHDUVLWDSSHDUVª)5((©
,IIXUWKHUPHPRU\FKDQQHOVVKRXOGEHGHOHWHGDGMXVWZLWKWKH)&+
NQREWKHFKDQQHOPHPRU\QXPEHUFRQFHUQHGDQGGHOHWHHDFKE\
SXVKLQJWKH672EXWWRQ
,I\RXZDQWWRFDUU\RQZLWKWKH6(783SURFHGXUHSXVKRQFHRU
UHSHDWHGO\WKH0'EXWWRQWLOOWKHGHVLUHGPHQXDSSHDUV

)6*6\VWHP
6HWXS3URFHGXUH
1RYHPEHU 3DJH
6HOHFWLQJ$)(;7(51$/YLD$&VSHDNHU212))
,03257$17
$OZD\VVZLWFK2))$)(;7(51$/ZKHQWKHUDGLR)6*;LV
EDWWHU\SRZHUHGLWVDYHVDSSUR[LPDWHO\P$PSV
7KHGLVSOD\VKRZVLQWKHXSSHUOLQHDOWHUQDWHO\ª6(7©DQG
ª$)(©LQWKHORZHUOLQHª©RUª©
$GMXVWE\URWDWLQJWKH)&+NQREWKHORZHUOLQHWR
$)(;7(51$/2))DXGLEOHRQO\YLDKHDGSKRQHV
$)(;7(51$/DXGLEOHYLDDLUFUDIWORXGVSHDNHU
&RQILUPWKHDGMXVWPHQWE\SXVKLQJWKH672EXWWRQLIUHTXLUHG
&DUU\RQZLWKWKH6(783SURFHGXUHE\SXVKLQJRQFHRU
UHSHDWHGO\WKH0'EXWWRQWLOOWKHGHVLUHVPHQXDSSHDUV
6HOHFWLQJ&+$11(/02'(21/<RU125(675,&7,21
,03257$17
)RUFHUWDLQDSSOLFDWLRQVXVXDOO\JURXQGRSHUDWLRQRQO\IUHHVHOHFWLRQRI
DOOIUHTXHQFLHVE\WKHRSHUDWRUPD\EHUHVWULFWHG7KHQWUDQVPLWWLQJDQG
UHFHLYLQJLVRQO\SRVVLEOHLQWKH&+$11(/02'(SUHSURJUDPPHG
EHIRUHE\DXWKRUL]HGSHUVRQQHO
7KHGLVSOD\VKRZVLQWKHXSSHUOLQHDOWHUQDWHO\ª6(7©DQGª)5(4©
LQWKHORZHUOLQHª©RUª©
$GMXVWE\URWDWLQJWKH)&+NQREORZHUOLQHWRRU
6WDQGDUGRSHUDWLRQIUHHIUHTXHQF\VHOHFWLRQQRUHVWULFWLRQ
&+$11(/02'(RQO\QRRWKHUIUHTXHQFLHVFKDQQHO
QDPHVDGMXVWDEOHE\RSHUDWRU
&RQILUP\RXUDGMXVWPHQWE\SXVKLQJWKH672EXWWRQ
&DUU\RQZLWKWKH6(783SURFHGXUHE\SXVKLQJRQFHRU
UHSHDWHGO\WKH0'EXWWRQWLOOWKHGHVLUHGPHQXDSSHDUV
6HOHFWLQJ75$160,77(5%/2&.,1*GXULQJUHFHLYH212))
,03257$17
:KHQHYHU7UDQVPLWWHU%ORFNLQJLV21DQGVTXHOFKLV21WUDQVPLWWLQJLV
GLVDEOHGDVORQJDVWKHIUHTXHQF\FKDQQHOQDPHLVEXV\FRPPXQLFDWLRQ
DXGLEOH'XULQJWKDWQR6LGHWRQHLVDXGLEOHHYHQLI377LVSUHVVHGDQG
RQHLVWDONLQJLQWRWKHPLFURSKRQH
:KHQHYHUWKHVTXHOFKLV2))7UDQVPLWWHU%ORFNLQJLV2))DQG
WUDQVPLWWLQJLVSRVVLEOHHYHQRQDEXV\FKDQQHO
7KHGLVSOD\VKRZVLQWKHXSSHUOLQHDOWHUQDWHO\ª6(7©DQGª%/2&©
LQWKHORZHUOLQHª©RUª©
$GMXVWE\URWDWLQJWKH)&+NQREWKHORZHUOLQHWRª©RUª©
7UDQVPLWWHU%ORFNLQJLV2))7UDQVPLWWLQJLVDOZD\V
SRVVLEOHHYHQRQDEXV\FKDQQHO
7UDQVPLWWHU%ORFNLQJLV21:LWKVTXHOFK21WUDQVPLWWLQJLV
RQO\SRVVLEOHRQDIUHHFKDQQHO
&RQILUP\RXUDGMXVWPHQWE\SXVKLQJWKH672EXWWRQ
&DUU\RQZLWKWKH6(783SURFHGXUHE\SXVKLQJRQFHRU
UHSHDWHGO\WKH0'EXWWRQWLOOWKHGHVLUHGPHQXDSSHDUV

)6*6\VWHP
6HWXS3URFHGXUH
3DJH 1RYHPEHU
6HUYLFH212))
,03257$17
)RUDSSURYHG$YLRQLFV6KRSVRQO\
7KHGLVSOD\VKRZVLQWKHXSSHUOLQHDOWHUQDWHO\ª6(7©DQGª6(59©
LQWKHORZHUOLQHª©
67$1'$5'02'(6HUYLFH2))
,IUHTXLUHGFRQILUPDGMXVWPHQWE\SXVKLQJWKH672EXWWRQ
&DUU\RQZLWKWKH6(783SURFHGXUHE\SXVKLQJWKH0'EXWWRQ
2SWLRQDOPRGXOH212))
,03257$17
1RWDSSOLFDEOHZLWKWKLVUDGLR
7KHGLVSOD\VKRZVLQWKHXSSHUOLQHDOWHUQDWHO\ª6(7©DQGª237,©
LQWKHORZHUOLQHª©
67$1'$5'02'(2SWLRQDOPRGXOH2))
&DUU\RQZLWKWKH6(783SURFHGXUHE\SXVKLQJWKH0'EXWWRQ
(QWHULQJDSDVVZRUG
,03257$17
:KHQWKH6(783RI\RXUUDGLRLVSURWHFWHGE\DSDVVZRUGLWFDQQRWEH
FKDQJHGE\DQ\XQDXWKRUL]HGSHUVRQVZLWKRXWNQRZOHGJHRIWKH
SDVVZRUG
<RXUSDVVZRUGFRQVLVWVRIILYHGLJLWV
7KHGLVSOD\VKRZVLQWKHXSSHUOLQHDOWHUQDWHO\ª6(7©DQGª3$66©
LQWKHORZHUOLQHª©
,I\RXGRQWZDQWWRHQWHUDSDVVZRUGDQG\RXU6(783SURFHGXUHLV
ILQLVKHGOHDYHWKH6(783PHQXE\SXVKLQJWKH75$16)(5Ù
EXWWRQRUWXUQ2))WKHUDGLR212))92/NQRE
,I\RXZDQWWRHQWHUDSDVVZRUGSURFHHGDVIROORZV
5RWDWHWKH)&+NQRE$GMXVWWKHILUVWGLJLW¡&RQILUPWKH
ILUVWGLJLWE\SXVKLQJWKH)&+NQRE
$GMXVWWKHVHFRQGGLJLWRI\RXUSDVVZRUGE\URWDWLQJWKH)&+
NQRE&RQILUPDJDLQE\SXVKLQJWKH)&+NQRE
7KHWKLUGGLJLWLVUHDG\QRZ&RQWLQXHDVGHVFULEHGDERYHIRUWKH
WKLUGIRXUWKDQGILIWKGLJLW
0DNHVXUHWKHFRPSOHWHSDVVZRUGFRUUHVSRQGVWR\RXULGHD
&RQILUPWKHSDVVZRUGE\SXVKLQJWKH672EXWWRQ
)URPQRZRQDQHZ6(783PD\EHFDOOHGRQO\DIWHUHQWHULQJ
WKHSDVVZRUGILUVW

)6*6\VWHP
6HWXS3URFHGXUH
1RYHPEHU 3DJH
5HVHW
&$87,21
(YHU\5(6(7WRWKHIDFWRU\VHWWLQJ
GHOHWHVDOO\RXUSUHVHWPHPRU\FKDQQHOVWRLQERWK
µN+]¶DQGµN+]RQO\¶0RGH0HPRU\FKDQQHOV
JHWSURJUDPPHGZLWKRUUHVSHFWLYHO\
GHOHWHV\RXUSDVVZRUG
GHOHWHDOO\RXULQGLYLGXDO6(783DGMXVWPHQWV
7RUHVHWDOODGMXVWPHQWVSURFHHGDVIROORZV
7XUQ2))WKHUDGLR212))92/NQREIXOO\FFZ
386+$1'+2/'VLPXOWDQHRXVO\WKHEXWWRQV0'672DQG64WKHQWXUQ21
WKHUDGLRURWDWH212))92/NQREFORFNZLVHDSSUR[LPDWHO\PLGSRVLWLRQ
$OOVHJPHQWVRIWKHGLVSOD\DSSHDUIRUDVKRUWPRPHQWWKHQWKHGLVSOD\JHWVEODQN
5HOHDVHWKHEXWWRQV
$IWHUUHOHDVLQJWKHWKUHHEXWWRQVWKHGLVSOD\VKRZVLQWKHXSSHUOLQH
DOWHUQDWHO\ª6(7©DQGª5(6(7©LQWKHORZHUOLQHª©
,IWKHUHLVQRDFWLYLW\IRUVHFRQGVWKHUDGLRZLOOUHWXUQWRWKHPRGH
XVHGEHIRUH
:LWKWKH)&+NQREVHWORZHUOLQHWR
&RQILUP5(6(7E\SXVKLQJWKH672EXWWRQ
7KHXSSHUVHJPHQWRIWKH2QERDUG6XSSO\,QGLFDWRUZLOOOLJKWXS
PRPHQWDULO\
7KH9+)UDGLR)6*;LVQRZRSHUDEOHLQWKHIDFWRU\VHWWLQJ

)6*6\VWHP
6HWXS3URFHGXUH
3DJH 1RYHPEHU
7+,63$*(
,17(17,21$//<
/()7%/$1.

)6*6\VWHP
2SHUDWLQJ,QVWUXFWLRQ
1RYHPEHU 3DJH
6(&7,2123(5$7,1*,16758&7,21
,QWURGXFWLRQ
7KLVVHFWLRQFRQWDLQEDVLFRSHUDWLQJSURFHGXUHVIRUWKH)6*;WUDQVFHLYHUV7KLV
LQVWUXFWLRQLVRQO\DSSOLFDEOHIRUDUDGLRZKLFKLV
FRUUHFWO\LQVWDOOHGDQGZLUHGE\DFHUWLILHGDYLRQLFVVKRS
FKHFNHGWRJHWKHUZLWKWKHDFV\VWHPDQG
RSWLPL]HGE\WKHVHWXSSURFHGXUHUHIHUWR6HFWLRQ6(783352&('85(
:$51,1*
'212723(5$7(7+,65$',2,1$1(;3/26,9($70263+(5(
3(752/(80)8(/662/9(176'867(7&
7XUQLQJ216HOHFWLQJ)UHTXHQF\&KDQQHO1DPH9ROXPH
&$87,21
7KH)6*;VKRXOGEHWXUQHGRQDIWHUHQJLQHVWDUWXS7KLVLVD
VLPSOHSUHFDXWLRQZKLFKKHOSVWRSURWHFWWKHVROLGVWDWHFLUFXLWU\
DQGH[WHQGVWKHRSHUDWLQJOLIHRI\RXUDYLRQLFVHTXLSPHQW
127,&(ª)UHTXHQF\©DQGª&KDQQHO1DPH©DUH,&$2WHUPV
7XUQWKHUDGLR)6*;21E\URWDWLQJWKH212))92/NQREFORFNZLVH0RPHQWDULO\DOO
VHJPHQWVRIWKHGLVSOD\DUHYLVLEOH/DVWXVHGRSHUDWLQJPRGHDQGIUHTXHQF\DUH
GLVSOD\HG
$ZDUPXSSHULRGIRUWKHWUDQVPLWWHULVQRWUHTXLUHG+RZHYHUDWWHPSHUDWXUHVRI
&)WKH/&GLVSOD\QHHGVDSSUR[LPDWHO\RQHVHFRQGXQWLOLWLVIXOO\YLVLEOHZKHQ
WKHIUHTXHQF\RURSHUDWLQJPRGHLVFKDQJHG
7RFKDQJHWKHRSHUDWLQJPRGHDQGWKHUHIRUHWKHGLVSOD\3XVKRQFHRUWZLFHWKH
0'EXWWRQ
6HOHFWLQJWKHDSSURSULDWHDFWLYHIUHTXHQF\FKDQQHOQDPHGHSHQGVRQRSHUDWLQJPRGH
(;$03/( 67$1'$5'86(67%<6WDQGE\0RGH
$WWKHORZHUOLQHVHOHFWDSSURSULDWHN+]SRUWLRQE\URWDWLQJ)&+NQRE$
FORFNZLVHURWDWLRQZLOOLQFUHPHQWWKHSUHYLRXVIUHTXHQF\ZKLOHDFRXQWHU
FORFNZLVHURWDWLRQZLOOGHFUHPHQWWKHSUHYLRXVIUHTXHQF\ZLWKUROORYHUDW
HDFKEDQGHGJH
3XVK)&+NQREWKLVFKDQJHVWKHDFFHVVWR0+]
$WWKHORZHUOLQHVHOHFWDSSURSULDWH0+]SRUWLRQE\URWDWLQJ)&+NQRE
$FORFNZLVHURWDWLRQZLOOLQFUHPHQWWKHSUHYLRXVIUHTXHQF\ZKLOHD
FRXQWHUFORFNZLVHURWDWLRQZLOOGHFUHPHQWWKHSUHYLRXVIUHTXHQF\ZLWK
UROORYHUDWHDFKEDQGHGJH
3XVKWKH7UDQVIHU%XWWRQÙ
7KHODVWVWDQGE\IUHTXHQF\FKDQQHOQDPHORZHUOLQHZLOOEHFRPHWKH
QHZDFWLYHIUHTXHQF\FKDQQHOQDPHXSSHUOLQHDQGWKHODVWDFWLYH
IUHTXHQF\FKDQQHOQDPHZLOOEHFRPHWKHQHZ67%<IUHTXHQF\FKDQQHO
QDPHORZHUOLQH

)6*6\VWHP
2SHUDWLQJ,QVWUXFWLRQ
3DJH 1RYHPEHU
(;$03/( &KDQQHO0RGH
,PSRUWDQW 7KHDSSURSULDWHRSHUDWLQJIUHTXHQF\PXVWEHVWRUHG
DOUHDG\LQDPHPRU\FKDQQHOUHIHUWR6725,1*$1(:
)5(48(1&<&+$11(/1$0(
6HOHFWDSSURSULDWHFKDQQHOPHPRU\QXPEHUWRJHWKHUZLWKWKH
DVVRFLDWHGIUHTXHQF\FKDQQHOQDPHE\URWDWLQJWKH)&+NQRE
(;$03/( 'LUHFWWXQH0RGH
6HOHFWDSSURSULDWHN+]SRUWLRQE\URWDWLQJ)&+NQRE$FORFNZLVH
URWDWLRQZLOOLQFUHPHQWWKHSUHYLRXVIUHTXHQF\ZKLOHDFRXQWHUFORFNZLVH
URWDWLRQZLOOGHFUHPHQWWKHSUHYLRXVIUHTXHQF\ZLWKUROORYHUDWHDFKEDQG
HGJH
3XVK)&+NQREWKLVFKDQJHVWKHDFFHVVWR0+]
6HOHFWDSSURSULDWH0+]SRUWLRQE\URWDWLQJ)&+NQRE$FORFNZLVH
URWDWLRQZLOOLQFUHPHQWWKHSUHYLRXVIUHTXHQF\ZKLOHDFRXQWHUFORFNZLVH
URWDWLRQZLOOGHFUHPHQWWKHSUHYLRXVIUHTXHQF\ZLWKUROORYHUDWHDFKEDQG
HGJH
7KHVHWWLQJLVWKHQHZDFWLYHIUHTXHQF\FKDQQHOQDPH
5RWDWH212))92/NQREFORFNZLVHDERXWKDOIZD\
&RQWLQXHZLWKHLWKHU5HFHLYHRU7UDQVPLW2SHUDWLRQ
5HFHLYH/LVWHQ2SHUDWLRQ
$IWHUWXUQLQJ21WKHUDGLRWKHDXWRPDWLFVTXHOFKLVDOZD\V21
,IWKHRSHUDWLQJPRGHVKDOOEHFKDQJHG3XVKRQFHRUWZLFHWKH0'EXWWRQ
,IWKHDFWLYHIUHTXHQF\VKDOOEHFKDQJHGUHIHUWR6:,7&+,1*216(/(&7,1*
)5(48(1&<&+$11(/1$0(92/80(
'2127SUHVVWKH3773XVK7R7DONNH\LI\RXZDQWWRUHFHLYH7UDQVPLW,QGLFDWRU
DWWKHGLVSOD\PXVWQRWDSSHDU
1RUPDOVLJQDOVDUHUHFHLYHGZHDNVLJQDOVDQGLQWHUIHULQJSXOVHVDUHGLVDEOHG6HW
WKHYROXPHRIWKHDFORXGVSHDNHURUKHDGSKRQHWRDFRPIRUWDEOHOHYHOE\URWDWLQJ
212))92/NQRELQVWHSV
:HDNVLJQDOVFDQEHUHFHLYHGLIWKHVTXHOFKFLUFXLWLVVZLWFKHG2))E\SXVKLQJWKH
64EXWWRQ7KHQW\SLFDO5;QRLVHLVKHDUGGXULQJFRPPXQLFDWLRQEUHDNV
3XVKLQJWKH64EXWWRQDJDLQVZLWFKHVWKHVTXHOFKFLUFXLW21DJDLQ
,03257$17
6ZLWFKLQJ2))WKHVTXHOFKRQO\PDNHVVHQVHLIORQJUDQJH
UHFHSWLRQVKDOOWDNHSODFH7KXVWKHUDGLRLVQRLV\GXULQJ6WDQGE\
RSHUDWLRQEXWQRZHDNVLJQDOVDUHVXSSUHVVHGDQGWKHIXOO
UHFHLYLQJUDQJHLVDYDLODEOH
1RWLFHLQFUHDVHGFXUUHQWFRQVXPSWLRQ

)6*6\VWHP
2SHUDWLQJ,QVWUXFWLRQ
1RYHPEHU 3DJH
7UDQVPLW7DON2SHUDWLRQ
,03257$17
3OHDVHNHHSUDGLRGLVFLSOLQH
7UDQVPLWRQO\RQDFOHDUFKDQQHO
6LQFH7UDQVPLW%ORFNLQJLVQRUPDOO\DFWLYDWHGUHIHUWR6HW8S
WUDQVPLWWLQJLVQRWSRVVLEOHRQDEXV\FKDQQHO
&DUHIRUDQDOOURXQGREVWDFOHIUHHDQWHQQDORFDWLRQWKHFDOOHG
VWDWLRQVKRXOGEHZLWKLQOLQHRIVLJKWGLVWDQFH
1HYHUSODFHWKHUDGLRVXFKDVWKHDQWHQQDJHWVYHU\FORVHWRRU
WRXFKLQJH[SRVHGSDUWVRIWKHERG\HVSHFLDOO\WKHIDFHVKRXOGHU
RUWKHH\HV
7KHUDGLRLVHTXLSSHGZLWKDWUDQVPLWWLPHRXWWLPHUPLQXWHV
7KLVLVXVHGWROLPLWWKHGXUDWLRQRIFDOOVDQGWRJXDUGDJDLQVW
DFFLGHQWDO377ORFNLQJ
,IWKHGLVSOD\PRGHVKDOOEHFKDQJHG3XVKRQFHRUWZLFHWKH0'EXWWRQ
,IWKH86(IUHTXHQF\VKDOOEHFKDQJHGUHIHUWR6:,7&+,1*216(/(&7,1*
)5(48(1&<&+$11(/1$0(92/80(
7UDQVPLWWLQJLVQRUPDOO\RQO\SRVVLEOHRQDFOHDUFKDQQHOQRFRPPXQLFDWLRQ
DXGLEOH
,I\RXKDYHWRWUDQVPLWHJHPHUJHQF\FDVHDOWKRXJKWKHFKDQQHOLVEXV\WKH
7UDQVPLW%ORFNLQJFLUFXLWPD\EHWXUQHG2))E\SXVKLQJWKH64EXWWRQ
3UHVVDQGKROGWKH3773XVK7R7DONNH\7DONLQDORXGFOHDUYRLFHZLWKWKH
PLFURSKRQHRSHQLQJWRFPIURP\RXUOLSV0DNHHDFKWUDQVPLVVLRQDV
EULHIDVSRVVLEOH$VORQJDVWKH377NH\LVSUHVVHGWKH7UDQVPLW,QGLFDWRUDWWKH
GLVSOD\DSSHDUV
5HOHDVHWKH377NH\WRHQGWUDQVPLVVLRQDQGWRFOHDUWKHFKDQQHOIRUUHFHSWLRQWKH
7UDQVPLW,QGLFDWRUPXVWGLVDSSHDU6ZLWFK6TXHOFK21DJDLQLIQHFHVVDU\
7KHUDGLRLVHTXLSSHGZLWKDWUDQVPLW727WLPHRXWWLPHU7KLVLVXVHGWROLPLWWKH
GXUDWLRQRIWUDQVPLVVLRQVWRPLQXWHV:KHQWKHWUDQVPLWWHULVNH\HGFRQWLQXRXVO\
ORQJHUWKDQPLQXWHVWKHGLVSOD\RIWKH)6*;VWDUWVIODVKLQJDQGWUDQVPLVVLRQLV
GLVDEOHG
,I\RXKDYHWRPDNHFDOOVORQJHUWKDQPLQXWHVPRPHQWDULO\UHOHDVHWKH377NH\DQG
SUHVVDJDLQ
6KRXOGWKH727GLVDEOHWKHWUDQVPLWWHUDFFLGHQWDOO\HJVWXFN377NH\DQG\RX
KDYHWRWUDQVPLWWXUQUDGLR2))DQG21DJDLQ7KLVDOORZVDQRWKHUPLQXWHVWR
WUDQVPLW

)6*6\VWHP
2SHUDWLQJ,QVWUXFWLRQ
3DJH 1RYHPEHU
6WRULQJDQHZ)UHTXHQF\&KDQQHO1DPH
,QHDFKDFWLYHRSHUDWLQJPRGHN+]PRGHRUN+]RQO\PRGHXSWRQRQ
YRODWLOHFKDQQHOPHPRULHVFDQEHXVHUSURJUDPPHG&KDQQHOPHPRULHVRIWKHQRQ
DFWLYHPRGHUHPDLQVWRUHGLQWKHEDFNJURXQG7KH\DUHDFFHVVLEOHDIWHUFDOOLQJXSWKH
UHVSHFWLYHPRGH
,03257$17
)UHHVHOHFWLRQRIIUHTXHQFLHVDQGQHZVWRULQJPD\EHGLVDEOHGGXHWR
6HW8SDGMXVWPHQWUHIHUWR6HFWLRQ
&KDQQHOPHPRULHVWRDUHDOZD\VSUHVHWDQGPD\EHXVHGZKHQ
FDOOHG7KH\FDQRQO\EHFKDQJHGEXWQRWGHOHWHG([ZRUNVDQGDIWHU
0DVWHU5HVHWFKDQQHOPHPRULHVWRDUHSUHVHWZLWKHLWKHU
0+]RU0+]
6WRULQJFDQEHLQLWLDOL]HGLQDOOWKUHHGLVSOD\PRGHV
7KH86(IUHTXHQF\FKDQQHOQDPHLQWKHXSSHUOLQHRIWKHGLVSOD\
FDQEHVWRUHGWRDQ\RIWKHFKDQQHOPHPRULHV
6HWWKHIUHTXHQF\RUFKDQQHOQDPHWREHVWRUHGLQWKHXSSHUOLQHDWWKHGLVSOD\
,QLWLDOL]HVWRULQJE\SXVKLQJWKH672EXWWRQ
7KHODVWXVHGFKDQQHOPHPRU\QXPEHUDSSHDUV&+IODVKHV
6HOHFWDSSURSULDWHFKDQQHOPHPRU\QXPEHUWRE\WXUQLQJWKH)&+NQRE2QD
IUHHPHPRU\FKDQQHODQ)DSSHDUVEHIRUH&+DQGWKHPHPRU\QXPEHU
7RHQWHUWKHQHZIUHTXHQF\FKDQQHOQDPHSXVKWKH672EXWWRQ7KH
IUHTXHQF\FKDQQHOQDPHZLOOEHVWRUHGXQGHUWKHVHOHFWHGFKDQQHOPHPRU\QXPEHU
$SUHYLRXVO\VWRUHGIUHTXHQF\FKDQQHOQDPHZLOOEHRYHUZULWWHQ
5HFDOORIVWRUHG)UHTXHQF\&KDQQHO1DPH
%\SXVKLQJRQFHRUWZLFHWKH0'EXWWRQVHOHFWWKH&+$11(/GLVSOD\PRGH
%\URWDWLQJWKH)&+NQREVHWDSSURSULDWHFKDQQHOPHPRU\QXPEHUZLWKLWVDVVRFLDWHG
IUHTXHQF\FKDQQHOQDPHDWWKHGLVSOD\2QO\FKDQQHOQXPEHUVWKDWKDYHEHHQ
SURJUDPPHGSUHYLRXVO\ZLOODSSHDU
6TXHOFK642SHUDWLRQ
'XULQJVWDQGE\QRUPDORSHUDWLRQQRVLJQDOUHFHLYHGWKHVTXHOFKLVDFWLYHWRGLVDEOH
FRQWLQXRXVUHFHLYHUQRLVHWRRZHDNVLJQDOVDUHQRWKHDUG7KHVTXHOFKOHYHOQRUPDOO\
DSSUR[9FDQEHDGMXVWHGLQWKH6(783PHQXE\WKUHVKROGVORZPHGPHG
KLJKWRPHHWEHVWRSHUDWLRQDOUHTXLUHPHQWV
6LJQDOVDERYHWKH64WKUHVKROGRSHQDXGLRDPSOLILHUVIRUVSHDNHUDQGSKRQHDXGLR
RXWSXW,IKRZHYHUYHU\ZHDNVLJQDOVEHORZWKH64WKUHVKROGDUHWREHKHDUGHJ
DLUFUDIWIDUIURPEDVHWKHQWKH64EXWWRQLVSXVKHGWRRSHQ647KLVSHUPLWVQRLVH
GXULQJSDXVHVEXWZHDNVLJQDOVDUHQRORQJHUVXSSUHVVHGDQGWKHIXOO5HFHLYHUUDQJH
LVDYDLODEOH
6421DOVRUHVXOWVLQVLJQLILFDQWO\ORZHUVWDQGE\FXUUHQWFRQVXPSWLRQDQGH[WHQGV
EDWWHU\VXSSOLHGRSHUDWLQJWLPH
'8$/)81&7,21ZKLOHWKH64LVGLVDEOHGDOORZVWKDW7UDQVPLWLVSRVVLEOHHYHQGXULQJ
VLPXOWDQHRXVUHFHLYLQJRQWKLVFKDQQHOLQRUGHUWRHQDEOHWUDQVPLWZKHQHYHUQHFHVVDU\
1RUPDOO\LQ6(783WKH%/2&IXQFWLRQLVDFWLYDWHGVHWWRWRSUHYHQWRYHUFURZGHG
FKDQQHOVFDXVHGE\VLPXOWDQHRXVWUDQVPLVVLRQV

)6*6\VWHP
2SHUDWLQJ,QVWUXFWLRQ
1RYHPEHU 3DJH
,QWHUFRP
,03257$17
7RDFKLHYHEHVWFDELQQRLVHVXSSUHVVLRQHVSHFLDOO\GXULQJVSHHFK
SDXVHVRSWLPL]HGPLFURSKRQHVHQVLWLYLW\DGMXVWPHQWPXVWEHSHUIRUPHG
GXULQJ6(7833URFHGXUH
,QWHUFRPKHDGVHWDXGLRYROXPHPD\EHDGMXVWHGWKURXJK6(783
6ZLWFK21,QWHUFRP7KLVDFWLYDWHVVLPXOWDQHRXVO\WKHPLFURSKRQHVZKLOHWKH
VSHDNHULVGLVDEOHG
'XULQJ5HFHLYHWKURXJKDFRXVWLFDFFHVVRULHVKHDGSKRQHVZLWKPLFURSKRQHVWKH
)6*;DOORZVLQWHUFRPPXQLFDWLRQVEHWZHHQSLORWVDQGRURWKHUFUHZPHPEHUV
$OZD\VVSHDNORXGDQGFOHDUZKLOHWKHPLFURSKRQHRSHQLQJLVORFDWHGFORVHWRWKH
OLSV
%\SUHVVLQJWKH377NH\WKHUDGLRVZLWFKHVWRWUDQVPLWZLWKRXWVZLWFKLQJ2II
,QWHUFRP7KHWUXHDFWLYH6LGHWRQHLVKHDUGGXULQJWUDQVPLW7KLVDOORZVDOO
LQWHUFRPSDUWLHVWRPRQLWRUDOVRDFWXDOFRFNSLWUDGLRFRPPXQLFDWLRQ
5HOHDVLQJWKH377NH\WXUQVWKHUDGLRLQWR,QWHUFRPPRGHDJDLQ
,QDGGLWLRQERWK5HFHLYHDVZHOODV([WHUQDO$XGLRLVDXGLEOHZKLOH,QWHUFRPLV21
'XULQJ5HFHLYHDOORWKHUDXGLRLQSXWVDUHUHGXFHGLQYROXPH7KLVDOORZVVDIHU
OLVWHQLQJWRWKHUDGLRVLJQDO
$XGLRYROXPHRIH[WHUQDODXGLRVLJQDOVDUHDGMXVWHGRQO\RQWKHH[WHUQDOXQLWV
$)([WHUQDO
,Q6WDQGE\DQG5HFHLYHPRGHRQO\WKURXJKWKH([WHUQDO$XGLR,QSXWWKHDXGLRVLJQDOV
RIDGGLWLRQDOXQLWVDQRWKHU&20925/RFDOL]HU0DUNHU$')HOHFWULFYDULRPHWHUHWF
DUHDXGLEOHVLPXOWDQHRXVO\
6XFKFRPSOH[LQWHUIDFLQJUHTXLUHVWKDWDXGLRYROXPHLVVHWGLUHFWO\RQHDFKXQLW
LQGLYLGXDOO\
7KH92/FRQWURORQWKH)6*;IURQWSDQHOLVQRWDIIHFWHGE\H[WHUQDODXGLRVRXUFHV
DQGYLFHYHUVD
7KH([WHUQDO$),QSXWLVGLVDEOHGGXULQJWUDQVPLW
/LJKWLQJ
'HSHQGLQJRQDLUFUDIWZLULQJOLJKWLQJWKHIUHTXHQF\GLVSOD\LVHLWKHUDFWLYDWHGE\WXUQLQJ
21WKHOLJKWLQJVZLWFKRUGLPPHURUE\WXUQLQJ21WKH)6*UDGLR
7XUQLQJ2))
7XUQ2))WKHUDGLRE\URWDWLQJWKH212))92/VZLWFKWRWKHIXOO\FFZSRVLWLRQWRSUHYHQW
XQQHFHVVDU\GLVFKDUJHRIWKH$&EDWWHU\

)6*6\VWHP
2SHUDWLQJ,QVWUXFWLRQ
3DJH 1RYHPEHU
&KHFNLQJWKH$&RQERDUGVXSSO\
7UDQVFHLYHUVRIWKH)6*6\VWHPLQFOXGHDQRQERDUGVXSSO\OHYHOGLVSOD\ZLWKDEDU
V\PERO$WGFOHYHOVEHORZ9WKRVHWKUHHEDUVVWDUWIODVKLQJDVDZDUQLQJ
5DGLRVXSSOLHGIURPD9EDWWHU\EXV
7KHIROORZLQJRSHUDWLQJWLPHVPD\EHREWDLQHGGHSHQGLQJRQEDWWHU\VFDSDFLW\DQG
WUDQVPLWWHUGXW\F\FOH
5HIHUHQFH DSSUR[LPDWHO\&)EDWWHU\
$KRQO\UDGLRLVVXSSOLHG
'XW\F\FOH 7UDQVPLW5HFHLYH67%<
)ODVKLQJV\PERORQO\GXULQJ7UDQVPLW FDKUVOHIW
)ODVKLQJV\PERODOVRGXULQJ5HFHLYH FDPLQOHIW5HFRPPHQGDWLRQ5HGXFH
XWPRVWWUDQVPLWWLQJ
6KRUWWLPHIODVKLQJV\PEROGXULQJ6WDQGE\
6421FOHDUFKDQQHO
FDPLQOHIW&HDVHWUDQVPLWWLQJ
&RQWLQXRXVIODVKLQJV\PEROGXULQJ
6WDQGE\6421FOHDUFKDQQHO
5DGLRZLOOVRRQVZLWFK2))LWVHOI
5HFKDUJHEDWWHU\DVVRRQDVSRVVLEOH
UHIHUWR6HFWLRQ(PHUJHQF\
2SHUDWLRQ
5HPDUN7KHVHWUDQVLWLRQVDUHIOXHQW5HFRYHU\HIIHFWDIWHUORDGUHGXFWLRQPD\EH
SRVVLEOH
5DGLRVXSSOLHGIURPD9GFJHQHUDWRUEXVDLUFUDIWRUYHKLFOH
)ODVKLQJV\PERO 8UJHQWO\FKHFNDLUFUDIWVRUYHKLFOHV
HOHFWULFDOV\VWHPJHQHUDWRUEDWWHU\
UHJXODWRUDQGRULQVWDOODWLRQ
5DGLRVXSSOLHGIURPD95HJXODWRU9GFDLUFUDIWRUYHKLFOHVXSSO\
)ODVKLQJV\PERO 8UJHQWO\FKHFN95HJXODWRU
DLUFUDIWVRUYHKLFOHVHOHFWULFDOV\VWHP
JHQHUDWRUEDWWHU\UHJXODWRUDQG
LQVWDOODWLRQ

)6*6\VWHP
2SHUDWLQJ,QVWUXFWLRQ
1RYHPEHU 3DJH
2SHUDWLQJWLPHVRID)6*:DWWYHUVLRQVXSSOLHGIURPD
9EDWWHU\RQO\
7KHIROORZLQJGXW\F\FOHRI7UDQVPLW7;5HFHLYH5;DQG6WDQGE\67%<UHVXOWVLQ
DYDLODEOHRSHUDWLQJWLPHKRXUV%RWKWKHZRUVWDQGWKHPRVWIDYRUDEOHRSHUDWLRQ
FRQGLWLRQVDUHFRQVLGHUHGHJPD[LPXPUHFHLYHUYROXPHFRPELQHGZLWKPD[LPXP
VSHDNHUORDGVSHDNHUV2KPVHDFK
+LJKHUFXUUHQWFRQVXPSWLRQZLOOGHJUDGHWKHQRPLQDOO\DYDLODEOHEDWWHU\FDSDELOLW\DV
ZHOODVORZHUWHPSHUDWXUHV7KHIROORZLQJWDEOHVVKRZVLJQLILFDQWWLPHGLIIHUHQFHV
GHSHQGLQJRQFXUUHQWFRQVXPSWLRQGXULQJ5HFHLYHDQGDWWHPSHUDWXUHV
3UHUHTXLVLWH0D[LPXP5;DXGLRYROXPH$)([WHUQDO21
0D[FXUUHQWGUDLQ
/HDG$FFXPXODWRU
9ROWV$K
7HPSHUDWXUH&) KUV KUV KUV KUV
7HPSHUDWXUH&) KUV KUV KUV KUV
7HPSHUDWXUH&) KUV KUV KUV KUV
3UHUHTXLVLWH0LQLPXP5;DXGLRYROXPH$)([WHUQDO2))SRZHUVDYLQJ
0D[FXUUHQWGUDLQ
/HDG$FFXPXODWRU
9ROWV$K
7HPSHUDWXUH&) KUV KUV KUV KUV
7HPSHUDWXUH&) KUV KUV KUV KUV
7HPSHUDWXUH&) KUV KUV KUV KUV
(PHUJHQF\2SHUDWLRQ
(YHQXQGHUORZHPHUJHQF\VXSSO\FRQGLWLRQVWKH)6*;FDQEHRSHUDWHGUHOLDEO\
IURPDVORZDV9ROWVVXSSO\7KLVKRZHYHUZLOOUHGXFHERWKWKH5)RXWSXWOHYHODQG
DXGLRRXWSXWSRZHU
%DWWHULHVPXVWEHUHFKDUJHGDIWHUGLVFKDUJH+RZHYHUWKH)6*;DXWRPDWLFVZLWFK
2))IHDWXUHDWWRRORZVXSSO\DYRLGVEDWWHU\GDPDJHHYHQLIWKHUDGLRLVVWRUHGLQ
VZLWFKHG21FRQGLWLRQ7KLVLVWUXHIRUDOOW\SHVRI9EDWWHULHV

)6*6\VWHP
2SHUDWLQJ,QVWUXFWLRQ
3DJH 1RYHPEHU
7+,63$*(
,17(17,21$//<
/()7%/$1.

)6*6\VWHP
$SSHQGL[$
1RYHPEHU 3DJH$
$33(1',;$7(&+1,&$/6800$5<
$ *HQHUDO
7\SH
)UHTXHQF\5DQJH
1XPEHURI&KDQQHOV
1XPEHURI&KDQQHO0HPRULHV
1RPLQDO6XSSO\9ROWDJH
1RPLQDO7;FDUULHURXWSXW
)6*$1)
0+]WR0+]ZLWKN+]VSDFLQJDQG
0+]WR0+]ZLWKN+]VSDFLQJ
N+]VSDFLQJ
N+]VSDFLQJ WRWDOO\&KDQQHOV
IRU&KDQQHOQDPHVZLWKN+]VSDFLQJ$GGLWLRQDO
FKDQQHOPHPRULHVIRUIUHTXHQFLHVZLWKN+]VSDFLQJ
9GF
:DWW
7\SH
)UHTXHQF\5DQJH
1XPEHURI&KDQQHOV
1XPEHURI&KDQQHO0HPRULHV
1RPLQDO6XSSO\9ROWDJH
1RPLQDO7;FDUULHURXWSXW
)6*+$1)
0+]WR0+]ZLWKN+]VSDFLQJDQG
0+]WR0+]ZLWKN+]VSDFLQJ
N+]VSDFLQJ
N+]VSDFLQJ WRWDOO\&KDQQHOV
IRU&KDQQHOQDPHVZLWKN+]VSDFLQJ$GGLWLRQDO
FKDQQHOPHPRULHVIRUIUHTXHQFLHVZLWKN+]VSDFLQJ
9GF
:DWW
6XSSO\9ROWDJH5DQJH 9GFFRQWLQXRXV
(PHUJHQF\2SHUDWLRQEHORZ9GF *RRGFRPPXQLFDWLRQIURP9GFRQ
$XWRPDWLF7XUQ2II $SSUR[«9GF6XSSO\
$XWRPDWLF7XUQ2QUHVHW $SSUR[«9GF6XSSO\
,QSXW&XUUHQWDW9GF
6WDQGE\3RZHU6DYLQJ0RGH
$GGLWLRQDOO\6TXHOFK,QWHUFRP$)([W
5HFHLYH0RGH$0YRLFH
7UDQVPLW0RGHFDUULHU$0YRLFH
'LVSOD\/LJKWLQJ
:DWWPRGHO
P$QRYROXPHQR$)([WHUQDOQR,QWHUFRP
DGGP$ZRXW$)YROXPHDGGP$ZLWKPD[YROXPH
$LQWR2KPVSHDNHU
$$
P$DGGLWLRQDOO\
,QSXW&XUUHQWDW9GF
6WDQGE\3RZHU6DYLQJ0RGH
$GGLWLRQDOO\6TXHOFK,QWHUFRP$)([W
5HFHLYH0RGH$0YRLFH
7UDQVPLW0RGHFDUULHU$0YRLFH
'LVSOD\/LJKWLQJ
:DWWPRGHO
P$QRYROXPHQR$)([WHUQDOQR,QWHUFRP
DGGP$ZRXW$)YROXPHDGGP$ZLWKPD[YROXPH
$PSLQWR2KPVSHDNHU
$$
P$DGGLWLRQDOO\
'&6XSSO\LQGLFDWRU VHJPHQWVYLVLEOH 9GF %DWWHU\IXOO
VHJPHQWVYLVLEOH 9GF %DWWHU\FDòFDSDFLW\
VHJPHQWYLVLEOH 9GF %DWWHU\QHDUO\
GLVFKDUJHG
IODVKLQJVHJPHQWV 9«9GF (PHUJHQF\RSHUDWLRQ

)6*6\VWHP
$SSHQGL[$
3DJH$ 1RYHPEHU
$ 'LPHQVLRQV:HLJKW)XVHV
)URQW3DQHO PPGLDóLQGLDILWVDVWDQGDUGSDQHORSHQLQJ
'HSWKEHKLQGSDQHO PPLQDOORZPPLQIRUSOXJVDQG
KDUQHVV
2YHUDOO'LPHQVLRQV :LGWK PPLQ+HLJKW PPLQ'HSWK
PPLQ
:HLJKW)6* NJOEZLWKRXWKDUQHVVDQGPDWLQJFRQQHFWRUV
([WHUQDO)XVH :PRGHO &DUWULGJHIXVH$PSTXLFNDFWLQJRU
DXWRPDWLFFLUFXLWEUHDNHU$PS
:PRGHO &DUWULGJHIXVH$PSTXLFNDFWLQJRU
DXWRPDWLFFLUFXLWEUHDNHU$PS
,QOLQH)XVHVZLWFKHGUHJXODWHG'&2XWSXW P$PSPHGLXPWLPHODJ
$ $SSURYDOV
$LUERUQH5DGLR5HJXODWRU\$XWKRULW\)RU
7HOHFRPPXQLFDWLRQVDQG3RVWV
³(&7\SH([DPLQDWLRQ&HUWLILFDWH´QR%-DQG
´7<3((;$0,1$7,21&(57,),&$7(´QR$-
$LUERUQH5DGLR5HJXODWRU\$XWKRULW\)RU
7HOHFRPPXQLFDWLRQVDQG3RVWVDQG/%$
5HJ73=9
(852&$(('%
5HFHLYHU &ODVV& N+]VSDFLQJ&/,0$;RSHUDWLRQ
DQG
5HFHLYHU &ODVV( N+]VSDFLQJ
7UDQVPLWWHU &ODVV 10ZLWKN+]VSDFLQJDQG
7UDQVPLWWHU &ODVV 10ZLWKN+]VSDFLQJ
(QYLURQPHQWDO5HTXLUHPHQWV(852&$(('&57&$
'2&
&DWHJRULHV'$$%01;;;;;;=%%%$7=;;;;
-762$XWKRUL]DWLRQ/%$DLUERUQH-762&HDQG-762&H
1R/%$2-762
6RIWZDUH (852&$(('%57&$'2%/HYHO'
*URXQG2SHUDWLRQ5HJXODWRU\$XWKRULW\
)RU7HOHFRPPXQLFDWLRQVDQG3RVWV
³(&7\SH([DPLQDWLRQ&HUWLILFDWH´QR%-DQG´
´7<3((;$0,1$7,21&(57,),&$7(´QR$-³
*URXQG2SHUDWLRQ')6 1R%
5HTXLUHPHQWVIRUJURXQGRSHUDWHG
UDGLRV
5HJ73=9
(76,(76N+]&+VSDFLQJJURXQG
RSHUDWLRQ
',1,6299HKLFOH3RZHU6\VWHP

)6*6\VWHP
$SSHQGL[$
1RYHPEHU 3DJH$
$ 5HFHLYHU&KDUDFWHULVWLFV
5HFHLYHU7\SH 'XDO6XSHUKHW
,))UHTXHQFLHV )LUVW,)0+]VHFRQG,)N+]KLJKLQMHFWLRQ
6HQVLWLYLW\P +] 9(0)G%PIRUG%611
6HOHFWLYLW\ 6,1$'GHFUHDVHGIURPG%WRG%
5HIHUHQFHOHYHOP +]IRUG%6,1$'
,QWHUIHUHQFHOHYHOP +]
G% IRU N+] N+]&+VSDFLQJ
G% IRU N+] N+]&+VSDFLQJ
G% IRU N+] N+]&+VSDFLQJ
G% IRU N+] N+]&+VSDFLQJ
G% IRU N+] N+]&+VSDFLQJ
6TXHOFK7\SH $XWRPDWLF)0$0DGMXVWDEOH6(783PDQXDORYHUULGH
$*&&KDUDFWHULVWLF G%9(0)G%P9(0)G%P
P +]
$*&'HOD\5; VHFP9(0)G%P¡9(0)G%P
P +]
$*&5HFRYHU\DIWHU7; VHFDW9(0)G%P DIWHU7;HQG
7UDQVIHUWLPH7;5; PVHF
0RGXODWLRQGLVWRUWLRQ$)3URFHVVRU2)) +]P
$XGLR)UHTXHQF\5HVSRQVH$))LGHOLW\ G%DQGG%+]N+]DQGN+]
&+VSDFLQJ
G%+]N+]&+VSDFLQJ&OLPD[2IIVHW
2SHUDWLRQ
$XGLR)UHTXHQF\$*& G%P «
1RPLQDO$)2XWSXW6SHDNHU :DWW RU:DWW DW9GF
:DWW DW9GF
1RPLQDO$)2XWSXW3KRQH P: DW9GF
P: DW9GF
$)1RLVH/HYHO G%P +]
9(0)G%PP9(0)G%P
$)([WHUQDO,QSXW 9ROWLQWR IRUUDWHG$)RXWSXW9GFVXSSO\
6SXULRXV5HVSRQVH P9(0)G%PP N+]IRU611
G%
D 0+]RIDQ\7HVW&KDQQHON+]DWRWKHU
WKDQWKHDVVLJQHGFKDQQHODQGWKHDGMDFHQWFKDQQHOV
E N+]±0+]H[FHSW0+]
&URVV0RGXODWLRQ$)3URFHVVRU2)) 0D[$)RXWSXWOHYHOG%EHORZQRPLQDO$)RXWSXW
OHYHO
D :DQWHGVLJQDO9(0)G%P9(0)
G%PXQPRGXODWHGDW5;IUHTXHQF\DGGLWLRQDO
E 8QZDQWHGVLJQDOP9(0)G%PP
+]IUHTXHQF\0+]IUHTXHQF\
5;FKDQQHOV
,QWHUPRGXODWLRQ$)3URFHVVRU2)) G%$)4XLHWLQJG%P±0+]
VLJQDOV

)6*6\VWHP
$SSHQGL[$
3DJH$ 1RYHPEHU
'HVHQVLWL]DWLRQ :DQWHGVLJQDO9(0)G%PP +]
DW5;IUHTXHQF\IRU611G%LQWKHSUHVHQFHRI
8QZDQWHGVLJQDO$P9(0)G%P
XQPRGXODWHGIUHTXHQF\0+]H[FHSWXVHG&+
EXWLQFOXGHV5;&+RU
8QZDQWHGVLJQDO%P9(0)G%PPLQLPXP
P9(0)G%PXQPRGXODWHGIUHTXHQF\N+]±
0+]H[FHSW0+]0+]RU
8QZDQWHGVLJQDO&P9(0)G%PXQPRGXODWHG
IUHTXHQF\0+]
5HFHLYHU6SXULRXV(PLVVLRQ S:G%PN+]0+]
&KDQQHO6HOHFWLRQ7LPH VHF$)OHYHOZLWKLQG%PD[&KDQQHOPHPRULHV
5HFHLYHU0XWLQJ6TXHOFK&/,0$; 6LPXOWDQHRXVLQSXWDW5;IUHTXHQF\
D :DQWHG6LJQDO$9(0)G%PN+]P
+]6TXHOFKLVRSHQ
E 8QZDQWHG6LJQDO%0RUHWKDQ9(0)G%P
P +]YDU\WKLVIUHTXHQF\VORZO\IURP
N+]WRN+]6TXHOFKPXVWUHPDLQRSHQ

)6*6\VWHP
$SSHQGL[$
1RYHPEHU 3DJH$
$ 7UDQVPLWWHU&KDUDFWHULVWLFV
)6*;1RPLQDO7;5)2XWSXW3RZHU
QRUPDORSHUDWLRQ
:DWWFDUULHU:DWW3(3DW9GF
G%«G%
)6*+1RPLQDO7;5)2XWSXW3RZHU
QRUPDORSHUDWLRQ
:DWWFDUULHU:DWW3(3DW9GF
G%«G%
)6*1RPLQDO7;5)2XWSXW3RZHU
HPHUJHQF\RSHUDWLRQ
:DWWFDUULHUDW9GFVXSSO\
)6*+1RPLQDO7;5)2XWSXW3RZHU
HPHUJHQF\RSHUDWLRQ
:DWWFDUULHUDW9GFVXSSO\
7;'XW\&\FOH PLQXWH7;PLQXWHV5;
7;7LPH2XW7LPHU $IWHUPLQXWHVFRQWLQXRXV7;7UDQVPLWWHULVXQNH\HG
DXWRPDWLFDOO\DQGWKHUDGLRGLVSOD\IODVKHVDVDZDUQLQJ
0RGXODWLRQ $PSOLWXGHPRGXODWLRQ$0$(
'HSWKRI0RGXODWLRQ 9RLFHSURFHVVRUZLWKG\QDPLFFRPSUHVVLRQ
0RGXODWLRQ'LVWRUWLRQ P +]
P +]
0RGXODWLRQ$XGLR)UHTXHQF\5HVSRQVH G%DQGG%+]
0RGXODWLRQ$),QSXWIRUP '\QDPLF0LFURSKRQHP9V\PPHWULFDO
VHQVLWLYLW\DGMXVWDEOHLQ6(783
$PSOLILHG&DUERQ0LFURSKRQHP9
XQV\PPHWULFDOVHQVLWLYLW\DGMXVWDEOHLQ6(783
7UXH7UDQVPLW6LGHWRQHGHULYHGIURP
PRGXODWHG7;5)VLJQDO
P:DW9GFVXSSO\
P:DW9GFYROXPHDGMXVWDEOHLQ6(7
83LQGHSHQGHQWIURPVSHDNHUYROXPH
&DUULHU1RLVH/HYHO G%P +]
(PLVVLRQRI5)(QHUJ\0+] :G%PG%9P9
Q:G%PG%99IURP
0+]
(PLVVLRQRI5)(QHUJ\0+] : G%P G%9 P9
7UDQVPLWWHU6SHFWUXP0DVN 0D[G%DW«+]PRGXODWLRQN+]
VSDFLQJ
G%DW+]PRGXODWLRQN+]VSDFLQJ
G%DW+]PRGXODWLRQN+]VSDFLQJ
&KDQQHO6HOHFWLRQ7LPH VHF
)UHTXHQF\7ROHUDQFH SSP&&))
SSP&&))
8QZDQWHG)0)UHTXHQF\PRGXODWLRQ N+]DWP +]
7;,QWHUPRGXODWLRQ G%
$QWHQQD0LVPDWFKLQJ 96:5QRUPDORSHUDWLRQ
$W96:5WKHUHTXLUHPHQWVIRUPRGXODWLRQGLVWRUWLRQ
VSXULRXVDQGKDUPRQLFVRXWSXWDVZHOODVIUHTXHQF\
VWDELOLW\DUHPHW,QDGGLWLRQWKH5)RXWSXWLV
)6* :DWWLQWRDW9GF
)6*+ :DWWLQWRDW9GF
$W96:5VWLOOIXQFWLRQDO

)6*6\VWHP
$SSHQGL[$
3DJH$ 1RYHPEHU
7+,63$*(
,17(17,21$//<
/()7%/$1.

)6*6\VWHP
$SSHQGL[%
1RYHPEHU 3DJH%
$33(1',;%(19,5210(17$/3(5)250$1&(&/$66,),&$7,21
&RPSOLDQFHPHDVXUHPHQWVDFFRUGLQJWR(852&$(('&57&$'2&ZHUH
SHUIRUPHGDQGWKHIROORZLQJ(QYLURQPHQWDO&DWHJRULHVIXOILOOHG
(QYLURQPHQWDO&RQGLWLRQV ('&
'2& 'HVFULSWLRQRIFRQGXFWHGWHVWV &DWHJRU\
7HPSHUDWXUHDQG$OWLWXGH (TXLSPHQWWHVWHGWRFDWHJRU\ '
/RZ7HPSHUDWXUH 2SHUDWLRQ&)
6WRUDJH&)
+LJK7HPSHUDWXUH 2SHUDWLRQ&)
6WRUDJH&)
LQIOLJKW/RVVRI&RROLQJ 1RDX[LOLDU\FRROLQJUHTXLUHG
/RZ3UHVVXUH$OWLWXGH IWP
'HFRPSUHVVLRQ 1RWHVWUHTXLUHGLQFDWHJRU\'
+LJK3UHVVXUH 1RWHVWUHTXLUHGLQFDWHJRU\'
7HPSHUDWXUH9DULDWLRQ &PLQ)PLQ
(TXLSPHQWWHVWHGWRFDWHJRU\
$
+XPLGLW\ (TXLSPHQWWHVWHGWRFDWHJRU\ $
6KRFN (TXLSPHQWWHVWHGWR
2SHUDWLRQDOVKRFNV J
&UDVKVDIHW\ J
9LEUDWLRQ (TXLSPHQWWHVWHGWRFDWHJRU\ %01
([SORVLRQ 1RWHVWUHTXLUHG ;
:DWHUSURRIQHVV 1RWHVWUHTXLUHG ;
)OXLGV6XVFHSWLELOLW\ 1RWHVWUHTXLUHG ;
6DQGDQG'XVW 1RWHVWUHTXLUHG ;
)XQJXV 1RWHVWUHTXLUHG ;
6DOW6SUD\ 1RWHVWUHTXLUHG ;
0DJQHWLF(IIHFW FP(TXLSPHQWWHVWHGWRFDWHJRU\ =
3RZHU,QSXW (TXLSPHQWWHVWHGWRFDWHJRU\ %
9ROWDJH6SLNH (TXLSPHQWWHVWHGWRFDWHJRU\ %
$XGLR)UHTXHQF\6XVFHSWLELOLW\ (TXLSPHQWWHVWHGWRFDWHJRU\ %
,QGXFHG6LJQDO6XVFHSWLELOLW\ (TXLSPHQWWHVWHGWRFDWHJRU\ $
5DGLR)UHTXHQF\6XVFHSWLELOLW\ (TXLSPHQWWHVWHGWRFDWHJRU\ 7
5DGLR)UHTXHQF\(PLVVLRQ (TXLSPHQWWHVWHGWRFDWHJRU\ =
/LJKWQLQJ,QGXFHG6XVFHSWLELOLW\ 1RWHVWUHTXLUHG ;
/LJKWQLQJHIIHFWV 1RWHVWUHTXLUHG ;
,FLQJ 1RWHVWUHTXLUHG ;
2WKHU7HVW 1RWHVWUHTXLUHG ;

)6*6\VWHP
$SSHQGL[%
3DJH% 1RYHPEHU
7+,63$*(
,17(17,21$//<
/()7%/$1.

)6*6\VWHP
$SSHQGL[&
1RYHPEHU 3DJH&
$33(1',;&,&$2)5(48(1&<&+$11(/3$,5,1*3/$1)25
&20%,1('.+=.+=23(5$7,21
7KHWDEOHEHORZVKRZV7;DQG5;IUHTXHQF\UHVSHFWLYHFKDQQHOVSDFLQJDQGWKH
FRUUHVSRQGLQJFKDQQHOQDPHRUIUHTXHQF\ZKLFKLVVKRZQDWWKHGLVSOD\RIWKH)6*
LQWKHUDQJHIURP0+]WR0+]
,QFRPELQHGN+]N+]FKDQQHOVSDFLQJPRGHWKHDFWLYH&KDQQHO1DPHLV
GLVSOD\HGZLWKGLJLWV
,QN+]RQO\FKDQQHOVSDFLQJPRGHIUHTXHQFLHVDUHGLVSOD\HGZLWKGLJLWV
7KLVDOORZVXQLTXHLGHQWLILFDWLRQRIWKHPRGHXVHG
2IFRXUVHWKLVIUHTXHQF\FKDQQHOSDLULQJSODQDOVRDSSOLHVWRDOORWKHUIUHTXHQFLHV
EHWZHHQ0+]DQG0+]
2SHUDWLQJIUHTXHQF\
0+]
&KDQQHO6SDFLQJ
N+]
N+]0RGH
&KDQQHO1DPH
'LVSOD\DW)6*
N+]0RGH
)UHTXHQF\
'LVSOD\DW)6*
HWF HWF HWF HWF

)6*6\VWHP
$SSHQGL[&
3DJH& 1RYHPEHU
7+,63$*(
,17(17,21$//<
/()7%/$1.

)6*6\VWHP
$SSHQGL['
1RYHPEHU 3DJH'
$33(1',;'&(57,),&$7(6

)6*6\VWHP
$SSHQGL['
3DJH' 1RYHPEHU

)6*6\VWHP
$SSHQGL['
1RYHPEHU 3DJH'

)6*6\VWHP
$SSHQGL['
3DJH' 1RYHPEHU