f u n k e AVIONICS FSG90 VHF/AM aviation analogue voice COMM transceiver User Manual Standard Maintenance REV 1
f.u.n.k.e. AVIONICS GmbH VHF/AM aviation analogue voice COMM transceiver Standard Maintenance REV 1
Contents
- 1. FSG 90EPC Portable case manual part one
- 2. FSG 90EPC Portable case manual part two
- 3. Frontpanel Module without case part one
- 4. Frontpanel Module without case part two
- 5. Desktop case with front module part one
- 6. Desktop case with front module part two
- 7. FSG 90F ops manual part one
- 8. FSG 90 Maintenance Manual part one
- 9. FSG 90 Maintenance Manual part two
FSG 90 Maintenance Manual part one
![)6*)6*+«0+]1R/%$2-762')61R % ::9+)$0$,5%$1'75$16&(,9(56'XDO0RGHN+]N+]RU´RQO\N+]µFKDQQHOVSDFLQJ,QVWDOODWLRQ2SHUDWLRQDSSOLHVIRU)6* DUWLFOHQR )DSSOLHVIRU)6*+ DUWLFOHQR )%HIRUHLQVWDOOLQJDQGRSHUDWLQJWKHWUDQVFHLYHUSOHDVHUHDGWKLVPDQXDOWKRURXJKO\3OHDVHREVHUYHWKH6DIHW\,QIRUPDWLRQ.HHSIRUIXUWKHUXVH'RFXPHQW1R ,0$UWLFOHQR '5HYLVLRQ1XPEHU 'DWHRI,VVXH 1RYHPEHU$YLRQLFV'LYLVLRQ(USIWLQJHU 6WUDVVH ' /DQGVEHUJ *HUPDQ\7HOHSKRQH)D[HPDLOILUPD#GLWWHOFRP,QWHUQHWKWWSZZZGLWWHOFRP](https://usermanual.wiki/f-u-n-k-e-AVIONICS/FSG90.FSG-90-Maintenance-Manual-part-one/User-Guide-169919-Page-1.png)
![)6*6\VWHP$LUEDQG7UDQVFHLYHU3DJHLL 1RYHPEHU:$55$17<&23<5,*+7±6(59,&(,1)250$7,21:DUUDQW\7KHGHWDLOVDQGGDWDLQWKLVRSHUDWRUVPDQXDOFRUUHVSRQGWRWKHUHVSHFWLYHVWDWHRIWHFKQRORJ\RQWKHGD\RISULQWLQJ:HUHVHUYHRXUULJKWWRFKDQJHZLWKRXWSULRUQRWLFHGXHWRQHZWHFKQRORJLFDOGHVLJQRUFRUUHVSRQGLQJQHZSURGXFWLRQWHFKQRORJ\:DOWHU'LWWHO*PE+WDNHVQRJXDUDQWHHIRUWKHVHGRFXPHQWVZLWKUHVSHFWWRDSSOLFDWLRQDQGLQWHUSUHWDWLRQ:DOWHU 'LWWHO *PE+ :DUUDQWRU ZDUUDQWV WR WKH SXUFKDVHU RI QHZ UDGLRHTXLSPHQWRI WKHZDUUDQWRUV PDQXIDFWXUH WKDWVXFK HTXLSPHQW VKDOOEH IUHHIURPGHIHFWVLQPDWHULDODQGZRUNPDQVKLSIRUDSHULRGRIPRQWKIURPWKHGDWH RI GHOLYHU\ (TXLSPHQW DQG DFFHVVRU\ LWHPV QRW PDQXIDFWXUHG E\ WKH:DUUDQWRUFDUU\WKHVWDQGDUGZDUUDQW\RIWKHPDQXIDFWXUHUWKHUHRI7KLVZDUUDQW\GRHVQRWFRYHUHTXLSPHQWZKLFKKDVEHHQ GDPDJHGRUQRWPDLQWDLQHGDVUHDVRQDEOHDQGQHFHVVDU\ PRGLILHGLQDQ\ZD\ LPSURSHUO\LQVWDOOHG UHSDLUHGE\VRPHRQHRWKHUWKDQWKHZDUUDQWRURUDQDXWKRUL]HGZDUUDQW\DYLRQLFVVKRSRU XVHGLQDPDQQHURUSXUSRVHIRUZKLFKWKHHTXLSPHQWZDVQRWLQWHQGHG7KLVZDUUDQW\VKDOOQRWH[WHQGWRLQFLGHQWDORUFRQVHTXHQWLDOGDPDJHDULVLQJIURPRSHUDWLRQRIWKHHTXLSPHQWRUIURPDQ\FODLPHGEUHDFKRIWKLVZDUUDQW\&RS\ULJKW¸:DOWHU'LWWHO*PE+$OOULJKWVUHVHUYHG7KLVGRFXPHQWFRQWDLQVSURSULHWDU\LQIRUPDWLRQDQGVXFKLQIRUPDWLRQPD\QRWEHGLVFORVHGWRRWKHUVIRUDQ\SXUSRVHQRUXVHGIRUPDQXIDFWXULQJSXUSRVHVZLWKRXWSULRUZULWWHQSHUPLVVLRQRIWKHPDQXIDFWXUHU,QWKLVGRFXPHQWQRPHQWLRQLVPDGHRISDWHQWVWUDGHPDUNULJKWVRURWKHUSURSULHWDU\ULJKWVZKLFKPD\DWWDFKWRFHUWDLQZRUGVRUHQWULHV7KHDEVHQFHRIVXFKPHQWLRQKRZHYHULQQRZD\LPSOLHVWKDWWKHZRUGVRUHQWULHVLQTXHVWLRQDUHH[HPSWIURPVXFKULJKWV6HUYLFH,QIRUPDWLRQ6KRXOGDQ\XQXVXDOSUREOHPDULVHRUIXUWKHULQIRUPDWLRQEHGHVLUHGSOHDVHFRQWDFW\RXUQHDUHVW:DOWHU'LWWHOUHSUHVHQWDWLYHRUWKH:DOWHU'LWWHO*PE+$YLRQLFV'HSDUWPHQW(USIWLQJHU6WUDVVH'/DQGVEHUJ*HUPDQ\7KHLQIRUPDWLRQLQWKLV,QVWDOODWLRQ2SHUDWLRQ0DLQWHQDQFHDQG2YHUKDXO0DQXDOGRHVQRWSURIHVVWRLQFOXGHDOOWKHGHWDLOVRIGHVLJQSURGXFWLRQRUYDULDWLRQRIWKHHTXLSPHQWRUWRFRYHUDOOWKHSRVVLEOHFRQWLQJHQFLHVZKLFKPD\DULVHGXULQJRSHUDWLRQRUPDLQWHQDQFH:HZHOFRPH\RXUFRPPHQWVFRQFHUQLQJWKLV0DQXDO$OWKRXJKHYHU\HIIRUWKDVEHHQPDGHWRNHHSLWIUHHRIHUURUVVRPHPD\RFFXU:KHQUHSRUWLQJDVSHFLILFSUREOHPSOHDVHGHVFULEHLWEULHIO\DQGLQFOXGHWKH2SHUDWRUV0DQXDODUWLFOHQXPEHUSDUDJUDSKRUILJXUHQXPEHUDQGWKHSDJHQXPEHU6HQG\RXUFRPPHQWVWR 7HFKQLFDO3XEOLFDWLRQV:DOWHU'LWWHO*PE+(USIWLQJHU6WUDVVH'/DQGVEHUJDP/HFK*HUPDQ\RUYLDHPDLOWR JXJJHQPRV#GLWWHOFRP6XEMHFWWRWHFKQLFDOFKDQJHV 3ULQWHGLQ*HUPDQ\ ](https://usermanual.wiki/f-u-n-k-e-AVIONICS/FSG90.FSG-90-Maintenance-Manual-part-one/User-Guide-169919-Page-2.png)

![)6*6\VWHP7DEOHRI&RQWHQW3DJHLY 1RYHPEHU7$%/(2)&217(173DJH6HFWLRQ)XQFWLRQDO'HVFULSWLRQ ,QWURGXFWLRQ 2SHUDWRUV&RQWUROV )UHTXHQF\'LVSOD\GLJLWRUGLJLW/LTXLG&U\VWDO'LVSOD\/&' &RQQHFWRUVDWUHDUVLGH 6HFWLRQ6HWXS3URFHGXUH &DOOLQJ6(783ZLWKRXWSDVVZRUG &DOOLQJ6(783ZLWKSDVVZRUG ,QWHUUXSWWKH6(783SURFHGXUH 6(783SURFHGXUH $GMXVWLQJWKHDXWRPDWLFVTXHOFKWKUHVKROG $GMXVWLQJWKHPLFURSKRQHVHQVLWLYLW\G\QRUDPSOLILHGFDUERQPLFURSKRQHV $GMXVWLQJWKH,QWHUFRPYROXPH $GMXVWLQJWKH6LGHWRQHYROXPH $GMXVWLQJWKHKHDGVHWYROXPH 6HOHFWLQJN+]RQO\RUFRPELQHGN+]FKDQQHOVSDFLQJ 'HOHWLQJRFFXSLHGFKDQQHOPHPRULHV 6HOHFWLQJ$)(;7(51$/212)) 6HOHFWLQJ&+$11(/02'(21/<RU125(675,&7,21 6HOHFWLQJ7UDQVPLWWHU%ORFNLQJGXULQJUHFHLYH212)) 6HUYLFH212)) 2SWLRQDOPRGXOH212)) (QWHULQJDSDVVZRUG 5HVHW 6HFWLRQ2SHUDWLQJ,QVWUXFWLRQ ,QWURGXFWLRQ 7XUQLQJ216HOHFWLQJ)UHTXHQF\&KDQQHO1DPH9ROXPH 5HFHLYH/LVWHQ2SHUDWLRQ 7UDQVPLW7DON2SHUDWLRQ 6WRULQJDQHZ)UHTXHQF\&KDQQHO1DPH 5HFDOORIVWRUHG)UHTXHQF\&KDQQHO1DPH 6TXHOFK642SHUDWLRQ ,QWHUFRP $)([WHUQDO /LJKWLQJ 7XUQLQJ2)) &KHFNLQJWKH$&RQERDUGVXSSO\ 2SHUDWLQJWLPHVZLWKUDGLRVXSSOLHGIURP9EDWWHU\RQO\ (PHUJHQF\2SHUDWLRQ](https://usermanual.wiki/f-u-n-k-e-AVIONICS/FSG90.FSG-90-Maintenance-Manual-part-one/User-Guide-169919-Page-4.png)
![)6*6\VWHP7DEOHRI&RQWHQW1RYHPEHU 3DJHY7$%/(2)&217(173DJH$SSHQGL[$7HFKQLFDO6XPPDU\ $$ *HQHUDO $$ 'LPHQVLRQV:HLJKW)XVHV $$ $SSURYDOV $$ 5HFHLYHU&KDUDFWHULVWLFV $$ 7UDQVPLWWHU&KDUDFWHULVWLFV $$SSHQGL[%(QYLURQPHQWDO3HUIRUPDQFH&ODVVLILFDWLRQ %$SSHQGL[&,&$2)UHTXHQF\&KDQQHOSDLULQJSODQIRUFRPELQHGN+]N+]2SHUDWLRQ &$SSHQGL['&HUWLILFDWHV '/,672),//8675$7,216)LJ 3DJH 7HVW6HWXS 'HYLDWLRQRIDFRPSDVVE\DQRSHUDWLQJ)6*;GHSHQGHQWRQWKHGLVWDQFHEHWZHHQFRPSDVVFHQWHUDQGFRQWRXURIWUDQVFHLYHU )6*;'LPHQVLRQV,QVWDOODWLRQ'UDZLQJ +RRNXS'LDJUDPXVLQJZLUHKDUQHVV)G\QDPLFPLFURSKRQHV +RRNXS'LDJUDPXVLQJZLUHKDUQHVV)G\QDPLFPLFURSKRQHVDQG,QWHUFRP +RRNXS'LDJUDPDPSOLILHGFDUERQPLFURSKRQHVDQG,QWHUFRP 2SHUDWRUV&RQWUROVDQG,QGLFDWRUV ](https://usermanual.wiki/f-u-n-k-e-AVIONICS/FSG90.FSG-90-Maintenance-Manual-part-one/User-Guide-169919-Page-5.png)
![)6*6\VWHP$EEUHYLDWLRQV3DJHYL 1RYHPEHU$%%5(9,$7,216$1'$&521<06$& $LUFUDIW$1 $UWLFOH1XPEHU:DOWHU'LWWHO$*& $XWRPDWLF*DLQ&RQWURO$K $PSHUHKRXU$0 $PSOLWXGH0RGXODWLRQ$17 $QWHQQD$VV\ $VVHPEO\$:* $PHULFDQ:LUH*DXJHFFZ &RXQWHUFORFNZLVHWXUQOHIW &+ &KDQQHO&76 5HDG\WR7UDQVPLWFZ &ORFNZLVHWXUQULJKW G% 'HFLEHOGLD 'LDPHWHU(0) (OHFWURPRWLYH)RUFHYROWDJHRIDQRSHQFLUFXLW)&+ )UHTXHQF\&KDQQHO)/ )OLJKW/HYHOJ $FFHOHUDWLRQGXHWRJUDYLW\*1' *URXQG+, +LJK3RZHU+] +HUW],&$2 ,QWHUQDWLRQDO&LYLO$YLDWLRQ2UJDQL]DWLRQ,) ,QWHUPHGLDWH)UHTXHQF\N+] .LORKHUW]/&' /LTXLG&U\VWDO'LVSOD\/(' /LJKW(PLWWLQJ'LRGH/2 /RZ3RZHU/26 /LQH2I6LJKWP 0RGXODWLRQP$ 0LOOLDPSHUHV0' 0RGH0+] 0HJDKHUW]0,& 0LFURSKRQHP: 0LOOLZDWW10 1DXWLFDOPLOHVQ: 1DQRZDWW 3(3 3HDN(QYHORSH3RZHU3// 3KDVH/RFNHG/RRSSSP SDUWVSHUPLOOLRQ377 3XVK7R7DONS: 3LFRZDWW 3:5 3RZHU5) 5DGLR)UHTXHQF\UPV (IIHFWLYHYDOXHURRWPHDQVTXDUH576 ,QYLWDWLRQWRVHQG5; 5HFHLYH5[' 5HFHLYHGDWD611 6LJQDOWR1RLVH5DWLR6,1$' 5DWLR63.5 /RXGVSHDNHU64 6TXHOFK67%< 6WDQGE\672 6WRUH6:5 6WDQGLQJ:DYH5DWLR727 7LPHRXWWLPHU7; 7UDQVPLW7[' 7UDQVPLWGDWD9&2 9ROWDJH&RQWUROOHG2VFLOODWRU9GF 9ROWVGLUHFWFXUUHQW9+) 9HU\+LJK)UHTXHQF\92/ 9ROXPH96:5 9ROWDJH6WDQGLQJ:DYH5DWLR::DWW2KP& 'HJUHHV&HQWLJUDGH) 'HJUHHV)DKUHQKHLW](https://usermanual.wiki/f-u-n-k-e-AVIONICS/FSG90.FSG-90-Maintenance-Manual-part-one/User-Guide-169919-Page-6.png)
![)6*6\VWHP6DIHW\,QIRUPDWLRQ1RYHPEHU 3DJH6(&7,216$)(7<,1)250$7,21(YHU\UDGLRZKHQWUDQVPLWWLQJUDGLDWHVHQHUJ\LQWRWKHDWPRVSKHUHWKDWPD\XQGHUFHUWDLQFRQGLWLRQVFDXVHWKHJHQHUDWLRQRIVSDUNV$OOXVHUVRIRXUUDGLRVVKRXOGEHDZDUHRIWKHIROORZLQJZDUQLQJ'RQRWRSHUDWHWKLVUDGLRLQDQH[SORVLYHDWPRVSKHUHSHWUROHXPIXHOVVROYHQWVGXVWHWF'XULQJQRUPDOXVHWKHUDGLRZLOOVXEMHFW\RXWRUDGLRIUHTXHQF\HQHUJ\VXEVWDQWLDOO\EHORZWKHOHYHOZKHUHDQ\NLQGRIKDUPLVUHSRUWHG72(1685(3(5621$/6$)(7<SOHDVHREVHUYHWKHIROORZLQJVLPSOHUXOHV'2127WUDQVPLWZKHQWKHDQWHQQDLVYHU\FORVHWRRUWRXFKLQJH[SRVHGSDUWVRIWKHERG\HVSHFLDOO\WKHIDFHDQGH\HV'2127WUDQVPLWRQDEXV\FKDQQHO'2127SUHVVWKHWUDQVPLW377NH\ZKHQQRWDFWXDOO\GHVLULQJWRWUDQVPLW'2127WUDQVPLWLQFORVHGDLUFUDIWRUYHKLFOHVZLWKWKHDQWHQQDLQVLGHWKHFDELQ7KLVPD\FDXVHPDOIXQFWLRQRIWKHDYLRQLFVRUWULJJHUWKHDLUEDJ$OZD\VRSHUDWHWKHUDGLR)6*;ZLWKDVXLWDEOHRXWVLGHH[WHUQDODQWHQQD$VVXUHDSSURSULDWHOLJKWQLQJSURWHFWLRQZKHUHHOHYDWHGRXWGRRUDQWHQQDVDUHXVHG'2127RSHUDWHWKHUDGLRZKLOVWGULYLQJ,WVKRXOGDOVREHQRWLFHGWKDWWKHXVHRIDKDQGKHOGPLFURSKRQHZKLOHGULYLQJFRXOGFRQVWLWXWHDQRIIHQFHXQGHUWKH5RDG7UDIILF5HJXODWLRQVLQFHUWDLQFRXQWULHV'2127DOORZFKLOGUHQWRSOD\ZLWKDQ\UDGLRHTXLSPHQWFRQWDLQLQJDWUDQVPLWWHU'2127FDOOUDGLR¶V6(783LQIOLJKWRUZKLOVWGULYLQJDYHKLFOH7UDQVPLWDQGUHFHLYHDUHSDUWLDOO\GLVDEOHG $IWHUHDFK6(783FKHFNDOOVHWWLQJVRIWKHUDGLRDQGFRFNSLWLQVWUXPHQWVIRUFRUUHFWIXQFWLRQEHIRUHWKHQH[WIOLJKWRUDSSOLFDWLRQ $OZD\VVZLWFK2))WKHUDGLRILUVWZKHQLQVWDOOLQJWKHXQLWLQWRYHKLFOHVDLUFUDIWRUFDUULHUFDVHVRUZKHQUHPRYLQJIURPLW $OZD\VVZLWFK2))WKHUDGLRILUVWZKHQVWDUWLQJDQHQJLQHRUYHKLFOH :KHQRSHUDWLQJWKH)6*;RQD9GFVRXUFHDVXLWDEOH9ROWDJH&RQYHUWHU9GF9GFRIDWOHDVW$PSVPXVWEHXVHG7KH)6*;PD\EHXVHGH[FOXVLYHO\IRUFRPPXQLFDWLRQRQWKHDLUEDQGIUHTXHQFLHV 8QDXWKRUL]HGPRGLILFDWLRQVDQGFKDQJHVRIWKHV\VWHPDUHIRUELGGHQ :KHQUHSODFLQJGHIHFWLYHSDUWVXVHRQO\RULJLQDOVSDUHSDUWVRUVWDQGDUGSDUWVUHFRPPHQGHGE\WKHPDQXIDFWXUHU ,QDLUFUDIWRUYHKLFOHVDVXLWDEOHQRLVHFDQFHOOLQJPLFURSKRQHRUKHDGVHWIRUDLUFUDIWUDGLRVVKDOOEHXVHG $EDFNXSPLFURSKRQHVKRXOGDOZD\VEHFDUULHGGXULQJDQ\IOLJKW(YHQQHZPLFURSKRQHVFDQIDLO 9ROXPHLVYHU\LPSRUWDQW,QFUHDVLQJVSHDNLQJOHYHOVZKLOHWKHOLSVDUHIDFLQJWKHPLFURSKRQHEXWQRWVWUDLQLQJRUSXVKLQJWR\HOOLQJOHYHOVZLOOLQFUHDVHFODULW\ 3ULRUWRDQ\IOLJKWYHULI\SURSHU)6*;IXQFWLRQVE\PHDQVRIDVKRUWFRPPXQLFDWLRQVWHVW,WKDVWREHWDNHQLQWRDFFRXQWWKDWZLWKDIDXOW\DQWHQQDRUFDEOHWKLV&20WHVWPD\DEVROXWHO\WXUQRXWSRVLWLYHDWWKHDLUILHOGRULQVKRUWGLVWDQFH](https://usermanual.wiki/f-u-n-k-e-AVIONICS/FSG90.FSG-90-Maintenance-Manual-part-one/User-Guide-169919-Page-7.png)

![)6*6\VWHP*HQHUDO'HVFULSWLRQ1RYHPEHU 3DJH6(&7,21*(1(5$/'(6&5,37,21 ,QWURGXFWLRQ7KLVLQVWDOODWLRQDQGRSHUDWLQJPDQXDO,0FRQWDLQVLQVWUXFWLRQVDQGGHVFULSWLRQVIRUDSSOLFDWLRQLQVWDOODWLRQSUHVHWWLQJRSHUDWLRQDQGWHVWLQJDVZHOODVLQWHUFRQQHFWLQJGLDJUDPVRIWKHPXOWLXVH)6*9+)$07UDQVFHLYHU6\VWHPRI:DOWHU'LWWHO*PE+/XIWIDKUWJHUDHWHEDX'/DQGVEHUJ*HUPDQ\7KHIROORZLQJPDLQWHQDQFHPDQXDO050FRQWDLQVGHWDLOHGFLUFXLWGHVFULSWLRQUHSDLULQVWUXFWLRQVDOLJQPHQWSURFHGXUHVWHVWLQJLQVWUXFWLRQVDQGDQLOOXVWUDWHGSDUWVOLVW 0RGHOVRIWKH)6*6\VWHP7KLVPDQXDOUHIHUVWRRXWRIPRGHOVDYDLODEOHXSWRQRZ$1)9+)$0'XDO0RGH$LUEDQG7UDQVFHLYHU)6*)UHTXHQF\UDQJHWR0+]FKDQQHOVSDFLQJN+]N+]UHVXOWVLQFKDQQHOVDQGWR0+]FKDQQHOVSDFLQJN+]UHVXOWVLQFKDQQHOVFKDQQHOPHPRULHVIRUFRPELQHGN+]PRGHDGGLWLRQDOPHPRU\FKDQQHOVIRUN+]RQO\PRGH:5)FDUULHURXWSXWSRZHU9GFVXSSO\7KHUDGLRZLOOILWDVWDQGDUGPPGLDóGLDLQVWUXPHQWSDQHO,'(17 02'(/('%&/$66&&/$66(5(&(,9(5&/$66&/$6675$160,77(5$1)9+)$0'XDO0RGH$LUEDQG7UDQVFHLYHU)6*+)UHTXHQF\UDQJHWR0+]FKDQQHOVSDFLQJN+]N+]UHVXOWVLQFKDQQHOVDQGWR0+]FKDQQHOVSDFLQJN+]UHVXOWVLQFKDQQHOVFKDQQHOPHPRULHVIRUFRPELQHGN+]PRGHDGGLWLRQDOPHPRU\FKDQQHOVIRUN+]RQO\PRGH:5)FDUULHURXWSXWSRZHU9GFVXSSO\7KHUDGLRZLOOILWDVWDQGDUGPPGLDóGLDLQVWUXPHQWSDQHO,'(17 02'(/+('%&/$66&&/$66(5(&(,9(5&/$66&/$6675$160,77(5 $SSOLFDWLRQ7KHHTXLSPHQWLVZHOOVXLWHGIRURSHUDWLRQLQSRZHUHGDLUFUDIWDQGKHOLFRSWHUZLWKUHFLSURFDWLQJWXUERSURSDQGWXUERMHWHQJLQH8OWUDORZSRZHUFRQVXPSWLRQLQFRQMXQFWLRQZLWKH[WUHPHO\ZLGH'&VXSSO\YROWDJHUDQJHVPDOOGLPHQVLRQVDQGZLGHVFRSHRIDFFHVVRULHVDOORZXQLYHUVDODLUERUQHDSSOLFDWLRQVLQDQ\SRZHUHGDLUFUDIWPRWRUJOLGHUDQG8OWUDOLJKWDQGLQJOLGHUDQGEDOORRQIRUSULPDU\RUDOVREDWWHU\VXSSOLHGEDFNXSRSHUDWLRQ8QLYHUVDOXVHDOVRLQJURXQGYHKLFOHDVZHOODVIRUFRPSDFWSRUWDEOHFDVHVDQGIRUGHVNWRSRUUDFNPRXQWHGORFDORUUHPRWHFRQWUROOHGIL[HGEDVHSULPDU\RUDOVREDWWHU\VXSSOLHGEDFNXSRSHUDWLRQVDUHIXUWKHUDSSOLFDWLRQV3OHDVHDOZD\VHQVXUHVXLWDEOHDQWHQQDVROXWLRQV5HWURILWLQVWDOODWLRQLVDFKLHYHGDJDLQVWIRUPHUSDQHOPRXQWHG:DOWHU'LWWHOVOLGHLQ9+)&20WUDQVFHLYHUV)6*6)6*)6*0DQGSDQHOPRXQWHG)6*)6*0XVLQJDGDSWHUV](https://usermanual.wiki/f-u-n-k-e-AVIONICS/FSG90.FSG-90-Maintenance-Manual-part-one/User-Guide-169919-Page-9.png)
![)6*6\VWHP*HQHUDO'HVFULSWLRQ3DJH 1RYHPEHU %ULHI'HVFULSWLRQ7KHWZRUDGLRVRXWRIWKH)6*6\VWHPDUHPLQLDWXUL]HGOLJKWZHLJKWSDQHOPRXQWHGVLQJOHEORFN9+)$0WUDQVFHLYHUVRSHUDWLQJLQWKHDLUEDQGIUHTXHQF\UDQJH0+]0+]WKXVSURYLGLQJHLWKHUFKDQQHOVZLWKN+]N+]FKDQQHOVSDFLQJSOXVFKDQQHOVZLWKN+]RQO\FKDQQHOVSDFLQJFRYHULQJDVWDQGDUGFRPPXQLFDWLRQVGLVWDQFHRI10QDXWLFDOPLOHVDW)/&DVHGLPHQVLRQVRIDOOPRGHOVZLOOILWLQWRDVWDQGDUGóLQPPGLDPHWHURSHQLQJRIWKHLQVWUXPHQWSDQHORUFRQVROHEHKLQGSDQHOLQVWDOODWLRQXVLQJVFUHZV'HSWKLQFOXGLQJZLULQJLVPP$OOFRQWURODQGGLVSOD\HOHPHQWVDUHORFDWHGRQWKHIURQWSDQHO&RQQHFWLRQVWRWKHHOHFWULFDOHQYLURQPHQWDUHPDGHWKURXJKDSROH68%'FRQQHFWRUDQGD%1&IHPDOHFRQQHFWRUDWWKHUHDUSDQHORIWKHXQLWV7KH,&$2FKDQQHOQDPHN+]N+]VSDFLQJDQGRSHUDWLQJIUHTXHQF\N+]VSDFLQJVXSSO\LQGLFDWRUWUDQVPLWLQGLFDWRUFKDQQHOPHPRU\QXPEHUDQG6(783LQIRUPDWLRQDUHDOOLQGLFDWHGDWDWZROLQH/LTXLG&U\VWDO'LVSOD\/&'FDQEHEDFNOLW7KUHHGLVSOD\PRGHVDUHXVHUVHOHFWDEOH8VH67%<0RGH $FWLYHFKDQQHOQDPHRUIUHTXHQF\VHOHFWDEOHVWDQGE\FKDQQHOQDPHIUHTXHQF\&KDQQHO0RGH $FWLYHFKDQQHOQDPHRUIUHTXHQF\DVVRFLDWHGSUHVHWFKDQQHOPHPRU\QXPEHU«'LUHFW7XQH0RGH $FWLYHFKDQQHOQDPHRUIUHTXHQF\RQO\:LWKWKH'XDO0RGHPRGHO)6*XSWRFKDQQHOPHPRULHVLQN+]N+]&+VSDFLQJGLJLWGLVSOD\DQGDQRWKHUVHWRIXSWRFKDQQHOVLQWKHN+]RQO\&+VSDFLQJGLJLWGLVSOD\FDQEHSUHVHW$IWHUFKDQJHWRWKHRWKHURSHUDWLQJPRGHIURPN+]WRN+]RQO\RUIURPN+]WRN+]HDFKVWRUHGVHWRIXSWRFKDQQHOPHPRULHVUHPDLQVDYDLODEOH3UHVHWFKDQQHOPHPRULHVUHPDLQDYDLODEOHDOVRDIWHUPDQXDORUDXWRPDWLFSRZHURII7KHQRQYRODWLOHFKDQQHOPHPRULHVRIDOO)6*FDQHDVLO\UHSURJUDPPHGDOVRGXULQJIOLJKWRUJURXQGRSHUDWLRQ3URJUDPPLQJFDQEHGRQHLQWKHDFWXDOPRGH'HOHWLQJFKDQQHOPHPRULHVLVSRVVLEOHLQHDFKPRGHRQO\GXULQJ6(783PRGH)RUJURXQGDSSOLFDWLRQVOLPLWDWLRQWRXVHSUHVHWFKDQQHOVRQO\FDQEHGHWHUPLQHGLQSDVVZRUGSURWHFWHG6(783&KDQQHOQDPHIUHTXHQF\RUSUHVHWFKDQQHOPHPRULHVDUHVHOHFWHGZLWKWKHGXDOIXQFWLRQ)&+VZLWFK%RWK7UDQVPLWDQG5HFHLYHXVHWKHVDPHGLJLWDOIUHTXHQF\V\QWKHVL]HUDQGRQHWHPSHUDWXUHFDOLEUDWHGUHIHUHQFHFU\VWDODFFXUDF\SSPLQWKHWHPSHUDWXUHUDQJHIURP&WR&)WR)7KHGXDOVXSHUKHWUHFHLYHURIIHUVYHU\KLJKLPPXQLW\DJDLQVWLQEDQGDQGRXWRIEDQGLQWHUIHUHQFHDQGLQWHUPRGXODWLRQ$QQH[)0LPPXQLW\7KHDXWRPDWLF$0)06TXHOFKWKUHVKROGDGMXVWDEOHLQOHYHOV6(783DQGWKHQRUPDOO\DFWLYHWUDQVPLWWHUEORFNLQJGXULQJ5HFHLYHDUHGLVDEOHGE\SXVKLQJWKH64EXWWRQDQGHQDEOHGZKHQWKH64EXWWRQLVSXVKHGDJDLQ$QDXGLRORZSDVVILOWHUIRUDUHDVXVLQJ&OLPD[RSHUDWLRQLQN+]VSDFLQJLVLQFRUSRUDWHG6HSDUDWH$XGLRDPSOLILHUVSRZHUWKHVSHDNHU:DWWV2KPVRU:DWWV2KPVDQGWKHKHDGSKRQHVP:2KPV7KHVROLGVWDWHWUDQVPLWWHULVZLGHEDQGWXQHGIURPWR0+]DQGGHOLYHUVDWOHDVWDQ5)FDUULHUSRZHURI:DWWVRU:DWWVIRUWKH)6*+PRGHO7UDQVPLWIUHTXHQF\FKDQQHOQDPHLVWXQHGVLPXOWDQHRXVO\ZLWK5HFHLYHIUHTXHQF\FKDQQHOQDPH6LPSOH[RSHUDWLRQ$NH\HGWUDQVPLWWHULVLQGLFDWHGE\DWUDQVPLWV\PERODWWKH/&GLVSOD\](https://usermanual.wiki/f-u-n-k-e-AVIONICS/FSG90.FSG-90-Maintenance-Manual-part-one/User-Guide-169919-Page-10.png)

![)6*6\VWHP*HQHUDO'HVFULSWLRQ3DJH 1RYHPEHU 6\VWHPDQG7\SH$SSURYDO,QIRUPDWLRQ7KH'XDO0RGH9+)$0$LUEDQG7UDQVFHLYHUV)6*DQG)6*+FRPSO\IRUERWKWKHFRPELQHGN+]N+]DVZHOODVN+]RQO\FKDQQHOVSDFLQJZLWKDOODSSOLFDEOH1DWLRQDODQG,QWHUQDWLRQDO7\SH$SSURYDOUHTXLUHPHQWVIRUDQ\DLUERUQHDQGJURXQGRSHUDWLRQV -762$XWKRUL]DWLRQ/%$2-762/%$/XIWIDKUWEXQGHVDPWEDVHGRQ(852&$(('%$LUERUQHUHTXLUHPHQWLVPHWEHVLGHVN+]UHTXLUHPHQWVDOVRIRUWKHN+]21/<FKDQQHOVSDFLQJ7KLVDOVRLQFOXGHV,PPXQLW\DFFRUGLQJWR,&$2$11(;DJDLQVW)0%URDGFDVW,QWHUIHUHQFH7KLVDOVRLQFOXGHVIXOILOOPHQWRIVSHFLILFDXGLRILOWHULQJUHTXLUHGLQDUHDVZLWK&/,0$;RSHUDWLRQLQN+]FKDQQHOVSDFLQJ$VVRFLDWHG(852&$(('&57&$'2&(QYLURQPHQWDOUHTXLUHPHQWV$VVRFLDWHG(852&$(('%6RIWZDUHUHTXLUHPHQWVEDVHGRQ('% 5HJ731R$-VWULQJHQW*HUPDQ7\SH$SSURYDOUHTXLUHPHQWV5HJ73=9DLUERUQHDQG5HJ73=9JURXQG ')6'HXWVFKH)OXJVLFKHUXQJ1R%JURXQG*HUPDQ7\SH$SSURYDOUHTXLUHPHQWV %=71R%-&(&RQIRUPLW\$VVRFLDWHGZLWK',1,62'&VXSSO\LQ9GFYHKLFOH,03257$17)RUWKHILUVWWLPHDIWHURQH\HDUWKHQHYHU\ \HDUJURXQGDSSOLFDWLRQVXVLQJN+]FKDQQHOVSDFLQJUHTXLUHFKHFNLQJRIWKHKLJKSUHFLVLRQUHIHUHQFHIUHTXHQF\WROHUDQFHOHVVWKDQSSPDQGUHFDOLEUDWLRQLIQHFHVVDU\(YHU\ \HDUDLUERUQHDSSOLFDWLRQVXVLQJN+]FKDQQHOVSDFLQJUHTXLUHFKHFNLQJRIWKHKLJKSUHFLVLRQUHIHUHQFHIUHTXHQF\WROHUDQFHOHVVWKDQSSPDQGUHFDOLEUDWLRQLIQHFHVVDU\$OODSSOLFDWLRQVLQWKHN+]FKDQQHOVSDFLQJUHTXLUHQRUHFDOLEUDWLRQIUHTXHQF\DFFXUDF\WROHUDQFHOHVVWKDQSSP$OOWROHUDQFHVLQFOXGHWKHIXOORSHUDWLQJWHPSHUDWXUHUDQJHRI&&))&KHFNLQJDQGUHFDOLEUDWLRQPXVWEHSHUIRUPHGE\WKHHTXLSPHQWPDQXIDFWXUHURUWKURXJKDXWKRUL]HGDQGDSSURYHGDYLRQLFVVHUYLFHV7KLVUHTXLUHVXVHRIVSHFLILHGWHVWHTXLSPHQWDVZHOODVDSSOLFDEOHWHVWSURFHGXUHVVRIWZDUHUHOHDVHGE\WKHPDQXIDFWXUHU](https://usermanual.wiki/f-u-n-k-e-AVIONICS/FSG90.FSG-90-Maintenance-Manual-part-one/User-Guide-169919-Page-12.png)

![)6*6\VWHP*HQHUDO'HVFULSWLRQ3DJH 1RYHPEHU 2SWLRQDO$FFHVVRULHV:LGHDFFHVVRU\VFRSHDOORZV)6*;LQVWDOODWLRQDQGRSHUDWLRQLQWRDLUFUDIWLQJURXQGV\VWHPVIL[HGSRUWDEOHDQGPRELOHLQWRYHKLFOHV6OLGHLQUHSODFHPHQWDGDSWHUVDOORZHDV\)6*;UHWURILWDJDLQVWIRUPHU:DOWHU'LWWHOWUDQVFHLYHUV)6*)6*6)6*)6*0XVLQJH[LVWLQJLQVWDOODWLRQV'HVFULSWLRQ $UWLFOHQR5HWURILWDGDSWHUUHDG\PRXQWHG±WRUHSODFH)6*0 )5HWURILWDGDSWHUUHDG\PRXQWHG±WRILWLQWRPRXQWLQJWUD\RI)6*06 )5HWURILWDGDSWHUUHDG\PRXQWHG±WRUHSODFHPRXQWLQJWUD\RI)6*06IL[LQJKROHVOHIWDQGULJKW )&RQQHFWRUNLW68%'SLQLQFOPRXQWLQJKDUGZDUH ))ROGHGWRSDQWHQQDIRUJOLGHUVDQWLVWDWLF0+]PIWFDEOH5*&8%1&FRQQHFWRU$SSOLHVIRUZRRGRU*53WDLOILQQRWPHWDORUFDUERQILEHUWDLOILQ)5RGDQWHQQDVZLYHOW\SHPIWFDEOHZRXW5)SOXJ :%1&DQWHQQDFRQQHFWRUVROGHUW\SH (:LULQJKDUQHVVPIWFRPSOHWHZLWKDOOFRQQHFWRUV ),QWHUFRPZLULQJKDUQHVVPIWFRPSOHWHZLWK,&VZLWFK )$LUFUDIWORXGVSHDNHU:DWWVPDOOUREXVWFDVHWZRSROHVRFNHWVWRFRQQHFWPLFURSKRQHVRUKHDGVHWVWHUPLQDOIRU377NH\ILWVKDUQHVV)RU))'\QDPLFKHDGVHWQRLVHFDQFHOOLQJFRLOHGFRUGSROHSOXJ88 :$GDSWHUFDEOHIRUKHDGVHW:WRILW)$&VSHDNHU )'\QDPLFJRRVHQHFNPLFURSKRQHPIWFDEOHSROHFRQQHFWRUVSHFLDOO\IRUJOLGHUVDQGPRWRUJOLGHUV )'\QDPLFPLFURSKRQHIRU3&SRUWDEOHDQGIRUFDUPRELOHXVHFRLOHGFRUG377NH\SROHSOXJ )5HWDLQLQJEUDFNHWILWVPLFURSKRQH) ('\QDPLFILVWPLFURSKRQHFRLOHGFRUG377NH\SROHSOXJ )0LFURSKRQHEUDFNHWWRNHHSPLFURSKRQH) :'\QDPLFPLFURSKRQHORXGVSHDNHUFRLOHGFRUG377NH\SROHSOXJVHDOHG )377NH\PIWFDEOHSHUPDQHQWLQVWDOODWLRQRQWKH\RNH ),QOLQH377NH\8$8FRLOHGFRUGSROHSOXJPDWHV$&VSHDNHU)RU3RUWDEOH&DVHV3&36DQGKHDGVHW$1:FOLSDOORZVDWWDFKLQJWRFORWKLQJ)3RZHUVXSSO\9GF$KOHDGFDOFLXPEDWWHU\FRPSOHWHZLWKUXJJHGVWHHODOXPLQXPFDVHFLUFXLWEUHDNHU/('WHVWVHWSROHVRFNHWPRXQWLQJEUDFNHW)$XWRPDWLFEDWWHU\FKDUJHU'/9DF2XWSXW9GFP$)RUDOODLUERUQHDQGSRUWDEOH9OHDGEDWWHULHV )&DUPRXQWLQJEUDFNHW )](https://usermanual.wiki/f-u-n-k-e-AVIONICS/FSG90.FSG-90-Maintenance-Manual-part-one/User-Guide-169919-Page-14.png)
![)6*6\VWHP*HQHUDO'HVFULSWLRQ1RYHPEHU 3DJH (TXLSPHQWUHTXLUHGEXWQRWVXSSOLHGD 9+)DLUFUDIWDQWHQQDZLWKFRD[FDEOH5*&8DQG%1&FRQQHFWRU0DOHE +HDGSKRQH2KPVW\SLFDODQGRUORXGVSHDNHU2KPVF 1RQDPSOLILHGG\QDPLFPLFURSKRQH2KPRUDPSOLILHGFDUERQPLFURSKRQHDPSOLILHGG\QDPLFRU(OHFWUHWPLNHZLWKRUZLWKRXW377NH\VHSDUDWHPLNHLQSXWVDPSOLILHGQRQDPSOLILHGG $OWHUQDWLYHO\WREDQGFKHDGVHWVZLWKVLPLODUVSHFLILFDWLRQVH %DWWHU\SRZHUVXSSO\XQLW9GFPLQLPXP$KIRUDLUFUDIWZLWKRXWHOHFWULFDOV\VWHPI 3XVKWRWDONNH\SHUPDQHQWO\LQVWDOOHGRQ\RNHLIPLFURSKRQHZRXW377NH\LVXVHGJ SROH68%'FRQQHFWRUW\SH'$6DQGFRYHULIQRSUHPDQXIDFWXUHGZLULQJKDUQHVVH[LVWV 0LFURSKRQHKLQWV,03257$17D 5DGLRV\VWHPUHOLDELOLW\DQGSHUIRUPDQFHVLJQLILFDQWO\GHSHQGVRQTXDOLW\DFRXVWLFDFFHVVRULHVE([WUHPHO\KLJKSHUIRUPDQFHUHTXLUHPHQWVHVSHFLDOO\IRUN+]7HFKQRORJ\GHPDQGDIWHULQVWDOODWLRQFRPSOHWLRQSURSHUDFRXVWLFVOHYHOLQJWKURXJK6(783LQRUGHUWRPDLQWDLQEHVWUDGLRFDSDELOLW\7KHUHIRUHSOHDVHGRQRWXVHORZSHUIRUPDQFHDFRXVWLFVDFFHVVRULHVF '\QDPLFPLFURSKRQHUHTXLUHVVKLHOGHGZLULQJ(VVHQWLDOUHTXLUHPHQWLVFRQVHTXHQWVHSDUDWLRQRIPLFURSKRQHJURXQGVKLHOGIURPDQ\RWKHUJURXQG7KLVPHDQVG\QDPLFPLNHJURXQGVKLHOGPXVWEHVHSDUDWHGIURPDQ\RWKHUJURXQGVIRU'&LQSXWDQG'&RXWSXW$)LQSXWDQG$)RXWSXWOLNHVSHDNHUSKRQH377DQGH[WHUQDO$)LQSXW2WKHUJURXQGVIRU'&LQSXWDQGRXWSXWVSHDNHUSKRQH377DQGH[WHUQDO$)PD\EHFRQQHFWHGWRJHWKHUZLWKWKHDPSOLILHGPLNHJURXQGG$PSOLILHGPLFURSKRQHVPD\FRQWDLQG\QDPLFRU(OHFWUHWDFRXVWLFVWUDQVGXFHUVH$OZD\VHQVXUH,'(17,&$/PLFURSKRQHVDUHXVHGIRUSDUDOOHORSHUDWLRQ6LPLODUUHTXLUHPHQWVDUHDSSOLFDEOHIRUKHDGSKRQHFKDUDFWHULVWLFVI $OZD\VHQVXUHWKDWGXULQJ6(783DOORIWKHPDQ\)6*;IXQFWLRQVDUHDGMXVWHGWRDFKLHYHRSWLPL]HGUDGLRV\VWHPSHUIRUPDQFHJ2SHUDWLRQRIDPSOLILHGPLFURSKRQHV\VWHPVFORVHWRWKHUDGLDWLQJDQWHQQDSRUWDEOHFDVHRUORFDWHGULJKWEHKLQGRIWKHFRFNSLWPD\EHLQIOXHQFHGIURPVWURQJDQWHQQD5)ILHOGVWUHQJWKDQGEHFRPHXQVWDEOHRVFLOODWHVRUFDXVHVPRGXODWLRQGLVWRUWLRQ9HULI\WKLVHIIHFWVSRVVLEOHFDXVHGE\E\5)UHSODFLQJWKHUDGLDWLQJDQWHQQDDJDLQVWDUWLILFLDODQWHQQD5)GXPP\ORDGWHPSRUDULO\](https://usermanual.wiki/f-u-n-k-e-AVIONICS/FSG90.FSG-90-Maintenance-Manual-part-one/User-Guide-169919-Page-15.png)

![)6*6\VWHP,QVWDOODWLRQ1RYHPEHU 3DJH6(&7,21,167$//$7,21 *HQHUDO7KLVVHFWLRQFRQWDLQVLQVWUXFWLRQVDQGVXJJHVWLRQVWREHFRQVLGHUHGEHIRUHLQVWDOOLQJWKHUDGLR)6*;LQWRDQDLUFUDIW&ORVHDGKHUHQFHWRWKHVHVXJJHVWLRQVZLOODVVXUHPRUHVDWLVIDFWRU\SHUIRUPDQFHIURPWKHHTXLSPHQW,QIRUPDWLRQLQWKLVVHFWLRQDUHLQWHQGHGIRUFHUWLILHGDYLRQLFVVKRSVRQO\:RUNVXFKDVLQVWDOODWLRQZLULQJDQGWHVWLQJVKRXOGRQO\EHFDUULHGRXWE\DTXDOLILHGWHFKQLFLDQ,03257$17,ILQVWDOODWLRQLQWRDQDLUFUDIWLVPDGHE\RWKHUWKDQDFHUWLILHGDYLRQLFVVKRS\RXKDYHWRFRQVXOW\RXUUHVSRQVLEOHDLUFUDIW$YLRQLFVLQVSHFWRUEHIRUHWKHLQVWDOODWLRQ±WRJHWDXWKRUL]HGFHUWLILFDWLRQRI\RXUFRPSOHWHGLQVWDOODWLRQ7KHFRQGLWLRQVDQGWHVWVUHTXLUHGIRU)$$762DSSURYDORIWKLVDUWLFOHDUHPLQLPXPSHUIRUPDQFHVWDQGDUGV,WLVWKHUHVSRQVLELOLW\RIWKRVHGHVLULQJWRLQVWDOOWKLVDUWLFOHHLWKHURQRUZLWKLQDVSHFLILFW\SHRUFODVVRIDLUFUDIWWRGHWHUPLQHWKDWWKHDLUFUDIWLQVWDOODWLRQFRQGLWLRQVDUHZLWKLQWKH)$$762VWDQGDUGV,IQRWZLWKLQWKH)$$762VWDQGDUGVWKHDUWLFOHPD\EHLQVWDOOHGRQO\LIIXUWKHUHYDOXDWLRQE\WKHDSSOLFDQWGRFXPHQWVDQDFFHSWDEOHLQVWDOODWLRQDQGLVDSSURYHGE\WKH$GPLQLVWUDWRU 8QSDFNLQJDQG,QVSHFWLQJ(TXLSPHQW8QSDFNWKHHTXLSPHQWFDUHIXOO\DQGLQVSHFWHDFKLWHPIRUHYLGHQFHRIGDPDJHLQFXUUHGGXULQJVKLSPHQW)6*PRGHOQXPEHUDQGVHULDOQXPEHUPXVWFRPSO\ZLWKUHOHYDQWGHWDLOVPHQWLRQHGLQ$LUZRUWKLQHVV$SSURYDO7DJDQGGHOLYHU\QRWHGHWDLOVDWWDFKHGWRWKHVKLSPHQW,IDGDPDJHFODLPPXVWEHILOHGVDYHWKHVKLSSLQJFRQWDLQHUDQGDOOSDFNLQJPDWHULDOVWRVXEVWDQWLDWH\RXUFODLP7KHFODLPVKRXOGEHILOHGZLWKWKHWUDQVSRUWDWLRQFRPSDQ\DVVRRQDVSRVVLEOH,IDGDPDJHLVQRWHGDIWHUWKHILUVWWHVWQRWLI\WKHWUDQVSRUWDWLRQFRPSDQ\LQZULWLQJZLWKDGYDQFHSKRQHRUID[DGYLFHDERXWKLGGHQWUDQVSRUWGDPDJH$FRS\RIVXFKDFODLPLQFOXGLQJDOOLQIRUPDWLRQIURPWKHW\SHODEHOLVWREHIRUZDUGHGZLWKRXWGHOD\DOVRWR:DOWHU'LWWHO*PE+ 3UHLQVWDOODWLRQ7HVW%HIRUHLQVWDOOLQJWKHUDGLRLQWRDQDLUFUDIWYHKLFOHRUSRUWDEOHFDUU\LQJFDVHDVKRUWEXWFRPSUHKHQVLYHIXQFWLRQDOWHVWE\DFHUWLILHGDYLRQLFVVKRSLVUHFRPPHQGHGD ,QWHUFRQQHFWWKHUDGLRZLWKDWHVWZLULQJKDUQHVVDFFRUGLQJWRILJXUHWRWKHWHVWEHQFKVHWXS)RU)6*VHWVXSSO\WR9GFDWUDGLRLQSXWWHUPLQDOV)RU)6*+VHWVXSSO\WR9GFDWUDGLRLQSXWWHUPLQDOV7XUQ21WKHUDGLRZLWKWKH212))92/VZLWFKRQIURQWSDQHO6ZLWFK2))WKH6TXHOFKSXVK64EXWWRQE ,Q5HFHLYH0RGHVHWWKH92/FRQWUROWRPLGSRVLWLRQ2QDOOFKDQQHOVZLWKLQ0+]DOPRVWLGHQWLFDOVWURQJFRQWLQXRXVDFRXVWLFQRLVHPXVWEHDXGLEOHF 5HFHLYHUVHQVLWLYLW\RQDOOFKDQQHOVPXVWFRPSO\ZLWKWHFKQLFDOGDWDPDNHVHQVLWLYLW\WHVWVWRFRYHUWKHZKROHIUHTXHQF\UDQJHG6ZLWFK21WKH6TXHOFKSXVK64EXWWRQDJDLQ7KHVTXHOFKWKUHVKROGGHSHQGLQJRQ6(783SUHVHWWLQJVKDOOEHZLWKLQ9DQG92KPVYDU\VLJQDOJHQHUDWRURXWSXWOHYHOH&RQQHFWD2KP:DWWPHWHUDQGDRUG%WKURXJKOLQH5)DWWHQXDWRUSDG.H\WKHWUDQVPLWWHUDQGFKHFN5)RXWSXWOHYHOPRUHWKDQ:FDUULHURUPRUHWKDQ:FDUULHUIRU)6*+PRGHO](https://usermanual.wiki/f-u-n-k-e-AVIONICS/FSG90.FSG-90-Maintenance-Manual-part-one/User-Guide-169919-Page-17.png)
![)6*6\VWHP,QVWDOODWLRQ3DJH 1RYHPEHUI $GMXVWDXGLRJHQHUDWRUWR+]YLDDWWHQXDWRUIRUG\QDPLFPLFURSKRQHRUGLUHFWO\YLDGHFRXSOLQJFDSDFLWRUFRQQHFWHGWR$PSOLILHG&DUERQ0LFURSKRQH,QSXW:LWKP9UPVLQSXWWKHWUDQVPLWWHUVKDOODFKLHYHPRUHWKDQ$0,QFUHDVH$)LQSXWWR9UPVREVHUYHPRGXODWLRQHQYHORSHQRRYHUPRGXODWLRQVKDOORFFXUGHSWKRIPRGXODWLRQPXVWUHPDLQOHVVWKDQ$0'\QDPLF0LFURSKRQH,QSXW:LWKVRPHP9UPVLQSXWWKHWUDQVPLWWHUVKDOODFKLHYHPRUHWKDQ$0GHSHQGLQJRQ6(783SUHVHWWLQJ,QFUHDVH$)LQSXWWRP9UPVDQGREVHUYHPRGXODWLRQHQYHORSH1RRYHUPRGXODWLRQVKDOORFFXUGHSWKRIPRGXODWLRQPXVWUHPDLQOHVVWKDQ$0 3DUWLFXODU5HPDUNVWR)6*;WUDQVPLWWHUPRGXODWLRQ)RUWKHFRPELQHGN+]DQGN+]FKDQQHOVSDFLQJDLUEDQGUDGLRWHFKQRORJ\KLJKO\GHPDQGLQJVSHFLILFUHTXLUHPHQWVVKDOOEHFRPSUHKHQVLYHO\FRQVLGHUHGDVIROORZV 9RLFHPRGXODWLRQZLWKLWVW\SLFDOG\QDPLFSHDNVIDVWDQGODUJHOHYHOFKDQJHVVKDOOPRGXODWHWKHWUDQVPLWWHUZLWKSHDN$0GHSWKRIOHVVWKDQ )DFWRU\VHWWLQJRIWKHYHU\VSHFLILF)6*;YRLFHSURFHVVRUUHVXOWVLQDUHPDUNDEOH$9(5$*(RIDSSUR[LPDWHO\$0GHSWKYRLFHDQG6LQHPRGXODWLRQ7KXVRSWLPL]HGXVDJHRIWKH5)FDUULHULVDFKLHYHG 'RQRWFKDQJHWKLVVHWWLQJRWKHUZLVHWKHVWULQJHQW7UDQVPLWWHU6SHFWUXP0DVNLVQRORQJHUPDLQWDLQHG 7KH:DOWHU'LWWHO)6*6\VWHPLQFRUSRUDWHVDVSHFLDO',77(/92,&(352&(6625ZKLFKLVPDWFKHGEHVWWRPHHWWKHUHTXLUHPHQWVRIWKHSDUWLFXODUHQYLURQPHQWDOQRLVHOHYHOVLWXDWLRQD7KLVHQVXUHVDDOZD\VORXGDQGFOHDUWUDQVPLWWHUPRGXODWLRQXQGHUFRQVLGHUDWLRQRIVSHFLILFWHVWUHTXLUHPHQWVE'XHWRWKHYRLFHSURFHVVRUYRLFHVLJQDOWUDQVIHULV,'(17,&$/LQERWKWKHN+]DQGLQWKHN+]FKDQQHOVSDFLQJPRGHF (YHQXQGHUWKHVHYHU\VSHFLILFFRQGLWLRQVIXOILOOPHQWRIWKHFULWLFDOKLJKO\GHPDQGLQJ6SHFWUXP0DVNLVDFKLHYHG $OWKRXJKGXHWRWKHVSHFLILFYRLFHSURFHVVRUFRPSUHVVLRQRIPRGXODWLRQSHDNVZKHQWHVWHGZLWKPD[LPXPVLQHZDYHPRGXODWLRQVLJQDODFRQYHQWLRQDOWHVWLQJRIVWDQGDUGPRGXODWLRQGLVWRUWLRQPHDVXUHPHQWVLVSRVVLEOH7KLVGRHVKRZHYHUUHIHURQO\WRVLQHZDYHWHVWLQJ,WZLOOEHWKHUHIRUHKLJKHUWKDQWKHXVXDOVLQXVPRGXODWLRQGLVWRUWLRQEXWZLOOVWD\IDUEHORZWKHPD[LPXPDOORZHGPRGXODWLRQGLVWRUWLRQIDFWRUZLWKVLQXVPRGXODWLRQ 7KHUHIRUHMXGJHPHQWRIWKHHIIHFWLYHO\RFFXSLHGWRWDOWUDQVPLWWHUEDQGZLGWKVSHFWUXPPDVNLVWKHRQO\WUXHUHDOPHDVXUHPHQWPHWKRG6XFKPHDVXUHPHQWVFDQEHPDGHRQO\ZLWKVSHFLILFWHVWVHWXS )RUWHVWVRIWKH)6*;PRGXODWLRQFDSDELOLW\DVLQHPRGXODWLRQVLJQDOLVXVHIXORQO\EHORZVRPH$0GHSWKDQGLVRQWKHRWKHUKDQGKHOSIXORQO\LQGHWHUPLQLQJRISRVVLEOHRYHUPRGXODWLRQEXWLVQRWDSSOLFDEOHWRMXGJHYRLFHGLVWRUWLRQDQ\PRUH](https://usermanual.wiki/f-u-n-k-e-AVIONICS/FSG90.FSG-90-Maintenance-Manual-part-one/User-Guide-169919-Page-18.png)



![)6*6\VWHP,QVWDOODWLRQ3DJH 1RYHPEHU $QWHQQDLQVWDOODWLRQ<RXUUDGLR)6*;LVRQO\DVJRRGDVWKHDQWHQQD)RURSHUDWLRQDYHUWLFDOSRODUL]HG2KPEURDGEDQGDLUFUDIW&20DQWHQQDLVUHTXLUHG7KHDQWHQQDPXVWEHDEOHWRUDGLDWH5)HQHUJ\HYHQO\DQGRPQLGLUHFWLRQDO )LUVWRIDOOORRNXSWKHDLUFUDIWVPDQXDOIRUDQWHQQDLQVWDOODWLRQLQVWUXFWLRQV 7KHDQWHQQDLQVWDOODWLRQORFDWLRQPXVWEHFDUHIXOO\SODQQHG,WZRXOGEHWKHEHVWWRFRQVXOWWKHDLUFUDIWFHUWLI\LQJLQVSHFWRU,QRUGHUWRDFKLHYHEHVWUHVXOWVLQWRDOOGLUHFWLRQVLQVWDOODWLRQLQVWUXFWLRQVPXVWEHIXOO\FRPSOLHGZLWK )RUDLUFUDIWZLWKPHWDOIXVHODJHZHUHFRPPHQGRXUDQWHQQDDUWLFOH1R:7KHDQWHQQDLVPRXQWHGYHUWLFDOO\DVSRVVLEOHRQRUXQGHUWKHIXVHODJH/RFDWLRQVKRXOGEHHYHQDZD\IURPKRUL]RQWDOO\VFUHHQLQJPHWDOSDUWVOLNHSURSHOOHUXQGHUFDUULDJHYHUWLFDOPHWDOILQVHWFIRUPD[LPXPUDGLRUDQJHLQWRDOOKRUL]RQWDOGLUHFWLRQV 'LVWDQFHWRRWKHUDLUFUDIWDQWHQQDVOLNHDQRWKHU&201$9DQWHQQDVKRXOGEHDWOHDVWPIW:KHQXVLQJWZRUDGLRV)6*;DGLVWDQFHRIPIWEHWZHHQ&20DQWHQQDVLVVXIILFLHQW 7KHDQWHQQDPRXQWLQJDUHDVKRXOGEHDVIODWDVSRVVLEOH 7KHPHWDOOLFFRQWDFWEHWZHHQDLUFUDIWVXUIDFHVWUXFWXUHDQGWKHDQWHQQDFDEOHRXWHUFRQGXFWRUVKLHOGPXVWEHUREXVW7KHHOHFWULFDOFRQWDFWVKDOOUHPDLQFRQWLQXRXVO\JRRGVDIHDJDLQVWYLEUDWLRQ )RUZRRGDQGILEHUJODVV*53DLUFUDIWRUDOXPLQXPFRXQWHUZHLJKWVWULSVHDFPIWORQJFPLQZLGHDUHUHFRPPHQGHGEXWVKDOOEHSODFHGPRVWO\KRUL]RQWDOO\ZLWKDLISRVVLEOHUHFWDQJXODUVKDSHDVDVWDURUFURVV 7KHVHDVVWDURUFURVVSODFHGFRXQWHUZHLJKWVPXVWEHFHQWUDOO\VFUHZHGWRJHWKHUZLWKWKHDQWHQQDVRFNHWZLWKFRQWLQXRXVHOHFWULFDOO\JRRGFRQWDFW $OWHUQDWLYHO\IRUDLUFUDIWZLWKQRQPHWDOOLFVXUIDFHVWUXFWXUHLQVLGHWKHIXVHODJHDPHWDOIRLOPLQ[FPIW[IWFDQEHVWXFNLQ7KHDQWHQQDVRFNHWZLOOWKHQEHSODFHGLQWKHIRLOFHQWHUWRJHWKHUZLWKDPHWDOOLFJURXQGFRQWDFWVXSSRUWSODWH )RUDLUFUDIWZLWKIXVHODJHDQGRUWDLOILQPDGHRIQRQFRQGXFWLYHPDWHULDORXUYHUWLFDOIROGHGWRSDQWHQQDDUWLFOHQR)LVVXLWDEOH,QVWDOODWLRQLVPDGHSUHIHUDEO\GXULQJPDQXIDFWXULQJWKHWDLOILQ$QLQVWDOODWLRQGUDZLQJLVDYDLODEOHRQUHTXHVW,03257$17&DUERQILEHULVFRQGXFWLQJDQGPD\VKLHOGWKHDQWHQQD &DUHIXOVHDOLQJRIDOORSHQLQJVRIWKHRXWHUVNLQLVPDQGDWRU\0DNHVXUHWKDWHOHFWULFDOFRQWDFWVUHPDLQFRQWLQXRXVO\JRRGHYHQXQGHUEDGHQYLURQPHQWDOFRQGLWLRQV 8VHRQO\KLJKTXDOLW\ FRD[FDEOHW\SH5*&8$YRLGDQ\VKDUSFDEOHEHQGUDGLXV!PPDQGDQ\H[FHVVLYHFRD[FDEOHOHQJWK 3ODFHDOOZLULQJLQFOXGLQJDQWHQQDFDEOHGLVWDQWWRRWKHUZLULQJZKLFKFDUULHVKHDY\$&FXUUHQWVDQGGLVWDQWWRDQ\DLUFUDIWFRQWUROV $Q\RSHUDWLQJNLQHPDWLFVWULPPLQJDQGDOOFRQWUROKDQGOHVPXVWEHDEVROXWHO\IUHHLQDOOGLUHFWLRQV (QVXUHWKH%1&DQWHQQDSOXJLVQRWVKRUWHQHGEHWZHHQLQQHUDQGRXWHUFRQQHFWRU2KPPHWHU5HVLVWDQFH LQGLFDWHVDVKRUWLQVLGHDQWHQQDFRQQHFWRUZKLOHVRPHWR LQGLFDWHVWKHDQWHQQDFDEOHUHVLVWDQFHZKLOHDQLQWHUQDOO\VWDWLFSURWHFWHGDQWHQQDLVXVHG$VLPSOHURGDQWHQQDLVWHVWHGIRUORZUHVLVWLYHFRQWDFWEHWZHHQLQQHUFDEOHFRQGXFWRUDQGUDGLDWRUDQGRXWHUFRQGXFWRUWRFRXQWHUZHLJKW &KHFNWKHDQWHQQDPDWFKLQJXVLQJ 6:5PHWHURYHUWKHZKROHIUHTXHQF\UDQJHIRU6:5,WPD\EHKHOSIXOQHFHVVDU\WRFKDQJHVOLJKWO\WKHOHQJWKRIWKHPLGGOHUDGLDWRURUFRXQWHUZHLJKWOHQJWKIRURSWLPL]HGDQWHQQDHIILFLHQF\DQGPDWFKLQJ5(0(0%(5$JRRGDQWHQQDLVWKHEHVW5)DPSOLILHU](https://usermanual.wiki/f-u-n-k-e-AVIONICS/FSG90.FSG-90-Maintenance-Manual-part-one/User-Guide-169919-Page-22.png)


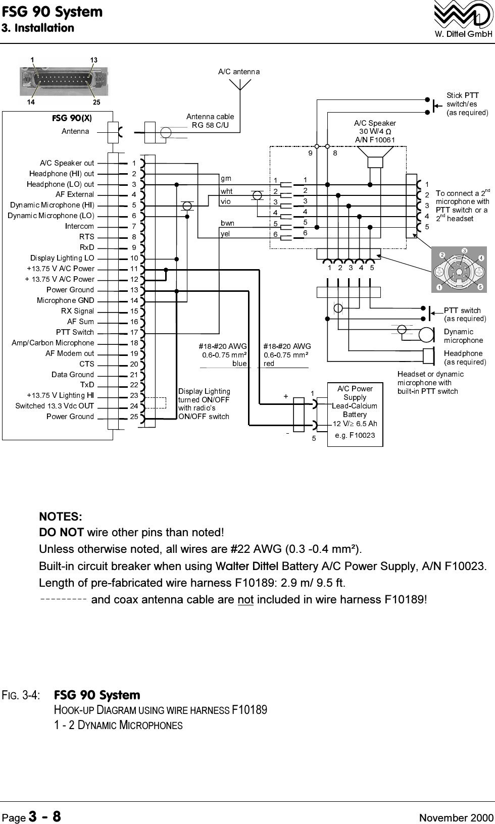
![)6*6\VWHP,QVWDOODWLRQ1RYHPEHU 3DJH127(6'2127ZLUHRWKHUSLQVWKDQQRWHG8QOHVVRWKHUZLVHQRWHGDOOZLUHVDUH$:*PPð,QWHUFRPRSHUDWLRQUHTXLUHVDPLFURSKRQHZKLFKSURYLGHVDXGLR287ZLWKWKH377NH\GHHQHUJL]HGQRWNH\HG%XLOWLQFLUFXLWEUHDNHUZKHQXVLQJ:DOWHU'LWWHO%DWWHU\$&3RZHU6XSSO\$1)/HQJWKRISUHIDEULFDWHGZLUHKDUQHVV)PIWDQGFRD[DQWHQQDFDEOHDUHQRWLQFOXGHGLQZLUHKDUQHVV)),* )6*6\VWHP+22.83',$*5$086,1*:,5(+$51(66)'<1$0,&0,&523+21(6$1',17(5&20](https://usermanual.wiki/f-u-n-k-e-AVIONICS/FSG90.FSG-90-Maintenance-Manual-part-one/User-Guide-169919-Page-25.png)
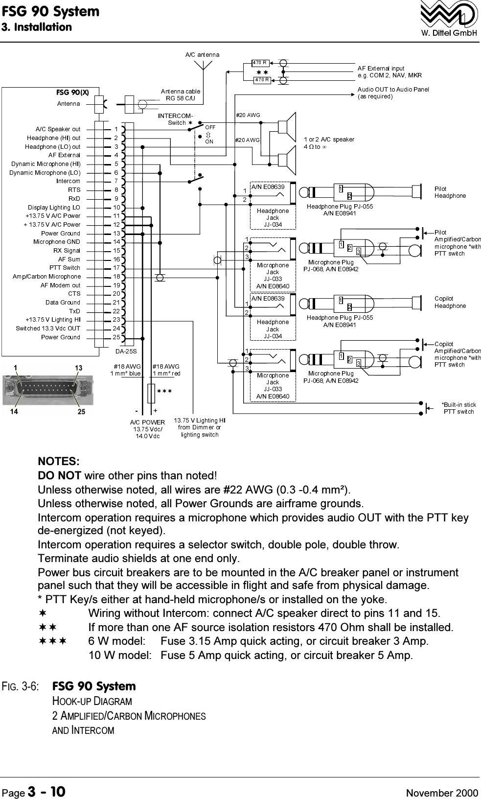
![)6*6\VWHP,QVWDOODWLRQ3DJH 1RYHPEHU127(6'2127ZLUHRWKHUSLQVWKDQQRWHG8QOHVVRWKHUZLVHQRWHGDOOZLUHVDUH$:*PPð8QOHVVRWKHUZLVHQRWHGDOO3RZHU*URXQGVDUHDLUIUDPHJURXQGV,QWHUFRPRSHUDWLRQUHTXLUHVDPLFURSKRQHZKLFKSURYLGHVDXGLR287ZLWKWKH377NH\GHHQHUJL]HGQRWNH\HG,QWHUFRPRSHUDWLRQUHTXLUHVDVHOHFWRUVZLWFKGRXEOHSROHGRXEOHWKURZ7HUPLQDWHDXGLRVKLHOGVDWRQHHQGRQO\3RZHUEXVFLUFXLWEUHDNHUVDUHWREHPRXQWHGLQWKH$&EUHDNHUSDQHORULQVWUXPHQWSDQHOVXFKWKDWWKH\ZLOOEHDFFHVVLEOHLQIOLJKWDQGVDIHIURPSK\VLFDOGDPDJH377.H\VHLWKHUDWKDQGKHOGPLFURSKRQHVRULQVWDOOHGRQWKH\RNH:LULQJZLWKRXW,QWHUFRPFRQQHFW$&VSHDNHUGLUHFWWRSLQVDQG ,IPRUHWKDQRQH$)VRXUFHLVRODWLRQUHVLVWRUV2KPVKDOOEHLQVWDOOHG :PRGHO )XVH$PSTXLFNDFWLQJRUFLUFXLWEUHDNHU$PS:PRGHO )XVH$PSTXLFNDFWLQJRUFLUFXLWEUHDNHU$PS),* )6*6\VWHP+22.83',$*5$0$03/,),('&$5%210,&523+21(6$1',17(5&20](https://usermanual.wiki/f-u-n-k-e-AVIONICS/FSG90.FSG-90-Maintenance-Manual-part-one/User-Guide-169919-Page-26.png)
![)6*6\VWHP,QVWDOODWLRQ1RYHPEHU 3DJH 0LFURSKRQH&RQQHFWLRQ,QGHSHQGHQWRIHDFKRWKHUDOPRVWDQ\QRQDPSOLILHGG\QDPLFPLFURSKRQHRUDPSOLILHG(OHFWUHWRUDPSOLILHGG\QDPLFRUFDUERQVWDQGDUGPLFURSKRQHVFDQEHFRQQHFWHGWRWKH)6*6\VWHPZLWKRXWLQWHUQDOMXPSHUVHWWLQJRUVROGHULQJ$DPSOLILHGFDUERQPLFURSKRQHLVFRQQHFWHGWRSLQDG\QDPLFPLFURSKRQHLVFRQQHFWHGWRSLQRIWKHSROH68%'UHFHSWDFOH$YRLGDQ\JURXQGORRSLQPLFURSKRQHZLULQJG\QDPLFQRQDPSOLILHGPLNHVKLHOGVKDOOQRWEHFRQQHFWHGWRDQ\RWKHUDLUFUDIWZLULQJH[FHSWGLUHFWO\DWWKHDVVLJQHGSLQLQWKHDFFHVVRU\FRQQHFWRU8SWRWZR,'(17,&$/PLFURSKRQHVIRUSLORWDQGFRSLORWFDQEHRSHUDWHGLQSDUDOOHOVLPXOWDQHRXVO\(YHQWZRORZLPSHGDQFH2KPG\QDPLFPLFURSKRQHVPD\EHFRQQHFWHGLQSDUDOOHODVZHOO+RZHYHUIRUPLFURSKRQHVZLWKOHVVWKDQ2KPVLWPD\EHQHFHVVDU\WRXVHDVXLWDEOHPLFURSKRQHWUDQVIRUPHU7KHDVVRFLDWHGPLFURSKRQHJURXQGVKLHOGIRUG\QDPLFPLFURSKRQHVPXVWEHFRQVHTXHQWO\URXWHGJDOYDQLFDOO\LVRODWHGLQRUGHUWRDYRLGDQ\JURXQGORRS7KLVPHDQVG\QDPLFPLNHJURXQGVKLHOGPXVWEHVHSDUDWHGIURPDQ\RWKHUJURXQGVIRU'&LQSXWRU'&RXWSXW$)LQSXWDQG$)RXWSXWOLNHVSHDNHUSKRQH377DQGH[WHUQDO$XGLR,QWKLVFRQWH[WGXHWRWKHH[WUHPHO\ZLGHPLNHLQSXWOHYHODGMXVWPHQWUDQJHLWLVPDQGDWRU\WRXQGHUVWDQGWKDWFRUUHFWO\PDWFKHG)6*;PLNHLQSXWVHQVLWLYLW\6(783ZLOOEHJRRG21&()25(9(5IRUWKLVFRQILJXUDWLRQDQGWRHQVXUHVWDEOHRSHUDWLRQZLWKRXWDXGLRIHHGEDFN,03257$177KHSROHPLNHFRQQHFWRUW\SH3-08671(9(5EHXVHGZKHQXVLQJQRQDPSOLILHGG\QDPLFPLFURSKRQHVEHFDXVHJURXQGIRUPLNHDQG377LVLGHQWLFDO7KLVZRXOGFUHDWHDJURXQGORRSDQGFDXVHXQVWDEOHGLVWRUWHGPRGXODWLRQ7KLV3-LVDOORZHGRQO\IRUDPSOLILHGFDUERQPLNHV +RZHYHUWKH3-3-FRQQHFWRUV\VWHPPXVWEHUHJXODUO\FOHDQHGFRQWDFWVVKDOOKDYHVXIILFLHQWVSULQJORDGHGIRUFH7KLVLVHVSHFLDOO\PDQGDWRU\XQGHUYLEUDWLRQRSHUDWLQJFRQGLWLRQV ,QWHUFRP,&,QWHUFRPLVVXLWDEOHIRUWZLQVHDWHUDLUFUDIWZLWKQRLV\FRFNSLW,QWHUFRPDVZHOODVUDGLRRSHUDWLRQVKRXOGHPSOR\VXLWDEOHDLUFUDIWKHDGVHWVZKLFKPXVWEHPDWFKHGSURSHUO\WRWKHWUDQVFHLYHUUHIHUWR6(783+DQGKHOGPLFURSKRQHVPD\EHXVHIXOIRULQWHUFRPLIDXGLRLVQRWVZLWFKHGNH\HG212))E\WKH377IXQFWLRQ.H\LQJWKHPLNHDXGLRPD\FDXVHDZIXOFUDFNVGHSHQGLQJRQPLNHWHFKQRORJ\7RFRQWUROWKHLQWHUFRPFDSDELOLW\DLUFUDIWUDGLRZLULQJPXVWKDYHDWZRSROHWRJJOHVZLWFKUHIHUWRILJXUHRU7KHLQWHUFRPVZLWFKGLVFRQQHFWVWKHORXGVSHDNHUGXULQJ,&RSHUDWLRQLQWKH,&21SRVLWLRQ6LPXOWDQHRXVO\SLQRIWKHSROHFRQQHFWRULVVHWWRJURXQGWRVHOHFW,&21E\FRQWLQXRXVO\DFWLYDWLQJWKHPLFURSKRQHDPSOLILHULQSXWVLJQDO:LWKWKH,&VZLWFKLQ21SRVLWLRQLWLVSRVVLEOHDQ\WLPHWRSHUIRUPQRUPDOWUDQVPLWWLQJZLWKWKHQRUPDO377NH\LWDOVRDOORZVFRQWLQXRXVLQWHUFRPPXQLFDWLRQGXULQJUHFHLYHEHWZHHQSLORWDQGFRSLORWFUHZQR377DFWLRQLVUHTXLUHGIRUDQ\,&RSHUDWLRQ'XULQJUHFHLYHZKLOH,&LV21ERWKWKH,&ORXGQHVVDQGH[WHUQDODXGLRYROXPHDUHWHPSRUDULO\UHGXFHGWRLPSURYHUHFHLYHLQWHOOLJLELOLW\5HFHLYLQJYROXPHLVVHWRQWKH)6*;IURQWSDQHO92/ZKLOHLQWHUFRPYROXPHFDQEHRSWLPL]HGE\6(783DGMXVWPHQW](https://usermanual.wiki/f-u-n-k-e-AVIONICS/FSG90.FSG-90-Maintenance-Manual-part-one/User-Guide-169919-Page-27.png)

![)6*6\VWHP,QVWDOODWLRQ1RYHPEHU 3DJH &RQQHFWLRQWRD9GFDLUERUQHV\VWHP,QWHUFRQQHFWLRQRIWKH)6*;WUDQVFHLYHUVWRD9GFVXSSO\UHTXLUHVDFDSDEOHYROWDJHFRQYHUWHU,QWHUFRQQHFWLRQZLULQJVKDOOEHDFFRUGLQJWRLQVWUXFWLRQVRIWKH'&FRQYHUWHUPDQXIDFWXUHU)RUOLJKWLQJLQWHUFRQQHFWLRQUHIHUWR6HFWLRQ 3RVWLQVWDOODWLRQ&KHFN 7HVWLQJRQWKH*URXQGZLWK(QJLQH2II9HULILFDWLRQDIWHULQVWDOODWLRQFRPSOHWLRQ$IWHULQVWDOOLQJWKHXQLWFKHFNDOODLUFUDIWFRQWUROPRYHPHQWVWREHVXUHQRHOHFWULFDOFDEOHLQWHUIHUHZLWKWKHLURSHUDWLRQ$OODLUFUDIWDQGUDGLRIXQFWLRQVVKDOOEHWHVWHGDIWHULQVWDOODWLRQFRPSOHWLRQWRLGHQWLI\ZKHWKHUPDOIXQFWLRQVFDXVHGE\PHFKDQLFDODQGRUHOHFWULFDOLQVWDOODWLRQZRUNRFFXUV7KLVPXVWEHSHUIRUPHGE\DQDXWKRUL]HGDLUFUDIWHOHFWURQLFVLQVSHFWRU7HVWLQJRIDQWHQQDPDWFKLQJEHWZHHQWKH)6*;DQWHQQDVRFNHW%1&DQGWKH%1&DQWHQQDFDEOHFRQQHFWRULVUHTXLUHGXVLQJDVXLWDEOH2KP9+)5HIOHFWRPHWHU96:5PHWHURUDGLUHFWLRQDO:DWWPHWHU7KH6:5PXVWEHOHVVWKDQRYHUWKHIXOOIUHTXHQF\UDQJHWHVWHGDWOHDVWLQ0+]VWHSVUHIOHFWHGSRZHUVKDOOEHOHVVWKDQRIWKHIRUZDUG5)SRZHURXWSXW,IWKLVOLPLWLVH[FHHGHGWKLVLQGLFDWHVDPLVPDWFKHGDQWHQQDDQGPD\EHFDXVHGE\ZURQJDQWHQQDUDGLDWRURUFRXQWHUZHLJKWOHQJWKGLPHQVLRQVSRRUFRQWDFWVRUGDPDJHGRUXQVXLWDEOHQR2KPFRD[LDOFDEOH,QRUGHUWRRSWLPL]HUDGLRUDQJHLWLVVXJJHVWHGWRFDUHIRUDQ6:5RIOHVVWKDQUHIOHFWHGSRZHUVKDOOEHOHVVWKDQRIWKHIRUZDUG5)SRZHURXWSXW,03257$17,IWKHDQWHQQDLVEHOO\PRXQWHGSHUIRUPDQWHQQDPDWFKLQJPHDVXUHPHQWVLISRVVLEOHLQIOLJKWRUDWOHDVWZKLOHWKHIXVHODJHLVOLIWHGXSZDUGVXVLQJZRRGQRQPHWDOOLFVXSSRUWLQJPDWHULDO7KLVDYRLGVDQWHQQDPLVPDWFKFDXVHGIURPJURXQGSUR[LPLW\8VLQJNQRZQEXWGLVWDQWORFDWHGIL[HGVWDWLRQV92/0(7$7,6ZLOODOVRKHOSLQGHWHUPLQLQJWKHUDGLRUDQJHHVSHFLDOO\LQFRPSDULVRQZLWKNQRZQRWKHUUDGLRUDQJHUHVXOWVRIDQRWKHUDLUFUDIWDWWKHVDPHSRVLWLRQRQWKHJURXQGDWDNQRZQDLUILHOGORFDWLRQRURXWVLGHRIWKHKDQJDURUZRUNVKRS *URXQGFKHFNVZLWKHQJLQHUXQQLQJ,WPXVWEHHQVXUHGWKDWWKHDLUFUDIWVHOHFWULFDO'&V\VWHPYROWDJHDWWKH)6*;LQSXWWHUPLQDOVLVZLWKLQWKHWROHUDQFHVSHUPLWWHGDW9GFRU9ZLWK'&FRQYHUWHU%DWWHU\RQO\VXSSOLHGV\VWHPVRSHUDWHIURPWR9GF6XFKWHVWLQJUHTXLUHVQRUPDO530UDWHGDWFUXLVLQJVSHHG7KLVWHVWLQJHYDOXDWHVERWKWKHDXGLRQRLVHLQIOXHQFHDQG5)UDGLRUDQJHDWOHDVWIURPWRNPGLVWDQFHWRWKHJURXQGUDGLRVWDWLRQ:LWKFUXLVLQJ530FDELQQRLVHEDFNJURXQGFRQWHQWVKDOODOPRVWQRWH[LVW,QVWHDGORXGDQGFOHDUFRPPXQLFDWLRQVVKDOOEHDFKLHYHG7KHPLFURSKRQHVKDOOEHLQERWK7UDQVPLWDQG,QWHUFRPPRGHSODFHGULJKWDWWKHOLSVLQRUGHUWRREWDLQPD[LPXPYRLFHOHYHODWORZHVWFDELQQRLVHFRQWHQW6SHDNORXGDQGFOHDU9HULI\SURSHUPLFURSKRQHVHQVLWLYLW\VHWWLQJGXULQJ6(783DGMXVWPHQWVSULRUWRWKHILUVWIOLJKWRQJURXQG,ISRVVLEOHYHULI\WKHFRPPXQLFDWLRQVFDSDELOLW\DOVRRQERWKWKHORZDQGKLJKHQGRIWKH9+)&20EDQG,IQRLVHERWKZLWK6TXHOFK2QDQG2IIRFFXUVRQO\ZLWKWKHHQJLQHUXQQLQJDQGLILWVIUHTXHQF\YDULHVZLWKWKHHQJLQHUHYROXWLRQVLWPD\EHFDXVHGE\DQLQDGHTXDWH](https://usermanual.wiki/f-u-n-k-e-AVIONICS/FSG90.FSG-90-Maintenance-Manual-part-one/User-Guide-169919-Page-29.png)
![)6*6\VWHP,QVWDOODWLRQ3DJH 1RYHPEHUVXSSUHVVHGLJQLWLRQV\VWHPRUDOWHUQDWRUYROWDJHUHJXODWRUHTXLSPHQWRUE\SRRUVWDELOL]HGRQERDUGVXSSO\$FFRUGLQJWR('&57&$'2&UHTXLUHPHQWVWKHOLPLWVIRUULSSOHYROWDJHVDW9GFVXSSOLHVDUH9 DWN+]RU9 DWN+]'RXEOHWKHVHOLPLWVIRU9V\VWHPV,WLVHDVLHUWRGHWHUPLQHLQ5HFHLYHPRGHEHWZHHQ5)DQG$)LQWHUIHUHQFHFDUULHGRQWKHOLQHVE\WHPSRUDU\UHPRYLQJWKHDQWHQQDSOXJDWWKHWUDQVFHLYHU5)LQWHUIHUHQFHZKLFKXVXDOO\FRPHVIURPWKHLJQLWLRQRUJHQHUDWRUUHJXODWRUZLOOWKHQGLVDSSHDU5LSSOHRQWKHOLQHVFDQEHGHWHFWHGZLWKDQRVFLOORVFRSH,WVVRXUFHLVXVXDOO\WKHJHQHUDWRUHTXLSPHQWLQFRQMXQFWLRQZLWKDSRRUEDWWHU\RUSRRUZLULQJEDGFRQWDFWVGHIHFWLYHVZLWFKHVLQDGHTXDWHZLULQJGLPHQVLRQVJURXQGORRSVPRUHWKDQRQHJURXQGFRQQHFWLRQWRWKHDLUIUDPH2IWHQZLOOEDGFRQWDFWVLQWKHDQWHQQDV\VWHPRURWKHUYLEUDWLRQGHSHQGHQWPHWDOSDUWVFRQWDFWVYDU\ZLWKWKHHQJLQH530FDXVH5)LQWHUIHULQJGLVWRUWLRQ$QRLVHDWWHQXDWLQJKHDGSKRQHDVVLVWVW\SLFDODFRXVWLFIDLOXUHFKDUDFWHULVWLFVLGHQWLILFDWLRQ](https://usermanual.wiki/f-u-n-k-e-AVIONICS/FSG90.FSG-90-Maintenance-Manual-part-one/User-Guide-169919-Page-30.png)


![)6*6\VWHP)XQFWLRQDO'HVFULSWLRQ1RYHPEHU 3DJH)&+ 5RWDU\FRQWURODQGSXVKEXWWRQ GXDOIXQFWLRQ0RPHQWDULO\SXVKLQJWKH)&+NQRE ZKLOHLQWKH86(67%<RU',5(&7781(PRGHFKDQJHVWKHDFFHVVIURPN+]WR0+]RUYLFHYHUVDIURP0+]WRN+] ,IWKHUHLVQRDFWLYLW\IRUVHFRQGVWKH)&+NQREZLOOUHWXUQWRWKHN+]DFFHVV :KLOHLQWKH&+$11(/PRGHSXVKLQJWKH)&+NQRELVZLWKRXWIXQFWLRQ5RWDWLQJWKH)&+NQRE ZKLOHLQWKH86(67%<PRGHZLOOLQFUHPHQWRUGHFUHPHQWWKH0+]RUN+]SRUWLRQRIWKH67%<IUHTXHQF\ZLWKUROORYHUDWHDFKEDQGHGJH ZKLOHLQWKH&+$11(/PRGHFKDQJHVWKHFKDQQHOPHPRU\QXPEHUDQGFRUUHVSRQGLQJIUHTXHQF\2QO\FKDQQHOQXPEHUVZKLFKZHUHSURJUDPPHGEHIRUHZLOODSSHDU ZKLOHLQWKH',5(&7781(PRGHZLOOLQFUHPHQWRUGHFUHPHQWWKH0+]RUN+]SRUWLRQRIWKH86(IUHTXHQF\ZLWKUROORYHUDWHDFKEDQGHGJH6726725( 3XVKEXWWRQ8SWRIUHTXHQFLHVFKDQQHOQDPHVLQHDFK2SHUDWLQJPRGHFRPELQHGN+]PRGHDQGN+]RQO\PRGHPD\EHVWRUHGLQDQRQYRODWLOHPHPRU\7KHFKDQQHOPHPRU\QXPEHUV¡DUHXVHUSURJUDPPDEOH3URJUDPPLQJDIUHTXHQF\ 6HWWKHIUHTXHQF\RUFKDQQHOQDPHWREHVWRUHGLQWKHXSSHUOLQHDWWKHGLVSOD\ ,QLWLDOL]HVWRULQJE\SXVKLQJWKH672EXWWRQ 7KHODVWXVHGFKDQQHOPHPRU\QXPEHULVGLVSOD\HGLQWKHORZHUOLQH $IODVKLQJ&+VKRZVUHDG\WRVWRUH 6HOHFWDSSURSULDWHQHZFKDQQHOPHPRU\QXPEHUWRE\URWDWLQJWKH)&+NQRE 2QDIUHHFKDQQHOPHPRU\DQDGGLWLRQDO)IUHHLVGLVSOD\HG&+WR 7RHQWHUWKHQHZIUHTXHQF\FKDQQHOQDPHSXVKWKH672EXWWRQ7KHIUHTXHQF\FKDQQHOQDPHZLOOEHVWRUHGXQGHUWKHDGMXVWHGFKDQQHOPHPRU\QXPEHU $SUHYLRXVO\VWRUHGIUHTXHQF\FKDQQHOQDPHZLOOEHRYHUZULWWHQ 7KHODVWXVHG2SHUDWLQJPRGHLVGLVSOD\HG3URJUDPPLQJLQWKH6(783PRGH,QWKH6(783PRGHDOOVHWWLQJVPXVWLQGLYLGXDOO\EHFRQILUPHGE\SXVKLQJWKH672EXWWRQ2WKHUZLVHWKHVHWWLQJVDUHQRWSHUPDQHQWO\VWRUHG](https://usermanual.wiki/f-u-n-k-e-AVIONICS/FSG90.FSG-90-Maintenance-Manual-part-one/User-Guide-169919-Page-33.png)
![)6*6\VWHP)XQFWLRQDO'HVFULSWLRQ3DJH 1RYHPEHU )UHTXHQF\'LVSOD\GLJLWRUGLJLW/LTXLG&U\VWDO'LVSOD\/&'WZROLQHVFDQEHEDFNOLW,03257$17:KHQWKH)6*RU)6*+VKRZVDGLJLWGLVSOD\WKHUDGLRLVRSHUDWLQJLQWKHFRPELQHGN+]PRGH:KHQWKH)6*RU)6*+VKRZVDGLJLWGLVSOD\WKHUDGLRLVRSHUDWLQJLQWKHN+]RQO\PRGH)UHTXHQF\DQGFKDQQHOQDPHGLVSOD\FRPSOLHVZLWK,&$2UXOHV7KHIROORZLQJGLVSOD\VDUHH[DPSOHVRQO\7UDQVFHLYHURSHUDWHVLQWKHN+]PRGHGLJLWGLVSOD\8SSHUOLQH 86(FKDQQHOQDPHGLVSOD\ 0+]WUDQVPLWDQGUHFHLYHIUHTXHQF\/RZHUOLQH 67%<FKDQQHOQDPHGLVSOD\ 0+]WUDQVPLWDQGUHFHLYHIUHTXHQF\6XSSO\LQGLFDWRU VHJPHQWV9GFVXSSO\2.7;LQGLFDWRU 2))UDGLRUHFHLYHV7UDQVFHLYHURSHUDWHVLQWKHN+]RQO\PRGHGLJLWGLVSOD\8SSHUOLQH 86(IUHTXHQF\GLVSOD\ 0+]WUDQVPLWDQGUHFHLYHIUHTXHQF\/RZHUOLQH 67%<IUHTXHQF\GLVSOD\ 0+]WUDQVPLWDQGUHFHLYHIUHTXHQF\6XSSO\LQGLFDWRU VHJPHQWV9GFVXSSO\2.7;LQGLFDWRU 2))UDGLRUHFHLYHV7UDQVFHLYHURSHUDWHVLQWKHN+]PRGHGLJLWGLVSOD\8SSHUOLQH 86(FKDQQHOQDPHGLVSOD\ 0+]WUDQVPLWDQGUHFHLYHIUHTXHQF\/RZHUOLQH &KDQQHOPHPRU\QXPEHUDVVRFLDWHGZLWKWKHDERYH86(FKDQQHOQDPH6XSSO\LQGLFDWRU VHJPHQWV9GFEDWWHU\òFKDUJHG7;LQGLFDWRU 21UDGLRWUDQVPLWV7UDQVFHLYHURSHUDWHVLQWKHN+]RQO\PRGHGLJLWGLVSOD\8SSHUOLQH 86(IUHTXHQF\GLVSOD\ 0+]WUDQVPLWDQGUHFHLYHIUHTXHQF\/RZHUOLQH &KDQQHOPHPRU\QXPEHUDVVRFLDWHGZLWKWKHDERYH86(IUHTXHQF\6XSSO\LQGLFDWRU VHJPHQWV9GFEDWWHU\òFKDUJHG7;LQGLFDWRU 21UDGLRWUDQVPLWV672EXWWRQJRWSXVKHGVDPHIXQFWLRQDWGLJLWGLVSOD\8SSHUOLQH &KDQQHOQDPHGLJLWVWREHVWRUHG/RZHUOLQH )UHHFKDQQHOPHPRU\QXPEHU&+LVIODVKLQJ$IWHUSXVKLQJWKH672EXWWRQRQFHPRUHWKHFKDQQHOQDPH 0+]ZLOOEHVWRUHGLQWKHFKDQQHOPHPRU\7KHODVWXVHG2SHUDWLQJPRGHLVGLVSOD\HG](https://usermanual.wiki/f-u-n-k-e-AVIONICS/FSG90.FSG-90-Maintenance-Manual-part-one/User-Guide-169919-Page-34.png)
![)6*6\VWHP)XQFWLRQDO'HVFULSWLRQ1RYHPEHU 3DJH672EXWWRQJRWSXVKHGVDPHIXQFWLRQDWGLJLWGLVSOD\8SSHUOLQH &KDQQHOQDPHGLJLWVWREHVWRUHG/RZHUOLQH &KDQQHOPHPRU\QXPEHU&+LVIODVKLQJ$IWHUSXVKLQJWKH672EXWWRQRQFHPRUHWKHFKDQQHOQDPH 0+]ZLOOEHVWRUHGLQWKHFKDQQHOPHPRU\$SUHYLRXVO\VWRUHGFKDQQHOQDPHZLOOEHRYHUZULWWHQ7KHODVWXVHG2SHUDWLQJPRGHLVGLVSOD\HG &RQQHFWRUVDWUHDUVLGH %1&MDFNPDWLQJSOXJ%1&SOXJ8*&8&RQQHFWVDVXLWDEOH&20EURDGEDQGDQWHQQDZLWKDIUHTXHQF\UDQJHRIDWOHDVW0+]5HIHUWRVHFWLRQIRU,QVWDOODWLRQSROH68%'UHFHSWDFOHPDOHZLWKVOLGLQJORFNUHWDLQHUPDWLQJSOXJSROH68%'IHPDOH'$6$1)VROGHUW\SHLQFOXGLQJVKHOODQGPRXQWLQJKDUGZDUHWRFRQQHFWWKHDLUFUDIWZLULQJ5HIHUWRVHFWLRQIRUZLULQJ](https://usermanual.wiki/f-u-n-k-e-AVIONICS/FSG90.FSG-90-Maintenance-Manual-part-one/User-Guide-169919-Page-35.png)

![)6*6\VWHP6HWXS3URFHGXUH1RYHPEHU 3DJH6(&7,216(783352&('85(7KLVVHFWLRQFRQWDLQVDGHVFULSWLRQRIWKH6HWXSSURFHGXUHWREHFDUULHGRXWE\DQH[SHULHQFHGDYLRQLFVWHFKQLFLDQ7RFDUU\RXWWKH6HWXSSURFHGXUHWKHUDGLRPXVWEHFRPSOHWHO\ZLUHGDQGUHDG\WRXVH'$1*(5'XULQJ6(783SURFHGXUHWKHUDGLRLVSDUWO\XQDEOHWRZRUN7KHUDGLRFDQQHLWKHUUHFHLYHQRUWUDQVPLW1(9(5FDUU\RXWD6(783GXULQJIOLJKWRUZKLOVWGULYLQJDFDU3HUIRUP6(783RQO\ZKLOVWVWDQGLQJVDIHO\RQWKHJURXQG%HIRUHWKHQH[WIOLJKWRUDSSOLFDWLRQFKHFNDOOVHWWLQJVRIWKHUDGLRDQGFRFNSLWLQVWUXPHQWVIRUFRUUHFWIXQFWLRQ,03257$177KH)6*;LVIDFWRU\SUHVHWIRUFKHFNDQGWHVWLQJSXUSRVHV7RDFKLHYHPD[LPXPSHUIRUPDQFHLWLVWKHUHIRUHDEVROXWHO\QHFHVVDU\WRRSWLPL]HWKHUDGLRDQGWRDGDSWWKHDFFHVVRULHVXVHG7RFDUU\RXWWKHVHWXSWKHUDGLRPXVWEHUHDG\IRURSHUDWLRQDQWHQQDFRQQHFWHGSRZHUVXSSO\2.RSHUDWLRQDOPLFURSKRQHVKHDGVHWV,IDKHDGVHWLVXVHGWXUQLWVYROXPHFRQWUROWRPD[LPXPLIDSSOLFDEOH$OOIUHTXHQFLHVFKDQQHOQDPHVFKDQQHOPHPRU\QXPEHUVHWFVKRZQLQWKHIROORZLQJLOOXVWUDWLRQVDUHH[DPSOHV7KHIROORZLQJVHWWLQJVFDQEHVHOHFWHGRUDGMXVWHGRUGHU $GMXVWLQJWKHDXWRPDWLFVTXHOFKWKUHVKROG $GMXVWLQJWKHPLFURSKRQHVHQVLWLYLW\ $GMXVWLQJWKH,QWHUFRPYROXPHKHDGVHW $GMXVWLQJWKH7UDQVPLW6LGHWRQHYROXPHKHDGVHW $GMXVWLQJWKHKHDGVHWYROXPHGXULQJ5HFHLYHLQGHSHQGHQWIURPVSHDNHUYROXPH 6HOHFWLQJN+]RQO\FKDQQHOVSDFLQJRUFRPELQHGN+]N+]FKDQQHOVSDFLQJ&RQILUPDWLRQZLWK672VWDUWVQHZPRGHDWRQFH 'HOHWLQJRFFXSLHGFKDQQHOPHPRULHVRQHDIWHUWKHRWKHU 6HOHFWLQJ$)([WHUQDOYLDORXGVSHDNHU21 RU2)) 6HOHFWLQJ&+$11(/02'(RQO\ RU)5(()5(48(1&<6(/(&7,21 6HOHFWLQJ7UDQVPLWWHU%ORFNLQJGXULQJUHFHLYH21 RU2)) 6HUYLFH21 RU2)) 2SWLRQDOPRGXOH21 RU2)) (QWHULQJDSDVVZRUGSURWHFWVDJDLQVWXQDXWKRUL]HGFKDQJHVRIWKHUDGLRSDUDPHWHUV](https://usermanual.wiki/f-u-n-k-e-AVIONICS/FSG90.FSG-90-Maintenance-Manual-part-one/User-Guide-169919-Page-37.png)
![)6*6\VWHP6HWXS3URFHGXUH3DJH 1RYHPEHU &DOOLQJ6(783ZLWKRXWSDVVZRUG&DOOLQJWKH6(783SURFHGXUHZLWKRXWSDVVZRUGLVSRVVLEOH DWH[ZRUNVUDGLRV)6*;RU DWUDGLRVZKLFKDUHUHVHWWRDIDFWRU\EDVLFVHWWLQJUHIHUWRFKDSWHU5(6(7RU DWUDGLRVZKLFKDUHQRWSURWHFWHGE\DSDVVZRUGDJDLQVWXQDXWKRUL]HGFKDQJHVRIWKHVHWXSDGMXVWPHQWV 7XUQ2))WKHUDGLR212))92/NQREIXOO\FFZ386+$1'+2/'ERWK0'DQG672EXWWRQVWKHQWXUQ21WKHUDGLRURWDWH212))92/NQREFORFNZLVHDSSUR[LPDWHO\PLGSRVLWLRQ $OOVHJPHQWVRIWKHGLVSOD\DSSHDUIRUDVKRUWPRPHQWWKHQWKHGLVSOD\JHWVEODQN 5HOHDVHWKHEXWWRQV $IWHUUHOHDVLQJWKHEXWWRQVWKHGLVSOD\VKRZVLQWKHXSSHUOLQHDOWHUQDWHO\ª)6*©DQGª6(783© ,IWKHUHLVQRDFWLYLW\IRUVHFRQGVWKHUDGLRZLOOUHWXUQWRWKHPRGHXVHGEHIRUH 0RPHQWDULO\SXVKLQJWKH0'EXWWRQRQFHZLOORSHQWKHVHWXSPHQXWRDGMXVWWKHVTXHOFKWKUHVKROG 5HSHDWHGO\SXVKLQJWKH0'EXWWRQZLOORSHQDOORWKHUVHWXSPHQXVLQWKHRUGHUGHVFULEHGEHIRUH &DOOLQJ6(783ZLWKSDVVZRUG&DOOLQJWKH6(783SURFHGXUHZLWKSDVVZRUGPXVWEHFDUULHGRXWDWUDGLRVZKLFKDUHSURWHFWHGE\DSDVVZRUGDJDLQVWXQDXWKRUL]HGFKDQJHVRIWKHVHWXSDGMXVWPHQWV 7XUQ2))WKHUDGLR212))92/NQREIXOO\FFZ386+$1'+2/'ERWK0'DQG672EXWWRQVWKHQWXUQ21WKHUDGLRURWDWH212))92/NQREFORFNZLVHDSSUR[LPDWHO\PLGSRVLWLRQ $OOVHJPHQWVRIWKHGLVSOD\DSSHDUIRUDVKRUWPRPHQWWKHQWKHGLVSOD\JHWVEODQN 5HOHDVHWKHEXWWRQV $IWHUUHOHDVLQJWKHEXWWRQVWKHGLVSOD\VKRZVLQWKHXSSHUOLQHDOWHUQDWHO\ª)6*©DQGª6(783©LQWKHORZHUOLQHGDVKHV ,IWKHUHLVQRDFWLYLW\IRUVHFRQGVWKHUDGLRZLOOUHWXUQWRWKHPRGHXVHGEHIRUH :LWKWKH)&+NQREVHWWKHILUVWGLJLWRI\RXUSDVVZRUGWKHILUVWGDVKFKDQJHVWRGLJLW&RQILUPWKHILUVWGLJLWE\SXVKLQJWKH)&+NQRE7KHVHFRQGGLJLWLVUHDG\WREHDGMXVWHG :LWKWKH)&+NQREVHWWKHVHFRQGGLJLWRI\RXUSDVVZRUGWKHVHFRQGGDVKFKDQJHVWRGLJLW&RQILUPWKHVHFRQGGLJLWE\SXVKLQJWKH)&+NQRE &RQWLQXHWLOODOOILYHGLJLWVRI\RXUSDVVZRUGDUHHQWHUHG &RQILUPWKHODVWGLJLWLQSXWE\SXVKLQJWKH672EXWWRQ7KLVZLOORSHQWKHVHWXSPHQXWRDGMXVWWKHVTXHOFKWKUHVKROG5HSHDWHGO\SXVKLQJWKH0'EXWWRQZLOORSHQDOORWKHUVHWXSPHQXVLQWKHRUGHUGHVFULEHGEHIRUH (QWHULQJDZURQJSDVVZRUGZLOOUHWXUQWKHVHWXSWRWKHLQLWLDOVWDWXVGDVKHV $IWHUWKHIRXUWKDWWHPSWWRRSHQWKHVHWXSZLWKDZURQJSDVVZRUGWKHUDGLRUHWXUQVWRWKHRSHUDWLQJPRGHXVHGEHIRUHWU\LQJWRRSHQWKHVHWXS7KH)6*;LVRSHUDWLRQDO](https://usermanual.wiki/f-u-n-k-e-AVIONICS/FSG90.FSG-90-Maintenance-Manual-part-one/User-Guide-169919-Page-38.png)



![)6*6\VWHP6HWXS3URFHGXUH3DJH 1RYHPEHU 6HOHFWLQJN+]RQO\RUFRPELQHGN+]FKDQQHOVSDFLQJ,03257$176HOHFWLQJHLWKHUN+]RUN+]RQO\PD\EHQHFHVVDU\GXHWR1DWLRQDO5HJXODWLRQV7KHGLVSOD\VKRZVIODVKLQJLQWKHXSSHUOLQHª6(7©LQWKHORZHUOLQHHLWKHUª©RUª©%\URWDWLQJWKH)&+NQREVHOHFWWKHUHTXLUHGFKDQQHOVSDFLQJª© N+]RQO\FKDQQHOVSDFLQJª© FRPELQHGDQGN+]FKDQQHOVSDFLQJ,03257$17&RQILUPWKHQHZFKDQQHOVSDFLQJE\SXVKLQJWKH672EXWWRQ7KHVHOHFWHGFKDQQHOVSDFLQJEHFRPHVDFWLYHDQGVLPXOWDQHRXVO\6(783SURFHGXUHZLOODXWRPDWLFDOO\FORVHGGRZQ7KHUDGLRUHWXUQVWRWKHODVWXVHGRSHUDWLQJPRGHDQGWKHVHWWLQJVFRQILUPHGZLWKWKH672EXWWRQEHFDPHHIIHFWLYH,I\RXZDQWWRFDUU\RQZLWKWKH6(783SURFHGXUHFDOODJDLQ6(7833XVKRQFHRUUHSHDWHGO\WKH0'EXWWRQWLOOWKHUHTXLUHGPHQXDSSHDUV 'HOHWLQJRFFXSLHGFKDQQHOPHPRULHV,03257$172QO\FKDQQHOPHPRU\QXPEHUVIURP¡FDQEHGHOHWHG&KDQQHOPHPRULHVWRFDQRQO\EHRYHUZULWWHQ2QDQRFFXSLHGFKDQQHOPHPRU\WKHFKDQQHOPHPRU\QXPEHULVGLVSOD\HGLQWKHXSSHUOLQHWKHDVVRFLDWHGIUHTXHQF\FKDQQHOQDPHLQWKHORZHUOLQH2QDIUHHFKDQQHOPHPRU\WKHFKDQQHOPHPRU\QXPEHULVGLVSOD\HGLQWKHXSSHUOLQHWKHORZHUOLQHVKRZVª)5((©(;$03/(7KHGLVSOD\VKRZVLQWKHXSSHUOLQHDOWHUQDWHO\ª&/5©DQGª&+©DQGLQWKHORZHUOLQHWKHDVVRFLDWHGIUHTXHQF\(;$03/( &KDQQHOPHPRU\QXPEHUª©ZLWKWKHFKDQQHOQDPHVKRXOGEHGHOHWHG%\URWDWLQJWKH)&+NQREDGMXVWWKHFKDQQHOPHPRU\QXPEHUª©DWWKHGLVSOD\,IWKLVFKDQQHOPHPRU\VKRXOGUHDOO\EHGHOHWHGFRQILUPE\SXVKLQJWKH672EXWWRQ,QWKHORZHUOLQHWKHIUHTXHQF\FKDQQHOQDPHGLVDSSHDUVLWDSSHDUVª)5((© ,IIXUWKHUPHPRU\FKDQQHOVVKRXOGEHGHOHWHGDGMXVWZLWKWKH)&+NQREWKHFKDQQHOPHPRU\QXPEHUFRQFHUQHGDQGGHOHWHHDFKE\SXVKLQJWKH672EXWWRQ ,I\RXZDQWWRFDUU\RQZLWKWKH6(783SURFHGXUHSXVKRQFHRUUHSHDWHGO\WKH0'EXWWRQWLOOWKHGHVLUHGPHQXDSSHDUV](https://usermanual.wiki/f-u-n-k-e-AVIONICS/FSG90.FSG-90-Maintenance-Manual-part-one/User-Guide-169919-Page-42.png)
![)6*6\VWHP6HWXS3URFHGXUH1RYHPEHU 3DJH 6HOHFWLQJ$)(;7(51$/YLD$&VSHDNHU212)),03257$17$OZD\VVZLWFK2))$)(;7(51$/ZKHQWKHUDGLR)6*;LVEDWWHU\SRZHUHGLWVDYHVDSSUR[LPDWHO\P$PSV7KHGLVSOD\VKRZVLQWKHXSSHUOLQHDOWHUQDWHO\ª6(7©DQGª$)(©LQWKHORZHUOLQHª©RUª©$GMXVWE\URWDWLQJWKH)&+NQREWKHORZHUOLQHWR $)(;7(51$/2))DXGLEOHRQO\YLDKHDGSKRQHV $)(;7(51$/DXGLEOHYLDDLUFUDIWORXGVSHDNHU &RQILUPWKHDGMXVWPHQWE\SXVKLQJWKH672EXWWRQLIUHTXLUHG &DUU\RQZLWKWKH6(783SURFHGXUHE\SXVKLQJRQFHRUUHSHDWHGO\WKH0'EXWWRQWLOOWKHGHVLUHVPHQXDSSHDUV 6HOHFWLQJ&+$11(/02'(21/<RU125(675,&7,21,03257$17)RUFHUWDLQDSSOLFDWLRQVXVXDOO\JURXQGRSHUDWLRQRQO\IUHHVHOHFWLRQRIDOOIUHTXHQFLHVE\WKHRSHUDWRUPD\EHUHVWULFWHG7KHQWUDQVPLWWLQJDQGUHFHLYLQJLVRQO\SRVVLEOHLQWKH&+$11(/02'(SUHSURJUDPPHGEHIRUHE\DXWKRUL]HGSHUVRQQHO7KHGLVSOD\VKRZVLQWKHXSSHUOLQHDOWHUQDWHO\ª6(7©DQGª)5(4©LQWKHORZHUOLQHª©RUª©$GMXVWE\URWDWLQJWKH)&+NQREORZHUOLQHWRRU 6WDQGDUGRSHUDWLRQIUHHIUHTXHQF\VHOHFWLRQQRUHVWULFWLRQ &+$11(/02'(RQO\QRRWKHUIUHTXHQFLHVFKDQQHOQDPHVDGMXVWDEOHE\RSHUDWRU &RQILUP\RXUDGMXVWPHQWE\SXVKLQJWKH672EXWWRQ &DUU\RQZLWKWKH6(783SURFHGXUHE\SXVKLQJRQFHRUUHSHDWHGO\WKH0'EXWWRQWLOOWKHGHVLUHGPHQXDSSHDUV 6HOHFWLQJ75$160,77(5%/2&.,1*GXULQJUHFHLYH212)),03257$17:KHQHYHU7UDQVPLWWHU%ORFNLQJLV21DQGVTXHOFKLV21WUDQVPLWWLQJLVGLVDEOHGDVORQJDVWKHIUHTXHQF\FKDQQHOQDPHLVEXV\FRPPXQLFDWLRQDXGLEOH'XULQJWKDWQR6LGHWRQHLVDXGLEOHHYHQLI377LVSUHVVHGDQGRQHLVWDONLQJLQWRWKHPLFURSKRQH:KHQHYHUWKHVTXHOFKLV2))7UDQVPLWWHU%ORFNLQJLV2))DQGWUDQVPLWWLQJLVSRVVLEOHHYHQRQDEXV\FKDQQHO7KHGLVSOD\VKRZVLQWKHXSSHUOLQHDOWHUQDWHO\ª6(7©DQGª%/2&©LQWKHORZHUOLQHª©RUª©$GMXVWE\URWDWLQJWKH)&+NQREWKHORZHUOLQHWRª©RUª© 7UDQVPLWWHU%ORFNLQJLV2))7UDQVPLWWLQJLVDOZD\VSRVVLEOHHYHQRQDEXV\FKDQQHO 7UDQVPLWWHU%ORFNLQJLV21:LWKVTXHOFK21WUDQVPLWWLQJLVRQO\SRVVLEOHRQDIUHHFKDQQHO &RQILUP\RXUDGMXVWPHQWE\SXVKLQJWKH672EXWWRQ &DUU\RQZLWKWKH6(783SURFHGXUHE\SXVKLQJRQFHRUUHSHDWHGO\WKH0'EXWWRQWLOOWKHGHVLUHGPHQXDSSHDUV](https://usermanual.wiki/f-u-n-k-e-AVIONICS/FSG90.FSG-90-Maintenance-Manual-part-one/User-Guide-169919-Page-43.png)
![)6*6\VWHP6HWXS3URFHGXUH3DJH 1RYHPEHU 6HUYLFH212)),03257$17)RUDSSURYHG$YLRQLFV6KRSVRQO\7KHGLVSOD\VKRZVLQWKHXSSHUOLQHDOWHUQDWHO\ª6(7©DQGª6(59©LQWKHORZHUOLQHª© 67$1'$5'02'(6HUYLFH2)) ,IUHTXLUHGFRQILUPDGMXVWPHQWE\SXVKLQJWKH672EXWWRQ &DUU\RQZLWKWKH6(783SURFHGXUHE\SXVKLQJWKH0'EXWWRQ 2SWLRQDOPRGXOH212)),03257$171RWDSSOLFDEOHZLWKWKLVUDGLR7KHGLVSOD\VKRZVLQWKHXSSHUOLQHDOWHUQDWHO\ª6(7©DQGª237,©LQWKHORZHUOLQHª© 67$1'$5'02'(2SWLRQDOPRGXOH2)) &DUU\RQZLWKWKH6(783SURFHGXUHE\SXVKLQJWKH0'EXWWRQ (QWHULQJDSDVVZRUG,03257$17:KHQWKH6(783RI\RXUUDGLRLVSURWHFWHGE\DSDVVZRUGLWFDQQRWEHFKDQJHGE\DQ\XQDXWKRUL]HGSHUVRQVZLWKRXWNQRZOHGJHRIWKHSDVVZRUG<RXUSDVVZRUGFRQVLVWVRIILYHGLJLWV7KHGLVSOD\VKRZVLQWKHXSSHUOLQHDOWHUQDWHO\ª6(7©DQGª3$66©LQWKHORZHUOLQHª©,I\RXGRQWZDQWWRHQWHUDSDVVZRUGDQG\RXU6(783SURFHGXUHLVILQLVKHGOHDYHWKH6(783PHQXE\SXVKLQJWKH75$16)(5ÙEXWWRQRUWXUQ2))WKHUDGLR212))92/NQRE,I\RXZDQWWRHQWHUDSDVVZRUGSURFHHGDVIROORZV 5RWDWHWKH)&+NQRE$GMXVWWKHILUVWGLJLW¡&RQILUPWKHILUVWGLJLWE\SXVKLQJWKH)&+NQRE $GMXVWWKHVHFRQGGLJLWRI\RXUSDVVZRUGE\URWDWLQJWKH)&+NQRE&RQILUPDJDLQE\SXVKLQJWKH)&+NQRE 7KHWKLUGGLJLWLVUHDG\QRZ&RQWLQXHDVGHVFULEHGDERYHIRUWKHWKLUGIRXUWKDQGILIWKGLJLW 0DNHVXUHWKHFRPSOHWHSDVVZRUGFRUUHVSRQGVWR\RXULGHD &RQILUPWKHSDVVZRUGE\SXVKLQJWKH672EXWWRQ)URPQRZRQDQHZ6(783PD\EHFDOOHGRQO\DIWHUHQWHULQJWKHSDVVZRUGILUVW](https://usermanual.wiki/f-u-n-k-e-AVIONICS/FSG90.FSG-90-Maintenance-Manual-part-one/User-Guide-169919-Page-44.png)
![)6*6\VWHP6HWXS3URFHGXUH1RYHPEHU 3DJH 5HVHW&$87,21(YHU\5(6(7WRWKHIDFWRU\VHWWLQJGHOHWHVDOO\RXUSUHVHWPHPRU\FKDQQHOVWRLQERWKµN+]¶DQGµN+]RQO\¶0RGH0HPRU\FKDQQHOVJHWSURJUDPPHGZLWKRUUHVSHFWLYHO\GHOHWHV\RXUSDVVZRUGGHOHWHDOO\RXULQGLYLGXDO6(783DGMXVWPHQWV7RUHVHWDOODGMXVWPHQWVSURFHHGDVIROORZV 7XUQ2))WKHUDGLR212))92/NQREIXOO\FFZ386+$1'+2/'VLPXOWDQHRXVO\WKHEXWWRQV0'672DQG64WKHQWXUQ21WKHUDGLRURWDWH212))92/NQREFORFNZLVHDSSUR[LPDWHO\PLGSRVLWLRQ $OOVHJPHQWVRIWKHGLVSOD\DSSHDUIRUDVKRUWPRPHQWWKHQWKHGLVSOD\JHWVEODQN 5HOHDVHWKHEXWWRQV$IWHUUHOHDVLQJWKHWKUHHEXWWRQVWKHGLVSOD\VKRZVLQWKHXSSHUOLQHDOWHUQDWHO\ª6(7©DQGª5(6(7©LQWKHORZHUOLQHª©,IWKHUHLVQRDFWLYLW\IRUVHFRQGVWKHUDGLRZLOOUHWXUQWRWKHPRGHXVHGEHIRUH:LWKWKH)&+NQREVHWORZHUOLQHWR&RQILUP5(6(7E\SXVKLQJWKH672EXWWRQ7KHXSSHUVHJPHQWRIWKH2QERDUG6XSSO\,QGLFDWRUZLOOOLJKWXSPRPHQWDULO\ 7KH9+)UDGLR)6*;LVQRZRSHUDEOHLQWKHIDFWRU\VHWWLQJ](https://usermanual.wiki/f-u-n-k-e-AVIONICS/FSG90.FSG-90-Maintenance-Manual-part-one/User-Guide-169919-Page-45.png)

![)6*6\VWHP2SHUDWLQJ,QVWUXFWLRQ1RYHPEHU 3DJH6(&7,2123(5$7,1*,16758&7,21 ,QWURGXFWLRQ7KLVVHFWLRQFRQWDLQEDVLFRSHUDWLQJSURFHGXUHVIRUWKH)6*;WUDQVFHLYHUV7KLVLQVWUXFWLRQLVRQO\DSSOLFDEOHIRUDUDGLRZKLFKLV FRUUHFWO\LQVWDOOHGDQGZLUHGE\DFHUWLILHGDYLRQLFVVKRS FKHFNHGWRJHWKHUZLWKWKHDFV\VWHPDQG RSWLPL]HGE\WKHVHWXSSURFHGXUHUHIHUWR6HFWLRQ6(783352&('85(:$51,1*'212723(5$7(7+,65$',2,1$1(;3/26,9($70263+(5(3(752/(80)8(/662/9(176'867(7& 7XUQLQJ216HOHFWLQJ)UHTXHQF\&KDQQHO1DPH9ROXPH&$87,217KH)6*;VKRXOGEHWXUQHGRQDIWHUHQJLQHVWDUWXS7KLVLVDVLPSOHSUHFDXWLRQZKLFKKHOSVWRSURWHFWWKHVROLGVWDWHFLUFXLWU\DQGH[WHQGVWKHRSHUDWLQJOLIHRI\RXUDYLRQLFVHTXLSPHQW127,&(ª)UHTXHQF\©DQGª&KDQQHO1DPH©DUH,&$2WHUPV7XUQWKHUDGLR)6*;21E\URWDWLQJWKH212))92/NQREFORFNZLVH0RPHQWDULO\DOOVHJPHQWVRIWKHGLVSOD\DUHYLVLEOH/DVWXVHGRSHUDWLQJPRGHDQGIUHTXHQF\DUHGLVSOD\HG$ZDUPXSSHULRGIRUWKHWUDQVPLWWHULVQRWUHTXLUHG+RZHYHUDWWHPSHUDWXUHVRI&)WKH/&GLVSOD\QHHGVDSSUR[LPDWHO\RQHVHFRQGXQWLOLWLVIXOO\YLVLEOHZKHQWKHIUHTXHQF\RURSHUDWLQJPRGHLVFKDQJHG7RFKDQJHWKHRSHUDWLQJPRGHDQGWKHUHIRUHWKHGLVSOD\3XVKRQFHRUWZLFHWKH0'EXWWRQ6HOHFWLQJWKHDSSURSULDWHDFWLYHIUHTXHQF\FKDQQHOQDPHGHSHQGVRQRSHUDWLQJPRGH(;$03/( 67$1'$5'86(67%<6WDQGE\0RGH$WWKHORZHUOLQHVHOHFWDSSURSULDWHN+]SRUWLRQE\URWDWLQJ)&+NQRE$FORFNZLVHURWDWLRQZLOOLQFUHPHQWWKHSUHYLRXVIUHTXHQF\ZKLOHDFRXQWHUFORFNZLVHURWDWLRQZLOOGHFUHPHQWWKHSUHYLRXVIUHTXHQF\ZLWKUROORYHUDWHDFKEDQGHGJH3XVK)&+NQREWKLVFKDQJHVWKHDFFHVVWR0+]$WWKHORZHUOLQHVHOHFWDSSURSULDWH0+]SRUWLRQE\URWDWLQJ)&+NQRE$FORFNZLVHURWDWLRQZLOOLQFUHPHQWWKHSUHYLRXVIUHTXHQF\ZKLOHDFRXQWHUFORFNZLVHURWDWLRQZLOOGHFUHPHQWWKHSUHYLRXVIUHTXHQF\ZLWKUROORYHUDWHDFKEDQGHGJH3XVKWKH7UDQVIHU%XWWRQÙ7KHODVWVWDQGE\IUHTXHQF\FKDQQHOQDPHORZHUOLQHZLOOEHFRPHWKHQHZDFWLYHIUHTXHQF\FKDQQHOQDPHXSSHUOLQHDQGWKHODVWDFWLYHIUHTXHQF\FKDQQHOQDPHZLOOEHFRPHWKHQHZ67%<IUHTXHQF\FKDQQHOQDPHORZHUOLQH](https://usermanual.wiki/f-u-n-k-e-AVIONICS/FSG90.FSG-90-Maintenance-Manual-part-one/User-Guide-169919-Page-47.png)
![)6*6\VWHP2SHUDWLQJ,QVWUXFWLRQ3DJH 1RYHPEHU(;$03/( &KDQQHO0RGH,PSRUWDQW 7KHDSSURSULDWHRSHUDWLQJIUHTXHQF\PXVWEHVWRUHGDOUHDG\LQDPHPRU\FKDQQHOUHIHUWR6725,1*$1(:)5(48(1&<&+$11(/1$0(6HOHFWDSSURSULDWHFKDQQHOPHPRU\QXPEHUWRJHWKHUZLWKWKHDVVRFLDWHGIUHTXHQF\FKDQQHOQDPHE\URWDWLQJWKH)&+NQRE(;$03/( 'LUHFWWXQH0RGH6HOHFWDSSURSULDWHN+]SRUWLRQE\URWDWLQJ)&+NQRE$FORFNZLVHURWDWLRQZLOOLQFUHPHQWWKHSUHYLRXVIUHTXHQF\ZKLOHDFRXQWHUFORFNZLVHURWDWLRQZLOOGHFUHPHQWWKHSUHYLRXVIUHTXHQF\ZLWKUROORYHUDWHDFKEDQGHGJH3XVK)&+NQREWKLVFKDQJHVWKHDFFHVVWR0+]6HOHFWDSSURSULDWH0+]SRUWLRQE\URWDWLQJ)&+NQRE$FORFNZLVHURWDWLRQZLOOLQFUHPHQWWKHSUHYLRXVIUHTXHQF\ZKLOHDFRXQWHUFORFNZLVHURWDWLRQZLOOGHFUHPHQWWKHSUHYLRXVIUHTXHQF\ZLWKUROORYHUDWHDFKEDQGHGJH7KHVHWWLQJLVWKHQHZDFWLYHIUHTXHQF\FKDQQHOQDPH5RWDWH212))92/NQREFORFNZLVHDERXWKDOIZD\&RQWLQXHZLWKHLWKHU5HFHLYHRU7UDQVPLW2SHUDWLRQ 5HFHLYH/LVWHQ2SHUDWLRQ $IWHUWXUQLQJ21WKHUDGLRWKHDXWRPDWLFVTXHOFKLVDOZD\V21 ,IWKHRSHUDWLQJPRGHVKDOOEHFKDQJHG3XVKRQFHRUWZLFHWKH0'EXWWRQ ,IWKHDFWLYHIUHTXHQF\VKDOOEHFKDQJHGUHIHUWR6:,7&+,1*216(/(&7,1*)5(48(1&<&+$11(/1$0(92/80('2127SUHVVWKH3773XVK7R7DONNH\LI\RXZDQWWRUHFHLYH7UDQVPLW,QGLFDWRUDWWKHGLVSOD\PXVWQRWDSSHDU 1RUPDOVLJQDOVDUHUHFHLYHGZHDNVLJQDOVDQGLQWHUIHULQJSXOVHVDUHGLVDEOHG6HWWKHYROXPHRIWKHDFORXGVSHDNHURUKHDGSKRQHWRDFRPIRUWDEOHOHYHOE\URWDWLQJ212))92/NQRELQVWHSV :HDNVLJQDOVFDQEHUHFHLYHGLIWKHVTXHOFKFLUFXLWLVVZLWFKHG2))E\SXVKLQJWKH64EXWWRQ7KHQW\SLFDO5;QRLVHLVKHDUGGXULQJFRPPXQLFDWLRQEUHDNV 3XVKLQJWKH64EXWWRQDJDLQVZLWFKHVWKHVTXHOFKFLUFXLW21DJDLQ,03257$176ZLWFKLQJ2))WKHVTXHOFKRQO\PDNHVVHQVHLIORQJUDQJHUHFHSWLRQVKDOOWDNHSODFH7KXVWKHUDGLRLVQRLV\GXULQJ6WDQGE\RSHUDWLRQEXWQRZHDNVLJQDOVDUHVXSSUHVVHGDQGWKHIXOOUHFHLYLQJUDQJHLVDYDLODEOH1RWLFHLQFUHDVHGFXUUHQWFRQVXPSWLRQ](https://usermanual.wiki/f-u-n-k-e-AVIONICS/FSG90.FSG-90-Maintenance-Manual-part-one/User-Guide-169919-Page-48.png)

![)6*6\VWHP2SHUDWLQJ,QVWUXFWLRQ3DJH 1RYHPEHU 6WRULQJDQHZ)UHTXHQF\&KDQQHO1DPH,QHDFKDFWLYHRSHUDWLQJPRGHN+]PRGHRUN+]RQO\PRGHXSWRQRQYRODWLOHFKDQQHOPHPRULHVFDQEHXVHUSURJUDPPHG&KDQQHOPHPRULHVRIWKHQRQDFWLYHPRGHUHPDLQVWRUHGLQWKHEDFNJURXQG7KH\DUHDFFHVVLEOHDIWHUFDOOLQJXSWKHUHVSHFWLYHPRGH,03257$17)UHHVHOHFWLRQRIIUHTXHQFLHVDQGQHZVWRULQJPD\EHGLVDEOHGGXHWR6HW8SDGMXVWPHQWUHIHUWR6HFWLRQ&KDQQHOPHPRULHVWRDUHDOZD\VSUHVHWDQGPD\EHXVHGZKHQFDOOHG7KH\FDQRQO\EHFKDQJHGEXWQRWGHOHWHG([ZRUNVDQGDIWHU0DVWHU5HVHWFKDQQHOPHPRULHVWRDUHSUHVHWZLWKHLWKHU0+]RU0+]6WRULQJFDQEHLQLWLDOL]HGLQDOOWKUHHGLVSOD\PRGHV7KH86(IUHTXHQF\FKDQQHOQDPHLQWKHXSSHUOLQHRIWKHGLVSOD\FDQEHVWRUHGWRDQ\RIWKHFKDQQHOPHPRULHV 6HWWKHIUHTXHQF\RUFKDQQHOQDPHWREHVWRUHGLQWKHXSSHUOLQHDWWKHGLVSOD\ ,QLWLDOL]HVWRULQJE\SXVKLQJWKH672EXWWRQ 7KHODVWXVHGFKDQQHOPHPRU\QXPEHUDSSHDUV&+IODVKHV 6HOHFWDSSURSULDWHFKDQQHOPHPRU\QXPEHUWRE\WXUQLQJWKH)&+NQRE2QDIUHHPHPRU\FKDQQHODQ)DSSHDUVEHIRUH&+DQGWKHPHPRU\QXPEHU 7RHQWHUWKHQHZIUHTXHQF\FKDQQHOQDPHSXVKWKH672EXWWRQ7KHIUHTXHQF\FKDQQHOQDPHZLOOEHVWRUHGXQGHUWKHVHOHFWHGFKDQQHOPHPRU\QXPEHU$SUHYLRXVO\VWRUHGIUHTXHQF\FKDQQHOQDPHZLOOEHRYHUZULWWHQ 5HFDOORIVWRUHG)UHTXHQF\&KDQQHO1DPH %\SXVKLQJRQFHRUWZLFHWKH0'EXWWRQVHOHFWWKH&+$11(/GLVSOD\PRGH %\URWDWLQJWKH)&+NQREVHWDSSURSULDWHFKDQQHOPHPRU\QXPEHUZLWKLWVDVVRFLDWHGIUHTXHQF\FKDQQHOQDPHDWWKHGLVSOD\2QO\FKDQQHOQXPEHUVWKDWKDYHEHHQSURJUDPPHGSUHYLRXVO\ZLOODSSHDU 6TXHOFK642SHUDWLRQ'XULQJVWDQGE\QRUPDORSHUDWLRQQRVLJQDOUHFHLYHGWKHVTXHOFKLVDFWLYHWRGLVDEOHFRQWLQXRXVUHFHLYHUQRLVHWRRZHDNVLJQDOVDUHQRWKHDUG7KHVTXHOFKOHYHOQRUPDOO\DSSUR[9FDQEHDGMXVWHGLQWKH6(783PHQXE\WKUHVKROGVORZPHGPHGKLJKWRPHHWEHVWRSHUDWLRQDOUHTXLUHPHQWV6LJQDOVDERYHWKH64WKUHVKROGRSHQDXGLRDPSOLILHUVIRUVSHDNHUDQGSKRQHDXGLRRXWSXW,IKRZHYHUYHU\ZHDNVLJQDOVEHORZWKH64WKUHVKROGDUHWREHKHDUGHJDLUFUDIWIDUIURPEDVHWKHQWKH64EXWWRQLVSXVKHGWRRSHQ647KLVSHUPLWVQRLVHGXULQJSDXVHVEXWZHDNVLJQDOVDUHQRORQJHUVXSSUHVVHGDQGWKHIXOO5HFHLYHUUDQJHLVDYDLODEOH6421DOVRUHVXOWVLQVLJQLILFDQWO\ORZHUVWDQGE\FXUUHQWFRQVXPSWLRQDQGH[WHQGVEDWWHU\VXSSOLHGRSHUDWLQJWLPH'8$/)81&7,21ZKLOHWKH64LVGLVDEOHGDOORZVWKDW7UDQVPLWLVSRVVLEOHHYHQGXULQJVLPXOWDQHRXVUHFHLYLQJRQWKLVFKDQQHOLQRUGHUWRHQDEOHWUDQVPLWZKHQHYHUQHFHVVDU\1RUPDOO\LQ6(783WKH%/2&IXQFWLRQLVDFWLYDWHGVHWWRWRSUHYHQWRYHUFURZGHGFKDQQHOVFDXVHGE\VLPXOWDQHRXVWUDQVPLVVLRQV](https://usermanual.wiki/f-u-n-k-e-AVIONICS/FSG90.FSG-90-Maintenance-Manual-part-one/User-Guide-169919-Page-50.png)
![)6*6\VWHP2SHUDWLQJ,QVWUXFWLRQ1RYHPEHU 3DJH ,QWHUFRP,03257$177RDFKLHYHEHVWFDELQQRLVHVXSSUHVVLRQHVSHFLDOO\GXULQJVSHHFKSDXVHVRSWLPL]HGPLFURSKRQHVHQVLWLYLW\DGMXVWPHQWPXVWEHSHUIRUPHGGXULQJ6(7833URFHGXUH,QWHUFRPKHDGVHWDXGLRYROXPHPD\EHDGMXVWHGWKURXJK6(783 6ZLWFK21,QWHUFRP7KLVDFWLYDWHVVLPXOWDQHRXVO\WKHPLFURSKRQHVZKLOHWKHVSHDNHULVGLVDEOHG 'XULQJ5HFHLYHWKURXJKDFRXVWLFDFFHVVRULHVKHDGSKRQHVZLWKPLFURSKRQHVWKH)6*;DOORZVLQWHUFRPPXQLFDWLRQVEHWZHHQSLORWVDQGRURWKHUFUHZPHPEHUV$OZD\VVSHDNORXGDQGFOHDUZKLOHWKHPLFURSKRQHRSHQLQJLVORFDWHGFORVHWRWKHOLSV %\SUHVVLQJWKH377NH\WKHUDGLRVZLWFKHVWRWUDQVPLWZLWKRXWVZLWFKLQJ2II,QWHUFRP7KHWUXHDFWLYH6LGHWRQHLVKHDUGGXULQJWUDQVPLW7KLVDOORZVDOOLQWHUFRPSDUWLHVWRPRQLWRUDOVRDFWXDOFRFNSLWUDGLRFRPPXQLFDWLRQ 5HOHDVLQJWKH377NH\WXUQVWKHUDGLRLQWR,QWHUFRPPRGHDJDLQ ,QDGGLWLRQERWK5HFHLYHDVZHOODV([WHUQDO$XGLRLVDXGLEOHZKLOH,QWHUFRPLV21'XULQJ5HFHLYHDOORWKHUDXGLRLQSXWVDUHUHGXFHGLQYROXPH7KLVDOORZVVDIHUOLVWHQLQJWRWKHUDGLRVLJQDO $XGLRYROXPHRIH[WHUQDODXGLRVLJQDOVDUHDGMXVWHGRQO\RQWKHH[WHUQDOXQLWV $)([WHUQDO,Q6WDQGE\DQG5HFHLYHPRGHRQO\WKURXJKWKH([WHUQDO$XGLR,QSXWWKHDXGLRVLJQDOVRIDGGLWLRQDOXQLWVDQRWKHU&20925/RFDOL]HU0DUNHU$')HOHFWULFYDULRPHWHUHWFDUHDXGLEOHVLPXOWDQHRXVO\6XFKFRPSOH[LQWHUIDFLQJUHTXLUHVWKDWDXGLRYROXPHLVVHWGLUHFWO\RQHDFKXQLWLQGLYLGXDOO\7KH92/FRQWURORQWKH)6*;IURQWSDQHOLVQRWDIIHFWHGE\H[WHUQDODXGLRVRXUFHVDQGYLFHYHUVD7KH([WHUQDO$),QSXWLVGLVDEOHGGXULQJWUDQVPLW /LJKWLQJ'HSHQGLQJRQDLUFUDIWZLULQJOLJKWLQJWKHIUHTXHQF\GLVSOD\LVHLWKHUDFWLYDWHGE\WXUQLQJ21WKHOLJKWLQJVZLWFKRUGLPPHURUE\WXUQLQJ21WKH)6*UDGLR 7XUQLQJ2))7XUQ2))WKHUDGLRE\URWDWLQJWKH212))92/VZLWFKWRWKHIXOO\FFZSRVLWLRQWRSUHYHQWXQQHFHVVDU\GLVFKDUJHRIWKH$&EDWWHU\](https://usermanual.wiki/f-u-n-k-e-AVIONICS/FSG90.FSG-90-Maintenance-Manual-part-one/User-Guide-169919-Page-51.png)



![)6*6\VWHP$SSHQGL[$1RYHPEHU 3DJH$$33(1',;$7(&+1,&$/6800$5<$ *HQHUDO7\SH)UHTXHQF\5DQJH1XPEHURI&KDQQHOV1XPEHURI&KDQQHO0HPRULHV1RPLQDO6XSSO\9ROWDJH1RPLQDO7;FDUULHURXWSXW)6*$1)0+]WR0+]ZLWKN+]VSDFLQJDQG0+]WR0+]ZLWKN+]VSDFLQJN+]VSDFLQJ N+]VSDFLQJ WRWDOO\&KDQQHOVIRU&KDQQHOQDPHVZLWKN+]VSDFLQJ$GGLWLRQDOFKDQQHOPHPRULHVIRUIUHTXHQFLHVZLWKN+]VSDFLQJ9GF:DWW7\SH)UHTXHQF\5DQJH1XPEHURI&KDQQHOV1XPEHURI&KDQQHO0HPRULHV1RPLQDO6XSSO\9ROWDJH1RPLQDO7;FDUULHURXWSXW)6*+$1)0+]WR0+]ZLWKN+]VSDFLQJDQG0+]WR0+]ZLWKN+]VSDFLQJN+]VSDFLQJ N+]VSDFLQJ WRWDOO\&KDQQHOVIRU&KDQQHOQDPHVZLWKN+]VSDFLQJ$GGLWLRQDOFKDQQHOPHPRULHVIRUIUHTXHQFLHVZLWKN+]VSDFLQJ9GF:DWW6XSSO\9ROWDJH5DQJH 9GFFRQWLQXRXV(PHUJHQF\2SHUDWLRQEHORZ9GF *RRGFRPPXQLFDWLRQIURP9GFRQ$XWRPDWLF7XUQ2II $SSUR[«9GF6XSSO\$XWRPDWLF7XUQ2QUHVHW $SSUR[«9GF6XSSO\,QSXW&XUUHQWDW9GF6WDQGE\3RZHU6DYLQJ0RGH$GGLWLRQDOO\6TXHOFK,QWHUFRP$)([W5HFHLYH0RGH$0YRLFH7UDQVPLW0RGHFDUULHU$0YRLFH'LVSOD\/LJKWLQJ:DWWPRGHOP$QRYROXPHQR$)([WHUQDOQR,QWHUFRPDGGP$ZRXW$)YROXPHDGGP$ZLWKPD[YROXPH$LQWR2KPVSHDNHU$$P$DGGLWLRQDOO\,QSXW&XUUHQWDW9GF6WDQGE\3RZHU6DYLQJ0RGH$GGLWLRQDOO\6TXHOFK,QWHUFRP$)([W5HFHLYH0RGH$0YRLFH7UDQVPLW0RGHFDUULHU$0YRLFH'LVSOD\/LJKWLQJ:DWWPRGHOP$QRYROXPHQR$)([WHUQDOQR,QWHUFRPDGGP$ZRXW$)YROXPHDGGP$ZLWKPD[YROXPH$PSLQWR2KPVSHDNHU$$P$DGGLWLRQDOO\'&6XSSO\LQGLFDWRU VHJPHQWVYLVLEOH 9GF %DWWHU\IXOOVHJPHQWVYLVLEOH 9GF %DWWHU\FDòFDSDFLW\VHJPHQWYLVLEOH 9GF %DWWHU\QHDUO\GLVFKDUJHGIODVKLQJVHJPHQWV 9«9GF (PHUJHQF\RSHUDWLRQ](https://usermanual.wiki/f-u-n-k-e-AVIONICS/FSG90.FSG-90-Maintenance-Manual-part-one/User-Guide-169919-Page-55.png)
![)6*6\VWHP$SSHQGL[$3DJH$ 1RYHPEHU$ 'LPHQVLRQV:HLJKW)XVHV)URQW3DQHO PPGLDóLQGLDILWVDVWDQGDUGSDQHORSHQLQJ'HSWKEHKLQGSDQHO PPLQDOORZPPLQIRUSOXJVDQGKDUQHVV2YHUDOO'LPHQVLRQV :LGWK PPLQ+HLJKW PPLQ'HSWK PPLQ:HLJKW)6* NJOEZLWKRXWKDUQHVVDQGPDWLQJFRQQHFWRUV([WHUQDO)XVH :PRGHO &DUWULGJHIXVH$PSTXLFNDFWLQJRUDXWRPDWLFFLUFXLWEUHDNHU$PS:PRGHO &DUWULGJHIXVH$PSTXLFNDFWLQJRUDXWRPDWLFFLUFXLWEUHDNHU$PS,QOLQH)XVHVZLWFKHGUHJXODWHG'&2XWSXW P$PSPHGLXPWLPHODJ$ $SSURYDOV$LUERUQH5DGLR5HJXODWRU\$XWKRULW\)RU7HOHFRPPXQLFDWLRQVDQG3RVWV³(&7\SH([DPLQDWLRQ&HUWLILFDWH´QR%-DQG´7<3((;$0,1$7,21&(57,),&$7(´QR$-$LUERUQH5DGLR5HJXODWRU\$XWKRULW\)RU7HOHFRPPXQLFDWLRQVDQG3RVWVDQG/%$5HJ73=9(852&$(('%5HFHLYHU &ODVV& N+]VSDFLQJ&/,0$;RSHUDWLRQDQG5HFHLYHU &ODVV( N+]VSDFLQJ7UDQVPLWWHU &ODVV 10ZLWKN+]VSDFLQJDQG7UDQVPLWWHU &ODVV 10ZLWKN+]VSDFLQJ(QYLURQPHQWDO5HTXLUHPHQWV(852&$(('&57&$'2&&DWHJRULHV'$$%01;;;;;;=%%%$7=;;;;-762$XWKRUL]DWLRQ/%$DLUERUQH-762&HDQG-762&H1R/%$2-7626RIWZDUH (852&$(('%57&$'2%/HYHO'*URXQG2SHUDWLRQ5HJXODWRU\$XWKRULW\)RU7HOHFRPPXQLFDWLRQVDQG3RVWV³(&7\SH([DPLQDWLRQ&HUWLILFDWH´QR%-DQG´´7<3((;$0,1$7,21&(57,),&$7(´QR$-³*URXQG2SHUDWLRQ')6 1R%5HTXLUHPHQWVIRUJURXQGRSHUDWHGUDGLRV5HJ73=9(76,(76N+]&+VSDFLQJJURXQGRSHUDWLRQ',1,6299HKLFOH3RZHU6\VWHP](https://usermanual.wiki/f-u-n-k-e-AVIONICS/FSG90.FSG-90-Maintenance-Manual-part-one/User-Guide-169919-Page-56.png)
![)6*6\VWHP$SSHQGL[$1RYHPEHU 3DJH$$ 5HFHLYHU&KDUDFWHULVWLFV5HFHLYHU7\SH 'XDO6XSHUKHW,))UHTXHQFLHV )LUVW,)0+]VHFRQG,)N+]KLJKLQMHFWLRQ6HQVLWLYLW\P +] 9(0)G%PIRUG%6116HOHFWLYLW\ 6,1$'GHFUHDVHGIURPG%WRG%5HIHUHQFHOHYHOP +]IRUG%6,1$',QWHUIHUHQFHOHYHOP +]G% IRU N+] N+]&+VSDFLQJG% IRU N+] N+]&+VSDFLQJG% IRU N+] N+]&+VSDFLQJG% IRU N+] N+]&+VSDFLQJG% IRU N+] N+]&+VSDFLQJ6TXHOFK7\SH $XWRPDWLF)0$0DGMXVWDEOH6(783PDQXDORYHUULGH$*&&KDUDFWHULVWLF G%9(0)G%P9(0)G%P P +]$*&'HOD\5; VHFP9(0)G%P¡9(0)G%P P +]$*&5HFRYHU\DIWHU7; VHFDW9(0)G%P DIWHU7;HQG7UDQVIHUWLPH7;5; PVHF0RGXODWLRQGLVWRUWLRQ$)3URFHVVRU2)) +]P $XGLR)UHTXHQF\5HVSRQVH$))LGHOLW\ G%DQGG%+]N+]DQGN+]&+VSDFLQJG%+]N+]&+VSDFLQJ&OLPD[2IIVHW2SHUDWLRQ$XGLR)UHTXHQF\$*& G%P «1RPLQDO$)2XWSXW6SHDNHU :DWW RU:DWW DW9GF:DWW DW9GF1RPLQDO$)2XWSXW3KRQH P: DW9GFP: DW9GF$)1RLVH/HYHO G%P +]9(0)G%PP9(0)G%P$)([WHUQDO,QSXW 9ROWLQWR IRUUDWHG$)RXWSXW9GFVXSSO\6SXULRXV5HVSRQVH P9(0)G%PP N+]IRU611G%D 0+]RIDQ\7HVW&KDQQHON+]DWRWKHUWKDQWKHDVVLJQHGFKDQQHODQGWKHDGMDFHQWFKDQQHOVE N+]±0+]H[FHSW0+]&URVV0RGXODWLRQ$)3URFHVVRU2)) 0D[$)RXWSXWOHYHOG%EHORZQRPLQDO$)RXWSXWOHYHOD :DQWHGVLJQDO9(0)G%P9(0)G%PXQPRGXODWHGDW5;IUHTXHQF\DGGLWLRQDOE 8QZDQWHGVLJQDOP9(0)G%PP +]IUHTXHQF\0+]IUHTXHQF\5;FKDQQHOV,QWHUPRGXODWLRQ$)3URFHVVRU2)) G%$)4XLHWLQJG%P±0+]VLJQDOV](https://usermanual.wiki/f-u-n-k-e-AVIONICS/FSG90.FSG-90-Maintenance-Manual-part-one/User-Guide-169919-Page-57.png)
![)6*6\VWHP$SSHQGL[$3DJH$ 1RYHPEHU'HVHQVLWL]DWLRQ :DQWHGVLJQDO9(0)G%PP +]DW5;IUHTXHQF\IRU611G%LQWKHSUHVHQFHRI8QZDQWHGVLJQDO$P9(0)G%PXQPRGXODWHGIUHTXHQF\0+]H[FHSWXVHG&+EXWLQFOXGHV5;&+RU8QZDQWHGVLJQDO%P9(0)G%PPLQLPXPP9(0)G%PXQPRGXODWHGIUHTXHQF\N+]±0+]H[FHSW0+]0+]RU8QZDQWHGVLJQDO&P9(0)G%PXQPRGXODWHGIUHTXHQF\0+]5HFHLYHU6SXULRXV(PLVVLRQ S:G%PN+]0+]&KDQQHO6HOHFWLRQ7LPH VHF$)OHYHOZLWKLQG%PD[&KDQQHOPHPRULHV5HFHLYHU0XWLQJ6TXHOFK&/,0$; 6LPXOWDQHRXVLQSXWDW5;IUHTXHQF\D :DQWHG6LJQDO$9(0)G%PN+]P +]6TXHOFKLVRSHQE 8QZDQWHG6LJQDO%0RUHWKDQ9(0)G%PP +]YDU\WKLVIUHTXHQF\VORZO\IURPN+]WRN+]6TXHOFKPXVWUHPDLQRSHQ](https://usermanual.wiki/f-u-n-k-e-AVIONICS/FSG90.FSG-90-Maintenance-Manual-part-one/User-Guide-169919-Page-58.png)
![)6*6\VWHP$SSHQGL[$1RYHPEHU 3DJH$$ 7UDQVPLWWHU&KDUDFWHULVWLFV)6*;1RPLQDO7;5)2XWSXW3RZHUQRUPDORSHUDWLRQ:DWWFDUULHU:DWW3(3DW9GFG%«G%)6*+1RPLQDO7;5)2XWSXW3RZHUQRUPDORSHUDWLRQ:DWWFDUULHU:DWW3(3DW9GFG%«G%)6*1RPLQDO7;5)2XWSXW3RZHUHPHUJHQF\RSHUDWLRQ:DWWFDUULHUDW9GFVXSSO\)6*+1RPLQDO7;5)2XWSXW3RZHUHPHUJHQF\RSHUDWLRQ:DWWFDUULHUDW9GFVXSSO\7;'XW\&\FOH PLQXWH7;PLQXWHV5;7;7LPH2XW7LPHU $IWHUPLQXWHVFRQWLQXRXV7;7UDQVPLWWHULVXQNH\HGDXWRPDWLFDOO\DQGWKHUDGLRGLVSOD\IODVKHVDVDZDUQLQJ0RGXODWLRQ $PSOLWXGHPRGXODWLRQ$0$('HSWKRI0RGXODWLRQ 9RLFHSURFHVVRUZLWKG\QDPLFFRPSUHVVLRQ0RGXODWLRQ'LVWRUWLRQ P +]P +]0RGXODWLRQ$XGLR)UHTXHQF\5HVSRQVH G%DQGG%+]0RGXODWLRQ$),QSXWIRUP '\QDPLF0LFURSKRQHP9V\PPHWULFDOVHQVLWLYLW\DGMXVWDEOHLQ6(783$PSOLILHG&DUERQ0LFURSKRQHP9XQV\PPHWULFDOVHQVLWLYLW\DGMXVWDEOHLQ6(7837UXH7UDQVPLW6LGHWRQHGHULYHGIURPPRGXODWHG7;5)VLJQDOP:DW9GFVXSSO\P:DW9GFYROXPHDGMXVWDEOHLQ6(783LQGHSHQGHQWIURPVSHDNHUYROXPH&DUULHU1RLVH/HYHO G%P +](PLVVLRQRI5)(QHUJ\0+] :G%PG%9P9Q:G%PG%99IURP0+](PLVVLRQRI5)(QHUJ\0+] : G%P G%9 P97UDQVPLWWHU6SHFWUXP0DVN 0D[G%DW«+]PRGXODWLRQN+]VSDFLQJG%DW+]PRGXODWLRQN+]VSDFLQJG%DW+]PRGXODWLRQN+]VSDFLQJ&KDQQHO6HOHFWLRQ7LPH VHF)UHTXHQF\7ROHUDQFH SSP&&))SSP&&))8QZDQWHG)0)UHTXHQF\PRGXODWLRQ N+]DWP +]7;,QWHUPRGXODWLRQ G%$QWHQQD0LVPDWFKLQJ 96:5QRUPDORSHUDWLRQ$W96:5WKHUHTXLUHPHQWVIRUPRGXODWLRQGLVWRUWLRQVSXULRXVDQGKDUPRQLFVRXWSXWDVZHOODVIUHTXHQF\VWDELOLW\DUHPHW,QDGGLWLRQWKH5)RXWSXWLV)6* :DWWLQWRDW9GF)6*+ :DWWLQWRDW9GF$W96:5VWLOOIXQFWLRQDO](https://usermanual.wiki/f-u-n-k-e-AVIONICS/FSG90.FSG-90-Maintenance-Manual-part-one/User-Guide-169919-Page-59.png)



![)6*6\VWHP$SSHQGL[&1RYHPEHU 3DJH&$33(1',;&,&$2)5(48(1&<&+$11(/3$,5,1*3/$1)25&20%,1('.+=.+=23(5$7,217KHWDEOHEHORZVKRZV7;DQG5;IUHTXHQF\UHVSHFWLYHFKDQQHOVSDFLQJDQGWKHFRUUHVSRQGLQJFKDQQHOQDPHRUIUHTXHQF\ZKLFKLVVKRZQDWWKHGLVSOD\RIWKH)6*LQWKHUDQJHIURP0+]WR0+],QFRPELQHGN+]N+]FKDQQHOVSDFLQJPRGHWKHDFWLYH&KDQQHO1DPHLVGLVSOD\HGZLWKGLJLWV,QN+]RQO\FKDQQHOVSDFLQJPRGHIUHTXHQFLHVDUHGLVSOD\HGZLWKGLJLWV7KLVDOORZVXQLTXHLGHQWLILFDWLRQRIWKHPRGHXVHG2IFRXUVHWKLVIUHTXHQF\FKDQQHOSDLULQJSODQDOVRDSSOLHVWRDOORWKHUIUHTXHQFLHVEHWZHHQ0+]DQG0+]2SHUDWLQJIUHTXHQF\0+]&KDQQHO6SDFLQJN+]N+]0RGH&KDQQHO1DPH 'LVSOD\DW)6*N+]0RGH)UHTXHQF\ 'LVSOD\DW)6* HWF HWF HWF HWF](https://usermanual.wiki/f-u-n-k-e-AVIONICS/FSG90.FSG-90-Maintenance-Manual-part-one/User-Guide-169919-Page-63.png)




