f u n k e AVIONICS FSG90 VHF/AM aviation analogue voice COMM transceiver User Manual FSG90E PC Operation
f.u.n.k.e. AVIONICS GmbH VHF/AM aviation analogue voice COMM transceiver FSG90E PC Operation
Contents
- 1. FSG 90EPC Portable case manual part one
- 2. FSG 90EPC Portable case manual part two
- 3. Frontpanel Module without case part one
- 4. Frontpanel Module without case part two
- 5. Desktop case with front module part one
- 6. Desktop case with front module part two
- 7. FSG 90F ops manual part one
- 8. FSG 90 Maintenance Manual part one
- 9. FSG 90 Maintenance Manual part two
FSG 90EPC Portable case manual part two
![)6*(3&23(5$7,21'HFHPEHU 3DJH6(&7,2123(5$7,21 ,QWURGXFWLRQ7KLVVHFWLRQFRQWDLQVDEDVLFRSHUDWLRQSURFHGXUHIRUWKH)6*(3&WUDQVFHLYHUV7KLVLQVWUXFWLRQLVRQO\DSSOLFDEOHIRUDUDGLRZKLFKLVDOUHDG\RSWLPL]HGE\WKHVHWXSSURFHGXUHUHIHUWR6HFWLRQ6(783352&('85('$1*(5'212723(5$7(7+,65$',2,1$1(;3/26,9($70263+(5(3(752/(80)8(/662/9(176'867(7&'2127OHDQRYHUWKHHTXLSPHQWZKHQRSHQLQJWKHFRYHU,IQRWSURSHUO\WLJKWHQHGWKHVSULQJVWHHOEDQGDQWHQQDPD\ERXQFHRXW$IWHUUHPRYLQJWKH6QDS2QFRYHUDOOFRQWUROVWRRSHUDWHWKHWUDQVFHLYHUDUHDFFHVVLEOH7KHFRYHUFDQEHSXVKHGRQWRWKHUHDUVLGHRIWKHFDUU\LQJFDVH$IURQWDQGEDFNYLHZRIWKH)6*(3&LVJLYHQRQWKHODVWSDJHRIWKLVPDQXDO3OHDVHIROGRXWWKHEDFNIODSZKHQUHDGLQJWKHRSHUDWLRQLQVWUXFWLRQV %DWWHU\&KHFN,IDSSOLFDEOHGLVFRQQHFWEXLOWLQFKDUJHUIURPPDLQVILUVWEHIRUHFKHFNLQJWKHEDWWHU\VXSSO\3UHVVWKHUHGWHVWEXWWRQRIWKHEDWWHU\LQGLFDWRU7KH/('LQGLFDWRUVZLOOOLJKWXSÍ/('V21 EDWWHU\IXOO\FKDUJHGVXSSO\2.ÍWR/('V21 EDWWHU\SDUWLDOO\GLVFKDUJHGUHGXFHGRSHUDWLRQWLPHZKHQSRZHUHGRQO\IURPWKHEDWWHU\ÍRUOHVV/('V21 EDWWHU\GLVFKDUJHG7KHEDWWHU\VKRXOGEHUHFKDUJHGRUWKHUDGLRVKRXOGEHSRZHUHGE\DQH[WHUQDO9GFVRXUFHRIDGHTXDWHFDSDFLW\HJDXWRPRELOHEDWWHU\$GGLWLRQDOO\WKHVXSSO\LVSHUPDQHQWO\PRQLWRUHGZKHQWKHUDGLR)6*(LVVZLWFKHG21VHJPHQWV 9GF %DWWHU\IXOO\FKDUJHGVHJPHQWV 9GF %DWWHU\FKDUJHGDSSUR[òUHGXFHGRSHUDWLQJWLPHVHJPHQW 9GF %DWWHU\DOPRVWHPSW\FHDVHWUDQVPLWWLQJVHJPHQWVIODVKLQJ 9GF (PHUJHQF\RSHUDWLRQ,03257$17,IWKH6XSSO\,QGLFDWRUHYHQEOLQNVFRQWLQXRXVO\LQ67$1'%<PRGHLWLQGLFDWHVDGLVFKDUJHGEDWWHU\7KHUDGLRVKRXOGWKHQEHVZLWFKHG2))DWRQFHDQGWKHEDWWHU\UHFKDUJHGDVVRRQDVSRVVLEOH7KHEDWWHU\PXVWDOZD\VEHUHFKDUJHGLPPHGLDWHO\DIWHUDQH[WHQVLYHGLVFKDUJHEHFDXVHWKLVLQFXUVWKHULVNRIGHWHULRUDWLRQDQGSHUPDQHQWGDPDJHWKLVULVNLVLQFUHDVHGLIDGLVFKDUJHGEDWWHU\LVVWRUHGLQWKDWVWDWH](https://usermanual.wiki/f-u-n-k-e-AVIONICS/FSG90.FSG-90EPC-Portable-case-manual-part-two/User-Guide-169891-Page-1.png)
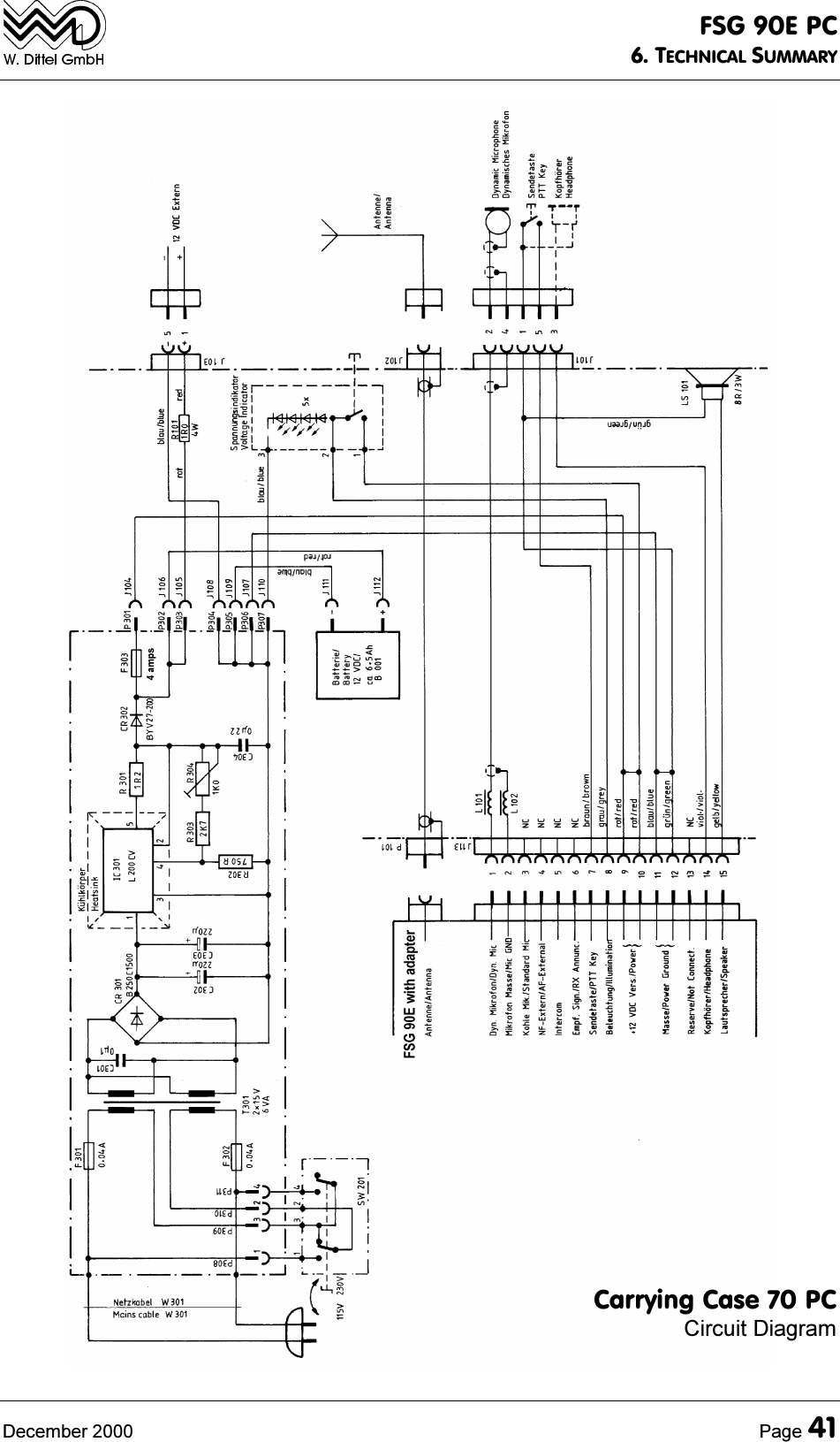
![)6*(3&23(5$7,213DJH 'HFHPEHU %DWWHU\&KDUJLQJ &KDUJLQJVKRXOGEHGRQHZLWKLQWKHDPELHQWWHPSHUDWXUHUDQJHRI&WR& )LUVWFKHFNWKHOLQHYROWDJHDQGVHWLWZLWKWKHYROWDJHVHOHFWRUVZLWFKRQWKHEDFNLIQHFHVVDU\ 7DNHRXWWKHPDLQVFRUGIURPLWVFRPSDUWPHQWDQGFRQQHFWLWWRDZDOOVRFNHW 7KHWUDQVFHLYHUPD\EHRSHUDWHGZKLOHFKDUJLQJ &KDUJLQJODVWVXSWRKRXUVGHSHQGLQJRQWKHVWDWHRIWKHEDWWHU\ 2YHUFKDUJLQJWKHEDWWHU\LVQRWSRVVLEOHGXHWRDXWRPDWLFFRQWUROOHGFKDUJLQJIXQFWLRQ)RUWULFNOHFKDUJLQJRUEXIIHURSHUDWLRQWKHFKDUJHUFDQEHOHIWXQDWWHQGHGFRQWLQXRXVO\FRQQHFWHGWRPDLQV$IXOO\FKDUJHGEDWWHU\FDQEHVWRUHGIRUVHYHUDOPRQWK $QWHQQD$QWHQQD-DFN62'$1*(51(9(575$160,7LQFORVHGYHKLFOHVDLUFUDIWRULQVLGHEXLOGLQJVZLWKWKHVSULQJVWHHOEDQGDQWHQQD7KLVPD\FDXVHPDOIXQFWLRQRIWKHDYLRQLFVWULJJHUWKHDLUEDJRUFRQIXVHHOHFWURQLFHTXLSPHQW$OZD\VRSHUDWHWKHUDGLRZLWKDVXLWDEOHH[WHUQDODQWHQQD1(9(523(5$7(WKHUDGLRZLWKRXWDQ\DQWHQQD7KHVSULQJVWHHOEDQGDQWHQQD$UWLFOH1R)FRQQHFWHGWRWKH62DQWHQQDMDFNFDQEHUHSODFHGE\DQ\RWKHUWDQWHQQDZLWK8+)W\SH3/FDEOHSOXJDQGDIUHTXHQF\UDQJHRI¡0+]PLQLPXP)RUORQJUDQJHRSHUDWLRQDEDVHVWDWLRQIROGHGWRSDQWHQQDJURXQGHGIRUOLJKWQLQJSURWHFWLRQLVUHFRPPHQGHG7RRSHUDWHWKHUDGLRLQDLUFUDIWRUJURXQGYHKLFOHVDVXLWDEOHH[WHUQDODQWHQQDVKRXOGDOZD\VEHXVHG(QVXUHWKHSOXJRI\RXUDQWHQQDRUDQWHQQDFDEOHLVVHFXUHO\WLJKWHQHG,IWKHVSULQJVWHHOEDQGDQWHQQDLVXVHGSXOOLWRXWRILWVFRPSDUWPHQWDQGDGMXVWLWLQDYHUWLFDOSRVLWLRQE\WLJKWHQLQJWKHVFUHZHGFDSDQGZLQJVFUHZ 0LFURSKRQH7KHKDQGKHOGG\QDPLFPLFURSKRQHZLWKSXVKWRWDONVZLWFK$UWLFOH1R)FDQEHUHSODFHGE\DQ\RWKHUG\QDPLFPLFURSKRQHWR2KPVZLWK377VZLWFKRUDKHDGVHWIRUG\QDPLFW\SHV\VWHPVZLWKDGGLWLRQDO377VZLWFKPDWLQJSROHSOXJ$UWLFOH1R(ZLULQJWRVWDWLRQUHIHUWR6HFWLRQ&LUFXLW'LDJUDP3& &RQQHFWPLFURSKRQHHQVXUHWKHSOXJLVVHFXUHGE\WZLVWORFNFDS](https://usermanual.wiki/f-u-n-k-e-AVIONICS/FSG90.FSG-90EPC-Portable-case-manual-part-two/User-Guide-169891-Page-2.png)
![)6*(3&23(5$7,21'HFHPEHU 3DJH 6ZLWFKLQJ216HOHFWLQJ)UHTXHQF\&KDQQHO1DPH9ROXPH&$87,217KH)6*(3&VKRXOGEHWXUQHGRQDIWHUHQJLQHVWDUWXS7KLVLVDVLPSOHSUHFDXWLRQZKLFKKHOSVWRSURWHFWWKHVROLGVWDWHFLUFXLWU\DQGH[WHQGVWKHRSHUDWLQJOLIHRI\RXUDYLRQLFVHTXLSPHQW,03257$17ª)UHTXHQF\©N+]VSDFLQJDQGª&KDQQHO1DPH©FRPELQHGN+]VSDFLQJDUH,&$2WHUPV)UHTXHQWWUDQVPLVVLRQVDVZHOODVODUJHUHFHLYLQJYROXPHUHGXFHWKHRSHUDWLQJWLPHZKHQUDGLRLVRQO\SRZHUHGE\WKHEXLOWLQEDWWHU\7XUQWKHUDGLR)6*(21E\URWDWLQJWKH212))92/NQREFORFNZLVH0RPHQWDULO\DOOVHJPHQWVRIWKHGLVSOD\DUHYLVLEOH/DVWXVHGGLVSOD\PRGHDQGIUHTXHQF\DUHGLVSOD\HG$ZDUPXSSHULRGIRUWKHWUDQVPLWWHULVQRWUHTXLUHG+RZHYHUDWWHPSHUDWXUHVRI&WKH/&GLVSOD\QHHGVDSSUR[LPDWHO\RQHVHFRQGXQWLOLWLVIXOO\YLVLEOHZKHQWKHIUHTXHQF\RUGLVSOD\PRGHLVFKDQJHG7RFKDQJHWKHGLVSOD\PRGH3XVKRQFHRUWZLFHWKH0'EXWWRQ6HOHFWLQJWKHDSSURSULDWHDFWLYHIUHTXHQF\FKDQQHOQDPHGHSHQGVRQGLVSOD\PRGH(;$03/( 67$1'$5'86(67%<6WDQGE\0RGH8SSHUOLQH 86(DFWLYHIUHTXHQF\FKDQQHOQDPH/RZHUOLQH 6WDQGE\IUHTXHQF\FKDQQHOQDPH6HOHFWLQJDQRWKHUIUHTXHQF\FKDQQHOQDPHWKDQLQGLFDWHG$WWKHORZHUOLQHVHOHFWDSSURSULDWHN+]SRUWLRQE\URWDWLQJ)&+NQRE$FORFNZLVHURWDWLRQZLOOLQFUHPHQWWKHSUHYLRXVIUHTXHQF\ZKLOHDFRXQWHUFORFNZLVHURWDWLRQZLOOGHFUHPHQWWKHSUHYLRXVIUHTXHQF\ZLWKUROORYHUDWHDFKEDQGHGJH3XVK)&+NQREWKLVFKDQJHVWKHDFFHVVWR0+]$WWKHORZHUOLQHVHOHFWDSSURSULDWH0+]SRUWLRQE\URWDWLQJ)&+NQRE$FORFNZLVHURWDWLRQZLOOLQFUHPHQWWKHSUHYLRXVIUHTXHQF\ZKLOHDFRXQWHUFORFNZLVHURWDWLRQZLOOGHFUHPHQWWKHSUHYLRXVIUHTXHQF\ZLWKUROORYHUDWHDFKEDQGHGJH3XVKWKH7UDQVIHU%XWWRQÙ7KHODVWVWDQGE\IUHTXHQF\FKDQQHOQDPHORZHUOLQHZLOOEHFRPHWKHQHZDFWLYHIUHTXHQF\FKDQQHOQDPHXSSHUOLQHDQGWKHODVWDFWLYHIUHTXHQF\FKDQQHOQDPHZLOOEHFRPHWKHQHZ67%<IUHTXHQF\FKDQQHOQDPHORZHUOLQH,03257$17 ,IWKHUHLVQRDFWLYLW\IRUVHFRQGVWKH)&+NQREZLOOUHWXUQWRWKHN+]DFFHVV](https://usermanual.wiki/f-u-n-k-e-AVIONICS/FSG90.FSG-90EPC-Portable-case-manual-part-two/User-Guide-169891-Page-3.png)
![)6*(3&23(5$7,213DJH 'HFHPEHU(;$03/( &KDQQHO0RGH8SSHUOLQH 86(DFWLYHIUHTXHQF\FKDQQHOQDPH/RZHUOLQH &KDQQHOPHPRU\QXPEHUDVVRFLDWHG6HOHFWLQJDQRWKHUIUHTXHQF\FKDQQHOQDPHWKDQLQGLFDWHG,03257$17 7KHDSSURSULDWH86(IUHTXHQF\FKDQQHOQDPHPXVWEHVWRUHGDOUHDG\LQDFKDQQHOPHPRU\UHIHUWRSDUDJUDSK6725,1*$1(:)5(48(1&<&+$11(/1$0(6HOHFWDSSURSULDWHFKDQQHOPHPRU\QXPEHUWRJHWKHUZLWKWKHDVVRFLDWHGIUHTXHQF\FKDQQHOQDPHE\URWDWLQJWKH)&+NQRE(;$03/( 'LUHFWWXQH0RGH8SSHUOLQH 86(DFWLYHIUHTXHQF\FKDQQHOQDPH/RZHUOLQH EODQN6HOHFWLQJDQRWKHUIUHTXHQF\FKDQQHOQDPHWKDQLQGLFDWHG6HOHFWDSSURSULDWHN+]SRUWLRQE\URWDWLQJ)&+NQRE$FORFNZLVHURWDWLRQZLOOLQFUHPHQWWKHSUHYLRXVIUHTXHQF\ZKLOHDFRXQWHUFORFNZLVHURWDWLRQZLOOGHFUHPHQWWKHSUHYLRXVIUHTXHQF\ZLWKUROORYHUDWHDFKEDQGHGJH3XVK)&+NQREWKLVFKDQJHVWKHDFFHVVWR0+]6HOHFWDSSURSULDWH0+]SRUWLRQE\URWDWLQJ)&+NQRE$FORFNZLVHURWDWLRQZLOOLQFUHPHQWWKHSUHYLRXVIUHTXHQF\ZKLOHDFRXQWHUFORFNZLVHURWDWLRQZLOOGHFUHPHQWWKHSUHYLRXVIUHTXHQF\ZLWKUROORYHUDWHDFKEDQGHGJH7KHVHWWLQJLVWKHQHZDFWLYHIUHTXHQF\FKDQQHOQDPH,03257$17 ,IWKHUHLVQRDFWLYLW\IRUVHFRQGVWKH)&+NQREZLOOUHWXUQWRWKHN+]DFFHVV5RWDWH212))92/NQREFORFNZLVHDERXWKDOIZD\&RQWLQXHZLWKHLWKHU5HFHLYHRU7UDQVPLW2SHUDWLRQ](https://usermanual.wiki/f-u-n-k-e-AVIONICS/FSG90.FSG-90EPC-Portable-case-manual-part-two/User-Guide-169891-Page-4.png)


![)6*(3&23(5$7,21'HFHPEHU 3DJH 6WRULQJDQHZ)UHTXHQF\&KDQQHO1DPH,QHDFKDFWLYHRSHUDWLQJPRGHN+]PRGHRUN+]RQO\PRGHXSWRQRQYRODWLOHFKDQQHOPHPRULHVFDQEHXVHUSURJUDPPHG&KDQQHOPHPRULHVRIWKHQRQDFWLYHPRGHUHPDLQVWRUHGLQWKHEDFNJURXQG7KH\DUHDFFHVVLEOHDIWHUFDOOLQJXSWKHUHVSHFWLYHPRGH,03257$17)UHHVHOHFWLRQRIIUHTXHQFLHVFKDQQHOQDPHVDQGQHZVWRULQJPD\EHUHVWULFWHGGXHWR6HW8SDGMXVWPHQWUHIHUWRSDUDJUDSK&KDQQHOPHPRULHVWRDUHDOZD\VSUHVHWDQGPD\EHXVHGZKHQFDOOHG7KH\FDQRQO\EHFKDQJHGEXWQRWGHOHWHG([ZRUNVDQGDIWHU0DVWHU5HVHWFKDQQHOPHPRULHVWRDUHSUHVHWZLWKHLWKHU0+]RU0+]6WRULQJFDQEHLQLWLDOL]HGLQDOOWKUHHGLVSOD\PRGHV7KH86(IUHTXHQF\FKDQQHOQDPHLQWKHXSSHUOLQHRIWKHGLVSOD\FDQEHVWRUHGWRDQ\RIWKHFKDQQHOPHPRULHV 6HWWKHIUHTXHQF\RUFKDQQHOQDPHWREHVWRUHGLQWKHXSSHUOLQHDWWKHGLVSOD\ ,QLWLDOL]HVWRULQJE\SUHVVLQJWKH672EXWWRQ 7KHODVWXVHGFKDQQHOPHPRU\QXPEHUDSSHDUV&+IODVKHV 6HOHFWDSSURSULDWHFKDQQHOPHPRU\QXPEHUWRE\WXUQLQJWKH)&+NQRE2QDIUHHPHPRU\FKDQQHODQ)DSSHDUVEHIRUH&+DQGWKHPHPRU\QXPEHU 7RHQWHUWKHQHZIUHTXHQF\FKDQQHOQDPHSUHVVWKH672EXWWRQ7KHIUHTXHQF\FKDQQHOQDPHZLOOEHVWRUHGXQGHUWKHVHOHFWHGFKDQQHOPHPRU\QXPEHU$SUHYLRXVO\VWRUHGIUHTXHQF\FKDQQHOQDPHZLOOEHRYHUZULWWHQ 5HFDOORIVWRUHGIUHTXHQFLHVFKDQQHOQDPHV %\SXVKLQJRQFHRUWZLFHWKH0'EXWWRQVHOHFWWKH&+$11(/PRGH %\URWDWLQJWKH)&+NQREVHWDSSURSULDWHFKDQQHOPHPRU\QXPEHUZLWKLWVDVVRFLDWHGIUHTXHQF\FKDQQHOQDPHDWWKHGLVSOD\2QO\FKDQQHOQXPEHUVWKDWKDYHEHHQSURJUDPPHGEHIRUHZLOODSSHDU 1RZWKHUDGLRRSHUDWHVRQWKDWIUHTXHQF\FKDQQHOQDPHLQGLFDWHGDWWKHGLVSOD\ /LJKWLQJWKH)UHTXHQF\'LVSOD\/LJKWLQJRIWKHIUHTXHQF\GLVSOD\LVDFWLYDWHGE\SUHVVLQJWKHUHGWHVWEXWWRQRIWKHEDWWHU\LQGLFDWRU 7XUQLQJ2))WKHUDGLR$OZD\VWXUQ2))WKHUDGLRDIWHUXVHE\URWDWLQJWKH212))92/VZLWFKWRWKHIXOO\FFZSRVLWLRQWRSUHYHQWXQQHFHVVDU\GLVFKDUJHRIWKHEDWWHU\3ODFHWKHPLFURSKRQHLQLWVFRPSDUWPHQW/RRVHQVFUHZHGFDSDQGZLQJVFUHZRIWKHVSULQJVWHHOEDQGDQWHQQDDQGSXVKWKHXSSHUSDUWLQWRLWVFRPSDUWPHQW%HQGWKHUHPDLQLQJSRUWLRQVRWKDWWKH6QDS2QFRYHUFDQEHSODFHGLQSRVLWLRQ'$1*(5$OZD\VWLJKWHQWKHDQWHQQDVVFUHZHGFDSDQGZLQJVFUHZEHIRUHFORVLQJWKHFRYHURWKHUZLVHWKHVSULQJVWHHOEDQGDQWHQQDZLOOERXQFHRXWZKHQWKHFRYHULVOLIWHGDJDLQ](https://usermanual.wiki/f-u-n-k-e-AVIONICS/FSG90.FSG-90EPC-Portable-case-manual-part-two/User-Guide-169891-Page-7.png)

![)6*(3&23(5$7,21'HFHPEHU 3DJH 6LWLQJ7KHUDGLRRSHUDWHVLQWKH9+)IUHTXHQF\EDQGWKLVLVD/LQH2I6LJKW/26IUHTXHQF\WKHUHIRUHVLWLQJRIWKHUDGLRJUHDWO\DIIHFWVLWVRSHUDWLQJUDQJH7KHORQJHVWUDQJHLVQRUPDOO\REWDLQHGZKHQDGLUHFW/26LVPDLQWDLQHGEHWZHHQWKHUDGLRV8VHRIKLOOWRSURRIRUWRZHUORFDWLRQVZLOOLQFUHDVHWKH/26UDQJH/RFDWLRQLQYDOOH\VZLWKLQWHUYHQLQJKLOOVEHKLQGYHKLFOHVRUEXLOGLQJVRULQGHQVHZRRGVPD\UHGXFHRUSUHYHQWFRPPXQLFDWLRQV,ISRVVLEOHDYRLGDQWHQQDORFDWLRQVQHDUHOHFWULFDOLQWHUIHUHQFHVRXUFHVVXFKDVFRPSXWHUVSRZHUDQGWHOHSKRQHOLQHVUDGDUZHOGHUVDQGHOHFWULFDOJHQHUDWRUV %DVH2SHUDWLRQ7RRSHUDWHWKHUDGLRDVDEDVHVWDWLRQDZHDWKHUSURRIDQWLVWDWLFDQGOLJKWQLQJSURWHFWHGIROGHGWRSDQWHQQDLVLGHDOO\VXLWHG7KHDQWHQQDVKRXOGEHPRXQWHGYHUWLFDOO\DQGHOHYDWHGDVKLJKDVSRVVLEOHRQDURRIKRUL]RQWDOO\IUHHRIREVWDFOHV7KHDQWHQQDPDVWKDVWREHJURXQGHGDQGDQFKRUHGDVQHFHVVDU\)RUDGLVWDQFHRIXSWRPHWHUVWKHDQWHQQDFDEOHPD\EHD5*&8W\SHIRUORQJHUGLVWDQFHVDOZD\VXVHWKHFDEOHW\SH5*8ORZORVV,QJHQHUDOWKHDQWHQQDFDEOHVKRXOGQRWEHORQJHUWKDQQHFHVVDU\ )XQFWLRQDO&KHFNV,IWKHWUDQVFHLYHU)6*(3&GRHVQRWRSHUDWHFRUUHFWO\FKHFNWKHIROORZLQJ ,VWKHUHTXLUHGIUHTXHQF\FKDQQHOQDPHYLVLEOHLQWKHXSSHUOLQH"$GMXVWUHTXLUHGIUHTXHQF\FKDQQHOQDPH ,VEDWWHU\VXSSO\VXIILFLHQW"2EVHUYHRQERDUGVXSSO\LQGLFDWRUSDUWLFXODUO\GXULQJWUDQVPLWDWOHDVWRQHVHJPHQWPXVWEHVKRZQ :HDN5;VLJQDO"3UHVV64EXWWRQ VZLWFK2))VTXHOFKFLUFXLW :HDN7;VLJQDO"&KHFNPLFURSKRQHPLF6(783UDGLRRUDQWHQQDV\VWHP,VWKHYRLFHYROXPHWRRORZ"6SHDNORXGDQGFOHDUZKLOHWKHOLSVDUHIDFLQJWKHPLFURSKRQH7U\DQRWKHUORFDWLRQ 0DNHVXUHWKDWWUDQVFHLYHUVDQWHQQDLVYHUWLFDOO\SRVLWLRQHGDQGLVQRWVFUHHQHGE\QHDUE\SODFHGPHWDOOLFREMHFWVRUEXLOGLQJV 6LQJLQJGXULQJWUDQVPLW"$GMXVW6LGHWRQHPRUHTXLHWO\SXWRQKHDGVHWNHHSPLFURSKRQHLQRWKHUSRVLWLRQ 5DWWOHVZKHQUHFHLYLQJ"0HWDOSURSHOOHUVEHWZHHQWUDQVPLWWLQJDLUERUQHUDGLRDQGJURXQGVWDWLRQDQWHQQD &DOOHGVWDWLRQKHDUVFDUULHUEXWQRYRLFH"&KHFNPLFURSKRQHDQGFRQWDFWVRQPLFURSKRQHMDFN 1RLV\GLVWRUWHGJDUEOHG"6XSSUHVVHOHFWULFDOLQWHUIHUHQFHRIPRWRUL]HGDLUFUDIWRUYHKLFOHJHQHUDWRUUHJXODWRUFKHFNDQWHQQDV\VWHPFKHFNDQWHQQDPLFURSKRQHDQGUDGLRFRQQHFWRUIRUSURSHUVHDW&KDQJHORFDWLRQ )ODVKLQJGLVSOD\WUDQVPLWWHUVZLWFKHVRIILWVHOI"377NH\VWLFNV&KHFN377NH\DQGFDEOHV7UDQVPLWWHUZDVNH\HGORQJHUWKDQPLQXWHV5HOHDVH377NH\QRUPDORSHUDWLQJLVSRVVLEOHDJDLQ,QFDVHRIHPHUJHQF\WXUQUDGLR2))DQGVZLWFK21DJDLQSHUPLWVDQRWKHUWZRPLQXWHVWRWUDQVPLW,QFDVHRIGRXEWFRPSDUHRSHUDWLRQRIWKHWUDQVFHLYHUZLWKDQRWKHUWUDQVFHLYHURQWKHVDPHORFDWLRQRUFDOODQRWKHUVWDWLRQ,IVHUYLFHLVQHFHVVDU\SOHDVHFRQVXOW\RXUDXWKRUL]HGGHDOHURUDQDSSURYHGDYLRQLFVZRUNVKRS](https://usermanual.wiki/f-u-n-k-e-AVIONICS/FSG90.FSG-90EPC-Portable-case-manual-part-two/User-Guide-169891-Page-9.png)
![)6*(3&,&$2)5(48(1&<&+$11(/1$0($66,*10(173DJH 'HFHPEHU6(&7,21,&$2)5(48(1&<&+$11(/1$0($66,*10(17,17+(&20%,1('.+=.+=23(5$7,217KHIROORZLQJWDEOHVKRZVWUDQVPLWDQGUHFHLYHIUHTXHQF\WKHUHVSHFWLYHFKDQQHOVSDFLQJDQGWKHDVVRFLDWHGGLVSOD\RIWKH'8$/02'(75$16&(,9(5)6*(LQWKHUDQJHIURP0+]WR0+]7KLVDVVLJQPHQWDOVRDSSOLHVRIFRXUVHWRDOORWKHUIUHTXHQFLHVEHWZHHQ0+]DQG0+]7UDQVPLWDQG5HFHLYHIUHTXHQF\0+] &KDQQHOVSDFLQJN+]0RGH&KDQQHO1DPH 'LVSOD\DW)6*(N+]0RGH)UHTXHQF\ 'LVSOD\DW)6*( DQGVRRQ HWF HWF](https://usermanual.wiki/f-u-n-k-e-AVIONICS/FSG90.FSG-90EPC-Portable-case-manual-part-two/User-Guide-169891-Page-10.png)
![)6*(3&7(&+1,&$/6800$5<'HFHPEHU 3DJH6(&7,217(&+1,&$/6800$5<)6*(3& *HQHUDO)UHTXHQF\5DQJH 0+]0+]DQGRUN+]LQFUHPHQWV1XPEHURI&KDQQHOV LQWKHFRPELQHGN+]N+]FKDQQHOVSDFLQJIUHHVHOHFWDEOHRULQWKHN+]RQO\FKDQQHOVSDFLQJIUHHVHOHFWDEOH7UDQVPLWWHU2XWSXW :DWWWFD:3(3DW9GF5HFHLYHU6HQVLWLYLW\P N+]9(0)G%P2KPVIRUG%611)UHTXHQF\$FFXUDF\ <SSPDW&¡&<SSPDW&¡&$)2XWSXW. :DWWVLQWR2KPVDQGP:LQWR2KPV1RPLQDO9ROWDJH%DWWHU\&KDUJHU 9DF9DF¡+]1RPLQDO9ROWDJH7UDQVFHLYHU ¡9GF(PHUJHQF\¡9GFOHVV9GFDXWRPDWLFGLVDEOLQJ%XLOWLQ%DWWHU\ 6HDOHGOHDGDFFXPXODWRU9GF$K3RZHU&RQVXPSWLRQ&KDUJHU 9$P$3RZHU&RQVXPSWLRQ 6WDQGE\5HFHLYH9RLFH7UDQVPLW9RLFH/LJKWLQJDQG6XSSO\&KHFNP$W\SLFDOOHVVWKDQ$OHVVWKDQ$P$DGGLWLRQDO'XW\&\FOH PLQ7UDQVPLWWLPHRXWWLPHU2SHUDWLQJ7HPSHUDWXUH &&&'LPHQVLRQV PPîPPîPPLQFOKDQGOH:HLJKW NJLQFOPLFVSULQJVWHHOEDQGDQWHQQD$'',7,21$/)($785(6XVHUSURJUDPPDEOHQRQYRODWLOHPHPRU\FKDQQHOVHDFKLQFRPELQHGN+]DQGLQN+]RQO\RSHUDWLRQWUXHVLGHWRQHYLDKHDGSKRQH7;WLPHRXWWLPHU7;GLVDEOHGZKHQFKDQQHOEXV\6RFNHWVWRFRQQHFW ([WHUQDO'&6XSSO\'\QDPLF0LFURSKRQH3XVKWRWDON6ZLWFK+HDGSKRQH+HDGVHW2KPV$QWHQQD/LJKWLQJRIIUHTXHQF\GLVSOD\ %\WZR/('VEXLOWLQ)XVLQJ '&[DPSVPHGLXPWLPHODJ$&DPSVWLPHODJ,03257$177KHSRUWDEOHJURXQGVWDWLRQ)6*(3&PD\RQO\EHXVHGE\WKHUHVSHFWLYH$XWKRULWLHV](https://usermanual.wiki/f-u-n-k-e-AVIONICS/FSG90.FSG-90EPC-Portable-case-manual-part-two/User-Guide-169891-Page-11.png)
![)6*(3&7(&+1,&$/6800$5<3DJH 'HFHPEHU $SSURYDOVDSSOLHVIRU7UDQVFHLYHU)6*(*URXQG 2SHUDWLRQ5HJXODWRU\$XWKRULW\)RU7HOHFRPPXQLFDWLRQVDQG3RVWV³(&7\SH([DPLQDWLRQ&HUWLILFDWH´QR%-DQG´´7<3((;$0,1$7,21&(57,),&$7(´QR$-³*URXQG2SHUDWLRQ')6 1R%5HTXLUHPHQWVIRUJURXQGRSHUDWHGUDGLRV 5HJ73=9LVVXH0DUFK(76,(76N+]&+VSDFLQJJURXQGRSHUDWLRQ',1,6299HKLFOH3RZHU6\VWHP$LUERUQH 5DGLR 5HJXODWRU\ $XWKRULW\ )RU7HOHFRPPXQLFDWLRQVDQG3RVWV³(&7\SH([DPLQDWLRQ&HUWLILFDWH´QR%-DQG´7<3((;$0,1$7,21&(57,),&$7(´QR$-$LUERUQH 5DGLR 5HJXODWRU\ $XWKRULW\ )RU7HOHFRPPXQLFDWLRQVDQG3RVWVDQG/%$5HJ73=9LVVXH-XO\(852&$(('%5HFHLYHU &ODVV& N+]VSDFLQJ&/,0$;RSHUDWLRQDQG5HFHLYHU &ODVV( N+]VSDFLQJ7UDQVPLWWHU &ODVV 10ZLWKN+]VSDFLQJDQG7UDQVPLWWHU &ODVV 10ZLWKN+]VSDFLQJ(QYLURQPHQWDO5HTXLUHPHQWV(852&$(('&57&$'2&&DWHJRULHV'$$%01;;;;;;=%%%$7=;;;;-762$XWKRUL]DWLRQ/%$DLUERUQH -762&HDQG-762&H1R/%$2-7626RIWZDUH (852&$(('%57&$'2%/HYHO' 'HWDLOHG5HFHLYHU&KDUDFWHULVWLFV5HFHLYHU7\SH 'XDO6XSHUKHW,))UHTXHQFLHV )LUVW,)0+]VHFRQG,)N+]KLJKLQMHFWLRQ6HQVLWLYLW\P +] 9(0)G%PIRUG%6116HOHFWLYLW\D 5HIHUHQFHOHYHOP +]IRUG%6,1$'E ,QWHUIHUHQFHOHYHOP +]DGGLWLRQDO&RQGLWLRQN+]6,1$'GHFUHDVHGIURPG%WRG%G% IRU N+] N+]&+VSDFLQJG% IRU N+] N+]&+VSDFLQJG% IRU N+] N+]&+VSDFLQJG% IRU N+] N+]&+VSDFLQJG% IRU N+] N+]&+VSDFLQJ6TXHOFK7\SH $XWRPDWLF)0$0DGMXVWDEOH6(783PDQXDORYHUULGH$*&&KDUDFWHULVWLF G%9(0)G%P9(0)G%P P +]$*&'HOD\5; VHFP9(0)G%P¡9(0)G%P P +]$*&5HFRYHU\DIWHU7; VHFDW9(0)G%P DIWHU7;HQG7UDQVIHUWLPH7;5; PVHF0RGXODWLRQGLVWRUWLRQ$)3URFHVVRU2)) +]P ](https://usermanual.wiki/f-u-n-k-e-AVIONICS/FSG90.FSG-90EPC-Portable-case-manual-part-two/User-Guide-169891-Page-12.png)
![)6*(3&7(&+1,&$/6800$5<'HFHPEHU 3DJH$XGLR)UHTXHQF\5HVSRQVH$))LGHOLW\ G%DQGG%+]N+]DQGN+]&+VSDFLQJG%+]N+]&+VSDFLQJ&OLPD[2IIVHW2SHUDWLRQ$XGLR)UHTXHQF\$*& G%P 1RPLQDO$)2XWSXW6SHDNHU :DWW RU:DWW DW9GF:DWW DW9GF1RPLQDO$)2XWSXW3KRQH P: DW9GFP: DW9GF$)1RLVH/HYHO G%P +]9(0)G%PP9(0)G%P$)([WHUQDO,QSXW 9ROWLQWR IRUUDWHG$)RXWSXW9GFVXSSO\6SXULRXV5HVSRQVH P9(0)G%PP N+]IRU611G%D 0+]RIDQ\7HVW&KDQQHON+]DWRWKHUWKDQWKHDVVLJQHGFKDQQHODQGWKHDGMDFHQWFKDQQHOVE N+]±0+]H[FHSW0+]&URVV0RGXODWLRQ$)3URFHVVRU2)) 0D[$)RXWSXWOHYHOG%EHORZQRPLQDO$)RXWSXWOHYHOD :DQWHGVLJQDO9(0)G%P9(0)G%PXQPRGXODWHGDW5;IUHTXHQF\DGGLWLRQDOE 8QZDQWHGVLJQDOP9(0)G%PP +]IUHTXHQF\0+]IUHTXHQF\5;FKDQQHOV,QWHUPRGXODWLRQ$)3URFHVVRU2)) G%$)4XLHWLQJG%P±0+]VLJQDOV'HVHQVLWL]DWLRQ :DQWHGVLJQDO9(0)G%PP +]DW5;IUHTXHQF\IRU611G%LQWKHSUHVHQFHRI8QZDQWHGVLJQDO$P9(0)G%PXQPRGXODWHGIUHTXHQF\0+]H[FHSWXVHG&+EXWLQFOXGHV5;&+RU8QZDQWHGVLJQDO%P9(0)G%PPLQLPXPP9(0)G%PXQPRGXODWHGIUHTXHQF\N+]±0+]H[FHSW0+]0+]RU8QZDQWHGVLJQDO&P9(0)G%PXQPRGXODWHGIUHTXHQF\0+]5HFHLYHU6SXULRXV(PLVVLRQ S:G%PN+]0+]&KDQQHO6HOHFWLRQ7LPH VHF$)OHYHOZLWKLQG%PD[&KDQQHOPHPRULHV5HFHLYHU0XWLQJ6TXHOFK&/,0$; 6LPXOWDQHRXVLQSXWDW5;IUHTXHQF\D :DQWHG6LJQDO$9(0)G%PN+]P +]6TXHOFKLVRSHQE 8QZDQWHG6LJQDO%0RUHWKDQ9(0)G%PP +]YDU\WKLVIUHTXHQF\VORZO\IURPN+]WRN+]6TXHOFKPXVWUHPDLQRSHQ](https://usermanual.wiki/f-u-n-k-e-AVIONICS/FSG90.FSG-90EPC-Portable-case-manual-part-two/User-Guide-169891-Page-13.png)
![)6*(3&7(&+1,&$/6800$5<3DJH 'HFHPEHU 'HWDLOHG7UDQVPLWWHU&KDUDFWHULVWLFV1RPLQDO7;5)2XWSXW3RZHUQRUPDORSHUDWLRQ:DWWFDUULHU:DWW3(3DW9GF1RPLQDO7;5)2XWSXW3RZHUHPHUJHQF\RSHUDWLRQ:DWWFDUULHUDW9GFVXSSO\7;'XW\&\FOH PLQXWH7;PLQXWHV5;7;7LPH2XW7LPHU $IWHUPLQXWHVFRQWLQXRXV7;7UDQVPLWWHULVXQNH\HGDXWRPDWLFDOO\DQGWKHUDGLRGLVSOD\IODVKHVDVDZDUQLQJ0RGXODWLRQ $PSOLWXGHPRGXODWLRQ$0$('HSWKRI0RGXODWLRQ 9RLFHSURFHVVRUZLWKG\QDPLFFRPSUHVVLRQ0RGXODWLRQ'LVWRUWLRQ P +]P +]0RGXODWLRQ$XGLR)UHTXHQF\5HVSRQVH G%DQGG%+]0RGXODWLRQ$),QSXWIRUP '\QDPLF0LFURSKRQHP9V\PPHWULFDOVHQVLWLYLW\DGMXVWDEOHLQ6(783$PSOLILHG&DUERQ0LFURSKRQHP9XQV\PPHWULFDOVHQVLWLYLW\DGMXVWDEOHLQ6(7837UXH7UDQVPLW6LGHWRQHGHULYHGIURPPRGXODWHG7;5)VLJQDO P:DW9GFVXSSO\P:DW9GFYROXPHDGMXVWDEOHLQ6(783LQGHSHQGHQWIURPVSHDNHUYROXPH&DUULHU1RLVH/HYHO G%P +](PLVVLRQRI5)(QHUJ\0+] :G%PG%9P9Q:G%PG%99IURP0+](PLVVLRQRI5)(QHUJ\0+] : G%P G%9 P97UDQVPLWWHU6SHFWUXP0DVN 0D[G%DW«+]PRGXODWLRQN+]VSDFLQJG%DW+]PRGXODWLRQN+]VSDFLQJG%DW+]PRGXODWLRQN+]VSDFLQJ&KDQQHO6HOHFWLRQ7LPH VHF)UHTXHQF\7ROHUDQFH SSP&&))SSP&&))8QZDQWHG)0)UHTXHQF\PRGXODWLRQ N+]DWP +]7;,QWHUPRGXODWLRQ G%$QWHQQD0LVPDWFKLQJ 96:5QRUPDORSHUDWLRQ$W96:5WKHUHTXLUHPHQWVIRUPRGXODWLRQGLVWRUWLRQVSXULRXVDQGKDUPRQLFVRXWSXWDVZHOODVIUHTXHQF\VWDELOLW\DUHPHW,QDGGLWLRQWKH5)RXWSXWLV:DWWLQWRDW9GF$W96:5VWLOOIXQFWLRQDO](https://usermanual.wiki/f-u-n-k-e-AVIONICS/FSG90.FSG-90EPC-Portable-case-manual-part-two/User-Guide-169891-Page-14.png)








