G4S Monitoring Technologies SOL915 OM247 SOLO2 User Manual TELIT TRIZIUM
G4S Monitoring Technologies Limited OM247 SOLO2 TELIT TRIZIUM
Contents
- 1. User guide
- 2. User Guide (Safety)
- 3. User Instructions
- 4. User guide Solo
- 5. User guide Solo (safety)
User Instructions

TELIT HE910-NA
Data Terminal Modules
HARDWARE REVISION 0
TECHNICAL
MANUAL
Code: 1vv0300999
Rev. 0
2012/03/09

TECHNICAL MANUAL
Telit HE910-NA HW rev.0
Data Terminal Module
Code: 1vv0300999
Rev. 0
Date: 2012/03/09
REVISION INDEX
REV. SUBJECT OF MODIFICATION DATE
Pag.2 of 27

TECHNICAL MANUAL
Telit HE910-NA HW rev.0
Data Terminal Module
Code: 1vv0300999
Rev. 0
Date: 2012/03/09
MASTER INDEX
ANNEX 1 HE910-NA LABEL LAYOUT ........................................................ 4
ANNEX 2 HE910-NA MODULE PHOTOS .................................................... 6
ANNEX 3 HE910-NA MODULE SCHEMATICS............................................ 9
ANNEX 4 HE910-NA MODULE GERBER LAYOUT .................................. 17
ANNEX 5 HE910-NA MODULE ASSEMBLY LAYOUT.............................. 20
ANNEX 6 HE910-NA MODULE PARTS LIST............................................. 23
ANNEX 7 HE910-NA MODULE BLOCK DIAGRAMS ................................ 26
Pag.3 of 27

TECHNICAL MANUAL
Telit HE910-NA HW rev.0
Data Terminal Module
Code: 1vv0300999
Rev. 0
Date: 2012/03/09
ANNEX 1
HE910-NA LABEL LAYOUT
Pag.4 of 27

TECHNICAL MANUAL
Telit HE910-NA HW rev.0
Data Terminal Module
Pag.5 of 27
Code: 1vv0300999
Rev. 0
Date: 2012/03/09

TECHNICAL MANUAL
Telit HE910-NA HW rev.0
Data Terminal Module
Code: 1vv0300999
Rev. 0
Date: 2012/03/09
ANNEX 2
HE910-NA MODULE PHOTOS
Pag.6 of 27

TECHNICAL MANUAL
Telit HE910-NA HW rev.0
Data Terminal Module
Pag.7 of 27
Code: 1vv0300999
Rev. 0
Date: 2012/03/09
Image #1
(Top Side)
Image #2
(Bottom Side)

TECHNICAL MANUAL
Telit HE910-NA HW rev.0
Data Terminal Module
Pag.8 of 27
Code: 1vv0300999
Rev. 0
Date: 2012/03/09
Image #3
(Inside Top)

TECHNICAL MANUAL
Telit HE910-NA HW rev.0
Data Terminal Module
Code: 1vv0300999
Rev. 0
Date: 2012/03/09
ANNEX 3
HE910-NA MODULE SCHEMATICS
Pag.9 of 27

TECHNICAL MANUAL
Telit HE910-NA HW rev.0
Data Terminal Module
Pag.10 of 27
Code: 1vv0300999
Rev. 0
Date: 2012/03/09

TECHNICAL MANUAL
Telit HE910-NA HW rev.0
Data Terminal Module
Pag.11 of 27
Code: 1vv0300999
Rev. 0
Date: 2012/03/09

TECHNICAL MANUAL
Telit HE910-NA HW rev.0
Data Terminal Module
Pag.12 of 27
Code: 1vv0300999
Rev. 0
Date: 2012/03/09

TECHNICAL MANUAL
Telit HE910-NA HW rev.0
Data Terminal Module
Pag.13 of 27
Code: 1vv0300999
Rev. 0
Date: 2012/03/09

TECHNICAL MANUAL
Telit HE910-NA HW rev.0
Data Terminal Module
Pag.14 of 27
Code: 1vv0300999
Rev. 0
Date: 2012/03/09

TECHNICAL MANUAL
Telit HE910-NA HW rev.0
Data Terminal Module
Pag.15 of 27
Code: 1vv0300999
Rev. 0
Date: 2012/03/09

TECHNICAL MANUAL
Telit HE910-NA HW rev.0
Data Terminal Module
Pag.16 of 27
Code: 1vv0300999
Rev. 0
Date: 2012/03/09

TECHNICAL MANUAL
Telit HE910-NA HW rev.0
Data Terminal Module
Code: 1vv0300999
Rev. 0
Date: 2012/03/09
ANNEX 4
HE910-NA MODULE GERBER LAYOUT
Pag.17 of 27

TECHNICAL MANUAL
Telit HE910-NA HW rev.0
Data Terminal Module
Pag.18 of 27
Code: 1vv0300999
Rev. 0
Date: 2012/03/09

TECHNICAL MANUAL
Telit HE910-NA HW rev.0
Data Terminal Module
Pag.19 of 27
Code: 1vv0300999
Rev. 0
Date: 2012/03/09

TECHNICAL MANUAL
Telit HE910-NA HW rev.0
Data Terminal Module
Code: 1vv0300999
Rev. 0
Date: 2012/03/09
ANNEX 5
HE910-NA MODULE ASSEMBLY LAYOUT
Pag.20 of 27

TECHNICAL MANUAL
Telit HE910-NA HW rev.0
Data Terminal Module
Pag.21 of 27
Code: 1vv0300999
Rev. 0
Date: 2012/03/09

TECHNICAL MANUAL
Telit HE910-NA HW rev.0
Data Terminal Module
Pag.22 of 27
Code: 1vv0300999
Rev. 0
Date: 2012/03/09

TECHNICAL MANUAL
Telit HE910-NA HW rev.0
Data Terminal Module
Code: 1vv0300999
Rev. 0
Date: 2012/03/09
ANNEX 6
HE910-NA MODULE PARTS LIST
Pag.23 of 27

TECHNICAL MANUAL
Telit HE910-NA HW rev.0
Data Terminal Module
Code: 1vv0300999
Rev. 0
Date: 2012/03/09
3990400721 HE910-NA MODULE cs1499a-E PARTS LIST
Reference Description Um Qty
PCB HE910 MODULE PCB cs1499a Pcs 1
R503 R115 R109 R124 R701
R101 R703
RES SMD 0 OHM JUMPER 1/20W 0201 Pcs 7
R125 RES SMD 3.3 R 5% 1/20W 0201 Pcs 1
R401 RES SMD 4.7 R 5% 1/20W 0201 Pcs 1
R123 RES SMD 10 R 5% 1/20W 0201 Pcs 1
R409 R203 RES SMD 100 R 5% 1/20W 0201 Pcs 2
R310 R311 RES SMD 1 K 5% 1/20W 0201 Pcs 2
RKEY RES SMD 3.3 K 1% 1/20W 0201 Pcs 1
R303 R305 R406 R502 RES SMD 4.7 K 5% 1/20W 0201 Pcs 4
R403 R307 RES SMD 47 K 5% 1/20W 0201 Pcs 2
R309 R408 R707 R709 RES SMD 100 K 5% 1/20W 0201 Pcs 4
R301 RES SMD 4.02 K 1% 1/20W 0201 Pcs 1
RT301 RES NTC SMD 10 K 1% 0402 NCP15XH Pcs 1
C102 C110 COND CER SMD 1.8pF C0G 0201 +/-0.1pF 25V Pcs 2
C125 COND CER SMD 3.0pF C0G 0201 +/-0.1pF 25V Pcs 1
C156 C155 COND CER SMD 5.6pF C0G 0201 +/-0.1pF 25V Pcs 2
C122 COND CER SMD 6.8pF C0G 0201 +/-0.1pF 25V Pcs 1
C503 C502 C501 C404 C210
C405 C421 C406 C407 C213
C214 C408 C409 C430 C433
C504 C415 C416 C417 C418
C414 C202 C203 C204 C207
C208 C420 C209 C401 C403
C507 C411 C412 C410 C436
COND CER SMD 100nF X5R 0201 10% 6.3V GRM Pcs 35
C425 C427 COND CER SMD 22 uF X5R 0603 20% 4V GRM Pcs 2
C134 C426 C424 C135 COND CER SMD 10 uF X5R 0603 20% 10V GRM Pcs 4
C216 C148 COND CER SMD 4.7uF X5R 0402 20% 6.3V GRM Pcs 2
C141 C140 C136 C205 COND CER SMD 2.2uF X5R 0402 10% 6.3V GRM Pcs 4
C215 C130 COND CER SMD 1uF X5R 0402 10% 10V GRM Pcs 2
C419 C153 C431 C429 C428
C152 C423
COND CER SMD 220 nF X5R 0201 20% 10V Pcs 7
C143 COND CER SMD 3.3 uF X5R 0603 10% 10V GRM Pcs 1
C104 COND CER SMD 1.0pF COG 0201 +-0.25pF 25V Pcs 1
C114 COND CER SMD 27 pF COG 0201 5% 25V Pcs 1
C303 COND CER SMD 33 pF COG 0201 5% 25V Pcs 1
C222 COND CER SMD 4.7nF X7R 0201 10% 10V Pcs 1
C221 C219 COND CER SMD 6.8nF X7R 0201 10% 10V Pcs 2
C133 C505 C506 C509 C116
C138 C439 C106 C438 C224
C437
COND CER SMD 10 nF X7R 0201 10% 10V Pcs 11
C147 C703 C702 C434 COND CER SMD 1 uF X5R 0402 10% 6.3V Pcs 4
C128 C144 C145 COND CER SMD 4.7uF X5R 0603 10% 6.3V Pcs 3
C435 C217 C218 C113 C132
C402 C126
COND CER SMD 100 nF X7R 0402 10% 16V Pcs 7
C422 C413 COND CER SMD 18 pF COG 0201 +-5% 50V Pcs 2
C432 C139 C131 COND CER SMD 220 nF X7R 0402 10% 16V Pcs 3
C211 COND CER SMD 22 nF X5R 0201 10% 6.3V GRM Pcs 1
C201 C212 C223 C206 COND CER SMD 47 nF X5R 0201 10% 6.3V GRM Pcs 4
C220 COND CER SMD 1 nF X7R 0201 10% 25V Pcs 1
C119 C107 C149 COND CER SMD 0.5 pF COG 0201 +-0.05p 50V Pcs 3
L111 L109 L106 INDUCT SMD 4.7 uH 20% MLZ2012 0805 Pcs 3
Pag.24 of 27

TECHNICAL MANUAL
Telit HE910-NA HW rev.0
Data Terminal Module
Code: 1vv0300999
Rev. 0
Date: 2012/03/09
3990400721 HE910-NA MODULE cs1499a-E PARTS LIST
Reference Description Um Qty
L402 L401 INDUT SMD 3.3 uH 20% LQM2HP_G0 1008 Pcs 2
L107 INDUT SMD 1.0 uH 20% LQM2HP_G0 1008 Pcs 1
L108 L105 INDUCT SMD 15 nH 5% LQW15AN 0402 Pcs 2
L112 PWR INDUCT SMD 85 nH 5% 0603 LQW18CN Pcs 1
L114 L113 INDUT SMD 2.7 nH +/-0.1nH 0201 LQP03T_02 Pcs 2
L103 INDUT SMD 2.0 nH +/-0.1nH 0201 LQP03T_02 Pcs 1
L122 L123 L117 INDUT SMD 1.0 nH +/-0.1nH 0201 LQP03T_02 Pcs 3
L120 L119 L121 L115 INDUT SMD 1.5 nH +/-0.1nH 0201 LQP03T_02 Pcs 4
L104 INDUT SMD 3.3 nH +/-0.1nH 0201 LQP03T_02 Pcs 1
L116 INDUT SMD 5.6 nH +/-3% 0201 LQP03T_02 Pcs 1
L118 INDUT SMD 6.8 nH +/-3% 0201 LQP03T_02 Pcs 1
U105 POWER MANAGEMENT IC RF6590 Pcs 1
U702 IC ANALOG R5326K004B-TR DFN(PLP)1820-6 Pcs 1
U104 PWR MNG. BOOST BUCK DCDC RF6561 Pcs 1
U501 IC MEM S72XS256RE0AHBH13 256Mb+256Mb Pcs 1
U301 IC uP PMB9812V1.0 PG-VF2BGA-221-1 Pcs 1
U101 3G MULTIBAND MULTIMODE P.A. RF6261Y Pcs 1
U102 IC RF SP8T ANTENNA SWITCH BGSF18DM20 Pcs 1
U201 IC TRANSCEIVER PMB5712 A1 Pcs 1
FC201 DUPLEX BANK 1/2/4/5/8+G1800 B40761AY2045 Pcs 1
X401 CRYSTAL DST310S-32K768_1TJF125DP1AI001 Pcs 1
Y201 VC-TCXO NT2016SA END4184A 26.0MHZ Pcs 1
Q401 TRANS PNP BC857BL3 TSLP-3 Pcs 1
SH601 METALLIC SHIELD HE910 Pcs 1
Tot Pz 171
Pag.25 of 27

TECHNICAL MANUAL
Telit HE910-NA HW rev.0
Data Terminal Module
Code: 1vv0300999
Rev. 0
Date: 2012/03/09
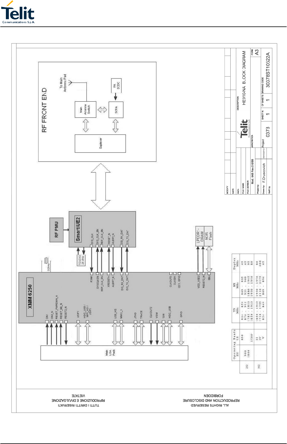
ANNEX 7
HE910-NA MODULE BLOCK DIAGRAMS
Pag.26 of 27

TECHNICAL MANUAL
Telit HE910-NA HW rev.0
Data Terminal Module
Pag.27 of 27
Code: 1vv0300999
Rev. 0
Date: 2012/03/09