Murata Electronics North America DNT90 Spread Spectrum Wireless Transceiver User Manual manual pt b

Murata Electronics North America Spread Spectrum Wireless Transceiver manual pt b

Contents

manual pt b

Preliminary   www.RFM.com  Technical support +1.678.684.2000  Page 41 of 80 © 2010-2012 by RF Monolithics, Inc.  E-mail: tech_sup@rfm.com  DNT90 Integration Guide - 05/10/12 7.4 Configuration Parameter Registers  The configuration parameters in a DNT90 module are stored in a set of variable length registers. Most registers are read-write, with a few read-only or write-only. Changes made to the register settings are temporary until a MemorySave command is executed. Resetting or power-cycling the module will clear any changes that have not been saved to permanent memory using the MemorySave command. DNT90 modules can be configured to start in protocol mode at power-up, in which case the EnterProtocolMode command is not required.   7.4.1 Bank 0x00 - Transceiver Setup  Bank Location Name R/W Size Range Default 0x00 0x00  DeviceMode  R/W  0x01 0..2  0 (remote) 0x00 0x01  HopDuration  R/W  0x01  16..200  40 (20 ms) 0x00 0x02  ParentNwkID  R/W  0x01  0..63, 255  255 (any parent) 0x00 0x03  SecurityKey  R/W  0x10 0..2^128-1  0 0x00 0x13  SleepModeEn  R/W  0x01 0..2  0 (off) 0x00 0x14  WakeResponseTime  R/W  0x02  0..30000  500 (500 ms) 0x00 0x16  WakeLinkTimeout  R/W  0x01  0..255  5 (5 s)  0x00 0x17  AltParentNwkID  R/W  0x01  0..63, 255  255 (disabled) 0x00 0x18  TxPower  R/W  0x01  0..1  1 (+22 dBm) 0x00 0x19  UserTag  R/W  0x10 string  “DNT90” 0x00 0x29  RmtTransDestAddr  R/W  0x03   0x000000 (Base) 0x00 0x2C  Store&ForwardEn  R/W  0x01 0..1  0 (disabled) 0x00 0x2D  BaseModeNetID  R/W  0x01 1..63, 255  255 0x00 0x2E  HeartbeatIntrvl  R/W  0x02 0..65535  20 (seconds) 0x00 0x30  SystemId  R/W  0x01 0..255  0 0x00 0x31  EndToEndAckEnable  R/W  0x01 0..1  0 (disabled) 0x00 0x32  LinkRetryInterval  R/W  0x02 0..65535  0 (disabled) 0x00 0x34  FastBeaconCount  R/W  0x02 0..65535  0 (off) 0x00 0x36  FastBeaconTrig  R/W  0x01 0..255  0 (off)  Table 7.4.1.1  DeviceMode - this parameter selects the operating mode for the radio:    0x00  =  remote (default)   0x01  =  base   0x02  =  router (store and forward system)   Note that changing this setting does not take effect immediately. It must be followed by a MemorySave command and then either a hardware reset or a power off/on cycle. A router without a valid BaseMode-NetID operates as a remote.  HopDuration - this parameter sets the duration of the hop frame, and can only be set on the base. The duration is an 8-bit value, 0.5 ms/count. The valid range is from 8 to 100 ms. Changing the hop duration on the base must be followed by a MemorySave command to allow the change to persist through a reset or power cycle. A HopDuration change takes effect immediately. Child radios will re-link following a HopDuration parameter change as they receive the updated hop duration value from the base.
Preliminary   www.RFM.com  Technical support +1.678.684.2000  Page 42 of 80 © 2010-2012 by RF Monolithics, Inc.  E-mail: tech_sup@rfm.com  DNT90 Integration Guide - 05/10/12 ParentNwkID - this parameter specifies the parent (BaseModeNetID) that a child radio is allowed to join. The valid range of this parameter is 0 to 63 (0x00 to 0x3F), plus 255 (0xFF). Setting the ParentNwkID to 255 allows connection to any parent. This parameter is applicable only to remotes and routers. Also see the discussion of AltParentNwkID below.  Security Key - this 16-byte parameter sets the 128-bit AES encryption key. To protect the key, it is a write-only parameter for the user. It always reads back as 0x2A.  SleepModeEn - this parameter enables/disables sleep mode (remotes only). Sleep mode is used in con-junction with the automatic I/O reporting feature to wake up a remote on specific triggers. The default val-ue for this parameter is 0 (off). Setting this parameter to 1 invokes sleep mode immediately. Setting this parameter to 2 invokes sleep mode following reset, allowing this and other parameter updates to be stored before sleep mode is invoked.  WakeResponseTime - this parameter set how long sleep is deferred in a DNT90 remote configured for sleep mode after:  link acquisition receiving an ACK from the device’s parent receiving a packet that requires processing by the device after receiving a protocol packet from the device’s local host.  WakeLinkTimeout - this parameter sets the maximum length of time that a remote in sleep mode will spend trying to acquire a link to its parent before going back to sleep, from a minimum of 1  to 255 se-conds in 1 second steps. If this value is set to 0, the remote will stay awake and continue trying to link to its base indefinitely.  AltParentNwkID - this parameter specifies an alternate parent (BaseModeNetID) that a child radio is allowed to join. This parameter is used to provide more robust message routing when setting the Parent-NwkID to its 0xFF wildcard value is not appropriate. The valid range of this parameter is 0x00 to 0x3F, plus 0xFF. Rather than specifying wildcard operation, setting the AltParentNwkID to 0xFF disables the selection of an alternate parent. This parameter is applicable only to remotes and routers.  TxPower - this parameter sets the transmit power level (default is 0x01):    0x00  =  +16 dBm or  40 mW   0x01  =  +22 dBm or 158 mW  UserTag - this parameter is a user definable field intended for use as a location description or other iden-tifying tag such as a “friendly name”.  RmtTransDestAddr - this parameter holds the default destination for transparent mode data packets and event packets. This parameter defaults to the base station’s address (0x000000) except on a base sta-tion, where at startup it will be changed to the broadcast address (0xFFFFFF) if the firmware detects that it is set to 0x000000. Note - if a module’s configuration is changed from a base to a remote or router, this parameter must be set back to 0x000000 or the module will send broadcast packets in transparent mode or for event packets.  Store&ForwardEn - setting this parameter to 0x01 enables store-and-forward system operation. Store-and-forward operation is disabled by default.  BaseModeNetID - applicable to the base and routers only, this parameter specifies the network ID of a device’s own network when acting as parent. A child is allowed to join a network when its ParentNwkID
Preliminary   www.RFM.com  Technical support +1.678.684.2000  Page 43 of 80 © 2010-2012 by RF Monolithics, Inc.  E-mail: tech_sup@rfm.com  DNT90 Integration Guide - 05/10/12 parameter matches a parent’s BaseModeNetID. The valid range of this parameter is 0x00 to 0x3F. A val-ue greater than 0x3F is invalid and will be forced to 0x00 on a base. A router with an invalid Base-ModeNetID will be forced to operate as a remote.  HeartbeatInterval - When set to 0, all heartbeats are disabled, including the initial heartbeat issued after link acquisition. When set to 0xFFFF (default), periodic heartbeats are disabled but the initial linkup heartbeat is enabled. The periodic heartbeat interval is scaled 1 second/count, and applies to DNT90s where sleep mode is disabled. Remotes with sleep mode enabled must have periodic reports and/or ADC sampling enabled for heartbeats to be generated.  SystemId - this parameter holds the ID for a DTN90 system. DNT90 systems that may physically overlap must have different system IDs.  EndToEndAckEnable - when this parameter is set to 1 and the DNT90 is in protocol mode, the originator will indicate in its transmitted packet that an ACK is expected from the packet’s destination node. Setting this parameter to 0x00 reduces network congestion in a store-and-forward system, but no TxDataReply will be sent from the destination to confirm reception.  LinkRetryInterval - when a remote enters sleep mode with an unsent packet in its queue, the remote will wake up after the number of seconds held in this parameter and try to link so that pending packets can be transmitted.  When this parameter is set to 0, this feature is disabled.  FastBeaconCount - this parameter controls the fast beacon mode, which is used to speed up network synchronization. Fast beacon mode is especially useful for multi-level store-and-forward networks that are configured with long hop durations. Fast beacon mode is controlled by the base station. If the Fast-BeaconCount parameter is set to a non-zero value, when the base is reset, powered up or the Fast-BeaconTrig parameter is set to a non-zero value, it will output the number of 6 ms beacons specified in the FastBeaconCount parameter. The base and all of its children will synchronously decrement a version of the parameter in their beacons, such that it will reach 0 simultaneously on all devices. This allows all nodes in the DNT90 system to simultaneously transition to using the configured base slot size and num-ber of slots. The beacons also inform all child devices that the network is in Fast beacon mode, so that all children will observe the FastBeaconCount and assume, in addition to the 6ms hop timing, a base slot size of 0 and a number of slots equal to 1. If the cycled base station operating parameters transmitted in the beacons, including the BaseSlotSize and NumSlots (see Bank 0x01 parameters) are stable, then a further speedup of synchronization can be achieved by setting the NumBaseParms on the base station to 8. However, this should be done only after all child devices are known to have configuration parameters identical to the base station’s saved in their EEPROM. The first 9 parameters contain the AES counter and MAC address that are needed to synchronize encryption, along with NumBaseParms.  FastBeaconTrig - when this parameter is set to any non-zero value on a base station, fast beacon mode starts if the fastBeaconCount register is already set to a non-zero value. It auto-clears on a base station and will read back as 0 after it is cleared.  On a router or remote, it would do nothing and will not clear except after reset.
Preliminary   www.RFM.com  Technical support +1.678.684.2000  Page 44 of 80 © 2010-2012 by RF Monolithics, Inc.  E-mail: tech_sup@rfm.com  DNT90 Integration Guide - 05/10/12 7.4.2 Bank 0x01 - System Settings  Bank 1 holds configuration parameters to be input to the base only. The base passes these parameters to the routers and remotes as needed. The exception is InitFrequencyBand parameter which can also be set in routers and remotes.  Bank Location Name R/W Size Range Default 0x01 0x00  InitFrequencyBand  R/W  0x01  0..3, 255  0 (US) 0x01 0x01  NumSlots  R/W  0x01 1..8  3 0x01 0x02  BaseSlotSize  R/W  0x01 6..105  40 0x01 0x03  SlotLease  R/W  0x01 1..255  2 (hops) 0x01 0x04  BcstAttemptLimit  R/W  0x01 0..254  1 0x01 0x05  ArqAttemptLimit  R/W  0x01 1..255  6 0x01 0x06  LinkDropThreshold  R/W  0x01 1..255  10 (hops) 0x01 0x07  P2PReplyTimeout  R/W  0x01 0..255  100 (hops) 0x01 0x08  RegistryTimeout  R/W  0x01 0..255  50 (hops) 0x01 0x09  NumBaseParms  R/W  0x01 8..21  21  Table 7.4.2.1  InitFrequencyBand - this parameter sets the range of frequencies and channel spacing over which the DNT90 system will initially operate. Four bands are available:    0x00   Band 0:  902.76 to 927.24 MHz, 52 channels, 480 kHz spacing   0x01   Band 1:  902.76 to 926.76 MHz, 26 channels, 960 kHz spacing    0x02   Band 2:  915.72 to 927.74 MHz, 25 channels, 480 kHz spacing   0x03   Band 3:  902.76 to 914.76 MHz, 26 channels, 480 kHz spacing   0xFF  wildcard - will accept any band  Bands 0, 1, 2 and 3 can be used in North and South America (902 to 928 MHz band), with Band 2 usable in Australia.  NumSlots - this parameter sets the number of slots available for child transmissions following the parent’s beacon transmission on a hop.  BaseSlotSize - this parameter set the maximum number of payload bytes that the base can send on a single hop. The default value is 40 bytes.  SlotLease - this parameter set the number of hops a parent radio will reserve a slot for a child after re-ceiving a message from that child. Small values such as 2 are suited to short data bursts, and larger val-ues are generally a better choice when devices send a stream of non-continuous data across consecutive hops. The minimum value is 1, assuring that a child can receive an ACK on the next hop after it transmits.  BcstAttemptLimit - setting this parameter to 0 enables automatic broadcast message repeats based on the ArqAttemptLimit parameter value. Setting this parameter to a value between 1 and 254 specifies the number of broadcast message repeats independent of the ArqAttemptLimit. This parameter should not be set to 0 if ArqAttemptLimit is set to 255.  ArqAttemptLimit - this sets the maximum number of attempts that will be made to send a message on the RF link. Setting this parameter to the maximum value of 255 is a flag value indicating that there should be no limit to the number of attempts to send each packet (infinite number of attempts). This mode is intend-ed for point-to-point networks in serial data cable replacement applications where absolutely no packets
Preliminary   www.RFM.com  Technical support +1.678.684.2000  Page 45 of 80 © 2010-2012 by RF Monolithics, Inc.  E-mail: tech_sup@rfm.com  DNT90 Integration Guide - 05/10/12 can be lost. Note - if this mode is used in a multipoint network, one remote that has lost link will shut down the entire network if the base is trying to send it data.  LinkDropThreshold - this is the number of consecutive beacons missed by a remote that causes the re-mote to restart a link acquisition search. Please contact RFM technical support before making changes to the parameter.  P2PReplyTimeout - this parameter sets the reply timeout for peer-to-peer messages sent from one node to another. Because each leg of the journey from one node to another and back may take multiple trans-mit attempts, the length of time to confirm receipt and issue a TxDataReply is subject to more variation than a transmission directly between a base and a remote. When AckEnable is selected, the P2PReply-Timeout parameter specifies the maximum number of hops or hop pairs that a remote will wait for a reply from its recipient. If a reply returns sooner than the timeout, the remote will send a TxDataReply indicating success (ACK) to its host as soon as it is received, and cancels the timeout. If a reply does not come back before the timeout expires, the remote will send a TxDataReply to its host indicating failure (NAK). If a reply should come back after the timeout expires the remote will ignore it, as a TxDataReply has al-ready been sent. The units of this parameter are in hops for point-to-point and point-to-multipoint opera-tion and in hop pairs for store-and-forward operation.  RegistryTimeout - this parameter sets the number of hops without contact from a child device for which a parent device will preserve the Transaction ID (TID) history for that child. The TID is used to filter out du-plicate packets. After a registry timeout occurs, the TID history is discarded.  NumBaseParms - this parameter controls the number of cycled parameters sent in the base station bea-con. It must be left in its default value of 21 until all nodes in a DNT90 system have received all cycled parameters and stored them locally in EEPROM. At this point the number of cycled parameters can be set to 9, which will significantly speed up future system resynchronizations.  7.4.3 Bank 0x02 - Status Parameters  Bank Location Name R/W Size Range Default 0x02 0x00  MacAddress  R  0x03 0..0xFFFFFF  Fixed value 0x02 0x03  CurrNwkID  R  0x01  0..63, 255  Current Value 0x02 0x04  CurrFreqBand  R  0x01  0..2, 255  Current Value 0x02 0x05  LinkStatus  R  0x01 0..5  Current status 0x02 0x06  RemoteSlotSize  R  0x01 0..109  Current Value 0x02 0x07  SlotNumber  R  0x01 0..7  Current Value 0x02 0x08  HardwareVersion  R  0x01  0x41..0x5A  0x43 = Rev “C” 0x02 0x09  FirmwareVersion  R  0x01  0x00..0xFF  Current FW load 0x02 0x0A  FirmwareBuildNum  R  0x02  0..65535  Current FW load 0x02 0x0C  FirmwareBuildDate  R  0x03  BCD (“YYMMDD”)  Current FW load 0x02 0x0F  FirmwareBuildTime  R  0x03  BCD (“HHMMSS”)  Current FW load 0x02 0x12  RssiIdle  R  0x01 -128..127  Current Value 0x02 0x13  RssiLast  R  0x01 -128..127  Current Value 0x02 0x14  AvgBeaconPower  R  0x01 -128..127  Current Value 0x02 0x15  ParentMacAddress  R  0x03 0..0xFFFFFF  Current Value 0x02 0x18  ModelNumber  R  1 0x90 indicates DNT90  Table 7.4.3.1
Preliminary   www.RFM.com  Technical support +1.678.684.2000  Page 46 of 80 © 2010-2012 by RF Monolithics, Inc.  E-mail: tech_sup@rfm.com  DNT90 Integration Guide - 05/10/12 MacAddress - this parameter holds the radio's unique 24-bit MAC address.  CurrNwkID - this parameter holds the ID of the network the radio is currently assigned to or connected to. A value of 255 (0xFF) means the radio has powered up and is scanning for a network but has not yet joined one.  CurrFreqBand - this parameter holds the frequency band of the network that the radio is currently as-signed to or connected to. A value of 0xFF means the radio has powered up and is scanning for a net-work but has not yet joined one.  LinkStatus - this parameter holds the link status of a router or remote:    0x00  =  idle   0x01  =  lost link   0x02  =  acquiring link   0x03  =  collecting parameters from the base   0x04  =  registering   0x05  =  registered  RemoteSlotSize - this parameter holds the current remote slot size, defined as the maximum number of message bytes a remote can send on a single hop.  The RemoteSlotSize is calculated by each radio in a system based on the values of the HopDuration, BaseSlotSize, and NumSlots parameters.  SlotNumber - this parameter holds the current slot number assigned to a router or remote.  HarwareVersion - this parameter holds an identifier indicating the hardware revision (ASCII character). A value of 0x43 is defined for the DNT90 Revision C hardware.  FirmwareVersion - this parameter holds the firmware version of the radio in 2-digit BCD format.  FirmwareBuildNum - this parameter holds the firmware build number, in binary format.  FirmwareBuildDate - this parameter holds the date of firmware build in MM/DD/YY format.  FirmwareBuildTime - this parameter holds the time of the firmware build in HH:MM:SS format.  RssiIdle - this 2’s compliment parameter holds the last RSSI measurement in dBm made during a time when the RF channel was idle. This parameter is useful for detecting interferers.  RssiLast - this 2’s compliment parameter holds the last RSSI measurement in dBm made during the re-ceipt of an RF packet with a valid CRC. This parameter is useful for network commissioning/diagnostics.  AvgBeaconPower - this 2’s compliment parameter holds the alpha-filtered beacon power (dBm) received from a device’s parent, where alpha = 0.0625.  ParentMacAddress - this parameter holds the MAC address of a DNT90’s parent.  ModelNumber - this parameter specifies the DNT model, in this case a DNT90.
Preliminary   www.RFM.com  Technical support +1.678.684.2000  Page 47 of 80 © 2010-2012 by RF Monolithics, Inc.  E-mail: tech_sup@rfm.com  DNT90 Integration Guide - 05/10/12 7.4.4 Bank 0x03 - Serial and SPI Settings  Bank Location Name R/W Size Range Default 0x03 0x00  SerialRate  R/W  0x01  0..10  3 (9600 baud) 0x03 0x01  SerialParams  R/W  0x01 0..7  0 (8-N-1) 0x03 0x02  SpiMode  R/W  0x01  0..2  0 (SPI disabled) 0x03 0x03  SpiRateSel  R/W  0x01  0..2  0 (125 kHz) 0x03 0x04  SpiOptions  R/W  0x01 0..7  0 0x03 0x05  SpiMasterCmdLen  R/W  0x01 0..16  0 0x03 0x06  SpiMasterCmdStr  R/W  0x10  0..16 byte string  All 0x00 bytes  Table 7.4.4.1  SerialRate - this parameter sets the serial data rate as shown below:      Setting      Serial rate   0x00   1.2 kbps  0x01   2.4 kbps  0x02   4.8 kbps  0x03   9.6 kbps  0x04   14.4 kbps  0x05   19.2 kbps  0x06   28.8 kbps  0x07   38.4 kbps  0x08   57.6 kbps  0x09   115.2 kbps  0x0A  230.4 kbps  0x0B  250.0 kbps  SerialParams - this parameter sets the serial mode options for parity and stop bits:      Setting          Mode    0x00     No parity, 8 data bits, 1 stop bit (default)   0x01     No parity, 8 data bits, 2 stop bits  0x02   Reserved  0x03   Reserved   0x04     Even parity, 8 data bits, 1 stop bit   0x05     Even parity, 8 data bits, 2 stop bits   0x06     Odd parity, 8 data bits, 1 stop bit   0x07     Odd parity, 8 data bits, 2 stop bits  Note that 8-bit data with no parity is capable of carrying 7-bit data with parity for compatibility without loss of generality for legacy applications that may require it.  SpiMode - this parameter sets the SPI operating mode:      Setting          Mode   0x00   SPI disabled - serial UART mode (default)  0x01   SPI Slave mode  0x02   SPI Master mode  SpiRateSel - this parameter sets the SPI master mode clock rate:      Setting          Mode   0x00   125 kbps  0x01   250 kbps  0x02   500 kbps
Preliminary   www.RFM.com  Technical support +1.678.684.2000  Page 48 of 80 © 2010-2012 by RF Monolithics, Inc.  E-mail: tech_sup@rfm.com  DNT90 Integration Guide - 05/10/12 SpiOptions - this parameter allows the SPI to be configured with the following options:      Setting          Option   0x00   Leading edge rising, sample leading edge, MSBs sent first   0x01     Leading edge rising, sample falling edge, MSBs sent first  0x02   Leading edge falling, sample leading edge, MSBs sent first   0x03     Leading edge falling, sample falling edge, MSBs sent first  0x04   Leading edge rising, sample leading edge, LSBs sent first   0x05     Leading edge rising, sample falling edge, LSBs sent first  0x06   Leading edge falling, sample leading edge, LSBs sent first   0x07     Leading edge falling, sample falling edge, LSBs sent first  SpiMasterCmdLen - this parameter sets the length for the SPI master command string that will be used to interrogate the slave peripheral, when SPI master mode is selected with periodic I/O reporting enabled.  SpiMasterCmdStr - this parameter holds the SPI master command string that is used to interrogate the slave peripheral when SPI master mode is selected and periodic I/O reporting is enabled.  7.4.5 Bank 0x04 - Host Protocol Settings  Bank Location Name R/W Size Range Default 0x04 0x00  ProtocolMode  R/W  0x01 0..1  0 (Transparent) 0x04 0x01  TxTimeout  R/W  0x01  0..255  0 (No timeout) 0x04 0x02  MinPacketLength  R/W  0x01 0..255  1 (byte) 0x04 0x03  TransPtToPtMode  R/W  0x01  0..1  1 (Last RX) 0x04 0x04  MsgsPerHop  R/W  0x01 1..8  8  Table 7.4.5.1  ProtocolMode - this parameter selects the host protocol mode. The default is 0x00, which is transparent mode, meaning the radio conveys whatever characters that are sent to it transparently, without requiring the host to understand or conform to the DNT90's built-in protocol. This setting is recommended for point-to-point applications for legacy applications such as wire replacements where another serial protocol may already exist. Setting this parameter to 0x01 enables the DNT90 protocol formatting. It is not necessary to define the same protocol mode for all radios in a network. For example, it is frequently useful to configure all the remotes for transparent mode and the base for protocol mode. Note that it is possible for the host to switch the radio from transparent mode to protocol mode and back as required by transmitting an EnterProtocolMode command.  TxTimeout - this parameter is used to group transparent data to be sent in a single transmission rather than being split over two hops. Messages sent over two hops can have gaps in the received data stream that can cause problems for the receiving application - for example, Modbus RTU. This parameter is the transmit timeout used for determining message boundaries in transparent data mode. Parameter units are in milliseconds. A message boundary is determined whenever a gap between consecutive characters is equal to or greater than the TxTimeout value, or the number of bytes reaches the MinPacketLength. Either condition will trigger a transmission. The default TxTimeout value is 0 ms which will have the radio send whatever data is in its transmit buffer as soon as possible.  MinPacketLength - this parameter is similar to TxTimeout except it uses the number of bytes received instead of the amount of time without receiving a byte. The default is one byte. A transmission is triggered when either the number of bytes reaches MinPacketLength or a gap is detected between consecutive
Preliminary   www.RFM.com  Technical support +1.678.684.2000  Page 49 of 80 © 2010-2012 by RF Monolithics, Inc.  E-mail: tech_sup@rfm.com  DNT90 Integration Guide - 05/10/12 characters greater than TxTimeout. If this parameter is set larger than the applicable slot size, the slot size overrides this parameter and a transmission is triggered when the slot size is filled.  TransPtToPtMode - when this parameter is set to 0x00, the destination address of transparent mode packets will be the configured RemoteDestAddr. When set to 0x01, the address initializes to Remote-DestAddr and then updates to the most recent RX packet processed.  MsgsPerHop - this parameter sets the maximum number of messages a DNT90 can send in each hop frame. The default value is 8 messages, which is suitable for most applications. Setting MsgsPerHop to a low value allows message flow rate to be controlled.  7.4.6 Bank 0x05 - I/O Parameters  Bank Location Name R/W Size Range In Bits Default 0x05 0x00  All-IO  R/W  0x0D 104  N/A 0x05 0x0D  Gpio0  R/W  0x01 1  0 0x05 0x0E  Gpio1  R/W  0x01 1  0 0x05 0x0F  Gpio2  R/W  0x01 1  0 0x05 0x10  Gpio3  R/W  0x01 1  0 0x05 0x11  Gpio4  R/W  0x01 1  0 0x05 0x12  Gpio5  R/W  0x01 1  0 0x05 0x13  Adc0  R  0x02 12  N/A 0x05 0x15  Adc1  R  0x02 12  N/A 0x05 0x17  Adc2  R  0x02 12  N/A 0x05 0x19  EventFlags  R/W  0x02 16  N/A 0x05 0x1B  Dac0  R/W  0x02 12  0 0x05 0x1D  Dac1  R/W  0x02 12  0  Table 7.4.6.1  All-IO - this 13-byte parameter packs all the following parameters into a single value. Note that the infor-mation in parameters GPIO0 through GPIO5 is compressed into a single byte to save space in the All-IO parameter. When the ADC is operating in differential mode, the ADC1 to ADC0 differential reading is stored in the ADC0 position, and the ADC2 to ADC0 differential reading is stored in the ADC1 position. The ADC2 reading is not used in ADC differential mode and this position is set to 0.  Gpio0 through Gpio5 - if a pin is configured as an output, writing to its corresponding parameter to sets the pin’s logic state. If a pin is configured as an input, writing to its corresponding parameter enables or disables the pin’s internal pull-up. Reading these registers returns the current level detected on the corre-sponding pins.  Adc0 through Adc2 - read-only parameters that return the current reading for the selected ADC channel (Little-Endian byte order). When the ADC is operating in differential mode, the ADC1 to ADC0 differential reading is stored in the ADC0 position, and the ADC2 to ADC0 differential reading is stored in the ADC1 position. The ADC2 reading is not used in ADC differential mode and this position is set to 0. Also, see the discussion of the AdcSampleIntvl parameter below.  EventFlags - used with the automatic I/O reporting feature, this parameter indicates which I/O events have been triggered since the last report (write 0x0000 to reset):
Preliminary   www.RFM.com  Technical support +1.678.684.2000  Page 50 of 80 © 2010-2012 by RF Monolithics, Inc.  E-mail: tech_sup@rfm.com  DNT90 Integration Guide - 05/10/12  bits 15..8    Reserved  bit 7     ADC2 high/low threshold excursion  bit 6     ADC1 high/low threshold excursion  bit 5   ADC0 high/low threshold excursion  bit 4     Periodic timer report  bit 2     GPIO2 edge transition  bit 1     GPIO1 edge transition  bit 0     GPIO0 edge transition  Dac0 through Dac1 - sets the DAC outputs. The range of this parameter is 0x0000 to 0x0FFF.  7.4.7 Bank 0x06 - I/O Settings  Bank Location Name R/W Size Range In Bits Default 0x06 0x00  GpioDir  R/W  0x01 6  0x00 (All inputs) 0x06 0x01  GpioInit  R/W  0x01 6  0x00 (All zeros) 0x06 0x02  GpioAlt  R/W  0x01 6  0x00 0x06 0x03  GpioEdgeTrigger  R/W  0x01 8  0x01 0x06 0x04  GpioSleepMode  R/W  0x01 6  0x00 (Off) 0x06 0x05  GpioSleepDir  R/W  0x01 6  0x00 (All inputs) 0x06 0x06  GpioSleepState  R/W  0x01 6  0x00 (All zero) 0x06 0x07  Dac0Init  R/W  0x02 12  0x0000 0x06 0x09  Dac1Init  R/W  0x02 12  0x0000 0x06 0x0B  AdcSampleIntvl  R/W  0x04  32  0x0A (100 ms) 0x06 0x0F  Adc0ThresholdLo  R/W  0x02 12  0xF800 0x06 0x11  Adc0ThresholdHi  R/W  0x02 12  0x07FF 0x06 0x13  Adc1ThresholdLo  R/W  0x02 12  0xF800 0x06 0x15  Adc1ThresholdHi  R/W  0x02 12  0x07FF 0x06 0x17  Adc2ThresholdLo  R/W  0x02 12  0xF800 0x06 0x19  Adc2ThresholdHi  R/W  0x02 12  0x07FF 0x06 0x1B  IoReportTrigger  R/W  0x01 8  0x01 (GPIO0) 0x06 0x1C  IoReportInterval  R/W  0x04 32  30000 (ms) 0x06 0x20  IoPreDelay  R/W  0x01 8  8 (ms) 0x06 0x21  IoBindingEnable  R/W  0x01 1  0 (Disabled) 0x06 0x22  DacReference  R/W  0x01 2 0 (ADC_EXT_REF) 0x06 0x23  AdcReference  R/W  0x01 2 0 (ADC_EXT_REF) 0x06 0x24  AdcAveSelect  R/W  0x01 8  0x01 0x06 0x25  ExtAdcScaleFactor  R/W 0x02 16  0x8000 0x06  0x27  ExtAdcOffset  R/W 0x02 16  0x0000 0x06  0x29  ExtDacScaleFactor  R/W 0x02 16  0x8000 0x06  0x2B  ExtDacOffset  R/W 0x02 16  0x0000 0x06  0x2D  VccAdcScaleFactor  R/W 0x02 16  0x8000 0x06  0x2F  VccAdcOffset  R/W 0x02 16  0x0000 0x06  0x31  VccDacScaleFactor  R/W 0x02 16  0x8000 0x06  0x33  VccDacOffset  R/W 0x02 16  0x0000 0x06  0x35  1VAdcScaleFactor  R/W 0x02 16  0x8000 0x06  0x37  1VAdcOffset  R/W 0x02 16  0x0000 0x06  0x39  1VDacScaleFactor  R/W 0x02 16  0x8000 0x06  0x3B  1VDacOffset  R/W 0x02 16  0x0000 0x06 0x3D  AdcDiffMode  R/W  0x01 8  0 (single-ended) 0x06 0x3E  AdcGainCh0  R/W  0x01  8  0 (gain = 1)
Preliminary   www.RFM.com  Technical support +1.678.684.2000  Page 51 of 80 © 2010-2012 by RF Monolithics, Inc.  E-mail: tech_sup@rfm.com  DNT90 Integration Guide - 05/10/12 Bank Location Name R/W Size Range In Bits Default 0x06 0x3F  AdcGainCh1  R/W  0x01  8  0 (gain = 1) 0x06 0x40  AdcDiffScaleFactorCh0 R/W  0x02 16  0x8000 0x06 0x42  AdcDiffOffsetCh0  R/W  0x02 16  0x0000 0x06 0x44  AdcDiffScaleFactorCh1 R/W  0x02 16  0x8000 0x06 0x46  AdcDiffOffsetCh1  R/W  0x02 16  0x0000 0x06 0x47  FastAdcPrescaler  R/W 0x01  1 byte, range 1..7  5 (128) 0x06 0x48  SlowAdcPresccaler  R/W 0x01  1 byte, range 0..7  2 (16) 0x06 0x49  MaxQueuedEvents  R/W  0x01  1 byte, range 0..20  8 (reports) 0x06 0x4A  AdcSkipCount  R/W  0x01  1 byte  0 (samples)                                                                Table 7.4.7.1  GpioDir - this parameter is a bitmask that sets whether each GPIO is an input (0) or outputs (1). The de-fault is all inputs.  GpioInit - this parameter is a bitmask that sets the initial value for any GPIOs which are enabled as out-puts. For GPIOs enabled as inputs, this sets the initial pull-up setting.  GpioAlt - Specifies which GPIO pins will have their alternate functions enabled: Bit 2 - diversity toggle en-able, Bit 3 - RS485 enable, Bit 4 - /HOST_CTS enable, Bit5 - /HOST_RTS enable.  Bit  Alternate Function  Default  Bit Mask 0 (none)  0 0x01 1 (none)  0 0x02 2 Diversity Toggle  0 0x04 3  RS485 (N/A in SPI Slave mode)  0  0x08 4  /Host_CTS (N/A in SPI Slave mode)  1  0x10 5  /HOST_RTS (N/A in SPI Slave mode)  1  0x20  Table 7.4.7.2  GpioEdgeTrigger -This parameter consists of a set of four 2-bit fields that define when GPIO triggers are enabled for I/O event reporting:   bits 7..6    GPIO3 edge function  bits 5..4    GPIO2 edge function  bits 3..2    GPIO1 edge function  bits 1..0    GPIO0 edge function  The bit values for each GPIO map to the following settings:  Value  GPIO edge behavior 11  Rising edge trigger, neither level keeps remote awake 10  Bidirectional edge trigger, neither level keeps remote awake 01  Rising edge trigger, holding high keeps remote awake 00  Falling edge trigger, holding low keeps remote awake  Table 7.4.7.3  GpioSleepMode - this parameter is a bitmask that enables configuring the I/O direction and state of  GPIO0..GPIO5 when the module is sleeping. Bits 0..5 correspond to GPIO0..GPIO5. Setting a Gpio-SleepMode bit to 1 enables sleep mode configuration of the corresponding GPIO. Setting a GpioSleep-Mode bit to 0 causes the corresponding GPIO to remain configured as in active mode. Note that when the
Preliminary   www.RFM.com  Technical support +1.678.684.2000  Page 52 of 80 © 2010-2012 by RF Monolithics, Inc.  E-mail: tech_sup@rfm.com  DNT90 Integration Guide - 05/10/12 GpioAlt bit is set for GPIO4, the corresponding GpioSleepMode bit is ignored and GPIO4 is controlled directly by the GpioSleepState parameter bit 7.  GpioSleepDir - when GpioSleepMode is enabled, this parameter functions to set the direction of the GPIOs during a device’s sleep period. This enables the user to provide alternate configurations during sleep that will help minimize current consumption. Bits 0..5 correspond to GPIO0..GPIO5. Setting a GpioSleepDir bit to 1 to specifies an output; 0 specifies an input.  GpioSleepState - when GpioSleepMode is enabled, this parameter functions as a bitmask to control the states of the GPIOs, the RADIO_TXD output, and the /HOST_CTS and /DCD outputs during a device’s sleep period. This allows the user to set alternate configurations during sleep to minimize current con-sumption. Bits 0..5 correspond to GPIO0..GPIO5 respectively. Bit 6 sets the state of RADIO_TXD, and bit 7 sets the states of /HOST_CTS and /DCD. A sleep state bit is set to 1 to specify a high output or an in-ternal pull-up on an input, or to 0 to specify a low output or no internal pull-up on an input. Bit 6 must be set low in order to achieve minimum sleep current (high impedance load assumed), and the other bits may need to be set low or high depending on their external loads. When bit 6 is set low, expect a serial “break” condition to occur as the module wakes from sleep. The serial break condition can be eliminated by setting bit 6 high, but sleep current will be increased.  Dac0Init - this parameter sets the initial value for DAC0 at startup.  Dac1Init - this parameter sets the initial value for DAC1 at startup.  AdcSampleIntvl - this parameter sets the frequency (sample interval) of ADC measurements used to de-termine if a threshold has been exceeded or in calculating an average measurement value. The ADC channels are read on each ADC cycle, along with the states of GPIO2 and GPIO3. Each AdcSampleIntvl count equals 10 ms. The default is 100 ms. This interval will be the worst-case latency for ADC generated interrupts. Note that AdcSampleIntvl is independent of IoReportInterval as the ADCs are read on both intervals.  Adc0..2ThresholdLo/Hi - these parameters set the thresholds to trigger an I/O report based on ADC measurements. If I/O reporting is enabled, a single event report containing the contents of the I/O bank is generated when a threshold is crossed. Reporting is edge-triggered with respect to threshold boundaries, not level-triggered. Additional reports are not triggered unless the ADC measurement first returns inside the threshold boundary and then crosses the threshold again. Triggers occur whenever one of the follow-ing inequalities is satisfied:   ADCx  <  ADCx_ThresholdLo  ADCx  >  ADCx_ThresholdHi  IoReportTrigger - a trigger event on any enabled trigger source will cause a DNT90 router or remote to send an event message to the base containing the entire current values of the Bank 5.   bit 7   ADC2 high/low thresholds  bit 6   ADC1 high/low thresholds  bit 5   ADC0 high/low thresholds  bit 4  Periodic timer  bit 3  GPIO3 edge  bit 2  GPIO2 edge  bit 1  GPIO1 edge  bit 0  GPIO0 edge  I/O reporting is supported for remotes and routers only, not the base.
Preliminary   www.RFM.com  Technical support +1.678.684.2000  Page 53 of 80 © 2010-2012 by RF Monolithics, Inc.  E-mail: tech_sup@rfm.com  DNT90 Integration Guide - 05/10/12 IoReportInterval - when periodic timer I/O reporting is enabled, this parameter sets the interval between reports. The parameter scaling is 10 ms/count, and the default report interval is every 30 seconds.  IoPreDelay - this parameter sets the time in milliseconds to delay collection of ADC readings after a mod-ule wakeup event occurs, to allow settling of ADC input voltages.  IoBindingEnable - this parameter enables I/O binding. Setting this parameter to 0x00 disables I/O binding (I/O mirroring) from a remote device. Setting this parameter 0x01 enables I/O mirroring. When enabled, the data from any received event report is used to drive the device’s own outputs. GPIO2 will be set to the event report’s GPIO0 reading, GPIO3 will be set to the event report’s GPIO1 reading, and DAC0 and DAC1 will be set with the ADC0 and ADC1 readings respectively. Note that if the AdcDiffMode parameter is set to 1, I/O binding cannot be used.  DacReference - this parameter selects the reference voltage for the DACs:       Setting         Reference   0x00   ADC_EXT_REF  0x01   AVVC (Analog Vcc)  0x02   Reserved  0x03   Disable DAC operation  AdcReference - this parameter selects the reference voltage for the ADCs:      Setting          Reference   0x00   ADC_EXT_REF   0x01     Internal Vcc divided by 1.6  0x02   Reserved  0x03   Disable ADC operation  AdcAveSelect - this parameter selects the number of ADC measurements to average to produce each ADC reading, from 1 to 255 samples. Averaging over a larger number of measurements increases noise filtering but also increases the time it takes to generate a set of readings:  ADC Mode  Module Awake  Module Sleeping Single-ended, reading all three channels  216 µs  381 µs Differential, reading both channels  160 µs  273 µs  Table 7.4.7.4  ExtAdcScaleFactor - this parameter is the scale factor applied to an ADC measurement when the ADC reference is an external voltage. The scale factor parameter is multiplied by 32768. for example, the pa-rameter value for a scale factor of 1.12 = 1.12 * 32768 = 36700.16 or 0x8F5C.  ExtAdcOffset - this parameter is the 2’s complement offset added to the scaled ADC measurement when the ADC reference is an external voltage.   ExtDacScaleFactor - this parameter is the scale factor applied to a DAC measurement when the DAC reference is an external voltage. The scale factor parameter is multiplied by 32768. for example, the pa-rameter value for a scale factor of 1.12 = 1.12 * 32768 = 36700.16 or 0x8F5C.  ExtDacOffset - this parameter is 2’s complement the offset added to the scaled DAC measurement when the DAC reference is an external voltage.
Preliminary   www.RFM.com  Technical support +1.678.684.2000  Page 54 of 80 © 2010-2012 by RF Monolithics, Inc.  E-mail: tech_sup@rfm.com  DNT90 Integration Guide - 05/10/12 VccAdcScaleFactor - this parameter is the scale factor applied to an ADC measurement when the ADC reference is Vcc/1.6. The scale factor parameter is multiplied by 32768. for example, the parameter value for a scale factor of 1.12 = 1.12 * 32768 = 36700.16 or 0x8F5C.  VccAdcOffset - this parameter is the 2’s complement offset added to the scaled ADC measurement when the ADC reference is derived from Vcc/1.6.  VccDacScaleFactor - this parameter is the scale factor applied to a DAC measurement when the DAC reference is Vcc. The scale factor parameter is multiplied by 32768. for example, the parameter value for a scale factor of 1.12 = 1.12 * 32768 = 36700.16 or 0x8F5C.  VccDacOffset - this parameter is the 2’s complement offset added to the scaled DAC measurement when the DAC reference is Vcc.   1VAdcScaleFactor - this parameter is the scale factor applied to an ADC measurement when the ADC reference is the 1 V internal reference. The scale factor parameter is multiplied by 32768. for example, the parameter value for a scale factor of 1.12 = 1.12 * 32768 = 36700.16 or 0x8F5C.  1VAdcOffset - this parameter is the 2’s complement offset added to the scaled ADC measurement when the ADC reference is the 1 V internal reference.   1VDacScaleFactor - this parameter is the scale factor applied to a DAC measurement when the DAC ref-erence is the 1 V internal reference. The scale factor parameter is multiplied by 32768. for example, the parameter value for a scale factor of 1.12 = 1.12 * 32768 = 36700.16 or 0x8F5C.  1VDacOffset - this parameter is the 2’s complement offset added to the scaled DAC measurement when the DAC reference is the 1 V internal reference.   AdcDiffMode - a parameter value of 0 selects single-ended ADC mode. In this mode, negative sensor inputs are connected to ground and positive sensor inputs to ADC0, ADC1 and ADC2 respectively. Three ADC measurements are made in this mode with a range of 0x0000 to 0x07FF. A parameter value of 1 selects signed differential mode with gain. In this mode, the negative sensor inputs are connected to ADC0 and the positive inputs are connected to ADC1 and ADC2. Two ADC measurements are made in this mode, ADC1 to ADC0 and ADC2 to ADC0, with a range (signed) from 0xF800 to 0x07FF. In differen-tial mode, the AdcGainCh0 and AdcGainCh1 parameters can change the selected gain for the two ADC readings, and the AdcDiff scale factors and offsets, both supplied by the customer, are used.  AdcGainCh0 - this parameter sets the preamplifier gain applied when making a differential measurement of ADC1 relative to ADC0. Setting this parameter to 0x00 sets the gain to 1, 0x01 sets the gain to 2, 0x02 sets the gain to 4 and so on, up to 0x06 which sets the gain to 64. Note that the preamplifier output volt-age saturates at 2.4 V regardless of the gain setting.  AdcGainCh1 - this parameter sets the gain applied when making a differential measurement of ADC2 relative to ADC0. Setting this parameter to 0x00 sets the gain to 1, 0x01 sets the gain to 2, 0x02 sets the gain to 4 and so on, up to 0x06 which sets the gain to 64. Note that the preamplifier output voltage satu-rates at 2.4 V regardless of the gain setting.  AdcDiffScaleFactorCh0/1 and AdcDiffOffsetCh0/1 - these parameters are applied to the raw ADC read-ings in differential mode. These values are not factory calibrated, but can be calibrated by the user.
Preliminary   www.RFM.com  Technical support +1.678.684.2000  Page 55 of 80 © 2010-2012 by RF Monolithics, Inc.  E-mail: tech_sup@rfm.com  DNT90 Integration Guide - 05/10/12 FastAdcPrescaler - this parameter is the system clock divisor used to generate the ADC clock when the system is being clocked at 16 MHz.  Default value is 0x05 (system clock 128). Higher values corre-spond to slower ADC clock rates. For example, 0x07 = 512, and 0x00 = 4. Note that larger prescalers will increase the amount of time it takes to collect all readings. DIV4 is not valid when running at 16 MHz because the maximum ADC clock rate is 2 MHz, so DIV8 is the lowest allowed.  SlowAdcPrescaler - System clock divisor used to generate the ADC clock when the system is being clocked at 2 MHz, when exiting sleep mode. Default value is 0x02 (system clock 16). Higher values cor-respond to slower ADC clock rates. For example, 0x07 = DIV512, and 0x00 = DIV4.  MaxQueuedEvents - this parameter sets the maximum number of Event Reports that can be queued at one time by a DNT90. This parameter is used to prevent a router device from clogging up its outbound queue with its own pending transmissions if it has having trouble obtaining link or an available slot from its parent. This parameter defaults to 8, with a maximum value of 20.  AdcSkipCount - this parameter sets the number of measurements to skip (discard) when switching to a new ADC channel. The skipped measurements allow transients in the ADC sample-and-hold circuit to settle out. This parameter must be set to at least 0x03 when AdcDiffMode is selected. Note that the IoPreDelay parameter discussed above provides a delay to allow signals external to the DNT90 to settle following a wake up event, while AdcSkipCount skips measurements that may be distorted because the internal voltage on the ADC sample-and-hold has not settled.  7.4.8 Bank 0xFF - Special Functions  Bank Location Name R/W Size Range Default 0xFF 0x00  UcReset  W  0x01 0..2  N/A 0xFF 0x01  MemorySave  W  0x01 0xD0..0xD2  N/A 0xFF 0x04  DiagSerialRate  R/W  0x01  0..10  7 (38400 kbps) 0xFF 0x0C  ForceDiscover  W  0x03 (See Text)  N/A 0xFF 0x10  DiagPortEn  R/W  0x01 0..1  0 (disabled)  Table 7.4.8.1  UcReset - writing a 0 to this parameter initiates a full reset, writing 1 to initiates a reset to the serial boot-loader, or writing a 2 to initiates a reset to the OTA bootloader client.  MemorySave - writing 0xD0 to this parameter load default values, writing 0xD1 saves settings to EEPROM, or writing 0xD2 to save settings to EEPROM and resets the module.  DiagSerialRate - this parameter sets the diagnostic port serial data rate as shown below:      Setting      Serial rate   0x00   1.2 kbps  0x01   2.4 kbps  0x02   4.8 kbps  0x03   9.6 kbps  0x04   14.4 kbps  0x05   19.2 kbps  0x06   28.8 kbps  0x07   38.4 kbps (default)
Preliminary   www.RFM.com  Technical support +1.678.684.2000  Page 56 of 80 © 2010-2012 by RF Monolithics, Inc.  E-mail: tech_sup@rfm.com  DNT90 Integration Guide - 05/10/12  0x08   57.6 kbps  0x09   115.2 kbps  0x0A  230.4 kbps  0x0B  250.0 kbps  ForceDiscoverRegister - a write to this register, typically using a broadcasted Set Remote Register com-mand, will force a heartbeat reply if a device's parent has the specified base-mode network ID (or 0xFF wildcard), and the least significant byte of the device’s MAC address is within a specified min/max range. The payload consists of 3 bytes: NWKID (NN), minimum MAC address (LL), and maximum MAC address (XX). In Little Endian hexadecimal format this would appear as “XXLLNN”.  DiagPortEn - setting this parameter to 0x01 enables diagnostic port operation.  7.5 Protocol-formatted Message Examples  7.5.1 Data Message  In this example, the ASCII text “Hello” is sent from the base to a remote using the TxData command. The MAC address of the remote is 0x123456. The protocol formatting for the host message is:  SOP  Length  PktType  Lo MAC  MAC  Hi MAC  “H”  “e”  “l”  “l”  “o” 0xFB 0x09  0x05  0x56  0x34 0x12 0x48 0x65 0x6C 0x6C 0x6F  There are 9 bytes following the length byte, so the length byte is set to 0x09. Note that the 0x123456 network address is entered in Little-Endian byte order, 56 34 12. When an ACK to this message is re-ceived from the remote, the base outputs a TxDataReply message to its host:  SOP  Length  PktType  Lo MAC  MAC  Hi MAC  Status  RSSI 0xFB 0x07  0x15  0x56  0x34 0x12  0x00 0xB0  The 0x00 TxStatus byte value indicates the ACK reception from the remote. The RSSI value of the re-ceived ACK is 0xB0, indicating a received signal strength of approximately -80 dBm .  The ASCII “Hello” message is output at the remote as an 0x26 RxData event. The address field contains the originator’s address, 0x00 0x00 0x00, which is the base. The RSSI value of the received message is 0xB4, indicating a received signal strength of approximately -76 dBm. The data following the RSSI value is the “Hello” text.  SOP  Length  PktType  Lo MAC  MAC  Hi MAC  RSSI  “H”  “e”  “l”  “l”  “o” 0xFB 0x0A  0x26  0x00  0x00  0x00  0x35  0x48 0x65 0x6C 0x6C 0x6F  Note that if the remote was in transparent mode, only the “Hello” text would be output.
Preliminary   www.RFM.com  Technical support +1.678.684.2000  Page 57 of 80 © 2010-2012 by RF Monolithics, Inc.  E-mail: tech_sup@rfm.com  DNT90 Integration Guide - 05/10/12 7.5.2 Configuration Messages  In this example, the remote with MAC address 0x123456 is configured by the base (MAC address 0x000000) to generate RxEvent messages every 10 seconds. To do this, the IoReportInterval in the re-mote is set to 10 seconds and the periodic report timer bit in the IoReportTrigger parameter is set ON. The IoReportInterval and the IoReportTrigger parameters are loaded using SetRemoteRegister com-mands. The command to set the IoReportInterval to 10 seconds is:  SOP  Length  PktType  Lo MAC  MAC  Hi MAC  Reg  Bank  Size  Lo Val  Val  Val  Hi Val 0xFB 0x0B  0x07  0x56  0x34 0x12  0x1C 0x06 0x04 0x10  0x27 0x00 0x00  The IoReportInterval parameter starts in location 0x1C of Bank 6. The report interval scaling is 1 ms/count, so a 10 second report interval is 10,000 units or 0x00002710 (Little-Endian format 10 27 00 00). The IoReportInterval parameter is updated and SetRemoteRegisterReply is returned:  SOP  Length  PktType  Status  Lo MAC  MAC  Hi MAC  RSSI 0xFB 0x06  0x17  0x00  0x00 0x00 0x00 0xB2  The command to set the periodic report timer bit in IoReportTrigger is:  SOP  Length  PktType  Lo Mac  MAC  Hi MAC  Reg  Bank  Size  Val 0xFB 0x08  0x07  0x56  0x34  0x12 0x1B 0x06 0x01 0x10  The IoReportTrigger parameter is in location 0x1B of Bank 6. The periodic report timer bit in IoReport-Trigger is located in bit position four (00010000b) or 0x10. The IoReportTrigger parameter is updated and SetRemoteRegisterReply is returned:  SOP  Length  PktType  Status  Lo MAC  MAC  Hi MAC  RSSI 0xFB 0x06  0x17  0x00  0x00 0x00 0x00 0xB4  7.5.3 Sensor Message  In this example, the base host requests an ADC1 reading from a remote using the GetRemoteRegister command, type 0x06. The MAC address of the remote is 0x123456. The current ADC1 measurement parameter is read starting at register location 0x15 and Bank 5. The ADC reading spans two bytes. The protocol formatting for this command is:  SOP  Length  PktType  Lo Mac  MAC  Hi MAC  Reg  Bank  Size 0xFB 0x07  0x06  0x56  0x34 0x12  0x15 0x05 0x02  Note the remote MAC address is entered in Little-Endian byte order, 56 34 12.  The ADC reading is returned in a GetRemoteRegisterReply message:  SOP  Length  PktType  Status  Lo MAC  MAC  Hi MAC  RSSI  Reg  Bank  Size  Lo Val  Hi Val 0xFB 0x0B  0x16  0x00  0x00 0x00 0x00 0xB7 0x1C 0x06 0x02  0x7B  0x08  Substantial information is returned in the message. The last two byes of the message give the ADC read-ing in Little-Endian format, 7B 08. The ADC reading is thus 0x087B (2171). The RSSI value is the byte
Preliminary   www.RFM.com  Technical support +1.678.684.2000  Page 58 of 80 © 2010-2012 by RF Monolithics, Inc.  E-mail: tech_sup@rfm.com  DNT90 Integration Guide - 05/10/12 following the address, 0xB7 (-73 dBm). The TxStatus byte to the right of the GetRemoteRegisterReply Packet Type is 0x00, showing the packet was acknowledged on the RF channel.  7.5.4 Event Message  The configuration example shown in Section 7.5.2 above causes the remote with MAC address 0x123456 to start sending event messages every 10 seconds as shown in the log below:  FB 12 28 56 34 12 B8 00 7A 01 36 01 FF 01 10 00 20 01 40 01 FB 12 28 56 34 12 B0 00 79 01 35 01 C0 01 10 00 20 01 40 01 FB 12 28 56 34 12 A9 00 72 01 35 01 D3 01 10 00 20 01 40 01 FB 12 28 56 34 12 AC 00 75 01 36 01 E7 01 10 00 20 01 40 01  The first received message in the above log is constructed as follows:  SOP  Length  PktType  Addr  Addr  Addr  RSSI  Data 0xFB 0x12  0x28  0x56 0x34 0x12  B8     GPIO  ADC0  ADC1  ADC2  Event Flags  DAC0  DAC1 0x00  0x7A 0x01 0x36 0x01  FF  0x01 0x10 0x00 0x20 0x01 0x40 0x01  RxEvent messages are PktType 0x28. The message payload consists of the states of GPIO0 through GPIO5, the input voltages measured by ADC0 through ADC2, the event trigger(s), and the DAC output settings. Note the ADC readings, event flags and DAC settings are presented in Little-Endian order. The remote is assumed to be always ON in this example. If the remote is placed in periodic sleep mode (SleepMode = 1), a suitable value of the WakeResponseTime parameter should be set to allow the base application to analyze the I/O report and send back a command to the remote as needed.
Preliminary   www.RFM.com  Technical support +1.678.684.2000  Page 59 of 80 © 2010-2012 by RF Monolithics, Inc.  E-mail: tech_sup@rfm.com  DNT90 Integration Guide - 05/10/12 8.0 DNT90DK/DNT90ADK Developer’s Kits  Figure 8.0.1 shows the main contents of a DNT90DK Developer’s kit:  Figure 8.0.1  8.1 Kit Contents    DNT90DK - two DNT90P radios installed in DNT90 interface boards, labeled Base and Remote   DNT90DK - two 2 dBi dipole antennas with two MMCX-to-RSMA coaxial adaptor cables   DNT90ADK - 2 DNT90PA radios installed in DNT90 interface boards, labeled Base and Remote   All Kits - 2 wall-plug power suppliers, 9 VDC, 120/240 VAC, plus 2 batteries, 9 VDC (not show above)   All Kits - 2 RJ-45/DB-9F cable assemblies and two A/B USB cables   All Kits - 1 DNT90DK/DNT90ADK documentation and software CD  8.2 Additional Items Needed  To operate the kit, the following additional item is needed:    One PC with Microsoft Windows XP, Vista or Windows 7 operating system. The PC must be equipped with a USB port or a serial port capable of operation at 9600 bps.  8.3 Developer’s Kit Default Operating Configuration  The default operating configuration of the DNT90DK developer’s kit is point-to-point with transparent seri-al data at 9600 bps, 8N1. One DNT90P is preconfigured as a base and the other as a remote. Labels on the bottom of the interface boards specify Base or Remote. The defaults can be overridden to test other operating configurations using the DNT90 Demo utility discussed in Section 8.5.
Preliminary   www.RFM.com  Technical support +1.678.684.2000  Page 60 of 80 © 2010-2012 by RF Monolithics, Inc.  E-mail: tech_sup@rfm.com  DNT90 Integration Guide - 05/10/12 8.4 Developer’s Kit Hardware Assembly  Observe ESD precautions when handling the kit circuit boards. when shipped, the DNT90P radios and U.FL coax jumper cables are installed in the interface boards, as shown in Figure 8.4.1. If a DNT90P ra-dio and/or the U.FL jumper cable has been unplugged after receipt, confirm the DNT90P is correctly plugged into its interface board with the radio oriented so that its U.FL connector is next to the U.FL con-nector on the interface board, as shown in Figure 8.4.2. Also check the radio’s alignment in the socket on the interface board. No pins should be hanging out over the ends of the connector. Next, screw each di-pole antenna into and adaptor cable and “snap” the other end of the adaptor cable into the MMCX RF connector on the development board as shown in Figure 8.4.2.   Figure 8.4.1  Figure 8.4.2  As shown in Figure 8.4.3, confirm there is a jumper on J10 (this jumper can be removed later and a cur-rent meter connected across J10 to measure just the DNT90’s current consumption during operation).  J P 1 0  Figure 8.4.3
Preliminary   www.RFM.com  Technical support +1.678.684.2000  Page 61 of 80 © 2010-2012 by RF Monolithics, Inc.  E-mail: tech_sup@rfm.com  DNT90 Integration Guide - 05/10/12 There are three serial connectors and a power connector on the end of each interface board, as shown in Figure 8.4.4. The RJ-45 connector provides an RS232 interface to the DNT90P’s main serial port. The USB connector provides an optional interface to the radio’s main serial port. The RJ-11 connector pro-vides an RS232 interface to the radio’s optional diagnostic port. The DNT90 Demo utility program runs on the radio’s main port.   Figure 8.4.4  Many desktop PCs have a built-in serial port capable of operation at 9600 bps. The kit can be run satis-factorily at the 9600 bps data rate, but not at its fastest throughput. Use the RJ-45 to DB-9F cable as-semblies for serial port operation.  Optionally, the kit development boards can be run from USB ports. Plugging in the USB cable automati-cally switches operation from the RJ-45 connector. The USB interface is based on an FT232RL serial-to-USB converter IC manufactured by FTDI. The FT232RL driver files are located in the i386 and AMD64 folders on the kit CD, and the latest version of the drivers can downloaded from the FTDI website, www.ftdichip.com. The drivers create a virtual COM port on the PC. Power the Base using one of the supplied wall-plug power supplies. Next connect the Base to the PC with a USB cable. The PC will find the new USB hardware and open a driver installation dialog box. Enter the letter of the drive holding the kit CD and click Continue. The installation dialog will run twice to complete the FT232R driver installation.  8.5 DNT90 Utility Program  The DNT90 utility program requires only one PC for initial kit operation and sensor applications (ADC, DAC and digital I/O). Two serial/USB ports are required for bidirectional serial communications. Section 8.6 below covers using the DNT90 Demo utility program for initial kit operation and familiarization. Section 8.6.1 covers serial message communication and radio configuration.
Preliminary   www.RFM.com  Technical support +1.678.684.2000  Page 62 of 80 © 2010-2012 by RF Monolithics, Inc.  E-mail: tech_sup@rfm.com  DNT90 Integration Guide - 05/10/12 8.6 Initial Kit Operation  Create a file folder on the PC and copy the contents of the kit CD into the folder.  Connect the Base to the PC and power up the Base using a wall-plug power supply.  The DNT90 Demo utility program is located in the PC Programs folder. The DNT90 Demo utility program requires no installation and can be simply copied to the PC and run. Start the utility program on the PC. The start-up window is shown in Figure 8.6.1.  Figure 8.6.1
Preliminary   www.RFM.com  Technical support +1.678.684.2000  Page 63 of 80 © 2010-2012 by RF Monolithics, Inc.  E-mail: tech_sup@rfm.com  DNT90 Integration Guide - 05/10/12 Click on Connect to open the Select Comm Port Settings dialog box, as shown in Figure 8.6.2. If necessary, set the baud rate to 9600 bps. Set the CommPort to match the serial port connected to the Base, either the hardware port or the USB virtual serial port. Then click OK to activate the serial connection.  Figure 8.6.2  At this point the utility program will collect data from the Base, filling in the Local Radio column as shown in Figure 8.6.3. Next power up the Remote using a wall-plug power supply. The Remote will transmit a “heartbeat” message on power up as shown in the Status Window. Click on the drop-down box at the top of the Radio 1 column and load the MAC Address for the Remote from the heartbeat message. Next press the Start button using the default 1 second Refresh Delay.  Figure 8.6.3
Preliminary   www.RFM.com  Technical support +1.678.684.2000  Page 64 of 80 © 2010-2012 by RF Monolithics, Inc.  E-mail: tech_sup@rfm.com  DNT90 Integration Guide - 05/10/12 The utility program will display updated data on the Remote in the Radio 1 column, including bar graphs of RSSI signal strength in dBm and percent packet success rate, as shown in Figure 8.6.4. Adjusting the large pot on the Remote can be observed on the Potentiometer (ADC0) row.  Figure 8.6.4  Note: If the Remote is powered up before the DNT90 Demo program is running and connected to the Base, the initial Remote heartbeat will be missed and it will be necessary to manually enter the Remote’s MAC address in the MAC Address field under Radio 1 and then press the Enter key to display the Re-mote information.  If any difficulty is encountered in setting up the DNT90DK development kit, contact RFM’s module tech-nical support group. The phone number is +1.678.684.2000. Phone support is available from 8:30 AM to 5:30 PM US Eastern Time Zone, Monday through Friday. The E-mail address is tech_sup@rfm.com.
Preliminary   www.RFM.com  Technical support +1.678.684.2000  Page 65 of 80 © 2010-2012 by RF Monolithics, Inc.  E-mail: tech_sup@rfm.com  DNT90 Integration Guide - 05/10/12 8.6.1 Serial Communication and Radio Configuration  Connect PCs to both the Base and the Remote for serial communication testing (alternately one PC can be used with two serial ports and two instances of the DNT90 Demo program running). Click the Stop button under the Refresh Delay label on the I/O Tools tab and move to the Transmit Tools tab, as shown in Figure 8.6.1.1.  Figure 8.6.1.1  Pressing the Transmit button on this screen sends the message in the Data to Transmit text box to the selected MAC Address. Note that the MAC address a remote uses for the base is 0x000000. Data sent to the local radio is displayed in the Received Data text box. Received data can be displayed as ASCII (default) or in Hexadecimal format by checking the Hex Mode check box. When the Transmit Interval is set to zero, Data to Transmit is sent once when the Transmit button is clicked. When the Transmit Interval is set to a positive number, Pressing the Transmit button once will cause a transmission each transmit interval (seconds) until the button is pressed again.
Preliminary   www.RFM.com  Technical support +1.678.684.2000  Page 66 of 80 © 2010-2012 by RF Monolithics, Inc.  E-mail: tech_sup@rfm.com  DNT90 Integration Guide - 05/10/12 Returning to the I/O Tools tab, the multi-tab Configuration window for each radio can be accessed by clicking on its Config button. The data presented on the first six tabs corresponds to configuration register Banks 0 through 5 as discussed in Section 4.2 above, with the data on the next two tabs corresponding to configuration register Bank 6.  Figure 8.6.1.2  The Transceiver Setup Tab is shown in Figure 8.6.1.2 and corresponds to Bank 0. The current values of each Bank 0 parameter are displayed and can be updated by selecting from the drop-down menus or entering data from the keyboard, and then pressing the Apply Changes button. Note that data is displayed and entered in Big-Endian order. The utility program automatically reorders multi-byte data to and from Little-Endian order when building or interpreting messages.
Preliminary   www.RFM.com  Technical support +1.678.684.2000  Page 67 of 80 © 2010-2012 by RF Monolithics, Inc.  E-mail: tech_sup@rfm.com  DNT90 Integration Guide - 05/10/12 Figure 8.6.1.3  Figure 8.6.1.3 shows the System tab contents, corresponding to Bank 1. The current values of each pa-rameter are displayed and can be updated by selecting from the drop-down menu or entering data from the keyboard, and then pressing the Apply Changes button. Note that Bank 1 holds configuration parame-ters for the base only except for Broadcast Mode, which applies to both the base and the remotes.  Figure 8.6.1.4  Figure 8.6.1.5 shows the Status tab contents, corresponding to Bank 2. Note the Status tab contains read-only parameters.
Preliminary   www.RFM.com  Technical support +1.678.684.2000  Page 68 of 80 © 2010-2012 by RF Monolithics, Inc.  E-mail: tech_sup@rfm.com  DNT90 Integration Guide - 05/10/12 Figure 8.6.1.5  Figure 8.6.1.5 shows the Serial tab contents corresponding to the serial parameters in Bank 3. The val-ues shown are the defaults for serial port operation.  Figure 8.6.1.6  Figure 8.6.1.6 shows the Protocol tab contents, corresponding to Bank 4. Transparent serial data com-munication is currently chosen.
Preliminary   www.RFM.com  Technical support +1.678.684.2000  Page 69 of 80 © 2010-2012 by RF Monolithics, Inc.  E-mail: tech_sup@rfm.com  DNT90 Integration Guide - 05/10/12 Figure 8.6.1.7  Figure 8.6.1.7 shows the I/O Parameters tab contents, corresponding to Bank 5. All GPIO ports are con-figured as inputs. The 12-bit ADC input readings and DAC output settings are given in Big-Endian byte order. Event flags are presented on the right side of the window.  Figure 8.6.1.8  Figure 8.6.1.8 shows the first I/O Settings tab contents, corresponding to Bank 6 GPIO configurations other than alternate GPIO functions. This tab allows the direction of the GPIO ports to be set both for ac-tive and sleep modes, and in the case of GPIO outputs, the initial power up states and sleep mode states to be set. When GPIO ports 0 - 3 are configured as inputs, event interrupts can be set for them with check boxes. The type of interrupt trigger is selected from the drop-down boxes to the right of the check boxes. Periodic I/O reporting, reporting interval and enable/disable sleep I/O states and I/O binding can also be configured under this tab.
Preliminary   www.RFM.com  Technical support +1.678.684.2000  Page 70 of 80 © 2010-2012 by RF Monolithics, Inc.  E-mail: tech_sup@rfm.com  DNT90 Integration Guide - 05/10/12 Figure 8.6.1.9  Figure 8.6.1.9 shows the second I/O Setup tab contents, corresponding to Bank 6 ADC input and DAC output parameters. The ADC and DAC reference voltages, the ADC sampling interval, the high and low ADC thresholds for event reporting and event reporting triggers on each ADC channel can be set, along with the initial output values for each DAC channel. The event reporting I/O predelay and alternate GPIO functions can also be set from this tab.  The DNT90 Demo Utility File, Options and Help menus are shown in Figure 8.7.8.   Figure 8.7.8
Preliminary   www.RFM.com  Technical support +1.678.684.2000  Page 71 of 80 © 2010-2012 by RF Monolithics, Inc.  E-mail: tech_sup@rfm.com  DNT90 Integration Guide - 05/10/12 8.7 DNT90 Interface Board Features  The locations of the LEDs on the interface board that are used by the DNT90 are shown in Figure 8.8.1.  Figure 8.8.1  DCD LED, D11, illuminates on a router or remote to indicate it is registered with its parent and can partic-ipate in RF communications. The DCD LED illuminates on the base when one or more routers or remotes are registered to it, unless the base has been configured to assert DCD on power up. In this case it will be on as long as the development board is powered. Activity LED, D10, illuminates when transmitting or re-ceiving RF data. Power LED, D1, illuminates with the DNT90 and its interface board are powered. GPIO2 LED, D5, and GPIO3 LED, D4, can be controlled by configuring GPIO2 and GPIO3 as outputs on the DNT90. These LEDs are illuminated with a logic high signal.   Figure 8.8.2  Figure 8.8.2 shows the connectors and switches to the right of the DNT90P mounting socket. JP3 and JP4 normally have shorting plugs installed as shown in Figure 8.8.2. JP3 connects ADC0 to the yellow potentiometer. Clockwise rotation of the potentiometer increases the voltage. JP4 connects ADC1 to a thermistor temperature sensor. The DNT90 has its own boot loader utility that allows the protocol firm-
Preliminary   www.RFM.com  Technical support +1.678.684.2000  Page 72 of 80 © 2010-2012 by RF Monolithics, Inc.  E-mail: tech_sup@rfm.com  DNT90 Integration Guide - 05/10/12 ware to be installed with a terminal program that supports YMODEM. The boot loader is activated with a shorting plug on JP13. Pin strip J6 provides access to various DNT90 pins as shown on the silkscreen. Pressing switch SW3 will reset the DNT90P. Switch S4 is not used with the DNT90.   Figure 8.8.3  Figure 8.8.3 shows the connectors to the left of the DNT90P mounting socket. Pressing switch SW1 switches GPIO0 from logic high to low, and pressing SW2 switches GPIO1 from logic high to low. The DNT90P interface board includes a 5 V regulator to regulate the input from the 9 V wall-plug power sup-ply. Do not attempt to use the 9 V wall-plug power supply to power the DNT90P directly. The maximum allowed voltage input to the DNT90P is 5.5 V.
Preliminary   www.RFM.com  Technical support +1.678.684.2000  Page 73 of 80 © 2010-2012 by RF Monolithics, Inc.  E-mail: tech_sup@rfm.com  DNT90 Integration Guide - 05/10/12 9.0 Troubleshooting  DNT90 not responding - make sure /RESET is not asserted (logic low). Make sure the host serial port settings match the DNT90 serial port settings.  Can not enter protocol mode - make sure the host data rate is correct. The DNT90 defaults to 9.6 kbps. If using the EnterProtocolMode command, send the complete protocol format for this command.  A remote never detects carrier (DCD) - check that the base is running, and that the remote’s Sys-temNwkID is the same as the base, and that the ParentNwkID parameter is the same as the base, or is set to 0xFF. Also make sure that the security keys are the same.  Carrier is detected, but no data appears to be received - if /HOST_RTS is enabled, make sure it is as-serted (logic low) to enable character flow from the DNT90.  Range is extremely limited - this is usually a sign of a poor antenna connection or the wrong antenna. Check that the antenna is firmly connected. If possible, remove any obstructions near the antenna.  9.1 Diagnostic Port Commands  The diagnostic port shares its RX and TX signal lines with the Activity and DCD indications, respectively.  Consequently, the debug port feature must be enabled before being used (Bank 0xFF). The change must be saved and the module then needs to be reset for this to take effect. The diagnostic port is defaulted to 38.4 kbps, 8N1.  The diagnostic port supports the following user commands:  rbr <bank> <reg> <span> - read a parameter register’s value from the module.  rbw <bank> <reg> <span> <value> [<value> <value>] - write a parameter register’s value with a span of up to 3 bytes  stat <option> - option = 0 is off, option = 1 displays DataTx/AckRx for a hop sequence in time order, and option = 2 displays any packet RX or packet error for a hop sequence in frequency order.  base <0 or 1> - For a router, this determines whether the stat option displays data associated with its operation as a base (1) or as a remote (0).
Preliminary   www.RFM.com  Technical support +1.678.684.2000  Page 74 of 80 © 2010-2012 by RF Monolithics, Inc.  E-mail: tech_sup@rfm.com  DNT90 Integration Guide - 05/10/12 10.0 Appendices  10.1 Ordering Information  DNT90C:  transceiver module for solder-pad mounting DNT90P:  transceiver module for pin-socket mounting  10.2 Technical Support  For DNT90 technical support call RFM at (678) 684-2000 between the hours of 8:30 AM and 5:30 PM Eastern Time
Preliminary   www.RFM.com  Technical support +1.678.684.2000  Page 75 of 80 © 2010-2012 by RF Monolithics, Inc.  E-mail: tech_sup@rfm.com  DNT90 Integration Guide - 05/10/12 10.3 DNT90 Mechanical Specifications  1 . 4 5 0( 3 6 . 8 )0 . 9 8 0( 2 7 . 9 )D N T 9 0 C   O u t l i n e   a n d   M o u n t i n g   D i m e n s i o n s0 . 0 5 0   ( 1 . 2 7 )1T o p   V i e w0 . 1 2 5( 3 . 1 8 )1 51 6 3 0D i m e n s i o n s   i n   i n c h e s   ( m m )0 . 0 9 00 . 4 5 0 ( 1 1 . 4 ) 0 . 3 0 0   ( 7 . 6 2 ) Figure 10.3.1  0 . 0 6 0 ( 1 . 5 2 )1 . 4 5 0   ( 3 6 . 8 )0 . 9 8 0( 2 4 . 9 )D N T 9 0 C   S o l d e r   P a d   D i m e n s i o n s0 . 0 5 0   ( 1 . 2 7 )1T o p   V i e w1 51 6 3 0D i m e n s i o n s   i n   i n c h e s   ( m m )0 . 0 3 5   ( 0 . 8 9 )1 . 0 4 0( 2 6 . 4 ) Figure 10.3.2
Preliminary   www.RFM.com  Technical support +1.678.684.2000  Page 76 of 80 © 2010-2012 by RF Monolithics, Inc.  E-mail: tech_sup@rfm.com  DNT90 Integration Guide - 05/10/12 0 . 0 6 0( 1 . 5 2 )1 . 4 5 0( 3 6 . 8 )1 . 1 0 0( 2 7 . 9 )D N T 9 0 P   O u t l i n e   a n d   M o u n t i n g   D i m e n s i o n s0 . 0 5 0   ( 1 . 2 7 )1T o p   V i e w0 . 1 2 5( 3 . 1 8 )1 51 6 3 0D i m e n s i o n s   i n   i n c h e s   ( m m )0 . 4 5 0   ( 1 1 . 4 )0 . 0 9 0( 2 . 2 9 )0 . 2 2 5( 5 . 7 2 )0 . 9 8 0( 2 4 . 9 )0 . 3 0 0   ( 7 . 6 2 ) Figure 10.3.3  0.980( 2 4 . 9 )0.050( 1 . 2 7 )0.700( 1 7 . 8 )0.100( 2 . 5 4 )0.800( 2 0 . 3 )D N T 9 0 P   I n t e r f a c e   C o n n e c t o rP C B   L a y o u t   D e t a i lC o n n e c t o r s   a r e   S A M T E CS L M - 1 1 5 - 0 1 - G - So r   E q u i v a l e n tD i m e n s i o n s   a r e   i n   i n c h e s   ( m m ) Figure 10.3.4
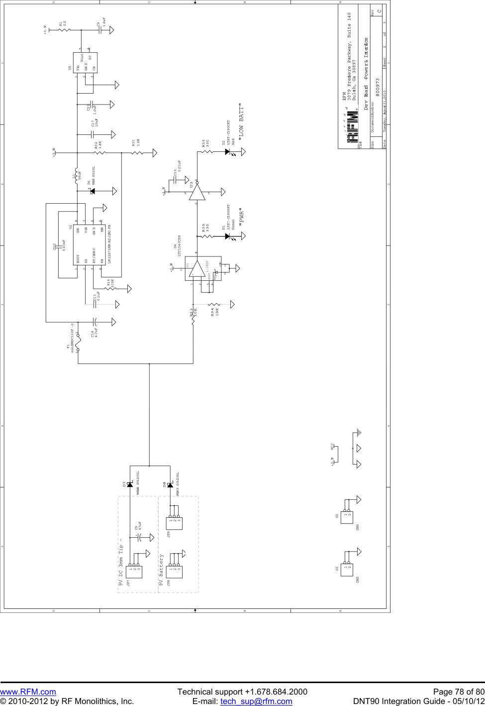
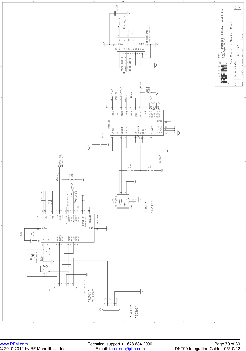
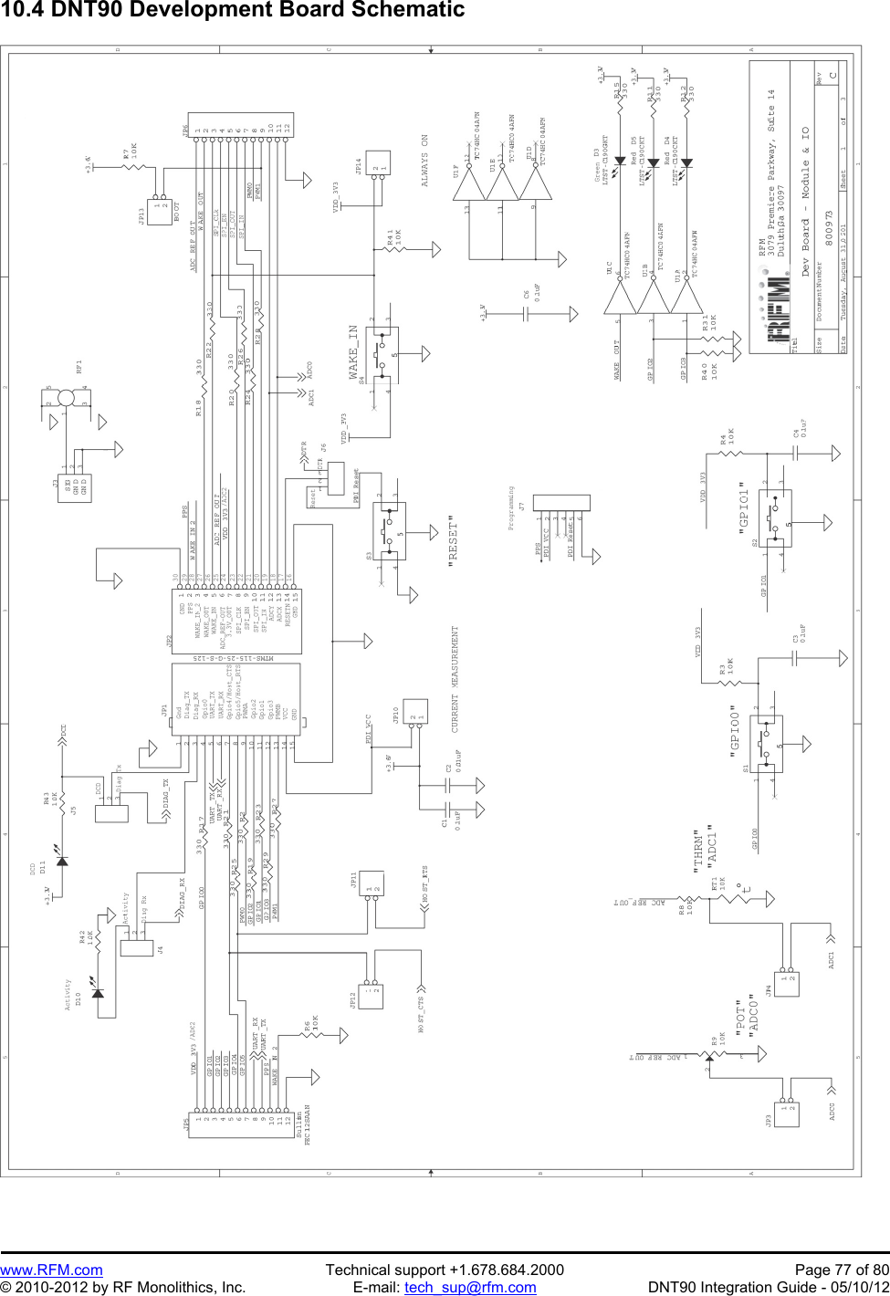
Preliminary   www.RFM.com  Technical support +1.678.684.2000  Page 77 of 80 © 2010-2012 by RF Monolithics, Inc.  E-mail: tech_sup@rfm.com  DNT90 Integration Guide - 05/10/12 10.4 DNT90 Development Board Schematic
Preliminary   www.RFM.com  Technical support +1.678.684.2000  Page 78 of 80 © 2010-2012 by RF Monolithics, Inc.  E-mail: tech_sup@rfm.com  DNT90 Integration Guide - 05/10/12
Preliminary   www.RFM.com  Technical support +1.678.684.2000  Page 79 of 80 © 2010-2012 by RF Monolithics, Inc.  E-mail: tech_sup@rfm.com  DNT90 Integration Guide - 05/10/12
Preliminary   www.RFM.com  Technical support +1.678.684.2000  Page 80 of 80 © 2010-2012 by RF Monolithics, Inc.  E-mail: tech_sup@rfm.com  DNT90 Integration Guide - 05/10/12 11.0 Warranty  Seller warrants solely to Buyer that the goods delivered hereunder shall be free from defects in materials and workmanship, when given normal, proper and intended usage, for twelve (12) months from the date of delivery to Buyer. Seller agrees to repair or replace at its option and without cost to Buyer all defective goods sold hereunder, provided that Buyer has given Seller written notice of such warranty claim within such warranty period.  All goods returned to Seller for repair or replacement must be sent freight prepaid to Seller’s plant, provided that Buyer first obtain from Seller a Return Goods Authorization before any such return. Seller shall have no obligation to make repairs or replacements which are required by normal wear and tear, or which result, in whole or in part, from catastrophe, fault or negligence of Buyer, or from improper or unauthorized use of the goods, or use of the goods in a manner for which they are not de-signed, or by causes external to the goods such as, but not limited to, power failure. No suit or action shall be brought against Seller more than twelve (12) months after the related cause of action has oc-curred. Buyer has not relied and shall not rely on any oral representation regarding the goods sold here-under, and any oral representation shall not bind Seller and shall not be a part of any warranty.  THE PROVISIONS OF THE FOREGOING WARRANTY ARE IN LIEU OF ANY OTHER WARRANTY, WHETHER EXPRESS OR IMPLIED, WRITTEN OR ORAL (INCLUDING ANY WARRANTY OR MER-CHANT ABILITY OR FITNESS FOR A PARTICULAR PURPOSE). SELLER’S LIABILITY ARISING OUT OF THE MANUFACTURE, SALE OR SUPPLYING OF THE GOODS OR THEIR USE OR DISPO-SITION, WHETHER BASED UPON WARRANTY, CONTRACT, TORT OR OTHERWISE, SHALL NOT EXCEED THE ACTUAL PURCHASE PRICE PAID BY BUYER FOR THE GOODS.  IN NO EVENT SHALL SELLER BE LIABLE TO BUYER OR ANY OTHER PERSON OR ENTITY FOR SPECIAL, IN-CIDENTAL OR CONSEQUENTIAL DAMAGES, INCLUDING, BUT NOT LIMITED TO, LOSS OF PROF-ITS, LOSS OF DATA OR LOSS OF USE DAMAGES ARISING OUT OF THE MANUFACTURE, SALE OR SUPPLYING OF THE GOODS.  THE FOREGOING WARRANTY EXTENDS TO BUYER ONLY AND SHALL NOT BE APPLICABLE TO ANY OTHER PERSON OR ENTITY INCLUDING, WITHOUT LIMI-TATION, CUSTOMERS OF BUYERS.                     Part # M-0090-0002, Rev G

Navigation menu