Recognition Source DCMI2001 Access control panel interface module User Manual 381129
Recognition Source, LLC Access control panel interface module 381129
Contents
WRI manual

P
P
PR
R
RE
E
EL
L
LI
I
IM
M
MI
I
IN
N
NA
A
AR
R
RY
Y
Y
INSTALLATION INSTRUCTIONS
WIRELESS READER
INTERFACE
(WRI)
3820 Stern Avenue
St. Charles, IL 60174
Phone: 630-762-4450
Fax: 630-762-4455
P/N: M053-xxx-x001

3820 Stern Avenue
St. Charles, IL 60174
(630) 762-4450
P/N: M053-xxx-x001 (630) 762-4444 fax Page 2 of 20
INSTALLATION INSTRUCTIONS
Wireless Reader Interface (WRI)
NOTE: These instructions are for installing the Wireless Reader Interface (WRI), a component of a Wyreless
Access System. After completing this installation refer to the “Configuring and Operating the Wyreless Access
System” manual.
Table of Contents
1. Wyreless AccessTM System Components........................................................................................................3
1.1 Overview .......................................................................................................................................................3
1.2 Wireless Reader Interface (WRI) Components .............................................................................................4
2. Installing the WRI ...........................................................................................................................................5
2.1 Tools – Hardware Required...........................................................................................................................5
2.2 Locating the WPIM and WRI Modules.........................................................................................................5
2.3 Mounting the WRI.........................................................................................................................................8
2.4 Connecting the WRI to its Access Control Peripherals .................................................................................9
3. Contacting Recognition Source ....................................................................................................................18
4. FCC Compliance & Warnings......................................................................................................................19
4.1 FCC Compliance .........................................................................................................................................19
4.2 Warnings......................................................................................................................................................19
5. Revision History.............................................................................................................................................20

3820 Stern Avenue
St. Charles, IL 60174
(630) 762-4450
P/N: M053-xxx-x001 (630) 762-4444 fax Page 3 of 20
1. Wyreless AccessTM System Components
1.1 Overview
Every access control system that uses Wyreless AccessTM contains two different types of modules (Figure
1-1):
• at least one Wireless Panel Interface Module (WPIM), and
• at least one Wireless Access Point Module (WAPM)
Figure 1-1 – Wyreless Access System Block Diagram
Recognition Source’s product line contains several different expressions of each module.
The WPIM is wired to the access control panel and ideally is installed very close to the access control
panel. The WPIMs installation location is determined by the location of the WAPMs with which it will
communicate using RF.
The WAPM is installed at the access point where access will be controlled and/or monitored. Depending
on the application and which WAPM is used, some wiring at the access control point may be required.
Regardless of which WPIM or WAPM module is used, the communication link between the WPIM and
WAPM is always RF.
This manual describes the installation of a Wireless Reader Interface (WRI) which is a WAPM.

3820 Stern Avenue
St. Charles, IL 60174
(630) 762-4450
P/N: M053-xxx-x001 (630) 762-4444 fax Page 4 of 20
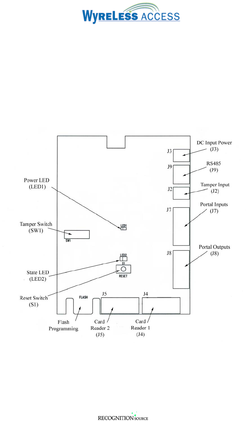
1.2 Wireless Reader Interface (WRI) Components & Sales Models
The WRI (Figure 1-4) includes the following components:
• 2 reader/keypad connectors (#1)
• strike relay connector (#2)
• auxiliary relay connector (#3)
• door position input (#4)
• request to exit input (#4)
• request to enter input (#4)
• tamper input & tamper switch (#5)
• RS485 port (#6)
• 2 indicator LEDs (#7)
• flash programming port (#8)
• RF Transceiver (#9)
Figure 1-2 – Front of the WRI
Figure 1-3 – Inside the WRI
Figure 1-4 - WRI Printed Circuit Board

3820 Stern Avenue
St. Charles, IL 60174
(630) 762-4450
P/N: M053-xxx-x001 (630) 762-4444 fax Page 5 of 20
MODEL MOUNTING LOCATION
WRI-100-OTD Surface indoor/outdoor
Table 1-1- WRI Sales Model Table
2. Installing the WRI
2.1 Tools – Hardware Required
• Drill & drill bits (the size will depend on the mounting fasteners used)
• Flat and Phillips head screwdrivers (1/8” wide flat blade for screw terminals)
• Pencil
• Mounting hardware (not provided), four ¼” diameter screws or bolts and/or anchors, type and length
of fasteners depend on the mounting surface.
2.2 Remote Antenna
If the WRI installation uses the Remote Antenna Module (RAM) option, please refer to the “Remote
Antenna Module Installation” manual before proceeding.
2.3 Determining the Best WPIM and WRI Locations
Proper selection of WPIM and WRI module mounting locations insures reliable RF communications.
The WPIM manual contains a section for determining the best location for the WPIM.
The maximum distance between WPIM and a WRI is 200’ horizontally when installed inside a building
on the same floor that uses normal building construction materials. Never locate the WRI or RAM &
WPIM & RAM more than one (1) floor apart. If on different floors, limit the maximum horizontal
distance to 100’. The maximum distance is 1000’ for a line of sight installation.
This section provides additional application specific help and guidelines to select the best mounting
location for the WPIM and WRI modules.
NOTE: A WRI located with a substantial steel barrier intervening between it and the PIM may
require alternate WRI and/or PIM placement in order to ensure reliable RF communications. In
these applications, mount the PIM remote from the access control panel. Choose the PIM location
to prevent “shadowing” of the WRI from PIM radio transmissions. RAMs maybe used to get over,
under, through, or around obstacles with a limit of 15 cable feet distance between it’s WRI or
WPIM and it’s RAM.
2.3.1 Outdoor Gate Applications
This section describes the ideal mounting locations for the WRI and WPIM to control an outdoor gate
(Figure 2-1).
NOTE: If the remote antenna option is used on the WPIM, then the outdoor enclosure version (OTD)
of the WPIM is required.
The WRI has not been evaluated to UL325.

3820 Stern Avenue
St. Charles, IL 60174
(630) 762-4450
P/N: M053-xxx-x001 (630) 762-4444 fax Page 6 of 20
Figure 2-1 – Outdoor Gate Installation
WPIM location guidelines for outdoor gate applications:
• Mount the WPIM indoors, within the secured portion of the premises.
• Install the WPIM just inside the building’s outer wall that faces the gate.
• If the WRI(s) to be controlled by this WPIM are outdoors, use the remote WPIM antenna
option. Mount the Remote Antenna Module outside of the building, in direct line-of-sight to
the WRI(s) that it controls.
• Never install the WPIM in an all metal room or a room with wire screening/mesh in the walls,
without the remote WPIM antenna option located outside that room.
• If a site uses more than one WRI, install the WPIM within direct sight of both WRIs under its
control, and never more than 1000 feet away from either. Use a separate WPIM for each WRI
if the site geometry makes this necessary.
• When using the standard WPIM antenna, mount the WPIM 6 feet or more from the floor.
WRI Location Guidelines for outdoor gate applications:
• Mount the WRI within the secured portion of the premises, in direct line-of-sight to the
WPIM’s antenna.
• Orient the WRI upright, preferably on the side of the gate closest (facing) the WPIM.
• Avoid obstructions between the WRI antenna and WPIM antenna.
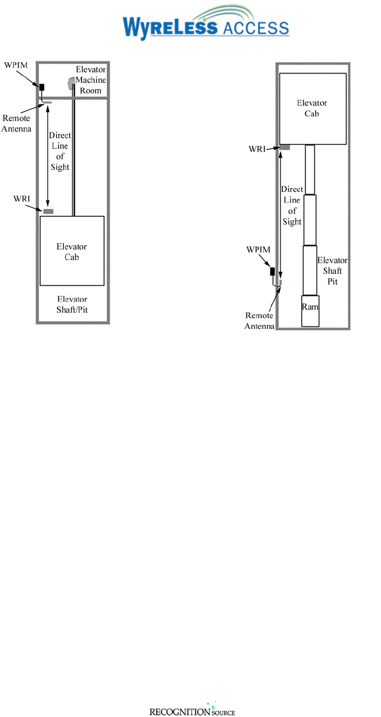
2.3.2 Elevator Applications
Note: These elevator applications deal only with access control portion and not elevator control. The
WRI has not been evaluated to UL508.
This section describes the ideal locations to mount the WRI and WPIM to control a typical cabled
hoist elevator (Figure 2-2) or a typical hydraulic elevator (Figure 2-3).

3820 Stern Avenue
St. Charles, IL 60174
(630) 762-4450
P/N: M053-xxx-x001 (630) 762-4444 fax Page 7 of 20
Figure 2-2 – Cabled Hoist Elevator Installation
Figure 2-3 – Hydraulic Elevator Installation
2.3.2.1 Cabled hoist machine installations with upper machine rooms (Figure 2-2)
Mount the WPIM inside the secured portion of the premises. For example, mount the WPIM
within the secured elevator machine room, and mount remote WPIM antenna inside the shaft, on
the ceiling of the shaft. Keep in mind that the remote antenna has a cable length of 15 feet, so
locate the WPIM enclosure so that the antenna cable reaches. Mount the assembly such that the
WPIM antenna has a direct line of sight to the WRI throughout the entire shaft. No structural
members should obstruct its view to the WRI.
Mount the WRI on top of the cab, lying down if possible (Figure 2-2).
2.3.2.2 Cabled hoist machine installations with lower machine rooms (Figure 2-3)
If the machine room resides at the bottom of the shaft, install the components per section 2.3.2.3,
like hydraulic machines. Use the Remote Antenna Module with the WPIM to prevent
contamination of the WPIM from settled dust, oil, and debris.
2.3.2.3 Hydraulic Machine Installations (Figure 2-3)
Locate the WPIM enclosure in a secured area of the premises, outside of the shaft pit, where it
will be free of contamination from oil. Use the Remote Antenna Module with the WPIM. Mount
the Remote Antenna Module horizontally in the shaft pit, at a height where oil leakage and
debris cannot submerge it. For reliability of communications, the Remote Antenna Module must
have a direct line of sight to the WRI throughout the entire shaft. No structural members,
including the ram, should obstruct its view of the WRI.
Mount the WRI on the underside of the cab.
2.3.3 Indoor WRI Reader & Magnetic Lock Applications
These applications include door installations with magnetic locks or strikes, Wiegand or clock & data
type readers, and other peripheral hardware. Since these types of installations do not generally have

3820 Stern Avenue
St. Charles, IL 60174
(630) 762-4450
P/N: M053-xxx-x001 (630) 762-4444 fax Page 8 of 20
line-of-sight between WPIM and WRI, the specified communication range has a 200 foot limit for
normal indoor construction when located on the same floor. Follow the guidelines in the WPIM
installation manual.
2.4 Mounting the WRI
Four mounting feet and four screws (10-32 X 3/8”) are provided with the WRI to permanently attach the
WRI enclosure in its desired location.
2.4.1 From the rear of the WRI enclosure, attach the four mounting feet with the four screws as shown in
Figure 2-4). The mounting feet must be installed so that the four screw heads are recessed and the hex
protrusion on the mounting feet align with the hex recession on the enclosure.
Figure 2-4 – Rear View of WRI Enclosure
2.4.2 Drilling the Weep Hole - Before the WRI is permanently mounted, determine the lowest point of the
WRI enclosure and drill a 1/16” hole from the exterior to the interior. This hole provides an exit for
any moisture buildup that might occur due to the weather tightness of the enclosure.
NOTE: When drilling, make certain that the drill bit does not damage any electronics inside the
enclosure. Use light drill pressure so that the bit does not enter the enclosure very far when the bit
breaks through the inside of the enclosure.

3820 Stern Avenue
St. Charles, IL 60174
(630) 762-4450
P/N: M053-xxx-x001 (630) 762-4444 fax Page 9 of 20
2.4.3 Place the WRI in the desired mounting orientation, on the mounting surface, mark the location of the
four mounting holes (one in each mounting foot).
2.4.4 Choose the appropriate type of fasteners (not supplied) for the mounting surface material (i.e. screws
for wood, bolts and nuts for metal, screws with anchors for masonry, drywall, or plaster).
2.4.5 At the marks made in section 2.4.3, drill holes in the mounting surface. The hole size will depend on
the fastener being used.
2.4.6 Fasten the WRI enclosure to the mounting surface using the selected fasteners and mounting feet
holes.
2.5 Getting Wires In & Out of the WRI
2.5.1 Weather Tight Installation
A NEMA 4X certified Wiring Gland (Figure 2-5) should be used to achieve a weather tight
installation when wires enter or exit the WRI. Wiring Glands are available from Bud Industries, Inc.
(http://www.budind.com/cgi-bin/view?part=n4-cg). The Bud Industries Wiring Gland consists of a
black molded nylon body, hex nut, and cable nut and with a rubber gasket and cable seal. The Wiring
Glands are available in various sizes. The appropriate size will depend on the number and type of
cables used in each installation.
Drill hole(s) in the WRI enclosure to accommodate the size and number of Wiring Glands to be used.
NOTE: When drilling, make certain that the drill bit does not damage any electronics inside the
enclosure. Use light drill pressure so that the bit does not enter the enclosure very far when the bit
breaks through the inside of the enclosure.
Figure 2-5 – Typical Wiring Gland
2.5.2 Non Weather Tight Installation
If the WRI is mounted in a location where weather tightness is not a requirement, then use wiring
entry/exit connectors that are compliant with local electrical codes (i.e. conduit, etc.)
Drill hole(s) in the WRI enclosure to accommodate the size and number of entry/exit connectors to be
used.
NOTE: When drilling, make certain that the drill bit does not damage any electronics inside the
enclosure. Use light drill pressure so that the bit does not enter the enclosure very far when the bit
breaks through the inside of the enclosure.

3820 Stern Avenue
St. Charles, IL 60174
(630) 762-4450
P/N: M053-xxx-x001 (630) 762-4444 fax Page 10 of 20
2.6 Wiring the WRI to its Access Control Peripherals
There are seven WRI PCB connectors that provide connections to Access Control Peripherals that the
WRI will monitor and/or control (Figure 2-6):
• DC Input Power (J3)
• RS485 (J9)
• Tamper Input (J2)
• Portal Inputs (J7)
• Portal Outputs (J8)
• Card Reader 1 (J4)
• Card Reader 2 (J5)
Some of the connections are optional based on the specific application of the WRI. Refer to Section 3 for
cable and wire specifications for the WRI.
Figure 2-6 – WRI Printed Circuit Board (PCB)

3820 Stern Avenue
St. Charles, IL 60174
(630) 762-4450
P/N: M053-xxx-x001 (630) 762-4444 fax Page 11 of 20
Figure 2-7 – Typical Access Point Configuration
2.6.1 DC Input Power
The DC Input Power connection is mandatory. An external, UL approved, DC power supply that can
supply typically 12 VDC (7-14VDC range) must be provided. The DC power supply must be capable
of providing 300 mA of current to power the WRI. Add the power requirements of the access control
peripherals connected to the WRI to the 300 mA to determine the overall size of the DC power
supply.

3820 Stern Avenue
St. Charles, IL 60174
(630) 762-4450
P/N: M053-xxx-x001 (630) 762-4444 fax Page 12 of 20
Connector J3 (Figure 2-6) is where the DC power is connected to the WRI PCB. Table 2-1 shows how
to connect the DC power. Make certain to observe the polarity.
Connect the shield of the DC Input Power cable to the Ground (-) terminal at the power supply. Do
not connect the cable shield at the WRI (Figure 2-7).
12VDC+ J3-1
DC
INPUT
POWER GND J3-2
The WRI typically operates from 12 VDC and draws 300mA
peak maximum. This does not include the power consumption
required by the peripherals (strike, reader, etc).
Table 2-1 – DC Input Power Connections
2.6.2 RS485
The RS485 connection is for future features and no connection should be made to J9 (Figure 2-6 &
Table 2-2) at this time.
The RS485 connection has not been evaluated by UL.
RS485_A J9-1
RS485 RS485_B J9-2
For future features.
Table 2-2 – RS485 Connections
2.6.3 Tamper Input
The Tamper Input connection is optional and provides a way of monitoring and external tamper
switch. The Tamper Input is in parallel with the Tamper Switch, SW1, on the WRI PCB (Figure 2-6).
SW1 monitors the state of the WRI enclosure door and generates a tamper trouble when the door is
open. If other possible tamper conditions (i.e. power supply enclosures, gate controllers, etc.) need to
be monitored, wire a single pole, single throw (SPST) to the Tamper Input, J2. When terminals J2-1 &
J1-2 are shorted, a tamper trouble signal is generated (Table 2-3).
Connect the shield of the Tamper Input cable to the WRI J2-2 terminal (GND). Do not connect the
cable shield at the Tamper Switch (Figure 2-7).
The Tamper Input connection is not connected in UL installations.
TAMPER_NC J2-1
TAMPER GND J2-2
A dry contact closure across these terminals causes a tamper
trouble signal to be sent to the ACP
Table 2-3 – Tamper Input Connections
2.6.4 Portal Inputs
The portal inputs consist of a Request to Enter, Request to Exit, and Door Position Switch inputs.
Wiring any or all of the Portal Inputs is optional based on the WRI application. All three inputs are
expecting an open circuit or a short circuit across their terminals.
When terminals J7-1 & J7-2 are shorted, a “Request to Enter” signal is generated (Table 2-3).
When terminals J7-3 & J7-4 are shorted, a “Request to Exit” signal is generated (Table 2-3).
When terminals J7-5 & J7-6 are shorted, a “Portal Closed” signal is generated. When terminals J7-5
& J7-6 are open, a “Portal Open” signal is generated (Table 2-3).
Connect the shield of the Portal Input cables to the appropriate WRI GND terminal on J7. Do not
connect the cable shield at the Request to Enter, Request to Exit, or Door Position Switches (Figure
2-7).

3820 Stern Avenue
St. Charles, IL 60174
(630) 762-4450
P/N: M053-xxx-x001 (630) 762-4444 fax Page 13 of 20
R_ENTER J7-1
REQUEST
TO
ENTER GND J7-2
A dry contact closure across these terminals initiates a request
to enter.
R_EXIT J7-3
REQUEST
TO
EXIT GND J7-4
A dry contact closure across these terminals initiates a request
to exit.
DPS J7-5
DOOR
POSITION
SWITCH GND J7-6
A dry contact closure across these terminals indicates to the
ACP that the access point portal is closed. An open circuit
indicates to the ACP that the access point portal is open.
Table 2-4 – Portal Inputs Connections
2.6.5 Portal Outputs
The Portal Outputs consist of two relays: Strike Relay Output and Auxiliary Relay Output.
Connections to the form C outputs (common, normally open, and normally closed) or each relay are
provided. Wiring either of the Portal Outputs is optional based on the WRI application.
When the portal is unlocked, the Strike Relay Output turns on indicating that the portal should be
unlocked. Therefore the appropriate side of the relay contact (normally open or normally closed)
must be used to make certain that when the relay is de-energized that the portal is locked and when
the relay is energized that the portal is unlocked.
STR_NC J8-1
STR_C J8-2
STRIKE
RELAY
OUTPUT STR_NO J8-3
Strike output, isolated form C contact rated 30VAC/VDC, 5A
(silver alloy contacts for heavy loads).
AUX_NC J8-4
AUX_C J8-5
AUXILIARY
RELAY
OUTPUT
AUX_NO J8-6
Auxiliary relay output - isolated form C contact rated 30 V, 2A.
This output in follows the strike output state (gold over silver
contacts for dry circuit and loads).
Table 2-5 – Portal Outputs Connections
A Suppressor must be installed with every electrical switching device run through a Portal Output
relay contact. The Suppressor protects the WRI from the power generated by the collapsing magnetic
field of an electrical load. The Suppressor will maximize the life of the WRI.
Follow the Electrical Lock/Load manufacturer’s recommendation for suppression of
magnetic/inductive loads. A properly rated bi-directional Tranzorb (Silicon Avalanche Diode) may
also be used. Install the Suppressor within 18 inches of the electrical load (Figure 2-8).
NOTE: Portal Outputs must utilize a dedicated shielded cable to prevent transient contamination of
other WRI signal wiring. Do not run Portal Output wires in the same cable or conduit as any other
WRI wiring. The Portal Output wiring should be at least 12 inches away from any other WRI wiring
or it should be run in a separate conduit.
Connect the shield of the Portal Output cables to the appropriate WRI J7-6 terminal (GND). Do not
connect the cable shield at the Electrical Lock/Load or Auxiliary Load (Figure 2-7).

3820 Stern Avenue
St. Charles, IL 60174
(630) 762-4450
P/N: M053-xxx-x001 (630) 762-4444 fax Page 14 of 20
Figure 2-8 – Portal Output Suppression Diagram

3820 Stern Avenue
St. Charles, IL 60174
(630) 762-4450
P/N: M053-xxx-x001 (630) 762-4444 fax Page 15 of 20
2.6.6 Card Readers
Any input device with a Wiegand or Clock & Data bit stream can be used with the WRI. A
transaction must be a single bit stream of between 8 and 255 bits. Devices which output individual
characters/digits are not acceptable.
The WRI provides two Card Reader interfaces. These interfaces are in parallel (but buffered for
CMOS compatibility). The second reader interface is intended to be used with a Wiegand output
keypad for card and PIN operation. Wiring either of the Card Readers is optional based on the WRI
application.
Take the power requirements of the Card Readers into consideration when sizing the power supply for
the WRI and its peripherals (Section 2.6.1).
Connections for Card Reader 1 are shown in Table 2-6. Card Reader 2 connections are in Table 2-7.
Note that the LED control lines are actually the same signal but brought out to each connector for ease
of wiring. This means that that LED inputs on both readers will be driven identically.
Connect the shield of the Card Reader 1 cable to the WRI J4-4 terminal (GND). Connect the shield of
the Card Reader 2 cable to the WRI J5-4 terminal (GND). Do not connect the cable shield at the Card
Readers/Keypad (Figure 2-7).
CLK/D1 J4-1
DATA/D0 J4-2
Card Reader inputs, each input line has a 3.3k pull up resistor
to 5V, and a 12V transient suppressor to GND.
12VDC+ J4-3
GND J4-4
Reader power supply output. The WRI PC board routes its own
power supply input to these terminals, so the readers see the
same supply as the WRI. If other than 12 VDC is required for
the input device, then a separate input device power supply
must be used. Make certain that a common ground connection
is established between the input device’s power supply and the
WRI.
GRN_LED J4-5
Green LED signal line. This signal goes to ground through
100ohm when activated. When deactivated, it is pulled up to
+5V through 1.1kohm.
CARD
READER 1
RED_LED J4-6
Red LED signal line. Same functionality as GRN line, except
RED.
Table 2-6 – Card Reader 1 Connections
CLK/D1 J5-1
DATA/D0 J5-2
Card Reader inputs, each input line has a 3.3k pull up resistor
to 5V, and a 12V transient suppressor to GND.
12VDC+ J5-3
GND J5-4
Reader power supply output. The WRI PC board routes its own
power supply input to these terminals, so the readers see the
same supply as the WRI If other than 12 VDC is required for
the input device, then a separate input device power supply
must be used. Make certain that a common ground connection
is established between the input device’s power supply and the
WRI.
GRN_LED J5-5
Green LED signal line. This signal goes to ground through
100ohm when activated. When deactivated, it is pulled up to
+5V through 1.1kohm.
CARD
READER 2
RED_LED J5-6
Red LED signal line. Same functionality as GRN line, except
RED.
Table 2-7 – Card Reader 2 Connections

3820 Stern Avenue
St. Charles, IL 60174
(630) 762-4450
P/N: M053-xxx-x001 (630) 762-4444 fax Page 16 of 20

3820 Stern Avenue
St. Charles, IL 60174
(630) 762-4450
P/N: M053-xxx-x001 (630) 762-4444 fax Page 17 of 20
3. WRI Cable/Wire Specifications
Application Part Number AWG Description Maximum
Distance
DC Power
Input Belden 8760 18 2 conductor 1,000’
RS485 Belden 9842
or 9841 24 3 conductor
shielded 1,000’
Tamper Belden 8760 18 twisted pair
shielded 2,000’
Request to
Enter Belden 8760 18 twisted pair
shielded 2,000’
Request to
Exit Belden 8760 18 twisted pair
shielded 2,000’
Strike
Relay Output Belden 8760 18 twisted pair
shielded 2,000’
Auxiliary
Relay Output Belden 8760 18 twisted pair
shielded 2,000’
Card
Reader 1 Alpha 1296C 22 6 conductor
shielded 500’
Card
Reader 2 Alpha 1296C 22 6 conductor
shielded 500’
Table 3-1 – WRI Cable/Wire Specifications
This completes the installation of the WRI.
If the Wyreless Panel Interface Module (WPIM) that will control this WRI is not installed,
now is the time to install it, please refer to the “PIM Installation Instruction” manual.
If the WPIM is installed, then you are ready to configure your Wyreless Access System,
please refer to the “Configuring & Operating a Wyreless Access System” manual.

3820 Stern Avenue
St. Charles, IL 60174
(630) 762-4450
P/N: M053-xxx-x001 (630) 762-4444 fax Page 18 of 20
4. Contacting Recognition Source
For questions regarding Wyreless Access™:
(630) 762-4450
(630) 762-4444 fax

3820 Stern Avenue
St. Charles, IL 60174
(630) 762-4450
P/N: M053-xxx-x001 (630) 762-4444 fax Page 19 of 20
5. FCC/UL Compliance & Warnings
5.1 FCC Compliance
• This device has been authorized by the FCC Rules and Industry Canada.
• This device complies with the limits for a Class B digital device and a Class B intentional radiator,
pursuant to Part 15 of the FCC Rules and with RSS-210 of Industry Canada. Operation is subject to
the following two conditions: (1) This device may cause harmful interference, and (2) this device
must accept any interference received, including interference that may cause undesired operation.
• The Wyreless Access System Component must be installed by qualified professionals or contractors
in accordance with FCC part 15.203, Antenna Requirements.
• Do not use any antenna other than the one provided with the unit.
5.2 UL Compliance
• The Wireless Reader Interface (WRI) is listed under UL294 as an access control system accessory.
• Access equipment manufactured and/or sold by Recognition Source, LLC, is not rated for, or
intended for use in life safety installations.
• UL listed panic hardware shall be used to allow emergency exit from the protected area.
• UL listed compatible readers: HID, Model PROXPOINT.
• Suitable for outdoor use, ambient temperature: -35oC to +66oC (-31oF to +151oF)
• Use Recognition Source Power Supply, model PS-12VDCR-500mA UL listed class 2 power supply.
5.3 Warnings
• RF Exposure - To comply with FCC RF exposure requirements for mobile transmitting devices this
transmitter should only be used or installed at locations where there is normally at least a 20 cm
separation between the antenna and all persons.
• Do not co-locate and operate in conjunction with any other antenna or transmitter.
• Changes or modifications not expressly approved by Recognition Source could void the users
authority to operate the equipment.

3820 Stern Avenue
St. Charles, IL 60174
(630) 762-4450
P/N: M053-xxx-x001 (630) 762-4444 fax Page 20 of 20
6. Revision History
Version Date Changes
X001 11/24/03 preliminary in house release for comments