Recognition Source IRL2001 Modular integrated reader/lock User Manual QUICK START GUIDE
Recognition Source, LLC Modular integrated reader/lock QUICK START GUIDE
Contents
- 1. Manual
- 2. Users manual
- 3. WISI manual
- 4. WPR manual
- 5. Operational Manual
Operational Manual

P
P
PR
R
RE
E
EL
L
LI
I
IM
M
MI
I
IN
N
NA
A
AR
R
RY
Y
Y
CONFIGURING & OPERATING INSTRUCTIONS
WYRELESS ACCESS™
SYSTEM
(WAS)
3820 Stern Avenue
St. Charles, IL 60174
Phone: 630-762-4450
Fax: 630-762-4455
P/N: M053-xxx-x001.1

3820 Stern Avenue
St. Charles, IL 60174
(630) 762-4450
P/N: M053-xxx-x001.1 (630) 762-4444 fax Page 2 of 44
CONFIGURING & OPERATING
INSTRUCTIONS
NOTE: This manual is intended to be used after the Wyreless Access™ Modules have been installed. Each
Wyreless Access™ module has its own installation manual. Use this manual to configure and operate your
system.
TABLE OF CONTENTS
1. Wyreless Access™ System (WAS)......................................................................................................................4
2. Panel Interface Module (PIM)............................................................................................................................5
2.1 How to determine the version of PIM PCB ...................................................................................................6
2.2 The PIM Indicators........................................................................................................................................9
2.3 How to Set an RF Channel ..........................................................................................................................10
2.4 Putting the PIM into Link Mode..................................................................................................................10
2.5 What Happens if the PIM Loses DC Power ................................................................................................10
2.6 Using the PIM Reset Switch........................................................................................................................11
2.7 PIM Tamper Switch Operation....................................................................................................................11
2.8 Using the PIM Programming Connector .....................................................................................................11
3. Panel Interface Module Expander (PIME) .....................................................................................................12
4. Modular Integrated Reader Lock (MIRL)......................................................................................................13
4.1 The MIRL Audio/Visual Indicators.............................................................................................................13
4.2 Linking the MIRL to a WPIM .....................................................................................................................14
4.3 Testing the MIRL ........................................................................................................................................16
4.4 Installing/Replacing the MIRL Battery Pack...............................................................................................16
4.5 Battery Override ..........................................................................................................................................17
4.6 Re-linking an MIRL and WPIM..................................................................................................................17
4.7 Changing the RF Channel............................................................................................................................17
5. Wireless Reader Interface (WRI).....................................................................................................................18
5.1 The WRI Visual Indicators ..........................................................................................................................19
5.2 Linking to the WPIM by Powering or Resetting the WRI...........................................................................20
5.3 Testing the WRI...........................................................................................................................................20
5.4 Re-linking a WRI and WPIM ......................................................................................................................21
5.5 Changing the RF Channel............................................................................................................................21
6. Wireless Integrated Strike Interface (WISI)...................................................................................................22
6.1 The WISI Audio/Visual Indicators ..............................................................................................................23
6.2 Linking to the WPIM by Powering the WISI ..............................................................................................23
6.3 Testing the WISI..........................................................................................................................................24

3820 Stern Avenue
St. Charles, IL 60174
(630) 762-4450
P/N: M053-xxx-x001.1 (630) 762-4444 fax Page 3 of 44
6.4 Replacing the WISI Battery Pack, BP12V-001 ...........................................................................................24
6.5 Battery Override ..........................................................................................................................................25
6.6 Re-linking an WISI and WPIM ...................................................................................................................25
6.7 Changing the RF Channel............................................................................................................................25
7. Wireless Universal Strike Interface (WUSI) ...................................................................................................27
7.1 The WUSI Visual Indicators........................................................................................................................28
7.2 Linking to the WPIM by Powering the WUSI.............................................................................................28
7.3 Testing the WUSI ........................................................................................................................................29
7.4 Re-linking a WUSI and WPIM....................................................................................................................30
7.5 Changing the RF Channel............................................................................................................................30
8. Wireless Portable Reader (WPR).....................................................................................................................31
8.1 The WPR Audio/Visual Indicators..............................................................................................................32
8.2 Turning the WPR On...................................................................................................................................32
8.3 Linking or Re-Linking to the WPIM by Powering the WPR.......................................................................32
8.4 Testing the WPR..........................................................................................................................................33
8.5 Replacing the WPR Battery Pack, BP12V-001 ...........................................................................................34
8.6 Changing the RF Channel............................................................................................................................35
9. Wireless Contact Monitor (WCM)...................................................................................................................36
9.1 The WCM Visual Indicators........................................................................................................................37
9.2 Linking to the WPIM by Resetting the WCM .............................................................................................37
9.3 Replacing the WCM Battery Pack, BP12V-001..........................................................................................38
9.4 Re-linking an WCM and WPIM..................................................................................................................39
9.5 Changing the RF Channel............................................................................................................................39
10. Other Important Information.......................................................................................................................40
10.1 Knowing When to Change the RF Channel.............................................................................................40
10.2 Configuring the Wyreless AccessTM System ...........................................................................................40
10.3 Extended Unlock .....................................................................................................................................40
10.4 Why Swipe a Card When the Power Is Disconnected? ...........................................................................41
11. Contacting Recognition Source ....................................................................................................................42
12. FCC Compliance & Warnings......................................................................................................................43
12.1 FCC Compliance .....................................................................................................................................43
12.2 Warnings..................................................................................................................................................43
13. Revision History.............................................................................................................................................44

3820 Stern Avenue
St. Charles, IL 60174
(630) 762-4450
P/N: M053-xxx-x001.1 (630) 762-4444 fax Page 4 of 44
1. Wyreless Access™ System (WAS)
Every access control system that uses Wyreless AccessTM contains two different types of modules (Figure
1-1):
• at least one Wyreless Panel Interface Module (WPIM), and
• at least one Wyreless Access Point Module (WAPM)
Figure 1-1 – Wyreless Access System Block Diagram
Recognition Source’s product line contains several different expressions of each module (Table 1-1).
Wyreless Access™ Module Manual
Name Acronym Type Section Page
Panel Interface Module PIM WPIM 2 5
Panel Interface Module Expander PIME WPIM 3 12
Modular Integrated Reader Lock MIRL WAPM 4 13
Wireless Reader Interface WRI WAPM 5 18
Wireless Integrated Strike Interface* WISI WAPM 6 22
Wireless Universal Strike Interface WUSI WAPM 7 27
Wireless Portable Reader* WPR WAPM 8 31
Wireless Contact Monitor* WCM WAPM 9 36
*Not evaluated by UL.
Table 1-1 – Recognition Source Wyreless Access™ Product Line
The WPIM is wired to the access control panel and ideally is installed very close to the access control panel.
The WPIMs installation location is determined by the location of the WAPMs with which it will
communicate using RF.
The WAPM is installed at the access point where access will be controlled and/or monitored. Depending on
the application and which WAPM is used, some wiring at the access control point may be required.
Regardless of which WPIM or WAPM module is used, the communication link between the WPIM and
WAPM is always RF.
This manual describes the configuration and operation of all the WPIMs and WAPMs in the Recognition
Source Wyreless Access™ Product Line.

3820 Stern Avenue
St. Charles, IL 60174
(630) 762-4450
P/N: M053-xxx-x001.1 (630) 762-4444 fax Page 5 of 44
2. Panel Interface Module (PIM)
The Panel Interface Module (PIM) is a product in the Recognition Source’s Wyreless Panel Interface Module
(WPIM) category. The PIM is the wireless interface to an access control panel. Table 2-1 & Table 2-2 show
all the PIM sales models and their major specifications.
Sales
Model PIM-OTD
Closed
Enclosure
Opened
Enclosure
Extender PIME-OTD
Antenna
internal “c”
or
remote
(ANT-REMOTE)
(ANT-6DB-FLAT)
Table 2-1 – PIM Enclosure Variations

3820 Stern Avenue
St. Charles, IL 60174
(630) 762-4450
P/N: M053-xxx-x001.1 (630) 762-4444 fax Page 6 of 44
MODEL ENCLOSURE
MAXIMUM
NUMBER
OF WAPMs
LOCATION ACCESS CONTROL PANEL
INTERFACE/DESCRIPTION
PIM-OTD plastic 2 indoor
Magnetic (clock & data) or
Wiegand (data1/data0)
PIM-OTD-485 plastic 16 indoor RS485
PIME-OTD n/a 2 indoor
Magnetic (clock & data) or
Wiegand (data1/data0)
ANT-REMOTE plastic n/a indoor
outdoor
Optional remote omni-directional
antenna (0 DB gain)
ANT-6DB-PANEL plastic n/a indoor
outdoor
Optional remote directional panel
antenna (6 DB gain)
Table 2-2- PIM Sales Model Table
2.1 How to determine the version of PIM PCB
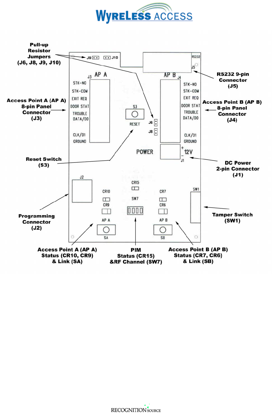
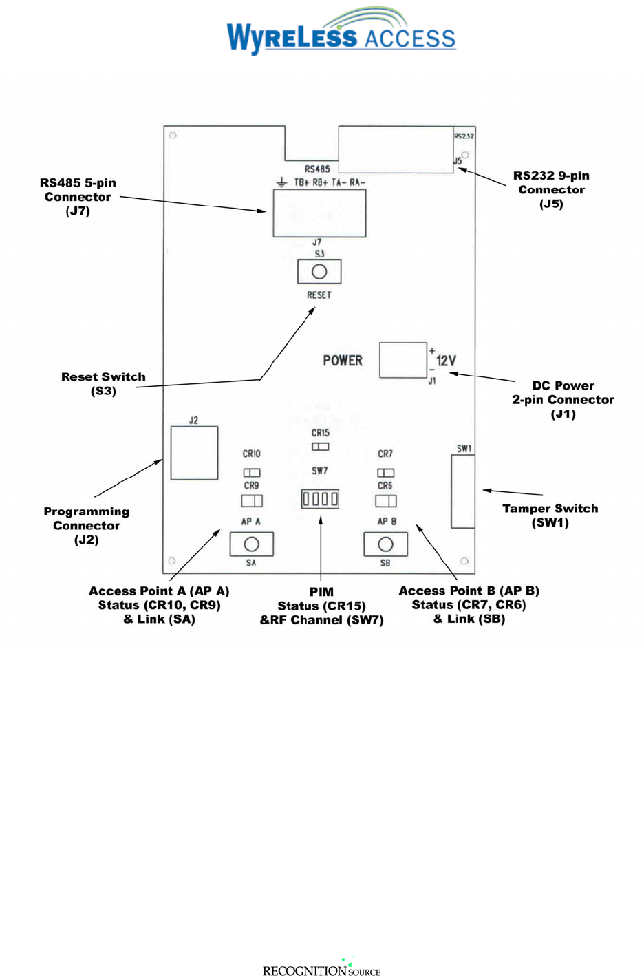
There are two versions of the PIM printed circuit board (PCB): RS232 (Figure 2-1) and RS485 (Figure
2-2).
The version of PIM PCB being installed can be identified by observing which connectors are installed on
the PCB. Compare the board being installed to Figure 2-1 and Figure 2-2.
2.1.1 RS232 PIM PCB (Figure 2-1)
If the RS232, 9-pin connector, J5, is installed and the RS485, 5-pin terminal block, J7, is missing then
it is a RS232 PIM PCB
2.1.2 RS485 PIM PCB (Figure 2-2)
The RS485 PIM PCB can be uniquely identified in one of two ways:
• If the RS232, 9-pin connector, J5, is installed and the RS485, 5-pin terminal block, J7, is
installed it is a RS485 PIM PCB
• If the Access Point A, 8-pin panel connector, J3 and the Access Point B, 8-pin panel
connector, J4, are missing it is a RS485 PIM PCB

3820 Stern Avenue
St. Charles, IL 60174
(630) 762-4450
P/N: M053-xxx-x001.1 (630) 762-4444 fax Page 7 of 44
Figure 2-1 – RS232 PIM & PIME Printed Circuit Board (PCB)

3820 Stern Avenue
St. Charles, IL 60174
(630) 762-4450
P/N: M053-xxx-x001.1 (630) 762-4444 fax Page 8 of 44
Figure 2-2 – RS485 PIM & PIME Printed Circuit Board (PCB)

3820 Stern Avenue
St. Charles, IL 60174
(630) 762-4450
P/N: M053-xxx-x001.1 (630) 762-4444 fax Page 9 of 44
2.2 The PIM Indicators
There are five LEDs on the PIM PCB: CR15 (green), CR7 and CR10 (red), CR6 and CR9 (green and
red). These LEDs indicate the current status of the PIM (Table 2-3) and the WAPMs linked to it.
LED Indication
Condition CR 15
(green)
CR7, 10
(red)
CR6, 9
(green – red)
Tamper On
(Door Open) blinking NA green
1
Normal operation,
PIM is powered &
the microprocessor
is running Tamper Off on NA green
2 PIM is not powered or PIM is defective off NA NA
WAPM Trouble: Low Battery 1 blink
WAPM Trouble: No Communication 2 blinks
WAPM Trouble: Reader Tamper 3 blinks
3
WAPM Trouble: Lock Motor Stall
on
4 blinks
NA
4 Link Access Point A blinking NA CR9 flash green & red
5 Link Access Point B blinking NA CR6 flash green & red
6 Packet-Error-Rate test during linking blinking NA
Green flash on every
good transmission-
Red flash on any bad
transmission. Goes on
for about 20 seconds.
7 PIM Transmitting a Message blinking NA 1 red flash per
transmission
8 PIM Receiving a Message blinking NA blinks off momentarily
Table 2-3 – PIM LED Indicators

3820 Stern Avenue
St. Charles, IL 60174
(630) 762-4450
P/N: M053-xxx-x001.1 (630) 762-4444 fax Page 10 of 44
2.3 How to Set an RF Channel
One of fifteen RF channels can be set using DIP switch SW7 on the PIM (Figure 2-1 or Figure 2-2).
Table 2-4 shows how to set SW7 to select the desired RF channel:
Channel Switch 1 Switch 2 Switch 3 Switch 4
1 up up up up
1 up up up down
2 up up down up
3 up up down down
4 up down up up
5 up down up down
6 up down down up
7 up down down down
8 down up up up
9 down up up down
10 down up down up
11 down up down down
12 down down up up
13 down down up down
14 down down down up
15 down down down down
Table 2-4 – DIP Switch Setting to Select the RF Channel
NOTE: The first two switch settings select Channel 1.
When the PIM is wired to the panel, power is applied, and the RF
Channel is set, the PIM is ready to enter Link Mode.
2.4 Putting the PIM into Link Mode
The Link Mode allows 2 WAPMs to be linked to a PIM.
Only one WAPM can be linked at a time.
2.4.1 Once the RF Channel has been set (Section 2.3) on the PIM, press and release switch S1 to link
Access Point A (AP A) or switch S2 to link Access Point B (AP B).
2.4.2 The corresponding PIM LED (CR9 for S1; CR6 for S2) flashes red and green. This indicates that the
PIM is in Link Mode. To abort Link Mode, press the same switch again.
When the PIM is powered, the RF Channel is set, and the PIM is in
Link Mode, the system is ready for the WAPM to initiate linking.
Now, proceed to the appropriate section of this manual to link the
desired WAPM to this PIM.
2.5 What Happens if the PIM Loses DC Power
All of the configuration and linking information is stored in non-volatile memory in the PIM. Therefore if
PIM DC power is lost or cycled, upon restoring DC power, the PIM will continue operation with the
same configuration and linking information. There is no need to re-configure or re-link.

3820 Stern Avenue
St. Charles, IL 60174
(630) 762-4450
P/N: M053-xxx-x001.1 (630) 762-4444 fax Page 11 of 44
2.6 Using the PIM Reset Switch
The Reset Switch, S3 (Figure 2-1 or Figure 2-2), is used if the PIM does not seem to be working properly.
Pressing the Reset Switch has the same effect as cycling DC power to the PIM.
2.7 PIM Tamper Switch Operation
The PIM Tamper Switch, SW1 (Figure 2-1 or Figure 2-2), senses if the PIM enclosure door is open or
closed.
PIM Enclosure
Door
PIM LED
CR15
PIM
Access Point A
Trouble Signal*
PIM
Access Point B
Trouble Signal*
Extended Unlock for
Access Point A
&
Access Point B
closed
(i.e. no tamper) constant green inactive inactive works if enabled
open
(i.e. tamper) blinking green active active does not work even if enabled
*this assumes that no other trouble is present from either Access Point
Table 2-5 – PIM Tamper Switch Operation
The Trouble signal is asserted (activated) for both PIM Access Points when a PIM enclosure door is
opened. Any PIM enclosure door opening, even if for maintenance, is considered a tamper condition.
When the PIM enclosure door is open the Extended Unlock feature (section 10.3) will not work (i.e.
temporarily disabled) even if the feature is configured to be enabled under normal operation (i.e. no PIM
tamper). This was done to makes system testing, maintenance, and commissioning easier.
2.8 Using the PIM Programming Connector
The PIM Programming Connector, J2 (Figure 2-1 or Figure 2-2) is used to install a new version of the
PIM firmware into the PIM. If a new firmware version is required, please refer to the “Wyreless
Access™ System Firmware Programming” manual for further details.

3820 Stern Avenue
St. Charles, IL 60174
(630) 762-4450
P/N: M053-xxx-x001.1 (630) 762-4444 fax Page 12 of 44
3. Panel Interface Module Expander (PIME)
The Panel Interface Module Expander (PIME) is a product in the Recognition Source’s Wyreless Panel
Interface Module (WPIM) category. The PIME installs in a PIM-OTD enclosure and provides the ability to
interface 1 to 16 additional Wyreless Access Point Modules (WAPM) to an Access Control Panel.
Figure 3-1 shows the PIM-OTD enclosure with PIME-OTD installed.
Figure 3-1 – PIME-OTD PCB Location in a PIM-OTD
Since configuration and operation of a PIME-OTD is identical to a PIM-OTD use Section 2 and replace PIM
with PIME where ever found.

3820 Stern Avenue
St. Charles, IL 60174
(630) 762-4450
P/N: M053-xxx-x001.1 (630) 762-4444 fax Page 13 of 44
4. Modular Integrated Reader Lock (MIRL)
The Modular Integrated Reader Lock (MIRL) is a product in the Recognition Source’s Wyreless Access
Point Module (WAPM) category.
Figure 4-1 – MIRL Locked Side (Outside)
Figure 4-2 – MIRL Unlocked Side (Inside)
4.1 The MIRL Audio/Visual Indicators
Action LED Indications MIRL
Sounder
1 MIRL is powered and then displays
software version number X red flashes then Y green flashes* none
2a MIRL Relocks (motor runs) 1 red flash 1 beep
2b
If linking, MIRL sends a link request
(up to 3 times per RF channel)
looking for a WPIM in link mode
1 green flash;
then 1 red flash
once for each link request sent
none
2c
If linking, MIRL & WPIM do an
Packet-Error-Rate test for about 20
seconds
flashes for each RF transmission:
green flash for a good transmission
red flash for a bad transmission
none
2d
If linking, MIRL linked successfully
and indicates the RF Channel on
which it linked
Z green flashes* Z beeps*
2e Or if linking, MIRL not linked
successfully 2 red flashes 1 long beep
3 Card swiped and not read none none
4 Card swiped and read none 1 beep
5 No communications with card swipe 1 red flash – immediate none
6 Access denied 2 red flashes – delayed about 1-15
seconds 1 beep
7 Access granted, MIRL unlocks
(motor runs) 1 green flash none
8 MIRL Relocks (motor runs) 1 red flash 1 beep
* X = major software version number (any number is possible)
Y = minor software version number (any number is possible)
Z = RF channel number that the MIRL linked on (1-15)
Table 4-1 – MIRL Indicators

3820 Stern Avenue
St. Charles, IL 60174
(630) 762-4450
P/N: M053-xxx-x001.1 (630) 762-4444 fax Page 14 of 44
4.2 Linking the MIRL to a WPIM
NOTE: Only one MIRL can be linked at a time.
4.2.1 If the MIRL does not have a Battery Pack installed, install one now (section 4.4).
4.2.2 Make certain that the WPIM to be linked to is in the Link Mode (Section 2.4).
4.2.3 To initiate the linking process:
4.2.3.1 Open the door.
4.2.3.2 Activate and hold down the inside lever to create a Request to Exit Condition.
4.2.3.3 While holding down the lever (Request to Exit), present a card to the card reader.
4.2.3.4 Continue to hold down the lever (Request to Exit) until the MIRL LED’s start to blink indicating
that the link process has begun (approximately 8 seconds), then release the lever.
4.2.3.5 Close the door.
4.2.4 During linking, the WPIMs LED (CR6 or CR9, depending on the door (IRL) being linked) and the
MIRL LED blink green (some intermittent red may be seen) for about 20 seconds while the MIRL &
WPIM determine the integrity of the selected RF channel.
4.2.5 If the MIRL & WPIM determine that the RF channel can be used, then the linking is completed
successfully and the WPIMs LED (CR6 or CR9, whichever was flashing) turns solid green. The
MIRL LED then blinks green and the sounder beeps. The number of green blinks and beeps indicates
the linked RF channel number. If this occurs go to the next step, section 4.2.6.
If the MIRL & WPIM determine that the RF signal quality is not acceptable then the link fails and the
MIRL LED blinks red twice and the sounder beeps once (Table 4-1). The WPIM will stay in the Link
Mode and the WPIM LED (CR6 or CR9) returns to alternating green and red. If this happens, move
either the PIM, or change RF channels and try the link process again (Section 4.2).
4.2.6 The MIRL is now ready to be tested for normal operation.

3820 Stern Avenue
St. Charles, IL 60174
(630) 762-4450
P/N: M053-xxx-x001.1 (630) 762-4444 fax Page 15 of 44
Figure 4-3 – MIRL Transceiver Cover
Figure 4-4 – MIRL Battery Pack Removal/Installation
Figure 4-5 – MIRL Battery Pack

3820 Stern Avenue
St. Charles, IL 60174
(630) 762-4450
P/N: M053-xxx-x001.1 (630) 762-4444 fax Page 16 of 44
4.3 Testing the MIRL
4.3.1 Proximity Card Reader Models
4.3.1.1 Place the card flat to and within one-quarter inch of the upper part of the Proximity Reader
(Figure 4-6). The reader sounder beeps.
Figure 4-6 - Presenting a Proximity Card
4.3.1.2 The green LED flashes and the lock will unlock.
4.3.1.3 Turn the Lever and open the door.
4.3.1.4 Shortly after the green flash, there is a red flash and sounder beep signifying relock.
4.3.2 Indication of an Unsuccessful Card Swipe
The best indication of an unsuccessful valid card swipe is when the MIRL’s internal sounder does not
beep, indicating that the card was not read.
If an invalid card is swiped, the MIRL’s red LED flashes twice and the internal sounder beeps once.
In both cases the MIRL remains locked.
4.4 Installing/Replacing the MIRL Battery Pack
NOTE: If you want to re-link when changing the MIRL Battery Pack, follow the procedure in section
4.2, page 14.
Approximately one month prior the end of the MIRL Elite Battery Pack life, a Low Battery Trouble
signal is indicated at the WPIM (Table 2-3) and a Trouble signal will be sent to the access control panel.
To install or replace the MIRL Elite Battery Pack, remove the MIRL Transceiver Cover (Figure 4-3). IF
replacing, disconnect the old MIRL Battery Pack. If installed, remove the Battery Bracket. If replacing,
remove the old Battery Pack (Figure 4-4). Install the new Battery Pack, install the Battery Bracket, and
connect the Battery Pack (Figure 4-5). Install the MIRL Transceiver Cover (Figure 4-3). Depending on
how long the Battery Pack was disconnected, the MIRL may or may not go through its power-up
sequence. In either case the MIRL will stay linked to its WPIM. There is no need to re-link.
NOTE: No other WPIM can be in Link Mode during this process.

3820 Stern Avenue
St. Charles, IL 60174
(630) 762-4450
P/N: M053-xxx-x001.1 (630) 762-4444 fax Page 17 of 44
4.5 Battery Override
If the MIRL Battery Pack fails, a standard 9.0V battery, 522 or equivalent, may be used together with a
Battery Override Supply Cable (9VBOC) to power the MIRL so the door can be opened with a valid card.
The Battery Override Cable plugs to the Battery Override Connector found on the lower part Card Reader
Base Plate after removing the Card Reader Cover (Figure 4-7).
NOTE: If the Card Reader Base Plate has a Tamper Switch that is activated when the Reader Cover is
removed, then the Card Reader is disabled. Tamper Switch must be manually held closed (simulating
the cover being installed) for the Card Reader to operate.
Figure 4-7 – MIRL Battery Override
4.6 Re-linking an MIRL and WPIM
To re-link a MIRL and WPIM, follow the instructions in Section 4.2.
4.7 Changing the RF Channel
At the WPIM, change DIP switch SW7 to the desired new RF channel (Section 2.3), place the PIM in
Link Mode (see Section 2.4), then re-link the desired MIRL (Section 4.6).
NOTE: The WPIMs RF channel DIP switch (SW7) is read when the WPIM enters the Link Mode.
If the DIP switch is changed while the WPIM is in the Link Mode, then the WPIM must be taken
out of Link Mode and put back into Link Mode for the new RF channel to be selected. The WPIM
is taken out of Link Mode by pressing the switch associated with the Access Point that is in the Link
Mode (S1 or S2).
NOTE: Changing the RF channel will require all WAPMs linked to the PIM to be re-linked.

3820 Stern Avenue
St. Charles, IL 60174
(630) 762-4450
P/N: M053-xxx-x001.1 (630) 762-4444 fax Page 18 of 44
5. Wireless Reader Interface (WRI)
The Wireless Reader Interface (WRI) is a product in the Recognition Source’s Wyreless Access Point
Module (WAPM) category.
Figure 5-1 – Front of the WRI
Figure 5-2 – Inside the WRI
Figure 5-3 – WRI Printed Circuit Board (PCB)

3820 Stern Avenue
St. Charles, IL 60174
(630) 762-4450
P/N: M053-xxx-x001.1 (630) 762-4444 fax Page 19 of 44
5.1 The WRI Visual Indicators
There are two LEDs on the WRI PCB: a red Power LED (LED1, Figure 5-3) and a green/red State LED
(LED2, Figure 5-3). These LEDs indicate the current status of the WRI (Table 5-1).
LED Indication
Condition LED1
(green)
LED2
(green – red)
Tamper On
(WRI door open
or external
tamper)
blinking off
1
Normal operation,
WRI is powered &
the microprocessor
is running Tamper Off on off
2 PIM is not powered or PIM is defective off NA
3 WRI is powered and then displays
software version number on X red flashes then Y green flashes*
4
WRI sends a link request (up to 3 times
per RF channel) looking for a WPIM in
link mode
on 1 green flash; then 1 red flash once for
each link request sent
4a
If linking, WRI & WPIM do an
Packet-Error-Rate test for about 20
seconds
on
flashes for each RF transmission: green
flash for a good transmission, red flash
for a bad transmission
4b
If linking, WRI linked successfully and
indicates the RF Channel on which it
linked
on Z green flashes*
4c Or, if linking, WRI not linked successfully on 2 red flashes
5 Card swiped and not read blinking off
6 Card swiped and read blinking off
7 No communications with card swipe blinking 1 red flash – immediate
8 Access denied blinking 2 red flashes – delayed about 1-15
seconds
9 Access granted, WRI activates Strike &
Auxiliary Relays blinking green stays on as long as the Strike Relay
is activated
* X = major software version number (any number is possible)
Y = minor software version number (any number is possible)
Z = RF channel number that the WRI linked on (1-15)
Table 5-1 – WRI LED Indicators

3820 Stern Avenue
St. Charles, IL 60174
(630) 762-4450
P/N: M053-xxx-x001.1 (630) 762-4444 fax Page 20 of 44
5.2 Linking to the WPIM by Powering or Resetting the WRI
NOTE: Only one WRI can be linked at a time.
5.2.1 Make certain that that WPIM to be linked to is in the Link Mode (Section 2.4).
5.2.2 Reset the WRI by either cycling the WRI power (J3, Figure 5-3) or by pressing and releasing the WRI
Reset Switch (S1, Figure 5-3). After displaying the firmware version number on LED2, the WRI
attempts to link with a WPIM.
5.2.3 During linking, the WPIMs LED (CR6 or CR9, depending on the portal (WRI) being linked) blinks
green (some intermittent red may be seen) and the WRI LED2 blinks green (some intermittent red
may be seen) for about 20 seconds while the WRI & WPIM determine the integrity of the selected RF
channel.
5.2.4 If the WRI & WPIM determine that the RF channel can be used, then the linking is completed
successfully and the WPIMs LED (CR6 or CR9, whichever was flashing) turns solid green. LED2 of
the WRI then blinks green. The number of green blinks indicates the linked RF channel number.
If the WRI & WPIM determine that the RF signal quality is not acceptable then the link fails and the
WPR LED2 blinks red twice (Table 5-1). The WPIM will stay in the Link Mode. If this happens,
move either the WRI, PIM, or change RF channels and try the link process again (Section 5.2.1).
5.2.5 Close and secure the WRI enclosure cover.
5.2.6 The WRI is now ready to be tested for normal operation.
5.3 Testing the WRI
If the WRI was installed with all of its peripherals then there are 8 tests that need to be run before
commissioning the WRI for operation. If a WRI peripheral was not installed, then that particular test can
be skipped.
5.3.1 Tamper Switch
The WRI Tamper Switch (SW1, Figure 5-3) monitors the WRI enclosure door position. If the WRI
enclosure door is open a tamper condition is generated. To test the operation of this switch, open the
WRI enclosure door, if an External Tamper is wired, make certain the circuit is open or remove the
Tamper Input (J2, Figure 5-3) connection, the WRI LED1 should be flashing green. Press SW1 using
a finger or non-conductive tool. The WRI LED1 should be a constant green for as long as the switch
is pressed.
If it was removed, remember to replace the Tamper Input (J2, Figure 5-3) connection.
NOTE: The External Tamper Input is wired in parallel with the WRI Tamper Switch (SW1), therefore
in order to test the WRI Tamper Switch (SW1), the Tamper Input (J3) must be in the non-Tamper
(pressed) state (i.e. open circuit).
5.3.2 External Tamper
Do this test if an external tamper switch is wired to the WRI Tamper Input (J2, Figure 5-3). Open the
WRI enclosure door. Press and hold SW1 using a finger or non-conductive tool. When the external
tamper switch is closed, the WRI LED1 should be flashing green. When the external tamper switch is
open, the WRI LED1 should be a constant green.
NOTE: The External Tamper Input is wired in parallel with the WRI Tamper Switch (SW1), therefore
in order to test the External Tamper, the WRI Tamper Switch must be in the non-Tamper (pressed)
state.

3820 Stern Avenue
St. Charles, IL 60174
(630) 762-4450
P/N: M053-xxx-x001.1 (630) 762-4444 fax Page 21 of 44
5.3.3 Request to Exit
Do this test if a Request to Exit device is wired to the WRI Portal Inputs (J7-3 & 4, Figure 5-3). Using
either the Recognition Source’s Configuration and Demonstration Tool (CDT) or the Access Control
Panel’s software (ACP Software), verify that activating the Request to Exit device causes a request to
exit to be sent to the CDT or ACP software. Also verify that the request to exit is removed when the
Request to Exit device goes inactive.
5.3.4 Door Position
Do this test if a Door Position device is wired to the WRI Portal Inputs (J7-5 & 6, Figure 5-3). Using
either the Recognition Source’s Configuration and Demonstration Tool (CDT) or the Access Control
Panel’s software (ACP Software), verify that the CDT or ACP software can monitor the door’s
position by opening and closing the door.
5.3.5 Strike Relay
Do this test if an electrical lock or load is connected to the Strike Portal Output (J8-1, 2, and/or 3,
Figure 5-3). Using either the Recognition Source’s Configuration and Demonstration Tool (CDT) or
the Access Control Panel’s software (ACP Software), verify that Strike Portal Output can control the
electrical lock or load.
5.3.6 Auxiliary Relay
Do this test if an electrical lock or load is connected to the Auxiliary Portal Output (J8-4, 5, and/or 6,
Figure 5-3). Using either the Recognition Source’s Configuration and Demonstration Tool (CDT) or
the Access Control Panel’s software (ACP Software), verify that Auxiliary Portal Output can control
the electrical lock or load.
5.3.7 Card Reader 1
Do this test if a card reader or keypad is connected to the Card Reader 1 (J4, Figure 5-3) connector.
Using either the Recognition Source’s Configuration and Demonstration Tool (CDT) or the Access
Control Panel’s software (ACP Software), verify that the card reader or keypad is sending the correct
data.
5.3.8 Card Reader 2
Do this test if a card reader or keypad is connected to the Card Reader 2 (J5, Figure 5-3) connector.
Using either the Recognition Source’s Configuration and Demonstration Tool (CDT) or the Access
Control Panel’s software (ACP Software), verify that the card reader or keypad is sending the correct
data.
5.4 Re-linking a WRI and WPIM
To re-link a WRI and WPIM, follow the instructions in Section 5.2.
5.5 Changing the RF Channel
At the WPIM, change DIP switch SW7 to the desired new RF channel (Section 2.3), place the WPIM in
Link Mode (see Section 2.4), then re-link the desired WRI (Section 5.2).
NOTE: The WPIMs RF channel DIP switch (SW7) is read when the WPIM enters the Link Mode.
If the DIP switch is changed while the WPIM is in the Link Mode, then the WPIM must be taken
out of Link Mode and put back into Link Mode for the new RF channel to be selected. The WPIM
is taken out of Link Mode by pressing the switch associated with the Access Point that is in the Link
Mode (S1 or S2).
NOTE: Changing the RF channel will require all WAPMs linked to the WPIM to be re-linked.

3820 Stern Avenue
St. Charles, IL 60174
(630) 762-4450
P/N: M053-xxx-x001.1 (630) 762-4444 fax Page 22 of 44
6. Wireless Integrated Strike Interface (WISI)
The Wireless Integrated Strike Interface (WISI) is a product in the Recognition Source’s Wyreless Access
Point Module (WAPM) category.
Figure 6-1 – WISI Components
Figure 6-2 – WISI Battery Pack
Figure 6-3 – Control Transceiver with Cover Removed

3820 Stern Avenue
St. Charles, IL 60174
(630) 762-4450
P/N: M053-xxx-x001.1 (630) 762-4444 fax Page 23 of 44
6.1 The WISI Audio/Visual Indicators
Action Card Reader LED Indication WISI
Sounder
1 WISI is powered and then displays
software version number X red flashes then Y green flashes* none
2a WISI Relocks (motor runs) 1 red flash 1 beep
2b
If linking, WISI sends a link request
(up to 3 times per RF channel)
looking for a WPIM in link mode
1 green flash;
then 1 red flash
once for each link request sent
none
2c
If linking, WISI & WPIM do an
Packet-Error-Rate test for about 20
seconds
flashes for each RF transmission:
green flash for a good transmission
red flash for a bad transmission
none
2d
If linking, WISI linked successfully
and indicates the RF Channel on
which it linked
Z green flashes* Z beeps*
2e Or if linking, WISI not linked
successfully 2 red flashes 1 long beep
3 Card swiped and not read none none
4 Card swiped and read none 1 beep
5 No communications with card swipe 1 red flash – immediate none
6 Access denied 2 red flashes – delayed about 1-15
second 1 beep
7 Access granted, WISI unlocks (motor
runs) 1 green flash none
8 WISI Relocks (motor runs) 1 red flash 1 beep
* X = major software version number (any number is possible)
Y = minor software version number (any number is possible)
Z = RF channel number that the WISI linked on (1-15)
Table 6-1 – WISI Indicators
6.2 Linking to the WPIM by Powering the WISI
NOTES: Only one WISI can be linked at a time.
The WISI Battery Pack must be installed before linking (Section 6.4).
6.2.1 Make certain that that WPIM to be linked to is in the Link Mode (Section 2.4).
6.2.2 If the WISI cover is installed, use a Phillips screwdriver to remove WISI cover. There are 4 cover
screws, one in each corner (Figure 6-3).
6.2.3 Find, press, and release the WISI Reset Switch located below and to the left side of J4 (Figure 6-3).
6.2.4 During linking, the WPIMs LED (CR6 or CR9, depending on the door (WISI) being linked) blinks
green (some intermittent red may be seen) and the WISI Card Reader LED blinks green (some
intermittent red may be seen) for about 20 seconds while the WISI & WPIM determine the integrity
of the selected RF channel.
6.2.5 If the WISI & WPIM determine that the RF channel can be used, then the linking is completed
successfully and the WPIMs LED (CR6 or CR9, whichever was flashing) turns solid green. The
WISI Card Reader LED then blinks green and the sounder beeps. The number of green blinks and
beeps indicates the linked RF channel number.
If the WISI & WPIM determine that the RF signal quality is not acceptable then the link fails and the
WISI LED blinks red twice and the sounder beeps once (Table 6-1). The WPIM will stay in the Link

3820 Stern Avenue
St. Charles, IL 60174
(630) 762-4450
P/N: M053-xxx-x001.1 (630) 762-4444 fax Page 24 of 44
Mode. If this happens, move either the WISI, PIM, or change RF channels and try the link process
again (Section 6.2.1).
6.2.6 Re-install the WISI cover, making certain that no wires are pinched. The cover should go on easy with
no interferences. Replace the 4 cover screws, one in each corner (Figure 6-1).
6.2.7 The WISI is now ready to be tested for normal operation.
6.3 Testing the WISI
NOTE: The WISI Card Reader will not work as long as the WISI Enclosure Cover
is removed (i.e. the WISI Card Reader will not work if there is a WISI Tamper).
6.3.1 Magnetic Stripe or Wiegand Card Reader Models
6.3.1.1 Insert the card and slide it down the slot keeping its back edge against the back of the reader’s
slot throughout the entire swipe. The reader sounder beeps.
6.3.1.2 The WISI Card Reader LED flashes green and the strike unlocks.
6.3.1.3 Shortly after the green flash, there is a red flash and sounder beep signifying relock.
6.3.2 Proximity Card Reader Models
6.3.2.1 Place the card flat to and within one-quarter inch of the upper part of the Proximity Reader. The
reader sounder beeps.
6.3.2.2 The WISI Card Reader LED flashes green and the strike unlocks.
6.3.2.3 Shortly after the green flash, there is a red flash and sounder beep signifying relock.
6.3.3 Indication of an Unsuccessful Card Swipe
The best indication of an unsuccessful valid card swipe is when the WISI’s internal sounder does not
beep, indicating that the card was not read.
If an invalid card is swiped, the WISI Card Reader LED flashes red twice and the internal sounder
beeps once.
In both cases the WISI’s strike remains locked.
6.4 Replacing the WISI Battery Pack, BP12V-001
Approximately one month prior the end of the WISI’s Battery Pack life, a Low Battery Trouble signal is
indicated at the WPIM (Table 6-1), a Trouble signal will be sent to the access control panel.
NOTE: Make certain no WPIMs are in the Link Mode when replacing the WISI Battery Pack or
the WISI may inadvertently link to the wrong WPIM.
6.4.1 Use a Phillips screwdriver to remove WISI cover. There are 4 cover screws, one in each corner
(Figure 6-3).
6.4.2 Locate the used Battery Pack (Figure 6-4), disconnect the used Battery Pack, and remove the used
Battery Pack from its Velcro Strips.

3820 Stern Avenue
St. Charles, IL 60174
(630) 762-4450
P/N: M053-xxx-x001.1 (630) 762-4444 fax Page 25 of 44
Figure 6-4 – Removing the Used Battery Pack
6.4.3 Install the Battery Pack into the Transceiver Control Module enclosure using the Velcro provided
AND connect the Battery Pack Connector to its mating connector that is factory connected to J4
(Figure 6-5).
Figure 6-5 – New Battery Pack Installed
6.4.4 To continue to use the WISI on the same RF channel and with the same WPIM, make certain that no
WPIMs are in the Link Mode, then press and release the WISI Reset Switch located below and to the
left side of J4 (Figure 6-5). This insures that the WISI has started properly. Re-install the WISI cover,
making certain that no wires are pinched. The cover should go on easy with no interferences. Replace
the 4 cover screws, one in each corner (Figure 6-1).
If the WPR needs to be re-linked or the RF channel needs to be changed, before re-installing the WISI
cover, follow the instructions in Section 6.2 or Section 6.7.
NOTE: No other WPIM can be in Link Mode during this process.
6.5 Battery Override
If the WISI Battery Pack fails, a standard 9.0V battery, 522 or equivalent, may be used together with a
Battery Override Supply Cable (9VBOC) to power the WISI so the door can be opened with a valid card.
The Battery Override Cable plugs to the Battery Override Connector found on the underside of the card
reader.
6.6 Re-linking an WISI and WPIM
To re-link a WISI and WPIM follow the instructions in Section 6.2.
6.7 Changing the RF Channel
At the WPIM, change DIP switch SW7 to the desired new RF channel (Section 2.3), place the PIM in
Link Mode (see Section 2.4), then re-link the desired WISI (Section 6.6).
NOTE: The WPIMs RF channel DIP switch (SW7) is read when the WPIM enters the Link Mode.
If the DIP switch is changed while the WPIM is in the Link Mode, then the WPIM must be taken
out of Link Mode and put back into Link Mode for the new RF channel to be selected. The WPIM

3820 Stern Avenue
St. Charles, IL 60174
(630) 762-4450
P/N: M053-xxx-x001.1 (630) 762-4444 fax Page 26 of 44
is taken out of Link Mode by pressing the switch associated with the Access Point that is in the Link
Mode (S1 or S2).
NOTE: Changing the RF channel will require all WAPMs linked to the PIM to be re-linked.

3820 Stern Avenue
St. Charles, IL 60174
(630) 762-4450
P/N: M053-xxx-x001.1 (630) 762-4444 fax Page 27 of 44
7. Wireless Universal Strike Interface (WUSI)
The Wireless Universal Strike Interface (WUSI) is a product in the Recognition Source’s Wyreless Access
Point Module (WAPM) category.
Figure 7-1 – Front of the WUSI
Figure 7-2 – Inside the WUSI
Figure 7-3 – WUSI Printed Circuit Board (PCB)

3820 Stern Avenue
St. Charles, IL 60174
(630) 762-4450
P/N: M053-xxx-x001.1 (630) 762-4444 fax Page 28 of 44
7.1 The WUSI Visual Indicators
Depending on how the Card Reader is interfaced to the WUSI, the LED on the Card Reader may display
some WUSI status conditions (Table 7-1).
Condition Card Reader LED
1 WUSI is powered and then displays
software version number Y green flashes*
2
WUSI sends a link request (up to 3 times
per RF channel) looking for a WPIM in
link mode
1 green flash each link request sent
3a
If linking, WUSI & WPIM do an
Packet-Error-Rate test for about 20
seconds
flashes for each RF transmission: green
flash for a good transmission, red flash
for a bad transmission
3b
If linking, WUSI linked successfully and
indicates the RF Channel on which it
linked
Z green flashes*
3c Or, if linking, WUSI not linked
successfully 2 red flashes
4 Card swiped and not read solid red
5 Card swiped and read red to green to red
6 No communications with card swipe red to green to red
7 Access denied red to green to red
8 Access granted, WUSI activates Strike &
Auxiliary Relays
green stays on as long as the Strike Relay
is activated
* Y = minor software version number (any number is possible)
Z = RF channel number that the WUSI linked on (1-15)
Table 7-1 – WUSI LED Indicators
7.2 Linking to the WPIM by Powering the WUSI
NOTE: Only one WUSI can be linked at a time.
7.2.1 Make certain that that WPIM to be linked to is in the Link Mode (Section 2.4).
7.2.2 Reset the WUSI by cycling the WUSI power (Figure 7-3). The WUSI attempts to link with a WPIM.
7.2.3 During linking, the WPIMs LED (CR6 or CR9, depending on the portal (WUSI) being linked) blinks
green (some intermittent red may be seen) and the WUSI Card Reader LED may blink green (some
intermittent red may be seen) for about 20 seconds while the WUSI & WPIM determine the integrity
of the selected RF channel.
7.2.4 If the WUSI & WPIM determine that the RF channel can be used, then the linking is completed
successfully and the WPIMs LED (CR6 or CR9, whichever was flashing) turns solid green. The
WUSI Card Reader LED may then blink green. The number of green blinks indicates the linked RF
channel number.
If the WUSI & WPIM determine that the RF signal quality is not acceptable then the link fails and the
WUSI Card Reader LED may blink red twice (Table 7-1). The WPIM will stay in the Link Mode. If

3820 Stern Avenue
St. Charles, IL 60174
(630) 762-4450
P/N: M053-xxx-x001.1 (630) 762-4444 fax Page 29 of 44
this happens, move either the WUSI, PIM, or change RF channels and try the link process again
(Section 7.2.1).
7.2.5 Close and secure the WUSI enclosure cover.
7.2.6 The WUSI is now ready to be tested for normal operation.
7.3 Testing the WUSI
If the WUSI was installed with all of its peripherals then there are 6 tests that need to be run before
commissioning the WUSI for operation. If a WUSI peripheral was not installed, then that particular test
can be skipped.
7.3.1 Tamper Switch
The WUSI Tamper Switch (Figure 7-3) monitors the WUSI enclosure cover position. If the WUSI
enclosure cover is open a tamper condition is generated. To test the operation of this switch, make
certain that the WUSI is linked to a PIM, open the WUSI enclosure cover, if an External Tamper is
wired, make certain the circuit is open or remove the Tamper Input (J2, Figure 7-3) connection, the
PIM’s Trouble LED (CR7 or CR10) should be flashing 3 red blinks. Install the WUSI cover. The
PIM’s Trouble LED (CR7 or CR10) should not be flashing 3 red blinks for as long as the WUSI’s
cover in installed. Note: The Trouble LED may be flashing other trouble codes, just make certain it is
not flashing the Tamper error code: 3 red blinks.
If it was removed, remember to replace the Tamper Input (Figure 7-3) connection.
NOTE: The External Tamper Input is wired in parallel with the WUSI Tamper Switch (SW1),
therefore in order to test the WUSI Tamper Switch, the Tamper Input must be in the non-Tamper
(pressed) state (i.e. open circuit).
7.3.2 External Tamper
Do this test if an external tamper switch is wired to the WUSI Tamper Input (Figure 7-3). Make
certain that the WUSI is linked to a PIM. Install the WUSI enclosure cover. When the external tamper
switch is closed, the PIM’s Trouble LED (CR7 or CR10) should be flashing 3 red blinks. When the
external tamper switch is open, the PIM’s Trouble LED (CR7 or CR10) should not be flashing 3 red
blinks for as long as the switch is pressed. Note: The Trouble LED may be flashing other trouble
codes, just make certain it is not flashing the Tamper error code: 3 red blinks.
NOTE: The External Tamper Input is wired in parallel with the WUSI Tamper Switch, therefore in
order to test the External Tamper, the WUSI Tamper Switch must be in the non-Tamper (pressed)
state.
7.3.3 Request to Exit
Do this test if a Request to Exit device is wired to the WUSI Portal Inputs (Figure 7-3). Using either
the Recognition Source’s Configuration and Demonstration Tool (CDT) or the Access Control
Panel’s software (ACP Software), verify that the activating the Request to Exit device causes a
request to exit to be sent to the CDT or ACP software. Also verify that the request to exit is removed
when the Request to Exit device goes inactive.
7.3.4 Door Position
Do this test if a Door Position device is wired to the WUSI Portal Inputs (Figure 7-3). Using either the
Recognition Source’s Configuration and Demonstration Tool (CDT) or the Access Control Panel’s
software (ACP Software), verify that the CDT or ACP software can monitor the door’s position by
opening and closing the door.
7.3.5 Strike Relay
Do this test if an electrical lock or load is connected to the Strike Portal Output (Figure 7-3). Using
either the Recognition Source’s Configuration and Demonstration Tool (CDT) or the Access Control

3820 Stern Avenue
St. Charles, IL 60174
(630) 762-4450
P/N: M053-xxx-x001.1 (630) 762-4444 fax Page 30 of 44
Panel’s software (ACP Software), verify that Strike Portal Output can control the electrical lock or
load.
7.3.6 Card Reader
Do this test if a card reader or keypad is connected to the Card Reader (Figure 7-3) connector. Using
either the Recognition Source’s Configuration and Demonstration Tool (CDT) or the Access Control
Panel’s software (ACP Software), verify that the card reader or keypad is sending the correct data.
7.4 Re-linking a WUSI and WPIM
To re-link a WUSI and WPIM, follow the instructions in Section 7.2.
7.5 Changing the RF Channel
At the WPIM, change DIP switch SW7 to the desired new RF channel (Section 2.3), place the WPIM in
Link Mode (see Section 2.4), then re-link the desired WUSI (Section 7.2).
NOTE: The WPIMs RF channel DIP switch (SW7) is read when the WPIM enters the Link Mode.
If the DIP switch is changed while the WPIM is in the Link Mode, then the WPIM must be taken
out of Link Mode and put back into Link Mode for the new RF channel to be selected. The WPIM
is taken out of Link Mode by pressing the switch associated with the Access Point that is in the Link
Mode (S1 or S2).
NOTE: Changing the RF channel will require all WAPMs linked to the WPIM to be re-linked.

3820 Stern Avenue
St. Charles, IL 60174
(630) 762-4450
P/N: M053-xxx-x001.1 (630) 762-4444 fax Page 31 of 44
8. Wireless Portable Reader (WPR)
The Wireless Portable Reader (WPR) is a product in the Recognition Source’s Wyreless Access Point
Module (WAPM) category.
Figure 8-1 – Wireless Portable Reader (WPR) with Proximity Reader

3820 Stern Avenue
St. Charles, IL 60174
(630) 762-4450
P/N: M053-xxx-x001.1 (630) 762-4444 fax Page 32 of 44
8.1 The WPR Audio/Visual Indicators
Action LED Indication WPR
Sounder
1 WPR is powered and then displays
software version number X red flashes then Y green flashes* none
2a
If linking, WPR sends a link request
(up to 3 times per RF channel)
looking for a WPIM in link mode
1 green flash;
then 1 red flash
once for each link request sent
none
2b
If linking, WPR & WPIM do an
Packet-Error-Rate test for about 20
seconds
flashes for each RF transmission:
green flash for a good transmission
red flash for a bad transmission
none
2c
If linking, WPR linked successfully
and indicates the RF Channel on
which it linked
Z green flashes* Z beeps*
2d Or if linking, WPR not linked
successfully 2 red flashes 1 long beep
3 Card swiped and not read none none
4 Card swiped and read none 1 beep
5 No communications 1 red flash – immediate none
6 Invalid card swiped 1 long red flash – delayed about 1-15
seconds 1 beep
7 Valid card swiped W seconds long green flash* none
8 Low WPR Battery 1 long red flash 3 beeps
* X = major software version number (any number is possible)
Y = minor software version number (any number is possible)
Z = RF channel number that the WPR linked on (1-15)
W = green LED stays on for the door unlock time
Table 8-1 – WPR Indicators
8.2 Turning the WPR On
The WPR is turned On & Off using the On/Off switch located on the WPR cover (Figure 8-1). When the
WPR is turned on, Action 1, Table 8-1 occurs. Actions 2a, 2b, 2c, and/or 2d will only occur if the WPR is
being linked (Section 8.3).
8.3 Linking or Re-Linking to the WPIM by Powering the WPR
NOTE: Only one WAPM can be linked at a time.
8.3.1 Make certain that that WPIM to be linked to is in the Link Mode (Section 2.4).
8.3.2 Make certain that the WPR is turned off using the On/Off switch (Figure 8-1).
8.3.3 With the WPR turned off, swipe or present a card at the WPR card reader (Figure 8-1) (Section 10.4).
8.3.4 Use the Phillips screwdriver to remove WPR cover. There are 4 cover screws, one in each corner
(Figure 8-1).

3820 Stern Avenue
St. Charles, IL 60174
(630) 762-4450
P/N: M053-xxx-x001.1 (630) 762-4444 fax Page 33 of 44
8.3.5 Locate the Door Position Switch Connector on the WPR PCB (Figure 8-2, DPS1). Temporarily short
the two terminals of the Door Position Switch Connector. While keeping these two terminals shorted,
turn on the WPR using the On/Off switch (Figure 8-1). Keep the two terminals shorted until the WPR
enters the Linking Mode (Table 8-1, actions 2a or 2b). Once the WPR is in the Linking Mode, remove
the short.
Figure 8-2 – WPR PCB Connectors
8.3.6 During linking, the WPIMs LED (CR6 or CR9, depending on the WPR being linked) blinks green
(some intermittent red may be seen) and the WPR LED (Figure 8-1) blinks green (some intermittent
red may be seen) for about 20 seconds while the WPR & WPIM determine the integrity of the
selected RF channel.
8.3.7 If the WPR & WPIM determine that the RF channel can be used, then the linking is completed
successfully and the WPIMs LED (CR6 or CR9, whichever was flashing) turns solid green. The
WPR LED blinks green and the sounder beeps, the number of which indicate the RF channel linked.
If the WPR & WPIM determine that the RF signal quality is not acceptable then the link fails and the
WPR LED blinks red twice and the sounder beeps once (Table 8-1). The WPIM will stay in the Link
Mode. If this happens, move either the WPR, PIM, or change RF channels and try the link process
again (Section 8.3.1).
8.3.8 Re-install the WPR cover, making certain that no wires are pinched. The cover should go on easy with
no interferences. Replace the 4 cover screws, one in each corner (Figure 8-1).
8.3.9 The WPR is now ready to be tested for normal operation.
8.4 Testing the WPR
8.4.1 Magnetic Stripe or Wiegand Card Reader Models
8.4.1.1 Insert a valid card and slide it down the slot keeping its back edge against the back of the
reader’s slot throughout the entire swipe. The reader sounder beeps.
8.4.1.2 The green LED will flash.
8.4.2 Proximity Card Reader Models
8.4.2.1 Place a valid card flat to and within one-quarter inch of the upper part of the Proximity Reader.
The reader sounder beeps.
8.4.2.2 The green LED will flash.

3820 Stern Avenue
St. Charles, IL 60174
(630) 762-4450
P/N: M053-xxx-x001.1 (630) 762-4444 fax Page 34 of 44
8.4.3 Indication of an Unsuccessful Card Swipe
The best indication of an unsuccessful valid card swipe is when the WPR’s internal sounder does not
beep, indicating that the card was not read correctly.
If an invalid card is swiped, the WPR’s red LED displays a long flash and the internal sounder beeps
once.
8.5 Replacing the WPR Battery Pack, BP12V-001
Approximately one month prior the end of the WPR’s Battery Pack life, a Low Battery Trouble signal is
indicated at the WPIM (Table 2-3), a Trouble signal will be sent to the access control panel, and the WPR
will provide a visual and audible indication (Table 8-1, action 7) consisting of a long red LED flash and
three sounder beeps.
The WPR’s low battery indication (Table 8-1, action 7) will occur whenever the WPR’s battery is low
and:
• the WPR is turned on (after action 1, Table 8-1),
• the WPR transmits a Heartbeat, or
• any card is swiped at the WPR’s reader.
It is then time to replace the WPR’s Battery Pack:
8.5.1 Use the Phillips screwdriver to remove WPR cover. There are 4 cover screws, one in each corner
(Figure 8-1).
8.5.2 Locate the used Battery Pack (Figure 8-6), disconnect the used Battery Pack (Figure 8-4), remove the
used Battery Pack from its Velcro Strips (Figure 8-3)
8.5.3 Attach a new Battery Pack to the housing using the Velcro strips (Figure 8-3& Figure 8-4).
Figure 8-3 – WPR Battery Pack Velcro Strips
Figure 8-4 – WPR Battery Pack Positioned

3820 Stern Avenue
St. Charles, IL 60174
(630) 762-4450
P/N: M053-xxx-x001.1 (630) 762-4444 fax Page 35 of 44
8.5.4 Connect the battery connector to the mating connector coming from the transceiver board (Figure 8-5
& Figure 8-6).
Figure 8-5 – WPR Battery Connector
Figure 8-6 – WPR Battery Pack Connected
8.5.5 To continue to use the WPR on the same RF channel and with the same WPIM, re-install the cover,
making certain that no wires are pinched. The cover should go on easy with no interferences. Replace
the 4 cover screws, one in each corner (Figure 8-1).
If the WPR needs to be re-linked or the RF channel needs to be changed, before re-installing the WPR
cover, follow the instructions in Section 8.2 or Section 8.6.
8.6 Changing the RF Channel
At the WPIM, change DIP switch SW7 to the desired new RF channel (Section 2.3), place the WPIM in
Link Mode (see Section 2.4), then re-link the desired WPR (Section 8.2).
NOTE: The WPIMs RF channel DIP switch (SW7) is read when the WPIM enters the Link Mode.
If the DIP switch is changed while the WPIM is in the Link Mode, then the WPIM must be taken
out of Link Mode and put back into Link Mode for the new RF channel to be selected. The WPIM
is taken out of Link Mode by pressing the switch associated with the Access Point in the Link Mode
(S1 or S2).
NOTE: Changing the RF channel will require all WAPMs linked to the PIM to be re-linked.

3820 Stern Avenue
St. Charles, IL 60174
(630) 762-4450
P/N: M053-xxx-x001.1 (630) 762-4444 fax Page 36 of 44
9. Wireless Contact Monitor (WCM)
The Wireless Contact Monitor (WCM) is a product in the Recognition Source’s Wyreless Access Point
Module (WAPM) category.
Figure 9-1 – Wireless Contact Monitor
Figure 9-2 – WCM Battery Pack
Figure 9-3 – Transceiver Control Module with Cover
Removed

3820 Stern Avenue
St. Charles, IL 60174
(630) 762-4450
P/N: M053-xxx-x001.1 (630) 762-4444 fax Page 37 of 44
9.1 The WCM Visual Indicators
NOTE: LED assembly XXX-XXX-XXX must be installed on the GRN_LED & RED_LED
connections of J3 in order for any visual indicators to be seen.
Action LED Assembly on J3
1 WCM is powered and then displays
software version number X red flashes then Y green flashes*
2a WCM is ready to start linking 1 red flash
2b
If linking, WCM sends a link request
(up to 3 times per RF channel)
looking for a WPIM in link mode
1 green flash;
then 1 red flash
once for each link request sent
2c
If linking, WCM & WPIM do an
Packet-Error-Rate test for about 20
seconds
flashes for each RF transmission:
green flash for a good transmission
red flash for a bad transmission
2d
If linking, WCM linked successfully
and indicates the RF Channel on
which it linked
Z green flashes*
2e Or if linking, WCM not linked
successfully 2 red flashes
* X = major software version number (any number is possible)
Y = minor software version number (any number is possible)
Z = RF channel number that the WCM linked on (1-15)
Table 9-1 – WCM Visual Indicators
9.2 Linking to the WPIM by Resetting the WCM
NOTES:
♦ Only one WCM can be linked at a time.
♦ The WCM Battery Pack must be installed before linking (Section 9.3).
♦ Leaving the WCM cover off for extended periods of time with the Battery Pack
connected will shorten the expected battery life.
9.2.1 Make certain that that WPIM to be linked to is in the Link Mode (Section 2.4).
9.2.2 If the WCM cover is installed, use a Phillips screwdriver to remove WCM cover. There are 4 cover
screws, one in each corner (Figure 9-3).
9.2.3 Find, press, and release the WCM Reset Switch located below and to the left side of J4 (Figure 9-3).
9.2.4 During linking, the WPIMs LED (CR6 or CR9, depending on the WAPM being linked) blinks green
(some intermittent red may be seen) and the LED Assembly blinks green (some intermittent red may
be seen) for about 20 seconds while the WCM & WPIM determine the integrity of the selected RF
channel.
9.2.5 If the WCM & WPIM determine that the RF channel can be used, then the linking is completed
successfully and the WPIMs LED (CR6 or CR9, whichever was flashing) turns solid green. The LED
Assembly then blinks green. The number of green blinks indicates the linked RF channel number.
If the WCM & WPIM determine that the RF signal quality is not acceptable then the link fails and the
LED blinks red twice (Table 9-1). The WPIM will stay in the Link Mode. If this happens, move
either the WCM, PIM, or change RF channels and try the link process again (Section 9.2).

3820 Stern Avenue
St. Charles, IL 60174
(630) 762-4450
P/N: M053-xxx-x001.1 (630) 762-4444 fax Page 38 of 44
9.2.6 Re-install the WCM cover, making certain that no wires are pinched. The cover should go on easy
with no interferences. Replace the 4 cover screws, one in each corner (Figure 9-1).
9.2.7 The WCM is now ready for normal operation.
9.3 Replacing the WCM Battery Pack, BP12V-001
Approximately one month prior the end of the WCM’s Battery Pack life, a Low Battery Trouble signal is
indicated at the WPIM (Table 2-3), a Trouble signal will be sent to the access control panel.
NOTE: Make certain no WPIMs are in the Link Mode when replacing the WCM Battery Pack or
the WCM may inadvertently link to the wrong WPIM.
NOTE: Leaving the WCM cover off for extended periods of time with the Battery
Pack connected will shorten the expected battery life.
9.3.1 Use a Phillips screwdriver to remove WCM cover. There are 4 cover screws, one in each corner
(Figure 9-1).
9.3.2 Locate the used Battery Pack (Figure 9-4), disconnect the used Battery Pack, and remove the used
Battery Pack from its Velcro Strips.
Figure 9-4 – Removing the Used Battery Pack
9.3.3 Install the Battery Pack into the Transceiver Control Module enclosure using the Velcro provided
AND connect the Battery Pack Connector to its mating connector that is factory connected to J4
(Figure 9-5).
Figure 9-5 – New Battery Pack Installed

3820 Stern Avenue
St. Charles, IL 60174
(630) 762-4450
P/N: M053-xxx-x001.1 (630) 762-4444 fax Page 39 of 44
9.3.4 To continue to use the WCM on the same RF channel and with the same WPIM, make certain that no
WPIMs are in the Link Mode, then press and release the WCM Reset Switch located below and to the
left side of J4 (Figure 9-5). This insures that the WCM has started properly. Re-install the WCM
cover, making certain that no wires are pinched. The cover should go on easy with no interferences.
Replace the 4 cover screws, one in each corner (Figure 9-1).
If the WPR needs to be re-linked or the RF channel needs to be changed, before re-installing the
WCM cover, follow the instructions in Section 9.1 or Section 9.4.
NOTE: No other WPIM can be in Link Mode during this process.
9.4 Re-linking an WCM and WPIM
To re-link a WCM and WPIM follow the instructions in Section 9.1.
9.5 Changing the RF Channel
At the WPIM, change DIP switch SW7 to the desired new RF channel (Section 2.3), place the PIM in
Link Mode (see Section 2.4), then re-link the desired WCM (Section 9.4).
NOTE: The WPIMs RF channel DIP switch (SW7) is read when the WPIM enters the Link Mode.
If the DIP switch is changed while the WPIM is in the Link Mode, then the WPIM must be taken
out of Link Mode and put back into Link Mode for the new RF channel to be selected. The WPIM
is taken out of Link Mode by pressing the switch associated with the Access Point that is in the Link
Mode (S1 or S2).
NOTE: Changing the RF channel will require all WAPMs linked to the PIM to be re-linked.

3820 Stern Avenue
St. Charles, IL 60174
(630) 762-4450
P/N: M053-xxx-x001.1 (630) 762-4444 fax Page 40 of 44
10. Other Important Information
10.1 Knowing When to Change the RF Channel
The RF Channel should be changed if the system encounters interfering transmissions (most noticeably
when the system attempts to Link and cannot or when a card swipe results in a “no communication”
indication at the Access Point).
Try re-linking on a different RF channel. If the WAPM and WPIM do not re-link on the new channel, try
another channel. For more detailed information, see Wyreless Access ™ Troubleshooting Guide,
available from Recognition Source.
If the WAPM and WPIM do not re-link, the WAPM reverts to the RF channel it was set at prior to
disconnecting the WAPM power. However, the WAPM will not communicate with the WPIM on the
original RF channel until the WPIMs DIP switch SW7 is reset to the original RF channel and the WPIM
is taken into and out of Link Mode.
10.2 Configuring the Wyreless AccessTM System
There are several configurable features in each WAPM & WPIM. These are programmed through the
WPIM using a PC and the Recognition Source Configuration & Demonstration Tool.
The configurable features are:
• Heartbeat time (default: 10 minutes)
• Relock time (default: 3 seconds)
• Re-latch on: timer, door opening, or door closing (default: timer)
• Card conversion (default: none)
• Polarity of the Request-to-Exit (RTE) signal (default: low = RTE)
• Polarity of Trouble signal (default: low = trouble)
• Polarity of Door Position Switch (DPS) signal (default: low = closed)
• Extended Unlock: enabled or disabled (default: enabled)
10.3 Extended Unlock
Extended unlock is a feature that permits a Wyreless Access™ Point Module (WAPM) to stay in an
indefinite unlock state. Normally a card is swiped at a WAPM and if it is a valid card, the Access Point
will unlock for a short period of time (seconds) and then automatically relock. This is considered a
momentary unlock.
A WPIM and WAPM can be configured (section 10.2) to respond to extended unlocks from an access
control panel. The WPIM monitors the state of the access control panel’s strike relay. When the strike
relay is energized without the WPIM presenting card data (i.e. no card swipe has occurred) to the access
control panel, then the next time the WAPM communicates with the WPIM (card swipe, door state
change, request to exit, or heartbeat), the WPIM will tell the WAPM to unlock its portal (door, gate, etc.)
indefinitely.
When the WPIM detects that the strike relay is de-energized, then the next time the WAPM
communicates with the WPIM (card swipe, door state change, request to exit, or heartbeat), the WPIM
will tell the WAPM to lock its portal (door, gate, etc.) indefinitely.
The extended unlock feature is most likely to be used to implement a timed unlock. For instance,
wanting a business’ main entry doors unlocked during normal business hours (i.e. 8-5).

3820 Stern Avenue
St. Charles, IL 60174
(630) 762-4450
P/N: M053-xxx-x001.1 (630) 762-4444 fax Page 41 of 44
Note: The exact time that the Access Point will be unlocked or locked depends on the frequency of RF
activity between the WAPM and the WPIM. Generally the WAPM is in a low power mode (i.e. sleeping)
and therefore the WPIM can only communicate with the WAPM when the WAPM initiates the
communication. The Heartbeat time will determine the maximum time that it will take for a WAPM to
respond to the start or end of an extended unlock. For instance, let’s say that the Heartbeat time is set to
10 minutes and that we want the Access Point to be unlocked from 8-5. We would program the access
control panel to unlock the Access Point at 7:50 and lock it at 5:00. The WAPM would unlock sometime
between 7:50 & 8:00 and would lock sometime between 5:00 & 5:10.
10.4 Why Swipe a Card When the Power Is Disconnected?
When linking or re-linking, the instructions say to swipe a card after the power has been removed from
the WAPM that will be linked or linked, why?
Most of the time a WAPM is in a very lower power mode to conserve energy and extend battery life.
Therefore when power is removed, if a WAPM is in its low power mode, it will stay powered for several
minutes due to capacitance in the DC regulator on the PCB. Swiping a card will cause the WAPM to go
to a high power mode which will collapse any residual power. This will insure that the WAPM will start
from reset when power is reapplied.
If a card is not swiped and power is reapplied, no damage is done, but if power has only been removed for
a short time, the WAPM (specifically the WPR) will not reset. The WAPM will just continue to operate
as if power had never been removed. If the WAPM does not reset when power is reapplied, then the
WAPM link mode will not be entered, which may have been the primary reason for cycling power.

3820 Stern Avenue
St. Charles, IL 60174
(630) 762-4450
P/N: M053-xxx-x001.1 (630) 762-4444 fax Page 42 of 44
11. Contacting Recognition Source
For questions regarding Wyreless Access™:
(630) 762-4450
(630) 762-4444 fax

3820 Stern Avenue
St. Charles, IL 60174
(630) 762-4450
P/N: M053-xxx-x001.1 (630) 762-4444 fax Page 43 of 44
12. FCC Compliance & Warnings
12.1 FCC Compliance
• This device has been authorized by the FCC Rules and Industry Canada.
• This device complies with the limits for a Class B digital device and a Class B intentional radiator,
pursuant to Part 15 of the FCC Rules and with RSS-210 of Industry Canada. Operation is subject to
the following two conditions: (1) This device may cause harmful interference, and (2) this device
must accept any interference received, including interference that may cause undesired operation.
• The Wyreless Access System Component must be installed by qualified professionals or contractors
in accordance with FCC part 15.203, Antenna Requirements.
• Do not use any antenna other than the one provided with the unit.
12.2 Warnings
• RF Exposure - To comply with FCC RF exposure requirements for mobile transmitting devices this
transmitter should only be used or installed at locations where there is normally at least a 20 cm
separation between the antenna and all persons.
• Do not co-locate and operate in conjunction with any other antenna or transmitter.
• Use only the Battery Pack specified in this instruction manual.
• Do not subject Battery Pack to fire or high temperatures.
• Do not attempt to recharge, short out or disassemble Battery Pack.
• Follow local regulations for alkaline battery disposal.
• Immediately remove the batteries and discontinue use if:
- the product is impacted after which the interior is exposed, or
- the product emits a strange smell, heat, or smoke.
• Changes or modifications not expressly approved by Recognition Source could void the users
authority to operate the equipment.

3820 Stern Avenue
St. Charles, IL 60174
(630) 762-4450
P/N: M053-xxx-x001.1 (630) 762-4444 fax Page 44 of 44
13. Revision History
Version Date Changes
x001 09/09/03 preliminary in house release for comments
x001.1 12/08/03 deleted PIM & PIM-OTD sales models, deleted IRL section, added WRI, WISI,
WUSI, WPR, & WCM sections