Recognition Source IRL2001 Modular integrated reader/lock User Manual Users manual
Recognition Source, LLC Modular integrated reader/lock Users manual
Contents
- 1. Manual
- 2. Users manual
- 3. WISI manual
- 4. WPR manual
- 5. Operational Manual
Users manual

P
P
PR
R
RE
E
EL
L
LI
I
IM
M
MI
I
IN
N
NA
A
AR
R
RY
Y
Y
INSTALLATION INSTRUCTIONS
MODULAR INTEGRATED
READER LOCK
(MIRL)
STANDARD CYLINDRICAL
3820 Stern Avenue
St. Charles, IL 60174
Phone: 630-762-4450
Fax: 630-762-4455
P/N: M053-xxx-x001

3820 Stern Avenue
St. Charles, IL 60174
(630) 762-4450
P/N: M053-xxx-x001 (630) 762-4444 fax Page 2 of 37
3820 Stern Avenue
St Charles, IL 60174
(630) 762-4450
(630) 762-4455 Fax
Copyright © 2003 Recognition Source, LLC, all rights reserved.
No part of this document can be reproduced, transmitted, or transcribed in any form by electrical, mechanical, optical, manual, or
otherwise without the prior written consent of Recognition Source. Recognition Source reserves the right to alter or revise the
content of this document as needed to support future product revisions, without obligation to notify any persons of specific
changes.
The use of trademarks, trade names, or other product identification is solely for reference purposes. All other product brand
names are trademarks or registered trademarks of their respective holders.
Recognition Source believes the information in this document to be accurate and reliable. Recognition Source does not guarantee
results from the use of this information. Recognition Source assumes no responsibility, obligation, or liability for the information
presented in this document.

3820 Stern Avenue
St. Charles, IL 60174
(630) 762-4450
P/N: M053-xxx-x001 (630) 762-4444 fax Page 3 of 37
INSTALLATION INSTRUCTIONS
Wyreless Access ™ MIRL Standard Cylindrical
NOTE: These instructions are for installing the Modular Integrated Reader Lock (MIRL) Standard Cylindrical, a
component of a Wyreless Access System. After completing this installation refer to the Configuring and
Operating the Wyreless Access System manual.
Table of Contents
1. Wyreless AccessTM System Components...............................................................................................................4
1.1 Overview............................................................................................................................................................4
1.2 MIRL Standard Cylindrical Components & Sales Models ............................................................................5
2. Installing the MIRL Standard Cylindrical ...........................................................................................................7
2.1 Tools Required..................................................................................................................................................7
2.2 Determining the Best WPIM and MIRL Locations........................................................................................7
2.3 Door Preparation...............................................................................................................................................7
2.4 Marking Holes for Drilling...............................................................................................................................7
2.5 Drilling Holes................................................................................................................................................. 12
2.6 Marking & Drilling Transceiver Mounting Holes ....................................................................................... 12
2.7 Marking & Drilling Reader Mounting Holes............................................................................................... 14
2.8 Mortising for Latch........................................................................................................................................ 16
2.9 Installing the Optional Door Position Switch............................................................................................... 17
2.10 Mounting Transceiver.................................................................................................................................... 18
2.11 Connecting Door Position Switch Wires...................................................................................................... 21
2.12 Mounting Reader............................................................................................................................................ 22
2.13 Adjusting Lockset to Door Thickness........................................................................................................... 25
2.14 Placing the Lock Chassis into the Chassis Hole and Then Engaging the Retractor in Latch................... 27
2.15 Connecting & Dressing the Motor, Request to Exit, & Ground Wires ...................................................... 28
2.16 Installing the Inside Rose Assembly & Cover ............................................................................................. 28
2.17 Installing the Inside Lever............................................................................................................................. 30
2.18 Installing Strike Plate..................................................................................................................................... 30
2.19 Installing the Optional Door Position Magnet.............................................................................................. 31
2.20 Install the Battery Pack & Transceiver Cover.............................................................................................. 32
3. Troubleshooting...................................................................................................................................................... 34
4. Contacting Recognition Source............................................................................................................................ 35
5. FCC/UL Compliance & Warnings...................................................................................................................... 36
5.1 FCC Compliance............................................................................................................................................ 36
5.2 UL Compliance.............................................................................................................................................. 36
5.3 Warnings......................................................................................................................................................... 36
6. Revision History..................................................................................................................................................... 37

3820 Stern Avenue
St. Charles, IL 60174
(630) 762-4450
P/N: M053-xxx-x001 (630) 762-4444 fax Page 4 of 37
1. Wyreless AccessTM System Components
1.1 Overview
Every access control system that uses Wyreless AccessTM contains two different types of modules (Figure
1-1):
• at least one Wyreless Panel Interface Module (WPIM), and
• at least one Wyreless Access Point Module (WAPM)
Access
Control
Panel
Wyreless
Panel
Interface
Module
(WPIM)
Wyreless
Access
Point
Module
(WAPM)
Access
Point
RF Communication
Access Control Panel Location Access Point Location
Wired
Communication Wired
Communication
Figure 1-1 – Wyreless Access System Block Diagram
Recognition Source’s product line contains several different expressions of each module.
The WPIM is wired to the access control panel and ideally is installed very close to the access control
panel. The WPIMs installation location is determined by the location of the WAPMs with which it will
communicate using RF.
The WAPM is installed at the access point where access will be controlled and/or monitored. Depending
on the application and which WAPM is used, some wiring at the access control point may be required.
Regardless of which WPIM or WAPM module is used, the communication link between the WPIM and
WAPM is always RF.
This manual describes the installation of a Modular Integrated Reader Lock (MIRL) Standard Cylindrical
which is a WAPM.

3820 Stern Avenue
St. Charles, IL 60174
(630) 762-4450
P/N: M053-xxx-x001 (630) 762-4444 fax Page 5 of 37
1.2 MIRL Standard Cylindrical Components & Sales Models
The MIRL Standard Cylindrical includes 7 components (Figure 1-2, Figure 1-3, Figure 1-4, and Figure
1-5 ):
• electrical lock
• card reader
• power supply
• door position switch connections
• request-to-exit sensor
• RF receiver
• RF transmitter
Figure 1-2 – Unlocked Side of the MIRL
Figure 1-3 – Locked Side of the MIRL
Figure 1-4 –MIRL Battery Pack
Figure 1-5 – Exploded MIRL

3820 Stern Avenue
St. Charles, IL 60174
(630) 762-4450
P/N: M053-xxx-x001 (630) 762-4444 fax Page 6 of 37
Table 1-1- MIRL Standard Cylindrical Sales Model Table
NOTE: Reader types are UL Recognized Components:
(PH) = Recognition Source, Model MIRL-PH-UR
(PI) = Recognition Source, Model MIRL-PI-UR
(MG) = Recognition Source, Model MIRL-MG-UR
(Refer to Installation Instructions P/N M053-028-xxx.)
When the outside portion (reader side) of the MIRL is actually outdoors, make certain that the inside portion
(transceiver side) of the MIRL is in a temperature controlled environment where a minimum temperature of
32? F (0? C) is maintained with 72? F (22? C) being optimum.

3820 Stern Avenue
St. Charles, IL 60174
(630) 762-4450
P/N: M053-xxx-x001 (630) 762-4444 fax Page 7 of 37
2. Installing the MIRL Standard Cylindrical
2.1 Tools Required
• Templates RSTP21 (T147-008-001) provided (also available at www.recognition-source.com),
• Center punch,
• 2 1/8” Boring Bit, if needed,
• 5/16”, 3/8”, 7/16”, 3/4", 1” Drill Bits,
• Drill with chuck for 1” bits,
• Flat and Phillips head screwdrivers,
• T-10 & T15 TORX tamper resistant L-keys, provided,
• Chisels, if Strike has to be mortised,
• Square,
• Level,
• Pencil,
• Masking Tape.
2.2 Determining the Best WPIM and MIRL Locations
Proper selection of the WPIM and the MIRL mounting locations insures reliable RF communications.
The mounting location of the MIRL is fixed by the location of the door. Best RF performance is
achieved when the MIRL Antenna Cover (Figure 1-2) can never be within 4” of any metal object whether
the door is closed or open. This does not include any metal that maybe in the door or door frame. The
MIRL Antenna Cover is located just above the Cylindrical Lockset on the unlocked side of the door
(Figure 1-2).
Since mounting location of the MIRL is fixed by the location of the door, only the location of the WPIM
can be varied to achieve optimum RF performance.
The WPIM manual contains a section for determining the best location for the WPIM.
The maximum distance between WPIM and an MIRL is 200’ horizontally when installed inside a
building that uses normal building construction materials. The maximum distance is 600’ for a line of
sight installation.
NOTE: When the outside portion (reader side) of the MIRL is actually outdoors, make certain that
the inside portion (transceiver side) of the MIRL is in a temperature controlled environment where
a minimum temperature of 32? F (0? C) is maintained with 72? F (22? C) being optimum.
2.3 Door Preparation
If the door already has a lockset installed, remove it.
2.4 Marking Holes for Drilling
NOTE: Some doors may have some holes already drilled; skip the instructions related to those
holes.
The suggested height from the floor to the centerline of the Lever is 38”.

3820 Stern Avenue
St. Charles, IL 60174
(630) 762-4450
P/N: M053-xxx-x001 (630) 762-4444 fax Page 8 of 37
2.4.1 Door Side
2.4.1.1 Mark a horizontal line 38” from the floor between 2” to 3 ½” from the edge of the door on both
sides of the door. Use a level.
2.4.1.2 Using a square (to compensate for beveled door edges), mark a point along the horizontal line
2¾” from the door edge on both sides of the door (Figure 2-1).
Figure 2-1 – Marking 2 ¾” Setback with Square

3820 Stern Avenue
St. Charles, IL 60174
(630) 762-4450
P/N: M053-xxx-x001 (630) 762-4444 fax Page 9 of 37
2.4.1.3 NOTE: There is a template for a metal door (hollow core) and a different
template for a wood door (solid core). Make certain you are using the correct
template!
If the door does not have the 2 1/8” hole already drilled, place the Template, RSTP21, so that the
center of Hole #3 (the 2 1/8” hole) is centered over the intersection of the horizontal line drawn
in Section 2.4.1.1 and the 2 ¾” setback line drawn in Section 2.4.1.2.
If the 2 1/8” hole already exists, align the 2 1/8” hole in the Template over it.
Align the edge of the Template to be parallel with the edge of the door (Figure 2-2). The edge of
the door maybe beveled, so the edge of the template may not line up exactly with the door edge,
just make certain it is parallel to it.
Figure 2-2 – Template, RSTP21, on Metal Door
2.4.1.4 Tape the Template onto the door.
2.4.1.5 Center punch the center points of the holes (Figure 2-2).
2.4.1.6 To locate hole center points on the opposite side of the door, following instructions 2.4.1.3,
2.4.1.4, and 2.4.1.5 with Template on the other side of the door.

3820 Stern Avenue
St. Charles, IL 60174
(630) 762-4450
P/N: M053-xxx-x001 (630) 762-4444 fax Page 10 of 37
2.4.2 Door Edge
2.4.2.1 Skip this section if the Latch Hole (Hole #1) is already drilled and the Optional Door Position
Switch (Hole #2) is not being installed (Figure 2-3).
2.4.2.2 Mark a vertical center line on the door edge 37” to 39” from floor. Mark a horizontal line on the
door edge that lines up with the horizontal line drawn on the door side in Section 2.4.1.1.
2.4.2.3 Align Template, RSTP21, on the door edge so that the center of the Latch Hole is at the
intersection of the vertical center line and horizontal line drawn in Section 2.4.2.2 (Figure 2-3).
2.4.2.4 Align the edge of the Template to be parallel to the edge of the door and tape in place.
2.4.2.5 If the Latch Hole (Hole #1) does not exist, center punch its center point (Figure 2-3).
2.4.2.6 If the Optional Door Position Switch (Hole #2) is to be installed, center punch the correct center
point for the size magnet to be installed (Figure 2-3).
Figure 2-3 – Template RSTP21 on Metal Door Edge

3820 Stern Avenue
St. Charles, IL 60174
(630) 762-4450
P/N: M053-xxx-x001 (630) 762-4444 fax Page 11 of 37
2.4.3 Doorjamb
2.4.3.1 If the strike is not mortised or if a door position switch is being used, mark a vertical line on the
strike side of the doorjamb, one half the thickness of the door plus the thickness of any bumpers
on the jamb away from the door stop of the doorjamb (D = ½ door thickness + bumper
thickness, Figure 2-4 & Figure 2-5). The vertical line must be in line with the Center Line of the
door when the door is closed.
Figure 2-4 – Locating Center Line on Doorjamb (top view)
2.4.3.2 Mark a horizontal center line (Figure 2-5) on the door jamb that lines up with the horizontal
center line on the door that intersects the center of the Chassis Hole on the door (Hole #2 in
Figure 2-3).
2.4.3.3 Place Template, RSTP11, with the center of the Latch Hole over this 38” intersect. Align the
center lines on the template with the center lines drawn on the doorjamb and tape it in place
(Figure 2-5).
Figure 2-5 – Template, RSTP21, on Doorjamb (side view)
2.4.3.4 Center punch the Latch Hole drill point.

3820 Stern Avenue
St. Charles, IL 60174
(630) 762-4450
P/N: M053-xxx-x001 (630) 762-4444 fax Page 12 of 37
2.4.3.5 If the Optional Door Position Switch is being installed then center punch the Optional Door
Position Magnet Hole (Figure 2-5).
NOTE: It is very important that the Optional Door Position Magnet Hole on the doorjamb
and the Optional Door Position Switch Hole on the door edge are center punched exactly
opposite each other.
Note: For UL installations that use a Door Position Switch use a UL listed door/window
contact. Door contacts for door position monitoring are not for intrusion protection.
2.5 Drilling Holes
Follow the instructions printed on the templates for drilling holes.
Note: Some holes are only to be drilled on the reader side and some holes are transceiver side of the
door
Note: There is a template for a metal door (hollow core) and a different template for a wood door
(solid core). Make certain you have used the correct template!
Note: For UL installations that use a Door Position Switch use a UL listed door/window contact.
Door contacts for door position monitoring are not for intrusion protection.
2.6 Marking & Drilling Transceiver Mounting Holes
NOTE: Self tapping screws cannot be used to mount the Transceiver, therefore
drill the Transceiver Mounting Holes as indicated below.
2.6.1 If install, remove the Transceiver Cover by removing the two secure Torx Reader Cover Mounting
Cover Screws (6-23 x 3/8”) (Figure 2-6).
Figure 2-6 – Transceiver Cover Screws

3820 Stern Avenue
St. Charles, IL 60174
(630) 762-4450
P/N: M053-xxx-x001 (630) 762-4444 fax Page 13 of 37
2.6.2 Position the Transceiver Base Plate so that it is flush against the inside of the door and that the lower
right mounting hole on the Transceiver Base Plate lines up with the mark made from the template
(Figure 2-7).
Make certain that the Transceiver Base Plate’s long side is vertically plumb or parallel with the door’s
edge, then mark the other three mounting holes.
Remove the Transceiver Base Plate from the door and drill holes at these four locations.
NOTE: Do not drill while the Transceiver Base Plate is still on the door!
NOTE: Do not install the Transceiver Base Plate at this time.
Figure 2-7 – Transceiver Mounting Holes

3820 Stern Avenue
St. Charles, IL 60174
(630) 762-4450
P/N: M053-xxx-x001 (630) 762-4444 fax Page 14 of 37
2.7 Marking & Drilling Reader Mounting Holes
NOTE: Self tapping screws cannot be used to mount the Reader, therefore drill the
Reader Mounting Holes as indicated below.
2.7.1 If install, remove the Reader Cover by removing the two secure Torx Reader Cover Mounting Cover
Screws (6-23 x 3/8”) (Figure 2-8).
Figure 2-8 – Reader Cover Screws

3820 Stern Avenue
St. Charles, IL 60174
(630) 762-4450
P/N: M053-xxx-x001 (630) 762-4444 fax Page 15 of 37
2.7.2 Position the Reader Base Plate so that it is flush against the outside of the door and that the lower
right mounting hole on the Reader Base Plate lines up with the mark made from the template (Figure
2-9).
Make certain that the Reader Base Plate’s long side is vertically plumb or parallel with the door’s
edge, then mark the other three mounting holes.
Remove the Reader Base Plate from the door and drill holes at these four locations.
NOTE: Do not drill while the Reader Base Plate is still on the door!
NOTE: Do not install the Reader Base Plate at this time.
Figure 2-9 – Reader Mounting Holes

3820 Stern Avenue
St. Charles, IL 60174
(630) 762-4450
P/N: M053-xxx-x001 (630) 762-4444 fax Page 16 of 37
2.8 Mortising for Latch
2.8.1 If not already done, mortise the edge of the door to accommodate the Latch & Faceplate (Figure
2-10).
2.8.2 Making certain that the Latch is properly oriented (Note: The Deadlocking Plunger of the Latch
must face away from the Door Stop of the Door Jamb, Figure 2-11.), install the Latch & Faceplate
with the two screws provided (Figure 2-10).
Figure 2-10 – Mortising Latch on Door Edge
Figure 2-11 – Latch Orientation on Door Edge

3820 Stern Avenue
St. Charles, IL 60174
(630) 762-4450
P/N: M053-xxx-x001 (630) 762-4444 fax Page 17 of 37
2.9 Installing the Optional Door Position Switch
If the optional Door Position Switch is being used, feed the 2 wires of the supplied 3/4” diameter Door
Position Switch through the Door Position Switch Hole in the edge of the door and then through the
Reader Cable Hole to the inside side of the door (Figure 2-12). Press the reed switch into the hole so it is
flush with the door edge. The two wires from the Door Position Switch will be connected after mounting
the Transceiver, see Section 2.11, below.
Figure 2-12 – Installing the Door Position Switch

3820 Stern Avenue
St. Charles, IL 60174
(630) 762-4450
P/N: M053-xxx-x001 (630) 762-4444 fax Page 18 of 37
2.10 Mounting Transceiver
The Transceiver consists of two major components: the Transceiver Cover (Figure 2-13) and the
Transceiver Base Plate (Figure 2-14). The Transceiver is mounted on the inside of the door.
NOTE: For maximum weather resistance, make certain that there is a foam gasket attached to the
back side of the Transceiver Base Plate. Contact Recognition Source if the foam gasket is missing.
Figure 2-13 – Transceiver Cover
Figure 2-14 –Transceiver Base Plate Components
2.10.1 Before mounting the Transceiver, the Reader Cable, Motor & Request to Exit Cable, the optional
Door Position Switch Wires, and Gray Ground Wire (ring terminal toward the Transceiver) must be
routed into their appropriate locations (Figure 2-15).

3820 Stern Avenue
St. Charles, IL 60174
(630) 762-4450
P/N: M053-xxx-x001 (630) 762-4444 fax Page 19 of 37
Figure 2-15 – Routing Transceiver Wires and Cables
2.10.1.1 Make certain that the Reader Cable is routed out the back of the Transceiver Base Plate in the
opening just above the Battery Pack location (Reader/DPS Cable Entry/Exit, Figure 2-14).
2.10.1.2 Make certain that the Motor & Request to Exit Cable and Gray Ground Wire (ring terminal
toward the Transceiver) are routed out the back of the Transceiver Base Plate in the opening at
the bottom of the Transceiver Base Plate (Motor/RTX Cable Entry/Exit, Figure 2-14).
2.10.1.3 If installing on a metal door, install plastic Bushings in the Motor Cable hole and on Reader
Cable Hole both the Transceiver and Reader Side, three bushings total (Figure 2-15).
2.10.1.4 The Reader Cable must be routed through the Reader Cable Hole from the inside of the door so
that the Reader Cable extends to the outside of the door. It will be connected to the Reader in
section 2.12, below.
2.10.1.5 The Motor & Request to Exit Cable and Gray Ground Wire (ring terminal toward the
Transceiver) must be routed through the Motor & Request to Exit Cable Hole and down to the
Lock Housing Hole. The route that this cable takes will depend on the type of door. If the door
is solid core (i.e. wood), then there is a Diagonal Motor Cable Hole that is used. If the door is
hollow core (i.e. metal), then the hollow core is used. See page three of template T147-008-001.
2.10.1.6 If the optional Door Position Switch is being installed, the wires coming from this switch should
already be coming out the Reader Cable Hole and need to be routed through the Transceiver
Base Plate in the opening just above the Battery Pack (Reader/DPS Cable Entry/Exit, Figure
2-14).

3820 Stern Avenue
St. Charles, IL 60174
(630) 762-4450
P/N: M053-xxx-x001 (630) 762-4444 fax Page 20 of 37
2.10.2 Being careful not to pinch any of the wires, position the Transceiver Base Plate so that it is flush
against the inside of the door.
Figure 2-16 – Mounting Transceiver Base Plate
Figure 2-17 – Transceiver Grounding Screw
Secure the Transceiver Base Plate to the door using the supplied wood/sheet metal screws (Figure
2-16), making certain that the Gray Ground Wire (ring terminal end) coming Lock Housing is
securely fastened under Grounding Screw at the lower left (Figure 2-17).
NOTE: Do not install the Battery Pack or Transceiver Cover at this time!

3820 Stern Avenue
St. Charles, IL 60174
(630) 762-4450
P/N: M053-xxx-x001 (630) 762-4444 fax Page 21 of 37
2.11 Connecting Door Position Switch Wires
2.11.1 Cut and strip the Door Position Switch wires so that they can be neatly dressed and connected to the
Door Position Connector on the Transceiver PCB (Figure 2-18).
2.11.2 Connect the two Door Position Switch wires to the Door Position Connector on the Transceiver PCB
(Figure 2-18). This connection is not polarized so either wire can go to either terminal.
Figure 2-18 – Connecting the Door Position Switch Wires

3820 Stern Avenue
St. Charles, IL 60174
(630) 762-4450
P/N: M053-xxx-x001 (630) 762-4444 fax Page 22 of 37
2.12 Mounting Reader
The Reader consists of two major components: the Reader Cover (Figure 2-19) and the Reader Base Plate
(Figure 2-20). The Reader is mounted on the outside of the door.
NOTE: For maximum weather resistance, make certain that there is a foam gasket attached to the
back side of the Reader Base Plate. Contact Recognition Source if the foam gasket is missing.
Figure 2-19 – Reader Cover Components
Figure 2-20 – Reader Base Plate Components
2.12.1 If not already done, remove the Reader Cover by removing the two secure Torx Reader Cover
Mounting Cover Screws (6-23 x 3/8”) (Figure 2-21).
Figure 2-21 – Reader Cover Screws

3820 Stern Avenue
St. Charles, IL 60174
(630) 762-4450
P/N: M053-xxx-x001 (630) 762-4444 fax Page 23 of 37
2.12.2 Before mounting the Reader, the Reader Cable must be routed through Reader Cable Routing Hole on
the Reader Base plate (Figure 2-22).
Figure 2-22 – Reader Cable Routing
2.12.2.1 If installing on a metal door, make certain that the plastic Bushing is installed in the Reader Hole
on the Reader side of the door (Figure 2-22).
2.12.2.2 Route the Reader Cable from the Reader Hole in the door through the back of the reader into
Reader Cable Routing Hole near the bottom of the Reader (Figure 2-22 & Figure 2-23).
Figure 2-23 – Reader Cable Connection
2.12.2.3 Connect the Reader Cable to the Reader Connector from the front side of the reader (Figure
2-23).

3820 Stern Avenue
St. Charles, IL 60174
(630) 762-4450
P/N: M053-xxx-x001 (630) 762-4444 fax Page 24 of 37
2.12.2.4 Dress the Reader Cable so that a minimum of cable is left on the front side of the reader and that
all of the Reader Cable is above the Plastic Wall (Figure 2-24). This insures that the Reader
Cable will not interfere when mounting the Reader Cover.
Figure 2-24 – Reader Cable Dressing
2.12.3 Being careful not to pinch any of the wires, position the Reader Base Plate so that it is flush against
the outside of the door and secure the Reader Base Plate to the door using the supplied wood/sheet
metal screws.
2.12.4 If the Reader Gasket (Figure 2-25) is not already mounted on the Reader Base Plate, position the
Reader Gasket in the outer groove of the Reader Base Plate making certain that the ends of the Reader
Gasket are at the bottom of the base plate and that there is a Weep Gap.
Figure 2-25 – Reader Gasket

3820 Stern Avenue
St. Charles, IL 60174
(630) 762-4450
P/N: M053-xxx-x001 (630) 762-4444 fax Page 25 of 37
2.12.5 If the Reader is equipped with an optional Request to Exit Switch (Figure 2-19), before installing the
Reader Cover, route the Request to Enter switch wires through the Reader Cable Hole from the
Reader side to the Transceiver side of the door. On the Transceiver side, connect the Request to Enter
wires to the mating connector.
Pull the excess Request to Enter wires toward the Transceiver side and from the Transceiver side
dress any excess wires into the Reader Hole.
2.12.6 Install the Reader Cover and fasten with two secure T-10 Torx Reader Cover Mounting Screws (6-32
x 3/8”) using the T-10 TORX L-key that is provided (Figure 2-21).
2.13 Adjusting Lockset to Door Thickness
2.13.1 Remove the Inside Lever by depressing the Lever Catch with the Wire Pin through the small hole in
the Inside Rose and/or Inside Lever and pull Inside Lever off the Inside Lock Tube (Figure 2-28).
Depress the Lever Catch again and remove the Inside Rose assembly (Figure 2-26).
Figure 2-26 – Removing Inside Lever & Inside Rose Assembly
2.13.2 Determine the door’s thickness. Locksets will fit doors 1-5/8” to 1-7/8” thick. Locksets are factory
assembled for 1-3/4” doors.

3820 Stern Avenue
St. Charles, IL 60174
(630) 762-4450
P/N: M053-xxx-x001 (630) 762-4444 fax Page 26 of 37
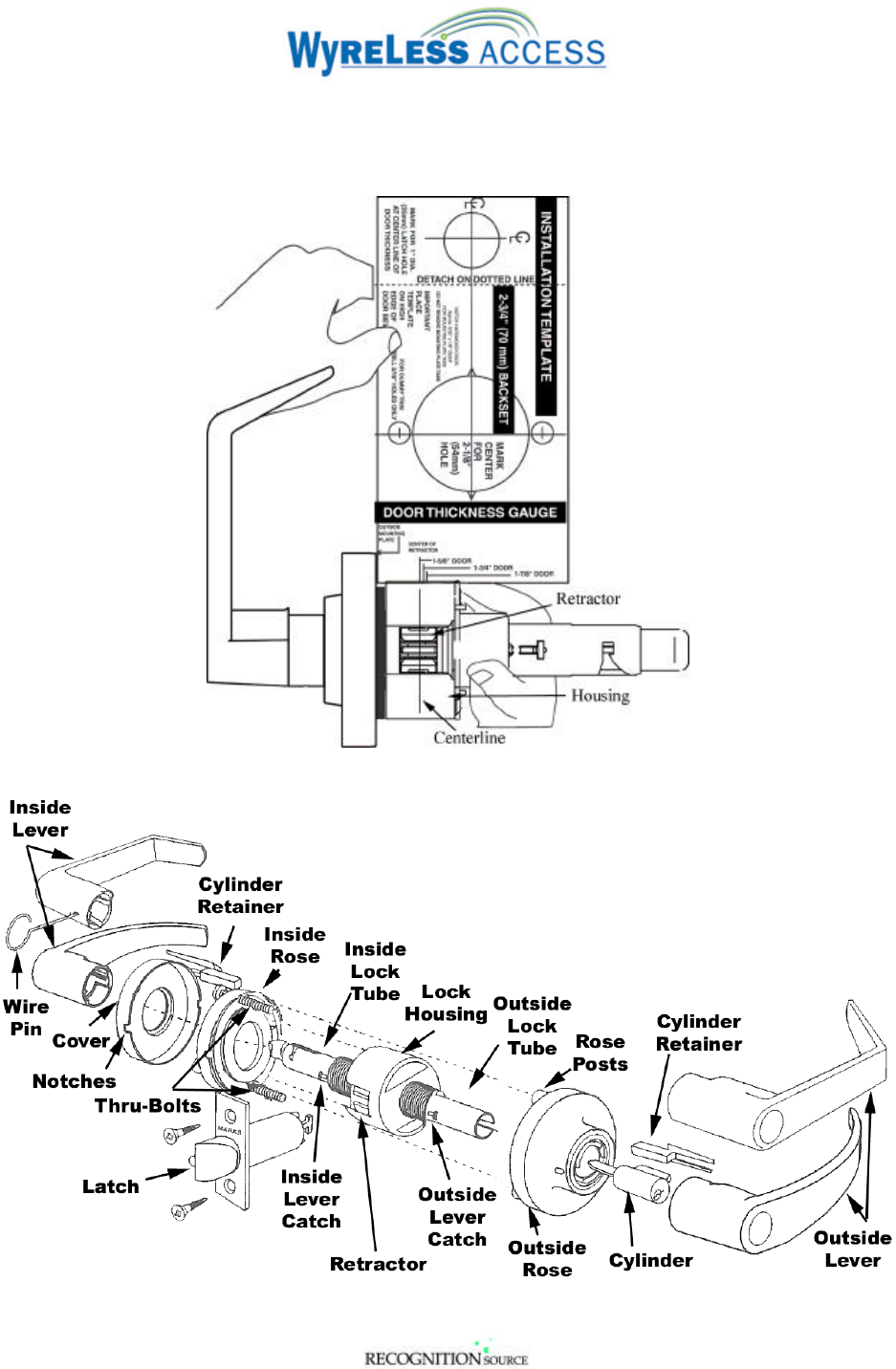
2.13.3 To adjust, remove the outside lever (Figure 2-28). Screw the outside rose to the desired position. Use
the DOOR THICKNESS GAUGE (provided with lockset) to confirm correct position for the desired
door thickness. The mark on the gauge should line up with the center of the Retractor in the Housing
(Figure 2-27).
Figure 2-27 – Door Thickness Adjustment
Figure 2-28 – Exploded Lock Hardware

3820 Stern Avenue
St. Charles, IL 60174
(630) 762-4450
P/N: M053-xxx-x001 (630) 762-4444 fax Page 27 of 37
2.14 Placing the Lock Chassis into the Chassis Hole and Then Engaging the
Retractor in Latch
2.14.1 Push the Lock Housing through the 2-1/8” Hole from the outside of the door, so that the Retractor in
the Lock Housing engages the Latch Tail (Figure 2-29 & Figure 2-30). Make certain the Motor Wire
Harness from the Motor and the Motor & Request to Exit Cable from the Transceiver are not pinched
and are properly routed to the inside of the door for connection later.
Note: Prongs must engage inside the Lock Housing.
Figure 2-29 – Inserting Lock Housing into the 2-1/8” Hole
2.14.2 Align the Outside Mounting Plate and Outside Rose so that the Rose Posts enter the Thru-Bolt holes
in the door (Figure 2-28).
2.14.3 Check from the inside of the door to see if the Latch is properly engaged with the Latch Tail in the
Retractor and the Prongs in the Lock Housing. Make certain that the Latch Tube Prongs engage
Chassis Frame and Latch Tailpiece engages Retractor (Figure 2-30).
Figure 2-30 – Engaging Retractor & Latch

3820 Stern Avenue
St. Charles, IL 60174
(630) 762-4450
P/N: M053-xxx-x001 (630) 762-4444 fax Page 28 of 37
2.15 Connecting & Dressing the Motor, Request to Exit, & Ground Wires
2.15.1 Connect the Gray Wire (spade lug end) from the Transceiver Base to the Grounding Screw on the
Lock Housing (Figure 2-31).
NOTE: Only the top screw on the Lock Housing can be used as a Grounding Screw.
Figure 2-31 – Ground Wire Connection & Wire/Connector Holes
2.15.2 Connect the Motor Wires from the motor to the Motor Connector on the cable routed through the
Upper Trim Hole coming from the Transceiver. The Motor Connector is unique and will only mate
with the correct connector.
2.15.3 Connect the Request to Exit Wires from the Request to Exit Switch on the Inside Rose to the Request
to Exit Connector on the cable routed through the Upper Motor Cable Hole coming from the
Transceiver. The Request to Exit Connector is unique and will only mate with the correct connector.
2.15.4 Insert the mated Motor Connector into the Motor Connector Hole (Figure 2-31) on the located on the
side of the 2-1/8” Lock Housing Hole. Pack and dress the Motor Cable so that the Inside Rose
will not pinch it.
2.15.5 Insert the mated Request to Exit Connector into the Request to Exit Connector Hole (Figure 2-31)
located just below the Motor Connector Hole. Pack and dress the Request to Exit Cable so that
the Inside Rose will not pinch it.
2.15.6 Make certain that the cable is properly routed and dressed so that it will not be pinched when a Thu-
Bolt is installed in the Upper Trim Hole.
2.16 Installing the Inside Rose Assembly & Cover
2.16.1 Insert the Plastic Bushing (Figure 2-32) from the inside of the door into the Upper Trim Hole so
that the Plastic Bushing slides over the top Outside Rose Post (Figure 2-28 & Figure 2-30).
Make certain that the Plastic Bushing does not pinch any wires. The Plastic Bushing will
protect the wires from being pinched when the Upper Thu-Bolt is installed in the following step.
2.16.2 Insert the Upper Thu-Bolt through the top hole of the Inside Rose and install the Inside Rose
Assembly making certain that the Upper Thu-Bolt goes inside the Plastic Bushing (Figure 2-32). The
Inside Rose may have to be wiggled to get the Plastic Bushing over the Inside Rose Post. Make
certain all connectors and wires are properly routed and dressed so that no pinching occurs then fasten
it to the Outside Rose with the two long Thru-Bolts (Figure 2-32).

3820 Stern Avenue
St. Charles, IL 60174
(630) 762-4450
P/N: M053-xxx-x001 (630) 762-4444 fax Page 29 of 37
Figure 2-32 – Installing Inside Rose, Thru-Bolts and Cover
2.16.3 This step is easy to forget: Place the Stepped Plastic Washer (Figure 2-32), larger
diameter first towards the door) over the Inside Lock Tube and into the Inside Rose (it snaps in).
2.16.4 Press the Inside Cover over the Inside Rose making certain that the Notch in the Inside Cover aligns
with either Notch on the inside Rose.

3820 Stern Avenue
St. Charles, IL 60174
(630) 762-4450
P/N: M053-xxx-x001 (630) 762-4444 fax Page 30 of 37
2.17 Installing the Inside Lever
2.17.1 Insert Cylinder Retainer into the Inside Lever (Figure 2-28).
2.17.2 With the level end towards the hinges, push the Inside Lever onto the Inside Lock Tube, slightly
wiggle and push until the Inside Lever engages the Lever Catch on the Inside Rose (Figure 2-28).
2.17.3 Test the Inside Lever to insure that it is on securely.
2.18 Installing Strike Plate
2.18.1 Calculating the location of the Strike Plate Center Line will vary from door to door. It is basically ½
of the door thickness from whatever stops the door when it is closed. Sometimes this is the door
frame (jam) itself, sometimes it is a rubber bumper, and sometimes it is weather stripping. Determine
what stops your door when it is closed and measure ½ the door’s thickness from that point and that is
the Strike Plate Center Line location (Figure 2-33).
Figure 2-33 – Installing Strike Plate
2.18.2 Mortise the doorjamb to accommodate the Strike Box and Plate in alignment with the Strike Plate
Center Line (Figure 2-33). The mortise must be deep enough so that the installed Strike Plate is flush
with the Door Frame.
2.18.3 Insert the Strike Box and Plate and secure both with two screws provided.
Note: Make certain that the Strike Plate is positioned so that the door will latch easily.

3820 Stern Avenue
St. Charles, IL 60174
(630) 762-4450
P/N: M053-xxx-x001 (630) 762-4444 fax Page 31 of 37
2.19 Installing the Optional Door Position Magnet
Note: The magnet that works with the Door Position Switch must get mounted exactly across from
the Door Position Switch.
Note: For UL installations that use a Door Position Switch use a UL listed door/window contact.
Door contacts for door position monitoring are not for intrusion protection.
2.19.1 Insert the magnet into the hole drilled in section 2.4.3.

3820 Stern Avenue
St. Charles, IL 60174
(630) 762-4450
P/N: M053-xxx-x001 (630) 762-4444 fax Page 32 of 37
2.20 Install the Battery Pack & Transceiver Cover
2.20.1 Install the new Battery Pack (Figure 2-34), install the Battery Bracket, and connect the Battery Pack
(Figure 2-35).
Figure 2-34 – MIRL Battery Pack
Figure 2-35 – MIRL Battery Pack Installation
2.20.2 If the Transceiver Gasket (Figure 2-36) is not already mounted on the Transceiver Base Plate, position
the Transceiver Gasket in the outer groove of the Transceiver Base Plate making certain that the ends
of the Reader Gasket are at the bottom of the base plate and that there is a Weep Gap.
Figure 2-36 – MIRL Transceiver Gasket

3820 Stern Avenue
St. Charles, IL 60174
(630) 762-4450
P/N: M053-xxx-x001 (630) 762-4444 fax Page 33 of 37
2.20.3 Install the MIRL Transceiver Cover and fasten with two secure T-10 TORX Transceiver Cover
Mounting Screws (6-32 x 3/8”) using the T-10 TORX L-key that is provided (Figure 2-37).
Figure 2-37 – MIRL Transceiver Cover
This completes the installation of the MIRL Standard Cylindrical.
If the Panel Interface Module (PIM) is not installed, now is the time to install it, please
refer to the PIM Installation Manual.
If the Panel Interface Module (PIM) is installed, then you are ready to configure your
Wyreless Access System, please refer to the “Configuring & Operating a Wyreless Access
System” manual.

3820 Stern Avenue
St. Charles, IL 60174
(630) 762-4450
P/N: M053-xxx-x001 (630) 762-4444 fax Page 34 of 37
3. Troubleshooting
Problem Solution
Levers pull off.
1. Lever catch not engaging. Lock may not be
centered or door too thick.
2. Cylinder retainer not flush.
3. Non-standard sized cylinder
Unable to install outside lever. Key orientation incorrect
Outside lever removable without using key. 1. Tailpiece installed in wrong orientation.
2. Wrong tailpiece.
Latch won’t retract. 1. Incorrect retractor/latch engagement
2. Poor door preparation or mis-aligned Thu-Bolts.
Key binds in lock.
1. Lever catch not fully engaged.
2. Be sure outside rose is not adjusted too far outward.
3. Wrong tailpiece.
Key cannot be removed from cylinder. Incorrect tailpiece alignment.

3820 Stern Avenue
St. Charles, IL 60174
(630) 762-4450
P/N: M053-xxx-x001 (630) 762-4444 fax Page 35 of 37
4. Contacting Recognition Source
For questions regarding Wyreless Access ™:
(630) 762-4450
(630) 762-4444 fax

3820 Stern Avenue
St. Charles, IL 60174
(630) 762-4450
P/N: M053-xxx-x001 (630) 762-4444 fax Page 36 of 37
5. FCC/UL Compliance & Warnings
5.1 FCC Compliance
• This device has been authorized by the FCC Rules and Industry Canada.
• This device complies with the limits for a Class B digital device and a Class B intentional radiator,
pursuant to Part 15 of the FCC Rules and with RSS-210 of Industry Canada. Operation is subject to
the following two conditions: (1) This device may cause harmful interference, and (2) this device
must accept any interference received, including interference that may cause undesired operation.
• The Wyreless Access System Component must be installed by qualified professionals or contractors
in accordance with FCC part 15.203, Antenna Requirements.
• Do not use any antenna other than the one provided with the unit.
5.2 UL Compliance
• The Modular Integrated Reader Lock (MIRL) Standard Cylindrical is listed under UL294 as an
access control system accessory.
• Access equipment manufactured and/or sold by Recognition Source, LLC, is not rated for, or
intended for use in place of life safety devices. For example, do not use a MIRL where a crash bar is
required.
• When using the proximity version of the Modular Integrated Reader Lock, for UL installations, the
lock has not been investigated for burglary protection.
• For UL installations that use a Door Position Switch use a UL listed door/window contact. Door
contacts for door position monitoring are not for intrusion protection.
• No standby power provided.
5.3 Warnings
• RF Exposure - To comply with FCC RF exposure requirements for mobile transmitting devices this
transmitter should only be used or installed at locations where there is normally at least a 20 cm
separation between the antenna and all persons.
• Do not co-locate and operate in conjunction with any other antenna or transmitter.
• Use only the Battery Pack specified in this instruction manual.
• Do not subject Battery Pack to fire or high temperatures.
• Do not attempt to recharge, short out or disassemble Battery Pack.
• Follow local regulations for alkaline battery disposal.
• Immediately remove the batteries and discontinue use if:
- the product is impacted after which the interior is exposed, or
- the product emits a strange smell, heat, or smoke.
• Changes or modifications not expressly approved by Recognition Source could void the user’s
authority to operate the equipment.

3820 Stern Avenue
St. Charles, IL 60174
(630) 762-4450
P/N: M053-xxx-x001 (630) 762-4444 fax Page 37 of 37
6. Revision History
Version Date Changes
x001 09/09/03 preliminary in house release for comments