Zida Technologies MB-A815EP-11 Mainboard User Manual Manual A815E1 indd

Zida Technologies Ltd. Mainboard Manual A815E1 indd

users manual 2

OverviewThank  You  for  purchasing  our  High  Performance  Mainboard. Our advanced technology mainboard is designed for processing speeds  of  933MHz  or  above  and  is  upgradeabled  for  future  processors. The  Intel  Mainboard  Utilizes  815E/815EP  and  ICH2  chipset provide  an  Integrated  Bus  Mastering  IDE  controller  with  two high  performance  IDE  interfaces  for  up  to  four  UDMA  IDE devices (hard drives, or CD-ROM's). The LPC(Low-pin count) I/O controller integrates a floppy drive interface, two enhanced 16C550  compatible  serial  ports,  one  parallel  port  and  one consumer infra red compatible interface.The ICH2 I/O controller  integrates  two  USB  1.1  compliant  controllers  with  a  total  of 4 ports.Intel  815E  chipset  support  Intel  Celeron,Intel  Pentium  Ⅲ  and Cyrix  III  processors  on  socket  370  with  100/133  SDRAM DIMM.Three  DIMM  slots  support  up  to  512MB  Memory  Capacity.  WAKEUP-LINK Header supports Wake-On-LAN. Integrated  AC97  2.1  Compliant  Codec  with  3D  Stereo enhancement (optional).  Award 4M bits Firmware Hub compliant with PC99,ACPI//DMI power management. ATX 305mm x 210mm. Mainboard User's Manual Page 5Overview
Page 6  Mainboard User's ManualFast StartInstallationThis  section  will  aid  you  in  quickly  setting  up  the  Mainboard. Be  sure  to  take  caution  to  avoid  personal  injury  or  damage to  wiring  due  to  sharp  pins  on  connectors,  printed  circuit assemblies, rough edges and corners and hot components. Your Location Requirements Are:•  A sturdy, level surface for placement•  Space allowance around mainboard•  A  stable  environment  with  no  abrupt  temperature  or  humidity changes•  No exposure to chemicals or direct sunlight•  Line voltage and frequency not varying more than + or -10% from the  value  stated  on  the  package  or  nameplate  (located  on  the back, opposite the power plug)
Checking The Package ContentsRemove  the  items  from  the  box  and  make  sure  you  have the  following  items  before  beginning.    If  any  of  the  items below are missing, please contact the representative for part replacement.ATX Box Standard Package1)  Mainboard2)  Driver CD with Norton AntiVirus 2001 OEM Version3)  User Manual4)  IDE Hard Drive Ribbon Cable5)  Floppy Drive Ribbon Cable6)  USB Cable for onboard USB Header ( Optional )7)  Modem Cable for Modem Header ( Optional )Installation Mainboard User's Manual Page 7
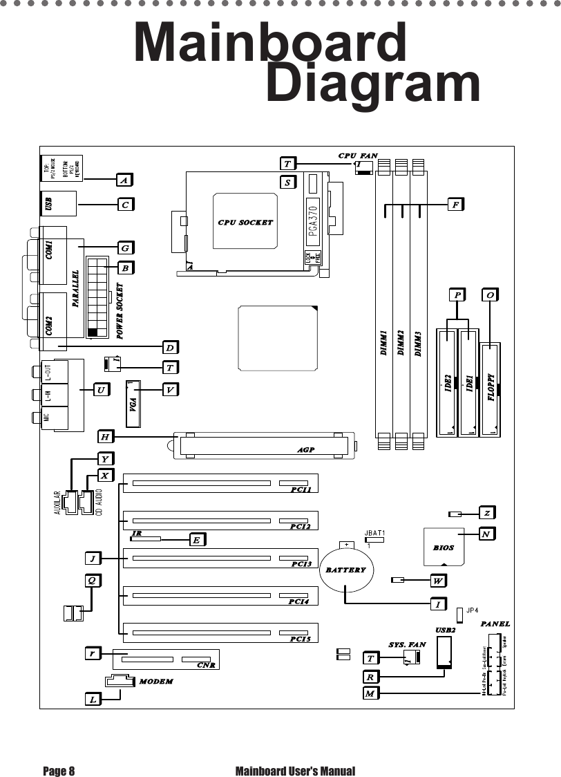
Page 8  Mainboard User's ManualMainboard         Diagram
Before we begin installing your series Mainboard, we have provided you with a diagram of the Mainboard to help you locate the appropriate “connectors”.  The letters below describe the key Mainboard components. Page  number  in  the  right  hand  column  will  direct  you  to  detailed  description  of  the  component.                              A815E / A815EP  Option : AC97 2.1 Compliant 3D Audio                                                                                 Software 56K ModemOnboardCOMPONENT                                                                              PAGEA-  PS/2 Mouse & Keyboard Connector  . . . . . . . . . . . . . . . . . . 41B-  ATX Power Supply Connector  . . . . . . . . . . . . . . . . . . . . . . 41C-  Universal Serial Bus (USB) Connector   . . . . . . . . . . . . . . . 42D-  Serial (COM1 & 2) Connector  . . . . . . . . . . . . . . . . . . . . . . . 42E-  Infra-Red (IR) Header  . . . . . . . . . . . . . . . . . . . . . . . . . . . . . 42F-  Memory Module Sockets . . . . . . . . . . . . . . . . . . . . . . . . . . . 43G-  Parallel Port Connector  . . . . . . . . . . . . . . . . . . . . . . . . . . . . 43H-  Accelerated Graphics Port (AGP) Connector   . . . . . . . . . . 43I-   Lithium Battery  . . . . . . . . . . . . . . . . . . . . . . . . . . . . . . . . . . 44J-   PCI Add-in Board Connector  . . . . . . . . . . . . . . . . . . . . . . . 44L-  Modem Connector (Optional)  . . . . . . . . . . . . . . . . . . . . . . . 44M- Front Panel Function Connector  . . . . . . . . . . . . . . . . . . . . . 44N-  Flash BIOS  . . . . . . . . . . . . . . . . . . . . . . . . . . . . . . . . . . . . . 45O-  Floppy Drive Header  . . . . . . . . . . . . . . . . . . . . . . . . . . . . . . 45P-  IDE Device Header  . . . . . . . . . . . . . . . . . . . . . . . . . . . . . . . 45Q-  WAKEUP-LINK Header . . . . . . . . . . . . . . . . . . . . . . . . . . . . 46R-  Universal Serial Bus Header . . . . . . . . . . . . . . . . . . . . . . . . 46r-   CNR Add-in Board Connector . . . . . . . . . . . . . . . . . . . . . . . 46S-  CPU Socket  . . . . . . . . . . . . . . . . . . . . . . . . . . . . . . . . . . . . 46T-  CPU / SYSTEM & AUXILIARY FAN Connector  . . . . . . . . . 47U-  Audio & Joystick Connectors  . . . . . . . . . . . . . . . . . . . . . . . 47V-  VGA Header (Optional)  . . . . . . . . . . . . . . . . . . . . . . . . . . . . 48W- Temperature Sensor Header . . . . . . . . . . . . . . . . . . . . . . . . 48X-  CD Audio Connector  . . . . . . . . . . . . . . . . . . . . . . . . . . . . . . 48Y-  Auxiliary Audio Connector . . . . . . . . . . . . . . . . . . . . . . . . . . 48z-   Case Detect  . . . . . . . . . . . . . . . . . . . . . . . . . . . . . . . . . . . . 48 Mainboard User's Manual Page 9Installation

Navigation menu