R tron SNIDEN25 iDen Mini Wireless Repeater User Manual
R-tron Inc. iDen Mini Wireless Repeater
R tron >
Part 1

iDEN MINI
(RSN-iDEN-25)
User’s Manual
R-tron Inc.

User’s Manual -2-
RF EXPOSURE INFORMATION
A minimum separation distance of 7.9 inches(20cm) must be maintained between the
user and the external antenna of repeater to satisfy FCC RF exposure requirements.
For more information about RF exposure, please visit the FCC website at www.fcc.gov
CAUTION
This equipment is indoor use and all the communication
wirin
g
are limited to inside of the buildin
g
.

iDEN MINI
User’s Manual -3-
This document describes the specifications, installation and operation of iDEN MINI.
Hardware and software mentioned in this document are subject to continuous development and
improvement. Consequently, there may be minor discrepancies between the information in the
document and the performance and design of the product. Specifications, dimensions and other
statements mentioned in this document are subject to change without notice.
R-tron Inc. 6402 College Boulevard Overland Park, KS 66211
Phone: +1-913-344-9977, 1-888-31R-TRON, Fax: +1-913-344-9988,
Internet: www.r-tron.com
R-tron is registered trademarks of R-tron Inc. Other products and company names mentioned herein this
manual might be trade marks or trade names of their respective owners.
This document or parts of it may not be reproduced without the written permission of R-tron Inc.
Infringements will be prosecuted. All rights reserved
Copyright © R-tron Inc. 2000-2007

iDEN MINI
User’s Manual -4-
Contents
Abbreviations ....................................................................................................................... 6
1. Introduction ........................................................................................................... 7
2. Description ............................................................................................................. 9
2.1 System Specifications ....................................................................................................... 9
2.1.1. Electrical Specifications .......................................................................................... 9
2.1.2. Mechanical Specifications .................................................................................... 10
2.2 Sub Unit Overview ............................................................................................................ 11
2.2.1. Block Diagram ...................................................................................................... 12
2.2.2. UDC Module ......................................................................................................... 13
2.2.3. Multiplexer ............................................................................................................ 14
2.2.4. MCU (Main Control Unit) ...................................................................................... 15
2.2.5. Power Supply ....................................................................................................... 16
2.2.6. HPA (High Power Amplifier) .................................................................................. 17
3. Hardware Installation............................................................................................ 18
3.1 Check List of Items .......................................................................................................... 18
3.2 Mounting .......................................................................................................................... 19
3.3 Grounding ........................................................................................................................ 20
3.4 RF Cable Connection ...................................................................................................... 20
3.5 Power Up ......................................................................................................................... 21
4. Command and Control through the Hyper Terminal ................................................ 22
4.1 Setting for Command and Control through the Hyper Terminal ........................................... 22
4.2 Command and Control through the Hyper Terminal ............................................................ 25
5. Troubleshooting .................................................................................................... 30
5.1 RF Connection Check ..................................................................................................... 30
5.2 Power Connection ........................................................................................................... 30
5.3 Red Light on the Alarm LED ............................................................................................ 31

iDEN MINI
User’s Manual -5-
Figures
Figure 1. R-tron iDEN MINI ...................................................................................................... 7
Figure 2. Overview: Service ..................................................................................................... 8
Figure 3. Dimension of iDEN MINI .......................................................................................... 10
Figure 4. Internal View of iDEN MINI ...................................................................................... 11
Figure 5. Block Diagram ........................................................................................................ 12
Figure 6. UDC Module ........................................................................................................... 13
Figure 7. Multiplexer ............................................................................................................. 14
Figure 8. Main Control Unit .................................................................................................... 15
Figure 9. Power Supply .......................................................................................................... 16
Figure 10. HPA(High Power Amplifier) ................................................................................... 17
Figure 11. Items .................................................................................................................. 18
Figure 12. Mounting ............................................................................................................ 19
Figure 13. Grounding ........................................................................................................... 20
Figure 14. Configuration: RF Cable Connection ...................................................................... 21
Figure 15. Power Cord Connection ........................................................................................ 21
Figure 16. Local connection to the iDEN MINI ....................................................................... 22
Figure 17. LEDs Off ............................................................................................................. 30
Figure 18. AC power cord Check ........................................................................................... 31
Figure 19. Red Light on Alarm LED ....................................................................................... 31

iDEN MINI
User’s Manual -6-
Abbreviations
Abbreviations used in this manual, in iDEN Add-On Filter Box.
AC Alternating Current
ANT Antenna
CDMA Code Division Multiple Access
DC Direct Current
GND Grounding
GUI Graphic User Interface
iDEN Integrated Digital Enhanced Network
LED Light Emitting Diode
PSU Power Supply Unit
RF Radio Frequency
TEMP Temperature
VSWR Voltage Standing Wave Ratio

iDEN MINI
User’s Manual -7-
1. Introduction
Figure 1. R-tron iDEN MINI
iDEN MINI repeater is used to fill out areas in iDEN mobile systems, such
as base station fringe areas, business and industrial buildings, etc.
iDEN MINI receives signals from a base station, amplifies and
retransmits the signals to mobile stations. Also it receives, amplifies and
retransmits signals in the opposite direction. Both directions are served
simultaneously with the following features:
7MHz or 18MHz-bandwidth service @ 800MHz’s
5MHz-bandwidth service @ 900MHz’s
Band Shifting @ 800MHz’s and 900MHz’s
Roll Offs: 65 dBc at 0.5 MHz outside pass-band
AC Power Socket
& Switch RJ-45 (network) jack
Status LEDs
Ground rod
Donor Antenna Port Service Antenna Port

iDEN MINI
User’s Manual -8-
.
Figure 2. Overview: Service

iDEN MINI
User’s Manual -9-
2. Description
2.1 System Specifications
2.1.1. Electrical Specifications
Parameter iDEN 800 iDEN 900
Selectable
Bandwidth DL & UL In-band BW:18M
In-band BW:7.0M In-band BW:5M
Frequency
Selection
DL
18MHz-
bandwidth
851~869MHz
850.8~868.8MHz
850.6~868.6MHz
7MHz-
bandwidth
862~869MHz
861.8~868.8MHz
861.6~868.6MHz
5MHz-
bandwidth
935~940MHz
934.8~939.8MHz
934.6~939.6MHz
UL
18MHz-
bandwidth
806~824MHz
805.8~823.8MHz
805.6~823.6MHz
7MHz-
bandwidth
817~824MHz
816.8~823.8MHz
816.6~823.6MHz
5MHz-
bandwidth
896~901MHz
895.8~900.8MHz
895.6~900.6MHz
Roll off DL & UL ≤65dBc
@Fedge+/-500KHz
≤65dBc
@Fedge+/-500KHz
Gain ripple ±1.5dB (Typical)
Gain DL & UL 40dB to 65dB
Output
Power DL & UL 25dBm
Delay DL & UL 8.0µs Max.
VSWR DL & UL 1.5Max.
Rx
Noise Figure
5dB Max. (65dB Gain)
12dB Max. (40dB Gain)
Input Range DL & UL -30dBm Max.
Power supply 110V~125V, 60Hz typical
Operating temperature *-10℃~ 50℃
Storage temperature -20℃~60℃
Consumption power ≤94W

iDEN MINI
User’s Manual -10-
2.1.2. Mechanical Specifications
Parameter Specification
RF connectors N-female x 2, SMA-female x 4
Size 18.9 X13.78 X 7.22(Inch),
480 X 350 X 183.5(mm)
Weight 24kg (52.912lbs)
SERVICE
ANTENNA
DONOR
ANTENNA
110 -125V ~
DANGER
RISK OF ELECTRIC SHOCK
AC IN 800MHz
TX MON.
900MHz
TX MON.
800MHz
RX MON.
900MHz
RX MON. LAN
ALARM
E258109
31CY
I.T.E
not cause harmful interference.
:MAKER
POWER :
FCC REG. NO. :
SERIAL NO. / DATE :
R-tron lnc.
COMPLIES WITH PART 96, FCC RULES.
110V ~ , 50/60Hz , 2A
RSP-AID-001 :MODEL
Operation is subject to the condition that this device
This devic e comp lies w ith pa rt 15 of the FCC rules.
MADE IN KOREA
Figure 3. Dimension of iDEN MINI

iDEN MINI
User’s Manual -11-
2.2 Sub Unit Overview
iDEN MINI is composed of the following sub units:
UDC(Up Down Converter)
HPAs(High Power Amplifiers)
Multiplexer
Main Control Unit (MCU)
Power Supply Unit (PSU)
EMI Filter
Figure 4. Internal View of iDEN MINI

iDEN MINI
User’s Manual -12-
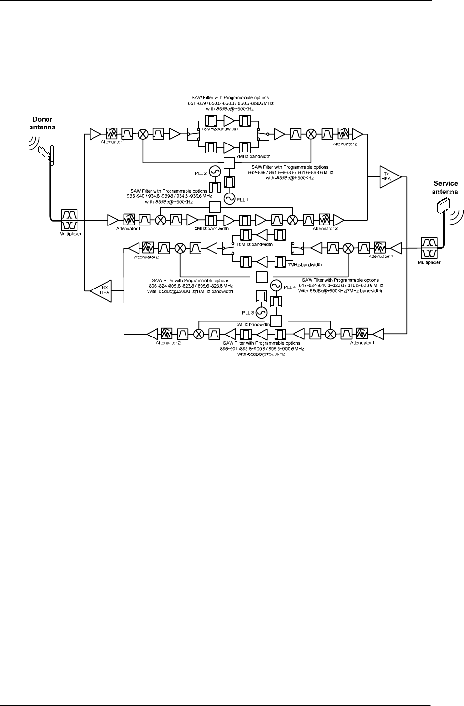
2.2.1. Block Diagram
The following, Figure 5, explains how the iDEN MINI serves signals.
Figure 5. Block Diagram

iDEN MINI
User’s Manual -13-
2.2.2. UDC Module
The UDC Module is basically a bi-directional amplifier that sharply filters
out unwanted noise.
Figure 6. UDC Module

iDEN MINI
User’s Manual -14-
2.2.3. Multiplexer
A multiplexer is a device that combines two or more signals onto a
common channel or medium to increase its transmission efficiency.
Figure 7. Multiplexer

iDEN MINI
User’s Manual -15-
2.2.4. MCU (Main Control Unit)
MCU is the control unit of iDEN MINI. It controls and monitors operational
parameters. It also generates alarms, an event log and many other
functions of the iDEN MINI.
Figure 8. Main Control Unit
Pin Map
Port Connected to
J1 MCU Vcc(+6V)
J3 USB Port(Manufacturer use only)
J4 PSU Alarms
J5 Door Alarm
J6 Status LEDs
J7 iDEN 800 PLL,B/S,OUT DET
J8 iDEN 900 PLL,B/S,OUT DET
J9 Tx HPA
J10 Rx HPA
J11 RJ-45 jack

iDEN MINI
User’s Manual -16-
2.2.5. Power Supply
The Power Supply Unit (PSU) supplies a steady DC power to iDEN MINI
by drawing power from the general in-wall AC outlets
Figure 9. Power Supply
Specifications
Item Specifications
Environmental
Operating
Temp -10℃~50℃
Humidity 20%~90%RH
Cooling method Natural air
Voltage AC110~125V
Current 5A Max / 6V, 12V, 27VDC
Frequency 50~60Hz typ
Leakage Current 0.5mA max.@110V AC